Low-voltage switchgear and controlgear. Part 1. General rules

МЕЖГОСУДАРСТВЕННЫЙ СОВЕТ ПО СТАНДАРТИЗАЦИИ, МЕТРОЛОГИИ И СЕРТИФИКАЦИИ
(МГС)

INTERSTATE COUNCIL FOR STANDARDIZATION, METROLOGY AND CERTIFICATION
(ISC)

МЕЖГОСУДАРСТВЕННЫЙ

СТАНДАРТ

ГОСТ
IEC
60947-1-
2014

АППАРАТУРА РАСПРЕДЕЛЕНИЯ И УПРАВЛЕНИЯ
НИЗКОВОЛЬТНАЯ

Часть 1
Общие правила

(IEC 60947-1:2011, IDT)

Москва
Стандартинформ
2015

Предисловие

Цели, основные принципы и порядок проведения работ по межгосударственной стандартизации установлены ГОСТ 1.0-92 «Межгосударственная система стандартизации. Основные положения» и ГОСТ 1.2-2009 «Межгосударственная система стандартизации. Стандарты межгосударственные, правила и рекомендации по межгосударственной стандартизации. Правила разработки, принятия, применения, обновления и отмены»

Сведения о стандарте

1 ПОДГОТОВЛЕН Автономной некоммерческой организацией «Научно-технический центр «Энергия» (АНО «НТЦ «Энергия») и Федеральным государственным унитарным предприятием «Всероссийский научно-исследовательский институт стандартизации и сертификации в машиностроении» (ВНИИНМАШ) на основе собственного аутентичного перевода на русский язык международного стандарта, указанного в пункте 5

2 ВНЕСЕН Федеральным агентством по техническому регулированию и метрологии (Росстандарт)

3 ПРИНЯТ Межгосударственным советом по стандартизации, метрологии и сертификации (протокол от 25 июня 2014 г. № 45)

За принятие проголосовали:

Краткое наименование страны по МК (ИСО 3166) 004-97

Код страны по МК (ИСО 3166) 004-97

Сокращенное наименование национального органа по стандартизации

Армения

AM

Минэкономики Республики Армения

Беларусь

BY

Госстандарт Республики Беларусь

Киргизия

KG

Кыргызстандарт

Молдова

MD

Молдова-Стандарт

Россия

RU

Росстандарт

Таджикистан

TJ

Таджикстандарт

Узбекистан

UZ

Узстандарт

4 Приказом Федерального агентства по техническому регулированию и метрологии от 9 сентября 2014 г. № 1025-ст межгосударственный стандарт ГОСТ IEC 60947-1-2014 введен в действие в качестве национального стандарта Российской Федерации с 1 января 2016 г.

5 Настоящий стандарт идентичен международному стандарту IEC 60947-1:2011 Low-voltage switchgear and controlgear - Part 1: General rules (Аппаратура коммутационная и механизмы управления низковольтные комплектные. Часть 1. Общие правила).

Перевод с английского языка (en).

Официальные экземпляры международного стандарта, на основе которого подготовлен настоящий межгосударственный стандарт, и международных стандартов, на которые даны ссылки, имеются в национальных органах по стандартизации.

Сведения о соответствии межгосударственных стандартов ссылочным международным стандартам приведены в дополнительном приложении ДА.

Степень соответствия - идентичная (IDT)

6 ВЗАМЕН ГОСТ 30011.1-2012 (IEC 60947-1:2004)

Информация об изменениях к настоящему стандарту публикуется в ежегодном информационном указателе «Национальные стандарты», а текст изменений и поправок - в ежемесячном информационном указателе «Национальные стандарты». В случае пересмотра (замены) или отмены настоящего стандарта соответствующее уведомление будет опубликовано в ежемесячном информационном указателе «Национальные стандарты». Соответствующая информация, уведомление и тексты размещаются также в информационной системе общего пользования - на официальном сайте Федерального агентства по техническому регулированию и метрологии в сети Интернет

Содержание

1 Область применения. 5

1.1 Область применения. 5

1.2 Нормативные ссылки. 5

2 Термины и определения. 10

2.1 Общие термины.. 14

2.2 Коммутационные аппараты.. 16

2.3 Части коммутационных аппаратов. 18

2.4 Функционирование коммутационных аппаратов. 22

2.5 Параметры и характеристики. 25

2.6 Испытания. 32

2.7 Порты.. 33

3 Классификация. 33

4 Характеристики. 33

4.1 Общие требования. 34

4.2 Тип аппарата. 34

4.3 Номинальные и предельные значения параметров главной цепи. 34

4.4 Категория применения. 40

4.5 Цепи управления. 40

4.6 Вспомогательные цепи. 41

4.7 Реле и расцепители. 41

4.8 Координация с устройствами для защиты от коротких замыканий (УЗКЗ) 41

5 Информация об аппарате. 42

5.1 Характер информации. 42

5.2 Маркировка. 43

5.3 Инструкции по монтажу, эксплуатации и обслуживанию.. 44

6 Нормальные условия эксплуатации, монтажа и транспортирования. 44

6.1 Нормальные условия эксплуатации. 44

6.2 Условия транспортирования и хранения. 46

6.3 Монтаж.. 46

7 Требования к конструкции и работоспособности. 46

7.1 Требования к конструкции. 46

7.2 Требования к работоспособности. 53

7.3 Электромагнитная совместимость (ЭМС) 60

8 Испытания. 61

8.1 Виды испытаний. 61

8.2 Соответствие требованиям к конструкции. 63

8.3 Работоспособность. 68

8.4 Испытания на ЭМС.. 88

Приложение A (рекомендуемое) Нормальные режимы применения низковольтной аппаратуры распределения и управления. 118

Приложение B (рекомендуемое) Пригодность аппаратов для эксплуатации в нестандартных условиях. 120

Приложение C (обязательное) Степени защиты аппаратов в оболочках. 121

Приложение D (рекомендуемое) Примеры зажимов и взаимосвязь зажима с соединительным устройством.. 126

Приложение Е (рекомендуемое) Описание метода регулирования цепи нагрузки. 130

Приложение F (рекомендуемое) Определение коэффициента мощности или постоянной времени при коротких замыканиях. 132

Приложение G (рекомендуемое) Измерение расстояний утечки и воздушных зазоров  133

Приложение Н (рекомендуемое) Соответствие между паспортным напряжением системы питания и номинальным импульсным выдерживаемым напряжением аппарата. 137

ПРИЛОЖЕНИЕ J (рекомендуемое) Вопросы, требующие согласования между изготовителем и потребителем.. 138

Приложение К.. 139

Приложение L (обязательное) Маркировка и отличительное цифровое обозначение контактных выводов. 139

Приложение M (обязательное) Испытание на воспламеняемость. 149

Приложение N (обязательное) Требования и испытания аппаратов с раздельной степенью защиты по изоляции. 152

Приложение О (рекомендуемое) Экологические аспекты продукции. 155

Приложение P (рекомендуемое) Кабельные наконечники для медных проводников, присоединяемых к выводам низковольтной аппаратуры распределения и управления  162

Приложение Q (обязательное) Специальные испытания. Влажное тепло, соляной туман, вибрации и толчки. 162

Приложение R (рекомендуемое) Применение металлической фольги в электроизоляционных испытаниях на доступных частях при оперировании или регулировке. 166

Приложение S (обязательное) Цифровые вводы и выходы.. 170

Приложение T (обязательное) Электронные реле перегрузки с расширенными функциями. 181

Приложение U (рекомендуемое) Примеры конфигураций цепей управления. 185

Приложение ДА (справочное) Сведения о соответствии межгосударственных стандартов ссылочным международным стандартам.. 187

Библиография. 192

Введение

В настоящем стандарте объединены все требования стандартов на различные электрические аппараты, которые можно считать общими, отражающие специфические проблемы широкого диапазона применения, например, превышение температуры, электроизоляционные свойства и т.п.

Требования и испытания для каждого конкретного типа низковольтных аппаратов распределения и управления определяются двумя стандартами:

1) данным основополагающим стандартом, определяемым в стандартах, относящихся к различным видам низковольтных аппаратов распределения и управления как «ГОСТ IEC 60947-1»;

2) стандартом на конкретный вид (тип) низковольтных аппаратов распределения и управления, обозначаемым ниже как «стандарт на конкретный аппарат» или «стандарт на изделие».

Если для стандарта на конкретный вид (тип) аппарата действительно общее требование по настоящему стандарту, это должно быть четко оговорено в стандарте на конкретный вид (тип) аппарата со ссылкой на соответствующий пункт настоящего стандарта, например, «ГОСТ IEC 60947-1, пункт 7.2.3».

Отдельные требования настоящего стандарта могут не относиться к какому-то стандарту на аппарат конкретного вида (типа), в этом случае на неприменимое требование в стандарте на аппарат конкретного вида (типа) не ссылаются.

Если требование настоящего стандарта оценивается как недостаточное в конкретном случае, но не может нарушаться без серьезного технического обоснования, стандарт на аппарат конкретного вида (типа) дополняют другими требованиями.

Примечание - В комплекс стандартов на низковольтные аппараты распределения и управления, кроме настоящего стандарта, на данный момент входят следующие международные стандарты:

IEC 60947-2. Часть 2. Автоматические выключатели;

IEC 60947-3. Часть 3. Выключатели, разъединители, выключатели-разъединители и комбинации с предохранителями;

IEC 60947-4. Часть 4. Контакторы и пускатели;

IEC 60947-5. Часть 5. Аппараты для цепей управления и коммутационные элементы:

IEC 60947-6. Часть 6. Многофункциональные коммутационные аппараты.

IEC 60947-7. Часть 7. Вспомогательное оборудование;

IEC 60947-8. Часть 8. Блоки управления для встроенной тепловой защиты вращающихся электрических машин.

МЕЖГОСУДАРСТВЕННЫЙ СТАНДАРТ

АППАРАТУРА РАСПРЕДЕЛЕНИЯ И УПРАВЛЕНИЯ НИЗКОВОЛЬТНАЯ
Часть 1

Общие правила

Low-voltage switchgear and controlgear. Part 1. General rules

Дата введения - 2016-01-01

1 Область применения

Целью настоящего стандарта является гармонизация правил и требований общего характера, относящихся к низковольтной аппаратуре распределения и управления (далее - аппараты), с целью их унификации для соответствующих классов аппаратов и устранения необходимости испытаний по разным стандартам.

1.1 Область применения

Настоящий стандарт распространяется на низковольтные аппараты распределения и управления (далее - аппараты), предназначенные для эксплуатации в электрических цепях номинальным напряжением до 1000 В переменного тока или до 1500 В постоянного тока.

Требования настоящего стандарта распространяются на аппараты конкретного вида (типа) при наличии в стандартах на эти аппараты соответствующих ссылок.

Настоящий стандарт не распространяется на низковольтные комплектные устройства распределения и управления, охватываемые стандартами серии IEC 60439.

Примечание - В некоторых пунктах настоящего стандарта аппараты, на которые он распространяется, обозначены как «устройства».

Настоящий стандарт устанавливает правила и требования общего характера для аппаратов согласно 1.1, включая:

- определения;

- характеристики;

- информацию, прилагаемую к аппарату;

- нормальные условия эксплуатации, монтажа и транспортирования;

- требования к конструкции и работоспособности;

- проверку характеристик и работоспособности.

1.2 Нормативные ссылки

Для применения настоящего стандарта необходимы следующие ссылочные документы. Для датированных ссылок применяют только указанное издание ссылочного документа, для недатированных ссылок применяют последнее издание ссылочного документа (включая все его изменения).

IEC 60050-151:2001 International Electrotechnical Vocabulary (IEV) - Chapter 151: Electrical and magnetic devices (Международный электротехнический словарь. Глава 151. Электрические и магнитные устройства)

IEC 60050-441:1984 International Electrotechnical Vocabulary (IEV) - Chapter 441: Switchgear, controlgear and fuses. Amendment 1 (2000) [Международный электротехнический словарь. Глава 441. Коммутационная аппаратура, аппаратура управления и предохранители. Изменение 1 (2000)]

IEC 60050-604:1987 International Electrotechnical Vocabulary (IEV) - Chapter 604: Generation, transmission and distribution of electricity - Operation. Amendment 1 (1998) [Международный электротехнический словарь. Глава 604. Получение, передача и распределение электроэнергии. Эксплуатация. Изменение 1 (1998)]

IEC 60050-826:2004 International Electrotechnical Vocabulary (IEV) - Chapter 826: Electrical installations (Международный электротехнический словарь. Глава 826. Электрические установки)

IEC 60060 High-voltage test techniques (Методы испытаний высоким напряжением)

IEC 60068-1:1988 Environmental testing - Part 1: General and guidance. Amendment 1 (1992) [Испытание на воздействие внешних факторов. Часть 1. Общие положения и руководство. Изменение 1 (1992)]

IEC 60068-2-1:1990, Environmental testing - Part 2-1: Tests - Tests A: Cold. Amendments 1 (1993), 2 (1994) [Испытания на воздействия внешних факторов. Часть 2-1. Испытания. Испытание А: Холод. Изменения 1 (1993), 2 (1994)]

IEC 60068-2-2:1974 Environmental testing - Part 2-2: Tests - Tests В: Dry heat. Amendments 1 (1993), 2 (1994) [Испытания на воздействие внешних факторов. Часть 2. Испытания. Испытание В: Сухое тепло. Изменения 1 (1993), 2 (1994)]

IEC 60068-2-6:1995 Environmental testing - Part 2-6: Tests - Test Fc: Vibration (sinusoidal) [Испытания на воздействие внешних факторов. Часть 2. Испытания. Испытание Fc: вибрация (синусоидальная)]

IEC 60068-2-27:1987 Environmental testing - Part 2-27: Tests - Test Ea and guidance: Shock (Испытания на воздействие внешних факторов. Часть 2. Испытания. Часть 2-27. Испытания. Испытание Еа и руководство: удар)

IEC 60068-2-30:2005 Environmental testing - Part 2-30: Tests - Test Db: Damp heat, cyclic (12 h + 12 h cycle) [Испытания на воздействия внешних факторов. Часть 2. Испытания. Испытание Db и руководство: влажное тепло, циклическое (12+12 - часовой цикл)]

IEC 60068-2-52:1996 Environmental testing - Part 2-52: Tests - Test Kb: Salt mist, cyclic (sodium chloride solution) [Испытания на воздействие внешних факторов. Часть 2. Испытания. Испытание Kb: Соляной туман, циклическое испытание (раствор хлорида натрия)]

IEC 60068-2-78:2001 Environmental testing - Part 2-78: Tests - Test Cab: Damp heat, steady state (Испытание на воздействие внешних факторов. Часть 2-78. Испытания. Испытание Cab: Влажное тепло, установившийся режим)

IEC 60071-1:1993 Insulation co-ordination - Part 1: Definitions, principles and rules (Координация изоляции. Часть 1. Определения, принципы и правила)

IEC 60073:2002 Basic and safety principles for man-machine interface, marking and identification - Coding principles for indicators and actuators (Основополагающие принципы и принципы безопасности для интерфейса человек-машина, маркировка и идентификация. Принципы кодирования для индикаторов и пускателей)

IEC 60085:2004 Electrical insulation - Thermal classification (Электрическая изоляция. Классификация по термическим свойствам)

IEC 60112:2003 Method for the determination of the proof and the comparative tracking indices of solid insulating materials (Материалы электроизоляционные твердые. Методы определения нормативного и сравнительного индексов трекингостойкости)

IEC 60216-1 Electrical insulating materials. Properties of thermal endurance. Part 1. Ageing procedures and evaluation of test results (Материалы электроизоляционные. Характеристики теплостойкости. Часть 1. Методики проведения испытаний на старение и оценка результатов)

IEC 60228:2004 Conductors of insulated cables (Проводники изолированных кабелей)

IEC 60269-1:1998 Low-voltage fuses - Part 1: General requirements. Amendment 1 (2005) [Предохранители плавкие низковольтные. Часть 1. Общие требования. Изменение 1 (2005)]

IEC 60269-2:1986 Low-voltage fuses - Part 2: Supplementary requirements for fuses for use by authorized persons (fuses mainly for industrial application). Amendments 1 (1995), 2 (2001) [Предохранители плавкие низковольтные. Часть 2. Дополнительные требования к плавким предохранителям, используемым квалифицированным персоналом (главным образом, промышленного назначения). Примеры стандартизированных систем плавких предохранителей от А до J. Изменения 1 (1995), 2 (2001)]

IEC 60344:1980 Guide to the calculation of resistance of plain and coated copper conductors of low-frequency cables and wires. Amendment 1 (1985) [Расчет электрического сопротивления постоянного тока медных проводников с покрытием и без него для низкочастотных кабелей и проводов. Руководство по применению. Изменение 1 (1985)]

IEC 60364-4-44:2001 Electrical installations of buildings - Part 4-44: Protection for safety - Protection against voltage disturbances and electromagnetic disturbances. Amendment 1 (2003) [Электрические установки низкого напряжения. Часть 4-44. Защита для обеспечения безопасности. Защита от резких отклонений напряжения и электромагнитных возмущений. Изменение 1 (2003)]

IEC 60417-DB:20021 Graphical symbols for use on equipment (Графические обозначения, применяемые на оборудовании)

__________

1 “DB” означает, что стандарт в электронной версии доступен в базе стандартов на сайте IEC.

IEC 60439-1:1999 Low-voltage switchgear and controigear assemblies -Part 1: Type-tested and partially type-tested assemblies. Amendment 1 (2004) [Устройства комплектные низковольтные распределения и управления. Часть 1. Устройства, испытанные полностью или частично. Общие технические требования и методы испытаний. Изменение 1 (2004)]

IEC 60445:1999 Basic and safety principles for man-machine interface, marking and identification - Identification of equipment terminals and of terminations of certain designated conductors, including general rules of an alphanumeric system (Интерфейс человек-машина, маркировка, идентификация. Основные принципы и принципы безопасности. Идентификация выводов, концов проводов и проводников электрооборудования)

IEC 60447:2004 Basic and safety principles for man-machine interface, marking and identification - Actuating principles (Интерфейс человек-машина. Основные принципы безопасности, маркировка и идентификация. Принципы включения)

IEC 60529:1989 Degrees of protection provided by enclosures (IP code). Amendment 1 (1999) [Степени защиты, обеспечиваемые корпусами (Код IP). Изменение 1 (1999)]

IEC 60617-DB:2000 Graphical symbols for diagrams (Графические символы для диаграмм)

IEC 60664-1:1992 Insulation coordination for equipment within low-voltage systems - Part 1: Principles, requirements and tests - Basic safety publication. Amendments 1 (2000), 2 (2002) [Координация изоляции для оборудования в низковольтных системах. Часть 1. Принципы, требования и испытания Изменения 1 (2000), 2 (2002)]

IEC 60664-3:2003 Insulation coordination for equipment within low-voltage systems - Part 3: Use of coating, potting or moulding for protection against pollution (Координация изоляции для оборудования в низковольтных системах. Часть 3. Использование покрытия, герметизации или заливки для защиты от загрязнения)

IEC 60664-5:2007 Insulation coordination for equipment within low-voltage systems - Part 5: Comprehensive method for determining clearances and creepage distances equal to or less than 2 mm (Координация изоляции для оборудования в низковольтных системах. Часть 5. Комплексный метод определения зазоров и путей утечки, равных или менее 2 мм)

IEC 60695-2-2:1991 Fire hazard testing - Part 2: Test methods - Section 2: Needle-flame test. Amendment 1 (1994) [Испытание на пожарную опасность. Часть 2.2. Методы испытаний. Испытание игольчатым пламенем. Изменение 1 (1994)]

IEC 60695-2-10:2000 Fire hazard testing - Part 2-10: Glowing/hot-wire based test methods - Glow-wire apparatus and common test procedure (Испытание на пожарную опасность. Часть 2-10. Методы испытания с применением накаленной/нагретой проволоки. Аппаратура и общие положения методики испытания накаленной проволокой)

IEC 60695-2-11:2000 Fire hazard testing - Part 2-11: Glowing/hot-wire based test methods - Glow-wire flammability test method for end-products (Испытания на пожароопасность. Часть 2-11. Методы испытаний раскаленной/горячей проволокой. Метод испытания конечной продукции на воспламеняемость под действием раскаленной проволоки)

IEC 60695-2-12 Fire hazard testing - Part 2-12: Glowing/hot-wire based test methods - Glow-wire flammability test method for materials [Испытания на пожарную опасность. Часть 2-12. Методы испытания накаленной/нагретой проволокой. Метод определения индекса воспламеняемости материалов накаленной проволокой (ИВНК)]

IEC 60695-11-10:1999 Fire hazard testing - Part 11-10: Test flames - 50 W horizontal and vertical flame test methods. Amendment 1 (2003) [Испытания на пожароопасность. Часть 11-10. Пламя для испытания. Методы испытания горизонтальным и вертикальным пламенем 50Вт. Изменение 1 (2003)]

IEC 60947-5-1:2003 Low-voltage switchgear and confrolgear - Part 5-1: Control circuit devices and switching elements - Electromechanical control circuit devices (Аппаратура коммутационная и механизмы управления низковольтные комплектные. Часть 5-1. Устройства и коммутационные элементы цепей управления. Электромеханические устройства цепей управления)

IEC 60947-8:2003 Low-voltage switchgear and controlgear - Part 8: Control units for built-in thermal protection (PTC) for rotating electrical machines. Amendment 1 (2006) [Аппаратура коммутационная и механизмы управления низковольтные комплектные. Часть 8. Блоки управления для встроенной термической защиты для вращающихся электрических машин. Изменение 1 (2006)]

IEC 60981:2004 Extra heavy-duty electrical rigid steel conduits (Кабелепроводы жесткие стальные для электроустановок, используемые в сверхтяжелых режимах)

IEC 60999-1:1999 Connecting devices - Electrical copper conductors - Safety requirements for screw- type and screwless-type clamping units - Part 1: General requirements and particular requirements for clamping units for conductors from 0,2 mm2 up to 35 mm2 (included) [Устройства соединительные. Медные электропровода. Требования безопасности к винтовым и безвинтовым зажимам. Часть 1. Общие и частные требования к зажимам для проводов сечением от 0,2 мм2 до 35 мм2 (включительно)]

IEC 60999-2:2003 Connecting devices - Electrical copper conductors - Safety requirements for screw-type and screwless-type clamping units - Part 2: Particular requirements for clamping units for conductors above 35 mm2 up to 300 mm2 (included) [Устройства соединительные. Провода электрические медные. Требования безопасности к зажимным элементам винтового и безвинтового типа. Часть 2. Частные требования к зажимным элементам для проводников площадью от 35 до 300 мм2 (включительно)]

IEC 61000-3-2:2005 Electromagnetic compatibility (EMC) - Part 3-2: Limits - Limits for harmonic current emissions (equipment input current ≤ 16 A per phase) [Электромагнитная совместимость. Часть 3. Пределы. Раздел 2. Пределы выбросов для синусоидального тока (оборудование с входным током меньше или равным 16 А на фазу)]

IEC 61000-3-3:1994 Electromagnetic compatibility (EMC)-Part 3: Limits-Section 3: Limitation of voltage fluctuations and flicker in low-voltage supply systems for equipment with rated current < 16 A. Amendments 1 (2001), 2 (2005) [Электромагнитная совместимость. Часть 3-3: Пределы. Ограничение изменений напряжения, флуктуации и мерцания напряжения в распределительных низковольтных системах питания для оборудования с номинальным током не более 16 А на фазу и не подлежащему условному соединению. Изменения 1 (2001), 2 (2005)]

IEC 61000-4-2:1995 Electromagnetic compatibility (EMC) - Part 4: Testing and measurement techniques - Section 2: Electrostatic discharge immunity test - Basic EMC publication. Amendments 1 (1998), 2 (2000) [Электромагнитная совместимость. Часть 4-2. Методики испытаний и измерений. Испытание на невосприимчивость к электростатическому разряду. Изменения 1 (1998), 2 (2000)]

IEC 61000-4-3:2006 Electromagnetic compatibility (EMC) - Part 4-3: Testing and measurement techniques - Radiated, radio-frequency, electromagnetic field immunity test (Электромагнитная совместимость. Часть 4-3. Методики испытаний и измерений. Испытание на устойчивость к воздействию электромагнитного поля с излучением на радиочастотах)

IEC 61000-4-4:2004 Electromagnetic compatibility (EMC) - Part 4-4: Testing and measurement techniques - Electrical test transient/burst immunity test (Электромагнитная совместимость. Часть 4-4. Методы испытаний и измерений. Испытание на невосприимчивость к быстрым переходным процессам и всплескам)

IEC 61000-4-5:2005 Electromagnetic compatibility (EMC) - Part 4-5: Testing and measurement techniques - Surge immunity test (Электромагнитная совместимость. Часть 4: Методики испытаний и измерений. Раздел 5: Испытание на невосприимчивость к выбросу напряжения)

IEC 61000-4-6:2003 Electromagnetic compatibility (EMC) - Part 4-6: Testing and measurement techniques - Section 6: Immunity to conducted disturbances, induced by radio-frequency fields. Amendments 1 (2004), 2 (2006) [Электромагнитная совместимость. Часть 4-6. Методики испытаний и измерений. Защищенность от помех по цепи питания, наведенных радиочастотными полями. Изменения 1 (2004), 2 (2006)]

IEC 61000-4-8:1993 Electromagnetic compatibility (EMC) - Part 4: Testing and measurement techniques - Section 8: Power frequency magnetic field immunity test - Basic EMC Publication. Amendment 1 (2000) [Электромагнитная совместимость. Часть 4-8: Методики испытаний и измерений. Испытание на помехоустойчивость в условиях магнитного поля промышленной частоты Изменение 1 (2000)]

IEC 61000-4-11:2004 Electromagnetic compatibility (EMC) - Part 4-11: Testing and measurement techniques - Voltage dips, short interruptions and voltage variations immunity tests (Электромагнитная совместимость. Часть 4-11. Методики испытаний и измерений. Кратковременные понижения напряжения, короткие отключения)

IEC 61000-4-13:2002 Electromagnetic compatibility (EMC) - Part 4-13: Testing and measurement techniques - Harmonics and interharmonics including mains signalling at a.c. power port, low-frequency immunity tests (Электромагнитная совместимость. Часть 4-13. Методики испытаний и измерений. Испытания низкочастотной помехозащитности от воздействия гармоник и промежуточных гармоник, включая сетевые сигналы, передаваемые в сеть переменного тока)

IEC 61000-6-2:2005 Electromagnetic compatibility (EMC) - Part 6-2: Generic standards - Immunity for industrial environments (Электромагнитная совместимость. Часть 6-2. Общие стандарты. Невосприимчивость к промышленной окружающей среде)

IEC 61131-2:2003 Programmable controllers - Part 2: Equipment requirements and tests (Микроконтроллеры программируемые. Часть 2. Требования к оборудованию и испытания)

IEC 61140:2001 Protection against electric shock - Common aspects for installation and equipment. Amendment 1 (2004) [Защита от поражения электрическим током. Общие аспекты, связанные с электроустановками и электрооборудованием. Изменение 1 (2004)]

IEC 61180 (все части) High-voltage test techniques for low voltage equipment (Техника испытаний высоким напряжением низковольтного оборудования)

IEC 61557-2 Electrical safety in low voltage distribution systems up to 1000 V a. c. and 1500 V d. c. - Equipment fortesting, measuring or monitoring of protective measures - Part 2: Insulation resistance (Электробезопасность распределительных низковольтных сетей до 1000 В переменного тока и 1500 В постоянного тока. Оборудование для испытания, измерения или контроля средств защиты. Часть 2. Сопротивление изоляции)

CISPR 11:2003 Industrial, scientific and medical (ISM) radio-frequency equipment - Electromagnetic disturbance characteristics - Limits and methods of measurement. Amendments 1 (2004), 2 (2006) [Оборудование промышленное, научное, медицинское. Характеристики радиочастотных помех. Пределы и методы измерений. Изменения 1 (2004), 2 (2006)]

2 Термины и определения

Примечание - Большинство терминов и определений, перечисленных в настоящем разделе, приведены в соответствии с Международным электротехническим словарем (IEV) (IEC 60050). В таких случаях в скобках после термина приводится ссылка на IEV (первая группа из трех цифр означает ссылку на главу IEV). Если в определение из IEV внесена поправка, ссылка на IEV приведена не после термина, а в примечании.

Алфавитный перечень определений

Примечание - Алфавитный перечень номинальных параметров, характеристик, их условное обозначение приведены в разделе 4

А

Автоматический выключ ………………………….…………………………………….….….……

2.2.11

Автоматическое управление ...….……………………………………………………...…………...

2.4.5

Аппарат для цепей управления ……………………………………..………………….…………...

2.2.16

Аппарат управления (для цепей управления и вспомогательных цепей) ………………............

2.2.17

Аппаратура распределения ………………………………………………………………………….

2.1.2

Аппаратура распределения и управления …………………….…………………………………...

2.1.1

Аппаратура управления ………………...……………………………...……………………………

2.1.3

Б

Безрезьбовой вывод ……………………………………….……………………………..…………..

2.3.25

Блокирующее устройство …...………...…………………………………………………………….

2.3.21

Блок-контакт (контактного коммутационного аппарата) ………………………………………...

2.3.11

В

Включающая способность (коммутационного аппарата) …………………………………………

2.5.13

Возвращающееся напряжение ………………………………………………………………………

2.5.35

Воздушный зазор ……………………….……………………………………………………………

2.5.46

Воздушный зазор между полюсами ………………………………………...………………………

2.5.47

Воздушный зазор между разомкнутыми контактами (раствор) ……………………….…………

2.5.49

Воздушный зазор относительно земли ……………………………………..………………………

2.5.48

Восстанавливающееся и возвращающееся напряжение ………………………..…………………

2.5.33

Восстанавливающееся напряжение …………………………...……………………………………

2.5.34

Временное перенапряжение …………....………………...…………………………………………

2.5.53

Время включения ……………………………………………….……………………………………

2.5.43

Время включения-отключения ………...……………………………………………………………

2.5.45

Время дуги (в многополюсном коммутационном аппарате) ……………………...……………...

2.5.41

Время дуги (для полюса или плавкого предохранителя) …………………………...….…………

2.5.40

Время замыкания ……………………………………………………………………...……..………

2.5.44

Время отключения ………..………...……………………………………………………………..…

2.5.42

Время размыкания (контактного коммутационного аппарата) ……………………...……...……

2.5.39

Время-токовая характеристика ………………………………………..……………………………

2.5.20

Вспомогательная цепь (коммутационного аппарата) ………………..……………………………

2.3.4

Вспомогательный выключатель ………………………………………...………………….........…

2.2.18

Вспомогательный контакт ……………………………………………..……………………………

2.3.10

Выборочное испытание …………………………...……...…………………………………………

2.6.3

Вывод ……………………………………………………………………………………....…………

2.3.23

Вывод главной цепи ………………………………………………………………………………...

2.7.7

Вывод питания (вывод питания цепи управления) ………………………………………..……...

2.7.6

Вывод сигнальной цепи ……………………………………...……………………………...……...

2.7.5

Выдерживаемое напряжение промышленной частоты …………………………………………...

2.5.56

Выключатель (контактный) …………………………………………………………………………

2.2.9

Выключатель-разъединитель …………………………………………………………………..........

2.2.10

Г

Главная цепь (коммутационного аппарата) ……………………………………………..…………

2.3.2

Главный контакт ……………………………………..………………………………………………

2.3.7

Грозовое перенапряжение …………………………...………………………………...……………

2.5.54.2

Д

Двигательное управление (контактным коммутационным аппаратом)
при наличии привода зависимого действия ………………………………......…………………...

2.4.13

Двигательное управление (контактным коммутационным аппаратом)
при наличии привода независимого действия ……………………..……………………………...

2.4.16

Диапазон токовых уставок (максимального реле или максимального
расцепителя тока или реле перегрузки или расцепителя перегрузки) ………………………......

2.4.38

Дистанционное управление …………….…………………………………………………...……...

2.4.7

Дугогасительный контакт ………………………………………………………………...………...

2.3.8

З

Загрязнение ……………………………………………...………………...…………………………

2.5.57

Зажим ……………………………………........………………………………...…………………….

2.3.26

Замкнутое положение (контактного коммутационного аппарата) …………………….………...

2.4.20

Замыкание (контактного коммутационного аппарата) …………………………………………...

2.4.8

Замыкающий контакт ……………......………………………………………………………………

2.3.12

Защитный проводник (условное обозначение РЕ) …..……………………………………………

2.1.14

И

Изготовитель ……….………………………………………………………...………………………

2.1.21

Изолирующий промежуток (полюса контактного коммутационного аппарата) ..……………...

2.5.50

Импульсное выдерживаемое напряжение …..…………………………………..…………………

2.5.55

Индикатор положения ……..……………………………………......………………………………

2.3.18

Интеграл Джоуля (I2t) ………………………………………………………………………………..

2.5.18

К

Кабельный порт .....…………...………...…………………….……...………………………………

2.7.3

Категория перенапряжения (в цепи или электрической системе) ………………..……………...

2.5.60

Категория применения (коммутационного аппарата или плавкого предохранителя) ……........

2.1.18

Клеммная колодка …………………........……………………….………………...………………...

2.2.20

Комбинация с плавким предохранителем ………………………………………………….……...

2.2.7

Коммутационное перенапряжение ............………………………………………………….……...

2.5.54.1

Коммутационный аппарат …...…………...……………………………………………….………...

2.2.1

Контакт контактного коммутационного аппарата ………………………………………………..

2.3.5

Контакт «a» ……………………………………………………………..……………………………

2.3.12

Контакт «b» ..……………………………...…….……………………………………………………

2.3.13

Контакт-деталь …...……………….........…………………………….……………………………....

2.3.6

Контактор (контактный) ...……………......…………………………………………….…...………

2.2.12

Контакторное реле ………………...…………………………………………………………………

2.2.14

Контакт управления …...…………….........……………………………………....…………………

2.3.9

Контактная система с многократным разрывом …...……………………………………………...

2.3.29

Контактный коммутационный аппарат .....………………………………………………………...

2.2.2

Контактный коммутационный аппарат со свободным расцеплением ….......…………………...

2.4.23

Контрольное испытание ……...…......………………………………….……………...……………

2.6.2

Координация изоляции ……….………..…………….……………………………………………...

2.5.61

Координация по сверхтоку устройств для защиты от сверхтоков ………………………….........

2.5.22

Короткое замыкание ………………........……………………………………………………………

2.1.5

Кратковременная выдержка ………........……………………………………………...……………

2.5.26

Кратковременно допустимый ток …......………………………………………………...…………

2.5.27

Критический ток короткого замыкания …….……………………………………………………...

2.5.17

Критический ток нагрузки …………......……………………………………………………...……

2.5.16

М

Максимальное поперечное сечение …..…………………………………………………………….

2.3.31

Максимальное реле или максимальный расцепитель тока …..…………………………………...

2.4.25

Максимальное реле или максимальный расцепитель тока
с независимой выдержкой времени ………………………………………………………………..

2.4.26

Максимальное реле или максимальный расцепитель тока
с обратно зависимой выдержкой времени ………………………………….……………………...

2.4.27

Максимальное реле или максимальный расцепитель тока прямого действия …………….........

2.4.28

Максимальное реле или максимальный расцепитель тока косвенного действия ………............

2.4.29

Максимальный ожидаемый пиковый ток (цепи переменного тока) ………………………….....

2.5.8

Местное управление …...……………….……………………………………………………………

2.4.6

Микросреда (воздушного зазора или расстояния утечки) ………………………………………...

2.5.59

Минимальное поперечное сечение ...…….…………………………………………………………

2.3.30

Минимальное реле или минимальный расцепитель напряжения ……...………………………...

2.4.34

Н

Нажимная кнопка …………...………….............……………………………………………………

2.2.19

Наибольшая включающая способность..........………………………………………………………

2.5.15

Наибольшая отключающая способность ...…………………………………………………………

2.5.14

Напряжение до включения (коммутационного аппарата) ...……………………………………...

2.5.32

Наружная токопроводящая часть ...…………………………………………………………………

2.1.12

Независимый расцепитель ...……….......…………………………...………………………………

2.4.33

Неоднородное поле ...……………….......……………………………...……………………………

2.5.63

Неотделимая оболочка ...……………….……………………………………………………………

2.1.17

Неподготовленный проводник ...…………………………………………………………...………

2.3.27

Неуниверсальный вывод …...………..........………...………………………………………………

2.3.25.2

Неуниверсальный зажим ...…………..........…………………………………………………...……

2.3.26.2

Номинальное значение ...………………….……………………………………...…………………

2.5.3

Номинальный параметр …………………...………………………………………………...………

2.5.4

Нулевой рабочий проводник (условное обозначение N) ……….………………………………...

2.1.15

О

Оболочка ……………………….……………………………………………………………………..

2.1.16

Образование путей утечки (трекинг)..........………………………………………………………...

2.5.64

Однородное поле ...…………………….......………………………………………………………...

2.5.62

Ожидаемое восстанавливающееся напряжение (цепи) …………………………………………...

2.5.37

Ожидаемый пиковый ток ...………….........………………………………………………………...

2.5.6

Ожидаемый симметричный ток (цепи переменного тока) ..……………………………………...

2.5.7

Ожидаемый ток (цепи и по отношению к коммутационному аппарату
или плавкому предохранителю) ……………………………………………………………………

2.5.5

Ожидаемый ток включения (для одного полюса коммутационного аппарата) …………...........

2.5.9

Ожидаемый ток отключения (для одного полюса коммутационного аппарата
или плавкого предохранителя) …………………………………………………………...…...……

2.5.10

Оперирование (контактного коммутационного аппарата) за счет запасенной энергии ...……..

2.4.14

Орган управления ...………………….........…………………………………………………………

2.3.17

Отключающая способность (коммутационного аппарата или плавкого предохранителя) ..…..

2.5.12

Открытая токопроводящая часть ………………………………………………………………..….

2.1.11

П

Паспортное значение ….…………………………………………………………………………….

2.5.1

Перегрузка .……………………………………………….………………………………………..…

2.1.7

Переходное перенапряжение ….………….......……………………………………...…………..…

2.5.54

Пиковое напряжение дуги (в контактном коммутационном аппарате) .………………………...

2.5.38

Пиковый допустимый ток ..…………………………………………………………………………

2.5.28

Плавкая вставка ..…………………………….………………………………………………………

2.2.5

Плавкий предохранитель .………………….……………………………………………………..…

2.2.4

Плавкий элемент .………………………….......…………………………………………………….

2.2.6

Подготовленный проводник ..………………………………………………………………………

2.3.28

Показатель относительной стойкости против токов утечки
(сравнительный индекс трекингостойкости (СИТ) …………………..…………………………...

2.5.65

Полупроводниковый коммутационный аппарат ...………………………………………..………

2.2.3

Полупроводниковый контактор ..………......………………………………………………………

2.2.13

Полюс коммутационного аппарата ..……….………………………………..………..………...….

2.3.1

Порт ...………………………………………………..…………..……………………………………

2.7.1

Порт оболочки …………………………………......………………………………………………...

2.7.2

Порт функционального заземления ...………………………………………………………………

2.7.4

Последовательность срабатывания (контактного коммутационного аппарата) ...……………...

2.4.3

Предельное значение …...……………………………………………………………………………

2.5.2

Принудительное оперирование ………….......……………………………………………………..

2.4.11

Принудительное размыкание (контактного коммутационного аппарата) .……………………..

2.4.10

Пускатель ...………………………………….......…………………………………………..………..

2.2.15

Р

Размыкание (контактного коммутационного аппарата) ...………………………………………..

2.4.9

Размыкающий контакт ……………………………………..………………………………..………

2.3.13

Разомкнутое положение (контактного коммутационного аппарата) .…………………………...

2.4.21

Разрядник импульсный …...…………………………………………………………...…………….

2.2.22

Разъединение (функция) ...………………......…………………………………..…………..………

2.1.19

Разъединитель ...…………………………….......…………………..………………………..……....

2.2.8

Расстояние утечки ...……………………….…………………………………………………..…….

2.5.51

Расцепитель (контактного коммутационного аппарата) ……………...………………………….

2.3.15

Расцепление (операция) …………...…………...……………………………………………………

2.4.22

Резервная защита ….…………………………………………………………………………………

2.5.24

Резьбовой вывод …...………………………………………………………………………………...

2.3.24

Реле (электрическое) …...……………………………………………………………………………

2.3.14

Реле или расцепитель мгновенного действия ……...……………………………………………...

2.4.24

Реле или расцепитель обратного тока (только для постоянного тока) ……...…………………...

2.4.35

Реле перегрузки или расцепитель перегрузки …………..………………………………………...

2.4.30

Ручное управление ………………………………………..…………………………………..……..

2.4.4

Ручное управление (контактного коммутационного аппарата)
при наличии привода зависимого действия ……………………………………………..…….......

2.4.12

Ручное управление (контактного коммутационного аппарата)
при наличии привода независимого действия …………………………………………..…….......

2.4.15

С

Самозажимной зажим ...…………….......………………………………...……...…………..……...

2.3.25.3

Сверхток …………………………………………………………………………………..………….

2.1.4

Селективность .………………………….......……………………………………..…………………

2.5.22

Селективность по сверхтокам …………….………………………………………………………...

2.5.23

Сигнальная лампочка ..……………………...……………………………………………………….

2.3.19

Система управления (контактного коммутационного аппарата) ………………………………..

2.3.16

Сквозной ток …….…………………………….………………………………………………….….

2.5.19

Соединительное устройство …...……………………………………………………………………

2.3.22

Специальное испытание ………………….......……………………………………………………..

2.6.4

Срабатывание (контактного коммутационного аппарата) …………………...…………………..

2.4.1

Степень загрязнения (окружающей среды) ….……………………………………..……………...

2.5.58

Т

Температура окружающего воздуха .……...……………………..…………………………………

2.1.9

Тепловое реле или расцепитель перегрузки ……………..………………………………………...

2.4.31

Типовое испытание …..………………….......……………………………………….……………...

2.6.1

Ток координации ….………………………......……………………….…………………..………...

2.5.25

Ток короткого замыкания …...………………………………………………………………………

2.1.6

Ток уставки (максимального реле или максимального расцепителя тока
или реле перегрузки или расцепителя перегрузки) ……………………………………………….

2.4.37

Токоведущая часть ..…………………………………………………………….……………………

2.1.13

Токопроводящая часть …………………….…………………………………………………..…….

2.1.10

Ток отключения (коммутационного аппарата или плавкого предохранителя) ..………………...

2.5.11

Ток отсечки ………...………………………………………………………………..………..………

2.5.19

Ток перегрузки ………………………………..……………………………………………………...

2.1.8

Ток срабатывания (максимального реле или максимального расцепителя тока) .………………

2.4.36

У

Универсальный вывод ………………………..……………………………………………………..

2.3.25.1

Универсальный зажим ..………………………..……………………………………………………

2.3.26.1

Усилие (момент взвода) …………………...………………………………………………………...

2.4.18

Усилие (момент управления) ...……………...……………………………………………………...

2.4.17

Условный ток короткого замыкания (в цепи или коммутационном аппарате) …………….…..

2.5.29

Условный ток нерасцепления (максимального реле или максимального расцепителя тока) ....

2.5.30

Условный ток расцепления (максимального реле или максимального расцепителя тока) ..…..

2.5.31

Установившееся возвращающееся напряжение постоянного тока …………………….……...…

2.5.36

Устройство для защиты от коротких замыканий (УЗКЗ) …………………………………………

2.2.21

Устройство внешнего управления ...………..………………………………………………………

U.1.1

Ф

Функциональное перенапряжение …...……..………………………………………...……………

2.5.54.3

Х

Характеристика тока отсечки (характеристика сквозного тока) .………………………………...

2.5.21

Ход (контактного коммутационного аппарата или его части) …………………………………..

2.4.19

Ц

Цепь управления (коммутационного аппарата) …………………………………………………...

2.3.3

Цикл срабатываний (контактного коммутационного аппарата) ……………….………………..

2.4.2

Э

Эксплуатационное напряжение ...…………...……………………………………………………...

2.5.52

Электрический удар ..………………………..………………………………………………………

2.1.20

Электромагнитное реле или электромагнитный расцепитель перегрузки ..…………………….

2.4.32

Электромагнит с электронным управлением …..………………………………………………….

2.3.32

Электронное реле перегрузки с функцией асимметричного тока или напряжения ….………...

T.2.2

Электронное реле перегрузки с функцией минимальной мощности …………………...……….

T.2.6

Электронное реле перегрузки с функцией перенапряжения ….………………………………….

T.2.4

Электронное реле перегрузки с функцией опрокидывания фаз
(реле обратной последовательности) ……….………………………………………………………

T.2.3

Электронное реле перегрузки с функцией повреждения заземления …………………………...

T.2.1

2.1 Общие термины

2.1.1 аппаратура распределения и управления (switchgear and controlgear): Общий термин для коммутационных аппаратов и их комбинации с относящимися к ним устройствами управления, измерения, защиты и регулирования, а также для узлов, в которых такие аппараты и устройства сочетаются с соединительными проводниками, вспомогательными устройствами, оболочками и каркасами.

[441-11-01].

2.1.2 аппаратура распределения (switchgear): Общий термин для коммутационных аппаратов и их комбинаций с относящимися к ним устройствами управления, измерения, защиты и регулирования, а также для узлов, в которых такие аппараты и устройства сочетаются с соединительными проводниками, вспомогательными устройствами, оболочками и каркасами, предназначенными, главным образом, для использования в системах производства, передачи, распределения и преобразования электрической энергии.

[441-11-02].

2.1.3 аппаратура управления (controlgear): Общий термин для коммутационных аппаратов и их комбинаций с относящимися к ним устройствами управления, измерения, защиты и регулирования, а также для узлов, в которых такие аппараты и устройства сочетаются с соединительными проводниками, вспомогательными устройствами, оболочками и каркасами, предназначенными, главным образом, для управления оборудованием, потребляющим электрическую энергию.

[441-11-03].

2.1.4 сверхток (over-current): Любой ток, превышающий номинальный ток.

[441-11-06].

2.1.5 короткое замыкание (short circuit): Случайное или преднамеренное соединение двух или нескольких токопроводящих частей между собой, приводящее к тому, что разность потенциалов этих частей становится равной или близкой к нулю.

[151-12-04].

2.1.6 ток короткого замыкания (short-circuit current): Сверхток, появляющийся в результате короткого замыкания, вызываемого повреждением или неправильным соединением в электрической цепи.

[441-11-07]

2.1.7 перегрузка (overload): Условия функционирования не поврежденной электрической цепи, вызывающие сверхток.

[441-11-08]

2.1.8 ток перегрузки (overload current): Сверхток, возникающий в неповрежденной электрической цепи.

2.1.9 температура окружающего воздуха (ambient air temperature): Определенная при предписанных условиях температура воздуха, окружающего весь коммутационный аппарат или плавкий предохранитель.

[441-11-13]

Примечание - Для коммутационных аппаратов или предохранителей, установленных внутри оболочки, это температура воздуха вне оболочки.

2.1.10 токопроводящая часть (conductive part): Часть аппарата, способная проводить ток, но не обязательно предназначенная для проведения рабочего тока в условиях эксплуатации.

[441-11-09]

2.1.11 открытая токопроводящая часть (exposed conductive part): Токопроводящая часть аппарата, которой легко коснуться и которая в нормальных условиях не находится под напряжением, но может оказаться под напряжением в аварийных условиях.

[441-11-10]

Примечание - К типичным открытым токопроводящим частям относятся стенки оболочек, ручки управления и т.п.

2.1.12 наружная токопроводящая часть (extraneous conductive part): Токопроводящая часть, не входящая в конструкцию аппарата, однако несущая потенциал, как правило, земли.

[826-03-03]

2.1.13 токоведущая часть (live part): Проводник или токопроводящая часть, находящаяся под напряжением в нормальных условиях эксплуатации, в том числе нулевой рабочий проводник, но не проводник PEN (защитный нулевой провод).

[826-03-01]

Примечание - Термин не обязательно подразумевает опасность электрического удара.

2.1.14 защитный проводник (условное обозначение РЕ) [protective conductor (symbol РЕ)]: Проводник, необходимый в некоторых случаях для защиты от электрического удара при электрическом присоединении какой-либо из следующих частей:

- открытой токопроводящей части аппарата;

- наружной токопроводящей части аппарата;

- главного вывода заземления аппарата,

- электрода заземления;

-заземляемой точки источника питания или искусственной нейтрали.

[826-04-05]

2.1.15 нулевой рабочий проводник (условное обозначение N) [neutral conductor (symbol N)]: Проводник, присоединенный к нейтральной точке системы и способствующий передаче электрической энергии.

[826-01-03]

Примечание - В некоторых случаях и в установленных условиях возможно объединение функций нулевого рабочего и защитного проводников в одном проводнике с условным обозначением PEN.

2.1.16 оболочка (enclosure): Часть аппарата, обеспечивающая оговоренные степени защиты аппарата от некоторых внешних воздействий и от приближения или контакта с токоведущими частями или подвижными частями.

Примечание - Данное определение аналогично формулировке IEV 441-13-01, относящейся к узлам.

2.1.17 неотделимая оболочка (integral enclosure): Оболочка, составляющая неотъемлемую часть аппарата.

2.1.18 категория применения (коммутационного аппарата или плавкого предохранителя) [utilization category (for a switching device or a fuse)]: Комбинация требований, относящихся к состоянию, в котором коммутационный аппарат или плавкий предохранитель выполняет свои функции, отобранных в качестве типичных для характерной группы практических применений.

[441-17-19]

Примечание - Данные требования могут затрагивать, например значения включающей способности (при ее наличии), отключающей способности и другие характеристики, подключенные цепи, условия эксплуатации и поведения аппарата.

2.1.19 разъединение (функция) [isolation (isolating function)]: Действие, направленное на отключение питания всей установки или ее отдельной части путем отсоединения этой установки или ее части от любого источника электрической энергии по соображениям безопасности.

2.1.20 электрический удар (electric shock): Патофизиологический эффект, обусловленный прохождением электрического тока через тело человека или животного.

[826-03-04]

2.1.21 изготовитель (manufacturer): В интересах настоящего стандарта любое лицо, фирма или организация, несущая ответственность за:

- проверку соответствия стандарту или стандартам;

- предоставление информации об изделии согласно разделу 5.

Примечание - Например в случае пускателей с защитой, собранных по инструкциям поставщика комплектующих частей, изготовитель по сути берет на себя ответственность по их сборке.

2.2 Коммутационные аппараты

2.2.1 коммутационный аппарат (switching device): Аппарат, предназначенный для включения или отключения тока в одной или нескольких электрических цепях.

[441-14-01]

Примечание - Коммутационный аппарат может выполнять одну из этих операций или обе.

2.2.2 контактный коммутационный аппарат (mechanical switching device): Коммутационный аппарат, предназначенный для замыкания и размыкания одной или нескольких цепей с помощью размыкаемых контактов.

[441-14-02]

Примечание - Любой контактный коммутационный аппарат можно характеризовать средой, в которой размыкаются и замыкаются его контакты, например воздушной, элегазовой, масляной.

2.2.3 полупроводниковый коммутационный аппарат (semiconductor switching device): Коммутационный аппарат, предназначенный для включения и/или отключения тока в электрической цепи посредством воздействия на регулируемую проводимость полупроводника.

Примечание - Данное определение отличается от формулировки, приведенной в IEV 441-14-03, поскольку полупроводниковый коммутационный аппарат рассчитан также на отключение тока.

2.2.4 плавкий предохранитель (fuse): Аппарат, посредством расплавления одного или нескольких специально спроектированных и калиброванных элементов размыкающий цепь, в которую он включен, и отключающий ток, когда тот превышает заданное значение в течение достаточного времени. Плавкий предохранитель содержит все части, образующие укомплектованный аппарат.

[441-18-01]

2.2.5 плавкая вставка (fuse-link): Часть плавкого предохранителя (с одним или несколькими плавкими элементами), рассчитанная на замену после срабатывания плавкого предохранителя.

[441-18-09]

2.2.6 плавкий элемент (fuse-element): Часть плавкой вставки, рассчитанная на расплавление под воздействием тока, превышающего определенное значение на протяжении заданного периода времени.

[441-18-08]

2.2.7 комбинация с плавким предохранителем (fuse-combination unit): Комбинация контактного коммутационного аппарата и одного или нескольких плавких предохранителей в сборном устройстве, собранном изготовителем или по его инструкциям.

[441-14-04]

2.2.8 разъединитель (disconnector): Контактный коммутационный аппарат, в разомкнутом положении соответствующий требованиям к функции разъединения.

Примечание - Данное определение отличается от формулировки, приведенной в IEV 441-14-05, поскольку требования к функции разъединения не ограничиваются соблюдением изолирующего промежутка.

2.2.9 выключатель (контактный) [switch (mechanical)]: Контактный коммутационный аппарат, способный включать, проводить и отключать токи в нормальных условиях цепи, в том числе при оговоренных рабочих перегрузках, а также в течение установленного времени проводить ток в оговоренных аномальных условиях, например при коротком замыкании.

[441-14-10]

Примечание - Выключатель может быть способен включать, но не отключать ток короткого замыкания.

2.2.10 выключатель-разъединитель (switch-disconnector): Выключатель, в разомкнутом положении соответствующий требованиям, предъявляемым к разъединителю.

[441-14-12]

2.2.11 автоматический выключатель (circuit-breaker): Контактный коммутационный аппарат, способный включать, проводить и отключать токи при нормальных условиях в цепи, а также включать, проводить в течение заданного времени и отключать токи при оговоренных аномальных условиях в цепи, например короткое замыкание

[441-14-20]

2.2.12 контактор (контактный) [contactor (mechanical)]: Контактный коммутационный аппарат с единственным положением покоя, с управлением не вручную, способный включать, проводить и отключать токи при нормальных условиях в цепи, в том числе при рабочих перегрузках.

[441-14-33]

Примечание - Контакторы можно характеризовать способом, которым обеспечивается создание усилия для замыкания главных контактов.

2.2.13 полупроводниковый контактор [semiconductor contactor (solid-state contactor)]: Аппарат, выполняющий функции контактора посредством использования полупроводникового коммутационного аппарата.

Примечание - Полупроводниковый контактор может также содержать контактные коммутационные аппараты.

2.2.14 контакторное реле (contactor relay): Контактор, используемый в качестве аппарата управления.

[441-14-35]

2.2.15 пускатель (starter): Комбинация всех коммутационных устройств, необходимых для пуска и остановки электродвигателя, в сочетании с защитой от перегрузок.

[441-14-38]

Примечание - Пускатели можно характеризовать способом, которым обеспечивается создание усилия для замыкания главных контактов.

2.2.16 аппарат для цепи управления (control circuit device): Электрическое устройство, предназначенное для управления, сигнализации, блокировки и т.п. в системах аппаратуры распределения и управления.

Примечание - В состав аппаратов для цепей управления могут входить связанные с ними устройства, рассматриваемые в других стандартах, типа контрольно-измерительных приборов, потенциометров, реле, если они используются для установленных целей.

2.2.17 аппарат управления (для цепей управления и вспомогательных цепей) [control switch (for control and auxiliary circuits)]: Контактный коммутационный аппарат для управления аппаратурой распределения или управления, в том числе для сигнализации, электрической блокировки и т.п.

[441-14-46]

Примечание - Аппарат управления состоит из одного или нескольких контактных элементов с общей системой приведения в действие.

2.2.18 вспомогательный выключатель (pilot switch): Аппарат не ручного управления, приводимый в действие установленными значениями управляющего параметра.

[441-14-48]

Примечание - Управляющим параметром может быть давление, температура, скорость, уровень жидкости, промежуток времени и т.п.

2.2.19 нажимная кнопка (push-button): Орган управления, предназначенный для оперирования усилием, создаваемым частью человеческого тела, обычно ладонью или пальцем руки, и имеющий устройство возврата накопленной энергии (пружину).

[441-14-53]

2.2.20 клеммная колодка (terminal block): Изолирующая часть, служащая носителем для одной или нескольких изолированных друг от друга групп выводов и предназначенная для крепления на опоре.

2.2.21 устройство для защиты от коротких замыканий (УЗКЗ) [short-circuit protective device (SCPD)]: Устройство, предназначенное для защиты цепи или частей цепи от токов короткого замыкания путем их отключения.

2.2.22 импульсный разрядник (surge arrester): Устройство, предназначенное для защиты электрической аппаратуры от высоких переходных напряжений и ограничения длительности, а часто и амплитуды последующего тока.

[604-15-01]

2.3 Части коммутационных аппаратов

2.3.1 полюс коммутационного аппарата (pole of a switching device): Часть коммутационного аппарата, связанная исключительно с одним электрически независимым токопроводящим путем главной цепи, за исключением элементов, обеспечивающих крепление и совместное функционирование полюсов.

[441-15-01]

Примечание - Коммутационный аппарат называется однополюсным при наличии только одного полюса. Если число полюсов больше одного, аппарат можно назвать многополюсным (двух-, трехполюсным и т.д.) при условии, что эти полюса соединены или могут быть соединены для совместного оперирования.

2.3.2 главная цепь (коммутационного аппарата) [main circuit (of a switching device)]: Все токопроводящие части коммутационного аппарата, входящие в цепь, которую аппарат предназначен замыкать или размыкать.

[441-15-02]

2.3.3 цепь управления (коммутационного аппарата) [control circuit (of a switching device)]: Все токопроводящие части (кроме главной цепи) коммутационного аппарата, входящие в цепь, используемую для замыкания или размыкания аппарата, либо того и другого.

[441-15-03]

2.3.4 вспомогательная цепь (коммутационного аппарата) [auxiliary circuit (of a switching device)]: Все токопроводящие части коммутационного аппарата, предназначенные для включения в цепь, кроме главной цепи и цепи управления аппарата.

[441-15-04]

Примечание - Некоторые вспомогательные цепи выполняют дополнительные функции (сигнализация, блокировка и т.д.), и поэтому они могут входить в состав цепи управления другого коммутационного аппарата.

2.3.5 контакт (контактного коммутационного аппарата) [contact (of a mechanical switching device)]: Токопроводящие части, предназначенные для установления непрерывности цепи при их соприкосновении и в результате их движения относительно друг друга в процессе оперирования размыкающие или замыкающие цепь либо, если это шарнирные или скользящие контакты, поддерживающие непрерывность цепи.

[441-15-05]

2.3.6 контакт-деталь (contact piece): Одна из токопроводящих частей, образующих контакт.

[441-15-06]

2.3.7 главный контакт (main contact): Контакт, включенный в главную цепь контактного коммутационного аппарата, предназначенный для проведения в замкнутом положении тока главной цепи.

[441-15-07]

2.3.8 дугогасительный контакт (arcing contact): Контакт, рассчитанный на образование на нем дуги.

[441-15-08]

Примечание - Дугогасительный контакт может служить как главным контактом, так и отдельным контактом, спроектированным так, чтобы он размыкался после и замыкался раньше другого контакта, защищаемого им от повреждения.

2.3.9 контакт управления (control contact): Контакт, входящий во вспомогательную цепь контактного коммутационного аппарата и механически приводимый в действие этим аппаратом.

[IE441-15-09]

2.3.10 вспомогательный контакт (auxiliary contact): Контакт, входящий во вспомогательную цепь контактного коммутационного аппарата и механически приводимый в действие этим аппаратом.

[441-15-10]

2.3.11 блок-контакт (контактного коммутационного аппарата) [auxiliary switch (of a mechanical switching device)]: Выключатель с одним или несколькими контактами управления и/или вспомогательными контактами, механически приводимый в действие коммутационным аппаратом.

[441-15-11]

2.3.12 контакт «a» - замыкающий контакт («a» contact - make contact): Контакт управления или вспомогательный контакт, который замкнут, когда замкнуты главные контакты контактного коммутационного аппарата, и разомкнут, когда главные контакты разомкнуты.

[441-15-12]

2.3.13 контакт «b» - размыкающий контакт («b» contact-break contact): Контакт управления или вспомогательный контакт, который разомкнут, когда замкнуты главные контакты контактного коммутационного аппарата, и замкнут, когда главные контакты разомкнуты.

[441-15-13]

2.3.14 реле (электрическое) [relay (electrical)]: Аппарат, предназначенный для создания резких заданных изменений в одной или нескольких электрических выходных цепях, когда выполняются определенные условия в электрических входных цепях, управляющих этим аппаратом.

[446-11-01]

2.3.15 расцепитель (контактного коммутационного аппарата) [release (of a mechanical switching device)]: Устройство, механически связанное с контактным коммутационным аппаратом, которое освобождает удерживающие приспособления, тем самым допускает размыкание или замыкание коммутационного аппарата.

[441-15-17]

Примечание - Возможны расцепители мгновенного действия, с задержкой времени и т.п. Разные типы расцепителей определены в 2.4.24 - 2.4.35.

2.3.16 система управления (контактным коммутационным аппаратом) [actuating system (of а mechanical switching device)]: Все устройства оперирования контактным коммутационным аппаратом, передающие усилие управления контакт-деталям.

Примечание - Устройства оперирования системы управления могут быть механическими, электромагнитными, гидравлическими, пневматическими, термическими и т.д.

2.3.17 орган управления (actuator): Часть системы управления, к которой прикладывается извне усилие управления.

[441-15-22]

Примечание - Орган управления может иметь форму рукоятки, ручки, нажимной кнопки, ролика, плунжера и т.д.

2.3.18 индикатор положения (position indicating device): Часть контактного коммутационного аппарата, показывающая, находится ли он в разомкнутом, замкнутом или, когда применимо, в заземленном положении.

[441-15-25]

2.3.19 сигнальная лампочка (indicator light): Световой сигнал, передающий информацию тем, что загорается или гаснет.

2.3.20 устройство защиты от повторного включения (anti-pumping device): Устройство, препятствующее повторному замыканию после осуществления замыкания - размыкания так долго, пока сохраняется команда на замыкание.

[441-16-48]

2.3.21 блокирующее устройство (interlocking device): Устройство, обеспечивающее зависимость срабатывания коммутационного аппарата от положения срабатывания одного или нескольких других аппаратов.

[441-16-49]

2.3.22 соединительное устройство (connecting device): Устройство для электрического присоединения одного или нескольких проводников, содержащее один или несколько выводов на одном основании или выводов, составляющих единое целое с оборудованием.

[IEC 60999-1, 3.3]

2.3.23 вывод (terminal): Токопроводящая часть одного полюса аппарата, предназначенная для электрического соединения с внешними цепями, состоящая из одного или нескольких зажимов и, при необходимости, изоляции.

[IEC 60999-1, 3.2]

2.3.24 резьбовый вывод (screw-type terminal): Вывод, предназначенный для присоединения и отсоединения проводников или взаимного соединения двух или нескольких проводников с выполнением соединения прямо или косвенно с помощью винтов или гаек любого типа.

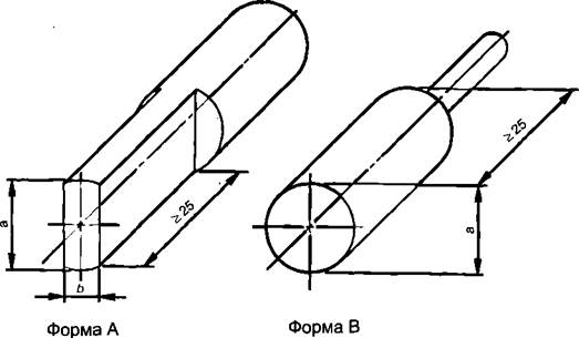
Примечание - Примеры резьбовых выводов приведены в приложении D.

2.3.25 безрезьбовый вывод (screwless-type terminal): Вывод, предназначенный для присоединения и отсоединения проводников или взаимного соединения двух или нескольких проводников с выполнением соединения прямо или косвенно с помощью пружин, клиньев, эксцентриков, конусов и т.п.

Примечание - Примеры безрезьбовых выводов приведены в приложении D.

2.3.25.1 универсальный вывод (universal terminal): Вывод, предназначенный для присоединения и отсоединения проводников всех типов (жестких и гибких).

[IEC 60998-2-2, 3.101.1]

2.3.25.2 неуниверсальный вывод (non-universal terminal): Вывод, предназначенный для присоединения и отсоединения проводников определенного типа, например, только одножильных или только жестких (одножильных и скрученных) проводников.

[IEC 60998-2-2, 3.101.2]

2.3.25.3 самозажимной вывод (push-wire terminal): Неуниверсальный вывод, соединение в котором осуществляется введением жестких (одножильных или скрученных) проводников.

[IEC 60998-2-2, 3.101.3]

2.3.26 зажим (clamping unit): Часть или части вывода, необходимые для механического крепления и электрического присоединения одного или нескольких проводников, включая части, гарантирующие необходимое контактное давление.

[IEC 60999-1, 3.1]

2.3.26.1 универсальный зажим (universal clamping unit): Зажим для присоединения и отсоединения всех типов проводников.

2.3.26.2 неуниверсальный зажим (non-universal clamping unit): Зажим для присоединения и отсоединения проводников определенного типа (например, самозажимной зажим только для одножильных проводников или самозажимной зажим только для жестких (одножильных или скрученных) проводников).

Примечание - Присоединение в самозажимном зажиме выполняется простым введением жестких проводников (см. 7.1.8.1).

2.3.27 неподготовленный проводник (unprepared conductor): Проводник, отрезанный, и с удаленной изоляцией для вставки в вывод.

Примечание - К неподготовленным относят проводники, форма которых изменена для вставки в вывод или жилы которых скручены для упрочнения конца.

2.3.28 подготовленный проводник (prepared conductor): Проводник, жилы которого спаяны или конец которого снабжен кабельным наконечником, ушком и т.п.

2.3.29 контактная система с многократным разрывом (multiple tip contact system): Контактная система с более, чем одним зазором на полюс между разомкнутыми концами контактов, которые могут размыкаться последовательно и/или параллельно.

2.3.30 минимальное поперечное сечение (minimum cross-section): Сечение наименьшего присоединяемого проводника, установленное изготовителем для данного вывода.

Примечание - Изготовитель может установить несколько минимальных поперечных сечений в зависимости от типа проводника, например, жесткого, скрученного, гибкого, с металлическим ободком или без.

2.3.31 максимальное поперечное сечение (maximum cross-section): Сечение наибольшего присоединяемого проводника, установленное изготовителем для данного вывода.

Примечания

1 Изготовитель может установить несколько максимальных поперечных сечений в зависимости от типа проводника, например, жесткого, скрученного, гибкого, с металлическим ободком или без.

2 Термин «номинальное поперечное сечение», применяемый в IEC 60947-7-1 [5] и IEC 60999-2, и термин «номинальная способность к присоединению» зажима считают эквивалентными с точки зрения определенных тепловых, механических и электрических требований, устанавливаемых изготовителем, а также в стандартах на аппараты конкретного вида.

2.3.32 электромагнит с электронным управлением (electronically controlled electromagnet): Электромагнит, катушка которого управляется цепью, содержащей активные электронные элементы.

2.4 Функционирование коммутационных аппаратов

2.4.1 срабатывание (контактного коммутационного аппарата) [operation (of a mechanical switching device)]: Перемещение одного или нескольких подвижных контактов из одного положения в другое.

[441-16-01]

Примечания

1 Например, для автоматического выключателя это может быть замыкание или размыкание.

2 Если необходимо различие, срабатывание под нагрузкой (например включение или отключение тока) обозначает коммутацию, а без нагрузки (например замыкание или размыкание цепи без тока) - механическое срабатывание.

2.4.2 цикл срабатываний (контактного коммутационного аппарата) [operating cycle (of а mechanical switching device)]: Последовательность переходов из одного положения в другое и обратно в первое через все прочие положения, если они имеются.

[441-16-02]

2.4.3 последовательность срабатываний (контактного коммутационного аппарата) [operating sequence (of a mechanical switching device)]: Последовательность установленных срабатываний с заданными интервалами времени.

[441-16-03]

2.4.4 ручное управление (manual control): Управление срабатыванием с участием человека.

[441-16-04]

2.4.5 автоматическое управление (automatic control): Управление срабатыванием без участия человека при возникновении заданных условий.

[441-16-05]

2.4.6 местное управление (local control): Управление срабатыванием в точке, находящейся на управляемом коммутационном аппарате или близ него.

[441-16-06]

2.4.7 дистанционное управление (remote control): Управление срабатыванием из точки, отдаленной от управляемого коммутационного аппарата.

[441-16-07]

2.4.8 замыкание (контактного коммутационного аппарата) [closing operation (of a mechanical switching device)]: Срабатывание, в результате которого аппарат переводится из разомкнутого положения в замкнутое.

[441-16-08]

2.4.9 размыкание (контактного коммутационного аппарата) [opening operation (of a mechanical switching device)]: Срабатывание, в результате которого аппарат переводится из замкнутого положения в разомкнутое.

[441-16-09]

2.4.10 принудительное размыкание (контактного коммутационного аппарата) [positive opening operation (of a mechanical switching device)]: Размыкание, обеспечивающее согласно предъявленным требованиям разомкнутое положение всех главных контактов, когда орган управления находится в положении, соответствующем разомкнутому положению аппарата.

[441-16-11]

2.4.11 принудительное оперирование (positively driven operation): Операция, рассчитанная на то, чтобы согласно предъявленным требованиям обеспечить такое положение вспомогательных контактов контактного коммутационного аппарата, которое соответствует разомкнутому или замкнутому положению главных контактов.

[441-16-12]

2.4.12 ручное управление (контактным коммутационным аппаратом) при наличии привода зависимого действия [dependent manual operation (of a mechanical switching device)]: Управление исключительно путем прямого приложения физической энергии человека, так что скорость и усилие оперирования зависят от действия оператора.

[441-16-13]

2.4.13 двигательное управление (контактным коммутационным аппаратом) при наличии привода зависимого действия [dependent power operation (of a mechanical switching device)]: Управление путем приложения энергии, кроме физической энергии, когда завершение срабатывания зависит от непрерывности подачи энергии (в соленоиды, электрические или пневматические двигатели и т.п.).

[441-16-14]

2.4.14 оперирование (контактного коммутационного аппарата) за счет запасенной энергии [stored energy operation (of a mechanical switching device)]: Управление путем приложения энергии, накопленной в самом механизме до завершения оперирования и достаточной для доведения его до конца в заданных условиях.

[441-16-15]

Примечание - Данный вид управления можно характеризовать:

1) способом накопления энергии (применением пружины, груза и т.п.);

2) происхождением энергии (ручной, электрической и т.п.);

3) способом высвобождения энергии (ручным, электрическим и т.п.).

2.4.15 ручное управление (контактным коммутационным аппаратом) при наличии привода независимого действия [independent manual operation (of a mechanical switching device)]: Управление с применением физической энергии человека, накапливаемой и высвобождаемой в процессе непрерывного оперирования, так что скорость и усилие срабатывания не зависят от действия оператора.

[441-16-16]

2.4.16 двигательное управление (контактным коммутационным аппаратом) при наличии привода независимого действия [independent power operation (of a mechanical switching device)]: Управление с помощью поступления накопленной энергии из внешнего источника и ее высвобождения в процессе непрерывного оперирования, так что скорость и усилие срабатывания не зависят от действия оператора.

2.4.17 усилие (момент) управления [actuating force (moment)]: Усилие (момент), прикладываемое к органу управления, необходимое для завершения предполагаемого оперирования.

[441-16-17]

2.4.18 усилие (момент) взвода [restoring force (moment): Усилие (момент), затрачиваемое на возврат органа управления или контактного элемента в начальное положение.

[441-16-19]

2.4.19 ход (контактного коммутационного аппарата или его части) [travel (of a mechanical switching device or a part there of)]: Смещение (поступательное движение или вращение) точки подвижного элемента.

Примечание - Можно различать недоход, переход и т.д.

[441-16-21]

2.4.20 замкнутое положение (контактного коммутационного аппарата) [closed position (of а mechanical switching device)]: Положение, при котором обеспечена предусмотренная непрерывность главной цепи аппарата.

[441-16-22]

2.4.21 разомкнутое положение (контактного коммутационного аппарата) [open position (of а mechanical switching device)]: Положение, при котором удовлетворяются требования к заданному выдерживаемому напряжению по изоляции между разомкнутыми контактами в главной цепи аппарата.

Примечание - Данное определение отличается от формулировки, содержащейся в IEV 441-16-23, с учетом требований к электроизоляционным свойствам.

2.4.22 расцепление (операция) [tripping (operation)]: Размыкание контактного коммутационного аппарата, инициируемое реле или расцепителем.

2.4.23 контактный коммутационный аппарат со свободным расцеплением (trip-free mechanical switching device): Контактный коммутационный аппарат, подвижные контакты которого возвращаются в разомкнутое положение и остаются в нем, когда операция размыкания (т.е. расцепления) начинается после начала операции замыкания, даже если сохраняется команда на замыкание.

Примечания

1 Для того, чтобы обеспечить нужное отключение тока, который мог бы установиться, может потребоваться мгновенное достижение контактами замкнутого положения.

2 Формулировка, содержащаяся в IEV 441-16-31, была дополнена словом («расцепление»), так как управление размыканием контактного коммутационного аппарата со свободным расцеплением осуществляется автоматически.

2.4.24 реле или расцепитель мгновенного действия (instantaneous relay or release): Реле или расцепитель, срабатывающий без заданной выдержки времени.

2.4.25 максимальное реле или максимальный расцепитель тока (over-current relay or release): Реле или расцепитель, вызывающий размыкание контактного коммутационного аппарата с выдержкой времени или без нее, когда ток в реле или расцепителе превысит заданное значение.

Примечание - В некоторых случаях данное значение может зависеть от скорости нарастания тока.

2.4.26 максимальное реле или максимальный расцепитель тока с независимой выдержкой времени (definite time-delay over-current relay or release): Максимальное реле или максимальный расцепитель тока, срабатывающий с определенной выдержкой времени, которая может регулироваться, но не зависит от значения сверхтока.

2.4.27 максимальное реле или максимальный расцепитель тока с обратно зависимой выдержкой времени (inverse time-delay over-current relay or release): Максимальное реле или максимальный расцепитель тока, срабатывающий с выдержкой времени, находящейся в обратно пропорциональной зависимости от значения сверхтока.

Примечание - Такие реле или расцепители могут быть спроектированы так, чтобы при высоких значениях сверхтока выдержка времени достигала конкретного минимального значения.

2.4.28 максимальное реле или максимальный расцепитель тока прямого действия (direct over-current relay or release): Максимальное реле или максимальный расцепитель тока, непосредственно возбуждаемый током главной цепи коммутационного аппарата.

2.4.29 максимальное реле или максимальный расцепитель тока косвенного действия (indirect over-current relay or release): Максимальное реле или максимальный расцепитель тока, питаемый током главной цепи коммутационного аппарата через трансформатор тока или шунт.

2.4.30 реле перегрузки или расцепитель перегрузки (overload relay or release): Максимальное реле или максимальный расцепитель тока, предназначенный для защиты от перегрузок.

2.4.31 тепловое реле или расцепитель перегрузки (thermal overload relay or release): Реле или расцепитель перегрузки с обратно зависимой выдержкой времени, срабатывание которого (в том числе выдержка времени) зависит от теплового действия тока, проходящего через это реле или расцепитель.

2.4.32 электромагнитное реле или расцепитель перегрузки (magnetic overload relay or release): Реле или расцепитель перегрузки, срабатывание которого зависит от усилия, создаваемого током главной цепи, возбуждающим катушку электромагнита.

Примечание - У таких реле или расцепителей выдержка времени обычно обратно пропорциональна току.

2.4.33 независимый расцепитель (shunt release): Расцепитель, возбуждаемый источником напряжения.

[441-16-41]

Примечание - Источник напряжения может быть независим от напряжения в главной цепи.

2.4.34 минимальное реле или минимальный расцепитель напряжения (under-voltage relay or release): Реле или расцепитель, допускающий размыкание или замыкание контактного коммутационного аппарата с выдержкой времени или без нее, когда напряжение на выводах реле или расцепителя падает ниже заданного значения.

2.4.35 реле или расцепитель обратного тока (только для постоянного тока) [reverse current relay or release (d.c. only)]: Реле или расцепитель, допускающий размыкание контактного коммутационного аппарата с выдержкой времени или без нее, если ток проходит в обратном направлении и превышает заданное значение.

2.4.36 ток срабатывания (максимального реле или расцепителя тока) [operating current (of an overcurrent relay or release): Значение тока, при котором и выше которого срабатывает реле или расцепитель.

2.4.37 ток уставки (максимального реле или максимального расцепителя тока или реле перегрузки или расцепителя перегрузки) [current-setting (of an overcurrent or overload relay or release): Значение тока в главной цепи, к которому отнесены характеристики реле или расцепителя и на которые отрегулировано реле или расцепитель.

Примечание - Реле или расцепитель могут характеризоваться несколькими токовыми уставками, устанавливаемыми с помощью регулятора со шкалой, сменных нагревателей и т.п.

2.4.38 диапазон токовых уставок (максимального реле или максимального расцепителя тока или реле перегрузки или расцепителя перегрузки) [current-setting range (of an overcurrent or overload relay or release): Диапазон между минимальным и максимальным значениями, в котором можно регулировать уставку тока реле или расцепителя.

2.5 Параметры и характеристики

2.5.1 паспортное значение (nominal value): Значение величины, используемое для обозначения и идентификации детали, аппарата, устройства или системы.

[151-16-09]

Примечание - Паспортное значение - обычно приближенное значение.

2.5.2 предельное значение (limiting value): Наибольшее или наименьшее допустимое значение характеристики, указанное в документации на деталь, аппарат, устройство или систему.

[151-16-10]

2.5.3 номинальное значение (rated value): Количественное значение, указанное для обозначения определенных рабочих состояний детали, аппарата, устройства или системы.

[151-16-08]

2.5.4 номинальный параметр (rating): Совокупность номинальных значений и рабочих условий.

[151-16-11]

2.5.5 ожидаемый ток (цепи по отношению к коммутационному аппарату или плавкому предохранителю) [prospective current (of a circuit and with respect to a switching device or a fuse): Ток, который протекал бы в цепи, если каждый полюс коммутационного аппарата или плавкий предохранитель заменить проводником с пренебрежимо малым сопротивлением.

[441-17-01]

Примечание - Метод оценки и выражения ожидаемого тока должен быть уточнен в стандарте на аппарат конкретного вида.

2.5.6 ожидаемый пиковый ток (prospective peak current): Пиковое значение ожидаемого тока в переходный период после появления.

[441-17-02]

Примечание - Данное определение подразумевает, что ток включается идеальным коммутационным аппаратом, т.е. с мгновенным переходом от бесконечного к нулевому значению полного сопротивления. Для цепей, в которых ток может проходить по нескольким путям, например, многофазных цепей, предполагается также, что ток включается одновременно во всех полюсах, даже если рассматривается ток только в одном полюсе.

2.5.7 ожидаемый симметричный ток (в цепи переменного тока) [prospective symmetrical current (of an a.c. circuit)]: Ожидаемый ток, возникающий в такой момент, когда его появление не сопровождается переходными явлениями.

[441-17-03]

Примечания

1 Во многофазных цепях требуемое отсутствие переходного периода может быть достигнуто в каждый момент только в одном полюсе.

2 Ожидаемый симметричный ток выражается его действующим значением.

2.5.8 максимальный ожидаемый пиковый ток (в цепи переменного тока) [maximum prospective peak current (of an a.c. circuit)]: Ожидаемый пиковый ток, когда он возникает в момент, обусловливающий его наибольшее возможное значение.

[441-17-04]

Примечание - Во многофазной цепи многополюсного аппарата максимальный ожидаемый ток характеризует только один полюс.

2.5.9 ожидаемый ток включения (для одного полюса коммутационного аппарата) [prospective making current (fora pole of a switching device)]: Ожидаемый ток, возникающий в заданных условиях.

[441-17-05]

Примечание - Заданные условия могут относиться к способу возбуждения, например применение идеального коммутационного аппарата, или моменту возбуждения, например, обусловливающему максимальный ожидаемый пиковый ток в цепи переменного тока, или максимальной скорости нарастания. Условия уточняются в стандартах на аппараты конкретного вида.

2.5.10 ожидаемый ток отключения (для одного полюса коммутационного аппарата или плавкого предохранителя) [prospective breaking current (for a pole of a switching device or a fuse)]: Ожидаемый ток, оцениваемый в момент, соответствующий моменту начала процесса отключения.

[441-17-06]

Примечание - Данные, касающиеся начального момента процесса размыкания, приводятся в стандарте на аппарат конкретного вида. Для контактных коммутационных аппаратов или плавких предохранителей это обычно момент возникновения дуги в процессе отключения.

2.5.11 ток отключения (коммутационного аппарата или плавкого предохранителя) [breaking current (of a switching device or a fuse)]: Ток в одном полюсе коммутационного аппарата или в плавком предохранителе в момент возникновения дуги в процессе отключения.

[441-17-07]

Примечание - Для переменного тока это симметричное действующее значение периодической составляющей.

2.5.12 отключающая способность (коммутационного аппарата или плавкого предохранителя) [breaking capacity (of a switching device or a fuse)]: Значение ожидаемого тока отключения, который способен отключать коммутационный аппарат или плавкий предохранитель при установленном напряжении в предписанных условиях эксплуатации и поведения

[441-17-08]

Примечания

1 Напряжение устанавливается и условия предписываются в стандарте на аппарат конкретного вида.

2 Для переменного тока это симметричное действующее значение периодической составляющей.

3 Определение наибольшей отключающей способности см. в 2.5.14.

2.5.13 включающая способность (коммутационного аппарата) [making capacity (of a switching device)]: Значение ожидаемого тока включения, который способен включать коммутационный аппарат при установленном напряжении в предписанных условиях эксплуатации и поведения

[441-17-09]

Примечания

1 Напряжение устанавливается и условия предписываются в стандарте на аппарат конкретного вида.

2 Определение наибольшей включающей способности см. в 2.5.15.

2.5.14 наибольшая отключающая способность (short-circuit breaking capacity): Отключающая способность, для которой к числу предписанных условий относится короткое замыкание на выводах коммутационного аппарата

[441-17-11]

2.5.15 наибольшая включающая способность (short-circuit making capacity): Включающая способность, для которой к числу предписанных условий относится короткое замыкание на выводах коммутационного аппарата

[441-17-10]

2.5.16 критический ток нагрузки (critical load current): Значение тока отключения в пределах диапазона условий эксплуатации, при котором время дуги заметно увеличивается.

2.5.17 критический ток короткого замыкания (critical short-circuit current): Значение тока отключения ниже номинальной наибольшей отключающей способности, при котором энергия дуги значительно выше, чем при номинальной наибольшей отключающей способности.

2.5.18 интеграл Джоуля (l2t) [Joule integral (l2t)]: Интеграл квадрата силы тока по данному интервалу времени

[441-18-23]

2.5.19 ток отсечки - сквозной ток (cut-off current - let-through current): Максимальное мгновенное значение тока, достигаемое в процессе отключения тока коммутационным аппаратом или плавким предохранителем

[441-17-12]

Примечание - Данное понятие особенно важно, когда коммутационный аппарат или плавкий предохранитель срабатывает так, что ожидаемый пиковый ток цепи не достигается.

2.5.20 время-токовая характеристика (time-current characteristic): Кривая, отражающая зависимость времени, например преддугового или рабочего, от ожидаемого тока в указанных условиях эксплуатации

[441-17-13]

2.5.21 характеристика тока отсечки - характеристика сквозного тока [cut-off (current) characteristic - let-through (current) characteristic]: Кривая, отражающая зависимость тока отсечки от ожидаемого тока в указанных условиях эксплуатации

[441-17-14]

Примечание - В случае переменного тока значения токов отсечки - это максимальные значения, которые могут быть достигнуты при любой степени асимметрии; в случае постоянного тока значения токов отсечки - это максимальные значения, достигнутые при указанной постоянной времени.

2.5.22 координация по сверхтоку устройств для защиты от сверхтоков (over-current protective co-ordination of over-current protective devices): Координация двух или нескольких устройств, соединенных последовательно, для обеспечения селективности при сверхтоках и/или резервной защиты.

2.5.23 селективность по сверхтокам (over-current discrimination): Координация рабочих характеристик двух или нескольких устройств для защиты от сверхтоков с таким расчетом, чтобы в случае возникновения сверхтоков в пределах указанного диапазона срабатывало только устройство, предназначенное для оперирования в данном диапазоне, а прочие не срабатывали

[441-17-15]

Примечание - Различают последовательную селективность, когда через различные устройства для защиты от сверхтоков проходит практически один и тот же сверхток, и параллельную селективность, когда через тождественные защитные устройства проходят разные доли сверхтока.

2.5.24 резервная защита (back-up protection): Координация по сверхтокам двух устройств для защиты от сверхтока, соединенных последовательно, когда защитное устройство, расположенное, как правило, но не обязательно, на входной стороне, осуществляет защиту от сверхтока с помощью или без помощи второго защитного устройства и предохраняет последнее от чрезмерной нагрузки.

2.5.25 ток координации (take-over current): Токовая координата точки пересечения время-токовых характеристик двух устройств для защиты от сверхтоков

[441-17-16]

2.5.26 кратковременная выдержка (short-time delay): Любая преднамеренная задержка срабатывания в диапазоне предельных значений номинального кратковременно допустимого тока.

2.5.27 кратковременно допустимый ток (short-time withstand current): Ток, который цепь или коммутационный аппарат способен проводить в замкнутом положении в течение установленного короткого периода в заданных условиях эксплуатации и поведения

[441-17-17]

2.5.28 пиковый допустимый ток (peak withstand current): Значение пикового тока, который может выдерживать цепь или коммутационный аппарат в замкнутом положении в заданных условиях эксплуатации и поведения

[441-17-18]

2.5.29 условный ток короткого замыкания (в цепи или коммутационном аппарате) [conditional short-circuit current (of a circuit or a switching device): Ожидаемый ток, который цепь или коммутационный аппарат, защищенный заданным устройством для защиты от коротких замыканий, способен удовлетворительно выдерживать в течение всего времени срабатывания защитного устройства в указанных условиях эксплуатации и поведения

Примечания

1 В настоящем стандарте устройством для защиты от коротких замыканий служит, как правило, автоматический выключатель или плавкий предохранитель.

2 Данное определение отличается от формулировки, приведенной в IEV 441-17-20, расширением определения токоограничивающего аппарата до устройства для защиты от коротких замыканий, функция которого не сводится только к токоограничению.

2.5.30 условный ток нерасцепления (максимального реле или расцепителя тока) [conventional non-tripping current (of an over-current relay or release)]: Установленное значение тока, который реле или расцепитель способен проводить, не срабатывая, в течение заданного (условного) времени.

2.5.31 условный ток расцепления (максимального реле или расцепителя тока) [conventional tripping current (of an over-current relay or release)]: Установленное значение тока, вызывающего срабатывание реле или расцепителя в течение заданного (условного) времени.

2.5.32 напряжение до включения (коммутационного аппарата) [аррlied voltage (for a switching device)]: Напряжение между выводами полюса коммутационного аппарата непосредственно перед включением тока

[441-17-24]

Примечание - Данное определение действительно для однополюсного аппарата. Для многополюсного аппарата это межфазное напряжение на входных выводах аппарата.

2.5.33 восстанавливающееся и возвращающееся напряжение (recovery voltage): Напряжение, появляющееся между выводами полюса коммутационного аппарата или плавкого предохранителя после отключения тока

[441-17-25]

Примечания

1 Данное напряжение может рассматриваться на протяжении двух последовательных промежутков времени, во время первого из которых существует переходное восстанавливающееся напряжение, а во время последующего второго промежутка существует только возвращающееся напряжение промышленной частоты.

2 Определение действительно для однополюсного аппарата. Для многополюсного аппарата это межфазное напряжение на входных выводах аппарата.

2.5.34 восстанавливающееся напряжение (transient recovery voltage): Напряжение между выводами коммутационного аппарата в период, когда оно носит существенно переходный характер

[441-17-26]

Примечание - Переходное напряжение может быть колебательным или не колебательным, или носить смешанный характер в зависимости от характеристик цепи, коммутационного аппарата или плавкого предохранителя. Оно включает в себя сдвиг напряжения нейтрали многофазной цепи.

2.5.35 возвращающееся напряжение (power-frequency recovery voltage): Напряжение после окончания переходного процесса

[441-17-27]

2.5.36 установившееся возвращающееся напряжение постоянного тока (d.c. steady-state recovery voltage): Напряжение в цепи постоянного тока после исчезновения переходных явлений, выраженное средним значением при наличии пульсации

[441-17-28]

2.5.37 ожидаемое восстанавливающееся напряжение (цепи) [prospective transient recovery voltage (of a circuit)]: Напряжение после отключения ожидаемого симметричного тока идеальным коммутационным аппаратом

[441-17-29]

Примечание - Определение подразумевает, что коммутационный аппарат или плавкий предохранитель, для которого оценивается ожидаемое восстанавливающееся напряжение, заменен идеальным коммутационным аппаратом, т.е. с мгновенным переходом от нулевого к бесконечному полному сопротивлению в самый момент уменьшения тока до нуля, т.е. при «естественном» нуле. Для цепей, в которых ток может проходить по нескольким разным путям, например для многофазной цепи, это определение подразумевает также, что ток отключается идеальным коммутационным аппаратом только в рассматриваемом полюсе.

2.5.38 пиковое напряжение дуги (в контактном коммутационном аппарате) [peak arc voltage (of a mechanical switching device)]: Максимальное мгновенное значение напряжения, появляющегося в заданных условиях на выводах полюса контактного коммутационного аппарата во время горения дуги

[441-17-30]

2.5.39 время размыкания (контактного коммутационного аппарата) [opening time (of а mechanical switching device)]: Интервал времени от установленного начального момента размыкания до момента разъединения дугогасительных контактов во всех полюсах

[441-17-36]

Примечание - Начальный момент размыкания, т.е. подача команды на размыкание (например, возбуждение расцепителя и т.п.) устанавливается в стандарте на аппарат конкретного вида.

2.5.40 время дуги (в полюсе или плавком предохранителе) [arcing time (of a pole or a fuse)]: Интервал времени между моментом образования дуги в полюсе или плавком предохранителе и моментом ее окончательного гашения в этом полюсе или плавком предохранителе

[441-17-37]

2.5.41 время дуги (в многополюсном коммутационном аппарате) [arcing time (of a multipole switching device)]: Интервал времени между моментом первого появления дуги и моментом окончательного угасания дуг во всех полюсах

[441-17-38]

2.5.42 время отключения (break time): Интервал времени от начала размыкания контактного коммутационного аппарата (или преддугового времени плавкого предохранителя) до конца горения дуги

[441-17-39]

2.5.43 время включения (make time): Интервал времени от начала замыкания до момента появления тока в главной цепи

[441-17-40]

2.5.44 время замыкания (closing time): Интервал времени от начала замыкания до момента соприкосновения контактов во всех полюсах

[441-17-41]

2.5.45 время включения-отключения (make-break time): Интервал времени от момента появления тока в одном полюсе до момента окончательного угасания дуг во всех полюсах при возбуждении размыкающего расцепителя в момент появления тока в главной цепи

[441-17-43]

2.5.46 воздушный зазор (clearance): Кратчайшее расстояние между двумя токопроводящими частями

[441-17-31]

2.5.47 воздушный зазор между полюсами (clearance between poles): Воздушный зазор между любыми токопроводящими частями смежных полюсов

[441-17-32]

2.5.48 воздушный зазор относительно земли (clearance to earth): Воздушный зазор между любыми токопроводящими частями и любыми заземленными или предназначенными для заземления частями

[441-17-33]

2.5.49 воздушный зазор между разомкнутыми контактами (раствор) [clearance between open contacts (gap): Общий воздушный зазор между контактами или любыми токопроводящими частями, соединенными с контактами полюса контактного коммутационного аппарата в разомкнутом положении

[441-17-34]

2.5.50 изолирующий промежуток (полюса контактного коммутационного аппарата) [isolating distance (of a pole of a mechanical switching device)]: Воздушный зазор между разомкнутыми контактами, отвечающий требованиям безопасности, предъявляемым к разъединителям

[441-17-35]

2.5.51 расстояние утечки (creepage distance): Кратчайшее расстояние по поверхности изоляционного материала между двумя токопроводящими частями

Примечание - Стык между двумя частями из изоляционного материала считают частью поверхности.

2.5.52 эксплуатационное напряжение (working voltage): Наибольшее действующее значение напряжения переменного или наибольшее значение напряжения постоянного тока по конкретной изоляции, которое может возникать при номинальном напряжении питания

Примечания

1 Переходные явления не учитывают.

2 С учетом условий разомкнутой цепи и нормальных рабочих условий.

2.5.53 временное перенапряжение (temporary overvoltage): Перенапряжение относительно большой длительности (несколько секунд), установившееся в данном месте между фазой и землей, между фазой и нейтралью или между фазами.

2.5.54 переходные перенапряжения (transient overvoltages): К переходным перенапряжениям относят:

2.5.54.1 коммутационное перенапряжение (switching overvoltage): Переходное перенапряжение на конкретном участке системы, обусловленное конкретной операцией коммутирования или повреждением.

2.5.54.2 грозовое перенапряжение (lightning overvoltage): Переходное перенапряжение на конкретном участке системы, обусловленное конкретным грозовым разрядом (см. также IEC 60060 и IEC 60071-1).

2.5.54.3 функциональное перенапряжение (functional overvoltage): Намеренно созданное перенапряжение, необходимое для функционирования аппарата.

2.5.55 импульсное выдерживаемое напряжение (impulse withstand voltage): Наибольшее пиковое значение импульсного напряжения предписанной формы и полярности, не вызывающее пробоя в заданных условиях испытания.

2.5.56 выдерживаемое напряжение промышленной частоты (power-frequency withstand voltage): Действующее значение синусоидального напряжения промышленной частоты, не вызывающее пробоя в заданных условиях испытания.

2.5.57 загрязнение (pollution): Любое добавление инородных веществ, твердых, жидких или газообразных (ионизированных газов), которые могли бы уменьшить электрическую прочность изоляции или поверхностное удельное сопротивление.

2.5.58 степень загрязнения (окружающей среды) [pollution degree (of environmental conditions)]: Условное число, основанное на количестве токопроводящей или гигроскопической пыли, ионизированных газов или солей и относительной влажности и частоте появления ее значений, обусловливающих гигроскопическую абсорбцию или конденсацию влаги, ведущую к снижению электрической прочности изоляции и/или поверхностного удельного сопротивления.

Примечания

1 Степень загрязнения, воздействию которого подвергается аппарат, может отличаться от степени загрязнения микросреды, в которой установлен этот аппарат, вследствие защиты, обеспечиваемой оболочкой, или внутреннего нагрева, препятствующего абсорбции или конденсации влаги.

2 Для целей настоящего стандарта рассматривают степень загрязнения микросреды.

2.5.59 микросреда (воздушного зазора или расстояния утечки) [micro-environment (of а clearance or creepage distance)]: Условия окружающей среды вокруг рассматриваемого воздушного зазора или расстояния утечки.

Примечание - Эффективность изоляции определяется микросредой расстояния утечки или воздушного зазора, а не макросредой аппарата. Эта микросреда может быть лучше или хуже макросреды аппарата. К ней относятся факторы, влияющие на изоляцию: климатические и электромагнитные условия, образование загрязнения и т.п.

2.5.60 категория перенапряжения (в цепи или электрической системе) [overvoltage category (of a circuit or within an electrical system)]: Условное число, зависящее от ограничения (или регулирования) значений ожидаемых переходных напряжений, возникающих в цепи (или электрической системе с различными номинальными напряжениями), и зависящее от способов воздействия на перенапряжения.

Примечание - В электрической системе переход от одной категории перенапряжения к другой, более низкой, достигается средствами, совместимыми с требованиями к переходным участкам, например с помощью устройства для защиты от перенапряжений или последовательно-параллельного присоединения полного сопротивления, способного рассеять, поглотить или отклонить энергию соответствующего импульсного тока с целью снижения переходного перенапряжения до желаемой меньшей категории перенапряжения.

2.5.61 координация изоляции (co-ordination of insulation): Соотношение изоляционных свойств электрического аппарата с ожидаемыми перенапряжениями и характеристиками устройств для защиты от перенапряжений и предполагаемой микросредой и способами защиты от загрязнений.

2.5.62 однородное поле [homogeneous (uniform) field]: Электрическое поле с практически постоянным градиентом напряжения между электродами как между двумя сферами, радиус каждой из которых больше расстояния между ними.

2.5.63 неоднородное поле [non-homogeneous (non-uniform) field]: Электрическое поле без практически постоянного градиента напряжения между электродами.

2.5.64 образование путей утечки (трекинг) (tracking): Прогрессирующее образование токопроводящих путей на поверхности твердого электроизоляционного материала в результате комбинированных воздействий электрической нагрузки и электролитического загрязнения этой поверхности.

2.5.65 показатель относительной стойкости против тока утечки (сравнительный индекс трекингостойкости (СИТ) [comparative tracking index (CTI)]: Числовое значение максимального напряжения в вольтах, при котором материал выдерживает 50 капель испытательного раствора без образования токопроводящих путей.

Примечания

1 Значение каждого испытательного напряжения и СИТ должно делиться на 25.

2 Определение по 2.3 IEC 60112.

2.6 Испытания

2.6.1 типовое испытание (type test): Испытание одного или нескольких аппаратов одной конкретной конструкции на соответствие конкретным техническим условиям.

2.6.2 контрольное испытание (routine test): Испытание, которому подвергают каждый отдельный аппарат во время и/или после его изготовления на соответствие конкретным критериям.

2.6.3 выборочное испытание (sampling test): Испытание некоторого числа аппаратов, случайно отобранных из партии.

2.6.4 специальное испытание (special test): Испытание, проводимое дополнительно к типовым и контрольным испытаниям по усмотрению изготовителя или по соглашению между изготовителем и потребителем.

2.7 Порты

2.7.1 порт (port): Средство связи аппаратуры с внешней электромагнитной средой (см. рисунок 17).

2.7.2 порт оболочки (enclosure port): Физическая граница аппаратуры, пропускающая или преграждающая воздействие электромагнитных полей.

2.7.3 кабельный порт (cable port): Порт для подсоединения к аппаратуре проводника или кабеля.

Примечание - Примером являются выводы сигнальной цепи, служащие для передачи информации.

2.7.4 порт функционального заземления (functional earth port): Кабельный порт, кроме выводов главной, сигнальной цепи или вывода питания, предназначенный для соединения с землей не в целях электробезопасности.

2.7.5 вывод сигнальной цепи (signal port): Порт для подсоединения к аппаратуре проводника или кабеля, предназначенного для проведения и передачи информации.

Примечание - Примером являются шины данных, сети коммуникации и управления.

2.7.6 вывод питания [power port (control supply port): Порт для подсоединения проводника или кабеля, проводящего первичное электропитание, необходимое для работы (функционирования) аппаратуры, в том числе присоединенной аппаратуры.

2.7.7 вывод главной цепи (main port): Порт для подсоединения проводника или кабеля к полюсу главной цепи оборудования.

Примечания

1 Примером являются выводы главной цепи контактора.

2 В некотором оборудовании вывод главной цепи также является выводом питания.

3 Классификация

В настоящем разделе приводятся характеристики аппаратов согласно информации, предоставленной изготовителем, без обязательной проверки испытаниями. Данный раздел не является обязательным в стандартах на аппараты конкретного вида, тем не менее, в этих стандартах при необходимости указываются критерии классификации.

4 Характеристики

Ниже приведен алфавитный перечень характеристик (номинальных и не номинальных), их условное обозначение и номера пунктов настоящего стандарта, в которых приводится их описание:

восьмичасовой режим

4.3.4.1

категория применения

4.4

кратковременный режим

4.3.4.4

номинальная включающая способность

4.3.5.2

номинальная наибольшая включающая способность (Icm)

4.3.6.2

номинальная наибольшая отключающая способность (Icn)

4.3.6.3

номинальная отключающая способность

4.3.5.3

номинальная предельная наибольшая отключающая способность (Icu)

1)

номинальная рабочая мощность

4.3.2.3

номинальная частота

4.3.3

номинальная эксплуатационная наибольшая отключающая способность (Ics)

1)

номинальное импульсное выдерживаемое напряжение (Uimp)

4.3.1.3

номинальное напряжение в цепи управления (Uc)

4.5.1

номинальное напряжение изоляции (Ui)

4.3.1.2

номинальное напряжение изоляции ротора (Uir)

1)

номинальное напряжение изоляции статора (Uis)

1)

номинальное питающее напряжение управления (Us)

4.5.1

номинальное пусковое напряжение автотрансформаторного пускателя

1)

номинальное рабочее напряжение (Ue)

4.3.1.1

номинальное рабочее напряжение ротора (Uer)

1)

номинальное рабочее напряжение статора (Ues)

1)

номинальный длительный ток (Iu)

4.3.2.4

номинальный кратковременно допустимый ток (Icw)

4.3.6.1

номинальный рабочий ток (Ie)

4.3.2.3

номинальный рабочий ток ротора (Ier)

1)

номинальный рабочий ток статора (Ies)

1)

номинальный ток (In)

1)

номинальный условный ток короткого замыкания

4.3.6.4

периодический режим

4.3.4.5

повторно-кратковременный режим

4.3.4.3

предельный ток селективности (Is)

1)

продолжительный режим

4.3.4.2

тепловой ток ротора (Ithr)

1)

тепловой ток статора (Iths)

1)

ток координации (IB)

2.5.25

условный тепловой ток в оболочке (Ithe)

4.3.2.2

условный тепловой ток на открытом воздухе (Ith)

4.3.2.1

_________

1) Определение характеристики приводится в стандарте на конкретный аппарат.

Примечание - Вышеприведенный перечень не является исчерпывающим.

4.1 Общие требования

В стандарте на аппарат конкретного вида должны указываться применимые к аппарату характеристики:

- тип аппарата (см. 4.2);

- номинальные и предельные значения параметров главной цепи (см. 4.3);

- категория применения (см. 4.4);

- цепи управления (см. 4.5);

- вспомогательные цепи (см. 4.6);

- реле и расцепители (см. 4.7);

- координация с устройствами для защиты от коротких замыканий (см. 4.8);

- коммутационные перенапряжения (см. 4.9).

4.2 Тип аппарата

В стандарте в обозначении типа аппарата следует указывать:

- вид аппарата, например контактор, автоматический выключатель и т.п.;

- число полюсов;

- род тока;

- среду, в которой происходит отключение;

- рабочие условия (способ оперирования, способ управления и т.д.).

Примечание - Вышеприведенное перечисление не является исчерпывающим.

4.3 Номинальные и предельные значения параметров главной цепи

Номинальные значения параметров главной цепи устанавливаются изготовителем. Их следует указывать в соответствии с 4.3.1 - 4.3.6 согласно требованиям стандарта на аппарат конкретного вида, но не обязательно все нижеперечисленные параметры.

4.3.1 Номинальные напряжения

Аппарат характеризуют следующие номинальные напряжения:

Примечание - Аппараты некоторых типов могут характеризоваться более чем одним номинальным напряжением или диапазоном номинальных напряжений.

4.3.1.1 Номинальное рабочее напряжение (Ue)

Номинальное рабочее напряжение аппарата - значение напряжения, в сочетании с номинальным рабочим током определяющее его назначение, на которые ориентируются при проведении соответствующих испытаний и установлении категории применения.

Для однополюсного аппарата номинальное рабочее напряжение, как правило, устанавливается как напряжение на полюсе.

Для многополюсного аппарата - как межфазное напряжение.

Примечания

1 Для некоторых аппаратов и областей применения возможен другой способ назначения Ue, который должен быть установлен в стандарте на соответствующий аппарат.

2 В применении к многополюсным аппаратам для многофазных цепей следует различать:

a) аппараты для систем, в которых одно замыкание на землю не приводит к появлению на полюсе полного межфазного напряжения (т.е. для систем без заземления или с заземленной нейтралью);

b) аппараты для систем, в которых одно замыкание на землю приводит к появлению на полюсе полного межфазного напряжения (т.е. для систем с заземлением фазы).

3 Для аппарата можно установить ряд комбинаций номинальных рабочих напряжений и номинальных рабочих токов или мощностей для различных режимов и категорий применения.

4 Для аппарата можно установить ряд номинальных рабочих напряжений и значений включающей и отключающей способностей для различных режимов и категорий применения.

5 Следует учитывать, что рабочее напряжение аппарата может отличаться от его эксплуатационного напряжения (см. 2.5.52).

4.3.1.2 Номинальное напряжение изоляции (Ui)

Номинальное напряжение изоляции аппарата - значение напряжения, по которому определяют испытательное напряжение при испытании электроизоляционных свойств и расстояний утечки.

Максимальное значение номинального рабочего напряжения аппарата не должно превышать наибольшего значения номинального напряжения изоляции.

Примечание - Не установленное номинальное напряжение изоляции аппарата следует принимать как наибольшее значение номинального напряжения.

4.3.1.3 Номинальное импульсное выдерживаемое напряжение (Uimp)

Номинальное импульсное выдерживаемое напряжение - пиковое значение импульсного напряжения заданной формы и полярности, которое может выдержать аппарат без повреждений в установленных условиях испытания, и к которому отнесены значения воздушных зазоров.

Номинальное импульсное выдерживаемое напряжение аппарата не должно быть ниже значений переходного перенапряжения, случающегося в цепи, в которую включен аппарат.

Примечание - Предпочтительными являются значения номинального импульсного выдерживаемого напряжения согласно таблице 12.

4.3.2 Токи

Аппараты характеризуют следующие токи:

4.3.2.1 Условный тепловой ток на открытом воздухе (Ith)

Условный тепловой ток на открытом воздухе - максимальное значение испытательного тока, используемого при проверке превышения температуры аппаратов открытого исполнения (см. 8.3.3.3) на открытом воздухе.

Значение условного теплового тока на открытом воздухе должно превышать или в крайнем случае равняться максимальному номинальному рабочему току (см. 4.3.2.3) аппарата открытого исполнения в восьмичасовом режиме (см. 4.3.4.1).

Под открытым воздухом подразумевают нормальную атмосферу в помещении без сквозняков и внешней радиации.

Примечания

1 Условный тепловой ток на открытом воздухе не является номинальным параметром, его не обязательно маркировать на аппарате.

2 Аппарат открытого исполнения - это аппарат, поставляемый изготовителем без оболочки или с неотделимой оболочкой, не предназначенной служить единственной защитной оболочкой аппарата.

4.3.2.2 Условный тепловой ток в оболочке (Uthe)

Условный тепловой ток в оболочке - указанное изготовителем значение тока, который должен использоваться для испытаний на превышение температуры аппарата, смонтированного в предусмотренной для него оболочке.

Такие испытания проводят по 8.3.3.3 и в каталогах изготовителя аппарат обязательно обозначают как «применяемый в оболочке», он предназначается для эксплуатации в одной или нескольких оболочках установленного типа и размера (см. примечание 2).

Значение условного теплового тока в оболочке должно, по крайней мере, равняться максимальному значению номинального рабочего тока (см. 4.3.2.3) аппарата в оболочке в восьмичасовом режиме (см. 4.3.4.1).

Если аппарат предназначен для эксплуатации в нестандартных оболочках, проводить испытание необязательно, в случае если уже проводилось испытание с условным тепловым током на открытом воздухе (Ith). В этом случае изготовитель должен сообщить значение условного теплового тока в оболочке или понижающий коэффициент.

Примечания

1 Такое руководство может быть в форме публикации с указанием максимального номинального тока для заданных местных условий температуры окружающего воздуха (вокруг, в непосредственной близости от аппарата).

Пример 1:

АС-1 Iе = 45 А при 40 °С, АС-1 Iе = 40 А при 60 °С.

Пример 2:

Ith = 200 А при 40 °С, Ith = 150 А при 60 °С).

Указанием таких параметров изготовитель информирует потребителя о пределах применения изделия независимо от размера или типа оболочки.

2 Условный тепловой ток в оболочке не является номинальным параметром, его не обязательно маркировать на аппарате.

3 Условный тепловой ток в оболочке допускается определять как для невентилируемого аппарата. В этом случае размеры оболочки, используемой для испытаний, должны соответствовать минимальным размерам, указанным изготовителем в качестве допустимых при эксплуатации. При наличии информации изготовителя значение условного теплового тока в оболочке альтернативно может относиться к вентилируемому аппарату.

4 Аппарат закрытого исполнения - аппарат, предназначенный для использования в оболочке конкретного типа и размера или в оболочках разных типов и размеров.

4.3.2.3 Номинальный рабочий ток (Iе) или номинальная рабочая мощность

Номинальный рабочий ток аппарата - ток, указанный изготовителем с учетом номинального рабочего напряжения (см. 4.3.1.1), номинальной частоты (см. 4.3.3), номинального режима (см. 4.3.4), категории применения (см. 4.4) и типа защитной оболочки (при наличии).

Для аппарата, осуществляющего прямую коммутацию отдельных двигателей, наряду с номинальным рабочим током или вместо него допускается указывать максимальную номинальную выходную мощность (при конкретном номинальном рабочем напряжении) двигателя, для которого предназначен этот аппарат. При необходимости изготовитель должен указать соотношение между рабочим током и рабочей мощностью (при наличии).

4.3.2.4 Номинальный длительный ток (Iu)

Номинальный длительный ток - значение тока, указанное изготовителем, который может проводить аппарат в продолжительном режиме (см. 4.3.4.2).

4.3.3 Номинальная частота

Частота тока питания, на которую рассчитан аппарат, которой соответствуют его характеристики.

Примечание - Для одного и того же аппарата может быть установлен диапазон номинальных частот переменного тока либо он может работать как на переменном, так и на постоянном токе.

4.3.4 Номинальные режимы

К стандартным номинальным режимам относят:

4.3.4.1 Восьмичасовой режим

Режим, в котором главные контакты аппарата остаются замкнутыми, проводя установившийся ток достаточно долго для того, чтобы аппарат достиг теплового равновесия, но не более 8 ч без перерыва.

Примечания

1 Восьмичасовой режим является основным для определения условных тепловых токов Ith и Ithе

2 Перерыв означает отключение тока путем оперирования аппаратом.

4.3.4.2 Продолжительный режим

Продолжительный режим - режим нагрузки, в котором главные контакты аппарата остаются замкнутыми, проводя установившийся ток, без перерыва более 8 ч (в течение недель, месяцев, лет).

Примечание - Такой режим эксплуатации отличается от восьмичасового, поскольку на контактах могут накапливаться оксиды и грязь, вызывая постепенное увеличение их нагрева. При продолжительном режиме либо вводится коэффициент снижения номинальной мощности, либо применяется специальная конструкция (например, серебряные контакты).

4.3.4.3 Повторно-кратковременный периодический или повторно-кратковременный режим

Режим, в котором периоды нагрузки, когда контакты остаются замкнутыми, находятся в соотношении с периодами нулевой нагрузки, но те и другие интервалы времени недостаточны для того, чтобы аппарат успел достичь теплового равновесия.

Повторно-кратковременный режим характеризуется значением тока, длительностью его прохождения и коэффициентом нагрузки, который представляет собой отношение времени нахождения аппарата под нагрузкой к полному времени цикла, как правило, выраженное в процентах. Стандартные значения коэффициента нагрузки 15 %, 25 %, 40 % и 60 %.

По числу циклов оперирования, которое они могут выполнять за один час, аппараты подразделяют на следующие классы:

Класс

Цикл/ч

1

1

3

3

12

12

30

30

120

120

300

300

1200

1200

3000

3000

12000

12000

30000

30000

120000

120000

300000

300000

Для повторно-кратковременного режима с большим числом циклов оперирования за 1 ч изготовитель должен указать в реальных циклах (если известно) или в условных циклах по его усмотрению значения номинальных рабочих токов, которые должны соответствовать неравенству:

где Т- полная длительность цикла оперирования.

Примечание - Вышеприведенная формула не учитывает энергию коммутационной дуги.

Коммутационный аппарат, рассчитанный на повторно-кратковременный режим, допускается характеризовать параметрами этого режима.

Пример - Повторно-кратковременный режим класса 12, в котором ток 100 А проходит в течение 2 мин из каждых 5 мин, можно обозначить: 100 А, класс 12, 40 %.

4.3.4.4 Кратковременный режим

Режим, в котором главные контакты аппарата остаются замкнутыми в течение периодов времени, не достаточных для достижения аппаратом теплового равновесия, которые чередуются с периодами нулевой нагрузки достаточной длительности для восстановления равенства температуры аппарата с температурой охлаждающей среды.

Стандартизированные значения для кратковременного режима: 3, 10, 30, 60 и 90 мин при замкнутых контактах.

4.3.4.5 Периодический режим

Режим, предусматривающий регулярное повторение срабатывания аппарата при постоянной либо при переменной нагрузке.

4.3.5 Характеристики нормальной нагрузки и перегрузки

В настоящем пункте приведены общие требования, касающиеся номинальных параметров аппарата при нормальной нагрузке и в условиях перегрузки.

Примечание - Требования к работоспособности аппарата в условиях перегрузки могут включаться в категории применения, описанные в 4.4.

Подробные требования в соответствии с 7.2.4.

4.3.5.1 Способность выдерживать коммутационные токи перегрузки двигателя

Аппарат, предназначенный для коммутации двигателя, должен быть способен выдерживать тепловые нагрузки, обусловленные пуском и разгоном двигателя до нормальной скорости и рабочими перегрузками.

Подробные требования, связанные с удовлетворением этих условий, содержатся в стандарте на аппарат конкретного вида.

4.3.5.2 Номинальная включающая способность

Номинальная включающая способность аппарата - указанное изготовителем значение тока, который аппарат может удовлетворительно включать в установленных условиях включения.

К условиям включения следует отнести:

- напряжение до включения (см. 2.5.32);

-характеристики испытательной цепи.

Номинальную включающую способность указывают применительно к номинальному рабочему напряжению и номинальному рабочему току согласно стандарту на аппарат конкретного вида.

Примечание - Если необходимо, в стандарте на соответствующий аппарат указывается взаимосвязь между номинальной включающей способностью и категорией применения.

На переменном токе номинальная включающая способность выражается действующим значением симметричной составляющей тока, которое принимается за постоянное.

Примечание - На переменном токе пиковое значение тока в первые полупериоды после замыкания главных контактов может оказаться значительно выше пикового значения тока в установившемся режиме, используемого при определении включающей способности в зависимости от коэффициента мощности цепи и момента на волне напряжения, когда происходит замыкание.

Аппарат должен включать ток, периодическая составляющая которого равна определяющей его номинальную включающую способность при любом значении непериодической составляющей в пределах, обусловленных коэффициентами мощности, указанными в стандарте на аппарат конкретного вида.

4.3.5.3 Номинальная отключающая способность

Номинальная отключающая способность аппарата - указанное изготовителем значение тока, который аппарат может удовлетворительно отключать в заданных условиях отключения.

К заданным условиям отключения относят:

-характеристики испытательной цепи;

- восстанавливающееся напряжение промышленной частоты.

Номинальная отключающая способность указывается применительно к номинальному рабочему напряжению и номинальному рабочему току согласно стандарту на аппарат конкретного вида.

Аппарат должен отключать любой ток до установленной номинальной отключающей способности включительно.

Примечание - У коммутационного аппарата может быть несколько значений номинальной отключающей способности, каждое из которых соответствует рабочему напряжению и категории применения.

На переменном токе номинальная отключающая способность выражается действующим значением симметричной составляющей тока.

Примечание - По возможности в стандарте на аппарат конкретного вида указывают взаимосвязь между номинальной отключающей способностью и категорией применения.

4.3.6 Характеристики при коротких замыканиях

В настоящем пункте приведены общие требования к номинальным параметрам в условиях короткого замыкания.

4.3.6.1 Номинальный кратковременно допустимый ток (Icw)

Номинальный кратковременно допустимый ток - установленное изготовителем значение кратковременно допустимого тока, который аппарат может проводить без повреждений в условиях испытаний, оговоренных в стандарте на аппарат конкретного вида.

4.3.6.2 Номинальная наибольшая включающая способность (Icm)

Номинальная наибольшая включающая способность аппарата- установленное изготовителем для конкретного аппарата значение наибольшей включающей способности при данных значениях номинального рабочего напряжения, номинальной частоты и указанном коэффициенте мощности для переменного тока или постоянной времени для постоянного тока. Она выражается как максимальный ожидаемый пиковый ток в заданных условиях.

4.3.6.3 Номинальная наибольшая отключающая способность (Icn)

Номинальная наибольшая отключающая способность аппарата - установленное изготовителем для этого аппарата значение наибольшей отключающей способности при данных значениях номинального рабочего напряжения, номинальной частоты и указанном коэффициенте мощности для переменного тока или постоянной времени для постоянного тока. Она выражается значением ожидаемого тока отключения (действующим значением периодической составляющей для переменного тока) в заданных условиях.

4.3.6.4 Номинальный условный ток короткого замыкания

Номинальный условный ток короткого замыкания аппарата - указанное изготовителем значение ожидаемого тока, который этот аппарат, оснащенный предусмотренным изготовителем устройством для защиты от коротких замыканий, может удовлетворительно выдерживать в течение времени срабатывания этого устройства в условиях испытания, оговоренных в стандарте на аппарат конкретного вида.

Детальное описание устройства для защиты от коротких замыканий должно быть представлено изготовителем.

Примечания

1 На переменном токе номинальный условный ток короткого замыкания выражается действующим значением периодической составляющей.

2 Устройство для защиты от коротких замыканий может составлять неотъемлемую часть конкретного аппарата либо быть автономным.

4.4 Категория применения

Категория применения аппарата определяет предполагаемую область его использования и должна указываться в стандарте на аппарат конкретного вида. Она характеризуется одним или несколькими из условий эксплуатации:

- ток (токи), кратный номинальному рабочему току;

- напряжение (напряжения), кратное номинальному рабочему напряжению;

- коэффициент мощности или постоянная времени;

- работоспособность в условиях короткого замыкания;

- селективность;

- прочие условия эксплуатации в меру применимости.

Примеры категорий применения низковольтной аппаратуры распределения и управления приведены в приложении А.

4.5 Цепи управления

4.5.1 Электрические или электронные цепи управления

К характеристикам электрических и электронных цепей управления относят:

- род тока;

- номинальную частоту или постоянный ток;

- номинальное напряжение в цепи управления Uc (переменного, постоянного тока);

- номинальное питающее напряжение цепи управления Us (переменного, постоянного тока), если применимо;

- вид устройств внешней цепи управления (контакты, датчики, оптопары, электронные активные элементы и т.д.);

- потребляемую мощность.

Примечания

1 В случае электрической цепи управления из упомянутых выше различают напряжение в цепи управления Uc, т. е. напряжение, появляющееся на контактах “а” (см. 2.3.12) в цепи управления и напряжение питания цепи управления Us, подаваемое на входные выводы цепи управления аппарата, которое может отличаться от напряжения Uc в цепи управления из-за наличия встроенных трансформаторов, выпрямителей, сопротивлений, электронных схем и т.д.

2 В случае электронной цепи различают напряжение в цепи управления Uc, т.е. напряжение, являющееся управляющим входным сигналом, и напряжение питания цепи управления Us, подаваемое на входные выводы цепи управления аппарата, которое может отличаться от напряжения Uc в цепи управления из-за наличия встроенных трансформаторов, выпрямителей, сопротивлений, электронных схем и т.д.

Рабочие характеристики и характеристики превышения температуры цепей управления устанавливаются по номинальному напряжению цепи управления и номинальной частоте (для переменного тока). Заданные условия работы обеспечиваются при питающем напряжении управления от 85 % до 110 % его номинального значения при максимальном значении тока в цепи управления.

Электронная часть электромагнита с электронным управлением может составлять его неотъемлемую часть либо являться отдельной частью при условии, что она представляет внутреннюю функцию аппарата. В обоих случаях аппарат должен испытываться вместе с электронной частью, смонтированной как для нормальной эксплуатации.

В приложении U даны примеры разных конфигураций цепей.

Номинальные параметры и характеристики аппаратов для цепей управления должны соответствовать требованиям IEC 60947-5-1 (см. примечание к разделу 1).

4.5.2 Питающие воздухопроводы (пневматические или электропневматические)

Питающие воздухопроводы характеризуются:

- номинальным давлением и его предельными значениями;

- расходом воздуха при атмосферном давлении для осуществления каждой операции замыкания и каждой операции размыкания.

Номинальным давлением питания пневматического или электропневматического воздухопровода служит давление воздуха, на котором основываются рабочие характеристики пневматической системы управления.

4.6 Вспомогательные цепи

Вспомогательные цепи характеризуются числом и родом контактов (контакт «а», контакт «b» и т.д.) в каждой из этих цепей и номинальными параметрами согласно IEC 60947-5-1 (см. примечание к разделу 1).

Характеристики вспомогательных контактов и выключателей должны отвечать требованиям IEC 60947-5-1.

4.7 Реле и расцепители

Если требуется, в стандарте на аппарат конкретного вида должны указываться следующие характеристики реле и расцепителей:

- тип реле или расцепителя;

- номинальные значения;

- уставка тока или диапазон уставок;

- время-токовые характеристики (см. 4.8);

- влияние температуры окружающего воздуха;

- расширенные функции по приложению Т.

4.8 Координация с устройствами для защиты от коротких замыканий (УЗКЗ)

Изготовитель должен указать тип или характеристики УЗКЗ, подлежащих использованию в сочетании с данными аппаратами или в составе данных аппаратов, в зависимости от конкретных условий, а также максимальный ожидаемый ток короткого замыкания, на который рассчитан конкретный аппарат, в том числе УЗКЗ, при одном или нескольких указанных значениях рабочего напряжения.

Примечание - Рекомендации по координации с УЗКЗ даны в IEC/TR 61912-1 [7].

4.9 Коммутационные перенапряжения

Изготовитель должен указать максимальное значение коммутационного перенапряжения, вызываемого срабатыванием коммутационного аппарата (если этого требует стандарт на аппарат конкретного вида).

Это значение не должно превышать значения номинального импульсного выдерживаемого напряжения (см. 4.3.1.3).

5 Информация об аппарате

5.1 Характер информации

В соответствии с требованиями стандарта на аппарат конкретного вида изготовитель должен предоставить следующую информацию:

- идентификация:

наименование изготовителя или торговая марка;

типовое обозначение или серийный номер;

обозначение стандартов, о соответствии которым заявляет изготовитель.

- характеристики:

номинальные рабочие напряжения (см. 4.3.1.1 и примечание к 5.2);

категория применения и номинальные рабочие токи (или номинальные мощности, или номинальные длительные токи) при номинальных рабочих напряжениях аппарата (см. 4.3.1.1, 4.3.2.3, 4.3.2.4 и 4.4). В некоторых случаях эта информация может дополняться значением контрольной температуры окружающего воздуха, при которой аппарат калиброван;

значение номинальной частоты (частот) (например 50 или 50/60 Гц) и/или обозначение “d.с.” или условное обозначение ;

номинальный режим (для повторно-кратковременного режима с указанием класса, см. 4.3.4);

номинальная включающая и/или отключающая способности. Если требуется, эти данные можно заменить указанием категории применения;

номинальное напряжение изоляции (см. 4.3.1.2);

номинальное импульсное выдерживаемое напряжение (см. 4.3.1.3);

характеристики реле или расцепителей (см. 4.7);

коммутационное перенапряжение (см. 4.9);

номинальный кратковременно допустимый ток с указанием его длительности, если требуется (см. 4.3.6.1);

номинальная наибольшая включающая и/или отключающая способности, при их наличии (см. 4.3.6.2 и 4.3.6.3);

номинальный условный ток короткого замыкания, если требуется (см. 4.3.6.4);

код IP для аппаратов в оболочках (см. приложение C); степень загрязнения (см. 6.1.3.2);

тип и максимальные значения параметров устройства для защиты от коротких замыканий при его наличии;

класс защиты от электрического удара (см. IEC 61140);

номинальное напряжение в цепи управления, род тока и частота;

номинальное питающее напряжение управления, род тока и частота, если они иные, чем у катушки управления;

номинальное давление воздуха на входе и пределы его колебаний (для аппаратов, управляемых давлением воздуха);

пригодность для разъединения;

длину снимаемой изоляции перед введением проводника в зажим;

максимальное число проводников, которые могут быть зажаты.

Для неуниверсальных безрезьбовых выводов обозначения:

- «s» или «sol» для выводов, предназначенных для жестких одножильных проводников;

- «r» для выводов, предназначенных для жестких (одножильных и скрученных) проводников;

- «f» для выводов, предназначенных для гибких проводников.

В случае электромагнитов с электронным управлением может также потребоваться другая информация, например, конфигурация цепи управления (см. 4.5 и приложение U).

Примечание - Данное перечисление не является исчерпывающим.

5.2 Маркировка

Информация, приведенная в 5.1, подлежащая маркировке на аппарате, должна быть указана в стандарте на аппарат конкретного вида.

Маркировка должна быть нестираемой и легко читаемой.

Наименование изготовителя или торговая марка, а также обозначение типа или серийный номер обязательно в маркируют на аппарате, предпочтительно на фирменной табличке (если имеется) для получения от изготовителя полной информации.

Примечание - В США и Канаде номинальное рабочее напряжение Ue допускается маркировать различными способами:

a) на аппарате, предназначенном для использования в трехфазных системах с четырьмя проводами, маркируют напряжение между фазой и землей и межфазное напряжение, например 277/480 В;

b) на аппарате, предназначенном для использования в трехфазных системах с тремя проводами, маркируют межфазное напряжение, например 480 В.

Маркировка должна быть видна также после установки аппарата. Вышесказанное относится и к следующей информации:

- направление движения органа управления (см. 7.1.5.2), если требуется;

- индикация положения органа управления (см. также 7.1.6.1 и 7.1.6.2);

- знак одобрения или сертификации (при его наличии);

-для миниатюризированных аппаратов условное обозначение, цветовой или буквенный код;

- идентификационное обозначение выводов (см 7.1.8.4);

- код IP и класс защиты от электрического удара, если требуется (по возможности маркируют на аппарате);

- пригодность для разъединения (если требуется) символом функции разъединения по IEC 60617-7, позиция 07-01-03, дополненным символом функции конкретного аппарата, например:

 - для автоматического выключателя, пригодного для разъединения;

 - для выключателя-разъединителя, пригодного для разъединения.

Символ должен иметь четкую маркировку и быть видимым после установки аппарата, смонтированного как для обычной эксплуатации с доступом к органу управления.

Данное требование относится к аппаратам в оболочке, так и без оболочки по 7.1.11.

Настоящее требование также действует, если символ функции разъединения введен в схему цепи и является единственной маркировкой, указывающей на пригодность для разъединения.

В случае электромагнитов с электронным управлением может также потребоваться информация, кроме приведенной в 5.1 (см. также 4.5 и приложение U).

Маркировка «s», «sol», «r» и «f» может быть нанесена на аппарат или если на аппарате не достаточно места, тогда на минимальную упаковочную единицу либо приведена в товаросопроводительной документации.

Если вместе расположены группа выводов, то достаточно одной маркировки на аппарате.

5.3 Инструкции по монтажу, эксплуатации и обслуживанию

Изготовитель в своих документах или каталогах должен указать предъявляемые к аппарату условия монтажа, эксплуатации и обслуживания в нормальных условиях эксплуатации и в аварийных условиях.

При необходимости изготовитель должен указать меры, предпринимаемые по ЭМС.

Для аппаратов, пригодных только для окружающей среды А, изготовитель в своей документации обязан предусмотреть следующую запись:

ПРЕДУПРЕЖДЕНИЕ

Данное изделие предназначено для применения в окружающей среде А. Применение данного изделия в условиях окружающей среды В может вызвать нежелательные электромагнитные помехи.

В этом случае потребителю может потребоваться принятие адекватных противодействующих мер.

При необходимости в инструкциях по транспортированию, монтажу и эксплуатации аппарата могут быть указаны основные требования, обеспечивающие его правильную установку, пуск, эксплуатацию и оперирование.

В вышеупомянутых инструкциях следует уточнить объем и частоту обслуживания (если требуется).

Примечание - Не все аппараты, на которые распространяется настоящий стандарт, спроектированы в расчете на обслуживание.

6 Нормальные условия эксплуатации, монтажа и транспортирования

6.1 Нормальные условия эксплуатации

Аппараты, соответствующие требованиям настоящего стандарта, должны быть работоспособны в нормальных (стандартных) условиях эксплуатации, приведенных в настоящем разделе.

Примечание - О нестандартных условиях эксплуатации см. в приложении B. Эксплуатация в нестандартных условиях может потребовать заключение соглашения между изготовителем и потребителем.

6.1.1 Температура окружающего воздуха

Температура, окружающего воздуха не должна превышать 40 °С, а ее среднее значение в течение 24 ч - 35 °С.

Нижний предел температуры окружающего воздуха - минус 5 °С.

Температуру окружающего воздуха определяют вблизи аппарата, если он поставляется без оболочки, или вблизи оболочки при поставке аппарата в оболочке.

Примечания

1 Аппараты для эксплуатации при температуре окружающего воздуха св. плюс 40 °С (например в кузнях, котельных, в тропических странах) или ниже минус 5 °С, например при минус 25 °С, в соответствии с IEC 60439-1 для устройств распределения и управления, монтируемых вне помещения, должны проектироваться специально для этих условий или (если это целесообразно) эксплуатироваться согласно стандарту на аппарат конкретного вида при соглашении между изготовителем и потребителем по отдельным вопросам. Заменой такого соглашения может служить информация изготовителя, приведенная в технической документации.

2 Стандартная контрольная температура воздуха для некоторых типов аппаратов, например автоматических выключателей или реле перегрузки для пускателей, указывается в стандарте на аппарат конкретного вида.

6.1.2 Высота над уровнем моря

Высота установки аппарата над уровнем моря не должна превышать 2000 м.

Примечание - Если аппарат будет эксплуатироваться на высоте более 2000 м, необходимо учитывать снижение электрической прочности изоляции и охлаждающее воздействие воздуха. Аппарат для эксплуатации в этих условиях должен иметь специальную конструкцию или использоваться по согласованию между изготовителем и потребителем.

6.1.3 Атмосферные условия

6.1.3.1 Влажность

Относительная влажность воздуха, в котором эксплуатируют аппарат, не должна превышать 50 % при максимальной температуре 40 °С. При более низких температурах допускается более высокая относительная влажность, например 90 % при 20 °С. В случае возможной конденсации влаги из-за колебаний температуры может потребоваться принятие специальных мер.

Примечание - Более точно состояние окружающей среды определяется степенью загрязнения по 6.1.3.2.

6.1.3.2 Степень загрязнения

Степень загрязнения (см. 2.5.58) относится к условиям окружающей среды, для которой предназначается конкретный аппарат.

Примечание - На изоляцию влияет микросреда расстояний утечки или воздушных зазоров, а не среда, в которой находится аппарат. Эта микросреда может быть лучше или хуже окружающей аппарат среды. Она включает в себя все факторы, влияющие на изоляцию: климатические и электромагнитные, загрязнение и т.п.

Для аппаратов, предназначенных для эксплуатации в оболочках или снабженных неотделимыми оболочками, действительна степень загрязнения среды в оболочке.

Для оценки воздушных зазоров и расстояний утечки установлены четыре степени загрязнения микросреды (соответствие воздушных зазоров и расстояний утечки степеням загрязнения представлено в таблицах 13 и 15).

Степень загрязнения 1:

отсутствие загрязнения или наличие только сухого, нетокопроводящего загрязнения.

Степень загрязнения 2:

нормальным является только нетокопроводящее загрязнение. Однако следует допустить возможность временной проводимости из-за конденсации влаги.

Степень загрязнения 3:

допустимо токопроводящее загрязнение или сухое, нетокопроводящее загрязнение, которое становится токопроводящим вследствие ожидаемой конденсации влаги.

Степень загрязнения 4:

загрязнение обусловливает устойчивую проводимость, вызванную, например токопроводящей пылью или дождем или снегом.

Стандартная степень загрязнения промышленной среды:

при отсутствии других указаний в стандарте на аппарат конкретного вида аппараты промышленного применения предназначаются для использования в среде со степенью загрязнения 3.

Однако в зависимости от конкретной области применения или микросреды допускаются также другие степени загрязнения.

Примечание - На степень загрязнения микросреды аппарата может влиять то, что он смонтирован в оболочке.

Степень загрязнения в бытовом и аналогичных секторах:

при отсутствии других указаний в стандарте на соответствующий аппарат, аппараты для бытового и аналогичных секторов, как правило, предназначаются для использования в среде со степенью загрязнения 2.

6.1.4 Толчки и вибрации

Стандартные характеристики толчков и вибраций, воздействию которых могут подвергаться аппараты, находятся в стадии рассмотрения.

6.2 Условия транспортирования и хранения

Если условия транспортирования и хранения отличаются от указанных в 6.1, необходимо специальное соглашение между потребителем и изготовителем, исключением является то, что при отсутствии других рекомендаций диапазон температур во время транспортирования и хранения аппаратов составляет от минус 25 °С до плюс 55 °С, а на короткие периоды не более 24 ч, не более плюс 70 °С.

Аппараты, подвергающиеся воздействию вышеуказанных предельных температур в нерабочем состоянии, не должны иметь повреждений, препятствующих их дальнейшей работе в предназначенных условиях эксплуатации.

6.3 Монтаж

Монтаж аппаратов должен производиться в соответствии с инструкциями изготовителя.

7 Требования к конструкции и работоспособности

7.1 Требования к конструкции

7.1.1 Общие положения

Конструкция аппарата с неотделимой или демонтируемой оболочкой (при ее наличии) должна выдерживать нагрузки, происходящие при монтаже и нормальной эксплуатации, и кроме того, обеспечивать необходимую степень стойкости к аномальному нагреву и огню.

Требования к испытанию раскаленной проволокой для материалов демонтируемых оболочек содержатся в стандартах конкретного вида, например IEC 62208.

Примечание - Общепризнанна необходимость в снижении воздействия естественной окружающей среды на изделие во всех фазах его жизненного цикла. Аспекты влияния окружающей среды на изделия, отвечающие требованиям серии 60947, определены в приложении O настоящего стандарта.

7.1.2 Материалы

7.1.2.1 Общие требования к материалам

Части из изоляционного материала, которые могут подвергаться тепловым нагрузкам вследствие электромагнитных процессов внутри аппарата, не должны подвергаться неблагоприятному воздействию аномального нагрева и огню.

Изготовитель должен указать применяемый метод испытания по 7.1.2.2 либо 7.1.2.3.

7.1.2.2 Испытание раскаленной проволокой

Пригодность применяемых в конструкции материалов проверяют испытаниями:

a) аппарата или;

b) фрагментов аппарата или;

c) образцов идентичного материала, имеющих типовую толщину или методом;

d) предоставлением данных от поставщика о соответствии изоляционного материала требованиям IEC 60695-2-12.

Пригодность материала определяют с точки зрения стойкости к аномальному нагреву и огню.

Изготовитель должен указать вид проводимых испытаний a), b) или c) или метод d).

Если применяемый материал имеет поперечное сечение, подобное уже выдержавшему одно из испытаний на соответствие требованиям 8.2.1, то эти испытания не повторяют.

Аппарат подвергают испытанию раскаленной проволокой для конечного продукта по IEC 60695-2-10 и IEC 60695-2-11.

Части аппарата из изоляционного материала, удерживающие токоведущие части, должны выдержать испытания раскаленной проволокой по 8.2.1.1.1 при испытательной температуре 850 °С или 960 °С в зависимости от предполагаемого воздействия огня. Стандарты на аппараты конкретных видов должны определять соответствующее значение испытательной температуры, учитывая IEC 60695-2-11, приложение А.

Части из изоляционного материала, кроме названных выше, должны соответствовать требованиям испытания по 8.2.1.1.1 при температуре 650 °С.

Примечание - Для небольших деталей по IEC 60695-2-11 в стандарте на аппарат конкретного вида допустимо указывать другое испытание (например испытание игольчатым пламенем согласно IEC 60695-2-2). Эту же методику можно использовать по другим причинам, например, если металлическая часть велика по сравнению с частью из изоляционного материала (например, в клеммных колодках).

7.1.2.3 Испытание по категории воспламеняемости

Испытание материалов следует проводить в соответствии с их классификацией по воспламеняемости раскаленной проволокой и, если возможно, горением дуги, как указано в 8.2.1.1.2.

Испытания на материалах проводят согласно приложению M. Соответствия испытательных значений при испытаниях раскаленной проволокой (ИРП) и горением электрической дуги (ЭД) категориям воспламенения твердых материалов - по приложению M, таблица M.1 или M.2.

Альтернативно изготовитель может привести данные от поставщика изоляционного материала, отвечающие требованиям приложения M.

7.1.3 Токопроводящие части и их соединения

Токопроводящие части должны характеризоваться необходимой механической прочностью и токопроводящей способностью, соответствующей их предполагаемому назначению.

В электрических соединениях контактное давление не должно передаваться через изоляционный материал, кроме керамики или другого материала с аналогичными характеристиками, если металлические части не обладают достаточной упругостью для компенсации любой возможной усадки или пластичности изоляционного материала.

Соответствие проверяют осмотром и проведением испытания согласно стандарту на аппарат конкретного вида.

Примечание - В США применение зажимов, в которых давление передается через изоляционные материалы, за исключением керамики, допускается только в случаях если:

1 зажим является частью клеммной колодки;

2 испытание на превышение температуры показывает, что пределы температур изоляционных материалов и выводов в соответствии с требованиями стандарта на аппарат не превышены;

3 упругий металл, применяемый в конструкции зажима, компенсирует снижение контактного давления вследствие усадки или деформации изоляционного материала.

7.1.4 Воздушные зазоры и расстояния утечки

Для аппаратов, испытанных по 8.3.3.4, действительны минимальные значения по таблицам 13 и 15.

Требования к электроизоляционным свойствам - в соответствии с 7.2.3.

Для всех прочих случаев минимальные значения параметров приведены в стандарте на аппарат конкретного вида.

7.1.5 Орган управления

7.1.5.1 Изоляция

Орган управления аппаратом следует изолировать от частей, находящихся под напряжением, с учетом номинального напряжения изоляции и, если требуется, номинального импульсного выдерживаемого напряжения.

Кроме того, если орган управления выполнен из металла, он должен быть пригоден для надежного присоединения к защитному проводнику (если не снабжен дополнительной надежной изоляцией), а если он из изоляционного материала или покрыт таким материалом, то любая внутренняя металлическая часть, которая может оказаться доступной в случае повреждения изоляции, также должна быть изолирована от находящихся под напряжением частей с учетом номинального напряжения изоляции.

7.1.5.2 Направление движения

Направление движения органа управления должно соответствовать требованиям IEC 60447. Если устройства не соответствуют этим требованиям, например устройства специального назначения или при наличии различных монтажных положений, они должны иметь четкую маркировку, исключающую ошибочную идентификацию положений «I» и «O» и направления движения органа управления.

7.1.6 Указание положения контактов

7.1.6.1 Средства индикации

Если аппарат снабжен средствами индикации замкнутого и разомкнутого положения, они должны быть выполнены так, чтобы при считывании показаний они были четкими и ясными. Для этой цели используют указатель положения (см. 2.3.18).

Примечание - На аппарате закрытого исполнения индикация не обязательно должна быть видна снаружи оболочки.

В стандарте на аппарат конкретного вида может уточняться, следует ли оснащать его таким указателем.

В случае если используются условные обозначения, замкнутое и разомкнутое положения указывают соответственно символами согласно IEC 60417-2:

«I» - включенное положение (5007 IEC 60417-2)

«O» - отключенное положение (5008 IEC 60417-2)

У аппаратов с кнопочным управлением только нажимная кнопка, предназначенная для размыкания, должна быть красной или маркирована символом “О”.

Красный цвет не может использоваться для другой кнопки.

Цвет других нажимных кнопок, подсветка и сигнальные лампочки должны соответствовать IEC 60073.

7.1.6.2 Индикация с помощью органа управления

Если для указания положения контактов используется орган управления, он должен автоматически доводиться до упора, а по освобождении оставаться неподвижным в положении, соответствующем положению подвижных контактов; в этом случае у органа управления должны быть два четко различающихся положения покоя, как у подвижных контактов, но для автоматического размыкания может предусматриваться третье, четко отличающееся положение органа управления.

7.1.7 Дополнительные требования к аппаратам, пригодным для разъединения

7.1.7.1 Дополнительные требования к конструкции

Примечание - В США аппараты, соответствующие дополнительным требованиям, не считают обеспечивающими сами по себе функцию разъединения. Требования к разъединению и методика содержатся в соответствующих национальных нормах и стандартах на обслуживание.

Аппарат, пригодный для разъединения, должен обеспечивать в разомкнутом положении (см. 2.4.21) изолирующий промежуток в соответствии с требованиями к выполнению функции разъединения (см. 7.2.3.1 и 7.2.7). Указание положения главных контактов должно обеспечиваться одним из следующих средств индикации:

- положением органа управления;

- специальным механическим индикатором;

- возможностью визуального осмотра главных подвижных контактов.

Эффективность каждого из средств индикации, предусмотренных на аппарате, и их механическую прочность проверяют по 8.2.5.

Если изготовителем предусмотрено или указано устройство блокировки аппарата в разомкнутом положении, блокировка в этом положении должна быть возможна, только если главные контакты находятся в разомкнутом положении.

Проверяют по 8.2.5.

Конструкция аппарата должна быть такой, чтобы установленные на аппарате орган управления, фронтальная панель или крышка обеспечивали правильное указание положения контактов и блокировки (если предусмотрена).

Примечания

1 Для специальных назначений аппарата допускается блокировка в замкнутом положении.

2 Если для блокировки используются вспомогательные контакты, изготовитель должен указать время срабатывания вспомогательных и главных контактов. Более специфичные требования могут содержаться в стандарте на аппарат конкретного вида.

Указанное разомкнутое положение является единственным положением, в котором обеспечивается требуемый изолирующий промежуток между контактами.

У аппаратов, снабженных положением расцепления или резервным положением, которые не являются указанным разомкнутым положением, эти положения должны четко различаться. Маркировка этих положений не должна содержать символов «I» или «О».

Орган управления, имеющий только одно положение покоя, не пригоден для указания положения главных контактов.

7.1.7.2 Дополнительные требования к аппаратам, снабженным средствами электрической блокировки с контакторами или автоматическими выключателями

Если аппарат, пригодный для разъединения, снабжен блок-контактом для электрической блокировки с контактором или автоматическим выключателем и предназначен для применения в цепях двигателей, кроме категории применения АС-23, к нему применимы следующие требования.

Номинальные параметры блок-контакта, указанные изготовителем, должны соответствовать IEC 60947-5-1.

Временной интервал между размыканием блок-контакта и контактов главных полюсов должен быть достаточным, чтобы сблокированный с ним контактор или автоматический выключатель отключил ток до размыкания контактов главных полюсов аппарата.

При отсутствии иных указаний изготовителя временной интервал должен быть не менее 20 мс, если аппарат оперируется согласно указаниям изготовителя.

Соответствие следует проверять измерением временного интервала между моментом размыкания блок-контакта и моментом размыкания контактов главных полюсов в обесточенном состоянии, если аппарат оперируется согласно инструкциям изготовителя.

Во время операции замыкания блок-контакт должен замыкаться после или одновременно с контактами главных полюсов.

Удобный интервал времени размыкания может обеспечиваться также средним положением (между положениями «вкл» и «откл»), при котором контакт(ы) электрической блокировки находится(ятся) в разомкнутом положении, а контакты главных полюсов остаются замкнутыми.

7.1.7.3 Дополнительные требования к аппаратам, снабженным устройствами для блокировки навесными замками в разомкнутом положении

Конструкция устройств блокировки должна быть такой, чтобы их невозможно было снять с установленными навесными замками. Если аппарат блокирован даже одним навесным замком, то не должно быть возможно, оперируя органом управления, снизить воздушный зазор между разомкнутыми контактами до пределов несоответствия требованиям 7.2.3.1, перечисление b).

Конструкцией могут быть предусмотрены устройства блокировки навесными замками, препятствующие доступу к органу управления.

Соответствие требованиям к замыканию органа управления следует проверять с использованием навесного замка, указанного изготовителем, или эквивалентного запора, обеспечивающего самые неблагоприятные условия для имитации блокировки. Усилие F, указанное в 8.2.5.2.1, следует приложить к органу управления в попытке перевести аппарат из разомкнутого положения в замкнутое. Во время прикладывания усилия F на разомкнутые контакты аппарата должно подаваться испытательное напряжение. Аппарат должен быть способен выдержать испытательное напряжение согласно таблице 14, соответствующее номинальному импульсному выдерживаемому напряжению.

7.1.8 Выводы

7.1.8.1 Требования к конструкции

Части выводов, поддерживающие контакт и проводящие ток, должны изготавливаться из металла достаточной механической прочности.

Соединения выводов должны обеспечивать возможность присоединения проводников с помощью винтовых, безвинтовых или других эквивалентных приспособлений, создающих необходимое контактное давление.

Конструкция выводов должна допускать зажим проводников между предусмотренными для этого поверхностями без нанесения значительного повреждения проводникам или выводам.

Выводы не должны допускать смещения проводников или сами смещаться так, чтобы нарушалась работа аппарата, а напряжение изоляции не должно снижаться ниже номинальных значений.

Согласно назначению проводники могут подсоединяться к выводам с помощью кабельных наконечников, предназначенных исключительно для медных проводников.

Примечание 1 - Примеры габаритных размеров кабельных наконечников для прямого подсоединения к штифтовым выводам приведены в приложении P.

Безвинтовые зажимы, если иное не установлено изготовителем, должны зажимать жесткие и гибкие проводники, указанные в таблице 1.

Присоединение и отсоединение проводников в безвинтовых зажимах должно осуществляться следующим образом:

- в универсальных зажимах с помощью инструмента общего назначения или специального приспособления, выполненного за одно целое с зажимом для его открывания и ввода или вывода проводников;

- в самозажимных зажимах простым введением проводников. При этом для отсоединения проводников потребуется иная операция, чем выдергивание проводника. Применение инструмента общего назначения или специального приспособления, выполненного за одно целое с зажимом, позволит его открыть и способствовать вводу или выводу проводника.

Примеры выводов приведены в приложении D.

Соблюдение требований данного подпункта следует проверять испытаниями по 8.2.4.2 - 8.2.4.4, по применению.

Примечание 2 - В странах Северной Америки (США, Канада) предъявляются особые требования к выводам, пригодным для алюминиевых проводников, и наносится маркировка с указанием возможности использования алюминиевых проводников.

7.1.8.2 Способность к присоединению

Изготовитель должен указать тип (жесткие - одножильные, многожильные - или гибкие), минимальное и максимальное поперечные сечения проводников, для которых пригоден данный вывод, и, если требуется, число проводников, одновременно подсоединяемых к выводу.

Максимальное поперечное сечение должно быть не менее указанного в 8.3.3.3 для испытания на превышение температуры, и вывод должен быть пригоден для проводников того же типа (жестких- одножильных, многожильных - или гибких) как минимум на два размера меньше, чем в соответствующей графе таблицы 1.

Примечания

1 Стандарты на аппараты конкретных видов могут допускать применение проводников с поперечным сечением менее минимального.

2 Из-за падения напряжения и по другим соображениям в стандарты на аппараты конкретных видов допускается включать требования о пригодности выводов для проводников большего поперечного сечения, чем установлено для испытания на превышение температуры. Взаимосвязь между поперечными сечениями проводников и номинальными токами может быть указана в стандартах на аппараты конкретных видов.

Стандартные значения поперечного сечения круглых медных проводников (в системах метрической ISO и AWG/kcmil) сведены в таблицу 1, отражающую также приблизительное соотношение между системами мер.

7.1.8.3 Присоединение

Выводы аппарата для присоединения внешних проводников должны быть легко доступны во время монтажа.

Зажимные винты и гайки не должны служить для закрепления каких-либо других деталей, хотя могут удерживать выводы на месте или предотвращать их проворачивание.

7.1.8.4 Идентификация и маркировка выводов

Выводы аппарата следует четко и однозначно идентифицировать согласно IEC 60445 и приложению L настоящего стандарта, если нет иных указаний в стандарте на аппарат конкретного вида.

Выводы, предназначенные исключительно для нулевого рабочего проводника, должны обозначаться буквой N в соответствии с IEC 60445.

Защитный вывод заземления должен идентифицироваться по 7.1.10.3.

7.1.9 Дополнительные требования к аппаратам с нейтральным полюсом

Если один из полюсов аппарата предназначен исключительно для присоединения нейтрали, его следует четко обозначить буквой N (см. 7.1.8.4).

Коммутируемый нейтральный полюс должен отключать ток не раньше и включать не позже других полюсов.

Если полюс, обладающий соответствующей наибольшей отключающей и включающей способностью (см. 2.5.14 и 2.5.15), используют в качестве нейтрального полюса, тогда все полюса, в том числе нейтральный полюс, могут срабатывать практически одновременно.

Примечание - Нейтральный полюс может быть оснащен максимальным расцепителем тока.

Для аппаратов с условным тепловым током (в оболочке или без оболочки, см. 4.3.2.1 и 4.3.2.2) не выше 63 А значение тока должно быть одинаковым для всех полюсов.

При более высоких значениях условного теплового тока условный тепловой ток нейтрального полюса может отличаться от условного теплового тока других полюсов, но составлять не менее 50 % условного теплового тока или 63 А, выбирают большее значение.

7.1.10 Меры по защитному заземлению

7.1.10.1 Требования к конструкции

Открытые токопроводящие части (например, рама, корпус и стационарные части металлических оболочек), за исключением, не представляющих опасности, должны быть электрически связаны между собой и присоединены к защитному выводу заземления для подключения к заземляющему электроду или внешнему защитному проводнику.

Данному требованию соответствуют стандартные конструкционные элементы, обеспечивающие достаточную электрическую непрерывность, это требование действует независимо от того, используется ли аппарат автономно или встраивается в систему.

Примечание - При необходимости требования и испытания могут уточняться в стандарте на аппарат конкретного вида.

Открытые токопроводящие части считают не представляющими опасности, если к ним невозможно прикоснуться на большой поверхности или схватить рукой, либо если их размеры невелики (приблизительно 50×50 мм) или расположены так, что исключается любой их контакт с частями, находящимися под напряжением.

Примерами открытых токопроводящих частей служат винты, заклепки, фирменные таблички, сердечники трансформаторов, электромагниты коммутационных аппаратов и некоторые части расцепителей, независимо от их размеров.

7.1.10.2 Защитный вывод заземления

Защитный вывод заземления должен быть легко доступным и находиться в таком месте, чтобы при удалении крышки или любой другой съемной части сохранялось соединение аппарата с электродом заземления или защитным проводником.

Защитный вывод заземления должен быть эффективно защищен от коррозии.

Для аппаратов с токопроводящими конструкциями, оболочками и т.п. следует (если требуется) принять меры для обеспечения электрической непрерывности между открытыми токопроводящими частями аппарата и металлическими оболочками соединительных проводников.

Защитный вывод заземления не должен выполнять других функций, если только он не предназначается для присоединения к проводнику PEN (см. 2.1.15, примечание).

В этом случае защитный вывод заземления должен не только соответствовать требованиям, предъявляемым к защитному выводу заземления, но и выполнять функцию вывода нейтрали.

7.1.10.3 Маркировка и идентификация защитного вывода заземления

Защитный вывод заземления должен на протяжении всего срока службы сохранять четкую маркировку.

Идентификация маркировки обеспечивается цветом (желто-зеленым) или обозначением РЕ или PEN (что применимо) по IEC 60445, подпункт 5.3 или графическим символом, наносимым на аппарат.

Использованию подлежит графический символ 5019  защитного заземления по IEC 60417-2.

Примечание - Рекомендованный ранее символ 5017  по IEC 60417-2 должен постепенно замениться указанным выше предпочтительным символом 5019 по IEC 60417-2.

7.1.11 Оболочки аппаратов

Следующие требования относятся только к оболочкам, поставляемым или предназначенным для использования совместно с аппаратом.

7.1.11.1 Конструкция

Оболочка аппарата должна быть сконструирована так, чтобы при ее открывании и удалении других защитных приспособлений (если они предусмотрены) части, к которым требуется доступ для монтажа и обслуживания по инструкциям изготовителя, были легкодоступны.

Внутри оболочки должно быть достаточно места для прокладки внешних проводников от их входа в оболочку до выводов, обеспечивающих нужное присоединение.

Неподвижные части металлической оболочки должны быть электрически присоединены к другим открытым токопроводящим частям аппарата и подключены к выводу, обеспечивающему их заземление, или защитному проводнику.

Съемная металлическая часть оболочки аппарата ни в коем случае не должна быть изолирована от части, снабженной выводом заземления, когда съемная часть находится на своем месте.

Съемные части оболочки аппарата должны быть прочно скреплены с неподвижными частями таким приспособлением, чтобы не могли случайно отсоединиться или разболтаться в результате срабатывания аппарата или под воздействием вибрации.

Если оболочка сконструирована так, что крышки можно открыть без помощи инструментов, необходимо принять меры во избежание потери крепежных деталей.

Неотделимая оболочка рассматривается как несъемная часть аппарата.

Если на оболочке монтируются нажимные кнопки, удалить их извне должно быть возможно лишь с помощью специального инструмента.

7.1.11.2 Изоляция

Если во избежание случайного контакта между металлической оболочкой и частями аппарата, находящимися под напряжением, оболочка частично или полностью застилается изнутри изоляционным материалом, этот материал должен быть надежно прикреплен к оболочке.

7.1.12 Степени защиты аппаратов в оболочках

Степени защиты аппаратов в оболочках и соответствующие испытания указаны в приложении C.

7.1.13 Вытягивание, кручение, изгиб стальных труб для проводников

Оболочки аппаратов из полимерных материалов, неотделимые или демонтируемые и снабженные резьбовыми вводами, предназначенными для присоединения жестких стальных труб с резьбой по концам для сверхтяжелого режима применения согласно IEC 60981, должны выдерживать нагрузки при монтаже, а именно: вытягивание, кручение, изгиб.

Соответствие проверяют испытанием по 8.2.7.

7.2 Требования к работоспособности

При отсутствии в стандарте на аппарат конкретного вида других указаний последующие требования относятся новому аппарату в чистом состоянии.

7.2.1 Рабочие условия

7.2.1.1 Общие положения

Оперирование аппаратом должно осуществляться согласно инструкциям изготовителя или стандарту на аппарат конкретного вида, особенно при ручном управлении с приводом зависимого действия, в том случае, когда включающая и отключающая способность может зависеть от квалификации оператора.

7.2.1.2 Пределы срабатывания аппарата с двигательным приводом

При отсутствии в стандарте на аппарат конкретного вида других указаний электромагнитный и электропневматический аппараты должны замыкаться при любом питающем напряжении управления от 85 % до 110 % его номинального значения Us и температуре окружающего воздуха от минус 5 °С до плюс 40 °С.

Эти пределы действительны как для постоянного, так и для переменного тока, по обстоятельствам.

Для пневматических и электропневматических аппаратов при отсутствии других указаний пределы давления воздуха на входе составляют 85 % и 110 % номинального давления.

Если указывается диапазон рабочих значений, 85 % должно относиться к нижнему пределу диапазона, 110 % - к верхнему.

Примечание - Для аппаратов с защелкой пределы срабатывания подлежат согласованию между изготовителем и потребителем.

Для электромагнитных и электропневматических аппаратов напряжение отпадания должно быть не выше 75 % номинального питающего напряжения управления Us, и не ниже 20 % Us на переменном токе при номинальной частоте или 10 % Us - на постоянном токе.

Пределы отпадания и полного размыкания аппарата с электронно управляемым электромагнитом составляют:

- для постоянного тока от 75 до 10 % номинального напряжения питания Us его цепи управления;

- для переменного тока от 75 до 20 % номинального напряжения питания Us его цепи управления или от 75 до 10 % номинального напряжения питания Us его цепи управления, если так установлено изготовителем

Пневматические и электропневматические аппараты при отсутствии других указаний должны размыкаться при давлении от 75 % до 10 % номинального давления.

Если указывается диапазон рабочих значений, верхнему его пределу может соответствовать значение 20 % или 10 %, по обстоятельствам, нижнему - 75 %.

Для катушки предельное значение отпадания действительно, если сопротивление цепи катушки равно достигнутому при минус 5 °С, что можно проверить с помощью расчетов, основанных на значениях, определенных при нормальной температуре окружающего воздуха.

В отдельных назначениях должно быть указано время отпадания. В этом случае его измеряют при испытании по данному подпункту.

7.2.1.3 Пределы срабатывания минимальных реле и расцепителей напряжения

a) Рабочее напряжение

Минимальное реле или минимальный расцепитель напряжения в комбинации с коммутационным аппаратом должны срабатывать на размыкание аппарата даже на медленно падающем напряжении от 70 % до 35 % его номинального напряжения.

Примечание - Особый вариант минимального расцепителя напряжения представляет собой расцепитель нулевого напряжения с рабочим напряжением от 35 % до 10 % номинального питающего напряжения.

Минимальное реле или минимальный расцепитель напряжения должны предотвращать замыкание аппарата при питающем напряжении ниже 35 % номинального напряжения реле или расцепителя и допускать замыкание аппарата при питающем напряжении не ниже 85 % номинального. При отсутствии других указаний в стандарте на аппарат конкретного вида верхний предел питающего напряжения должен составлять 110 % номинального значения.

Вышеприведенные значения действительны для постоянного тока и переменного тока при номинальной частоте.

b) Рабочее время

Для минимального реле или расцепителя напряжения с выдержкой времени выдержку времени следует измерять с момента достижения напряжением рабочего значения до момента воздействия реле или расцепителя на расцепляющее устройство аппарата.

7.2.1.4 Пределы срабатывания независимых расцепителей

Независимый размыкающий расцепитель должен вызывать расцепление в любых рабочих условиях, если питающее напряжение независимого расцепителя, измеренное во время расцепления, остается в пределах от 70 % до 110 % номинального питающего напряжения управления и при номинальной частоте, если ток переменный.

7.2.1.5 Пределы срабатывания реле и расцепителей, оперируемых током

Пределы срабатывания реле и расцепителей, оперируемых током, должны указываться в стандарте на аппарат конкретного вида.

Примечание - Термин «реле и расцепители, оперируемые током» относится к максимальным реле или расцепителям тока, реле или расцепителям перегрузки, реле или расцепителям обратного тока и т.п.

7.2.2 Превышение температуры

Превышение температуры частей аппарата, которое определяют в ходе испытания по 8.3.3.3, не должно превышать значений, содержащихся в 8.3.3.3.

Примечания

1 Превышение температуры в нормальных условиях эксплуатации может отличаться от испытательных значений в зависимости от условий монтажа и размеров присоединенных проводников.

2 Пределы превышения температуры, указанные в таблицах 2 и 3, относятся к новым аппаратам. В стандартах на аппараты конкретного вида могут быть указаны другие значения в зависимости от условий испытания, а также для малогабаритных аппаратов, но эти значения не должны превышать приведенных в вышеуказанных таблицах значений более чем на 10 К.

7.2.2.1 Выводы

Превышение температуры выводов аппаратов не должно выходить за пределы, указанные в таблице 2.

7.2.2.2 Доступные части

Превышение температуры доступных частей аппаратов не должно выходить за пределы значений, указанных в таблице 3.

Примечание - Пределы превышения температуры других частей аппаратов приведены в 7.2.2.8.

7.2.2.3 Температура окружающего воздуха

Пределы превышения температуры аппаратов приведены в таблицах 2 и 3 для температуры окружающего воздуха, указанной в 6.1.1.

7.2.2.4 Главная цепь

Главная цепь аппарата должна быть способна проводить условный тепловой ток аппарата так, чтобы превышение температуры не выходило за пределы, указанные в таблицах 2 и 3, при испытаниях согласно 8.3.3.3.4.

7.2.2.5 Цепи управления

Цепи управления аппарата, в т.ч. аппараты для цепей управления, предназначенные для замыкания и размыкания аппарата, должны обеспечивать работу в нормальных режимах по 4.3.4. При этом превышения температуры, определенные при испытании по 8.3.3.3.5, не должны превышать значений, указанных в таблицах 2 и 3.

7.2.2.6 Обмотки катушек и электромагнитов

При прохождении тока по главной цепи обмотки катушек и электромагнитов должны выдерживать их номинальное напряжение так, чтобы превышение температуры не выходило за пределы, установленные в 7.2.2.8 при испытаниях по 8.3.3.3.6.

Примечание - Данный подпункт не распространяется на катушки, оперируемые импульсным током, рабочие условия для которых определяются изготовителем.

7.2.2.7 Вспомогательные цепи

Вспомогательные цепи аппарата, в том числе блок-контакты, должны быть способны проводить условный тепловой ток, так чтобы превышение температуры вспомогательных цепей не выходило за пределы, установленные в таблицах 2 и 3, при испытаниях по 8.3.3.3.7.

Примечание - Если вспомогательная цепь составляет неотъемлемую часть аппарата, достаточно подвергнуть ее испытаниям одновременно с основным аппаратом, но на фактическом эксплуатационном токе.

7.2.2.8 Прочие части

Превышения температуры во время испытания не должны вызывать повреждений токопроводящих или соседних частей аппарата. В частности, для изоляционных материалов изготовитель соответствие данному требованию должен доказать, сославшись на показатель температуры изоляции (определенный, например методами по IEC 60216), или на соответствие IEC 60085.

7.2.3 Электроизоляционные свойства

Требования к электроизоляционным свойствам основаны на принципах электробезопасности по IEC 60664-1 и IEC 61140.

Для уменьшения воздушных зазоров и расстояний утечки в результате применения покрытий см. IEC 60664-3 и для воздушных зазоров и расстояний утечки, равных или менее 2 мм, см. IEC 60664-5.

a) Нижеприведенные требования представляют механизм достижения координации изоляции аппарата с условиями внутри установки.

b) Аппарат должен выдерживать испытания на:

- номинальное импульсное выдерживаемое напряжение (см. 4.3.1.3) в соответствии с категориями перенапряжения, приведенными в приложении H;

- импульсное выдерживаемое напряжение на разомкнутых контактах аппаратов, пригодных для разъединения, в соответствии с таблицей 14;

- выдерживаемое напряжение промышленной частоты.

Примечание - Соотношение между номинальным напряжением системы питания и номинальным импульсным выдерживаемым напряжением аппарата приведено в приложении H.

Номинальное импульсное выдерживаемое напряжение для данного номинального рабочего напряжения (см. примечания 1 и 2 к 4.3.1.1) не должно быть меньше того, что в приложении H соответствует номинальному напряжению системы питания цепи в точке, где должен использоваться аппарат, и категории перенапряжения.

c) Требования данного пункта следует проверить испытаниями по 8.3.3.4.

7.2.3.1 Импульсное выдерживаемое напряжение:

1) главной цепи:

a) Зазоры между частями, находящимися под напряжением, и частями, предназначенными для заземления, а также между полюсами должны выдерживать испытательное напряжение, указанное в таблице 12, соответственно номинальному импульсному выдерживаемому напряжению.

b) Зазоры между разомкнутыми контактами должны выдерживать:

- импульсное напряжение, установленное (если требуется) в стандарте на аппарат конкретного вида;

- в аппарате, характеризуемом как пригодный для разъединения, испытательное напряжение, указанное в таблице 14 соответственно номинальному импульсному выдерживаемому напряжению.

Примечание - Твердую изоляцию аппаратов с воздушными зазорами следует подвергнуть испытанию импульсным напряжением согласно перечислениям a) и/или b), что применимо.

2) вспомогательных цепей и цепей управления:

a) Вспомогательные цепи и цепи управления, оперируемые приводом от главной цепи при номинальном рабочем напряжении, должны соответствовать требованиям пункта 7.2.3.1, перечисление 1) а) [см. также примечание к 7.2.3.1, перечисление 1)].

b) Вспомогательные цепи и цепи управления, не оперируемые приводом от главной цепи, могут выдерживать перенапряжения, отличные от перенапряжений главной цепи. Воздушные зазоры и твердая изоляция таких цепей переменного или постоянного тока должны выдерживать напряжение согласно приложению H.

7.2.3.2 Выдерживаемое напряжение промышленной частоты главной цепи, вспомогательных цепей и цепей управления

a) Испытание напряжением промышленной частоты проводят при:

- испытаниях на электрическую прочность изоляции в качестве типовых для проверки твердой изоляции;

- проверке электрической прочности изоляции в качестве критерия отбраковки после типовых коммутационных испытаний или испытаний на короткое замыкание;

- контрольных испытаниях.

b) Типовые испытания электроизоляционных свойств

Испытания электроизоляционных свойств в качестве типовых испытаний следует проводить в соответствии с 8.3.3.4.

Для аппарата, пригодного для разъединения, максимальный ток утечки должен соответствовать 7.2.7, испытания следует проводить в соответствии с 8.3.3.4.

c) Проверка электрической прочности изоляции после коммутационных испытаний или испытаний на короткое замыкание

Проверку электрической прочности изоляции после коммутационных испытаний или испытаний на короткое замыкание в качестве критерия для отбраковки всегда проводят при напряжении промышленной частоты согласно 8.3.3.4.1, перечисление 4).

Для аппарата, пригодного для разъединения, максимальный ток утечки должен соответствовать 7.2.7, испытания проводят в соответствии с 8.3.3.4, ток утечки не должен превышать значений, указанных в стандарте на аппарат конкретного вида.

d) Свободное.

e) Проверка электрической прочности изоляции во время контрольных испытаний

Испытания на обнаружение дефектов в материалах и при изготовлении изделий проводят при напряжении промышленной частоты согласно 8.3.3.4.2, перечисление 2).

7.2.3.3 Воздушные зазоры

Размеры воздушных зазоров должны быть достаточными для того, чтобы аппарат мог противостоять номинальному импульсному выдерживаемому напряжению согласно 7.2.3.1.

Размеры воздушных зазоров должны быть больше указанных в таблице 13, случай B (для однородного поля см. 2.5.62) и проверяться посредством выборочного испытания по 8.3.3.4.3. Данное испытание не требуется, если воздушные зазоры, соотнесенные с номинальным импульсным выдерживаемым напряжением и степенью загрязнения, больше указанных в таблице 13 (случай A для неоднородного поля).

Способ измерения воздушных зазоров приведен в приложении G.

7.2.3.4 Расстояния утечки

a) Расчет размеров

При степенях загрязнения 1 и 2 расстояния утечки должны быть не менее соответствующих воздушных зазоров, выбранных по 7.2.3.3. При степенях загрязнения 3 и 4 расстояния утечки должны быть не менее воздушных зазоров в случае A (см. таблицу 13), для того чтобы снизить риск пробивных разрядов вследствие перенапряжений, даже если эти воздушные зазоры меньше допускаемых для случая A в соответствии с 7.2.3.3.

Способ измерения расстояний утечки приведен в приложении G.

Расстояния утечки должны соответствовать степени загрязнения согласно 6.1.3.2 (или стандарту на аппарат конкретного вида) и группе материалов при номинальном напряжении изоляции (или эксплуатационном напряжении), указанном в таблице 15.

Группы материалов определяют по диапазону значений показателя относительной стойкости против токов утечки (СИТ) (см. 2.5.65):

- группа I - 600 ≤ СИТ;

- группа II - 400 ≤ СИТ < 600;

- группа IIIa - 175 ≤ СИТ < 400

- группа IIIb - 100 ≤ СИТ < 175

Примечания

1 Приведенные выше значения СИТ получены по IEC 60112, метод A, для применяемого изоляционного материала.

2 Для неорганических изоляционных материалов (стекло или керамика), на которых токи утечки не оставляют следов, расстояния утечки не должны быть более соответствующих воздушных зазоров. Однако следует учитывать опасность пробивных разрядов.

b) Использование ребер

Расстояние утечки можно уменьшить до 0,8 соответствующего значения по таблице 15, используя ребра высотой не менее 2 мм, независимо от числа ребер.

Минимальное основание ребра определяется его механическими параметрами (см. приложение G, раздел G2).

c) Специальные области применения

В аппаратах для некоторых областей применения, для которых следует учитывать серьезные последствия повреждения изоляции, следует использовать один или несколько влияющих факторов в соответствии с таблицей 15 (расстояния утечки, изоляционные материалы, загрязнения микросреды), так чтобы достичь более высокого напряжения изоляции, чем номинальное напряжение изоляции аппарата, указанное в таблице 15.

7.2.3.5 Твердая изоляция

Твердую изоляцию следует проверять либо испытаниями напряжением промышленной частоты согласно 8.3.3.4.1, перечисление 3), либо испытаниями на постоянном токе для аппаратов постоянного тока.

Расчет расстояний утечки для твердой изоляции и испытательные напряжения постоянного тока находятся в стадии рассмотрения.

7.2.3.6 Расстояние между отдельными цепями

Для определения размеров воздушных зазоров, расстояний утечки и твердой изоляции между отдельными цепями следует использовать наибольшие параметры напряжения (номинальное импульсное выдерживаемое напряжение для воздушных зазоров и связанной с ними твердой изоляции и номинальное напряжение изоляции или эксплуатационное напряжение - для расстояний утечки).

7.2.3.7 Требования к аппаратам с защитным разделением

Требования к аппаратам с защитным разделением приведены в приложении N.

7.2.4 Способность включать, проводить и отключать ток при нулевой, нормальной нагрузке и перегрузке

7.2.4.1 Включающая и отключающая способности

Аппарат должен включать и отключать токи нагрузки и перегрузки без отказа в условиях, указанных в стандарте на аппарат конкретного вида для требуемой категории применения и числа срабатываний, указанного в стандарте на аппарат конкретного вида (см. также общие условия испытания по 8.3.3.5).

7.2.4.2 Работоспособность

Испытания на работоспособность аппарата предназначены для проверки его способности включать, проводить и отключать без отказа токи, проходящие по его главной цепи в условиях, соответствующих установленной категории применения, где применимо.

Особые требования и условия испытания должны быть оговорены в стандарте на аппарат конкретного вида и могут касаться работоспособности аппарата:

- при отсутствии нагрузки, испытываемой в условиях, когда в цепь управления ток поступает, а в главную цепь - не поступает для доказательства того, что аппарат соответствует требованиям к срабатыванию при верхнем и нижнем предельных питающих напряжениях и/или при давлении или напряжении и давлении, установленных для цепи управления во время замыкания и размыкания;

- при прохождении тока, если аппарат должен включать и отключать установленный ток, где нужно, соответственно его категории применения при числе срабатываний, указанном в стандарте на аппарат конкретного вида.

Проверку на работоспособность в обесточенном состоянии и при прохождении тока можно совмещать в одном цикле испытаний, если это предусмотрено в стандарте на аппарат конкретного вида.

7.2.4.3 Износостойкость

Примечание - Термин «износостойкость» («durability») выбран для обеспечения ожидаемого числа циклов оперирования, которые выдерживает аппарат до ремонта или замены частей. Также широко используемый в значении «износостойкость» термин «endurance» обычно относится также и к понятию «работоспособность», по 7.2.4.2, поэтому было решено не употреблять его в настоящем стандарте во избежание смешивания двух понятий.

7.2.4.3.1 Механическая износостойкость

По стойкости к механическому износу аппарат характеризуется указанным в стандарте на аппарат конкретного вида числом циклов оперирования без нагрузки (т.е. при обесточенных главных контактах), которые он должен осуществить прежде чем возникнет необходимость обслуживания или замены каких-либо механических частей; однако допускается нормальное (по инструкциям изготовителя) обслуживание аппаратов (в случае, если это предусмотрено).

Каждый цикл оперирования состоит из одного замыкания контактов с последующим размыканием.

Для проведения испытания аппарат монтируют по инструкции изготовителя.

Предпочтительное число циклов оперирования аппарата в обесточенном состоянии должно устанавливаться в стандарте на аппарат конкретного вида.

7.2.4.3.2 Коммутационная износостойкость

По стойкости к коммутационному износу контакты аппарата характеризуются числом циклов оперирования при прохождении тока в соответствии с условиями эксплуатации, указанными в стандарте на аппарат конкретного вида, которые аппарат должен осуществить без ремонта или замены частей.

Предпочтительное число циклов оперирования под нагрузкой должно быть указано в стандарте на аппарат конкретного вида.

7.2.5 Способность включать, проводить и отключать токи короткого замыкания

Аппараты в соответствии с конструкцией, в условиях, установленных в стандарте на аппарат конкретного вида, должны выдерживать термические, динамические и электрические нагрузки, обусловленные токами короткого замыкания. В частности, аппараты должны соответствовать требованиям 8.3.4.1.8.

Токи короткого замыкания могут возникать при:

- включении тока;

- прохождении тока в замкнутом положении контактов аппарата;

- отключении тока.

Способность аппарата включать, проводить и отключать токи короткого замыкания определяется одним или несколькими следующими номинальными параметрами:

- номинальной наибольшей включающей способностью (см. 4.3.6.2);

- номинальной наибольшей отключающей способностью (см. 4.3.6.3);

- номинальным кратковременно допустимым током (см. 4.3.6.1);

Для аппаратов, координируемых с устройствами для защиты от коротких замыканий (УЗКЗ), - следующими параметрами:

a) номинальным условным током короткого замыкания (см. 4.3.6.4);

b) другими типами координации, указанными только в стандарте на аппарат конкретного вида.

Для номинальных и предельных значений по вышеуказанным перечислениям a) и b) изготовитель должен указать тип и характеристики (например номинальный ток, отключающую способность, ток отсечки, I2t) УЗКЗ, необходимых для защиты аппаратов.

7.2.6 Коммутационные перенапряжения

В стандарте на аппарат конкретного вида могут быть установлены испытания на коммутационные перенапряжения (при необходимости).

В этом случае методика испытания и требования должны быть определены в стандарте на аппарат конкретного вида.

7.2.7 Токи утечки аппаратов, пригодных для разъединения

Для аппарата, пригодного для разъединения, с номинальным рабочим напряжением Ue свыше 50 В ток утечки измеряют на каждом полюсе при разомкнутых контактах.

Значение тока утечки при испытательном напряжении, равном 1,1 номинального рабочего напряжения, не должно превышать:

- 0,5 мА на полюс - для нового аппарата;

- 2 мА на полюс - для аппарата, уже подвергавшегося операциям включения и отключения в соответствии с требованиями к испытанию, указанными в стандарте на аппарат конкретного вида.

Ток утечки 6 мА при 1,1 номинального рабочего напряжения является предельным значением для аппарата, пригодного для разъединения, причем это значение не должно быть превышено. Испытания на проверку соответствия данному требованию могут содержаться в стандарте на аппарат конкретного вида.

7.3 Электромагнитная совместимость (ЭМС)

7.3.1 Общие положения

Для аппаратов, подпадающих под область применения настоящего стандарта, рассматривают две группы условий окружающей среды:

a) группа A;

b) группа B.

Группа A условий окружающей среды касается низковольтных не коммунальных или промышленных сетей/электроустановок, в том числе источников сильных электромагнитных помех.

Примечание 1 - Группа A условий окружающей среды соответствует аппаратуре класса A по СИСПР 11.

Группа B условий окружающей среды касается низковольтных коммунальных сетей, например бытовых, коммерческих и осветительных промышленных сетей/электроустановок. Источники сильных электромагнитных помех, например, аппараты дуговой сварки, к данной группе не относятся.

Примечание 2 - Группа B условий окружающей среды соответствует аппаратуре класса B по CISPR 11.

В настоящем стандарте словосочетание «электронная цепь» обозначает цепи, в которых все элементы пассивны (в том числе диоды, резисторы, варисторы, конденсаторы, подавители импульсов, индукторы).

7.3.2 Устойчивость к электромагнитным помехам

7.3.2.1 Аппараты, не содержащие электронные цепи

Аппараты, не содержащие электронные цепи, не чувствительны к электромагнитным помехам в нормальных условиях эксплуатации и поэтому их не подвергают испытаниям на устойчивость к электромагнитным помехам.

7.3.2.2 Аппараты, содержащие электронные цепи

Аппараты, содержащие электронные цепи, должны обладать достаточной устойчивостью к электромагнитным помехам.

Испытание на соответствие вышеуказанному требованию - по 8.4.

Специфический критерий работоспособности, основанный на критериях соответствия, приведенных в таблице 24, должен содержаться в стандарте на аппарат конкретного вида.

7.3.3 Помехоэмиссия

7.3.3.1 Аппараты, не содержащие электронные цепи

В аппаратах, не содержащих электронные цепи, электромагнитные помехи могут излучаться только во время случайных коммутаций. Длительность электромагнитных помех измеряется в миллисекундах.

Частоту, уровень и последовательность таких излучений считают принадлежностью нормальной электромагнитной среды низковольтных электроустановок.

При этом считается, что требования к излучению электромагнитных помех соблюдены, и испытания не проводят.

7.3.3.2 Аппараты, содержащие электронные цепи

7.3.3.2.1 Пределы высокочастотных излучаемых помех

Аппараты, содержащие электронные цепи (например источники тока коммутируемого типа, цепи, содержащие микропроцессоры с высокочастотными таймерами), могут излучать длительные электромагнитные помехи.

Такие излучения не должны выходить за пределы, указанные в стандарте на аппарат конкретного вида, основанные на CISPR 11 для условий окружающей среды групп A и B.

Испытания проводят только для вспомогательных цепей и цепей управления, содержащих элементы с основными коммутируемыми частотами свыше 9 кГц.

Стандарт на аппарат конкретного вида содержит описание методики испытаний.

7.3.3.2.2 Пределы низкочастотных излучаемых помех

К аппаратам, излучающим низкочастотные гармоники, если необходимо, применяют требования IEC 61000-3-2.

К аппаратам, вызывающим низкочастотные колебания напряжения, если необходимо, применяют требования IEC 61000-3-3.

8 Испытания

8.1 Виды испытаний

8.1.1 Общие положения

Для подтверждения соответствия аппаратов требованиям настоящего стандарта (если применимы) стандарта на аппарат конкретного вида проводят следующие испытания:

-типовые (см. 2.6.1) на характерных образцах каждого конкретного аппарата;

- контрольные (см. 2.6.2), которым подвергают каждый аппарат, изготовленный в соответствии с требованиями настоящего стандарта (если применим) и стандартом на аппарат конкретного вида;

- выборочные (см. 2.6.3), выполняемые в соответствии с требованиями стандарта на аппарат конкретного вида. Выборочные испытания для проверки воздушных зазоров см. 8.3.3.4.3.

Данные испытания могут состоять из циклов согласно требованиям стандарта на аппарат конкретного вида.

Если циклы испытаний указаны в стандарте на аппарат конкретного вида, то испытания, на результат которых не повлияли предыдущие испытания и которые не имеют значения для последующих испытаний данного цикла, могут быть опущены в этом цикле испытаний и по согласованию с изготовителем проведены отдельно на новых образцах.

В стандарте на аппарат конкретного вида должны быть указаны такие испытания (где применимо).

Эти испытания должен проводить изготовитель на своем производстве или в любой лаборатории, по его усмотрению.

Если требуется в стандарте на аппарат конкретного вида и по соглашению между изготовителем и потребителем, могут проводиться также специальные испытания (см. 2.6.4).

8.1.2 Типовые испытания

Типовые испытания проводят для проверки соответствия конструкции конкретного аппарата требованиям настоящего стандарта (если применим) и стандарта на аппарат конкретного вида.

Типовые испытания могут включать в себя (по необходимости) проверку:

- выполнения требований к конструкции;

- превышения температуры частей аппарата;

-электроизоляционных свойств (см. 8.3.3.4.1, если применимо);

- включающей и отключающей способностей;

- наибольшей включающей и отключающей способностей аппарата;

- пределов работоспособности аппарата;

- работоспособности;

- степени защиты аппаратов в оболочках;

- соответствия требованиям ЭМС.

Примечание - Данное перечисление не является исчерпывающим.

Типовые испытания, которым следует подвергать аппарат, результаты и (если предусматриваются) циклы испытаний и число образцов должны быть указаны в стандарте на аппарат конкретного вида.

8.1.3 Контрольные испытания

Контрольные испытания проводят для обнаружения дефектов материалов, изготовления, а также для подтверждения правильного функционирования аппарата. Контрольным испытаниям следует подвергать каждый отдельный аппарат.

К контрольным испытаниям могут относиться:

a) функциональные испытания;

b) испытания электроизоляционных свойств материалов.

Методы контрольных испытаний и условия их проведения должны уточняться в стандарте на аппарат конкретного вида.

8.1.4 Выборочные испытания

Если технико-статистический анализ показывает, что контрольные испытания (каждого аппарата) не требуются, их можно заменить выборочными испытаниями (если это оговаривается в стандарте на аппарат конкретного вида).

К выборочным испытаниям могут относиться:

a) функциональные испытания;

b) испытания электроизоляционных свойств.

Выборочные испытания могут также проводиться для проверки специфических свойств или характеристик аппарата по инициативе самого изготовителя или по соглашению между изготовителем и потребителем.

8.2 Соответствие требованиям к конструкции

Проверке на соответствие требованиям к конструкции аппаратов, изложенным в 7.1, подлежат, например:

- материалы;

- аппараты;

- степени защиты оболочек;

- механические свойства выводов;

- органы управления;

- индикаторы положения (см. 2.3.18).

8.2.1 Материалы

8.2.1.1 Испытание на стойкость к аномальному нагреву и огню

8.2.1.1.1 Испытание (аппарата) раскаленной проволокой

Испытание раскаленной проволокой следует проводить по IEC 60695-2-10 и IEC 60695-2-11 согласно условиям, указанным в 7.1.2.2.

Для данного испытания защитный проводник токоведущей частью не считают.

Примечание - Если данное испытание следует проводить в нескольких местах одного и того же образца, необходимо следить за тем, чтобы повреждения, вызванные предыдущими испытаниями, не повлияли на результаты дальнейших испытаний.

8.2.1.1.2 Испытания (материалов) на воспламеняемость, испытания раскаленной проволокой и горением дуги

Образцы материалов аппарата подвергают следующим испытаниям:

a) испытанию на воспламеняемость согласно IEC 60695-11-10;

b) испытанию раскаленной проволокой (ИРП) согласно приложению M;

c) испытанию горением дуги (ГД) согласно приложению M.

Испытание по перечислению c) необходимо только, если образец материала расположен на расстоянии 13 мм от зоны воздействия дуги или частей аппарата под напряжением, находящихся в зоне ослабления электрических соединений. Образцы материала аппарата, расположенные в 13 мм от зоны воздействия дуги, исключают из данного испытания, если аппарат подвергают коммутационным испытаниям.

8.2.2 Аппарат

Охватывается требованиями по подпунктам пункта 8.2.

8.2.3 Оболочки аппарата

Степени защиты аппаратов в оболочках - по приложению C.

8.2.4 Механические и электрические свойства выводов аппарата

Настоящий подпункт не относится к алюминиевым выводам и выводам, предназначенным для присоединения алюминиевых проводников.

8.2.4.1 Общие условия испытаний

При отсутствии других указаний изготовителя каждое испытание следует проводить на чистых и новых выводах.

Если для испытаний используют круглые медные проводники, они должны выполняться из меди по IEC 60028.

Если для испытаний используют плоские медные проводники, они должны иметь следующие характеристики:

- чистота - не менее 99,5 %;

- предельная прочность на растяжение - 200 - 280 Н/мм2;

- твердость по Виккерсу - 40...65 HV

8.2.4.2 Испытание выводов аппарата на механическую прочность

Для испытаний используют проводники соответствующего типа с максимальным поперечным сечением.

Безвинтовые зажимы согласно 7.1.8.1 испытывают с проводниками максимального сечения.

Проводник следует подсоединять к выводу и отсоединять пять раз.

Усилие затягивания резьбовых выводов должно соответствовать таблице 4 или составлять 110 % крутящего момента, указанного изготовителем (выбирают большее).

Испытание следует проводить с двумя раздельными зажимами.

Если винт имеет шестигранную головку с насечкой под отвертку, а значения в графах II и III различны, испытание проводят дважды: первый раз к шестигранной головке прилагают крутящий момент в соответствии с графой III, затем на другом комплекте образцов - по графе II с применением отвертки.

Если значения в графах II и III одинаковы, проводят только испытание отверткой.

Каждый раз, когда винт или гайка откручивается, для испытания на затягивание следует использовать новый проводник.

Во время испытания зажимы и выводы не должны ослабляться, не должно быть повреждений, например поломки винта, повреждения резьбы или насечки на головке винта, деформации шайбы или скобы, что препятствовало бы дальнейшему использованию резьбовых соединений выводов.

8.2.4.3 Испытание на повреждение и случайное ослабление проводников (на изгиб)

Данному испытанию подвергают выводы для присоединения неподготовленных круглых медных проводников, число, поперечное сечение и тип которых (гибкие и/или жесткие, многожильные и/или одножильные) указывает изготовитель.

Примечание - Соответствующее испытание плоских медных проводников допускается проводить по соглашению между изготовителем и потребителем.

Испытанию на двух новых образцах аппарата подвергают:

a) максимальное число проводников минимального поперечного

сечения, присоединяемого к выводу;

b) максимальное число проводников максимального поперечного сечения, присоединяемого к выводу;

c) максимальное число проводников минимального и максимального поперечных сечений, присоединяемых к выводу.

Выводы, предназначенные для присоединения гибких или жестких (одножильных и/или многожильных) проводников, следует испытывать с проводниками каждого типа на различных комплектах образцов аппарата.

Выводы, предназначенные для присоединения и гибких, и жестких (одножильных и/или многожильных) проводников одновременно, следует испытывать в соответствии с перечислением c).

Для испытания выводов следует использовать испытательное устройство, представленное на рисунке 1. К выводу аппарата следует присоединить установленное число проводников. Длина испытуемых проводников должна на 75 мм превышать высоту H (значения указаны в таблице 5). Зажимные винты следует затягивать с приложением крутящего момента по таблице 4 или инструкции изготовителя.

Испытуемый образец должен быть закреплен в соответствии с рисунком 1.

Каждый проводник подвергают круговому движению следующим образом.

Конец испытуемого проводника пропускают сквозь соответствующего размера гильзу в пластине, расположенной ниже вывода аппарата на высоте Н в соответствии с таблицей 5. Прочие проводники следует отогнуть, чтобы они не влияли на результаты испытания. Гильзу вставляют в горизонтальную пластину, так чтобы проводник проходил через нее по ее центру. Гильзу смещают так, чтобы она описывала круг диаметром 75 мм вокруг своей оси в горизонтальной плоскости со скоростью (10 ± 2) об/мин. Расстояние между зажимным концом вывода и верхним краем гильзы не должно отличаться от значения «H» по таблице 5 более чем на 13 мм. Во избежание застревания, скручивания или проворачивания изолированного проводника гильзу следует смазывать. К концу проводника подвешивают груз, создающий тянущее усилие, указанное в таблице 5. В течение испытания следует совершить 135 непрерывных вращений.

При испытании проводник не должен выскальзывать из вывода, а также ломаться возле зажима.

Непосредственно после испытания на изгиб каждый испытуемый проводник должен подвергаться в испытательном устройстве испытанию по 8.2.4.4 (на вытягивание).

8.2.4.4 Испытание на вытягивание

8.2.4.4.1 Круглые медные проводники

После испытания по 8.2.4.3 к испытанному проводнику аппарата прикладывают тянущее усилие по таблице 5.

Перед этим испытанием зажимные винты подтягивать не допускается.

Тянущее усилие прилагают без рывков в течение 1 мин в направлении оси проводника.

Во время испытания проводник не должен выскальзывать из вывода, а также ломаться возле зажима.

8.2.4.4.2 Плоские медные проводники

Проводник нужной длины закрепляют в выводе аппарата и в течение 1 мин без рывков прилагают тянущее усилие по таблице 6, в направлении, противоположном тому, в котором вставляли проводник.

Во время испытания проводник не должен выскальзывать из вывода, а также ломаться возле зажима.

8.2.4.5 Испытание на возможность введения в зажим неподготовленных круглых медных проводников с максимальным установленным поперечным сечением

8.2.4.5.1 Методика испытания

Испытание проводят с применением калибров формы A или B в соответствии с таблицей 7. Рабочий элемент калибра должен проникать в отверстие вывода аппарата под собственным весом этого калибра на полную глубину вывода (см. также примечание к таблице 7).

Альтернативно испытание можно провести введением проводника наибольшего сечения и типа из рекомендованных изготовителем, диаметр которого соответствует теоретическому диаметру по таблице , с конца которого предварительно сняли изоляцию и придали ему определенную форму. Зачищенный конец проводника должен полностью войти в отверстие зажима без применения чрезмерного усилия.

8.2.4.5.2 Конструкция калибра

Конструкция калибра показана на рисунке 2.

Размеры a и b калибра и предельные допустимые отклонения от размеров приведены в таблице 7. Рабочий элемент калибра следует изготавливать из инструментальной стали.

8.2.4.6 Испытание на возможность вставлять в зажим плоский проводник прямоугольного сечения (в стадии изучения).

8.2.4.7 Электрическая износостойкость безвинтовых зажимов

По 9.8 IEC 60999-1 и 9.8 IEC 60999-2.

Примечание 1 - Термины «наименьшая площадь поперечного сечения» и «наибольшая площадь поперечного сечения» по серии IEC 60999 соответствуют терминам «минимальное поперечное сечение» (2.3.30) и «максимальное поперечное сечение» (2.3.31), принятым в настоящем стандарте.

Примечание 2 - Испытательный ток, обычно прикладываемый к аппарату, Ith или Ithe.

Подробные требования к испытаниям могут содержать стандарты на аппараты конкретного вида.

Примечание 3 - Стандарты на аппараты конкретного вида должны рассмотреть целесообразность подробных требований к испытаниям.

8.2.4.8 Испытание безвинтовых зажимов на механическую износостойкость

По 9.10 IEC 60999-1 и 9.10 IEC 60999-2.

Примечание 1- Термины «наименьшая площадь поперечного сечения» и «наибольшая площадь поперечного сечения» по серии IEC 60999 соответствуют терминам «минимальное поперечное сечение» (2.3.30) и «максимальное поперечное сечение» (2.3.31), принятым в настоящем стандарте.

Примечание 2 - Испытательный ток, обычно прикладываемый к аппарату, Ith или Ithe.

Подробные требования к испытаниям могут содержать стандарты на аппараты конкретного вида.

Примечание 3 - Стандарты на аппараты конкретного вида должны рассмотреть целесообразность подробных требований к испытаниям.

8.2.5 Проверка эффективности указателя положения главных контактов аппарата, пригодного для разъединения

Оценкой эффективности указателя положения главных контактов в соответствии с требованиями 7.1.7 является правильное выполнение своих функций всеми средствами индикации положения контактов после типовых испытаний на работоспособность и специальных испытаний на температурный износ (если проводят).

8.2.5.1 Состояние аппарата, предназначенного для испытаний

Состояние аппарата для всех испытаний должно быть указано в стандарте на аппарат конкретного вида.

8.2.5.2 Методика испытания

8.2.5.2.1 Ручное управление аппаратом при наличии привода зависимого и независимого действия

В первую очередь определяют нормальное управляющее усилие F, прикладываемое к концу органа управления, необходимое для перевода аппарата в разомкнутое положение контактов. Измеренное усилие должно быть равно среднему значению максимального усилия, полученного в результате трех последовательных операций на новом аппарате в чистом состоянии. Затем это усилие F применяют для установления испытательного усилия по таблице 17.

При замкнутом положении контактов аппарата подвижный контакт полюса, для которого выбраны наиболее жесткие условия испытания, должен быть зафиксирован вместе с неподвижным контактом, например приварен к нему.

Орган управления аппаратом подвергают воздействию испытательным усилием 3F, которое должно быть не менее минимального и не более максимального значений, указанных в таблице 17, в зависимости от типа органа управления аппаратом.

Если аппарат имеет несколько контактных систем, соединенных последовательно, все эти системы должны удерживаться в замкнутом положении.

В случае контактной системы с многократным разрывом наименьшее число концов параллельных контактов должно быть сблокировано вместе для необходимости удержания контактной системы в замкнутом положении, чтобы позволить испытательному усилию быть приложенным без размыкания контактов.

Способ удержания контактов в замкнутом положении и их число указывает изготовитель.

Число контактов и метод указывают в протоколе испытаний.

Испытательное усилие следует прикладывать равномерно на конце органа управления аппаратом в течение 10 с в направлении размыкания контактов.

Направление приложения испытательного усилия по отношению к органу управления, как показано на рисунке 16, должно сохраняться на протяжении испытания.

Проверку проводят по 8.2.5.3.1.

8.2.5.2.2 Двигательное управление аппаратом при наличии привода зависимого действия

При замкнутом положении аппарата подвижный контакт полюса, для которого выбраны наиболее жесткие условия испытания, должен быть зафиксирован вместе с неподвижным, например, приварен к нему.

Если аппарат имеет несколько контактных систем, соединенных последовательно, все эти системы должны удерживаться в замкнутом положении.

В случае контактной системы с многократным разрывом наименьшее число концов параллельных контактов должно быть сблокировано вместе для необходимости удержания контактной системы в замкнутом положении, чтобы позволить испытательному усилию быть приложенным без размыкания контактов.

Способ удержания контактов в замкнутом положении и их число указывает изготовитель.

Число контактов и метод указывают в протоколе испытаний.

Напряжение питания должно подаваться к источнику управляющей энергии при 110 % его нормального номинального значения при попытке размыкания контактной системы аппарата.

Три попытки управления аппаратом должны быть сделаны двигательным приводом с интервалом в 5 мин, в течение 5 с каждая, если имеющееся защитное устройство двигательного привода не ограничивает время управления более коротким периодом.

Проверку проводят по 8.2.5.3.2.

Примечание - В Канаде и США аппараты, соответствующие данным требованиям, не считают обеспечивающими сами по себе разъединение.

8.2.5.2.3 Двигательное управление при наличии привода независимого действия

При замкнутом положении аппарата подвижный контакт полюса, для которого выбраны наиболее жесткие условия испытания, должен быть зафиксирован вместе с неподвижным, например, приварен к нему.

Если аппарат имеет несколько контактных систем, соединенных последовательно, все эти системы должны удерживаться в замкнутом положении.

В случае контактной системы с многократным разрывом наименьшее число концов параллельных контактов должно быть сблокировано вместе для необходимости удержания контактной системы в замкнутом положении, чтобы позволить испытательному усилию быть приложенным без размыкания контактов.

Способ удержания контактов в замкнутом положении и их число указывает изготовитель.

Число контактов и метод указывают в протоколе испытаний.

Запасенная энергия двигательного привода независимого действия аппарата должна освобождаться для размыкания контактной системы аппарата.

Должны быть сделаны три попытки управления аппаратом за счет освобожденной запасенной энергии.

Проверку проводят по 8.2.5.3.2.

Примечание - В Канаде и США аппараты, соответствующие данным требованиям, не считают обеспечивающими сами по себе разъединение.

8.2.5.3 Состояние аппарата во время и после испытаний

8.2.5.3.1 Ручное управление при наличии привода зависимого и независимого действия

По окончании испытания, когда испытательное усилие не прикладывают к органу управления аппаратом, и он остается свободным, ни одно из средств индикации, которыми оснащен аппарат, не должно указывать на разомкнутое положение контактов, а аппарат - иметь повреждений, нарушающих его нормальную эксплуатацию.

Если аппарат оснащен средствами блокировки в разомкнутом положении, должна быть исключена возможность его блокировки во время приложения испытательного усилия.

8.2.5.3.2 Двигательное управление при наличии привода зависимого и независимого действия

Во время и после испытания ни одно из средств индикации, которыми оснащен аппарат, не должно указывать на разомкнутое положение контактов, и аппарат не должен иметь повреждений, нарушающих его нормальную эксплуатацию.

Если аппарат оснащен средствами блокировки в разомкнутом положении, должна быть исключена возможность его блокировки во время испытания.

8.2.6 Свободный

8.2.7 Испытания вводов для стальных трубопроводов на вытягивание, кручение, изгиб

Данное испытание следует проводить со стальной трубкой длиной (300 ± 10) мм.

Оболочки из полимерных материалов монтируют согласно инструкциям изготовителя в наиболее неблагоприятном положении.

Испытания следует проводить на одном и том же вводе для трубок; ввод должен быть самым неудобным.

Испытания проводят в соответствии с 8.2.7.1 - 8.2.7.3.

8.2.7.1 Испытание на вытягивание

Трубка по 8.2.7 должна плавно вкручиваться во ввод крутящим моментом, равным двум третям значений, указанных в таблице 22. В течение 5 мин к трубке прикладывают тянущее усилие без рывков в прямом направлении.

При отсутствии иных указаний в стандарте на аппарат конкретного вида тянущее усилие должно соответствовать таблице 20.

После испытания смещение трубки относительно ввода должно составлять не более одного оборота резьбы, и не должно быть повреждений, нарушающих дальнейшую эксплуатацию оболочки.

8.2.7.2 Испытание на изгиб

К свободному концу трубки возрастающий момент изгиба следует прикладывать без рывков, равномерно.

Когда приложенный момент приведет к изгибу трубки 25 мм на 300 мм ее длины или значение момента изгиба достигнет приведенного в таблице 21, это значение момента сохраняют в течение 1 мин. Затем испытание повторяют в перпендикулярном первому направлении.

После испытания не должно быть повреждений, влияющих на дальнейшую эксплуатацию оболочки.

8.2.7.3 Испытание на крутящий момент

Стальная трубка для проводников должна затягиваться без рывков крутящим моментом по таблице 22.

Испытание на крутящий момент не проводят для оболочек аппаратов, не оснащенных предварительно смонтированным вводом, а согласно инструкции, ввод следует механически подсоединять к трубке до присоединения к оболочке.

Для оболочек, снабженных единственным вводом для подсоединения до 16 Н включительно, значение затягивающего крутящего момента снижают до 25 Нм.

После испытания не должно быть возможным выкрутить трубку из ввода и не должно быть повреждений, нарушающих эксплуатацию оболочки.

8.3 Работоспособность

8.3.1 Циклы испытаний

Циклы испытаний, которым должен быть подвергнут аппарат, должны быть указаны в стандарте на аппарат конкретного вида.

8.3.2 Общие условия испытаний

Примечание - Испытания на соблюдение требований настоящего стандарта не отрицают необходимости в дополнительных испытаниях, касающихся оборудования в составе комплектных устройств согласно IEC 60439.

8.3.2.1 Общие требования

Подлежащий испытанию аппарат должен во всех основных деталях соответствовать типу конструкции, к которому он относится.

При отсутствии других указаний в стандарте на аппарат конкретного вида любое испытание, отдельное или в цикле, должно проводиться на чистом и новом аппарате.

При отсутствии других указаний испытания следует проводить на токе того же рода (а если ток переменный, при той же номинальной частоте и равном числе фаз), как в предполагаемых условиях эксплуатации.

Значения испытательных параметров, не установленные в настоящем стандарте, должны указываться в стандарте на аппарат конкретного вида.

Если для удобства испытания представляется желательным усилить его жесткость (например, увеличить частоту оперирования, чтобы сократить длительность испытания), что допускается только с согласия изготовителя.

Испытуемый аппарат в укомплектованном виде следует монтировать на его собственном основании или эквивалентной опоре и присоединять, как в нормальных условиях эксплуатации, в соответствии с инструкциями изготовителя и условиями окружающей среды, указанными в 6.1.

Затягивающие крутящие моменты, прикладываемые к винтам зажимов, должны соответствовать инструкциям изготовителя или, при их отсутствии, таблице 4.

Аппарат в неотделимой оболочке (см. 2.1.17) должен быть смонтирован в укомплектованном виде, и все отверстия, закрытые в нормальных условиях эксплуатации, должны быть закрыты на время испытаний.

Аппарат, предназначенный для использования в отдельной оболочке, следует испытывать в наименьшей оболочке, указанной изготовителем.

Примечание - Отдельная оболочка - это оболочка, предназначенная только для одного аппарата и соответственно рассчитанная.

Все другие аппараты следует испытывать на открытом воздухе. Если аппарат может быть также использован в специальных отдельных оболочках, и после испытания на открытом воздухе, для него следует провести дополнительные специальные испытания в наименьшей из оболочек, указанных изготовителем; специальные испытания указаны в стандарте на аппарат конкретного вида и протоколе испытаний.

Однако, если аппарат может также использоваться в специальных отдельных оболочках и испытания проводят в наименьшей из оболочек, указанных изготовителем, то испытания на открытом воздухе не проводят при условии, что эта оболочка металлическая без изоляции.

Описание испытания, в том числе размеры оболочки, следует указывать в протоколе испытаний.

Для испытаний на открытом воздухе (при отсутствии других указаний в стандарте на аппарат конкретного вида) на время испытаний на включающую и отключающую способности и работоспособность в условиях короткого замыкания во всех точках аппарата, которые могут оказаться источником внешних эффектов, способных вызвать пробой, в соответствии с компоновкой и расстояниями, установленными изготовителем, помещают металлический экран (например, проволочную сетку). Детали испытаний, в том числе расстояние между испытуемым аппаратом и металлическим экраном указывают в протоколе испытания.

Характеристики металлического экрана:

- структура: проволочная сетка, или металлический лист с отверстиями, или развальцованный металлический лист;

- материал - сталь;

- соотношение площади отверстий и общей площади должно быть 0,45 - 0,65;

- размер отверстия не более 30 мм2;

- покрытие - без покрытия или с токоведущим покрытием;

- сопротивление - следует учитывать при расчете ожидаемого тока повреждения в цепи плавкого предохранителя [см. 8.3.3.5.2, перечисление g) и 8.3.4.1.2, перечисление d)], следует измерять от самой удаленной точки попадания на экран выбросов дуги.

Обслуживание или замена частей не допускается, если нет других указаний в стандарте на аппарат конкретного вида.

До начала испытаний аппаратом можно оперировать без нагрузки.

В ходе испытаний системой управления контактными коммутационными аппаратами следует оперировать как в предполагаемых условиях эксплуатации, указанных изготовителем, и при номинальных значениях управляющего параметра (напряжения или давления) при отсутствии других указаний в настоящем стандарте или соответствующем стандарте на аппарат.

8.3.2.2 Испытательные параметры

8.3.2.2.1 Значения испытательных параметров

Все испытания должны проводиться при значениях испытательных параметров, соответствующих номинальным значениям, указанным изготовителем, в соответствии с таблицами и данными стандарта на аппарат конкретного вида.

8.3.2.2.2 Допуски по испытательным параметрам

Значения допусков, зафиксированные в протоколе испытаний, не должны выходить за пределы, приведенные в таблице 8, при отсутствии других указаний в других пунктах. Однако с согласия изготовителя можно проводить испытания в более жестких условиях, чем установленные.

8.3.2.2.3 Восстанавливающееся и возвращающееся напряжение

a) Возвращающееся напряжение

При испытаниях на отключающую способность и наибольшую отключающую способность значение возвращающегося напряжения должно составлять 1,05 номинального рабочего напряжения, установленного изготовителем или в стандарте на аппарат конкретного вида.

Примечания

1 Значение, равное 1,05 номинального рабочего напряжения для возвращающегося напряжения при допуске по таблице 8, фактически учитывает колебания сетевого напряжения в нормальных условиях эксплуатации в соответствии с IEC 60038.

2 Может потребоваться увеличение напряжения до включения, но ожидаемый пиковый ток включения без согласия изготовителя не должен быть превышен.

3 С согласия изготовителя допускается повышение верхнего предела возвращающегося напряжения (см. 8.3.2.2.2).

b) Восстанавливающееся напряжение

В соответствующем стандарте на аппарат конкретного вида восстанавливающееся напряжение определяют (если требуется) по 8.3.3.5.2.

8.3.2.3 Оценка результатов испытания

Поведение аппарата во время испытаний и его состояние после испытаний должны соответствовать требованиям стандарта на аппарат конкретного вида.

Об испытаниях на короткие замыкания см. также 8.3.4.1.7 и 8.3.4.1.9.

8.3.2.4 Протоколы испытаний

Изготовитель должен представить протоколы типовых испытаний, подтверждающие соответствие аппарата требованиям стандарта на аппарат конкретного вида. В протоколах испытаний должны содержаться следующие сведения: тип и размеры оболочки (при ее наличии); размеры проводников; расстояние от частей, находящихся под напряжением, до оболочки или до частей, нормально заземленных при эксплуатации; способы действия системы управления и т.д.

Протокол испытания должен содержать перечень испытательных параметров и их значений.

8.3.3 Работоспособность при нулевой и нормальной нагрузках и перегрузке

8.3.3.1 Срабатывание

Испытания проводят для проверки правильности работы оборудования в соответствии с требованиями 7.2.1.1.

8.3.3.2 Пределы срабатывания

8.3.3.2.1 Аппарат с двигательным приводом

Следует убедиться, что аппарат правильно замыкается и размыкается при предельных значениях следующих управляющих параметров: напряжение; ток; давление воздуха; температуры, установленные в стандарте на аппарат конкретного вида. При отсутствии других указаний испытания проводят с обесточенной главной цепью.

В случае аппарата с двигательным приводом с электромагнитом электронного управления, питаемого переменным током, если диапазон отпадания составляет от 75 % до 10 % номинального напряжения питания цепи управления Us, тогда аппарат должен дополнительно подвергнуться испытанию на емкостное отпадание.

Конденсатор C последовательно вводят в цепь питания Us, при этом общая длина соединительных проводников ≤ 3 м. Конденсатор замыкают накоротко выключателем с незначительным полным сопротивлением. Затем напряжение питания регулируют до 110 % Us.

Проверяют отпадание аппарата при переводе выключателя в разомкнутое положение.

Величина конденсатора составляет:

С(nФ) = 30 + 200000 / (f × Us),

где f - минимальная номинальная частота (Гц);

Us - максимальное номинальное напряжение питания (В).

Например, для катушки с параметрами 12...24 В - 50 Гц величина емкости 196 пФ (расчет по Us max).

Испытательное напряжение - наибольшее значение из заданного диапазона номинального напряжения питания Us.

Примечание - Величина конденсатора имитирует типичную схему управления с длиной кабеля 100 м и сечением 1,5 мм2 (0,3 nФ/м, т.е. 30 nФ на 100 м), присоединенную к статическому выходу с током утечки 1,3 мА (200000 в формуле ≈ 10 Е + 9 *1,3 Е - 3/2*π).

8.3.3.2.2 Реле и расцепители

Пределы срабатывания реле и расцепителей должны соответствовать требованиям 7.2.1.3 - 7.2.1.5 и проверяться испытаниями по методике, указанной в стандарте на аппарат конкретного вида.

Пределы срабатывания минимальных реле и расцепителей напряжения см. 7.2.1.3.

Пределы срабатывания независимых расцепителей см. 7.2.1.4.

Пределы срабатывания реле и расцепителей, оперируемых током, см. 7.2.1.5.

8.3.3.3 Превышение температуры

8.3.3.3.1 Температура окружающего воздуха

В последнюю четверть периода испытания не менее двух датчиков температуры (например термометры или термопары), установленных равномерно вокруг аппарата приблизительно на середине его высоты и на расстоянии около 1 м от него, записывают температуру окружающего воздуха. Датчики температуры должны быть защищены от воздушных потоков, теплового излучения и ошибок, обусловленных резкими изменениями температуры.

Во время испытаний температура окружающего воздуха должна быть от 10 °С до 40 °С и не должна изменяться более чем на 10 °С.

Но если изменение температуры окружающего воздуха превысит 3 °С, к измеренной температуре частей аппарата применяют поправочный коэффициент, зависящий от тепловой постоянной времени данного аппарата.

8.3.3.3.2 Измерение температуры частей аппарата

Температуру различных частей аппарата, кроме катушек, измеряют пригодными для этого датчиками температуры в точках наибольшей вероятности максимальной температуры; эти точки следует указать в протоколе испытания.

Температуру масла в маслонаполненных аппаратах измеряют в верхней части масляной заливки; данные измерения допускается проводить термометром.

Датчик температуры не должен заметно влиять на превышение температуры частей аппарата. Для этого необходимо обеспечить хорошую теплопроводность между датчиками температуры и поверхностью испытуемой части аппарата.

Температуру электромагнитных катушек, как правило, определяют по изменению их сопротивления. Применение других методов допускается только в случае невозможности применения этого метода, например, для электромагнита с электронным управлением. При этом допустимые пределы соответственно регулируют. Конкретный метод и пределы превышения температуры устанавливают в стандарте на аппарат.

В случае электромагнита с электронным управлением определение температуры катушек по изменению их сопротивления может быть неприменимо; в таком случае допускаются другие методы измерения, например с помощью термопар или других приемлемых методов. При измерении другим методом, кроме метода измерения сопротивления, допустимые пределы превышения температуры соответственно регулируются. Метод и пределы устанавливают в стандарте на аппарат конкретного вида.

Температура катушек перед началом испытания не должна отличаться от температуры окружающей среды более чем на 3 °С.

Для медных проводников температуру в нагретом состоянии Т2 можно рассчитать по температуре в холодном состоянии Т1 как функцию отношения сопротивлений в нагретом состоянии R2 и в холодном состоянии R1 по формуле

,

где Т1 и Т2 - температура, °С.

Длительность испытания должна быть достаточной для достижения установившегося значения превышения температуры, но не более 8 ч.

Установившееся значение считают достигнутым, если изменение не превышает 1 °С/ч.

8.3.3.3.3 Превышение температуры части аппарата

Превышение температуры части аппарата равно разности между температурой измеряемой части, измеренной по 8.3.3.3.2, и температурой окружающего воздуха, измеренной по 8.3.3.3.1.

8.3.3.3.4 Превышение температуры главной цепи аппарата

Аппарат монтируют по 8.3.2.1 и защищают от аномального внешнего нагрева или охлаждения.

Аппарат с неотделимой оболочкой или предназначенный для использования только в оболочке установленного типа на условный тепловой ток испытывают в такой же оболочке. Наличие отверстий, создающих ненужную вентиляцию, не допускается.

Аппараты, предназначенные для использования в оболочке более чем одного типа, испытывают либо в наименьшей из оболочек, указанных изготовителем, либо без оболочки. В случае испытания без оболочки изготовитель должен, при необходимости, сообщить значение условного теплового тока в оболочке (см. 4.3.2.2).

При испытаниях на многофазных токах ток следует уравновесить в каждой фазе в пределах ± 5 %, и среднее значение многофазных токов должно быть не менее соответствующего испытательного тока.

При отсутствии других указаний в стандарте на аппарат конкретного вида главную цепь аппарата испытывают на превышение температуры при одном или обоих условных тепловых токах согласно 4.3.2.1, 4.3.2.2 и любом удобном напряжении.

Если возможны значительные эффекты взаимного нагрева главной цепи, цепей управления и вспомогательных цепей аппарата, испытания на превышение температуры по 8.3.3.3.4 - 8.3.3.3.7 следует проводить одновременно (по применимости) и согласно стандарту на аппарат конкретного вида.

Аппарат для работы на постоянном токе для удобства можно испытывать на переменном токе, но только с согласия изготовителя.

Многополюсный аппарат с идентичными полюсами, испытываемый на переменном токе, допускается с согласия изготовителя испытывать однофазным током, последовательно соединив все полюса (если можно пренебречь магнитными эффектами).

Испытания трехполюсного аппарата с одним нейтральным полюсом, отличным от фазовых полюсов, должны включать в себя:

- испытание трех идентичных полюсов трехфазным током;

- испытание однофазным током нейтрального полюса, соединенного последовательно с соседним полюсом, при условии, что значения испытательных параметров определяют в зависимости от условного теплового тока (в оболочке или без оболочки) нейтрального полюса (см. 7.1.8) .

Аппарат, снабженный устройствами для защиты от коротких замыканий, следует испытывать в соответствии с требованиями стандарта на аппарат конкретного вида.

В конце испытания превышение температуры отдельных частей главной цепи не должно быть более значений, указанных в таблицах 2 и 3 (при отсутствии других указаний в стандарте на аппарат конкретного вида).

В зависимости от значения условного теплового тока (в оболочке или без оболочки) применяют следующую систему испытательных соединений:

I) при испытательных токах до 400 А включительно:

a) соединения должны осуществляться одножильными медными проводниками с поперечными сечениями по таблице 9 в поливинилхлоридной изоляции;

b) присоединяемые проводники должны прокладываться на открытом воздухе на расстоянии друг от друга, равном расстоянию между выводами;

c) минимальная длина любого временного соединения между выводом аппарата и другим выводом или источником испытательного тока, или вершиной звезды при испытаниях одно- или многофазным током должна быть:

- 1м - при поперечных сечениях проводников до 35 мм2 (или AWG2) включительно;

- 2м - при поперечных сечениях проводников свыше 35 мм2 (или AWG 2).

II) При испытательных токах свыше 400 А, но не более 800 А:

a) соединения должны осуществляться одножильными медными проводниками с площадью поперечного сечения по таблице 10 в поливинилхлоридной изоляции или эквивалентными медными шинами по таблице 11, согласно рекомендациям изготовителя;

b) присоединяемые по перечислению а) проводники должны располагаться на расстоянии друг от друга, приблизительно равном расстоянию между выводами. Медные шины должны быть окрашены в матовый черный цвет. Несколько параллельных проводников, подключенных к одному выводу, должны быть собраны в пучок с воздушными зазорами между проводниками около 10 мм. Несколько медных шин, присоединенных к одному выводу, должны быть удалены друг от друга на расстояние, приблизительно равное толщине шины. Если указанные размеры поперечного сечения шин для выводов непригодны или недоступны, можно использовать другие шины равного поперечного сечения и с равной или меньшей поверхностью охлаждения. Медные провода или шины не должны быть слоистыми;

c) минимальная длина любого временного соединения между выводом аппарата и другим выводом или источником испытательного тока при испытаниях одно- или многофазным током должна быть 2 м. Минимальную длину соединения с вершиной звезды можно уменьшить до 1,2 м;

III) При испытательных токах свыше 800 А, но не более 3150 А:

a) соединения должны выполняться медными шинами размеров, указанных в таблице 11, если аппарат не рассчитан исключительно на кабельные соединения. В этом случае размеры и компоновка кабелей должны соответствовать инструкциям изготовителя;

b) расстояния между медными шинами должны быть приблизительно равны расстоянию между выводами. Медные шины должны быть окрашены в матовый черный цвет. Медные шины, параллельно присоединенные к одному выводу, должны располагаться на расстоянии друг от друга, приблизительно равном толщине шины.

Если указанные размеры шин несовместимы с размерами выводов или отсутствуют, можно использовать другие шины с приблизительно равной или меньшей площадью поверхности охлаждения. Медные шины не должны быть слоистыми;

c) минимальная длина любого временного соединения между выводом аппарата и другим выводом или источником питания при испытаниях одно- или многофазным током должна быть 3 м, но ее можно сократить до 2 м при условии, что превышение температуры на сетевом конце соединения не более чем на 5 °С ниже превышения температуры на середине длины соединения между выводом аппарата и другим выводом или источником питания. Минимальная длина соединения с вершиной звезды должна быть равна 2 м;

IV) При испытательных токах свыше 3150 А.

Изготовитель и потребитель должны прийти к соглашению обо всех важных характеристиках испытания: типу источника питания, числе фаз и частоте (если требуется), поперечных сечениях испытательных соединений и т.п. Эта информация должна быть внесена в протокол испытания.

8.3.3.3.5 Превышение температуры цепей управления

Испытания цепей управления на превышение температуры должны проводиться при указанном токе, а в случае переменного тока и при номинальной частоте. Цепи управления следует испытывать при их номинальном напряжении.

Цепи, предназначенные для работы в длительном режиме, следует испытывать достаточно долго, с тем, чтобы превышение температуры успело достичь устойчивого значения.

Цепи для работы в повторно-кратковременном режиме следует испытывать в соответствии со стандартом на аппарат конкретного вида.

По завершении данных испытаний превышение температуры различных частей цепей управления не должно превышать значений, указанных в 7.2.2.5 (при отсутствии других указаний в стандарте на аппарат конкретного вида).

8.3.3.3.6 Превышение температуры катушек электромагнитов

Катушки и электромагниты следует испытывать в условиях по 7.2.2.6.

Их следует испытывать достаточно долго, для того чтобы превышение температуры успело достичь устойчивого значения.

Температуру измеряют по достижении теплового равновесия как в главной цепи, так и в катушке электромагнита.

Катушки и электромагниты аппаратов, рассчитанных на работу в повторно-кратковременном режиме, испытывают в соответствии со стандартом на аппарат конкретного вида.

По завершении данных испытаний превышение температуры различных частей не должно превышать значений, указанных в 7.2.2.6.

8.3.3.3.7 Превышение температуры вспомогательных цепей

Вспомогательные цепи испытывают на превышение температуры в условиях по 8.3.3.3.5, но при любом удобном напряжении.

В конце этих испытаний превышение температуры вспомогательных цепей не должно превышать значений, указанных в 7.2.2.7.

8.3.3.4 Электроизоляционные свойства

8.3.3.4.1 Типовые испытания

1) Общие условия испытаний на выдерживаемое напряжение

Испытуемый аппарат должен соответствовать общим требованиям по 8.3.2.1.

Если аппарат предназначен для использования без оболочки, он должен быть смонтирован на металлической плите, к которой присоединяют все открытые токопроводящие части (корпус и т.п), в нормальных условиях заземляемые.

Если основание аппарата выполнено из изоляционного материала, во всех точках крепления согласно условиям нормальной установки аппарата помещают металлические части, и эти части считают частью корпуса аппарата.

Любой орган управления, выполненный из изоляционного материала, и неотделимая неметаллическая оболочка аппарата, предназначенного для использования без дополнительной оболочки, должны быть покрыты металлической фольгой и соединены с корпусом и монтажной плитой. Фольгой должны быть закрыты только те поверхности, которых можно коснуться стандартным испытательным щупом при эксплуатации или регулировке аппарата.

Если изолирующей части неотделимой оболочки аппарата нельзя коснуться стандартным испытательным щупом из-за дополнительной оболочки, фольгу не применяют.

Примечание 1 - Речь идет о доступных для оператора при нормальной эксплуатации или регулировке частях (например, орган управления нажимной кнопкой). Руководство по применению металлической фольги на частях, доступных при нормальной эксплуатации или регулировке, приведено в приложении R.

В случае если электрическая прочность изоляции аппарата зависит от покрытия проводов или применения специальной изоляции, при испытаниях также используют покрытия и специальную изоляцию.

Примечание 2 - Испытания на электрическую прочность изоляции для полупроводниковых устройств - в стадии рассмотрения.

При проведении электроизоляционных испытаний между фазами все цепи между этими фазами могут быть отсоединены в этом испытании.

Примечание 3 - Целью данного испытания является исключительно проверка функциональной изоляции.

Если в цепь аппарата включены другие устройства, например двигатели, станки, щелчковые выключатели, конденсаторы и полупроводниковые устройства, которые согласно их собственным техническим условиям подвергались электроизоляционным испытаниям более низкими напряжениями, чем указаны в настоящем стандарте, то такие устройства в данном испытании должны быть отключены.

Если цепь управления, нормально соединенная с главной цепью, отсоединена, то способ удержания главных контактов в замкнутом положении должен быть указан в протоколе испытания.

При проведении электроизоляционных испытаний между фазами и землей все цепи должны быть подсоединены.

Примечание 4 - Присоединение всех цепей в этом испытании выполняют для проверки функции защиты изоляции между фазами и землей от поражения электрическим током.

При испытании изоляции печатные платы и модули с многоконтактными разъемами могут быть сняты, отсоединены и заменены макетами.

Однако, это не относится к вспомогательным цепям, в которых в случае повреждения изоляции под напряжением могут оказаться доступные части, не соединенные с корпусом аппарата, либо высокое напряжение из высоковольтной части может попасть в низковольтную часть, например во вспомогательных трансформаторах, измерительных приборах, импульсных трансформаторах, в которых нагрузка на изоляцию эквивалентна нагрузке в главной цепи.

2) Проверка импульсным выдерживаемым напряжением

a) Общие требования

Аппарат должен соответствовать требованиям, изложенным в 7.2.3.1.

Изоляцию проверяют испытанием при номинальном импульсном выдерживаемом напряжении.

В случае, если аппарат содержит элементы, на электроизоляционные свойства которых не влияет высота над уровнем моря (например оптопары, герметизированные детали и т.п.), проверку изоляции проводят альтернативным испытанием при номинальном импульсном выдерживаемом напряжении без коэффициента поправки на высоту над уровнем моря. Тогда вышеуказанные элементы отсоединяют и оставшуюся часть аппарата испытывают при номинальном импульсном выдерживаемом напряжении, применяя коэффициент поправки на высоту над уровнем моря.

Воздушные зазоры, равные или превышающие указанные для класса A в таблице 13, можно проверить методом измерения в соответствии с приложением G.

b) Испытательное напряжение

Испытательное напряжение должно соответствовать указанному в 7.2.3.1.

Для аппаратов, оснащенных устройствами для подавления перенапряжений, энергосодержание испытательного тока не должно превышать номинального энергетического параметра устройства для подавления перенапряжений. Указанный выше параметр должен быть удобен для применения.

Примечание - Подобные вышеуказанному параметры находятся в стадии рассмотрения.

Испытательное оборудование калибруют на подачу импульса 1,2/50 мкс, как указано в IEC 61180. Затем к выходным выводам испытательного устройства подсоединяют испытуемый аппарат, и для каждой полярности с минимальным интервалом 1 с пять раз подают импульс. Влияние испытуемого аппарата на форму волны (при наличии) не учитывают.

Если в ходе испытания потребуется повторное испытание на электрическую прочность изоляции, его условия должны устанавливаться в стандарте на аппарат конкретного вида.

Примечание - Испытательное оборудование находится в стадии рассмотрения.

c) Подача испытательного напряжения

После установки и подготовки аппарата в соответствии с перечислением а) испытательное напряжение подают в следующем порядке:

I) между всеми выводами главной цепи, соединенными между собой (с присоединением к главной цепи вспомогательных цепей и цепей управления), и оболочкой или монтажной плитой при всех нормальных рабочих положениях контактов;

II) между каждым полюсом главной цепи и соединенными между собой другими полюсами и оболочкой или монтажной плитой при всех нормальных рабочих положениях контактов;

III) между каждой цепью управления и вспомогательной цепью, нормально не присоединенными к главной цепи, и:

- главной цепью,

- прочими цепями,

- открытыми токопроводящими частями,

- оболочкой или монтажной плитой, которые (если требуется) могут быть соединены между собой;

IV) между полюсами главной цепи для аппарата, пригодного для разъединения. При этом соединяются между собой отдельно входные и отдельно выходные выводы.

Испытательное напряжение подают между входными и выходными выводами аппарата при разомкнутых контактах, а его значение должно соответствовать 7.2.3.1, пункт 1) перечисления b).

Для аппаратов, не пригодных для разъединения, требования к испытанию при разомкнутых контактах - в соответствии со стандартом на аппарат конкретного вида.

d) Критерии соответствия

Во время испытаний не должно возникать непреднамеренных пробивных разрядов.

Примечания

1 Исключением является преднамеренный пробивной разряд с целью, например подавления переходного перенапряжения.

2 Термин «пробивной разряд» относится к явлениям, связанным с повреждением изоляции под электрической нагрузкой, когда разряд полностью перекрывает испытуемую изоляцию, сводя напряжение между электродами практически к нулю.

3 Если пробивной разряд возникает в газообразном или жидком диэлектрике, применяется термин «перекрытие» («sparkover»OT слова «spark»- искра).

4 Если пробивной разряд происходит в газообразной или жидкой среде, применяется термин «перекрытие» («flashover» от слова «flash»- вспышка).

5 Если пробивной разряд проходит сквозь твердый диэлектрик, применяется термин «пробой» («puncture»).

6 Пробивной разряд в твердом диэлектрике приводит к устойчивой утрате электрической прочности изоляции, в жидкостном или газообразном диэлектрике такая утрата может оказаться временной.

3) Проверка твердой изоляции выдерживаемым напряжением промышленной частоты

a) Общие требования

Данное испытание касается проверки твердой изоляции и способности выдерживать временные перенапряжения.

Очевидно, что данные, приведенные в таблице 12 А, характеризуют способность выдерживать временные перенапряжения (см. таблица 12 А, примечание b).

b) Испытательное напряжение

Форма волны испытательного напряжения должна быть практически синусоидальной и частота должна быть от 45 до 65 Гц.

Примечание - Фраза «практически синусоидальной» означает, что соотношение между пиковым значением и действующим значением составляет √2 ± 3 %.

Конструкция применяемого при испытании высоковольтного трансформатора должна быть такой, чтобы, когда выходные выводы накоротко замкнуты после того, как выходное напряжение отрегулировано до соответствующего испытательного значения, выходной ток был не менее 200 мА.

Максимальное реле тока не должно сработать при выходном токе менее 100 мА.

Значение испытательного напряжения должно быть следующим:

I) для главной цепи, цепей управления и вспомогательных цепей в соответствии с таблицей 12 А, погрешность измерения испытательного напряжения не должна выходить за пределы ± 3 %;

II) если проведение испытания напряжением переменного тока не возможно, например из-за наличия фильтра электромагнитных помех, допускается проведение испытания напряжением постоянного тока с использованием значений, приведенных в таблице 12 А, третья графа. Погрешность измерения испытательного напряжения не должна выходить за пределы ± 3 %;

c) Подача испытательного напряжения

Испытательное напряжение подают в течение 5 с в соответствии с 8.3.3.4.1, пункт 2), перечисления с) I), II) и III).

Примечание - В стандарте на аппарат конкретного вида длительность испытания может быть увеличена до 60 с.

d) Критерии соответствия

Во время испытания не должно происходить пробивных разрядов, внутренних и внешних пробоев изоляции или демонстрации других признаков пробоев. Тлеющим разрядом следует пренебречь.

Элементы цепи, присоединенные между фазой и землей, могут получить повреждение во время испытания, однако подобное повреждение не должно создать условия, способные привести к опасной ситуации. В стандартах на аппараты конкретных видов должны быть приведены особые критерии соответствия.

Примечание - Уровни напряжения на землю приведены в соответствии с IEC 60664-1, исходя из наихудших условий (которые в практике не встречаются).

4) Проверка выдерживаемым напряжением промышленной частоты после коммутационных испытаний и испытаний на короткое замыкание

a) Общие требования

Данное испытание следует проводить на смонтированном аппарате после коммутационных испытаний или испытаний на короткое замыкание.

Если по какой-то причине это неосуществимо, аппарат можно отсоединить и отделить от испытательной цепи, тем не менее следует принять меры, чтобы это отсоединение не повлияло на результат испытания.

b) Испытательное напряжение

Действуют требования пункта 3), перечисление b), за исключением того, что значение испытательного напряжения должно быть 2Ue , но не менее 1000 В (действующее значение переменного тока).

Примечание - Стандарты на аппараты конкретных видов при переиздании должны быть откорректированы в соответствии с данным требованием.

c) Подача испытательного напряжения

Действуют требования пункта 3), перечисление с) Применение металлической фольги по пункту 8.3.3.4.1, перечисление 1) не требуется.

d) Критерии соответствия

Действительны требования пункта 3), перечисление d).

5) Свободный.

6) Проверка выдерживаемым напряжением постоянного тока

На рассмотрении.

7) Проверка расстояний утечки

Следует измерять кратчайшие расстояния между фазами, между проводниками цепи при различных напряжениях и частями, находящимися под напряжением, и открытыми токопроводящими частями. Измеренное расстояние утечки с учетом группы материала и степени загрязнения должно соответствовать требованиям 7.2.3.4.

8) Проверка тока утечки аппарата, пригодного для разъединения

Испытания должны быть приведены в стандарте на аппарат конкретного вида.

8.3.3.4.2 Контрольные испытания

1) Импульсное выдерживаемое напряжение

Данные испытания следует проводить по пункту 8.3.3.4.1, перечисление 2).

Испытательное напряжение должно быть не менее 30 % номинального импульсного выдерживаемого напряжения (без коэффициента поправки на высоту над уровнем моря) или удвоенного номинального напряжения изоляции (2Ui) - выбирают, что больше.

2) Выдерживаемое напряжение промышленной частоты

a) Испытательное напряжение

Испытательное оборудование должно быть такое же, как указано в 8.3.3.4.1, пункт 3), перечисление b), за исключением того, что максимальный расцепитель тока должен иметь уставку 25 мА.

Однако, по усмотрению изготовителя, в целях безопасности может быть применена испытательная установка меньшей мощности или меньшее значение уставки расцепителя. Тем не менее ток короткого замыкания испытательной установки должен быть не менее 8-кратного номинального значения уставки расцепителя максимального реле тока, например для трансформатора с током короткого замыкания 40 мА максимальная уставка расцепителя максимального реле тока должна быть (5 ± 1) мА.

Примечание - Допускается учитывать емкостное сопротивление аппарата.

Испытательное напряжение должно быть 2Ue, но не менее 1000 В переменного тока (действующее значение).

Примечание - В случае нескольких значений Ue относится к наибольшему значению, маркированному на аппарате или приведенному в документации изготовителя.

b) Подача испытательного напряжения

Действуют требования 8.3.3.4.1, пункт 3), перечисление с), однако длительность подачи испытательного напряжения должно составлять не более 1 с.

В качестве альтернативы возможно испытание по упрощенной методике, если изоляцию подвергают эквивалентным испытательным нагрузкам.

c) Критерии соответствия

Максимальное реле тока не должно сработать.

3) Комбинированное импульсное выдерживаемое напряжение и выдерживаемое напряжение промышленной частоты

В стандартах на аппарат конкретного вида может содержаться указание о возможности замены испытаний по 8.3.3.4.2, пункты 1) и 2) одним испытанием на выдерживаемое напряжение промышленной частоты, если пиковое значение синусоидальной волны тока соответствует значению, указанному в 8.3.3.4.2, пункты 1) или 2), выбирают большее значение.

4) Применение металлической фольги ни в одном из случаев согласно 8.3.3.4.1, пункт 1) не требуется.

8.3.3.4.3 Выборочные испытания для проверки воздушных зазоров

1) Общие требования

Данные испытания предназначены для проверки соблюдения требований к конструкции в части воздушных зазоров и проводятся только на аппаратах с воздушными зазорами менее соответствующих таблице 13, случай A.

2) Испытательное напряжение

Испытательное напряжение должно соответствовать номинальному импульсному выдерживаемому напряжению.

Программа и методика отбора образцов для испытаний должны устанавливаться в стандарте на аппарат конкретного вида.

3) Подача испытательного напряжения

Испытательное напряжение подают в соответствии с 8.3.3.4.1, пункт 2), перечисление с), но без покрытия органа управления или оболочки металлической фольгой.

4) Критерии соответствия

Во время испытаний не должны возникать пробивные разряды.

8.3.3.4.4 Испытания аппаратов с разной степенью защиты по изоляции

Испытания аппаратов с разной степенью защиты по изоляции приведены в приложении N.

8.3.3.5 Включающая и отключающая способности

8.3.3.5.1 Общие условия испытания

Испытания на проверку включающей и отключающей способностей проводят в соответствии с общими условиями испытаний по 8.3.2.

Допуски для отдельных фаз должны соответствовать указанным в таблице 8 (если нет иных указаний).

Четырехполюсный аппарат испытывают как трехполюсный с неиспользуемым полюсом, который в аппарате с нейтральным полюсом является нейтральным полюсом, присоединенным к корпусу.

Если все полюса одинаковы, достаточно одного испытания на трех соседних полюсах. В противном случае требуется дополнительное испытание между нейтральным и ближайшим к нему полюсами (см. рисунок 4) при номинальном токе нейтрального полюса и напряжении между фазой и нейтралью, тогда как два других, неиспользуемых полюса, присоединяют к корпусу.

Значения восстанавливающегося напряжения при испытаниях на отключающую способность в условиях нормальной нагрузки и перегрузки указывают в стандарте на аппарат конкретного вида.

8.3.3.5.2 Испытательная цепь

а) На рисунках 3 - 6 представлены следующие схемы цепей, используемых при испытаниях:

- однополюсного аппарата однофазным переменным или постоянным током (см. рисунок 3);

- двухполюсного аппарата однофазным переменным или постоянным током (см. рисунок. 4);

- трехполюсного аппарата или трех однополюсных аппаратов трехфазным переменным током (см. рисунок 5);

- четырехполюсного аппарата трехфазным переменным током в четырехпроводной схеме (см. рисунок 6).

Подробная схема цепи, использованной для испытания, должна быть приведена в протоколе испытания.

b) Ожидаемый ток на входных выводах аппарата должен быть не менее одного из двух значений: десятикратного испытательного тока или 50 кА; выбирают меньшее значение.

c) Испытательная цепь включает в себя источник питания, аппарат D, подвергающийся испытанию, и цепь нагрузки.

d) В цепь нагрузки должны входить сопротивления и реакторы с воздушными сердечниками, соединенные последовательно. Реакторы с воздушными сердечниками в любой фазе должны быть шунтированы сопротивлениями, отводящими около 0,6 % тока, проходящего через реактор.

Однако в случаях, когда указывается значение восстанавливающегося напряжения, шунтирующие сопротивления, отводящие 0,6 % тока, следует заменить параллельными нагрузке сопротивлениями и конденсаторами, так чтобы вся цепь нагрузки приняла вид в соответствии с рисунком 8.

Примечание - При испытании на постоянном токе, когда значение L/R превышает 10 мс, можно использовать реактор с железным сердечником и последовательно соединенными резисторами, проверяя при необходимости осциллографом, что значение L/R равно вышеуказанному значению с отклонением, не превышающим + 15 %, и время, при котором достигается 95 % установившегося тока, равно 3 × L/R ± 20 %.

Если устанавливается переходный пусковой ток (например, в категориях применения АС-5b, АС-6 и DC-6), стандарт на аппарат конкретного вида может рекомендовать другую нагрузку.

e) Нагрузку следует регулировать так, чтобы при заданном напряжении обеспечивалось:

- значения тока и коэффициента мощности или постоянной времени, установленные в стандарте на аппарат конкретного вида;

- заданное значение возвращающегося напряжения;

- частота колебаний восстанавливающегося напряжения и коэффициент y (если указаны).

Коэффициент у - отношение значения U1 наибольшего пикового восстанавливающегося напряжения к мгновенному значению U2 (в момент прохождения тока через нуль) составляющей возвращающегося напряжения промышленной частоты (см. рисунок 7).

f) Испытательная цепь должна быть заземлена только в одной точке. Эта точка должна находиться либо со стороны нагрузки вершины звезды, либо со стороны питания вершины звезды. Положение этой точки должно быть указано в протоколе испытаний.

Примечание - Последовательность присоединения R и X (см. рисунки 8a и 8b) не допускается менять в период между регулировкой и испытанием.

g) Все части аппаратов, нормально заземляемые в условиях эксплуатации, в том числе оболочка или экран, должны быть изолированы от земли и присоединены в одной точке, как показано на рисунках 3 - 5 или 6.

Соединение F должно представлять собой плавкий элемент, содержащий медную проволоку диаметром 0,8 мм и длиной не менее 50 мм, или эквивалентный ему плавкий элемент для обнаружения аварийного тока.

Ожидаемый аварийный ток в цепи этого плавкого элемента должен быть 1500 А ± 10 %, за исключением случаев, оговоренных в примечаниях 2 и 3. Если необходимо, следует использовать сопротивление, ограничивающее ток этим значением.

Примечания

1 Медная проволока диаметром 0,8 мм расплавляется при переменном токе 1500 А приблизительно за один полупериод при частоте от 45 до 67 Гц (или за 0,01 с при постоянном токе).

2 По соглашению с изготовителем в системе питания с искусственной нейтралью допускается более низкий ожидаемый аварийный ток с проводом меньшего диаметра в соответствии с нижеприведенным соотношением.

Диаметр медной проволоки, мм/ожидаемый аварийный ток в цепи плавкого предохранителя, А: 0,1/50; 0,2/150; 0,3/300; 0,4/500; 0,5/800; 0,8/1500.

3 Значение сопротивления плавкого элемента - по 8.3.2.1.

8.3.3.5.3 Характеристики восстанавливающегося напряжения

Для того, чтобы смоделировать условия в цепях индивидуальных двигателей (индуктивных нагрузок), регулируют колебательную частоту цепи нагрузки f, кГц до уровня

f = 2000 × Ic0,2 × Uе0,8 ± 10 %,

где f-частота колебаний, кГц;

Ic - ток отклонения, А;

Uе - номинальное рабочее напряжение, В.

Коэффициент γ следует отрегулировать так, чтобы γ = 1,1 ± 0,05.

Значение реактивного сопротивления, необходимое для этого испытания, можно обеспечить, соединив параллельно несколько реакторов при условии, что восстанавливающемуся напряжению можно по-прежнему приписывать только одну колебательную частоту. Это фактически тот случай, когда у таких реакторов практически одинаковая постоянная времени.

Выходные выводы аппарата следует присоединить как можно ближе к выводам отрегулированной цепи нагрузки. Такая регулировка должна производиться после установки этих соединений на место.

Два способа регулирования цепи нагрузки приведены в приложении E в зависимости от положения заземления.

8.3.3.5.4 Свободный.

8.3.3.5.5 Методика испытания на включающую и отключающую способности

Число операций, время прохождения тока, длительность обесточенного состояния и условия окружающей среды должны соответствовать рекомендациям стандарта на аппарат конкретного вида.

8.3.3.5.6 Состояние аппарата во время и после испытания на включающую и отключающую способности

Критерии соответствия во время и после испытания должны быть указаны в стандарте на аппарат конкретного вида.

8.3.3.6 Работоспособность

Проводят испытания для проверки соответствия требованиям 7.2.4.2.

Испытательная цепь должна соответствовать 8.3.3.5.2 и 8.3.3.5.3.

Условия испытания должны быть подробно описаны в стандарте на аппарат конкретного вида.

8.3.3.7 Износостойкость

Испытания на износостойкость предназначаются для проверки числа циклов оперирования, которое способен выдержать аппарат без ремонта или замены частей.

Испытания на износостойкость служат основанием для статистической оценки срока эксплуатации аппарата, если допускают производственные параметры.

8.3.3.7.1 Механическая износостойкость

Во время данного испытания в главной цепи не должно быть напряжения и тока. Перед испытанием аппарат допускается смазывать, если смазка предусмотрена нормальными условиями эксплуатации.

Ток в цепь управления должен подаваться при ее номинальном напряжении и (если требуется) при номинальной частоте.

В пневматические и электропневматические аппараты сжатый воздух должен подаваться под номинальным давлением.

Оперировать аппаратом с ручным управлением следует как в нормальных условиях эксплуатации.

Число циклов оперирования должно быть не менее предписанного стандартом на аппарат конкретного вида.

Для аппаратов, оснащенных размыкающими реле или расцепителями, общее число операций размыкания, которые должны выполнить такие реле или расцепители, должно быть указано в стандарте на аппарат конкретного вида.

Способ оценки результатов испытаний должен устанавливаться в стандарте на аппарат конкретного вида.

8.3.3.7.2 Коммутационная износостойкость

Условия испытания должны быть такими же, как в 8.3.3.7.1, но в главную цепь подается ток согласно требованиям стандарта на аппарат конкретного вида.

Способ оценки результатов испытания устанавливается в стандарте на аппарат конкретного вида.

8.3.4 Работоспособность в условиях короткого замыкания

В данном пункте определены условия испытаний для проверки соблюдения номинальных и предельных значений по 7.2.5. Дополнительные требования, касающиеся методики испытания, оперирования и циклов испытаний, состояния аппаратов после испытаний и испытаний на координацию аппаратов с устройствами для защиты от коротких замыканий (УЗКЗ), приводятся в стандарте на аппарат конкретного вида.

8.3.4.1 Общие условия испытаний на короткое замыкание

8.3.4.1.1 Общие требования

Действительны общие требования по 8.3.2.1. Условия оперирования механизмом управления указывают в стандарте на аппарат конкретного вида. Питание электрической или пневматической системы управления должно осуществляться при минимальном напряжении или минимальном давлении в соответствии со стандартом на аппарат конкретного вида. Следует удостовериться, что в этих условиях обесточенный аппарат срабатывает правильно.

Дополнительные условия испытания могут быть установлены в стандарте на аппарат конкретного вида.

8.3.4.1.2 Испытательная цепь

a) На рисунках 9 - 12 приведены следующие схемы цепей, применяемых при испытаниях:

- однополюсного аппарата однофазным переменным или постоянным током (см. рисунок 9);

- двухполюсного аппарата однофазным переменным или постоянным током (см. рисунок 10);

- трехполюсного аппарата трехфазным переменным током (см. рисунок 11);

- четырехполюсного аппарата трехфазным переменным током в четырехпроводной схеме (см. рисунок 12).

Подробную схему использованной цепи приводят в протоколе испытаний.

Примечание - Для комбинаций с УЗКЗ взаимная компоновка УЗКЗ и аппарата, подлежащего испытанию, должна быть указана в стандарте на аппарат конкретного вида.

b) Источник питания S подает ток в цепь, включающую сопротивления R1; реакторы X и испытуемый аппарат D.

В любом случае мощность источника питания аппарата должна быть достаточной для проверки характеристик, указанных изготовителем.

Активное и реактивное сопротивления должны быть регулируемыми с тем, чтобы соответствовать указанным условиям испытания. Реактор X должен быть с воздушным сердечником.

Реакторы следует соединять последовательно с сопротивлениями R1 а требуемое значение реактивного сопротивления следует обеспечить путем последовательного соединения отдельных реакторов; допускается также параллельное соединение реакторов, если у них практически одинаковая постоянная времени.

Поскольку характеристики восстанавливающегося напряжения испытательных цепей, включающих в себя большие реакторы с воздушными сердечниками, не типичны для обычных условий эксплуатации, реактор с воздушным сердечником в каждой фазе должен быть шунтирован сопротивлением, отводящим приблизительно 0,6 % тока, проходящего через реактор, при отсутствии иного соглашения между изготовителем и потребителем.

c) В каждую испытательную цепь (см. рисунки 9 - 12) вводят сопротивления и реакторы между источником питания S и испытуемым аппаратом D. Положения замыкающего аппарата А и датчиков тока (I1, I2, I3) могут быть различными. Замыкающий аппарат А может размещаться со стороны низкого напряжения или наоборот с первичной стороны. В последнем случае испытательный центр должен убедиться, что волна напряжения не искажается остаточной индукцией трансформатора короткого замыкания.

Соединения испытуемого аппарата с испытательной цепью должны характеризоваться в стандарте на аппарат конкретного вида.

Если для испытаний используется ток ниже номинального, на выходной стороне аппарата между ним и короткозамыкателем следует вставить дополнительное требуемое полное сопротивление, однако, можно установить его на входной стороне, но это следует указать в протоколе испытаний.

Это не относится к испытаниям на кратковременно допустимый ток (см. 8.3.4.3).

При отсутствии специального соглашения между изготовителем и потребителем, подробности которого фиксируют в протоколе испытаний, схема испытательной цепи должна соответствовать рисункам 9 - 12.

Заземлять следует одну и только одну точку испытательной цепи: короткозамкнутое звено испытательной цепи или нейтральную точку источника питания, или любую другую удобную точку, но способ заземления следует указать в протоколе испытания.

d) Все части аппарата, нормально заземленные при эксплуатации, в том числе оболочка и экраны, должны быть изолированы от земли и присоединены к одной точке, как показано на рисунках 9 - 12.

Соединение F должно представлять собой медную проволоку диаметром 0,8 мм и длиной не менее 50 мм или эквивалентный ей плавкий элемент для обнаружения аварийного тока.

Значение ожидаемого аварийного тока в цепи с плавким элементом должно составлять 1500 А ± 10 %, за исключением случаев, оговоренных в примечаниях 2 и 3. Если необходимо, следует использовать сопротивление, ограничивающее ток до этого значения.

Примечания

1 Медная проволока диаметром 0,8 мм при значении тока 1500 А расплавится приблизительно за полупериод при частоте от 45 до 67 Гц (или за 0,01 с при постоянном токе).

2 В случае применения источника питания с искусственной нейтралью допускается более низкое значение ожидаемого аварийного тока по соглашению с изготовителем. В этом случае применяют медную проволоку меньшего диаметра в соответствии с нижеприведенным соотношением.

Диаметр медной проволоки, мм/ожидаемый аварийный ток в цепи плавкого предохранителя, А: 0,1/50; 0,2/150; 0,3/300; 0,4/500; 0,5/800; 0,8/1500.

3 Значение сопротивления плавкого элемента см. 8.3.2.1.

8.3.4.1.3 Коэффициент мощности испытательной цепи

На переменном токе коэффициент мощности каждой фазы испытательной цепи следует определять каким-либо из способов, который указывают в протоколе испытания.

Два способа приведены в приложении F.

Коэффициент мощности многофазной цепи рассчитывают как среднее значение коэффициентов мощности каждой фазы.

Коэффициент мощности должен соответствовать значениям, указанным в таблице 16.

Разница между средним и максимальным и минимальным значениями коэффициентов мощности в отдельных фазах не должна выходить за пределы ± 0,05.

8.3.4.1.4 Постоянная времени испытательной цепи

На постоянном токе постоянную времени испытательной цепи допускается определять методом в соответствии с приложением F, раздел F.2. Постоянная времени должна соответствовать значениям, указанным в таблице 16.

8.3.4.1.5 Калибровка испытательной цепи

Для калибровки испытательной цепи временные соединения В с ничтожно малым полным сопротивлением помещают по возможности близко к выводам, предусмотренным для присоединения испытуемого аппарата.

На переменном токе сопротивления R1 и реакторы X регулируют так, чтобы при данном напряжении до включения обеспечить ток, равный номинальной наибольшей отключающей способности, и коэффициент мощности согласно 8.3.4.1.3.

Для определения по осциллограмме калибровки наибольшей включающей способности испытуемого аппарата калибруют цепь в расчете на достижение в одной из фаз ожидаемого тока включения.

Примечание - Напряжение до включения - это напряжение в разомкнутой цепи, необходимое для получения заданного возвращающегося напряжения (см. также 8.3.2.2.3, примечание 1).

На постоянном токе сопротивления R1 и реакторы X регулируют так, чтобы при данном испытательном напряжении обеспечить ток, максимальное значение которого равняется номинальной наибольшей отключающей способности, и постоянную времени по 8.3.4.1.4.

Ток одновременно подают во все полюса испытательной цепи, и токовую характеристику записывают в течение не менее 0,1 с.

В коммутационных аппаратах постоянного тока контакты разъединяются до достижения пикового значения по калибровочной кривой. Калибровочной диаграммы, при наличии дополнительного активного сопротивления в цепи, достаточно для доказательства того, что скорость нарастания тока в амперах в секунду равна скорости нарастания испытательного тока при указанной постоянной времени (см. рисунок 15). Это дополнительное сопротивление должно быть таким, чтобы пиковое значение тока по калибровочной кривой по крайней мере равнялось пиковому значению тока отключения. Для самого испытания это сопротивление следует убрать [см. 8.3.4.1.8, перечисление b)].

8.3.4.1.6 Методика испытания

После калибровки испытательной цепи по 8.3.4.1.5 временные соединения заменяют испытуемым аппаратом с соединительными кабелями (при их наличии).

Испытания на работоспособность в условиях короткого замыкания проводят согласно требованиям стандарта на аппарат конкретного вида.

8.3.4.1.7 Поведение аппарата во время испытаний на включение и отключение в условиях короткого замыкания

Не должны образовываться дуга, перекрытие между полюсами или между полюсами и корпусом, не должен расплавляться предохранитель F в цепи обнаружения утечки (см. 8.3.4.1.2).

Дополнительные требования могут содержаться в стандарте на аппарат конкретного вида.

8.3.4.1.8 Интерпретация записей

a) Определение напряжения до включения и возвращающегося напряжения

Напряжение до включения и возвращающееся напряжение определяют по записи, сделанной во время испытания на отключение конкретного испытуемого аппарата и оцененной в соответствии с рисунком 13 для переменного тока и рисунком 14 для постоянного тока.

Напряжение на входной стороне следует измерять в течение первого полного периода после гашения дуги во всех полюсах и подавления высокочастотных колебаний (см. рисунок 13).

Если требуется дополнительная информация, например о напряжении на контактах отдельных полюсов, времени дуги, энергии дугообразования, коммутационным перенапряжении и т.п., ее можно получить с помощью дополнительных датчиков на каждом полюсе, причем сопротивление каждой такой измерительной цепи должно быть не ниже 100 Ом/В действующего значения напряжения на отдельных полюсах; данное значение должно быть внесено в протокол испытания.

b) Определение ожидаемого тока отключения

Ожидаемый ток отключения определяют сопоставлением токовых характеристик, полученных в период калибровки цепи и во время испытания аппарата на отключение (см. рисунок 13).

На переменном токе периодическая составляющая ожидаемого тока отключения предполагается равной действующему значению периодической составляющей тока калибровки в момент разъединения дугогасительных контактов (что соответствует А2/2√2 на рисунке 13 a). Ожидаемый ток отключения рассчитывают как среднее значение ожидаемых токов во всех фазах с допуском по таблице 8.

Ожидаемый ток в каждой фазе не должен отличаться более чем на ± 10 % номинального значения.

Примечание - По согласованию с изготовителем ток в каждой фазе не может отличаться более, чем на ± 10 % среднего значения ожидаемого тока.

На постоянном токе ожидаемый ток отключения считают равным максимальному значению А2, определенному по калибровочной кривой аппарата, отключающего ток до достижения им максимального значения, и значению А для аппарата, отключающего ток после прохождения максимума [см. рисунки 14 a) и 14 b)].

Испытание аппарата на постоянном токе, проверенного в соответствии с требованиями 8.3.4.1.5, когда калибровка испытательной цепи проводилась при токе I1, ниже номинальной отключающей способности, считается недостоверным, если фактический ток отключения I2 выше, чем I1; и должно быть проведено повторно после калибровки при токе I3 более высоком, чем I2 (см. рисунок 15).

Ожидаемый ток отключения А2 = U/R определяют путем расчета сопротивления R испытательной цепи на основании сопротивлений R1 соответствующих калибровочных цепей. Постоянную времени испытательной цепи определяют по формуле

.

Допуски должны соответствовать значениям, указанным в таблице 8.

c) Определение ожидаемого пикового тока включения

Ожидаемый пиковый ток включения определяют по калибровочной записи и считают равным А1 (см. рисунок 13 a) на переменном токе и А2 (см. рисунок 14) на постоянном токе. При испытаниях трехфазным током его приравнивают к наибольшему из трех значений A1 установленных по записи.

Примечание - При испытаниях однополюсных аппаратов ожидаемый пиковый ток включения, определяемый по калибровочной записи, может отличаться от фактического тока включения в ходе испытания из-за различия моментов включения.

8.3.4.1.9 Состояние аппарата после испытаний

После испытаний аппарат должен соответствовать требованиям стандарта на аппарат конкретного вида.

8.3.4.2 Наибольшая включающая и отключающая способности

Методика испытаний на проверку номинальной наибольшей включающей и отключающей способностей аппарата - в соответствии со стандартом на аппарат конкретного вида.

8.3.4.3 Проверка способности аппарата проводить номинальный кратковременно допустимый ток

Испытанию подвергают замкнутый аппарат при ожидаемом токе, равном номинальному кратковременно допустимому току, и соответствующем рабочем напряжении в общих условиях по 8.3.4.1.

Если затруднительно проводить такое испытание при рабочем напряжении, его разрешается проводить при любом удобном более низком напряжении. В этом случае фактический испытательный ток должен быть равен номинальному кратковременно допустимому току Icw. , что должно быть оговорено в протоколе испытания. Но если в ходе испытания наблюдается кратковременный отброс контактов, испытание следует повторить при номинальном рабочем напряжении.

Для этого испытания следует заблокировать любой максимальный расцепитель тока (при наличии), способный сработать во время испытания.

a) Испытание на переменном токе

Данные испытания следует проводить при номинальной частоте тока с допускаемым отклонением ± 25 % и коэффициенте мощности, соответствующем номинальному кратковременно допустимому току в соответствии с таблицей 16.

Значение тока во время калибровки - среднее из действующих значений периодической составляющей во всех фазах (см. 4.3.6.1). Среднее значение действующего значения периодической составляющей должно быть равно номинальному значению в пределах допусков, указанных в таблице 8.

В каждой фазе ток не должен выходить за пределы ± 5 % номинального значения.

Если испытание проводят при номинальном значении рабочего напряжения, ток калибровки - ожидаемый ток, если испытание проводят при каком-либо более низком значении напряжения - фактический испытательный.

Ток следует подавать в течение установленного времени, на протяжении которого действующее значение его периодической составляющей должно оставаться постоянным.

Примечание - С согласия изготовителя значение тока в каждой фазе может быть ± 10 % среднего значения при затруднениях испытательной станции.

Наибольшее пиковое значение тока на протяжении его первого периода должно быть не ниже n-кратного номинального значения кратковременно допустимого тока, где п соответствует соотношению по таблице 16.

При невозможности по каким-либо причинам выполнить эти требования допускаются другие значения тока при условии, что

,

где  - длительность испытания;

 - постоянная времени;

 - калибровочный ток, если периодическая составляющая не является постоянной или больше Icw;

I - фактический калибровочный ток, которому приписывается постоянная по значению составляющая.

Если на имеющемся источнике питания ток короткого замыкания убывает настолько, что за номинальное время невозможно получить номинальный кратковременно допустимый ток, не подавая изначально чрезмерно высокий ток, можно допустить уменьшение действующего значения этого тока за время испытания до уровня ниже установленного и соответственно увеличить длительность подачи тока при условием, что значение наибольшего пикового тока будет не менее установленного.

Если для достижения требуемого пикового тока действующее значение данного тока приходится увеличить до уровня выше установленного, следует соответственно сократить время проведения испытания.

b) Испытание на постоянном токе

Ток следует подавать в течение установленного времени, а его среднее значение, определенное по записи, должно быть равно по крайней мере заданному.

Если при испытании невозможно в течение заданного времени обеспечить соответствие данным требованиям, не подавая изначально чрезмерно высокий ток, допускается уменьшение значения этого тока за время испытания до уровня ниже установленного и соответствующее увеличение длительности с условием, чтобы максимальное значение этого тока было не меньше установленного.

Если невозможно проводить эти испытания на постоянном токе, то по соглашению между изготовителем и потребителем допускается проводить их на переменном токе, если принять нужные меры предосторожности для того, чтобы, например пиковое значение тока не превышало допустимое.

c) Состояние аппарата во время и после испытания

Состояние аппарата во время испытания определяют в соответствии со стандартом на аппарат конкретного вида.

После испытания должно быть возможно оперирование аппаратом с применением нормальных органов управления.

8.3.4.4 Координация с устройствами для защиты от короткого замыкания и номинальный условный ток короткого замыкания

Условия и методика испытаний по применению должны быть изложены в стандарте на аппарат конкретного вида.

8.4 Испытания на ЭМС

Испытания на устойчивость к электромагнитным помехам и помехоэмиссию являются типовыми и должны проводиться в типовых условиях эксплуатации и окружающей среды согласно инструкциям изготовителя по монтажу.

Испытания проводят в соответствии со стандартами на ЭМС, однако в стандарте на аппарат конкретного вида должны быть указаны дополнительные условия испытания (например применение оболочки) и дополнительные меры для проверки аппарата на соответствие критериям работоспособности (например, выдержки времени).

8.4.1 Помехоустойчивость

8.4.1.1 Аппараты, не содержащие электронные цепи

Испытания не проводят. См. 7.3.2.1.

8.4.1.2 Аппараты, содержащие электронные цепи

8.4.1.2.1 Общие положения

Для аппаратов, содержащих электронные цепи, все компоненты которых пассивны (см. 7.3.2.2), испытания не проводят.

Критерии работоспособности, основанные на критериях соответствия, указанных в таблице 24, приведены в стандарте на аппарат конкретного вида.

8.4.1.2.2 Электростатические разряды

Испытания проводят по IEC 61000-4-2, используя значения по таблице 23, за исключением, если требуется и установлен в стандарте на аппарат конкретного вида другой уровень испытания.

Испытание повторяют 10-кратно в каждой измеряемой точке с минимальным интервалом между импульсами 1 с.

Испытательная установка по рисунку 18.

8.4.1.2.3 Радиочастотные электромагнитные поля

Испытания проводят по IEC 61000-4-3, используя значения по таблице 23, за исключением, если требуется и установлен в стандарте на аппарат конкретного вида другой уровень испытания.

Испытательная установка по рисунку 19.

Испытания проводят в два этапа:

Этап 1 - испытание аппарата на устойчивость к нежелательному срабатыванию в полном диапазоне частот.

Этап 2 - испытание аппарата на правильность при дискретных частотах.

На этапе 1 частота регулируется в диапазонах 80 - 1000 МГц и 1400 - 2000 МГц по разделу 8 IEC 61000-4-3. Выдержка времени амплитудного модулятора на каждой частоте составляет от 500 до 1000 мс, если иное не установлено в стандарте на аппарат конкретного вида; размер шага составляет 1 % предыдущей частоты.

Фактическую выдержку времени указывают в протоколе испытаний.

На этапе 2 для проверки функциональных характеристик на дискретных частотах испытание проводят по стандарту на аппарат конкретного вида.

8.4.1.2.4 Наносекундные импульсные помехи

Испытания проводят по IEC 61000-4-4, используя значения по таблице 23 с частотой повторения 5 кГц, за исключением, если требуются и установлены в стандарте на аппарат конкретного вида другой уровень испытания и/или другая частота повторения.

Испытательная установка по рисунку 20 для всех портов, кроме выводов сигнальной цепи.

Для испытания выводов сигнальной цепи все соединительные провода должны быть помещены в клещи емкостной связи при общей длине кабеля между генератором наносекундных импульсных помех и клещами не более 1 м.

8.4.1.2.5 Импульсы напряжения/тока

Испытания проводят по IEC 61000-4-5, используя значения по таблице 23 с учетом примечания d) к таблицам 2 и 3 IEC 61000-6-2.

Подаются импульсы как положительной, так и отрицательной полярности с предпочтительными значениями фазовых углов 0°, 90° и 270°.

Для каждой полярности и каждого фазового угла подают по пять импульсов с интервалом между двумя импульсами приблизительно 1 мин.

Для трехфазного аппарата с одинаковой конфигурацией цепи в каждой фазе испытание проводят только для одной фазы.

8.4.1.2.6 Кондуктивные помехи, наведенные радиочастотными электромагнитными полями

Испытания проводят по IEC 61000-4-6, используя значения по таблице 23.

Испытания проводят на аппарате без оболочки.

Помехи подают в линии питания с помощью развязывающего фильтра М1, М2 или М3, по обстоятельствам.

В линии сигнализации помехи подают с помощью развязывающего фильтра. При невозможности этого могут быть использованы электромагнитные клещи.

Индивидуальная испытательная установка по рисунку 21 или 22 должна быть описана в протоколе испытаний.

Испытания проводят в два этапа:

Этап 1 - испытание аппарата на устойчивость к нежелательному срабатыванию в полном диапазоне частот.

Этап 2 - испытание аппарата на правильность при дискретных частотах.

На этапе 1 частота регулируется в диапазонах 150 кГц - 80 МГц по разделу 8 IEC 61000-4-6. Выдержка времени амплитудного модулятора на каждой частоте составляет от 500 до 1000 мс, если иное не установлено в стандарте на аппарат конкретного вида; размер шага составляет 1 % предыдущей частоты.

Фактическую выдержку времени указывают в протоколе испытаний.

На этапе 2 для проверки функциональных характеристик на дискретных частотах испытание проводят по стандарту на аппарат конкретного вида.

8.4.1.2.7 Электромагнитные поля промышленной частоты

Данное испытание проводят для аппаратов, содержащих устройства, чувствительные к электромагнитным полям промышленной частоты, определяемым стандартом на аппарат конкретного вида.

Методика испытания по IEC 61000-4-8, испытание проводят на аппарате без оболочки, если только он не предназначен для применения в специальной оболочке. Уровни испытания по таблице 23. Поля прикладывают к аппарату в трех перпендикулярных направлениях (см. рисунок 23).

8.4.1.2.8 Динамические изменения напряжения электропитания

Данное испытание проводят для аппаратов, подверженным нежелательному срабатыванию при динамических изменениях напряжения электропитания.

Испытание проводят по IEC 61000-4-11. Испытуемый аппарат подсоединяют к испытательному генератору кратчайшим силовым кабелем, указанным изготовителем аппарата. Если длина кабеля не указана, выбирают самый короткий кабель, соответствующий назначению аппарата. Уровни испытаний приведены в таблице 23, при этом указанный процент означает процент номинального рабочего напряжения.

8.4.2 Помехоэмиссия

8.4.2.1 Аппараты, не содержащие электронные цепи

Испытания не проводят. См. 7.3.3.1.

8.4.2.2 Аппараты, содержащие электронные цепи

Стандарт на аппарат конкретного вида должен содержать методику испытаний. См. 7.3.3.2.

Таблица 1 - Стандартные значения поперечного сечения круглых медных проводников и приблизительное соотношение между системами мер (см. 7.1.8.2)

Номинальные поперечные сечения, мм2

Размер в системе AWG/kcmil

Сечение в метрической системе, эквивалентное размеру в системе AWG/kcmil мм2

0,20

24

0,205

0,34

22

0,324

0,50

20

0,519

0,75

18

0,820

1,00

-

-

1,50

16

1,300

2,50

14

2,100

4,00

12

3,300

6,00

10

5,300

10,00

8

8,400

16,00

6

13,300

25,00

4

21,200

35,00

2

33,600

-

1

42,400

50,00

0

53,500

70,00

00

67,400

95,00

000

85,000

-

0000

107,200

120

250 kcmil

127,000

150

300 kcmil

152,000

185

350 kcmil

177,000

-

400 kcmil

203,000

240

500 kcmil

253,000

300

600 kcmil

304,000

Примечания

1 Прочерк означает размер при оценке способности к присоединению (см. 7.1.8.2).

2 AWG - американский сортамент проводов - система идентификации проводов, где значения диаметров находятся в геометрической прогрессии между размерами 36 и 0000.

kcmil - единица измерения площади. 1000 круговых мил означает единицу площади круга - 1 kcmil = 0,50607 мм2.

Таблица 2 - Пределы превышения температуры выводов (см. 7.2.2.1 и 8.3.3.3.4)

Материал выводов

Пределы превышения температуры, °С 1), 3)

Медь без покрытия

60

Латунь без покрытия

65

Медь или латунь, покрытые оловом

65

Медь или латунь, покрытые серебром или никелем

70

Прочие материалы

2)

1) При применении проводников значительно меньшего сечения, чем указано в таблицах 9 и 10, может произойти перегрев деталей зажима, вывода и соседствующих частей аппарата, применение таких проводников требует дополнительного согласования с изготовителем аппарата.

2) Пределы превышения температуры должны устанавливаться на основе опыта эксплуатации аналогичных аппаратов или по результатам испытания на износостойкость, но значение превышения температуры не должно превышать 65 °С.

3) В стандартах на аппараты конкретных видов могут быть установлены другие значения, исходя из условий испытаний и малых размеров аппаратов, но не превышающие более чем на 10 °С значений, приведенных в данной таблице.

Таблица 3 - Пределы превышения температуры доступных частей (см. 7.2.2.2 и 8.3.3.3.4)

Доступная часть

Пределы превышения температуры,
°С
1)

Элементы для оперирования рукой или пальцем:

 

- металлические

15

- неметаллические

20

Части, доступные для прикосновения при оперировании, но не оперируемые рукой:

 

- металлические

30

- неметаллические

40

Части, при нормальном оперировании не доступные для прикосновения2) - наружная поверхность оболочек близ ввода кабеля:

 

- металлическая

40

- неметаллическая

50

Наружные поверхности оболочек для сопротивлений

2002)

Воздух, выбрасываемый из вентиляционных отверстий оболочек для сопротивлений

2002)

1) В стандартах на аппараты конкретных видов могут быть установлены другие значения, исходя из условий испытаний и малых размеров аппаратов, но не превышающие более чем на 10 °С значений, приведенных в данной таблице.

2) Данный аппарат следует изолировать от контакта с горючими материалами или случайных прикосновений персонала. Предел 200 °С может быть превышен, если это допускается изготовителем. Необходимые ограждения и место установки аппарата определяют при его монтаже. Изготовитель должен предоставить соответствующую информацию согласно 5.3.

Таблица 4 - Крутящие моменты для проверки механической прочности резьбовых выводов (см. 8.2.6, 8.2.6.2, 8.3.2.1)

Диаметр резьбы, мм

Крутящий момент при затягивании, Н ∙ м

Стандартное значение

Диапазон значений

I

II

Ill

1,6

До 1,6

0,05

0,1

0,1

2,0

Св. 1,6 » 2,0

0,10

0,2

0,2

2,5

» 2,0 » 2,8

0,20

0,4

0,4

3,0

» 2,8 » 3,0

0,25

0,5

0,5

-

» 3,0 » 3,2

0,30

0,6

0,6

3,5

» 3,2 » 3,6

0,40

0,8

0,8

4,0

» 3,6 » 4,1

0,70

1,2

1,2

4,5

» 4,1 » 4,7

0,80

1,8

1,8

5,0

» 4,7 » 5,3

0,80

2,0

2,0

6,0

» 5,3 » 6,0

1,20

2,5

3,0

8,0

» 6,0 » 8,0

2,50

3,5

6,0

10,0

» 8,0 » 10,0

-

4,0

10,0

12,0

» 10,0 » 12,0

-

-

14,0

14,0

» 12,0 » 15,0

-

-

19,0

16,0

» 15,0 » 20,0

-

-

25,0

20,0

» 20,0 » 24,0

-

-

36,0

24,0

» 24,0

-

-

50,0

Примечание - Значения, приведенные в графе I, распространяются на винты без головок, в затянутом виде не выступающие из отверстий, и другие винты, которые не могут быть затянуты отвёрткой с лезвием шириной более диаметра головки винта.

Значения, приведенные в графе II, распространяются на гайки и винты, затягиваемые отверткой.

Значения, приведенные в графе III, распространяются на гайки и винты, затягиваемые другим инструментом.

Таблица 5 - Испытательные параметры при испытаниях на изгиб и вытягивание круглых медных проводников (см. 8.2.4.4.1)

Поперечное сечение проводника

Диаметр отверстия в гильзе, мм1) 2)

Высота Н,1) мм

Масса, кг

Тянущее усилие, Н

мм2

AWG/kcmil

0,20

24

6,5

260

0,2

10

0,32

22

15

0,50

20

0,3

20

0,75

18

0,4

30

1,00

-

0,4

35

1,50

16

40

2,50

14

9,5

280

0,7

50

4,00

12

0,9

60

6,00

10

1,4

80

10,00

8

2,0

90

16,00

6

13,0

300

2,9

100

25,00

4

4,5

135

-

3

14,5

320

5,9

156

35,00

2

6,8

190

-

1

15,9

343

8,6

236

50,00

0

9,5

70,00

00

19,1

368

10,4

285

95,00

000

 

351

-

0000

14,0

 

120,00

250

22,2

406

 

427

150,00

300

15,0

 

185,00

350

25,4

432

16,8

503

-

400

240,00

500

28,6

464

20,0

578

300,00

600

22,7

1) Допуски: на высоту Н ± 15 мм, диаметр отверстия гильзы ± 2 мм.

2) Если гильза с указанным диаметром отверстия не обеспечивает пропускания проводника без заедания, допускается использовать гильзу со следующим в сторону увеличения значением диаметра.

Таблица 6 - Параметры при испытаниях на вытягивание плоских медных проводников (см. 8.2.4.4.2)

Максимальная ширина плоских проводников, мм

Тянущее усилие, Н

12

100

14

120

16

160

20

180

25

220

30

280

Таблица 7 - Максимальные поперечные сечения проводников и размеры соответствующих калибров (см. 8.2.4.5.1)

Размеры в миллиметрах

Площадь поперечного сечения проводников, мм2

Калибр (см. рисунок 2)

гибкого

жесткого (одно- или многожильного)

Форма А

Форма В

Предельные отклонения по размерам a, b

Маркировка

Диаметр a

Ширина b

Маркировка

Диаметр a

1,5

2,5

2,5

1,5

2,5

4

А1

А2

А3

2,4

2,8

2,8

1,5

2,0

2,4

В1

В2

В3

1,9

2,4

2,7

0

-0,05

4

6

10

6

10

16

А4

А5

А6

3,6

4,3

5,4

3,1

4,0

5,1

В4

В5

В6

3,5

4,4

5,3

0

-0,06

16

25

35

25

35

50

А7

А8

А9

7,1

8,3

10,2

6,3

7,8

9,2

В7

В8

В9

6,9

8,2

10,0

0

-0,07

50

70

95

120

150

70

95

120

150

185

А10

А11

А12

А13

А14

12,3

14,2

16,2

18,2

20,2

11,0

13,1

15,1

17,0

19,0

В10

В11

В12

В13

В14

12,0

14,0

16,0

18,0

20,0

0

-0,08

185

240

240

300

А15

А16

22,2

26,5

21,0

24,0

В15

В16

22,0

26,0

0

-0,09

Примечание - При значениях поперечных сечений проводников, отличающихся от указанных в таблице, в качестве калибра можно использовать неподготовленный проводник соответствующего поперечного сечения. При этом усилие ввода его в вывод не должно превышать 5 Н.

Таблица- Соотношение между сечением и диаметром проводников

Сечение

Теоретический диаметр наибольшего проводника

Метрический

AWG/kcmil

Жесткого

Гибкого

Жесткого

Гибкого

мм2

Одножильного

Многожильного

Калибр

b)

b)

Класс В

c)

Классы I, K, М

мм

мм

мм

Одножильного

мм

Многожильного мм

Многожильного мм

0,20

0,51

0,53

0,61

24

0,54

0,61

0,64

0,34

0,63

0,66

0,80

22

0,68

0,71

0,80

0,50

0,90

1,10

1,10

20

0,85

0,97

1,02

0,75

1,00

1,20

1,30

18

1,07

1,23

1,28

1,00

1,20

1,40

1,50

-

-

-

-

1,50

1,50

1,70

1,80

16

1,35

1,55

1,60

2,50

1,90

2,20

2,30а)

14

1,71

1,95

2,08

4,00

2,40

2,70

2,90а)

12

2,15

2,45

2,70

6,00

2,90

3,30

3,90а)

10

2,72

3,09

3,36

10,00

3,70

4,20

5,10

8

3,43

3,89

4,32

16,00

4,60

5,30

6,30

6

4,32

4,91

5,73

25,00

-

6,60

7,80

4

5,45

6,18

7,26

35,00

-

7,90

9,20

2

6,87

7,78

9,02

50

-

9,10

11,00а)

0

-

9,64

12,08

70

-

11,00

13,10а)

00

-

11,17

13,54

95

-

12,90

15,10а)

000

-

12,54

15,33

-

-

-

-

0000

-

14,08

17,22

120

-

14,50

17,00а)

250

-

15,34

19,01

150

-

16,20

19,00а)

300

-

16,80

20,48

185

-

18,00

21,00а)

350

-

18,16

22,05

-

-

-

-

400

-

19,42

24,05

240

-

20,60

24,00а)

500

-

21,68

26,57

300

-

23,10

27,00а)

600

-

23,82

30,03

Примечание - Диаметры наибольшего жесткого и гибкого проводников приведены по таблицам 1 и 3 IEC 60228А и IEC 60344; калибры AWG - по ASTM - В 172-71 [1], ICEAS-19-81 Публикации NEMA [2], ICEA S-66- 524 Публикации NEMA [3], ICEAS-66-516 Публикации NEMA [4],

Цифры в квадратных скобках относятся к разделу Библиография.

a) Размеры только гибких проводов класса 5 по IEC 60228А.

b) Номинальный диаметр с допуском +5 %.

c) Наибольший диаметр любого из трех классов I, K, М с допуском +5 %.

Таблица 8 - Предельные отклонения испытательных параметров (см. 8.3.4.3 а)

Все испытания

Испытания при нулевой и нормальной нагрузке и перегрузке

Испытание в условиях короткого замыкания

Ток +5 %

Коэффициент мощности ± 0,05 Постоянная времени +15 %

Коэффициент мощности ± 0,05 % Постоянная времени +25 %

Напряжение (в т.ч. возвращающееся напряжение промышленной частоты) +5%

Частота ± 5 %

Частота ± 5 %

Примечания

1 Указанные допуски не действительны, если в стандарте на аппарат конкретного вида установлены максимальные, минимальные или те и другие предельные отклонения.

2 По соглашению между изготовителем и потребителем испытания, проведенные при частоте 50 Гц, могут считаться действительными для оперирования при частоте 60 Гц и наоборот.

Таблица 9 - Поперечные сечения медных проводников для испытательных токов до 400 А включительно (см. 8.3.3.3.4)

Диапазон испытательных токов1), А

Поперечное сечение проводников 2), 3), 4)

мм2

AWG/kcmil

От 0 до 8

1,0

18

» 8 » 12

1,5

16

» 12 » 15

2,5

14

» 15 » 20

2,5

12

» 20 » 25

4,0

10

» 25 » 32

6,0

10

» 32 » 50

10

8

» 50 » 65

16

6

» 65 » 85

25

4

» 85 » 100

35

3

» 100 » 115

35

2

» 115 » 130

50

1

» 130 » 150

50

0

» 150 » 175

70

00

» 175 » 200

95

000

» 200 » 225

95

0000

» 225 » 250

120

250

» 250 » 275

150

300

» 275 » 300

185

350

» 300 » 350

185

400

» 350 » 400

240

500

1) Нижний предел диапазона испытательного тока должен превышать меньшее значение тока, указанного в таблице, а верхний предел - быть меньше или равным большему значению.

2) Для удобства испытания по соглашению с изготовителем допускается использовать проводники с меньшим поперечным сечением, чем указано в таблице для соответствующего диапазона испытательного тока.

3) Для проводов приведены размеры в метрической системе и в системе AWG/kcmil, а для шин - в миллиметрах и дюймах. Сравнение размеров метрической системы и системы AWG/kcmil приведены в таблице 1.

4) Для заданного диапазона испытательных токов допускается использовать проводник любого из двух размеров, указанных для этого диапазона.

Таблица 10 - Поперечные сечения медных проводников для испытательных токов св. 400 и до 800 А включительно* (см. 8.3.3.3.4)

Диапазон испытательных токов1), А

Проводники2), 3), 4)

Метрическая система

Система kcmil

Число, шт

Поперечное сечение, мм2

Число, шт

Размер kcmil

От 400 до 500 включ.

2

150

2

250

От 500 до 630 включ.

185

350

От 630 до 800 включ.

240

3

300

1) Нижний предел диапазона испытательного тока должен превышать меньшее значение тока, указанного в таблице, а верхний предел - быть меньше или равным большему значению.

2) Для удобства испытания по соглашению с изготовителем допускается использовать проводники с меньшим поперечным сечением, чем указано в таблице для соответствующего диапазона испытательного тока.

3) Для проводов приведены размеры в метрической системе и в системе AWG/kcmil, а для шин - в миллиметрах и дюймах. Сравнение размеров метрической системы и системы AWG/kcmil приведены в таблице 1.

4) Для заданного диапазона испытательных токов допускается использовать проводник любого из двух размеров, указанных для этого диапазона.

Таблица 11 - Размеры медных шин для испытательных токов св. 400 до 3150 А включительно (см. 8.3.3.3.4)

Диапазон испытательных токов1), А

Шины2), 3), 4), 5), 6)

Число, шт

Размеры, мм

Размеры, дюйм

От 400 до 500 включ.

2

30×5

1,00×0,250

От 500 до 630 включ.

40×5

1,25×0,250

От 630 до 800 включ.

50×5

1,50×0,250

От 800 до 1000 включ.

60×5

2,00×0,250

От 1000 до 1250 включ.

80×5

2,50×0,250

От 1250 до 1600 включ.

100×5

3,00×0,250

От 1600 до 2000 включ.

3

От 2000 до 2500 включ.

4

От 2500 до 3150 включ.

3

100×10

6,00×0,250

1) Нижний предел диапазона испытательного тока должен превышать меньшее значение тока, указанного в таблице, а верхний предел - быть меньше или равным большему значению.

2) Для удобства испытания по соглашению с изготовителем допускается использовать проводники с меньшим поперечным сечением, чем указано в таблице для соответствующего диапазона испытательного тока.

3) Для проводов приведены размеры в метрической системе и в системе AWG/kcmil, а для шин - в миллиметрах и дюймах. Сравнение размеров метрической системы и системы AWG/kcmil приведены в таблице 1.

4) Для заданного диапазона испытательных токов допускается использовать проводник любого из двух размеров, указанных для этого диапазона.

5) Предполагается, что шины устанавливают большей гранью по вертикали. Расположение большей гранью по горизонтали возможно по инструкции изготовителя.

6) В случае использования четырех шин их располагают попарно двумя группами с расстоянием между центрами групп не более 100 мм.

Таблица 12 - Выдерживаемые импульсные напряжения при испытаниях электрической прочности изоляции

Напряжение в киловольтах

Номинальное импульсное выдерживаемое напряжение Uimp

Испытательное напряжение U1,2/50 на высоте над уровнем моря

0 м

200 м

500 м

1000 м

2000 м

0,33

0,35

0,34

0,33

0,50

0,55

0,54

0,53

0,52

0,50

0,80

0,91

0,90

0,85

0,80

1,50

1,75

1,70

1,60

1,50

2,50

2,95

2,80

2,70

2,50

4,00

4,80

4,70

4,40

4,00

6,00

7,30

7,20

7,00

6,70

6,00

8,00

9,80

9,60

9,30

9,00

8,00

12,00

14,80

14,50

14,00

13,30

12,00

Примечание - В таблице используют характеристики однородного поля (см. 2.5.62, случай В)

Таблица 12 А - Выдерживаемое напряжение при испытании электрической прочности изоляции в соответствии с номинальным напряжением изоляции

Напряжение в вольтах

Номинальное напряжение изоляции Ui

Напряжение для испытания электрической прочности изоляции

Действующее значение переменного тока

Напряжение постоянного тока2), 3)

Ui ≤ 60

1000

1415

60 < Ui ≤ 300

1500

2120

300 < Ui ≤ 690

1890

2670

690 < Ui ≤ 800

2000

2830

800 < Ui ≤ 1000

2200

3110

1000 < Ui ≤ 15001)

-

3820

1) Только для постоянного тока.

2) Испытательные напряжения - в соответствии с IEC 60664-1, 4.1.2.3.1, третий абзац.

3) При испытании допускается использовать только напряжение постоянного тока, если напряжение переменного тока не применимо.

См. также настоящий стандарт 8.3.3.4.1, 3), перечисление b) II).

Таблица 13 - Минимальные воздушные зазоры

Номинальное импульсное выдерживаемое напряжение Uimp, кВ

Минимальные воздушные зазоры, мм

Случай А. Неоднородное поле (см. 2.5.63)

Случай В. Идеальное однородное поле (см. 2.5.62)

Степень загрязнения

1

2

3

4

1

2

3

4

0,33

0,01

0,2

0,8

1,6

0,01

0,2

0,8

1,6

0,50

0,04

0,04

0,80

0,10

0,1

1,50

0,50

0,5

0,3

2,50

1,50

1,5

0,6

4,00

3,00

3,0

1,2

6,00

5,50

5,5

2,0

8,00

8,00

8,0

3,0

12,00

14,00

14,0

4,5

Примечание - Значения минимальных воздушных зазоров рассчитаны для импульсного напряжения 1,2/50 мкс при барометрическом давлении 80 кПа, эквивалентном нормальному атмосферному давлению на высоте 2000 м над уровнем моря.

Таблица 14 - Испытательное напряжение на разомкнутых контактах аппаратов, пригодных для разъединения

Напряжение в киловольтах

Номинальное импульсное выдерживаемое напряжение Uimp

Испытательные напряжения при U1,2/50 соответственно высоте над уровнем моря

0 м

200 м

500 м

1000 м

2000 м

0,33

1,8

1,7

1,6

1,5

0,50

0,80

1,50

2,3

2,2

2,0

2,50

3,5

3,4

3,2

3,0

4,00

6,2

6,0

5,8

5,6

5,0

6,00

9,8

9,6

9,3

9,0

8,0

8,00

12,3

12,1

11,7

11,1

10,0

12,00

18,5

18,1

17,5

16,7

15,0

Таблица 15 - Минимальные расстояния утечки

Номинальное напряжение изоляции аппарата или эксплуатационное напряжение переменного (действующее значение) или постоянного тока b), c), В

Минимальные расстояния утечки для аппаратов, испытывающих длительные тепловые нагрузки, мм

Материал печатных схем

 

Степень загрязнения

1

2

1

2

Группы материалов

Все

Все, кроме IIIb

Все

I

II

III

10,0

0,025

0,040

0,080

0,40

12,5

0,090

0,42

16,0

0,100

0,45

20,0

0,110

0,48

25,0

0,125

0,50

32,0

0,140

0,53

40,0

0,160

0,56

0,80

1,10

50,0

0,180

0,60

0,85

1,20

63,0

0,040

0,063

0,200

0,63

0,90

1,25

80,0

0,063

0,100

0,220

0,67

0,95

1,30

100,0

0,100

0,160

0,250

0,71

1,00

1,40

125,0

0,160

0,250

0,280

0,75

1,05

1,50

160,0

0,250

0,400

0,320

0,80

1,10

1,60

200,0

0,400

0,063

0,420

1,00

1,40

2,00

250,0

0,560

1,000

0,560

1,25

1,80

2,50

320,0

0,750

1,600

0,750

1,60

2,20

3,20

400,0

1,000

2,000

1,000

2,00

2,80

4,00

500,0

1,300

2,500

1,300

2,50

3,60

5,00

630,0

1,800

3,200

1,800

3,20

4,50

6,30

800,0

2,400

4,000

2,400

4,00

5,60

8,00

1000,0

3,200

5,000

3,200

5,00

7,10

10,00

1250,0

 

 

4,200

6,30

9,00

12,50

1600,0

 

 

5,600

8,00

11,00

16,00

2000,0

 

 

7,500

10,00

14,00

20,00

2500,0

 

 

10,000

12,50

18,00

25,00

3200,0

 

 

12,500

16,00

22,00

32,00

4000,0

 

 

16,000

20,00

28,00

40,00

5000,0

 

 

20,000

25,00

36,00

50,00

6300,0

 

 

25,000

32,00

45,00

63,00

8000,0

 

 

32,000

40,00

56,00

80,00

10000,0

 

 

40,000

50,00

71,00

100,00

Номинальное напряжение изоляции аппарата или эксплуатационное напряжение переменного (действующее значение) или постоянного тока b), c), В

Минимальные расстояния утечки для аппаратов, испытывающих длительные тепловые нагрузки, мм

 

Степень загрязнения

3

4

Группы материалов

I

II

IIIa

IIIb

I

II

IIIa

IIIb

10,0

1,00

1,60

a)

12,5

1,05

16,0

1,10

20,0

1,20

25,0

1,25

1,70

32,0

1,30

1,80

40,0

1,40

1,60

1,80

1,90

2,40

3,00

50,0

1,50

1,70

1,90

2,00

2,50

3,20

63,0

1,60

1,80

2,00

2,10

2,60

3,40

80,0

1,70

1,90

2,10

2,20

2,80

3,60

100,0

1,80

2,00

2,20

2,40

3,00

3,80

125,0

1,90

2,10

2,40

2,50

3,20

4,00

160,0

2,00

2,20

2,50

3,2

4,0

5,0

200,0

2,50

2,80

3,20

4,0

5,0

6,3

250,06)

3,20

3,60

4,00

5,0

6,3

8,0

320,0

4,00

4,50

5,00

6,3

8,0

10,0

400,0

5,00

5,60

6,30

8,0

10,0

12,5

500,0

6,30

7,10

8,00

10,0

12,5

16,0

630,0

8,00

9,00

10,00

12,5

16,0

20,0

800,0

10,00

11,00

12,50

a)

16,0

20,0

25,0

1000,0

12,50

14,00

16,00

20,0

25,0

32,0

1250,0

16,00

18,00

20,00

25,0

32,0

40,0

1600,0

20,00

22,00

25,00

32,0

40,0

50,0

2000,0

25,00

28,00

32,00

40,0

50,0

63,0

2500,0

32,00

36,00

40,00

50,0

63,0

80,0

3200,0

40,00

45,00

50,00

63,0

80,0

100,0

4000,0

50,00

56,00

63,00

80,0

100,0

125,0

5000,0

63,00

71,00

80,00

100,0

125,0

160,0

6300,0

80,00

90,00

100,00

125,0

160,0

200,0

8000,0

100,00

110,00

125,00

160,0

200,0

250,0

10000,0

125,00

140,00

160,00

200,0

250,0

320,0

a) Для этих материалов значения расстояний утечки не установлены. Группа материалов IIIb не рекомендуется для применения при степени загрязнения 3, если напряжение свыше 630 В, и при степени загрязнения 4.

b) В порядке исключения при номинальных напряжениях изоляции 127, 208, 415/440, 660/690 и 830 В можно использовать расстояния утечки, соответствующие более низким значениям 125, 200, 400, 630 и 800 В соответственно.

c) Значения расстояний утечки, указанные для 250 В, можно использовать для 230 В ± 10 %.

Примечания

1 Обычно при эксплуатационных напряжениях 32 В и ниже на изоляции отсутствуют следы токов утечки или эрозии. Однако следует учитывать возможность электролитической коррозии, поэтому рекомендуются минимальные расстояния утечки.

2 Значения напряжения выбраны из ряда R10 предпочтительных чисел.

Таблица 16 - Значения коэффициентов мощности и постоянных времени в зависимости от испытательных токов и соотношения п между пиковым и действующим значениями тока (см. 8.3.4.3а)

Испытательный ток I, А

Коэффициент мощности

Постоянная времени, мс

Соотношение п

I ≤ 1500

0,95

5

1,41

1500 < I 3000

0,90

1,42

3000 < I 4500

0,80

1,47

4500 < I 6000

0,70

1,53

6000 < I 10000

0,50

1,70

10000 < I 20000

0,30

10

2,00

20000 < I 50000

0,25

15

2,10

50000 < I

0,20

2,20

Таблица 17 - Испытательное управляющее усилие, которому подвергают органы управления (см. 8.2.5.2.1)

Тип органа управления*

Испытательное усилие*

Минимальное испытательное усилие, Н

Максимальное испытательное усилие, Н

Нажимная кнопка (a)

3F

50

150

Оперируемый одним пальцем (b)

Оперируемый двумя пальцами c)

100

200

Оперируемый одной рукой (d,e)

150

400

Оперируемый двумя руками (f,g)

200

600

* F - нормальное управляющее усилие органа управления в новом состоянии, прикладывают испытательное усилие 3F c минимальным и максимальным значениями, как показано на рисунке 16.

Таблицы 18, 19 - свободны.

Примечание - Нумерация таблиц в настоящем стандарте принята аналогичной нумерации таблиц в международном стандарте

Таблица 20 - Значения для испытаний на вытягивание металлических труб для проводников (см. 8.2.7.1)

Режимы применения труб по IEC 60981

Диаметр труб, мм

Вытягивающее усилие, Н

внутренний

наружный

12 Н

12,5

17,1

900

От 16 до 41 Н

От 16,1 до 41,2

От 21,3 до 48,3

От 53 до 155 Н

От 52,9 до 154,8

От 60,3 до 168,3

Таблица 21 - Значения для испытаний труб на изгиб (см. 8.2.7.2)

Режимы применения труб по IEC 60981

Диаметр труб, мм

Изгибающий момент, Н м

внутренний

наружный

12 Н

12,5

17,1

351)

От 16 до 41 Н

От 16,1 до 41,2

От 21,3 до 48,3

70

От 53 до 155 Н

От 52,9 до 154,8

От 60,3 до 168,3

1) Данное значение понижается до 17 Н ∙ м для оболочек, имеющих оснащение только для входных труб.

Таблица 22 - Значения для испытаний металлических труб на кручение (см. 8.2.7.1 и 8.2.7.3)

Режимы применения труб по IEC 60981

Диаметр труб, мм

Крутящий момент, Н м

внутренний

наружный

12 Н

12,5

17,1

90

От 16 Н до 41 Н

От 16,1 до 41,2

От 21,3 до 48,3

120

От 53 Н до 155 Н

От 52,9 до 154,8

От 60,3 до 168,3

180

Таблица 23 - Испытания на ЭМС. Устойчивость к электромагнитным помехам (см. 8.4.1.2)

Тип испытания

Требуемый уровень жесткости

Испытание на устойчивость к электростатическим разрядам по IEC 61000-4-2

8 кВ/воздушный разряд или 4 кВ/контактный разряд

Испытание на устойчивость к излучаемым радиочастотным электромагнитным полям (от 80 МГц до 1 ГГц) по IEC 61000-4-3

10 В/м

Испытание на устойчивость к излучаемым радиочастотным электромагнитным полям (от 1,4 ГГц до 2 ГГц) по IEC 61000-4-3

3 В/м

Испытание на устойчивость к излучаемым радиочастотным электромагнитным полям (от 2 ГГц до 2,7 ГГц) по IEC 61000-4-3

1 В/м

Испытание на устойчивость к импульсным наносекундным помехам по IEC 61000-4-4

2 кВ/5 кГц со стороны питания
1 кВ/5 кГц со стороны вывода сигнальной цепи

Испытание на устойчивость к импульсам напряжения/тока 1,2/50 мкс - 8/20 мкса) по IEC 61000-4-5

2 кВ (фаза-земля)
1 кВ (между фазами)

Испытание на устойчивость к кондуктивным помехам, наведенным радиочастотными электромагнитными полями (от 150 кГц до 80 МГц) по IEC 61000-4-6

10 В

Испытание на устойчивость к электромагнитным полям промышленной частотыb) по IEC 61000-4-8

30 А/м

Испытание на устойчивость к падению напряжения (50/60 Гц) по IEC 61000-4-11

Класс 2c) d) e) 0 % за 0,5 цикла и 1 цикл 70% за 25/30 циклов

Класс 3c) d) e) 0 % за 0,5 цикла и 1 цикл 40% за 10/12 циклов 70% за 25/30 циклов 80% за 250/300 циклов

Испытание на устойчивость к кратковременным перерывам в подаче напряжения по IEC 61000-4-11

Класс 2c) d) e) 0% за 250/300 циклов

Класс 3c) d) e) 0% за 250/300 циклов

Испытание на устойчивость к гармоникам в сетях питания по IEC 61000-4-13

Требования отсутствуютf)

Примечание - Критерии работоспособности приведены в стандарте на аппарат конкретного вида, они основаны на критериях соответствия, приведенных в таблице 24.

a) Применение см. 7.2 и 8.2 IEC 61000-4-5 Не используют для вводов/выходов ≤ 60 В постоянного тока, если вторичные цепи (изолированные от сетей переменного тока) не подвергаются переходным перенапряжениям).

b) Применяют только для аппаратов, содержащих компоненты, чувствительные к действию электромагнитных полей промышленной частоты (см. 8.4.1.2.7).

c) Данный процент относится к номинальному рабочему напряжению, например 0% означает 0 В.

d) Класс 2 относится к точкам общего соединения и внутрисистемным точкам общего соединения промышленных сред.

Класс 3 относится только к внутрисистемным точкам общего соединения промышленных сред. Этот класс рассматривают, если основная часть нагрузки запитана через преобразователи; в случае сварочного оборудования; мощных двигателей с частыми пусками или быстро меняющимися нагрузками.

Класс должен быть указан в стандарте на аппарат конкретного вида.

e) Значение перед дробью относится к испытаниям при частоте 50 Гц, значение после - при 60 Гц.

f) Уровни жесткости испытаний - предмет будущего рассмотрения.

Таблица 24 - Критерии соответствия при наличии электромагнитных помех

Функция

Критерии соответствия (критерии работоспособности при испытаниях)

A

B

C

Общая работоспособность

Отсутствие заметных изменений рабочих характеристик

Временная деградация или потеря работоспособности, которая самовосстанавливается

Временная деградация или потеря работоспособности, если требуется вмешательство оператора или переустановка системы1)

Функционирование силовых цепей и цепей управления

Нормальное функционирование

Временная деградация или потеря работоспособности, которая самовосстанавливается1)

Временная деградация или потеря работоспособности, если требуется вмешательство оператора или переустановка системы1)

Работа дисплеев и панелей управления

Отсутствие изменений в информации на дисплее.

Временные видимые изменения или потеря информации.

Отключение или постоянное погасание дисплея.

Легкие флуктуации светодиодов или легкое дрожание изображения

Непредусмотренное свечение светодиодов

Искажение информации и/ или переход в незапланированный режим, что очевидно либо следует из предусмотренной индикации. Отсутствие самовосстановления

Обработка и считывание информации

Связь, свободная от помех, и обмен данными с внешними источниками

Временные помехи в связи с внутренними и внешними источниками с возможными сообщениями об ошибках связи

Неправильная обработка информации.

Потеря данных и/или информации.

Ошибки в связи.

Отсутствие само-восстановления

1) Особые требования должны содержаться в стандарте на аппарат конкретного вида.

 

1 - узел фиксации; 2 - гильза; 3 - диск; 4 - груз

Рисунок 1 - Установка для испытания проводников на изгиб (см. 8.2.4.3 и таблицу 5)

 

Рисунок 2 - Калибры формы А и В (см. 8.2.4.5.2 и таблицу 7)

 

S - источники питания; Ur1 Ur2 - датчики напряжения; V - вольтметр; F- плавкий элемент (8.3.3.5.2, g); Z - цепь нагрузки (см. рисунок 8); RL - токоограничивающие сопротивления; D - испытуемый аппарат (с присоединенными проводниками); В - перемычки для настройки контура; T - точка заземления (на стороне нагрузки или питания); I1 - датчик тока.

Примечание - Пунктиром обозначен металлический экран или оболочка.

Рисунок 3 - Схема испытательной цепи для проверки включающей и отключающей способностей однополюсного аппарата в однофазной цепи переменного или постоянного тока (см. 8.3.3.5.2)

 

S - источник питания; Ur1, Ur2, Ur3 - датчики напряжения; V - вольтметр; N - нейтраль (искусственная); F - плавкий элемент (8.3.3.5.2, перечисление g); Z - цепь нагрузки (см. рисунок 8); RL - токоограничивающие сопротивление; D - испытуемый аппарат (с присоединенными проводниками); I1, I2- датчики тока;

Примечание - Пунктиром обозначен металлический экран или оболочка.

1) могут альтернативно присоединяться между фазой и нейтралью;

2) Если аппарат предназначен для применения в фазно-заземленных системах или если данную схему применяют для испытания нейтрали и смежного с ней полюса четырехполюсного аппарата, F следует присоединять к одной фазе источника питания.

На постоянном токе F следует присоединять к отрицательному полюсу источника питания.

3) В США и Канаде F следует присоединять:

- к одной фазе источника питания для аппарата, маркированного единственным значением Ue;

- к нейтрали для аппарата, маркированного двойным напряжением (см. примечание к 5.2).

Рисунок 4 - Схема испытательной цепи для проверки включающей и отключающей способностей двухполюсного аппарата в однофазной цепи переменного или постоянного тока (см. 8.3.3.5.2)

 

S - источник питания; Ur1, Ur2, Ur3, Ur4, Ur5, Ur6 - датчики напряжения; V - вольтметр; N - нейтраль (искусственная); F - плавкий элемент (см. 8.3.3.5.2, перечисление g); В - перемычки для настройки контура; Z - цепь нагрузки (см рисунок 8); RL - токоограничивающие сопротивления; D - испытуемый аппарат (с присоединенными проводниками); I1, I2, I3 - датчики тока; T -точка заземления (на стороне нагрузки или питания).

Примечание - Пунктиром обозначен металлический экран или оболочка.

1) Ur1, Ur2, Ur3 могут альтернативно присоединяться между фазой и нейтралью;

2) Если аппарат предназначен для применения в фазно-заземленных системах или если данную схему применяют для испытания нейтрали и смежного с ней полюса четырехполюсного аппарата, F следует присоединять к одной фазе источника питания. На постоянном токе F следует присоединять к отрицательному полюсу источника питания.

3) В США и Канаде F следует присоединять:

- к одной фазе источника питания для аппарата, маркированного единственным значением Ue,

- к нейтрали для аппарата, маркированного двойным напряжением (см. примечание к 5.2).

Рисунок 5 - Схема испытательной цепи для проверки включающей и отключающей способностей трехполюсного аппарата (см. 8.3.3.5.2)

 

S - источник питания; Ur1, Ur2, Ur3, Ur4, Ur5, Ur6 - датчики напряжения; V - вольтметр; N - нейтраль (искуственная нейтраль); F - плавкий элемент (см. 8.3.3.5.2, перечисление g); В - перемычки для настройки контура; Z - цепь нагрузки (см. рисунок 8); RL - токоограничивающие сопротивления; D - испытуемый аппарат (с присоединенными проводниками); I1, I2, I3 - датчики тока; T - точка заземления (на стороне нагрузки или питания).

Примечание - Пунктиром обозначен металлический экран или оболочка.

1) Ur1, Ur2, Ur3 могут альтернативно присоединяться между фазой и нейтралью.

Рисунок 6 - Схема испытательной цепи для проверки включающей и отключающей способностей четырехполюсного аппарата (см. 8.3.3.5.2)

 

Рисунок 7 - Схема возвращающегося напряжения на контактах первой отключаемой фазы в идеальных условиях [см. 8.3.3.5.2, перечисление е)]

 

S - источник питания; D - испытуемый аппарат; С - переключатель выбора фазы; В - диод; А - регистрирующий прибор; Ra - резистор; G - высокочастотный генератор; R - активные сопротивления цепи нагрузки; Х- катушки индуктивности (8.3.3.5.2, перечисление d); Rp- параллельные активные сопротивления; Ср - параллельные конденсаторы; I1, I2, I3 - датчики тока

Примечание - Взаимное расположение высокочастотного генератора (G) и диода должно быть, как показано на схеме. Указанная точка заземления Т должна быть единственной.

Рисунок 8а - Схема метода регулировки цепи нагрузки: с точкой заземления со стороны нагрузки на вершине звезды

 

S - источник питания; D - испытуемый аппарат; С - переключатель выбора фазы; В - диод; А - регистрирующий прибор; Ra - резистор; G - высокочастотный генератор; R - активные сопротивления цепи нагрузки; X - катушки индуктивности (8.3.3.5.2, перечисление d); Rp - параллельные активные сопротивления; Ср - параллельные конденсаторы; I1, I2, I3 - датчики тока

Примечания

1 Взаимное расположение высокочастотного генератора (G) и диода (В) должно быть, как показано на схеме. Указанная точка заземления Т должна быть единственной.

2 На данной схеме в качестве примера переключатель С находится в положении, соответствующем регулировке фазы 1 (первой настраиваемой фазы), соединенной последовательно с фазами 2 и 3, соединенными параллельно.

Рисунок 8b - Схема метода регулировки цепи нагрузки: с точкой заземления Т со стороны питания на вершине звезды

 

S - источник питания; Ur1, Ur2 - датчики напряжения; V- вольтметр; А - замыкающее устройство; R1 - регулируемое активное сопротивление; F- предохранитель (см. 8.3.4.1.2, перечисление d); X - регулируемая катушка индуктивности; RL - ограничительное сопротивление; D - испытуемый аппарат с присоединенными проводниками; В - перемычки для калибровки; I1 - датчик тока; T - земля - с одной точкой заземления (со стороны нагрузки или питания); r- независимое активное сопротивление (8.3.4.1.2, перечисление b).

Примечания

1 Пунктиром обозначен металлический экран или оболочка.

2 Регулируемые нагрузки X и R1 могут располагаться как с высоковольтной, так и с низковольтной стороны цепи питания.

Рисунок 9 - Схема испытательной цепи для проверки наибольшей включающей и отключающей способностей однополюсного аппарата в однофазной цепи переменного или постоянного тока (см. 8.3.4.1.2)

 

S - источник питания; Ur1, Ur2, Ur3 - датчики напряжения; V - вольтметр; А - замыкающее устройство; R1 - регулируемое активное сопротивление; N - нейтраль (искусственная); F- предохранитель (см. 8.9.3.4.1.2, перечисление d); X - регулируемая катушка индуктивности; RL - ограничительное сопротивление; D - испытуемый аппарат (с соединительными проводниками); В - перемычки для калибровки; I1, I2 - датчики тока; T - земля - с одной точкой заземления (со стороны нагрузки или питания); r- независимое активное сопротивление (см. 8.3.4.1.2, перечисление b).

Примечание - Пунктиром обозначен металлический экран или оболочка.

1) Регулируемые нагрузки X и R1 могут располагаться как с высоковольтной, так и с низковольтной стороны цепи питания.

2) Ur1 могут альтернативно присоединяться между фазой и нейтралью.

3) Если аппарат предназначен для применения в фазно-заземленных системах или если данную схему применяют для испытания нейтрали и смежного с ней полюса четырехполюсного аппарата, F следует присоединять к одной фазе источника питания. На постоянном токе F следует присоединять к отрицательному полюсу источника питания.

4) В США и Канаде F следует присоединять:

- к одной фазе источника питания для аппарата, маркированного единственным значением Ue.

- к нейтрали для аппарата, маркированного двойным напряжением (см. примечание к 5.2).

Рисунок 10 - Схема испытательной цепи для проверки наибольшей включающей и отключающей способностей двухполюсного аппарата в однофазной цепи переменного или постоянного тока (см. 8.3.4.1.2)

 

S - источник питания; Ur1, Ur2, Ur3, Ur4, Ur5, Ur6 - датчики напряжения; V - вольтметр; A - замыкающее устройство; R1 - регулируемое активное сопротивление; N - нейтраль (искусственная нейтраль); F - предохранитель (см. 8.3.4.1.2 d); X - регулируемая катушка индуктивности; RL - ограничительное сопротивление; D - испытуемый аппарат; В - перемычки для калибровки; I1, I2, I3 - датчик тока; T - земля - с одной точкой заземления (со стороны нагрузки или питания); r- независимое активное сопротивление (см. 8.3.4.1.2, перечисление b).

Примечание - Пунктиром обозначен металлический экран или оболочка.

1) Регулируемые нагрузки X и R могут располагаться как с высоковольтной, так и с низковольтной стороны цепи питания.

2) Ur1, Ur2, Ur3 могут альтернативно присоединяться между фазой и нейтралью.

3) Если аппарат предназначен для применения в фазно-заземленных системах или если данную схему применяют для испытания нейтрали и смежного с ней полюса четырехполюсного аппарата, F следует присоединять к одной фазе источника питания.

4) В США и Канаде F следует присоединять:

- к одной фазе источника питания для аппарата, маркированного единственным значением Ue,

- к нейтрали для аппарата, маркированного двойным напряжением (см. примечание к 5.2).

Рисунок 11 - Схема испытательной цепи для проверки наибольшей включающей и отключающей способностей трехполюсного аппарата (см. 8.3.4.1.2)

 

S - источник питания; Ur1, Ur2, Ur3, Ur4, Ur5, Ur6 - датчики напряжения; A - замыкающее устройство; R1 - регулируемое активное сопротивление; N - нейтраль источника питания; F- предохранитель (см. 8.3.4.1.2, перечисление d); X - регулируемая катушка индуктивности; r- независимое активное сопротивление (см. 8.3.4.1.2, перечисление b); RL - ограничительное сопротивление; D- испытуемый аппарат; В - перемычки для калибровки; I1, I2, I3 - датчик тока; T - земля - с одной точкой заземления (со стороны нагрузки или питания).

Примечание - Пунктиром обозначен металлический экран или оболочка.

1) Регулируемые нагрузки X и R могут располагаться как с высоковольтной, так и с низковольтной стороны цепи питания.

2) Ur1, Ur2, Ur3 могут альтернативно присоединяться между фазой и нейтралью.

3) При необходимости проведения дополнительного испытания между нейтральным и смежным с ним полюсами соединения С1 и С2 убирают.

Рисунок 12 - Схема испытательной цепи для проверки наибольшей включающей и отключающей способностей четырехполюсного контактора (см. 8.3.4.1.2)

 

a) Калибровка цепи:

 - ожидаемый симметричный ток отключения (действующее значение);

 - напряжение до включения (действующее значение).

b) Операция «О» или «ВО»:

 - напряжение источника питания (действующее значение).

А1 - включающая способность (пиковое значение),  - отключающая способность (действующее значение) (см. 8.3.4.1.8, перечисления b,с).

Примечания

1 Амплитуда записи напряжения после подачи испытательного тока изменяется в зависимости от положения замыкающего устройства, регулируемых полных сопротивлений, датчиков напряжения и в соответствии с испытательной схемой.

2 Предполагают, что момент включения одинаковый для калибровки и испытания.

Рисунок 13 - Пример записи осциллограмм тока и напряжения при испытаниях на наибольшую включающую и отключающую способности однополюсным автоматическим выключателем в однофазной цепи переменного тока (см. 8.3.4.1.8)

 

а) Калибровка цепи

Ожидаемый пиковый ток включения А2

b) Осциллограмма соответствующая отключению после того, как ток прошел свое максимальное значение

Наибольшая отключающая способность:

ток I = А при напряжении U = В1

Наибольшая включающая способность:

ток I = А2 при напряжении U = В.

с) Осциллограмма, соответствующая отключению до того, как ток достигнет своего максимального значения

Наибольшая отключающая способность:

ток I = А2 при напряжении U = В2.

Наибольшая включающая способность:

ток I = А2 при напряжении U = В

Рисунок 14 - Проверка наибольшей включающей и отключающей способностей при постоянном токе

(см. 8.3.4.1.8)

 

I1 - первая калибровка; I2 - фактический ток отключения; I3 - вторая калибровка; I4 - отключающая способность

Рисунок 15 - Определение ожидаемого тока отключения после проведения первой калибровки при токе, меньшем номинальной отключающей способности [см. 8.3.4.1.8, перечисление b)]

 

Рисунок 16 - Испытательное усилие, прикладываемое к органу управления (см. 8.2.5.2.1 и таблицу 17)

 

1 - оборудование/аппаратура; 2 - порт функционального заземления; 3 - вывод сигнальной цепи; 4 - оболочка порта; 5 - вывод питания (цепи управления); 6 - вывод главной цепи

Рисунок 17 - Пример порта

 

1 - плата заземления; 2 - изолирующая опора; 3 - испытательный генератор; 4 - косвенные разряды к оболочке; 5 - контактные разряды к токопроводящим доступным частям; 6 - воздушные разряды к непроводящим доступным частям; 7 - металлическая оболочка (при наличии); 8-два последовательных резистора по 470 кОм

Рисунок 18 - Испытательная установка для проверки на устойчивость к электростатическим разрядам

 

а) - Значение сноски см. IEC 61000-4-3.

1 - поглотители помех на полу; 2 - не установлено; 3 - испытуемый аппарат (ИА); 4 - изоляционный материал

Рисунок 19 - Испытательная установка для проверки на устойчивость к излучаемым радиочастотным электромагнитным полям

 

1 - плата заземления; 2 - изолирующая опора; 3 - металлическая оболочка (при наличии); 4 - испытуемый аппарат (ИА); 5 - соединительный кабель длинной 0,9 м ≤ L ≤ 1,0 м (для исключения влияния емкостной связи; 6 - соединение для заземления ВЧ; 7 - генератор наносекундных импульсных помех

Рисунок 20 - Испытательная установка для проверки на устойчивость к электрическим наносекундным импульсным помехам

 

Размеры в метрах

1 - генератор РЧ; 2 - плата заземления; 3 - изоляционная опора для кабелей; 4 - изоляционное основание; 5 - испытуемый аппарат (ИА); 6 - кабель (0,1 м ≤ длина кабеля ≤ 0,3 м); 7 - сеть питания; CDN - развязывающий фильтр

Примечание - В качестве альтернативы развязывающему фильтру М1 может применяться развязывающий фильтр М2 или М3. В этом случае, по обстоятельствам, к одной и той же точке ИА подсоединяются два или три провода.

Рисунок 21 - Испытательная установка для проверки на устойчивость к кондуктивным электромагнитным помехам, наведенным на силовые линии радиочастотными электромагнитными полями

 

Размеры в метрах

1 - изоляционная опора; 2 - развязывающее устройство; 3 - РЧ генератор; 4 - электромагнитные клещи; 5 - плата заземления; 6 - испытуемый аппарат (ИА); 7 - кабель(0,1 м ≤ длина кабеля ≤ 0,3 м); 8 - вспомогательное оборудование.

Рисунок 22 - Пример испытательной установки для проверки на устойчивость к кондуктивным помехам, наведенным на линии сигнализации радиочастотными электромагнитными полями при неприменении развязывающего фильтра

 

1 - испытуемый аппарат (ИА); 2 - катушка индуктивности; А - заземление безопасности; В - к источнику питания; С1 - цепь источника питания; С2 - сигнальная цепь; D - имитатор источника сигналов; Е - вывод заземления; G - к испытательному генератору; Н - сила электромагнитного поля; I - индукционный ток; L - линия связи; S - изоляционная опора

Рисунок 23 - Испытательная установка для проверки на устойчивость к электромагнитным полям промышленной частоты

 

 

 

Приложение A
(рекомендуемое)
Нормальные режимы применения низковольтной аппаратуры распределения и управления

Нормальные режимы применения низковольтной аппаратуры распределения и управления приведены в таблице А.1

Таблица А.1

Род тока

Режим (категория)

Типичные области применения

Стандарт на аппарат конкретного вида

Переменный

АС-20

Соединение и разъединение при нулевой нагрузке

IEC 60947-3

АС-21

Коммутация омических нагрузок, в том числе умеренных перегрузок

АС-22

Коммутация смешанных омических и индуктивных нагрузок, в том числе умеренных перегрузок

АС-23

Управление двигателями и другими высоко индуктивными нагрузками

АС-1

Не индуктивные или слабо индуктивные нагрузки, печи сопротивления

IEC 609047-4-1

АС-2

Электродвигатель с фазным ротором: пуск, отключение

АС-3

Электродвигатель с короткозамкнутым ротором: пуск, отключение

АС-4

Электродвигатель с короткозамкнутым ротором: пуск, торможение противовключением1), толчковый режим2)

АС-5a

Коммутация разрядных электроламп

АС-5b

Коммутация ламп накаливания

АС-6a

Коммутация трансформаторов

АС-6b

Коммутация батарей конденсаторов

АС-8a

Управление двигателями герметичных компрессоров холодильников с ручным взводом расцепителей перегрузки

АС-8b

Управление двигателями герметичных компрессоров холодильников с автоматическим взводом расцепителей перегрузки

Переменный

АС-52а

Управление фазным ротором электродвигателя: 8-часовой режим под нагрузкой - пуск, разгон, работа

IEC 60947-4-2

АС-52b

Управление фазным ротором электродвигателя: повторно-кратковременный режим

АС-53a

Управление электродвигателем с короткозамкнутым ротором: 8-часовой режим под нагрузкой - пуск, разгон, работа

АС-53b

Управление электродвигателем с короткозамкнутым ротором: повторно-кратковременный режим

АС-58а

Управление двигателями герметичных компрессоров холодильников с автоматическим взводом расцепителей перегрузки: 8-часовой режим под нагрузкой - пуск, разгон, работа

АС-58b

Управление двигателями герметичных компрессоров холодильников с автоматическим взводом расцепителей перегрузки: повторно-кратковременный режим

АС-51

Не индуктивные или слабо индуктивные нагрузки, печи сопротивления

IEC 60947-4-3

АС-55а

Коммутация разрядных электроламп

АС-55b

Коммутация ламп накаливания

АС-56а

Коммутация трансформаторов

АС-56b

Коммутация батарей конденсаторов

АС-12

Управление омическими и статическими изолированными нагрузками посредством оптронов

IEC 60947-5-1

АС-13

Управление статическими изолированными нагрузками посредством трансформаторов

АС-14

Управление слабыми электромагнитными нагрузками

АС-15

Управление электромагнитными нагрузками переменного тока

АС-12

Управление омическими и статическими изолированными нагрузками посредством оптронов

IEC 60947-5-2

АС-140

Управление слабыми электромагнитными нагрузками стоком соленоида ≤ 0,2 А, например контакторное реле

Переменный

АС-31

Не индуктивные или слабо индуктивные нагрузки

IEC 60947-6-1

АС-33

Двигательные нагрузки или смешанные нагрузки, в т.ч. двигательные, омические и до 30% нагрузки ламп накаливания

АС-35

Нагрузки разрядных электроламп

АС-36

Нагрузки ламп накаливания

Переменный

АС-40

Распределительные цепи со смешанными омическими и реактивными нагрузками с результирующим индуктивным сопротивлением

IEC 60947-6-2

АС-41

Не индуктивные или слабо индуктивные нагрузки, печи сопротивления

АС-42

Электродвигатель с фазным ротором: пуск, отключение

АС-43

Электродвигатель с короткозамкнутым ротором: пуск, отключение во время работы

АС-44

Электродвигатель с короткозамкнутым ротором: пуск, торможение противовключением1), толчковый режим2)

АС-45а

Коммутация разрядных электроламп

АС-45b

Коммутация ламп накаливания

АС-7а

Слабо индуктивные нагрузки в бытовых и аналогичных секторах

IEC 61095

АС-7b

Двигатели в бытовом секторе

Переменный и постоянный

А

Зашита цепей без номинального кратковременно допустимого тока

IEC 60947-2

В

Защита цепей с номинальным кратковременно допустимым током

Постоянный

DC-20

Соединение и разъединение при нулевой нагрузке

IEC 60947-3

DC-21

Коммутация омических нагрузок, в том числе умеренных перегрузок

DC-22

Коммутация смешанных омических и индуктивных нагрузок, в том числе умеренных перегрузок

DC-23

Коммутация высоко индуктивных нагрузок (например, сериесных двигателей)

Постоянный

DC-1

Не индуктивные или слабо индуктивные нагрузки, печи сопротивления

IEC 60947-4-1

DC-3

Двигатели параллельного возбуждения: пуск, торможение противовключением1), толчковый режим 2) динамическое отключение

DC-5

Двигатели последовательного возбуждения: пуск, торможение противовключением1), толчковый режим2), динамическое отключение

DC-6

Коммутация ламп накаливания

Постоянный

DC-12

Управление омическими нагрузками и полупроводниковыми изолированными оптронами

IEC 60947-5-1

DC-13

Управление электромагнитами

DC-14

Управление нагрузками электромагнитов постоянного тока с экономичными сопротивлениями в цепи

Постоянный

DC-12

Управление омическими нагрузками и полупроводниковыми изолированными оптронами

IEC 60947-5-2

DC-13

Управление электромагнитами

DC-31

Омические нагрузки

IEC 60947-6-1

DC-33

Нагрузки двигателей или смешанные, в т.ч. двигателей

DC-36

Нагрузки ламп накаливания

DC-40

Распределительные цепи со смешанными омическими и реактивными нагрузками с результирующим индуктивным сопротивлением

IEC 60947-6-2

DC-41

Не индуктивные или слабо индуктивные нагрузки, печи сопротивления

DC-43

Двигатели параллельного возбуждения: пуск, торможение противовключением1), толчковый режим2) динамическое отключение

DC-45

Двигатели последовательного возбуждения: пуск, торможение противовключением1), толчковый режим2), динамическое отключение

DC-46

Коммутация ламп накаливания

1) Под торможением противовключением подразумевается остановка или быстрое реверсирование двигателя путем переключения питающих соединений двигателя во время его работы.

2) Под толчковым режимом подразумевается кратковременное однократное или повторное возбуждение двигателя с целью незначительных смещений приводимого механизма.

Приложение B
(рекомендуемое)
Пригодность аппаратов для эксплуатации в нестандартных условиях

Если условия эксплуатации и назначение аппаратов отличаются от стандартных, потребитель должен установить отклонения и согласовать с изготовителем возможность использования аппаратов в нестандартных условиях.

B.1 Примеры условий, отличающихся от нормальных

B.1.1 Температура окружающего воздуха

Ожидаемые предельные температуры окружающего воздуха могут быть ниже минус 5 °С или выше плюс 40 °С.

B.1.2 Высота над уровнем моря

Высота места установки аппарата над уровнем моря более 2000 м.

B.1.3 Состояние атмосферы

Относительная влажность атмосферы, в которой должен быть помещен аппарат, допускается выше указанной в 6.1.3 или в атмосфере допускается повышенное содержание пыли, кислот, агрессивных газов и т.п., например, при установке аппарата вблизи моря.

B.1.4 Условия монтажа

Аппарат допускается устанавливать на подвижном устройстве, или его опора постоянно или временно может занимать наклонное положение, например на борту судна, или в процессе эксплуатации подвергаться аномальным толчкам и вибрации.

B.2 Соединения с другими аппаратами

Потребитель должен информировать изготовителя о типе и размерах электрических соединений с другими аппаратами с тем, чтобы дать ему возможность предусмотреть оболочки и выводы, соответствующие условиям монтажа и превышению температуры, в соответствии с настоящим стандартом и стандартом на аппарат конкретного вида, а также, при необходимости, предусмотреть место для прокладки проводников внутри оболочки аппарата.

B.3 Вспомогательные контакты

Потребитель должен указать число и тип вспомогательных контактов, необходимых для выполнения функций сигнализации, блокировки и т.п.

B.4 Специальные функции

Потребитель должен согласовать с изготовителем возможность использования аппарата для выполнения специальных функций, не охватываемых настоящим стандартом и стандартом на аппарат конкретного вида.

Приложение C
(обязательное)
Степени защиты аппаратов в оболочках

Введение

Если степень защиты IP аппарата в оболочке или аппарата с неотъемлемой оболочкой указана изготовителем, то она должна соответствовать требованиям IEC 60529, а также дополнительным требованиям, содержащимся в данном приложении.

Примечание - Информация для облегчения понимания обозначения IP по IEC 60529 представлена на рисунке C.1.

В настоящем приложении подробно описаны пункты и разделы, IEC 60529, относящиеся к аппаратам в оболочке.

Нумерация пунктов и разделов настоящего приложения соответствует IEC 60529.

C.1 Область применения

Настоящее приложение относится к степеням защиты аппарата в оболочке с номинальным напряжением не более 1000 В переменного или 1500 В постоянного тока (далее - аппарат).

C.2 Цель

По IEC 60529, раздел 2, с дополнительными требованиями, указанными в настоящем приложении.

C.3 Определения

По IEC 60529, раздел 3, за исключением пункта 3.1 Оболочка, который излагается в новой редакции с сохранением примечаний 1 и 2:

«Часть аппарата, имеющая указанную степень защиты от определенных внешних воздействий и приближения или соприкосновения с частями, находящимися под напряжением, и подвижными частями».

Примечание - Данное определение, содержащееся в 2.1.16 настоящего стандарта, аналогично определению, содержащемуся в IEV 441-13-01, которое относится к комплектным устройствам.

C.4 Обозначения

По IEC 60529, раздел 4, за исключением обозначений Н, М и S.

C.5 Степени защиты от соприкосновения с частями, находящимися под напряжением, и проникновения инородных твердых тел, соответствующих первой цифровой характеристике

По IEC 60529, раздел 5.

C.6 Степени защиты от проникновения воды, соответствующие второй цифровой характеристике

По IEC 60529, раздел 6.

C.7 Степени защиты от соприкосновения с частями, находящимися под напряжением, соответствующие дополнительным буквенным обозначениям

По IEC 60529, раздел 7.

C.8 Дополнительные буквенные обозначения

По IEC 60529, раздел 8, за исключением обозначений Н, М и S.

C.9 Примеры обозначения степени защиты IP

По IEC 60529, раздел 9.

C.10 Маркировка

По IEC 60529, раздел 10, со следующим дополнением:

Если степень защиты предназначена для указания единственного положения изделия при монтаже, то оно должно иметь обозначение 0623 по ISO 7000, расположенное непосредственно после обозначения IP и указывающее соответствующее положение изделия, например вертикальное:

C.11 Общие требования к испытаниям

C.11.1 По IEC 60529, подраздел 11.1.

C.11.2 По IEC 60529, подраздел 11.2, со следующими дополнениями:

Все испытания должны проводиться в обесточенном состоянии аппарата.

Некоторые аппараты (например, кнопочного типа) могут быть проверены визуальным осмотром.

Нагрев образца при испытании не должен более чем на 5 °С превышать температуру окружающей среды. Если изделие вмонтировано в оболочку, которая уже имеет степень защиты IP (см. IEC 60529, подраздел 11.5), то применяют следующие требования:

a) Для IP1X - IP4X с дополнительными обозначениями от А до D

Соответствие данному требованию проверяют визуальным осмотром на соответствие инструкциям изготовителя оболочки.

b) При испытании на пыленепроницаемость IP6X.

Соответствие данному требованию проверяют визуальным осмотром на соответствие инструкциям изготовителя.

c) При испытании на пыленепроницаемость IP5X и водонепроницаемость от IPX1 до IPX8

Испытание образца в оболочке требуется только в случае, если проникновение воды или пыли может повлиять на работоспособность аппарата.

Примечание - При испытании на пыленепроницаемость IPX5 и водонепроницаемость IPX1 - IPX8 допускается проникновение некоторого количества пыли и влаги, не влияющего на эксплуатацию аппарата. Необходимо проверять все элементы внутренней конфигурации аппарата.

C.11.3 По IEC 60529, подраздел 11.3, со следующим дополнением:

Дренажные и вентиляционные отверстия рассматривают как нормальные отверстия.

C.11.4 По IEC 60529, подраздел 11.4.

C.11.5 Если оболочку используют как одну из составляющих частей аппарата в оболочке, то применяют IEC 60529, подраздел 11.5.

C.12 Испытание защиты от доступа к опасным токоведущим частям аппарата, соответствующей первой цифровой характеристике

По IEC 60529, раздел 12, за исключением 12.3.2.

C.13 Испытание защиты от попадания внешних твердых предметов, соответствующей первой цифровой характеристике

По IEC 60529, раздел 13, со следующими дополнениями:

C.13.4 Испытание на пылепроницаемость по первым цифровым характеристикам 5 и 6

Аппарат со степенью защиты IP5X, следует испытывать по категории 2 по IEC 60529, подраздел 13.4.

Примечание - В стандарте на аппарат конкретного вида для аппарата, имеющего степень защиты IP5X, может потребоваться проведение испытания по категории 1 по IEC 60529, подраздел 13.4.

Аппарат со степенью защиты IP6X, следует испытывать по категории 1 по IEC 60529, подраздел 13.4.

Примечание - Для аппарата в оболочке в соответствии с требованиями настоящего стандарта степень защиты IP5X является достаточной.

C.13.5.2 Оценка результатов испытаний, соответствующих первой цифровой характеристике 5 По IEC 60529 со следующим дополнением:

Если скопления пыли могут вызвать нарушение нормальной работы и безопасности аппарата, то проводят предварительное испытание и испытание на электрическую прочность изоляции следующим образом.

Предварительное испытание после испытания на пылепроницаемость проводят согласно испытанию Cab - продолжительное испытание на влажное тепло в соответствии с IEC 60068-2-78 при указанных ниже условиях.

Образец аппарата должен быть подготовлен так: предварительно открывают все крышки и снимают все части, которые могут быть сняты без помощи инструмента и затем образец с осевшей пылью подвергают испытанию.

Перед испытанием и помещением образцов в испытательную камеру они должны быть предварительно выдержаны при температуре окружающей среды в течение 4 ч.

Продолжительность непрерывного испытания - 24 ч.

После этого образец вынимают из испытательной камеры и по истечении 15 мин испытывают на электрическую прочность изоляции в течение 1 мин напряжением промышленной частоты, равным от 2Ue max и минимально 1000 В. Подача испытательного напряжения и критерии соответствия по 8.3.3.4.1, пункт 3), перечисление с) и пункт 3), перечисление d).

C.14 Испытание защиты от воды, обозначаемой второй цифровой характеристикой

C.14.1 Средства испытаний

По IEC 60529, подраздел 14.1.

C.14.2 Условия испытаний

По IEC 60529, подраздел 14.2.

C.14.3 Условия соответствия

По IEC 60529, подраздел 14.3, со следующим дополнением:

Аппараты подвергают испытанию на электрическую прочность изоляции в течение 1 мин напряжением промышленной частоты от максимального 2Ue до минимального 1000 В. Подача испытательного напряжения и критерии соответствия по 8.3.3.4.1, пункт 3), перечисление с) и пункт 3), перечисление d).

C.15 Испытание защиты от доступа к опасным токоведущим частям с дополнительным буквенным обозначением

По IEC 60529, раздел 15.

C.16 Области ответственности соответствующих технических комитетов

В стандартах на аппараты конкретного вида приведена подробная информация, указанная в IEC 60529, приложение B с учетом дополнений, содержащихся в настоящем приложении.

Следующая таблица дает представление о принятых обозначениях степеней защиты (коды IP).

Таблица C.1- Принятые обозначения степеней защиты (коды IP)

C.1a. Первая цифра

Защита от проникновения твердых тел

Защита персонала от соприкосновения с частями, находящимися под напряжением

IP

Краткое описание

Обозначение

0

Без защиты

Без защиты

1

Не допускается проникновение твердых тел диаметром 50 мм, а также соприкосновение с частями, находящимися под напряжением

Тыльная сторона руки

2

Не допускается проникновение твердых тел диаметром 12,5 мм. Испытательный палец должен находиться на достаточном расстоянии от частей, находящихся под напряжением

Испытательный палец

3

Не допускается проникновение твердых тел диаметром 2,5 мм.

Инструмент

4

Не допускается проникновение твердых тел диаметром 1 мм.

Проволока

5

Допускается ограниченное проникновение пыли (в количестве, не препятствующем нормальной работе аппарата)

Проволока

6

Полностью исключает проникновение пыли

Проволока

C.1b. Вторая цифра

Защита от проникновения воды, влияющей на нормальную работу аппарата

Защита от воды

IP

Краткое описание

Обозначение

0

Без защиты

Без защиты

1

Защита от капель воды, падающих вертикально. Допускается ограниченное проникновение воды, не влияющее на нормальную работу аппарата

Капли воды, падающие вертикально

2

Защита от капель воды, падающих под углом 15° от вертикали. Допускается ограниченное проникновение воды, не влияющее на нормальную работу аппарата

Капли воды, падающие под углом 15° от вертикали

3

Защита от водяных струй, падающих под углом 60° от вертикали. Допускается ограниченное проникновение воды, не влияющее на нормальную работу аппарата

Водяные струи

4

Защита от брызг воды в любом направлении. Допускается ограниченное проникновение воды, не влияющее на нормальную работу аппарата

Брызги воды во всех направлениях

5

Защита от водяного потока со слабым напором. Допускается ограниченное проникновение воды, не влияющее на нормальную работу аппарата

Поток воды, выбрасываемый соплом со слабым напором

6

Защита от водяного потока с сильным напором. Допускается ограниченное проникновение воды, не влияющее на нормальную работу аппарата

Поток воды, выбрасываемый соплом с сильным напором во всех направлениях

7

Защита от погружения на глубину от 0,15 до 1,00 м

Временное погруженное состояние

8

Защита при продолжительном погружении сдавлением воды

Продолжительное погруженное состояние

Приложение D
(рекомендуемое)
Примеры зажимов и взаимосвязь зажима с соединительным устройством

D.1 Зажим в соединительном устройстве

Пояснение определений см. рисунок D.8.

Рисунок D.8 - Зажим в соединительном устройстве

D.2 - Примеры зажимов

А - неподвижная часть; В - шайба или прокладка; С-устройство, препятствующее выскальзыванию проводников; D- место для проводника

Примечание - Приведенные примеры не означают запрета на разделение проводника по любой стороне винта.

Резьбовыми называют зажимы, в которых проводник зажат под головкой одного или нескольких винтов. Давление зажима может создаваться непосредственно головкой винта или передаваться через промежуточную часть типа шайбы, прокладки или устройства, препятствующего выскальзыванию проводника.

Рисунок D.1 - Резьбовые зажимы

 

А - неподвижная часть; В - корпус зажима; D - место для проводника

Зажим с отверстием - зажим резьбового типа, в котором проводник вставляется в отверстие или полость и зажимается одним или несколькими винтами. Давление зажима может передаваться непосредственно от винта или через промежуточную часть, на которую передается давление от винта.

Рисунок D.2 - Зажимы с отверстиями

 

А - неподвижная часть; В - шайба или прокладка; С - антиразжимное устройство; D - место для проводника; Е - штифт

Примечание - Часть, удерживающая проводник на месте, может выполняться из изоляционного материала, если давление, необходимое для зажима проводника, не передается через этот изоляционный материал.

Штифтовой зажим - резьбовой зажим, в котором проводник зажимается под одной или двумя гайками. Давление зажима может передаваться или непосредственно гайкой соответствующей формы или через промежуточную часть типа шайбы, прокладки или устройства, препятствующего выскальзыванию проводника.

Рисунок D.3 - Штифтовые зажимы

 

А - прокладка; В - шайба для прокладки; С - штифт; D - место для провода

Зажим со скобой - резьбовой зажим, в котором проводник зажимается под скобой с помощью двух или нескольких винтов или гаек.

Рисунок D.4 - Зажимы со скобой

 

А - запорное устройство; В - кабельный наконечник или шина; F - неподвижная часть; Е – штифт

Зажим под наконечник - резьбовой или штифтовой зажим предназначен для зажима кабельного наконечника или шины с помощью винта или гайки.

Примечание - Примеры габаритных размеров кабельных наконечников приведены в приложении P

Рисунок D.5 - Зажимы под наконечник

 

А - неподвижная часть; D - место для проводника.

Зажим с крышкой - зажим резьбового типа, в котором проводник зажимается основанием прорези в резьбовом штифте с помощью гайки. Прижатие проводника осуществляется соответствующей формы шайбой под гайку или центральной шпилькой, если гайка колпачковая, или устройством равной эффективности, передающим давление от гайки проводнику внутри прорези

Рисунок D.6 - Зажим с крышкой

 

Рисунок D.7 - Безрезьбовые зажимы

Приложение Е
(рекомендуемое)
Описание метода регулирования цепи нагрузки

Для того, чтобы отрегулировать цепь нагрузки для получения характеристик в соответствии с 9.3.3.5.3 на практике применяют несколько способов. Один из них представлен на рисунке 8.

Частота колебаний f восстанавливающегося напряжения и значение коэффициента у в основном определяются собственной частотой и затуханием цепи нагрузки.

Так как данные параметры не зависят от напряжения до включения и частоты тока, в процессе регулирования допускается питание цепи нагрузки от источника переменного тока, напряжение и частота которого могут отличаться от напряжения и частоты источника питания, использованного при испытаниях аппарата. При проведении тока через ноль, цепь размыкают диодом и наблюдают колебания восстанавливающегося и возвращающегося напряжения на экране осциллографа, частота развертки которого синхронизирована с частотой источника питания (см. рисунок Е.1).

Для получения надежных результатов измерений питание цепи нагрузки осуществляют с помощью генератора высокой частоты G , подающего напряжение, пригодное для диода. Частоту генератора выбирают равной:

a) 2 кГц - для испытательных токов до 1000 А включительно;

b) 4 кГц - для испытательных токов выше 1000 А.

Последовательно с генератором подсоединяют:

- демпфирующее сопротивление, значение которого Ra выше по сравнению с полным сопротивлением цепи нагрузки (Ra ≥ 10 Z, где , где  = 2 ∙ 2000 с-1 или 2 ∙ 4000 с-1) для случаев по перечислениям a) и b) соответственно;

- переключающий диод с мгновенной блокировкой В. Переключающие диоды, обычно используемые в компьютерах, например кремниевые переключающие диоды с диффузным переходом с током не выше 1 А подходят для данного применения.

Из-за значения частоты генератора G цепь нагрузки является практически чисто индуктивной, и в момент прохождения тока через ноль напряжение до включения в цепи нагрузки достигает пикового значения.

Для того, чтобы убедиться в пригодности компонентов цепи нагрузки, необходимо проверить на экране осциллографа, имеет ли кривая восстанавливающегося напряжения в своей начальной точке (см. точку А на рисунке Е.1) практически горизонтальную касательную.

Фактический коэффициент  - соотношение U11/ U12; U11 считывают с экрана осциллографа; U12 - между ординатой точки А и ординатой линии развертки, когда генератор уже не питает цепь нагрузки (см. рисунок Е.1).

При наблюдении восстанавливающегося напряжения в цепи нагрузки без параллельного сопротивления резистора Rp или параллельного конденсатора Ср, на экране можно определить собственную частоту колебаний цепи нагрузки. Следует предпринять меры предосторожности, чтобы входная емкость осциллографа или его соединительных проводников не влияла на резонансную частоту цепи нагрузки.

Если эта собственная частота превышает предельное значение требуемой величины f, можно получить нужные значения частоты и коэффициента у подсоединив параллельно конденсаторы Ср и сопротивления Rp соответствующей величины. Сопротивления Rp не должны быть индуктивными.

В зависимости от подсоединения заземления для регулирования цепи нагрузки рекомендуется применять два способа.

a) При соединении заземления с цепью нагрузки (соединение звездой), как показано на рисунке , каждую из трех фаз цепи нагрузки необходимо регулировать отдельно.

b) При соединении заземления с источником питания (соединение звездой), как показано на рисунке 8b, одну фазу соединяют последовательно с двумя другими фазами, соединенными параллельно. Регулирование производят при последовательном подключении трех фаз к генератору высокой частоты во всех возможных комбинациях.

Примечания

1 Более высокое значение частоты, полученное от генератора G, облегчает наблюдения на экране и повышает разрешающую способность.

2 Допускается также использование других способов определения частоты и коэффициента у (например подача в цепь нагрузки тока с прямоугольной формой волны).

3 Соединение нагрузки звездой допускается осуществлять или через сопротивление R или с помощью реактивного сопротивления X, при этом способ соединения звездой (при наличии или отсутствия заземления) не должен меняться при регулировании и испытании.

В зависимости от способа соединения нагрузки звездой частота колебаний может быть разной.

4 При этом необходимо обращать внимание на то, чтобы емкость утечки на землю генератора высокой частоты не оказывала бы влияния на собственную частоту колебаний цепи нагрузки.

Рисунок Е.1 - Определение фактического значения коэффициента

Приложение F
(рекомендуемое)
Определение коэффициента мощности или постоянной времени при коротких замыканиях

Точного метода определения коэффициента мощности или постоянной времени в условиях короткого замыкания не существует, но для целей, предусмотренных настоящим стандартом, определение коэффициента мощности или постоянной времени испытательной цепи возможно одним из методов, установленных в настоящем приложении.

F.1 Определение коэффициента мощности при коротком замыкании

Метод I. Определение по непериодической составляющей

Угол φ допускается определять по кривой непериодической составляющей волны асимметричного тока в интервале между моментами короткого замыкания и разъединения контактов.

1) Постоянную времени L/R определяют по формуле непериодической составляющей:

id = idoe-Rt/L,

где id - значение непериодической составляющей в момент t;

ido - значение непериодической составляющей в принятый начальный момент времени;

L/R - постоянная времени цепи, с;

t - время, прошедшее с начального момента, с;

е - основание натурального логарифма.

Постоянная времени L/R может быть определена:

a) измерением значения ido в момент короткого замыкания и значения id в другой момент t перед разъединением контактов;

b) значением e-Rt/L при делении id/ido,

c) значением , соответствующим отношению id/ido по таблице значений е-χ

По этому значению χ, соответствующему Rt/L, рассчитывают R/L.

2) Угол φ определяют по формуле

φ = arctq (L/R),

где  в 2 раза больше фактической частоты.

Данный метод не должен быть использован, если токи измеряют трансформаторами тока, и не приняты меры предосторожности во избежание погрешностей, обусловленных:

- постоянной времени трансформатора и его нагрузкой в соотношении с нагрузкой первичной цепи,

- магнитным насыщением, которое возможно вследствие переходного магнитного потока в сочетании с потенциальной остаточной намагниченностью.

Метод II. Определение с помощью задающего генератора

Если применяют задающий генератор, смонтированный на одном валу с испытательным генератором, напряжение этого задающего генератора можно сравнить на осциллограмме по фазе вначале с напряжением испытательного генератора, а затем - с током испытательного генератора.

Разность между фазовыми углами напряжений задающего генератора и главного генератора, с одной стороны, и напряжения задающего генератора и тока испытательного генератора - с другой позволяет установить фазовый угол между напряжением и током испытательного генератора, а из него определить коэффициент мощности.

F.2 Определение постоянной времени короткого замыкания (осциллографический метод)

Значению постоянной времени отвечает абсцисса, соответствующая ординате 0,632 А2 восходящей ветви кривой на осциллограмме калибровки цепи (см. рисунок 14).

Приложение G
(рекомендуемое)
Измерение расстояний утечки и воздушных зазоров

G.1 Основные принципы

Зависимость ширины желобков от степени загрязнения в соответствии с таблицей G.1 практически применима для всех примеров 1 - 11.

Таблица G.1

Степень загрязнения

Минимальная ширина желобков, мм

1

0,25

2

1,00

3

1,50

4

2,50

Для измерения расстояний утечки между подвижными и неподвижными контактодержателями из изоляционного материала не требуется минимального значениях между изолирующими частями, движущимися относительно друг друга (см. рисунок G.2).

Если воздушный зазор менее 3 мм, минимальную ширину желобка допускается уменьшить до трети этого зазора.

Методы измерения расстояний утечки и воздушных зазоров показаны на примерах 1 - 11. В них не делают различия между зазорами контактов, желобками и типами изоляции.

Кроме того:

- предполагают, что каждый угол перекрывается изолирующей вставкой шириной X мм, находящейся в самом неблагоприятном положении (см. пример 3);

- если расстояние между верхними кромками желобка равно X мм или более, расстояние утечки измеряют по контурам желобка (см. пример 2);

- расстояния утечки и воздушные зазоры, измеренные между частями, движущимися относительно друг друга, измеряют в самом неблагоприятном положении этих частей.

G.2 Использование ребер

Благодаря влиянию на загрязнения и повышению эффективности сушки, ребра заметно уменьшают образование тока утечки. Поэтому расстояние утечки можно сократить до 0,8 требуемого значения, если минимальная высота ребра равна 2 мм.

Н - минимальная высота ребра 2 мм;

В - минимальная ширина основания, соответствующая требованиям к механической прочности

Рисунок G.1 - Размеры ребер

 

1 - подвижный контактный мостик; 2 - неподвижные контакты;

Рисунок G.2 - Расстояние утечки между подвижными и неподвижными контактодержателями из изоляционного материала

Пример 1

Условие: рассматриваемый путь утечки охватывает желобок с параллельными или сходящимися боковыми стенками любой глубины при ширине менее X мм.

Правило: расстояние утечки и воздушный зазор измеряют по прямой линии поверх желобка, как показано на схеме.

Пример 2

Условие: рассматриваемый путь охватывает желобок с параллельными боковыми стенками любой глубины шириной X мм или более.

Правило: воздушный зазор определяют по прямой. Расстояние утечки проходит по контуру желобка.

Пример 3

Условие: рассматриваемый путь охватывает клиновидный желобок шириной более X мм.

Правило: воздушный зазор определяют по прямой. Расстояние утечки проходит по контуру желобка, но замыкает накоротко его дно по вставке шириной X мм.

Пример 4

Условие: рассматриваемый путь охватывает ребро.

Правило: воздушный зазор - кратчайшее расстояние по воздуху над вершиной ребра. Путь тока утечки проходит по контуру ребра.

Пример 5

Условие: рассматриваемый путь включает не скрепленный стык с желобками шириной менее X мм по обе стороны от него.

Правило: воздушный зазор и путь тока утечки определяют по прямой.

Пример 6

Условие: рассматриваемый путь охватывает не скрепленный стык с желобками шириной X мм или более по обе стороны от него.

Правило: воздушный зазор определяют по прямой. Путь тока утечки проходит по контуру желобков.

Пример 7

Условие: рассматриваемый путь охватывает не скрепленный стык с желобком шириной менее X мм с одной стороны и желобком шириной X мм и более с другой стороны.

Правило: воздушный зазор и путь утечки соответствуют схеме.

Пример 8

Условие: путь утечки поперек не скрепленного стыка меньше, чем поверх барьера.

Правило: воздушный зазор равен кратчайшему пути в воздухе поверх барьера.

Пример 9

Условие: зазор между головкой винта и стенкой паза достаточно широкий, чтобы принять его во внимание.

Правило: воздушный зазор и путь утечки соответствуют схеме.

Пример 10

Условие: зазор между головкой винта и стенкой паза слишком узкий, чтобы принимать его во внимание.

Правило: расстояние утечки измеряют от винта до стенки, если оно равно X мм.

Пример 11

Воздушный зазор равен d + D

Расстояние утечки равно d + D

С - свободно движущаяся часть.

Примечание - Условные обозначения для примеров 1 - 11:

 расстояния утечки

 воздушные зазоры

Приложение Н
(рекомендуемое)
Соответствие между паспортным напряжением системы питания и
номинальным импульсным выдерживаемым напряжением аппарата

Введение

В настоящем приложении приведена информация, необходимая для выбора аппарата, предназначенного для использования в электрической цепи (сети) или части этой цепи.

Примеры соответствия между номинальным напряжением системы питания и номинальным импульсным выдерживаемым напряжением аппарата приведены в таблице H.1.

Значения номинального импульсного выдерживаемого напряжения, указанные в таблице H.1, основываются на характеристиках разрядников.

Следует учитывать, что управление перенапряжениями относительно значений, указанных в таблице H.1, допускается осуществлять подбором подходящего полного сопротивления или питания кабеля.

Для управления перенапряжением устройствами, отличными от разрядников, руководство по соответствию между паспортным напряжением системы питания и номинальным импульсным выдерживаемым напряжением аппарата приведены в IEC 60364-4-44.

Таблица H.1 Соответствие между паспортным напряжением системы питания и номинальным импульсным выдерживаемым напряжением аппарата в случае защиты от перенапряжений, осуществляемой с помощью разрядников согласно IEC 60099-1

Максимальное номинальное рабочее напряжение относительно земли переменного (действующее значение) или постоянного тока, В

Паспортное напряжение системы питания, В
(меньше или равно номинальному напряжению изоляции аппарата)

Действующее значение

Переменный (действующее значение) или постоянный ток

50

-

-

12,5; 24; 25; 30; 42; 48

60 - 30

100

66/115

66

60

-

150

120/208
127/220

115, 120
127

110, 120

220 - 110, 240 - 120

300

220/380, 230/400
240/415, 260/440
277/480

220, 230
240, 260
277

220

440 - 220

600

347/600, 380/660
400/690, 415/720
480/830

347, 380, 400
415,440,480
500, 577, 600

480

960 - 480

1000

-

660, 690, 720
830, 1000

1000

-

 

 

Предпочтительные значения номинального импульсного выдерживаемого напряжения, кВ (1,2/50 мкс) на высоте 2000 м

Категория перенапряжения

IV

III

II

I

Начало системы (ввод потребителя)

Распределительные

цепи

Нагрузка (бытовой электроприбор, аппарат)

Особо защищенный уровень

50

1,5

0,8

0,5

0,33

100

2,5

1,5

0,8

0,5

150

4,0

2,5

1,5

0,8

300

6,0

4,0

2,5

1,5

600

8,0

6,0

4,0

2,5

1000

12,0

8,0

6,0

4,0

ПРИЛОЖЕНИЕ J
(рекомендуемое)
Вопросы, требующие согласования между изготовителем и потребителем

Примечание - В настоящем приложении:

-термин «согласование» применен в широком смысле;

-термин «потребитель» может означать также «испытательные лаборатории».

Таблица J.1

Пункт настоящего стандарта

Вопрос

2.6.4

Специальные испытания

6.1

См. приложение B для нестандартных условий эксплуатации

6.1.1, примечание

Аппараты, предназначенные для эксплуатации при температуре окружающего воздуха от минус 5 °С до плюс 40 °С

6.1.2, примечание

Аппараты, предназначенные для эксплуатации на высоте более 2000 м над уровнем моря

6.2

Условия транспортирования и хранения, если они отличаются от указанных в 6.2

7.2.1.2

Пределы срабатывания аппаратов с защелками

7.2.2.1 (см. таблицу 2)

Использование при эксплуатации проводников с поперечным сечением, значительно менее указанного в таблицах 9 и 10

7.2.2.2 (см. таблицу 3)

Информация, предоставляемая изготовителем, о пределах превышения температуры сопротивлений для оболочек

7.2.2.6

Условия работы катушек на импульсном токе (определяемые изготовителем)

7.2.2.8

Соответствие аппарата (изоляционных материалов) IEC 60085 и/или IEC 60216 (должно быть доказано изготовителем)

8.1.1

Специальные испытания

8.1.4

Выборочные испытания

8.2.4.3

Испытания на изгиб плоских медных проводников

8.3.2.1

Увеличение степени жесткости испытания для его удобства. Испытание в наименьшей из оболочек аппарата, предназначенного для эксплуатации в оболочках нескольких типов или размеров

8.3.2.2.2

Повышение жесткости условий испытаний (с согласия изготовителя). Соответствие аппаратов, испытанных при 50 Гц для эксплуатации при 60 Гц (или наоборот). См примечание 2 к таблице 8

8.3.2.2.3, примечание 3

Повышение верхнего предела возвращающегося напряжения промышленной частоты (с согласия изготовителя)

8.3.3.3.4 Испытание на превышение температуры главной цепи

Испытание на переменном токе аппаратов, предназначенных для работы на постоянном токе (с согласия изготовителя).

Испытание многополюсных аппаратов однофазным током.

Испытательные соединения для испытательных токов свыше 3150 А.

Использование проводников с поперечным сечением менее указанных в таблицах 9 - 11 (с согласия изготовителя). См. примечание 2 к таблицам 9 - 11

8.3.3.4.1

Испытание на электрическую прочность изоляции при напряжении промышленной частоты или на постоянном токе (с согласия изготовителя)

8.3.3.5.2 (примечание 3) 8.3.4.1.2 (примечание 3)

Условия соответствия при ожидаемом аварийном токе <1500 А (с согласия изготовителя):

b) в испытательной цепи при испытании на короткое замыкание шунтирование реактора с воздушным сердечником сопротивлениями, отличающимися от указанных в перечислении b);

c) схема испытательной цепи при испытании на короткое замыкание, если она отличается от приведенных на рисунках 9 -12.

8.3.4.3

Повышение значения испытательного тока при испытании Icw.

Проверка способности проводить Icw на переменном токе для аппаратов, работающих на постоянном токе

Приложение К

Свободно

Приложение L
(обязательное)
Маркировка и отличительное цифровое обозначение контактных выводов

L.1 Общие положения

Целью идентификации контактных выводов коммутационных аппаратов является предоставление информации о функции каждого вывода или его положения относительно других выводов или их использования для других нужд.

Маркировка контактных выводов производится изготовителем, она должна быть однозначной, т.к. проводится для каждого элемента только один раз. Спаренные контактные выводы могут иметь одинаковую маркировку.

Маркировка разных контактных выводов одного элемента цепи должна указывать на то, что они относятся только к одной токопроводящей цепи.

Маркировка контактных выводов полного сопротивления должна быть буквенно-цифровой и содержать одну или две буквы, указывающие на его функциональное назначение, за которыми должны следовать цифры. Буквы должны быть только латинскими прописными, а цифры - арабскими.

Один из выводов контактных элементов должен маркироваться нечетным числом, другие выводы того же контактного элемента - четным числом на единицу больше.

Контактные выводы на входе и выходе одного элемента должны иметь специальное обозначение, а именно: меньшее число должно относиться к выводу на входе (например, на входе - 11, на выходе - 12; на входе - A1, на выходе - A2).

Примечания

1 Аппараты в соответствии с L.1 и L.2 должны иметь графические обозначения по IEC 60617-7. Однако эти символы, предусмотренные для маркировки выводов, не должны наноситься на аппарат.

2 Расположение контактных выводов на приведенных ниже примерах представлено ориентировочно и не должно определять требований к реальному расположению выводов на аппаратах.

Для низковольтной аппаратуры распределения, не охватываемой приведенными ниже разделами и примерами, изготовитель может выбрать, следуя положениям настоящего раздела, удобную маркировку для выводов.

L.2 Маркировка контактных выводов полного сопротивления (буквенно-цифровая)

L.2.1 Катушки

L.2.1.1 Два контактных вывода катушки с электромагнитным управлением должны иметь маркировку A1 и A2.

Пример

L.2.1.2 При наличии отводов в катушке выводы отводов должны иметь маркировку A3, A4 и т.д.

Примеры

L.2.1.3 Если катушка имеет две обмотки, выводы первой должны иметь маркировку A1, A2, второй - B1, B2.

Пример

L.2.2 Электромагнитные расцепители

L.2.2.1 Независимый расцепитель

Оба вывода катушки независимого расцепителя должны иметь маркировку C1 и C2.

Пример

Примечание - Если в аппарате предусмотрено два независимых расцепителя (например с разными номинальными параметрами), то выводы второго расцепителя обычно имеют маркировку C3, C4.

L.2.2.2 Минимальный расцепитель напряжения

Два контактных вывода катушки, предназначенной только для применения в качестве расцепителя минимального напряжения, должны иметь маркировку D1 и D2.

Пример

Примечание - Для аппарата с двумя независимыми расцепителями (например с разными номинальными параметрами) выводы второго расцепителя обычно имеют маркировку D3 и D4.

L.2.3 Электромагнитная блокировка

Два вывода электромагнитной блокировки должны иметь маркировку E1 и E2.

Пример

L.2.4 Система сигнальных ламп

Два вывода системы сигнальных ламп должны иметь маркировку X1 и X2.

Пример

Примечание - Термин «Система сигнальных ламп» включает в себя также понятия встроенный резистор или трансформатор.

L.3 Маркировка выводов контактов аппаратов с двумя коммутационными положениями (цифровая)

L.3.1 Контакты главных цепей (главные контакты)

Выводы главных контактов должны иметь числовую маркировку.

Каждый вывод, маркированный нечетным числом, связан с выводом, маркированным четным числом в порядке возрастания.

Примеры

Два главных контакта

Пять главных контактов

Если аппарат имеет более пяти главных контактов, то применяют буквенно-числовую маркировку, указанную в IEC 60445.

L.3.2 Контакты вспомогательных цепей

Выводы вспомогательных контактов должны иметь числовую двузначную маркировку:

- знак единиц - функциональное назначение;

- знак десятков - порядковый номер.

L.3.2.1 Цифра функционального назначения

L.3.2.1.1 Размыкающие контакты обозначают цифрами функционального назначения 1 и 2, замыкающие контакты - цифрами 3 и 4 (контакты замыкающие и размыкающие согласно определениям IEC 60050(441).

Пример

Выводы контактов переключателей на два направления обозначают цифрами функционального назначения 1, 2 и 4.

Пример

L.3.2.1.2 Вспомогательные контакты, имеющие специальное назначение, например вспомогательные контакты с выдержкой времени, обозначают цифрами функционального назначения 5 и 6, 7 и 8, для размыкающих и замыкающих контактов соответственно.

Пример

Выводы контактов переключателей на два направления, имеющих специальное назначение, обозначают цифрами функционального назначения 5, 6 и 8.

Пример

L.3.2.2 Порядковый номер

Выводы, относящиеся к одному и тому же контакту, обозначают той же самой порядковой цифрой.

Все контактные элементы, выполняющие одну и туже функцию, должны иметь разные порядковые номера.

Примеры

L.3.2.2.2 Порядковые номера могут не проставляться на выводах только в случае, если имеется дополнительная информация, предоставленная изготовителем или потребителем, позволяющая четко определить порядковый номер.

Примеры

Примечание - Примеры, представленные в L.3.2, предназначены только для лучшего наглядного понимания и не применяются на практике.

L.4 Маркировка контактных выводов аппаратов с защитой от перегрузок

Выводы контактов главных цепей аппаратов с защитой от перегрузок должны иметь такую же маркировку, что и выводы главных контактов.

Пример

В аппаратах с защитой от перегрузок выводы вспомогательного контакта имеют ту же маркировку, что и контакт специального назначения (см. L.3.2.1.2), но с порядковым номером 9.

Если требуется второй порядковый номер, то к первому следует добавить 0.

Пример

L.5 Отличительные обозначения

Аппарат с заданным числом замыкающих и размыкающих контактов может иметь отличительную маркировку, состоящую из двух цифр.

Первая цифра указывает на число замыкающих контактов, вторая - на число размыкающих.

Пример

L.6 Маркировка выводов компонентов, контактов и комплектных устройств внешних объединенных электронных цепей

L.6.1.1 Общие положения

Выводы компонентов и контактов внешних объединенных электронных цепей должны иметь следующую буквенно-цифровую маркировку.

L.6.1.2 Маркировка выводов внешних объединенных полных сопротивлений

L.6.1.2.1 Два вывода внешнего объединенного полного сопротивления Z должны иметь маркировку Z1 и Z2.

Пример

L.6.1.2.2 Выводы ответвлений полного сопротивления Z с ответвлениями должны иметь последовательную порядковую маркировку Z3, Z4 и т.д.

Пример

L.6.1.2.3 В случае более одного полного сопротивления их выводы должны маркироваться буквой Z и двухзначными номерами, при этом первая цифра является порядковым номером.

Пример

L.6.1.2.4 Правила маркировки выводов термисторов Т1, Т2 или 1Т1, 2Т2 и 2Т1, 2Т2 для встроенной тепловой защиты систем управления вращающихся электрических машин специального назначения соответствуют IEC 60947-8.

L.6.1.3 Маркировка выводов внешних блок-контактов

L.6.1.3.1 Два вывода внешнего замыкающего или размыкающего блок-контакта или группы блок-контактов должны иметь маркировку Y1 и Y2.

Пример 1

Пример 2

Пример 3

Пример 4

Пример 5

Примечание 1- Мостик между двумя выводами рассматривается как постоянно замкнутый контакт, а соответствующие выводы должны быть маркированы Y1 и Y2.

Примечание 2 - Соответствующие выводы объединенных полных сопротивлений и контактов, входящих во внешнюю цепь, должны быть маркированы Y1 и Y2.

L.6.1.3.2 В случае более одного контакта или более одной группы контактов выводы должны маркироваться буквой Y и двухзначными номерами, при этом первая цифра является порядковым номером.

Пример

L.6.1.3.3 В случае трех выводов, предназначенных для подсоединения нескольких контактов, которые срабатывают одновременно (например образуют переключающий контакт), они должны маркироваться Y1, Y2 и Y3, при этом Y1 - общий.

Пример 1

Пример 2

L.6.2 Маркировка выводов внешних комплектных устройств

Ниже приведены четыре примера маркировки выводов комплектного устройства. Пример 1

Коммутационное устройство, имеющее:

- два вывода A1 и A2 питания цепи управления;

- два вывода Z1 и Z2 внешнего объединенного регулируемого резистора;

- три вывода 15, 16 и 18 внутреннего переключающего контакта с выдержкой времени.

Пример 2

Коммутационное устройство, имеющее:

- два вывода A1 и A2 питания цепи управления;

- четыре вывода двух внешних объединенных полных сопротивлений (Z11 и Z12 регулируемого резистора и Z21 и Z22 конденсатора);

- три вывода 15, 16 и 18 внутреннего переключающего контакта с выдержкой времени

Пример 3

Коммутационное устройство, имеющее:

- два вывода А1 и А2 питания цепи управления;

- два вывода Y11 и Y12 внешней группы блок-контактов;

- три вывода Y21, Y22 и Y23 внешнего объединенного переключающего контакта; -три вывода 11, 12 и 14 внутреннего переключающего контакта

Пример 4

Коммутационное устройство, имеющее:

- два вывода A1 и A2 питания цепи управления;

- два вывода Y1 и Y2 внешнего мостика;

- три вывода Z1, Z3 и Z2 внешнего объединенного резистора с ответвлением;

- три вывода 15, 16 и 18 внутреннего переключающего контакта с выдержкой времени

Приложение M
(обязательное)
Испытание на воспламеняемость

M.1 Испытание раскаленной проволокой (ИРП)

M.1.1 Испытательный образец

Следует испытывать пять образцов каждого материала.

Образцы материала должны иметь прямоугольную форму шины длиной (125 ± 5) мм, шириной (13 ± 0,5) мм и одинаковой толщины, указанной изготовителем материала. Испытания проводят методом, предназначенным для литьевых или листовых материалов толщиной от 0,25 до 6,4 мм.

Края материала не должны иметь заусенцев, облоев и т.п. с радиусом скругления не более 1,3 мм.

M.1.2 Описание испытательной установки

Образец располагают на подставке, имеющей два опорных столба с расстоянием 70 мм между ними, которые поддерживают испытательный образец в горизонтальном положении на высоте 60 мм от дна камеры приблизительно в ее центре (см. рисунок M.1).

Рисунок М.1 - Приспособление для испытания материала раскаленной проволокой

Применяют проволоку из нихрома (80 % никеля, 20 % хрома, без примеси железа) длиной (250 ± 5) мм диаметром приблизительно 0,5 мм с удельным электрическим сопротивлением в холодном состоянии приблизительно 5,28 Ом/м и соотношением длина/масса 580 м/кг. Перед испытанием прямой отрезок проволоки присоединяют к источнику тока, отрегулированному так, чтобы вызвать в проволоке в течение 8 - 12 с рассеяние энергии 0,26 Вт/мм.

После охлаждения проволоку навивают на образец, образовав пять полных витков, с расстоянием между витками (6,35 ± 0,05) мм. Применяют закрепляющую намотку для равномерного расположения проволоки в центральной части образца с намоточным усилием (5,4 ± 0,02) Н.

Концы проволоки присоединяют к регулируемому источнику тока.

Мощность цепи питания должна быть достаточной, чтобы длительно поддерживать при частоте от 48 до 62 Гц линейную удельную мощность не менее 0,31 Вт/мм по всей длине нагретой проволоки при коэффициенте мощности около единицы. Удельная мощность цепи питания при 60 А и 1,5 Вт должна составлять приблизительно 0,3 В/мм. Уровень мощности плавно и постепенно регулируют и измеряют мощность с точностью ± 2 %.

M.1.3 Кондиционирование

Перед испытанием испытательные образцы выдерживают в условиях отсутствия влажности, а если это невозможно, то их сушат в печи с воздушной циркуляцией при температуре (70 ± 2) °С в течение 168 ч и охлаждают в течение не 4 ч силикагелем или другим влагопоглотителем. Непосредственно перед испытанием испытательные образцы выдерживают не менее 40 ч при (23 ± 2) °С и относительной влажности (50 ± 5) %.

M.1.4 Процедура испытания

Испытание начинают подачей питания в цепь так, чтобы при прохождении тока через нагреваемую проволоку можно было получить линейную удельную мощность 0,26 Вт/мм по всей длине проволоки в ходе испытания.

Нагревание продолжают до воспламенения испытуемого образца. Когда происходит воспламенение, питание отключают и записывают время воспламенения. Воспламенение означает начало горения, вызванного газовой фазой горения, сопровождающейся выбросом света. Если в течение 120 с воспламенения не происходит, испытание прерывают. Для образцов, которые плавятся от проволоки, не воспламеняясь, испытание прерывают, когда образец уже не находится в непосредственном контакте со всеми пятью витками навитой проволоки. Испытание следует повторить на оставшихся образцах.

Толщину каждого испытуемого образца, время воспламенения или время плавления от проволоки каждого испытуемого образца записывают.

M.2 Испытание на воспламеняемость электрической дугой (ЭД)

M.2.1 Испытательный образец

Следует испытывать пять образцов каждого материала.

Образцы материала должны иметь прямоугольную форму шины длиной (125 ± 5) мм, шириной (13 ± 0,5) мм и одинаковой толщины, указанной изготовителем материала.

Края материала не должны иметь заусенцев, облоев и т.п. с радиусом скругления не более 1,3 мм.

M.2.2 Испытательная установка

Испытание проводят с использованием пары испытательных электродов, полного сопротивления индуктивной регулируемой нагрузки, соединенных последовательно с источником питания напряжением 230 В переменного тока, частотой 50 или 60 Гц (см. рисунок M.2).

Рисунок M.2 - Схема испытания на воспламеняемость электрической дугой

Один электрод должен быть неподвижным, другой - подвижным. Неподвижный электрод должен представлять собой жесткий медный провод, имеющий горизонтальный конец со срезом под углом 30°, общая длина неподвижного электрода 152 мм, диаметр 3,2 мм.

Подвижный электрод должен представлять собой пруток из нержавеющей стали (X8CrNiS18-9) диаметром 3,2 мм и длиной 152 мм с концом симметричной конической формы с общим углом 60°, движущийся вдоль своей оси. Радиус скругления концов электродов в начале испытания не должен превышать 0,1 мм. Электроды должны быть расположены один напротив другого под углом 45° относительно горизонтали в общей вертикальной плоскости, под прямым углом к оси образца.

После замыкания электродов накоротко устанавливают ток 32,5 А с коэффициентом мощности 0,5 регулировкой полного индуктивного сопротивления нагрузки.

M.2.3 Кондиционирование

Если не установлено иное, кондиционирования не требуется.

M.2.4 Процедура испытания

Во время испытания испытуемый образец должен удерживаться в горизонтальном положении в воздухе на непроводящем, воспламеняющемся основании так, чтобы электроды контактировали с его поверхностью и друг с другом. Подвижный электрод должен управляться вручную или любым другим способом так, чтобы можно было обеспечить его движение вдоль оси для замыкания и размыкания с неподвижным электродом для создания целой серии дуг приблизительно по 40 дуг в минуту со скоростью разделения (254 ± 25) мм/с. Испытание продолжают до тех пор, пока не произойдет воспламенения образца и образования выжженного отверстия через образец или до 200 циклов.

Если в образце из комплекта выжжено отверстие или произошло возгорание, испытывают дополнительный комплект из трех образцов, но с электродами, контактирующими на высоте 1,6 мм над поверхностью образца. Если произошло возгорание или выжжено отверстие в одном образце из трех, дополнительно испытывают комплект из из трех образцов, но с электродами, контактирующими на высоте 3,2 мм над поверхностью образца.

Среднее арифметическое число электрических дуг для достижения воспламенения или максимальное число 200 циклов и толщину материала каждого комплекта образцов следует записывать.

M.3 Требования к ИРП и ЭД

Характеристики испытаний на воспламеняемость раскаленным проводом (ИРП) и электрической дугой (ЭД) в зависимости от категории воспламеняемости материала приведены в таблицах M.1 и M.2.

В каждой графе таблиц представлены минимальные значения ИРП и ЭД в зависимости от категории воспламеняемости.

Примечание - Изготовитель может представить информацию от поставщика материалов, отвечающую требованиям, приведенным в приложении M.

Таблица М.1 - Характеристики ИРП и ЭД для материалов частей, удерживающих токопроводящие части

Категория воспламеняемости по IEC 60695-11-10

V-0

V-1

V-2

НВ

Толщина материалаa), мм

Любаяb)

Любаяb)

Любаяb)

Любаяb)

ИРП, минимальное время воспламеняемости, с

7

15

30

30

ЭД, минимальное число дуг для воспламеняемости

15

30

30

60

a) По 8.2.1.1.2.

b) По наименьшей толщине материала данного назначения.

Примечание 1- Нет никакой прямой зависимости между температурами при испытании раскаленной проволокой и таблицей M.1.

Примечание 2 - Изготовитель может определить категорию воспламеняемости по собственному выбору, тем не менее требования по ИРП и ЭД должны выполняться.

Таблица М.2 - Характеристики ИРП и ЭД для материалов, не охватываемых таблицей M.1

Категория воспламеняемости по IEC 60695-11-10

V-0

V-1

V-2

НВ

Толщина материала, мм

Любаяa)

Любаяa)

Любаяa)

Любаяa)

ИРП, минимальное время воспламеняемости, с

-

-

7

7

ЭД, минимальное число дуг для воспламеняемости

-

-

15

15

a) По наименьшей толщине материала данного назначения.

Приложение N
(обязательное)
Требования и испытания аппаратов с раздельной степенью защиты по изоляции

Данное приложение распространяется на аппараты, одна или несколько цепей которых могут быть использованы в цепях SELV (PELV) (этот аппарат может не относиться к классу III - см. IEC 61140, подраздел 7.4.

N.1 Общие положения

Целью данного приложения является приведение, по мере возможности, в соответствие правил и требований, относящихся к низковольтной аппаратуре, имеющей раздельную степень защиты между частями, предусмотренными для использования в цепях SELV (PELV) и других цепях, для унификации требований и методов испытаний.

N.2 Определения

N.2.1 функциональная изоляция (functional insulation): Изоляция между токопроводящими частями, необходимая только для нормальной работы аппарата.

N.2.2 основная изоляция (basic insulation): Изоляция рабочих частей, находящихся под напряжением, для создания основной защиты от поражения электрическим током.

Примечание - Термин «основная изоляция» не относится к изоляции, используемой исключительно в функциональных цепях (см. N.2.1).

N.2.3 дополнительная изоляция (supplementary insulation): Отдельная (независимая) изоляция, предусмотренная для усиления основной изоляции в цепях обеспечения защиты от поражения электрическим током в случае пробоя основной изоляции.

N.2.4 двойная изоляция (double insulation): Изоляция, состоящая одновременно из основной и дополнительной изоляции.

N.2.5 усиленная изоляция (reinforced insulation): Изоляция рабочих частей, находящихся под напряжением, обеспечивающая степень защиты от поражения электрическим током, эквивалентная двойной изоляции.

Примечание - Усиленная изоляция может состоять из нескольких слоев, которые невозможно испытать отдельно как основную или дополнительную.

N.2.6 разделение защиты по изоляции [(electrically) protective separation]: Отделение одной цепи от другой с помощью:

- двойной изоляции или

- основной изоляции и защитного экранирования, или

- усиленной изоляции

[IEC 195-06-19].

N.2.7 цепь SELV (SELV circuit): Электрическая цепь:

- напряжение которой не может быть выше сверхнизкого напряжения в нормальных условиях и

- в условиях первичного повреждения, в том числе повреждений заземления других цепей.

Примечание - Адаптированное определение системы SELV по 61140.

N.2.8 цепь PELV (PELV circuit): Электрическая цепь:

- напряжение которой не может быть выше сверхнизкого напряжения в нормальных условиях и

- в условиях первичного повреждения, кроме повреждений заземления других цепей

Примечание - Адаптированное определение системы PELV по IEC 61140.

N.2.9 ограничение установившего тока касания и заряда (limitation of steady-state touch current and charge): Защита от электрического удара с помощью цепи или аппарата, благодаря конструкции которого в нормальных условиях и в условиях повреждения установившийся ток касания и заряд ограничены до безопасных уровней

[IEC 826-03-16, модифицирован].

N.2.10 устройство защитного полного сопротивления (protective impedance device): Компонент или комплект компонентов, полное сопротивление и конструкция которых гарантируют, что установившийся ток касания и заряд ограничены до безопасных уровней.

N.3 Требования

N.3.1 Общие положения

Если не имеется других требований в стандарте на аппарат конкретного вида, то настоящий стандарт должен содержать:

Единственный метод создания раздельной защиты, рассматриваемый в настоящем стандарте, основанный на двойной (или усиленной) изоляции между цепями SELV (PELV) и другими цепями. Если какой-то компонент подсоединен между разделенными цепями, то этот компонент должен соответствовать требованиям, предъявляемым к устройствам защитного полного сопротивления по 5.3.4 IEC 61140 (см. рисунок N.1).

Рассмотрение воздействия на изоляцию электрических дуг, возникающих обычно в дугогасительных камерах аппаратов с учетом определения размеров расстояний утечки, при этом отпадает необходимость в специальной проверке.

Воздействие частичных зарядов во внимание не принимают.

N.3.2 Требования к электрической прочности изоляции

N.3.2.1 Расстояния утечки

Необходимо проверить, чтобы расстояния утечки между цепью SELV (PELV) и другими цепями были равны или в два раза превышали значения по основной изоляции, указанные в таблице 15, и соответствовали значению напряжения цепи с наибольшим номинальным напряжением.

Примечание - Данное требование базируется на принципах IEC 60664-1.

Расстояния утечки проверяют по N.4.2.1.

N.3.2.2 Воздушные зазоры

Необходимо определить размеры воздушных зазоров между цепью SELV (PELV) и другими цепями аппарата, чтобы он мог выдерживать импульсное напряжение, как это указано в приложении H применительно к основной изоляции особой категории применения. Это значение напряжения должно быть на порядок выше в ряду значений (или равно 160 % значения напряжения, требуемого для основной изоляции) в соответствии с 3.1.5 IEC 60664-1.

Условия испытаний приведены в N.4.2.2.

N.3.3 Требования к конструкции

При разработке конструкции необходимо принимать во внимание:

- применение материалов с учетом их старения;

- тепловые нагрузки или возможность механических повреждений, влияющих на изоляцию между цепями;

- возникновение электрического контакта между различными цепями при случайном отсоединении провода.

Примеры опасных факторов, которые необходимо учитывать при разработке конструкции, приведены в N.4.3.

N.4 Испытания

N.4.1 Общие положения

Испытания аппаратов с раздельной степенью защиты по изоляции обычно проводят как типовые. Если конструкция по своему замыслу не гарантирует надежность изоляции, предусмотренной для раздельной защиты в условиях производства, то по указанию изготовителя или требованиям стандарта на аппарат конкретного вида эти испытания или часть их допускается проводить как контрольные испытания.

Подлежат испытаниям цепи SELV (PELV) и каждая из других цепей, например главные цепи, цепи управления и вспомогательные цепи.

Испытания проводят в рабочем состоянии аппарата: положениях отключения, включения, срабатывания.

N.4.2 Испытания на электрическую прочность изоляции

N.4.2.1 Проверка расстояний утечки

Условия проведения измерений должны быть аналогичны 8.3.3.4.1 и приложению G.

N.4.2.2 Проверка воздушных зазоров

N.4.2.2.1 Состояние аппаратов для испытаний

Испытания аппаратов проводят как для условий эксплуатации с электропроводкой, на аппаратах в сухом и чистом состоянии.

N.4.2.2.2 Подача испытательного напряжения

При испытании каждой цепи испытуемого аппарата внешние выводы должны быть соединены друг с другом.

N.4.2.2.3 Испытательное импульсное напряжение

Форма волны испытательного импульсного напряжения должна быть 1,2/50 мкс в соответствии с 8.3.3.4.1, значение напряжения определено в N.3.2.2.

N.4.2.2.4 Испытания

Воздушные зазоры проверяют при подаче испытательного напряжения по N.4.2.2.3. Испытания проводят не менее чем тремя импульсными волнами каждой полярности с интервалом в соответствии с 8.3.3.4.1 между импульсами не менее 1 с.

Испытательное напряжение можно не применять, если воздушные зазоры равны или больше указанных в таблице 13 для конкретного значения испытательного напряжения.

N.4.2.2.5 Результаты испытаний

При подаче напряжения испытание считают выдержанным, если нет пробоя или перекрывающего изоляцию разряда.

N.4.3 Применяемые меры предосторожности, относящиеся к конструкции аппарата

Следует принять меры, чтобы механические повреждения, например изгиб припаянного провода, повреждения припоя, обрыв обмотки (катушки), ослабление или выпадение винта не повлияли на изоляционные свойства, в такой степени, что они перестали бы соответствовать требованиям к основной изоляции; конструкция аппарата должна исключать возникновение двух или более повреждений изоляции одновременно.

Примеры мер предосторожности, относящихся к конструкции аппарата:

- достаточная механическая прочность;

- использование механических перегородок;

- использование стопорения винтов;

- пропитка или заливка компонентов;

- установка проводов в изоляционной защите;

- исключение соприкосновения проводов с острыми краями.

D - двойная (или усиленная) изоляция между цепями (включая цепь БСНН/ЗСНН); R - компонент, отвечающий требованиям к устройствам защитного полного сопротивления; S-основная изоляция.

Рисунок N.1 - Пример подсоединения компонента между разделенными цепями

Приложение О
(рекомендуемое)
Экологические аспекты продукции

Введение

Во всех странах мира признана необходимость снижения воздействия на естественную окружающую среду изделий производства (в частности электрических аппаратов) во всех циклах - от производства материалов до изготовления продукции, ее распределения, использования, утилизации, рециклинг отходов, сбыта. Производимый отбор образцов изделий на стадии разработки определяет факторы воздействия продукции в течение всего ее жизненного цикла. Однако существует ряд обстоятельств, усложняющих решение экологических вопросов, связанных с производством изделий. Например, выбор вариантов проектирования, снижающих воздействие производства на окружающую среду, может осложнить сбыт продукции, к примеру, вызвать снижение воспроизводства для повышения энергоэффективности производства.

Постоянное внедрение новых изделий и материалов усложняет оценку, поскольку требует вовлечения дополнительных мер для оценки воздействия на окружающую среду изделия или материала на протяжении их жизненного цикла. Более того, в настоящее время имеется недостаточно информации о воздействии существующих материалов на окружающую среду. Тем не менее, вся располагаемая информация используется как основа для усовершенствования изделий, с учетом их воздействия на окружающую среду.

Принципы оценки жизненного цикла (ОЖЦ) и проектирования для окружающей среды (ПОС) и реже экологически сознательное проектирование (ЭСП) являются дополнительными инструментами, используемыми в направлении охраны окружающей среды.

Чем больше объем информации, которой располагает изготовитель, тем точнее выбор специфики проектирования и вытекающих из всего этого последствий. Сведения, полученные при подборе вариантов проектирования, могут также содействовать рецикпингу и размещению продукции в конце жизненного цикла (КЖЦ).

Настоящее приложение может быть полезно в той мере, насколько позволяет уровень развития производства. Чем больше проведено исследований и накоплено информации, тем выше оценка жизненного цикла и возможность выбора лучших вариантов проектирования изделий, уменьшающих воздействие на окружающую среду. Рекомендуется осторожный, профессионально взвешенный, критический подход в применении настоящего приложения.

O.1 Область применения

Настоящее приложение предназначено для определения экологических аспектов, связанных с воздействием на естественную окружающую среду аппаратов, на которые распространяется действие

IEC 60947-1.

Примечание 1- Настоящее приложение не касается вопросов упаковки.

Определение окружающей среды, применяемое в настоящем приложении, отличается от определения, применяемого в публикациях, касающихся воздействия условий окружающей среды на электротехнические изделия.

Примечание 2 - Воздействие условий окружающей среды на работоспособность аппаратов (см. IEC 60068, IEC 60721 и Guide 106).

O.2 Термины и определения

В настоящем приложении применяют следующие термины и определения:

O.2.1 окружающая среда (environment): Среда функционирования организации, включая воду, воздух, землю, природные ресурсы, животный и растительный мир, людей и их взаимосвязь

Примечания

1 В понятие организации включена продукция, производимая этой организацией.

2 К окружающей среде не относят атмосферу, влияющую на электротехническую продукцию (например влажность или температуру), а также деловую среду. Определение окружающей среды применяют как синоним экологии.

O.2.2 организация (organization): Компания, корпорация, фирма, предприятие, орган власти или учреждение, являющаяся частью или совокупностью частей, объединенных или нет, государственная или частная, с собственными функциями и управлением

Примечание - В организациях с несколькими оперативными подразделениями одно оперативное подразделение может считаться организацией

[ISO 14001, определение 3.16].

O.2.3 жизненный цикл (life cycle): Последовательные и взаимосвязанные стадии продукционной системы от приобретения сырья или накопления природных ресурсов до окончательного удаления [Guide 109, определение 3.8].

O.2.4 оценка жизненного цикла (ОЖЦ) [Life Cycle Assessment (LCA)]: Набор мер для систематического сбора и оценки входных и выходных потоков материалов и энергии, а также сопутствующих воздействий на окружающую среду со стороны продукционной системы на всех стадиях жизненного цикла продукции [Guide 109, определение 3.9].

O.2.5 экологический аспект (environmental aspect): Элемент деятельности организации по производству или обслуживанию продукции, который может воздействовать на окружающую среду

Примечания

1 Значительным экологическим аспектом является тот, который имеет или может иметь значительное воздействие на окружающую среду.

2 Например, потребление энергии во многих случаях является главным экологическим аспектом электротехнической и электронной продукции

[Guide 109, определение 3.4].

O.2.6 воздействие на окружающую среду (environmental impact):

Неблагоприятное или благоприятное, полное или частичное изменение окружающей среды в результате деятельности организации по производству или обслуживанию продукции

Примечание - Потребление энергии в производстве имеет многостороннее воздействие на окружающую среду через процесс производства энергии, например вклад в парниковый эффект или окисление окружающей среды

[Guide 109, определение 3.5].

O.2.7 расчет жизненного цикла (РЖЦ) [Life-Cycle Thinking (LCT)]: Учет всех аспектов окружающей среды (продукции) на протяжении всего жизненного цикла (продукции)

[Guide 109, определение 3.10].

O.2.8 рециклинг (recycling): Размещение в процесс производства отходов материалов с первоначальной целью либо с другой целью, кроме получения энергии за счет утилизации отходов [Guide 109, определение 3.16].

O.2.9 пригодность к рециклингу (recyclability): Свойство веществ, материалов и частей/изделий быть способными к рециклингу

Примечание - Пригодность продукции к рецикпингу определяется не только пригодностью к рециклингу материалов, ее составляющих. Структура и логистика продукции также являются важными факторами

[Guide 109, определение 3.15].

O.2.10 конец жизненного цикла (КЖЦ) [End of Life (EOL)]: Состояние продукции, когда она окончательно изымается из применения или первоначального назначения

[Guide 109, определение 3.1].

O.2.11 проектирование для окружающей среды (ПОС) [design for environment (DFE)]: Комплекс процедур, направленных на проектирование продукции с целью оптимизации ее экологических качеств в существующих технических и экономических условиях

Примечание - Для характеристики процесса интеграции аспектов окружающей среды в проектирование и разработку продукции применяют несколько терминов, например проектирование для окружающей среды (ПОС), эко-дизайн, экологически сознательное проектирование (ЭСП) и т.д.

O.2.12 вредное вещество (hazardous substance): Вещество, которое сразу или через определенное время может нанести вред здоровью человека или окружающей среде

Примечание - Опасность вредного воздействия на окружающую среду, вызванного вредным веществом, определяется не только непосредственным воздействием самого вещества, но также количеством и возможностью его постепенного выделения. Поэтому все эти факторы должны оцениваться и учитываться на протяжении всего жизненного цикла продукции.

[Guide 109, определение 3.1].

O.2.13 получение энергии за счет утилизации отходов (energy recovery): Использование горючих отходов для получения энергии при их непосредственном сжигании либо совместно с другими отходами для получения тепла

[Guide 109, определение 3.2].

O.3 Общие положения

Следует убедиться в том, что соблюдение следующих условий всегда ведет к уменьшению негативного воздействия на окружающую среду со стороны продукции на протяжении ее жизненного цикла:

- консервация материалов;

- эффективность использования энергии и природных ресурсов;

- снижение выбросов и отходов;

- минимальная материалоемкость аппаратов (включая упаковочный материал);

- снижение числа применяемых материалов;

- замена или сокращение использования вредных веществ;

- повторное применение/возврат сборочных узлов или комплектующих;

- возможность технической модернизации;

- проектирование для удобства обслуживания, демонтажа и пригодности к рециклингу (при наличии);

- нанесение покрытия или другие комбинации материалов, повышающие пригодность изделий к рециклингу;

- маркировка;

- наличие соответствующей инструкции по применению/ информации для потребителя, касающейся окружающей среды.

O.4 Учитываемые входные и выходные потоки продукционной системы

O.4.1 Общие положения

На рисунке O.1 представлена схема, отражающая взаимосвязь между основными этапами жизненного цикла продукционной системы в окружающей среде, ее функционирование, проектирование, характеристики и другие внешние элементы, составленная Рабочей группой 1 Технического комитета 207 ИСО. Перечислены также основные задачи стандартизации окружающей среды, а именно: потребление материалов и энергии, выбросы в окружающую среду, пригодность к рециклингу и демонтажу. На каждом этапе жизненного цикла продукции необходимо соблюдение баланса материалов и энергии. При сборе данных изучают весь жизненный цикл продукции от начала до конца. На рисунке O.1 также представлено усовершенствование экологических аспектов продукции, ведущее к защите окружающей среды от загрязнения и сохранению природных ресурсов.

O.4.2 Входные и выходные потоки

Воздействие на окружающую среду со стороны продукции в большей степени определяют используемые входные потоки и накапливаемые на всех стадиях жизненного цикла продукции выходные потоки продукционной системы. Изменение лишь одного входного потока, будь то замена материалов или применяемой энергии, либо воздействие на один выходной поток может оказать влияние на другие входные и выходные потоки (см. рисунок O.1).

O.4.3 Входные потоки

O.4.3.1 Следует учитывать входные потоки материалов, применяемых в производстве продукции. Подобные воздействия могут включать в себя исчерпание пополняемых и не пополняемых ресурсов; землепользование, наносящее ущерб; подвергание природы и человека воздействию вредных веществ. Входные потоки материалов могут также способствовать накоплению отходов, выбросов в воздушную среду, сбросов в водную среду и других выбросов. Входные потоки материалов на протяжении жизненного цикла продукции, связанные с приобретением сырья, производством, транспортированием (включая упаковку и хранение), применением/обслуживанием, повторным использованием/рециклингом и отходами продукции, могут вызвать различные воздействия на окружающую среду.

O.4.3.2 Входные потоки энергии необходимы на большинстве этапов жизненного цикла продукционной системы. Источники энергии могут быть ископаемыми, ядерными, утилизированными, гидроэлектрическими, геотермальными, солнечными, ветровыми и другими. Каждый источник энергии оказывает определенные воздействия на окружающую среду.

O.4.4 Выходные потоки

O.4.4.1 Выходные потоки, генерируемые на протяжение жизненного цикла продукционной системы, обычно включают в себя собственно продукцию, промежуточную продукцию, побочную продукцию, выбросы в воздушную среду, сбросы в водную среду, отходы материалов и другие выбросы.

O.4.4.2 Выбросы в воздушную среду включают в себя выбросы газов, паров или частиц. Выбросы токсичных, коррозионных, воспламеняемых, взрывоопасных, кислотных или пахучих веществ могут нанести вред флоре, фауне, человеку, зданиям и т.д. или способствовать таким воздействиям на окружающую среду, как повреждение озонового слоя или образование смога. Выбросы в воздушную среду включают в себя выбросы, сосредоточенные в одном месте, а также из рассеянных источников, обработанные и необработанные выбросы, выбросы при нормальной работе производства и выбросы в аварийных случаях.

O.4.4.3 Сбросы в водную среду включают в себя сброс веществ в проточные воды, а также на поверхность водоемов или в подземные источники. Сброс питательных или токсичных веществ, коррозионных, радиоактивных, стойких, накапливающихся или уничтожающих кислород веществ может увеличить вредные воздействия на окружающую среду, в том числе различные загрязнения водной экосистемы, отравления природных источников воды. Сбросы в водную среду включают в себя сбросы, сосредоточенные в одном месте, а также из рассеянных источников, обработанные и необработанные сбросы, сбросы при нормальной работе производства и сбросы в аварийных случаях.

O.4.4.4 Отходы материалов могут быть твердыми или жидкими и содержать продукты утилизации. Отходы материалов могут образовываться на всех стадиях жизненного цикла продукции. Отходы материалов подвергаются рециклингу, обработке, восстановлению или утилизации, связанными с дальнейшими входными и выходными потоками материалов, которые могут привести к неблагоприятным воздействиям на окружающую среду.

O.4.4.5 К другим выбросам могут также относиться выбросы в землю, шумы, вибрации, излучения и выделение тепла.

Рисунок O.1 - Концептуальная взаимосвязь положений стандартов на продукцию с воздействием на окружающую среду со стороны продукции на протяжении ее жизненного цикла

O.5 Методы учета воздействия на окружающую среду в проектировании и разработке продукции

Идентификация продукции и оценка ее воздействия на окружающую среду - сложный процесс, требующий особой тщательности и привлечения консультаций экспертов. Существует специальная методика по внедрению экологических аспектов в проектирование и разработку продукции. Эти аспекты могут присутствовать в разработке ключевых вопросов проектирования продукции, принятии решений, а также в вопросах бизнеса и экономики. Примерами таких методов являются:

a) анализ экологических аспектов продукции, например оценка жизненного цикла (ОЖЦ) и определение эффективности экологической системы по эталонному тесту, основанному на физических измерениях (например, масса, потребление энергии, объем);

b) определение стратегии в области экологической среды продукции: качественных инструментов для принятия решений, например, ЭКО-матрицы, контрольные листы, диаграммы Парето, SWOT- анализ (ССВС) (сила - слабость - возможности - средства), web-диаграммы и диаграммы портфолио;

c) перенос экологических аспектов в свойства продукции: например, методами системы QFD (система улучшения качества продукции с анализом отзывов потребителей) и анализа FMEA (анализ типа отказа и его последствий).

При выборе метода необходимо руководствоваться базовыми концепциями продукции для включения экологических аспектов в проектирование и разработку продукции.

O.6 Технические комитеты, подкомитеты и рабочие группы ИСО, имеющие отношение к области применения данного приложения

ТК 61 Пластмассы.

ТК 79 Легкие металлы и их сплавы.

ТК 122 Упаковка.

ТК 146 Качество воздуха.

ТК 147 Качество воды.

ТК 190 Качество почвы.

ТК 200 Твердые отходы.

ТК 203 Технические энергосистемы.

ТК 205 Проектирование окружающей среды интерьера зданий.

ТК 207 Управление окружающей средой.

ПК 1 Системы управления окружающей средой.

ПК 2 Экологический аудит и связанные с ним исследования состояния окружающей среды.

ПК 3 Этикетирование окружающей среды.

ПК 4 Оценка характеристик окружающей среды.

ПК 5 Оценка жизненного цикла.

ПК 6 Термины и определения.

РГ 1 Экологические аспекты в стандартах на изделия.

Примечание - ТК-технический комитет, ПК - подкомитет технического комитета, РГ - рабочая группа.

O.7 Руководящие указания по принципам оценки воздействия на окружающую среду (ВОС)

На рассмотрении.

O.8 Руководящие указания по принципам проектирования для окружающей среды (ПОС)

На рассмотрении.

O.9 Нормативные ссылки

Guide 106:1996 Выбор условий окружающей среды для определения номинальных параметров аппаратов

Guide 109:2003 Экологические аспекты для включения в стандарты на электротехническую продукцию

IEC 60068 (все части). Испытание окружающей среды

IEC 60721 (все части). Классификация условий окружающей среды

ISO 14040:1997 Управление окружающей средой. Оценка жизненного цикла. Принципы и структура

Приложение P
(рекомендуемое)
Кабельные наконечники для медных проводников, присоединяемых к выводам низковольтной аппаратуры распределения и управления

Таблица P.1- Примеры размеров кабельных наконечников для медных проводников, присоединяемых к выводам низковольтной аппаратуры распределения и управления

Площадь поперечного сечения проводника, мм

Размеры (см. рисунок P.1), мм

Диаметр

отверстия

монтажного

болта

гибкого

одно- или многожильного

L макс

N макс

W макс

W калибр

Z макс.

M мин

H

6

10

22

6

10

-

12

6

М5

10

16

26

6

10

-

12

6

М5

16

25

28

6

10

-

12

6

М5

25

35

33

7

12

12,5

17

7

Мб

35

50

38

7

12

12,5

17

7

Мб

50

70

41

7

12

12,5

17

7

Мб

70

95

48

8,5

16

16,5

20

8,5

М8

95

120

51

10,5

20

20,5

25

10,5

М10

120

150

60

10,5

20

20,5

25

10,5

М10

150

185

72

11

25

25,5

25

11

М10

185

240

78

12,5

31

32,5

31

12,5

М12

240

300

89

12,5

31

32,5

31

12,5

М12

300

400

105

17

40

40,5

40

17

М16

400

500

110

17

40

40,5

40

17

М16

Примечание - Применимы другие размеры кабельных наконечников.

 

Рисунок Р.1 - Размеры

Приложение Q
(обязательное)
Специальные испытания.
Влажное тепло, соляной туман, вибрации и толчки

Q.1 Общие положения

Целью настоящего приложения является установление требований, позволяющих оценивать способность аппаратуры распределения и управления выполнять свои функции, когда аппаратура предназначена для применения в определенных климатических условиях, отличающихся от нормальных условий эксплуатации, указанных в 6.1.

Настоящее приложение устанавливает условия испытаний и испытательные последовательности, а также результаты испытаний, которые необходимо получить.

Специальные испытания проводят по усмотрению изготовителя или по соглашению между изготовителем и потребителем (см. 2.6.4).

Являясь специальными, эти дополнительные испытания не являются обязательными, поэтому нет необходимости в том, чтобы оборудование удовлетворяло данным испытаниям согласно настоящему стандарту.

Q.2 Классификация оборудования

Оборудование классифицируют по шести видам климатических испытаний, исходя из сочетаний различных классов параметров (температура и влажность, вибрации, толчки, соляной туман).

Испытательные диапазоны температуры и влажности:

СС1: от минус 5 °С до плюс 55 °С (первый диапазон: испытание сухим теплом при плюс 55 °С/испытание влажным теплом при плюс 40 °С/испытание холодом при минус 5 °С;

СС2: от минус 25 °С до плюс 70 °С (второй диапазон: испытание сухим теплом при плюс 70 °С/испытание влажным теплом при плюс 55 °С/испытание холодом при минус 25 °С.

Уровни вибраций и толчков:

МС1: отсутствие вибраций;

МС2: вибрации;

МС3: вибрации и толчки.

Соляной туман:

SC1: отсутствие соляного тумана;

SC2: соляной туман (испытание по IEC 60068-2-52).

При сочетании этих климатических испытаний различают шесть категорий: A, B, C, D, E и F.

A: регулируемая среда, подвергаемая температуре и влажности (диапазон испытательных температур от минус 5 °С до плюс 55 °С) = MC1 + CC1 + SC1.

Примечание 1- Такие условия окружающей среды могут характеризоваться как влажные.

B: среда, подвергаемая температуре и влажности (диапазон испытательных температур от минус 25 °С до плюс 70 °С) = МС1 + СС2 + SC1.

Примечание 2 - Такие условия окружающей среды могут характеризоваться как влажные и холодные.

C: среда, подвергаемая температуре, влажности и соляному туману = MC1 + CC2 + SC2.

Примечание 3 - Такие условия окружающей среды могут характеризоваться как влажные и соленые, или морские.

D: среда, подвергаемая температуре, влажности и вибрациям = МС2 + СС2 + SC1.

Примечание 4 - Такие условия окружающей среды могут характеризоваться как влажная и холодная атмосфера на борту судна с вибрацией.

E: среда, подвергаемая температуре, влажности, вибрациям и толчкам = MC3 + CC2 + SC1.

Примечание 5 - Такие условия окружающей среды могут характеризоваться как открытое место с влажной и холодной атмосферой без соляного тумана, или жесткие условия, но не морские.

F: среда, подвергаемая температуре, влажности, вибрациям, толчкам и соляному туману = MC3 + CC2 + SC2.

Примечание 6 - Такие условия окружающей среды могут характеризоваться как открытое место с влажной, холодной и соленой атмосферой, или жесткие морские условия.

Q.3 Испытания

Q.3.1 Общие условия испытаний

Если не установлено иное, по 8.3.2 со следующими дополнениями.

Данные испытания доказывают способность аппарата выполнять назначенные функции в особых испытательных условиях.

Назначенная функция определена в испытательных последовательностях.

Аппарат испытывают (если требуется) в разомкнутом положении с предварительным выдерживанием в нормальных атмосферных условиях не менее 24 ч. Нормальными атмосферными условиями считают:

- температуру (25 ± 10) °С;

- относительную влажность (60 ± 30) %;

- давление воздуха (96 ± 10) кПа.

Для испытаний внутри климатической камеры длина соединительных кабелей аппарата должна быть не менее 5 см, а для аппарата в оболочке не менее 5 см снаружи оболочки, при этом их пропускание через оболочку должно выполняться по инструкции изготовителя.

По согласованию с изготовителем допускается применение кабелей с сечением, менее указанных в таблицах 9 - 11 пункта 8.3.3.3.4. Аппараты с высокими номинальными токами допускается испытывать без кабельных соединений, если внутреннее пространство климатической камеры ограничено.

Примечание - Поскольку согласно 6.1.4 вопрос о толчках и вибрациях для нормальных условий находится в стадии рассмотрения, данное приложение не устанавливает, что считать нормальными условиями сточки зрения толчков и вибраций, поэтому проверки на толчки и вибрации будут проводиться после принятия пункта 6.1.4.

Q.3.2 Испытательные последовательности

После выбора среды проводят испытания согласно испытательным последовательностям по таблице Q.1. См. также сноску f внизу таблицы.

Таблица Q.1 - Испытательные последовательности

Вид среды

Регулируемая среда по температуре и влажности

Среда по температуре и влажности

Среда по температуре, влажности и соляному туману

Среда по температуре, влажности и вибрациям

Среда по температуре, влажности, вибрациям и толчкам

Среда по температуре, влажности, вибрациям, толчкам и соляному туману

Категория

A

B

C

D

E

F

Диапазон испытат. температур

От минус 5 °С до плюс 55 °С

От минус 25 °С до плюс 70 °С

1 Сопротивление изоляции до испытания и осмотра

а)

2 Вибрация

Не проводят

Вибрация по IEC 60068-2-6, испытание Fcb)

3 Толчки

Не проводят

IEC 60068-2-27, испытание Еас)

4 Проверка работоспособности

Не проводят

По конкретному стандарту на аппарат d)

5 Сухое тепло

IEC 60068-2-2, испытание Bd, 16 ч

55 °Се)

70 °Се)

70 °Се) f)

6 Влажное тепло

Циклическое по IEC 60068-2-30, испытание Db, 2 цикла

40 °С

55 °С

Вариант 2 Без нагрузки

Вариант 2g)

Вариант 2 Без нагрузки

Вариант 2g)

7 Восстановление

Восстановление проводят в нормальных атмосферных условиях в течение 24 ч h)

8 Сопротивление изоляции

i)

9 Низкие температуры

IEC 60068-2-1, испытание Ab или Ad в зависимости от того, имеется ли рассеяние тепла аппаратом (>5 К)

Начальная температура испытательной камеры должна снизиться до температуры Т, камера должна поддерживать эту температуру ± 3 °С в течение 16 ч

Т= минус 5 °С

Т = минус 25 °С

10 Восстановление

Восстановление должно происходить в нормальных атмосферных условиях в течение 24 ч h)

11 Сопротивление изоляции

i)

12 Электроизоляционные испытания

IEC 60947-1, п. 8.3.3.4.1, перечисление 3)

13 Проверка работоспособности

По конкретному стандарту на аппаратd)

14 Соляной туман

Не проводят

IEC 60068-2-52, испытание Kb, уровень жесткости

Не проводят

IEC 60068- 2-52, испытание Kb, уровень жесткости 2j)

15 Сопротивление изоляции

Не проводят

i)

16 Проверка работоспособности

Не проводят

По конкретному стандарту на аппаратd)

Не проводят

По конкретному стандарту на аппарат d)

17 Внешний осмотр

Не проводят

k)

Не проводят

k)

Примечания

1 Приведенная классификация отличается от классификации по IEC 60721-3.

2 Значения, приведенные в сносках а) и i) внизу таблицы, отличаются от IEC 60092-504.

a) Сопротивление изоляции измеряют между цепями и между каждой цепью и землей при испытании устройств, соответствующих IEC 61557-2 (некоторые компоненты, например для подавления переходных помех, в этом испытании следует отсоединять).

Максимальные номинальные рабочие напряжения:

До 65 В
Св. 65 В

Испытательное напряжение постоянного тока:

2 напряжения питания (мин.24В) 500 В

Минимальное сопротивление изоляции:

10 МОм
100 МОм

b) Параметры вибрационных испытаний:

Диапазоны частот

Смещение

Ускорение

От 2 (+3) Гц до 13,2 Гц

± 1 мм

 

От 13,2 Гц до 100 Гц

 

± 0,7 g

- длительность в случае нерезонансного состояния: 90 мин при 30 Гц;

- длительность на каждой резонансной частоте, при которой записанное Q ≥ 2 : 90 мин;

- при вибрационном испытании рабочие условия должны демонстрироваться;

- испытания проводят в трех взаимно перпендикулярных плоскостях;

- рекомендуется, чтобы Q ориентировочно составляло не более 5;

- критические частоты входят в диапазон резонансных частот, в котором коэффициент усиления без прерывания превышает 2;

- в случае нескольких резонансных частот в диапазоне 0,8 и 1,2 (развертки) критических частот, испытание должно длиться 120 мин с ускорением 0,7 g.

Получаемые результаты: при вибрационном испытании ненамеренное размыкание и замыкание контактов длительностью более 3 мс, считают отказом, если большая длительность не установлена изготовителем в документации.

Заданное время прерывания может вызвать проблемы в некоторых назначениях (например, мониторинг ПЛК (программируемого логического контроллера) с высокоскоростными вводами, такую характеристику следует учитывать в назначении.

c) По три положительных и отрицательных толчка прикладывают к трем взаимно перпендикулярным осям:

- форма импульса: полупериод;

- пиковое ускорение: 150 м/с2 (это значение необходимо рассмотреть, при потребности комитетами по изделиям могут быть установлены различные значения);

- длительность импульса: 11 мс.

После испытания проверка, проведенная по ряду 4, должна показать, что определенные рабочие характеристики, установленные в стандарте конкретного вида, неизменны.

d) Данное испытание предназначено для проверки того, что аппарат гарантирует минимальные рабочие характеристики, установленные в стандарте конкретного вида.

e) Стандарт на аппарат конкретного вида должен установить действие аппарата при кондиционировании, испытании и функциональном испытании. Восстановление проводят в нормальных атмосферных условиях в течение 1 - 2 ч и более согласно стандарту конкретного вида. Стандартные атмосферные условия см. 5.3 IEC 60068-1.

f) Испытания 5-17 можно проводить на новом образце. Все образцы должны подвергаться начальной и конечной проверкам по рядам 1, 15 и 16. Число использованных образцов должно быть указано в протоколе испытаний.

g) Функциональное испытание должно проводиться в течение первых двух часов первого цикла при испытательной температуре и в течение последних двух часов второго цикла при испытательной температуре.

h) В стандарте на аппарат конкретного вида может быть установлено другое время восстановления.

i) Испытание на сопротивление изоляции проводят в течение 1 ч после восстановления. Сопротивление изоляции измеряют между цепями и между каждой цепью и землей при испытании устройств, соответствующих IEC 61557-2 (некоторые компоненты, например для подавления переходных помех, в этом испытании следует отсоединять).

j) После испытания соляным туманом - восстановление: по IEC 60068-2-52, раздел 10 со следующим дополнением:

После промывания аппарат просушивают в течение 24 ч на воздухе или в течение 1 ч при плюс (55 ± 2) °С по усмотрению изготовителя, затем в течение не менее 1 ч и не более 2 ч его помещают в регулируемые условия на восстановление (см. 5.4.1 IEC 60068-1).

Промывание некоторых аппаратов может ухудшить работу. В этом случае в стандартах на аппараты конкретного вида должны быть приведены соответствующие приспособления.

k) Визуальный осмотр:

Механические части, выполняющие функциональную роль или функцию безопасности, следует проверять на предмет окисления: поворотные оси, магниты, навесы, замки и т.д.

Кроме этого, необходимо провести визуальный осмотр частей, снимаемых потребителем при обслуживании. Маркировка должна остаться различимой.

Допускаются следующие повреждения:

- следы железной коррозии на магнитной цепи;

- точки коррозии на винтах;

- следы патины на держателях электрических контактов из медных сплавов;

- точки белой коррозии на деталях с покрытием.

В стандартах на аппарат конкретного вида могут дополнительно указываться критерии соответствия по требованиям безопасности.

Приложение R
(рекомендуемое)
Применение металлической фольги в электроизоляционных испытаниях
на доступных частях при оперировании или регулировке

Введение

Во многих странах существует ряд законоположений, неукоснительных к соблюдению, касающихся здоровья и безопасности потребителей и других лиц, связанных с функционированием электрооборудования. В настоящем приложении рассмотрены некоторые критерии и приведен перечень примеров, касающихся эксплуатации аппаратуры распределения и управления:

a) Устранение опасности, возникающей при эксплуатации аппаратуры распределения и управления, если для ее управления требуется доступ внутрь. Что достигается либо отключением аппаратуры перед доступом, либо обеспечением степени защиты рабочей поверхности как снаружи (оболочки или аппарата в оболочке), так и изнутри (оболочки или аппарата без оболочки) не менее чем IP ХХВ согласно IEC 60529.

В том случае, если это не применимо, тогда

b) Защита персонала от опасности поражения с помощью экранов, перегородок и ограждений.

Если и это не применимо, то

c) Обеспечение персонала защитным оборудованием для гарантии безопасности жизни и здоровья. Данная мера является последним средством и не рассматривается настоящим стандартом.

Предпочтительной мерой является обеспечение рабочих поверхностей аппаратуры распределения и управления степенью защиты не ниже IP ХХВ. В альтернативном случае оборудование должно быть так сконструировано и спроектировано, чтобы все узлы управления находились в безопасном месте внутри оборудования при отсутствии там опасных токоведущих частей. При этом базовым стандартом по безопасности (см. 8.1.2 IEC 61140) установлен минимальный уровень защиты оборудования от поражения электрическим током - IP ХХВ.

Примечание - Существует разница в требованиях по применению металлической фольги между IEC 60529 и приложением R настоящего стандарта.

R.1 Цель

Целью настоящего приложения является пояснение по поводу места размещения металлической фольги с целью проверки соответствия электрической изоляции при испытании.

Описание, приведенное в настоящем приложении, очевидно, не учитывает всех случаев, возникающих в данной области, поэтому в стандарте на аппарат конкретного вида могут быть даны более точные пояснения по поводу условий нормальной эксплуатации и монтажа (например, размещение приводных рукояток снаружи, а остальных частей внутри оболочки).

Изготовитель может дать дополнительную информацию для испытательной лаборатории о соответствующем порядке проведения испытания (например, оборудование предназначено для установки без дополнительной оболочки, в этом случае части, предназначенные для покрытия металлической фольгой, не отделяются от частей, доступных при управлении или регулировке).

R.2 Определение зон

R.2.1 Общие положения

Для определения наличия частей, доступных при управлении или регулировке в ходе испытаний, различают три зоны применения металлической фольги:

a) устройства ручного управления или регулировки;

b) части, доступные для прикосновения к ним при нормальной эксплуатации или регулировке, но не оперируемые рукой;

c) части, при нормальной эксплуатации или регулировке не доступные для прикосновения.

Примечание - Здесь выбран подход, аналогичный используемому при определении пределов превышения температуры.

При необходимости в стандарте на аппарат конкретного вида могут привести дополнительную информацию.

R.2.2 Применение металлической фольги на частях, доступных при нормальной эксплуатации или регулировке

Если в стандарте на аппарат конкретного вида не установлено иное, рассматриваются только части, предназначенные для прикосновения к ним при нормальной эксплуатации или регулировке.

Части, предназначенные для установки снаружи оболочки, покрывают металлической фольгой (см. рисунок R.1).

Металлическую фольгу размещают в пределах следующих геометрических зон (см. также рисунки R.2 - R.4):

a) В области, ограниченной плоскостью, выступающей на 30 мм от краев органа управления и/или устройства регулировки, и на всех поверхностях в этой области на глубину 80 мм;

b) В области, ограниченной плоскостью, выступающей на 100 мм от краев органа управления и/или устройства регулировки, и на всех поверхностях в этой области на глубину 25 мм.

Металлическую фольгу не заправляют в отверстия и желобки (см. рисунок R.3).

 Металлическая фольга

Рисунок R.1 - Механизм управления снаружи оболочки

 

Размеры в миллиметрах. 1 - область основания, ограниченная поверхностью органа управления; 2 - монтажная панель; 3 - нажимная кнопка; 4 - область с задней поверхностью для защиты руки; 5 - область для защиты пальца; 6 - гнездо

Рисунок R.2 - Оперативное пространство для нажимной кнопки

 

Размеры в миллиметрах

Примечание - Отверстия, в которые не может проникнуть испытательный палец, могут не покрываться металлической фольгой (на усмотрение изготовителя).

Рисунок R.3 - Примеры размещения поверхностей защиты пальца от опасных токоведущих частей вокруг нажимной кнопки (приблизительно 25 мм)

 

Размеры в миллиметрах

1 - область основания; 2 - монтажная панель; 3 - рычаг; 4 - область с задней поверхностью для защиты руки; 5 - область для защиты пальца; 6 - гнездо выключателя

Рисунок R.4 - Оперативное пространство для поворотной рукоятки

Приложение S
(обязательное)
Цифровые вводы и выходы

Примечание - В настоящем приложении приведены выдержки из второго издания IEC 61131-2, французской версии которого не существует. Поэтому признана нецелесообразной публикация французского текста данного приложения в отсутствие текста, подготовленного подкомитетом, курирующим IEC 61131-2 (кроме раздела S.1).

S.1 Область применения

Настоящее приложение распространяется на цифровые входы и/или цифровые выходы, содержащиеся в аппаратуре распределения и управления, и совместимо с программируемыми логическими контроллерами (ПЛК). Оно основано на соответствующих положениях IEC 61131-2.

S.2 Термины и определения

В настоящем приложении применяют следующие термины и определения.

S.2.1 цифровой вход типа 1 (digital input, type 1): Устройство, воспринимающее сигналы от контактных коммутационных устройств, таких как реле, кнопки, выключатели и т.д. и превращающее первичный двухуровневый сигнал в одноразрядное двоичное число

Примечание - Цифровые входы типа один могут не подходить для применения с полупроводниковыми устройствами, такими как датчики, выключатели приближения и т.д.

S.2.2 цифровой вход типа 2 (digital input, type 2): Устройство, воспринимающее сигналы от полупроводниковых коммутационных устройств, таких как двухпроводные выключатели приближения, и превращающее первичный двухуровневый сигнал в одноразрядное двоичное число

Примечания

1 Двухпроводные выключатели приближения, упомянутые здесь, соответствуют IEC 60947-5-2.

2 Устройства данного класса также могут использоваться в назначениях типа 2.

S.2.3 цифровой выход (digital output): Устройство, превращающее одноразрядное двоичное число в двухуровневый сигнал.

S.2.4 включенный на минус (current sinking): Свойство получать ток.

S.2.5 включенный на плюс (current sourcing): Свойство подавать ток.

S.3 Функциональные требования

S.3.1 Номинальные значения и рабочие диапазоны

Модули с внешним питанием I/O указаны в таблице S.1.

Таблица S.1 - Номинальные значения принимаемой мощности

Напряжение, В

Частота, Гц

Рекомендуемое применение
(R)

Стандартные параметры и примечаниес)

Номинальное Ue

Допуски
min/max

Номинальная Fn

Допуски
min/max

Подача
питания

Сигналы
I/O

Постоянный ток

24

15%/+20%

-

-

R

R

a)

48

R

R

a), b)

125

-

-

-

Переменный ток (действующее значение)

24

15%/+10%

50 или 60

6%/+4%

-

-

см. примеч.

48

-

-

см. примеч.

100

R

R

-

110

R

R

-

120

R

R

см. примеч.

200

R

R

-

230

R

R

см. примеч.

240

R

R

-

400

R

-

см. примеч.,d)

Примечание - Значения номинальных напряжений по IEC 60038.

a) Кроме допусков на напряжение, возможна общая составляющая переменного тока с пиковым значением 5% от номинального напряжения. Абсолютные пределы постоянного тока составляют 30/19,2 В для 24 В и 60/38,4 В для 48 В.

b) При применении цифровых вводов типа 2 см. сноску e) к таблице S.2.

c) Для подводимых напряжений, не указанных в настоящей таблице, например 110 В постоянного тока, применяют допуски, указанные в таблице и сноске а) Эти допуски используют в расчетах пределов по таблице S.2, пользуясь неравенствами по таблице S.6.

d) Трехфазное питание.

S.3.2 Цифровые вводы и выводы (I/O)

S.3.2.1 Общие положения

На рисунке S.1 дана иллюстрация определений параметров I/O.

Примечание - В некоторых назначениях используют только один внешний источник питания, общий для вводов, выводов и оборудования.

С - вывод - механический или статический контакт (например, реле с сухим магнитоуправляемым контактом, триак, транзистор и т.п.); Е - заземление - показанное заземление является исходным; заземление зависит от национальных норм или соответствует требованиям назначения; Z- ввод - вводное полное сопротивление; PS - внешние источники питания; 1 - вывод оборудования, включенный на плюс; 2 - ввод оборудования, включенный на минус; 3 - нагрузка; 4 - оборудование; 5 - общее (контрольное); 6 - источник; 7 - ввод (вход); 8 - вывод (выход).

Рисунок S.1 - Параметры I/O

Цифровые I/O должны отвечать следующим требованиям.

Цифровые вводы соответствуют требованиям к параметрам стандартных напряжений по S.3.2.2.

Цифровые выводы соответствуют требованиям к параметрам стандартных напряжений по S.3.2.3.2 для переменного тока и по S.3.2.4.2 для постоянного тока.

Должно быть возможно взаимное соединение вводов и выводов путем правильного выбора других I/O, результатом чего было бы точное срабатывание (при необходимости дополнительную внешнюю нагрузку должен указать изготовитель).

Цепь должна отвечать требованиям к воздушным зазорам и путям утечки, а электроизоляционные испытания - выявить соответствие межфазного напряжения.

Примечание - Настоящее приложение не распространяется на вводы, включенные на минус, и выводы, включенные на плюс, которые могут потребоваться в некоторых назначениях. Их использование требует осторожного подхода. (При применении положительных логических схем с (временным) снижением тока и логических схем с (временным) увеличением тока любое короткое замыкание на опорный потенциал и разрыв проводов трактуются вводами и нагрузками как закрытое состояние; с другой стороны для вводов, включенных на минус и выводов, включенных на плюс, замыкания на землю трактуются как открытое состояние) (см. рисунок S.1).

S.3.2.2 Цифровые вводы (включение на минус)

S.3.2.2.1 Общие положения

Соответствие требованиям данного подпункта проверяют по S.4.2.

S.3.2.2.2 Терминология (рабочие области U/I)

На рисунке S.2 графически представлены пределы и рабочие диапазоны, применяемые для характеристики цепей цифровых вводов, включенных на минус.

Рабочую область составляют открытая область, переходная область и закрытая область. Необходимо превысить как UTmin, так и ITmin, чтобы выйти из закрытой области и превысить IHmin до UHmin, чтобы войти в открытую область: все вводные кривые U - I должны оставаться в пределах этих пограничных условий. Область ниже нуля вольт является значимой частью закрытой области только для вводов постоянного тока.

1 - область закрытого состояния («откл.», состояние 0); 2 - переходная область; 3 - область открытого состояния («вкл.», состояние 1)

Примечание

UHmax и UHmin пределы напряжения для условий «вкл.» (состояние 1);

IHmax и IHmin пределы тока для условий «вкл.» (состояние 1);

UTmax и UTmin пределы напряжения для переходного состояния («вкл.» или «откл.»);

ITmax и ITmin пределы тока для переходного состояния («вкл.» или «откл.»);

ULmax и ULmin пределы напряжения для условий «откл.» (состояние 0);

ILmax и ILmin пределы тока для для условий «откл.» (состояние 0);

ULmax = UHmin/ ITmin = UTmin > ITmin

U, Uе max и Ue min номинальные напряжения и его пределы для внешнего источника напряжения питания.

Рисунок S.2 - Рабочие области U - I для вводов, включенных на минус

S.3.2.2.3 Стандартные рабочие диапазоны для цифровых вводов (включение на минус)

Цифровые вводы, включенные на минус, действуют в пределах, представленных в таблице S.2.

Таблица S.2 - Стандартные рабочие диапазоны для цифровых вводов (включение на минус)

Ном. напр. Uе, В

Ном. част. Fn, Гц

Вид предела

Пределы типа 1g)

Пределы типа 2g)

Сноски

состояние 0

переходное

состояние 1

состояние 0

переходное

состояние 1

UL

IL

UT

IT

UH

IH

UL

IL

UT

IT

UH

IH

В

мА

В

мА

В

мА

В

мА

В

мА

В

мА

24

-

max

15/5

15

15

15

30

15

11/5

30

11

30

30

30

а), b),

DC

min

3

н/у

5

0,5

15

2

3

н/у

5

2

11

6

d), е)

48

-

max

34/10

15

34

15

60

15

30/10

30

30

30

60

30

а), b),

DC

min

6

н/у

10

0,5

34

2

6

н/у

10

2

30

60

d)

24

50/

max

14/5

15

14

15

27

15

10/5

30

10

30

27

30

 

АС

60

min

0

0

5

1

14

2

0

0

5

4

10

6

а), с)

дейст

 

 

 

 

 

 

 

 

 

 

 

 

 

 

 

48

 

max

34/10

15

34

15

53

15

29/10

30

29

30

53

30

 

АС

50/

 

 

 

 

 

 

 

 

 

 

 

 

 

а), с)

дейст

60

min

0

0

10

1

34

2

0

0

10

4

29

6

 

100

 

 

 

 

 

 

 

 

 

 

 

 

 

 

 

110

 

max

79/20

15

79

15

1,1Ue

15

74/20

30

74

30

1,1Ue

30

 

120

50/

 

 

 

 

 

 

 

 

 

 

 

 

 

а), с),

АС

60

min

0

0

20

1

79

2

0

0

20

4

74

6

d), f)

дейст

 

 

 

 

 

 

 

 

 

 

 

 

 

 

 

200

 

 

 

 

 

 

 

 

 

 

 

 

 

 

 

230

 

max

164/40

15

164

15

1,1Ue

15

159/40

30

159

30

1,1Ue

30

 

240

50/

 

 

 

 

 

 

 

 

 

 

 

 

 

а), с),

АС

60

min

0

0

40

2

164

3

0

0

40

5

159

7

d), f)

дейст

 

 

 

 

 

 

 

 

 

 

 

 

 

 

 

a) Все логические сигналы являются положительными. Открытые вводы трактуются как состояние 0 сигнала. Неравенства и допущения в получении значений данной таблицы и дополнительные замечания см. S.6.

b) Данные пределы напряжений включают все переменные составляющие напряжений.

c) Статические выключатели могут воздействовать на общее действующее содержание фактических гармоник входных сигналов и потому влиять на совместимость входного интерфейса с датчиками приближения, особенно для типа 2 на 24 В (дейст.) переменного тока. Требования см. S.3.1.

d) Рекомендовано для общего применения и будущих разработок.

e) Минимальный внешний источник напряжения для вводов типа 2, 24 В постоянного тока, соединенных с двухпроводными датчиками приближения, должен быть более 20 В постоянного тока или UHmin менее 11 В постоянного тока для обеспечения достаточного запаса безопасности.

f) Согласно технологии тока и для поддержки конструкции вводных модулей, совместимых со всеми повсеместно применяемыми номинальными напряжениями, пределы абсолютны и не зависимы от номинального напряжения (за исключением UHmax) и основаны на неравенствах, приведенных в S.6 и соответствуют 100 и 200 В дейст. переменного тока.

g) См. определения S.2.1 - S.2.3.

Примечание - Совместимость с двухпроводными датчиками приближения по IEC 60947-5-2 возможна для типа 2, см. также сноску с).

н/у = не установлено.

S.3.2.2.4 Дополнительные требования

Каждый вводной канал должен быть оснащен лампочкой или аналогичным устройством, указывающим на состояние 1, если индикатор запитан.

S.3.2.3 Цифровые выходы для переменных токов (включение на плюс)

S.3.2.3.1 Общие положения

Требования данного подпункта проверяют по S.4.3.

S.3.2.3.2 Номинальные значения и рабочие диапазоны (переменного тока)

Цифровые выходы переменного тока должны соответствовать параметрам, указанным в таблице S.3, при выходных напряжениях, указанных изготовителем по S.3.1.

Таблица S.3 - Номинальные значения и рабочие диапазоны для цифровых выходов переменного тока, включенных на плюс

Номинальный ток (состояние 1)

Iе, А

0,25

0,50

1,00

2,00

Сноски

Диапазон токов для состояния 1 (длительных при макс, напряжении)

Min (мА) Мах (А)

10 [5] 0,28

20

0,55

100

1,10

100

2,20

a), b)
a)

Падение напряжения Ud для состояния 1

Не защищенный выход

Защищенный и устойчивый к короткому замыканию выход

Ud

 

Мах (В) Мах (В)

 

 

3

5

 

 

a)

a)

Ток утечки для состояния 0

Полупроводниковые выходы

Электромеханические выходы

Мах (мА) Мах (мА)

5 [3]

2,5

10

2,5

a), b), с)

a), с)

Частота повторения для временной перегрузки (см. рисунок S.3)

 

Полупроводниковые выходы

Выходы на реле

Время рабочего цикла, с Мах

Мах

 

 

 

1

10

 

 

 

2

10

 

 

 

-

-

a) Действующие значения токов и напряжения.

b) Цифры в квадратных скобках относят к модулю, не оборудованному сетью дифференциальных токов или аналогичными подавителями импульсов. Все остальные значения относятся к модулям с подавлением импульсов.

c) Ток утечки для полупроводниковых выходов св. 3 мА предполагает применение дополнительных внешних нагрузок для приведения в действие цифровых вводов типа 2.

 

Примечания

1 При применении на выходе в качестве коммутационного элемента реле - t3 = 10 с.

2 При применении на выходе в качестве коммутационного элемента полупроводникового прибора:

- при токе I = 0,25 А - t3 = 1 с;

- при токе I в интервале от 0,5 А до 2 А - t3 = 2 с.

t1 - 2 цикла при Fn (Fn - номинальная линейная частота); t2 - время включения;
t3 - t2 - время отключения (время отключения = время включения); t3 - время работы.

Рисунок S.3 - Временные интервалы коммутационного переключения для цифровых выходов переменного тока

S.3.2.3.3 Дополнительные требования

S.3.2.3.3.1 Индикаторы выходов

Каждый выходной канал должен быть оснащен лампочкой или аналогичным устройством, указывающим на состояние 1, если индикатор запитан.

S.3.2.3.3.2 Защищенные выходы

Указанные изготовителем выходы должны быть защищены.

Выход должен выдерживать и/или объединенное защитное устройство должно срабатывать на защиту выхода при всех установившихся значениях выходного тока св. 1,1 номинального значения.

После возвращения в исходное положение или только замены защитного устройства, по обстоятельствам, оборудование должно вернуться в нормальный режим.

Дополнительный ресурс повторного запуска можно выбрать из трех вариантов:

- защищенный выход с автоматическим рестартом - защищенный выход, автоматически восстанавливающийся после снятия перегрузки;

- защищенный выход с управляемым рестартом - защищенный выход, взводимый с помощью сигналов (например, дистанционным управлением);

- защищенный выход с ручным рестартом - защищенный выход, для восстановления работы которого необходимо воздействие человека (в качестве защиты могут служить плавкие предохранители, электронные блокировки и т.д.).

Требования данного подпункта проверяют по S.4.3.2.

Примечания

1 Работа в условиях длительной перегрузки может уменьшить срок службы модуля.

2 Защищенные выходы не обязательно защищают внешнюю проводку. Ее защита является заботой изготовителя.

S.3.2.3.3.3 Устойчивость выходов к короткому замыканию

Выходы, указанные изготовителем, должны быть устойчивы к короткому замыканию:

- при всех выходных токах св. Iе max и до 2 номинального значения Iе выход должен быть работоспособным и выдерживать временные перегрузки. Такие перегрузки указывает изготовитель;

- при всех ожидаемых выходных токах св. 20 номинального значения должно срабатывать защитное устройство. После возвращения в исходное положение или только замены защитного устройства, по обстоятельствам, оборудование должно вернуться в нормальный режим;

- при выходных токах в диапазоне от 2 до 20 Iе или временных перегрузках, выходящих за пределы, установленные изготовителем (см. выше), может потребоваться ремонт или замена модуля.

Требования данного подпункта проверяют по S.4.3.2.

S.3.2.3.3.4 Незащищенные выходы

Если для незащищенных выходов, указанных изготовителем, он рекомендует внешние защитные устройства, то выходы должны отвечать всем требованиям, предъявляемым к выходам, устойчивым к короткому замыканию.

S.3.2.3.3.5 Выходы на электромеханических реле

Выходы на электромеханических реле должны быть способны выполнить не менее 0,3 млн. операций под нагрузкой, указанной для категории применения АС-15 (класс износостойкости 0.3) по IEC 60947-5-1.

Проведение типового испытания не требуется, если комплектующие реле уже проверены на соответствие IEC 60947-5-1.

S.3.2.4 Цифровые выходы для постоянного тока (включение на плюс)

S.3.2.4.1 Общие положения

Требования данного подпункта проверяют по S.4.3.

S.3.2.4.2 Номинальные значения и рабочие диапазоны (постоянного тока)

Цифровые выходы должны соответствовать параметрам, приведенным в таблице S.4, при выходных напряжениях, указанных изготовителем согласно S.3.1.

Таблица S.4 - Номинальные значения и рабочие диапазоны (постоянного тока) для цифровых выходов постоянного тока, включенных на плюс

Номинальный ток (состояние 1)

Iе, А

0,10

0,25

0,50

1,00

2,00

Сноски

Диапазон токов для

состояния 1 (длительных при макс, напряжении)

Мах (А)

0,12

0,30

0,60

1,20

2,40

-

 

Падение напряжения Ud для состояния 1

Незащищенный выход

Защищенный и устойчивый к короткому замыканию выход

 

Ud

 

Мах (В)

 

 

Мах (В)

 

 

3

 

 

3

 

 

 

 

 

а)

Ток утечки для состояния 0

Мах (мА)

0,1

0,5

1,0

b), c)

Временная перегрузка

Мах (А)

См. рисунок S.2 или указания изготовителя

-

a) Для номинальных токов 1 и 2 А при наличии защиты от изменения полярности допускается падение напряжения 5 В, что делает выход несовместимым со входом типа 1 такого же напряжения.

b) В результате совместимость между выходами постоянного тока и вводами постоянного тока без дополнительной внешней нагрузки следующая:

Номинальный выходной ток Iе (А): 0,10 0,25 0,50 1,00 2,00

Тип 1 : есть есть есть нет нет

Тип 2 : есть есть есть есть есть

c) При адекватной внешней нагрузке все выходы постоянного тока могут стать совместимыми со всеми вводами постоянного тока типа 1 и типа 2.

 

 

t1 - время импульса = 10 мс; t2 - время включения; t3 - t2- время отключения (время отключения = время включения); t3 - время работы = 1 с.

Рисунок S.4 - Временные интервалы коммутационного переключения для цифровых выходов постоянного тока

S.3.2.4.3 Дополнительные требования

Другие требования совпадают с требованиями для выходов переменного тока, включенных на плюс, за исключением:

- защищенные выходы: предел составляет 1,2 Iе вместо 1,1 Iе;

- выходы электромеханических реле: DC-13 вместо АС-15.

S.4 Проверка требований к входам/выходам

S.4.1 Общие положения

Процедуры испытаний не установлены, они устанавливаются соглашением между изготовителем и потребителем, в котором условия, указанные в S.4.4, должны быть неизменны.

Все установленные пункты испытаний должны быть выполнены.

Если настоящим подпунктом не установлено иное, все испытания проводят дважды на одном и том же канале (каналах) I/O:

Первое испытание: при минимальной рабочей температуре.

Второе испытание: при максимальной рабочей температуре.

Испытывать более одного цифрового ввода каждого типа не требуется.

S.4.2 Проверка цифровых вводов

S.4.2.1 Испытание в рабочем диапазоне Проверяют соответствие всем требованиям.

Процедуры испытаний: по соглашению между изготовителем и потребителем.

S.4.2.2 Испытание защиты от изменения полярности сигнала (испытание на устойчивость)

Процедура испытания: к цифровым вводам подают сигнал обратной полярности в течение 10 с.

Проверка: Оборудование должно соответствовать требованиям, установленным в S.4.4.

S.4.3 Проверка цифровых выходов

S.4.3.1 Испытание в рабочем диапазоне Проверяют соответствие всем требованиям.

Процедуры испытаний:

Диапазон тока: по соглашению между изготовителем и потребителем.

Падение напряжения: по соглашению между изготовителем и потребителем.

Ток утечки: Устройства/цепи, предназначенные для защиты выходов, не демонтируют.

Временная перегрузка: по IEC 60947-5-1 (АС-15 или DC-13, по обстоятельствам). Для выходов, устойчивых к короткому замыканию, значения тока должны быть от 2 Iе до 20 Iе соответственно (как указано в S.3.2.3.3.3).

S.4.3.2 Испытания защищенных, незащищенных и устойчивых к короткому замыканию выходов

Таблица S.5 - Испытания цифровых выходов на перегрузку и короткое замыкание

Порядок испытания

Условия испытания

Конфигурация испытуемого устройства

Описание монтажной схемы

Нагрузка

 

Начальные измерения

По указанию изготовителя

 

По указанию изготовителя

Достаточно проверить один канал I/O каждого испытуемого типа

См. S.4.4

Описание испытаний

А

В

С

D

Е

Ожидаемые токи (k × Ie)

1,2/1,3a)

1,5

2,0

5,0

21,0

Длительность испытания (мин)

5

Порядок проверок

Первая серия (при Tmin)

Вторая серия (при Tmax)

 

1

6

 

2

7

 

3

8

 

4

9

 

5

10

Интервалы времени между испытаниями

10 мин ≤ интервал времени ≤ 60 мин

Испытание защищенных выходов

Да

Испытание выходов, устойчивых к короткому замыканию

Нет

Даb)

Нет

Даd)

Испытание не защищенных выходовc)

Нет

Измерение и проверка

См. требования в S.3.2.3.3 и S.3.2.4.3

при перегрузке

сразу же после перегрузки

 

 

См. S.4.4

после перегрузки и точной настройки

a) 1,2 для выходов переменного тока, 1,3 для выходов постоянного тока.

b) Для токов в диапазоне от 2 до 20 Iе может потребоваться ремонт или замена модуля.

c) Должны быть установлены защитные устройства, предусмотренные или указанные изготовителем.

d) Защитные устройства должны сработать. Они должны быть взведены или заменены, как того требует следующее испытание.

S.4.3.3 Испытание защиты от изменения полярности сигнала (испытание на устойчивость)

Если оборудование предназначено для предотвращения изменения полярности сигнала, испытание на устойчивость можно не проводить, а заменить его чисто визуальным осмотром.

Процедура испытания: к цифровым выходам подают сигнал обратной полярности в течение 10 с.

Проверка: Оборудование должно соответствовать требованиям, установленным в S.4.4.

S.4.4 Поведение оборудования

Проводят проверку по S.3.2 на соблюдение общих требований к цифровым I/O.

О поведении цифровых I/O судят по функциональным условиям оборудования. При необходимости в стандарте на оборудование конкретного вида могут быть предусмотрены дополнительные требования.

Проверку требований по ЭМС проводят по 8.4. Параметры помехоустойчивости приведены в таблице 23.

S.5 Общая информация, предоставляемая изготовителем

S.5.1 Информация по цифровым вводам (включение на минус)

Изготовитель должен предоставить следующую информацию:

- кривая напряжения/тока во всем рабочем диапазоне с допусками;

- выдержки времени для цифровых вводов при переходе от состояния 0 к состоянию 1 и от состояния 1 к состоянию 0;

- наличие общих точек между каналами;

- последствие некорректного соединения входного вывода;

- изоляционные потенциалы между каналом и другими цепями (включая заземление) и между каналами при нормальной эксплуатации;

- тип ввода (типа 1 или типа 2);

- пункт управления и двоичное состояние визуального индикатора;

- эффекты при извлечении/введении вводного модуля под напряжением;

- дополнительная внешняя нагрузка при взаимном соединении вводов и выходов, если необходима;

- пояснения для оценки сигнала (статическая/динамическая оценка, прерванный отбой и т.п.);

- рекомендованная длина кабелей и шнуров в зависимости от типа кабеля и ЭМС;

- устройство выводов;

- типичные примеры внешних соединений.

S.5.2 Информация по цифровым выходам для переменных токов (включение на плюс)

Изготовитель должен предусмотреть следующую информацию для работы цифровых выводов на переменных токах:

- тип защиты (т.е. защищенный, устойчивый к короткому замыканию, не защищенный);

- для защищенных выходов рабочие характеристики за пределами 1,1 Iе в том числе, пороги токов возбуждения защитных устройств, запредельное поведение токов и временные характеристики;

- для выводов, устойчивых к короткому замыканию, информация по замене или изменению уставки защитного устройства, по обстоятельствам;

- для не защищенных выводов технические условия на защитное устройство, самостоятельно устанавливаемое потребителем;

- для вводов выдержки времени для перехода из состояния в состояние: от 0 к 1 и от 1 к 0;

- коммутационные характеристики и напряжение включения относительно пересечения напряжения 0;

- наличие общих точек между каналами;

- устройство выводов;

- типичные примеры внешних соединений;

- число и тип выходов (например, контакты НЗ/НР, полупроводниковые, каналы с отдельной изоляцией и т.д.);

- для электромеханических реле номинальный ток и напряжение по S.3.2.3.3.5;

- выходные параметры других нагрузок, таких как лампы накаливания;

- характеристики фильтровых схем, включенных в выходную цепь, устойчивых к пиковым напряжениям вследствие индуктивных бросков;

- тип внешней цепи защиты, если требуется;

- эффекты некорректного соединения выходных выводов;

- изоляционные потенциалы между каналом и другими цепями (включая заземление) и между каналами при нормальной эксплуатации;

- точки контроля визуальных индикаторов в канале (например, со стороны микропроцессора/со стороны нагрузки);

- рекомендуемая процедура смены выходных модулей;

- способ оперирования (т.е. запираемый/незапираемый тип);

- эффекты многократных перегрузок для изолированных многоканальных модулей.

S.5.3 Информация по цифровым выходам для постоянного тока (включение на плюс)

Информация, предоставляемая изготовителем, по цифровым выходам для постоянного тока должна быть такой же, как по цифровым выходам для переменного тока согласно S.5.2, за исключением технических условий по коммутации при пересечении точки 0 характеристикой напряжения и заменой АС-15 на DC-13 в пункте S.3.2.3.3.5 для выходов электромеханических реле.

S.6 Числовые значения физических величин для стандартных рабочих диапазонов цифровых вводов

При составлении таблицы S.2 были использованы следующие значения физических величин (за некоторыми исключениями, поясняемыми в примечаниях):

Для постоянного тока

Для переменного тока

UH max = 1,25 Ue

UH max = 1,1 Ue

UH min = 0,8 Un Ud 1 В

UH min = 0,85 Un Ud 1 В (примеч. 1, 2)

UT max = UH min

UT max = UH min

Для постоянного тока

Для переменного тока

 

UL max = UH min для IIT min

UL max = UH min для IIT min

 

UT min = 0,2 Un

UT min = 0,2 Un (примеч. 1)

 

UL max = UT min для I > IT min

UL max = UT min для I > IT min

 

UL min = -3 В (24 В постоянного тока)

UL min = 0

 

UL min = -6 В (48 В постоянного тока)

-

 

UL min = н/у (не установлено)

UL min = 0

 

Вводы типа 1

 

IH max = IT max = IL max = 15 мА

IH max = IT max = IL max = 15 мА

 

IH minIT min + 1 мА

IH minIT min + 1 мА (Ue ≤ 120 В дейст.) или IH minIT min + 2 мА (Ue >120 В дейст.)

 

IT minUH max/Z

IT minUH max/Z (примеч. 5)

 

Ud = 3B (таблица S.4)

Ud = 5 В (таблица S.3) (примеч. 3)

 

Вводы типа 2

 

IH max = IT max = IL max = 30 мА

IH max = IT max = IL max = 15 мА

 

IH minIm + 1 мА = 6 мA

IH minIm + 1 мА = 6 мA

 

IT minIr = 1,5 мA

IT minIr = 3 мА (примеч. 4)

 

Ud = 8B (постоянного тока)

Ud = 10 В дейст. перемен. тока (примеч. 4)

 

Примечание 1 - Для всех вводов на напряжение 100/110/120 В (действующее) переменного тока и 200/220/230/240 В (действующее) переменного тока Un выбрано как соответственно 100 В (действующее) переменного тока и 200 В (действующее) переменного тока для достижения совместимости нескольких напряжений питания.

Примечание 2 - Падение напряжения 1 В (переменного или постоянного тока) предполагается для соединительных проводов.

Примечание 3 - Максимальные значения падения напряжения Ud цифровых выходов для переменного и постоянного тока.

Примечание 4 - Данные значения Ir, Ud, Im взяты по IEC 60947-5-2.

Примечание 5 - Z эмпирический наихудший контакт реле; полное сопротивление разомкнутых контактов - 100 кОм.

Приложение T
(обязательное)
Электронные реле перегрузки с расширенными функциями

T.1 Область применения

T.1.1 Общие положения

Настоящее приложение распространяется на функции электронных реле перегрузки, непосредственно не связанные с защитой от перегрузок. Расширенные функции могут также обеспечивать некоторые функции управления. Функции управления - в стадии рассмотрения.

Примечание - Электронные реле с расширенными функциями могут также относиться к области других назначений, например, система управления двигателем, защита двигателя и т.д.

Настоящее приложение распространяется исключительно на электронные реле, предназначенные для применения в цепях переменного тока.

Т.1.2 Функция обнаружения дифференциального тока

Устройства, реагирующие на дифференциальные токи утечки, используют в качестве систем защиты. Такие устройства часто применяют совместно или в качестве неотъемлемой части электронных реле перегрузки для обнаружения тока утечки в электроустановках с целью обеспечения дополнительной защиты от пожаров и других поражающих факторов, возникающих вследствие замыканий на землю продолжительного действия, которые не могут быть обнаружены с помощью функции защиты от сверхтоков. Вышесказанное не относится к поведению устройств в присутствии постоянной составляющей тока.

Примечание - Такая защита от дифференциального тока повреждения не относится к защите от поражения электрическим током.

T.2 Термины и определения

В настоящем приложении используют следующие термины и их определения:

T.2.1 электронное реле перегрузки с функцией обнаружения дифференциального тока (electronic overload relay with ground/earth fault detection function): Многополюсное электронное реле, которое срабатывает, если сумма векторов токов, протекающих в главной цепи, превысит установленное значение в соответствии с указанными требованиями.

T.2.2 электронное реле перегрузки с функцией обнаружения асимметрии тока или напряжения (electronic overload relay with current or voltage asymmetry detection function): Электронное реле перегрузки, которое срабатывает в случае асимметрии величины тока или напряжения в соответствии с указанными требованиями.

T.2.3 электронное реле перегрузки с функцией обнаружения обратного вращения фаз (electronic overload relay with phase reversal detection function): Многополюсное электронное реле перегрузки, которое срабатывает при ненадлежащей последовательности фаз со стороны питания аппарата в соответствии с указанными требованиями.

T.2.4 электронное реле перегрузки, чувствительное к перенапряжению (electronic overload relay with over-voltage detection): Электронное реле перегрузки, которое срабатывает в случае, если напряжение превысит заданное значение в соответствии с указанными требованиями.

T.2.5 ток торможения Iic (inhibit current Iic): Ток повреждения, при превышении которого не начинается размыкание коммутационного аппарата посредством электронного реле перегрузки.

T.2.6 электронное реле перегрузки, чувствительное к минимальной мощности (electronic overload relay with under-power detection): Электронное реле перегрузки, которое срабатывает в случае, если величина мощности упадет ниже заданного значения в соответствии с указанными требованиями.

T.3 Классификация электронных реле перегрузки

Электронные реле перегрузки классифицируют на:

a) реле или расцепители асимметрии тока и напряжения;

b) реле или расцепители перенапряжения;

c) реле или расцепители, чувствительные к дифференциальным токам;

d) реле или расцепители обратного вращения фаз.

T.4 Типы реле

Типы CI-А и CI-В: Электронное реле типа CI - это реле, которое начинает размыкание коммутационного аппарата при любом уровне тока повреждения.

Типы CII-А и CII-В: Электронное реле типа СII - это реле, которое не начинает размыкание коммутационного аппарата при превышении установленного уровня тока Iic (ток торможения).

Примечания

1 Тип СII (-А или -В) обычно применяется в сочетании с коммутационными аппаратами, отключающая способность которых ниже максимального ожидаемого тока повреждения. Уставка тока торможения Iic регулируется в соответствии с максимальной отключающей способностью коммутационного аппарата.

2 Типы (CI или СII)-А и (CI или СII)-В различают по их рабочим характеристикам (см. таблицу T.1).

T.5 Требования к работоспособности

T.5.1 Пределы срабатывания реле перегрузки дифференциального тока

Реле перегрузки дифференциального тока, объединенное с коммутационным аппаратом, должно срабатывать на размыкание коммутационного аппарата согласно требованиям таблицы T.1. Для реле или расцепителей с диапазоном уставок дифференциального тока пределы срабатывания проверяют при наименьшей и наибольшей уставках.

Таблица T.1- Время срабатывания реле дифференциального тока

Тип

Кратность уставки дифференциального тока

Время срабатывания Гр, мс

CI-А и CII-A

≤ 0,9

1,1

не срабатывает

10 < Tp ≤ 1000a)

CI-В и CII-B

≤ 0,75

1,25

не срабатывает

10 < Tp ≤ 5000a)

а) Испытания проводят с испытательным током - / (ток торможения), см. Т.6.1.

T.5.2 Пределы срабатывания реле дифференциального тока типа CII (-А и -В)

По T.5.1 со следующим дополнением.

Электронное реле дифференциального тока типа СII, объединенное с коммутационным аппаратом, не должно начинать операцию по размыканию коммутационного аппарата при наличии дифференциального тока, если ток повреждения в любой из фаз достигнет или превысит 95 % уставки тока Iic (см. Т.4) и должно сработать на размыкание коммутационного аппарата, если ток повреждения в любой из фаз составляет 75 % или менее Iic.

T.5.3 Пределы срабатывания реле при асимметрии напряжения

Реле асимметрии напряжения в сочетании с коммутационным аппаратом, должно сработать на размыкание аппарата в пределах 120 % уставки по времени и должно сработать на предупреждение замыкания коммутационного аппарата, если асимметрия напряжения составляет 1,2 уставки асимметрии напряжения.

T.5.4 Пределы срабатывания реле обратного вращения фаз

Реле обратного вращения фаз в сочетании с коммутационным аппаратом должно допускать замыкание аппарата, если последовательность фазных напряжений со стороны питания пускателя соответствует уставке последовательности фазных напряжений. После переключения двух фаз реле не должно допускать замыкание коммутационного аппарата.

T.5.5 Пределы срабатывания реле асимметрии тока

Реле асимметрии тока в сочетании с коммутационным аппаратом должно сработать на размыкание аппарата в пределах от 80 % до 120 % уставки по времени, если асимметрия тока, определяемая как отношение (1) максимального отклонения тока в любой из фаз от среднего значения тока Iavg к среднему значению тока Iavg превысит 1,2 уставки асимметрии тока, при этом общие требования к расцеплению согласно стандарту на аппарат конкретного вида остаются в силе.

Отношение = ,

(1)

где ;

п - число фаз;

Ii - действующее значение тока в каждой фазе.

T.5.6 Пределы срабатывания реле и расцепителей перенапряжения

a) Рабочее напряжение

Реле или расцепитель перенапряжения в сочетании с коммутационным аппаратом должно сработать на размыкание аппарата и предупредить замыкание аппарата, если напряжение питания превысит установленное значение, если оно установлено, или превысит 110 % номинального напряжения реле или расцепителя в течение установленного времени.

b) Время срабатывания

Для реле или расцепителя перенапряжения с выдержкой времени выдержку времени измеряют от момента достижения напряжением рабочего значения до момента приведения в действие расцепляющего механизма аппарата.

T.6 Испытания

T.6.1 Пределы срабатывания реле дифференциального тока типов CI и CII (-А и -В)

Пределы срабатывания должны соответствовать T.5.1 и проверяться в следующем порядке.

Для реле перегрузки с регулируемой уставкой дифференциального тока испытания проводят при минимальной и максимальной уставках по току. Испытательная цепь должна соответствовать рисунку T.1. Испытание проводят при любом удобном напряжении и коэффициенте мощности.

Испытательную цепь калибруют на каждое из значений отключающего дифференциального тока, указанных в таблице T.1, по применению; выключатель S1 находится в замкнутом положении, а дифференциальный ток мгновенно возникает при замыкании выключателя S2.

Для реле дифференциального тока типа СII значение тока торможения должно быть установлено не менее чем на 30 % выше максимальной уставки дифференциального тока.

T.6.2 Проверка функции торможения реле дифференциального тока типа CII (-А и -В)

Для реле перегрузки с регулируемой уставкой дифференциального тока испытание проводят с наименьшей уставкой.

Для реле перегрузки с регулируемой уставкой тока торможения Iic испытание проводят при минимальной и максимальной уставках Iic.

Примечание - Если минимальная уставка дифференциального тока больше или равна минимальной уставке тока торможения, то уставка тока торможения может быть установлена на более высокое значение, чем минимальный дифференциальный ток.

Полное сопротивление Z регулируют так, чтобы ток, протекающий в цепи, был равен:

a) 95 % тока торможения Iic, при этом выключатель S1 находится в замкнутом положении, а дифференциальный ток мгновенно возникает при замыкании выключателя S2.

Реле перегрузки не должно начать размыкание коммутационного аппарата.

b) 75 % тока торможения Iic, при этом выключатель S1 находится в замкнутом положении, а испытательный ток устанавливается замыканием выключателя S2.

Реле перегрузки должно начать размыкание коммутационного аппарата.

Каждую фазу следует испытывать отдельно.

T.6.3 Реле асимметрии тока

Пределы срабатывания проверяют согласно T.5.5.

Т.6.4 Реле асимметрии напряжения

Пределы срабатывания проверяют согласно T.5.3.

T.6.5 Реле обратного вращения фаз

Пределы срабатывания проверяют согласно T.5.4.

T.6.6 Реле перенапряжения

Пределы срабатывания проверяют согласно T.5.6.

Т.7 Контрольные и выборочные испытания

Электронные реле перегрузки с расширенными функциями, кроме испытаний по 8.1.3 или 8.1.4, должны подвергаться дополнительным испытаниям для проверки должного выполнения соответствующих дополнительных функций согласно T.5.

S - источник питания (трехфазный требуется только при необходимости питания аппарата); N - нейтраль; V - вольтметр; А - амперметр; S1 - многополюсный выключатель; S2 - однополюсный выключатель; D - испытуемое реле перегрузки; Z- регулируемое полное сопротивление.

Рисунок T.1 - Испытательная цепь для проверки рабочих характеристик электронных реле перегрузки дифференциального тока

 

Приложение U
(рекомендуемое)
Примеры конфигураций цепей управления

U.1 Внешнее устройство управления (ВУУ)

U.1.1 Определение ВУУ

внешнее устройство управления (ВУУ) [external control device(ECD)]: Любой внешний элемент, влияющий на управление аппарата.

U.1.2 Схематическое изображение ВУУ

Рисунок U.1 - Схематическое изображение ВУУ

U.1.3 Параметры ВУУ

Ri - внутреннее сопротивление;

Z - внутреннее сопротивление утечки

Примечание - Если ВУУ является механической кнопкой, тогда сопротивлением можно пренебречь, a Z часто принимают за бесконечность (∞).

U.2 Конфигурации цепей управления

U.2.1 Аппарат с внешним источником питания цепи управления

U.2.1.1 Единый ввод для источника питания и цепи управления

Рисунок U.2 - Единый ввод для источника питания и цепи управления

U.2.1.2 Раздельные вводы для источника питания и цепи управления

* В разомкнутом состоянии.

Рисунок U.3 - Раздельные вводы для источника питания и цепи управления

U.2.2 Аппарат с одним внутренним источником питания для цепи управления и одним вводом для цепи управления

* В разомкнутом состоянии.

Рисунок U.4 - Аппарат с одним внутренним источником питания для цепи управления и одним вводом для цепи управления

U.2.3 Аппарат с несколькими внешними источниками питания для цепи управления

Рисунок U.5 - Аппарат с несколькими внешними источниками питания для цепи управления

U.2.4 Аппарат с шинным интерфейсом (возможны комбинации с другими конфигурациями цепи)

Рисунок U.6 - Аппарат с шинным интерфейсом

Приложение ДА
(справочное)
Сведения о соответствии межгосударственных стандартов
ссылочным международным стандартам

Таблица ДА.1

Обозначение и наименование международного стандарта (международного документа)

Степень соответствия

Обозначение и наименование межгосударственного стандарта

IEC 60050-151:2001 Международный электротехнический словарь. Глава 151. Электрические и магнитные устройства

-

*

IEC 60050-441:1984 Международный электротехнический словарь. Глава 441. Коммутационная аппаратура, аппаратура управления и предохранители

-

*

IEC 60050-604-:1987 Международный электротехнический словарь. Глава 604. Получение, передача и распределение электроэнергии. Эксплуатация

-

*

IEC 60050-826-:2004 Международный электротехнический словарь. Глава 826. Электрические установки

-

*

IEC 60060 Методы испытаний высоким напряжением. Часть 1. Общие определения и требования к испытаниям

-

*

IEC 60068-1:1988 Испытания на воздействие внешних факторов. Часть 1. Общие положения и руководство

IDT

ГОСТ 28198-89 (МЭК 68-1-88) Основные методы испытаний на воздействие внешних факторов. Часть 1. Общие положения и руководство

IEC 60068-2-1:1990 Испытания на воздействия внешних факторов. Часть 2-1. Испытания. Испытание А: Холод

IDT

ГОСТ 28199-89 (МЭК 68-2-1-74) Основные методы испытаний на воздействие внешних факторов. Часть 2. Испытания. Испытание А: Холод

IEC 60068-2-2:1974 Испытания на воздействие внешних факторов. Часть 2. Испытания. Испытание В: Сухое тепло

IDT

ГОСТ 28200-89 (МЭК 68-2-2-74) Основные методы испытаний на воздействие внешних факторов. Часть 2. Испытания. Испытание В: Сухое тепло

IEC 60068-2-6:1995 Испытания на воздействие внешних факторов. Часть 2: Испытания. Испытание Fc: Вибрация (синусоидальная)

IDT

ГОСТ 28203-89 (МЭК 68-2-6-82) Основные методы испытаний на воздействие внешних факторов. Часть 2. Испытания. Испытание Fc и руководство: Вибрация (синусоидальная)

IEC 60068-2-27:1987 Испытания на воздействие внешних факторов. Часть 2. Испытания. Часть 2-27: Испытания. Испытание Еа и руководство: Удар

IDT

ГОСТ 28213-89 (МЭК 68-2-27-87) Основные методы испытаний на воздействие внешних факторов. Часть 2. Испытания. Испытание Еа и руководство: Одиночный удар

IEC 60068-2-30:2005 Испытания на воздействия внешних факторов. Часть 2. Испытания. Испытание Db и руководство: Влажное тепло, циклическое (12 + 12-часовой цикл)

IDT

ГОСТ 28216-89 (МЭК 60068-2-30-87) Основные методы испытаний на воздействие внешних факторов. Часть 2. Испытания. Испытание Db и руководство: Влажное тепло, циклическое (12 + 12-часовой цикл)

IEC 60068-2-52:1996 Испытания на воздействие внешних факторов. Часть 2. Испытания. Испытание Kb: Соляной туман, циклическое испытание (раствор хлорида натрия)

IDT

ГОСТ 28234-89 (МЭК 68-2-52-84) Основные методы испытаний на воздействие внешних факторов. Часть 2. Испытания. Испытание Kb: Соляной туман, циклическое (раствор хлорида натрия)

IEC 60068-2-78:2001 Испытание на воздействие внешних факторов. Часть 2-78. Испытания. Испытание Cab: Влажное тепло, установившийся режим

-

*

IEC 60071-1:1993 Координация изоляции. Часть 1: Определения, принципы и правила

-

*

IEC 60073:2002 Основополагающие принципы и принципы безопасности для интерфейса человек-машина, маркировка и идентификация. Принципы кодирования для индикаторов и пускателей

-

*

IEC 60085:2004 Электрическая изоляция. Классификация по термическим свойствам

-

*

IEC 60112:2003 Материалы электроизоляционные твердые. Методы определения нормативного и сравнительного индексов трекингостойкости

NEQ

ГОСТ 27473-87 (МЭКГ 112-79) Материалы электроизоляционные твердые. Метод определения сравнительного и контрольного индексов трекингостойкости во влажной среде

IEC 60216-1 Материалы электроизоляционные. Характеристики теплостойкости. Часть 1. Методики проведения испытаний на старение и оценка результатов

-

*

IEC 60228:2004 Проводники изолированных кабелей

-

*

IEC 60269-1:1998 Предохранители плавкие низковольтные. Часть 1. Общие требования

MOD

ГОСТ 31196.0-2012 (МЭК 60269-1:1986) Низковольтные плавкие предохранители. Общие требования

IEC 60269-2:1986 Предохранители плавкие низковольтные. Часть 2. Дополнительные требования к плавким предохранителям, используемым квалифицированным персоналом (главным образом, промышленного назначения).

MOD

ГОСТ 31196.1-2012 (МЭК 60269-2:1986) Низковольтные плавкие предохранители. Часть 2. Дополнительные требования к плавким предохранителям промышленного назначения

IEC 60344:1980 Расчет электрического сопротивления постоянного тока медных проводников с покрытием и без него для низкочастотных кабелей и проводов. Руководство по применению

-

*

IEC 60364-4-44:2001 Электрические установки низкого напряжения. Часть 4-44. Защита для обеспечения безопасности. Защита от резких отклонений напряжения и электромагнитных возмущений

-

*

IEC 60417-DB:2002 Графические обозначения, применяемые на оборудовании

NEQ

ГОСТ 28312-89 (МЭК 417-73) Аппаратура радиоэлектронная профессиональная. Условные графические обозначения

IEC 60439-1:1999 Устройства комплектные низковольтные распределения и управления. Часть 1. Устройства, испытанные полностью или частично. Общие технические требования и методы испытаний

NEQ

ГОСТ 28668-90 (МЭК 439-1-85) Низковольтные комплектные устройства распределения и управления. Часть 1. Требования к устройствам, испытанным полностью или частично

IEC 60445:1999 Интерфейс человек-машина, маркировка, идентификация. Основные принципы и принципы безопасности. Идентификация выводов, концов проводов и проводников электрооборудования

-

*

IEC 60447:2004 Интерфейс человек-машина. Основные принципы безопасности, маркировка и идентификация. Принципы включения

NEQ

ГОСТ 21991-89 (МЭК 447-84) Оборудование электротехническое. Аппараты электрические. Направление движения органов управления

IEC 60529:1989 Степени защиты, обеспечиваемые корпусами (Код IP)

IDT

ГОСТ 14254-96 (МЭК 529-89) Степени защиты, обеспечиваемые оболочками (Код IP)

IEC 60617-DB:2001 Графические символы для диаграмм

-

*

IEC 60664-1:1992 Координация изоляции для оборудования в низковольтных системах. Часть 1. Принципы, требования и испытания

-

*

IEC 60664-3:2003 Координация изоляции для оборудования в низковольтных системах. Часть 3: Использование покрытия, герметизации или заливки для защиты от загрязнения

-

*

IEC 60664-5:2007 Координация изоляции для оборудования в низковольтных системах. Часть 5: Комплексный метод определения зазоров и путей утечки, равных или менее 2 мм

IDT

ГОСТ IEC 60664-5-2013 Координация изоляции для оборудования в низковольтных системах. Часть 5. Комплексный метод определения зазоров и путей утечки, равных или менее 2 мм

IEC 60695-2-2:1991 Испытание на пожарную опасность. Часть 2.2. Методы испытаний. Испытание игольчатым пламенем

MOD

ГОСТ 27484-87 (МЭК 695-2-2-80) Испытания на пожароопасность. Методы испытаний. Испытания горелкой с игольчатым пламенем

IEC 60695-2-10:2000 Испытание на пожарную опасность. Часть 2-10. Методы испытания с применением накаленной/нагретой проволоки. Аппаратура и общие положения методики испытания накалённой проволокой

MOD

ГОСТ 27483-87 (МЭК 695-2-1-80) Испытания на пожароопасность. Методы испытаний. Испытания нагретой проволокой

IEC 60695-2-11:2000 Испытания на пожароопасность. Часть 2-11. Методы испытаний рас- каленной/горячей проволокой. Метод испытания конечной продукции на воспламеняемость под действием раскаленной проволоки

NEQ

ГОСТ 27483-87 (МЭК 695-2-1-80) Испытание на пожароопасность. Методы испытаний. Испытание нагретой проволокой

IEC 60695-2-12 Испытания на пожарную опасность. Часть 2-12. Методы испытания накаленной/нагретой проволокой. Метод определения индекса воспламеняемости материалов накаленной проволокой (ИВНК)

-

*

IEC 60695-11-10:1999 Испытания на пожароопасность. Часть 11-10. Пламя для испытания. Методы испытания горизонтальным и вертикальным пламенем 50Вт

-

*

IEC 60947-5-1:2003 Аппаратура коммутационная и механизмы управления низковольтные комплектные. Часть 5-1. Устройства и коммутационные элементы цепей управления. Электромеханические устройства цепей управления

MOD

ГОСТ 30011.5.1-2012 (IEC 60947-5-1:2003) Аппаратура распределения и управления низковольтная. Часть 5-1. Аппараты и коммутационные элементы цепей управления. Электромеханические аппараты для цепей управления

IEC 60947-8:2003 Аппаратура коммутационная и механизмы управления низковольтные комплектные. Часть 8. Блоки управления для встроенной термической защиты для вращающихся электрических машин

-

*

IEC 60981:2004 Кабелепроводы жесткие стальные для электроустановок, используемые в сверхтяжелых режимах

-

*

IEC 60999-1:1999 Устройства соединительные. Медные электропровода. Требования безопасности к винтовым и безвинтовым зажимам. Часть 1. Общие и частные требования к зажимам для проводов сечением от 0,2 мм2 до 35мм2 (включительно)

MOD

ГОСТ 31602.1-2012 (IEC 60999-1:1999) Соединительные устройства. Требования безопасности к контактным зажимам. Часть 1. Требования к винтовым и безвинтовым контактным зажимам для соединения медных проводников с номинальным сечением от 0,2 до 35 мм2

IEC 60999-2:2003 Устройства соединительные. Провода электрические медные. Требования безопасности к зажимным элементам винтового и безвинтового типа. Часть 2. Частные требования к зажимным элементам для проводников площадью от 35 до 300 мм2 (включительно)

MOD

ГОСТ 31602.2-2012 (IEC 60999-2:1995) Соединительные устройства. Требования безопасности к контактным зажимам. Часть 2. Дополнительные требования к винтовым и безвинтовым контактным зажимам для соединения медных проводников с номинальным сечением от 35 до 300 мм2

IEC 61000-3-2:2005 Электромагнитная совместимость. Часть 3. Пределы. Раздел 2. Пределы выбросов для синусоидального тока (оборудование с входным током меньше или равным 16 А на фазу)

MOD

ГОСТ 30804.3.2-2013 (IEC 61000-3-2:2009) Совместимость технических средств электромагнитная. Эмиссия гармонических составляющих тока техническими средствами с потребляемым током не более 16 А (в одной фазе). Нормы и методы испытаний

IEC 61000-3-3:1994 Электромагнитная совместимость. Часть 3-3. Пределы. Ограничение изменений напряжения, флуктуации и мерцания напряжения в распределительных низковольтных системах питания для оборудования с номинальным током не более 16 А на фазу и не подлежащему условному соединению

MOD

ГОСТ 30804.3.3-2013 (IEC 61000-3-3:2008) Совместимость технических средств электромагнитная. Колебания напряжения и фликер, вызываемые техническими средствами с потребляемым током не более 16 А (в одной фазе), подключаемыми к низковольтным системам электроснабжения. Нормы и методы испытаний

IEC 61000-4-2:1995 Электромагнитная совместимость. Часть 4-2. Методики испытаний и измерений. Испытание на невосприимчивость к электростатическому разряду

MOD

ГОСТ 30804.4.2-2013 (IEC 61000-4-2:2008) Совместимость технических средств электромагнитная. Устойчивость к электростатическим разрядам. Требования и методы испытаний

IEC 61000-4-3:2006 Электромагнитная совместимость. Часть 4-3. Методики испытаний и измерений. Испытание на устойчивость к воздействию электромагнитного поля с излучением на радиочастотах

MOD

ГОСТ 30804.4.3-2013 (IEC 61000-4-3:2006) Совместимость технических средств электромагнитная. Устойчивость к радиочастотному электромагнитному полю. Требования и методы испытаний

IEC 61000-4-4:2004 Электромагнитная совместимость. Часть 4-4. Методы испытаний и измерений. Испытание на невосприимчивость к быстрым переходным процессам и всплескам

MOD

ГОСТ 30804.4.4-2013 (IEC 61000-4-4:2004) Совместимость технических средств электромагнитная. Устойчивость к наносекундным импульсным помехам. Требования и методы испытаний

IEC 61000-4-5:2005 Электромагнитная совместимость. Часть 4. Методики испытаний и измерений. Раздел 5: Испытание на невосприимчивость к выбросу напряжения

MOD

ГОСТ 30804.4.5-2002 На территории Российской Федерации действует ГОСТ Р 51317.4.5-99 (МЭК 61000-4-5-95). Совместимость технических средств электромагнитная. Устойчивость к микросекундным импульсным помехам большой энергии. Требования и методы испытаний

IEC 61000-4-6:2003 Электромагнитная совместимость. Часть 4-6. Методики испытаний и измерений. Защищенность от помех по цепи питания, наведенных радиочастотными полями

MOD

ГОСТ 30804.4.6-2002 На территории Российской Федерации действует ГОСТ Р 61317.4.6-99 (МЭК 61000-4-6-96). Совместимость технических средств электромагнитная. Устойчивость к кондуктивным помехам, наведенным радиочастотными электромагнитными полями. Требования и методы испытаний

IEC 61000-4-8:1993 Электромагнитная совместимость. Часть 4-8. Методики испытаний и измерений. Испытание на помехоустойчивость в условиях магнитного поля промышленной частоты

MOD

ГОСТ 30336-95 (МЭК1000-4-9-93) Совместимость технических средств электромагнитная. Устойчивость к импульсному магнитному полю. Технические требования и методы испытаний

IEC 61000-4-11:2004 Электромагнитная совместимость. Часть 4-11. Методики испытаний и измерений. Кратковременные понижения напряжения, короткие отключения

MOD

ГОСТ 30804.4.11-2013 (IEC 61000-4-11:2004) Совместимость технических средств электромагнитная. Устойчивость к динамическим изменениям напряжения электропитания. Требования и методы испытаний

IEC 61000-4-13:2002 Электромагнитная совместимость. Часть 4-13. Методики испытаний и измерений. Испытания низкочастотной помехозащитности от воздействия гармоник и промежуточных гармоник, включая сетевые сигналы, передаваемые в сеть переменного тока

-

*

IEC 61000-6-2:2005 Электромагнитная совместимость. Часть 6-2. Общие стандарты. Невосприимчивость к промышленной окружающей среде

MOD

ГОСТ 30804.6.2-2013 (IEC 61000-6-2:2005) Совместимость технических средств электромагнитная. Устойчивость к электромагнитным помехам технических средств, применяемых в промышленных зонах. Требования и методы испытаний

IEC 61131-2:2003 Микроконтроллеры программируемые. Часть 2. Требования к оборудованию и испытания

-

*

IEC 61140:2001 Защита от поражения электрическим током. Общие аспекты, связанные с электроустановками и электрооборудованием

IDT

ГОСТ IEC 61140-2012 Защита от поражения электрическим током. Общие положения безопасности установок и оборудования

IEC 61180-1 Техника испытаний высоким напряжением низковольтного оборудования. Часть 1. Определения, требования к испытанию и процедуре

-

*

IEC 61557-2 Электробезопасность распределительных низковольтных сетей до 1000 В переменного тока и 1500 В постоянного тока. Оборудование для испытания, измерения или контроля средств защиты. Часть 2. Сопротивление изоляции

-

*

CISPR 11:2003 Оборудование промышленное, научное, медицинское. Характеристики радиочастотных помех. Пределы и методы измерений

-

*

* Соответствующий межгосударственный стандарт отсутствует. До его принятия рекомендуется использовать перевод на русский язык данного международного стандарта. Перевод данного международного стандарта находится в Федеральном информационном фонде технических регламентов и стандартов.

Примечание - В настоящей таблице использованы следующие условные обозначения степени соответствия стандартов:

- IDT - идентичные стандарты;

- MOD - модифицированные стандарты;

- NEQ - неэквивалентные стандарты.

Библиография

[1]

ASTM В 172-71

(переутвержден в 1985) Standard specification for rope - Lay-stranded copper conductors having bunch-stranded members, for electrical energy (Стандартная спецификация на электрические медные проводники канатного кручения, собранные в пучки)

[2]

ICEA S-19-81

(6-е издание) Publication WC 3-1980 - Rubber insulated wire and cable for the transmission and distribution of electrical energy (Публикации NEMA, WC-3: 1980 Провода и кабели в резиновой изоляции для передачи и распределения электрической энергии)

[3]

ICEA S-66-524

(2-е издание) Publication WC 7-1982 - Cross-linked thermosetting polyethylene insulated wire and cable for the transmission and distribution of electrical energy (Публикации NEMA, WC-7: 1982: Провода и кабели в термореактивной полиэтиленовой изоляции сетчатой структуры для передачи и распределения электрической энергии)

[4]

ICEA S-68-516

Publication WC 8-1976 - Ethylene propylenerubber-insulated wire and cable for the transmission and distribution of electrical energy (Публикация NEMA, WC-8: 1976: Кабели в этилен-пропиленовой резиновой изоляции для передачи и распределения электрической энергии)

[5]

IEC 60947-7-1

Low-voltage switchgear and controlgear - Part 7-1: Ancillary equipment - Terminal blocks for copper conductors (Низковольтная аппаратура распределения и управления. Часть 7-1. Вспомогательное электрооборудование. Клеммные колодки для медных проводников)

[6]

IEC 60998-2-2: 2002

Connecting devices for low-voltage circuits for household and similar purposes - Part 2-2: Particular requirements for connecting devices as separate entities with screwless-type clamping units (Соединительные устройства для низковольтных цепей бытового и аналогичного назначения.Часть 2-2. Дополнительные требования к соединительным устройствам в качестве отдельных узлов с безвинтовыми зажимами)

[7]

IEC/TR 61912-1

Low-voltage switchgear and controlgear - Overcurrent protective devices - Part 1: Application of short-circuit ratings (Низковольтная аппаратура распределения и управления. Устройства для защиты от сверхтока. Часть 1. Применение параметров короткого замыкания)

 

 

Ключевые слова: низковольтные аппараты распределения и управления