Reinforced concrete collar beams for multistory buildings. Specifications

МЕЖГОСУДАРСТВЕННЫЙ СОВЕТ ПО СТАНДАРТИЗАЦИИ, МЕТРОЛОГИИ И СЕРТИФИКАЦИИ
(МГС)

INTERSTATE COUNCIL FOR STANDARDIZATION, METROLOGY AND CERTIFICATION
(ISC)

МЕЖГОСУДАРСТВЕННЫЙ
СТАНДАРТ

ГОСТ
18980-
2015

РИГЕЛИ ЖЕЛЕЗОБЕТОННЫЕ
ДЛЯ МНОГОЭТАЖНЫХ ЗДАНИЙ

Технические условия

 

Москва

Стандартинформ

2016

 

Предисловие

Цели, основные принципы и общие правила проведения работ по межгосударственной стандартизации установлены ГОСТ 1.0-92 «Межгосударственная система стандартизации. Основные положения» и ГОСТ 1.2-2009 «Межгосударственная система стандартизации. Стандарты межгосударственные, правила и рекомендации по межгосударственной стандартизации. Правила разработки, принятия, обновления и отмены»

Сведения о стандарте

1 РАЗРАБОТАН Центральным научно-исследовательским и проектно-экспериментальным институтом промышленных зданий и сооружений (ОАО «ЦНИИПромзданий»)

2 ВНЕСЕН Техническим комитетом по стандартизации ТК 465 «Строительство»

3 ПРИНЯТ Межгосударственным советом по стандартизации, метрологии и сертификации (протокол от 27 августа 2015 г. № 79-П)

За принятие проголосовали:

Краткое наименование страны по
МК (ИСО 3166) 004-97

Код страны по
МК (ИСО 3166) 004-97

Сокращенное наименование национального органа
по стандартизации

Армения

AM

Минэкономики Республики Армения

Казахстан

KZ

Госстандарт Республики Казахстан

Киргизия

KG

Кыргызстандарт

Россия

RU

Росстандарт

Таджикистан

TJ

Таджикстандарт

4 Приказом Федерального агентства по техническому регулированию и метрологии от 26 ноября 2015 г. № 1989-ст межгосударственный стандарт ГОСТ 18980-2015 введен в действие в качестве национального стандарта Российской Федерации с 1 января 2017 г.

5 ВЗАМЕН ГОСТ 18980-90

Информация об изменениях к настоящему стандарту публикуется в ежегодном информационном указателе «Национальные стандарты», а текст изменений и поправок - в ежемесячном ин формационном указателе «Национальные стандарты». В случае пересмотра (замены) или отмены настоящего стандарта соответствующее уведомление будет опубликовано в ежемесячном информационном указателе «Национальные стандарты». Соответствующая информация, уведомление и тексты размещаются также в информационной системе общего пользования - на официальном сайте Федерального агентства по техническому регулированию и метрологии в сети Интернет

Содержание

1 Область применения. 2

2 Нормативные ссылки. 2

3 Термины и определения. 4

4 Технические требования. 4

4.1 Основные параметры и размеры.. 4

4.2 Характеристики ригелей. 4

4.3 Требования к материалам.. 5

4.4 Требования к качеству поверхности и внешнему виду ригелей. 5

4.5 Маркировка ригелей. 7

5 Правила приемки. 7

6 Методы контроля. 8

7 Транспортирование и хранение. 9

Приложение А (рекомендуемое) Форма и основные размеры ригелей. 9

Библиография. 16

 

 

МЕЖГОСУДАРСТВЕННЫЙ СТАНДАРТ

РИГЕЛИ ЖЕЛЕЗОБЕТОННЫЕ ДЛЯ МНОГОЭТАЖНЫХ ЗДАНИЙ

Технические условия

Reinforced concrete collar beams for multistory buildings. Specifications

Дата введения - 2017-01-01

1 Область применения

1.1 Настоящий стандарт устанавливает технические требования, методы контроля и правила приемки, транспортирования и хранения железобетонных ригелей, изготовляемых из тяжелого бетона.

1.2 Ригели предназначаются для каркасов многоэтажных общественных зданий, производственных, административных и бытовых зданий промышленных предприятий.

2 Нормативные ссылки

В настоящем стандарте использованы нормативные ссылки на следующие межгосударственные стандарты:

ГОСТ 5781-82 Сталь горячекатаная для армирования железобетонных конструкций. Технические условия

ГОСТ 6727-80 Проволока из низкоуглеродистой стали холоднотянутая для армирования железобетонных конструкций. Технические условия

ГОСТ 8829-94 Изделия строительные железобетонные и бетонные заводского изготовления. Методы испытаний нагружением. Правила оценки прочности, жесткости и трещиностойкости

ГОСТ 10060-2012 Бетоны. Методы определения морозостойкости

ГОСТ 10180-2012 Бетоны. Методы определения прочности по контрольным образцам

ГОСТ 10181-2014 Смеси бетонные. Методы испытаний

ГОСТ 10884-94 Сталь арматурная термомеханически упрочненная для железобетонных конструкций. Технические условия

ГОСТ 10922-2012 Арматурные и закладные изделия, их сварные, вязаные и механические соединения для железобетонных конструкций. Общие технические условия

ГОСТ 12730.0-78 Бетоны. Общие требования к методам определения плотности, влажности, водопоглощения, пористости и водонепроницаемости

ГОСТ 12730.5-84 Бетоны. Методы определения водонепроницаемости

ГОСТ 13015-2012 Изделия железобетонные и бетонные для строительства. Общие технические требования. Правила приемки, маркировки, транспортирования и хранения

ГОСТ 13840-68 Канаты стальные арматурные 1 × 7. Технические условия

ГОСТ 16504-81 Система государственных испытаний продукции. Испытания и контроль качества продукции. Основные термины и определения

ГОСТ 17624-2012 Бетоны. Ультразвуковой метод определения прочности

ГОСТ 17625-83 Конструкции и изделия железобетонные. Радиационный метод определения толщины защитного слоя бетона, размеров и расположения арматуры

ГОСТ 18105-2010 Бетоны. Правила контроля и оценки прочности

ГОСТ 22362-77 Конструкции железобетонные. Методы измерения силы натяжения арматуры

ГОСТ 22690-88 Бетоны. Определение прочности механическими методами неразрушающего контроля

ГОСТ 22904-93 Конструкции железобетонные. Магнитный метод определения толщины защитного слоя бетона и расположения арматуры

ГОСТ 23009-78 Конструкции и изделия бетонные и железобетонные сборные. Условные обозначения (марки)

ГОСТ 23858-79 Соединения сварные стыковые и тавровые арматуры железобетонных конструкций. Ультразвуковые методы контроля качества. Правила приемки

ГОСТ 24297-2013 Верификация закупленной продукции. Организация проведения и методы контроля

ГОСТ 26134-84 Бетоны. Ультразвуковой метод определения морозостойкости

ГОСТ 26433.0-85 Система обеспечения точности геометрических параметров в строительстве. Правила выполнения измерений. Общие положения

ГОСТ 26433.1-89 Система обеспечения точности геометрических параметров в строительстве. Правила выполнения измерений. Элементы заводского изготовления

ГОСТ 26633-2012 Бетоны тяжелые и мелкозернистые. Технические условия

Примечание - При пользовании настоящим стандартом целесообразно проверить действие ссылочных стандартов в информационной системе общего пользования - на официальном сайте Федерального агентства по техническому регулированию и метрологии в сети Интернет или по ежегодному информационному указателю «Национальные стандарты», который опубликован по состоянию на 1 января текущего года, и по выпускам ежемесячного информационного указателя «Национальные стандарты» за текущий год. Если ссылочный стандарт заменен (изменен), то при пользовании настоящим стандартом следует руководствоваться заменяющим (измененным) стандартом. Если ссылочный стандарт отменен без замены, то положение, в котором дана ссылка на него, применяется в части, не затрагивающей эту ссылку.

3 Термины и определения

В настоящем стандарте применен следующий термин с соответствующим определением:

3.1 ригель: Линейный несущий элемент строительных конструкций зданий или сооружений, расположенный горизонтально или наклонно, соединяющий вертикальные элементы и служащий опорой для плит или прогонов, устанавливаемых в перекрытиях или покрытиях зданий.

Примечание - Соединения ригелей с вертикальными элементами (стойками и колоннами) осуществляются жестко или шарнирно.

4 Технические требования

4.1 Основные параметры и размеры

4.1.1 Ригели следует изготовлять в соответствии с требованиями настоящего стандарта, а также рабочих чертежей и технологической документации, утвержденной в установленном порядке, по рабочим чертежам серий 1.020-1/87 [1], 1.020.1-4 [2], 1.420-35.95 [3], 1.420.1-19 [4], 1,420.1-20с [5].

4.1.2 Типы конструктивных решений ригелей:

- двухполочные для опирания многопустотных и ребристых плит;

- однополочные для опирания многопустотных и ребристых плит;

- то же, применяемые только в лестничных клетках;

- консольные для опирания многопустотных плит балконов;

- бесполочные, применяемые на торцах зданий в лестничных клетках при перекрытии из многопустных и ребристых плит;

- прямоугольного сечения.

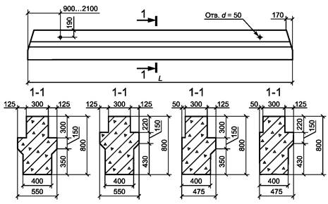
4.1.3 Форма и основные размеры наиболее часто применяемых ригелей приведены в приложении A.

4.1.4 Ригели следует изготовлять со строповочными отверстиями для подъема и монтажа. Допускается вместо строповочных отверстий предусматривать монтажные петли, выполненные в соответствии с указаниями рабочих чертежей ригелей.

4.1.5 Ригели применяют с учетом их предела огнестойкости, указанного в рабочих чертежах ригелей.

4.2 Характеристики ригелей

4.2.1 Ригели должны удовлетворять установленным при проектировании конкретного объекта требованиям по прочности, жесткости, трещиностойкости и при испытании их нагружением в случаях, предусмотренных рабочими чертежами, выдерживать контрольные нагрузки.

4.2.2 Ригели должны удовлетворять требованиям ГОСТ 3015:

- по показателям фактической прочности бетона (в проектном возрасте, передаточной и отпускной);

- по морозостойкости бетона, а для ригелей, эксплуатируемых в условиях воздействия агрессивной газообразной среды, - также по водонепроницаемости бетона;

- по маркам сталей для арматурных и закладных изделий, в том числе для монтажных петель;

- по толщине защитного слоя бетона до арматуры;

- по защите от коррозии.

4.2.3 Несущая способность конкретного ригеля определяется автором проекта здания (сооружения) по действующим в период применения нормативным документам.

4.3 Требования к материалам

4.3.1 Ригели следует изготовлять из тяжелого бетона по ГОСТ 26633 классов по прочности на сжатие, указанных в рабочих чертежах ригелей.

4.3.2 Передачу усилий обжатия на бетон (отпуск натяжения арматуры) в предварительно напряженных ригелях следует проводить после достижения бетоном требуемой передаточной прочности.

Нормируемая передаточная прочность бетона предварительно напряженных ригелей должна соответствовать значению, приведенному в рабочих чертежах ригелей, но принимается не менее 15 МПа и не менее 50 % принятого класса бетона по прочности на сжатие.

4.3.3 Нормируемая отпускная прочность бетона предварительно напряженных ригелей должна быть не ниже нормируемой передаточной прочности, а ригелей с ненапрягаемой арматурой - не ниже 70 % класса бетона по прочности на сжатие.

При поставке ригелей в холодный период года нормируемая отпускная прочность бетона ригелей может быть повышена до 85 % класса бетона по прочности на сжатие -для ригелей междуэтажных перекрытий, до 90 % - для ригелей покрытий согласно указаниям рабочих чертежей ригелей.

Нормируемая отпускная прочность бетона должна соответствовать значению, указанному в рабочих чертежах на конкретное здание или сооружение и в заказе на изготовление ригелей согласно требованиям ГОСТ 13015.

4.3.4 Для ригелей, эксплуатируемых при слабо- и среднеагрессивной степени воздействия газообразной среды, следует применять бетон, удовлетворяющий дополнительным требованиям, установленным в рабочих чертежах (согласно действующим нормативным документам) и указанным в заказе на изготовление ригелей.

4.3.5 Для армирования ригелей необходимо применять следующие виды и классы арматуры:

- в качестве напрягаемой арматуры - горячекатаную и термомеханически упрочненную арматуру периодического профиля классов А600, А800 и А1000 (ГОСТ 10884), арматурные канаты классов К1400 и К1500 (ГОСТ 13840), а также арматуру по действующим в государстве - участнице Соглашения нормативным документам и технической документации1);

- в качестве ненапрягаемой арматуры - стержневую арматуру классов А240, А400 (ГОСТ 5781) и проволоку класса В500 и Вр500 (ГОСТ 6727), а также арматуру по действующим в государстве - участнице Соглашения нормативным документам и технической документации1).

__________

1) В Российской Федерации арматуру классов А500С и В500С изготовляют по ГОСТ Р 52544.

4.3.6 Допускается в качестве напрягаемой арматуры ригелей применять арматуру класса А400, упрочненную вытяжкой, с контролем значений напряжения и предельного удлинения.

4.3.7 Сварные арматурные и закладные изделия должны соответствовать требованиям ГОСТ 10922.

4.3.8 Значения напряжений в напрягаемой арматуре, контролируемые по окончании натяжения ее на упоры, а также допустимые предельные отклонения напряжений в напрягаемой арматуре должны соответствовать приведенным в рабочих чертежах.

4.4 Требования к качеству поверхности и внешнему виду ригелей

4.4.1 Форма и размеры арматурных и закладных изделий и их положение в ригелях должны соответствовать указанным в рабочих чертежах ригелей или стандартах на ригели и требованиям ГОСТ 10922.

4.4.2 Значения фактических отклонений геометрических параметров ригелей не должны превышать предельных, указанных в таблице 1.

4.4.3 Значения действительных отклонений от проектного положения выпусков рабочей арматуры, предназначенных для соединения с арматурными выпусками колонн, не должны превышать ±3 мм.

4.4.4 В ригелях, предназначенных для эксплуатации в условиях воздействия агрессивных газообразных сред, минусовые отклонения толщины защитного слоя бетона до арматуры не допускаются.

Таблица 1

Размеры в миллиметрах

Наименование отклонения
геометрического параметра

Наименование геометрического параметра

Предельное
отклонение

Отклонение от линейного размера

Длина ригеля:

 

 

- до 4000

±5

 

- от 4000 до 8000

±6

 

- свыше 8000

±8

 

Размер поперечного сечения ригеля, мм:

 

 

- до 250

±4

 

- от 250 до 500

±5

 

- свыше 500

±6

 

Размер, определяющий положение:

 

 

- строповочного отверстия или монтажной петли

15

 

- закладного изделия на плоскости ригеля:

 

 

- опорного

5

 

- дополнительного

10

 

Несовпадение плоскостей ригеля и элемента закладного изделия

5

Отклонение от прямолинейности боковых граней ригеля на всей их длине:

-

 

- до 4000

 

5

- от 4000 до 8000

 

6

- свыше 8000

 

8

Отклонение от плоскостности опорной части ригеля

-

3

4.4.5 Требования к качеству поверхностей и внешнему виду ригелей - по ГОСТ 13015. При этом качество бетонных поверхностей ригелей должно удовлетворять требованиям, установленным для категорий:

А3 - нижних (потолочных) и боковых лицевых;

А7 - нелицевых, невидимых в условиях эксплуатации.

По согласованию изготовителя с потребителем требования к боковым поверхностям ригелей могут быть снижены до категории А2.

4.4.6 В бетоне ригелей, поставляемых потребителю, трещины не допускаются, за исключением:

- усадочных и других поверхностных технологических трещин, ширина которых не должна превышать 0,1 мм в предварительно напряженных ригелях и 0,2 мм в ригелях с ненапрягаемой арматурой;

- поперечных трещин в верхней зоне ригелей, вызванных обжатием бетона, ширина которых не должна превышать 0,2 мм.

4.4.7 Концы напрягаемой арматуры не должны выступать за торцевые поверхности ригеля более чем на 10 мм. Они должны быть защищены слоем цементно-песчаного раствора или антикоррозионным покрытием.

4.5 Маркировка ригелей

4.5.1 Маркировку ригелей проводят в соответствии с требованиями ГОСТ 13015. Маркировочные надписи и знаки следует наносить на боковую поверхность ригеля на расстоянии не более 1 м от торца.

4.5.2 Ригели обозначают марками в соответствии с требованиями ГОСТ 23009. Марка ригеля состоит из буквенно-цифровых групп, разделенныхдефисами.

В первой группе указывают обозначение типа ригеля, высоту поперечного сечения и длину ригеля округленно в дециметрах.

Тип ригеля обозначают:

РДП - для опирания многопустотных плит на две его полки (двухполочный);

РДР - тоже, для опирания ребристых плит;

РОП - для опирания многопустотных плит на одну его полку (однополочный);

РЛП - тоже, применяемый только в лестничных клетках;

POP - для опирания ребристых плит на одну его полку (однополочный);

РЛР - то же, применяемый только в лестничных клетках;

РКП - консольный для опирания многопустотных плит балконов;

РБП - бесполочный, применяемый на торцах зданий в лестничных клетках при перекрытии из многопустотных плит;

РБР - то же, при перекрытии из ребристых плит;

Р - прямоугольного сечения.

Допускается в первой группе марки вместо указанныххарактеристик приводить условное наименование ригеля (Р) и его порядковый номер типоразмера.

Во второй группе указывают:

- несущую способность ригеля в килоньютонах на метр или порядковый номер ригеля по несущей способности;

- класс напрягаемой арматуры (для предварительно напряженных ригелей).

В третьей группе, при необходимости, указывают дополнительные характеристики, отражающие особые условия применения ригелей, - их стойкость к воздействию агрессивных газообразных сред, сейсмическим воздействиям, а также обозначения конструктивных особенностей ригелей (например, наличие дополнительных закладных изделий).

Пример условного обозначения (марки) ригеля типа РПД высотой 600 мм, длиной 5560 мм, несущей способности 110 кН/м, с напрягаемой арматурой сталью класса А600:

РПД6.56-110А600.

То же, изготовленной из бетона нормальной проницаемости (Н) и предназначенного для применения в условиях воздействия слабоагрессивной газообразной среды с дополнительными закладными деталями:

РПД6.56-110А600-Н.

Примечание - Допускается принимать обозначение марок ригелей в соответствии с рабочими чертежами ригелей до их пересмотра.

5 Правила приемки

5.1 Приемку и верификацию ригелей проводят по ГОСТ 13015, ГОСТ 24297 и настоящему стандарту. При этом ригели принимают:

- по результатам периодических испытаний - по показателям прочности, жесткости и трещиностойкости ригелей, морозостойкости бетона, а также по водонепроницаемости бетона ригелей, предназначенных для эксплуатации в условиях воздействия агрессивной газообразной среды;

- по результатам приемо-сдаточных испытаний - по показателям прочности бетона (классу бетона по прочности на сжатие, передаточной и отпускной прочности), соответствия арматурных и закладных изделий рабочим чертежам, прочности сварных соединений, точности геометрических параметров, толщины защитного слоя бетона до арматуры, ширины раскрытия поверхностных трещин, категории бетонной поверхности.

5.2 Периодические испытания нагружением ригелей для контроля их прочности, жесткости и трещиностойкости проводят перед началом массового изготовления ригелей и в дальнейшем при внесении в них конструктивных изменений или при изменении технологии изготовления, а также в процессе серийного производства ригелей в соответствии с требованиями ГОСТ 13015.

Периодические испытания ригелей нагружением в случае внесения в них конструктивных изменений или при изменении технологии изготовления допускается не проводить по согласованию с проектной организацией - разработчиком рабочих чертежей ригелей.

Если испытания нагружением не предусмотрены рабочими чертежами, приемку ригелей по прочности, жесткости и трещиностойкости осуществляют по комплексу показателей, проверяемых в соответствии с требованиями ГОСТ 13015 в процессе входного, операционного и приемочного контроля.

5.3 Ригели по показателям точности геометрических параметров (см. таблицу 1), толщины защитного слоя бетона до арматуры, ширины раскрытия поверхностных трещин и категории бетонной поверхности следует принимать по результатам выборочного контроля.

5.4 Документ о качестве ригелей, поставляемых потребителю, следует составлять по ГОСТ 13015.

Дополнительно в документе о качестве ригелей должны быть приведены марка бетона по морозостойкости, а для ригелей, предназначенных для эксплуатации в условиях воздействия агрессивной газообразной среды, - марка бетона по водонепроницаемости (если эти показатели оговорены в заказе на изготовление ригелей).

6 Методы контроля

6.1 Испытания ригелей и оценку их прочности, жесткости и трещиностойкости следует проводить в соответствии с требованиями ГОСТ 8829, ГОСТ 16504 и рабочих чертежей на эти ригели.

6.2 Прочность бетона ригелей следует определять по ГОСТ 10180 на серии образцов, изготовленных из бетонной смеси рабочего состава по ГОСТ 10181 и хранившихся в условиях, установленных ГОСТ 18105.

В случаях, когда вместо испытаний серии образцов используют методы неразрушающего контроля, фактическую передаточную и отпускную прочность бетона на сжатие определяют ультразвуковым методом по ГОСТ 17624 или приборами механического действия по ГОСТ 22690, а также другими методами, предусмотренными стандартами на методы испытания бетона.

6.3 Морозостойкость бетона следует определять по ГОСТ 10060 или ультразвуковым методом по ГОСТ 26134 на серии образцов, изготовленных из бетонной смеси рабочего состава.

6.4 Водонепроницаемость бетона ригелей следует определять по ГОСТ 12730.0 и ГОСТ 12730.5 на серии образцов, изготовленных из бетонной смеси рабочего состава.

6.5 Методы контроля и испытаний сварных арматурных и закладных изделий следует принимать по ГОСТ 10922 и ГОСТ 23858.

6.6 Силу натяжения арматуры, контролируемую по окончании натяжения, измеряют по ГОСТ 22362.

6.7 Размеры, отклонения от прямолинейности и плоскостности граней ригелей, ширину раскрытия технологических трещин, качество внешних поверхностей и внешний вид ригелей следует проверять методами, установленными ГОСТ 26433.0 и ГОСТ 26433.1.

6.8 Размеры и положение арматурных и закладных изделий, а также толщину защитного слоя бетона до арматуры следует определять по ГОСТ 17625 и ГОСТ 22904.

7 Транспортирование и хранение

7.1 Транспортировать и хранить ригели следует в соответствии с требованиями ГОСТ 13015 и настоящего стандарта.

Выбор транспортных средств проводят на стадии разработки проекта производства работ (ППР) с учетом массы и размеров ригелей, балок и прогонов, дальности перевозки, дорожных условий.

7.2 Ригели и прогоны следует транспортировать и хранить в горизонтальном положении в штабелях высотой не более 2 м, при этом высота штабеля не должна превышать ширину более чем в два раза. В штабеле должно быть не более трех рядов по высоте. Положение при складировании - близкое к проектному. Главное требование - обеспечение устойчивости штабелей. Возможно использование для складирования инвентарных кондукторов.

7.3 Подкладки под нижний ряд ригелей и прокладки между ними в штабеле следует располагать вблизи строповочных отверстий или монтажных петель. Ширину прокладки назначают с учетом прочности древесины на смятие. Толщина прокладки должна обеспечивать наличие зазора не менее 20 мм от верха монтажной петли.

7.4 Штабели ригелей и прогонов [см. а) и б) рисунка 1], рассортированные помаркам, располагают на приобъектном складе в зоне действия монтажного крана в соответствии с утвержденным стройген- планом. Расстояние между соседними штабелями должно быть не менее 0,2 м. Проходы между штабелями должны иметь ширину не менее 1 м.

Рисунок 1 - Складирование ригелей

Приложение А
(рекомендуемое)
Форма и основные размеры ригелей

Таблица А.1

Эскиз изделий

Типоразмер изделия

Длина L, мм

Масса, т

Ригели связевых каркасов межвидового применения для общественных зданий, производственных, административных и бытовых зданий промышленных предприятий (опалубочные формы серии 1.020-1/87 [1])

Серия 1.020-1/87 Конструкции каркаса межвидового применения для многоэтажных общественных зданий, производственных и вспомогательных зданий промышленных предприятий, 1991 г. Выпуски 3-1 - 3-6

РДП 4.26

2560

1,11

РДП 4.56

5560

2,55

РДП 4.68

6760

3,12

РОП 4.26

2560

1,05

РОП 4.56

5560

2,35

РОП 4.68

6760

2,87

РЛП 4.26

2560

0,84

РЛП 4.56

5560

1,89

Р 3.55

5540

0,75

Р 3.25

2540

0,35

РДП 6.86

8560

5,88

РДП 6.56

5560

3,78

РДП 6.26

2560

1,65

РОП 6.86

8560

5,00

РОП 6.56

5560

3,35

РОП 6.26

2560

1,45

РЛП 6.56

5560

2,65

РЛП 6.26

2560

1,20

РДР 6.86

8560

5,50

РДР 6.56

5560

3,60

РДР 6.26

2560

1,70

РОР 6.86

8560

5,10

РОР 6.56

5560

3,30

РОР 6.26

2560

1,50

РЛР 6.56

5560

2,60

РЛР 6.26

2560

1,20

Ригели рамных каркасов межвидового применения для общественных зданий, производственных, административных и бытовых зданий промышленных предприятий (опалубочные формы серии 1.020-4 [2])

Серия 1.020.1-4 Конструкции рамного каркаса межвидового применения для многоэтажных общественных зданий, производственных и вспомогательных зданий промышленных предприятий, 1987 г. Выпуски 3-1 - 3-7

РДП 6.86

8560

5,80

РДП 6.56

5560

3,70

РДП 6.26

2560

1,60

РОП 6.86

8560

5,08

РОП 6.56

5560

3,20

РОП 6.26

2560

1,40

РБП 6.56

5560

2,80

РДР 6.86

8560

5,25

РДР 6.56

5560

3,35

РДР 6.26

2560

1,43

РОР 6.86

8560

4,65

РОР 6.56

5560

2,97

РОР 6.26

2560

1,26

РБР 6.56

5560

2,80

Ригели рамных каркасов многоэтажных производственных зданий с сеткой колонн 6 × 6 м и 9 × 6 м (опалубочные формы серии 1.420-35.95 [3])

Серия 1.420-35.95 Конструкции многоэтажных производственных зданий с сетками колонн 6 × 6 м и 9 × 6 м под нагрузки соответственно до 2500 кгс/м2 и 1500 кгс/м2, 1998 г. Выпуски 2-0 - 2-3

РДР 8.50

4980

4,00

РДР 8.53

5280

4,20

РДР 8.55

5480

4,40

РДР 8.80

7980

6,48

РДР 8.83

8280

6,73

РДР 8.85

8480

6,90

РДР 8.50 лев.,
РДР 8.50 пр.*

4980

3,70

РДР 8.53 лев.,
РДР 8.53 пр.*

5280

3,90

РДР 8.55 лев.,
РДР 8.55 пр.*

5480

4,10

РДР 8.80 лев.,
РДР 8.80 пр.*

7980

6,13

РДР 8.83 лев.,
РДР 8.83 пр.*

8280

6,23

РДР 8.85 лев.,
РДР 8.85 пр.*

8480

6,55

РОР 8.50

4980

3,50

РОР 8.53

5280

3,70

РОР 8.55

5480

3,80

РОР 8.80

7980

5,75

РОР 8.83

8280

5,95

РОР 8.85

8480

6,10

РОР 8.50 лев.,
РОР 8.50 пр.

4980

3,20

РОР 8.53 лев.,
РОР 8.53 пр.

5280

3,40

РОР 8.55 лев.,
РОР 8.55 пр.

5480

3,60

Ригели рамных каркасов многоэтажных производственных зданий с сеткой колонн 12 × 6 м для строительства в районах несейсмических и сейсмичностью 7 баллов (опалубочные формы серии 1.420.1-19 [4])

Серия 1.420.1-19 Конструкции каркаса многоэтажных производственных зданий с сеткой колонн 12 × 6 м для строительства в районах несейсмических и сейсмичностью 7 баллов, 1989 г. Выпуски 2-0 - 2-4

РДР 8.112

11200

8,75

РОР 8.112

11200

8,15

РДП 8.112

11200

8,88

РОП 8.112

11200

8,28

Р 8.52

5200

3,15

РДР 8.112-1

11200

8,65

РДР 8.112-1

11200

8,05

РДП 8.112-1

11200

8,83

РДП 8.112-1

11200

8,23

РДР 8.52-1

5200

4,65

РОР 8.52-1

5200

4,50

РДП 8.52-1

5200

4,80

РОП 8.52-1

5200

4,65

РДР 8.112-2

11200

8,55

РОР 8.112-2

11200

7,95

РДП 8.112-2

11200

8,78

РОП 8.112-2

11200

8,18

РДР 8.52-2

5200

4,55

РОР 8.52-2

5200

4,40

РДП 8.52-2

5200

4,72

РОП 8.52-2

5200

4,55

Ригели рамных каркасов многоэтажных производственных зданий с сетками колонн 12 × 6, 9 × 6 и 6 × 6 м для строительства в районах сейсмичностью 7 - 9 баллов (опалубочные формы серии 1.420.1-20с [5])

Серия 1.420.1-20с Конструкции каркаса многоэтажных производственных зданий с сетками колонн 12 × 6, 9 × 6 и 6 × 6 м для строительства в районах сейсмичностью 7, 8 и 9 баллов, 1991 г. Выпуски 2-0 - 2-9

РДР 8.112

11200

8,30

РДР 8.82

8200

6,33

РДП 8.112

11200

8,50

РДР 8.82-1

8200

6,28

РОР 8.82

8200

6,05

РДР 8.52

5200

3,60

РДП 8.52

5200

4,50

РДР 8.52-1

5200

3,40

РДР 8.22

2200

1,63

POP 8.52

5200

3,44

РЛП 8.52

5200

4,40

РЛР 8.52

5200

4,30

* Ригели, замаркированные «лев.» и «пр.», имеют вырезы полок с левой или правой стороны. На эскизах изделий вырезы полок условно не показаны.

Библиография

[1]

Серия 1.020-1/87

Конструкции каркаса межвидового применения для многоэтажных общественных зданий, производственных и вспомогательных зданий промышленных предприятий

[2]

Серия 1.020.1-4

Конструкции рамного каркаса межвидового применения для многоэтажных общественных зданий, производственных и вспомогательных зданий промышленных предприятий

[3]

Серия 1.420-35.95

Конструкции многоэтажных производственных зданий с сетками колонн 6 × 6 м и 9 × 6 м под нагрузкой соответственно до 2500 кгс/м2 и 1500 кгс/м2

[4]

Серия 1.420.1-19

Конструкции каркаса многоэтажных производственных зданий с сеткой колонн 12 × 6 м для строительства в районах несейсмических и сейсмичностью 7 баллов

[5]

Серия 1.420.1-20с

Конструкции каркаса многоэтажных производственных зданий с сетками колонн 12 × 6, 9 × 6 и 6 × 6 м для строительства в районах сейсмичностью 7, 8 и 9 баллов

 

Ключевые слова: железобетонный ригель, каркасные здания, связевый каркас, рамный каркас