Главная // Актуальные документы // Актуальные документы (обновление 2024.12.02-2025.01.05) // ГОСТ (Государственный стандарт)
СПРАВКА
Источник публикации
В данном виде документ опубликован не был.
Первоначальный текст документа опубликован в издании
М.: Стандартинформ, 2014.
Информацию о публикации документов, создающих данную редакцию, см. в справке к этим документам.
Примечание к документу
Текст данного документа приведен с учетом поправки, опубликованной в "ИУС", N 12, 2021.

Изменение N 1 введено в действие на территории Российской Федерации Приказом Росстандарта от 18.07.2024 N 941-ст с 01.09.2024.

Взамен ГОСТ 27215-87.
Название документа
"ГОСТ 27215-2013. Межгосударственный стандарт. Плиты перекрытий железобетонные ребристые высотой 400 мм для промышленных зданий и сооружений. Технические условия"
(введен в действие Приказом Росстандарта от 30.12.2013 N 2388-ст)
(ред. от 18.07.2024)
РЕДАКЦИЯ

"ГОСТ 27215-2013. Межгосударственный стандарт. Плиты перекрытий железобетонные ребристые высотой 400 мм для промышленных зданий и сооружений. Технические условия"
(введен в действие Приказом Росстандарта от 30.12.2013 N 2388-ст)
(ред. от 18.07.2024)


Содержание


Введен в действие
Приказом Федерального
агентства по техническому
регулированию и метрологии
от 30 декабря 2013 г. N 2388-ст
МЕЖГОСУДАРСТВЕННЫЙ СТАНДАРТ
ПЛИТЫ ПЕРЕКРЫТИЙ ЖЕЛЕЗОБЕТОННЫЕ РЕБРИСТЫЕ ВЫСОТОЙ 400 мм
ДЛЯ ПРОМЫШЛЕННЫХ ЗДАНИЙ И СООРУЖЕНИЙ
ТЕХНИЧЕСКИЕ УСЛОВИЯ
Reinforced concrete ribbed floor slabs of 400 mm depth
for industrial buildings. Specifications
ГОСТ 27215-2013
Список изменяющих документов
(в ред. Изменения N 1, введенного в действие
Приказом Росстандарта от 18.07.2024 N 941-ст)
МКС 91.080.40
ОКСТУ 5842
Дата введения
1 января 2015 года
Предисловие
Цели, основные принципы и порядок проведения работ по межгосударственной стандартизации установлены ГОСТ 1.0-92 "Межгосударственная система стандартизации. Основные положения" и ГОСТ 1.2-2009 "Межгосударственная система стандартизации. Стандарты межгосударственные, правила и рекомендации по межгосударственной стандартизации. Правила разработки, принятия, применения, обновления и отмены"
Сведения о стандарте
1 РАЗРАБОТАН Центральным научно-исследовательским и проектно-экспериментальным институтом промышленных зданий и сооружений (ОАО "ЦНИИПромзданий")
2 ВНЕСЕН Техническим комитетом по стандартизации ТК 465 "Строительство" Российской Федерации
3 ПРИНЯТ Межгосударственным советом по стандартизации, метрологии и сертификации (протокол от 14 ноября 2013 г. N 44-П)
За принятие проголосовали:
Краткое наименование страны по МК (ИСО 3166) 004-97
Код страны по МК (ИСО 3166) 004-97
Сокращенное наименование национального органа по стандартизации
Армения
AM
Минэкономики Республики Армения
Казахстан
KZ
Госстандарт Республики Казахстан
Киргизия
KG
Кыргызстандарт
Молдова
MD
Молдова-Стандарт
Россия
RU
Росстандарт
Таджикистан
TJ
Таджикстандарт
Туркмения
TM
Главгосслужба "Туркменстандартлары"
Узбекистан
UZ
Узстандарт
4 Приказом Федерального агентства по техническому регулированию и метрологии N 2388-ст от 30 декабря 2013 г. введен в действие в качестве национального стандарта Российской Федерации с 1 января 2015 г.
5 ВЗАМЕН ГОСТ 27215-87
Информация об изменениях к настоящему стандарту публикуется в ежегодном информационном указателе "Национальные стандарты", а текст изменений - в ежемесячном информационном указателе "Национальные стандарты". В случае пересмотра (замены) или отмены настоящего стандарта соответствующее уведомление будет опубликовано в ежемесячном информационном указателе "Национальные стандарты". Соответствующая информация, уведомление и тексты размещаются также в информационной системе общего пользования - на официальном сайте Федерального агентства по техническому регулированию и метрологии в сети Интернет.
1 Область применения
1.1 Настоящий стандарт устанавливает технические требования, методы контроля, правила приемки, транспортирования и хранения железобетонных предварительно напряженных ребристых плит высотой 400 мм из тяжелого или конструкционного легкого бетона.
1.2 Плиты применяют для перекрытий многоэтажных каркасных производственных зданий промышленных предприятий и сооружений различного назначения с шагом несущих конструкций 6 м.
2 Нормативные ссылки
(раздел 2 в ред. Изменения N 1, введенного в действие Приказом Росстандарта от 18.07.2024 N 941-ст)
В настоящем стандарте использованы нормативные ссылки на следующие межгосударственные стандарты:
ГОСТ 535 Прокат сортовой и фасонный из стали углеродистой обыкновенного качества. Общие технические условия
ГОСТ 5781 Сталь горячекатаная для армирования железобетонных конструкций. Технические условия
ГОСТ 6727 Проволока из низкоуглеродистой стали холоднотянутая для армирования железобетонных конструкций. Технические условия
ГОСТ 7348 Проволока из углеродистой стали для армирования предварительно напряженных железобетонных конструкций. Технические условия
ГОСТ 7473 Смеси бетонные. Технические условия
ГОСТ 8829 Изделия строительные железобетонные и бетонные заводского изготовления. Методы испытаний нагружением. Правила оценки прочности, жесткости и трещиностойкости
ГОСТ 10060 Бетоны. Методы определения морозостойкости
ГОСТ 10180 Бетоны. Методы определения прочности по контрольным образцам
ГОСТ 10181 Смеси бетонные. Методы испытаний
ГОСТ 10922 Арматурные и закладные изделия, их сварные, вязаные и механические соединения для железобетонных конструкций. Общие технические условия <1>
--------------------------------
<1> В Российской Федерации действует ГОСТ Р 57997-2017 "Арматурные и закладные изделия сварные, соединения сварные арматуры и закладных изделий железобетонных конструкций. Общие технические условия".
ГОСТ 12730.0 Бетоны. Общие требования к методам определения плотности, влажности, водопоглощения, пористости и водонепроницаемости
ГОСТ 12730.1 Бетоны. Методы определения плотности
ГОСТ 12730.5 Бетоны. Методы определения водонепроницаемости
ГОСТ 13015 Изделия бетонные и железобетонные для строительства. Общие технические требования. Правила приемки, маркировки, транспортирования и хранения
ГОСТ 13840 Канаты стальные арматурные 1x7. Технические условия
ГОСТ 14098 Соединения сварные арматуры и закладных изделий железобетонных конструкций. Типы, конструкции и размеры
ГОСТ 16504 Система государственных испытаний продукции. Испытания и контроль качества продукции. Основные термины и определения
ГОСТ 17623 Бетоны. Радиоизотопный метод определения средней плотности
ГОСТ 17624 Бетоны. Ультразвуковой метод определения прочности
ГОСТ 17625 Конструкции и изделия железобетонные. Радиационный метод определения толщины защитного слоя бетона, размеров и расположения арматуры
ГОСТ 18105 Бетоны. Правила контроля и оценки прочности
ГОСТ 22362 Конструкции железобетонные. Методы измерения силы натяжения арматуры
ГОСТ 22690 Бетоны. Определение прочности механическими методами неразрушающего контроля
ГОСТ 22904 Конструкции железобетонные. Магнитный метод определения толщины защитного слоя бетона и расположения арматуры
ГОСТ 23009 Конструкции и изделия бетонные и железобетонные сборные. Условные обозначения (марки)
ГОСТ 23858 Соединения сварные стыковые арматуры железобетонных конструкций. Ультразвуковые методы контроля качества. Правила приемки
ГОСТ 24297 Верификация закупленной продукции. Организация проведения и методы контроля
ГОСТ 25820 Бетоны легкие. Технические условия
ГОСТ 26134 Бетоны. Ультразвуковой метод определения морозостойкости
ГОСТ 26633 Бетоны тяжелые и мелкозернистые. Технические условия
ГОСТ 31384 Защита бетонных и железобетонных конструкций от коррозии. Общие технические требования
ГОСТ 32499-2013 Плиты перекрытий железобетонные многопустотные для зданий пролетом до 9 м стендового формования. Технические условия
ГОСТ 34028 Прокат арматурный для железобетонных конструкций. Технические условия
Примечание - При пользовании настоящим стандартом целесообразно проверить действие ссылочных стандартов и классификаторов на официальном интернет-сайте Межгосударственного совета по стандартизации, метрологии и сертификации (www.easc.by) или по указателям национальных стандартов, издаваемым в государствах, указанных в предисловии, или на официальных сайтах соответствующих национальных органов по стандартизации. Если на документ дана недатированная ссылка, то следует использовать документ, действующий на текущий момент, с учетом всех внесенных в него изменений. Если заменен ссылочный документ, на который дана датированная ссылка, то следует использовать указанную версию этого документа. Если после принятия настоящего стандарта в ссылочный документ, на который дана датированная ссылка, внесено изменение, затрагивающее положение, на которое дана ссылка, то это положение применяется без учета данного изменения. Если ссылочный документ отменен без замены, то положение, в котором дана ссылка на него, применяется в части, не затрагивающей эту ссылку.
3 Термины и определения
В настоящем стандарте применены следующие термины по ГОСТ 32499 и ГОСТ 21506:
3.1. перекрытие: Несущая, междуэтажная горизонтальная конструкция, являющаяся одновременно потолком нижележащего этажа и полом вышележащего.
Примечание - Перекрытие выполняется в виде монолитной железобетонной плиты или из сборных плит в балочном или безбалочном конструктивном варианте.
[ГОСТ 32499, пункт 3.1]
3.2. плита: Горизонтальный плоскостной элемент сооружения, предназначенный для восприятия эксплуатационных нагрузок и передачи их на несущие элементы.
Примечание - Плиты применяются в строительстве зданий и сооружений различного назначения.
[ГОСТ 21506, пункт 3.2]
3.3 ребристая плита: Плита, как правило, предварительно напряженная, в которой напрягаемая арматура расположена в продольных ребрах, обладающая высокой несущей способностью.
(п. 3.3 введен Изменением N 1, введенным в действие Приказом Росстандарта от 18.07.2024 N 941-ст)
4 Технические требования
4.1 Общие требования
4.1.1 Применение плит в условиях постоянного воздействия температуры выше плюс 50 °C, а также в неотапливаемых зданиях и на открытом воздухе при расчетной температуре наружного воздуха ниже минус 40 °C допускается при соблюдении дополнительных условий, устанавливаемых действующими нормативными документами.
4.1.2 Применение плит в районах с сейсмичностью 7 и более баллов допускается при условии выполнения требований действующих нормативных документов.
4.1.3 Применение плит в условиях слабо- и среднеагрессивной степени воздействия газообразной среды на железобетонные конструкции допускается при условии выполнения требований действующих нормативных документов.
4.2 Основные параметры и условные обозначения
(в ред. Изменения N 1, введенного в действие Приказом Росстандарта от 18.07.2024 N 941-ст)
4.2.1 Плиты следует изготавливать в соответствии с требованиями настоящего стандарта, проектной и технологической документации, утвержденной в установленном порядке.
4.2.2 Плиты в зависимости от способа их опирания на ригели каркаса здания или сооружения подразделяют на два типа:
- 1П - с опиранием на полки ригелей;
- 2П - с опиранием на верх ригелей.
Плиты типа 1П предусмотрены восьми типоразмеров (1П1 - 1П8), типа 2П - одного типоразмера (2П1).
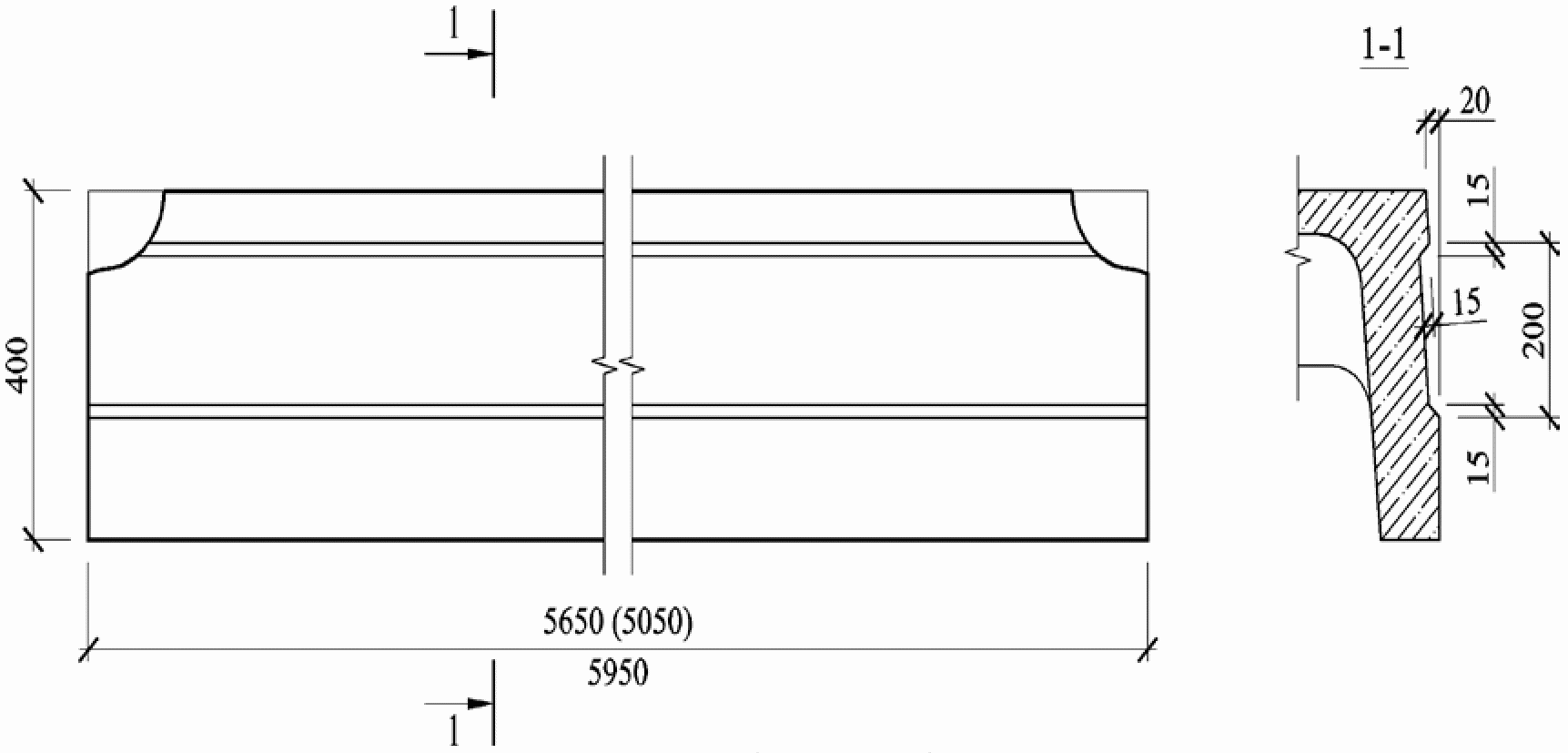
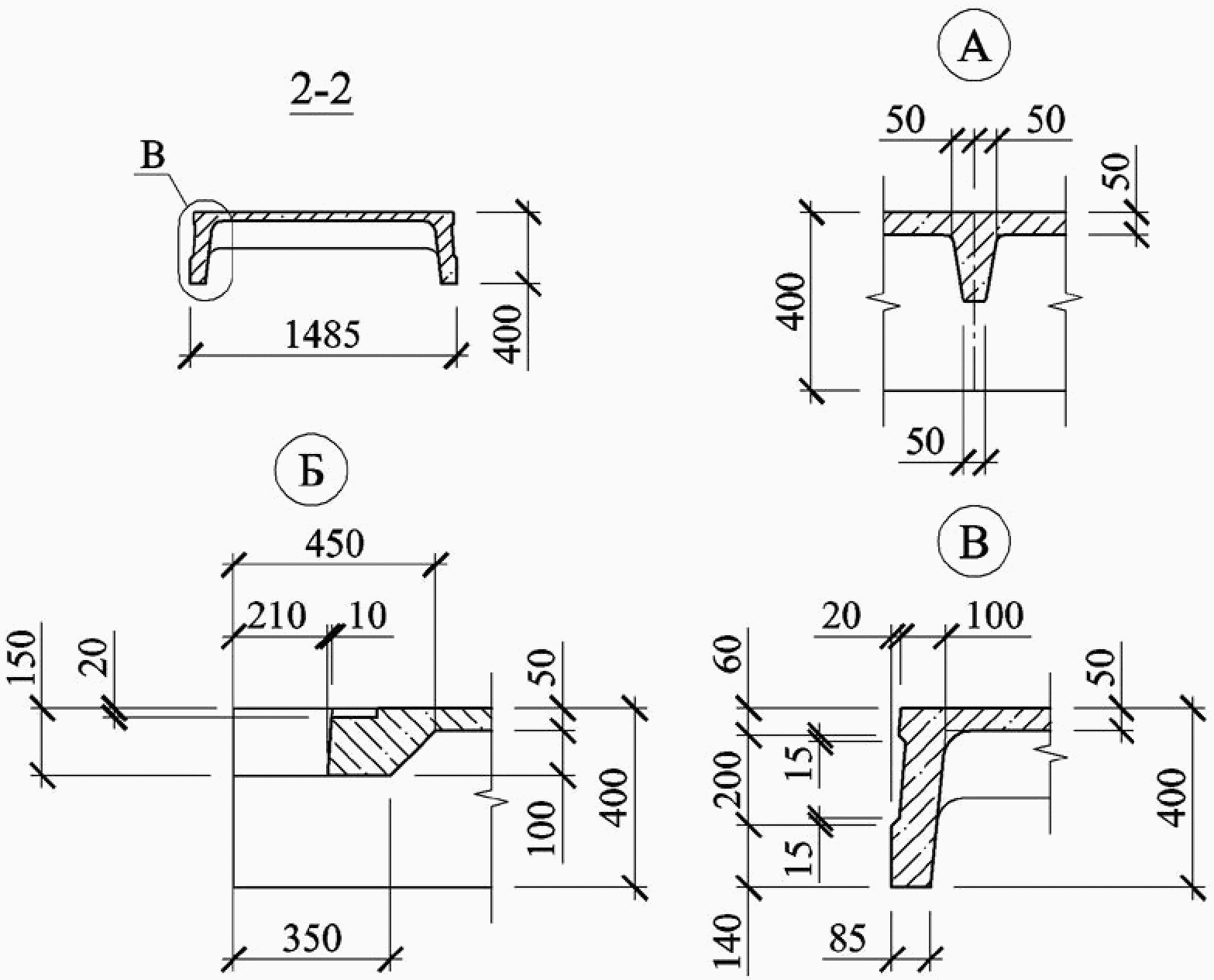
4.2.3 Форма и основные размеры плит должны соответствовать указанным в таблицах 1 и 2.
Таблица 1
Типоразмер плиты
Основные размеры плиты, мм
Масса плиты (справочная), т
Назначение плиты
Длина L
Ширина
1П1
5550
2985
4,73 (3,8)
Рядовые и межколонные
1П3
1485
2,20 (1,8)
1П5
935
1,70 (1,4)
Межколонные
1П7
740
1,50 (1,2)
1П2
5050
2985
4,35 (3,5)
Рядовые и межколонные у торца или температурного шва здания или сооружения
1П4
1485
2,10 (1,7)
1П6
935
1,60 (1,3)
Межколонные у торца или температурного шва здания или сооружения
1П8
740
1,37 (1,1)
2П1
5950
1485
2,40 (1,9)
Рядовые; рядовые у торца или температурного шва здания или сооружения
2,30 (1,8)
Межколонные
2,20 (1,8)
Межколонные у торца или температурного шва здания или сооружения
Примечания
1 Масса плиты приведена для тяжелого бетона средней плотности 2500 кг/м3, а в скобках - для легкого бетона средней плотности 2000 кг/м3.
2 Исключено с 01.09.2024. - Изменение N 1, введенное в действие Приказом Росстандарта от 18.07.2024 N 941-ст.
Таблица 2
Общий вид
Разрезы
1 Плиты рядовые и межколонные типоразмеров 1П1 и 1П2
2 Плиты рядовые и межколонные типоразмеров 1П3 и 1П4
3 Плиты рядовые и межколонные у торца или температурного шва здания или сооружения типоразмеров 1П5 и 1П6
4 Плиты рядовые и межколонные у торца или температурного шва здания или сооружения типоразмеров 1П7 и 1П8
5 Плита рядовая типоразмера 2П1
6 Плита межколонная типоразмера 2П1
7 Плита межколонная у торца или температурного шва здания или сооружения типоразмера 2П1
4.2.4 Допускается изготавливать плиты типоразмеров 1П1 - 1П6 с вутами в местах сопряжения продольных и торцевых ребер согласно рабочим чертежам на эти плиты.
4.2.5 Плиты типоразмеров 1П1 - 1П6 и 2П1 изготовляют с напрягаемой продольной арматурой, типоразмеров 1П7 и 1П8 - с ненапрягаемой продольной арматурой.
4.2.6 В случаях, предусмотренных проектной документацией конкретного здания или сооружения, утвержденной в установленном порядке, плиты могут иметь проемы, отверстия, вырезы в полках, углубления на наружных гранях продольных ребер для устройства бетонных шпонок между смежными плитами, а также дополнительные закладные изделия при соблюдении остальных требований настоящего стандарта.
Глубина пазов должна быть 14 - 16 мм. Пример углубления приведен на рисунке 1.
Рисунок 1 - Углубление на боковой поверхности плиты
4.2.7 Плиты обозначают марками в соответствии с требованиями ГОСТ 23009 с учетом приведенных ниже положений.
Марка плиты состоит из буквенно-цифровых групп, разделенных дефисами.
В первой группе указывают обозначение типоразмера плиты.
Во второй группе указывают:
- расчетную нагрузку на плиту в килопаскалях (килограмм-сила на квадратный метр) или порядковый номер плиты по несущей способности;
- класс стали напрягаемой арматуры;
- вид бетона (Л - легкий бетон; тяжелый бетон не обозначают).
В третьей группе, при необходимости, указывают дополнительные характеристики, отражающие особые условия применения плит (например, их стойкость к воздействию агрессивных газообразных сред, сейсмическим воздействиям), а также обозначения конструктивных особенностей плит (например, наличие дополнительных закладных изделий).
Примеры условных обозначений (марок):
- ребристой плиты перекрытия типоразмера 1ПЗ, второй несущей способности, с напрягаемой арматурой класса А800, изготовленной из легкого бетона:
1ПЗ-2А800Л ГОСТ 27215-2013
- то же, изготовленной из тяжелого бетона и предназначенной для применения в зданиях с расчетной сейсмичностью 7 баллов:
1ПЗ-2А800-С7 ГОСТ 27215-2013.
(п. 4.2.7 введен Изменением N 1, введенным в действие Приказом Росстандарта от 18.07.2024 N 941-ст)
4.3 Характеристики плит
4.3.1 Плиты должны удовлетворять требованиям по прочности, жесткости и трещиностойкости, установленными рабочими чертежами на эти плиты на этапах эксплуатации, транспортирования и хранения, а также выдерживать при испытаниях контрольные нагрузки, указанные в проектной документации.
4.3.2 Плиты должны удовлетворять требованиям ГОСТ 13015:
- по показателям фактической прочности бетона (в проектном возрасте, передаточной и отпускной);
- по морозостойкости бетона, а для плит, эксплуатируемых при условии воздействия агрессивной газообразной среды - также по водонепроницаемости бетона;
- к маркам сталей для закладных изделий, в том числе для монтажных петель;
- по толщине защитного слоя бетона;
- по защите от коррозии.
4.3.3 Несущую способность конкретной плиты (зависит от класса арматуры, вида и класса бетона) определяют при разработке проекта здания (сооружения) по действующим нормативным документам.
(п. 4.3.3 в ред. Изменения N 1, введенного в действие Приказом Росстандарта от 18.07.2024 N 941-ст)
4.4 Требования к материалам
4.4.1 Плиты следует изготавливать из тяжелого бетона средней плотностью от 2200 кг/м3 до 2500 кг/м3 включительно по ГОСТ 26633 или легкого бетона плотной структуры средней плотностью от 1800 до 2000 кг/м3 включительно по ГОСТ 25820, классов по прочности бетона на сжатие, указанных в рабочих чертежах этих плит.
Бетонные смеси для изготовления плит должны соответствовать требованиям ГОСТ 7473.
(абзац введен Изменением N 1, введенным в действие Приказом Росстандарта от 18.07.2024 N 941-ст)
4.4.2 Передачу усилий обжатия на бетон (отпуск натяжения арматуры) следует проводить после достижения бетоном требуемой передаточной прочности.
Нормируемая передаточная прочность бетона предварительно напряженных плит (прочность бетона к моменту его обжатия, контролируемая аналогично классу бетона по прочности на сжатие) устанавливается в зависимости от класса бетона, вида и класса напрягаемой арматурной стали, величины предварительного натяжения и назначается в рабочих чертежах на эти плиты, но принимается не менее 15 МПа и не менее 50% принятого класса бетона по прочности на сжатие.
4.4.3 Нормируемую отпускную прочность бетона на сжатие принимают равной нормируемой передаточной прочности, но не менее 70% проектной.
При поставке плит в холодный период года или при перевозке железнодорожным транспортом нормируемая отпускная прочность бетона может быть повышена до 85% класса бетона по прочности на сжатие.
Нормируемая отпускная прочность бетона должна соответствовать значению, указанному в проектной документации на конкретное здание или сооружение и в заказе на изготовление плит согласно требованиям ГОСТ 13015.
4.4.4 Для плит, эксплуатируемых при слабо- и среднеагрессивной степени воздействия газообразной среды, следует применять бетон, удовлетворяющий требованиям, установленным проектной документацией (согласно действующим нормативным документам) и указанным в заказе на изготовление плит.
4.4.5 Для армирования плит рекомендуется применять следующие виды и классы арматуры:
- в качестве напрягаемой арматуры - горячекатаную термомеханически упрочненную арматуру периодического профиля классов А600, А800 и А1000 (ГОСТ 10884), арматурные канаты классов К1400 и К1500 (ГОСТ 13840), высокопрочную холоднотянутую проволоку периодического профиля классов В1200, В1300, В1400, В1500 (ГОСТ 7348), а также по действующим в странах нормативно-технических документам <1>;
- в качестве ненапрягаемой арматуры - стержневую арматуру классов А240, А400 (ГОСТ 5781) и проволоку класса В500 (ГОСТ 6727), а также по действующим в странах нормативно-технических документам <1>.
--------------------------------
<1> В Российской Федерации арматура класса А500С изготавливается по ГОСТ Р 52544.
4.4.6 Допускается в качестве напрягаемой арматуры плит применять арматуру класса А400, упрочненную вытяжкой, с контролем величины напряжения и предельного удлинения или контролем только величины удлинения (без контроля напряжения).
4.4.7 Значения напряжений в напрягаемой арматуре, контролируемые по окончании натяжения арматуры на упоры, должны соответствовать указанным в проектной документации.
Значения фактических отклонений напряжений в напрягаемой арматуре не должны превышать +/- 10%.
4.4.8 Монтажные петли следует изготовлять из гладкой арматурной стали класса А240 марок Ст3пс и Ст3сп (с категориями нормируемых показателей не ниже 2 по ГОСТ 535).
Арматурную сталь марки Ст3пс не допускается применять для монтажных петель плит, подъем и монтаж которых возможны при температуре воздуха ниже минус 40 °C.
(п. 4.4.8 введен Изменением N 1, введенным в действие Приказом Росстандарта от 18.07.2024 N 941-ст)
4.5 Требования к качеству поверхности и внешнему виду плит
4.5.1 Форма и размеры арматурных и закладных изделий и их положение в плитах должны соответствовать указанным в рабочих чертежах или стандартах на эти плиты и требованиям ГОСТ 10922 <1> или иного нормативного документа, действующего на территории государства - участника Соглашения, принявшего настоящий стандарт.
(в ред. Изменения N 1, введенного в действие Приказом Росстандарта от 18.07.2024 N 941-ст)
--------------------------------
<1> В Российской Федерации действует ГОСТ Р 57997-2017 "Арматурные и закладные изделия сварные, соединения сварные арматуры и закладных изделий железобетонных конструкций. Общие технические условия".
(сноска введена Изменением N 1, введенным в действие Приказом Росстандарта от 18.07.2024 N 941-ст)
4.5.2 Отклонения от номинальных размеров плит, указанных в рабочих чертежах, не должны превышать следующих значений:
- по длине плит - +/- 10 мм;
- по высоте плит - +/- 5 мм;
- по толщине полки - +/- 3 мм;
- по ширине плит - +/- 6 мм (при ширине до 2,5 м) и +/- 8 мм (при ширине свыше 2,5 м).
4.5.3 Отклонения от проектного положения стальных закладных изделий не должны превышать:
10 мм - в плоскости плиты;
5 мм - из плоскости плиты.
4.5.4 Требования к качеству поверхностей и внешнему виду плит - по ГОСТ 13015 и настоящему стандарту.
Размеры раковин, местных наплывов (выступов), впадин на бетонных поверхностях и сколов бетона ребер плит не должны превышать предельных для категорий поверхности, установленных в проекте для конкретных условий применения плит.
4.5.5 В бетоне плит, поставляемых потребителю, трещины не допускаются, за исключением:
- усадочных и других поверхностных технологических трещин, ширина которых не должна превышать 0,1 мм;
- поперечных в верхней зоне продольных ребер от обжатия бетона, размеры которых не должны превышать указанных в рабочих чертежах на эти плиты;
- поперечных в торцевых ребрах, ширина которых не должна превышать 0,3 мм.
4.5.6 Концы напрягаемой арматуры не должны выступать за торцевые поверхности плит более чем на 10 мм и их следует защищать слоем цементно-песчаного раствора или антикоррозионным покрытием.
(в ред. Изменения N 1, введенного в действие Приказом Росстандарта от 18.07.2024 N 941-ст)
4.5.7 Сварные соединения арматуры и закладных изделий должны соответствовать требованиям ГОСТ 14098.
(п. 4.5.7 введен Изменением N 1, введенным в действие Приказом Росстандарта от 18.07.2024 N 941-ст)
4.5.8 Антикоррозионное покрытие, вид и технические характеристики арматурных и закладных изделий должны соответствовать установленным в рабочих чертежах согласно ГОСТ 31384 и указанным в заказе на изготовление плит.
(п. 4.5.8 введен Изменением N 1, введенным в действие Приказом Росстандарта от 18.07.2024 N 941-ст)
4.6 Маркировка
Маркировку плит проводят по ГОСТ 13015. Маркировочные надписи и знаки следует наносить на наружной грани торцевого или продольного ребра плиты.
5 Приемка
5.1 Приемку и верификацию плит и закупочных изделий проводят в соответствии с требованиями ГОСТ 13015, ГОСТ 24297 и настоящего стандарта.
(п. 5.1 в ред. Изменения N 1, введенного в действие Приказом Росстандарта от 18.07.2024 N 941-ст)
5.2 Плиты принимают по данным входного, операционного и приемочного контроля, а также:
- по результатам периодических испытаний - по показателям прочности, жесткости и трещиностойкости плит, морозостойкости бетона, а также по водонепроницаемости бетона плит, предназначенных для эксплуатации в условиях воздействия агрессивной газообразной среды;
- по результатам приемосдаточных испытаний - по показателям прочности бетона (классу бетона по прочности на сжатие, передаточной и отпускной прочности), средней плотности легкого бетона, соответствию арматурных и закладных изделий рабочим чертежам, прочности сварных соединений, точности геометрических параметров, толщины защитного слоя бетона до арматуры, ширины раскрытия технологических трещин и категории бетонной поверхности.
5.3 Периодические испытания плит нагружением для контроля их прочности, жесткости и трещиностойкости проводят перед началом их массового изготовления и в дальнейшем - при внесении в них конструктивных изменений или при изменении технологии изготовления, а также в процессе серийного производства плит не реже одного раза в 6 мес.
Испытания плит нагружением в случае внесения в них конструктивных изменений или при изменении технологии изготовления допускается не проводить по согласованию с проектной организацией - разработчиком рабочих чертежей плит.
5.4 Документ о качестве плит, поставляемых потребителю, следует составлять по ГОСТ 13015.
Дополнительно в документе о качестве плит должна быть приведена марка бетона по морозостойкости, а для плит, предназначенных для эксплуатации в условиях воздействия агрессивной газообразной среды, - марка бетона по водонепроницаемости.
5.5 Испытания бетона по показателю пористости (объему межзерновых пустот) уплотненной смеси легкого бетона следует проводить не реже одного раза в месяц.
5.6 Плиты по показателям точности геометрических параметров, толщине защитного слоя бетона до арматуры, категории бетонной поверхности и ширине раскрытия технологических трещин следует принимать по результатам выборочного контроля.
6 Методы контроля
6.1 Испытания плит по прочности, жесткости и трещиностойкости следует проводить в соответствии с требованиями ГОСТ 8829, ГОСТ 16504 и рабочих чертежей на эти плиты.
6.2 Прочность бетона плит следует определять по ГОСТ 10180 на серии образцов, изготовленных из бетонной смеси рабочего состава по ГОСТ 10181 и хранившихся в условиях, установленных ГОСТ 18105.
При контроле прочности бетона (при испытании плит) неразрушающими методами фактическую передаточную прочность бетона на сжатие следует определять ультразвуковым методом по ГОСТ 17624 или приборами механического действия по ГОСТ 22690, а также другими методами, предусмотренными стандартами на методы испытаний бетона.
6.3 Морозостойкость бетона следует определять по ГОСТ 10060, ГОСТ 10060.1, ГОСТ 10060.2 или ультразвуковым методом по ГОСТ 26134 на серии образцов, изготовленных из бетонной смеси рабочего состава.
6.4 Водонепроницаемость бетона плит, предназначенных для эксплуатации в условиях воздействия агрессивной газообразной среды, следует определять по ГОСТ 12730.0 и ГОСТ 12730.5 на серии образцов, изготовленных из бетонной смеси рабочего состава.
6.5 Показатели пористости в уплотненной смеси легкого бетона следует определять по ГОСТ 10181.
6.6 Среднюю плотность легкого бетона плит следует определять по ГОСТ 12730.0 и ГОСТ 12730.1 на серии образцов, изготовленных из бетонной смеси рабочего состава, или радиоизотопным методом по ГОСТ 17623.
6.7 Методы контроля и испытаний сварных арматурных и закладных изделий следует принимать по ГОСТ 10922 <1>, ГОСТ 23858 и иным нормативным документам, действующим на территории государства - участника Соглашения, принявшего настоящий стандарт.
(в ред. Изменения N 1, введенного в действие Приказом Росстандарта от 18.07.2024 N 941-ст)
--------------------------------
<1> В Российской Федерации действует ГОСТ Р 57997-2017 "Арматурные и закладные изделия сварные, соединения сварные арматуры и закладных изделий железобетонных конструкций. Общие технические условия".
(сноска введена Изменением N 1, введенным в действие Приказом Росстандарта от 18.07.2024 N 941-ст)
6.8 Силу натяжения арматуры, контролируемую по окончании натяжения, следует измерять по ГОСТ 22362.
6.9 Размеры плит, отклонения от прямолинейности и плоскостности поверхностей плит, ширину раскрытия технологических трещин, размеры раковин, наплывов и околов бетона плит следует определять методами, установленными в ГОСТ 13015 и нормативных документах <1>, действующих на территории государства - участника Соглашения, принявшего настоящий стандарт.
(п. 6.9 в ред. Изменения N 1, введенного в действие Приказом Росстандарта от 18.07.2024 N 941-ст)
--------------------------------
<1> В Российской Федерации действуют ГОСТ Р 58939-2020 "Система обеспечения точности геометрических параметров в строительстве. Правила выполнения измерений. Элементы заводского изготовления", ГОСТ Р 58941-2020 "Система обеспечения точности геометрических параметров в строительстве. Правила выполнения измерений. Общие положения", ГОСТ Р 58944-2020 "Система обеспечения точности геометрических параметров в строительстве. Функциональные допуски".
(сноска введена Изменением N 1, введенным в действие Приказом Росстандарта от 18.07.2024 N 941-ст)
6.10 Положение арматурных и закладных изделий, а также толщину защитного слоя бетона до арматуры следует определять по ГОСТ 17625 и ГОСТ 22904.
7 Транспортирование и хранение
7.1 Транспортировать и хранить плиты следует в соответствии с требованиями ГОСТ 13015 и настоящего стандарта.
Способы складирования и хранения детализируются в технических условиях заводов-изготовителей.
Выбор транспортных средств проводят на стадии разработки проекта производства работ с учетом размеров плит, дальности перевозки и дорожных условий.
7.2 Плиты следует транспортировать и хранить уложенными в штабели в горизонтальном положении.
Высота штабеля плит должна быть не более 2,5 м. Расстояние между соседними штабелями должно быть не менее 0,2 м, ширина прохода между рядами штабелей - не менее 1 м.
(п. 7.2 в ред. Изменения N 1, введенного в действие Приказом Росстандарта от 18.07.2024 N 941-ст)
7.3 Подкладки под плитами и прокладки между ними в штабеле следует располагать по одной вертикали по торцам продольных ребер в местах установки опорных закладных изделий. Ширину прокладки назначают с учетом прочности древесины на смятие. Толщина прокладки должна обеспечивать зазор от верха монтажной петли не менее 20 мм.
(п. 7.3 в ред. Изменения N 1, введенного в действие Приказом Росстандарта от 18.07.2024 N 941-ст)
7.4 При транспортировании плиты следует укладывать на транспортные средства продольной осью по направлению движения транспорта.
7.5 Закрепление плит допускается проводить с помощью стоек и связевых поперечных брусков, закрепленных двумя парами растяжек из проволоки диаметром 6 мм в шесть нитей. Верхний и нижний поперечные бруски прибивают к стойкам, нижний брусок, кроме того, к полу платформы четырьмя гвоздями длиной не менее 150 мм, как показано на рисунке 3 ГОСТ 32499.
7.6 Для транспортирования плит также используют специальные составы, вагоны которых оборудованы кассетами, сварными каркасами и контейнерами. Конструкция такого контейнера показана на рисунке 4 ГОСТ 32499.
8 Гарантии изготовителя
(раздел 8 введен Изменением N 1, введенным в действие Приказом Росстандарта от 18.07.2024 N 941-ст)
Изготовитель должен гарантировать соответствие поставляемых плит требованиям настоящего стандарта при соблюдении потребителем правил транспортирования, условий применения и хранения, установленных настоящим стандартом.
БИБЛИОГРАФИЯ
Раздел исключен с 01.09.2024. - Изменение N 1, введенное в действие Приказом Росстандарта от 18.07.2024 N 941-ст.
УДК 691.328:006.354
МКС 91.080.40
ОКСТУ 5842
Ключевые слова: ребристая плита, перекрытие, технические условия, маркировка, методы контроля, транспортирование и хранение, правила безопасного выполнения работ