Главная // Актуальные документы // Актуальные документы (обновление 2025.01.06-2025.02.01) // ГОСТ (Государственный стандарт)
СПРАВКА
Источник публикации
В данном виде документ опубликован не был.
Первоначальный текст документа опубликован в издании
М.: Стандартинформ, 2014.
Информацию о публикации документов, создающих данную редакцию, см. в справке к этим документам.
Примечание к документу
Изменение N 1 введено в действие на территории Российской Федерации Приказом Росстандарта от 18.07.2024 N 942-ст с 01.09.2024.
Название документа
"ГОСТ 32499-2013. Межгосударственный стандарт. Плиты перекрытий железобетонные многопустотные для зданий пролетом до 9 м стендового формования. Технические условия"
(введен в действие Приказом Росстандарта от 30.12.2013 N 2389-ст)
(ред. от 18.07.2024)
РЕДАКЦИЯ

"ГОСТ 32499-2013. Межгосударственный стандарт. Плиты перекрытий железобетонные многопустотные для зданий пролетом до 9 м стендового формования. Технические условия"
(введен в действие Приказом Росстандарта от 30.12.2013 N 2389-ст)
(ред. от 18.07.2024)


Содержание


Введен в действие
Приказом Федерального
агентства по техническому
регулированию и метрологии
от 30 декабря 2013 г. N 2389-ст
МЕЖГОСУДАРСТВЕННЫЙ СТАНДАРТ
ПЛИТЫ ПЕРЕКРЫТИЙ ЖЕЛЕЗОБЕТОННЫЕ МНОГОПУСТОТНЫЕ
ДЛЯ ЗДАНИЙ ПРОЛЕТОМ ДО 9 м СТЕНДОВОГО ФОРМОВАНИЯ
ТЕХНИЧЕСКИЕ УСЛОВИЯ
Reinforced concrete multihollow slabs for floors
in buildings for span to 9 m stand moulding. Specifications
ГОСТ 32499-2013
Список изменяющих документов
(в ред. Изменения N 1, введенного в действие
Приказом Росстандарта от 18.07.2024 N 942-ст)
МКС 91.080.40
ОКСТУ 5842
Дата введения
1 января 2015 года
Предисловие
Цели, основные принципы и основной порядок работ по межгосударственной стандартизации установлены ГОСТ 1.0-92 "Межгосударственная система стандартизации. Основные положения" и ГОСТ 1.2-2009 "Межгосударственная система стандартизации. Стандарты межгосударственные, правила и рекомендации по межгосударственной стандартизации. Правила разработки, принятия, применения, обновления и отмены"
Сведения о стандарте
1 РАЗРАБОТАН Центральным научно-исследовательским и проектно-экспериментальным институтом промышленных зданий и сооружений (ОАО "ЦНИИПромзданий")
2 ВНЕСЕН Техническим комитетом по стандартизации ТК 465 "Строительство" Российской Федерации
3 ПРИНЯТ Межгосударственным советом по стандартизации, метрологии и сертификации (Протокол от 14 ноября 2013 г. N 44-П)
За принятие проголосовали:
Краткое наименование страны по МК (ИСО 3166) 004-97
Код страны по МК (ИСО 3166) 004-97
Сокращенное наименование национального органа по стандартизации
Армения
AM
Минэкономики Республики Армения
Казахстан
KZ
Госстандарт Республики Казахстан
Киргизия
KG
Кыргызстандарт
Молдова
MD
Молдова-Стандарт
Россия
RU
Росстандарт
Таджикистан
TJ
Таджикстандарт
Узбекистан
UZ
Узстандарт
4 Приказом Федерального агентства по техническому регулированию и метрологии N 2389-ст от 30 декабря 2013 г. введен в действие в качестве национального стандарта Российской Федерации с 1 января 2015 г.
5 ВВЕДЕН ВПЕРВЫЕ
Информация об изменениях к настоящему стандарту публикуется в ежегодном информационном указателе "Национальные стандарты", а текст изменений - в ежемесячном информационном указателе "Национальные стандарты". В случае пересмотра (замены) или отмены настоящего стандарта соответствующее уведомление будет опубликовано в ежемесячном информационном указателе "Национальные стандарты". Соответствующая информация, уведомление и тексты размещаются также в информационной системе общего пользования - на официальном сайте Федерального агентства по техническому регулированию и метрологии в сети Интернет.
1 Область применения
1.1 Настоящий стандарт устанавливает технические требования, методы контроля и правила приемки, транспортирования и хранения железобетонных многопустотных плит межвидового назначения, опирающихся по двум сторонам, высотой 220 мм с основным размером пустот 159 мм из тяжелого или конструкционного легкого бетонов.
1.2 Плиты применяют в перекрытиях и покрытиях гражданских и промышленных зданий и сооружений пролетом до 9 м.
2 Нормативные ссылки
(раздел 2 в ред. Изменения N 1, введенного в действие Приказом Росстандарта от 18.07.2024 N 942-ст)
В настоящем стандарте использованы нормативные ссылки на следующие межгосударственные стандарты:
ГОСТ 535 Прокат сортовой и фасонный из стали углеродистой обыкновенного качества. Общие технические условия
ГОСТ 5781 Сталь горячекатаная для армирования железобетонных конструкций. Технические условия
ГОСТ 6727 Проволока из низкоуглеродистой стали холоднотянутая для армирования железобетонных конструкций. Технические условия
ГОСТ 7348 Проволока из углеродистой стали для армирования предварительно напряженных железобетонных конструкций. Технические условия
ГОСТ 7473 Смеси бетонные. Технические условия
ГОСТ 8829 Изделия строительные железобетонные и бетонные заводского изготовления. Методы испытаний нагружением. Правила оценки прочности, жесткости и трещиностойкости
ГОСТ 10060 Бетоны. Методы определения морозостойкости
ГОСТ 10180 Бетоны. Методы определения прочности по контрольным образцам
ГОСТ 10181 Смеси бетонные. Методы испытаний
ГОСТ 10922 Арматурные и закладные изделия, их сварные, вязаные и механические соединения для железобетонных конструкций. Общие технические условия <1>
--------------------------------
<1> В Российской Федерации действует ГОСТ Р 57997-2017 "Арматурные и закладные изделия сварные, соединения сварные арматуры и закладных изделий железобетонных конструкций. Общие технические условия".
ГОСТ 12730.0 Бетоны. Общие требования к методам определения плотности, влажности, водопоглощения, пористости и водонепроницаемости
ГОСТ 12730.1 Бетоны. Методы определения плотности
ГОСТ 12730.5 Бетоны. Методы определения водонепроницаемости
ГОСТ 13015 Изделия бетонные и железобетонные для строительства. Общие технические требования. Правила приемки, маркировки, транспортирования и хранения
ГОСТ 13840 Канаты стальные арматурные 1x7. Технические условия
ГОСТ 14098 Соединения сварные арматуры и закладных изделий железобетонных конструкций. Типы, конструкции и размеры
ГОСТ 16504 Система государственных испытаний продукции. Испытания и контроль качества продукции. Основные термины и определения
ГОСТ 17623 Бетоны. Радиоизотопный метод определения средней плотности
ГОСТ 17624 Бетоны. Ультразвуковой метод определения прочности
ГОСТ 17625 Конструкции и изделия железобетонные. Радиационный метод определения толщины защитного слоя бетона, размеров и расположения арматуры
ГОСТ 18105 Бетоны. Правила контроля и оценки прочности
ГОСТ 22362 Конструкции железобетонные. Методы измерения силы натяжения арматуры
ГОСТ 22690 Бетоны. Определение прочности механическими методами неразрушающего контроля
ГОСТ 22904 Конструкции железобетонные. Магнитный метод определения толщины защитного слоя бетона и расположения арматуры
ГОСТ 23009 Конструкции и изделия бетонные и железобетонные сборные. Условные обозначения (марки)
ГОСТ 23279 Сетки арматурные сварные для железобетонных конструкций и изделий. Общие технические условия
ГОСТ 23858 Соединения сварные стыковые арматуры железобетонных конструкций. Ультразвуковые методы контроля качества. Правила приемки
ГОСТ 24297 Верификация закупленной продукции. Организация проведения и методы контроля
ГОСТ 25820 Бетоны легкие. Технические условия
ГОСТ 26134 Бетоны. Ультразвуковой метод определения морозостойкости
ГОСТ 26633 Бетоны тяжелые и мелкозернистые. Технические условия
ГОСТ 31384 Защита бетонных и железобетонных конструкций от коррозии. Общие технические требования
ГОСТ 34028 Прокат арматурный для железобетонных конструкций. Технические условия
Примечание - При пользовании настоящим стандартом целесообразно проверить действие ссылочных стандартов и классификаторов на официальном интернет-сайте Межгосударственного совета по стандартизации, метрологии и сертификации (www.easc.by) или по указателям национальных стандартов, издаваемым в государствах, указанных в предисловии, или на официальных сайтах соответствующих национальных органов по стандартизации. Если на документ дана недатированная ссылка, то следует использовать документ, действующий на текущий момент, с учетом всех внесенных в него изменений. Если заменен ссылочный документ, на который дана датированная ссылка, то следует использовать указанную версию этого документа. Если после принятия настоящего стандарта в ссылочный документ, на который дана датированная ссылка, внесено изменение, затрагивающее положение, на которое дана ссылка, то это положение применяется без учета данного изменения. Если ссылочный документ отменен без замены, то положение, в котором дана ссылка на него, применяется в части, не затрагивающей эту ссылку.
3 Термины и определения
В настоящем стандарте применены следующие термины с соответствующими определениями:
3.1 перекрытие: Несущая междуэтажная горизонтальная конструкция, являющаяся одновременно потолком нижележащего этажа и полом вышележащего.
Примечание - Перекрытие выполняется в виде монолитной железобетонной плиты или из сборных плит в балочном или безбалочном конструктивном варианте.
3.2 покрытие: Комплекс несущих и ограждающих элементов крыши, включающий в себя плиты.
Примечание - Покрытие применяют главным образом для изоляции находящихся под ним помещений от внешних воздействий.
3.3 многопустотная плита перекрытия: Железобетонная плита перекрытия, в теле которой имеются пустоты, расположенные с определенным шагом параллельно длинной стороне плиты.
(п. 3.3 введен Изменением N 1, введенным в действие Приказом Росстандарта от 18.07.2024 N 942-ст)
4 Технические требования
4.1 Общие требования
4.1.1 Применение плит в условиях постоянного воздействия температуры выше плюс 50 °C, а также в неотапливаемых зданиях и на открытом воздухе при расчетной температуре наружного воздуха ниже минус 40 °C допускается при соблюдении дополнительных условий, устанавливаемых действующими нормативными документами.
4.1.2 Применение плит в районах с сейсмичностью 7 и более баллов допускается при условии выполнения требований действующих нормативных документов.
4.1.3 Применение плит в условиях слабо- и среднеагрессивной степени воздействия газообразной среды на железобетонные конструкции допускается при условии выполнения требований действующих нормативных документов.
4.2 Основные параметры и условные обозначения
(в ред. Изменения N 1, введенного в действие Приказом Росстандарта от 18.07.2024 N 942-ст)
4.2.1 Плиты следует изготовлять в соответствии с требованиями настоящего стандарта, проектной и технологической документации, утвержденной в установленном порядке.
Допускается изготавливать плиты, отличающиеся размерами от приведенных в настоящем стандарте, при соблюдении остальных требований настоящего стандарта.
(в ред. Изменения N 1, введенного в действие Приказом Росстандарта от 18.07.2024 N 942-ст)
4.2.2 Наиболее распространенные плиты толщиной 220 мм с круглыми пустотами основным размером 159 мм предназначены для опирания по двум сторонам. Форма и конструктивная длина и ширина плит приведены в таблицах 1 и 2.
4.2.3 Конструктивные длину и ширину плит (таблица 1) следует принимать равными соответствующему номинальному (координационному) размеру, уменьшенному на величину a1 (зазор между смежными плитами) или a2 (расстояние между смежными плитами при наличии между ними разделяющего элемента, например, антисейсмического пояса, вентиляционных каналов, гребня ригеля) или увеличенному на величину a3 (например, для плит, опираемых на всю толщину стен лестничной клетки зданий с поперечными несущими стенами).
4.2.4 Номинальное расстояние между центрами пустот в плитах следует принимать не менее 185 мм (расстояние между пустотами - не менее 26 мм).
Таблица 1
Тип плиты
Тип армирования
Основные размеры плиты, мм
Длина (L)
Ширина
1ПК
Арматура плит без предварительного напряжения
2380
990
1190
1490
2650
940
1190
1490
2980
990
1190
1490
3580
990
1190
1490
Арматура плит с предварительным напряжением
5650
940
1190
1490
5980
990
1190
1490
6280
990
1190
1490
6580
990
1190
1490
8980
1190
1490
Примечания
1 В качестве рядовых применяют плиты шириной 990, 1190, 1490 мм, а в качестве связевых - плиты шириной 940, 1190, 1490 мм.
2 Исключено с 01.09.2024. - Изменение N 1, введенное в действие Приказом Росстандарта от 18.07.2024 N 942-ст.
Таблица 2
Общий вид
Разрезы
1 Плита крайняя связевая типа 1ПК шириной 940 мм
2 Плита рядовая типа 1ПК шириной 990 мм
3 Плита рядовая типа 1ПК шириной 1190 мм
4 Плита связевая крайняя типа 1ПК шириной 1190 мм
5 Плита рядовая типа 1ПК шириной 1490 мм
6 Плита связевая крайняя типа 1ПК шириной 1490 мм
7 Плита связевая рядовая типа 1ПК шириной 1490 мм
Примечание - n - число шпонок (углублений) на продольной грани плиты.
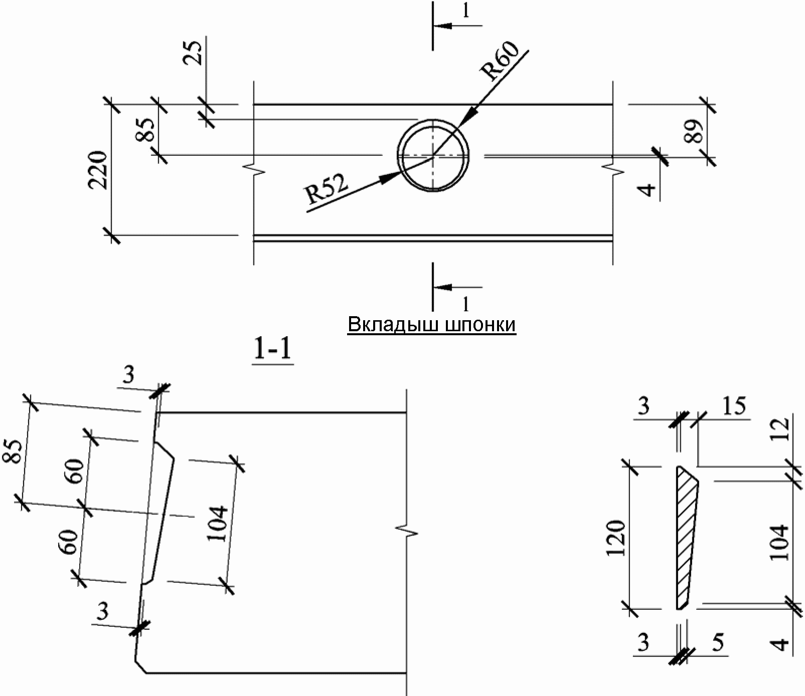
4.2.5 Плиты следует изготовлять с углублениями или пазами на боковых гранях для образования после замоноличивания прерывистых или непрерывных шпонок, обеспечивающих совместную работу плит перекрытий на сдвиг в горизонтальном и вертикальном направлениях.
Глубина пазов должна быть 14 - 16 мм. Пример углубления приведен на рисунке 1.
Рисунок 1 - Углубление на боковой поверхности плиты
4.2.6 Плиты следует изготовлять предварительно напряженными или без предварительного напряжения в зависимости от их длины (см. таблицу 1).
4.2.7 Плиты следует изготовлять с усиленными торцами. Усиление торцов достигается уменьшением поперечного сечения пустот на опорах или заполнением пустот бетоном или бетонными вкладышами (см. таблицу 2). При расчетной нагрузке на торцы плит в зоне опирания стен, не превышающей 1,67 МПа (17 кгс/см2), допускается применять плиты с неусиленными торцами.
Способы усиления и минимальные размеры заделок устанавливают в рабочих чертежах или указывают при заказе плит.
4.2.8 В случаях, предусмотренных рабочими чертежами конкретного здания (сооружения), плиты могут иметь закладные изделия, выпуски арматуры, местные вырезы, отверстия и другие дополнительные конструктивные детали.
4.2.9 Для подъема и монтажа плит применяют монтажные петли или специальные захватные устройства (рисунок 2), конструкция которых устанавливается в проектной документации. Расположение и размеры отверстий в плитах, предусмотренных для беспетлевого монтажа, принимают по чертежам, входящим в состав проектной документации захватного устройства для этих плит.
1 - многопустотная плита; 2 - внутренняя полость;
3 - подхватный элемент; 4 - фиксатор; 5 - упор
Рисунок 2 - Захватное устройство для строительных изделий
с внутренней полостью
4.2.10 Плиты обозначают марками в соответствии с требованиями ГОСТ 23009 с учетом приведенных ниже положений.
Марка плиты состоит из буквенно-цифровых групп, разделенных дефисами.
В первой группе указывают обозначение типа плиты, длину и ширину плиты в дециметрах, значения которых округляют до целого числа.
Во второй группе указывают:
- расчетную нагрузку на плиту в килопаскалях (килограмм-сила на квадратный метр) или порядковый номер плиты по несущей способности;
- класс стали напрягаемой арматуры (для предварительно напряженных плит);
- вид бетона (Л - легкий бетон; тяжелый бетон не обозначают).
В третьей группе при необходимости указывают дополнительные характеристики, отражающие особые условия применения плит (например, их стойкость к воздействию агрессивных газообразных сред, сейсмическим воздействиям), а также обозначения конструктивных особенностей плит (например, наличие дополнительных закладных изделий).
Примеры условных обозначений (марок):
- плиты типа 1ПК длиной 6580 мм (66 дм), шириной 1490 мм (15 дм), рассчитанной под расчетную нагрузку 6 кПа, изготовленной с напрягаемой арматурой класса А800 из легкого бетона:
1ПК 66.15-6А800Л ГОСТ 32499-2013
- то же, изготовленной из тяжелого бетона и предназначенной для применения в зданиях с расчетной сейсмичностью 7 баллов:
1ПК 66.15-6А800-С7 ГОСТ 32499-2013.
(п. 4.2.10 введен Изменением N 1, введенным в действие Приказом Росстандарта от 18.07.2024 N 942-ст)
4.3 Характеристики плит
4.3.1 Плиты должны удовлетворять установленным при проектировании требованиям по прочности, жесткости, трещиностойкости на этапах эксплуатации, транспортирования, хранения и при испытании их нагружением в случаях, предусмотренных рабочими чертежами, выдерживать контрольные нагрузки.
4.3.2 Плиты должны удовлетворять требованиям ГОСТ 13015:
- по показателям фактической прочности бетона (в проектном возрасте, передаточной и отпускной);
- по морозостойкости бетона, а для плит, эксплуатируемых в условиях воздействия агрессивной газообразной среды, - также по водонепроницаемости бетона;
- по средней плотности легкого бетона;
- по маркам сталей для арматурных и закладных изделий, в том числе монтажных петель;
- по толщине защитного слоя бетона;
- по защите от коррозии.
4.3.3 Несущую способность конкретной плиты (зависит от класса арматуры, вида и класса бетона) определяют при разработке проекта здания (сооружения) по действующим нормативным документам.
(п. 4.3.3 в ред. Изменения N 1, введенного в действие Приказом Росстандарта от 18.07.2024 N 942-ст)
4.4 Требования к материалам
4.4.1 Плиты следует изготовлять из тяжелого бетона средней плотности не менее 2200 кг/м3 по ГОСТ 26633 или конструкционного легкого бетона плотной структуры средней плотности не менее 1400 кг/м3 по ГОСТ 25820 классов по прочности на сжатие, указанных в рабочих чертежах этих плит.
Бетонные смеси для изготовления плит должны соответствовать требованиям ГОСТ 7473.
(абзац введен Изменением N 1, введенным в действие Приказом Росстандарта от 18.07.2024 N 942-ст)
4.4.2 В предварительно напряженных плитах усилия обжатия (отпуск натяжения арматуры) передают на бетон после достижения им требуемой передаточной прочности.
(в ред. Изменения N 1, введенного в действие Приказом Росстандарта от 18.07.2024 N 942-ст)
Нормируемая передаточная прочность бетона предварительно напряженных плит (прочность бетона к моменту его обжатия, контролируемая аналогично классу бетона по прочности на сжатие) устанавливается в зависимости от класса бетона, вида и класса напрягаемой арматурной стали, величины предварительного натяжения и назначается в рабочих чертежах на эти плиты, но принимается не менее 15 МПа и не менее 50% принятого класса бетона по прочности на сжатие.
4.4.3 Отпускная прочность бетона предварительно напряженных плит из тяжелого или легкого бетона для теплого периода года должна быть равна нормируемой передаточной прочности бетона, но не менее 70% прочности бетона на сжатие, соответствующей его классу.
При поставке этих плит в холодный период года или для обеспечения сохранности их при перевозке железнодорожным транспортом в теплый период года нормируемая отпускная прочность бетона может быть повышена (по согласованию между изготовителем и потребителем плит) до 85% прочности бетона на сжатие, соответствующей его классу.
4.4.4 Для плит, эксплуатируемых при слабо- и среднеагрессивной степени воздействия газообразной среды, следует применять бетон, удовлетворяющий требованиям, установленным проектной документацией (согласно действующим нормативным документам) и указаниям в заказе на изготовление плит.
4.4.5 Для армирования плит рекомендуется применять следующие виды и классы арматуры:
- в качестве напрягаемой арматуры - горячекатаную термомеханически упрочненную арматуру периодического профиля классов А600, А800 и А1000 (ГОСТ 34028), арматурные канаты классов К1400 и К1500 (ГОСТ 13840), высокопрочную холоднотянутую проволоку периодического профиля классов В1200, В1300, В1400, В1500 (ГОСТ 7348), а также по действующим в странах нормативным документам и технической документации;
(в ред. Изменения N 1, введенного в действие Приказом Росстандарта от 18.07.2024 N 942-ст)
- в качестве ненапрягаемой арматуры - стержневую арматуру классов А240, А400 (ГОСТ 5781) и проволоку класса В500 (ГОСТ 6727), а также по действующим в странах нормативным документам и технической документации.
(в ред. Изменения N 1, введенного в действие Приказом Росстандарта от 18.07.2024 N 942-ст)
--------------------------------
<1> Сноска исключена с 01.09.2024. - Изменение N 1, введенное в действие Приказом Росстандарта от 18.07.2024 N 942-ст.
4.4.6 Допускается в качестве напрягаемой арматуры плит применять арматуру класса А400, упрочненную вытяжкой, с контролем величины напряжения и предельного удлинения или контролем только величины удлинения (без контроля напряжения).
4.4.7 Значения напряжений в напрягаемой арматуре, контролируемые по окончании натяжения арматуры на упоры, должны соответствовать указанным в проектной документации.
Значения фактических отклонений напряжений в напрягаемой арматуре не должны превышать +/- 10%.
4.4.8 Монтажные петли следует изготовлять из гладкой арматурной стали класса А240 марок Ст3пс и Ст3сп (с категориями нормируемых показателей не ниже 2 по ГОСТ 535).
Арматурную сталь марки Ст3пс не допускается применять для монтажных петель плит, подъем и монтаж которых возможен при температуре воздуха ниже минус 40 °C.
(п. 4.4.8 введен Изменением N 1, введенным в действие Приказом Росстандарта от 18.07.2024 N 942-ст)
4.5 Требования к качеству поверхности и внешнему виду плит
4.5.1 Форма и размеры арматурных и закладных изделий и их положение в плитах должны соответствовать указанным в рабочих чертежах или стандартах на эти плиты и требованиям ГОСТ 23279 <1>.
(п. 4.5.1 в ред. Изменения N 1, введенного в действие Приказом Росстандарта от 18.07.2024 N 942-ст)
--------------------------------
<1> В Российской Федерации также действует ГОСТ Р 57997-2017 "Арматурные и закладные изделия сварные, соединения сварные арматуры и закладных изделий железобетонных конструкций. Общие технические условия".
(сноска введена Изменением N 1, введенным в действие Приказом Росстандарта от 18.07.2024 N 942-ст)
4.5.2 Сварные соединения арматуры и закладных изделий должны соответствовать требованиям ГОСТ 14098.
(п. 4.5.2 в ред. Изменения N 1, введенного в действие Приказом Росстандарта от 18.07.2024 N 942-ст)
4.5.3 Отклонения от номинальных размеров плит, указанных в рабочих чертежах, не должны превышать следующих значений:
- по длине плит - +/- 8 мм (при длине до 4 м) и +/- 10 мм (при длине свыше 4 м);
- по высоте плит - +/- 5 мм;
- по ширине плит - +/- 6 мм (при ширине до 2,5 м) и +/- 8 мм (при ширине свыше 2,5 м).
4.5.4 Отклонение от плоскостности лицевой нижней (потолочной) поверхности плиты при измерениях от условной плоскости, проходящей через три угловые точки плиты, не должно превышать 8 мм.
4.5.5 Отклонения от проектного положения стальных закладных изделий не должны превышать:
10 мм - в плоскости плиты;
5 мм - из плоскости плиты.
4.5.6 Требования к качеству бетонных поверхностей и внешнему виду плит (в том числе требования к допустимой ширине раскрытия технологических трещин) - по ГОСТ 13015 и настоящему стандарту.
4.5.7 Качество бетонных поверхностей плит должно удовлетворять требованиям, установленным для категорий:
- А3 - нижней (потолочной);
- А7 - верхней и боковых.
Примечание - По согласованию изготовителя с потребителем плит могут быть установлены вместо указанных следующие категории поверхностей:
- А2 - нижняя (потолочная), подготовленная под окраску;
- А4 - то же, подготовленная под оклейку обоями или декоративную отделку пастообразными составами, и верхняя, подготовленная под покрытие линолеумом;
- А6 - нижняя (потолочная), к которой не предъявляют требований по качеству отделки.
4.5.8 В бетоне плит, поставляемых потребителю, трещины не допускаются, за исключением усадочных и других поверхностных технологических трещин шириной не более 0,3 мм на верхней поверхности плит и не более 0,1 мм - на боковых и нижней поверхностях плит.
4.5.9 Обнажение арматуры не допускается, за исключением выпусков арматуры, а также концов напрягаемой арматуры, которые не должны выступать за торцовые поверхности плит более чем на 10 мм и должны быть защищены слоем цементно-песчаного раствора или антикоррозионным покрытием.
(в ред. Изменения N 1, введенного в действие Приказом Росстандарта от 18.07.2024 N 942-ст)
4.5.10 Антикоррозионное покрытие, вид и технические характеристики арматурных и закладных изделий должны соответствовать установленным в рабочих чертежах согласно ГОСТ 31384 и указанным в заказе на изготовление плит.
(п. 4.5.10 введен Изменением N 1, введенным в действие Приказом Росстандарта от 18.07.2024 N 942-ст)
4.6 Маркировка
Маркировка плит проводится по ГОСТ 13015. Маркировочные надписи и знаки следует наносить на боковые грани.
5 Приемка
5.1 Приемку и верификацию плит проводят в соответствии с требованиями ГОСТ 13015, ГОСТ 24297 и настоящего стандарта.
(п. 5.1 в ред. Изменения N 1, введенного в действие Приказом Росстандарта от 18.07.2024 N 942-ст)
5.2 Плиты принимают по данным входного, операционного и приемочного контроля, а также:
- по результатам периодических испытаний плиты принимают по показателям прочности, жесткости и трещиностойкости плит, морозостойкости бетона, пористости (объему межзерновых пустот) уплотненной смеси легкого бетона, а также по показателю водонепроницаемости бетона плит, предназначенных для эксплуатации в условиях воздействия агрессивной среды;
- по результатам приемо-сдаточных испытаний плиты принимают по показателям прочности бетона (классу бетона по прочности на сжатие, передаточной и отпускной прочностям), средней плотности легкого бетона, соответствию арматурных и закладных изделий рабочим чертежам, прочности сварных соединений, точности геометрических параметров, толщины защитного слоя бетона до арматуры, ширины раскрытия технологических трещин и категории бетонной поверхности.
5.3 Периодические испытания плит нагружением для контроля их прочности, жесткости и трещиностойкости проводят перед началом их массового изготовления и в дальнейшем - при внесении в них конструктивных изменений или при изменении технологии изготовления, а также в процессе серийного производства плит не реже одного раза в год.
Испытания плит нагружением в случае внесения в них конструктивных изменений или при изменении технологии изготовления допускается не проводить по согласованию с проектной организацией - разработчиком рабочих чертежей плит.
5.4 Документ о качестве плит, поставляемых потребителю, следует составлять по ГОСТ 13015.
Дополнительно в документе о качестве плит должна быть приведена марка бетона по морозостойкости, а для плит, предназначенных для эксплуатации в условиях воздействия агрессивной газообразной среды, - марка бетона по водонепроницаемости.
5.5 Плиты по показателям точности геометрических параметров, толщине защитного слоя бетона до арматуры, ширине раскрытия технологических трещин и категории бетонной поверхности следует принимать по результатам выборочного контроля.
5.6 Испытания бетона по показателю пористости (объему межзерновых пустот) уплотненной смеси легкого бетона следует проводить не реже одного раза в месяц.
6 Методы контроля
6.1 Испытание плит и оценку их прочности, жесткости и трещиностойкости следует проводить в соответствии с требованиями ГОСТ 8829, ГОСТ 16504 и рабочих чертежей на эти плиты.
6.2 Прочность бетона плит следует определять по ГОСТ 10180 на серии образцов, изготовленных из бетонной смеси рабочего состава по ГОСТ 10181 и хранившихся в условиях, установленных ГОСТ 18105.
При определении прочности бетона методами неразрушающего контроля фактические передаточную и отпускную прочности бетона на сжатие определяют ультразвуковым методом по ГОСТ 17624 или приборами механического действия по ГОСТ 22690. Допускается применение других методов неразрушающего контроля, предусмотренных стандартами на методы испытаний бетона.
6.3 Морозостойкость бетона плит следует определять ГОСТ 10060 или ультразвуковым методом по ГОСТ 26134 на серии образцов, изготовленных из бетонной смеси рабочего состава.
(в ред. Изменения N 1, введенного в действие Приказом Росстандарта от 18.07.2024 N 942-ст)
6.4 Водонепроницаемость бетона плит, предназначенных для эксплуатации в газообразных средах с агрессивной степенью воздействия, следует определять по ГОСТ 12730.0 и ГОСТ 12730.5 на серии образцов, изготовленных из бетонной смеси рабочего состава.
6.5 Среднюю плотность легкого конструкционного бетона следует определять по ГОСТ 12730.0 и ГОСТ 12730.1 или радиоизотопным методом по ГОСТ 17623.
6.6 Показатели пористости уплотненной смеси легкого бетона следует определять по ГОСТ 10181.
6.7 Методы контроля и испытаний сварных арматурных и закладных изделий следует принимать по ГОСТ 10922 <1>, ГОСТ 23858 или иным нормативным документам, действующим на территории государства - участника Соглашения, принявшего настоящий стандарт.
(в ред. Изменения N 1, введенного в действие Приказом Росстандарта от 18.07.2024 N 942-ст)
--------------------------------
<1> В Российской Федерации действует ГОСТ Р 57997-2017 "Арматурные и закладные изделия сварные, соединения сварные арматуры и закладных изделий железобетонных конструкций. Общие технические условия".
(сноска введена Изменением N 1, введенным в действие Приказом Росстандарта от 18.07.2024 N 942-ст)
6.8 Силу натяжения арматуры, контролируемую по окончании натяжения, следует измерять по ГОСТ 22362.
6.9 Размеры плит, отклонения от прямолинейности и плоскостности поверхностей плит, ширину раскрытия технологических трещин, размеры раковин, наплывов и околов бетона плит следует определять методами, установленными в ГОСТ 13015 и нормативных документах <1>, действующих на территории государства - участника Соглашения, принявшего настоящий стандарт.
(п. 6.9 в ред. Изменения N 1, введенного в действие Приказом Росстандарта от 18.07.2024 N 942-ст)
--------------------------------
<1> В Российской Федерации действуют ГОСТ Р 58939-2020 "Система обеспечения точности геометрических параметров в строительстве. Правила выполнения измерений. Элементы заводского изготовления", ГОСТ Р 58941-2020 "Система обеспечения точности геометрических параметров в строительстве. Правила выполнения измерений. Общие положения", ГОСТ Р 58944-2020 "Система обеспечения точности геометрических параметров в строительстве. Функциональные допуски".
(сноска введена Изменением N 1, введенным в действие Приказом Росстандарта от 18.07.2024 N 942-ст)
6.10 Положение арматурных и закладных изделий, а также толщину защитного слоя бетона до арматуры следует определять по ГОСТ 17625 и ГОСТ 22904.
7 Транспортирование и хранение
7.1 Транспортирование и хранение плит - по ГОСТ 13015 и настоящему стандарту.
Выбор транспортных средств проводят на стадии разработки проекта производства работ с учетом размеров плит, дальности перевозки и дорожных условий.
7.2 Плиты следует транспортировать и хранить уложенными в штабели в горизонтальном положении.
Высота штабеля плит должна быть не более 2,5 м. Расстояние между соседними штабелями должно быть не менее 0,2 м, ширина прохода между рядами штабелей - не менее 1 м.
На транспортных средствах допускается перевозка плит в наклонном или вертикальном положении.
(п. 7.2 в ред. Изменения N 1, введенного в действие Приказом Росстандарта от 18.07.2024 N 942-ст)
7.3 Подкладки под нижний ряд плит и прокладки между ними в штабеле следует располагать по одной вертикали вблизи монтажных петель. Ширину прокладки из древесины назначают с учетом прочности древесины на смятие. Толщина прокладки должна обеспечивать наличие зазора от верха монтажной петли не менее 20 мм.
(п. 7.3 в ред. Изменения N 1, введенного в действие Приказом Росстандарта от 18.07.2024 N 942-ст)
7.4 Закрепление плит при перевозке проводят с помощью стоек и связевых поперечных брусков, закрепленных двумя парами растяжек из проволоки диаметром 6 мм в шесть нитей. Верхний и нижний поперечные бруски прибивают к стойкам, нижний брусок, кроме того, к полу платформы четырьмя гвоздями длиной не менее 150 мм, как показано на рисунке 3.
1 - боковые стойки; 2 - прокладка; 3 - поперечные бруски;
4 - торцовые стойки; 5 - подкладка; 6 - увязка стоек;
7 - растяжка
Рисунок 3 - Размещение и крепление железобетонных плит
на платформе при перевозке их по железной дороге
7.5 Для транспортирования плит также используют специальные составы, вагоны которых оборудованы кассетами, сварными каркасами и контейнерами. Конструкция такого контейнера показана на рисунке 4.
Рисунок 4 - Схема контейнера для перевозки плит
7.6 При хранении и перевозке плит, особенно в предзимний и зимний периоды, следует предохранять их от попадания влаги в пустоты.
(п. 7.6 введен Изменением N 1, введенным в действие Приказом Росстандарта от 18.07.2024 N 942-ст)
8 Гарантии изготовителя
(раздел 8 введен Изменением N 1, введенным в действие Приказом Росстандарта от 18.07.2024 N 942-ст)
Изготовитель должен гарантировать соответствие поставляемых плит требованиям настоящего стандарта при соблюдении потребителем правил транспортирования, условий применения и хранения, установленных настоящим стандартом.
БИБЛИОГРАФИЯ
Раздел исключен с 01.09.2024. - Изменение N 1, введенное в действие Приказом Росстандарта от 18.07.2024 N 942-ст.
УДК 691.328:006.354
МКС 91.080.40
ОКСТУ 5842
Ключевые слова: многопустотная плита, перекрытие, покрытие, стендовое формование, технические условия, маркировка, методы контроля, транспортирование и хранение