Главная // Актуальные документы // ОДМ (Отраслевой дорожный методический документ)СПРАВКА
Источник публикации
М.: ФГБУ "Информавтодор", 2023
Примечание к документу
Документ рекомендован к применению с 18.02.2021
Распоряжением Росавтодора от 18.02.2021 N 586-р.
Название документа
"ОДМ 218.4.1.004-2021. Отраслевой дорожный методический документ. Рекомендации по обоснованию параметров и технологии строительства дорожных одежд с применением предварительно напряженных железобетонных покрытий"
(издан на основании Распоряжения Росавтодора от 18.02.2021 N 586-р)
"ОДМ 218.4.1.004-2021. Отраслевой дорожный методический документ. Рекомендации по обоснованию параметров и технологии строительства дорожных одежд с применением предварительно напряженных железобетонных покрытий"
(издан на основании Распоряжения Росавтодора от 18.02.2021 N 586-р)
дорожного агентства
от 18 февраля 2021 г. N 586-р
ОТРАСЛЕВОЙ ДОРОЖНЫЙ МЕТОДИЧЕСКИЙ ДОКУМЕНТ
РЕКОМЕНДАЦИИ
ПО ОБОСНОВАНИЮ ПАРАМЕТРОВ И ТЕХНОЛОГИИ СТРОИТЕЛЬСТВА
ДОРОЖНЫХ ОДЕЖД С ПРИМЕНЕНИЕМ ПРЕДВАРИТЕЛЬНО
НАПРЯЖЕННЫХ ЖЕЛЕЗОБЕТОННЫХ ПОКРЫТИЙ
ОДМ 218.4.1.004-2021
1 РАЗРАБОТАН Федеральным государственным бюджетным учреждением "Российский дорожный научно-исследовательский институт" (ФГБУ "РОСДОРНИИ") и закрытым акционерным обществом "Инновационные технологии в строительстве" (ЗАО "Инновационные технологии в строительстве").
Коллектив авторов: канд. техн. наук А.В. Леонтенко, инж. М.А. Петрова (ФГБУ "РОСДОРНИИ"), инж. С.В. Мурашов (ЗАО "Инновационные технологии в строительстве").
2 ВНЕСЕН Управлением научно-технических исследований и информационного обеспечения Федерального дорожного агентства.
3 ИЗДАН на основании
распоряжения Федерального дорожного агентства от 18.02.2021 N 586-р.
4 ИМЕЕТ РЕКОМЕНДАТЕЛЬНЫЙ ХАРАКТЕР.
5 ВВЕДЕН ВПЕРВЫЕ.
Настоящий отраслевой дорожный методический документ (далее - методический документ) устанавливает рекомендации по применению дорожных железобетонных плит с предварительно напряженной арматурой при строительстве дорог категорий IV и V с жестким покрытием.
В настоящем методическом документе использованы нормативные ссылки на следующие документы:
ГОСТ 1050-2013 Металлопродукция из нелегированных конструкционных качественных и специальных сталей. Общие технические условия
ГОСТ 4543-2016 Металлоконструкция из конструкционной легированной стали. Технические условия
ГОСТ 5931-70 Гайки шестигранные особо высокие класса точности А. Конструкция и размеры
ГОСТ 21924.1-84 Плиты железобетонные предварительно напряженные для покрытий городских дорог. Конструкция и размеры
ГОСТ 34028-2016 Прокат арматурный для железобетонных конструкций. Технические условия
ГОСТ Р 52748-2007 Дороги автомобильные общего пользования. Нормативные нагрузки, расчетные схемы нагружения и габаритные приближения
СП 34.13330.2021 Автомобильные дороги (актуализированная редакция СНиП 2.05.02-85)
СП 63.13330.2018 Бетонные и железобетонные конструкции. Основные положения (актуализированная редакция СНиП 52-01-2003)
Примечание - При пользовании настоящим методическим документом целесообразно проверить действие ссылочных стандартов в информационной системе общего пользования - на официальном сайте Федерального агентства по техническому регулированию и метрологии в сети Интернет или по ежегодному информационному указателю "Национальные стандарты", который опубликован по состоянию на 1 января текущего года, и по соответствующим ежемесячным информационным указателям, опубликованным в текущем году. Если ссылочный стандарт заменен (изменен), то при пользовании данным методическим документом следует руководствоваться заменяющим (измененным) стандартом. Если ссылочный стандарт отменен без замены, то положение, в котором дана ссылка на него, применяется в части, не затрагивающей эту ссылку.
В настоящем методическом документе применены следующие термины с соответствующими определениями:
3.1 предварительно напряженные железобетонные плиты (ПНЖП): Плиты заводского изготовления, в которых натянутая вдоль длинных сторон тросовая арматура после твердения бетона обжимает плиту и повышает ее механические характеристики.
3.2 метод постнапряжения плит (Post-Tensioned Slabs): Соединение тросовой арматурой ПНЖП поперек преднапряженной арматуры с последующим обжатием этих плит и созданием фактически непрерывно армированного жесткого покрытия.
3.3 ортотропное обжатие пакетов ПНЖП: Стягивание тросовой арматурой нескольких (пакет из пяти-шести штук) плит без сцепления с бетоном поперек преднапряженной арматуры, которое дает ортотропное (перпендикулярное) обжатие этих пакетов плит и участка дороги.
3.4 покрытие: Верхняя часть дорожной одежды, воспринимающая непосредственно усилия от колес автомобилей, подвергающаяся непосредственному воздействию атмосферных факторов.
3.5 основание дорожной одежды: Несущая часть дорожной одежды, обеспечивающая совместно с покрытием перераспределение и снижение давления на расположенные ниже дополнительные слои основания или грунт земляного полотна.
3.6 искусственное укрепленное основание: Конструктивный слой, расположенный под покрытием, обеспечивающий совместно с покрытием перераспределение и снижение давления на нижележащие дополнительные слои или грунт земляного полотна, а также слой из обработанных вяжущим материалов, для которых нормировано расчетное сопротивление растяжению при изгибе.
3.7 жесткое покрытие: Покрытие, работающее под нагрузкой как плита на упругом основании, к таким покрытиям относятся покрытия из монолитного железобетона или железобетонных плит.
3.8 жесткое железобетонное покрытие: Армированное цементобетонное покрытие, в котором определяют необходимую площадь сечения арматуры расчетом на прочность и ширину раскрытия трещин.
3.9 предельное состояние: Состояние конструкции, при наступлении которого она становится неспособной сопротивляться внешним воздействиям или получает недопустимые по условиям эксплуатации повреждения.
3.10 нормативная нагрузка: Установленный нормами вес транспортного средства или категория.
3.11 расчетная нагрузка: Установленное значение нагрузки для расчета дорожной одежды, учитывающее условия эксплуатации и конфигурацию шасси транспортного средства или категорию.
3.12 расчетный изгибающий момент: Внутреннее усилие в сечении плиты покрытия, вызванное внешней силовой нагрузкой.
3.13 предельный изгибающий момент: Предельное значение внутреннего усилия в сечении плиты покрытия, вызванное внешней силовой нагрузкой, при которой наступает предельное состояние.
В настоящем методическом документе приведены определения, их условные обозначения и размерности в соответствии с
методикой [1] (таблица 1).
Таблица 1
Определения и их условные обозначения
Наименование определения | Условное обозначение | Размерность |
1 | 2 | 3 |
Толщина однослойного покрытия | t | м |
Толщина верхнего слоя двухслойного покрытия | tsup | м |
Толщина нижнего слоя двухслойного покрытия | tinf | м |
Толщина слоя искусственного неукрепленного основания | ti | м |
Толщина слоя искусственного укрепленного основания | tf | м |
Расчетный изгибающий момент на единицу ширины сечения для однослойного покрытия | md | |
Предельный изгибающий момент на единицу ширины сечения для однослойного покрытия | mu | |
Расчетный изгибающий момент на единицу ширины сечения для верхнего слоя двухслойного покрытия | md, sup | |
Предельный изгибающий момент на единицу ширины сечения для верхнего слоя двухслойного покрытия | mu, sup | |
Расчетный изгибающий момент на единицу ширины сечения для нижнего слоя двухслойного покрытия | md, inf | |
Предельный изгибающий момент на единицу ширины сечения для нижнего слоя двухслойного покрытия | mu, inf | |
Максимальный изгибающий момент при центральном загружении плиты | mc, max | |
Единичный изгибающий момент от действия колеса, центр отпечатка которого совпадает с расчетным сечением | | - |
Единичный изгибающий момент, создаваемый действием i-го колеса, расположенного за пределами расчетного сечения | | - |
Динамическая нагрузка от одного колеса основной опоры | Fd | МН |
Давление в шине колеса основной опоры | Pa | МПа |
Количество основных опор | Nо | - |
Количество колес на основной опоре | Nk | - |
Среднесуточная интенсивность движения | Nc | - |
Радиус круга, равновеликого площади отпечатка колеса основной опоры | Re | м |
Приведенный радиус круга, равновеликого площади отпечатка колеса основной опоры | | - |
Цилиндрическая жесткость плиты однослойного покрытия | B | |
Цилиндрическая жесткость плиты верхнего слоя двухслойного покрытия | Bsup | |
Цилиндрическая жесткость плиты нижнего слоя двухслойного покрытия | Binf | |
Цилиндрическая жесткость укрепленного основания | Bf | |
Упругая характеристика плиты | | м |
Класс бетона по прочности на растяжение при изгибе однослойного покрытия | Btb | - |
Класс бетона по прочности на растяжение при изгибе верхнего слоя двухслойного покрытия | Btb, sup | - |
Класс бетона по прочности на растяжение при изгибе нижнего слоя двухслойного покрытия | Btb, inf | - |
Модуль упругости материала плиты однослойного покрытия | Eb | МПа |
Модуль упругости материала плиты верхнего слоя двухслойного покрытия | Eb, sup | МПа |
Модуль упругости материала плиты нижнего слоя двухслойного покрытия | Eb, inf | МПа |
Эквивалентный коэффициент постели однородного массива | Kse | |
Коэффициент постели i-го слоя | Ksi | |
Коэффициент динамичности | kd | - |
Коэффициент разгрузки | | - |
Коэффициент загрузки основной опоры | Kо | - |
Переходной коэффициент от изгибающего момента при центральном загружении к моменту при краевом загружении: | | |
для однослойных покрытий | K | - |
двухслойных покрытий с совмещенными швами | K' | - |
двухслойных покрытий с несовмещенными швами | K1 | - |
Условный диаметр круга передачи нагрузки на основание | Dr | м |
Ширина раскрытия трещин в расчетном сечении плиты | | мм |
Коэффициент условий работы | | - |
Площадь сечения арматуры железобетонного покрытия соответственно в верхней и нижней зонах | As, sup, As, inf | |
Расчетное сопротивление растяжению арматурной стали | Rs | МПа |
Коэффициент армирования | | - |
Процент армирования | | % |
Расстояние между трещинами в железобетонной плите | ac | м |
Модуль упругости арматурной стали | Es | МПа |
5.1 Настоящий методический документ распространяется на автомобильные дороги категорий VI и V, подъездные и технологические дороги к промышленным предприятиям, межмуниципальные и внутрихозяйственные сельские дороги в I - II дорожно-климатических зонах с покрытиями из сборных ПНЖП без защитного слоя какого-либо вида. Такое дорожное покрытие целесообразно применять при строительстве дорог в северных и труднодоступных районах, в том числе на нефтяных и газовых промыслах и технологических дорогах вдоль трубопроводов.
5.2 Проектирование жестких дорожных одежд из сборных ПНЖП должно учитывать свойства земляного полотна и представляет собой единый процесс конструирования и расчета их совместной работы на прочность, деформативность, морозоустойчивость и дренирующую способность. Проектированию, конструированию и расчету посвящены соответствующие разделы настоящего методического документа.
5.3 В разделах этого документа даны основные положения для обоснования параметров и технологии строительства жестких дорожных одежд из ПНЖП: при выборе их минимально необходимой толщины, швов сжатия и расширения в покрытии, их конструкции, предельных расстояний между швами, материалов для устройства основания и назначения его минимальной толщины.
5.4 В расчетной части данного методического документа определены расчетные и нормативные нагрузки, размеры основных конструктивных элементов (толщина плит и слоев основания, армирование плит) для различных видов покрытий, категорий дорог, величин транспортных нагрузок, грунтовых и природно-климатических условий.
Расчетом находят рациональные варианты конструкции по ряду показателей технико-экономического сравнения, а также конструкции дренирующих и морозозащитных слоев.
5.5 Расчетный срок службы при выборе конструкции дорожной одежды и расчетных параметров конструктивных слоев устанавливают не менее 25 лет или менее 25 лет, но с учетом работы в раннем возрасте на воздействие построечного транспорта. Для определения приведенной стоимости при вариантном проектировании руководствуются сроками службы, вытекающими из долговечности материала верхнего слоя покрытия, которые для дорожных одежд капитального типа с цементобетонным покрытием составляют не менее 25 лет. Допускается проектировать конструкции на длительную перспективу по технико-экономическим обоснованиям со сроком службы 50 лет.
5.6 Существенное увеличение долговечности (не менее чем на 10 лет) может быть осуществлено за счет применения высокопрочных бетонов с повышением их класса и ортотропного обжатия плит путем использования современных способов преднапряжения и постнапряжения без сцепления с бетоном тросовой металлической арматуры. Все инновационные изменения основных параметров должны быть направлены на увеличение сроков службы покрытия.
6 Применение железобетонного покрытия в жестких дорожных одеждах
6.1 Выбор конструкции основания
При выборе конструкции дорожной одежды, а также материалов основания, количества слоев и их размещения по глубине необходимо:
- стремиться к уменьшению количества слоев;
- обеспечивать соответствие конструкции дорожной одежды технологии ее строительства, наибольшую механизацию работ, а также проезд построечного транспорта по основанию;
- учитывать категорию дороги, состав транспортного потока, интенсивность движения, напряженное состояние и механизм деформирования отдельных слоев и конструктивных элементов;
- устанавливать срок службы покрытия и всей дорожной одежды до капитального ремонта;
- учитывать природно-климатические и гидрогеологические условия местности и предполагать максимальное использование местных строительных материалов;
- предусматривать условия и возможность дальнейшего поэтапного усиления, уширения и повышения капитальности автомобильной дороги.
В дорожных одеждах различают следующие конструктивные слои:
- покрытие - верхняя часть дорожной одежды, воспринимающая усилия от колес автомобилей и подвергающаяся непосредственному воздействию атмосферных факторов;
- основание - часть дорожной одежды, обеспечивающая совместно с покрытием перераспределение и снижение давления на нижележащие дополнительные слои или грунт земляного полотна;
- дополнительные слои основания - слои между основанием и грунтом земляного полотна. Дополнительные слои основания выполняют морозозащитную, дренирующую и теплоизолирующую функции.
На
рисунке 1 представлен разрез дороги категории IV.
1 - покрытие; 2 - нижний слой основания;
3 - земляное полотно; 4 - краевая укрепительная полоса;
5 - неукрепленная часть обочины; 6 - откос
Рисунок 1 - Поперечный разрез типовой дорожной одежды
с однослойным покрытием дороги категории IV
Между покрытием и основанием при необходимости укладывают выравнивающий слой из обработанных вяжущим зернистых материалов, который в качестве конструктивного слоя одежды не рассматривается и в расчетах не учитывается.
Выравнивающий слой предназначен для устранения неровностей основания и обеспечения ровности слоев покрытия и возможности перемещения плит покрытия при изменении температуры.
В зависимости от категории дороги, устойчивости верхней части земляного полотна и способности его накапливать пластические или неравномерные деформации основание устраивают из нерудных материалов и грунтов, укрепленных неорганическим вяжущим, из щебня, шлака или гравия либо из песка. Толщину и вид основания определяют расчетом. При низкой интенсивности движения допускается при соответствующем технико-экономическом обосновании устройство покрытия из дорожных плит на песчаном основании, выполняющем одновременно роль дренажного и морозозащитного слоя.
Дополнительный слой основания устраивают из дренирующих, не подверженных пучению материалов (песка, шлака, высевок, ракушечника и пр.). Этот слой должен иметь водослив - сплошные или прерывистые выходы дренирующего материала на откосы земляного полотна и нижнюю плоскость (поверхность земляного полотна) с поперечным уклоном. Для улучшения водоотвода можно применять геотекстиль в виде сплошного или прерывистого слоя. Для уменьшения подтока влаги снизу следует предусматривать прерывающие прослойки из синтетических пленок. При небольшой интенсивности движения дополнительный слой основания может одновременно выполнять роль основания и выравнивающего слоя.
Основания под жесткие покрытия (в том числе ПНЖП) могут быть различных типов
(рисунок 2) [2].
1 - песчаное основание; 2 - то же, со слоем геотекстиля;
3 - песчаное, в том числе с геотекстилем, прокладками
под углами и торцами плит; 4 - цементогрунтовое;
5 - песчаное с продольными полосами из цементогрунта
или сухой цементопесчаной смеси; 6 - основание из сухой
цементопесчаной смеси; 7 - то же, из шлака или шлама;
8 - то же, из нефтегрунта, нефтецементогрунта или грунта
с добавкой отработанных буровых растворов; 9 - то же,
из сборных, в том числе некондиционных плит
Рисунок 2 - Виды оснований под жесткое покрытие
из дорожных плит
6.2 Выбор конструкции покрытия
При проектировании жестких покрытий допускается [
1,
2] устройство однослойного, многослойного и однослойного железобетонного покрытия на укрепленном основании
(рисунок 3).
а - железобетонное покрытие с дренирующим основанием;
б - то же, без дренирующего основания; 1 - железобетонное
покрытие; 2 - разделяющая прослойка; 3 - укрепленное
основание; 4 - дренирующее основание; t, ti, tf - толщина
соответственно однослойного покрытия, слоев искусственно
неукрепленного и укрепленного основания
Рисунок 3 - Конструктивный разрез железобетонного покрытия
на укрепленном основании
Жесткие покрытия представляют собой слоистую систему, включающую собственно покрытие, конструктивные слои искусственных оснований и естественный грунт. Покрытие может быть:
- бетонным, не имеющим армирования;
- армобетонным - покрытие из цементобетона, армированного сеткой, расположенной на расстоянии от дневной поверхности, равном от 1/3 до 1/2 толщины плиты; процент армирования

(степень насыщения бетона арматурой) определяется температурными напряжениями и находится в пределах от 0,10 до 0,15. При толщине плиты до 0,3 м их армируют сетками из стержневой арматуры диаметром от 10 до 14 мм, при толщине плит свыше 0,3 м - диаметром от 14 до 18 мм. Шаг стержней продольной арматуры в сетках принимают по расчету в зависимости от процента армирования

. Поперечное армирование - конструктивное; расстояние между поперечными стержнями принимают равным 0,40 м;
- железобетонным - покрытие, в котором необходимую площадь арматуры определяют расчетом на эксплуатационную нагрузку. Рабочую арматуру располагают в двух уровнях по сечению плиты. Процент армирования

должен быть от 0,25 до 0,40. Для армирования железобетонных покрытий с ненапрягаемой арматурой применяют сварные каркасы из арматуры диаметром от 12 до 18 мм или сварные сетки из арматуры диаметром от 5 до 18 мм, расстояние между стержнями назначают в зависимости от требуемой площади арматуры и принятого диаметра стержней от 0,10 до 0,30 м. Для армирования железобетонных покрытий с напрягаемой арматурой применяют металлические тросы диаметром от 5 до 16 мм.
Армирование железобетонных плит следует выполнять в соответствии со схемами, приведенными на
рисунках 4 и
5, и рекомендациями
таблицы 2.
а, в - для положительных изгибающих моментов;
б, г - для отрицательных изгибающих моментов;
а, б - при ширине плиты до 10 м; в, г - при ширине плиты
более 10 м;

- упругая характеристика плиты
(в кружках дан номер зоны плиты)
Рисунок 4 - Схемы деления железобетонных плит
на зоны армирования
Рисунок 5 - Номограмма определения поправочного коэффициента
к значению процента армирования зоны плиты
Таблица 2
Значение процента армирования

участков плит
железобетонного покрытия
| Значение процента армирования  участков плит железобетонного покрытия |
Продольное направление | Поперечное направление |
1 | 2 | 3 |
Центральные зоны плиты |
1 | | |
8 | | |
Угловые зоны плиты |
2 | | |
3 | | |
9 | | |
10 | | |
11 | | |
12 | | |
Краевые зоны по короткой стороне плиты |
4 | | |
5 | | |
13 | | |
14 | | |
Краевые зоны по длинной стороне плиты |
6 | | |
7 | | |
21 | | |
22 | | |
27 | | |
28 | | |
29 | | |
30 | | |
Промежуточные зоны по короткой стороне плиты |
15 | | |
16 | | |
23 | | |
24 | | |
25 | | |
26 | | |
Промежуточные зоны по длинной стороне плиты |
17 | | |
18 | | |
19 | | |
20 | | |
31 | | |
32 | | |
Вид и класс арматуры, характеристики арматурных сталей надлежит устанавливать в соответствии с требованиями
ГОСТ 34028-2016 и в зависимости от вида покрытия, назначения арматуры, температурных условий, технологии приготовления арматурных элементов и способов их использования (ненапрягаемая и (или) напрягаемая арматура). В качестве ненапрягаемой арматуры в сварных сетках и каркасах следует применять холоднодеформированную периодического профиля классов В500 (Вр-I, В500С), горячекатаную и термомеханически упрочненную арматуру периодического профиля классов А300 (А-II), А400 (А-III, А400С), А500.
В качестве монтажной, распределительной и конструктивной арматуры, а также для элементов стыковых соединений следует использовать горячекатаную арматурную сталь гладкую класса А240 (А-I) и обыкновенную арматурную гладкую проволоку класса В-I. Основные характеристики арматуры следует назначать в соответствии с
таблицей 3.
Таблица 3
Класс арматуры | Диаметр, мм | Площадь сечения стержня A1, м2 | Модуль упругости Es, МПа | Расчетное сопротивление растяжению Rs, МПа |
Стержневая горячекатаная |
А240 | 6 - 40 | От 0,283 до 12,570 | 2,0 x 105 | 215 |
А300 | 10 | 7,854 x 10-5 | 2,0 x 105 | 270 |
12 | 1,131 x 10-4 |
14 | 1,539 x 10-4 |
16 | 2,011 x 10-4 |
18 | 2,545 x 10-4 |
А400 | 10 | 7,854 x 10-5 | 2,0 x 105 | 355 |
12 | 1,131 x 10-4 |
14 | 1,539 x 10-4 |
16 | 2,011 x 10-4 |
18 | 2,545 x 10-4 |
А500 | 10 | 7,854 x 10-4 | 2,0 x 105 | 435 |
12 | 1,131 x 10-4 |
14 | 1,539 x 10-4 |
16 | 2,011 x 10-4 |
18 | 2,545 x 10-4 |
Холоднодеформированная периодического профиля |
В500 | 3 | 0,7069 x 10-5 | 2,0 x 105 | 415 |
4 | 1,257 x 10-5 |
5 | 1,964 x 10-5 |
6 | 2,827 x 10-5 |
8 | 5,027 x 10-5 |
10 | 7,854 x 10-5 |
12 | 1,131 x 10-4 |
В качестве арматуры железобетонных конструкций, устанавливаемой по расчету, рекомендуется преимущественно применять:
- арматуру периодического профиля классов А500 и А400;
- арматуру периодического профиля класса В500 в сварных каркасах и сетках.
В конструкциях покрытий, эксплуатируемых в районах с расчетной зимней температурой ниже -30 °C, не допускается использование арматуры класса А300 марки стали Ст5пс диаметром 18 - 40 мм, а также класса А240 марки стали Ст3кп. Прочие виды и классы арматуры допускается применять без ограничений.
6.3 Обоснование применения дорожных плит с предварительно напряженной арматурой в качестве жесткого покрытия
В качестве жесткого железобетонного покрытия хорошо известно использование дорожных плит с предварительно напряженной арматурой, которые в настоящее время применяются в основном на дорогах категорий IV и V и технологических дорогах без покрытия асфальтобетоном.
Проектирование дорожных одежд из ПНЖП, как правило, основывается на применении типовых плит в соответствии с
ГОСТ 21924.1-84. Также при этом учитывается выбранная конструкция основания и промежуточных слоев, особенности работы покрытия и стыковых соединений.
Типовые ПНЖП проектируют с учетом возможности их изготовления на одном и том же оборудовании для возможно большего количества сходных расчетных случаев, а в некоторых вариантах и с обеспечением возможности успешной работы при отклонениях от расчетной жесткости основания в меньшую сторону. Плиты проектируют после их опытно-производственной проверки, элементы типовых плит (стыки, надрезы) - после экспериментально-опытной проверки с учетом особенностей технологии изготовления плит и их элементов.
Разработку и применение новых конструкций плит производят с учетом опыта эксплуатации аналогичных конструкций при соответствующем технико-экономическом обосновании. Минимальные размеры плит в плане определяют из условия обеспечения устойчивости основания под торцами плит, с учетом или без учета работы стыковых соединений, максимальные размеры - из условия работы плит на монтажные нагрузки.
При строительстве нефтепромысловых и промышленных дорог с интенсивностью движения более 1000 авт./сут целесообразно использовать ПНЖП длиной 6 м и шириной 2 м.
Для внутрихозяйственных и вспомогательных дорог применимы ПНЖП шириной 2 м, но меньшей длины. Плиты могут изготовляться в заводских условиях по обычной технологии, а также на полигоне вблизи строительства дороги без пропаривания и металлоемкого оборудования с использованием специальных самоуплотняющихся бетонных смесей.
Для подъема плит должны предусматриваться монтажные закладные элементы. С этой целью взамен специально устраиваемых монтажных петель могут быть использованы монтажно-стыковые скобы
(рисунок 6).
1 - анкерные стержни диаметром 10 мм,

;
2 - совмещенная стыковочная и монтажная
скоба диаметром 20 мм,

(размеры даны в миллиметрах)
Рисунок 6 - Конструкция стыкового соединения
с совмещенной (стыковой и монтажной) скобой для ПНЖП
Стыковые соединения ПНЖП, как правило, осуществляются традиционным методом сварки монтажных скоб
(рисунок 7).
а - соединение из свариваемых скоб прочностью стыков 20 кН;
б - то же, с увеличением сечения сварного шва прочностью
40 кН; в - то же, из скоб, соединяемых двумя промежуточными
шпунтовыми элементами с омоноличиванием раствором,
прочностью 70 кН; г - то же, несвариваемое из трех скоб,
прочностью 70 кН; д - то же, из скобы и паза в бетоне
соседней плиты, прочностью 60 - 70 кН; е - то же,
из свариваемых пластин, имеющих анкерные стержни,
прочностью 130 кН при податливости 2 мм
Рисунок 7 - Основные соединения скоб
на поперечных торцах плит
Плиты можно укладывать не вдоль, а поперек дороги - это в первую очередь эффективно для дорог категорий IV и V, где ширина дороги будет соответствовать длине одной плиты 6,0 и 4,5 м. На
рисунке 8 показан вариант дороги категории IV, на которой цементобетонное покрытие является финишным. Стыковочно-монтажные плиты соединены традиционным методом.
1 - монтажно-стыковой элемент П1;
2 - скоба стыковая Ск1
(размеры даны в миллиметрах)
Рисунок 8 - Поперечная укладка ПНЖП
В настоящее время в развитых странах большое распространение получил метод постнапряжения плит (Post-Tensioned Slabs), являющийся перспективным направлением в жестких дорожных одеждах. Его особенность - поперечное постнапряжение ПНЖП, которое осуществляют посредством их стягивания металлическими тросами через специальные каналы, расположенные поперек плиты без сцепления с бетоном. Для этого в конструкции обычной ПНЖП необходимо перед укладкой бетонной смеси заложить поперечные ПВХ-трубки (четыре-пять штук) диаметром 15 - 20 мм. После гидратации и твердения бетонной смеси внутри плиты образуются поперечные сквозные каналы, которые предназначены для стягивания плит тросами при монтаже
(рисунок 9).
1 - поперечные сквозные каналы;
2 - продольная преднапряженная арматура;
3 - шпунтованные боковые грани (торцы) плит
Рисунок 9 - Дорожная плита с каналами
для технологии постнапряжения
Конструкция самой плиты при этом и ее армирование остаются прежними. На боковых пазо-гребневых гранях плит с монтажными скобами или без них добавляются выходы сквозных каналов, в которых могут быть фитинги (выемки) для утапливания анкерных узлов. Такие выемки делаются не на всех плитах, а только на каждой пятой, так называемой переходной, на которой фиксируются анкеры для стягивания в пакет этих пяти плит.
7 Расчет жестких дорожных одежд
7.1 Нормативные и расчетные нагрузки
Согласно существующему положению о расчете дорожных одежд с цементобетонным покрытием, расчет покрытий автомобильных дорог ведется от нагрузки на колесо автомобиля или прицепа (часто наиболее нагруженного колеса задней оси) или другого колесного средства. В качестве расчетной схемы нагружения конструкции колесом автомобиля принимается гибкий круговой штамп, передающий равномерно распределенную нагрузку.
Таблица 4
Нормативные нагрузки на дороги категорий IV и V
Нормативная нагрузка, МН, в зависимости от категории дороги |
Категория | IV | V |
Нагрузка | 0,100 | 0,060 |
В процессе эксплуатации покрытия автомобильных дорог подвергаются воздействию транспортного потока, состоящего из различных автомобилей и автопоездов, отличающихся назначением, грузоподъемностью, количеством осей и нагрузкой на колесо или ось. Учет характера действующей нагрузки осуществляется через принятие соответствующих расчетных характеристик, а также через введение коэффициента динамичности при назначении величины нагрузки.
В связи с тем что транспортный поток неоднороден, транспортные средства разделяют на группы по грузоподъемности
[2], в каждой из которых выделяют расчетный автомобиль. Для каждого колеса осей расчетного автомобиля в группе определяют коэффициент приведения номинальной динамической нагрузки S
n по формуле

(1)
где Qдн - номинальная динамическая нагрузка от колеса на покрытие, МН,
Qдн = QнKдин; (2)
Qд расч - расчетная динамическая нагрузка от колеса на покрытие, МН;

- минимальный показатель степени, принимаемый для жестких дорожных одежд равным 4,4;
Qн - номинальная статическая нагрузка на колесо данной оси по паспортным данным на транспортное средство, МН;
K
дин - коэффициент динамичности, принимаемый по
таблице 5 в зависимости от осевой массы автомобиля.
Таблица 5
Осевая масса автомобиля, МН | 0,02 | 0,04 | 0,06 | 0,08 | 0,10 | 0,12 |
Kдин | 1,60 | 1,30 | 1,15 | 1,08 | 1,06 | 1,04 |
При нахождении расчетного значения номинальной статической нагрузки для многоосных автомобилей фактическую номинальную нагрузку на колесо, определяемую по паспортным данным, следует умножать на коэффициент Kс, вычисляемый по формуле

(3)
где Бт - расстояние между крайними осями тележки, м;
a, b, c - параметры, определяемые в зависимости от числа осей тележки по
таблице 6.
Таблица 6
Параметры тележки автомобиля
Тележки | Параметры |
a | b | c |
Двухосные | 1,7 | 0,43 | 0,5 |
Трехосные | 2,0 | 0,46 | 1,0 |
Расчетную динамическую нагрузку Qд расч определяют как произведение нормативной нагрузки в зависимости от категории автомобильной дороги на коэффициент динамичности
Qд расч = QнормKдин, (4)
где Qнорм - нормативная нагрузка на колесо, МН.
Суммарный коэффициент приведения Sm_сум от рассматриваемого расчетного автомобиля в группе к расчетной нагрузке определяют как сумму числа осей по формуле

(5)
где n - число осей у расчетного транспортного средства.
Значения основных нормативных нагрузок при расчете армированных цементобетонных покрытий автомобильных дорог на укрепленных основаниях следует принимать в соответствии с
таблицами 7 и
8.
Таблица 7
Параметры нормативной нагрузки для дорог категорий IV и V
Класс нагрузки | Категория автомобильной дороги | | Расчетная нагрузка на колесо Fd, МН | Давление в шине Pa, МПа | Расчетная схема |
АК | IV | 0,10 | 0,065 | 0,6 | |
V | 0,06 | 0,039 |
Таблица 8
Параметры нагрузок транспортных средств
Транспортное средство | Расчетная нагрузка на колесо Fd, МН | Давление в шине Pa, МПа | Колея шасси a, м | Колея колес at, м | База колес bt, м | Расчетная схема |
ЗИЛ-640900 | 0,02195 | 0,64 | 1,850 | 0,286 | 1,40 | |
КрАЗ-6133М6 | 0,03479 | 0,58 | 2,070 | 0,295 | 1,40 |
КрАЗ-65055 | 0,03577 | 0,58 | 1,840 | 0,330 | 1,40 |
МАЗ-642290-2122 | 0,02868 | 0,65 | 2,032 | 0,234 | 1,40 |
КамАЗ-55102 | 0,01788 | 0,59 | 1,856 | 0,232 | 1,32 |
TATRA-T815-25-S01 | 0,03693 | 0,83 | 1,994 | 0,253 | 1,32 |
Урал-IVECO-63291 | 0,04112 | 0,76 | 1,823 | 0,219 | 1,39 |
DAF-FTGXF95 | 0,03068 | 0,85 | 1,800 | 0,300 | 1,32 |
Mercedes-Benz-Actros 3353S | 0,04743 | 0,83 | 2,035 | 0,227 | 1,35 |
IVECO Eurotrakker MP 720E42TH | 0,04781 | 0,85 | 1,823 | 0,219 | 1,38 |
7.2 Общие положения расчета
7.2.1 Жесткие дорожные одежды рассчитывают по предельным состояниям, определяющим пределы работоспособности того или иного элемента конструкции, на основании расчетных схем, используя нормируемые расчетные параметры (
приложения А,
Б,
В). Расчет выполняют с учетом состава транспортного потока, перспективной интенсивности движения к концу срока службы, грунтовых и природно-климатических условий.
Расчет производят в следующих случаях:
- при проектировании дорожных одежд;
- определении возможности разового пропуска тяжелых нагрузок по существующему покрытию;
- выявлении рациональности новых конструктивных или технологических решений.
7.2.2 Расчетными предельными состояниями жестких железобетонных покрытий являются предельные состояния по прочности и раскрытию трещин
[1]. Расчет ведется путем проверок предварительно назначенной конструкции дорожной одежды и сравнения ее результатов с предельными состояниями. Расчетом определяются толщины покрытия и слоев основания.
7.2.3 Исходные данные для расчета дорожной одежды включают:

параметры:
- дороги (категория, ширина проезжей части, срок службы дорожной одежды до капитального ремонта),
- движения (интенсивность, нагрузка),
- земляного полотна и условия его работы (тип местности, разновидности грунтов, уровень грунтовых вод);

дорожно-климатическую зону расположения участков дороги.
7.2.4 Жесткие дорожные одежды рассчитывают с учетом уровня надежности (вероятности безотказной работы конструкции в течение намеченного срока эксплуатации), принимаемого в соответствии с
таблицей 9.
Таблица 9
Уровень надежности дорожной одежды
Интенсивность расчетной нагрузки, ед./сут | Уровень надежности | Коэффициент прочности |
Более 1000 | 0,95 | 1,00 |
500 - 1000 | 0,90 | 0,94 |
Менее 500 | 0,80 | 0,87 |
7.2.5 В качестве расчетной схемы нагружения конструкции колесом автомобиля принимается гибкий круговой штамп, передающий равномерно распределенную нагрузку. Величины расчетного удельного давления колеса покрытия и расчетного диаметра, приведенного к кругу отпечатка расчетного колеса на поверхности покрытия, назначают с учетом параметров расчетных типов автомобилей.
В качестве расчетного типа используют наиболее тяжелый автомобиль из систематически обращающихся по дороге, доля которых составляет не менее 10% (с учетом перспективы изменения состава движения к концу межремонтного срока).
При расчете армированных покрытий на прочность многоколесную нагрузку располагают в центре плиты так, чтобы было создано самое невыгодное загружение
(рисунок 10).
Рисунок 10 - Расчетная схема загружения покрытия
четырехколесной нагрузкой
Расчетным колесом является колесо, расположенное в центре плиты. Нагрузка от расчетного колеса считается распределенной по круговому отпечатку радиуса Re, определяемого по формуле

(6)
где Fd - сосредоточенная сила - нагрузка от колес, не совпадающих с расчетным сечением, МН;
Pa - давление в шине колеса, МПа.
При выполнении расчета на прочность определяется максимальный изгибающий момент при центральном загружении плиты mc, max, который вычисляется как наибольший суммарный момент, создаваемый колесами в расчетном сечении плиты, перпендикулярном к осям x и y, по формуле

(7)
где m1 - изгибающий момент от действия колеса, центр отпечатка которого совпадает с расчетным сечением, МН·м/пог. м;
nk - количество колес нагрузки;
mx(y)i - изгибающий момент, создаваемый действием i-го колеса, расположенного за пределами расчетного сечения, МН·м/пог. м.
Значения изгибающих моментов в расчетном сечении надлежит определять как момент от колеса, совпадающего с расчетным сечением, по формуле

(8)
где

- единичный изгибающий момент от действия колеса, центр отпечатка которого совпадает с расчетным сечением, определяется по
таблице 35 методики
[1] в зависимости от параметра

.
Величину упругой характеристики плиты

следует рассчитывать по формуле

(9)
где B - жесткость сечения плиты покрытия, МН·м2/пог. м;
Kse - эквивалентный коэффициент постели основания, МН/м3.
Моменты от колес, не совпадающих с расчетным сечением, находят по формуле

(10)
где

- единичные изгибающие моменты, создаваемые действием i-го колеса, расположенного за пределами расчетного сечения, определяемые по
таблице 36 методики
[1] в зависимости от приведенных координат

и

.
Таким образом, формула для определения mc, max имеет следующий вид:

(11)
При определении моментов

должны быть исключены колеса, вызывающие отрицательное значение изгибающего момента в расчетном сечении.
Для слоистых неукрепленных оснований армированных цементобетонных покрытий эквивалентный коэффициент постели Kse надлежит определять по формуле

(12)
где

,

;
Ks1, Ks2, Ks3 - расчетные значения коэффициентов постели соответственно первого (считая сверху), второго и третьего слоев естественного или искусственного основания из однородных грунтов в различном состоянии, включая дренирующие и теплозащитные слои;
t1, t2 - толщина соответственно первого и второго слоев основания, м;
D
r - условный диаметр круга передачи, нагрузки на основание, принимаемый равным для жестких покрытий, рассчитываемых на внекатегорийную и I категорию нагрузок - 3,6 м, II - 3,2 м, III - 2,9 м, IV - 2,4 м. При расчете конструкций автомобильных дорог категорий IV и V D
r = 2,4 для оснований, состоящих из двух слоев, значения

и t
2 принимаются равными нулю.
7.3 Расчет на прочность монолитных железобетонных покрытий на укрепленном основании
Железобетонные покрытия на укрепленном основании должны удовлетворять следующим предельным состояниям:

по прочности:
Данное условие должно выполняться для конструкции покрытия и укрепленного основания, характеристики укрепленного основания подбираются таким образом, чтобы обеспечить равенство расчетного и предельного изгибающих моментов;

по раскрытию трещин:
где acrc - ширина раскрытия трещин в расчетном сечении, мм.
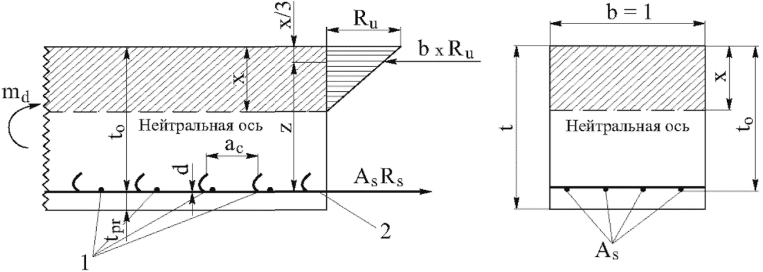
Расчетное значение изгибающего момента на единицу ширины сечения железобетонных покрытий на искусственном основании из материалов, для которых нормировано расчетное сопротивление растяжению при изгибе (укрепленном основании), следует определять по формуле
где K - переходный коэффициент от изгибающего момента при центральном загружении к моменту при краевом загружении, принимаемый равным 1,15;
KN - коэффициент, учитывающий накопление остаточных прогибов в основании из материалов, не обработанных вяжущими, и принимаемый равным 1,1.
Величину m
c, max при расчете железобетонных покрытий рекомендуется определять по
формуле (11) в зависимости от жесткости, рассчитываемой с учетом параметров арматуры.
Жесткость железобетонных плит определяется по формуле

(16)
где Es - модуль упругости арматуры, МПа;
As - площадь сечения растянутой арматуры на единицу ширины сечения плиты, м2/пог. м;

- коэффициент, учитывающий работу бетона между трещинами в растянутой зоне и принимаемый равным при расчете по прочности 0,2, по раскрытию трещин - 1,0;
t
0 - рабочая высота сечения, или расстояние от сжатой грани сечения до центра тяжести растянутой арматуры
(рисунок 11), м,
t0 = t - tpr - d/2,
d - номинальный диаметр арматурных стержней, м;
t - толщина плиты, м;
tpr - толщина защитного слоя, м;
x - высота сжатой зоны бетона в сечении, м,

(17)

(18)

- коэффициент, учитывающий неравномерность распределения деформаций крайнего волокна сжатой зоны сечения на участке между трещинами и принимаемый по
таблице 10 в зависимости от отношения шага арматуры

, параллельной рассматриваемому сечению, к толщине плиты t;

- коэффициент армирования.
1 - поперечная арматура; 2 - продольная арматура;
z - плечо изгибающего момента, Ru - сопротивление бетона
Рисунок 11 - Расчетная схема железобетонного покрытия
Таблица 10
Значение коэффициента

| 0,5 | 0,75 | 1,0 | 1,25 | 1,5 и более |
| 0,79 | 0,67 | 0,59 | 0,53 | 0,48 |
Значение величины шага арматуры

, параллельной рассматриваемому сечению, рекомендуется устанавливать по формуле

(19)
Предельное значение изгибающего момента на единицу ширины сечения железобетонных покрытий на искусственном основании из материалов, для которых нормировано расчетное сопротивление растяжению при изгибе (укрепленном основании), mu, МН·м/пог. м, следует определять по формуле

(20)
где Rs - расчетное сопротивление арматуры растяжению, МПа.
Расчет железобетонных монолитных покрытий на искусственном основании из материалов, для которых нормировано расчетное сопротивление растяжению при изгибе (укрепленном основании), заключается в подборе толщины укрепленного основания при заданной величине толщины железобетона, при которой выполняется условие прочности md = mu.
Расчет рекомендуется производить в следующем порядке. Сначала по
формулам (15) и
(18) определяют расчетный и предельный моменты железобетонного покрытия без искусственного основания и проверяют условие прочности по
формуле (13). Если это условие выполняется, укрепляемое основание не требуется.
При невыполнении условия прочности по
формуле (13) вычисляется требуемый максимальный изгибающий момент при центральном загружении плиты из условия равенства расчетного и предельного изгибающих моментов

(21)
Следующим этапом расчета является нахождение требуемой упругой характеристики плиты

, при которой выполняется условие m
d = m
u. Определение величины

следует выполнять по номограммам на
рисунках 12 и
13.
1 - дороги категорий III и IV;
2 - то же, категорий I и II
Рисунок 12 - Номограмма для определения

для нормативных нагрузок автомобильных дорог
1 - DAF-FTGXF95; 2 - TATRA-T815-25-S01;
3 - Mercedes-Benz-Actros 3353S; 4 - Урал-IVECO-63291;
5 - IVECO Eurotrakker MP 720E42TH
Рисунок 13 - Номограмма для определения

для автомобилей
Требуемое значение коэффициента постели Ksd, при котором достигается равенство расчетного и предельного изгибающих моментов, определяется по формуле

(22)
Эквивалентный модуль деформации искусственного основания Ed вычисляется по формуле

(23)
а эквивалентный модуль деформации основания E0, включающего слои из материалов, для которых не нормировано расчетное сопротивление растяжению при изгибе, и грунт, находится следующим образом:

(24)
По номограмме
рисунка 14 определяется отношение D
r/t
f в зависимости от отношений

и

(25)
Рисунок 14 - Номограмма для определения отношения D
r/t
f
Условный диаметр круга передачи нагрузки от плиты покрытия к искусственному основанию Dr вычисляется по формуле

(26)
где k
a - коэффициент, определяемый в зависимости от отношения радиуса R
e круга, равновеликого площади отпечатка колеса к упругой характеристике плиты

, по
таблице 11.
Таблица 11
| ka | | ka |
0,1 | 1,042 | 0,6 | 1,300 |
0,2 | 1,095 | 0,7 | 1,363 |
0,3 | 1,140 | 0,8 | 1,430 |
0,4 | 1,190 | 0,9 | 1,500 |
0,5 | 1,240 | 1,0 | 1,580 |
Толщина искусственно укрепленного основания tf, при которой достигается равенство предельного и расчетного изгибающих моментов, определяется по формуле

(27)
При расчете по предельному состоянию по
формуле (14) ширина раскрытия трещин в расчетном сечении железобетонной плиты a
crc, мм, определяется по формуле

(28)
где

- величина напряжения в растянутой арматуре, МПа,

(29)
ac - расстояние между трещинами, м,

(30)
m
d - расчетный момент в рассматриваемом сечении при параметрах K
se = K
sd,

, K
N = 1,0 и

;
x - высота сжатой зоны сечения, рассчитанная при

;
Us - периметр сечения арматуры, приходящейся на единицу ширины сечения плиты, м;

- коэффициент, принимаемый равным для стержневой арматуры периодического профиля 0,7; для сварных сеток из холоднодеформируемой проволоки - 1,25;
kc - коэффициент,

(31)
7.4 Расчет деформации пучения железобетонных покрытий на укрепленном основании
Расчетные значения вертикальных деформаций равномерного пучения основания Sf, м, в период эксплуатации покрытия не должны превышать предельных значений Su, м,
Предельное значение вертикальной деформации пучения S
u принимается по
таблице 12.
Таблица 12
Предельное значение вертикальной деформации пучения
Тип покрытия | Предельные значения вертикальных деформаций основания Su, м |
Армобетонные и железобетонные покрытия автомобильных дорог | 0,04 |
Армобетонные и железобетонные покрытия взлетно-посадочных полос аэродромов | 0,02 |
Армобетонные и железобетонные покрытия перронов, мест стоянок и др. | 0,04 |
- понижение уровня подземных вод;
- устройство в основании стабильного слоя из непучинистых материалов с применением в отдельных случаях теплоизолирующих материалов для уменьшения глубины промерзания пучинистого грунта;
- мероприятия по уменьшению пучинистости грунтов основания путем обработки их на расчетную глубину солями (NaCl, CaCl2, MgCl2 и др.), понижающими температуру замерзания, органическими и минеральными вяжущими, а также путем электрохимической обработки.
Возвышение поверхности покрытия над расчетным уровнем подземных вод должно быть не менее значения, установленного в
таблице 13.
Таблица 13
Минимальное возвышение поверхности покрытия над уровнем
подземных вод в различных дорожно-климатических зонах
Грунт основания (насыпи) | Минимальное возвышение поверхности покрытия, м, над уровнем подземных вод в дорожно-климатических зонах |
II | III | IV | V |
Песок средней крупности | 1,1 | 0,9 | 0,8 | 0,7 |
Песок мелкий, супесь | 1,6 | 1,2 | 1,1 | 1,0 |
Глина, суглинок, песок и супесь пылеватые | 2,3 | 1,8 | 1,5 | 1,3 |
В случае когда выполнение настоящих требований технико-экономически нецелесообразно, в грунтовом основании, сооружаемом во II и III дорожно-климатических зонах, следует устраивать капилляропрерывающие, а в IV и V дорожно-климатических зонах - гидроизолирующие прослойки, верх которых должен располагаться на расстоянии от поверхности покрытия не менее 0,9 м для II и III зон и 0,75 м для IV и V зон, низ прослоек должен отстоять от горизонта подземных вод не менее чем на 0,2 м.
Значение деформации пучения основания S
f, согласно расчетной схеме
рисунка 15, следует определять по формуле

(33)
где Hi - высота промерзающего слоя основания за вычетом слоев, лежащих выше i-го слоя, м;
m
zi - коэффициент, учитывающий снижение интенсивности пучения по глубине и определяемый по графику
рисунка 16 в зависимости от отношения

;
Hf - высота промороженной толщи покрытия и основания, м;
k
fi - коэффициент морозного пучения i-го слоя, принимаемый по
таблице 14.
1 - покрытие; 2 - искусственное основание;
3 - естественное основание; 4 - изотерма начала пучения
Рисунок 15 - Расчетная схема к определению k
fi
Рисунок 16 - График для определения m
z
Таблица 14
Значения коэффициента морозного пучения
Тип грунта | Коэффициент морозного пучения kf при типе гидрогеологических условий |
1 | 2 | 3 |
Пески: | | | |
гравелистые | 0 | 0 | 0,01 |
крупные | 0 | 0,01 | 0,02 |
средней крупности | 0 | 0,01 | 0,03 |
мелкие с содержание частиц размером менее 0,05 мм, %: | | | |
до 2 | 0 | 0,01 | 0,03 |
свыше 2 до 15 | 0,01 | 0,02 | 0,04 |
пылеватые | 0,02 | 0,05 | 0,10 |
Супеси: | | | |
с содержанием песчаных частиц размером от 0,25 до 0,05 мм, %: | | | |
20 и менее | 0,01 | 0,03 | 0,10 |
свыше 20 | 0,03 | 0,05 | 0,12 |
пылеватые | 0,04 | 0,08 | 0,20 |
Суглинки: | | | |
с содержанием глинистых частиц, %: | | | |
от 10 до 20 | 0,02 | 0,04 | 0,12 |
свыше 20 до 30 | 0,03 | 0,05 | 0,14 |
пылеватые | 0,04 | 0,06 | 0,20 |
Глина | 0,03 | 0,05 | 0,10 |
8 Рекомендации по изготовлению и монтажу предварительно напряженных железобетонных плит
8.1 Наиболее оптимальной конструкцией для жестких дорожных одежд из ПНЖП является жесткое покрытие, которое получается путем постнапряжения (стягивания без сцепления с бетоном) дорожных плит, уложенных поперек дороги перпендикулярно направлению движения. Напрягаемая арматура со сцеплением с бетоном всегда располагается вдоль плиты в двух уровнях по сечению плиты (в нижней и верхней зонах), а армирующие стягивающие тросы (четыре штуки диаметром 10 - 12 мм для плиты длиной 6 м) без сцепления с бетоном должны располагаться поперек плиты посередине ее сечения. Схема армирования и площадь поперечного сечения арматуры и канатов определяются исходя из величины действующих усилий, которые определяются в соответствии со схемами, приведенными на
рисунках 4 и
5, рекомендациями
таблицы 2.
8.2 Минимальная величина предварительного напряжения в бетоне должна составлять в продольном направлении не менее 20 кг/см2, в поперечном - 10 кг/см2. Величина напряжений в покрытии, создаваемых последующим обжатием, должна быть не менее 5 кг/см2.
Расстояние между стержнями напрягаемой арматуры из стали класса А-IV, Ав-III должно быть не больше 650 мм, а от краев плиты до напрягаемых стержней - в пределах 70 - 100 мм. Диаметр стержней должен быть не более 16 мм.
Для предохранения углов плит от скалывания бетона при распалубке и возможных ударах при погрузочно-разгрузочных работах и монтаже покрытия их рекомендуется армировать дополнительными угловыми стержнями.
8.3 Изготовление плит с проволочной и прядевой напрягаемой арматурой должно производиться с учетом обеспечения надежного заанкеривания ее у торцов плиты с помощью специальных анкеров. Зона полной анкеровки арматуры не должна превышать 300 мм. Для улучшения условий самоанкеровки арматуры необходимо:
- применять проволоку только периодического профиля и бетон с проектной маркой по прочности на сжатие не ниже 400;
- располагать напрягаемую проволочную и прядевую арматуру в виде отдельных проводов и прядей или попарно с расстоянием между проволоками, прядями или парами в свету не менее 15 мм.
8.4 Толщина защитного слоя бетона должна быть не менее 30 мм для верхней и 20 мм для нижней рабочей арматуры.
8.5 Диаметр канала для размещения напрягаемой стержневой арматуры должен приниматься с учетом габаритов стыкового соединения и требуемого технологического зазора, равного не менее 20 мм.
8.6 Для обеспечения устойчивого положения плит в покрытии при воздействии на них подвижной нагрузки должны быть предусмотрены стыковые соединения типа паз-гребень, а также в виде горизонтально расположенных скоб, выполненных из круглой стали класса А-I диаметром не менее 20 мм, которые закладываются при изготовлении плит. Они используются для подъема плит в качестве монтажных петель и затем свариваются между собой в процессе монтажа покрытия.
8.7 В рабочих чертежах плит, пояснениях к ним и в технических условиях на плиты должны быть указаны:
- характеристики применяемых сталей (класс, профиль, диаметр, номер нормативного документа);
- схема заводских испытаний плит и величина контрольной нагрузки;
- проектные марки бетона по прочности на растяжение при изгибе и на сжатие, прочность бетона на сжатие при передаче на него предварительного напряжения и отпускная прочность бетона;
- величина контролируемого напряжения арматуры и допускаемые отклонения;
- требования к готовым плитам.
8.8 Готовые плиты должны удовлетворять следующим требованиям:

по внешнему виду плит:
- не допускаются никакие трещины на поверхности и боковых гранях плит, поверхность их должна быть выровнена и для предотвращения скользкости обработана капроновой щеткой или брезентовой лентой,
- величина искривлений всех плоскостей допускается не более 5 мм на всю длину или ширину плиты,
- на верхней и нижней плоскостях, а также боковых гранях плит допускаются местные неровности высотой не более 5 мм,
- концы напрягаемой арматуры не должны выступать из тела плиты более чем на 3 мм;

отклонения плит от проектных размеров не должны превышать по длине +/- 8 мм, по ширине +/- 5 мм, по высоте +/- 5 мм, по толщине защитного слоя не менее 5 мм:
- по расположению стыковых скоб по высоте плиты +/- 3 мм, в плане +/- 5 мм, а по выступу за грань плиты +/- 2 мм,
- по расположению каналов для пропуска арматуры последующего обжатия покрытия в плане +/- 5 мм, по высоте плиты +/- 3 мм.
8.9 Постнапряжение плит и их ортотропное (по отношению к преднапряженной арматуре вдоль плиты) обжатие осуществляются стягиванием канатов, продетых в сквозные каналы поперек плит, с помощью мобильных домкратов. Такая технология привела к некоторым изменениям в конструкции ПНЖП: помимо стыковых скоб посередине граней расположены сквозные каналы для стягивания и анкеровки плит.
Закрепление напрягаемой арматуры при последующем обжатии рекомендуется выполнять с помощью анкерных гаек с поданкерными шайбами. Для этого на концы стержневой арматуры наносится нарезка, а концы прядевой и пучковой арматуры из высокопрочной проволоки оснащаются гильзовыми анкерами, состоящими из стержня и гильзы. Для закрепления пучковой арматуры допускается применение стальных цилиндрических колодок и конусных пробок, запрессовываемых в колодки домкратами двойного действия.
8.10 Детали анкерных устройств:
- анкерные колодки - из качественной конструкционной углеродистой стали марки Ст45
(ГОСТ 1050-2013);
- конические пробки - из стали марки Ст45
(ГОСТ 1050-2013) или из легированной стали марки Ст40
(ГОСТ 4543-2016) с последующей закалкой до твердости H
RC = 52 - 55 единиц (по Роквеллу);
- поданкерные шайбы - из стали марки Ст3;
- анкерные гайки из стали марки Ст5.
8.11 Размеры анкерных гаек принимаются по
ГОСТ 5931-70 (H = 1,2). Рекомендуемые размеры анкерных гаек и поданкерных шайб определяются расчетом в соответствии с
указаниями [3]. Например, для анкеровки стержней диаметром 18 мм из стали класса А-IV при обжатии покрытия из плит ПАГ-XIV применяются поданкерные шайбы, показанные на
рисунке 17.
Рисунок 17 - Поданкерная шайба для плит ПАГ-XIV
(материал Ст3) (размеры даны в миллиметрах)
8.12 Изготовление ПНЖП со сквозными каналами (четыре штуки) диаметром 16 - 20 мм, расположенными поперек плиты, возможно как на заводах ЖБИ, так и на временных полигонах рядом со строящейся дорогой. Наличие сквозных каналов и шпунтованных граней позволяет стягивать такие плиты вдоль полотна в пакеты, которые затем соединяются друг с другом и образуют непрерывное дорожное полотно. Как показала практика, пакеты плит целесообразно составлять из пяти штук, при этом после их стягивания на пятой плите происходит фиксация стальных канатов с помощью конических анкеров
(рисунок 18).
1 - канат; 2 - смазка каната; 3 - полимерная
защитная оболочка; 4 - концевой анкер
Рисунок 18 - Стальной канат с концевым анкером в сборе
В зависимости от количества плит и длины пакета стальные канаты, как правило, натягивают усилием от 10 до 30 т (на каждом канате), после фиксации анкерами в специальных крепежных пустотах они омоноличиваются быстротвердеющим полимербетоном.
8.13 Впервые в Российской Федерации технология постнапряжения была применена Московским ИМЭТом в 2004 г. на экспериментальном участке на территории института. На
рисунке 19 показан экспериментальный участок из пяти ПНЖП, стянутых по технологии постнапряжения.
Рисунок 19 - Экспериментальный участок из пяти ПНЖП,
стянутых стальными канатами с анкерами,
на территории Московского ИМЭТа
8.14 Первый практический опыт применения технологии постнапряжения ПНЖП был реализован при строительстве участка однополосной дороги категории V в Белгородской области
(приложение Г).
9 Методы расчета экономической эффективности применения дорожных покрытий из предварительно напряженных железобетонных плит
9.1 Расчет себестоимости строительства участка дороги
Расход на сооружение дороги категории IV шириной 6 м из ПНЖП стандартных размеров 6000 x 2000 x 140 мм составит:
- металл в канатах - 2,4 м x 1,3 x 6 = 18,7 кг (1 м весит 1,3 кг);
- металл в арматуре - 10 кг x 6 м2 = 60 кг;
- бетон в плите - 1,68 м3;
- стальных канатов - 7,8 кг;
- амортизаторов резиновых - 2,5 шт.;
- двунаправленных анкеров - 1 шт.
Итого на 1 пог. м автомобильной дороги шириной 6 м расход составит:
- металл - 72,8 кг;
- бетон (портландцемент) - 1 м3 (400 кг);
- амортизаторы (прокладки) резиновые - 2,5 шт.
С учетом расхода материалов рассчитывается примерная смета затрат на материалы, изделия и работу по строительству 1 км автомобильной дороги категории IV шириной 6 м
(таблица 15).
Таблица 15
Примерная смета затрат на материалы, изделия и работу
по строительству 1 км автомобильной дороги
шириной 6 м из ПНЖП
Материалы и изделия | Стоимость единицы, р. | Объем на 1 км (6000 м2) | Общая стоимость, р. | Примечание |
Материалы и изделия |
Железобетонные преднапряженные плиты размером 6 x 2 x 0,14 м | 5000 | 500 шт. | 2500000 | Плита площадью 18 м2 (2,5 м3 бетона) |
Строительные канаты в оболочке, анкеры | 70 на 1 м длины каната | 4200 м | 300000 | Четыре каната по длине полотна |
Песок строительный, карьерный | 250 за 1 м3 | 500 м3 (толщиной 25 см) | 1250000 | - |
Полиэтиленовая пленка | 25 за 1 м2 | 7400 м2 | 185000 | Пленка с армированием |
Герметик | 10000 за 1 м3 | 5 м3 | 90000 | - |
Амортизаторы | 50 за 1 шт. | 2400 шт. | 120000 | - |
Домкраты | 7000 | 8 шт. | 56000 | - |
| | Итого: 4475000 | |
Укрупненные работы (включая машины и механизмы, затраты труда) |
Выравнивание дороги, насыпка грунта, формирование земляного полотна и водоотводов | | | 2800000 | |
Насыпка и разравнивание песка | | | 1360000 | |
Монтаж плит с установкой амортизаторов и герметизацией стыков | | | 1180000 | |
| | Итого: 5340000 | |
| | ИТОГО: 9815000 | |
Расчет стоимости строительства 1 км дороги категории IV составил 9815 тыс. р., что является конкурентоспособной ценой для межмуниципальных и сельских дорог.
9.2 Оценка экономической эффективности
Для оценки экономической эффективности использования постнапряжения ПНЖП применяются основные положения
руководства [4].
На его основе оценка экономической эффективности применения постнапряжения ПНЖП производится по величине общественной (социально-экономической) эффективности. Учет затрат и результатов осуществляется в пределах одного расчетного периода, который принимается с учетом всего жизненного цикла построенной дороги: общей продолжительности изготовления, транспортирования, монтажа, эксплуатации, ремонта и при необходимости демонтажа ПНЖП.
Кроме прямого снижения стоимости строительства дороги (менее 10 млн р. за 1 км), основные результаты (дополнительные социальные эффекты) применения технологии постнапряжения ПНЖП следующие:
- возможность строить дороги с жесткими дорожными одеждами в отдаленных регионах, в том числе в заболоченных районах Крайнего Севера с экстремально низкими температурами;
- выполнение строительных работ с высокой производительностью и в короткие сроки: звено рабочих из 10 человек, которым приданы автокран и грузовой автомобиль для подвоза плит, может уложить за один рабочий день на подготовленное земляное полотно плиты на протяжении до 250 м, а в течение одного месяца - 3 - 4 км;
- увеличение межремонтных сроков службы дорожного покрытия (до 10 лет), а также общего срока службы дороги (свыше 50 лет) за счет заводского качества изготовления плит и применения высокопрочных типов бетона;
- повышение прочности дорожного полотна за счет конструкции ортотропно обжатых пакетов плит и всего дорожного полотна, улучшение ровности и уменьшение истираемости;
- снижение растрескивания поверхности плит и устранение образования ям и выбоин от движения большегрузных автомобилей, воздействия мороза, дождей за время всего срока службы дороги;
- расширение объектов применения: обжатые ПНЖП также будут эффективны для строительства аэродромных покрытий (кроме взлетно-посадочных полос), эстакад и мостовых переходов, автостоянок грузовой техники.
НОРМАТИВНЫЕ И РАСЧЕТНЫЕ ХАРАКТЕРИСТИКИ ЦЕМЕНТОБЕТОНА
А.1 К нормативным характеристикам дорожного цементобетона (далее - бетон) относятся:
- класс (марка) по прочности на растяжение при изгибе и на сжатие;
- модуль упругости;
- марка по морозостойкости;
- коэффициент линейной температурной деформации;
- коэффициент поперечной деформации (коэффициент Пуассона).
А.2 Нормативные прочность и морозостойкость бетона устанавливаются в проектах и должны приниматься в зависимости от назначения конструктивного слоя дорожной одежды.
А.3 Для строительства монолитных цементобетонных покрытий и оснований, а также для изготовления плит сборных покрытий следует применять бетоны тяжелые и мелкозернистые по классификации
ГОСТ 25192-2012. Бетон должен отвечать требованиям
ГОСТ 26633-2015,
СП 34.13330.2021, соответствующих стандартов на сборные плиты и настоящего методического документа.
А.4 Для сборного покрытия из ПНЖП (при любой интенсивности расчетной нагрузки) класс бетона (марка) по прочности следует принимать следующий: на растяжение при изгибе - 3,6 (45), на сжатие - 25 (300).
А.5 Значения начального модуля упругости бетона принимаются в зависимости от прочности бетона на растяжение при изгибе по
таблице А.1. В случае когда расчетной характеристикой является прочность бетона на сжатие, значения модуля упругости принимаются в зависимости от прочности бетона на сжатие по
СП 63.13330.2018.
Таблица А.1
Значения начального модуля упругости бетона
Класс (марка) бетона по прочности на растяжение при изгибе Btb/Ptb | Начальный модуль упругости Eб бетона, МПа |
тяжелого | мелкозернистого |
6,4/80 | 39000 | - |
6,0/75 | 38500 | - |
5,6/70 | 38000 | - |
5,2/65 | 37500 | - |
4,8/60 | 36500 | 30000 |
4,4/55 | 36000 | 28000 |
4,0/50 | 33000 | 26500 |
3,6/45 | 32000 | 25500 |
3,2/40 | 30000 | 24000 |
2,8/35 | 28000 | 22500 |
2,4/30 | 26000 | 20500 |
2,0/25 | 23000 | 17000 |
1,6/20 | 19000 | 14000 |
1,2/15 | 16000 | 12000 |
0,8/10 | 13000 | 10000 |
Примечание - Для определения модуля упругости мелкозернистого бетона, приготовленного на песках с модулем крупности менее 2,0, следует соответствующие табличные значения умножить на 0,9.
ПРИМЕР РАСЧЕТА ОДНОСЛОЙНОГО ЖЕЛЕЗОБЕТОННОГО ПОКРЫТИЯ
НА УКРЕПЛЕННОМ ОСНОВАНИИ
Б.1 Исходные данные к расчету
Расчетная нагрузка - трактор, грузовой автомобиль, аналог тягача IVECO Eurotrakker.
Категория автомобильной дороги - IV.
Характеристика района проектирования: II дорожно-климатическая зона, 50° северной широты, тип гидрогеологических условий - 1, грунт естественного основания - суглинок с Ks = 50 МН/м3.
На основании опыта проектирования подобных конструкций принимаем следующий конструктивный вариант армобетонного покрытия на укрепленном основании.
Армобетонное покрытие: Btb = 4,0; Eb = 3,24 x 104 МПа; Rtb = 3,43 МПа; t = 0,20 м.
Искусственное основание из пескоцемента: E = 2900 МПа; tf = 0,20 м.
Основание из песчано-гравийной смеси: Ks1 = 280 МН/м3; t = 0,30 м.
Естественное суглинистое основание: Ks = 50 МН/м3.
Б.2 Расчет принятого варианта конструкции покрытия на прочность
1 Определение расчетных коэффициентов:
- переходный K = 1,5;
- учитывающий число приложений колесных нагрузок K
u = 1,0
(рисунок Б.1).
Рисунок Б.1 - Расчетная схема приложения нагрузки
(движение вдоль оси x)
2 Расчет эквивалентного коэффициента постели:
Dr = 3,2 м, t2 = 0, a2 = 0.
3 Определение расчетного изгибающего момента:
- жесткость армобетонной плиты
B = 0,085Ebt3 = 33,5079 МН·м2/пог. м;
- жесткость укрепляемого основания
Bf = 0,085Eft3f = 3,8516 МН·м2/пог. м;
- суммарная жесткость
B + Bf = 37,3595 МН·м2/пог. м;
- упругая характеристика плиты
- динамическая нагрузка от одного колеса
Fd = 0,04781 МН;
- давление в шине
Pa = 0,85 МПа;
- радиус круга, равновеликого площади отпечатка колеса
- параметр a
- единичный изгибающий момент от действия колеса, центр отпечатка которого совпадает с расчетным сечением,
- сумма единичных изгибающих моментов, создаваемых действием колес, расположенных за пределами расчетного сечения, приведена в
таблице Б.1;
- максимальный изгибающий момент при центральном загружении плиты
- расчетное значение изгибающего момента
Таблица Б.1
Сумма единичных изгибающих моментов
Номер колеса | Декартовы координаты | Приведенные координаты | Единичные изгибающие моменты |
yi | xi | | | | |
2 | 0,219 | 0 | 0,2652 | 0 | 0,1025 | 0,1679 |
3 | 0,219 | 1,38 | 0,2652 | 1,6713 | 0,0201 | -0,0191 |
4 | 0 | 1,38 | 0 | 1,6713 | 0,0217 | -0,0199 |
5 | 2,042 | 0 | 2,4730 | 0 | -0,0192 | 0,0063 |
6 | 2,261 | 0 | 2,7383 | 0 | -0,0171 | 0,0039 |
7 | 2,261 | 1,38 | 2,7383 | 1,6713 | -0,0090 | -0,0025 |
8 | 2,042 | 1,38 | 2,4730 | 1,6713 | -0,0095 | -0,0030 |
Сумма единичных изгибающих моментов | 0,1443 | 0,1781 |
Максимальное значение суммы  | 0,1781 |
4 Определение предельного изгибающего момента:
5 Определение процента недонапряжения:
Заключение: прочность конструкции покрытия обеспечена.
Б.3 Расчет принятого варианта конструкции покрытия на морозоустойчивость при высоте промороженной толщи Hf = 1,4 м
1 Определение расчетных коэффициентов:
- пучения для грунтов естественного основания kf = 0,03, для остальных материалов покрытия и основания kf1 = 0;
- учитывающего интенсивность снижения пучения по глубине
2 Определение расчетного значения деформации пучения основания:
Sf = H1mz1kf1 = (1,4 - 0,23 - 0,25 - 0,35) x
x 0,63 x 0,03 = 0,011 м.
Заключение: морозоустойчивость конструкции покрытия обеспечена, так как
Sf = 0,011 <= Su = 0,02.
Б.4 Расчет арматурной сетки для принятого варианта покрытия
Исходные данные к расчету:
- процент продольного армирования

;
- тип арматуры: стержневая горячекатаная периодического профиля А300 (А-II), Es = 2 x 105 МПа, Rs = 270 МПа, номинальный диаметр стержня d = 8 мм, площадь сечения одного стержня A1 = 5,026 x 10-5 м2;
- площадь поперечного сечения плиты армобетонного покрытия при ширине зоны армирования Bs = 7,5 - 2 x 0,05 = 7,4 м:
A = tBs = 0,23 x 7,4 = 1,702 м2;
- площадь всех стержней продольной арматуры на плиту:
- количество стержней продольной арматуры:
- расстояние между продольными стержнями:
- расстояние между поперечными стержнями конструктивное - 0,4 м.
Принимается сетка из арматурной стали класса А300 (А-II) с диаметром стержней 8 мм и с ячейкой 0,22 x 0,40 м.
РАСЧЕТ ЖЕСТКОГО ПОКРЫТИЯ УЧАСТКА АВТОМОБИЛЬНОЙ ДОРОГИ
КАТЕГОРИИ V ИЗ ПРЕДВАРИТЕЛЬНО НАПРЯЖЕННЫХ
ЖЕЛЕЗОБЕТОННЫХ ПЛИТ В БЕЛГОРОДСКОЙ ОБЛАСТИ
В.1 Исходные данные для расчета
Габаритные размеры плиты в плане (длина x ширина): 6000 x 3500 мм;

для однополосной дороги толщина плиты принимается 120 мм;

для двухполосной дороги толщина плиты принимается 130 мм.
Плита изготавливается из бетона класса B60, подвергнутого тепловой обработке при атмосферном давлении. Расчетные сопротивления бетона принимают согласно
СП 63.13330.2018. Бетонные и железобетонные конструкции:
- при расчете по предельным состояниям первой группы:

R
b = 336 кгс/см
2 (33,0 МПа) - по осевому сжатию,

R
bt = 16,8 кгс/см
2 (1,65 МПа) - по осевому растяжению;
- при расчете по предельным состояниям второй группы:

R
b, ser = 438 кгс/см
2 (43,0 МПа) - по осевому сжатию,

R
bt, ser = 25,5 кгс/см
2 (2,5 МПа) - по осевому растяжению при расчете предварительно напряженных элементов по образованию трещин,

R
bsh = 48,5 кгс/см
2 (4,75 МПа) - по скалыванию при изгибе,

R
b, mc1 = 370 кгс/см
2 (36,2 МПа) - по осевому сжатию при расчете на стойкость против образования продольных микротрещин при предварительном напряжении, транспортировании и монтаже,

R
bmc2 = 305 кгс/см
2 (30,0 МПа) - по осевому сжатию при расчете под эксплуатационной нагрузкой по формулам сопротивления упругих материалов (расчет на совместное воздействие силовых факторов и неблагоприятных влияний внешней среды).
Модуль упругости бетона E
b x 10
-3 = 408 кгс/см
2 (40,0 МПа) принят в соответствии с
СП 35.13330.2011.
Коэффициент условий работы бетона

,

согласно
СП 63.13330.2018. Коэффициент, учитывающий снижение модуля упругости бетона при тепловлажностной обработке, по
СП 35.13330.2011 принимается равным 0,9.
Напрягаемая арматура по длине плиты - арматура периодического профиля класса прочности А1000 (Ат-VI) диаметром 12 мм, согласно
ГОСТ 34028-2016 ее характеристики следующие:

R
sn = 10000 кгс/см
2 (980 МПа) - нормативное сопротивление арматуры растяжению;

R
s = 8300 кгс/см
2 (815 МПа) - расчетное сопротивление арматуры растяжению;

коэффициент надежности при расчете по предельным состояниям первой группы

, второй группы
(СП 63.13330.2018).
В качестве напрягаемых канатов для стягивания плит в пакеты взяты канаты защищенные в оболочке К7-12.5-1770 согласно стандарту
[5].
Характеристики профиля:

R
sn = 1770 МПа - нормативное сопротивление растяжению;

P
max = 16,5 тс - максимально допустимое разрывное усилие (таблица 3 стандарта
[5]);

E
s x 10
-4 = 180 кгс/см
2 (18 МПа) - модуль упругости арматуры согласно
СП 63.13330.2018.
Расчет конструкции плиты
(СП 35.13330.2011) должен производиться на действие постоянной и временной нагрузок.
В качестве постоянной нагрузки приняты:

собственный вес плиты
(однополосная дорога),
(двухполосная дорога),
где

- средняя плотность бетона;
h - высота плиты;

усилие предварительного натяжения арматуры - 6 тс;

усилие предварительного натяжения канатов - 11 тс.
Нормативную временную вертикальную нагрузку от подвижного состава на автомобильных дорогах (общего пользования, внутрихозяйственных в колхозах, совхозах и других сельскохозяйственных предприятиях и организациях), на улицах и дорогах городов, поселков и сельских населенных пунктов следует принимать (с учетом перспективы) согласно
СП 35.13330.2011 от транспортных средств в виде полос АК
(рисунок В.1), каждая из которых включает одну двухосную тележку с осевой нагрузкой P = 20 тс и равномерно распределенную на обе колеи нагрузку интенсивностью V = 0,1 тс/м (класс нагрузки К следует принимать равным 11 для всех мостов и труб).
Рисунок В.1 - Схема нагрузок от подвижного состава
Коэффициент надежности по нагрузке
(СП 35.13330.2011): для нагрузки P равен

; для нагрузки V составляет

. Коэффициент динамичности для автодорожных мостов равен
С учетом коэффициентов надежности по нагрузке и динамичности по
СП 35.13330.2011
P = 20 x 1,5 x 1,3 = 39 тс, V = 0,1 x 1,2 x 1,3 = 0,16 тс/м.
При этом от одной колеи на плиту будет действовать половина вычисленной нагрузки.
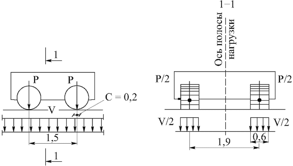
Для расчета плиты рассмотрены следующие варианты загружений:
- сосредоточенная нагрузка от тележки P посередине плиты и равномерно распределенная по длине плиты нагрузка V, ось полосы нагрузки совпадает с осью плиты (
рисунок В.2 а);
- сосредоточенная нагрузка от тележки P посередине плиты и равномерно распределенная по длине плиты нагрузка V, ось полосы нагрузки смещена от оси плиты на 0,7 м в сторону края плиты (
рисунок В.2 б);
- сосредоточенная нагрузка от тележки P у края плиты и равномерно распределенная по длине плиты нагрузка V, ось полосы нагрузки совпадает с осью плиты (
рисунок В.2 в);
- сосредоточенная нагрузка от тележки P у края плиты и равномерно распределенная по длине плиты нагрузка V, ось полосы нагрузки смещена от оси плиты на 0,7 м в сторону края плиты (
рисунок В.2 г).
Рисунок В.2 - Схемы (а, б, в, г) нагружений плиты
(распределенная нагрузка V и собственный вес плиты
условно не показаны)
(размеры даны в миллиметрах)
В.3 Расчетная схема плиты
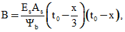
Для оценки несущей способности конструкции участка дороги из ПНЖП расчет произведен по формулам
раздела 7 в программном комплексе "Лира 9.6".
Моделировалась отдельная плита пластинчатыми конечными элементами с размерами 100 x 100 мм, при этом размер плиты в плане был принят 6000 x 3500 мм. Жесткость плиты: пластина толщиной 120 мм для однополосной дороги и пластина толщиной 130 мм для двухполосной дороги, модуль упругости E = 36,7 МПа, коэффициент Пуассона

.
Для моделирования грунтовых условий заданы коэффициенты постели упругого основания: C1 = 6000 тс/м3, C2 = 0 тс/м.
Жесткость арматуры по длине и ширине - арматура класса А1000 (Ат-VI) диаметром 12 мм. Количество стержней по длине плиты 16 шт. (по восемь стержней у верхней и нижней граней). Защитный слой бетона - 30 мм. Схема расположения арматуры в плите показана на
рисунке В.3.
Рисунок В.3 - Схема расположения арматуры плиты в плане
(размеры даны в миллиметрах)
В расчете рассмотрено два варианта стяжки плит в блоки: для однополосной и двухполосной дорог. Для однополосной дороги плиты стягиваются в блок только продольными канатами, для двухполосной - в двух направлениях: по длине и ширине.
Стягивающие канаты - канаты диаметром 12 мм. Количество канатов:
- для однополосной дороги - четыре штуки в продольном направлении;
- двухполосной дороги - восемь штук (по четыре штуки по ширине и длине плиты).
Схема расположения стягивающих канатов плиты в плане показана на
рисунке В.4.
Рисунок В.4 - Схема расположения стягивающих канатов плиты
в плане (пунктиром показаны канаты в плите
для двухполосной дороги)
(размеры даны в миллиметрах)
В качестве нагрузок на плиту рассматривались четыре варианта загружений, описанных в
подразделе В.2 расчета.
В.4 Результаты расчета
По результатам расчета получены:
- деформированные схемы плит;
- мозаики вертикальных перемещений плиты;
- мозаики напряжений по Mx;
- мозаики напряжений по My.
Результатами расчета плит для однополосной и двухполосной дорог являются прогибы (столбец 2) и напряжения (
столбцы 3 -
6), которые представлены в таблице В.1. При анализе напряжений не учитывались локальные всплески в местах приложения сосредоточенных сил P от подвижного состава, так как реальный характер распределения нагрузки учитывается по площади из-за того, что нагрузка от автомобиля передается на плиту через колеса, которые, в свою очередь, не являются абсолютно жесткими и деформируются.
Таблица В.1
| Максимальное вертикальное перемещение, мм | Напряжение, тм/м |
(Mx) | (Mx) | (My) | (My) |
Плита для однополосной дороги |
0 (СВ + ПН) | -0,060 | - | - | - | -0,007 |
1 (СВ + ПН + ВН) | -1,06 0,12 | 1,27 | -0,621 | 1,29 | -0,43 |
2 (СВ + ПН + ВН) | -2,85 0,185 | 1,30 | -1,54 | 1,63 | -1,23 |
3 (СВ + ПН + ВН) | -3,00 | 1,77 | -1,72 | 1,02 | -1,58 |
4 (СВ + ПН + ВН) | -6,77 0,201 | 1,76 | -3,46 | 2,12 | -3,13 |
Плита для двухполосной дороги |
0 (СВ + ПН) | -0,223 | - | -1,08 | 0,149 | -0,077 |
1 (СВ + ПН + ВН) | -0,998 0,138 | 1,20 | -1,08 | 1,30 | -0,391 |
2 (СВ + ПН + ВН) | -2,73 0,232 | 1,28 | -1,70 | 1,74 | -1,21 |
3 (СВ + ПН + ВН) | -2,78 | 1,67 | -1,76 | 0,95 | -1,65 |
4 (СВ + ПН + ВН) | -6,35 0,054 | 1,73 | -3,72 | 2,08 | -3,25 |
Допустимое значение растягивающего напряжения:
Допустимое значение сжимающего напряжения:
Учитывая, что напряжения, указанные в
таблице В.1, представлены распределенными по площади поперечного сечения конечных элементов плиты, пересчитаем допустимые значения напряжений для однопролетной плиты (

,

):
Rbt' = 2,5 x 0,012 x 100 = 3 тс;
Rb' = 43 x 0,012 x 100 = 51,6 тс
(однополосная дорога);
Rbt' = 2,5 x 0,013 x 100 = 3,25 тс;
Rb' = 43 x 0,013 x 100 = 55,9 тс
(двухполосная дорога)
(умножение на 100 производится для перевода из МПа в тс/м2).
По результатам расчета наибольшее растягивающее напряжение в плите:
- для однополосной дороги - 2,12 тс, что меньше допустимого на 29,3%;
- двухполосной дороги - 2,08 тс, что меньше допустимого на 36,0%.
Наибольшие сжимающие напряжения в плите:
- для однополосной дороги - 3,46 тс, что меньше допустимого на 93,3%;
- двухполосной дороги - 3,72 тс, что меньше допустимого на 93,3%.
Согласно
СП 35.13330.2011, для обеспечения плавности передвижения транспортных средств вертикальные упругие прогибы не должны превышать величины
Наибольший прогиб по результатам расчета:
- для однополосной дороги равен 6,77 мм, что на 32,3% меньше допустимого;
- двухполосной дороги равен 6,35 мм, что на 36,5% меньше допустимого.
Следует отметить, что указанный в
СП 35.13330.2011 допустимый прогиб вычисляется для пролетных строений, в то время как рассчитываемая автодорожная плита лежит на упругом основании и работает совместно с другими плитами в блоке. Кроме того, упругий элемент, размещенный между торцами смежных плит, конструктивно фиксирует кромки плит от взаимного смещения, поэтому фактический прогиб в реальных условиях эксплуатации будет меньше, чем расчетный.
Согласно полученным данным можно сделать вывод, что оба варианта применения плиты удовлетворяют требованиям прочности и жесткости, при этом результаты расчетов достаточно близки между собой.
В.5 Выводы и рекомендации
1 Расчет конструкции жесткой дорожной одежды из преднапряженных плит, стянутых стальными канатами, показал результаты, удовлетворяющие требованиям по прочности и жесткости. В случае когда дорога однополосная, плиты стягиваются канатами только в продольном направлении; для двухполосной дороги плиты стягиваются канатами в двух направлениях - по длине и ширине.
2 В качестве преднапрягаемой рабочей арматуры принята арматура класса А1000 (Ат-VI) диаметром 12 мм в количестве 16 стержней - по восемь у верхней и нижней граней. Плиту необходимо армировать отдельными стержнями для обеспечения более качественного ее включения в работу.
3 В качестве напрягаемых канатов для стяжки плит в блок целесообразно использовать канаты, защищенные и в оболочке для предварительного напряжения К7-12.5-1770 диаметром 12,5 мм производства ОАО "Северсталь-Метиз". Количество канатов в плите по длине для однополосной дороги - четыре штуки, для двухполосной - восемь штук; по ширине плиты - четыре штуки.
4 Для уменьшения толщины плиты при ее изготовлении применяется бетон повышенной прочности (класс B60). С целью отработки процедур монтажного стягивания рекомендуется провести испытания узлов анкеровки канатов, а также узла сопряжения плит (резинового упругого элемента), используемого в качестве компенсатора температурных деформаций, для уточнения его физико-механических свойств.
5 Применение предварительно напряженной высокопрочной арматуры по длине плит и их постнапряжение по ширине позволяют получить ортотропно обжатое дорожное полотно с жестким покрытием. Такая конструкция значительно снижает растягивающие напряжения в бетоне и уменьшает вероятность появления трещин, а также дает возможность уменьшить диаметр и количество арматуры и обеспечить долговременное работоспособное состояние верхних слоев дорожной одежды.
ПРАКТИКА ПРИМЕНЕНИЯ ТЕХНОЛОГИИ ПОСТНАПРЯЖЕНИЯ
ПРЕДВАРИТЕЛЬНО НАПРЯЖЕННЫХ ЖЕЛЕЗОБЕТОННЫХ ПЛИТ
ПРИ СТРОИТЕЛЬСТВЕ УЧАСТКА ДОРОГИ
В БЕЛГОРОДСКОЙ ОБЛАСТИ
В 2012 - 2013 гг. ЗАО "Инновационные технологии в строительстве" осуществило проектирование и строительство участка однополосной дороги категории V в Белгородской области с использованием технологии постнапряжения ПНЖП, изготовленных на местном ЖБИ. Для этого в конструкции плит были заложены ПВХ-трубки, которые образовали каналы для стягивания и обжатия (постнапряжения) плит стальными канатами во время монтажа. Также были видоизменены длинные грани плит: они стали шпунтованными с возможностью закладки в швы герметизирующей и демпфирующей прокладки.
Все изменения в конструкции плит, а именно: вместо штырей в плитах предусмотрены каналы, через которые они стягиваются и обжимаются тросами, отсутствует сварка стыковочных скоб, боковые грани имеют пазы для прокладки Ф-образного профиля из высокостойкой резины - были обоснованы проверочным расчетом, представленным в
приложении В.
Так как плиты стягиваются в пакеты, то возникает ортогонально обжатая конструкция, которая равномерно распределяет нагрузки и исключает концентрацию напряжений, возникающих при сварном соединении. Такая конструкция позволяет уменьшить толщину основания и ограничиться возведением песчаной подушки толщиной 150 - 180 мм. Работы по сооружению основания были следующими: вначале была выполнена планировка грунтом, сделана песчаная подушка, после трамбования ее накрыли гидроизолирующей пленкой. Затем поперек дороги (короткой стороной плиты 3,5 м) были уложены плиты размером 6,0 x 3,5 x 0,13 м из высокопрочного морозостойкого бетона класса B60 при помощи винтовых стяжек. В результате плиты вплотную подтягивались друг к другу. При этом проходимость каналов плит в стыке обязательно проверялась специальным калибром
(рисунок Г.1).
Рисунок Г.1 - Укладка и подтягивание плит друг к другу
После этого плиты стягивались через продетые сквозь них металлические тросы с помощью домкратов в пакеты по пять-шесть штук. Между плитами был проложен упругий Ф-образный профиль из высокостойкой резины, выступы которого повторяют полуцилиндрические шпунтовые пазы
(рисунок Г.2).
Рисунок Г.2 - Упругий Ф-образный профиль
из высокостойкой резины
Последовательность укладки плит в пакеты начиналась с соединительной плиты, у которой каналы для канатов имеют выходы в карманы на поверхность. Между двух соединительных плит укладываются основные плиты по пять-шесть штук
(рисунок Г.3).
Рисунок Г.3 - Укладка плит в пакеты
Соединительные плиты имеют выходы каналов с поверхности на оба конца, что позволяет к граничной плите пакета пристыковывать пять основных плит, завершая очередной пакет соединительной плитой
(рисунок Г.4).
Рисунок Г.4 - Соединительная плита
Усилие в домкратах, достигавшее 40 т, хорошо обжимает резиновую прокладку в стыках и сами плиты. Для натягивания на зачищенные от оболочки концы канатов устанавливают клиновые анкеры, которые предварительно закрепляют в монтажном фитинге
(рисунок Г.5).
Рисунок Г.5 - Установка клиновидного анкера
При натягивании каната анкер на свободном конце заклинивается, а в конце процесса натяжения гидроцилиндр осаживает анкер, закрепляя канат в натянутом состоянии. В конце процесса технологические припуски каната срезаются абразивным кругом. По окончании монтажа все фитинговые отверстия были тщательно закрыты специальной быстросхватывающейся ремонтной полимербетонной смесью.
Во время строительства дороги была выработана система организации рабочего процесса, позволяющая при должной механизации в рабочую смену укладывать не менее 100 пог. м дороги. Во время монтажа по плитам, еще не стянутым канатами, двигался автокран массой 23 т
(рисунок Г.6), который монтировал последующие плиты, опираясь на уложенные.
По окончании монтажа по дороге сразу же открылось движение груженых автомобилей массой до 30 т. После эксплуатации на дорожных плитах отсутствовали какие-либо дефекты
(рисунок Г.7).
Рисунок Г.7 - Дорожные плиты без каких-либо дефектов
Подводя итог первого отечественного опыта постнапряжения ПНЖП при строительстве дороги в Белгородской области, следует отметить, что реализованный проект показал полное соответствие построенного жесткого дорожного покрытия заявленным параметрам, что подтверждает перспективность этой технологии. Она будет особенно эффективна при эксплуатации в районах с неблагоприятными климатическими условиями и заболоченными грунтами. Покрытие из ПНЖП рекомендуется применять в первую очередь для межмуниципальных и сельских дорог категорий IV и V, для дорог технологического и промышленного назначения, площадок для размещения и обслуживания тяжелой техники, а также на аэродромах и сооружениях специального назначения.
| | Методика расчета армированных цементобетонных покрытий дорог и аэродромов на укрепленных основаниях |
| | Методические рекомендации по проектированию жестких дорожных одежд. Утверждены распоряжением Минтранса России от 3 декабря 2003 г. N ОС-1066-р |
| ВСН 31-68 | Технические указания по проектированию и строительству сборных покрытий из преднапряженных железобетонных плит для аэродромов классов Б и В ГА |
| | Руководство по оценке экономической эффективности использования в дорожном хозяйстве инноваций и достижений научно-технического прогресса. Утверждено распоряжением Минтранса России от 10 декабря 2002 г. N ОС-1109-р |
| СТО 71915393 - ТУ 100-2011 | Канаты защищенные и в оболочке для предварительного напряжения. Скользящие канаты. Технические условия |
| | ИС МЕГАНОРМ: примечание. Текст дан в соответствии с официальным текстом документа. | |
|
Ключевые слова: жесткие дорожные одежды, цементобетонное покрытие, предварительно напряженные железобетонные плиты, технология постнапряжения, тросовая арматура, песчано-гравийная смесь |
Руководитель
организации-разработчика
ФГБУ "РОСДОРНИИ"
Генеральный директор
О.Н.ЯРОШ