Главная // Актуальные документы // ГОСТ (Государственный стандарт)СПРАВКА
Источник публикации
М.: ИПК Издательство стандартов, 2000
Примечание к документу
С 1 июля 2003 года до вступления в силу технических регламентов акты федеральных органов исполнительной власти в сфере технического регулирования носят рекомендательный характер и подлежат обязательному исполнению только в части, соответствующей целям, указанным в
пункте 1 статьи 46 Федерального закона от 27.12.2002 N 184-ФЗ.
Ограничение срока действия снято Постановлением Госстандарта СССР от 30.09.1981 N 4493.
Введен в действие с 1 января 1977 года.
Взамен МН 3895-62.
Название документа
"ГОСТ 21028-75*. Кондукторы для механической обработки отверстий литейных опок и модельных плит. Технические условия"
(введен Постановлением Госстандарта СССР от 29.07.1975 N 1975)
(ред. от 01.03.1990)
"ГОСТ 21028-75*. Кондукторы для механической обработки отверстий литейных опок и модельных плит. Технические условия"
(введен Постановлением Госстандарта СССР от 29.07.1975 N 1975)
(ред. от 01.03.1990)
Утвержден и введен в действие
Постановлением Госстандарта СССР
от 29 июля 1975 г. N 1975
МЕЖГОСУДАРСТВЕННЫЙ СТАНДАРТ
КОНДУКТОРЫ ДЛЯ МЕХАНИЧЕСКОЙ ОБРАБОТКИ ОТВЕРСТИЙ
ЛИТЕЙНЫХ ОПОК И МОДЕЛЬНЫХ ПЛИТ
ТЕХНИЧЕСКИЕ УСЛОВИЯ
Jigs for machining holes of moulding boxes
and pattern plates.
Specifications
ГОСТ 21028-75*
| | Список изменяющих документов (в ред. Изменения N 1, утв. в сентябре 1981 г., Изменения N 2, утв. в марте 1990 г.) | |
Взамен МН 3895-62
Дата введения
1 января 1977 года
Настоящий стандарт распространяется на кондукторы для механической обработки отверстий литейных опок по ГОСТ 14973-69 - ГОСТ 15018-69, ГОСТ 15491-91 - ГОСТ 15505-91, ГОСТ 17127-71 - ГОСТ 17131-71, ГОСТ 20084-74 - ГОСТ 20121-74, ГОСТ 20146-74 - ГОСТ 20150-74, ГОСТ 20155-74 - ГОСТ 20166-74, применяемые при изготовлении песчаных литейных форм.
(Измененная редакция, Изм. N 1.)
1. ТИПЫ И ОСНОВНЫЕ РАЗМЕРЫ
1.1. Кондукторы должны изготовляться двух типов:
1 - для обработки отверстий прямоугольных опок и модельных плит;
2 - для обработки отверстий круглых опок.
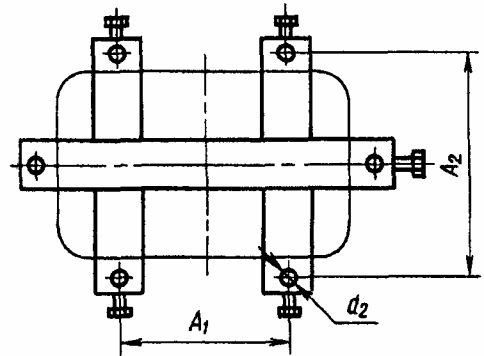
1.2. Основные размеры кондукторов типа 1 должны соответствовать указанным на черт. 1 и в
табл. 1.
Тип 1
Исполнение 1. Кондукторы для обработки двух центрирующих
отверстий
Исполнение 2. Кондукторы для обработки двух центрирующих
и четырех крепежных отверстий
Исполнение 3. Кондукторы для обработки двух центрирующих
и шести крепежных отверстий
Исполнение 4. Кондукторы для обработки четырех
центрирующих и шести крепежных отверстий
Исполнение 5. Кондукторы для обработки двух
центрирующих и 12 крепежных отверстий
Исполнение 6. Кондукторы для обработки четырех
центрирующих и 12 крепежных отверстий
d,

и

- размеры отверстий под кондукторные втулки
b, l - длина хода винта
Черт. 1
мм
──────────────┬───────┬──────────────┬──────┬──────┬──────┬───────
Размеры опок в│Испол- │ А │ А │ А │ l │ b
свету L х В │нение │ │ 1 │ 2 │ │
(длина х шири-│ ├──────┬───────┼──────┴──────┼──────┴───────
на) │ │Номин.│ Пред. │ Пред. откл. │ Пред. откл.
│ │ │ откл. │ +/- 0,5 │ +/- 5,0
──────────────┼───────┼──────┼───────┼──────┬──────┼──────┬───────
300 х 300 │1 │400 │+/- 0,1│- │- │100 │80
──────────────┤ ├──────┤ │ │ │ │
350 х 250 │ │450 │ │ │ │ │
──────────────┤ ├──────┤ │ │ │ │
400 х 300 │ │500 │ │ │ │ │
──────────────┤ │ │ │ │ │ │
400 х 400 │ │ │ │ │ │ │
──────────────┤ ├──────┤ │ │ │ │
450 х 350 │ │550 │ │ │ │ │
──────────────┤ ├──────┤ │ │ │ │
500 х 300 │ │600 │ │ │ │ │
──────────────┤ │ │ │ │ │ │
500 х 400 │ │ │ │ │ │ │
──────────────┤ │ │ │ │ │ │
500 х 500 │ │ │ │ │ │ │
──────────────┤ ├──────┤ │ │ │ │
600 х 400 │ │700 │ │ │ │ │
──────────────┤ │ │ │ │ │ │
600 х 500 │ │ │ │ │ │ │
──────────────┤ │ │ │ │ │ │
600 х 600 │ │ │ │ │ │ │
──────────────┤ ├──────┤ │ │ │ │
700 х 600 │ │800 │ │ │ │ │
──────────────┤ ├──────┼───────┤ │ │ │
800 х 500 │ │920 │+/- 0,2│ │ │ │
──────────────┤ │ │ │ │ │ │
800 x 600 │ │ │ │ │ │ │
──────────────┤ │ │ │ │ │ │
800 х 700 │ │ │ │ │ │ │
──────────────┤ ├──────┤ │ │ │ │
900 х 500 │ │1020 │ │ │ │ │
──────────────┤ │ │ │ │ │ │
900 х 600 │ │ │ │ │ │ │
──────────────┤ │ │ │ │ │ │
900 х 700 │ │ │ │ │ │ │
──────────────┤ ├──────┤ │ │ │ │
1000 х 600 │ │1120 │ │ │ │ │
──────────────┤ │ │ │ │ │ │
1000 x 700 │ │ │ │ │ │ │
──────────────┤ │ │ │ │ │ │
1000 х 800 │ │ │ │ │ │ │
──────────────┤ │ │ │ │ │ │
1000 х 900 │ │ │ │ │ │ │
──────────────┤ ├──────┤ │ │ │ │
1100 х 800 │ │1220 │ │ │ │ │
──────────────┤ ├──────┤ │ │ │ │
1200 х 800 │ │1320 │ │ │ │ │
──────────────┼───────┤ │ ├──────┼──────┤ ├───────
1200 х 900 │2 │ │ │800 │1100 │ │25
──────────────┤ │ │ │ ├──────┤ │
1200 х 1000 │ │ │ │ │1200 │ │
──────────────┤ ├──────┤ ├──────┤ │ │
1400 х 1000 │ │1560 │ │1000 │ │ │
──────────────┼───────┼──────┤ ├──────┤ ├──────┼───────
1600 х 1000 │3 │1760 │ │1300 │ │40 │20
──────────────┤ │ │ │ ├──────┤ │
1600 х 1200 │ │ │ │ │1400 │ │
──────────────┤ ├──────┼───────┼──────┼──────┤ │
1800 х 1000 │ │2000 │+/- 0,4│1500 │1200 │ │
──────────────┤ │ │ │ ├──────┤ │
1800 х 1200 │ │ │ │ │1400 │ │
──────────────┤ ├──────┤ ├──────┼──────┤ │
2000 х 1000 │ │2200 │ │1200 │1200 │ │
──────────────┼───────┤ │ │ ├──────┤ │
2000 х 1200 │4 │ │ │ │1440 │ │
──────────────┼───────┤ │ │ ├──────┤ │
2000 х 1400 │3 │ │ │ │1640 │ │
├───────┤ │ │ │ │ │
│4 │ │ │ │ │ │
──────────────┼───────┤ │ │ ├──────┤ │
2000 х 1600 │3 │ │ │ │1840 │ │
├───────┤ │ │ │ │ │
│4 │ │ │ │ │ │
──────────────┼───────┼──────┤ │ ├──────┤ │
2200 х 1400 │3 │2400 │ │ │1640 │ │
├───────┤ │ │ │ │ │
│4 │ │ │ │ │ │
──────────────┼───────┤ │ │ ├──────┤ │
2200 х 1600 │3 │ │ │ │1840 │ │
├───────┤ │ │ │ │ │
│4 │ │ │ │ │ │
──────────────┼───────┤ │ │ ├──────┤ │
2200 х 1800 │3 │ │ │ │2040 │ │
├───────┤ │ │ │ │ │
│4 │ │ │ │ │ │
──────────────┼───────┼──────┤ ├──────┼──────┤ │
2400 х 1600 │5 │2600 │ │1400 │1840 │ │
├───────┤ │ │ │ │ │
│6 │ │ │ │ │ │
──────────────┼───────┤ │ │ ├──────┤ │
2400 х 1800 │5 │ │ │ │2040 │ │
├───────┤ │ │ │ │ │
│6 │ │ │ │ │ │
──────────────┼───────┼──────┼───────┤ ├──────┤ │
2500 х 2000 │5 │2740 │+/- 0,5│ │2240 │ │
├───────┤ │ │ │ │ │
│6 │ │ │ │ │ │
──────────────┼───────┼──────┤ │ ├──────┤ │
2600 х 1600 │5 │2840 │ │ │1840 │ │
├───────┤ │ │ │ │ │
│6 │ │ │ │ │ │
──────────────┼───────┤ │ │ ├──────┤ │
2600 х 1800 │5 │ │ │ │2040 │ │
├───────┤ │ │ │ │ │
│6 │ │ │ │ │ │
──────────────┼───────┼──────┤ ├──────┤ │ │
2800 х 1800 │5 │3040 │ │1770 │ │ │
├───────┤ │ │ │ │ │
│6 │ │ │ │ │ │
──────────────┼───────┤ │ │ ├──────┤ │
2800 х 2000 │5 │ │ │ │2240 │ │
├───────┤ │ │ │ │ │
│6 │ │ │ │ │ │
──────────────┼───────┼──────┤ ├──────┼──────┤ │
3000 х 1800 │5 │3240 │ │1900 │2040 │ │
├───────┤ │ │ │ │ │
│6 │ │ │ │ │ │
──────────────┼───────┤ │ │ ├──────┤ │
3000 х 2000 │5 │ │ │ │2240 │ │
├───────┤ │ │ │ │ │
│6 │ │ │ │ │ │
1.1, 1.2. (Измененная редакция, Изм. N 1, 2.)
1.3. Основные размеры кондукторов типа 2 должны соответствовать указанным на черт. 2 и в
табл. 2.
Тип 2
Исполнение 1. Кондукторы для обработки двух центрирующих
отверстий
Исполнение 2. Кондукторы для обработки двух центрирующих и
четырех крепежных отверстий для опок диаметром
в свету 1200 мм
d,

и

- размеры отверстий под кондукторные втулки
Черт. 2
мм
──────────────────────────────┬───────────────────────────────────
Размеры опок в свету D │ А
├─────────────────┬─────────────────
│ Номин. │ Пред. откл.
──────────────────────────────┼─────────────────┼─────────────────
300 │400 │+/- 0,1
──────────────────────────────┼─────────────────┤
400 │500 │
──────────────────────────────┼─────────────────┤
500 │600 │
──────────────────────────────┼─────────────────┤
600 │700 │
──────────────────────────────┼─────────────────┤
750 │850 │
──────────────────────────────┼─────────────────┼─────────────────
800 │920 │+/- 0,2
──────────────────────────────┼─────────────────┤
1000 │1120 │
(Измененная редакция, Изм. N 1, 2.)
2. ТЕХНИЧЕСКИЕ ТРЕБОВАНИЯ
| | ИС МЕГАНОРМ: примечание. Взамен ГОСТ 16523-89 Постановлением Госстандарта РФ от 04.04.1999 N 113 с 1 января 2000 года введен в действие ГОСТ 16523-97. | |
2.2. Литые корпусы кондукторов должны изготовляться из серого чугуна не ниже марки СЧ 15 по ГОСТ 1412-85 или алюминиевых сплавов марок АК5М2 и АК7 по
ГОСТ 1583-93.
Допускается изготовление литых корпусов из алюминиевых сплавов марок АЛ2, АК9, АК7М2, АК4М4 и АЛ15В по
ГОСТ 1583-93.
2.3. Точность отливок деталей кондукторов не ниже 14-0-0-14 по
ГОСТ 26645-85. Неуказанные предельные отклонения размеров: Н14, hl4,

.
2.4. Допуск плоскостности опорных поверхностей кондукторов не должен быть более: 0,3 мм на длине до 1000 мм, 0,5 мм - на длине свыше 1000 мм до 1500 мм и 1 мм - на длине свыше 1500 мм.
2.5. Допуск перпендикулярности осей отверстий под центрирующие и направляющие втулки и штыри не должен быть более 0,1 мм на длине 200 мм (допуск зависимый).
2.1. - 2.5. (Измененная редакция, Изм. N 1, 2.)
2.7. Швы сварных соединений должны быть непрерывными. Трещины, наплывы, непровары, прожоги, шлаковые и газовые включения, а также другие дефекты, снижающие прочность сварных соединений и товарный вид кондуктора, не допускаются.
2.8. Поверхности отливок деталей кондукторов должны быть очищены от пригара и формовочной смеси. Заливы, заусенцы, остатки литников и другие неровности должны быть обрублены и зачищены.
2.9. Отливки не должны иметь трещин, сквозных спаев, усадочных рыхлот, раковин и других дефектов, снижающих их прочность. Допускается исправление дефектов заваркой, пайкой и другими способами, обеспечивающими эксплуатационные качества и товарный вид кондукторов.
2.10. Покрытие деталей кондукторов - Хим. Окс. прм по
ГОСТ 9.306-85. Механически необрабатываемые поверхности кондукторов должны быть окрашены по
ГОСТ 9.032-74.
(Измененная редакция, Изм. N 1.)
2.11. Расположение элементов зажима на кондукторе должно обеспечивать безопасность работы. При проектировании кондукторов следует предусматривать меры против самоотвинчивания деталей крепления.
2.12. Кондукторы массой более 20 кг должны иметь приспособления для транспортирования.
2.13. По заказу потребителя допускается изготовление совмещенных кондукторов для обработки отверстий двух и более типоразмеров опок и плит.
2.14. Схема совмещенного кондуктора указана в
Приложении.
3.1. Для проверки соответствия кондукторов требованиям настоящего стандарта и рабочих чертежей предприятие-изготовитель должно проводить приемосдаточные испытания.
3.2. Приемосдаточным испытаниям должен подвергаться каждый кондуктор.
3.3. При неудовлетворительных результатах испытаний хотя бы по одному из показателей проводят повторные испытания каждого кондуктора.
Результаты повторных испытаний являются окончательными.
4.1. Кондукторы должны подвергаться внешнему осмотру и проверке на соответствие требованиям
пп. 2.1 -
2.12.
4.3. Методы контроля качества швов сварных соединений - по
ГОСТ 3242-79.
5. МАРКИРОВКА, ТРАНСПОРТИРОВАНИЕ И ХРАНЕНИЕ
5.1. Каждый кондуктор в указанном на рабочем чертеже месте должен иметь четкую маркировку, содержащую его обозначение и товарный знак предприятия-изготовителя.
Маркировка должна хорошо читаться и сохраняться в продолжении всего срока службы кондуктора.
Способ нанесения маркировки устанавливается предприятием-изготовителем.
5.2. К каждому кондуктору должна быть прикреплена табличка, на которой должно быть указано:
- наименование кондуктора и размеры опоки в свету;
- обозначение кондуктора;
- масса в кг;
- клеймо технического контроля предприятия-изготовителя;
- дата выпуска.
5.3. Вариант временной противокоррозионной защиты -
ВЗ-4 по ГОСТ 9.014-78. Условия хранения - Л, условия транспортирования - Ж1 по
ГОСТ 15150-69.
(Измененная редакция, Изм. N 2.)
Рекомендуемое
СХЕМА СОВМЕЩЕННОГО КОНДУКТОРА
Пример выполнения совмещенного кондуктора для обработки двух центрирующих отверстий на два типоразмера прямоугольных литейных опок и модельных плит показан на чертеже.