Главная // Актуальные документы // ГОСТ (Государственный стандарт)СПРАВКА
Источник публикации
М.: ИПК Издательство стандартов, 2003
Примечание к документу
Документ утратил силу с 1 июля 2012 года в связи с изданием
Приказа Росстандарта от 19.08.2011 N 232-ст. Взамен введен в действие
ГОСТ 520-2011.
Действие данного документа, прекратившего применение на территории Российской Федерации
Приказом Ростехрегулирования от 27.12.2007 N 505-ст, восстановлено для добровольного применения в Российской Федерации с 1 января 2009 года (
Приказ Ростехрегулирования от 18.12.2008 N 647-ст).
Документ включен в
Перечень стандартов, содержащих правила и методы исследований (испытаний) и измерений, в том числе правила отбора образцов, необходимые для применения и исполнения требований технического
регламента таможенного союза "О безопасности машин и оборудования" (ТР ТС 010/2011) и осуществления оценки (подтверждения) соответствия продукции, и в
Перечень стандартов, в результате применения которых на добровольной основе обеспечивается соблюдение требований технического
регламента Таможенного союза "О безопасности машин и оборудования" (ТР ТС 010/2011) (
Решение Комиссии Таможенного союза от 18.10.2011 N 823).
Документ включен в
Перечень стандартов, в результате применения которых на добровольной основе обеспечивается соблюдение требований технического
регламента таможенного союза "О безопасности железнодорожного подвижного состава",
Перечень стандартов, содержащих правила и методы исследований (испытаний) и измерений, в том числе правила отбора образцов, необходимые для применения и исполнения технического
регламента таможенного союза "О безопасности железнодорожного подвижного состава" и осуществления оценки (подтверждения) соответствия продукции,
Перечень стандартов, в результате применения которых на добровольной основе обеспечивается соблюдение требований технического
регламента таможенного союза "О безопасности высокоскоростного железнодорожного транспорта", и в
Перечень стандартов, содержащих правила и методы исследований (испытаний) и измерений, в том числе правила отбора образцов, необходимые для применения и исполнения технического
регламента таможенного союза "О безопасности высокоскоростного железнодорожного транспорта" и осуществления оценки (подтверждения) соответствия продукции (
Решение Комиссии Таможенного союза от 15.07.2011 N 710).
Разделы 6 -
8 включены в
Перечень национальных стандартов, в результате применения которых на добровольной основе обеспечивается соблюдение требований технического
регламента "О безопасности колесных транспортных средств" (
Приказ Росстандарта от 20.08.2010 N 3109).
Пункты 6.2 -
7.5,
8.6,
8.8 -
8.15,
8.21,
8.22,
8.27,
8.32.1,
8.32.4 включены в
Перечень национальных стандартов, в результате применения которых на добровольной основе обеспечивается соблюдение требований технического
регламента "О безопасности машин и оборудования" утв. Постановлением Правительства РФ от 15.09.2009 N 753 (
Приказ Росстандарта от 20.08.2010 N 3108).
Документ включен в
Перечень документов в области стандартизации, содержащих правила и методы исследований (испытаний) и измерений, в том числе правила отбора образцов, необходимые для применения и исполнения технического
регламента о безопасности машин и оборудования, а также для осуществления оценки соответствия (
Распоряжение Правительства РФ от 05.08.2010 N 1328-р).
Текст данного документа приведен с учетом
поправки, опубликованной в "ИУС", N 1, 2004.
Документ
введен в действие с 1 июля 2003 года.
Взамен ГОСТ 520-89.
Название документа
"ГОСТ 520-2002 (ИСО 492-94, ИСО 199-97). Межгосударственный стандарт. Подшипники качения. Общие технические условия"
(введен в действие Постановлением Госстандарта России от 10.12.2002 N 460-ст)
"ГОСТ 520-2002 (ИСО 492-94, ИСО 199-97). Межгосударственный стандарт. Подшипники качения. Общие технические условия"
(введен в действие Постановлением Госстандарта России от 10.12.2002 N 460-ст)
комитета Российской Федерации
по стандартизации и метрологии
от 10 декабря 2002 г. N 460-ст
МЕЖГОСУДАРСТВЕННЫЙ СТАНДАРТ
ПОДШИПНИКИ КАЧЕНИЯ
ОБЩИЕ ТЕХНИЧЕСКИЕ УСЛОВИЯ
Rolling bearings. General specifications
ГОСТ 520-2002
(ИСО 492-94, ИСО 199-97)
Группа Г16
МКС 21.100.20
ОКП 46 0000
Дата введения
1 июля 2003 года
1. Разработан ОАО "ВНИПП", ВНИИНМАШ, МТК 307 "Подшипники качения" и Рабочей группой МТК 307/РГ-1.
Внесен Госстандартом России.
2. Принят Межгосударственным Советом по стандартизации, метрологии и сертификации (протокол N 4 от 12 апреля 2002 г., по переписке).
За принятие проголосовали:
┌───────────────────────────┬────────────────────────────────────┐
│ Наименование государства │ Наименование национального органа │
│ │ по стандартизации │
├───────────────────────────┼────────────────────────────────────┤
│ Азербайджанская Республика│ Азгосстандарт │
│ Республика Армения │ Армгосстандарт │
│ Республика Беларусь │ Госстандарт Республики Беларусь │
│ Республика Казахстан │ Госстандарт Республики Казахстан │
│ Кыргызская Республика │ Кыргызстандарт │
│ Республика Молдова │ Молдовастандарт │
│ Российская Федерация │ Госстандарт России │
│ Республика Таджикистан │ Таджикстандарт │
│ Туркменистан │ Главгосслужба "Туркменстандартлары"│
│ Республика Узбекистан │ Узгосстандарт │
│ Украина │ Госстандарт Украины │
└───────────────────────────┴────────────────────────────────────┘
3. Настоящий стандарт представляет собой аутентичный текст Международных стандартов ИСО 492-94 "Подшипники качения. Радиальные подшипники. Допуски" и ИСО 199-97 "Подшипники качения. Упорные подшипники. Допуски" и содержит дополнительные требования (
разделы 8 -
14), отражающие потребности экономики страны.
4.
Постановлением Государственного комитета Российской Федерации по стандартизации и метрологии от 10 декабря 2002 г. N 460-ст межгосударственный стандарт ГОСТ 520-2002 (ИСО 492-94, ИСО 199-97) введен в действие непосредственно в качестве государственного стандарта Российской Федерации с 1 июля 2003 г.
5. Взамен ГОСТ 520-89.
| | ИС МЕГАНОРМ: примечание. ГОСТ 18572-81 утратил силу с 01.07.2015 в связи с введением в действие ГОСТ 18572-2014 (Приказ Росстандарта от 09.07.2014 N 704-ст). Приказом Росстандарта от 01.03.2016 N 101-ст срок действия ГОСТ 18572-81 восстановлен для добровольного применения на территории Российской Федерации с 01.03.2016 в отношении продукции, поставляемой по Государственному оборонному заказу. | |
| | ИС МЕГАНОРМ: примечание. Взамен ГОСТ 8882-75 Приказом Росстандарта от 13.01.2022 N 8-ст с 01.03.2022 введен в действие ГОСТ 8882-2021. | |
Настоящий стандарт распространяется на подшипники качения по ГОСТ 831,
ГОСТ 832, ГОСТ 3478,
ГОСТ 4252, ГОСТ 4657,
ГОСТ 5377,
ГОСТ 5721, ГОСТ 6364,
ГОСТ 7242,
ГОСТ 7634,
ГОСТ 7872, ГОСТ 8328,
ГОСТ 8338, ГОСТ 8419, ГОСТ 8545, ГОСТ 8882, ГОСТ 8995, ГОСТ 9942, ГОСТ 18572, ГОСТ 20531, ГОСТ 23179, ГОСТ 23526,
ГОСТ 24696, ГОСТ 24850, ГОСТ 27057,
ГОСТ 27365,
ГОСТ 28428.
Настоящий стандарт не распространяется на некоторые подшипники определенных конструктивных исполнений (например, игольчатые подшипники со штампованным наружным кольцом) и на подшипники специальных видов применения (например, самолетные подшипники и приборные прецизионные подшипники). Допуски на такие подшипники приведены в соответствующих стандартах.
Стандарт устанавливает допуски на основные размеры и точность вращения подшипников и другие технические требования, приемку, методы контроля, маркировку, упаковку, транспортирование, хранение, указания по применению и эксплуатации, гарантии изготовителя.
Требования
разделов 1,
5 -
7,
9 -
14 и
8.1,
8.2,
8.4 -
8.15,
8.19 -
8.22,
8.24 -
8.26,
8.28,
8.29,
8.31 являются обязательными, остальные - рекомендуемыми.
Стандарт пригоден для целей сертификации.
В настоящем стандарте использованы ссылки на следующие стандарты:
ГОСТ 515-77 Бумага упаковочная битумированная и дегтевая. Технические условия
ГОСТ 831-75 Подшипники шариковые радиально-упорные однорядные. Типы и основные размеры
ГОСТ 832-78 Подшипники шариковые радиально-упорные сдвоенные. Типы и основные размеры
ГОСТ 2789-73 Шероховатость поверхности. Параметры и характеристики
ГОСТ 2893-82 Подшипники качения. Канавки под упорные пружинные кольца. Кольца упорные пружинные. Размеры
ГОСТ 2991-85 Ящики дощатые неразборные для грузов массой до 500 кг. Общие технические условия
ГОСТ 3189-89 Подшипники шариковые и роликовые. Система условных обозначений
ГОСТ 3325-85 Подшипники качения. Поля допусков и технические требования к посадочным поверхностям валов и корпусов. Посадки
ГОСТ 3395-89 Подшипники качения. Типы и конструктивные исполнения
ГОСТ 3478-79 Подшипники качения. Основные размеры
ГОСТ 3722-81 Подшипники качения. Шарики. Технические условия
ГОСТ 4252-75 Подшипники шариковые радиально-упорные двухрядные. Основные размеры
ГОСТ 4657-82 Подшипники роликовые радиальные игольчатые однорядные. Основные размеры. Технические требования
ГОСТ 5377-79 Подшипники роликовые радиальные с короткими цилиндрическими роликами без внутреннего или наружного кольца. Типы и основные размеры
ГОСТ 5721-75 Подшипники роликовые радиальные сферические двухрядные. Типы и основные размеры
ГОСТ 6364-78 Подшипники роликовые конические двухрядные. Основные размеры
ГОСТ 6870-81 Подшипники качения. Ролики игольчатые. Технические условия
ГОСТ 7242-81 Подшипники шариковые радиальные однорядные с защитными шайбами. Технические условия
ГОСТ 7634-75 Подшипники радиальные роликовые многорядные с короткими цилиндрическими роликами. Типы и основные размеры
ГОСТ 7872-89 Подшипники упорные шариковые одинарные и двойные. Технические условия
ГОСТ 8328-75 Подшипники роликовые радиальные с короткими цилиндрическими роликами. Типы и основные размеры
ГОСТ 8338-75 Подшипники шариковые радиальные однорядные. Основные размеры
ГОСТ 8419-75 Подшипники роликовые конические четырехрядные. Основные размеры
ГОСТ 8530-90 (ИСО 2982-72, ИСО 2983-75) Подшипники качения. Гайки, шайбы и скобы для закрепительных и стяжных втулок. Технические условия
ГОСТ 8545-75 Подшипники шариковые и роликовые двухрядные с закрепительными втулками. Типы и основные размеры
| | ИС МЕГАНОРМ: примечание. Взамен ГОСТ 8882-75 Приказом Росстандарта от 13.01.2022 N 8-ст с 01.03.2022 введен в действие ГОСТ 8882-2021. | |
ГОСТ 8882-75 Подшипники шариковые радиальные однорядные с уплотнениями. Технические условия
ГОСТ 8995-75 Подшипники шариковые радиально-упорные однорядные с одним разъемным кольцом. Типы и основные размеры
ГОСТ 9142-90 Ящики из гофрированного картона. Общие технические условия
ГОСТ 9592-75 Подшипники шариковые радиальные с выступающим внутренним кольцом. Технические условия
ГОСТ 9942-90 Подшипники упорно-радиальные роликовые сферические одинарные. Технические условия
ГОСТ 13014-80 Втулки стяжные подшипников качения. Основные размеры
ГОСТ 16148-79 Ящики деревянные для подшипников качения. Технические условия
ГОСТ 16272-79 Пленка поливинилхлоридная пластифицированная техническая. Технические условия
ГОСТ 18242-77
<*> Статистический приемочный контроль по альтернативному признаку. Планы контроля
ГОСТ 18321-73 Статистический контроль качества. Методы случайного отбора выборок штучной продукции
| | ИС МЕГАНОРМ: примечание. ГОСТ 18572-81 утратил силу с 01.07.2015 в связи с введением в действие ГОСТ 18572-2014 (Приказ Росстандарта от 09.07.2014 N 704-ст). Приказом Росстандарта от 01.03.2016 N 101-ст срок действия ГОСТ 18572-81 восстановлен для добровольного применения на территории Российской Федерации с 01.03.2016 в отношении продукции, поставляемой по Государственному оборонному заказу. | |
ГОСТ 18572-81 Подшипники роликовые с цилиндрическими роликами для букс железнодорожного подвижного состава. Основные размеры
ГОСТ 18854-94 (ИСО 76-87) Подшипники качения. Статическая грузоподъемность
ГОСТ 18855-94 (ИСО 281-99) Подшипники качения. Динамическая расчетная грузоподъемность и расчетный ресурс (долговечность)
ГОСТ 20531-75 Подшипники роликовые игольчатые радиально-упорные комбинированные. Технические условия
ГОСТ 22696-77 Подшипники качения. Ролики цилиндрические короткие. Технические условия
ГОСТ 23179-78 Подшипники качения радиальные шариковые однорядные гибкие. Технические условия
ГОСТ 23526-79 Подшипники роликовые упорные с цилиндрическими роликами одинарные. Типы и основные размеры
ГОСТ 24208-80 Втулки закрепительные подшипников качения. Основные размеры
ГОСТ 24634-81 Ящики деревянные для продукции, поставляемой для экспорта. Общие технические условия
ГОСТ 24696-81 Подшипники роликовые радиальные сферические двухрядные с симметричными роликами. Основные размеры
ГОСТ 24810-81 Подшипники качения. Зазоры
ГОСТ 24850-81 Подшипники шариковые радиальные однорядные с двумя уплотнениями, с широким внутренним кольцом и сферической наружной поверхностью наружного кольца. Основные размеры
ГОСТ 24955-81 Подшипники качения. Термины и определения
ГОСТ 25255-82 Подшипники качения. Ролики цилиндрические длинные. Технические условия
ГОСТ 25256-82 Подшипники качения. Допуски. Термины и определения
ГОСТ 25455-82 Подшипники качения. Втулки закрепительные и стяжные. Технические условия
ГОСТ 27057-86 Подшипники упорные роликовые конические одинарные. Основные размеры
ГОСТ 27365-87 Подшипники роликовые конические однорядные повышенной грузоподъемности. Основные размеры
ГОСТ 28428-90 Подшипники радиальные шариковые сферические двухрядные. Технические условия
--------------------------------
В настоящем стандарте применяют следующие термины и обозначения с соответствующими определениями.
Только нижнее отклонение допуска на диаметр отверстия и верхнее отклонение допуска на наружный диаметр распространяются на всю ширину отверстий и наружные поверхности подшипниковых колец. Определения в
3.4.1,
3.4.2 и
3.5.1 относятся только к поверхностям между фасками колец.
Если нет особых уточнений, то термины "кольцо", "внутреннее кольцо" и "наружное кольцо" соответственно включают плоское кольцо, тугое кольцо упорного и упорно-радиального подшипников и свободное кольцо упорного и упорно-радиального подшипников.
Для конических роликовых подшипников термин "внутреннее кольцо конического подшипника" иногда используют для определения "внутреннего кольца" или "внутреннего подузла", а "наружное кольцо конического подшипника" - для определения "наружного кольца".
Термин "единичный" применялся в технологии изготовления подшипников качения в течение длительного времени (единичное отверстие, единичный наружный диаметр и т.д.), но он означает то, что и термин "действительный локальный", используемый в международных стандартах и определенный в ИСО 286-1
[1].
3.1.1. Измерительное усилие: усилие, прилагаемое наконечником индикатора или самописца к измеряемой поверхности.
3.1.2. Измерительная нагрузка: усилие извне, прилагаемое к испытуемому образцу при проведении измерения.
3.2. Подшипники и типоразмеры подшипников
3.2.1. Открытый подшипник качения: подшипник качения без уплотнений и защитных шайб.
3.2.2. Закрытый подшипник качения: подшипник качения с одним или двумя уплотнениями, с одной или двумя защитными шайбами или одним уплотнением и одной защитной шайбой.
3.2.3. Самолетный подшипник качения: подшипник качения, по конструкции или исполнению предназначенный для применения в самолетах, в том числе в системах управления.
3.2.4. Приборный прецизионный подшипник качения: подшипник качения, по конструкции или исполнению предназначенный для применения в приборах.
3.2.5. Сдвоенный подшипник: два подшипника качения, смонтированных рядом на одном валу таким образом, что они работают как один подшипник.
3.2.6. Комплектный подшипник качения: один из подшипников качения, входящих в состав сдвоенного подшипника или в комплект подшипников.
3.2.7. Подузел подшипника: кольцо подшипника с телами качения или без них или с сепаратором и телами качения или тела качения с сепаратором в сборе, которые могут быть свободно отделены от подшипника.
3.2.8. Базовый типоразмер подшипника: типоразмер подшипника, имеющий наиболее широко применяемую внутреннюю конструкцию и основное условное обозначение в соответствии с ГОСТ 3189 (например, 205, 7609).
3.2.9. Модификация базового типоразмера подшипника: типоразмер подшипника, имеющий тип, конструктивную разновидность и габаритные размеры соответствующего базового типоразмера, но отличающийся особенностями внутренней конструкции (сепаратора и др.) и определяемый в условном обозначении дополнительными знаками (например, 205К, 1000802Л).
3.3. Оси, направления, плоскости, положения и поверхности
3.3.1. Ось подшипника: теоретическая ось вращения подшипника качения.
3.3.2. Ось внутреннего кольца: ось цилиндра или конуса, вписанного соответственно в цилиндрическое или коническое отверстие внутреннего кольца.
3.3.3. Ось наружного кольца: ось цилиндра, описанного вокруг наружной цилиндрической поверхности наружного кольца.
3.3.4. Базовый торец кольца: торец, спроектированный изготовителем как базовый торец подшипника, который может служить базой для измерений.
Примечания.
1. Базовым торцом для измерения кольца обычно является немаркированный торец. Для симметричных колец, когда невозможно определить базовый торец, считается, что допуски относятся к любому торцу.
2. Для подшипников, предназначенных для восприятия осевых нагрузок, им в основном является широкий торец.
3. Для подшипников с наружными кольцами, имеющими упорный борт, базовым торцом является опорный торец упорного борта, предназначенный для восприятия осевой нагрузки.
3.3.5. Радиальная плоскость: плоскость, перпендикулярная к оси.
Примечание. Для кольца подшипника принято считать, что радиальная плоскость параллельна плоскости, касательной к базовому торцу кольца.
3.3.6. Радиальное направление: направление, пересекающее ось в радиальной плоскости.
3.3.7. Осевая плоскость: плоскость, содержащая ось.
3.3.8. Осевое направление: направление, параллельное оси.
Примечание. Для кольца подшипника принято, однако, считать, что осевое направление перпендикулярно к плоскости, касательной к базовому торцу кольца.
3.3.9. Монтажная поверхность: поверхность отверстия внутреннего (тугого) кольца, наружная поверхность наружного (свободного) кольца, поверхность базового торца.
3.3.10. Единичная плоскость: любая радиальная или осевая плоскость, в которой могут проводиться измерения.
3.3.11. Упорный борт на наружном кольце: борт на наружной поверхности наружного кольца подшипника, предназначенный для осевой фиксации подшипника в корпусе и для восприятия осевой нагрузки.
3.3.12. Опорный торец упорного борта: поверхность упорного борта наружного кольца, воспринимающая нагрузку.
3.3.13. Единичный размер: любое отдельное расстояние, измеренное между любыми двумя противоположными точками (например, диаметр, ширина и т.д.).
Примечание. Этот параметр рассматривается также как "локальный действительный размер" (см. ИСО 286-1
[1]).
3.3.14. Действительный размер: размер детали, полученный путем измерения (например, диаметр, ширина и т.д.).
3.3.15. Цилиндр: поверхность вращения, образованная прямой линией, параллельной ее оси.
3.3.16. Конус: поверхность вращения, образованная прямой линией, пересекающей ось.
3.3.17. Диаметр контакта дорожки качения: диаметр окружности, проходящей через номинальные точки контакта на дорожке качения.
Примечание. В роликовых подшипниках номинальными точками контакта считаются главным образом точки в середине длины ролика.
3.3.18. Середина дорожки качения: точка или линия на поверхности дорожки качения, лежащая посередине между двумя кромками дорожки качения.
Примечание. Непостоянства диаметров (ширин) и средние диаметры (ширины), определяемые в этом разделе, являются разностью и среднеарифметическими значениями действительных наибольшего и наименьшего единичных размеров, а не допустимых предельных значений единичных размеров. Пояснения, касающиеся допусков на размеры диаметров, даны в
Приложении А.
3.4.1.1. Номинальный диаметр отверстия d: диаметр цилиндра, содержащий в себе теоретическую поверхность в основном цилиндрического отверстия, или диаметр конуса в определенной радиальной плоскости, содержащий в себе теоретическую поверхность в основном конического отверстия.
Примечание. Для подшипников качения номинальный диаметр отверстия является базовой величиной (базовым диаметром) для измерения отклонений действительной поверхности отверстия.
3.4.1.2. Единичный диаметр отверстия

: расстояние между двумя параллельными линиями, касательными к линии пересечения действительной поверхности отверстия любой радиальной плоскостью.
3.4.1.3. Единичный диаметр отверстия в единичной плоскости

: единичный диаметр отверстия, относящийся к конкретной радиальной плоскости.
3.4.1.4. Отклонение единичного диаметра отверстия

: разность между единичным и номинальным диаметрами отверстия

.
3.4.1.5. Непостоянство диаметра отверстия (в основном цилиндрического отверстия)

: разность между наибольшим и наименьшим единичными диаметрами отверстия отдельного кольца

.
3.4.1.6. Средний диаметр отверстия (в основном цилиндрического отверстия)

: среднеарифметическое значение наибольшего и наименьшего единичных диаметров отверстия отдельного кольца

.
3.4.1.7. Отклонение среднего диаметра отверстия (в основном цилиндрического отверстия)

: разность между средним и номинальным диаметрами отверстия

.
3.4.1.8. Средний диаметр отверстия в единичной плоскости

: среднеарифметическое значение наибольшего и наименьшего единичных диаметров отверстия в единичной радиальной плоскости

.
3.4.1.9. Отклонение среднего диаметра отверстия в единичной плоскости

: разность между средним и номинальным диаметрами отверстия в единичной радиальной плоскости

.
3.4.1.10. Непостоянство диаметра отверстия в единичной плоскости

: разность между наибольшим и наименьшим единичными диаметрами отверстия в единичной радиальной плоскости

.
3.4.1.11. Непостоянство среднего диаметра отверстия (в основном цилиндрического отверстия)

: разность между наибольшим и наименьшим средними диаметрами отверстия в единичных радиальных плоскостях отдельного кольца

.
3.4.1.12. Номинальный диаметр отверстия комплекта тел качения (радиальный подшипник без внутреннего кольца)

: диаметр теоретического цилиндра, вписанного внутрь всех тел качения.
3.4.1.13. Единичный диаметр отверстия комплекта тел качения (радиальный подшипник без внутреннего кольца)

: расстояние между двумя параллельными линиями, касательными к линии пересечения огибающего профиля, вписанного в комплект тел качения, и радиальной плоскости.
3.4.1.14. Наименьший единичный диаметр отверстия комплекта тел качения (радиальный подшипник без внутреннего кольца)

: наименьший из единичных диаметров отверстия комплекта тел качения.
Примечание. Наименьший единичный диаметр отверстия комплекта тел качения есть диаметр цилиндра, который при размещении его в отверстии комплекта тел качения образует нулевой радиальный зазор по крайней мере в одном радиальном направлении.
3.4.1.15. Средний диаметр отверстия комплекта тел качения (радиальный подшипник без внутреннего кольца)

: среднеарифметическое значение наибольшего и наименьшего единичных диаметров отверстия комплекта тел качения

.
3.4.1.16. Отклонение среднего диаметра отверстия комплекта тел качения (радиальный подшипник без внутреннего кольца)

: разность между средним и номинальным диаметрами отверстия комплекта тел качения

.
3.4.2.1. Номинальный наружный диаметр (в основном цилиндрической наружной поверхности) D: диаметр цилиндра, содержащий теоретическую наружную поверхность.
Примечание. Для подшипников качения номинальный наружный диаметр является в основном базовой величиной (базовым диаметром) для отклонений действительной наружной поверхности.
3.4.2.2. Единичный наружный диаметр

: расстояние между двумя параллельными линиями, касательными к линии пересечения действительной наружной поверхности радиальной плоскостью.
3.4.2.3. Единичный наружный диаметр в единичной плоскости

: единичный наружный диаметр, относящийся к конкретной радиальной плоскости.
3.4.2.4. Отклонение единичного диаметра наружного отверстия (в основном цилиндрической наружной поверхности)

: разность между единичным и номинальным наружными диаметрами

.
3.4.2.5. Непостоянство наружного диаметра (в основном цилиндрической наружной поверхности)

: разность между наибольшим и наименьшим единичными наружными диаметрами отдельного кольца

.
3.4.2.6. Средний наружный диаметр (в основном цилиндрической наружной поверхности)

: среднеарифметическое значение наибольшего и наименьшего единичных наружных диаметров отдельного кольца

.
3.4.2.7. Отклонение среднего наружного диаметра (в основном цилиндрической наружной поверхности)

: разность между средним и номинальным наружными диаметрами

.
3.4.2.8. Средний наружный диаметр в единичной плоскости

: среднеарифметическое значение наибольшего и наименьшего единичных наружных диаметров в единичной радиальной плоскости

.
3.4.2.9. Отклонение среднего наружного диаметра в единичной плоскости (в основном цилиндрической наружной поверхности)

: разность между средним и номинальным наружными диаметрами в единичной радиальной плоскости

.
3.4.2.10. Непостоянство наружного диаметра в единичной плоскости

: разность между наибольшим и наименьшим единичными наружными диаметрами в единичной радиальной плоскости

.
| | ИС МЕГАНОРМ: примечание. Нумерация пунктов дана в соответствии с официальным текстом документа. | |
3.4.1.11. Непостоянство среднего наружного диаметра (в основном цилиндрической наружной поверхности)

: разность между наибольшим и наименьшим средними наружными диаметрами в единичных радиальных плоскостях отдельного кольца

.
| | ИС МЕГАНОРМ: примечание. Нумерация пунктов дана в соответствии с официальным текстом документа. | |
3.4.1.12. Номинальный наружный диаметр комплекта тел качения (радиальный подшипник без наружного кольца)

: диаметр теоретического цилиндра, описанного вокруг всех тел качения.
3.4.2.13. Единичный наружный диаметр комплекта тел качения (радиальный подшипник без наружного кольца)

: расстояние между двумя параллельными линиями, касательными к линии пересечения огибающего профиля, описанного вокруг комплекта тел качения, и радиальной плоскостью.
3.4.2.14. Наибольший единичный наружный диаметр комплекта тел качения (радиальный подшипник без наружного кольца)

: наибольший из единичных наружных диаметров комплекта тел качения.
Примечание. Наибольший единичный наружный диаметр комплекта тел качения есть диаметр цилиндра, который при размещении его вокруг комплекта тел качения образует нулевой радиальный зазор по крайней мере в одном радиальном направлении.
3.4.2.15. Средний наружный диаметр комплекта тел качения (радиальный подшипник без наружного кольца)

: среднеарифметическое значение наибольшего и наименьшего единичных наружных диаметров комплекта тел качения

.
3.4.2.16. Отклонение среднего наружного диаметра комплекта тел качения (радиальный подшипник без наружного кольца)

: разность между средним и номинальным наружными диаметрами комплекта тел качения

.
3.4.3.1. Номинальная ширина кольца B (внутреннее кольцо) или C (наружное кольцо): расстояние между двумя теоретическими торцевыми поверхностями кольца.
Примечание. Для колец подшипников качения номинальная ширина является в основном базовой величиной (базовым размером) для отклонений действительной ширины.
3.4.3.2. Единичная ширина кольца

или

: расстояние между точками пересечения двух действительных торцов кольца с прямой, перпендикулярной к плоскости, касательной к базовому торцу кольца.
3.4.3.3. Отклонение единичной ширины кольца

или

: разность между единичной и номинальной ширинами кольца

или

.
3.4.3.4. Непостоянство ширины кольца

или

: разность между наибольшей и наименьшей единичными ширинами отдельного кольца

или

.
3.4.3.5. Средняя ширина кольца

или

: среднеарифметическое значение наибольшей и наименьшей единичных ширин отдельного кольца

или

.
3.4.3.6. Номинальная ширина упорного борта наружного кольца

: расстояние между двумя теоретическими торцами упорного борта наружного кольца.
3.4.3.7. Единичная ширина упорного борта наружного кольца

: расстояние между точками пересечения двух действительных торцов упорного борта наружного кольца с прямой, перпендикулярной к плоскости, касательной к опорному торцу упорного борта.
3.4.3.8. Отклонение единичной ширины упорного борта наружного кольца

: разность между единичной и номинальной ширинами упорного борта наружного кольца

.
3.4.3.9. Непостоянство ширины упорного борта наружного кольца

: разность между наибольшей и наименьшей единичными ширинами упорного борта отдельного кольца

.
3.4.3.10. Номинальная ширина радиального и радиально-упорного подшипников B, C или T: расстояние между двумя теоретическими торцами кольца, предназначенными для ограничения ширины подшипника.
Примечание. Номинальная ширина подшипника является в основном базовой величиной (базовым размером) для отклонений действительной ширины подшипника. Символ B применяется, когда номинальная ширина подшипника является расстоянием между торцами внутреннего кольца или когда ширины внутреннего и наружного колец подшипника одинаковы и их теоретические торцы лежат в одной плоскости. Символ C применяется, когда номинальная ширина подшипника является расстоянием между торцами наружного кольца (когда символ B неприемлем). Символ T применяется, когда номинальная ширина (монтажная высота) подшипника является расстоянием между одним торцом внутреннего кольца и противоположным торцом наружного кольца.
3.4.3.11. Действительная ширина (монтажная высота) подшипника (радиального и радиально-упорного подшипников, когда один торец внутреннего кольца и один торец наружного кольца ограничивают ширину подшипника)

: расстояние между точками пересечения оси подшипника с двумя плоскостями, касательными к действительным базовым торцам колец, предназначенным для ограничения ширины подшипника.
Примечание. Для конического однорядного роликового подшипника это расстояние между точками пересечения оси подшипника с двумя плоскостями, одна из которых является касательной к действительному широкому торцу внутреннего подузла, а другая является касательной к действительному широкому торцу наружного кольца.
Дорожки качения внутреннего и наружного колец, упорный бортик широкого торца внутреннего кольца должны находиться в контакте со всеми роликами.
3.4.3.12. Отклонение действительной ширины (монтажной высоты) подшипника (радиального и радиально-упорного подшипников, когда один торец внутреннего кольца и один торец наружного кольца ограничивают ширину подшипника)

: разность между действительной и номинальной ширинами подшипника

.
3.4.3.13. Номинальная высота упорного и упорно-радиального подшипников T: расстояние между двумя широкими теоретическими торцами колец, предназначенными для ограничения высоты подшипника.
Примечание. Номинальная высота подшипника является в основном базовой величиной (базовым размером) для отклонений действительной высоты подшипника.
3.4.3.14. Действительная высота упорного и упорно-радиального подшипников

: расстояние между точками пересечения оси подшипника с двумя плоскостями, касательными к действительным широким торцам колец, предназначенными для ограничения высоты подшипника.
3.4.3.15. Отклонение действительной высоты упорного и упорно-радиального подшипников

: разность между действительной и номинальной высотами подшипника

.
3.4.3.16. Номинальная монтажная высота внутреннего подузла (конического роликового подшипника)

: расстояние между широким теоретическим торцом внутреннего подузла и теоретическим базовым торцом эталонного наружного кольца.
3.4.3.17. Действительная монтажная высота внутреннего подузла (конического роликового подшипника)

: расстояние между точками пересечения оси внутреннего подузла с двумя плоскостями, одна из которых является касательной к действительному широкому торцу внутреннего подузла, а другая является касательной к базовому торцу эталонного наружного кольца.
Примечание. Дорожки качения внутреннего кольца и эталонного наружного кольца и упорный бортик широкого торца внутреннего кольца должны находиться в контакте со всеми роликами.
3.4.3.18. Отклонение действительной монтажной высоты внутреннего подузла (конического роликового подшипника)

: разность между действительной и номинальной монтажными высотами внутреннего подузла

.
3.4.3.19. Номинальная монтажная высота наружного кольца (конического роликового подшипника)

: расстояние между широким теоретическим торцом наружного кольца и теоретическим базовым торцом эталонного внутреннего подузла.
Примечание. Для однорядного конического роликового подшипника с упорным бортом на наружном кольце

равна расстоянию между теоретическим опорным торцом упорного борта и теоретическим базовым торцом эталонного внутреннего подузла.
3.4.3.20. Действительная монтажная высота наружного кольца (конического роликового подшипника)

: расстояние между точками пересечения оси наружного кольца с двумя плоскостями, одна из которых является касательной к действительному широкому торцу наружного кольца, а другая является касательной к базовому торцу эталонного внутреннего подузла.
Примечание. Для однорядного конического роликового подшипника с упорным бортом на наружном кольце

равна расстоянию между действительным опорным торцом упорного борта и базовым (широким) торцом эталонного внутреннего подузла.
3.4.3.21. Отклонение действительной монтажной высоты наружного кольца (конического роликового подшипника)

: разность между действительной и номинальной монтажными высотами наружного кольца

.
3.4.4. Размер фаски кольца
3.4.4.1. Номинальный размер фаски r: размер фаски кольца, используемый как базовый.
Примечание. Номинальный размер фаски соответствует наименьшему единичному размеру фаски.
3.4.4.2. Единичный размер фаски (радиальный)

: расстояние между вершиной воображаемого угла и точкой на линии пересечения поверхности фаски с торцом кольца в единичной осевой плоскости.
3.4.4.3. Единичный размер фаски (осевой): расстояние между вершиной воображаемого угла и точкой на линии пересечения поверхности фаски с поверхностью отверстия или наружной поверхностью кольца в единичной осевой плоскости.
3.4.4.4. Наименьший единичный размер (минимальный предел) фаски

: наименьший допустимый радиальный и осевой единичные размеры фаски кольца и, кроме этого, радиус воображаемой кольцевой дуги в осевой плоскости, касательной к торцу и поверхности отверстия или наружной поверхности, за которую не должен выступать материал кольца.
3.4.4.5. Наибольший единичный размер (максимальный предел) фаски

: наибольший допустимый радиальный и осевой единичные размеры фаски кольца.
3.5. Геометрическая точность
3.5.1.1. Отклонение от круглости (в основном круговой линии на поверхности): наибольшее расстояние в радиальном направлении от точек реального профиля до прилегающей окружности.
3.5.1.2. Отклонение от цилиндричности (в основном цилиндрической поверхности): наибольшее расстояние в радиальном направлении в любой радиальной плоскости от любой точки реальной поверхности до прилегающего вписанного (внутренняя поверхность) или описанного (наружная поверхность) цилиндра.
3.5.1.3. Отклонение от сферической формы (в основном сферической поверхности): наибольшее расстояние в радиальном направлении любой точки экваториальной плоскости от точек реальной поверхности до прилегающей вписанной (внутренняя поверхность) или описанной (наружная поверхность) сферы.
3.5.2. Непараллельность дорожки качения
3.5.2.1. Непараллельность дорожки качения внутреннего кольца относительно торца (радиального и радиально-упорного шариковых желобных подшипников)

: разность между наибольшим и наименьшим расстояниями в осевом направлении от середины дорожки качения внутреннего кольца до плоскости, касательной к базовому торцу.
3.5.2.2. Непараллельность дорожки качения наружного кольца относительно торца (радиального и радиально-упорного шариковых желобных подшипников)

: разность между наибольшим и наименьшим расстояниями в осевом направлении от середины дорожки качения наружного кольца до плоскости, касательной к базовому торцу.
3.5.3. Неперпендикулярность поверхности
3.5.3.1. Неперпендикулярность торца внутреннего кольца относительно отверстия

: разность между наибольшим и наименьшим расстояниями в осевом направлении от базового торца до радиальной плоскости, перпендикулярной к оси внутреннего кольца, на расстоянии от оси в радиальном направлении, равном половине среднего диаметра торца.
Примечание. Этот параметр был общеизвестен как "биение торца внутреннего кольца относительно отверстия", и допуски базировались на этом определении. Если проведена оценка как "отверстие относительно торца", то измеренная величина будет рассчитываться так, чтобы соответствовать термину "торец относительно отверстия".
3.5.3.2. Неперпендикулярность наружной поверхности наружного кольца относительно торца (в основном цилиндрическая поверхность)

: общее изменение относительного положения в радиальном направлении, параллельном плоскости, касательной к базовому торцу наружного кольца, точек, расположенных на одной и той же образующей наружной поверхности на расстоянии от торцевых поверхностей этого кольца, равном 1,2 наибольшего осевого единичного размера фаски.
3.5.3.3. Неперпендикулярность наружной поверхности наружного кольца относительно опорного торца упорного борта (в основном цилиндрическая поверхность)

: общее изменение относительного положения в радиальном направлении, параллельном плоскости, касательной к опорному торцу упорного борта наружного кольца, точек, расположенных на одной и той же образующей наружной поверхности подшипника на расстоянии от торцевой поверхности, противоположной упорному борту, и от опорного торца упорного борта, равном 1,2 наибольшего осевого единичного размера фаски.
3.5.4. Разностенность
3.5.4.1. Разностенность дорожки качения внутреннего кольца относительно отверстия (радиального и радиально-упорного подшипников)

: разность между наибольшим и наименьшим расстояниями в радиальном направлении от поверхности отверстия до середины дорожки качения снаружи внутреннего кольца.
3.5.4.2. Разностенность дорожки качения наружного кольца относительно наружной поверхности (радиального и радиально-упорного подшипников)

: разность между наибольшим и наименьшим расстояниями в радиальном направлении от наружной поверхности до середины дорожки качения изнутри наружного кольца.
3.5.4.3. Разностенность дорожки качения тугого кольца относительно широкого торца (упорный и упорно-радиальный подшипники, плоский широкий торец)

: разность между наибольшим и наименьшим расстояниями в осевом направлении от широкого торца до середины дорожки качения на противоположной стороне тугого кольца.
3.5.4.4. Разностенность дорожки качения свободного кольца относительно широкого торца (упорный и упорно-радиальный подшипники, плоский широкий торец)

: разность между наибольшим и наименьшим расстояниями в осевом направлении от широкого торца до середины дорожки качения на противоположной стороне свободного кольца.
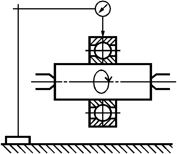
3.6.1. Радиальное биение
Примечание. Радиальное биение собранного подшипника является результатом нескольких отдельных, но сведенных воедино факторов.
3.6.1.1. Радиальное биение внутреннего кольца собранного радиального и радиально-упорного подшипников

: разность между наибольшим и наименьшим расстояниями в радиальном направлении от неподвижной точки на наружной поверхности наружного кольца до поверхности отверстия в различных относительных угловых положениях внутреннего кольца. В направлении указанной неподвижной точки

качения должны быть в контакте с дорожками качения наружного и внутреннего колец, а у конического подшипника - и с опорным торцом бортика широкого торца внутреннего кольца.
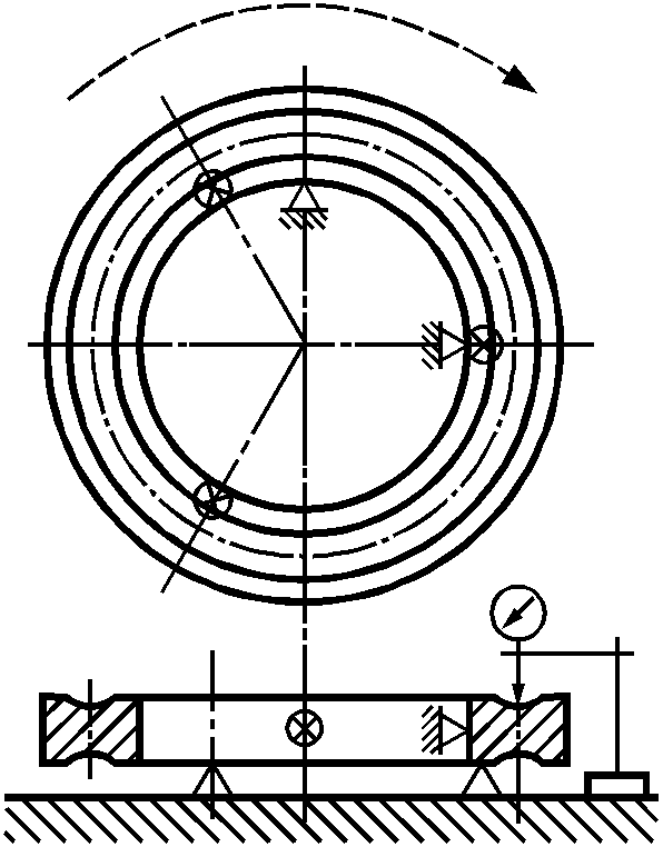
3.6.1.2. Радиальное биение наружного кольца собранного радиального и радиально-упорного подшипников

: разность между наибольшим и наименьшим расстояниями в радиальном направлении от неподвижной точки на поверхности отверстия внутреннего кольца до наружной поверхности наружного кольца в различных относительных угловых положениях этого кольца. В направлении указанной неподвижной точки

качения должны быть в контакте с дорожками качения наружного и внутреннего колец, а у конического подшипника - и с опорным торцом бортика широкого торца внутреннего кольца.
3.6.1.3. Асинхронное радиальное биение внутреннего кольца собранного радиального подшипника

: разность между наибольшим и наименьшим расстояниями в радиальном направлении от любой зафиксированной точки на поверхности наружного диаметра наружного кольца относительно зафиксированной точки на поверхности отверстия внутреннего кольца, измеренная при многократном вращении внутреннего кольца в обоих направлениях, причем тела качения находятся в контакте с дорожками качения как внутреннего, так и наружного колец, а в коническом роликовом подшипнике - с бортиком широкого торца внутреннего кольца.
Примечания.
1. Асинхронное радиальное биение является неповторяющимся.
2. Необходимо выполнять несколько измерений, причем всякий раз необходимо брать разные неподвижные точки на наружном и внутреннем кольцах.
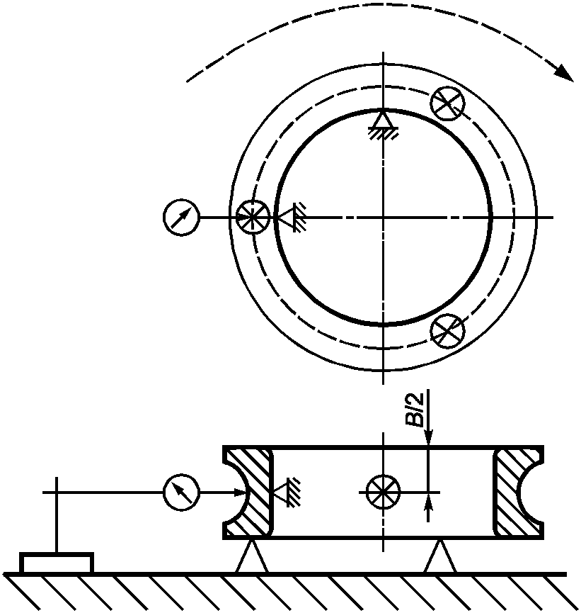
3.6.2. Осевое биение
Примечание. Осевое биение собранного подшипника является результатом нескольких отдельных, но вместе взятых факторов.
3.6.2.1. Осевое биение внутреннего кольца собранного подшипника (радиальный и радиально-упорный шариковый желобной подшипники)

: разность между наибольшим и наименьшим расстояниями в осевом направлении между базовым торцом внутреннего кольца в различных угловых положениях этого кольца на расстоянии в радиальном направлении от оси внутреннего кольца, равном половине диаметра контакта дорожки качения внутреннего кольца, и точкой в неподвижном положении относительно наружного кольца, причем дорожки качения наружного и внутреннего колец должны быть в контакте со всеми шариками.
3.6.2.2. Осевое биение внутреннего кольца собранного конического роликового подшипника

: разность между наибольшим и наименьшим расстояниями в осевом направлении между широким торцом внутреннего кольца в различных угловых положениях этого кольца на расстоянии в радиальном направлении от оси внутреннего кольца, равном половине среднего диаметра контакта дорожки качения внутреннего кольца, и точкой в неподвижном положении относительно наружного кольца, причем дорожки качения наружного и внутреннего колец и опорный торец бортика широкого торца внутреннего кольца должны быть в контакте со всеми роликами.
3.6.2.3. Осевое биение наружного кольца собранного подшипника (радиальный и радиально-упорный шариковый желобной подшипники)

: разность между наибольшим и наименьшим расстояниями в осевом направлении между базовым торцом наружного кольца в различных угловых положениях этого кольца на расстоянии в радиальном направлении от оси наружного кольца, равном половине диаметра контакта дорожки качения наружного кольца, и точкой в неподвижном положении относительно внутреннего кольца, причем дорожки качения наружного и внутреннего колец должны быть в контакте со всеми шариками.
3.6.2.4. Осевое биение наружного кольца собранного конического роликового подшипника

: разность между наибольшим и наименьшим расстояниями в осевом направлении между широким торцом наружного кольца в различных угловых положениях этого кольца на расстоянии в радиальном направлении от оси наружного кольца, равном половине среднего диаметра контакта дорожки качения наружного кольца, и точкой в неподвижном положении относительно внутреннего кольца, причем дорожки качения наружного и внутреннего колец и опорный торец бортика широкого торца внутреннего кольца должны быть в контакте со всеми роликами.
3.6.2.5. Осевое биение опорного торца упорного борта наружного кольца собранного подшипника (радиальный и радиально-упорный шариковый желобной подшипники)

: разность между наибольшим и наименьшим расстояниями в осевом направлении между опорным торцом упорного борта торца наружного кольца в различных угловых положениях этого кольца на расстоянии в радиальном направлении от оси наружного кольца, равном половине среднего диаметра опорного торца упорного борта наружного кольца, и точкой в неподвижном положении относительно внутреннего кольца, причем дорожки качения наружного и внутреннего колец должны быть в контакте со всеми шариками.
3.6.2.6. Осевое биение опорного торца упорного борта наружного кольца собранного конического роликового подшипника

: разность между наибольшим и наименьшим расстояниями в осевом направлении между опорным торцом упорного борта торца наружного кольца в различных угловых положениях этого кольца на расстоянии в радиальном направлении от оси наружного кольца, равном половине среднего диаметра опорного торца упорного борта наружного кольца, и точкой в неподвижном положении относительно внутреннего кольца, причем дорожки качения наружного и внутреннего колец и опорный торец бортика широкого торца внутреннего кольца должны быть в контакте со всеми роликами.
3.7.1. Радиальный зазор
3.7.1.1. Радиальный внутренний зазор (подшипник без преднатяга, предназначенный для восприятия чисто радиальной нагрузки)

: среднеарифметическое расстояние в радиальном направлении, на которое одно из колец может быть смещено относительно другого из одного эксцентрического крайнего положения в диаметрально противоположное крайнее положение при различных угловых направлениях и без приложения внешней нагрузки.
Примечания.
1. При каждом предельном эксцентрическом положении колец относительно друг друга их относительное осевое положение и положение тел качения относительно дорожек качения должны быть такими, чтобы одно кольцо действительно приняло крайнее эксцентрическое положение относительно другого кольца.
2. Среднее расстояние включает в себя смещения колец в различных угловых положениях относительно друг друга и комплекта тел качения в различных угловых положениях относительно колец.
3.7.1.2. Теоретический радиальный внутренний зазор радиального подшипника: разность между диаметрами контакта дорожек качения наружного и внутреннего колец, уменьшенная на удвоенный диаметр тела качения.
Примечание. Для образцового подшипника, т.е. подшипника, имеющего незначительные погрешности формы, радиальный зазор, определенный в
3.7.1.1, равен теоретическому зазору при условии, что тела качения установлены в линии с угловым направлением смещения.
3.7.2. Осевой зазор
3.7.2.1. Осевой внутренний зазор (подшипник без преднатяга, предназначенный для восприятия чисто осевой двусторонней нагрузки)

: среднеарифметическое расстояние в осевом направлении, на которое одно из колец может быть смещено относительно другого из одного осевого крайнего положения в противоположное крайнее положение без приложения внешней нагрузки.
Примечания.
1. При каждом предельном осевом положении колец относительно друг друга их относительное радиальное положение и положение тел качения относительно дорожек качения должны быть такими, чтобы одно кольцо действительно приняло крайнее осевое положение относительно другого кольца.
2. Среднее расстояние включает в себя смещения колец в различных угловых положениях относительно друг друга и комплекта тел качения в различных угловых положениях относительно колец.
Остальные термины - по ГОСТ 24955 и ГОСТ 25256.
Условные обозначения (за исключением тех, которые относятся к допускам), показанные на рисунках, и величины, данные в таблицах, обозначают номинальные размеры, если не указано иначе.
Подстрочные знаки в символах имеют следующее значение:
a - относится к собранному подшипнику или к внутреннему зазору в осевом направлении;
e - относится к наружному кольцу;
i - относится к внутреннему кольцу;
m - среднеарифметическое измерений;
p - плоскость, в которой проводят измерение;
r - относится к внутреннему зазору в радиальном направлении;
s - единичное или действительное измерение;
w - относится к телам качения;
1, 2... - цифровое обозначение там, где более чем один диаметр или ширина относятся к кольцу или комплекту.
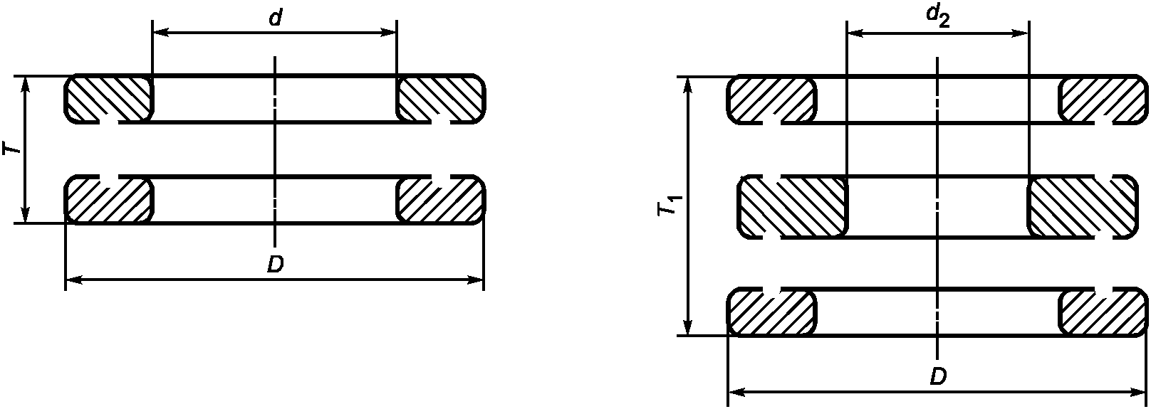
4.1. Условные обозначения основных размеров радиальных и радиально-упорных подшипников
d - номинальный диаметр отверстия; D - номинальный наружный
диаметр;

- номинальный диаметр упорного борта наружного
кольца;

- номинальный диаметр теоретического большого
конического отверстия; B - номинальная ширина внутреннего
кольца; C - номинальная ширина наружного кольца;

- номинальная ширина упорного борта наружного кольца;

- угол конусности (половина угла конуса) отверстия
внутреннего кольца; r - номинальный размер фаски
Рисунок 1. Условные обозначения основных
размеров радиальных и радиально-упорных подшипников
4.2. Условные обозначения размерных параметров радиальных и радиально-упорных подшипников

- единичный диаметр отверстия;

- единичный диаметр отверстия в единичной плоскости;

- отклонение единичного диаметра отверстия;

- непостоянство диаметра отверстия;

- средний диаметр отверстия;

- отклонение среднего диаметра отверстия;

- средний диаметр отверстия в единичной плоскости;

- отклонение среднего диаметра отверстия в единичной плоскости (для конического отверстия относится только к меньшему теоретическому отверстию);

- непостоянство диаметра отверстия в единичной плоскости;

- непостоянство среднего диаметра отверстия;

- отклонение среднего диаметра конического отверстия в единичной плоскости со стороны теоретического большего отверстия;

- единичный наружный диаметр;

- единичный наружный диаметр в единичной плоскости;

- отклонение единичного наружного диаметра;

- непостоянство наружного диаметра;

- средний наружный диаметр;

- отклонение среднего наружного диаметра;

- средний наружный диаметр в единичной плоскости;

- отклонение среднего наружного диаметра в единичной плоскости;

- непостоянство наружного диаметра в единичной плоскости;

- непостоянство среднего наружного диаметра;

- отклонение единичного диаметра упорного борта наружного кольца;

- единичная ширина внутреннего кольца;

- единичная ширина наружного кольца;

- отклонение единичной ширины внутреннего кольца;

- отклонение единичной ширины наружного кольца;

- непостоянство ширины внутреннего кольца;

- непостоянство ширины наружного кольца;

- средняя ширина внутреннего кольца;

- средняя ширина наружного кольца;

- единичная ширина упорного борта наружного кольца;

- отклонение единичной ширины упорного борта наружного кольца;

- непостоянство ширины упорного борта наружного кольца;

- единичный размер фаски;

- наименьший единичный размер фаски;

- наибольший единичный размер фаски;

- непараллельность дорожки качения внутреннего кольца относительно торца радиального и радиально-упорного шарикового желобного подшипников;

- непараллельность дорожки качения наружного кольца относительно торца радиального и радиально-упорного шарикового желобного подшипников;

- неперпендикулярность торца внутреннего кольца относительно отверстия;

- неперпендикулярность наружной поверхности наружного кольца относительно торца;

- неперпендикулярность наружной поверхности наружного кольца относительно опорного торца упорного борта;

- непараллельность дорожки качения наружного кольца с упорным бортом относительно опорного торца упорного борта радиального и радиально-упорного шарикового желобного подшипников;

- разностенность дорожки качения внутреннего кольца относительно отверстия радиального и радиально-упорного подшипников;

- разностенность дорожки качения наружного кольца относительно наружной поверхности радиального и радиально-упорного подшипников;

- радиальное биение внутреннего кольца собранного подшипника;

- радиальное биение наружного кольца собранного подшипника;

- осевое биение внутреннего кольца собранного подшипника;

- осевое биение наружного кольца собранного подшипника;

- осевое биение опорного торца упорного борта наружного кольца собранного подшипника.
4.3. Дополнительные условные обозначения основных размеров роликовых конических подшипников (рисунок 2)
T - номинальная ширина (монтажная высота) роликового
конического подшипника;

- номинальная монтажная высота
внутреннего подузла роликового конического подшипника;

- номинальная монтажная высота наружного кольца
роликового конического подшипника
Рисунок 2. Дополнительные условные обозначения
основных размеров роликовых конических подшипников
4.4. Дополнительные условные обозначения размерных параметров роликовых конических подшипников

- действительная ширина (монтажная высота) роликового конического подшипника;

- отклонение действительной ширины (монтажной высоты) роликового конического подшипника;

- действительная монтажная высота внутреннего подузла роликового конического подшипника;

- отклонение действительной монтажной высоты внутреннего подузла роликового конического подшипника;

- действительная монтажная высота наружного кольца роликового конического подшипника;

- отклонение действительной монтажной высоты наружного кольца роликового конического подшипника.
4.5. Условные обозначения основных размеров упорных и упорно-радиальных подшипников (рисунок 3)
d - диаметр отверстия тугого кольца одинарного подшипника;

- диаметр отверстия тугого кольца двойного подшипника;
D - наружный диаметр свободного кольца; T - высота
одинарного подшипника;

- высота двойного подшипника
Рисунок 3. Условные обозначения основных
размеров упорных и упорно-радиальных подшипников
4.6. Условные обозначения размерных параметров упорных и упорно-радиальных подшипников

- отклонение среднего диаметра отверстия тугого кольца одинарного подшипника в единичной плоскости;

- отклонение среднего диаметра отверстия тугого кольца двойного подшипника в единичной плоскости;

- непостоянство единичного диаметра отверстия тугого кольца одинарного подшипника в единичной плоскости;

- непостоянство диаметра отверстия тугого кольца двойного подшипника в единичной плоскости;

- отклонение среднего наружного диаметра свободного кольца в единичной плоскости;

- непостоянство единичного наружного диаметра свободного кольца в единичной плоскости;

- разностенность дорожки качения тугого кольца относительно широкого торца.
Примечание. Применяется только к упорным шариковым подшипникам и цилиндрическим роликовым упорным подшипникам с углом контакта 90°;

- разностенность дорожки качения свободного кольца относительно широкого торца.
Примечание. Применяется только к упорным шариковым подшипникам и цилиндрическим роликовым упорным подшипникам с углом контакта 90°;

- отклонение действительной высоты одинарного подшипника;

- отклонение действительной высоты двойного подшипника.
Основные размеры подшипников должны соответствовать ГОСТ 3478, стандартам на типы и размеры подшипников или конструкторской документации, в которой имеется ссылка на настоящий стандарт.
6. Радиальные и радиально-упорные подшипники. Допуски
6.1. Классы точности подшипников
Классы точности подшипников характеризуются значениями предельных отклонений размеров, формы, взаимного положения поверхностей подшипников.
Для шариковых и роликовых радиальных и шариковых радиально-упорных подшипников установлены следующие классы в порядке повышения точности: 8, 7, нормальный, 6, 5, 4, T, 2.
Примечание. Допуски подшипников 8-го и 7-го классов точности устанавливают в нормативных документах.
Для роликовых конических подшипников установлены следующие классы в порядке повышения точности: 8, 7, 0, нормальный, 6X, 6, 5, 4, 2.
Соответствие классов точности радиальных и радиально-упорных подшипников настоящего стандарта классам точности ИСО 492
[2] и национальных стандартов некоторых стран приведено в
Приложении Б.
6.2. Радиальные и радиально-упорные подшипники, кроме роликовых конических подшипников
В настоящем пункте приведены допуски диаметра отверстия для цилиндрических отверстий. Допуски на конические отверстия приведены в
6.5. Серии диаметров, приведенные в
таблицах 1 -
8, соответствуют сериям диаметров ГОСТ 3478.
6.2.1. Нормальный класс точности (таблицы 1 и
2)
Таблица 1
Допуски в микрометрах
┌─────────────────────────┬────────────┬────────────┬────┬───┬─────────────────────┬─────┐
│ d, мм │ Дельта │ V │V │K │ Дельта │V , │
│ │ dmp │ dsp │ dmp│ ia│ Bs │ Bs │
│ │ ├────────────┤ │ │ │ не │
│ │ │ серии │ │ │ │более│
│ │ │ диаметров │ │ │ │ │
│ │ ├──┬──┬──────┤ │ ├──────┬─────┬────────┤ │
│ │ │9 │1,│2 (5),│ │ │ все │нор- │модифи- │ │
│ │ │ │7 │3 (6),│ │ │ │маль-│цирован-│ │
│ │ │ │ │ 4 │ │ │ │ный │ный
<1> │ │
│ ├──────┬─────┼──┴──┴──────┴────┴───┼──────┼─────┴────────┤ │
│ │верхн.│нижн.│ не более │верхн.│ нижн. │ │
├─────────────────────────┼──────┼─────┼──┬──┬──────┬────┬───┼──────┼─────┬────────┼─────┤
│От 0,6 до 2,5 включ.│ 0 │ -8 │10│ 8│ 6 │ 6 │ 10│ 0 │ -40│ - │ 12 │
│Св. 2,5 " 10 " │ 0 │ -8 │10│ 8│ 6 │ 6 │ 10│ 0 │ -120│ -250 │ 15 │
│ " 10 " 18 " │ 0 │ -8 │10│ 8│ 6 │ 6 │ 10│ 0 │ -120│ -250 │ 20 │
│ " 18 " 30 " │ 0 │ -10 │13│10│ 8 │ 8 │ 13│ 0 │ -120│ -250 │ 20 │
│ " 30 " 50 " │ 0 │ -12 │15│12│ 9 │ 9 │ 15│ 0 │ -120│ -250 │ 20 │
│ " 50 " 80 " │ 0 │ -15 │19│19│ 11 │ 11 │ 20│ 0 │ -150│ -380 │ 25 │
│ " 80 " 120 " │ 0 │ -20 │25│25│ 15 │ 15 │ 25│ 0 │ -200│ -380 │ 25 │
│ " 120 " 180 " │ 0 │ -25 │31│31│ 19 │ 19 │ 30│ 0 │ -250│ -500 │ 30 │
│ " 180 " 250 " │ 0 │ -30 │38│38│ 23 │ 23 │ 40│ 0 │ -300│ -500 │ 30 │
│ " 250 " 315 " │ 0 │ -35 │44│44│ 26 │ 26 │ 50│ 0 │ -350│ -500 │ 35 │
│ " 315 " 400 " │ 0 │ -40 │50│50│ 30 │ 30 │ 60│ 0 │ -400│ -630 │ 40 │
│ " 400 " 500 " │ 0 │ -45 │56│56│ 34 │ 34 │ 65│ 0 │ -450│ - │ 50 │
│ " 500 " 630 " │ 0 │ -50 │63│63│ 38 │ 38 │ 70│ 0 │ -500│ - │ 60 │
│ " 630 " 800 " │ 0 │ -75 │- │- │ - │ - │ 80│ 0 │ -750│ - │ 70 │
│ " 800 " 1000 " │ 0 │-100 │- │- │ - │ - │ 90│ 0 │-1000│ - │ 80 │
│ " 1000 " 1250 " │ 0 │-125 │- │- │ - │ - │100│ 0 │-1250│ - │ 100 │
│ " 1250 " 1600 " │ 0 │-160 │- │- │ - │ - │120│ 0 │-1600│ - │ 120 │
│ " 1600 " 2000 " │ 0 │-200 │- │- │ - │ - │140│ 0 │-2000│ - │ 140 │
├─────────────────────────┴──────┴─────┴──┴──┴──────┴────┴───┴──────┴─────┴────────┴─────┤
│ <1> Относится к кольцам подшипников, предназначенных для сдвоенных или │
│комплектных подшипников. │
└────────────────────────────────────────────────────────────────────────────────────────┘
Таблица 2
Допуски в микрометрах
┌───────────────────────┬────────────┬─────────────────────┬────┬───┬────────────┬─────┐
│ D, мм │ Дельта │ V
<1> │V │K │ Дельта , │V , │
│ │ Dmp │ Dsp │ Dmp│ ea│ Cs │ Cs │
│ │ ├──────────────┬──────┤
<1> │ │ Дельта │V │
│ │ │ открытый │закры-│ │ │ C1s │ C1s │
│ │ │ подшипник │тый │ │ │
<2> │
<2> │
│ │ │ │под- │ │ │ │ │
│ │ │ │шипник│ │ │ │ │
│ │ ├──────────────┴──────┤ │ │ │ │
│ │ │ серии диаметров │ │ │ │ │
│ │ ├───┬───┬──────┬──────┤ │ │ │ │
│ │ │ 9 │1, │2 (5),│2 (5),│ │ │ │ │
│ │ │ │ 7 │3 (6),│3 (6),│ │ │ │ │
│ │ │ │ │ 4 │ 4 │ │ │ │ │
│ ├──────┬─────┼───┴───┴──────┴──────┴────┴───┼──────┬─────┼─────┤
│ │верхн.│нижн.│ не более │верхн.│нижн.│ не │
│ │ │ │ │ │ │более│
├───────────────────────┼──────┼─────┼───┬───┬──────┬──────┬────┬───┼──────┴─────┴─────┤
│От 2,5 до 6 включ.│ 0 │ -8 │ 10│ 8│ 6 │ 10 │ 6 │ 15│ Равны Дельта и │
│Св. 6 " 18 " │ 0 │ -8 │ 10│ 8│ 6 │ 10 │ 6 │ 15│ Bs │
│ " 18 " 30 " │ 0 │ -9 │ 12│ 9│ 7 │ 12 │ 7 │ 15│ V того же │
│ " 30 " 50 " │ 0 │ -11 │ 14│ 11│ 8 │ 16 │ 8 │ 20│ Bs │
│ " 50 " 80 " │ 0 │ -13 │ 16│ 13│ 10 │ 20 │ 10 │ 25│ подшипника │
│ " 80 " 120 " │ 0 │ -15 │ 19│ 19│ 11 │ 26 │ 11 │ 35│ соответственно │
│ " 120 " 150 " │ 0 │ -18 │ 23│ 23│ 14 │ 30 │ 14 │ 40│ │
│ " 150 " 180 " │ 0 │ -25 │ 31│ 31│ 19 │ 38 │ 19 │ 45│ │
│ " 180 " 250 " │ 0 │ -30 │ 38│ 38│ 23 │ - │ 23 │ 50│ │
│Св. 250 до 315 включ.│ 0 │ -35 │ 44│ 44│ 26 │ - │ 26 │ 60│ │
│ " 315 " 400 " │ 0 │ -40 │ 50│ 50│ 30 │ - │ 30 │ 70│ │
│ " 400 " 500 " │ 0 │ -45 │ 56│ 56│ 34 │ - │ 34 │ 80│ │
│ " 500 " 630 " │ 0 │ -50 │ 63│ 63│ 38 │ - │ 38 │100│ │
│ " 630 " 800 " │ 0 │ -75 │ 94│ 94│ 55 │ - │ 55 │120│ │
│ " 800 " 1000 " │ 0 │-100 │125│125│ 75 │ - │ 75 │140│ │
│ " 1000 " 1250 " │ 0 │-125 │ - │ - │ - │ - │ - │160│ │
│ " 1250 " 1600 " │ 0 │-160 │ - │ - │ - │ - │ - │190│ │
│ " 1600 " 2000 " │ 0 │-200 │ - │ - │ - │ - │ - │220│ │
│ " 2000 " 2500 " │ 0 │-250 │ - │ - │ - │ - │ - │250│ │
├───────────────────────┴──────┴─────┴───┴───┴──────┴──────┴────┴───┴──────────────────┤
│ <1> Действительны для колец до монтажа и после снятия внутреннего или │
│наружного пружинного кольца. │
│ <2> Действительны только для шариковых подшипников. │
├──────────────────────────────────────────────────────────────────────────────────────┤
│ Примечание. Допуск наружного диаметра упорного борта наружного кольца │
│ 1 │
└──────────────────────────────────────────────────────────────────────────────────────┘
6.2.2. Класс точности 6 (таблицы 3 и
4)
Таблица 3
Внутреннее кольцо
Допуски в микрометрах
┌───────────────────────┬────────────┬────────────┬────┬───┬───────────────────┬─────┐
│ d, мм │ Дельта │ V │V │K │ ДельтаB │V , │
│ │ dmp │ dsp │ dmp│ ia│ s │ Bs │
│ │ ├────────────┤ │ ├──────┬─────┬──────┤ не │
│ │ │ серии │ │ │ все │нор- │моди- │более│
│ │ │ диаметров │ │ │ │маль-│фици- │ │
│ │ ├──┬──┬──────┤ │ │ │ный │рован-│ │
│ │ │9 │1,│2 (5),│ │ │ │ │ный │ │
│ │ │ │7 │3 (6),│ │ │ │ │
<1> │ │
│ │ │ │ │ 4 │ │ │ │ │ │ │
│ ├──────┬─────┼──┴──┴──────┴────┴───┼──────┼─────┴──────┤ │
│ │верхн.│нижн.│ не более │верхн.│ нижн. │ │
├───────────────────────┼──────┼─────┼──┬──┬──────┬────┬───┼──────┼─────┬──────┼─────┤
│От 0,6 до 2,5 включ.│ 0 │ -7 │ 9│ 7│ 5 │ 5 │ 5 │ 0 │ -40 │ - │ 12 │
│Св. 2,5 " 10 " │ 0 │ -7 │ 9│ 7│ 5 │ 5 │ 6 │ 0 │-120 │ -250 │ 15 │
│ " 10 " 18 " │ 0 │ -7 │ 9│ 7│ 5 │ 5 │ 7 │ 0 │-120 │ -250 │ 20 │
│ " 18 " 30 " │ 0 │ -8 │10│ 8│ 6 │ 6 │ 8 │ 0 │-120 │ -250 │ 20 │
│ " 30 " 50 " │ 0 │ -10 │13│10│ 8 │ 8 │10 │ 0 │-120 │ -250 │ 20 │
│ " 50 " 80 " │ 0 │ -12 │15│15│ 9 │ 9 │10 │ 0 │-150 │ -380 │ 25 │
│ " 80 " 120 " │ 0 │ -15 │19│19│ 11 │ 11 │13 │ 0 │-200 │ -380 │ 25 │
│ " 120 " 180 " │ 0 │ -18 │23│23│ 14 │ 14 │18 │ 0 │-250 │ -500 │ 30 │
│ " 180 " 250 " │ 0 │ -22 │28│28│ 17 │ 17 │20 │ 0 │-300 │ -500 │ 30 │
│ " 250 " 315 " │ 0 │ -25 │31│31│ 19 │ 19 │25 │ 0 │-350 │ -500 │ 35 │
│ " 315 " 400 " │ 0 │ -30 │38│38│ 23 │ 23 │30 │ 0 │-400 │ -630 │ 40 │
│ " 400 " 500 " │ 0 │ -35 │44│44│ 26 │ 26 │35 │ 0 │-450 │ - │ 45 │
│ " 500 " 630 " │ 0 │ -40 │50│50│ 30 │ 30 │40 │ 0 │-500 │ - │ 50 │
├───────────────────────┴──────┴─────┴──┴──┴──────┴────┴───┴──────┴─────┴──────┴─────┤
│ <1> Относится к кольцам подшипников, предназначенных для сдвоенных или │
│комплектных подшипников. │
└────────────────────────────────────────────────────────────────────────────────────┘
Таблица 4
Допуски в микрометрах
┌──────────────────────┬────────────┬───────────────────┬────┬───┬────────────┬─────┐
│ D, мм │ Дельта │ V
<1> │V │K │ Дельта , │V , │
│ │ Dmp │ Dsp │ Dmp│ ea│ Cs │ Cs │
│ │ ├────────────┬──────┤
<1> │ │ Дельта │V │
│ │ │ открытый │закры-│ │ │ C1s │ C1s │
│ │ │ подшипник │тый │ │ │
<2> │
<2> │
│ │ │ │под- │ │ │ │ │
│ │ │ │шипник│ │ │ │ │
│ │ ├────────────┴──────┤ │ │ │ │
│ │ │ серии диаметров │ │ │ │ │
│ │ ├──┬──┬──────┬──────┤ │ │ │ │
│ │ │9 │1,│2 (5),│1, 7, │ │ │ │ │
│ │ │ │7 │3 (6),│2 (5),│ │ │ │ │
│ │ │ │ │ 4 │3 (6),│ │ │ │ │
│ │ │ │ │ │ 4 │ │ │ │ │
│ ├──────┬─────┼──┴──┴──────┴──────┴────┴───┼──────┬─────┼─────┤
│ │верхн.│нижн.│ не более │верхн.│нижн.│ не │
│ │ │ │ │ │ │более│
├──────────────────────┼──────┼─────┼──┬──┬──────┬──────┬────┬───┼──────┴─────┴─────┤
│От 2,5 до 6 включ.│ 0 │ -7 │ 9│ 7│ 5 │ 9 │ 5 │ 8 │Равны Дельта и │
│Св. 6 " 18 " │ 0 │ -7 │ 9│ 7│ 5 │ 9 │ 5 │ 8 │ Bs │
│ " 18 " 30 " │ 0 │ -8 │10│ 8│ 6 │ 10 │ 6 │ 9 │ V того же │
│ " 30 " 50 " │ 0 │ -9 │11│ 9│ 7 │ 13 │ 7 │10 │ Bs │
│ " 50 " 80 " │ 0 │ -11 │14│11│ 8 │ 16 │ 8 │13 │ подшипника │
│ " 80 " 120 " │ 0 │ -13 │16│16│ 10 │ 20 │ 10 │18 │ соответственно │
│ " 120 " 150 " │ 0 │ -15 │19│19│ 11 │ 25 │ 11 │20 │ │
│ " 150 " 180 " │ 0 │ -18 │23│23│ 14 │ 30 │ 14 │23 │ │
│ " 180 " 250 " │ 0 │ -20 │25│25│ 15 │ - │ 15 │25 │ │
│ " 250 " 315 " │ 0 │ -25 │31│31│ 19 │ - │ 19 │30 │ │
│ " 315 " 400 " │ 0 │ -28 │35│35│ 21 │ - │ 21 │35 │ │
│ " 400 " 500 " │ 0 │ -33 │41│41│ 25 │ - │ 25 │40 │ │
│ " 500 " 630 " │ 0 │ -38 │48│48│ 29 │ - │ 29 │50 │ │
│ " 630 " 800 " │ 0 │ -45 │56│56│ 34 │ - │ 34 │60 │ │
│ " 800 " 1000 " │ 0 │ -60 │75│75│ 45 │ - │ 45 │75 │ │
├──────────────────────┴──────┴─────┴──┴──┴──────┴──────┴────┴───┴──────────────────┤
│ <1> Действительны для колец до монтажа и после снятия внутреннего или │
│наружного пружинного кольца. │
│ <2> Действительны только для шариковых подшипников. │
├───────────────────────────────────────────────────────────────────────────────────┤
│ Примечание. Допуск наружного диаметра упорного борта наружного кольца │
│ 1 │
└───────────────────────────────────────────────────────────────────────────────────┘
6.2.3. Класс точности 5 (таблицы 5 и
6)
Таблица 5
Допуски в микрометрах
┌───────────────────────┬────────────┬─────────┬────┬───┬──┬───┬───────────────────┬─────┐
│ d, мм │ Дельта │ V │V │K │S │S │ ДельтаB │V , │
│ │ dmp │ dsp │ dmp│ ia│ d│ ia│ s │ Bs │
│ │ ├─────────┤ │ │ │
<1>├──────┬─────┬──────┤ не │
│ │ │ серии │ │ │ │ │ все │нор- │моди- │более│
│ │ │диаметров│ │ │ │ │ │маль-│фици- │ │
│ │ ├──┬──────┤ │ │ │ │ │ный │рован-│ │
│ │ │9 │1, 7, │ │ │ │ │ │ │ный │ │
│ │ │ │2 (5),│ │ │ │ │ │ │
<2> │ │
│ │ │ │3 (6),│ │ │ │ │ │ │ │ │
│ │ │ │ 4 │ │ │ │ │ │ │ │ │
│ ├──────┬─────┼──┴──────┴────┴───┴──┴───┼──────┼─────┴──────┤ │
│ │верхн.│нижн.│ не более │верхн.│ нижн. │ │
├───────────────────────┼──────┼─────┼──┬──────┬────┬───┬──┬───┼──────┼─────┬──────┼─────┤
│От 0,6 до 2,5 включ.│ 0 │ -5 │ 5│ 4 │ 3 │ 4 │ 7│ 7 │ 0 │ -40 │ -250 │ 5 │
│Св. 2,5 " 10 " │ 0 │ -5 │ 5│ 4 │ 3 │ 4 │ 7│ 7 │ 0 │ -40 │ -250 │ 5 │
│ " 10 " 18 " │ 0 │ -5 │ 5│ 4 │ 3 │ 4 │ 7│ 7 │ 0 │ -80 │ -250 │ 5 │
│ " 18 " 30 " │ 0 │ -6 │ 6│ 5 │ 3 │ 4 │ 8│ 8 │ 0 │-120 │ -250 │ 5 │
│ " 30 " 50 " │ 0 │ -8 │ 8│ 6 │ 4 │ 5 │ 8│ 8 │ 0 │-120 │ -250 │ 5 │
│ " 50 " 80 " │ 0 │ -9 │ 9│ 7 │ 5 │ 5 │ 8│ 8 │ 0 │-150 │ -250 │ 6 │
│ " 80 " 120 " │ 0 │ -10 │10│ 8 │ 5 │ 6 │ 9│ 9 │ 0 │-200 │ -380 │ 7 │
│ " 120 " 180 " │ 0 │ -13 │13│ 10 │ 7 │ 8 │10│10 │ 0 │-250 │ -380 │ 8 │
│ " 180 " 250 " │ 0 │ -15 │15│ 12 │ 8 │10 │11│13 │ 0 │-300 │ -500 │ 10 │
│ " 250 " 315 " │ 0 │ -18 │18│ 14 │ 9 │13 │13│15 │ 0 │-350 │ -500 │ 13 │
│ " 315 " 400 " │ 0 │ -23 │23│ 18 │ 12 │15 │15│20 │ 0 │-400 │ -630 │ 15 │
├───────────────────────┴──────┴─────┴──┴──────┴────┴───┴──┴───┴──────┴─────┴──────┴─────┤
│ <1> Действительны только для шариковых подшипников. │
│ <2> Относится к кольцам подшипников, предназначенных для сдвоенных │
│или комплектных подшипников. │
└────────────────────────────────────────────────────────────────────────────────────────┘
Таблица 6
Допуски в микрометрах
┌─────────────────────┬────────────┬─────────┬────┬───┬────┬────┬────┬────────────┬─────┐
│ D, мм │ Дельта │V
<1> │V │K │ S │S │S │ Дельта , │V , │
│ │ Dmp │ Dsp │ Dmp│ ea│ D │ ea │ ea1│ Cs │ Cs │
│ │ ├─────────┤ │ │
<1>,│
<1>,│
<2> │ Дельта │V │
│ │ │ серии │ │ │S │
<2> │ │ C1s │ C1s │
│ │ │диаметров│ │ │ D1 │ │ │
<2> │
<2> │
│ │ ├──┬──────┤ │ │
<2> │ │ │ │ │
│ │ │9 │1, 7, │ │ │ │ │ │ │ │
│ │ │ │2 (5),│ │ │ │ │ │ │ │
│ │ │ │3 (6),│ │ │ │ │ │ │ │
│ │ │ │ 4 │ │ │ │ │ │ │ │
│ ├──────┬─────┼──┴──────┴────┴───┴────┴────┴────┼──────┬─────┼─────┤
│ │верхн.│нижн.│ не более │верхн.│нижн.│ не │
│ │ │ │ │ │ │более│
├─────────────────────┼──────┼─────┼──┬──────┬────┬───┬────┬────┬────┼──────┴─────┼─────┤
│От 2,5 до 6 включ.│ 0 │ -5 │ 5│ 4 │ 3 │ 5 │ 8 │ 8 │ 11 │ Равно │ 5 │
│Св. 6 " 18 " │ 0 │ -5 │ 5│ 4 │ 3 │ 5 │ 8 │ 8 │ 11 │ Дельта │ 5 │
│ " 18 " 30 " │ 0 │ -6 │ 6│ 5 │ 3 │ 6 │ 8 │ 8 │ 11 │ Bs │ 5 │
│ " 30 " 50 " │ 0 │ -7 │ 7│ 5 │ 4 │ 7 │ 8 │ 8 │ 11 │ того же │ 5 │
│ " 50 " 80 " │ 0 │ -9 │ 9│ 7 │ 5 │ 8 │ 8 │ 10 │ 14 │ подшипника │ 6 │
│ " 80 " 120 " │ 0 │ -10 │10│ 8 │ 5 │10 │ 9 │ 11 │ 16 │ │ 8 │
│ " 120 " 150 " │ 0 │ -11 │11│ 8 │ 6 │11 │ 10 │ 13 │ 18 │ │ 8 │
│ " 150 " 180 " │ 0 │ -13 │13│ 10 │ 7 │13 │ 10 │ 14 │ 20 │ │ 8 │
│ " 180 " 250 " │ 0 │ -15 │15│ 11 │ 8 │15 │ 11 │ 15 │ 21 │ │ 10 │
│ " 250 " 315 " │ 0 │ -18 │18│ 14 │ 9 │18 │ 13 │ 18 │ 25 │ │ 11 │
│ " 315 " 400 " │ 0 │ -20 │20│ 15 │ 10 │20 │ 13 │ 20 │ 28 │ │ 13 │
│ " 400 " 500 " │ 0 │ -23 │23│ 17 │ 12 │23 │ 15 │ 23 │ 33 │ │ 15 │
│ " 500 " 630 " │ 0 │ -28 │28│ 21 │ 14 │25 │ 18 │ 25 │ 35 │ │ 18 │
│ " 630 " 800 " │ 0 │ -35 │35│ 26 │ 18 │30 │ 20 │ 30 │ 42 │ │ 20 │
├─────────────────────┴──────┴─────┴──┴──────┴────┴───┴────┴────┴────┴────────────┴─────┤
│ <1> Действительны для колец до монтажа и после снятия внутреннего или │
│наружного пружинного кольца. │
│ <2> Действительны только для шариковых подшипников. │
├───────────────────────────────────────────────────────────────────────────────────────┤
│ Примечание. Допуск наружного диаметра упорного борта наружного кольца │
│ 1 │
└───────────────────────────────────────────────────────────────────────────────────────┘
6.2.4. Класс точности 4 (таблицы 7 и
8)
Таблица 7
Внутреннее кольцо
Допуски в микрометрах
┌───────────────────────┬────────────┬────────────┬─────────┬────┬───┬───┬───┬───────────────────┬─────┐
│ d, мм │ Дельта │Дельта
<1>│ V │V │K │S │S │ ДельтаB │V , │
│ │ dmp │ ds │ dsp │ dmp│ ia│ d │ ia│ s │ Bs │
│ │ │ ├─────────┤ │ │ │
<2>├──────┬─────┬──────┤ не │
│ │ │ │ серии │ │ │ │ │ все │нор- │моди- │более│
│ │ │ │диаметров│ │ │ │ │ │маль-│фици- │ │
│ │ │ ├──┬──────┤ │ │ │ │ │ный │рован-│ │
│ │ │ │9 │1, 7, │ │ │ │ │ │ │ный │ │
│ │ │ │ │2 (5),│ │ │ │ │ │ │
<3> │ │
│ │ │ │ │3 (6),│ │ │ │ │ │ │ │ │
│ │ │ │ │ 4 │ │ │ │ │ │ │ │ │
│ ├──────┬─────┼──────┬─────┼──┴──────┴────┴───┴───┴───┼──────┼─────┴──────┤ │
│ │верхн.│нижн.│верхн.│нижн.│ не более │верхн.│ нижн. │ │
├───────────────────────┼──────┼─────┼──────┼─────┼──┬──────┬────┬───┬───┬───┼──────┼─────┬──────┼─────┤
│От 0,6 до 2,5 включ.│ 0 │ -4 │ 0 │ -4 │ 4│ 3 │2 │2,5│ 3 │ 3 │ 0 │ -40 │ -250 │ 2,5 │
│Св. 2,5 " 10 " │ 0 │ -4 │ 0 │ -4 │ 4│ 3 │2 │2,5│ 3 │ 3 │ 0 │ -40 │ -250 │ 2,5 │
│ " 10 " 18 " │ 0 │ -4 │ 0 │ -4 │ 4│ 3 │2 │2,5│ 3 │ 3 │ 0 │ -80 │ -250 │ 2,5 │
│ " 18 " 30 " │ 0 │ -5 │ 0 │ -5 │ 5│ 4 │2,5 │3 │ 4 │ 4 │ 0 │-120 │ -250 │ 2,5 │
│ " 30 " 50 " │ 0 │ -6 │ 0 │ -6 │ 6│ 5 │3 │4 │ 4 │ 4 │ 0 │-120 │ -250 │ 3 │
│ " 50 " 80 " │ 0 │ -7 │ 0 │ -7 │ 7│ 5 │3,5 │4 │ 5 │ 5 │ 0 │-150 │ -250 │ 4 │
│ " 80 " 120 " │ 0 │ -8 │ 0 │ -8 │ 8│ 6 │4 │5 │ 5 │ 5 │ 0 │-200 │ -380 │ 4 │
│ " 120 " 180 " │ 0 │ -10 │ 0 │ -10 │10│ 8 │5 │6 │ 6 │ 7 │ 0 │-250 │ -380 │ 5 │
│ " 180 " 250 " │ 0 │ -12 │ 0 │ -12 │12│ 9 │6 │8 │ 7 │ 8 │ 0 │-300 │ -500 │ 6 │
├───────────────────────┴──────┴─────┴──────┴─────┴──┴──────┴────┴───┴───┴───┴──────┴─────┴──────┴─────┤
│ <1> Допуски действительны только для серий диаметров 1, 7, 2 (5), │
│3 (6) и 4. │
│ <2> Действительны только для шариковых подшипников. │
│ <3> Относится к кольцам подшипников, предназначенных для сдвоенных или │
│ комплектных подшипников. │
└──────────────────────────────────────────────────────────────────────────────────────────────────────┘
Таблица 8
Допуски в микрометрах
┌─────────────────────┬────────────┬────────────┬─────────┬────┬───┬────┬────┬────┬────────────┬─────┐
│ D, мм │ Дельта │Дельта
<1>│ V │V │K │ S │S │S │ Дельта , │V , │
│ │ Dmp │ Ds │ Dsp │ Dmp│ ea│ D │ ea │ ea1│ Cs │ Cs │
│ │ │ ├─────────┤ │ │
<2>,│
<2>,│
<3>│ Дельта │V │
│ │ │ │ серии │ │ │S │
<3> │ │ C1s │ C1s │
│ │ │ │диаметров│ │ │ D1 │ │ │
<3> │
<2> │
│ │ │ ├──┬──────┤ │ │
<3> │ │ │ │ │
│ │ │ │9 │1, 7, │ │ │ │ │ │ │ │
│ │ │ │ │2 (5),│ │ │ │ │ │ │ │
│ │ │ │ │3 (6),│ │ │ │ │ │ │ │
│ │ │ │ │ 4 │ │ │ │ │ │ │ │
│ ├──────┬─────┼──────┬─────┼──┴──────┴────┴───┴────┴────┴────┼──────┬─────┼─────┤
│ │верхн.│нижн.│верхн.│нижн.│ не более │верхн.│нижн.│ не │
│ │ │ │ │ │ │ │ │более│
├─────────────────────┼──────┼─────┼──────┼─────┼──┬──────┬────┬───┬────┬────┬────┼──────┴─────┼─────┤
│От 2,5 до 6 включ.│ 0 │ -4 │ 0 │ -4 │ 4│ 3 │2 │ 3 │ 4 │ 5 │ 7 │ Равно │ 2,5 │
│Св. 6 " 18 " │ 0 │ -4 │ 0 │ -4 │ 4│ 3 │2 │ 3 │ 4 │ 5 │ 7 │ Дельта │ 2,5 │
│ " 18 " 30 " │ 0 │ -5 │ 0 │ -5 │ 5│ 4 │2,5 │ 4 │ 4 │ 5 │ 7 │ Bs │ 2,5 │
│ " 30 " 50 " │ 0 │ -6 │ 0 │ -6 │ 6│ 5 │3 │ 5 │ 4 │ 5 │ 7 │ того же │ 2,5 │
│ " 50 " 80 " │ 0 │ -7 │ 0 │ -7 │ 7│ 5 │3,5 │ 5 │ 4 │ 5 │ 7 │ подшипника │ 3 │
│ " 80 " 120 " │ 0 │ -8 │ 0 │ -8 │ 8│ 6 │4 │ 6 │ 5 │ 6 │ 8 │ │ 4 │
│ " 120 " 150 " │ 0 │ -9 │ 0 │ -9 │ 9│ 7 │5 │ 7 │ 5 │ 7 │ 10 │ │ 5 │
│ " 150 " 180 " │ 0 │ -10 │ 0 │ -10 │10│ 8 │5 │ 8 │ 5 │ 8 │ 11 │ │ 5 │
│ " 180 " 250 " │ 0 │ -11 │ 0 │ -11 │11│ 8 │6 │10 │ 7 │ 10 │ 14 │ │ 7 │
│ " 250 " 315 " │ 0 │ -13 │ 0 │ -13 │13│ 10 │7 │11 │ 8 │ 10 │ 14 │ │ 7 │
│ " 315 " 400 " │ 0 │ -15 │ 0 │ -15 │15│ 11 │8 │13 │ 10 │ 13 │ 18 │ │ 8 │
├─────────────────────┴──────┴─────┴──────┴─────┴──┴──────┴────┴───┴────┴────┴────┴────────────┴─────┤
│ <1> Допуски действительны только для серий диаметров 1, 7, 2 (5), │
│3 (6) и 4. │
│ <2> Не действительны для подшипников с упорным бортом на наружном │
│кольце. │
│ <3> Действительны только для шариковых подшипников. │
│ │
│ Примечание. Допуск наружного диаметра упорного борта наружного кольца │
│ 1 │
└────────────────────────────────────────────────────────────────────────────────────────────────────┘
6.2.5. Класс точности 2 (таблицы 9 и
10)
Таблица 9
Внутреннее кольцо
Допуски в микрометрах
┌───────────────────────┬────────────┬────────────┬────┬────┬───┬───┬───┬───────────────────┬─────┐
│ d, мм │ Дельта │ Дельта │V │V │K │S │S │ ДельтаB │V , │
│ │ dmp │ ds │ dsp│ dmp│ ia│ d │ ia│ s │ Bs │
│ │ │ │
<1> │ │ │ │
<2>├──────┬─────┬──────┤ не │
│ │ │ │ │ │ │ │ │ все │нор- │моди- │более│
│ │ │ │ │ │ │ │ │ │маль-│фици- │ │
│ │ │ │ │ │ │ │ │ │ный │рован-│ │
│ │ │ │ │ │ │ │ │ │ │ный │ │
│ │ │ │ │ │ │ │ │ │ │
<3> │ │
│ ├──────┬─────┼──────┬─────┼────┴────┴───┴───┴───┼──────┼─────┴──────┤ │
│ │верхн.│нижн.│верхн.│нижн.│ не более │верхн.│ нижн. │ │
├───────────────────────┼──────┼─────┼──────┼─────┼────┬────┬───┬───┬───┼──────┼─────┬──────┼─────┤
│От 0,6 до 2,5 включ.│ 0 │-2,5 │ 0 │-2,5 │2,5 │1,5 │1,5│1,5│1,5│ 0 │ -40 │ -250 │ 1,5 │
│Св. 2,5 " 10 " │ 0 │-2,5 │ 0 │-2,5 │2,5 │1,5 │1,5│1,5│1,5│ 0 │ -40 │ -250 │ 1,5 │
│ " 10 " 18 " │ 0 │-2,5 │ 0 │-2,5 │2,5 │1,5 │1,5│1,5│1,5│ 0 │ -80 │ -250 │ 1,5 │
│ " 18 " 30 " │ 0 │-2,5 │ 0 │-2,5 │2,5 │1,5 │2,5│1,5│2,5│ 0 │-120 │ -250 │ 1,5 │
│ " 30 " 50 " │ 0 │-2,5 │ 0 │-2,5 │2,5 │1,5 │2,5│1,5│2,5│ 0 │-120 │ -250 │ 1,5 │
│ " 50 " 80 " │ 0 │-4 │ 0 │-4 │4 │2 │2,5│1,5│2,5│ 0 │-150 │ -250 │ 1,5 │
│ " 80 " 120 " │ 0 │-5 │ 0 │-5 │5 │2,5 │2,5│2,5│2,5│ 0 │-200 │ -380 │ 2,5 │
│ " 120 " 150 " │ 0 │-7 │ 0 │-7 │7 │3,5 │2,5│2,5│2,5│ 0 │-250 │ -380 │ 2,5 │
│ " 150 " 180 " │ 0 │-7 │ 0 │-7 │7 │3,5 │5 │4 │5 │ 0 │-250 │ -380 │ 4 │
│ " 180 " 250 " │ 0 │-8 │ 0 │-8 │8 │4 │5 │5 │5 │ 0 │-300 │ -500 │ 5 │
├───────────────────────┴──────┴─────┴──────┴─────┴────┴────┴───┴───┴───┴──────┴─────┴──────┴─────┤
│ <1> Допуски действительны только для серий диаметров 1, 7, 2 (5), │
│3 (6) и 4. │
│ <2> Действительны только для шариковых подшипников. │
│ <3> Относится к кольцам подшипников, предназначенных для сдвоенных или │
│ комплектных подшипников. │
└─────────────────────────────────────────────────────────────────────────────────────────────────┘
Таблица 10
Допуски в микрометрах
┌─────────────────────┬────────────┬────────────┬────┬────┬───┬────┬────┬────┬────────────┬─────┐
│ D, мм │ Дельта │Дельта
<1>│V │V │K │ S │S │S │ Дельта , │V , │
│ │ Dmp │ Ds │ Dsp│ Dmp│ ea│ D │ ea │ ea1│ Cs │ Cs │
│ │ │ │ │ │ │S │
<3> │ │ C1s │ C1s │
│ │ │ │ │ │ │ D1 │ │ │
<3> │
<3> │
│ │ │ │ │ │ │
<3> │ │ │ │ │
│ ├──────┬─────┼──────┬─────┼────┴────┴───┴────┴────┴────┼──────┬─────┼─────┤
│ │верхн.│нижн.│верхн.│нижн.│ не более │верхн.│нижн.│ не │
│ │ │ │ │ │ │ │ │более│
├─────────────────────┼──────┼─────┼──────┼─────┼────┬────┬───┬────┬────┬────┼──────┴─────┼─────┤
│От 2,5 до 6 включ.│ 0 │ -2,5│ 0 │ -2,5│ 2,5│1,5 │1,5│1,5 │1,5 │ 3 │ Равно │ 1,5 │
│Св. 6 " 18 " │ 0 │ -2,5│ 0 │ -2,5│ 2,5│1,5 │1,5│1,5 │1,5 │ 3 │ Дельта │ 1,5 │
│ " 18 " 30 " │ 0 │ -4 │ 0 │ -4 │ 4 │2 │2,5│1,5 │2,5 │ 4 │ Bs │ 1,5 │
│ " 30 " 50 " │ 0 │ -4 │ 0 │ -4 │ 4 │2 │2,5│1,5 │2,5 │ 4 │ того же │ 1,5 │
│ " 50 " 80 " │ 0 │ -4 │ 0 │ -4 │ 4 │2 │4 │1,5 │4 │ 6 │ подшипника │ 1,5 │
│ " 80 " 120 " │ 0 │ -5 │ 0 │ -5 │ 5 │2,5 │5 │2,5 │5 │ 7 │ │ 2,5 │
│ " 120 " 150 " │ 0 │ -5 │ 0 │ -5 │ 5 │2,5 │5 │2,5 │5 │ 7 │ │ 2,5 │
│ " 150 " 180 " │ 0 │ -7 │ 0 │ -7 │ 7 │3,5 │5 │2,5 │5 │ 7 │ │ 2,5 │
│ " 180 " 250 " │ 0 │ -8 │ 0 │ -8 │ 8 │4 │7 │4 │7 │ 10 │ │ 4 │
│ " 250 " 315 " │ 0 │ -8 │ 0 │ -8 │ 8 │4 │7 │5 │7 │ 10 │ │ 5 │
│ " 315 " 400 " │ 0 │-10 │ 0 │-10 │10 │5 │8 │7 │8 │ 11 │ │ 7 │
├─────────────────────┴──────┴─────┴──────┴─────┴────┴────┴───┴────┴────┴────┴────────────┴─────┤
│ <1> Допуски действительны только для открытых и закрытых подшипников │
│серий диаметров 1, 7, 2 (5), 3 (6) и 4. │
│ <2> Не действительны для подшипников с упорным бортом на наружном │
│кольце. │
│ <3> Действительны только для шариковых подшипников. │
│ │
│ Примечание. Допуск наружного диаметра упорного борта наружного кольца │
│ 1 │
└───────────────────────────────────────────────────────────────────────────────────────────────┘
6.3. Роликовые конические подшипники
В настоящем пункте приведены допуски диаметра отверстия для цилиндрических отверстий. Допуски для конических отверстий приведены в
6.5.
6.3.1. Нормальный класс точности (таблицы 11 -
13)
Таблица 11
Диаметр и радиальное биение - Внутреннее кольцо
Допуски в микрометрах
┌───────────────────────────┬─────────────┬──────┬───────┬───────┐
│ d, мм │ Дельта │ V │ V │ K │
│ │ dmp │ dsp │ dmp │ ia │
│ ├──────┬──────┼──────┴───────┴───────┤
│ │верхн.│нижн. │ не более │
├───────────────────────────┼──────┼──────┼──────┬───────┬───────┤
│От 10 до 18 включ. │ 0 │ -12 │ 12 │ 9 │ 15 │
│Св. 18 " 30 " │ 0 │ -12 │ 12 │ 9 │ 18 │
│ " 30 " 50 " │ 0 │ -12 │ 12 │ 9 │ 20 │
│ " 50 " 80 " │ 0 │ -15 │ 15 │ 11 │ 25 │
│ " 80 " 120 " │ 0 │ -20 │ 20 │ 15 │ 30 │
│ " 120 " 180 " │ 0 │ -25 │ 25 │ 19 │ 35 │
│ " 180 " 250 " │ 0 │ -30 │ 30 │ 23 │ 50 │
│ " 250 " 315 " │ 0 │ -35 │ 35 │ 26 │ 60 │
│ " 315 " 400 " │ 0 │ -40 │ 40 │ 30 │ 70 │
└───────────────────────────┴──────┴──────┴──────┴───────┴───────┘
Таблица 12
Диаметр и радиальное биение - Наружное кольцо
Допуски в микрометрах
┌───────────────────────────┬─────────────┬──────┬───────┬───────┐
│ D, мм │ Дельта │ V │ V │ K │
│ │ Dmp │ Dsp │ Dmp │ ea │
│ ├──────┬──────┼──────┴───────┴───────┤
│ │верхн.│нижн. │ не более │
├───────────────────────────┼──────┼──────┼──────┬───────┬───────┤
│От 18 до 30 включ. │ 0 │ -12 │ 12 │ 9 │ 18 │
│Св. 30 " 50 " │ 0 │ -14 │ 14 │ 11 │ 20 │
│ " 50 " 80 " │ 0 │ -16 │ 16 │ 12 │ 25 │
│ " 80 " 120 " │ 0 │ -18 │ 18 │ 14 │ 35 │
│ " 120 " 150 " │ 0 │ -20 │ 20 │ 15 │ 40 │
│ " 150 " 180 " │ 0 │ -25 │ 25 │ 19 │ 45 │
│Св. 180 до 250 включ. │ 0 │ -30 │ 30 │ 23 │ 50 │
│ " 250 " 315 " │ 0 │ -35 │ 35 │ 26 │ 60 │
│ " 315 " 400 " │ 0 │ -40 │ 40 │ 30 │ 70 │
│ " 400 " 500 " │ 0 │ -45 │ 45 │ 34 │ 80 │
│ " 500 " 630 " │ 0 │ -50 │ 50 │ 38 │ 100 │
├───────────────────────────┴──────┴──────┴──────┴───────┴───────┤
│ Примечание. Допуск наружного диаметра упорного борта│
│ 1 │
└────────────────────────────────────────────────────────────────┘
Таблица 13
Ширина - Внутреннее и наружное кольца,
однорядные подшипники и однорядные подузлы
Допуски в микрометрах
┌───────────────────┬────────────┬────────────┬────────────┬────────────┬────────────┐
│ d, мм │ Дельта │ Дельта │ Дельта │ Дельта │ Дельта │
│ │ Bs │ Cs │ Ts │ T1s │ T2s │
│ ├──────┬─────┼──────┬─────┼──────┬─────┼──────┬─────┼──────┬─────┤
│ │верхн.│нижн.│верхн.│нижн.│верхн.│нижн.│верхн.│нижн.│верхн.│нижн.│
├───────────────────┼──────┼─────┼──────┼─────┼──────┼─────┼──────┼─────┼──────┼─────┤
│От 10 до 18 включ.│ 0 │-120 │ 0 │-120 │ +200 │ 0 │ +100 │ 0 │ +100 │ 0 │
│Св. 18 " 30 " │ 0 │-120 │ 0 │-120 │ +200 │ 0 │ +100 │ 0 │ +100 │ 0 │
│ " 30 " 50 " │ 0 │-120 │ 0 │-120 │ +200 │ 0 │ +100 │ 0 │ +100 │ 0 │
│ " 50 " 80 " │ 0 │-150 │ 0 │-150 │ +200 │ 0 │ +100 │ 0 │ +100 │ 0 │
│ " 80 " 120 " │ 0 │-200 │ 0 │-200 │ +200 │-200 │ +100 │-100 │ +100 │-100 │
│ " 120 " 180 " │ 0 │-250 │ 0 │-250 │ +350 │-250 │ +150 │-150 │ +200 │-100 │
│ " 180 " 250 " │ 0 │-300 │ 0 │-300 │ +350 │-250 │ +150 │-150 │ +200 │-100 │
│ " 250 " 315 " │ 0 │-350 │ 0 │-350 │ +350 │-250 │ +150 │-150 │ +200 │-100 │
│ " 315 " 400 " │ 0 │-400 │ 0 │-400 │ +400 │-400 │ +200 │-200 │ +200 │-200 │
└───────────────────┴──────┴─────┴──────┴─────┴──────┴─────┴──────┴─────┴──────┴─────┘
Допуски и радиальное биение внутреннего и наружного колец этого класса точности соответствуют приведенным в
таблицах 11 -
12 для нормального класса точности.
Допуски ширины колец приведены в таблице 14.
Таблица 14
Ширина - Внутреннее и наружное кольца,
однорядные подшипники и однорядные подузлы
Допуски в микрометрах
┌───────────────────┬────────────┬────────────┬────────────┬────────────┬────────────┐
│ d, мм │ Дельта │ Дельта │ Дельта │ Дельта │ Дельта │
│ │ Bs │ Cs │ Ts │ T1s │ T2s │
│ ├──────┬─────┼──────┬─────┼──────┬─────┼──────┬─────┼──────┬─────┤
│ │верхн.│нижн.│верхн.│нижн.│верхн.│нижн.│верхн.│нижн.│верхн.│нижн.│
├───────────────────┼──────┼─────┼──────┼─────┼──────┼─────┼──────┼─────┼──────┼─────┤
│От 10 до 18 включ.│ 0 │ -50 │ 0 │-100 │ +100 │ 0 │ +50 │ 0 │ +50 │ 0 │
│Св. 18 " 30 " │ 0 │ -50 │ 0 │-100 │ +100 │ 0 │ +50 │ 0 │ +50 │ 0 │
│ " 30 " 50 " │ 0 │ -50 │ 0 │-100 │ +100 │ 0 │ +50 │ 0 │ +50 │ 0 │
│ " 50 " 80 " │ 0 │ -50 │ 0 │-100 │ +100 │ 0 │ +50 │ 0 │ +50 │ 0 │
│ " 80 " 120 " │ 0 │ -50 │ 0 │-100 │ +100 │ 0 │ +50 │ 0 │ +50 │ 0 │
│ " 120 " 180 " │ 0 │ -50 │ 0 │-100 │ +150 │ 0 │ +50 │ 0 │ +100 │ 0 │
│ " 180 " 250 " │ 0 │ -50 │ 0 │-100 │ +150 │ 0 │ +50 │ 0 │ +100 │ 0 │
│ " 250 " 315 " │ 0 │ -50 │ 0 │-100 │ +200 │ 0 │ +100 │ 0 │ +100 │ 0 │
│ " 315 " 400 " │ 0 │ -50 │ 0 │-100 │ +200 │ 0 │ +100 │ 0 │ +100 │ 0 │
└───────────────────┴──────┴─────┴──────┴─────┴──────┴─────┴──────┴─────┴──────┴─────┘
6.3.3. Класс точности 5 (таблицы 15 и
16)
Таблица 15
Внутреннее кольцо и ширина однорядного подшипника
Допуски в микрометрах
┌───────────────────┬────────────┬────┬────┬───┬──┬────────────┬────────────┐
│ d, мм │ Дельта │V │V │K │S │ Дельта │ Дельта │
│ │ dmp │ dsp│ dmp│ ia│ d│ Bs │ Ts │
│ ├──────┬─────┼────┴────┴───┴──┼──────┬─────┼──────┬─────┤
│ │верхн.│нижн.│ не более │верхн.│нижн.│верхн.│нижн.│
├───────────────────┼──────┼─────┼────┬────┬───┬──┼──────┼─────┼──────┼─────┤
│От 10 до 18 включ.│ 0 │ -7 │ 5 │ 5 │ 5 │ 7│ 0 │-200 │ +200 │-200 │
│Св. 18 " 30 " │ 0 │ -8 │ 6 │ 5 │ 5 │ 8│ 0 │-200 │ +200 │-200 │
│ " 30 " 50 " │ 0 │ -10 │ 8 │ 5 │ 6 │ 8│ 0 │-240 │ +200 │-200 │
│ " 50 " 80 " │ 0 │ -12 │ 9 │ 6 │ 7 │ 8│ 0 │-300 │ +200 │-200 │
│ " 80 " 120 " │ 0 │ -15 │ 11 │ 8 │ 8 │ 9│ 0 │-400 │ +200 │-200 │
│ " 120 " 180 " │ 0 │ -18 │ 14 │ 9 │11 │10│ 0 │-500 │ +350 │-250 │
│ " 180 " 250 " │ 0 │ -22 │ 17 │ 11 │13 │11│ 0 │-600 │ +350 │-250 │
└───────────────────┴──────┴─────┴────┴────┴───┴──┴──────┴─────┴──────┴─────┘
Таблица 16
Допуски в микрометрах
┌─────────────────────┬─────────────┬────┬────┬────┬───────┬──────────────┐
│ D, мм │ Дельта │V │V │K │S
<1>,│ Дельта │
│ │ Dmp │ Dsp│ Dmp│ ea │ D │ Cs │
│ │ │ │ │ │ S │ │
│ │ │ │ │ │ D1 │ │
│ ├──────┬──────┼────┴────┴────┴───────┼───────┬──────┤
│ │верхн.│нижн. │ не более │верхн. │нижн. │
├─────────────────────┼──────┼──────┼────┬────┬────┬───────┼───────┴──────┤
│От 18 до 30 включ. │ 0 │ -8 │ 6 │ 5 │ 6 │ 8 │Равно Дельта │
│Св. 30 " 50 " │ 0 │ -9 │ 7 │ 5 │ 7 │ 8 │ Bs│
│ " 50 " 80 " │ 0 │ -11 │ 8 │ 6 │ 8 │ 8 │ того же │
│ " 80 " 120 " │ 0 │ -13 │ 10 │ 7 │ 10 │ 9 │ подшипника │
│ " 120 " 150 " │ 0 │ -15 │ 11 │ 8 │ 11 │ 10 │ │
│ " 150 " 180 " │ 0 │ -18 │ 14 │ 9 │ 13 │ 10 │ │
│ " 180 " 250 " │ 0 │ -20 │ 15 │ 10 │ 15 │ 11 │ │
│ " 250 " 315 " │ 0 │ -25 │ 19 │ 13 │ 18 │ 13 │ │
│ " 315 " 400 " │ 0 │ -28 │ 22 │ 14 │ 20 │ 13 │ │
├─────────────────────┴──────┴──────┴────┴────┴────┴───────┴──────────────┤
│ <1> Не действительны для подшипников с упорным бортом на наружном│
│кольце. │
│ │
│ Примечание. Допуск наружного диаметра упорного борта наружного кольца│
│ 1 │
└─────────────────────────────────────────────────────────────────────────┘
6.3.4. Класс точности 4 (таблицы 17 и
18)
Таблица 17
Внутреннее кольцо и ширина однорядного подшипника
Допуски в микрометрах
┌───────────────────┬────────────┬────────────┬────┬────┬───┬──┬───┬────────────┬────────────┐
│ d, мм │ Дельта │ Дельта │V │V │K │S │S │ Дельта │ Дельта │
│ │ dmp │ ds │ dsp│ dmp│ ia│ d│ ia│ Bs │ Ts │
│ ├──────┬─────┼──────┬─────┼────┴────┴───┴──┴───┼──────┬─────┼──────┬─────┤
│ │верхн.│нижн.│верхн.│нижн.│ не более │верхн.│нижн.│верхн.│нижн.│
├───────────────────┼──────┼─────┼──────┼─────┼────┬────┬───┬──┬───┼──────┼─────┼──────┼─────┤
│От 10 до 18 включ.│ 0 │ -5 │ 0 │ -5 │ 4 │ 4 │ 3 │3 │ 3 │ 0 │-200 │ +200 │-200 │
│Св. 18 " 30 " │ 0 │ -6 │ 0 │ -6 │ 5 │ 4 │ 3 │4 │ 4 │ 0 │-200 │ +200 │-200 │
│ " 30 " 50 " │ 0 │ -8 │ 0 │ -8 │ 6 │ 5 │ 4 │4 │ 4 │ 0 │-240 │ +200 │-200 │
│ " 50 " 80 " │ 0 │ -9 │ 0 │ -9 │ 7 │ 5 │ 4 │5 │ 4 │ 0 │-300 │ +200 │-200 │
│ " 80 " 120 " │ 0 │ -10 │ 0 │ -10 │ 8 │ 5 │ 5 │5 │ 5 │ 0 │-400 │ +200 │-200 │
│ " 120 " 180 " │ 0 │ -13 │ 0 │ -13 │ 10 │ 7 │ 6 │6 │ 7 │ 0 │-500 │ +350 │-250 │
│ " 180 " 250 " │ 0 │ -15 │ 0 │ -15 │ 11 │ 8 │ 8 │7 │ 8 │ 0 │-600 │ +350 │-250 │
└───────────────────┴──────┴─────┴──────┴─────┴────┴────┴───┴──┴───┴──────┴─────┴──────┴─────┘
Таблица 18
Допуски в микрометрах
┌───────────────────┬────────────┬────────────┬────┬────┬───┬───────┬───┬────┬────────────┐
│ D, мм │ Дельта │ Дельта │V │V │K │S
<1>,│S │S │ Дельта │
│ │ Dmp │ Ds │ Dsp│ Dmp│ ea│ D │ ea│ ea1│ Cs │
│ │ │ │ │ │ │ S │
<1>│ │ │
│ │ │ │ │ │ │ D1 │ │ │ │
│ ├──────┬─────┼──────┬─────┼────┴────┴───┴───────┴───┴────┼──────┬─────┤
│ │верхн.│нижн.│верхн.│нижн.│ не более │верхн.│нижн.│
├───────────────────┼──────┼─────┼──────┼─────┼────┬────┬───┬───────┬───┬────┼──────┴─────┤
│От 18 до 30 включ.│ 0 │ -6 │ 0 │ -6 │ 5 │ 4 │ 4 │ 4 │ 5 │ 7 │ Равно │
│Св. 30 " 50 " │ 0 │ -7 │ 0 │ -7 │ 5 │ 5 │ 5 │ 4 │ 5 │ 7 │ Дельта │
│ " 50 " 80 " │ 0 │ -9 │ 0 │ -9 │ 7 │ 5 │ 5 │ 4 │ 5 │ 7 │ Bs │
│ " 80 " 120 " │ 0 │ -10 │ 0 │ -10 │ 8 │ 5 │ 6 │ 5 │ 6 │ 8 │ того же │
│ " 120 " 150 " │ 0 │ -11 │ 0 │ -11 │ 8 │ 6 │ 7 │ 5 │ 7 │ 10 │ подшипника │
│ " 150 " 180 " │ 0 │ -13 │ 0 │ -13 │ 10 │ 7 │ 8 │ 5 │ 8 │ 11 │ │
│ " 180 " 250 " │ 0 │ -15 │ 0 │ -15 │ 11 │ 8 │10 │ 7 │10 │ 14 │ │
│ " 250 " 315 " │ 0 │ -18 │ 0 │ -18 │ 14 │ 9 │11 │ 8 │10 │ 14 │ │
│ " 315 " 400 " │ 0 │ -20 │ 0 │ -20 │ 15 │ 10 │13 │ 10 │13 │ 18 │ │
├───────────────────┴──────┴─────┴──────┴─────┴────┴────┴───┴───────┴───┴────┴────────────┤
│ <1> Не действительны для подшипников с упорным бортом на наружном │
│кольце. │
│ │
│ Примечание. Допуск наружного диаметра упорного борта наружного кольца │
│ 1 │
└─────────────────────────────────────────────────────────────────────────────────────────┘
6.4. Упорный борт наружного кольца радиальных и радиально-упорных подшипников
Допуски диаметра упорного борта радиальных шариковых и роликовых, радиально-упорных шариковых и конических роликовых подшипников приведены в таблице 19.
Таблица 19
Допуски наружного диаметра упорного борта
┌─────────────────────┬───────────────────────────────────────────────────┐
│ D , мм │ Дельта , мкм │
│ 1 │ D1s │
│ ├────────────────────────┬──────────────────────────┤
│ │фиксируемый упорный борт│нефиксируемый упорный борт│
│ ├────────────┬───────────┼─────────────┬────────────┤
│ │ верхн. │ нижн. │ верхн. │ нижн. │
├─────────────────────┼────────────┼───────────┼─────────────┼────────────┤
│От 6 до 10 включ.│ 0 │ -36 │ +220 │ -36 │
│Св. 10 " 18 " │ 0 │ -43 │ +270 │ -43 │
│ " 18 " 30 " │ 0 │ -52 │ +330 │ -52 │
│ " 30 " 50 " │ 0 │ -62 │ +390 │ -62 │
│ " 50 " 80 " │ 0 │ -74 │ +460 │ -74 │
│ " 80 " 120 " │ 0 │ -87 │ +540 │ -87 │
│ " 120 " 180 " │ 0 │ -100 │ +630 │ -100 │
│ " 180 " 250 " │ 0 │ -115 │ +720 │ -115 │
│ " 250 " 315 " │ 0 │ -130 │ +810 │ -130 │
│ " 315 " 400 " │ 0 │ -140 │ +890 │ -140 │
│ " 400 " 500 " │ 0 │ -155 │ +970 │ -155 │
│ " 500 " 630 " │ 0 │ -175 │ +1100 │ -175 │
│ " 630 " 800 " │ 0 │ -200 │ +1250 │ -200 │
│ " 800 " 1000 " │ 0 │ -230 │ +1400 │ -230 │
│ " 1000 " 1250 " │ 0 │ -260 │ +1650 │ -260 │
│ " 1250 " 1600 " │ 0 │ -310 │ +1950 │ -310 │
│ " 1600 " 2000 " │ 0 │ -370 │ +2300 │ -370 │
│ " 2000 " 2500 " │ 0 │ -440 │ +2800 │ -440 │
└─────────────────────┴────────────┴───────────┴─────────────┴────────────┘
6.5. Коническое отверстие, конусность 1:12 и 1:30 (рисунки 4 и
5,
таблицы 20 и
21)
Рисунок 4. Номинальное коническое отверстие
Рисунок 5. Коническое отверстие
со средними диаметрами и их отклонениями
Таблица 20
Коническое отверстие, конусность 1:12
Допуски в микрометрах
┌───────────────────────┬────────────────┬──────────────────────┬─────────┐
│ d, мм │ Дельта │Дельта - Дельта │V
<1> │
│ │ dmp │ d1mp dmp│ dsp │
│ ├───────┬────────┼──────────┬───────────┼─────────┤
│ │верхн. │ нижн. │ верхн. │ нижн. │не более │
├───────────────────────┼───────┼────────┼──────────┼───────────┼─────────┤
│ До 10 включ. │ +22 │ 0 │ +15 │ 0 │ 9 │
│Св. 10 " 18 " │ +27 │ 0 │ +18 │ 0 │ 11 │
│ " 18 " 30 " │ +33 │ 0 │ +21 │ 0 │ 13 │
│ " 30 " 50 " │ +39 │ 0 │ +25 │ 0 │ 16 │
│ " 50 " 80 " │ +46 │ 0 │ +30 │ 0 │ 19 │
│ " 80 " 120 " │ +54 │ 0 │ +35 │ 0 │ 22 │
│ " 120 " 180 " │ +63 │ 0 │ +40 │ 0 │ 40 │
│ " 180 " 250 " │ +72 │ 0 │ +46 │ 0 │ 46 │
│ " 250 " 315 " │ +81 │ 0 │ +52 │ 0 │ 52 │
│ " 315 " 400 " │ +89 │ 0 │ +57 │ 0 │ 57 │
│ " 400 " 500 " │ +97 │ 0 │ +63 │ 0 │ 63 │
│ " 500 " 630 " │ +110 │ 0 │ +70 │ 0 │ 70 │
│Св. 630 до 800 включ. │ +125 │ 0 │ +80 │ 0 │ - │
│ " 800 " 1000 " │ +140 │ 0 │ +90 │ 0 │ - │
│ " 1000 " 1250 " │ +165 │ 0 │ +105 │ 0 │ - │
│ " 1250 " 1600 " │ +195 │ 0 │ +125 │ 0 │ - │
├───────────────────────┴───────┴────────┴──────────┴───────────┴─────────┤
│ <1> Применяются в любой единичной радиальной плоскости отверстия. Не│
│действительны для серий диаметров 0 и 8. │
└─────────────────────────────────────────────────────────────────────────┘
Таблица 21
Коническое отверстие, конусность 1:30
Допуски в микрометрах
┌───────────────────────┬────────────────┬──────────────────────┬─────────┐
│ d, мм │ Дельта │Дельта - Дельта │V
<1> │
│ │ dmp │ d1mp dmp│ dsp │
│ ├───────┬────────┼──────────┬───────────┼─────────┤
│ │верхн. │ нижн. │ верхн. │ нижн. │не более │
├───────────────────────┼───────┼────────┼──────────┼───────────┼─────────┤
│От 50 до 80 включ. │ +15 │ 0 │ +30 │ 0 │ 19 │
│Св. 80 " 120 " │ +20 │ 0 │ +35 │ 0 │ 22 │
│ " 120 " 180 " │ +25 │ 0 │ +40 │ 0 │ 40 │
│ " 180 " 250 " │ +30 │ 0 │ +46 │ 0 │ 46 │
│ " 250 " 315 " │ +35 │ 0 │ +52 │ 0 │ 52 │
│ " 315 " 400 " │ +40 │ 0 │ +57 │ 0 │ 57 │
│ " 400 " 500 " │ +45 │ 0 │ +63 │ 0 │ 63 │
│ " 500 " 630 " │ +50 │ 0 │ +70 │ 0 │ 70 │
├───────────────────────┴───────┴────────┴──────────┴───────────┴─────────┤
│ <1> Применяются в любой единичной радиальной плоскости отверстия. Не│
│действительны для серий диаметров 0 и 8. │
└─────────────────────────────────────────────────────────────────────────┘
Для конусности 1:12:
угол конусности (половина угла конуса) -

;
диаметр теоретического большого отверстия -

.
Для конусности 1:30:
угол конусности (половина угла конуса) -

;
диаметр теоретического большого отверстия -

.
Допуски конического отверстия состоят из:
- допуска среднего диаметра

, заданного предельными отклонениями среднего диаметра теоретического малого отверстия;
- допуска конусности

, заданного разностью предельных отклонений средних диаметров малого и большого отверстий;
- допуска непостоянства диаметра

, заданного максимальным значением, относящимся к отверстию в любой радиальной плоскости отверстия.
7. Упорные и упорно-радиальные подшипники. Допуски
7.1. Классы точности подшипников
Для упорных и упорно-радиальных подшипников установлены следующие классы в порядке повышения точности: 8, 7, нормальный, 6, 5, 4, 2.
Примечание. Допуски подшипников 8-го и 7-го классов точности устанавливают в нормативных документах.
Соответствие классов точности упорных и упорно-радиальных подшипников настоящего стандарта классам точности ИСО 199
[3] и национальных стандартов некоторых стран приведены в
Приложении Б.
В
таблицах 22 -
29 приведены допуски для одинарных и двойных упорных и упорно-радиальных подшипников.
7.2. Нормальный класс точности (таблицы 22 и
23)
Таблица 22
Тугое кольцо и высота подшипника
Допуски в микрометрах
┌─────────────────────┬─────────────┬─────┬───┬─────────────┬─────────────┐
│ d, d , мм │ Дельта , │V ,│S │ Дельта │ Дельта │
│ 2 │ dmp │ dsp │ i │ Ts │ T1s │
│ │ Дельта │V │ │ │ │
│ │ d2mp │ d2sp│ │ │ │
│ ├──────┬──────┼─────┴───┼──────┬──────┼──────┬──────┤
│ │верхн.│нижн. │не более │верхн.│нижн. │верхн.│нижн. │
├─────────────────────┼──────┼──────┼─────┬───┼──────┼──────┼──────┼──────┤
│ До 18 включ.│ 0 │ -8 │ 6 │10 │ +20 │ -250 │ +150 │ -400 │
│Св. 18 " 30 " │ 0 │ -10 │ 8 │10 │ +20 │ -250 │ +150 │ -400 │
│ " 30 " 50 " │ 0 │ -12 │ 9 │10 │ +20 │ -250 │ +150 │ -400 │
│ " 50 " 80 " │ 0 │ -15 │ 11 │10 │ +20 │ -300 │ +150 │ -500 │
│ " 80 " 120 " │ 0 │ -20 │ 15 │15 │ +25 │ -300 │ +200 │ -500 │
│ " 120 " 180 " │ 0 │ -25 │ 19 │15 │ +25 │ -400 │ +200 │ -600 │
│Св. 180 до 250 включ.│ 0 │ -30 │ 23 │20 │ +30 │ -400 │ +250 │ -600 │
│ " 250 " 315 " │ 0 │ -35 │ 26 │25 │ +40 │ -400 │ - │ - │
│ " 315 " 400 " │ 0 │ -40 │ 30 │30 │ +40 │ -500 │ - │ - │
│ " 400 " 500 " │ 0 │ -45 │ 34 │30 │ +50 │ -500 │ - │ - │
│ " 500 " 630 " │ 0 │ -50 │ 38 │35 │ +60 │ -600 │ - │ - │
│ " 630 " 800 " │ 0 │ -75 │ 55 │40 │ +70 │ -750 │ - │ - │
│ " 800 " 1000 " │ 0 │ -100 │ 75 │45 │ +80 │-1000 │ - │ - │
│ " 1000 " 1250 " │ 0 │ -125 │ 95 │50 │ +100 │-1400 │ - │ - │
│ " 1250 " 1600 " │ 0 │ -160 │ 120 │60 │ +120 │-1600 │ - │ - │
│ " 1600 " 2000 " │ 0 │ -200 │ 150 │75 │ +140 │-1900 │ - │ - │
│ " 2000 " 2500 " │ 0 │ -250 │ 190 │90 │ +160 │-2300 │ - │ - │
├─────────────────────┴──────┴──────┴─────┴───┴──────┴──────┴──────┴──────┤
│ Примечание. Приведенные допуски действительны для двойных подшипников│
│с d до 190 мм включительно. │
│ 2 │
└─────────────────────────────────────────────────────────────────────────┘
Таблица 23
Допуски в микрометрах
┌──────────────────────┬──────────────────┬────────┬─────────────┐
│ D, мм │ Дельта │ V │ S │
│ │ Dmp │ Dsp │ e │
│ ├────────┬─────────┼────────┴─────────────┤
│ │ верхн. │ нижн. │ не более │
├──────────────────────┼────────┼─────────┼────────┬─────────────┤
│От 10 до 18 включ. │ 0 │ -11 │ 8 │ Равно S │
│Св. 18 " 30 " │ 0 │ -13 │ 10 │ i │
│ " 30 " 50 " │ 0 │ -16 │ 12 │тугого кольца│
│ " 50 " 80 " │ 0 │ -19 │ 14 │ того же │
│ " 80 " 120 " │ 0 │ -22 │ 17 │ подшипника │
│ " 120 " 180 " │ 0 │ -25 │ 19 │ │
│ " 180 " 250 " │ 0 │ -30 │ 23 │ │
│ " 250 " 315 " │ 0 │ -35 │ 26 │ │
│ " 315 " 400 " │ 0 │ -40 │ 30 │ │
│ " 400 " 500 " │ 0 │ -45 │ 34 │ │
│ " 500 " 630 " │ 0 │ -50 │ 38 │ │
│ " 630 " 800 " │ 0 │ -75 │ 55 │ │
│ " 800 " 1000 " │ 0 │ -100 │ 75 │ │
│ " 1000 " 1250 " │ 0 │ -125 │ 95 │ │
│ " 1250 " 1600 " │ 0 │ -160 │ 120 │ │
│ " 1600 " 2000 " │ 0 │ -200 │ 150 │ │
│ " 2000 " 2500 " │ 0 │ -250 │ 190 │ │
│ " 2500 " 2850 " │ 0 │ -300 │ 225 │ │
├──────────────────────┴────────┴─────────┴────────┴─────────────┤
│ Примечание. Приведенные допуски действительны для двойных│
│подшипников с D до 360 мм включительно. │
└────────────────────────────────────────────────────────────────┘
7.3. Класс точности 6 (таблицы 24 и
25)
Таблица 24
Тугое кольцо и высота подшипника
Допуски в микрометрах
┌─────────────────────┬─────────────┬─────┬───┬─────────────┬─────────────┐
│ d, d , мм │ Дельта , │V ,│S │ Дельта │ Дельта │
│ 2 │ dmp │ dsp │ i │ Ts │ T1s │
│ │ Дельта │V │ │ │ │
│ │ d2mp │ d2sp│ │ │ │
│ ├──────┬──────┼─────┴───┼──────┬──────┼──────┬──────┤
│ │верхн.│нижн. │не более │верхн.│нижн. │верхн.│нижн. │
├─────────────────────┼──────┼──────┼─────┬───┼──────┼──────┼──────┼──────┤
│ До 18 включ.│ 0 │ -8 │ 6 │ 5 │ +20 │ -250 │ +150 │ -400 │
│Св. 18 " 30 " │ 0 │ -10 │ 8 │ 5 │ +20 │ -250 │ +150 │ -400 │
│ " 30 " 50 " │ 0 │ -12 │ 9 │ 6 │ +20 │ -250 │ +150 │ -400 │
│Св. 50 до 80 включ.│ 0 │ -15 │ 11 │ 7 │ +20 │ -300 │ +150 │ -500 │
│ " 80 " 120 " │ 0 │ -20 │ 15 │ 8 │ +25 │ -300 │ +200 │ -500 │
│ " 120 " 180 " │ 0 │ -25 │ 19 │ 9 │ +25 │ -400 │ +200 │ -600 │
│ " 180 " 250 " │ 0 │ -30 │ 23 │10 │ +30 │ -400 │ +250 │ -600 │
│ " 250 " 315 " │ 0 │ -35 │ 26 │13 │ +40 │ -400 │ - │ - │
│ " 315 " 400 " │ 0 │ -40 │ 30 │15 │ +40 │ -500 │ - │ - │
│ " 400 " 500 " │ 0 │ -45 │ 34 │18 │ +50 │ -500 │ - │ - │
│ " 500 " 630 " │ 0 │ -50 │ 38 │21 │ +60 │ -600 │ - │ - │
│ " 630 " 800 " │ 0 │ -75 │ 55 │25 │ +70 │ -750 │ - │ - │
│ " 800 " 1000 " │ 0 │ -100 │ 75 │30 │ +80 │-1000 │ - │ - │
│ " 1000 " 1250 " │ 0 │ -125 │ 95 │35 │ +100 │-1400 │ - │ - │
│ " 1250 " 1600 " │ 0 │ -160 │ 120 │40 │ +120 │-1600 │ - │ - │
│ " 1600 " 2000 " │ 0 │ -200 │ 150 │45 │ +140 │-1900 │ - │ - │
│ " 2000 " 2500 " │ 0 │ -250 │ 190 │50 │ +160 │-2300 │ - │ - │
├─────────────────────┴──────┴──────┴─────┴───┴──────┴──────┴──────┴──────┤
│ Примечание. Приведенные допуски действительны для двойных подшипников│
│с d до 190 мм включительно. │
│ 2 │
└─────────────────────────────────────────────────────────────────────────┘
Таблица 25
Допуски в микрометрах
┌──────────────────────┬──────────────────┬────────┬─────────────┐
│ D, мм │ Дельта │ V │ S │
│ │ Dmp │ Dsp │ e │
│ ├────────┬─────────┼────────┴─────────────┤
│ │ верхн. │ нижн. │ не более │
├──────────────────────┼────────┼─────────┼────────┬─────────────┤
│От 10 до 18 включ. │ 0 │ -11 │ 8 │ Равно S │
│Св. 18 " 30 " │ 0 │ -13 │ 10 │ i │
│ " 30 " 50 " │ 0 │ -16 │ 12 │тугого кольца│
│ " 50 " 80 " │ 0 │ -19 │ 14 │ того же │
│ " 80 " 120 " │ 0 │ -22 │ 17 │ подшипника │
│ " 120 " 180 " │ 0 │ -25 │ 19 │ │
│ " 180 " 250 " │ 0 │ -30 │ 23 │ │
│ " 250 " 315 " │ 0 │ -35 │ 26 │ │
│ " 315 " 400 " │ 0 │ -40 │ 30 │ │
│ " 400 " 500 " │ 0 │ -45 │ 34 │ │
│ " 500 " 630 " │ 0 │ -50 │ 38 │ │
│ " 630 " 800 " │ 0 │ -75 │ 55 │ │
│ " 800 " 1000 " │ 0 │ -100 │ 75 │ │
│ " 1000 " 1250 " │ 0 │ -125 │ 95 │ │
│ " 1250 " 1600 " │ 0 │ -160 │ 120 │ │
│ " 1600 " 2000 " │ 0 │ -200 │ 150 │ │
│ " 2000 " 2500 " │ 0 │ -250 │ 190 │ │
│ " 2500 " 2850 " │ 0 │ -300 │ 225 │ │
├──────────────────────┴────────┴─────────┴────────┴─────────────┤
│ Примечание. Приведенные допуски действительны для двойных│
│подшипников с D до 360 мм включительно. │
└────────────────────────────────────────────────────────────────┘
7.4. Класс точности 5 (таблицы 26 и
27)
Таблица 26
Тугое кольцо и высота подшипника
Допуски в микрометрах
┌─────────────────────┬─────────────┬─────┬───┬─────────────┬─────────────┐
│ d, d , мм │ Дельта , │V ,│S │ Дельта │ Дельта │
│ 2 │ dmp │ dsp │ i │ Ts │ T1s │
│ │ Дельта │V │ │ │ │
│ │ d2mp │ d2sp│ │ │ │
│ ├──────┬──────┼─────┴───┼──────┬──────┼──────┬──────┤
│ │верхн.│нижн. │не более │верхн.│нижн. │верхн.│нижн. │
├─────────────────────┼──────┼──────┼─────┬───┼──────┼──────┼──────┼──────┤
│ До 18 включ.│ 0 │ -8 │ 6 │ 3 │ +20 │ -250 │ +150 │ -400 │
│Св. 18 " 30 " │ 0 │ -10 │ 8 │ 3 │ +20 │ -250 │ +150 │ -400 │
│ " 30 " 50 " │ 0 │ -12 │ 9 │ 3 │ +20 │ -250 │ +150 │ -400 │
│ " 50 " 80 " │ 0 │ -15 │ 11 │ 4 │ +20 │ -300 │ +150 │ -500 │
│ " 80 " 120 " │ 0 │ -20 │ 15 │ 4 │ +25 │ -300 │ +200 │ -500 │
│ " 120 " 180 " │ 0 │ -25 │ 19 │ 5 │ +25 │ -400 │ +200 │ -600 │
│ " 180 " 250 " │ 0 │ -30 │ 23 │ 5 │ +30 │ -400 │ +250 │ -600 │
│ " 250 " 315 " │ 0 │ -35 │ 26 │ 7 │ +40 │ -400 │ - │ - │
│ " 315 " 400 " │ 0 │ -40 │ 30 │ 7 │ +40 │ -500 │ - │ - │
│ " 400 " 500 " │ 0 │ -45 │ 34 │ 9 │ +50 │ -500 │ - │ - │
│ " 500 " 630 " │ 0 │ -50 │ 38 │11 │ +60 │ -600 │ - │ - │
│ " 630 " 800 " │ 0 │ -75 │ 55 │13 │ +70 │ -750 │ - │ - │
│ " 800 " 1000 " │ 0 │ -100 │ 75 │15 │ +80 │-1000 │ - │ - │
│ " 1000 " 1250 " │ 0 │ -125 │ 95 │18 │ +100 │-1400 │ - │ - │
│ " 1250 " 1600 " │ 0 │ -160 │ 120 │25 │ +120 │-1600 │ - │ - │
│ " 1600 " 2000 " │ 0 │ -200 │ 150 │30 │ +140 │-1900 │ - │ - │
│ " 2000 " 2500 " │ 0 │ -250 │ 190 │40 │ +160 │-2300 │ - │ - │
├─────────────────────┴──────┴──────┴─────┴───┴──────┴──────┴──────┴──────┤
│ Примечание. Приведенные допуски действительны для двойных подшипников│
│с d до 190 мм включительно. │
│ 2 │
└─────────────────────────────────────────────────────────────────────────┘
Таблица 27
Допуски в микрометрах
┌───────────────────────┬──────────────────┬────────┬────────────┐
│ D, мм │ Дельта │ V │ S │
│ │ Dmp │ Dsp │ e │
│ ├────────┬─────────┼────────┴────────────┤
│ │ верхн. │ нижн. │ не более │
├───────────────────────┼────────┼─────────┼───────┬─────────────┤
│От 10 до 18 включ.│ 0 │ -11 │ 8 │ Равно S │
│Св. 18 " 30 " │ 0 │ -13 │ 10 │ i │
│ " 30 " 50 " │ 0 │ -16 │ 12 │тугого кольца│
│ " 50 " 80 " │ 0 │ -19 │ 14 │ того же │
│ " 80 " 120 " │ 0 │ -22 │ 17 │ подшипника │
│ " 120 " 180 " │ 0 │ -25 │ 19 │ │
│ " 180 " 250 " │ 0 │ -30 │ 23 │ │
│ " 250 " 315 " │ 0 │ -35 │ 26 │ │
│ " 315 " 400 " │ 0 │ -40 │ 30 │ │
│ " 400 " 500 " │ 0 │ -45 │ 34 │ │
│ " 500 " 630 " │ 0 │ -50 │ 38 │ │
│ " 630 " 800 " │ 0 │ -75 │ 55 │ │
│ " 800 " 1000 " │ 0 │ -100 │ 75 │ │
│ " 1000 " 1250 " │ 0 │ -125 │ 95 │ │
│ " 1250 " 1600 " │ 0 │ -160 │ 120 │ │
│Св. 1600 до 2000 включ.│ 0 │ -200 │ 150 │ │
│ " 2000 " 2500 " │ 0 │ -250 │ 190 │ │
│ " 2500 " 2850 " │ 0 │ -300 │ 225 │ │
├───────────────────────┴────────┴─────────┴───────┴─────────────┤
│ Примечание. Приведенные допуски действительны для двойных│
│подшипников с D до 360 мм включительно. │
└────────────────────────────────────────────────────────────────┘
7.5. Класс точности 4 (таблицы 28 и
29)
Таблица 28
Тугое кольцо и высота подшипника
Допуски в микрометрах
┌─────────────────────┬─────────────┬─────┬───┬─────────────┬─────────────┐
│ d, d , мм │ Дельта , │V ,│S │ Дельта │ Дельта │
│ 2 │ dmp │ dsp │ i │ Ts │ T1s │
│ │ Дельта │V │ │ │ │
│ │ d2mp │ d2sp│ │ │ │
│ ├──────┬──────┼─────┴───┼──────┬──────┼──────┬──────┤
│ │верхн.│нижн. │не более │верхн.│нижн. │верхн.│нижн. │
├─────────────────────┼──────┼──────┼─────┬───┼──────┼──────┼──────┼──────┤
│ До 18 включ. │ 0 │ -7 │ 5 │ 2 │ +20 │ -250 │ +150 │ -400 │
│Св. 18 " 30 " │ 0 │ -8 │ 6 │ 2 │ +20 │ -250 │ +150 │ -400 │
│ " 30 " 50 " │ 0 │ -10 │ 8 │ 2 │ +20 │ -250 │ +150 │ -400 │
│ " 50 " 80 " │ 0 │ -12 │ 9 │ 3 │ +20 │ -300 │ +150 │ -500 │
│ " 80 " 120 " │ 0 │ -15 │ 11 │ 3 │ +25 │ -300 │ +200 │ -500 │
│ " 120 " 180 " │ 0 │ -18 │ 14 │ 4 │ +25 │ -400 │ +200 │ -600 │
│ " 180 " 250 " │ 0 │ -22 │ 17 │ 4 │ +30 │ -400 │ +250 │ -600 │
│ " 250 " 315 " │ 0 │ -25 │ 19 │ 5 │ +40 │ -400 │ - │ - │
│ " 315 " 400 " │ 0 │ -30 │ 23 │ 5 │ +40 │ -500 │ - │ - │
│ " 400 " 500 " │ 0 │ -35 │ 26 │ 6 │ +50 │ -500 │ - │ - │
│ " 500 " 630 " │ 0 │ -40 │ 30 │ 7 │ +60 │ -600 │ - │ - │
│ " 630 " 800 " │ 0 │ -50 │ 40 │ 8 │ +70 │ -750 │ - │ - │
├─────────────────────┴──────┴──────┴─────┴───┴──────┴──────┴──────┴──────┤
│ Примечание. Приведенные допуски действительны для двойных подшипников│
│с d до 190 мм включительно. │
│ 2 │
└─────────────────────────────────────────────────────────────────────────┘
Таблица 29
Допуски в микрометрах
┌───────────────────────┬──────────────────┬────────┬────────────┐
│ D, мм │ Дельта │ V │ S │
│ │ Dmp │ Dsp │ e │
│ ├────────┬─────────┼────────┴────────────┤
│ │ верхн. │ нижн. │ не более │
├───────────────────────┼────────┼─────────┼───────┬─────────────┤
│От 10 до 18 включ. │ 0 │ -7 │ 5 │ Равно S │
│Св. 18 " 30 " │ 0 │ -8 │ 6 │ i │
│ " 30 " 50 " │ 0 │ -9 │ 7 │тугого кольца│
│ " 50 " 80 " │ 0 │ -11 │ 8 │ того же │
│ " 80 " 120 " │ 0 │ -13 │ 10 │ подшипника │
│ " 120 " 180 " │ 0 │ -15 │ 11 │ │
│ " 180 " 250 " │ 0 │ -20 │ 15 │ │
│ " 250 " 315 " │ 0 │ -25 │ 19 │ │
│ " 315 " 400 " │ 0 │ -28 │ 21 │ │
│ " 400 " 500 " │ 0 │ -33 │ 25 │ │
│ " 500 " 630 " │ 0 │ -38 │ 29 │ │
│ " 630 " 800 " │ 0 │ -45 │ 34 │ │
│ " 800 " 1000 " │ 0 │ -60 │ 45 │ │
├───────────────────────┴────────┴─────────┴───────┴─────────────┤
│ Примечание. Приведенные допуски действительны для двойных│
│подшипников с D до 360 мм включительно. │
└────────────────────────────────────────────────────────────────┘
8. Технические требования
8.1. Основные размеры подшипников должны соответствовать ГОСТ 3478, стандартам на типы и размеры подшипников или конструкторской документации, в которой имеется ссылка на настоящий стандарт.
8.2. Шариковые и роликовые подшипники должны быть изготовлены в соответствии с требованиями настоящего стандарта по конструкторской документации, утвержденной в установленном порядке.
8.3. В зависимости от наличия требований по уровню вибрации, допускаемых значений уровня вибрации или уровня других дополнительных технических требований установлены три категории подшипников - A, B, C.
К категории A относят подшипники классов точности 5, 4, T, 2 с одним из следующих дополнительных требований по:
повышенным регламентированным нормам уровня вибрации;
волнистости и отклонению от круглости поверхностей качения и моменту трения;
волнистости и отклонению от круглости поверхностей качения и контролю угла контакта;
волнистости и отклонению от круглости поверхностей качения, моменту трения и контролю угла контакта;
волнистости и отклонению от круглости поверхностей качения, значению осевого биения, соответствующему следующему более высокому классу точности;
волнистости и отклонению от круглости поверхностей качения, значению радиального биения, соответствующему следующему более высокому классу точности;
волнистости и отклонению от круглости поверхностей качения, значениям осевого и радиального биений, соответствующим следующему более высокому классу точности;
волнистости и отклонению от круглости поверхностей качения, значению осевого биения, соответствующему следующему более высокому классу точности, и моменту трения;
волнистости и отклонению от круглости поверхностей качения, значению радиального биения, соответствующему следующему более высокому классу точности, и моменту трения;
волнистости и отклонению от круглости поверхностей качения, значениям осевого и радиального биений, соответствующим следующему более высокому классу точности, и моменту трения;
волнистости и отклонению от круглости поверхностей качения, значению осевого биения, соответствующему следующему более высокому классу точности, и контролю угла контакта;
волнистости и отклонению от круглости поверхностей качения, значению радиального биения, соответствующему следующему более высокому классу точности, и контролю угла контакта;
волнистости и отклонению от круглости поверхностей качения, значениям осевого и радиального биений, соответствующим следующему более высокому классу точности, и контролю угла контакта;
волнистости и отклонению от круглости поверхностей качения, значению осевого биения, соответствующему следующему более высокому классу точности, моменту трения и контролю угла контакта;
волнистости и отклонению от круглости поверхностей качения, значению радиального биения, соответствующему следующему более высокому классу точности, моменту трения и контролю угла контакта;
волнистости и отклонению от круглости поверхностей качения, значениям осевого и радиального биений, соответствующим следующему более высокому классу точности, моменту трения и контролю угла контакта.
К категории B относят подшипники классов точности 0, нормального, 6X, 6, 5 с одним из следующих дополнительных требований по:
регламентированным нормам уровня вибрации;
волнистости и отклонению от круглости поверхностей качения;
значению осевого биения, соответствующему следующему более высокому классу точности;
значению радиального биения, соответствующему следующему более высокому классу точности;
значениям осевого и радиального биений, соответствующим следующему более высокому классу точности;
моменту трения;
контролю угла контакта;
моменту трения и контролю угла контакта;
высоте, монтажной высоте и ширине подшипников.
К категории C относят подшипники классов точности 8, 7, 0, нормального, 6, к которым не предъявляют дополнительные требования, установленные для подшипников категорий A и B, а также другие требования, не указанные в настоящем стандарте.
Конкретные значения дополнительных технических требований устанавливают в нормативных документах на подшипники категорий A, B, C или в конструкторской документации, утвержденной в установленном порядке.
Категории A, B, C, кроме отдельных технических требований, не распространяются на подшипники, изготавливаемые по нормативным документам в соответствии с
8.30.
Подшипники категорий A, B, C изготавливают по заказу потребителя.
8.4. Марку стали, твердость, обозначение других материалов, применяемых для изготовления деталей подшипников, указывают в конструкторской документации.
8.5. Твердость колец и роликов из наиболее часто применяемых марок сталей приведена в таблице 30. Требования таблицы 30 не распространяются на подшипники, имеющие в условном обозначении справа дополнительные знаки T, T1,..., T5.
Таблица 30
Марка стали | Твердость колец и роликов, работающих при температуре до 100 °C, HRC |
Кольца с толщиной стенки до 35 мм и ролики диаметром до 55 мм | Кольца с толщиной стенки свыше 35 мм и ролики диаметром свыше 55 мм |
ШХ4 | 60...63 | 59...63 |
ШХ15, ШХ15-Ш, ШХ15-В, 18ХГТ | 61...65 |
| 60...64 |
15Г1 | 58...62 |
20Х2Н4А | 59...66 |
<1> По заказу потребителя твердость колец с толщиной стенки свыше 35 мм и роликов диаметром свыше 55 мм должна быть 60...64 HRC. |
8.6. Неоднородность по твердости в пределах одного кольца подшипника должна быть не более 3 HRC.
8.7. Параметр шероховатости Ra наружной поверхности, поверхностей отверстия и торцов колец подшипников не должен превышать значений, указанных в таблице 31.
Таблица 31
┌────────────┬─────────────┬──────────────────────────────────────────────┐
│Наименование│ Класс │ Параметр шероховатости поверхности Ra, мкм, │
│ │ подшипника ├──────────────────────────────────────────────┤
│ │ │Номинальные диаметры d и D колец подшипников, │
│ │ │ мм │
│ │ ├──────┬───────┬───────┬───────┬───────┬───────┤
│ │ │до 30 │св. 30 │св. 80 │св. 150│св. 250│св. 500│
│ │ │ │ до 80 │до 150 │до 250 │до 500 │до 2500│
├────────────┼─────────────┼──────┼───────┼───────┼───────┼───────┼───────┤
│Поверхность │0, нормальный│ 1,25 │ 1,25 │ 1,25 │ 1,25 │ 2,5 │ 2,5 │
│отверстия │ │ │ │ │ │ │ │
│подшипника │ 6X, 6, 5 │ 0,63 │ 0,63 │ 1,25 │ 1,25 │ 1,25 │ 2,5 │
│ │ 4, T, 2 │ 0,32 │ 0,32 │ 0,63 │ 0,63 │ 0,63 │ - │
│ │ │ │ │ │ │ │ │
│Наружная │0, нормальный│ 0,63 │ 0,63 │ 1,25 │ 1,25 │ 1,25 │ 2,5 │
│поверхность │ │ │ │ │ │ │ │
│подшипника │ 6X, 6, 5 │ 0,32 │ 0,32 │ 0,63 │ 0,63 │ 0,63 │ 1,25 │
│ │ 4, T, 2 │ 0,32 │ 0,32 │ 0,63 │ 0,63 │ 0,63 │ - │
│ │ │ │ │ │ │ │ │
│Поверхность │0, нормальный│ 2,5 │ 2,5 │ 2,5 │ 2,5 │ 2,5 │ 2,5 │
│торцов колец│ │ │ │ │ │ │ │
│подшипника │ 6X, 6, 5 │ 1,25 │ 1,25 │ 1,25 │ 1,25 │ 2,5 │ 2,5 │
│ │ 4, T, 2
<1> │ 0,63 │ 0,63 │ 0,63 │ 0,63 │ 1,25 │ - │
├────────────┴─────────────┴──────┴───────┴───────┴───────┴───────┴───────┤
│ <1> Для упорных шариковых подшипников класса точности 2 параметр│
│шероховатости Ra должен быть не более 0,32 мкм - для колец подшипников│
│номинальным диаметром отверстия тугого кольца до 80 мм и не более│
│0,63 мкм - для колец подшипников номинальным диаметром отверстия тугого│
│кольца свыше 80 мм. │
└─────────────────────────────────────────────────────────────────────────┘
При изготовлении подшипников из нержавеющих сталей и сплавов параметр шероховатости Ra устанавливают по согласованию между изготовителем и потребителем.
8.8. Требования к радиальным и радиально-упорным подшипникам серий диаметров 0 и 8 соответствуют требованиям, указанным в
таблицах 1 -
8 для серий диаметров 9.
8.9. Неперпендикулярность торца внутреннего кольца относительно отверстия

и осевые биения внутреннего

и наружного

колец собранных шариковых и роликовых радиальных и шариковых радиально-упорных подшипников нормального и 6-го классов точности не должны превышать значений, указанных в таблицах 32 и
33.
Таблица 32
Внутреннее кольцо
Допуски в микрометрах
┌────────────────────────┬───────────────────┬───────────────────┐
│ d, мм │ S , S │ S │
│ │ ia i │ d │
│ ├───────────────────┴───────────────────┤
│ │ Класс точности │
│ ├───────────┬───────┬───────────┬───────┤
│ │нормальный │ 6 │нормальный │ 6 │
│ ├───────────┴───────┴───────────┴───────┤
│ │ не более │
├────────────────────────┼───────────┬───────┬───────────┬───────┤
│От 0,6 до 2,5 включ. │ 24 │ 12 │ 20 │ 10 │
│Св. 2,5 " 10 " │ 24 │ 12 │ 20 │ 10 │
│ " 10 " 18 " │ 24 │ 12 │ 20 │ 10 │
│ " 18 " 30 " │ 24 │ 12 │ 20 │ 10 │
│ " 30 " 50 " │ 24 │ 12 │ 20 │ 10 │
│ " 50 " 80 " │ 30 │ 15 │ 25 │ 12 │
│ " 80 " 120 " │ 30 │ 15 │ 25 │ 12 │
│ " 120 " 180 " │ 35 │ 18 │ 30 │ 15 │
│ " 180 " 250 " │ 35 │ 18 │ 30 │ 15 │
│ " 250 " 315 " │ 42 │ 21 │ 35 │ 17 │
│ " 315 " 400 " │ 48 │ 24 │ 40 │ 20 │
│ " 400 " 500 " │ 54 │ 27 │ 45 │ 22 │
│ " 500 " 630 " │ - │ - │ - │ 25 │
└────────────────────────┴───────────┴───────┴───────────┴───────┘
Таблица 33
Допуски в микрометрах
┌────────────────────────────┬───────────────────────────────────┐
│ D, мм │ S , S │
│ │ ea e │
│ ├───────────────────────────────────┤
│ │ Класс точности │
│ ├──────────────────┬────────────────┤
│ │ нормальный │ 6 │
│ ├──────────────────┴────────────────┤
│ │ не более │
├────────────────────────────┼──────────────────┬────────────────┤
│От 2,5 до 6 включ. │ 40 │ 20 │
│Св. 6 " 18 " │ 40 │ 20 │
│ " 18 " 30 " │ 40 │ 20 │
│ " 30 " 50 " │ 40 │ 20 │
│ " 50 " 80 " │ 40 │ 20 │
│ " 80 " 120 " │ 45 │ 22 │
│ " 120 " 150 " │ 50 │ 25 │
│ " 150 " 180 " │ 60 │ 30 │
│ " 180 " 250 " │ 70 │ 35 │
│ " 250 " 315 " │ 80 │ 40 │
│ " 315 " 400 " │ 90 │ 45 │
│ " 400 " 500 " │ 100 │ 50 │
│ " 500 " 630 " │ 120 │ 60 │
│ " 630 " 800 " │ 140 │ 70 │
│ " 800 " 1000 " │ 160 │ 80 │
└────────────────────────────┴──────────────────┴────────────────┘
8.10. Допуски шариковых и роликовых радиальных и радиально-упорных шариковых подшипников класса точности T не должны быть более указанных в таблицах 34 и
35.
Таблица 34
Внутреннее кольцо
Допуски в микрометрах
┌───────────────────────┬────────────┬────────────┬────┬────┬────┬───┬────────┬────────────┬─────┐
│ d, мм │ Дельта │ Дельта │V │V │K ,│S │S
<2>,│ Дельта │V , │
│ │ dmp │ ds │ dsp│ dmp│ ia │ d │ ia │ Bs │ Bs │
│ │ │ │
<1> │ │ K │ │ S
<2> │ │ не │
│ │ │ │ │ │ i │ │ i │ │более│
│ ├──────┬─────┼──────┬─────┼────┴────┴────┴───┴────────┼──────┬─────┤ │
│ │верхн.│нижн.│верхн.│нижн.│ не более │верхн.│нижн.│ │
├───────────────────────┼──────┼─────┼──────┼─────┼────┬────┬────┬───┬────────┼──────┼─────┼─────┤
│От 0,6 до 2,5 включ.│ 0 │ -4 │ 0 │ -4 │ 4 │2,5 │2 │2 │ 2 │ 0 │ -40 │ 2 │
│Св. 2,5 " 10 " │ 0 │ -4 │ 0 │ -4 │ 4 │2,5 │2 │2 │ 2 │ 0 │ -40 │ 2 │
│ " 10 " 18 " │ 0 │ -4 │ 0 │ -4 │ 4 │2,5 │2 │2 │ 2 │ 0 │ -80 │ 2 │
│ " 18 " 30 " │ 0 │ -4 │ 0 │ -4 │ 4 │2,5 │2,5 │2 │ 2,5 │ 0 │-120 │ 2 │
│ " 30 " 50 " │ 0 │ -4 │ 0 │ -4 │ 4 │2,5 │2,5 │2 │ 2,5 │ 0 │-120 │ 2 │
│ " 50 " 80 " │ 0 │ -5 │ 0 │ -5 │ 5 │2,5 │2,5 │2 │ 2,5 │ 0 │-125 │ 2 │
│ " 80 " 120 " │ 0 │ -5 │ 0 │ -5 │ 5 │2,5 │2,5 │2,5│ 2,5 │ 0 │-125 │ 2,5 │
│ " 120 " 150 " │ 0 │ -7 │ 0 │ -7 │ 7 │3,5 │2,5 │2,5│ 2,5 │ 0 │-125 │ 2,5 │
│ " 150 " 180 " │ 0 │ -7 │ 0 │ -7 │ 7 │3,5 │5 │4 │ 5 │ 0 │-125 │ 4 │
│ " 180 " 250 " │ 0 │ -9 │ 0 │ -9 │ 9 │4,5 │6 │5 │ 7 │ 0 │-150 │ 5 │
├───────────────────────┴──────┴─────┴──────┴─────┴────┴────┴────┴───┴────────┴──────┴─────┴─────┤
│ <1> Допуски действительны только для серий диаметров 9, 1, 7, 2 (5), │
│3 (6) и 4. │
│ <2> Для шариковых радиальных и радиально-упорных подшипников, кроме │
│сферических. │
└────────────────────────────────────────────────────────────────────────────────────────────────┘
Таблица 35
Допуски в микрометрах
┌─────────────────────┬────────────┬────────────┬────┬────┬────┬───────┬─────────────┬────────┬─────────┬────────┐
│ D, мм │ Дельта │Дельта
<1>│V │V │K ,│S
<2>,│S
<2>,
<3>,│Дельта │Дельта │ V , │
│ │ Dmp │ Ds │ Dsp│ Dmp│ ea │ D │ ea │ Cs│ C1s│ Cs │
│ │ │ │ │ │ e │ D1 │ e │ │ │ C1s │
│ ├──────┬─────┼──────┬─────┼────┴────┴────┴───────┴─────────────┼────────┼─────────┼────────┤
│ │верхн.│нижн.│верхн.│нижн.│ не более │ верхн. │ нижн. │не более│
├─────────────────────┼──────┼─────┼──────┼─────┼────┬────┬────┬───────┬─────────────┼────────┴─────────┼────────┤
│От 2,5 до 6 включ.│ 0 │ -3 │ 0 │ -3 │ 3 │2 │ 2 │ 2 │ 2 │ Равно Дельта │ 1,5 │
│Св. 6 " 18 " │ 0 │ -3 │ 0 │ -3 │ 3 │2 │ 2 │ 2 │ 2 │ Bs │ 1,5 │
│ " 18 " 30 " │ 0 │ -4 │ 0 │ -4 │ 4 │2 │ 2,5│ 2 │ 2,5 │того же подшипника│ 2 │
│ " 30 " 50 " │ 0 │ -4 │ 0 │ -4 │ 4 │2 │ 2,5│ 2 │ 2,5 │ │ 2 │
│ " 50 " 80 " │ 0 │ -4 │ 0 │ -4 │ 4 │2 │ 4 │ 2 │ 4 │ │ 2 │
│ " 80 " 120 " │ 0 │ -5 │ 0 │ -5 │ 5 │2,5 │ 5 │ 2,5 │ 5 │ │ 2,5 │
│ " 120 " 150 " │ 0 │ -5 │ 0 │ -5 │ 5 │2,5 │ 5 │ 2,5 │ 5 │ │ 2,5 │
│ " 150 " 180 " │ 0 │ -7 │ 0 │ -7 │ 7 │3,5 │ 5 │ 2,5 │ 5 │ │ 2,5 │
│ " 180 " 250 " │ 0 │ -8 │ 0 │ -8 │ 8 │4 │ 7 │ 4 │ 7 │ │ 4 │
│ " 250 " 315 " │ 0 │ -10 │ 0 │ -10 │ 10 │5 │ 8 │ 6 │ 8 │ │ 5 │
│ " 315 " 400 " │ 0 │ -12 │ 0 │ -12 │ 12 │6 │10 │ 7 │ 10 │ │ 6 │
├─────────────────────┴──────┴─────┴──────┴─────┴────┴────┴────┴───────┴─────────────┴──────────────────┴────────┤
│ <1> Допуски действительны только для серий диаметров 9, 1, 7, 2 (5), │
│3 (6) и 4. │
│ <2> Не действительны для подшипников с упорным бортом на наружном │
│кольце. │
│ <3> Действительны только для шариковых подшипников. │
│ │
│ Примечание. Допуск наружного диаметра упорного борта наружного кольца │
│ 1 │
└────────────────────────────────────────────────────────────────────────────────────────────────────────────────┘
8.11. Неперпендикулярность торца внутреннего кольца относительно отверстия

роликовых конических подшипников нормального класса точности не должна быть более указанных в таблице 36.
Таблица 36
Внутреннее кольцо
┌─────────────────────────────────┬──────────────────────────────┐
│ d, мм │ S , мкм, не более │
│ │ d │
├─────────────────────────────────┼──────────────────────────────┤
│ От 10 до 18 включ. │ 20 │
│ Св. 18 " 30 " │ 20 │
│ " 30 " 50 " │ 20 │
│ " 50 " 80 " │ 25 │
│ " 80 " 120 " │ 25 │
│ От 120 до 180 включ. │ 30 │
│ Св. 180 " 250 " │ 30 │
│ " 250 " 315 " │ 35 │
│ " 315 " 400 " │ 40 │
└─────────────────────────────────┴──────────────────────────────┘
8.12. Допуски роликовых конических подшипников классов точности 0, 6 и 2 приведены в
таблицах 37 -
44.
8.12.1. Класс точности 0 (таблицы 37 -
39)
Таблица 37
Диаметр и биения - Внутреннее кольцо
Допуски в микрометрах
┌────────────────────┬─────────────┬──────┬──────┬─────────┬─────┐
│ d, мм │ Дельта │ V │ V │ K , K │ S │
│ │ dmp │ dsp │ dmp │ ia i │ d │
│ ├──────┬──────┼──────┴──────┴─────────┴─────┤
│ │верхн.│нижн. │ не более │
├────────────────────┼──────┼──────┼──────┬──────┬─────────┬─────┤
│От 10 до 18 включ. │ 0 │ -12 │ 12 │ 9 │ 15 │ 20 │
│Св. 18 " 30 " │ 0 │ -12 │ 12 │ 9 │ 18 │ 20 │
│ " 30 " 50 " │ 0 │ -12 │ 12 │ 9 │ 20 │ 20 │
│ " 50 " 80 " │ 0 │ -15 │ 15 │ 11 │ 25 │ 25 │
│ " 80 " 120 " │ 0 │ -20 │ 20 │ 15 │ 30 │ 25 │
│ " 120 " 180 " │ 0 │ -25 │ 25 │ 19 │ 35 │ 30 │
│ " 180 " 250 " │ 0 │ -30 │ 30 │ 23 │ 50 │ 30 │
│ " 250 " 315 " │ 0 │ -35 │ 35 │ 26 │ 60 │ 35 │
│ " 315 " 400 " │ 0 │ -40 │ 40 │ 30 │ 70 │ 40 │
└────────────────────┴──────┴──────┴──────┴──────┴─────────┴─────┘
Таблица 38
Диаметр и радиальное биение - Наружное кольцо
Допуски в микрометрах
┌─────────────────────┬───────────────┬─────────┬───────┬────────┐
│ D, мм │ Дельта │ V │ V │K , K │
│ │ Dmp │ Dsp │ Dmp │ ea e │
│ ├───────┬───────┼─────────┴───────┴────────┤
│ │верхн. │ нижн. │ не более │
├─────────────────────┼───────┼───────┼─────────┬───────┬────────┤
│От 18 до 30 включ. │ 0 │ -12 │ 12 │ 9 │ 18 │
│Св. 30 " 50 " │ 0 │ -14 │ 14 │ 11 │ 20 │
│ " 50 " 80 " │ 0 │ -16 │ 16 │ 12 │ 25 │
│ " 80 " 120 " │ 0 │ -18 │ 18 │ 14 │ 35 │
│ " 120 " 150 " │ 0 │ -20 │ 20 │ 15 │ 40 │
│ " 150 " 180 " │ 0 │ -25 │ 25 │ 19 │ 45 │
│ " 180 " 250 " │ 0 │ -30 │ 30 │ 23 │ 50 │
│ " 250 " 315 " │ 0 │ -35 │ 35 │ 26 │ 60 │
│ " 315 " 400 " │ 0 │ -40 │ 40 │ 30 │ 70 │
│ " 400 " 500 " │ 0 │ -45 │ 45 │ 34 │ 80 │
│ " 500 " 630 " │ 0 │ -50 │ 50 │ 38 │ 100 │
└─────────────────────┴───────┴───────┴─────────┴───────┴────────┘
Таблица 39
Ширина - Внутреннее и наружное кольца, однорядные
подшипники и однорядные подузлы
Допуски в микрометрах
┌───────────────────┬────────────┬────────────┬────────────┬─────────────┬─────────────┐
│ d, мм │ Дельта │ Дельта │ Дельта │Дельта
<1>│Дельта
<1>│
│ │ Bs │ Cs │ Ts │ T1s │ T2s │
│ ├──────┬─────┼──────┬─────┼──────┬─────┼──────┬──────┼──────┬──────┤
│ │верхн.│нижн.│верхн.│нижн.│верхн.│нижн.│верхн.│нижн. │верхн.│нижн. │
├───────────────────┼──────┼─────┼──────┴─────┼──────┼─────┼──────┼──────┼──────┼──────┤
│От 10 до 18 включ.│ 0 │-200 │ Равно │ +250 │ -250│ +125 │ -125 │ +125 │ -125 │
│Св. 18 " 30 " │ 0 │-200 │ Дельта │ +250 │ -250│ +125 │ -125 │ +125 │ -125 │
│ " 30 " 50 " │ 0 │-240 │ Bs │ +250 │ -250│ +125 │ -125 │ +125 │ -125 │
│ " 50 " 80 " │ 0 │-300 │ того же │ +250 │ -250│ +125 │ -125 │ +125 │ -125 │
│ " 80 " 120 " │ 0 │-400 │ подшипника │ +500 │ -500│ +250 │ -250 │ +250 │ -250 │
│ " 120 " 180 " │ 0 │-500 │ │ +750 │ -750│ +350 │ -450 │ +500 │ -500 │
│ " 180 " 250 " │ 0 │-600 │ │ +750 │ -750│ +350 │ -450 │ +500 │ -500 │
│ " 250 " 315 " │ 0 │-700 │ │ +750 │ -750│ +375 │ -450 │ +500 │ -500 │
│ " 315 " 400 " │ 0 │-800 │ │+1000 │-1000│ +500 │ -500 │ +500 │ -500 │
├───────────────────┴──────┴─────┴────────────┴──────┴─────┴──────┴──────┴──────┴──────┤
│ <1> Вводится с 01.01.2006. │
└──────────────────────────────────────────────────────────────────────────────────────┘
8.12.2. Класс точности 6 (таблицы 40 -
42)
Таблица 40
Диаметр и биения - Внутреннее кольцо
Допуски в микрометрах
┌────────────────────┬─────────────┬──────┬──────┬─────────┬─────┐
│ d, мм │ Дельта │ V │ V │ K , K │ S │
│ │ dmp │ dsp │ dmp │ ia i │ d │
│ ├──────┬──────┼──────┴──────┴─────────┴─────┤
│ │верхн.│нижн. │ не более │
├────────────────────┼──────┼──────┼──────┬──────┬─────────┬─────┤
│От 10 до 18 включ. │ 0 │ -7 │ 7 │ 5 │ 7 │ 10 │
│Св. 18 " 30 " │ 0 │ -8 │ 8 │ 6 │ 8 │ 10 │
│ " 30 " 50 " │ 0 │ -10 │ 10 │ 8 │ 10 │ 10 │
│ " 50 " 80 " │ 0 │ -12 │ 12 │ 9 │ 10 │ 12 │
│ " 80 " 120 " │ 0 │ -15 │ 15 │ 11 │ 13 │ 12 │
│ " 120 " 180 " │ 0 │ -18 │ 18 │ 14 │ 18 │ 15 │
│ " 180 " 250 " │ 0 │ -22 │ 22 │ 16 │ 20 │ 15 │
│ " 250 " 315 " │ 0 │ -25 │ - │ - │ 25 │ 17 │
│ " 315 " 400 " │ 0 │ -30 │ - │ - │ 30 │ 20 │
└────────────────────┴──────┴──────┴──────┴──────┴─────────┴─────┘
Таблица 41
Диаметр и радиальное биение - Наружное кольцо
Допуски в микрометрах
┌─────────────────────┬───────────────┬─────────┬───────┬────────┐
│ D, мм │ Дельта │ V │ V │K , K │
│ │ Dmp │ Dsp │ Dmp │ ea e │
│ ├───────┬───────┼─────────┴───────┴────────┤
│ │верхн. │ нижн. │ не более │
├─────────────────────┼───────┼───────┼─────────┬───────┬────────┤
│От 18 до 30 включ. │ 0 │ -8 │ 8 │ 6 │ 9 │
│Св. 30 " 50 " │ 0 │ -9 │ 9 │ 7 │ 10 │
│ " 50 " 80 " │ 0 │ -11 │ 11 │ 8 │ 13 │
│ " 80 " 120 " │ 0 │ -13 │ 13 │ 10 │ 18 │
│ " 120 " 150 " │ 0 │ -15 │ 15 │ 11 │ 20 │
│ " 150 " 180 " │ 0 │ -18 │ 18 │ 14 │ 23 │
│ " 180 " 250 " │ 0 │ -20 │ 20 │ 15 │ 25 │
│ " 250 " 315 " │ 0 │ -25 │ 25 │ 19 │ 30 │
│ " 315 " 400 " │ 0 │ -28 │ 28 │ 21 │ 35 │
│ " 400 " 500 " │ 0 │ -33 │ - │ - │ 40 │
│ " 500 " 630 " │ 0 │ -38 │ - │ - │ 50 │
└─────────────────────┴───────┴───────┴─────────┴───────┴────────┘
Таблица 42
Ширина - Внутреннее и наружное кольца, однорядные
подшипники и однорядные подузлы
Допуски в микрометрах
┌───────────────────┬────────────┬────────────┬────────────┬─────────────┬─────────────┐
│ d, мм │ Дельта │ Дельта │ Дельта │Дельта
<1>│Дельта
<1>│
│ │ Bs │ Cs │ Ts │ T1s │ T2s │
│ ├──────┬─────┼──────┬─────┼──────┬─────┼──────┬──────┼──────┬──────┤
│ │верхн.│нижн.│верхн.│нижн.│верхн.│нижн.│верхн.│нижн. │верхн.│нижн. │
├───────────────────┼──────┼─────┼──────┴─────┼──────┼─────┼──────┼──────┼──────┼──────┤
│От 10 до 18 включ.│ 0 │-200 │ Равно │ +250 │ -250│ +125 │ -125 │ +125 │ -125 │
│Св. 18 " 30 " │ 0 │-200 │ Дельта │ +250 │ -250│ +125 │ -125 │ +125 │ -125 │
│ " 30 " 50 " │ 0 │-240 │ Bs │ +250 │ -250│ +125 │ -125 │ +125 │ -125 │
│ " 50 " 80 " │ 0 │-300 │ того же │ +250 │ -250│ +125 │ -125 │ +125 │ -125 │
│ " 80 " 120 " │ 0 │-400 │ подшипника │ +500 │ -500│ +250 │ -250 │ +250 │ -250 │
│ " 120 " 180 " │ 0 │-500 │ │ +750 │ -750│ +250 │ -250 │ +400 │ -400 │
│ " 180 " 250 " │ 0 │-600 │ │ +750 │ -750│ +250 │ -250 │ +400 │ -400 │
│ " 250 " 315 " │ 0 │-700 │ │ +750 │ -750│ +375 │ -375 │ +400 │ -400 │
│ " 315 " 400 " │ 0 │-800 │ │+1000 │-1000│ +500 │ -500 │ +500 │ -500 │
├───────────────────┴──────┴─────┴────────────┴──────┴─────┴──────┴──────┴──────┴──────┤
│ <1> Вводится с 01.01.2006. │
└──────────────────────────────────────────────────────────────────────────────────────┘
8.12.3. Класс точности 2 (таблицы 43 -
44)
Таблица 43
Внутреннее кольцо
Допуски в микрометрах
┌───────────────────┬────────────┬────────────┬────┬───┬───┬───┬────────────┬────────────┐
│ d, мм │ Дельта │Дельта
<1>│V │K │S │S │ Дельта │ Дельта │
│ │ dmp │ ds │ dmp│ ia│ d │ ia│ Bs │ Ts │
│ ├──────┬─────┼──────┬─────┼────┴───┴───┴───┼──────┬─────┼──────┬─────┤
│ │верхн.│нижн.│верхн.│нижн.│ не более │верхн.│нижн.│верхн.│нижн.│
├───────────────────┼──────┼─────┼──────┼─────┼────┬───┬───┬───┼──────┼─────┼──────┼─────┤
│От 10 до 18 включ.│ 0 │ -4 │ 0 │ -4 │ 3 │2 │2 │2 │ 0 │-200 │ +200 │-200 │
│Св. 18 " 30 " │ 0 │ -4 │ 0 │ -4 │ 3 │2,5│2 │2,5│ 0 │-200 │ +200 │-200 │
│ " 30 " 50 " │ 0 │ -4 │ 0 │ -4 │ 3 │2,5│2 │2,5│ 0 │-240 │ +200 │-200 │
│ " 50 " 80 " │ 0 │ -5 │ 0 │ -5 │ 4 │2,5│2 │2,5│ 0 │-300 │ +200 │-200 │
│ " 80 " 120 " │ 0 │ -5 │ 0 │ -5 │ 4 │2,5│2,5│2,5│ 0 │-400 │ +200 │-200 │
│ " 120 " 150 " │ 0 │ -6,5│ 0 │ -6,5│ 5 │2,5│2,5│2,5│ 0 │-500 │ +350 │-250 │
│ " 150 " 180 " │ 0 │ -6,5│ 0 │ -6,5│ 5 │5 │4 │5 │ 0 │-500 │ +350 │-250 │
│ " 180 " 250 " │ 0 │ -9 │ 0 │ -9 │ 6 │6 │5 │6 │ 0 │-600 │ +350 │-250 │
│ " 250 " 315 " │ 0 │-12 │ 0 │-12 │ 7 │8 │6 │8 │ 0 │-700 │ +350 │-250 │
├───────────────────┴──────┴─────┴──────┴─────┴────┴───┴───┴───┴──────┴─────┴──────┴─────┤
│ <1> Для подшипников серий диаметров 1, 2 (5) и 3 (6). │
└────────────────────────────────────────────────────────────────────────────────────────┘
Таблица 44
Допуски в микрометрах
┌───────────────────┬────────────┬────────────┬────┬────┬───┬────┬────────────┐
│ D, мм │ Дельта │Дельта
<1>│V │K │S │S │ Дельта │
│ │ Dmp │ Ds │ Dmp│ ea │ D │ ea │ Cs │
│ ├──────┬─────┼──────┬─────┼────┴────────┴────┼──────┬─────┤
│ │верхн.│нижн.│верхн.│нижн.│ не более │верхн.│нижн.│
├───────────────────┼──────┼─────┼──────┼─────┼────┬────┬───┬────┼──────┴─────┤
│От 18 до 30 включ.│ 0 │ -4 │ 0 │ -4 │ 3 │ 2,5│2 │ 2,5│ Равно │
│Св. 30 " 50 " │ 0 │ -4 │ 0 │ -4 │ 3 │ 2,5│2 │ 2,5│ Дельта │
│ " 50 " 80 " │ 0 │ -4 │ 0 │ -4 │ 3 │ 4 │2 │ 4 │ Bs │
│ " 80 " 120 " │ 0 │ -5 │ 0 │ -5 │ 4 │ 5 │2,5│ 5 │ того же │
│ " 120 " 150 " │ 0 │ -5 │ 0 │ -5 │ 4 │ 5 │2,5│ 5 │ подшипника │
│ " 150 " 180 " │ 0 │ -6,5│ 0 │ -6,5│ 5 │ 5 │2,5│ 5 │ │
│ " 180 " 250 " │ 0 │ -8 │ 0 │ -8 │ 5 │ 6,5│4 │ 6,5│ │
│ " 250 " 315 " │ 0 │-10 │ 0 │-10 │ 5 │ 8 │6 │ 8 │ │
│ " 315 " 400 " │ 0 │-12 │ 0 │-12 │ 6 │10 │7 │10 │ │
├───────────────────┴──────┴─────┴──────┴─────┴────┴────┴───┴────┴────────────┤
│ <1> Для подшипников серий диаметров 1, 2 (5) и 3 (6). Значения не │
│действительны для закрытых подшипников. │
└─────────────────────────────────────────────────────────────────────────────┘
8.13. Монтажная высота роликовых конических двухрядных и четырехрядных подшипников должна быть не более указанных в таблице 45.
Таблица 45
Монтажная высота
┌────────────────────────┬───────────────────────────────────────┐
│ d, мм │ Типы подшипников │
│ ├───────────────────────────────────────┤
│ │ Дельта , мкм │
│ │ Ts │
│ ├───────────────────┬───────────────────┤
│ │ двухрядные │ четырехрядные │
│ ├─────────┬─────────┼─────────┬─────────┤
│ │ верхн. │ нижн. │ верхн. │ нижн. │
├────────────────────────┼─────────┼─────────┼─────────┼─────────┤
│От 18 до 30 включ. │ +375 │ -375 │ - │ - │
│Св. 30 " 50 " │ +375 │ -375 │ - │ - │
│ " 50 " 80 " │ +375 │ -375 │ - │ - │
│ " 80 " 120 " │ +750 │ -750 │ +1000 │ -1000 │
│ " 120 " 180 " │ +750 │ -750 │ +1000 │ -1000 │
│ " 180 " 250 " │ +1000 │ -1000 │ +1500 │ -1500 │
│Св. 250 до 315 включ. │ +1000 │ -1000 │ +1500 │ -1500 │
│ " 315 " 400 " │ +1000 │ -1000 │ +1500 │ -1500 │
│ " 400 " 500 " │ +1000 │ -1000 │ +1500 │ -1500 │
│ " 500 " 630 " │ +1500 │ -1500 │ +2000 │ -2000 │
│ " 630 " 800 " │ +1500 │ -1500 │ +2000 │ -2000 │
│ " 800 " 1000 " │ +2000 │ -2000 │ - │ - │
└────────────────────────┴─────────┴─────────┴─────────┴─────────┘
8.14. Допуски классов точности 6, 5, 4 и 2 конических отверстий конусностью 1:12 внутренних колец подшипников приведены в таблицах 46 -
49.
Таблица 46
Класс точности 6
Допуски в микрометрах
┌────────────────────┬─────────────────────┬─────────────────────┐
│ d, мм │ Дельта │Дельта - Дельта │
│ │ ds │ d1s ds │
│ ├──────────┬──────────┼───────────┬─────────┤
│ │ верхн. │ нижн. │ верхн. │ нижн. │
├────────────────────┼──────────┼──────────┼───────────┼─────────┤
│ До 10 включ. │ +15 │ 0 │ +9 │ 0 │
│Св. 10 " 18 " │ +18 │ 0 │ +11 │ 0 │
│ " 18 " 30 " │ +21 │ 0 │ +13 │ 0 │
│ " 30 " 50 " │ +25 │ 0 │ +16 │ 0 │
│ " 50 " 80 " │ +30 │ 0 │ +19 │ 0 │
│ " 80 " 120 " │ +35 │ 0 │ +22 │ 0 │
│ " 120 " 180 " │ +40 │ 0 │ +25 │ 0 │
│ " 180 " 250 " │ +46 │ 0 │ +29 │ 0 │
│ " 250 " 315 " │ +52 │ 0 │ +32 │ 0 │
│ " 315 " 400 " │ +57 │ 0 │ +36 │ 0 │
│ " 400 " 500 " │ +63 │ 0 │ +40 │ 0 │
│ " 500 " 630 " │ +70 │ 0 │ +43 │ 0 │
└────────────────────┴──────────┴──────────┴───────────┴─────────┘
Таблица 47
Класс точности 5
Допуски в микрометрах
┌────────────────────┬─────────────────────┬─────────────────────┐
│ d, мм │ Дельта │Дельта - Дельта │
│ │ ds │ d1s ds │
│ ├──────────┬──────────┼───────────┬─────────┤
│ │ верхн. │ нижн. │ верхн. │ нижн. │
├────────────────────┼──────────┼──────────┼───────────┼─────────┤
│ До 10 включ. │ +9 │ 0 │ +6 │ 0 │
│Св. 10 " 18 " │ +11 │ 0 │ +8 │ 0 │
│ " 18 " 30 " │ +13 │ 0 │ +9 │ 0 │
│ " 30 " 50 " │ +16 │ 0 │ +11 │ 0 │
│ " 50 " 80 " │ +19 │ 0 │ +13 │ 0 │
│ " 80 " 120 " │ +22 │ 0 │ +15 │ 0 │
│ " 120 " 180 " │ +25 │ 0 │ +18 │ 0 │
│ " 180 " 250 " │ +29 │ 0 │ +20 │ 0 │
│ " 250 " 315 " │ +32 │ 0 │ +23 │ 0 │
│ " 315 " 400 " │ +36 │ 0 │ +25 │ 0 │
│ " 400 " 500 " │ +40 │ 0 │ +27 │ 0 │
└────────────────────┴──────────┴──────────┴───────────┴─────────┘
Таблица 48
Класс точности 4
Допуски в микрометрах
┌────────────────────┬─────────────────────┬─────────────────────┐
│ d, мм │ Дельта │Дельта - Дельта │
│ │ ds │ d1s ds │
│ ├──────────┬──────────┼───────────┬─────────┤
│ │ верхн. │ нижн. │ верхн. │ нижн. │
├────────────────────┼──────────┼──────────┼───────────┼─────────┤
│От 18 до 30 включ. │ +9 │ 0 │ +4 │ 0 │
│Св. 30 " 50 " │ +11 │ 0 │ +6 │ 0 │
│ " 50 " 80 " │ +13 │ 0 │ +6 │ 0 │
│ " 80 " 120 " │ +15 │ 0 │ +8 │ 0 │
│ " 120 " 180 " │ +18 │ 0 │ +8 │ 0 │
│ " 180 " 250 " │ +20 │ 0 │ +10 │ 0 │
│ " 250 " 315 " │ +32 │ 0 │ +12 │ 0 │
│ " 315 " 400 " │ +36 │ 0 │ +12 │ 0 │
│ " 400 " 500 " │ +40 │ 0 │ +14 │ 0 │
└────────────────────┴──────────┴──────────┴───────────┴─────────┘
Таблица 49
Допуски в микрометрах
┌────────────────────┬─────────────────────┬─────────────────────┐
│ d, мм │ Дельта │Дельта - Дельта │
│ │ ds │ d1s ds │
│ ├──────────┬──────────┼───────────┬─────────┤
│ │ верхн. │ нижн. │ верхн. │ нижн. │
├────────────────────┼──────────┼──────────┼───────────┼─────────┤
│От 18 до 30 включ. │ +6 │ 0 │ +2 │ 0 │
│Св. 30 " 50 " │ +7 │ 0 │ +3 │ 0 │
│ " 50 " 80 " │ +8 │ 0 │ +3 │ 0 │
│ " 80 " 120 " │ +10 │ 0 │ +4 │ 0 │
│ " 120 " 180 " │ +12 │ 0 │ +4 │ 0 │
│ " 180 " 250 " │ +14 │ 0 │ +5 │ 0 │
└────────────────────┴──────────┴──────────┴───────────┴─────────┘
8.15. Допуски упорных и упорно-радиальных подшипников класса точности 2 приведены в таблицах 50 и
51.
Таблица 50
Тугое кольцо
Допуски в микрометрах
┌──────────────────────┬─────────────────────┬────────────┬──────┐
│ d, d , мм │Дельта , Дельта │V , V │ S │
│ 2 │ dmp d2mp│ dsp d2sp │ i │
│ ├───────────┬─────────┼────────────┴──────┤
│ │ верхн. │ нижн. │ не более │
├──────────────────────┼───────────┼─────────┼────────────┬──────┤
│ До 18 включ. │ 0 │ -7 │ 5 │ 1 │
│Св. 18 " 30 " │ 0 │ -8 │ 6 │ 1,2 │
│ " 30 " 50 " │ 0 │ -10 │ 8 │ 1,5 │
│ " 50 " 80 " │ 0 │ -12 │ 9 │ 2 │
│ " 80 " 120 " │ 0 │ -15 │ 11 │ 2 │
│ " 120 " 180 " │ 0 │ -18 │ 14 │ 3 │
│ " 180 " 250 " │ 0 │ -22 │ 17 │ 3 │
│ " 250 " 315 " │ 0 │ -25 │ 19 │ 4 │
│ " 315 " 400 " │ 0 │ -30 │ 23 │ 4 │
│ " 400 " 500 " │ 0 │ -35 │ 26 │ - │
│ " 500 " 630 " │ 0 │ -40 │ 30 │ - │
│ " 630 " 800 " │ 0 │ -50 │ - │ - │
├──────────────────────┴───────────┴─────────┴────────────┴──────┤
│ Примечание. Для двойного подшипника допускаемое значение S │
│ i│
│равно S соответствующего (при том же наружном диаметре)│
│ i │
│одинарного подшипника. Соответствующие диаметры отверстия d│
│приведены в ГОСТ 3478. │
└────────────────────────────────────────────────────────────────┘
Таблица 51
Допуски в микрометрах
┌──────────────────────┬──────────────────┬─────────┬────────────┐
│ D, мм │ Дельта │ V │ S │
│ │ Dmp │ Dsp │ e │
│ ├────────┬─────────┼─────────┴────────────┤
│ │ верхн. │ нижн. │ не более │
├──────────────────────┼────────┼─────────┼─────────┬────────────┤
│От 10 до 18 включ. │ 0 │ -7 │ 5 │ Равно S │
│Св. 18 " 30 " │ 0 │ -8 │ 6 │ i │
│ " 30 " 50 " │ 0 │ -9 │ 7 │ того же │
│ " 50 " 80 " │ 0 │ -11 │ 8 │ подшипника │
│ " 80 " 120 " │ 0 │ -13 │ 10 │ │
│ " 120 " 180 " │ 0 │ -15 │ 11 │ │
│ " 180 " 250 " │ 0 │ -20 │ 17 │ │
│ " 250 " 315 " │ 0 │ -25 │ 19 │ │
│ " 315 " 400 " │ 0 │ -28 │ 21 │ │
│ " 400 " 500 " │ 0 │ -33 │ 25 │ │
│ " 500 " 630 " │ 0 │ -38 │ 29 │ │
│ " 630 " 800 " │ 0 │ -45 │ 34 │ │
├──────────────────────┴────────┴─────────┴─────────┴────────────┤
│ Примечание. Для двойного подшипника допускаемое значение S │
│ e│
│равно S соответствующего (при том же наружном диаметре)│
│ e │
│одинарного подшипника. Соответствующие диаметры отверстия D│
│приведены в ГОСТ 3478. │
└────────────────────────────────────────────────────────────────┘
8.16. Допускается проводить измерение разностенности дорожек качения внутренних и наружных колец

и

вместо радиального биения колец

и

соответственно подшипников:
- классов точности 4, T и 2;
- с отверстием диаметром до 3 мм включительно и свыше 180 мм и массой более 5 кг всех классов точности;
- разъемных шариковых радиально-упорных, роликовых радиальных с цилиндрическими роликами с прямолинейной и выпуклой образующей и роликовых конических с выпуклыми поверхностями качения всех классов точности.
Допускается проводить измерение непараллельности дорожек качения внутреннего и наружного колец относительно торца

,

и параметра

вместо осевого биения колец

,

и параметра

радиальных и радиально-упорных шариковых подшипников с желобом:
- классов точности 4, T и 2;
- с отверстием диаметром до 10 мм включительно и свыше 180 мм и массой более 5 кг классов точности 5, 4, T и 2;
- разъемных шариковых радиально-упорных классов точности 5, 4, T и 2.
Значения параметров

,

,

,

,

не должны превышать уменьшенных на 15% значений параметров

,

,

,

,

соответственно, указанных в
таблицах 1 -
10,
15 -
18 для перечисленных подшипников. При этом значения параметров

,

и

для подшипников с отверстием диаметром до 10 мм включительно принимают равными значениям параметров

,

и

, указанным в
таблицах 5 -
10.
8.17. Допуск конусности

конического отверстия приведен для номинальной ширины кольца.
8.18. Значения непостоянства ширины внутренних колец с коническим отверстием самоустанавливающихся подшипников и подшипников с самоустанавливающимся кольцом нормального и 6-го классов точности не установлены.
8.19. Зазоры подшипников - по ГОСТ 24810. В технически обоснованных случаях по согласованию с потребителем допускается изготовление подшипников с зазорами, значения которых установлены в нормативном документе, утвержденном в установленном порядке.
8.20. Наружные кольца и неразъемный комплект, состоящий из внутреннего кольца, сепаратора и шариков, разъемных радиально-упорных шариковых подшипников типа 6000, должны быть взаимозаменяемыми.
По согласованию с потребителем допускается невзаимозаменяемость наружных колец неразъемного комплекта этих подшипников классов точности 6, 5, 4, T и 2.
Съемные кольца роликовых радиальных подшипников и комплект, состоящий из кольца, сепаратора и роликов, могут быть как взаимозаменяемыми, так и невзаимозаменяемыми.
Наружные кольца, а также внутренние кольца с комплектом тел качения роликовых конических однорядных подшипников должны быть взаимозаменяемыми.
8.21. Значения динамической и статической грузоподъемностей базовых типоразмеров подшипников и их модификаций рассчитывают по ГОСТ 18855 и ГОСТ 18854 соответственно. Указанные значения не должны быть ниже приведенных в стандартах на типы и размеры или в нормативных документах на подшипники конкретного типа, кроме случаев, когда снижение динамической и статической грузоподъемностей обусловлено особенностями конструкции подшипника, вытекающими из требований потребителя.
8.22. 90%-ный ресурс подшипников, установленный по результатам стендовых испытаний, должен быть не менее ресурса (долговечности) по критерию усталостного разрушения поверхностей качения, рассчитанного по значениям динамической грузоподъемности
(8.21), с учетом условий испытаний.
8.23. 99%-ный ресурс подшипников равен 0,21 расчетного 90%-ного ресурса (долговечности), определенного по динамической грузоподъемности подшипника.
8.24. Подшипники должны быть размагничены. Допускаемые значения остаточной намагниченности - по нормативному документу, утвержденному в установленном порядке.
8.25. Подшипники должны вращаться легко, без заеданий.
8.26. По заказу потребителя устанавливают допускаемые значения момента трения в подшипнике.
8.27. Для подшипников с уплотнениями по заказу потребителя устанавливают

ресурс по критерию сохранения герметичности (по выделению смазки и попаданию посторонних частиц).
| | ИС МЕГАНОРМ: примечание. Взамен ГОСТ 8882-75 Приказом Росстандарта от 13.01.2022 N 8-ст с 01.03.2022 введен в действие ГОСТ 8882-2021. | |
Дополнительные технические требования к подшипникам с защитными шайбами - по
ГОСТ 7242 и ГОСТ 9592, к подшипникам с уплотнениями - ГОСТ 8882.
8.28. На поверхностях монтажных фасок не допускаются грубые токарные риски и острые кромки.
8.29. Шарики должны соответствовать требованиям
ГОСТ 3722, ролики игольчатые - ГОСТ 6870, ролики цилиндрические короткие с прямолинейной образующей - ГОСТ 22696, ролики цилиндрические длинные - ГОСТ 25255, ролики со скосами на краях, ролики конические с прямолинейной образующей, ролики с выпуклой образующей всех типов (бомбиной, модифицированным контактом, бочкообразные) - по нормативному документу, утвержденному в установленном порядке.
8.30. Специальные требования, отличающиеся от требований настоящего стандарта и дополняющие их, к подшипникам для авиации, железнодорожного транспорта, автомобилестроения, станкостроения, приборостроения и др. устанавливают в нормативном документе на соответствующие подшипники.
8.31. Закрепительные и стяжные втулки должны соответствовать ГОСТ 13014, ГОСТ 24208 и ГОСТ 25455, стопорные шайбы и скобы - ГОСТ 8730, гайки - ГОСТ 8530.
Допускается изготавливать закрепительные втулки, гайки и стопорные шайбы по нормативным документам.
8.32. Дополнительные технические требования к подшипникам категорий A и B
8.32.1. Значения уровня вибрации подшипников должны быть не более значений, установленных в зависимости от назначения, типов, размеров и классов точности подшипников в нормативных документах на подшипники категорий A и B.
8.32.2. По заказу потребителя на кольцах подшипников классов точности 5, 4, T, 2 указывают место наибольшего биения.
8.32.3. На монтажных поверхностях подшипников не допускаются токарные и грубые шлифовальные риски, забоины, раковины, хромирование.
8.32.4. Прижоги (шлифовочные штрихи, полосы и пятна вторичной закалки и вторичного отпуска) на поверхностях качения деталей подшипников не допускаются. Размер допустимых штрихов вторичного отпуска на шариках устанавливают контрольным образцом или фотоэталоном в соответствии с технической документацией, утвержденной в установленном порядке.
8.32.5. Допускаемое значение забоин на монтажных фасках и состояние поверхностей монтажных фасок после термообработки устанавливают контрольным образцом или фотоэталоном, утвержденным изготовителем.
8.33. Дополнительные технические требования к подшипникам категории C
8.33.1. Закрепительные и стяжные втулки, а также гайки с резьбой диаметром свыше 190 мм, поставляемые в комплекте, допускается изготавливать с метрической резьбой.
8.33.2. Значения торцового биения узкого торца гайки для закрепительных точеных втулок относительно резьбы должны быть не более указанных в таблице 52.
Таблица 52
Торцовое биение
Размеры в миллиметрах
┌─────────────────────┬───────────────────┬──────────────────────┐
│ Номинальный диаметр │Метрическая резьба │Трапецеидальная резьба│
│ резьбы гайки ├───────────────────┴──────────────────────┤
│ │ Торцовое биение, не более │
├─────────────────────┼───────────────────┬──────────────────────┤
│ От 10 до 50 включ. │ 0,100 │ - │
│ Св. 50 " 120 " │ 0,125 │ - │
│ " 120 " 200 " │ 0,150 │ - │
│ " 200 " 240 " │ 0,150 │ 0,150 │
│ " 240 " 400 " │ 0,175 │ 0,175 │
│ " 400 " 630 " │ 0,200 │ 0,200 │
│ " 630 │ 0,250 │ 0,250 │
└─────────────────────┴───────────────────┴──────────────────────┘
8.33.3. Поверхность отверстия и наружную поверхность подшипников по согласованию с основным потребителем допускается хромировать или железнить. Покрытие не должно иметь отслоений и шелушений.
8.33.4. Для замены подшипников при ремонте изделий при наличии износа посадочных поверхностей валов (отверстий корпусов) допускается по заказу потребителя изготовление подшипников нормального класса точности, у которых поле допуска диаметра отверстия (наружного диаметра) кольца смещено в минусовую (плюсовую) сторону на значение допуска на средний диаметр внутреннего (наружного) кольца. Такие подшипники должны иметь впереди основного условного обозначения подшипника знак М (Б). Например: М-205, 70Б-205.
8.33.5. Допускается изготовление подшипников классов точности 8 и 7 с увеличенным значением радиального или осевого зазора на одну группу или с уменьшением наименьшего предельного размера на 10% поля допуска на зазор.
Для подшипников классов точности 8 и 7 типов 50000, 150000 и 692000 с канавкой на наружном кольце под упорное пружинное кольцо допускаются увеличение наибольшего диаметра канавки на 100% поля допуска или уменьшение наименьшего диаметра канавки на 50% поля допуска по ГОСТ 2893, а также увеличение наибольшего или уменьшение наименьшего размера a на 30% поля допуска по ГОСТ 2893.
8.33.6. На отдельных участках деталей подшипников классов точности 8 и 7 допускается остаточная намагниченность в два раза больше установленной для подшипников класса точности 0.
8.33.7. На монтажных поверхностях подшипников классов точности 8 и 7 допускаются:
- мелкие единичные токарные риски, не превышающие 2/3 окружности кольца при длине каждой не более 0,5 окружности кольца;
- группа мелких рисок общей шириной не более 0,25 ширины кольца, длиной не более 0,5 окружности кольца;
- чернота, не превышающая 10% площади шлифованной поверхности;
- мелкие забоины в соответствии с контрольным образцом, утвержденным предприятием-изготовителем;
- незначительные пятна от электрохимического маркирования некоррозионного характера.
8.33.8. Прижоги (шлифовочные штрихи, полосы и пятна вторичной закалки и вторичного отпуска) на поверхностях качения деталей подшипников нормального, 0-го и 6-го классов точности не допускаются. Размер допустимых штрихов вторичного отпуска на шариках и на нерабочих поверхностях колец и роликов устанавливают контрольным образцом или фотоэталоном в соответствии с нормативным документом, утвержденным в установленном порядке.
На поверхностях качения деталей подшипников и на нерабочих поверхностях колец и роликов подшипников классов точности 8 и 7 допускаются шлифовочные штрихи в пределах, установленных нормативным документом, утвержденным в установленном порядке.
8.33.9. Для подшипников классов точности 8 и 7 допускается:
- увеличение наибольшей координаты монтажной фаски

в радиальном направлении до 30%;
- комплектация телами качения с увеличенной разноразмерностью на 150% при уменьшении диаметра и на 50% - при увеличении диаметра одного из тел качения.
8.33.10. Неоднородность по твердости колец подшипников классов точности 8 и 7 - в пределах поля допуска на твердость.
9.1. Подшипники подвергают контролю и испытаниям на соответствие требованиям настоящего стандарта. Контролируемые параметры, методы контроля и испытаний при изготовлении подшипников устанавливает изготовитель.
9.2. Подшипники, подлежащие обязательной сертификации, при сертификации подвергают:
- контролю норм точности по требованиям настоящего стандарта;
- стендовым испытаниям для подтверждения динамической грузоподъемности в соответствии с
9.3;
- контролю вытекания смазки в подшипниках с двумя защитными шайбами или двумя уплотнениями;
- контролю уровня вибрации подшипников, имеющих в обозначении индекс Ш, в соответствии с нормативным документом, утвержденным в установленном порядке.
9.2.1. Подшипники, подлежащие обязательной сертификации, но не имеющие в обозначении индекса Ш, при сертификации подвергают контролю уровня вибрации по решению органа по сертификации.
9.2.2. Подшипники, подлежащие обязательной сертификации, при сертификации могут подвергаться испытаниям и контролю по техническим требованиям, предусмотренным нормативным документом, утвержденным в установленном порядке, при этом перечень параметров определяет орган по сертификации.
9.3. Серийно выпускаемые подшипники стандартных конструкций изготовитель подвергает периодическим стендовым испытаниям для подтверждения динамической грузоподъемности на представителях отдельных испытательных групп подшипников. Испытаниям подлежат подшипники с отверстием диаметром от 3 до 130 мм следующих типов:
- шариковые радиальные однорядные;
- шариковые радиально-упорные однорядные;
- шариковые радиальные сферические двухрядные;
- шариковые упорные;
- роликовые радиальные с короткими цилиндрическими роликами;
- роликовые радиальные сферические двухрядные;
- роликовые конические однорядные.
К одной испытательной группе относят подшипники отдельных конструктивных разновидностей одного типа по ГОСТ 3395, входящие в одну размерную группу по таблице 53.
Таблица 53
Размерные группы
┌─────────────────────────────────┬──────────────────────────────┐
│ Обозначение размерной группы │ Диаметр отверстия, мм │
├─────────────────────────────────┼──────────────────────────────┤
│ 1 │ До 15 включ. │
│ 2 │Св. 15 " 30 " │
│ 3 │ " 30 " 60 " │
│ 4 │ " 60 " 100 " │
│ 5 │ " 100 " 130 " │
└─────────────────────────────────┴──────────────────────────────┘
9.3.1. В одну испытательную группу допускается включение подшипников разных конструктивных разновидностей, имеющих незначительные отличия, не влияющие на контактную усталость (например, подшипник шариковый радиальный однорядный с канавками на наружном кольце, подшипник шариковый радиальный однорядный с упорным бортом и т.д., подшипник роликовый радиальный однорядный без бортов на внутреннем кольце, подшипник роликовый радиальный однорядный с безбортовым внутренним и плоским упорным выступающим кольцом и т.д., подшипник роликовый радиальный однорядный с однобортовым внутренним и фасонным упорным кольцом, подшипник роликовый радиальный однорядный с однобортовым внутренним кольцом и плоским упорным кольцом и т.д., подшипник шариковый радиальный однорядный с двухсторонним уплотнением, подшипник шариковый радиальный однорядный с двумя уплотнениями с широким внутренним кольцом сферической наружной поверхностью наружного кольца на закрепительной втулке и т.д.).
9.3.2. Результаты проведенных по установленной методике испытаний распространяют на все типоразмеры подшипников, относящихся к одной испытательной группе.
9.3.3. Периодичность и объем испытаний, средства и методы их проведения регламентируют в нормативном документе на испытания подшипников, утвержденном в установленном порядке.
9.3.4. Подшипники, не указанные в 9.3, по согласованию с потребителем могут быть подвергнуты эксплуатационным испытаниям в изделиях потребителей на соответствие назначенному ресурсу.
В случае невозможности проведения эксплуатационных испытаний на соответствие назначенному ресурсу указанные подшипники подвергают испытаниям в лабораторных условиях измерительными методами (метрологическими, металлографическими, виброакустическими и др.) по нормативным документам на методы контроля и испытаний, утвержденным в установленном порядке.
9.4. На предприятии-изготовителе подшипники подвергают приемочному измерительному контролю.
9.5. Подшипники предъявляют для контроля партиями. Партия подшипников - некоторое количество подшипников одного типа, размера, исполнения, класса точности, категории, предъявляемых к приемке по одному документу.
9.6. При партии до 8 шт. включительно все подшипники подвергают контролю по тем параметрам, регламентируемым настоящим стандартом, контроль которых не приводит к разрушению подшипника или снижению его работоспособности.
9.7. По техническим параметрам подшипники подвергают статистическому контролю по альтернативному признаку в соответствии с требованиями ГОСТ 18242 и нормативного документа на статистический приемочный контроль подшипников, утвержденного в установленном порядке.
9.8. Приемочный уровень дефектности (по числу дефектных подшипников, отнесенному к числу проконтролированных) для подшипников с малозначительными дефектами AQL = 7,5%, для подшипников со значительными дефектами AQL = 2,5% по ГОСТ 18242.
Перечень значительных и малозначительных дефектов устанавливают в нормативном документе на статистический контроль подшипников, утвержденном в установленном порядке.
9.9. Типы планов контроля при объемах партии от 9 до 150 шт. одноступенчатые, при объемах партии свыше 150 шт. - двухступенчатые по ГОСТ 18242 и нормативному документу на статистический контроль подшипников, утвержденному в установленном порядке.
9.10. Твердость проверяют по одноступенчатому плану при уровне контроля S-2 по ГОСТ 18242.
9.11. Объемы выборок, приемочные числа

и браковочные числа в зависимости от объемов партии подшипников, виды контроля и приемочного уровня дефектности - по ГОСТ 18242 и нормативному документу на статистический контроль подшипников, утвержденному в установленном порядке.
9.13. Предприятие-потребитель проводит входной контроль подшипников в соответствии с
ГОСТ 24297.
10.1. Контроль подшипников проводят при одинаковой температуре деталей подшипников и измерительных средств. Основные размеры подшипника или детали подшипника не должны иметь отклонения от номинального размера более чем на применяемый допуск при условии, если измерение проводят при температуре 20 °C и детали подшипника полностью свободны от напряжений вследствие действий внешних сил, включая измерительные нагрузки и влияние силы собственной массы. Исключением из этого правила являются нежесткие детали, где требуется ограничение их особенностей во время проверки указанных размеров и допусков.
10.2. Твердость и различные дефекты деталей подшипников проверяют в соответствии с нормативными документами, утвержденными в установленном порядке.
10.3. Шероховатость поверхностей подшипников контролируют методом сравнения с утвержденным образцом или на приборах для измерения шероховатости.
В случае разногласия решающим является измерение шероховатости поверхности на приборах.
10.4. Остаточную намагниченность подшипников контролируют на торцах наружных и внутренних колец приборами в соответствии с нормативным документом, утвержденным в установленном порядке.
10.5. Легкость вращения подшипников контролируют сравнением с контрольным образцом, утвержденным предприятием-изготовителем.
Момент трения подшипников, для которых он регламентирован, контролируют на приборах по нормативному документу, утвержденному в установленном порядке.
10.6. Контроль внутренних зазоров подшипников - по нормативному документу, утвержденному в установленном порядке.
| | ИС МЕГАНОРМ: примечание. Взамен ГОСТ 8882-75 Приказом Росстандарта от 13.01.2022 N 8-ст с 01.03.2022 введен в действие ГОСТ 8882-2021. | |
Контроль зазоров и биений подшипников с защитными шайбами и уплотнениями проводят в соответствии с
ГОСТ 7242, ГОСТ 8882, ГОСТ 9592.
10.7. Уровень вибрации подшипников контролируют в трех частотных полосах 50 - 300, 300 - 1800 и 1800 - 10000 Гц по вибрационной скорости наружного невращающегося кольца при вращении внутреннего частотой

.
По согласованию с потребителем для подшипников категорий A и B допускается контроль общего уровня вибрации по вибрационным скорости или ускорению в диапазоне частот от 50 до 10000 Гц, а также контроль в трех полосах по вибрационному ускорению.
Подготовка подшипников к контролю уровня вибрации (размагничивание, промывка и т.д.) - по нормативному документу, утвержденному в установленном порядке.
10.8. Ресурс подшипников по герметичности проверяют по нормативному документу, утвержденному в установленном порядке.
10.9. Приведенные в разделе схемы измерения размерных параметров применимы ко всем типам подшипников, на которые распространяется настоящий стандарт, кроме случаев, особо оговоренных в стандарте. Опорная поверхность при измерении может быть наклонной.
10.10. При подготовке подшипников к измерению любую смазку, в том числе антикоррозионную, нанесенную на подшипник, удаляют, если она влияет на результаты измерения. После завершения измерений подшипники покрывают антикоррозионной смазкой.
10.11. Максимальное измерительное усилие и минимальный радиус измерительного наконечника приведены в таблице 54.
Таблица 54
┌─────────────────────┬─────────────┬──────────────┬──────────────────────┐
│ Диаметр │ Номинальный │Измерительное │Радиус измерительного │
│ │ диаметр, мм │усилие
<1>, Н │ наконечника
<2>, мм │
│ ├──────┬──────┼──────────────┼──────────────────────┤
│ │свыше │ до │ не более │ не менее │
├─────────────────────┼──────┼──────┼──────────────┼──────────────────────┤
│Диаметр отверстия d │ - │ 10 │ 1,5 │ 0,8 │
│ │ 10 │ - │ 1,5 │ 2,5 │
├─────────────────────┼──────┴──────┼──────────────┼──────────────────────┤
│Наружный диаметр D │Все диаметры │ 1,5 │ 2,5 │
├─────────────────────┴─────────────┴──────────────┴──────────────────────┤
│ <1> Максимальное измерительное усилие предназначено для применения│
│повторяемых измерений, не вызывающих деформацию образца. Там, где│
│происходит деформация, можно использовать более низкое усилие. │
│ <2> Меньшие радиусы следует применять при уменьшении измерительного│
│усилия. │
└─────────────────────────────────────────────────────────────────────────┘
Во избежание прогиба тонких колец измерительные усилия должны быть минимальными. Если имеет место деформация, то вводят коэффициент деформации для корректировки измеренного значения до значения без нагружения.
10.12. Для удержания деталей собранных подшипников в их соответствующих относительных положениях должна применяться соосная измерительная нагрузка, приведенная в таблицах 55 и
56, для методов, где это рекомендовано.
Таблица 55
Соосные измерительные нагрузки для шариковых радиальных
и радиально-упорных подшипников с углами контакта <= 30°
┌───────────────────────────────┬────────────────────────────────┐
│ Наружный диаметр, мм │Минимальная соосная нагрузка на │
├───────────────┬───────────────┤ подшипник, Н │
│ свыше │ до │ │
├───────────────┼───────────────┼────────────────────────────────┤
│ - │ 30 │ 5 │
│ 30 │ 50 │ 10 │
│ 50 │ 80 │ 20 │
│ 80 │ 120 │ 35 │
│ 120 │ 180 │ 70 │
│ 180 │ - │ 140 │
└───────────────┴───────────────┴────────────────────────────────┘
Таблица 56
Соосные измерительные нагрузки для конических
роликовых и радиально-упорных шариковых подшипников
с углами контакта > 30°
┌───────────────────────────────┬────────────────────────────────┐
│ Наружный диаметр, мм │Минимальная соосная нагрузка на │
├───────────────┬───────────────┤ подшипник, Н │
│ свыше │ до │ │
├───────────────┼───────────────┼────────────────────────────────┤
│ - │ 30 │ 40 │
│ 30 │ 50 │ 80 │
│ 50 │ 80 │ 120 │
│ 80 │ 120 │ 150 │
│ 120 │ - │ 150 │
└───────────────┴───────────────┴────────────────────────────────┘
10.13. Пределы отклонений диаметра отверстий или наружного диаметра применимы к измерениям в радиальных плоскостях, расположенных в зоне измерения на расстоянии, большем чем a, от торца кольца или торца упорного борта кольца. Значения a приведены в таблице 57.
Таблица 57
Размеры в миллиметрах
┌──────────────────────────────────────────┬─────────────────────┐
│ r │ a │
│ smin │ │
├─────────────────────┬────────────────────┤ │
│ свыше │ до │ │
├─────────────────────┼────────────────────┼─────────────────────┤
│ - │ 0,6 │ r + 0,5 │
│ │ │ smax │
│ 0,6 │ - │ 1,2r │
│ │ │ smax │
└─────────────────────┴────────────────────┴─────────────────────┘
10.14. Единичный диаметр отверстия внутренних (тугих) колец или собранных подшипников

или

измеряют универсальными измерительными средствами или на приборах по схемам, приведенным на рисунках 6 и
7.
Рисунок 6
Допускается базировать внутреннее (тугое) кольцо на три опоры.
Установить измерительный прибор на нуль для соответствующего размера, используя плоскопараллельные концевые меры длины или установочное кольцо. Измерить и записать минимальный

и максимальный

единичные диаметры отверстия в нескольких угловых направлениях в единичной плоскости в пределах зоны измерения.
Повторить измерения и записи в нескольких радиальных плоскостях для определения наибольшего

и наименьшего

единичных диаметров отверстия отдельного кольца.
На результатах измерения

и

базируются:

- средний диаметр отверстия в единичной плоскости;

- отклонение среднего диаметра отверстия в единичной плоскости;

- непостоянство единичного диаметра отверстия в единичной плоскости;

- непостоянство среднего диаметра отверстия.
На результатах измерения

и

базируются:

- отклонение диаметра отверстия;

- непостоянство диаметра отверстия;

- средний диаметр отверстия;

- отклонение среднего диаметра отверстия.
Диаметр отверстия колец подшипников менее 10 мм допускается контролировать предельными калибрами. Размеры калибров назначают исходя из предельно допустимых отклонений среднего диаметра цилиндрического отверстия.
Допуск угла конусности конического отверстия

определяют как разность между отклонениями средних (единичных) диаметров конического отверстия, измеренных в крайних плоскостях, или на приборах по схеме, приведенной на рисунке 8, при этом настройку прибора проводят по установочной мере конуса конического отверстия. Упор и измерительный наконечник устанавливают на одной образующей конической поверхности в крайних плоскостях.
Рисунок 8
Кольцо поворачивают вокруг оси не менее чем на полный оборот или проводят измерение не менее чем в трех примерно равно расположенных по окружности осевых плоскостях. За результат измерения принимают удвоенное среднее значение наибольшего и наименьшего показаний измерительного прибора.
10.15. Единичный наружный диаметр наружных (свободных) колец

или собранных подшипников

измеряют универсальными измерительными средствами или на приборах по схемам, приведенным на рисунках 9 и
10. Допускается базировать наружное (свободное) кольцо на три опоры.
Рисунок 9
Установить измерительный прибор на нуль для соответствующего размера, используя плоскопараллельные концевые меры длины или установочное кольцо. Измерить и записать минимальный

и максимальный

единичные наружные диаметры в нескольких угловых направлениях в единичной плоскости в пределах зоны измерения. Повторить измерения и записи в нескольких радиальных плоскостях для определения наибольшего

и наименьшего

единичных наружных диаметров отдельного кольца.
На результатах измерения

и

базируются:

- средний наружный диаметр в единичной плоскости;

- отклонение среднего наружного диаметра в единичной плоскости;

- непостоянство среднего наружного диаметра.
На результатах измерения

и

базируются:

- отклонение единичного наружного диаметра;

- непостоянство наружного диаметра;

- средний наружный диаметр;

- отклонение среднего наружного диаметра.
10.16. Единичную ширину отдельных колец

или колец собранных подшипников

измеряют универсальными измерительными средствами или на приборах по схемам, приведенным на рисунках 11 и
12.
Рисунок 11
Допускается базировать кольца на плоскость при измерении единичной ширины отдельных колец.
Установить измерительный прибор на нуль для соответствующей высоты от измерительной поверхности, используя плоскопараллельные концевые меры длины или установочное кольцо. Для определения наибольшей и наименьшей единичных ширин

или

(

или

) измеряемое кольцо поворачивают вокруг оси на полный оборот или измеряют ширину не менее чем в трех примерно равнорасположенных по окружности осевых плоскостях.
На результатах измерения

или

базируются:

или

- отклонение ширины кольца;

или

- непостоянство ширины кольца;

или

- средняя ширина кольца.
10.17. Единичную ширину упорного борта наружного кольца подшипника

измеряют на приборах по схеме, приведенной на рисунке 13.
Рисунок 13
Установить измерительный прибор на нуль на соответствующую высоту от измерительной поверхности прибора, используя плоскопараллельные концевые меры длины или установочную меру. Для определения наибольшей и наименьшей единичных ширин упорного борта измеряемое кольцо поворачивают вокруг оси не менее чем на полный оборот.
На результатах измерения

базируются:

- отклонение единичной ширины упорного борта наружного кольца;

- непостоянство ширины упорного борта наружного кольца.
10.18. Действительную ширину (монтажную высоту) подшипника

измеряют на приборах по схемам, приведенным на рисунках 14,
15.
Рисунок 14
Первый метод является основным методом, применяемым для измерения действительной ширины радиально-упорных или упорно-радиальных подшипников, в которых базовый торец внутреннего кольца и базовый торец наружного кольца ограничивают ширину подшипника. Он применим к коническим роликовым подшипникам, однорядным радиально-упорным сферическим роликовым и шариковым подшипникам, однорядным сферическим роликовым упорно-радиальным подшипникам. Данный метод измерения исключает влияние неплоскостности поверхности торца кольца.
Установить измерительный прибор на нуль на соответствующей высоте от измерительной поверхности прибора, используя плоскопараллельные концевые меры длины или установочную меру. Произвести несколько оборотов наружного кольца для достижения минимальной ширины и снять показания прибора. Для конических роликовых подшипников обеспечить контакт роликов с опорным торцом бортика внутреннего кольца и дорожками качения. Действительная ширина (монтажная высота) подшипника

будет равна показаниям прибора без известной ширины плиты.
Второй метод является альтернативным методом для измерения действительной ширины (монтажной высоты) подшипника

. Для крупных подшипников стабилизирующее кольцо можно не использовать. Для конических роликовых подшипников обеспечить контакт роликов с опорным торцом бортика внутреннего кольца и дорожками качения. Данный метод измерения включает в себя влияние неплоскостности поверхности базового торца наружного кольца.
Установить измерительный прибор на нуль на соответствующей высоте от измерительной поверхности прибора, используя плоскопараллельные концевые меры длины или установочную меру. Разместив стабилизирующее кольцо на широком торце наружного кольца, приложить динамически постоянную соосную нагрузку. Разместить наконечник измерителя на широком торце наружного кольца и снять показания прибора. Повторить снятие показаний прибора в нескольких точках по окружности подшипника и в нескольких радиальных плоскостях для определения действительной ширины (монтажной высоты) подшипника

. Действительной шириной (монтажной высотой) подшипника является среднее показание, снятое непосредственно с прибора. Отклонение действительной ширины подшипника

является разностью между действительной шириной подшипника

и номинальной шириной подшипника.
Действительную ширину (монтажную высоту) подшипников с отверстием 180 мм и более допускается измерять на приборах по схемам, приведенным на рисунках 16,
17. При этом действительную ширину (монтажную высоту) определяют как среднеарифметическое значение результатов измерений не менее чем в трех примерно равнорасположенных по окружности осевых плоскостях.
Рисунок 16
Действительную ширину (монтажную высоту) двухрядных и четырехрядных конических подшипников определяют без дистанционных колец.
10.19. Действительную высоту упорных подшипников

измеряют на приборах по схемам, приведенным на рисунках 18,
19. Установить прибор на нуль на соответствующей высоте от измерительной поверхности прибора, используя плоскопараллельные концевые меры длины или установочную меру. Произвести несколько оборотов колец для достижения минимальной высоты и снять показания прибора. Действительная высота подшипника

будет равна показанию прибора без известной ширины плиты. Данный метод измерения исключает влияние неплоскостности поверхности кольца. Отклонение действительной высоты подшипника

определяют по результатам измерения

.
Рисунок 18
10.20. Действительную монтажную высоту внутреннего подузла конического подшипника

измеряют на приборах по схеме, приведенной на рисунке 20. Установить прибор на нуль на соответствующую высоту от измерительной поверхности прибора, используя плоскопараллельные концевые меры длины или установочную меру. Разместить наружное образцовое кольцо на внутреннем подузле. Произвести несколько оборотов наружного образцового кольца для достижения минимальной высоты и снять показания прибора. Действительная монтажная высота внутреннего подузла с образцовым наружным кольцом

равна показанию прибора без известной ширины плиты.
Рисунок 20
10.21. Действительную монтажную высоту наружного кольца конического подшипника

измеряют на приборах по схеме, приведенной на рисунке 21. Установить прибор на нуль на соответствующую высоту от измерительной поверхности прибора, используя плоскопараллельные концевые меры длины или установочную меру. Установить образцовую калибр-пробку внутреннего подузла широким торцом на измерительную поверхность прибора и разместить наружное кольцо на подузле. Произвести несколько оборотов наружного кольца для достижения минимальной ширины и снять показания прибора. Действительная монтажная высота наружного кольца с образцовой калибр-пробкой внутреннего подузла

равна показанию прибора без известной ширины плиты.
Рисунок 21
10.22. Неперпендикулярность торца внутреннего кольца относительно отверстия

отдельных колец или колец собранных подшипников измеряют двумя альтернативными методами.
Метод 1. Измерение неперпендикулярности торца внутреннего кольца относительно отверстия на приборах по схеме, приведенной на рисунке 22. Метод наиболее применим к подшипникам и их внутренним кольцам при соотношении диаметра отверстия кольца к его ширине, меньшем четырех. Допускается вертикальное расположение оправки. При монтаже подшипника на оправке необходимо приложить достаточное, но не чрезмерное усилие для обеспечения центрирования кольца на оправке. Измерительный наконечник устанавливают на середине торца внутреннего кольца. Кольцо с оправкой поворачивают вокруг оси не менее чем на полный оборот. Неперпендикулярность торца внутреннего кольца относительно отверстия

принимают равной разности наибольшего и наименьшего показаний измерительного прибора.
Рисунок 22
Метод 2. Измерение неперпендикулярности отверстия внутреннего кольца относительно торца на приборах по схеме, приведенной на
рисунке 23. Допускается кольцо базировать на три опоры. Данный метод, как правило, применяется для измерения больших колец, когда на измерения оказывает влияние масса подшипника, или внутренних колец с отношением диаметра отверстия к ширине кольца, равным четырем или более. Упор и измерительный наконечник устанавливают на одной образующей поверхности отверстия внутреннего кольца в крайних плоскостях зоны измерения. Кольцо поворачивают вокруг оси не менее чем на полный оборот. Неперпендикулярность отверстия внутреннего кольца относительно торца принимают равной разности наибольшего и наименьшего показаний измерительного прибора, которая преобразуется в неперпендикулярность базового торца внутреннего кольца относительно отверстия

, мм, путем вычисления по формуле

,
где

- разность между максимальным и минимальным показаниями измерительного прибора;

- средний диаметр торца внутреннего кольца;

- расстояние между точками касания упора и измерительного наконечника с поверхностью кольца.
10.23. Неперпендикулярность наружной поверхности наружного кольца относительно торца

отдельных колец или собранных подшипников измеряют на приборах по схеме, приведенной на рисунке 24. Упор и измерительный наконечник устанавливают на одной образующей наружной поверхности в крайних плоскостях зоны измерения. Наружное кольцо поворачивают вокруг оси не менее чем на полный оборот. Допускается базировать торец кольца на плоскость при измерении неперпендикулярности наружной поверхности наружного кольца относительно торца отдельных колец.
Рисунок 24
Параметр

принимают равным разности наибольшего и наименьшего показаний измерительного прибора за один оборот кольца.
10.24. Неперпендикулярность наружной поверхности наружного кольца относительно опорного торца упорного борта

отдельных колец или собранных подшипников измеряют на приборах по схеме, приведенной на рисунке 25. Упор и измерительный наконечник устанавливают на одной образующей наружной поверхности в крайних плоскостях зоны измерения. Установить наружное кольцо опорным торцом упорного борта на торец кольцеобразной цилиндрической опоры, оставив внутреннее кольцо свободным, если подшипник собранный. Диаметр отверстия кольцеобразной опоры должен быть равен среднему диаметру упорного борта. Для центрирования наружного кольца поверхность наружного диаметра установить на два боковых упора, расположенных под углом 90° друг к другу. Канавки в кольцеобразной опоре должны обеспечивать доступ к боковым упорам. Наружное кольцо поворачивают вокруг оси не менее чем на полный оборот. Неперпендикулярность наружной поверхности наружного кольца относительно опорного торца упорного борта

есть разность между наибольшим и наименьшим показаниями прибора.

1 - опорный торец упорного борта; 2 - кольцеобразная
цилиндрическая опора; a - предел зоны измерения
(таблица 57)
Рисунок 25
10.25. Радиальное биение внутреннего кольца собранного подшипника шариковых однорядных радиальных (кроме сферических) и радиально-упорных, шариковых подшипников с четырехточечным контактом и роликовых конических подшипников

измеряют на приборах по схемам, приведенным на рисунках 26 -
29. Наконечник измерителя устанавливают в плоскости середины дорожки качения. Внутреннее кольцо или внутреннее кольцо с оправкой поворачивают вокруг оси не менее чем на полный оборот, при этом наружное кольцо не должно вращаться.
Рисунок 28
Радиальное биение внутреннего кольца собранного подшипника

есть разность между наибольшим и наименьшим показаниями индикатора.
10.26. Радиальное биение внутреннего кольца собранного подшипника

роликового радиального подшипника измеряют на приборах по схемам, приведенным на
рисунках 27, 30,
31, шариковых и роликовых сферических подшипников - по схемам, приведенным на рисунках 30,
31. Наконечник измерителя устанавливают в плоскости середины дорожки качения. Внутреннее кольцо или внутреннее кольцо с оправкой поворачивают вокруг оси не менее чем на полный оборот.
Радиальное биение внутреннего кольца собранного подшипника

есть разность между наибольшим и наименьшим показаниями прибора.
10.27. Радиальное биение наружного кольца собранного подшипника

шариковых радиальных (кроме сферических) и радиально-упорных, шариковых подшипников с четырехточечным контактом и роликовых конических подшипников измеряют на приборах по схемам, приведенным на
рисунках 26 (кроме радиально-упорных и конических), 32,
33. Наконечник измерителя и упоры устанавливают в плоскости середины дорожки качения. Измеряемое кольцо поворачивают вокруг оси не менее чем на полный оборот.
Рисунок 32
Радиальное биение наружного кольца собранного подшипника

есть разность между наибольшим и наименьшим показаниями индикатора.
10.28. Радиальное биение наружного кольца собранного подшипника

шариковых радиальных подшипников измеряют на приборах по схеме, приведенной на
рисунке 27, роликовых радиальных - по схемам, приведенным на
рисунках 27,
30,
31, шариковых и роликовых сферических - по схемам, приведенным на
рисунках 30,
31. Наконечник измерителя и упоры устанавливают в плоскости середины дорожки качения. Измеряемое кольцо поворачивают вокруг оси не менее чем на полный оборот. Радиальное биение наружного кольца собранного подшипника

есть разность между наибольшим и наименьшим показаниями индикатора.
10.29. Асинхронное радиальное биение внутреннего кольца собранного подшипника

шариковых радиальных и радиально-упорных однорядных подшипников, шариковых подшипников с четырехточечным контактом и конических роликовых подшипников измеряют на приборах по схемам, приведенным на рисунке 34. Установить внутреннее кольцо базовым торцом на вращающуюся оправку с выступом для центрирования по отверстию и приложить динамически постоянную соосную нагрузку к базовому торцу наружного кольца для создания контакта между телами и дорожками качения. Предотвратить относительное вращение между внутренним кольцом подшипника и оправкой. Для конических роликовых подшипников обеспечить контакт роликов с опорным торцом бортика внутреннего кольца и дорожками качения.
Рисунок 34
Измерения следует проводить при вращении внутреннего кольца в обоих направлениях.
Установить наконечник измерителя на наружной поверхности неподвижного наружного кольца по возможности ближе к середине его дорожки качения. Во время многократных вращений внутреннего кольца (с оправкой) записать наибольшие показания прибора за каждый оборот.
Установить наконечник измерителя в другом радиальном направлении наружной поверхности наружного кольца и повторить измерения за время многократных вращений внутреннего кольца. Вновь повторить измерения, расположив наконечник измерителя в различных радиальных направлениях на наружной поверхности наружного кольца.
Асинхронное радиальное биение внутреннего кольца собранного подшипника

есть диапазон наибольших показаний прибора, снятых за время многократного вращения внутреннего кольца и в различных неподвижных точках на наружном кольце.
10.30. Осевое биение внутреннего кольца собранного подшипника

шариковых однорядных радиальных и радиально-упорных подшипников, шариковых подшипников с четырехточечным контактом и конических роликовых подшипников измеряют на приборах по схемам, приведенным на рисунках 35,
36. Установить наружное кольцо базовым торцом на поверочной плите с пояском для центрирования кольца по наружному диаметру. Приложить динамическую постоянную соосную нагрузку к базовому торцу внутреннего кольца для создания контакта между телами и дорожками качения. Для конических роликовых подшипников обеспечить контакт роликов с опорным торцом бортика внутреннего кольца и дорожками качения. Наконечник измерителя устанавливают на середине базового торца внутреннего кольца. Измеряемое кольцо поворачивают вокруг оси не менее чем на полный оборот. Осевое биение внутреннего кольца собранного подшипника

есть разность между наибольшим и наименьшим показаниями индикатора.
Рисунок 35
Осевое биение внутреннего кольца указанных собранных подшипников допускается измерять по схеме, приведенной на рисунке 37.
Для шариковых радиальных однорядных подшипников допускается установка груза сверху на противобазовый торец кольца с расположением измерительного наконечника снизу.
Оправку с внутренним кольцом поворачивают вокруг оси не менее чем на полный оборот.
Разность между наибольшим и наименьшим показаниями прибора не должна превышать установленное настоящим стандартом предельное значение осевого биения, умноженное на коэффициент 1,67.
10.31. Осевое биение наружного кольца собранного подшипника

шариковых однорядных радиальных и радиально-упорных подшипников, шариковых подшипников с четырехточечным контактом и конических роликовых подшипников измеряют на приборах по схемам, приведенным на
рисунках 37, 38. Наконечник измерителя устанавливают на середине базового торца наружного кольца. Для шариковых радиальных однорядных подшипников с узким торцом допускается установка груза сверху на противобазовый торец кольца с расположением измерительного наконечника снизу. Измеряемое кольцо поворачивают вокруг оси не менее чем на полный оборот.
Рисунок 38
Осевое биение наружного кольца собранного подшипника

есть разность между наибольшим и наименьшим показаниями прибора.
10.32. Осевое биение опорного торца упорного борта наружного кольца собранного подшипника

шариковых радиальных и радиально-упорных однорядных подшипников, шариковых подшипников с четырехточечным контактом и конических роликовых подшипников с упорными бортами на наружном кольце измеряют на приборах по схемам, приведенным на рисунках 39,
40.
Рисунок 39
Установить наконечник измерителя к опорному торцу упорного борта наружного кольца посередине упорного борта и снять показания прибора за один оборот наружного кольца. Осевое биение опорного торца упорного борта наружного кольца собранного подшипника

есть разность между наибольшим и наименьшим показаниями прибора.
10.33. Разностенность дорожки качения внутреннего кольца относительно отверстия

и разностенность дорожки качения наружного кольца относительно наружной поверхности

шариковых радиальных и радиально-упорных подшипников измеряют на приборах по схемам, приведенным на рисунках 41,
42 (обе схемы равнозначны как для внутренних, так и для наружных колец). Наконечник измерителя и упоры устанавливают в плоскости середины дорожки качения напротив одной из опор. Измеряемое кольцо поворачивают вокруг оси не менее чем на полный оборот. Разностенность дорожки качения есть разность между наибольшим и наименьшим показаниями прибора.
Рисунок 41
10.34. Разностенность дорожки качения внутреннего кольца относительно отверстия

и разностенность дорожки качения наружного кольца относительно наружной поверхности

роликовых подшипников измеряют на приборах по схемам, приведенным на рисунках 43,
44 (обе схемы равнозначны как для внутренних, так и для наружных колец).
Рисунок 43
Допускается базировать измеряемое кольцо на три опоры по торцу. Наконечник измерителя и упоры устанавливают в крайних плоскостях дорожки качения. Крайняя плоскость дорожки качения - радиальная плоскость, отстоящая от борта или края поверхности качения (для безбортовых колец) кольца на расстоянии, равном удвоенному значению номинального размера галтеля или координаты фаски кольца.
Измеряемое кольцо поворачивают вокруг оси не менее чем на полный оборот. Разностенность дорожки качения есть разность между наибольшим и наименьшим показаниями прибора.
10.35. Разностенность дорожки качения внутреннего кольца относительно отверстия

шариковых и роликовых подшипников допускается измерять на приборах по схеме, приведенной на рисунке 45. Допускается вертикальное расположение оправки. Оправку с кольцом поворачивают вокруг оси не менее чем на полный оборот. Разностенность дорожки качения внутреннего кольца относительно отверстия

есть разность между наибольшим и наименьшим показаниями прибора.
Рисунок 45
10.36. Разностенность дорожки качения тугого

и свободного

колец относительно широкого торца упорного шарикового и цилиндрического роликового подшипников измеряют на приборах по схемам, приведенным на рисунке 46 - для тугих колец, на
рисунке 47 - для центральных тугих колец, а на
рисунке 48 - для свободных колец. Наконечник измерителя устанавливают на середине дорожки качения в одной осевой плоскости над одной из опор. Измеряемое кольцо поворачивают вокруг оси не менее чем на полный оборот. Разностенность дорожки качения есть разность между наибольшим и наименьшим показаниями прибора.
Рисунок 46
10.37. Непараллельность дорожки качения внутреннего

и наружного

колец относительно торца радиального и радиально-упорного шариковых подшипников с желобом измеряют на приборах по схемам, приведенным на рисунках 49,
50. Допускается базировать измеряемое кольцо на плоскость.
Рисунок 49
Непараллельность дорожки качения внутреннего

и наружного

колец относительно торца радиального и радиально-упорного шариковых подшипников с желобом допускается измерять на приборах по схемам, приведенным на рисунках 51,
52. Кольцо базируют по дорожке качения на трех опорах. Наконечник измерителя устанавливают на середине базового торца кольца. Измеряемое кольцо поворачивают вокруг оси не менее чем на полный оборот. Непараллельность дорожки качения есть разность между наибольшим и наименьшим показаниями прибора.
Рисунок 51
10.38. Конусообразность и радиальное биение оправок, применяемых при измерении подшипников, не должны превышать значений, указанных в таблице 58.
Таблица 58
Допуски в микрометрах
┌──────────────────┬────────────────────────────────────────┬─────────────┐
│ Номинальный │Допускаемое биение оправки по всей длине│Конусообраз- │
│ диаметр оправки, ├────────────────────────────────────────┤ность на │
│ мм │ Класс точности подшипников │длине 100 мм │
│ ├───────────┬────────┬─────────┬─────────┤ │
│ │Нормальный,│ 6 │ 5 │ 4 │ │
│ │ 0, 6X │ │ │ │ │
├──────────────────┼───────────┼────────┼─────────┼─────────┼─────────────┤
│ До 3 включ.│ 2 │ 1,5 │ 1 │ 0,7 │ 8 +/- 1 │
│От 3 " 30 " │ 2 │ 1,3 │ 0,7 │ 0,5 │ 8 +/- 1 │
│Св. 30 " 50 " │ 2 │ 1,5 │ 1 │ 0,7 │ 10 +/- 1 │
│ " 50 " 80 " │ 3 │ 2 │ 1,5 │ 1 │ 13 +/- 1 │
│ " 80 │ 4 │ 2,5 │ 1,5 │ 1 │ 15 +/- 1 │
└──────────────────┴───────────┴────────┴─────────┴─────────┴─────────────┘
10.39. Радиальный внутренний зазор измеряют в соответствии с нормативным документом, утвержденным в установленном порядке, или на приборах по схемам, приведенным на рисунках 53 (метод А) или
54 (метод Б).
Рисунок 53
Метод А.
Данный метод применим ко всем радиальным подшипникам.
Закрепить внутреннее кольцо собранного подшипника на поверочной плите с прокладкой, вставленной между внутренним кольцом и поверочной плитой. В случае со сферическими подшипниками наружное кольцо следует предотвратить от опрокидывания. Установить наконечник измерителя на наружной поверхности наружного кольца в плоскости середины дорожки качения. Удержать наружное кольцо в контакте с опорой подшипника в направлении A, стараясь не поднимать противоположную сторону.
Неоднократно переместить наружное кольцо в данной точке вверх и вниз по оси и произвести колебание по окружности (с целью перемещения шариков в нижнюю часть дорожки качения) до тех пор, пока прибор не даст постоянное максимальное показание.
Продолжая слегка удерживать наружное кольцо в контакте с опорой подшипника в направлении A, переместить наружное кольцо в этой точке сначала вверх, а затем вниз без перемещения по окружности. Когда шарики переместятся через нижнюю часть дорожек качения, прибор даст максимальное показание, которое записывают.
Не меняя основного положения наружного кольца, удержать его в контакте с подшипником в направлении B, стараясь не поднимать противоположную сторону. Неоднократно переместить наружное кольцо в данной точке вверх и вниз и произвести колебание по окружности до тех пор, пока прибор не даст постоянное минимальное показание.
Затем, продолжая слегка удерживать наружное кольцо в контакте с опорой подшипника в направлении B, переместить наружное кольцо в этой точке сначала вверх, а затем вниз без перемещения по окружности. Когда шарики переместятся через нижнюю часть дорожек качения, прибор даст минимальное показание, которое записывают.
Скомпенсировать возможную некруглость наружного и внутреннего колец путем повторения одной и той же процедуры несколько раз в различных угловых положениях.
Разность между минимальным и максимальным измеренными показаниями есть измеренный радиальный внутренний зазор. Среднее значение нескольких измерений есть радиальный внутренний зазор

подшипника.
Предварительно смазанные подшипники и некоторые конструкции уплотнений или защитных шайб подшипников могут отрицательно повлиять на точность измерения.
Примечание. Если стрелка прибора не показывает наибольшее и наименьшее показания соответственно, то прокладка, вероятно, слишком тонка.
Метод Б.
Данный метод применим к желобным шариковым подшипникам, радиальным цилиндрическим и сферическим роликовым подшипникам.
Поместить собранный подшипник на плотно подогнанную жесткую оправку. Установить прибор A по наружной поверхности наружного кольца в плоскости середины дорожки качения. Установить прибор B на поверхности отверстия внутреннего кольца в плоскости середины дорожки качения. Привести во вращение внутреннее кольцо и сместить наружное кольцо в радиальном направлении под измерительной нагрузкой, приблизительно составляющей 0,5% базовой динамической грузоподъемности

, рассчитанной в соответствии с ГОСТ 18855. Рекомендуемые измерительные нагрузки приведены в таблице 59.
Таблица 59
Радиальные измерительные нагрузки
┌──────────────────┬─────────────────────────────────────────────┐
│ d, мм │ Номинальная измерительная нагрузка, Н
<1> │
├─────────┬────────┼──────────────────────┬──────────────────────┤
│ Свыше │ До │ Шариковые подшипники │ Роликовые подшипники │
├─────────┼────────┼──────────────────────┼──────────────────────┤
│ - │ 30 │ 25 │ 50 │
│ 30 │ 50 │ 30 │ 60 │
│ 50 │ 80 │ 35 │ 70 │
│ 60 │ 120 │ 40 │ 80 │
│ 120 │ 200 │ 50 │ 100 │
├─────────┴────────┴──────────────────────┴──────────────────────┤
│ <1> Номинальная измерительная нагрузка не должна быть более│
│0,005C , приведенной в ГОСТ 18854. │
│ or │
└────────────────────────────────────────────────────────────────┘
Записать средние показания приборов A и B. Изменить направление радиальной нагрузки и записать средние показания приборов A и B. Записать разности

и

между двумя сериями показаний.
Повторить измерения дважды после каждого поворота кольца на 120° (всего три измерения).
Радиальный внутренний зазор подшипника

есть среднее из трех измерений.
Предварительное смазывание подшипников и некоторые конструкции уплотнений или защитных шайб подшипников могут отрицательно повлиять на точность измерения.
Поскольку радиальный внутренний зазор задается без приложения внешней нагрузки, измеренные значения следует корректировать для компенсации деформаций, которые могут возникнуть при измерении.
Скомпенсировать влияние деформации, вызванной нагрузкой.
11.1. На подшипниках должна быть маркировка их условного обозначения в соответствии с ГОСТ 3189, условного обозначения предприятия-изготовителя и условного знака года выпуска.
Для всех подшипников, кроме конических, для обозначения нормального класса точности применяют знак "0". Для конических подшипников для обозначения нулевого класса точности применяют знак "0", нормального класса точности применяют знак "N", класса точности 6X применяют знак "X".
Знак "0" маркируют только в том случае, если слева от него имеется знак маркировки.
Допускается уточнение условного обозначения подшипников путем исправления отдельных знаков маркировки.
Например:
Допускается обозначение категорий A и B проставлять на наружном диаметре отдельно от условного обозначения подшипника. При этом знак "0" для обозначения класса точности не маркируют.
Знаки, характеризующие дополнительные требования категорий A и B, указывают только на коробке или бандероли и в товаросопроводительной документации в соответствии с нормативными документами на подшипники категорий A и B.
Кроме маркировки, предусмотренной настоящим стандартом, на подшипниках допускается нанесение знаков, условно обозначающих отдельные технические требования.
Допускается дополнительно маркировать на подшипниках или указывать на коробке, бандероли или в товаросопроводительной документации обозначение инофирменного аналога.
11.2. Подшипники, направляемые на экспорт, должны содержать дополнительную маркировку страны-изготовителя на английском языке: BELARUS, KAZAKHSTAN, RUSSIA, UKRAINE, UZBEKISTAN.
При наличии в контракте на поставку подшипников на экспорт требований по маркировке, отличной от ГОСТ 3189, допускается маркировать обозначение, оговоренное контрактом.
Допускается применение двойной маркировки - обозначение по ГОСТ 3189 и зарубежное обозначение.
11.3. Маркировку наносят на любые поверхности подшипника, кроме поверхностей качения, однако маркировка не должна нарушать технические требования и нормы точности настоящего стандарта.
Для подшипников с торцевой площадкой шириной менее 2 мм:
- маркировку условного обозначения типоразмера и предприятия-изготовителя наносят на наружный диаметр или на упаковочную коробку;
- маркировку класса точности, категории, отдельных технических требований, страны-изготовителя наносят на упаковочную коробку и (или) указывают в товаросопроводительной документации.
Для подшипников с защитными шайбами и уплотнениями маркировку страны-изготовителя допускается наносить на упаковочную коробку или на защитные шайбы и уплотнения.
11.4. Разъемные шариковые подшипники с невзаимозаменяемыми кольцами должны иметь маркировку, исключающую возможность перепутывания колец подшипников.
Разъемные шариковые и роликовые подшипники, кроме шариковых подшипников с отверстием диаметром менее или равным 10 мм с невзаимозаменяемыми кольцами, должны иметь маркировку условного обозначения подшипников на каждом кольце. Допускается нанесение маркировки на одном из колец, при этом должна быть исключена возможность перепутывания колец подшипников.
Упорные шариковые подшипники с отверстием диаметром менее или равным 10 мм и упорные шариковые подшипники классов точности 4 и 2 не маркируют. Допускается маркировку обозначения упорных шариковых подшипников с отверстием диаметром более 10 мм нормального класса точности наносить на одном из колец.
11.5. При применении одних и тех же колец для подшипников разных типоразмеров на этих кольцах допускается наносить следующую маркировку:
- для шариковых подшипников - условное обозначение подшипников через тире.
Пример:
Наружное кольцо, общее для шариковых радиальных подшипников типов 25 и 34, маркируют: 25 - 34;
для роликовых подшипников - условное обозначение типа основного подшипника.
Пример:
Внутреннее кольцо роликового 7510 с коническими роликами применяют в двухрядном подшипнике 97510 и однорядном с бортом на наружном кольце 67510. В этом случае на внутреннее кольцо наносят условное обозначение 7510.
Двухбортовое наружное кольцо роликового подшипника с цилиндрическими роликами применяют в подшипниках типов 32210, 42210, 52210 и др. В этом случае на наружное кольцо наносят условное обозначение 32210.
Полную маркировку, характеризующую конструктивную особенность подшипника, наносят на одно из спаренных колец.
Для подшипника с односторонним уплотнением или с одной защитной шайбой допускается применение уплотнения или защитной шайбы с маркировкой от аналогичных подшипников с двумя уплотнениями или защитными шайбами. При этом маркировку типа подшипника наносят на наружном кольце или в товаросопроводительной документации.
Для подшипников закрытого типа допускается в модификациях подшипников использовать имеющиеся уплотнения и шайбы. При этом маркировку типа подшипника наносят на наружном кольце или в товаросопроводительной документации.
11.6. Маркирование проводят любым способом, не вызывающим коррозии подшипников.
При маркировании собранных подшипников электрографическим способом электрический ток не должен проходить через тела качения.
11.7. Знаки, нанесенные на подшипниках или упаковочных коробках, должны быть выполнены четко и разборчиво.
12. Упаковка, транспортирование и хранение
12.1. Консервацию и упаковывание подшипников для защиты от коррозии проводят в соответствии с нормативным документом изготовителя на консервацию и упаковку подшипников, утвержденным в установленном порядке. Сроки хранения определяются способом консервации и упаковки.
В технически обоснованных случаях способ консервации должен быть согласован между предприятием-изготовителем и потребителем.
12.2. Подшипники на предприятии-потребителе должны быть извлечены из транспортной тары и храниться только в упаковке предприятия-изготовителя в закрытом, отапливаемом, вентилируемом помещении при температуре (20 +/- 5) °C, относительной влажности воздуха не более 60% и по возможности на торцах.
В технически обоснованных случаях правила и сроки хранения должны быть согласованы между предприятием-изготовителем и потребителем.
12.3. Подшипники с наружным диаметром до 300 мм и массой до 8 кг классов точности 5, 4, T и 2 должны быть упакованы в коробки.
Приборные подшипники с наружным диаметром до 30 мм всех классов точности должны быть упакованы в коробки. При этом подшипники классов точности 6, 5, 4, T и 2 предварительно упаковывают в пластмассовые пробирки или полиэтиленовые пакеты.
Допускается по заказу потребителя упаковывание подшипников другим способом, обеспечивающим защиту подшипников от коррозии.
12.4. Коробки после укладки в них подшипников могут быть оклеены бандеролью.
Подшипники в первичной упаковке или коробки с подшипниками для транспортирования упаковывают в ящики по
ГОСТ 2991,
ГОСТ 9142, ГОСТ 16148,
ГОСТ 24634.
Подшипники массой свыше 8 кг или диаметром свыше 300 мм упаковывают в ящики без коробки.
Ящики должны быть выстланы внутри битумной бумагой по
ГОСТ 515 или полимерной пленкой по
ГОСТ 10354,
ГОСТ 16272 или другими материалами (бумага, пленка и т.п.), обеспечивающими сохранность подшипников.
12.5. Допускается применять другие виды транспортной тары, обеспечивающие сохранность подшипников, внутренней упаковки, не допускающие попадания внутрь капельно-жидкой влаги и не выделяющие коррозионно-активных веществ.
12.6. Допускается перевозка подшипников массовым потребителям (по согласованию с ними) в многооборотной таре, железнодорожных, автомобильных и речных контейнерах, в крытых железнодорожных вагонах в первичной упаковке (без упаковывания в ящиках). При вагонной отгрузке подшипники должны быть пакетированы.
12.7. При укладке подшипников в ящик или контейнер пустоты между коробками с подшипниками и стенками ящика должны быть заполнены вспомогательными материалами, не вызывающими коррозию и повреждение подшипников.
12.8. В каждый ящик или контейнер (при упаковывании подшипников без ящиков) должен быть вложен сопроводительный документ (паспорт).
12.9. Коробки или бандероли, сопроводительный документ (паспорт), вкладываемый в ящик, должны иметь надписи:
- наименование или товарный знак предприятия-изготовителя;
- условное обозначение подшипников;
- категорию подшипников и знаки дополнительных технических требований (при наличии);
- число подшипников;
- дату консервации (месяц, год);
- обозначение настоящего стандарта или нормативного документа.
12.10. Транспортную тару следует маркировать в соответствии с требованиями
ГОСТ 14192. Маркировку наносят на ярлык или непосредственно на ящик.
Дополнительно под основными надписями должно быть нанесено:
- наименование изделия;
- условное обозначение подшипников;
- категория подшипников (при наличии);
- обозначение настоящего стандарта или нормативного документа;
- число подшипников;
- манипуляционные знаки по
ГОСТ 14192: "Хрупкое. Осторожно", "Беречь от влаги".
Допускается дополнительные информационные надписи при длине грузового места до 0,5 м включительно наносить шрифтом высотой знаков до 15 мм.
12.11. Транспортирование подшипников следует проводить только в закрытых транспортных средствах (вагонах, автомашинах, трюмах, самолетах).
Крупногабаритные подшипники допускается транспортировать на открытых транспортных средствах при условии дополнительной защиты ящиков от попадания атмосферных осадков.
Допускается транспортировать подшипники в ящиках, пакетированных и уложенных по определенной схеме на поддоне или без него, обтянутых металлической лентой или другим материалом, обеспечивающим неизменность форм пакета и сохранность подшипников при транспортировании.
13. Указания по применению и эксплуатации
13.1. Применение и эксплуатация должны осуществляться в строгом соответствии с назначением и эксплуатационными показателями данного конструктивного исполнения, размера, категории и класса точности подшипника.
13.2. В изделиях при применении и эксплуатации подшипников без встроенных уплотнений должны быть приняты необходимые меры для защиты подшипника от попадания в него посторонних частиц, от возникновения коррозии на деталях подшипников и для своевременного пополнения предусмотренным смазочным материалом.
13.3. Технические требования к посадочным поверхностям под подшипники - по ГОСТ 3325 или стандартам на подшипники без одного или обоих колец, содержащим указанные требования. Технические требования к посадочным поверхностям под подшипники классов точности 7 и 8 - по нормативному документу на подшипники категории C.
13.4. Расконсервацию подшипников проводят в соответствии с нормативным документом изготовителя на хранение, расконсервацию подшипников и обращение с ними, утвержденным в установленном порядке.
14. Гарантии изготовителя
14.1. Изготовитель гарантирует соответствие подшипников требованиям настоящего стандарта при соблюдении условий транспортирования, хранения, применения и эксплуатации.
14.2. Гарантийный срок эксплуатации подшипников в изделиях, кроме опытных изделий, равен гарантийному сроку эксплуатации изделий, подтвержденному эксплуатационными (натурными) испытаниями, и истекает одновременно с истечением гарантийного срока эксплуатации на это изделие при соблюдении условий монтажа, правил применения и эксплуатации.
14.3. Гарантийный срок хранения подшипников - не менее 12 мес, а подшипников, упакованных в полиэтиленовую пленку, - не менее 24 мес со дня консервации (месяц, год) при соблюдении условий транспортирования и хранения, установленных настоящим стандартом.
(справочное)
ИЛЛЮСТРАЦИЯ ДОПУСКОВ НА РАЗМЕР ДИАМЕТРОВ
А.1.1. Единичный диаметр отверстия

или

Имеется m единичных плоскостей для отдельной летали и n единичных диаметров отверстия (измеряемые размеры) в единичной плоскости (рисунок А.1,
таблица А.1).
Рисунок А.1. Единичные плоскости 1, 2 и i
и единичные диаметры отверстия
Таблица А.1
Единичные диаметры отверстия
┌────────────────┬───────────────────────────────────────────────┐
│Номер плоскости │ Измеренный размер │
├────────────────┼───────────────────────────────────────────────┤
│ 1 │ d , d , d , ....., d , ....., d │
│ │ s11 s12 s13 s1i s1n │
│ 2 │ d , d , d , ....., d , ....., d │
│ │ s21 s22 s23 s2i s2n │
│ 3 │ d , d , d , ....., d , ....., d │
│ │ s31 s32 s33 s3i s3n │
│ ..... │................ │
│ i │ d , d , d , ....., d , ....., d │
│ │ si1 si2 si3 sij sin │
│ ..... │................ │
│ m │ d , d , d , ....., d , ....., d │
│ │ sm1 sm2 sm3 smj smn │
├────────────────┴───────────────────────────────────────────────┤
│ Примечание. d обозначает любой единичный диаметр j в│
│ sij │
│единичной плоскости i. │
└────────────────────────────────────────────────────────────────┘
А.1.2. Средний диаметр отверстия

Средний диаметр отдельной детали представлен как среднеарифметическое наивысшего максимального и наинизшего минимального значений всех единичных диаметров отверстия, полученных для отдельной детали, в виде следующего уравнения

.
Отдельная деталь имеет только одно значение для

.
Примечание.

означает максимальное значение

.

означает минимальное значение

.
А.1.3. Средний диаметр отверстия в единичной плоскости

Средний диаметр отверстия детали в единичной плоскости представляет собой среднеарифметическое значение максимального и минимального диаметров в любой единичной плоскости, как представлено в следующих уравнениях (таблица А.2). Этот параметр в каждой единичной плоскости имеет одно значение.
Таблица А.2
Средние диаметры отверстия в единичной плоскости
┌──────────┬──────────┬──────────────────────────────────────────┐
│ Номер │ d │ Уравнение │
│плоскости │ mp │ │
├──────────┼──────────┼──────────────────────────────────────────┤
│ 1 │ d │ [max(d ...d ) + min(d ...d )]/2 │
│ │ mp1 │ s11 s1n s11 s1n │
│ 2 │ d │ [max(d ...d ) + min(d ...d )]/2 │
│ │ mp2 │ s21 s2n s21 s2n │
│ 3 │ d │ [max(d ...d ) + min(d ...d )]/2 │
│ │ mp3 │ s31 s1n s31 s3n │
│ ..... │ ..... │ │
│ i │ d │ [max(d ...d ) + min(d ...d )]/2 │
│ │ mpi │ si1 sin si1 sin │
│ ..... │ .... │ │
│ m │ d │ [max(d ...d ) + min(d ...d )]/2 │
│ │ mpm │ sm1 smn sm1 smn │
└──────────┴──────────┴──────────────────────────────────────────┘
А.1.4. Непостоянство среднего диаметра отверстия в единичной плоскости

Непостоянство среднего диаметра отверстия в единичной плоскости есть разность между максимальным и минимальным значениями средних диаметров отверстия в единичной плоскости для всех плоскостей отдельной детали. Этот параметр имеет одно значение для отдельной детали и может означать показатель цилиндричности.

.
А.1.5. Непостоянство диаметра отверстия в единичной плоскости

Термин "непостоянство диаметра отверстия в единичной плоскости" указывает на разность между максимальным и минимальным значениями среди единичных диаметров отверстия, измеренных в единичной плоскости (таблица А.3). Этот параметр имеет более одного значения для отдельной детали и может означать показатель круглости.
Таблица А.3
Непостоянство диаметров отверстия в единичной плоскости
┌──────────┬──────────┬──────────────────────────────────────────┐
│ Номер │ V │ Уравнение │
│плоскости │ dsp │ │
├──────────┼──────────┼──────────────────────────────────────────┤
│ 1 │ V │ [max(d ...d ) - min(d ...d )] │
│ │ dsp1 │ s11 s1n s11 s1n │
│ 2 │ V │ [max(d ...d ) - min(d ...d )] │
│ │ dsp2 │ s21 s2n s21 s2n │
│ 3 │ V │ [max(d ...d ) - min(d ...d )] │
│ │ dsp3 │ s31 s1n s31 s3n │
│ ..... │ ..... │ ... │
│ i │ V │ [max(d ...d ) - min(d ...d )] │
│ │ dspi │ si1 sin si1 sin │
│ ..... │ ..... │ ... │
│ m │ V │ [max(d ...d ) - min(d ...d )] │
│ │ dspm │ sm1 smn sm1 smn │
└──────────┴──────────┴──────────────────────────────────────────┘
А.1.6. Непостоянство диаметра отверстия

Непостоянство диаметра отверстия есть разность между максимальным и минимальным из всех единичных диаметров отверстия (измеряемые величины), полученных для отдельной детали. Отдельная деталь имеет только одно значение

.

.
Допуски на размер наружного диаметра получены таким же образом, как и для диаметров отверстия в
А.1. Параметрами эквивалентного наружного диаметра являются:
- единичный наружный диаметр

или

;
- средний наружный диаметр

;
- средний наружный диаметр в единичной плоскости

;
- непостоянство наружного диаметра в единичной плоскости

;
- непостоянство наружного диаметра

.
(справочное)
СООТВЕТСТВИЕ КЛАССОВ ТОЧНОСТИ
Соответствие классов точности подшипников по настоящему стандарту классам точности по международным стандартам и национальным стандартам некоторых стран.
Таблица Б.1
Шариковые и роликовые радиальные
и радиально-упорные шариковые подшипники
Национальный стандарт | Класс точности |
Межгосударствен- ный стандарт СНГ | Настоящий стандарт | 8 | 7 | Нор- мальный | 6 | 5 | 4 | T | 2 |
Международная организация по стандартизации | ИСО 492 | - | - | Нор- мальный | 6 | 5 | 4 | - | 2 |
Стандарт Германии | ДИН 620 | - | - | P0 | P6 | P5 | P4 | - | P2 |
Стандарт США | AFBMA Стандарт | - | - | ABEC-1 RBEC-1 | ABEC-3 RBEC-3 | ABEC-5 RBEC-5 | ABEC-7 | - | ABEC-9 |
Стандарт Японии | JISB B | - | - | 0 | 6 | 5 | 4 | - | 2 |
Таблица Б.2
Роликовые конические подшипники
Национальный стандарт | Класс точности |
Межгосударственный стандарт СНГ | Настоящий стандарт | 8 | 7 | 0 | Нор- мальный | 6X | 6 | 5 | 4 | 2 |
Международная организация по стандартизации | ИСО 492 | - | - | - | Нор- мальный | 6X | - | 5 | 4 | - |
Стандарт Германии | ДИН 620 | - | - | - | P0 | P6X | - | P5 | P4 | - |
Стандарт США | AFBMA Стандарт | - | - | - | K | N | - | C | B | A |
Стандарт Японии | JISB B | - | - | - | 0 | 6X | 6 | 5 | 4 | - |
Таблица Б.3
Упорные и упорно-радиальные подшипники
Национальный стандарт | Класс точности |
Межгосударственный стандарт СНГ | Настоящий стандарт | 8 | 7 | Нормальный | 6 | 5 | 4 | 2 |
Международная организация по стандартизации | ИСО 199 | - | - | Нормальный | 6 | 5 | 4 | - |
Стандарт Германии | ДИН 620 | - | - | P0 | P6 | P5 | P4 | - |
(справочное)
БИБЛИОГРАФИЯ
[1] ИСО 286-1-88 Система ИСО пределов и посадок - Часть 1: Основные принципы допусков и посадок.
[2] ИСО 492-94 Подшипники качения. Радиальные подшипники. Допуски
[3] ИСО 199-97 Подшипники качения. Упорные подшипники. Допуски
[4] ДИН 620-88 Часть 2 Подшипники качения. Допуски для радиальных подшипников
[5] AFBMA Стандарт 20-1987 Подшипники радиальные шариковые, цилиндрические и сферические. Метрическая конструкция
[6] JISB B 1514 Допуски для подшипников качения
[7] AFBMA Стандарт 19.1 - 1987 Подшипники конические роликовые. Метрическая конструкция