Краткое наименование страны по МК (ИСО 3166) 004-97 | Код страны по МК (ИСО 3166) 004-97 | Сокращенное наименование национального органа по стандартизации |
Армения | AM | ЗАО "Национальный орган по стандартизации и метрологии" Республики Армения |
Беларусь | BY | Госстандарт Республики Беларусь |
Казахстан | KZ | Госстандарт Республики Казахстан |
Киргизия | KG | Кыргызстандарт |
Россия | RU | Росстандарт |
Узбекистан | UZ | Узстандарт |
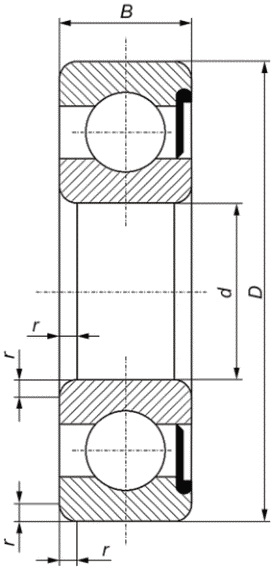
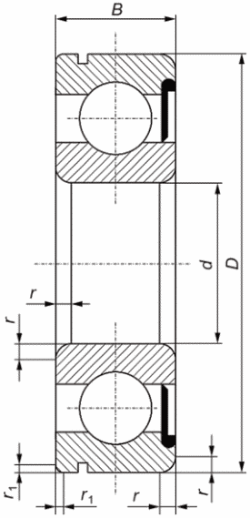
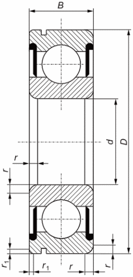
Обозначение конструктивного исполнения | Описание конструктивного исполнения | Рисунок <*> |
16 | С одним уплотнением | |
18 | С двумя уплотнениями | |
25 | С одним уплотнением и с канавкой под установочное пружинное кольцо | |
75 | С двумя уплотнениями и с канавкой под установочное пружинное кольцо | |




Основное условное обозначение подшипника конструктивного исполнения | d | D | B | rsmin | r1smin <*> | |||
16 | 18 | 25 | 75 | мм | ||||
16001/1,5 | 18001/1,5 | - | - | 1,5 | 6 | 2,5 | 0,15 | - |
160012 | 180012 | - | - | 2,0 | 7 | 2,8 | 0,15 | - |
16001/2,5 | 18001/2,5 | - | - | 2,5 | 8 | 2,8 | 0,15 | - |
160013 | 180013 | - | - | 3 | 9 | 3 | 0,15 | - |
160014 | 180014 | - | - | 4 | 12 | 4 | 0,2 | - |
160015 | 180015 | - | - | 5 | 14 | 5 | 0,2 | - |
160016 | 180016 | - | - | 6 | 17 | 6 | 0,3 | - |
160017 | 180017 | 250017 | 750017 | 7 | 19 | 6 | 0,3 | 0,3 |
160018 | 180018 | 250018 | 750018 | 8 | 22 | 7 | 0,3 | 0,3 |
160019 | 180019 | 250019 | 750019 | 9 | 24 | 7 | 0,3 | 0,3 |
160100 | 180100 | 250100 | 750100 | 10 | 26 | 8 | 0,3 | 0,3 |
160101 | 180101 | 250101 | 750101 | 12 | 28 | 8 | 0,3 | 0,3 |
160102 | 180102 | 250102 | 750102 | 15 | 32 | 9 | 0,3 | 0,3 |
160103 | 180103 | 250103 | 750103 | 17 | 35 | 10 | 0,3 | 0,3 |
160104 | 180104 | 250104 | 750104 | 20 | 42 | 12 | 0,6 | 0,5 |
1601/22 | 1801/22 | 2501/22 | 7501/22 | 22 | 44 | 12 | 0,6 | 0,5 |
160105 | 180105 | 250105 | 750105 | 25 | 47 | 12 | 0,6 | 0,5 |
1601/28 | 1801/28 | 2501/28 | 7501/28 | 28 | 52 | 12 | 0,6 | 0,5 |
160106 | 180106 | 250106 | 750106 | 30 | 55 | 13 | 1,0 | 0,5 |
1601/32 | 1801/32 | 2501/32 | 7501/32 | 32 | 58 | 13 | 1,0 | 0,5 |
160107 | 180107 | 250107 | 750107 | 35 | 62 | 14 | 1,0 | 0,5 |
160108 | 180108 | 250108 | 750108 | 40 | 68 | 15 | 1,0 | 0,5 |
160109 | 180109 | 250109 | 750109 | 45 | 75 | 16 | 1,0 | 0,5 |
160110 | 180110 | 250110 | 750110 | 50 | 80 | 16 | 1,0 | 0,5 |
160111 | 180111 | 250111 | 750111 | 55 | 90 | 18 | 1,1 | 0,5 |
160112 | 180112 | 250112 | 750112 | 60 | 95 | 18 | 1,1 | 0,5 |
160113 | 180113 | 250113 | 750113 | 65 | 100 | 18 | 1,1 | 0,5 |
160114 | 180114 | 250114 | 750114 | 70 | 110 | 20 | 1,1 | 0,5 |
160115 | 180115 | 250115 | 750115 | 75 | 115 | 20 | 1,1 | 0,5 |
160116 | 180116 | 250116 | 750116 | 80 | 125 | 22 | 1,1 | 0,5 |
160117 | 180117 | 250117 | 750117 | 85 | 130 | 22 | 1,1 | 0,5 |
160118 | 180118 | 250118 | 750118 | 90 | 140 | 24 | 1,5 | 0,5 |
160119 | 180119 | 250119 | 750119 | 95 | 145 | 24 | 1,5 | 0,5 |
160120 | 180120 | 250120 | 750120 | 100 | 150 | 24 | 1,5 | 0,5 |
160121 | 180121 | 250121 | 750121 | 105 | 160 | 26 | 2,0 | 0,5 |
160122 | 180122 | 250122 | 750122 | 110 | 170 | 28 | 2,0 | 0,5 |
160124 | 180124 | 250124 | 750124 | 120 | 180 | 28 | 2,0 | 0,5 |
Основное условное обозначение подшипника конструктивного исполнения | d | D | B | rsmin | r1smin <*> | |||
16 | 18 | 25 | 75 | мм | ||||
160023 | 180023 | - | - | 3 | 10 | 4 | 0,15 | - |
160024 | 180024 | 250024 | 750024 | 4 | 13 | 5 | 0,2 | 0,2 |
160025 | 180025 | 250025 | 750025 | 5 | 16 | 5 | 0,3 | 0,2 |
160026 | 180026 | 250026 | 750026 | 6 | 19 | 6 | 0,3 | 0,3 |
160027 | 180027 | 250027 | 750027 | 7 | 22 | 7 | 0,3 | 0,3 |
160028 | 180028 | 250028 | 750028 | 8 | 24 | 8 | 0,3 | 0,3 |
160029 | 180029 | 250029 | 750029 | 9 | 26 | 8 | 0,3 | 0,3 |
160200 | 180200 | 250200 | 750200 | 10 | 30 | 9 | 0,6 | 0,5 |
160201 | 180201 | 250201 | 750201 | 12 | 32 | 10 | 0,6 | 0,5 |
160202 | 180202 | 250202 | 750202 | 15 | 35 | 11 | 0,6 | 0,5 |
160203 | 180203 | 250203 | 750203 | 17 | 40 | 12 | 0,6 | 0,5 |
160204 | 180204 | 250204 | 750204 | 20 | 47 | 14 | 1,0 | 0,5 |
1602/22 | 1802/22 | 2502/22 | 7502/22 | 22 | 50 | 14 | 1,0 | 0,5 |
160205 | 180205 | 250205 | 750205 | 25 | 52 | 15 | 1,0 | 0,5 |
1602/28 | 1802/28 | 2502/28 | 7502/28 | 28 | 58 | 16 | 1,0 | 0,5 |
160206 | 180206 | 250206 | 750206 | 30 | 62 | 16 | 1,0 | 0,5 |
1602/32 | 1802/32 | 2502/32 | 7502/32 | 32 | 65 | 17 | 1,0 | 0,5 |
160207 | 180207 | 250207 | 750207 | 35 | 72 | 17 | 1,1 | 0,5 |
160208 | 180208 | 250208 | 750208 | 40 | 80 | 18 | 1,1 | 0,5 |
160209 | 180209 | 250209 | 750209 | 45 | 85 | 19 | 1,1 | 0,5 |
160210 | 180210 | 250210 | 750210 | 50 | 90 | 20 | 1,1 | 0,5 |
160211 | 180211 | 250211 | 750211 | 55 | 100 | 21 | 1,5 | 0,5 |
160212 | 180212 | 250212 | 750212 | 60 | 110 | 22 | 1,5 | 0,5 |
160213 | 180213 | 250213 | 750213 | 65 | 120 | 23 | 1,5 | 0,5 |
160214 | 180214 | 250214 | 750214 | 70 | 125 | 24 | 1,5 | 0,5 |
160215 | 180215 | 250215 | 750215 | 75 | 130 | 25 | 1,5 | 0,5 |
160216 | 180216 | 250216 | 750216 | 80 | 140 | 26 | 2,0 | 0,5 |
160217 | 180217 | 250217 | 750217 | 85 | 150 | 28 | 2,0 | 0,5 |
160218 | 180218 | 250218 | 750218 | 90 | 160 | 30 | 2,0 | 0,5 |
160219 | 180219 | 250219 | 750219 | 95 | 170 | 32 | 2,1 | 0,5 |
160220 | 180220 | 250220 | 750220 | 100 | 180 | 34 | 2,1 | 0,5 |
160221 | 180221 | 250221 | 750221 | 105 | 190 | 36 | 2,1 | 0,5 |
160222 | 180222 | 250222 | 750222 | 110 | 200 | 38 | 2,1 | 0,5 |
160224 | 180224 | 250224 | 750224 | 120 | 215 | 40 | 2,1 | 0,5 |
Основное условное обозначение подшипника конструктивного исполнения | d | D | B | rsmin | r1smin <*> | |||
16 | 18 | 25 | 75 | мм | ||||
160500 | 180500 | 250500 | 750500 | 10 | 30 | 14 | 0,6 | 0,5 |
160501 | 180501 | 250501 | 750501 | 12 | 32 | 14 | 0,6 | 0,5 |
160502 | 180502 | 250502 | 750502 | 15 | 35 | 14 | 0,6 | 0,5 |
160503 | 180503 | 250503 | 750503 | 17 | 40 | 16 | 0,6 | 0,5 |
160504 | 180504 | 250504 | 750504 | 20 | 47 | 18 | 1,0 | 0,5 |
160/22 | 180/22 | 250/22 | 750/22 | 22 | 50 | 18 | 1,0 | 0,5 |
160505 | 180505 | 250505 | 750505 | 25 | 52 | 18 | 1,0 | 0,5 |
160/28 | 180/28 | 250/28 | 750/28 | 28 | 58 | 19 | 1,0 | 0,5 |
160506 | 180506 | 250506 | 750506 | 30 | 62 | 20 | 1,0 | 0,5 |
160/32 | 180/32 | 250/32 | 750/32 | 32 | 65 | 21 | 1,0 | 0,5 |
160507 | 180507 | 250507 | 750507 | 35 | 72 | 23 | 1,1 | 0,5 |
160508 | 180508 | 250508 | 750508 | 40 | 80 | 23 | 1,1 | 0,5 |
160509 | 180509 | 250509 | 750509 | 45 | 85 | 23 | 1,1 | 0,5 |
160510 | 180510 | 250510 | 750510 | 50 | 90 | 23 | 1,1 | 0,5 |
160511 | 180511 | 250511 | 750511 | 55 | 100 | 25 | 1,5 | 0,5 |
160512 | 180512 | 250512 | 750512 | 60 | 110 | 28 | 1,5 | 0,5 |
160513 | 180513 | 250513 | 750513 | 65 | 120 | 31 | 1,5 | 0,5 |
160514 | 180514 | 250514 | 750514 | 70 | 125 | 31 | 1,5 | 0,5 |
160515 | 180515 | 250515 | 750515 | 75 | 130 | 31 | 1,5 | 0,5 |
160516 | 180516 | 250516 | 750516 | 80 | 140 | 33 | 2,0 | 0,5 |
160517 | 180517 | 250517 | 750517 | 85 | 150 | 36 | 2,0 | 0,5 |
160518 | 180518 | 250518 | 750518 | 90 | 160 | 40 | 2,0 | 0,5 |
160519 | 180519 | 250519 | 750519 | 95 | 170 | 43 | 2,1 | 0,5 |
160520 | 180520 | 250520 | 750520 | 100 | 180 | 46 | 2,1 | 0,5 |
160521 | 180521 | 250521 | 750521 | 105 | 190 | 50 | 2,1 | 0,5 |
160522 | 180522 | 250522 | 750522 | 110 | 200 | 53 | 2,1 | 0,5 |
160524 | 180524 | 250524 | 750524 | 120 | 215 | 58 | 2,1 | 0,5 |
Основное условное обозначение подшипника конструктивного исполнения | d | D | B | rsmin | r1smin <*> | |||
16 | 18 | 25 | 75 | мм | ||||
3160023 | 3180023 | - | - | 3 | 10 | 5,0 | 0,15 | - |
3160024 | 3180024 | 3250024 | 3750024 | 4 | 13 | 7,0 | 0,2 | 0,2 |
3160025 | 3180025 | 3250025 | 3750025 | 5 | 16 | 8,0 | 0,3 | 0,2 |
3160026 | 3180026 | 3250026 | 3750026 | 6 | 19 | 10,0 | 0,3 | 0,3 |
3160027 | 3180027 | 3250027 | 3750027 | 7 | 22 | 11,0 | 0,3 | 0,3 |
3160028 | 3180028 | 3250028 | 3750028 | 8 | 24 | 12,0 | 0,3 | 0,3 |
3160029 | 3180029 | 3250029 | 3750029 | 9 | 26 | 13,0 | 0,3 | 0,3 |
3160200 | 3180200 | 3250200 | 3750200 | 10 | 30 | 14,3 | 0,6 | 0,5 |
3160201 | 3180201 | 3250201 | 3750201 | 12 | 32 | 15,9 | 0,6 | 0,5 |
3160202 | 3180202 | 3250202 | 3750202 | 15 | 35 | 15,9 | 0,6 | 0,5 |
3160203 | 3180203 | 3250203 | 3750203 | 17 | 40 | 17,5 | 0,6 | 0,5 |
3160204 | 3180204 | 3250204 | 3750204 | 20 | 47 | 20,6 | 1,0 | 0,5 |
31602/22 | 31802/22 | 32502/22 | 37502/22 | 22 | 50 | 20,6 | 1,0 | 0,5 |
3160205 | 3180205 | 3250205 | 3750205 | 25 | 52 | 20,6 | 1,0 | 0,5 |
31602/28 | 31802/28 | 32502/28 | 37502/28 | 28 | 58 | 23,0 | 1,0 | 0,5 |
3160206 | 3180206 | 3250206 | 3750206 | 30 | 62 | 23,8 | 1,0 | 0,5 |
31602/32 | 31802/32 | 32502/32 | 37502/32 | 32 | 65 | 25,0 | 1,0 | 0,5 |
3160207 | 3180207 | 3250207 | 3750207 | 35 | 72 | 27,0 | 1,1 | 0,5 |
3160208 | 3180208 | 3250208 | 3750208 | 40 | 80 | 30,2 | 1,1 | 0,5 |
3160209 | 3180209 | 3250209 | 3750209 | 45 | 85 | 30,2 | 1,1 | 0,5 |
3160210 | 3180210 | 3250210 | 3750210 | 50 | 90 | 30,2 | 1,1 | 0,5 |
3160211 | 3180211 | 3250211 | 3750211 | 55 | 100 | 33,3 | 1,5 | 0,5 |
3160212 | 3180212 | 3250212 | 3750212 | 60 | 110 | 36,5 | 1,5 | 0,5 |
3160213 | 3180213 | 3250213 | 3750213 | 65 | 120 | 38,1 | 1,5 | 0,5 |
3160214 | 3180214 | 3250214 | 3750214 | 70 | 125 | 39,7 | 1,5 | 0,5 |
3160215 | 3180215 | 3250215 | 3750215 | 75 | 130 | 41,3 | 1,5 | 0,5 |
3160216 | 3180216 | 3250216 | 3750216 | 80 | 140 | 44,4 | 2,0 | 0,5 |
3160217 | 3180217 | 3250217 | 3750217 | 85 | 150 | 49,2 | 2,0 | 0,5 |
3160218 | 3180218 | 3250218 | 3750218 | 90 | 160 | 52,4 | 2,0 | 0,5 |
3160219 | 3180219 | 3250219 | 3750219 | 95 | 170 | 55,6 | 2,1 | 0,5 |
3160220 | 3180220 | 3250220 | 3750220 | 100 | 180 | 60,3 | 2,1 | 0,5 |
3160221 | 3180221 | 3250221 | 3750221 | 105 | 190 | 65,1 | 2,1 | 0,5 |
3160222 | 3180222 | 3250222 | 3750222 | 110 | 200 | 69,8 | 2,1 | 0,5 |
3160224 | 3180224 | 3250224 | 3750224 | 120 | 215 | 76,0 | 2,1 | 0,5 |
Основное условное обозначение подшипника конструктивного исполнения | d | D | B | rsmin | r1smin <*> | |||
16 | 18 | 25 | 75 | мм | ||||
160033 | 180033 | 250033 | 750033 | 3 | 13 | 5 | 0,2 | 0,2 |
160034 | 180034 | 250034 | 750034 | 4 | 16 | 5 | 0,3 | 0,2 |
160035 | 180035 | 250035 | 750035 | 5 | 19 | 6 | 0,3 | 0,3 |
160036 | 180036 | 250036 | 750036 | 6 | 22 | 7 | 0,3 | 0,3 |
160037 | 180037 | 250037 | 750037 | 7 | 26 | 9 | 0,3 | 0,3 |
160038 | 180038 | 250038 | 750038 | 8 | 28 | 9 | 0,3 | 0,3 |
160039 | 180039 | 250039 | 750039 | 9 | 30 | 10 | 0,6 | 0,5 |
160300 | 180300 | 250300 | 750300 | 10 | 35 | 11 | 0,6 | 0,5 |
160301 | 180301 | 250301 | 750301 | 12 | 37 | 12 | 1,0 | 0,5 |
160302 | 180302 | 250302 | 750302 | 15 | 42 | 13 | 1,0 | 0,5 |
160303 | 180303 | 250303 | 750303 | 17 | 47 | 14 | 1,0 | 0,5 |
160304 | 180304 | 250304 | 750304 | 20 | 52 | 15 | 1,1 | 0,5 |
1603/22 | 1803/22 | 2503/22 | 7503/22 | 22 | 56 | 16 | 1,1 | 0,5 |
160305 | 180305 | 250305 | 750305 | 25 | 62 | 17 | 1,1 | 0,5 |
1603/28 | 1803/28 | 2503/28 | 7503/28 | 28 | 68 | 18 | 1,1 | 0,5 |
160306 | 180306 | 250306 | 750306 | 30 | 72 | 19 | 1,1 | 0,5 |
1603/32 | 1803/32 | 2503/32 | 7503/32 | 32 | 75 | 20 | 1,1 | 0,5 |
160307 | 180307 | 250307 | 750307 | 35 | 80 | 21 | 1,5 | 0,5 |
160308 | 180308 | 250308 | 750308 | 40 | 90 | 23 | 1,5 | 0,5 |
160309 | 180309 | 250309 | 750309 | 45 | 100 | 25 | 1,5 | 0,5 |
160310 | 180310 | 250310 | 750310 | 50 | 110 | 27 | 2,0 | 0,5 |
160311 | 180311 | 250311 | 750311 | 55 | 120 | 29 | 2,0 | 0,5 |
160312 | 180312 | 250312 | 750312 | 60 | 130 | 31 | 2,1 | 0,5 |
160313 | 180313 | 250313 | 750313 | 65 | 140 | 33 | 2,1 | 0,5 |
160314 | 180314 | 250314 | 750314 | 70 | 150 | 35 | 2,1 | 0,5 |
160315 | 180315 | 250315 | 750315 | 75 | 160 | 37 | 2,1 | 0,5 |
160316 | 180316 | 250316 | 750316 | 80 | 170 | 39 | 2,1 | 0,5 |
160317 | 180317 | 250317 | 750317 | 85 | 180 | 41 | 3,0 | 0,5 |
160318 | 180318 | 250318 | 750318 | 90 | 190 | 43 | 3,0 | 0,5 |
160319 | 180319 | 250319 | 750319 | 95 | 200 | 45 | 3,0 | 0,5 |
160320 | 180320 | 250320 | 750320 | 100 | 215 | 47 | 3,0 | 0,5 |
160322 | 180322 | 250322 | 750322 | 110 | 240 | 50 | 3,0 | 0,5 |
Основное условное обозначение подшипника конструктивного исполнения | d | D | B | rsmin | |
16 | 18 | мм | |||
160066 | 180066 | 6 | 22 | 11 | 0,3 |
160067 | 180067 | 7 | 26 | 13 | 0,3 |
160068 | 180068 | 8 | 28 | 13 | 0,3 |
160069 | 180069 | 9 | 30 | 14 | 0,6 |
160600 | 180600 | 10 | 35 | 17 | 0,6 |
160601 | 180601 | 12 | 37 | 17 | 1,0 |
160602 | 180602 | 15 | 42 | 17 | 1,0 |
160603 | 180603 | 17 | 47 | 19 | 1,0 |
160604 | 180604 | 20 | 52 | 21 | 1,1 |
1606/22 | 1806/22 | 22 | 56 | 21 | 1,1 |
160605 | 180605 | 25 | 62 | 24 | 1,1 |
1606/28 | 1806/28 | 28 | 68 | 24 | 1,1 |
160606 | 180606 | 30 | 72 | 27 | 1,1 |
1606/32 | 1806/32 | 32 | 75 | 28 | 1,1 |
160607 | 180607 | 35 | 80 | 31 | 1,5 |
160608 | 180608 | 40 | 90 | 33 | 1,5 |
160609 | 180609 | 45 | 100 | 36 | 1,5 |
160610 | 180610 | 50 | 110 | 40 | 2,0 |
160611 | 180611 | 55 | 120 | 43 | 2,0 |
160612 | 180612 | 60 | 130 | 46 | 2,1 |
160613 | 180613 | 65 | 140 | 48 | 2,1 |
160614 | 180614 | 70 | 150 | 51 | 2,1 |
160615 | 180615 | 75 | 160 | 55 | 2,1 |
160616 | 180616 | 80 | 170 | 58 | 2,1 |
160617 | 180617 | 85 | 180 | 60 | 3,0 |
160618 | 180618 | 90 | 190 | 64 | 3,0 |
160619 | 180619 | 95 | 200 | 67 | 3,0 |
160620 | 180620 | 100 | 215 | 73 | 3,0 |
160621 | 180621 | 105 | 225 | 77 | 3,0 |
160622 | 180622 | 110 | 240 | 80 | 3,0 |
160624 | 180624 | 120 | 260 | 86 | 3,0 |
Основное условное обозначение подшипника конструктивного исполнения | d | D | B | rsmin | r1smin <*> | |||
16 | 18 | 25 | 75 | мм | ||||
160403 | 180403 | - | - | 17 | 62 | 17 | 1,1 | - |
160404 | 180404 | - | - | 20 | 72 | 19 | 1,1 | - |
160405 | 180405 | - | - | 25 | 80 | 21 | 1,5 | - |
160406 | 180406 | 250406 | 750406 | 30 | 90 | 23 | 1,5 | 0,5 |
160407 | 180407 | 250407 | 750407 | 35 | 100 | 25 | 1,5 | 0,5 |
160408 | 180408 | 250408 | 750408 | 40 | 110 | 27 | 2,0 | 0,5 |
160409 | 180409 | 250409 | 750409 | 45 | 120 | 29 | 2,0 | 0,5 |
Основное условное обозначение подшипника конструктивного исполнения | d | D | B | rsmin | r1smin <*> | |||
16 | 18 | 25 | 75 | мм | ||||
316001/1,5 | 318001/1,5 | - | - | 1,5 | 6 | 3,0 | 0,15 | - |
3160012 | 3180012 | - | - | 2,0 | 7 | 3,5 | 0,15 | - |
316001/2,5 | 318001/2,5 | - | - | 2,5 | 8 | 4 | 0,15 | - |
3160013 | 3180013 | - | - | 3 | 9 | 5 | 0,15 | - |
3160014 | 3180014 | - | - | 4 | 12 | 6 | 0,2 | - |
3160015 | 3180015 | - | - | 5 | 14 | 7 | 0,2 | - |
3160016 | 3180016 | - | - | 6 | 17 | 9 | 0,3 | - |
3160017 | 3180017 | 3250017 | 3750017 | 7 | 19 | 10 | 0,3 | 0,3 |
3160018 | 3180018 | 3250018 | 3750018 | 8 | 22 | 11 | 0,3 | 0,3 |
3160019 | 3180019 | 3250019 | 3750019 | 9 | 24 | 12 | 0,3 | 0,3 |
3160100 | 3180100 | 3250100 | 3750100 | 10 | 26 | 12 | 0,3 | 0,3 |
3160101 | 3180101 | 3250101 | 3750101 | 12 | 28 | 12 | 0,3 | 0,3 |
3160102 | 3180102 | 3250102 | 3750102 | 15 | 32 | 13 | 0,3 | 0,3 |
3160103 | 3180103 | 3250103 | 3750103 | 17 | 35 | 14 | 0,3 | 0,3 |
3160104 | 3180104 | 3250104 | 3750104 | 20 | 42 | 16 | 0,6 | 0,5 |
31601/22 | 31801/22 | 32501/22 | 37501/22 | 22 | 44 | 16 | 0,6 | 0,5 |
3160105 | 3180105 | 3250105 | 3750105 | 25 | 47 | 16 | 0,6 | 0,5 |
31601/28 | 31801/28 | 32501/28 | 37501/28 | 28 | 52 | 18 | 0,6 | 0,5 |
3160106 | 3180106 | 3250106 | 3750106 | 30 | 55 | 19 | 1,0 | 0,5 |
31601/32 | 31801/32 | 32501/32 | 37501/32 | 32 | 58 | 20 | 1,0 | 0,5 |
3160107 | 3180107 | 3250107 | 3750107 | 35 | 62 | 20 | 1,0 | 0,5 |
3160108 | 3180108 | 3250108 | 3750108 | 40 | 68 | 21 | 1,0 | 0,5 |
3160109 | 3180109 | 3250109 | 3750109 | 45 | 75 | 23 | 1,0 | 0,5 |
3160110 | 3180110 | 3250110 | 3750110 | 50 | 80 | 23 | 1,0 | 0,5 |
3160111 | 3180111 | 3250111 | 3750111 | 55 | 90 | 26 | 1,1 | 0,5 |
3160112 | 3180112 | 3250112 | 3750112 | 60 | 95 | 26 | 1,1 | 0,5 |
3160113 | 3180113 | 3250113 | 3750113 | 65 | 100 | 26 | 1,1 | 0,5 |
3160114 | 3180114 | 3250114 | 3750114 | 70 | 110 | 30 | 1,1 | 0,5 |
3160115 | 3180115 | 3250115 | 3750115 | 75 | 115 | 30 | 1,1 | 0,5 |
3160116 | 3180116 | 3250116 | 3750116 | 80 | 125 | 34 | 1,1 | 0,5 |
3160117 | 3180117 | 3250117 | 3750117 | 85 | 130 | 34 | 1,1 | 0,5 |
3160118 | 3180118 | 3250118 | 3750118 | 90 | 140 | 37 | 1,5 | 0,5 |
3160119 | 3180119 | 3250119 | 3750119 | 95 | 145 | 37 | 1,5 | 0,5 |
3160120 | 3180120 | 3250120 | 3750120 | 100 | 150 | 37 | 1,5 | 0,5 |
3160121 | 3180121 | 3250121 | 3750121 | 105 | 160 | 41 | 2,0 | 0,5 |
3160122 | 3180122 | 3250122 | 3750122 | 110 | 170 | 45 | 2,0 | 0,5 |
3160124 | 3180124 | 3250124 | 3750124 | 120 | 180 | 46 | 2,0 | 0,5 |
УДК 621.822.7:006.354 | МКС 21.100.20 |
Ключевые слова: подшипники качения, шариковый радиальный однорядный подшипник, уплотнение, предварительно смазанный подшипник, присоединительные размеры, угол контакта, классификация, присоединительные размеры, технические требования, указания по эксплуатации | |