Краткое наименование страны по МК (ИСО 3166) 004-97 | Код страны по МК (ИСО 3166) 004-97 | Сокращенное наименование национального органа по стандартизации |
Армения | AM | ЗАО "Национальный орган по стандартизации и метрологии" Республики Армения |
Беларусь | BY | Госстандарт Республики Беларусь |
Казахстан | KZ | Госстандарт Республики Казахстан |
Киргизия | KG | Кыргызстандарт |
Россия | RU | Росстандарт |
Таджикистан | TJ | Таджикстандарт |
Узбекистан | UZ | Узстандарт |
Украина | UA | Минэкономразвития Украины |



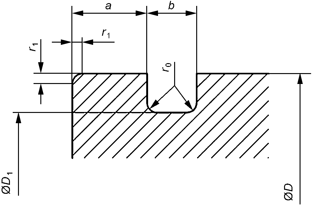
D | D1 | Размерная серия | b | r0s max | Размерная серия | ||||||||
18 | 19 | ||||||||||||
a | a | 18 | 19 | ||||||||||
B | H | H | H | B | H | r1s min <**> | |||||||
30 | 28,7 | 0 | -0,3 | - | - | 1,3 | -0,15 | 0,95 | +0,25 | 0 | 0,25 | - | 0,3 |
32 | 30,7 | 0 | -0,3 | 1,3 | -0,15 | - | - | 0,95 | +0,25 | 0 | 0,25 | 0,3 | - |
34 | 32,7 | 0 | -0,3 | 1,3 | -0,15 | - | - | 0,95 | +0,25 | 0 | 0,25 | 0,3 | - |
37 | 35,7 | 0 | -0,3 | 1,3 | -0,15 | 1,7 | -0,15 | 0,95 | +0,25 | 0 | 0,25 | 0,3 | 0,3 |
39 | 37,7 | 0 | -0,3 | - | - | 1,7 | -0,15 | 0,95 | +0,25 | 0 | 0,25 | - | 0,3 |
40 | 38,7 | 0 | -0,3 | 1,3 | -0,15 | - | - | 0,95 | +0,25 | 0 | 0,25 | 0,3 | - |
42 | 40,7 | 0 | -0,3 | 1,3 | -0,15 | 1,7 | -0,15 | 0,95 | +0,25 | 0 | 0,25 | 0,3 | 0,3 |
44 | 42,7 | 0 | -0,3 | 1,3 | -0,15 | - | - | 0,95 | +0,25 | 0 | 0,25 | 0,3 | - |
45 | 43,7 | 0 | -0,3 | - | - | 1,7 | -0,15 | 0,95 | +0,25 | 0 | 0,25 | - | 0,3 |
47 | 45,7 | 0 | -0,3 | 1,3 | -0,15 | 1,7 | -0,15 | 0,95 | +0,25 | 0 | 0,25 | 0,3 | 0,3 |
52 | 50,7 | 0 | -0,3 | 1,3 | -0,15 | 1,7 | -0,15 | 0,95 | +0,25 | 0 | 0,25 | 0,3 | 0,5 |
55 | 53,7 | 0 | -0,3 | - | - | 1,7 | -0,15 | 0,95 | +0,25 | 0 | 0,25 | - | 0,5 |
58 | 56,7 | 0 | -0,3 | 1,3 | -0,15 | - | - | 0,95 | +0,25 | 0 | 0,25 | 0,3 | - |
62 | 60,7 | 0 | -0,4 | - | - | 1,7 | -0,15 | 0,95 | +0,25 | 0 | 0,25 | - | 0,5 |
65 | 63,7 | 0 | -0,4 | 1,3 | -0,15 | - | - | 0,95 | +0,25 | 0 | 0,25 | 0,3 | - |
68 | 66,7 | 0 | -0,4 | - | - | 1,7 | -0,15 | 0,95 | +0,25 | 0 | 0,25 | - | 0,5 |
72 | 70,7 | 0 | -0,4 | 1,7 | -0,15 | 1,7 | -0,15 | 0,95 | +0,25 | 0 | 0,25 | 0,3 | 0,5 |
78 | 76,2 | 0 | -0,4 | 1,7 | -0,15 | - | - | 1,3 | +0,3 | 0 | 0,4 | 0,3 | - |
80 | 77,9 | 0 | -0,4 | - | - | 2,1 | -0,2 | 1,3 | +0,3 | 0 | 0,4 | - | 0,5 |
85 | 82,9 | 0 | -0,4 | 1,7 | -0,15 | 2,1 | -0,2 | 1,3 | +0,3 | 0 | 0,4 | 0,5 | 0,5 |
90 | 87,9 | 0 | -0,4 | 1,7 | -0,15 | 2,1 | -0,2 | 1,3 | +0,3 | 0 | 0,4 | 0,5 | 0,5 |
95 | 92,9 | 0 | -0,4 | 1,7 | -0,15 | - | - | 1,3 | +0,3 | 0 | 0,4 | 0,5 | - |
100 | 97,9 | 0 | -0,4 | 1,7 | -0,15 | 2,5 | -0,2 | 1,3 | +0,3 | 0 | 0,4 | 0,5 | 0,5 |
105 | 102,6 | 0 | -0,5 | - | - | 2,5 | -0,2 | 1,3 | +0,3 | 0 | 0,4 | - | 0,5 |
110 | 107,6 | 0 | -0,5 | 2,1 | -0,2 | 2,5 | -0,2 | 1,3 | +0,3 | 0 | 0,4 | 0,5 | 0,5 |
115 | 112,6 | 0 | -0,5 | 2,1 | -0,2 | - | - | 1,3 | +0,3 | 0 | 0,4 | 0,5 | - |
120 | 117,6 | 0 | -0,5 | 2,1 | -0,2 | 3,3 | -0,2 | 1,3 | +0,3 | 0 | 0,4 | 0,5 | 0,5 |
125 | 122,6 | 0 | -0,5 | 2,1 | -0,2 | 3,3 | -0,2 | 1,3 | +0,3 | 0 | 0,4 | 0,5 | 0,5 |
130 | 127,6 | 0 | -0,5 | 2,1 | -0,2 | 3,3 | -0,2 | 1,3 | +0,3 | 0 | 0,4 | 0,5 | 0,5 |
140 | 137,6 | 0 | -0,5 | 2,5 | -0,2 | 3,3 | -0,2 | 1,9 | +0,3 | 0 | 0,6 | 0,5 | 0,5 |
145 | 142,6 | 0 | -0,5 | - | - | 3,3 | -0,2 | 1,9 | +0,3 | 0 | 0,6 | - | 0,5 |
150 | 147,6 | 0 | -0,5 | 2,5 | -0,2 | 3,3 | -0,2 | 1,9 | +0,3 | 0 | 0,6 | 0,5 | 0,5 |
165 | 161,8 | 0 | -0,5 | 3,3 | -0,2 | 3,7 | -0,2 | 1,9 | +0,3 | 0 | 0,6 | 0,5 | 0,5 |
175 | 171,8 | 0 | -0,5 | 3,3 | -0,2 | - | - | 1,9 | +0,3 | 0 | 0,6 | 0,5 | - |
180 | 176,8 | 0 | -0,5 | - | - | 3,7 | -0,2 | 1,9 | +0,3 | 0 | 0,6 | - | 0,5 |
190 | 186,8 | 0 | -0,5 | 3,3 | -0,2 | 3,7 | -0,2 | 1,9 | +0,3 | 0 | 0,6 | 0,5 | 0,5 |
200 | 196,8 | 0 | -0,5 | 3,3 | -0,2 | - | - | 1,9 | +0,3 | 0 | 0,6 | 0,5 | - |
<**> Максимальный размер фаски в соответствии с приложением Б. | |||||||||||||
D | D1 | Серия диаметров | b | r0s max | Серия диаметров | ||||||||||
1 | 2, 3, 4, 5 и 6 | ||||||||||||||
a | a | 1 | 2 и 5 | 3 и 6 | 4 | ||||||||||
B | H | H | H | B | H | r1s min <**> | |||||||||
30 | 28,17 | 0 | -0,26 | - | - | 2,06 | -0,16 | 1,35 | +0,3 | 0 | 0,4 | - | 0,5 | 0,5 | 0,5 |
32 | 30,15 | 0 | -0,25 | 2,06 | -0,16 | 2,06 | -0,16 | 1,35 | +0,3 | 0 | 0,4 | 0,3 | 0,5 | - | 0,5 |
35 | 33,17 | 0 | -0,25 | 2,06 | -0,16 | 2,06 | -0,16 | 1,35 | +0,3 | 0 | 0,4 | 0,3 | 0,5 | 0,5 | - |
37 | 34,77 | 0 | -0,25 | - | - | 2,06 | -0,16 | 1,35 | +0,3 | 0 | 0,4 | - | - | 0,5 | 0,5 |
40 | 38,1 | 0 | -0,25 | - | - | 2,06 | -0,16 | 1,35 | +0,3 | 0 | 0,4 | - | 0,5 | - | - |
42 | 39,75 | 0 | -0,25 | 2,06 | -0,16 | 2,06 | -0,16 | 1,35 | +0,3 | 0 | 0,4 | 0,5 | - | 0,5 | 0,5 |
44 | 41,75 | 0 | -0,25 | 2,06 | -0,16 | - | - | 1,35 | +0,3 | 0 | 0,4 | 0,5 | - | - | - |
47 | 44,6 | 0 | -0,25 | 2,06 | -0,16 | 2,46 | -0,15 | 1,35 | +0,3 | 0 | 0,4 | 0,5 | 0,5 | 0,5 | - |
50 | 47,6 | 0 | -0,25 | - | - | 2,46 | -0,15 | 1,35 | +0,3 | 0 | 0,4 | - | 0,5 | - | - |
52 | 49,73 | 0 | -0,25 | 2,06 | -0,16 | 2,46 | -0,15 | 1,35 | +0,3 | 0 | 0,4 | 0,5 | 0,5 | 0,5 | 0,5 |
55 | 52,6 | 0 | -0,25 | 2,08 | -0,2 | - | - | 1,35 | +0,3 | 0 | 0,4 | 0,5 | - | - | - |
56 | 53,6 | 0 | -0,25 | - | - | 2,46 | -0,15 | 1,35 | +0,3 | 0 | 0,4 | - | - | 0,5 | - |
58 | 55,6 | 0 | -0,25 | 2,08 | -0,2 | 2,46 | -0,15 | 1,35 | +0,3 | 0 | 0,4 | 0,5 | 0,5 | - | - |
62 | 59,61 | 0 | -0,5 | 2,08 | -0,2 | 3,28 | -0,21 | 1,9 | +0,3 | 0 | 0,6 | 0,5 | 0,5 | 0,5 | 0,5 |
65 | 62,6 | 0 | -0,5 | - | - | 3,28 | -0,21 | 1,9 | +0,3 | 0 | 0,6 | - | 0,5 | - | - |
68 | 64,82 | 0 | -0,51 | 2,49 | -0,2 | 3,28 | -0,21 | 1,9 | +0,3 | 0 | 0,6 | 0,5 | - | 0,5 | - |
72 | 68,81 | 0 | -0,51 | - | - | 3,28 | -0,21 | 1,9 | +0,3 | 0 | 0,6 | - | 0,5 | 0,5 | 0,5 |
75 | 71,83 | 0 | -0,51 | 2,49 | -0,2 | 3,28 | -0,21 | 1,9 | +0,3 | 0 | 0,6 | 0,5 | - | 0,5 | - |
80 | 76,81 | 0 | -0,51 | 2,49 | -0,2 | 3,28 | -0,21 | 1,9 | +0,3 | 0 | 0,6 | 0,5 | 0,5 | 0,5 | 0,5 |
85 | 81,81 | 0 | -0,5 | - | - | 3,28 | -0,21 | 1,9 | +0,3 | 0 | 0,6 | - | 0,5 | - | - |
90 | 86,79 | 0 | -0,51 | 2,87 | -0,2 | 3,28 | -0,21 | 2,7 | +0,3 | 0 | 0,6 | 0,5 | 0,5 | 0,5 | 0,5 |
95 | 91,82 | 0 | -0,51 | 2,87 | -0,2 | - | - | 2,7 | +0,3 | 0 | 0,6 | 0,5 | - | - | - |
100 | 96,8 | 0 | -0,51 | 2,87 | -0,2 | 3,28 | -0,21 | 2,7 | +0,3 | 0 | 0,6 | 0,5 | 0,5 | 0,5 | 0,5 |
110 | 106,81 | 0 | -0,51 | 2,87 | -0,2 | 3,28 | -0,21 | 2,7 | +0,3 | 0 | 0,6 | 0,5 | 0,5 | 0,5 | 0,5 |
115 | 111,81 | 0 | -0,51 | 2,87 | -0,2 | - | - | 2,7 | +0,3 | 0 | 0,6 | 0,5 | - | - | - |
120 | 115,21 | 0 | -0,5 | - | - | 4,06 | -0,2 | 3,1 | +0,3 | 0 | 0,6 | - | 0,5 | 0,5 | 0,5 |
125 | 120,22 | 0 | -0,51 | 2,87 | -0,2 | 4,06 | -0,2 | 3,1 | +0,3 | 0 | 0,6 | 0,5 | 0,5 | - | - |
130 | 125,22 | 0 | -0,51 | 2,87 | -0,2 | 4,06 | -0,2 | 3,1 | +0,3 | 0 | 0,6 | 0,5 | 0,5 | 0,5 | 0,5 |
140 | 135,23 | 0 | -0,51 | 3,71 | -0,26 | 4,9 | -0,25 | 3,1 | +0,3 | 0 | 0,6 | 0,5 | 0,5 | 0,5 | 0,5 |
145 | 140,23 | 0 | -0,5 | 3,71 | -0,26 | - | - | 3,1 | +0,3 | 0 | 0,6 | 0,5 | - | - | - |
150 | 145,24 | 0 | -0,51 | 3,71 | -0,26 | 4,9 | -0,25 | 3,1 | +0,3 | 0 | 0,6 | 0,5 | 0,5 | 0,5 | 0,5 |
160 | 155,22 | 0 | -0,51 | 3,71 | -0,26 | 4,9 | -0,25 | 3,1 | +0,3 | 0 | 0,6 | 0,5 | 0,5 | 0,5 | 0,5 |
170 | 163,65 | 0 | -0,51 | 3,71 | -0,26 | 5,69 | -0,25 | 3,5 | +0,3 | 0 | 0,6 | 0,5 | 0,5 | 0,5 | - |
180 | 173,66 | 0 | -0,51 | 3,71 | -0,26 | 5,69 | -0,25 | 3,5 | +0,3 | 0 | 0,6 | 0,5 | 0,5 | 0,5 | 0,5 |
190 | 183,64 | 0 | -0,51 | - | - | 5,69 | -0,25 | 3,5 | +0,3 | 0 | 0,6 | - | 0,5 | 0,5 | 0,5 |
200 | 193,65 | 0 | -0,51 | 5,69 | -0,25 | 5,69 | -0,25 | 3,5 | +0,3 | 0 | 0,6 | 0,5 | 0,5 | 0,5 | 0,5 |
210 | 203,6 | 0 | -0,5 | 5,69 | -0,25 | 5,69 | -0,25 | 3,5 | +0,3 | 0 | 1 | 0,5 | - | - | 0,5 |
215 | 208,6 | 0 | -0,5 | - | - | 5,69 | -0,25 | 3,5 | +0,3 | 0 | 1 | - | 0,5 | 0,5 | - |
225 | 217 | 0 | -0,5 | 6,5 | -0,3 | 6,5 | -0,3 | 4,5 | +0,4 | 0 | 1 | 0,5 | - | 0,5 | 0,5 |
230 | 222 | 0 | -0,5 | - | - | 6,5 | -0,3 | 4,5 | +0,4 | 0 | 1 | - | 0,5 | - | - |
240 | 232 | 0 | -0,5 | 6,5 | -0,3 | 6,5 | -0,3 | 4,5 | +0,4 | 0 | 1 | 0,5 | - | 0,5 | 0,5 |
250 | 242 | 0 | -0,5 | - | - | 6,5 | -0,3 | 4,5 | +0,4 | 0 | 1 | - | 0,5 | - | 0,5 |
<**> Максимальный размер фаски в соответствии с приложением Б. | |||||||||||||||
D | D2, не более | D3 | e | f | g | r2s min | r2s max | ||||||
B | H | B | H | B | H | ||||||||
30 | 32,8 | 28,3 | 0 | -0,3 | 2,05 | 0 | -0,15 | 0,85 | 0 | -0,1 | 3 | 0,25 | 0,35 |
32 | 34,8 | 30,3 | 0 | -0,3 | 2,05 | 0 | -0,15 | 0,85 | 0 | -0,1 | 3 | 0,25 | 0,35 |
34 | 36,8 | 32,3 | 0 | -0,3 | 2,05 | 0 | -0,15 | 0,85 | 0 | -0,1 | 3 | 0,25 | 0,35 |
37 | 39,8 | 35,3 | 0 | -0,3 | 2,05 | 0 | -0,15 | 0,85 | 0 | -0,1 | 3 | 0,25 | 0,35 |
39 | 41,8 | 37,3 | 0 | -0,3 | 2,05 | 0 | -0,15 | 0,85 | 0 | -0,1 | 3 | 0,25 | 0,35 |
40 | 42,8 | 38,3 | 0 | -0,3 | 2,05 | 0 | -0,15 | 0,85 | 0 | -0,1 | 3 | 0,25 | 0,35 |
42 | 44,8 | 40,3 | 0 | -0,4 | 2,05 | 0 | -0,15 | 0,85 | 0 | -0,1 | 3 | 0,25 | 0,35 |
44 | 46,8 | 42,3 | 0 | -0,4 | 2,05 | 0 | -0,15 | 0,85 | 0 | -0,1 | 4 | 0,25 | 0,35 |
45 | 47,8 | 43,3 | 0 | -0,4 | 2,05 | 0 | -0,15 | 0,85 | 0 | -0,1 | 4 | 0,25 | 0,35 |
47 | 49,8 | 45,3 | 0 | -0,4 | 2,05 | 0 | -0,15 | 0,85 | 0 | -0,1 | 4 | 0,25 | 0,35 |
52 | 54,8 | 50,3 | 0 | -0,4 | 2,05 | 0 | -0,15 | 0,85 | 0 | -0,1 | 4 | 0,25 | 0,35 |
55 | 57,8 | 53,3 | 0 | -0,4 | 2,05 | 0 | -0,15 | 0,85 | 0 | -0,1 | 4 | 0,25 | 0,35 |
58 | 60,8 | 56,3 | 0 | -0,6 | 2,05 | 0 | -0,15 | 0,85 | 0 | -0,1 | 4 | 0,25 | 0,35 |
62 | 64,8 | 60,2 | 0 | -0,6 | 2,05 | 0 | -0,15 | 0,85 | 0 | -0,1 | 4 | 0,25 | 0,35 |
65 | 67,8 | 63,2 | 0 | -0,6 | 2,05 | 0 | -0,15 | 0,85 | 0 | -0,1 | 4 | 0,25 | 0,35 |
68 | 70,8 | 66,2 | 0 | -0,6 | 2,05 | 0 | -0,15 | 0,85 | 0 | -0,1 | 5 | 0,25 | 0,35 |
72 | 74,8 | 70,2 | 0 | -0,6 | 2,05 | 0 | -0,15 | 0,85 | 0 | -0,1 | 5 | 0,25 | 0,35 |
78 | 82,7 | 75,7 | 0 | -0,6 | 3,25 | 0 | -0,15 | 1,12 | 0 | -0,1 | 5 | 0,4 | 0,5 |
80 | 84,4 | 77,4 | 0 | -0,6 | 3,25 | 0 | -0,15 | 1,12 | 0 | -0,1 | 5 | 0,4 | 0,5 |
85 | 89,4 | 82,4 | 0 | -0,6 | 3,25 | 0 | -0,15 | 1,12 | 0 | -0,1 | 5 | 0,4 | 0,5 |
90 | 94,4 | 87,4 | 0 | -0,6 | 3,25 | 0 | -0,15 | 1,12 | 0 | -0,1 | 5 | 0,4 | 0,5 |
95 | 99,4 | 92,4 | 0 | -0,6 | 3,25 | 0 | -0,15 | 1,12 | 0 | -0,1 | 5 | 0,4 | 0,5 |
100 | 104,4 | 97,4 | 0 | -0,6 | 3,25 | 0 | -0,15 | 1,12 | 0 | -0,1 | 5 | 0,4 | 0,5 |
105 | 110,7 | 101,9 | 0 | -0,8 | 4,04 | 0 | -0,15 | 1,12 | 0 | -0,1 | 5 | 0,4 | 0,5 |
110 | 115,7 | 106,9 | 0 | -0,8 | 4,04 | 0 | -0,15 | 1,12 | 0 | -0,1 | 5 | 0,4 | 0,5 |
115 | 120,7 | 111,9 | 0 | -0,8 | 4,04 | 0 | -0,15 | 1,12 | 0 | -0,1 | 5 | 0,4 | 0,5 |
120 | 125,7 | 116,9 | 0 | -0,8 | 4,04 | 0 | -0,15 | 1,12 | 0 | -0,1 | 7 | 0,4 | 0,5 |
125 | 130,7 | 121,8 | 0 | -0,8 | 4,04 | 0 | -0,15 | 1,12 | 0 | -0,1 | 7 | 0,4 | 0,5 |
130 | 135,7 | 126,8 | 0 | -0,8 | 4,04 | 0 | -0,15 | 1,12 | 0 | -0,1 | 7 | 0,4 | 0,5 |
140 | 145,7 | 136,8 | 0 | -1,0 | 4,04 | 0 | -0,15 | 1,7 | 0 | -0,1 | 7 | 0,6 | 0,7 |
145 | 150,7 | 141,8 | 0 | -1,0 | 4,04 | 0 | -0,15 | 1,7 | 0 | -0,1 | 7 | 0,6 | 0,7 |
150 | 155,7 | 146,8 | 0 | -1,2 | 4,04 | 0 | -0,15 | 1,7 | 0 | -0,1 | 7 | 0,6 | 0,7 |
165 | 171,5 | 161 | 0 | -1,2 | 4,85 | 0 | -0,15 | 1,7 | 0 | -0,1 | 7 | 0,6 | 0,7 |
175 | 181,5 | 171 | 0 | -1,2 | 4,85 | 0 | -0,15 | 1,7 | 0 | -0,1 | 10 | 0,6 | 0,7 |
180 | 186,5 | 176 | 0 | -1,2 | 4,85 | 0 | -0,15 | 1,7 | 0 | -0,1 | 10 | 0,6 | 0,7 |
190 | 196,5 | 186 | 0 | -1,4 | 4,85 | 0 | -0,15 | 1,7 | 0 | -0,1 | 10 | 0,6 | 0,7 |
200 | 206,5 | 196 | 0 | -1,4 | 4,85 | 0 | -0,15 | 1,7 | 0 | -0,1 | 10 | 0,6 | 0,7 |
D | D2, не более | D3 | e | f | g | r2s min | r2s max | ||||||
B | H | B | H | B | H | ||||||||
30 | 34,7 | 27,9 | 0 | -0,4 | 3,25 | 0 | -0,15 | 1,12 | 0 | -0,1 | 3 | 0,4 | 0,5 |
32 | 36,7 | 29,9 | 0 | -0,4 | 3,25 | 0 | -0,15 | 1,12 | 0 | -0,1 | 3 | 0,4 | 0,5 |
35 | 39,7 | 32,9 | 0 | -0,4 | 3,25 | 0 | -0,15 | 1,12 | 0 | -0,1 | 3 | 0,4 | 0,5 |
37 | 41,3 | 34,5 | 0 | -0,4 | 3,25 | 0 | -0,15 | 1,12 | 0 | -0,1 | 3 | 0,4 | 0,5 |
40 | 44,6 | 37,8 | 0 | -0,4 | 3,25 | 0 | -0,15 | 1,12 | 0 | -0,1 | 3 | 0,4 | 0,5 |
42 | 46,3 | 39,5 | 0 | -0,5 | 3,25 | 0 | -0,15 | 1,12 | 0 | -0,1 | 3 | 0,4 | 0,5 |
44 | 48,3 | 41,5 | 0 | -0,5 | 3,25 | 0 | -0,15 | 1,12 | 0 | -0,1 | 3 | 0,4 | 0,5 |
47 | 52,7 | 44,3 | 0 | -0,5 | 4,04 | 0 | -0,15 | 1,12 | 0 | -0,1 | 4 | 0,4 | 0,5 |
50 | 55,7 | 47,3 | 0 | -0,5 | 4,04 | 0 | -0,15 | 1,12 | 0 | -0,1 | 4 | 0,4 | 0,5 |
52 | 57,9 | 49,4 | 0 | -0,5 | 4,04 | 0 | -0,15 | 1,12 | 0 | -0,1 | 4 | 0,4 | 0,5 |
55 | 60,7 | 52,3 | 0 | -0,5 | 4,04 | 0 | -0,15 | 1,12 | 0 | -0,1 | 4 | 0,4 | 0,5 |
56 | 61,7 | 53,2 | 0 | -0,6 | 4,04 | 0 | -0,15 | 1,12 | 0 | -0,1 | 4 | 0,4 | 0,5 |
58 | 63,7 | 55,2 | 0 | -0,6 | 4,04 | 0 | -0,15 | 1,12 | 0 | -0,1 | 4 | 0,4 | 0,5 |
62 | 67,7 | 59,0 | 0 | -0,6 | 4,04 | 0 | -0,15 | 1,70 | 0 | -0,1 | 4 | 0,6 | 0,7 |
65 | 70,7 | 62,0 | 0 | -0,6 | 4,04 | 0 | -0,15 | 1,70 | 0 | -0,1 | 4 | 0,6 | 0,7 |
68 | 74,6 | 64,2 | 0 | -0,6 | 4,85 | 0 | -0,15 | 1,70 | 0 | -0,1 | 5 | 0,6 | 0,7 |
72 | 78,6 | 68,2 | 0 | -0,6 | 4,85 | 0 | -0,15 | 1,70 | 0 | -0,1 | 5 | 0,6 | 0,7 |
75 | 81,6 | 71,2 | 0 | -0,6 | 4,85 | 0 | -0,15 | 1,70 | 0 | -0,1 | 5 | 0,6 | 0,7 |
80 | 86,6 | 76,2 | 0 | -0,6 | 4,85 | 0 | -0,15 | 1,70 | 0 | -0,1 | 5 | 0,6 | 0,7 |
85 | 91,6 | 81,2 | 0 | -0,6 | 4,85 | 0 | -0,15 | 1,70 | 0 | -0,1 | 5 | 0,6 | 0,7 |
90 | 96,5 | 86,2 | 0 | -0,6 | 4,85 | 0 | -0,15 | 2,46 | 0 | -0,1 | 5 | 0,6 | 1,0 |
95 | 101,6 | 91,2 | 0 | -0,6 | 4,85 | 0 | -0,15 | 2,46 | 0 | -0,1 | 5 | 0,6 | 1,0 |
100 | 106,5 | 96,2 | 0 | -0,8 | 4,85 | 0 | -0,15 | 2,46 | 0 | -0,1 | 5 | 0,6 | 1,0 |
110 | 116,6 | 106,2 | 0 | -0,8 | 4,85 | 0 | -0,15 | 2,46 | 0 | -0,1 | 5 | 0,6 | 1,0 |
115 | 121,6 | 111,2 | 0 | -0,8 | 4,85 | 0 | -0,15 | 2,46 | 0 | -0,1 | 5 | 0,6 | 1,0 |
120 | 129,7 | 114,6 | 0 | -0,8 | 7,21 | 0 | -0,15 | 2,82 | 0 | -0,1 | 7 | 0,6 | 1,0 |
125 | 134,7 | 119,6 | 0 | -0,8 | 7,21 | 0 | -0,15 | 2,82 | 0 | -0,1 | 7 | 0,6 | 1,0 |
130 | 139,7 | 124,6 | 0 | -0,8 | 7,21 | 0 | -0,15 | 2,82 | 0 | -0,1 | 7 | 0,6 | 1,0 |
140 | 149,7 | 134,6 | 0 | -1,2 | 7,21 | 0 | -0,15 | 2,82 | 0 | -0,1 | 7 | 0,6 | 1,0 |
145 | 154,7 | 139,6 | 0 | -1,2 | 7,21 | 0 | -0,15 | 2,82 | 0 | -0,1 | 7 | 0,6 | 1,0 |
150 | 159,7 | 144,5 | 0 | -1,2 | 7,21 | 0 | -0,15 | 2,82 | 0 | -0,1 | 7 | 0,6 | 1,0 |
160 | 169,7 | 154,5 | 0 | -1,2 | 7,21 | 0 | -0,15 | 2,82 | 0 | -0,1 | 7 | 0,6 | 1,0 |
170 | 182,9 | 162,9 | 0 | -1,2 | 9,6 | 0 | -0,15 | 3,10 | 0 | -0,1 | 10 | 0,6 | 1,0 |
180 | 192,9 | 172,8 | 0 | -1,2 | 9,6 | 0 | -0,15 | 3,10 | 0 | -0,1 | 10 | 0,6 | 1,0 |
190 | 202,9 | 182,8 | 0 | -1,4 | 9,6 | 0 | -0,15 | 3,10 | 0 | -0,1 | 10 | 0,6 | 1,0 |
200 | 212,9 | 192,8 | 0 | -1,4 | 9,6 | 0 | -0,15 | 3,10 | 0 | -0,1 | 10 | 0,6 | 1,0 |
210 | 222,8 | 202,7 | 0 | -1,4 | 9,6 | 0 | -0,15 | 3,10 | 0 | -0,1 | 10 | 1 | 1,5 |
215 | 227,8 | 207,7 | 0 | -1,4 | 9,6 | 0 | -0,15 | 3,10 | 0 | -0,1 | 10 | 1 | 1,5 |
225 | 237 | 216,1 | 0 | -1,4 | 10 | 0 | -0,15 | 3,50 | 0 | -0,1 | 10 | 1 | 1,5 |
230 | 242 | 221 | 0 | -1,4 | 10 | 0 | -0,15 | 3,50 | 0 | -0,1 | 10 | 1 | 1,5 |
240 | 252 | 231 | 0 | -1,4 | 10 | 0 | -0,15 | 3,50 | 0 | -0,1 | 10 | 1 | 1,5 |
250 | 262 | 241 | 0 | -1,4 | 10 | 0 | -0,15 | 3,50 | 0 | -0,1 | 10 | 1 | 1,5 |
D | D1 | a | b | r0s max | r1s min <*> | ||||||
B | H | H | B | B | H | ||||||
22 | 20,8 | 0 | -0,3 | 1,05 | -0,15 | 0 | 0,8 | +0,25 | 0 | 0,2 | 0,2 |
24 | 22,8 | 0 | -0,3 | 1,05 | -0,15 | 0 | 0,8 | +0,25 | 0 | 0,2 | 0,2 |
28 | 26,7 | 0 | -0,3 | 1,3 | -0,15 | 0 | 0,95 | +0,25 | 0 | 0,25 | 0,3 |
<*> Максимальный размер фаски в соответствии с приложением Б. | |||||||||||
D | D1 | Серия диаметров | b | r0s max | Серия диаметров | |||||||||
1 | 2, 3, 5 и 6 | 1 | 2 и 5 | 3 и 6 | ||||||||||
B | H | a | a | B | H | r1s min <**> | ||||||||
13 | 12,04 | 0 | -0,13 | - | - | 1,1 | -0,15 | 0,80 | +0,25 | 0 | 0,2 | - | 0,2 | 0,2 |
16 | 15,16 | 0 | -0,12 | - | - | 1,2 | -0,15 | 0,80 | +0,25 | 0 | 0,2 | - | 0,2 | 0,2 |
19 | 18,25 | 0 | -0,15 | 1,73 | -0,18 | 1,73 | -0,18 | 0,80 | +0,25 | 0 | 0,2 | 0,3 | 0,3 | 0,3 |
22 | 21,11 | 0 | -0,16 | 1,73 | -0,18 | 1,73 | -0,18 | 0,80 | +0,25 | 0 | 0,2 | 0,3 | 0,3 | 0,3 |
24 | 23,00 | 0 | -0,15 | 1,73 | -0,18 | 1,73 | -0,18 | 0,80 | +0,25 | 0 | 0,2 | 0,3 | 0,3 | 0,3 |
26 | 25,15 | 0 | -0,15 | 1,73 | -0,18 | 1,73 | -0,18 | 0,80 | +0,25 | 0 | 0,2 | 0,3 | 0,3 | 0,3 |
28 | 26,70 | 0 | -0,3 | 1,73 | -0,18 | 1,73 | -0,18 | 0,95 | +0,25 | 0 | 0,25 | 0,3 | - | 0,3 |
<*> Соответствующее верхнее предельное отклонение равно 0 мм. <**> Максимальный размер фаски в соответствии с приложением Б. | ||||||||||||||
r1s min | D | r1s max | |
радиальный | осевой | ||
0,3 | До 40 включ. | 0,6 | 0,8 |
Св. 40 | 0,8 | 0,8 | |
0,5 | До 40 включ. | 1,0 | 1,5 |
Св. 40 | 1,3 | 1,5 | |
D | D2, не более | D3 | e | f | g | r2s min | r2s max | ||||||
B | H | B | H | B | H | ||||||||
22 | 24,8 | 20,5 | 0 | -0,3 | 2 | 0 | -0,15 | 0,7 | 0 | -0,1 | 2 | 0,2 | 0,3 |
24 | 26,8 | 22,5 | 0 | -0,3 | 2 | 0 | -0,15 | 0,7 | 0 | -0,1 | 2 | 0,2 | 0,3 |
28 | 30,8 | 26,4 | 0 | -0,3 | 2,05 | 0 | -0,15 | 0,85 | 0 | -0,1 | 3 | 0,25 | 0,35 |
D | D2, не более | D3 | e | f | g | r2s min | r2s max | ||||||
B | H | B | H | B | H | ||||||||
13 | 14,3 | 11,9 | 0 | -0,3 | 1,15 | 0 | -0,15 | 0,7 | 0 | -0,1 | 3 | 0,2 | 0,3 |
16 | 18,5 | 15 | 0 | -0,3 | 1,65 | 0 | -0,15 | 0,7 | 0 | -0,1 | 3 | 0,2 | 0,3 |
19 | 21,5 | 18 | 0 | -0,3 | 1,65 | 0 | -0,15 | 0,7 | 0 | -0,1 | 3 | 0,2 | 0,3 |
22 | 25,1 | 20,8 | 0 | -0,4 | 2 | 0 | -0,15 | 0,7 | 0 | -0,1 | 3 | 0,2 | 0,3 |
24 | 27 | 22,7 | 0 | -0,4 | 2 | 0 | -0,15 | 0,7 | 0 | -0,1 | 3 | 0,2 | 0,3 |
26 | 29,2 | 24,9 | 0 | -0,4 | 2 | 0 | -0,15 | 0,7 | 0 | -0,1 | 3 | 0,2 | 0,3 |
28 | 30,8 | 26,4 | 0 | -0,4 | 2,05 | 0 | -0,15 | 0,85 | 0 | -0,1 | 3 | 0,25 | 0,35 |
УДК 621.822.6:006.354 | МКС 21.100.20 |
Ключевые слова: подшипник качения, радиальный подшипник, размер, допуск, установочное пружинное кольцо, канавка под установочное пружинное кольцо, фаска | |