Главная // Актуальные документы // ГОСТ (Государственный стандарт)СПРАВКА
Источник публикации
М.: Стандартинформ, 2015
Примечание к документу
Документ
введен в действие с 1 января 2017 года.
Название документа
"ГОСТ ISO 7380-1-2014. Межгосударственный стандарт. Винты с полукруглой головкой. Часть 1. Винты с полукруглой головкой и шестигранным углублением"
(введен в действие Приказом Росстандарта от 10.06.2015 N 612-ст)
"ГОСТ ISO 7380-1-2014. Межгосударственный стандарт. Винты с полукруглой головкой. Часть 1. Винты с полукруглой головкой и шестигранным углублением"
(введен в действие Приказом Росстандарта от 10.06.2015 N 612-ст)
агентства по техническому
регулированию и метрологии
от 10 июня 2015 г. N 612-ст
МЕЖГОСУДАРСТВЕННЫЙ СТАНДАРТ
ВИНТЫ С ПОЛУКРУГЛОЙ ГОЛОВКОЙ
ЧАСТЬ 1
ВИНТЫ С ПОЛУКРУГЛОЙ ГОЛОВКОЙ И ШЕСТИГРАННЫМ УГЛУБЛЕНИЕМ
Button head screws. Part 1.
Hexagon socket button head screws
(ISO 7380-1:2011, IDT)
ГОСТ ISO 7380-1-2014
Дата введения
1 января 2017 года
Цели, основные принципы и основной порядок проведения работ по межгосударственной стандартизации установлены
ГОСТ 1.0-92 "Межгосударственная система стандартизации. Основные положения" и
ГОСТ 1.2-2009 "Межгосударственная система стандартизации. Стандарты межгосударственные, правила и рекомендации по межгосударственной стандартизации. Правила разработки, принятия, применения, обновления и отмены"
1 ПОДГОТОВЛЕН Федеральным государственным унитарным предприятием "Всероссийский научно-исследовательский институт стандартизации и сертификации в машиностроении" (ВНИИНМАШ) на основе собственного аутентичного перевода на русский язык англоязычной версии стандарта, указанного в пункте 5
2 ВНЕСЕН Техническим комитетом по стандартизации ТК 229 "Крепежные изделия"
3 ПРИНЯТ Межгосударственным советом по стандартизации, метрологии и сертификации (протокол от 20 октября 2014 г. N 71-П)
За принятие проголосовали:
Краткое наименование страны по МК (ИСО 3166) 004-97 | Код страны по МК (ИСО 3166) 004-97 | Сокращенное наименование национального органа по стандартизации |
Азербайджан | AZ | Азстандарт |
Армения | AM | Минэкономики Республики Армения |
Беларусь | BY | Госстандарт Республики Беларусь |
Грузия | GE | Грузстандарт |
Казахстан | KZ | Госстандарт Республики Казахстан |
Киргизия | KG | Кыргызстандарт |
Молдова | MD | Молдова-Стандарт |
Россия | RU | Росстандарт |
Таджикистан | TJ | Таджикстандарт |
Туркменистан | TM | Главгосслужба "Туркменстандартлары" |
Узбекистан | UZ | Узстандарт |
Украина | UA | Минэкономразвития Украины |
4
Приказом Федерального агентства по техническому регулированию и метрологии от 10 июня 2015 г. N 612-ст межгосударственный стандарт ГОСТ ISO 7380-1-2014 введен в действие в качестве национального стандарта Российской Федерации с 1 января 2017 г.
5 Настоящий стандарт идентичен международному стандарту ISO 7380-1:2011 Button head screws - Part 1: Hexagon socket button head screws (Винты с полукруглой головкой - Часть 1. Винты с полукруглой головкой и шестигранным углублением).
Международный стандарт разработан подкомитетом ISO/ТС 2/SC 11 "Крепежные изделия с метрической внешней резьбой" технического комитета по стандартизации ISO/ТС 2 "Крепежные изделия" Международной организации по стандартизации (ISO).
Перевод с английского языка (en).
Сведения о соответствии межгосударственных стандартов ссылочным международным стандартам приведены в дополнительном
приложении ДА.
Степень соответствия - идентичная (IDT)
Информация об изменениях к настоящему стандарту публикуется в ежегодном информационном указателе "Национальные стандарты", а текст изменений и поправок - в ежемесячном информационном указателе "Национальные стандарты". В случае пересмотра (замены) или отмены настоящего стандарта соответствующее уведомление будет опубликовано в ежемесячном информационном указателе "Национальные стандарты". Соответствующая информация, уведомление и тексты размещаются также в информационной системе общего пользования - на официальном сайте Федерального агентства по техническому регулированию и метрологии в сети Интернет
Настоящий стандарт устанавливает характеристики винтов с полукруглой головкой и шестигранным углублением под ключ с резьбой от М3 до М16 включительно класса точности А с уменьшенной нагрузочной способностью согласно
таблице 3.
В случаях, когда необходимы характеристики, отличающиеся от установленных в настоящем стандарте, они могут быть выбраны из действующих международных стандартов, например ISO 261, ISO 888, ISO 898-1, ISO 965-2, ISO 3506-1 и ISO 4759-1.
Для применения настоящего стандарта необходимы следующие ссылочные документы. Для датированных ссылок применяют только указанное издание ссылочного документа.
ISO 225:2010 Fasteners - Bolts, screws, studs and nuts - Symbols and descriptions of dimensions (Изделия крепежные. Болты, винты, шпильки и гайки. Символы и обозначения размеров)
ISO 261:1998 ISO general purpose metric screw threads - General plan (Резьбы метрические ISO общего назначения. Общий вид)
ISO 898-1:2013 Mechanical properties of fasteners made of carbon steel and alloy steel - Part 1: Bolts, screws and studs of specified property classes with coarse thread and fine pitch thread (Механические свойства крепежных изделий из углеродистых и легированных сталей. Часть 1. Болты, винты и шпильки установленных классов прочности с крупным и мелким шагом резьбы)
ISO 965-2:1998 ISO general purpose metric screw threads - Tolerances - Part 2: Limits of sizes for general purpose external and internal screw threads - Medium quality (Резьбы метрические ISO общего назначения. Допуски. Часть 2. Предельные размеры для наружной и внутренней резьб общего назначения. Средний класс точности)
ISO 965-3:1998 ISO general purpose metric screw threads - Tolerances - Part 3: Deviations for constructional screw threads (Резьбы метрические ISO общего назначения. Допуски. Часть 3. Отклонения для конструкционной резьбы)
ISO 3269:2000 Fasteners - Acceptance inspection (Изделия крепежные. Приемочный контроль)
ISO 3506-1:2009 Mechanical properties of corrosion-resistant stainless steel fasteners - Part 1: Bolts, screws and studs (Механические свойства крепежных изделий из коррозионно-стойкой нержавеющей стали. Часть 1. Болты, винты и шпильки)
ISO 4042:1999 Fasteners - Electroplated coatings (Изделия крепежные. Электролитические покрытия)
ISO 4753:2011 Fasteners - Ends of parts with external ISO metric thread (Изделия крепежные. Концы деталей с наружной метрической резьбой ISO)
ISO 4759-1:2000 Tolerances for fasteners - Part 1: Bolts, screws, studs and nuts - Product grades A, B and C (Изделия крепежные. Допуски. Часть 1. Болты, винты, шпильки и гайки. Классы точности A, B и C)
ISO 6157-1:1988 Fasteners - Surface discontinuities - Part 1: Bolts, screws and studs for general requirements (Изделия крепежные. Дефекты поверхности. Часть 1. Болты, винты и шпильки общего назначения)
ISO 6157-3:1988 Fasteners - Surface discontinuities - Part 3: Bolts, screws and studs for special requirements (Изделия крепежные. Дефекты поверхности. Часть 3. Болты, винты и шпильки специальные)
ISO 8992:2005 Fasteners - General requirements for bolts, screws, studs and nuts (Изделия крепежные. Общие требования для болтов, винтов, шпилек и гаек)
ISO 10683:2000 Fasteners - Non-electrolytically applied zinc flake coatings (Изделия крепежные. Неэлектролитические цинк-ламельные покрытия)
ISO 23429:2004 Gauging of hexagon sockets (Контроль калибрами шестигранных углублений)
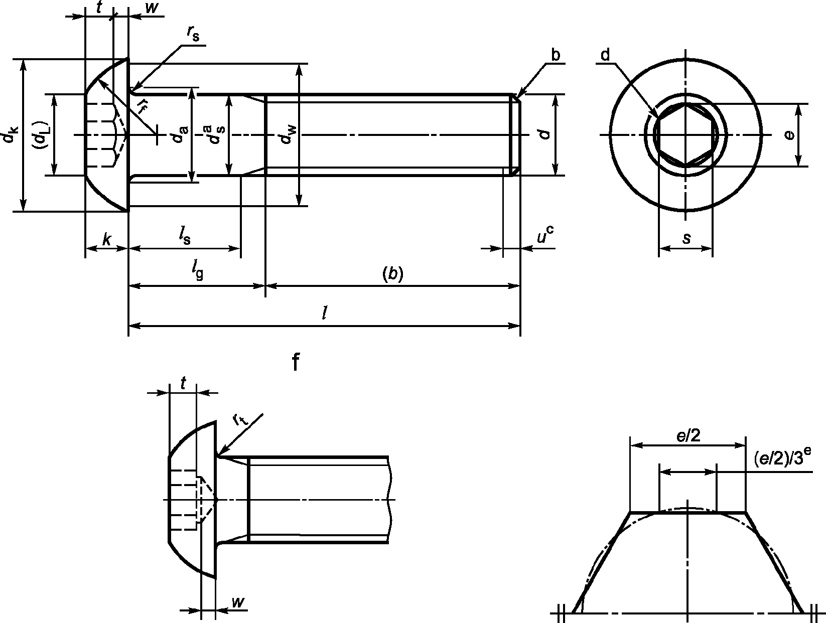
Символы и обозначения размеров по ISO 225.
--------------------------------
<a> ds применяется, если задано значение ls,min.
<b> Конец с фаской или для размеров М4 и меньше без фаски по ISO 4753.
<c> Неполная резьба u <= 2P.
<d> Допускается незначительное скругление или коническая зенковка на выходе углубления.
<e> Для прошитых углублений наибольший предельный размер расширения в результате сверления не должен превышать 1/3 длины любой грани углубления, равной e/2.
<f> Возможные варианты формы углубления:
rs - радиус под головкой для винта с гладкой частью стержня;
rt - радиус под головкой для винта с резьбой до головки.
Рисунок 1 - Винты с полукруглой головкой
и шестигранным углублением
Таблица 1
Размеры винтов с полукруглой головкой
и шестигранным углублением
В миллиметрах
Резьба d | М3 | М4 | М5 | М6 | М8 | М10 | М12 | М16 |
pa | | 0,5 | 0,7 | 0,8 | 1 | 1,25 | 1,5 | 1,75 | 2 |
bb | справочный | 18 | 20 | 22 | 24 | 28 | 32 | 36 | 44 |
da | не более | 3,6 | 4,7 | 5,7 | 6,8 | 9,2 | 11,2 | 13,7 | 17,7 |
dk | не более | 5,70 | 7,60 | 9,50 | 10,50 | 14,00 | 17,50 | 21,00 | 28,00 |
не менее | 5,40 | 7,24 | 9,14 | 10,07 | 13,57 | 17,07 | 20,48 | 27,48 |
dL | справочный | 2,6 | 3,8 | 5,0 | 6,0 | 7,7 | 10,0 | 12,0 | 16,0 |
ds | не более | 3 | 4 | 5 | 6 | 8 | 10 | 12 | 16 |
не менее | 2,86 | 3,82 | 4,82 | 5,82 | 7,78 | 9,78 | 11,73 | 15,73 |
dw | не менее | 5,00 | 6,84 | 8,74 | 9,57 | 13,07 | 16,57 | 19,68 | 26,68 |
ec,d | не менее | 2,303 | 2,873 | 3,443 | 4,583 | 5,723 | 6,863 | 9,149 | 11,429 |
k | не более | 1,65 | 2,20 | 2,75 | 3,30 | 4,40 | 5,50 | 6,60 | 8,80 |
не менее | 1,40 | 1,95 | 2,50 | 3,00 | 4,10 | 5,20 | 6,24 | 8,44 |
rf | не более | 3,70 | 4,60 | 5,75 | 6,15 | 7,95 | 9,80 | 11,20 | 15,30 |
не менее | 3,30 | 4,20 | 5,25 | 5,65 | 7,45 | 9,20 | 10,50 | 14,50 |
rs | не менее | 0,10 | 0,20 | 0,20 | 0,25 | 0,40 | 0,40 | 0,60 | 0,60 |
rt | не менее | 0,30 | 0,40 | 0,45 | 0,50 | 0,70 | 0,70 | 1,10 | 1,10 |
sd | номин. | 2 | 2,5 | 3 | 4 | 5 | 6 | 8 | 10 |
не более | 2,080 | 2,580 | 3,080 | 4,095 | 5,140 | 6,140 | 8,175 | 10,175 |
не менее | 2,020 | 2,520 | 3,020 | 4,020 | 5,020 | 6,020 | 8,025 | 10,025 |
t | не менее | 1,04 | 1,30 | 1,56 | 2,08 | 2,60 | 3,12 | 4,16 | 5,20 |
w | не более | 0,20 | 0,30 | 0,38 | 0,74 | 1,05 | 1,45 | 1,63 | 2,25 |
Окончание таблицы 1
В миллиметрах
4. Технические требования и ссылочные стандарты
Технические требования в соответствии с таблицей 2 и
3.
Таблица 2
Технические требования и ссылочные стандарты
Материал | Сталь | Коррозионно-стойкая сталь |
Общие требования | Обозначение стандарта | ISO 8992 |
Резьба | Допуски | 5g6g для классов прочности 12.9/  ; 6g для других классов прочности |
Обозначение стандарта | ISO 261, ISO 965-2, ISO 965-3 |
Механические свойства | Класс прочности/марка стали | 8.8, 10.9, 12.9/ <a> | А2-70, А3-70, А4-70, А5-70 А2-80, А3-80, А4-80, А5-80 |
Маркировка | 08.8, 010.9,012.9/  | А2-070, А3-070, А4-070, А5-070 А2-080, А3-080, А4-080, А5-080 <b> |
Обозначение стандарта | | |
Допуски | Класс точности | A |
Обозначение стандарта | ISO 4759-1 |
Отделка - Покрытие | Без покрытия Требования к электролитическим покрытиям <e> по ISO 4042 Требования к неэлектролитическим цинк-ламельным покрытиям по ISO 10683 | Без покрытия |
Дополнительные требования, другая отделка или другое покрытие должны быть согласованы между поставщиком и покупателем |
Дефекты поверхности | Допустимые дефекты поверхности по ISO 6157-1, а для классов прочности 12.9/  по ISO 6157-3 | - |
Приемка | Приемочный контроль по ISO 3269 |
<a> Следует с осторожностью использовать классы прочности 12.9/  . Необходимо учитывать возможности изготовителя крепежных изделий, условия работы и способы завинчивания. Воздействие окружающей среды может вызвать коррозионное растрескивание крепежных изделий, как без покрытия, так и с покрытием. <b> Символы маркировки для крепежных изделий из коррозионно-стойкой стали с уменьшенной нагрузочной способностью предполагается включить в следующую редакцию ISO 3506-1. <c> Из-за конструкции головки такие винты могут не соответствовать минимальной разрушающей нагрузке, установленной в ISO 898-1. Тем не менее, они должны соответствовать по другим требованиям к материалу и свойствам для соответствующих классов прочности установленным в ISO 898-1. Кроме того, если полноразмерные винты испытывают на растяжение в соответствии с ISO 898-1, они должны выдерживать минимальную разрушающую нагрузку, указанную в таблице 3. В случае испытания до разрушения, разрыв может произойти в области резьбы, головки, стержня или на стыке головки - стержня. <d> Из-за конструкции головки такие винты могут не соответствовать минимальной разрушающей нагрузке, установленной в ISO 3506-1. Тем не менее, они должны соответствовать по другим требованиям к материалу и свойствам для соответствующих марок стали установленным в ISO 3506-1. Кроме того, если полноразмерные винты испытывают на прочность в соответствии с ISO 3506-1, винты должны выдерживать без разрушения минимальную разрушающую нагрузку, указанную в таблице 3. В случае испытания до разрушения разрыв может произойти в области резьбы, головки, стержня или на стыке головки - стержня. Уменьшенные значения минимальной разрушающей нагрузки определены на основе R m,min и A s,nom в соответствии с классами прочности 70 и 80 по ISO 3506-1, см. таблицу 3. <e> Электролитическое покрытие по возможности не применять для винтов классов прочности 12.9/  ; дополнительную информацию см. ISO 4042. |
Таблица 3
Уменьшенные значения минимальной разрушающей нагрузки
для винтов с полукруглой головкой и шестигранным углублением
Резьба d | Класс прочности |
| | | | |
Уменьшенные значения минимальной разрушающей нагрузки, Н |
М3 | 3 220 | 4 180 | 4 910 | 2 810 | 3 220 |
М4 | 5 620 | 7 300 | 8 560 | 4 910 | 5 620 |
М5 | 9 080 | 11 800 | 13 800 | 7 950 | 9 080 |
М6 | 12 900 | 16 700 | 19 600 | 11 200 | 12 900 |
М8 | 23 400 | 30 500 | 35 700 | 20 400 | 23 400 |
М10 | 37 100 | 48 200 | 56 600 | 32 400 | 37 100 |
М12 | 53 900 | 70 200 | 82 400 | 47 200 | 53 900 |
М16 | 100 000 | 130 000 | 154 000 | 87 900 | 100 000 |
<a> 80% от значений F m,min, установленных в ISO 898-1. <b> 80% от значений F m,min (R m,min x A s,nom). R m,min и A s,nom установлены в ISO 3506-1. |
Требования к обозначению и маркировке крепежных изделий из стали с уменьшенной нагрузочной способностью установлены в ISO 898-1.
Пример 1 - Винт с полукруглой головкой и шестигранным углублением с резьбой М12, номинальной длиной l = 40 мм, класса прочности 10.9 в соответствии с ISO 898-1, обозначают следующим образом:
Винт с полукруглой головкой и шестигранным углублением ГОСТ ISO 7380-1 - М12x40-010.9
Пример 2 - Винт с полукруглой головкой и шестигранным углублением с резьбой М12, номинальной длиной l = 40 мм, марки стали А2 и класса прочности 70 в соответствии с ISO 3506-1 обозначают следующим образом:
Винт с полукруглой головкой и шестигранным углублением ГОСТ ISO 7380-1 - М12x40-А2-070
(справочное)
СВЕДЕНИЯ О СООТВЕТСТВИИ МЕЖГОСУДАРСТВЕННЫХ СТАНДАРТОВ
ССЫЛОЧНЫМ МЕЖДУНАРОДНЫМ СТАНДАРТАМ
Таблица ДА.1
Сведения о соответствии межгосударственных стандартов,
ссылочным международным стандартам другого года издания
Обозначение и наименование ссылочного международного стандарта | Обозначение и наименование международного стандарта другого года издания | Степень соответствия | Обозначение и наименование межгосударственного стандарта |
ISO 225:2010 Изделия крепежные. Болты, винты, шпильки и гайки. Символы и обозначения размеров | - | - | |
ISO 261:1998 Резьбы метрические ISO общего назначения. Общий вид | - | MOD | ГОСТ 8724-2002 (ISO 261:1998) <*> Основные нормы взаимозаменяемости. Резьба метрическая. Диаметры и шаги |
ISO 898-1:2013 Механические свойства крепежных изделий из углеродистой и легированной стали. Часть 1. Болты, винты и шпильки | - | IDT | ГОСТ ISO 898-1-2014 Механические свойства крепежных изделий из углеродистых и легированных сталей. Часть 1. Болты, винты и шпильки установленных классов прочности с крупным и мелким шагом резьбы |
ISO 965-2:1998 Резьбы метрические ISO общего назначения. Допуски. Часть 2. Предельные размеры для наружной и внутренней резьбы общего назначения. Средний класс точности | - | - | |
ISO 965-3:1998 Резьбы метрические ISO общего назначения. Допуски. Часть 3. Отклонения для конструкционной резьбы | - | - | ГОСТ 16093-2004 (ИСО 965-1:1998, ИСО 965-3:1998) Основные нормы взаимозаменяемости. Резьба метрическая. Допуски. Посадки с зазором |
ISO 3269:2000 Изделия крепежные. Приемочный контроль | - | IDT | ГОСТ ISO 3269 <1> Изделия крепежные. Приемочный контроль |
ISO 3506-1:2009 Механические свойства крепежных изделий из коррозионно-стойкой нержавеющей стали. Часть 1. Болты, винты и шпильки | - | IDT | ГОСТ ISO 3506-1-2014 Механические свойства крепежных изделий из коррозионно-стойкой нержавеющей стали. Часть 1. Болты, винты и шпильки |
ISO 4042:1999 Изделия крепежные. Электролитические покрытия | - | IDT | ГОСТ ISO 4042 <2> Изделия крепежные. Электролитические покрытия |
--------------------------------
<1> Межгосударственный стандарт в процессе разработки. На территории Российской Федерации действует
ГОСТ Р ИСО 3269-2009 (ISO 3269:2000, IDT).
<2> Межгосударственный стандарт в процессе разработки. На территории Российской Федерации действует
ГОСТ Р ИСО 4042-2009 (ISO 4042:1999, IDT).
Окончание таблицы ДА.1
Обозначение и наименование ссылочного международного стандарта | Обозначение и наименование международного стандарта другого года издания | Степень соответствия | Обозначение и наименование межгосударственного стандарта |
ISO 4753:2011 Изделия крепежные. Концы деталей с наружной метрической резьбой ISO | ISO 4753:1983 Изделия крепежные. Концы деталей с наружной метрической резьбой ISO | MOD | ГОСТ 12414-94 (ISO 4753-83) <*> Концы болтов, винтов и шпилек. Размеры (ISO 4753:1983, MOD) |
ISO 4759-1:2000 Изделия крепежные. Допуски. Часть 1. Болты, винты, шпильки и гайки. Классы точности A, B и C | - | IDT | ГОСТ ISO 4759-1 <1> Изделия крепежные. Допуски. Часть 1. Болты, винты, шпильки и гайки. Классы точности A, B и C |
ISO 6157-1:1988 Изделия крепежные. Дефекты поверхности. Часть 1. Болты, винты и шпильки общего назначения | - | IDT | ГОСТ ISO 6157-1 <2> Изделия крепежные. Дефекты поверхности. Часть 1. Болты, винты и шпильки общего назначения |
ISO 6157-3:1988 Изделия крепежные. Дефекты поверхности. Часть 3. Болты, винты и шпильки специальные | - | IDT | ГОСТ ISO 6157-3-2014 Изделия крепежные. Дефекты поверхности. Часть 3. Болты, винты и шпильки специальные |
ISO 8992:2005 Изделия крепежные. Общие требования для болтов, винтов, шпилек и гаек | - | IDT | ГОСТ ISO 8992 <3> Изделия крепежные. Общие требования для болтов, винтов, шпилек и гаек |
ISO 10683:2000 Изделия крепежные. Неэлектролитические цинк-ламельные покрытия | - | - | |
ISO 23429:2004 Контроль калибрами шестигранных углублений | - | IDT | |
<*> Внесенные технические отклонения обеспечивают выполнение требований настоящего стандарта. <**> Соответствующий межгосударственный стандарт отсутствует. До его принятия рекомендуется использовать перевод на русский язык данного международного стандарта или гармонизированный с ним национальный (государственный) стандарт страны, на территории которой применяется настоящий стандарт. Информация о наличии перевода данного международного стандарта в национальном фонде стандартов или в ином месте, а также информация о действии на территории страны соответствующего национального (государственного) стандарта может быть приведена в национальных информационных данных, дополняющих настоящий стандарт. Примечание - В настоящей таблице использованы следующие условные обозначения степени соответствия: - IDT - идентичные стандарты; - MOD - модифицированные стандарты. |
--------------------------------
<1> Межгосударственный стандарт в процессе разработки. На территории Российской Федерации действует
ГОСТ Р ИСО 4759-1-2009 (ISO 4759-1:2000, IDT).
<2> Межгосударственный стандарт в процессе разработки. На территории Российской Федерации действует
ГОСТ Р ИСО 6157-1-2009 (ISO 6157-1:1988, IDT).
<3> Межгосударственный стандарт в процессе разработки. На территории Российской Федерации действует
ГОСТ Р ИСО 8992-2011 (ISO 8992:2005, IDT).
[1] | ISO 888 | Bolts, screws and studs - Nominal lengths, and thread length for general purpose bolts (Изделия крепежные. Болты, винты и шпильки. Номинальная длина и длина резьбовой части). |