Краткое наименование страны по МК (ИСО 3166) 004-97 | Код страны по МК (ИСО 3166) 004-97 | Сокращенное наименование национального органа по стандартизации |
Азербайджан | AZ | Азстандарт |
Армения | AM | Минэкономики Республики Армения |
Беларусь | BY | Госстандарт Республики Беларусь |
Грузия | GE | Грузстандарт |
Казахстан | KZ | Госстандарт Республики Казахстан |
Киргизия | KG | Кыргызстандарт |
Молдова | MD | Молдова-Стандарт |
Россия | RU | Росстандарт |
Таджикистан | TJ | Таджикстандарт |
Туркменистан | TM | Главгосслужба "Туркменстандартлары" |
Узбекистан | UZ | Узстандарт |
Украина | UA | Минэкономразвития Украины |

.
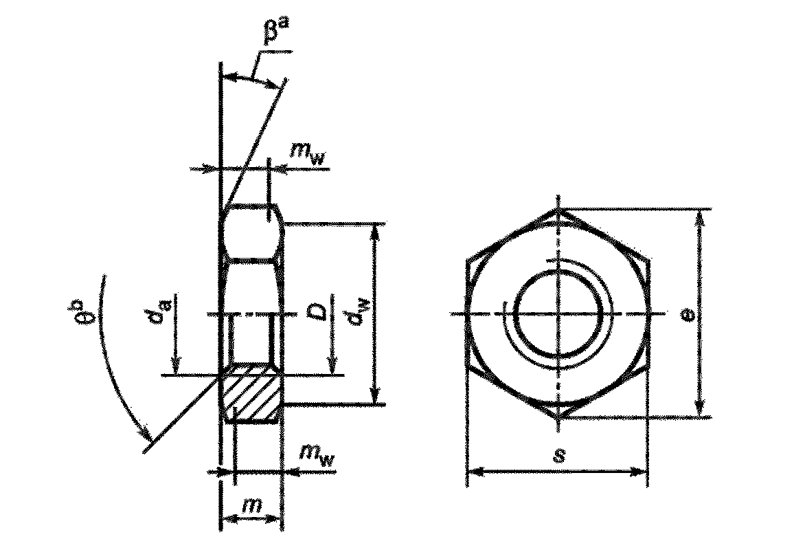
.Резьба D | М1,6 | М2 | М2,5 | М3 | М4 | М5 | М6 | М8 | М10 | М12 | |
P <a> | 0,35 | 0,4 | 0,45 | 0,5 | 0,7 | 0,8 | 1 | 1,25 | 1,5 | 1,75 | |
da | не более | 1,84 | 2,30 | 2,90 | 3,45 | 4,60 | 5,75 | 6,75 | 8,75 | 10,80 | 13,00 |
не менее | 1,60 | 2,00 | 2,50 | 3,00 | 4,00 | 5,00 | 6,00 | 8,00 | 10,00 | 12,00 | |
dw | не менее | 2,40 | 3,10 | 4,1 | 4,60 | 5,90 | 6,90 | 8,90 | 11,60 | 14,60 | 16,60 |
e | не менее | 3,41 | 4,32 | 5,45 | 6,01 | 7,66 | 8,79 | 11,05 | 14,38 | 17,77 | 20,03 |
m | не более | 1,00 | 1,20 | 1,60 | 1,80 | 2,20 | 2,70 | 3,20 | 4,00 | 5,00 | 6,00 |
не менее | 0,75 | 0,95 | 1,35 | 1,55 | 1,95 | 2,45 | 2,90 | 3,70 | 4,70 | 5,70 | |
mw | не менее | 0,60 | 0,80 | 1,10 | 1,20 | 1,60 | 2,00 | 2,3 | 3,0 | 3,8 | 4,60 |
s | номин. = не более | 3,20 | 4,00 | 5,00 | 5,50 | 7,00 | 8,00 | 10,00 | 13,00 | 16,00 | 18,00 |
не менее | 3,02 | 3,82 | 4,82 | 5,32 | 6,78 | 7,78 | 9,78 | 12,73 | 15,73 | 17,73 | |
Резьба D | М16 | М20 | М24 | М30 | М36 | М42 | М48 | М56 | М64 | |
P <a> | 2 | 2,5 | 3 | 3,5 | 4 | 4,5 | 5 | 5,5 | 6 | |
da | не более | 17,30 | 21,60 | 25,90 | 32,40 | 38,90 | 45,40 | 51,80 | 60,50 | 69,10 |
не менее | 16,00 | 20,00 | 24,00 | 30,00 | 36,00 | 42,00 | 48,00 | 56,00 | 64,00 | |
dw | не менее | 22,50 | 27,70 | 33,20 | 42,80 | 51,10 | 60,00 | 69,50 | 78,70 | 88,20 |
e | не менее | 26,75 | 32,95 | 39,55 | 50,85 | 60,79 | 71,30 | 82,60 | 93,56 | 104,86 |
m | не более | 8,00 | 10,00 | 12,00 | 15,00 | 18,00 | 21,00 | 24,00 | 28,00 | 32,00 |
не менее | 7,42 | 9,10 | 10,90 | 13,90 | 16,90 | 19,70 | 22,70 | 26,70 | 30,40 | |
mw | не менее | 5,90 | 7,30 | 8,70 | 11,10 | 13,50 | 15,80 | 18,20 | 21,40 | 24,30 |
s | номин. = не более | 24,00 | 30,00 | 36,00 | 46,00 | 55,00 | 65,00 | 75,00 | 85,00 | 95,00 |
не менее | 23,67 | 29,16 | 35,00 | 45,00 | 53,80 | 63,10 | 73,10 | 82,80 | 92,80 | |
Резьба D | М3,5 | М14 | М18 | М22 | М27 | М33 | М39 | М45 | М52 | М60 | |
P <a> | 0,6 | 2 | 2,5 | 2,5 | 3 | 3,5 | 4 | 4,5 | 5 | 5,5 | |
da | не более | 4,00 | 15,10 | 19,50 | 23,70 | 29,10 | 35,60 | 42,10 | 48,60 | 56,20 | 64,80 |
не менее | 3,50 | 14,00 | 18,00 | 22,00 | 27,00 | 33,00 | 39,00 | 45,00 | 52,00 | 60,00 | |
dw | не менее | 5,10 | 19,60 | 24,90 | 31,40 | 38,00 | 46,60 | 55,90 | 64,70 | 74,20 | 83,40 |
e | не менее | 6,58 | 23,36 | 29,56 | 37,29 | 45,20 | 55,37 | 66,44 | 76,95 | 88,25 | 99,21 |
m | не более | 2,00 | 7,00 | 9,00 | 11,00 | 13,50 | 16,50 | 19,50 | 22,50 | 26,00 | 30,00 |
не менее | 1,75 | 6,42 | 8,42 | 9,90 | 12,40 | 15,40 | 18,20 | 21,20 | 24,70 | 28,70 | |
mw | не менее | 1,40 | 5,10 | 6,70 | 7,90 | 9,90 | 12,30 | 14,60 | 17,00 | 19,80 | 23,00 |
s | номин. = не более | 6,00 | 21,00 | 27,00 | 34,00 | 41,00 | 50,00 | 60,00 | 70,00 | 80,00 | 90,00 |
не менее | 5,82 | 20,67 | 26,16 | 33,00 | 40,00 | 49,00 | 58,80 | 68,10 | 78,10 | 87,80 | |
Материал | Сталь | Коррозионно-стойкая сталь | Цветной металл | ||
Общие требования | Обозначение стандарта | ISO 8992 | |||
Резьба | Допуски | 6H | |||
Обозначение стандарта | ISO 724, ISO 965-1 | ||||
Механические свойства | Класс прочности | D < М5: по согласованию М5 <= D <= М39: 04, 05 D > 39 мм: по согласованию | D <= М24: А2-035, А4-035 М24 < D <= М39: А2-025, А4-025 D > М39: по согласованию | Материал по ISO 8839 | |
Обозначение стандарта | D < М5: по согласованию М5 <= D <= М39: ISO 898-2 D > М39: по согласованию (по ISO 898-2:2012, приложение A) | D <= М39: ISO 3506-2 D > М39: по согласованию | |||
Допуски | Класс точности | D <= М16: A D > М16: B | |||
Обозначение стандарта | ISO 4759-1 | ||||
Отделка - покрытие | Без покрытия | Чистое и блестящее | Без отделки | ||
Требования к электролитическим покрытиям по ISO 4042 | Метод пассивации по ISO 16048 | Требования к электролитическим покрытиям по ISO 4042 | |||
Требования к неэлектролитическим цинк-ламельным покрытиям по ISO 10683 | |||||
Требования к покрытиям, нанесенным методом горячего цинкования по ISO 10684 | |||||
Дополнительные требования или другая отделка или покрытие должны быть согласованы между поставщиком и заказчиком | |||||
Дефекты поверхности | Допустимые дефекты поверхности по ISO 6157-2 | ||||
Приемка | Приемочный контроль по ISO 3269 | ||||
Обозначение ссылочного международного стандарта | Обозначение и наименование международного стандарта другого года издания | Степень соответствия | Обозначение и наименование межгосударственного стандарта |
ISO 225:2010 Изделия крепежные. Болты, винты, шпильки и гайки. Символы и обозначения размеров <1> | - | - | |
ISO 724:1993 Резьбы метрические ИСО общего назначения. Основные размеры | - | MOD | ГОСТ 24705-2004 (ИСО 724:1993) <*> Основные нормы взаимозаменяемости. Резьба метрическая. Основные размеры |
ISO 898-2:2012 Механические свойства крепежных изделий. Часть 2. Гайки с установленными значениями пробной нагрузки. Крупная резьба | - | IDT | ГОСТ ISO 898-2 <2> Механические свойства крепежных изделий из углеродистых и легированных сталей. Часть 2. Гайки установленных классов прочности с крупным и мелким шагом резьбы |
ISO 965-1:2013 Резьбы метрические ISO общего назначения. Допуски. Часть 1. Принципы и основные данные | ISO 965-1:1998 Резьбы метрические ISO общего назначения. Допуски. Часть 1. Принципы и основные данные | MOD | ГОСТ 16093-2004 (ИСО 965-1:1998, ИСО 965-3:1998) <*> Основные нормы взаимозаменяемости. Резьба метрическая. Допуски. Посадки с зазором (ISO 965-1:1998, MOD) |
ISO 3269:2000 Изделия крепежные. Приемочный контроль | - | IDT | ГОСТ ISO 3269 <3> Изделия крепежные. Приемочный контроль |
ISO 3506-2:2009 Механические свойства крепежных изделий из коррозионно-стойкой нержавеющей стали. Часть 2. Гайки | - | IDT | ГОСТ ISO 3506-2-2014 Механические свойства крепежных изделий из коррозионно-стойкой нержавеющей стали. Часть 2. Гайки |
ISO 4042:1999 Изделия крепежные. Электролитические покрытия | - | IDT | ГОСТ ISO 4042 <4> Изделия крепежные. Электролитические покрытия |
ISO 4759-1:2000 Изделия крепежные. Допуски. Часть 1. Болты, винты, шпильки и гайки. Классы точности A, B и C | - | IDT | ГОСТ ISO 4759-1 <5> Изделия крепежные. Допуски. Часть 1. Болты, винты, шпильки и гайки. Классы точности A, B и C |
Обозначение ссылочного международного стандарта | Обозначение и наименование международного стандарта другого года издания | Степень соответствия | Обозначение и наименование межгосударственного стандарта |
ISO 6157-2:1995 Изделия крепежные. Дефекты поверхности. Часть 2. Гайки | - | IDT | ГОСТ ISO 6157-2 <1> Изделия крепежные. Дефекты поверхности. Часть 2. Гайки |
ISO 8839:1986 Механические свойства крепежных изделий. Болты, винты, шпильки и гайки из цветных металлов | - | IDT | ГОСТ ISO 8839 <2> Механические свойства крепежных изделий. Болты, винты, шпильки и гайки из цветных металлов |
ISO 8992:2005 Изделия крепежные. Общие требования для болтов, винтов, шпилек и гаек | - | IDT | ГОСТ ISO 8992 <3> Изделия крепежные. Общие требования для болтов, винтов, шпилек и гаек |
ISO 10683:2000 Изделия крепежные. Неэлектролитические цинковые чешуйчатые покрытия | - | - | |
ISO 10684:2004 Изделия крепежные. Покрытия, нанесенные методом горячего цинкования | - | IDT | ГОСТ ISO 10684 <5> Изделия крепежные. Покрытия, нанесенные методом горячего цинкования |
ISO 16048:2003 Пассивация крепежных изделий из коррозионно-стойкой нержавеющей стали | - | IDT | ГОСТ ISO 16048-2014 Пассивация крепежных изделий из коррозионно-стойкой нержавеющей стали |
<**> Соответствующий межгосударственный стандарт отсутствует. До его принятия рекомендуется использовать перевод на русский язык данного международного стандарта или гармонизированный с ним национальный стандарт (государственный стандарт) страны, на территории которой применяется настоящий стандарт. Информация о наличии перевода данного международного стандарта в национальном фонде стандартов или в ином месте, а также информация о действии на территории страны соответствующего национального (государственного) стандарта может быть приведена в национальных информационных данных, дополняющих настоящий стандарт. Примечание - В настоящей таблице использованы следующие условные обозначения степени соответствия стандартов: - IDT - идентичные стандарты; - MOD - модифицированные стандарты. | |||
[1] | ISO 4014, | Hexagon head bolts - Product grades A and B |
[2] | ISO 4015, | Hexagon head bolts - Product grade B - Reduced shank (shank diameter approximately equal to pitch diameter) |
[3] | ISO 4016, | Hexagon head bolts - Product grade C |
[4] | ISO 4017, | Hexagon head screws - Product grades A and B |
[5] | ISO 4018, | Hexagon head screws - Product grade C |
[6] | ISO 4032, | Hexagon regular nuts (style 1) - Product grades A and B |
[7] | ISO 4033, | Hexagon high nuts (style 2) - Product grades A and B |
[8] | ISO 4034, | Hexagon regular nuts (style 1) - Product grade C |
[9] | ISO 4036, | Hexagon thin nuts unchamfered (style 0) - Product grade B |
[10] | ISO 4161, | Hexagon nuts with flange, style 2 - Coarse thread |
[11] | ISO 4162, | Hexagon flange bolts - Small series - Product grade A with driving feature of product grade B |
[12] | ISO 7040, | Prevailing torque type hexagon regular nuts (with non-metallic insert) - Property classes 5, 8 and 10 |
[13] | ISO 7041, | Prevailing torque type hexagon nuts (with non-metallic insert), style 2 - Property classes 9 and 12 |
[14] | ISO 7042, | Prevailing torque type all-metal hexagon high nuts - Property classes 5, 8, 10 and 12 |
[15] | ISO 7043, | Prevailing torque type hexagon nuts with flange (with non-metallic insert), style 2 - Product grades A and B |
[16] | ISO 7044, | Prevailing torque type all-metal hexagon nuts with flange, style 2 - Product grades A and B |
[17] | ISO 7719, | Prevailing torque type all-metal hexagon regular nuts - Property classes 5, 8 and 10 |
[18] | ISO 7720, | Prevailing torque type all-metal hexagon nuts, style 2 - Property class 9 |
[19] | ISO 8673, | Hexagon regular nuts (style 1) with metric fine pitch thread - Product grades A and B |
[20] | ISO 8674, | Hexagon high nuts (style 2) with metric fine pitch thread - Product grades A and B |
[21] | ISO 8675, | Hexagon thin nuts chamfered (style 0) with metric fine pitch thread - Product grades A and B |
[22] | ISO 8676, | Hexagon head screws with metric fine pitch thread - Product grades A and B |
[23] | ISO 8765, | Hexagon head bolts with metric fine pitch thread - Product grades A and B |
[24] | ISO 10511, | Prevailing torque type hexagon thin nuts (with non-metallic insert) |
[25] | ISO 10512, | Prevailing torque type hexagon nuts (with non-metallic insert), style 1, with metric fine pitch thread - Property classes 6, 8 and 10 |
[26] | ISO 10513, | Prevailing torque type all-metal hexagon nuts, style 2, with metric fine pitch thread - Property classes 8, 10 and 12 |
[27] | ISO 10663, | Hexagon nuts with flange, style 2 - Fine pitch thread |
[28] | ISO 12125, | Prevailing torque type hexagon nuts with flange (with non-metallic insert) with metric fine pitch thread, style 2 - Product grades A and B |
[29] | ISO 12126, | Prevailing torque type all-metal hexagon nuts with flange with metric fine pitch thread, style 2 - Product grades A and B |
[30] | ISO 15071, | Hexagon bolts with flange - Small series - Product grade A |
[31] | ISO 15072, | Hexagon bolts with flange with metric fine pitch thread - Small series - Product grade A |
[32] | ISO 21670, | Hexagon weld nuts with flange |