Главная // Актуальные документы // ГОСТ (Государственный стандарт)СПРАВКА
Источник публикации
М.: Стандартинформ, 2016
Примечание к документу
Документ
введен в действие с 1 июля 2015 года.
Название документа
"ГОСТ 33189-2014. Межгосударственный стандарт. Колеса зубчатые тяговых передач тягового подвижного состава. Шкалы эталонов макро- и микроструктур"
(введен в действие Приказом Росстандарта от 17.02.2015 N 95-ст)
"ГОСТ 33189-2014. Межгосударственный стандарт. Колеса зубчатые тяговых передач тягового подвижного состава. Шкалы эталонов макро- и микроструктур"
(введен в действие Приказом Росстандарта от 17.02.2015 N 95-ст)
агентства по техническому
регулированию и метрологии
от 17 февраля 2015 г. N 95-ст
МЕЖГОСУДАРСТВЕННЫЙ СТАНДАРТ
КОЛЕСА ЗУБЧАТЫЕ ТЯГОВЫХ ПЕРЕДАЧ ТЯГОВОГО ПОДВИЖНОГО СОСТАВА
ШКАЛЫ ЭТАЛОНОВ МАКРО- И МИКРОСТРУКТУР
Transmission tooth gears of the traction main railway stock.
Scale of macro- and microstructure standards
ГОСТ 33189-2014
Дата введения
1 июля 2015 года
Цели, основные принципы и основной порядок проведения работ по межгосударственной стандартизации установлены
ГОСТ 1.0-92 "Межгосударственная система стандартизации. Основные положения" и
ГОСТ 1.2-2009 "Межгосударственная система стандартизации. Стандарты межгосударственные, правила и рекомендации по межгосударственной стандартизации. Правила разработки, принятия, применения, обновления и отмены"
1 РАЗРАБОТАН Открытым акционерным обществом "Научно-исследовательский и конструкторско-технологический институт подвижного состава" (ОАО "ВНИКТИ")
2 ВНЕСЕН Межгосударственным техническим комитетом по стандартизации МТК 524 "Железнодорожный транспорт"
3 ПРИНЯТ Межгосударственным советом по стандартизации, метрологии и сертификации (протокол от 22 декабря 2014 г. N 73-П)
За принятие проголосовали:
Краткое наименование страны по МК (ИСО 3166) 004-97 | Код страны по МК (ИСО 3166) 004-97 | Сокращенное наименование национального органа по стандартизации |
Азербайджан | AZ | Азстандарт |
Армения | AM | Минэкономики Республики Армения |
Беларусь | BY | Госстандарт Республики Беларусь |
Казахстан | KZ | Госстандарт Республики Казахстан |
Киргизия | KG | Кыргызстандарт |
Россия | RU | Росстандарт |
Таджикистан | TJ | Таджикстандарт |
4
Приказом Федерального агентства по техническому регулированию и метрологии от 17 февраля 2015 г. N 95-ст межгосударственный стандарт ГОСТ 33189-2014 введен в действие в качестве национального стандарта Российской Федерации с 1 июля 2015 г.
6 ВВЕДЕН ВПЕРВЫЕ
Информация об изменениях к настоящему стандарту публикуется в ежегодном (по состоянию на 1 января текущего года) информационном указателе "Национальные стандарты", а текст изменений и поправок - в ежемесячном информационном указателе "Национальные стандарты". В случае пересмотра (замены) или отмены настоящего стандарта соответствующее уведомление будет опубликовано в ежемесячном информационном указателе "Национальные стандарты". Соответствующая информация, уведомление и тексты размещаются также в информационной системе общего пользования - на официальном сайте Федерального агентства по техническому регулированию и метрологии в сети Интернет (www.gost.ru)
Настоящий стандарт распространяется на эвольвентные ведущие (далее - шестерни) и ведомые цилиндрические прямозубые, косозубые и шевронные зубчатые колеса или венцы составных зубчатых колес (далее - колеса), применяемые в тяговых передачах тепловозов, электровозов и моторвагонного подвижного состава, с зубьями, упрочненными закалкой токами высокой частоты (далее - ТВЧ) или химико-термической обработкой (далее - ХТО): цементацией, ионной цементацией или нитроцементацией (далее - цементацией).
Стандарт устанавливает металлографические методы определения качества упрочнения зубьев, классификацию возможных дефектов структуры металла после ТВЧ или ХТО, а также соответствующие им эталоны оценки макро- и микроструктуры поверхностной зоны и основного металла зубьев.
В настоящем стандарте использованы ссылки на следующие межгосударственные стандарты:
ГОСТ 3.1109-82 Единая система технологической документации. Термины и определения основных понятий
ГОСТ 1763-68 (ИСО 3887-77) Сталь. Методы определения глубины обезуглероженного слоя
ГОСТ 2999-75 Металлы и сплавы. Метод измерения твердости по Виккерсу
ГОСТ 5639-82 Стали и сплавы. Методы выявления и определения величины зерна
ГОСТ 9012-59 (ИСО 410-82, ИСО 6506-81) Металлы. Метод измерения твердости по Бринеллю
ГОСТ 9013-59 (ИСО 6508-86) Металлы. Метод измерения твердости по Роквеллу
ГОСТ 9450-76 Измерение микротвердости вдавливанием алмазных наконечников
ГОСТ 16530-83 Передачи зубчатые. Общие термины, определения и обозначения
ГОСТ 20495-75 Упрочнение металлических деталей поверхностной химико-термической обработкой. Характеристика и свойства диффузионного слоя. Термины и определения
ГОСТ 30803-2014 Колеса зубчатые тяговых передач тягового подвижного состава. Технические условия
Примечание - При пользовании настоящим стандартом целесообразно проверить действие ссылочных стандартов в информационной системе общего пользования - на официальном сайте Федерального агентства по техническому регулированию и метрологии в сети Интернет или по ежегодному информационному указателю "Национальные стандарты", который опубликован по состоянию на 1 января текущего года, и по соответствующим ежемесячным информационным указателям, опубликованным в текущем году. Если ссылочный стандарт заменен (изменен), то при пользовании настоящим стандартом следует руководствоваться заменяющим (измененным) стандартом. Если ссылочный стандарт отменен без замены, то положение, в котором дана ссылка на него, применяют в части, не затрагивающей эту ссылку.
3 Термины, определения и обозначения
3.1 В настоящем стандарте применены термины по
ГОСТ 3.1109, ГОСТ 16530 и
ГОСТ 20495, а также следующие термины с соответствующими определениями:
3.1.1 контурная закалка: Вид термической обработки - поверхностная закалка с нагрева токами высокой частоты контура зубьев.
3.1.2 макроструктура: Строение металла, оцениваемое визуально без применения средств измерений или при небольших увеличениях на макрошлифах.
3.1.3 макрошлиф: Плоский шлифованный темплет, подвергнутый травлению раствором кислоты для выявления макроструктуры.
3.1.4 микроструктура: Строение металлов и сплавов, выявленное с помощью микроскопа на полированных протравленных образцах (микрошлифах).
3.1.5 микрошлиф: Образец металла после шлифования, полирования и химического травления, предназначенный для микроскопического исследования.
3.1.6 наклеп впадины зуба: Упрочнение впадины зуба методом накатки после секторной закалки.
3.1.7 обезуглероживание: Снижение содержания углерода в металле в результате окисления его при высокой температуре.
3.1.8 основной металл: Металл поперечного сечения зуба, за исключением упрочненного слоя.
3.1.9 переходная поверхность зуба: Зона перехода от активной поверхности зуба к впадине зуба.
3.1.10 секторная закалка: Закалка сектора по активной поверхности зуба с обязательным упрочнением впадины и переходной поверхности наклепом.
3.1.11 сердцевина зуба: Зона зуба под термообработанным слоем, не затронутая воздействием ТВЧ или ХТО.
3.1.12 степень наклепа: Разность значений твердости рабочей поверхности и сердцевины зуба в единицах Виккерса, отнесенная к твердости сердцевины и умноженная на 100%.
3.1.13 темплет: Образец, вырезанный из испытываемой детали, для металлографических исследований детали.
3.1.14 упрочненный слой закалкой ТВЧ: Поверхностный слой металла детали, отличающийся от исходного твердостью и микроструктурой в результате термической обработки ТВЧ.
3.1.15 цементованный слой: Поверхностный слой материала детали, отличающийся от исходного увеличенным содержанием углерода и твердостью в результате ХТО.
3.1.16 шкала: Набор эталонов макро- и микроструктур стали для оценки качества термообработанных колес и шестерен.
3.1.17 эталон: Контрольный образец для визуального сопоставления с исследуемой поверхностью детали при определении качества термической обработки.
3.2 В настоящем стандарте применены следующие обозначения:
100x ... 500x - обозначение кратности увеличения;
m - нормальный модуль зубчатого колеса, мм;

- высота до постоянной хорды, мм.
4 Методы контроля колес и шестерен с поверхностным упрочнением зубьев
4.1.1 Отбор проб для макро- и микроисследований и измерения твердости проводят на одном окончательно обработанном колесе (шестерне) при периодических, типовых испытаниях и оценке соответствия согласно
ГОСТ 30803.
4.1.2 Макроструктуру колес и шестерен проверяют на шлифованных продольном и поперечном темплетах, изготовленных из колес по схеме вырезки темплетов для испытаний, согласно
рисунку 1:
- на двух поперечных темплетах, охватывающих не менее двух зубьев, вырезанных в диаметрально-противоположных зонах колеса на расстоянии 30 мм от торцов зубьев;
- на одном продольном темплете (для колес закаленных ТВЧ), вырезанном параллельно вершине зуба на расстоянии

от нее.
4.1.3 Контроль качества микроструктуры по
ГОСТ 8233 и замеры твердости проводят на поперечном полированном темплете (см. рисунок 1).
Рисунок 1 - Схема вырезки продольных и поперечных темплетов
прямозубых и косозубых колес и шестерен для контроля
макро- и микроструктуры и твердости
4.2 Обработка темплетов и режимы травления
4.2.1 Для выявления толщины и конфигурации упрочненного слоя продольный и поперечный темплеты со шлифованной поверхностью протравливают 30 - 35%-ным водным раствором азотной кислоты.
4.2.2 Микроструктуру упрочненного слоя и основного металла выявляют на поперечном темплете с полированной поверхностью после травления 4%-ным раствором азотной кислоты в этиловом спирте.
4.3 Оценка качества упрочненного поверхностного слоя зубьев при закалке ТВЧ
4.3.1 Оценку качества поверхностного слоя зубьев, упрочненных закалкой ТВЧ, проводят путем сравнения темплетов с эталонами 1 - 10 шкалы 1 (приложение А,
рисунки А.1 -
А.10).
4.3.2 Контроль конфигурации и толщины упрочненного закалкой ТВЧ слоя зуба
Конфигурацию упрочненного слоя определяют визуально, путем сопоставления выявленной макроструктуры с эталонами шкалы 1, состоящей из 10 эталонов, изображения и описания которых приведены в приложении А (см.
рисунки А.1 -
А.10).
Упрочненный слой после травления должен иметь однородный темный цвет без светлых пятен или полос.
Толщину упрочненного слоя зуба определяют по линии делительной окружности и по переходной поверхности зуба. Измерения проводят поверенным мерительным инструментом в направлении, перпендикулярном касательным к данным точкам.
Допустимая толщина упрочненного слоя по активной поверхности зуба в зависимости от нормального модуля зубчатого колеса (m) должна быть:
- для модуля m = 6...7 - (2 +/- 0,5) мм;
- для модуля m = 8...9 - (3 +/- 0,5) мм;
- для модуля m = 10...12 - (4 +/- 1) мм.
По впадине для любого нормального модуля зуба толщина упрочненного слоя должна быть не менее 1,5 мм.
Завышенная или заниженная толщина слоя является браковочным признаком.
4.3.3 Контроль микроструктуры упрочненного слоя и сердцевины зуба.
Проверку микроструктуры упрочненного слоя зуба проводят на поперечном темплете, состоящем из двух или трех зубьев, при увеличении 500
x, проверку микроструктуры сердцевины зуба - при увеличении 100
x. Оценку проводят путем сопоставления с эталонами 1 - 7 шкалы 2 (приложение Б,
рисунки Б.1 -
Б.8).
Микроструктура упрочненного слоя должна состоять из зернистого или мелкоигольчатого троостомартенсита (см. эталон 1,
рисунок Б.1,
Б.2). Крупноигольчатая структура (см. эталон 2,
рисунок Б.3) и наличие в структуре феррита (см. эталон 3,
рисунок Б.4) не допускаются.
Сердцевина зуба должна иметь сорбито-ферритную структуру со степенью дисперсности, соответствующей величине зерна не менее номера 5 шкалы 1
ГОСТ 5639 согласно эталонам 4 и 5 (см.
рисунки Б.5 и
Б.6). Не допускаются крупнозернистая структура и игольчатые выделения феррита - структура видманштетта - эталоны 6 и 7 (см.
рисунки Б.7 и
Б.8).
4.3.4 Контроль твердости упрочненного слоя и сердцевины зуба
Твердость упрочненного слоя на поперечных темплетах проверяют алмазным конусом методом Роквелла по
ГОСТ 9013 или пирамидкой методом Виккерса по
ГОСТ 2999 на расстоянии, равном половине высоты зуба и по впадине (количество отпечатков не менее трех).
Допускается по согласованию с заказчиком контролировать твердость по впадине на продольном темплете через впадину между зубьями методом Виккерса по
ГОСТ 2999. Расстояние между отпечатками не более 2 мм.
Твердость упрочненного слоя зубьев зубчатого колеса должна быть от 48 до 54 единиц HRC, шестерни не менее 55 единиц HRC по
ГОСТ 30803.
Допускаются методы измерения микротвердости по Виккерсу с переводом полученных данных на значения по Роквеллу.
Твердость сердцевины зубьев проверяют на уровне впадин методом Бринелля по
ГОСТ 9012 или методом Роквелла по
ГОСТ 9013. Твердость сердцевины зубьев должна быть от 255 до 302 единиц HB или от 26 до 32,5 единиц HRC по
ГОСТ 30803.
4.3.5 Определение степени наклепа впадины зуба при секторной закалке
Для определения степени наклепа и толщины упрочненного накаткой слоя проводят измерение микротвердости по
ГОСТ 9450 в зоне переходной поверхности зуба. Измерения выполняют по линии, перпендикулярной к касательной в переходной точке от активной поверхности вглубь зуба до достижения твердости сердцевины.
Расстояние от накатанной поверхности до первого отпечатка, оценивающего число твердости сердцевины, соответствует глубине наклепа. По разности значений твердости активной поверхности и сердцевины, выраженной в единицах Виккерса, отнесенной к значению твердости сердцевины и умноженной на 100%, определяют степень наклепа, которая должна быть не менее 10%.
4.4 Оценка качества упрочненного поверхностного слоя зубьев при цементации
4.4.1 Оценку микроструктуры цементованного слоя проверяют на поперечных микрошлифах при увеличении 200
x и 500
x путем сопоставления выявленной структуры с эталонами 1 - 6 шкалы 3 (приложение В,
рисунки В.1 -
В.6), на которых приведены структуры после окончательной термической обработки - закалки и отпуска.
4.4.2 Контроль микроструктуры на наличие структурно-свободного цементита (оценка микроструктуры по карбидам)
После цементации, закалки и отпуска цементованный слой должен иметь структуру мелкоигольчатого мартенсита с отдельными мелкими карбидами. Оценку качества микроструктуры выполняют по шкале 3 (
приложение В.)
В структуре цементованного слоя допускается тонкая разорванная цементитная сетка (см. эталон 3, 4, шкала 3, приложение В,
рисунки В.3 и
В.4). Сплошная цементитная сетка, а также разорванная сетка с отдельными грубыми карбидами не допускаются (см. эталоны 5 и 6, шкала 3, приложение В,
рисунки В.5 и
В.6).
4.4.3 Контроль микроструктуры цементованного слоя по остаточному аустениту
Контроль микроструктуры цементованного слоя по остаточному аустениту проводят по эталонам
приложения Г.
Остаточный аустенит в структуре цементованного слоя после окончательной термической обработки (закалки и отпуска) оценивают в соответствии с эталонами 1 - 4 шкалы 4 (приложение Г,
рисунки Г.1 -
Г.4). Эталоны 1, 2, 3 являются допустимыми.
Площадь участков аустенита не должна быть более 10% площади поля, видимого в микроскоп при увеличении 200
x по всей поверхности шлифа. Для более четкого определения границ участков со структурой аустенита контроль проводят при увеличении 500
x. Эталон 4 (см.
рисунок Г.4) по остаточному аустениту, занимающему более 10% площади, соответствует неудовлетворительной структуре.
4.4.4 Контроль на наличие межзеренного окисления и обезуглероженности
Контроль микроструктуры цементованного слоя на наличие межзеренного окисления и обезуглероженности проводят по эталонам
приложения Д.
Оценку структуры слоя во впадинах зубьев проводят при увеличении 100
x. На эталонах 1 - 4 шкалы 5 (приложение Д,
рисунки Д.1 -
Д.4) приведены недопустимые структуры межзеренного окисления и обезуглероженности поверхности зуба. Для более четкого выявления межзеренного окисления применяют увеличение 500
x.
Наличие межзеренного окисления впадин зубьев, окисных пленок, включений и обезуглероженности не допускается.
Контроль обезуглероженности и ее глубины производят по
ГОСТ 1763.
4.4.5 Контроль конфигурации и толщины цементованного слоя
Контроль конфигурации и толщины цементованного слоя проводят на поперечных темплетах. Оценку проводят путем сопоставления выявленной структуры с эталоном 11 шкалы 1 (см. приложение А,
рисунок А.11).
Цементованный слой должен повторять конфигурацию профиля зуба и иметь равномерную толщину по контуру.
Толщину определяют измерением ширины темного слоя, окрашенного при травлении, в направлении, перпендикулярном касательной к поверхности зуба.
Допустимая толщина упрочненного слоя после окончательной механической обработки должна быть в пределах (0,2m +/- 0,4) мм. Завышенная или заниженная толщина слоя является браковочным признаком.
Предельные значения толщины слоя из допустимого диапазона, его величину, уточняют по микроструктуре. За границу слоя принимают структуру, содержащую 50% троостита в троостомартенситной смеси.
4.4.6 Контроль твердости цементованного слоя и сердцевины зуба
Контроль твердости цементованного слоя проводят методом Роквелла по
ГОСТ 9013. Допускается проводить измерения твердости методом Виккерса с последующим переводом полученных величин твердости на значения по шкале Роквелла. Твердость цементованного слоя измеряют на расстоянии, равном половине высоты зуба, и по впадине. Твердость должна быть не менее 56 единиц HRC для зубчатого колеса и

единиц HRC для шестерни.
Твердость сердцевины зуба проверяют методом Бринелля по
ГОСТ 9012 посередине зуба на уровне впадин. Твердость сердцевины зуба должна быть не менее 294 единиц HB или 31,5 единицы HRC. Допускается контроль твердости методом Роквелла по
ГОСТ 9013 с переводом значений твердости на шкалу Бринелля.
4.5 Описание контролируемых макро- и микроструктур упрочненного слоя
Перечень и описания контролируемых макро- и микроструктур упрочненного слоя приведены в таблице 1.
Таблица 1
Макро- и микроструктуры упрочненного слоя
Обозначение шкалы | Назначение шкалы | Номер эталона | Описание макро- и микроструктуры | Соответствие годности |
|
1 | Оценка конфигурации упрочненного слоя (макроструктуры) | | Упрочненный слой непрерывный по контуру и длине зуба. Толщина слоя удовлетворяет требованиям ГОСТ 30803 | Удовлетворительная |
| Закаленные секторы равной толщины по сторонам зуба, отстоящие от дна впадины на расстоянии от 4 до 7 мм | Удовлетворительная при секторной закалке |
| Разная толщина упрочненного слоя по сторонам зуба и впадины, но в пределах требований ГОСТ 30803 | Удовлетворительная |
| Разрыв упрочненного слоя у вершины зуба по всей неактивной поверхности для контурной и секторной закалки | Удовлетворительная |
| Перекрытие слоев по всей вершине зуба без выхода на активную поверхность (для контурной и секторной закалки) | Удовлетворительная |
| Недостаточная толщина упрочненного слоя по активной поверхности для контурной и секторной закалки | Неудовлетворительная |
| Недостаточная толщина или разрыв упрочненного слоя на активной поверхности или во впадине зуба при контурной закалке | Неудовлетворительная |
| Завышенная толщина упрочненного слоя по переходной поверхности от впадины зуба при контурной закалке | Неудовлетворительная |
| Перекрытие упрочненных слоев у вершины зуба с выходом на активную поверхность для контурной и секторной закалки | Неудовлетворительная |
| Перекрытие слоев по всей вершине зуба без выхода на активную поверхность, наличие светлых пятен в упрочненном слое | Конфигурация и твердость слоя неудовлетворительные |
| Цементованный слой непрерывный по контуру и длине зуба. Толщина слоя удовлетворяет требованиям ГОСТ 30803 | Удовлетворительная |
|
2а | Оценка микроструктуры упрочненного слоя | | Зернистый или мелкоигольчатый троостомартенсит | Удовлетворительная |
| Крупноигольчатый троостомартенсит | Неудовлетворительная |
| Троостомартенсит и феррит | Неудовлетворительная |
2б | Оценка микроструктуры сердцевины зуба | | Сорбит и феррит. Размер зерна не крупнее номера 5 | Удовлетворительная |
| Сорбит и феррит. Структурная полосчатость | Удовлетворительная |
| Сорбит и феррит. Размер зерна крупнее номера 5 | Неудовлетворительная |
| Игольчатые выделения феррита (видманштеттова структура) | Неудовлетворительная |
|
3 | Оценка микроструктуры цементованного слоя по карбидам | | Мелкоигольчатый мартенсит, карбиды отсутствуют | Удовлетворительная |
| Мелкоигольчатый мартенсит и мелкие отдельные карбиды | Удовлетворительная |
| Отдельные мелкие карбиды и тонкая разорванная карбидная сетка | Удовлетворительная |
| Тонкая, разорванная карбидная сетка | Предельно допустимая структура слоя |
| Крупные карбиды, разорванная карбидная сетка | Неудовлетворительная |
| Сплошная карбидная сетка | Неудовлетворительная |
|
4 | Оценка микроструктуры цементованного слоя по остаточному аустениту | | Мелкоигольчатый мартенсит. Остаточный аустенит отсутствует | Удовлетворительная |
| Мелкоигольчатый мартенсит и отдельные небольшие участки остаточного аустенита | Удовлетворительная |
| Мелкоигольчатый мартенсит и участки остаточного аустенита, занимающие 10% и менее площади поля, видимого в микроскоп при увеличении 200x | Предельно допустимая структура слоя |
| Участки остаточного аустенита, занимающие более 10% площади поля, видимого в микроскоп при увеличении 200x | Неудовлетворительная |
|
5 | Оценка микроструктуры цементованного слоя на наличие межзеренного окисления | | Пережог стали, разгарные трещины | Неудовлетворительная |
| Наличие обезуглероженности | Неудовлетворительная |
| Наличие окисных пленок | Неудовлетворительная |
| Окислы по границам зерен, наличие окисных включений | Неудовлетворительная |
(обязательное)
ШКАЛА 1. ОЦЕНКА КОНФИГУРАЦИИ УПРОЧНЕННОГО СЛОЯ
Упрочненный слой непрерывный по контуру и длине зуба. Толщина слоя удовлетворяет требованиям
ГОСТ 30803.
Конфигурация слоя удовлетворительная.
Допускается утолщение слоя у торцев зуба
Упрочненные секторы равной толщины по сторонам зуба, отстоящие от дна впадины на расстоянии от 4 до 7 мм.
Конфигурация слоя при секторной закалке удовлетворительная.
Рисунок А.2
Разная толщина упрочненного слоя по сторонам зуба и впадины, но в пределах требований
ГОСТ 30803.
Конфигурация слоя удовлетворительная
Рисунок А.3
Разрыв упрочненного слоя у вершины зуба по всей неактивной поверхности для контурной и секторной закалки.
Конфигурация слоя удовлетворительная.
Рисунок А.4
Перекрытие слоев по всей вершине зуба без выхода на активную поверхность.
Конфигурация слоя удовлетворительная для контурной и секторной закалки.
Рисунок А.5
Недостаточная толщина упрочненного слоя по активной поверхности.
Конфигурация слоя неудовлетворительная для контурной и секторной закалки.
Рисунок А.6
Недостаточная толщина или разрыв закаленного слоя на активной поверхности а) или во впадине зуба при контурной закалке б), при секторной закалке на активной поверхности в).
Конфигурация слоя неудовлетворительная.
Рисунок А.7
Завышенная толщина упрочненного слоя по переходной поверхности от впадины зуба при контурной закалке.
Конфигурация слоя неудовлетворительная.
Рисунок А.8
Перекрытие упрочненных слоев у вершины зуба с выходом на активную поверхность.
Конфигурация слоя неудовлетворительная для контурной и секторной закалки.
Рисунок А.9
Перекрытие слоев по всей вершине зуба без выхода на активную поверхность, наличие светлых пятен в упрочненном слое.
Конфигурация и твердость слоя неудовлетворительные.
Цементованный слой непрерывный по контуру и длине зуба. Толщина слоя удовлетворяет требованиям
ГОСТ 30803.
Конфигурация слоя удовлетворительная.
(обязательное)
ШКАЛА 2. ОЦЕНКА МИКРОСТРУКТУРЫ
УПРОЧНЕННОГО СЛОЯ И СЕРДЦЕВИНЫ ЗУБА
2а Микроструктура упрочненного слоя
Зернистый или мелкоигольчатый троостомартенсит.
Структура удовлетворительная
Крупноигольчатый троостомартенсит.
Структура неудовлетворительная
Троостомартенсит и феррит.
Структура неудовлетворительная
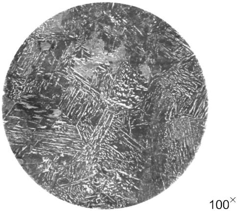
2б Микроструктура сердцевины зуба
Сорбит и феррит. Размер зерна не крупнее номера 5.
Структура удовлетворительная
Сорбит и феррит. Структурная полосчатость.
Структура удовлетворительная
Сорбит и феррит. Размер зерна крупнее номера 5.
Структура неудовлетворительная
Игольчатые выделения феррита (видманштеттова структура).
Структура неудовлетворительная
(обязательное)
ШКАЛА 3. ОЦЕНКА МИКРОСТРУКТУРЫ
ЦЕМЕНТОВАННОГО СЛОЯ ПО КАРБИДАМ
Мелкоигольчатый мартенсит, карбиды отсутствуют.
Структура слоя удовлетворительная
Мелкоигольчатый мартенсит и мелкие отдельные карбиды.
Структура слоя удовлетворительная
Рисунок В.2
Отдельные мелкие карбиды и тонкая разорванная сетка.
Структура слоя удовлетворительная
Тонкая, разорванная карбидная сетка.
Предельно допустимая структура слоя
Крупные карбиды, разорванная карбидная сетка.
Структура слоя неудовлетворительная.
Сплошная карбидная сетка.
Структура слоя неудовлетворительная.
(обязательное)
ШКАЛА 4. ОЦЕНКА МИКРОСТРУКТУРЫ
ЦЕМЕНТОВАННОГО СЛОЯ ПО ОСТАТОЧНОМУ АУСТЕНИТУ
Мелкоигольчатый мартенсит. Остаточный аустенит отсутствует. Структура слоя удовлетворительная
Мелкоигольчатый мартенсит и отдельные небольшие участки остаточного аустенита. Структура слоя удовлетворительная
Рисунок Г.2
Мелкоигольчатый мартенсит и участки остаточного аустенита, занимающие 10% и менее площади поля, видимого в микроскоп при увеличении 200x. Предельно допустимая структура слоя.
Рисунок Г.3
Участки остаточного аустенита, занимающие более 10% площади поля, видимого в микроскоп при увеличении 200x.
Структура слоя неудовлетворительная.
(обязательное)
ШКАЛА 5. ОЦЕНКА МИКРОСТРУКТУРЫ ЦЕМЕНТОВАННОГО
СЛОЯ НА НАЛИЧИЕ МЕЖЗЕРЕННОГО ОКИСЛЕНИЯ
Пережог стали, появление разгарных трещин.
Структура неудовлетворительная
Наличие обезуглероженности.
Структура неудовлетворительная
Рисунок Д.2
Наличие окисных пленок.
Структура неудовлетворительная
Рисунок Д.3
Окислы по границам зерен. Наличие окисных включений.
Структура неудовлетворительная