Главная // Актуальные документы // ГОСТ (Государственный стандарт)СПРАВКА
Источник публикации
М.: Стандартинформ, 2020
Примечание к документу
Документ
введен в действие с 01.06.2021.
Текст данного документа приведен с учетом
поправки, опубликованной в "ИУС", N 2, 2021.
Название документа
"ГОСТ 14846-2020. Межгосударственный стандарт. Двигатели автомобильные. Методы стендовых испытаний"
(введен в действие Приказом Росстандарта от 30.10.2020 N 1018-ст)
"ГОСТ 14846-2020. Межгосударственный стандарт. Двигатели автомобильные. Методы стендовых испытаний"
(введен в действие Приказом Росстандарта от 30.10.2020 N 1018-ст)
Приказом Федерального агентства
по техническому регулированию
и метрологии
от 30 октября 2020 г. N 1018-ст
МЕЖГОСУДАРСТВЕННЫЙ СТАНДАРТ
ДВИГАТЕЛИ АВТОМОБИЛЬНЫЕ
МЕТОДЫ СТЕНДОВЫХ ИСПЫТАНИЙ
Automobile engines. Methods of bench tests
ГОСТ 14846-2020
Дата введения
1 июня 2021 года
Цели, основные принципы и общие правила проведения работ по межгосударственной стандартизации установлены
ГОСТ 1.0 "Межгосударственная система стандартизации. Основные положения" и
ГОСТ 1.2 "Межгосударственная система стандартизации. Стандарты межгосударственные, правила и рекомендации по межгосударственной стандартизации. Правила разработки, принятия, обновления и отмены"
1 РАЗРАБОТАН Федеральным государственным унитарным предприятием "Центральный ордена Трудового Красного Знамени научно-исследовательский автомобильный и автомоторный институт "НАМИ" (ФГУП "НАМИ")
2 ВНЕСЕН Межгосударственным техническим комитетом по стандартизации МТК 56 "Дорожный транспорт"
3 ПРИНЯТ Межгосударственным советом по стандартизации, метрологии и сертификации (протокол от 30 октября 2020 г. N 134-П)
За принятие проголосовали:
Краткое наименование страны по МК (ИСО 3166) 004-97 | Код страны по МК (ИСО 3166) 004-97 | Сокращенное наименование национального органа по стандартизации |
Армения | AM | ЗАО "Национальный орган по стандартизации и метрологии" Республики Армения |
Беларусь | BY | Госстандарт Республики Беларусь |
Киргизия | KG | Кыргызстандарт |
Россия | RU | Росстандарт |
Таджикистан | TJ | Таджикстандарт |
Узбекистан | UZ | Узстандарт |
Украина | UA | Минэкономразвития Украины |
4 Приказом Федерального агентства по техническому регулированию и метрологии от 30 октября 2020 г. N 1018-ст межгосударственный стандарт ГОСТ 14846-2020 введен в действие в качестве национального стандарта Российской Федерации с 1 июня 2021 г.
Информация о введении в действие (прекращении действия) настоящего стандарта и изменений к нему на территории указанных выше государств публикуется в указателях национальных стандартов, издаваемых в этих государствах, а также в сети Интернет на сайтах соответствующих национальных органов по стандартизации.
В случае пересмотра, изменения или отмены настоящего стандарта соответствующая информация будет опубликована на официальном интернет-сайте Межгосударственного совета по стандартизации, метрологии и сертификации в каталоге "Межгосударственные стандарты"
Настоящий стандарт предназначен для применения государственными, коммерческими, общественными, научными организациями, а также органами по сертификации и технической экспертизы транспортных средств, уполномоченными в соответствии с национальными законодательствами.
Положения стандарта обязательны при разработке технических условий (ТУ) на автомобильные двигатели и других документов, связанных с испытаниями автомобильных двигателей и определением качества продукции.
Данный стандарт может быть использован при проведении сертификационных испытаний двигателей. Объем испытаний и требуемые значения устанавливает
[1].
Стандарт допускается применять при проведении научно-исследовательских работ (НИР) или опытно-конструкторских работ (ОКР), связанных с разработкой отдельных деталей и узлов или автомобильных двигателей в целом.
Настоящий стандарт устанавливает методы и условия проведения испытаний автомобильных поршневых и роторно-поршневых двигателей внутреннего сгорания и их модификаций для определения:
- мощностных и экономических показателей при полных нагрузках (мощности нетто и брутто);
- мощностных и экономических показателей при частичных нагрузках;
- показателей на холостом ходу;
- условных механических потерь;
- равномерности работы цилиндров;
- безотказности работы;
- выбросов вредных веществ (ВВВ), как газообразных, так и взвешенных частиц, видимых ВВВ [дымности отработавших газов (ОГ)];
- шумовых характеристик;
- пусковых качеств.
Стандарт не распространяется на гибридные силовые установки, но допускается его применение для испытаний поршневых двигателей, входящих в их состав.
В настоящем стандарте использованы нормативные ссылки на следующие межгосударственные стандарты:
ГОСТ 8.417 Государственная система единства измерений. Единицы величин
ГОСТ 959 Батареи аккумуляторные свинцовые стартерные для автотракторной техники. Общие технические условия <1>
--------------------------------
<1> В Российской Федерации действует
ГОСТ Р 53165-2008 "Батареи аккумуляторные свинцовые стартерные для автотракторной техники. Общие технические условия".
ГОСТ ISO 3745 Акустика. Определение уровней звуковой мощности и звуковой энергии источников шума по звуковому давлению. Точные методы для заглушенных и полузаглушенных камер
ГОСТ 17187 (IEC 61672-1:2002) Шумомеры. Часть 1. Технические требования <2>
--------------------------------
<2> В Российской Федерации действует
ГОСТ Р 53188.1-2019 "Государственная система обеспечения единства измерений. Шумомеры. Часть 1. Технические требования".
ГОСТ 27408 Шум. Методы статистической обработки результатов определения и контроля уровня шума, излучаемого машинами
ГОСТ 27577 Газ природный топливный компримированный для двигателей внутреннего сгорания. Технические условия
ГОСТ 27578 Газы углеводородные сжиженные для автомобильного транспорта. Технические условия
ГОСТ IEC 60034-2-1 Машины электрические вращающиеся. Часть 2-1. Стандартные методы определения потерь и коэффициента полезного действия по испытаниям (за исключением машин для подвижного состава)
Примечание - При пользовании настоящим стандартом целесообразно проверить действие ссылочных стандартов и классификаторов на официальном интернет-сайте Межгосударственного совета по стандартизации, метрологии и сертификации (www.easc.by) или по указателям национальных стандартов, издаваемым в государствах, указанных в
предисловии, или на официальных сайтах соответствующих национальных органов по стандартизации. Если на документ дана недатированная ссылка, то следует использовать документ, действующий на текущий момент, с учетом всех внесенных в него изменений. Если заменен ссылочный документ, на который дана датированная ссылка, то следует использовать указанную версию этого документа. Если после принятия настоящего стандарта в ссылочный документ, на который дана датированная ссылка, внесено изменение, затрагивающее положение, на которое дана ссылка, то это положение применяется без учета данного изменения. Если ссылочный документ отменен без замены, то положение, в котором дана ссылка на него, применяется в части, не затрагивающей эту ссылку.
В настоящем стандарте применены следующие термины с соответствующими определениями:
3.1 колесные транспортные средства; КТС: Транспортные средства категорий L, M, N и O, снабженные колесным движителем, предназначенные для эксплуатации на автомобильных дорогах общего пользования, а также на автомагистралях.
3.2 мощность нетто Pn, кВт: Эффективная мощность, снятая с коленчатого вала (или его эквивалента) двигателя, изготовленного, отрегулированного и обкатанного в соответствии с конструкторской документацией, утвержденной в установленном порядке, на двигатель при полностью открытом дросселе у двигателя с принудительным зажиганием и при полной подаче топлива у дизельного двигателя при комплектации двигателя серийным оборудованием и устройствами.
Примечание - Комплектация двигателя для определения полезной мощности (нетто) - в соответствии с
приложением А.
3.3 мощность брутто Nб, кВт: Эффективная мощность, снятая с коленчатого вала (или его эквивалента) двигателя, изготовленного, отрегулированного и обкатанного в соответствии с конструкторской документацией, утвержденной в установленном порядке на двигатель при полностью открытом дросселе у двигателя с принудительным зажиганием и при полной подаче топлива у дизельного двигателя, при комплектации двигателя серийным оборудованием и устройствами.
Примечание - Комплектация двигателя для определения мощности брутто - в соответствии с
приложением Б.
3.4 мощность механических потерь PМ.П, кВт: Мощность, затрачиваемая на преодоление трения в двигателе, на приведение в действие устройств, обслуживающих двигатель, и на насосные потери.
3.5 максимальный крутящий момент нетто Mmax, Н·м: Установленный техническими условиями на двигатель максимальный крутящий момент при указываемой частоте вращения коленчатого вала (или его эквивалента) двигателя, изготовленного, отрегулированного и обкатанного в соответствии с конструкторской документацией, утвержденной в установленном порядке, при полностью открытом дросселе у двигателя с принудительным зажиганием и при полной подаче топлива у дизельных двигателей, при комплектации двигателя серийным оборудованием и устройствами.
Примечание - Комплектация двигателя для определения полезной мощности (нетто) - в соответствии с
приложением А.
3.6 максимальный крутящий момент брутто Mб max, Н·м: Установленный техническими условиями на двигатель максимальный крутящий момент при указываемой частоте вращения коленчатого вала (или его эквивалента) двигателя, изготовленного, оборудованного и обкатанного в соответствии с конструкторской документацией, утвержденной в установленном порядке, при полностью открытом дросселе у двигателей с принудительным зажиганием и при полной подаче топлива у дизельных двигателей при комплектации двигателя серийным оборудованием и устройствами.
Примечание - Комплектация двигателя для определения мощности брутто - в соответствии с
приложением Б.
3.7 частота вращения, соответствующая максимальному крутящему моменту двигателя nM max, мин-1: Частота (или диапазон частот) вращения коленчатого вала, при которой двигатель развивает максимальный крутящий момент.
3.8 максимальная частота вращения холостого хода nх.х max, мин-1: Наибольшая частота вращения холостого хода, установленная в технических условиях на двигатель.
3.9 минимальная частота вращения холостого хода nх.х min, мин-1: Минимальная частота вращения холостого хода, установленная в технических условиях на двигатель и обеспечивающая устойчивую работу двигателя на холостом ходу не менее 10 мин.
3.10 удельный расход топлива geo, г/кВт·ч: Масса топлива, расходуемого в двигателе за 1 ч, отнесенная к соответствующей приведенной мощности, развиваемой двигателем.
Примечание - Удельный расход топлива газовых двигателей допускается выражать как удельный расход энергии, Дж/кВт·ч.
3.11 условная индикаторная мощность цилиндра Piц, кВт: Разность между мощностью нетто (или брутто) и мощностью, развиваемой этим же двигателем при этой же частоте вращения, но при выключенном в одном из цилиндров зажигании или при прекращении подачи топлива в один из цилиндров.
3.12 коэффициент равномерности работы цилиндров: Отношение наименьшей условной индикаторной мощности одного из цилиндров к наибольшей условной индикаторной мощности одного из цилиндров данного двигателя.
3.13 условный механический КПД: Отношение мощности нетто (брутто) двигателя к его условной индикаторной мощности.
3.14 масса двигателя G, кг: Масса двигателя с маховиком, картером маховика, водяным насосом, вентилятором, шкивами и ремнями и приводом вентилятора, масляным насосом и масляными фильтрами, карбюратором, топливным насосом, свечами зажигания, распределителем и катушкой зажигания (для двигателей с принудительным зажиганием) или с форсунками, насосом высокого давления, подкачивающей помпой, топливными фильтрами, свечами накала (для дизельных двигателей), впускным и выпускным трубопроводами, ступенчатым наддувом, воздухоочистителем и стартером (при условии, если вышеперечисленные агрегаты и детали установлены непосредственно на двигателе), но без сцепления, радиатора системы охлаждения, масляного радиатора (если он не встроен в двигатель), глушителя и его труб, автомобильного компрессора, насоса гидроусилителя руля, предпускового подогревателя, без охлаждающей жидкости и масла, без деталей крепления двигателя.
Примечание - При указании массы двигателя, комплектация которого отличается от указанной выше, должно быть отмечено отличие по номенклатуре составных частей.
3.15 номинальная частота вращения: Частота вращения коленчатого вала, установленная техническими условиями на двигатель для номинальной мощности.
3.16 отработавшие газы; ОГ: Смесь газообразных продуктов полного сгорания, избыточного воздуха и различных микропримесей (газообразных, жидких и взвешенных частиц), поступающая из цилиндров двигателя в его выпускную систему.
3.17 влажные ОГ: ОГ, влагосодержание которых соответствует полному составу продуктов сгорания топлива.
3.18 коэффициент избытка воздуха: Безразмерная величина, представляющая собой отношение массы воздуха, поступившей в цилиндр двигателя, к массе воздуха, теоретически необходимой для полного сгорания поданного в цилиндр топлива.
3.19 метод разбавления полного потока: Процесс смешивания разбавляющего воздуха с полным потоком ОГ до отделения доли разбавленных ОГ для проведения анализа.
3.20 метод разбавления части потока: Процесс отделения от полного потока части потока ОГ, необходимой для анализа, с последующим его смешиванием с соответствующим количеством разбавляющего воздуха для проведения измерения массы и количества взвешенных частиц.
3.21 выбросы вредных веществ; ВВВ: Компоненты, входящие в состав ОГ и считающиеся загрязнителями атмосферы.
Примечание - Например, ВВВ являются оксид углерода, углеводороды, оксиды азота, выраженные в эквиваленте диоксида азота, и взвешенные частицы.
3.22 удельные выбросы вредных веществ (удельные ВВВ): Массовое количество вредных веществ, выраженное в граммах на киловатт-час [г/(кВт·ч)].
3.23 цикл испытаний на установившихся режимах: Испытательный цикл, включающий последовательность режимов, на которые отводят достаточное время для достижения двигателем определенной частоты вращения, крутящего момента и критериев стабильности на каждом режиме.
3.24 цикл испытаний на быстропеременных режимах: Испытательный цикл, включающий последовательность нормализованных значений частоты вращения и крутящего момента, которые относительно быстро изменяются по времени.
Примечание - Проведение испытаний на быстропеременных режимах - см.
[2] <1>.
--------------------------------
<1> В Российской Федерации действует
ГОСТ Р ИСО 16183-2013 "Высоконагруженные двигатели. Измерение выбросов газообразных вредных веществ в неразбавленных отработавших газах и выбросов частиц с использованием системы разбавления части потока при проведении испытаний на быстропеременных режимах".
3.25 пробоотборная система: Устройство для подачи ОГ из выпускной системы двигателя в измерительную камеру газоанализатора или дымомера.
3.26 взвешенные частицы: Любая субстанция, отложившаяся на фильтре из определенного материала после разбавления ОГ чистым отфильтрованным воздухом при температуре не более 325 К (52 °C), измеренной в точке непосредственно перед фильтром.
Примечание - Прежде всего, это углерод (сажа), углеводороды и сульфаты со связанной водой.
3.27 дымность: Показатель, характеризующий степень поглощения светового потока, просвечивающего столб ОГ определенной длины, либо видимая дисперсия жидких и/или взвешенных частиц в ОГ, образовавшаяся в результате неполного сгорания топлива и масла в цилиндрах двигателя.
3.28 дымомер: Средство измерения дымности ОГ.
3.29
коэффициент поглощения света k, м-1: Значение дымности, измеренное по основной шкале дымомера с диапазоном от 0 до

.
Примечание - Для сопоставления полученных результатов необходимо определять температуру и давление в зоне измерения дымности, так как они влияют на коэффициент поглощения светового потока.
3.30 показатель дымности (непрозрачности) N, %: Значение дымности, измеренное дымомером по вспомогательной линейной шкале с диапазоном 0% - 100%.
3.31 эффективная фотометрическая длина: Длина участка светового луча между источником излучения и приемником (через который проходит поток ОГ), при необходимости скорректированная в соответствии с требованиями учета неоднородности, вызванной различием градиента плотности потока, а также эффекта интерференции.
3.32 свободное ускорение: Увеличение частоты вращения коленчатого вала двигателя от минимальной до максимальной без внешней нагрузки, выполняемое при равномерном перемещении органа управления подачей топлива из исходного положения до упора за 0,5 - 1,0 с.
3.33 дымность отработавших газов в режиме свободного ускорения XMi, м-1: Видимый выброс загрязняющих веществ с ОГ двигателей с воспламенением от сжатия, характеризующийся максимальным значением коэффициента поглощения света, измеренным в режиме свободного ускорения.
3.34 результат определения дымности в режиме свободного ускорения: Среднее арифметическое значение четырех последних измерений дымности ОГ.
3.35 испытательный цикл (режимы испытаний): Совокупность фиксированных по частоте вращения и мощности режимов работы двигателя, устанавливаемая в соответствии с его назначением и реализуемая в процессе испытаний.
3.36 двигатель с принудительным зажиганием: Двигатель внутреннего сгорания, воспламенение в котором инициируется электрической искрой.
3.37 уровень шума (звукового давления) двигателя, дБA: Характеристика внешнего шума, производимого двигателем при его работе на внешней скоростной характеристике, измеренная по установленной методике на расстоянии 1 м от испытуемого двигателя.
3.38 пусковые качества двигателя: Совокупность свойств двигателя, его узлов и агрегатов, систем КТС, от которых зависит надежный пуск двигателя, обеспечивающих приведение двигателя в действие с принятием нагрузки в определенных условиях и за установленное время.
3.39 холодный двигатель: Двигатель при температуре его деталей, охлаждающей жидкости, моторного масла и топлива, отличающейся от температуры окружающего воздуха не более чем на 1 °C (без учета погрешностей измерений).
3.40 горячий двигатель: Двигатель, остановленный после работы, при температуре окружающего воздуха до 45 °C и температуре охлаждающей жидкости и/или моторного масла не ниже 5 °C рабочей температуры двигателя, установленной в технических условиях на двигатель конкретного типа.
3.41 надежный пуск двигателя: Пуск двигателя, оборудованного всеми навесными агрегатами, на основном топливе не более чем за три попытки пуска "холодного двигателя" и не более чем за две попытки пуска горячего двигателя и двигателя после тепловой подготовки.
3.42 предельная температура надежного пуска холодного двигателя: Наиболее низкая температура окружающего воздуха, при которой осуществляется надежный пуск двигателя с допустимыми отклонениями от температуры окружающего воздуха (без учета погрешностей измерений).
3.43 время подготовки двигателя к принятию нагрузки: Общие затраты времени на приведение в действие и работу устройства облегчения пуска холодного двигателя, или устройства для облегчения пуска горячего двигателя, или системы тепловой подготовки, а также на пуск двигателя и его работу на холостом ходу до достижения состояния, обеспечивающего принятие нагрузки.
3.44 минимальная пусковая частота вращения: Наименьшая для данной температуры средняя частота вращения коленчатого вала двигателя, при которой обеспечивается пуск стартером двигателя за две попытки пуска.
3.45 среднее давление трения pМ.П, МПа: Условная удельная величина, характеризующая сопротивление проворачиванию коленчатого вала двигателя (укомплектованного всеми штатными навесными агрегатами, необходимыми для работы двигателя).
3.46 система последующей обработки отработавших газов, система нейтрализации отработавших газов; СПООГ: Совокупность компонентов, обеспечивающих снижение ВВВ с ОГ при работе двигателя.
3.47 диагностический индикатор: Световой индикатор на панели приборов КТС, информирующий водителя о появлении неисправностей в системах управления двигателем и СПООГ.
3.48 встроенная (бортовая) система диагностирования двигателя: Совокупность входящих в конструкцию двигателя устройств, обеспечивающих своевременное информирование водителя и накопление данных о неисправностях в системах управления двигателем и СПООГ.
3.49 экологический класс: Классификационный код, характеризующий КТС в зависимости от уровня удельных ВВВ, наличия и возможностей бортовой системы диагностики.
4 Виды испытаний автомобильных двигателей
4.1 Приемочные испытания опытных образцов проводят с целью контроля качества и характеристик двигателя, его соответствия предоставляемым документам. Они должны включать в себя определение мощности, удельного расхода топлива и давления масла при номинальной частоте вращения и положении органов управления регулятора частоты вращения, соответствующей полной подаче топлива, а также максимальной частоты вращения холостого хода и давления масла при минимальной устойчивой частоте вращения холостого хода.
4.2 Периодические испытания проводят с целью контроля качества сборки и регулировки двигателей в соответствии с конструкторской документацией (КД) на двигатель конкретной марки.
4.3 Периодические кратковременные испытания включают в себя определение внешней скоростной характеристики, минимальной устойчивой частоты вращения холостого хода, относительного расхода масла на угар, их проводят с целью контроля соответствия показателей двигателей техническому описанию (ТО) и/или техническим условиям (ТУ).
4.4 Периодические длительные испытания (на безотказность) проводят с целью контроля соответствия показателей безотказности и стабильности параметров двигателей ТУ на двигатели конкретных марок. Контроль показателей безотказности и стабильности параметров двигателей осуществляют при помощи нормальных или ускоренных испытаний. Испытания проводят повторяющимися циклами.
4.5 В
приложении В указан типовой объем испытаний двигателя. Допускается увеличение или уменьшение указанного объема испытаний, что должно быть отражено в программе испытаний, утвержденной в установленном порядке.
4.6 Если к продукции предъявляют обязательные требования стандартов и
[1], подлежащие в дальнейшем обязательному подтверждению соответствия (сертификации), то результаты приемочных испытаний, проведенных в аккредитованных лабораториях (центрах), могут быть использованы для получения подтверждения соответствия (сертификации) по установленным правилам.
4.7 Программы и методики испытаний разрабатывают на основе требований стандартов, КД с использованием, при необходимости, типовых программ и (стандартизованных) методик испытаний.
При разработке в текст документа "Программы испытаний" включают разделы, содержащие:
- описание объекта испытаний;
- цели испытаний;
- объема испытаний, оцениваемые характеристики (свойства, показатели) продукции;
- условия и порядок проведения испытаний;
- метрологическое обеспечение испытаний;
- форму отчетности.
Если разрабатывают документ "Программа и методики испытаний", дополнительно в документ включают информацию:
- о используемых средствах испытаний, контроля и измерений;
- используемых способах обработки, анализа и оценки результатов испытаний.
В процессе испытаний ход и результаты испытаний документируют по форме и в сроки, предусмотренные документами "Программа испытаний" или "Программа и методика испытаний". Заданные и фактические данные, полученные при испытаниях, отражают в протоколе(ах).
4.8 В случае несоответствия образца продукции требованиям ТУ или КД или выхода его из строя испытания могут быть прерваны или прекращены, что документально оформляют.
5 Классификация поршневых двигателей
5.1 Поршневые двигатели классифицируют:
а) по роду применяемого топлива:
1) на жидком топливе [дизельном топливе, бензине, спирте, дизельном биотопливе, диметиловом эфире (ДМЭ) и др. альтернативных видах жидкого топлива];
2) газовые [на компримированном природном газе (КПГ), сжиженном природном газе (СПГ), газах углеводородных сжиженных (СУГ), водороде и др. газообразных топливах];
3) двухтопливные (газодизельные различного типа и др.);
4) многотопливные (сочетание различных марок жидкого топлива);
б) по способу преобразования тепловой энергии в механическую:
1) поршневые [по числу и расположению цилиндров (рядные, V-образные, оппозитные и др.)];
2) роторно-поршневые;
3) аксиально поршневые;
в) по способу воспламенения рабочей смеси:
1) двигатели с принудительным зажиганием рабочей смеси (например, с искровым зажиганием);
2) двигатели с воспламенением от сжатия (например, дизельные, газодизельные двигатели);
г) по способу осуществления рабочего цикла (тактность):
1) четырехтактные;
2) двухтактные;
д) по способу охлаждения:
1) с жидкостным охлаждением;
2) воздушным охлаждением;
е) по способу наполнения цилиндра:
1) атмосферные;
2) с наддувом (газотурбинным и/или с механическим приводом агрегата наддува или другого типа, например с электроприводом).
5.2 Данная классификация не охватывает все типы поршневых двигателей, но может служить основой для классификации других типов поршневых двигателей, на которые распространяется область применения настоящего стандарта.
6 Условия проведения испытаний
6.1 Двигатели серийного производства и опытные образцы новых и модернизированных двигателей перед испытаниями должны быть обкатаны в объеме, установленном нормативными документами и технической документацией на обкатку двигателей, утвержденными в установленном порядке. Двигатели, бывшие в эксплуатации, обкатке не подлежат.
6.2.1 Испытания рекомендуется проводить при стандартных атмосферных условиях: температура воздуха на входе в двигатель Ta = 298 К (25 °C) и атмосферное давление сухого воздуха ps = 99 кПа. Допустимые диапазоны указанных параметров: 283 К <= Ta <= 313 К (10 °C <= Ta <= 40 °C), 80 кПа <= ps <= 110 кПа.
6.2.2 Измеряют температуру
Ta, К, давление
ps, кПа, и вычисляют коэффициент атмосферных условий
fa по формулам:
а) двигатели с воспламенением от сжатия:
- двигатели без наддува и двигатели с механическим приводом агрегата наддува:

; (1)
- двигатели с газотурбинным наддувом (с охлаждением наддувочного воздуха или без охлаждения):

; (2)
б) двигатели с принудительным (искровым) зажиганием:

. (3)
6.2.3 Достоверность испытаний по ВВВ
Для того, чтобы испытания были признаны достоверными, значения параметра fa должны находиться в диапазоне от 0,96 до 1,06.
6.3 Двигатели с охлаждением воздушного заряда (наддувочного воздуха)
Температура воздушного заряда при полной нагрузке и частоте вращения, соответствующей заявленной максимально мощности, должна составлять +/- 5 К (+/- 5 °C) от максимальной температуры наддувочного (впускного) воздуха, предписанной изготовителем. Температура охлаждающей субстанции должна быть не менее 293 К (20 °C).
Если используют лабораторную систему или внешний вентилятор, то температура воздушного заряда должна составлять +/- 5 К (+/- 5 °C) от максимальной температуры воздуха после теплообменника охлаждения наддувочного воздуха (ТОНВ), указанной изготовителем при полной нагрузке и частоте вращения, соответствующей заявленной максимальной мощности.
6.4.1 Мощность нетто определяют при комплектации двигателя, приведенной в
таблице А.1 приложения А. Если невозможно проведение испытаний двигателя в комплектации, указанной в
приложении А, необходимо полученную мощность скорректировать для определения полезной мощности в соответствии с
9.2.2.
Удельные ВВВ определяют по отношению к неприведенной полезной мощности (нетто) при выполнении условий
6.2.3.
6.4.2 Мощность брутто определяют при комплектации двигателя, приведенной в
таблице Б.1 приложения Б.
6.4.3 При испытаниях двигателя по внешней скоростной характеристике (ВСХ) в области предполагаемого максимума мощности рекомендуется провести дополнительные замеры для определения максимальной мощности на промежуточных частотах вращений. Перед оценкой результатов испытаний по ВСХ на соответствие требованиям нормативных документов и технической документации, утвержденных в установленном порядке, измеренную мощность
Pm приводят к стандартным атмосферным условиям путем умножения ее значения на поправочный коэффициент. Расчет поправочных коэффициентов

и

, а также их допустимые значения приведены в
9.4.
6.5 Система впуска воздуха в двигатель
Необходимо использовать систему впуска воздуха в двигатель, обеспечивающую сопротивление воздуха в пределах +/- 100 Па от верхнего предела, установленного изготовителем для режима работы двигателя, соответствующего заявленной максимальной мощности.
6.6 Система выпуска отработавших газов
Используют систему выпуска КТС или лабораторную систему, обеспечивающую противодавление газов (на выпуске из турбины или на выходе из выпускного коллектора в случае отсутствия турбины) в пределах +/- 1000 Па от верхнего предела противодавления, создаваемого двигателем, работающим при полной нагрузке и частоте вращения, соответствующей заявленной максимальной мощности.
Если на выпуске двигателя установлена система отбора пробы ОГ, то выпускная труба в месте установки системы отбора ОГ должна максимально соответствовать диаметру трубы, используемой в процессе эксплуатации КТС. Расстояние от фланца выпускного коллектора или выхода турбины турбокомпрессора до СПООГ должно быть таким же, как в выпускной системе, устанавливаемой в эксплуатации, или в пределах длины, заявленной изготовителем. Участок трубы с установленным пробоотборником (мерный участок) должен иметь одинаковый диаметр на всем своем протяжении.
Если диаметр или форма выпускной трубы отличаются от диаметра мерного участка, то на входе в мерный участок должен быть установлен переходной элемент. При объединении патрубков от отдельных групп цилиндров двигателя переходный элемент должен обеспечивать равномерное перемешивание ОГ из всех цилиндров.
Система выпуска должна отвечать требованиям в отношении отбора проб - см.
[2] <1>.
--------------------------------
<1> В Российской Федерации действует
ГОСТ Р ИСО 16183-2013 "Высоконагруженные двигатели. Измерение выбросов газообразных вредных веществ в неразбавленных отработавших газах и выбросов частиц с использованием системы разбавления части потока при проведении испытаний на быстропеременных режимах".
Противодавление или ограничение выпуска должно соответствовать изложенным выше критериям и может регулироваться с помощью клапана.
Необходимо использовать систему охлаждения достаточной производительности для поддержания нормальной рабочей температуры двигателя, предписанной изготовителем.
Циркуляцию охлаждающий жидкости осуществляют за счет штатных насосов двигателя. Если вместо штатного радиатора используют стендовую систему охлаждения, то потери во внешнем контуре системы охлаждения должны соответствовать потерям давления в штатной системе охлаждения двигателя.
Если вентилятор (в том числе электрический) отключен или не установлен, то расчет полезной мощности проводят в соответствии с
9.2. Если мощность, затрачиваемая на привод вентилятора, не известна, то ее определяют в соответствии с
8.10.
Температуру охлаждающей жидкости на выходе из двигателя поддерживают на уровне, указанном изготовителем. В случае отсутствия данных по температуре охлаждающей жидкости ее поддерживают в пределах 348 - 358 К (75 °C - 85 °C).
При проведении испытаний двигателей воздушного охлаждения температуру двигателя в точке, указанной в ТУ на двигатель, поддерживают в пределах между максимальным значением, указанным в ТУ на двигатель, и уменьшенным на 293 К (20 °C) значением по ТУ.
При отсутствии таких указаний температура охлаждающего воздуха должна находиться в диапазоне от 293 К (20 °C) до 313 К (40 °C).
Используемое масло должно соответствовать заявленному изготовителем. Характеристики смазочных материалов, используемых при проведении испытаний, должны быть зафиксированы и представлены в протоколах испытаний.
Температура масла, измеренная в масляном насосе, маслоотстойнике или на выходе из масляного радиатора, если таковой имеется, должна поддерживаться в пределах, установленных изготовителем двигателя.
Если нет данных изготовителя по температуре моторного масла, то, за исключением двигателей, оборудованных жидкостно-масляным теплообменником (ЖМТ), ее следует поддерживать в пределах 353 - 373 К (80 °C - 100 °C). При испытаниях двигателя со штатным ЖМТ осуществляют только регистрацию значений измеренных температур масла.
Характеристики топлива, применяемого при испытаниях, должны быть определены, зарегистрированы и указаны в протоколах испытаний. Используемые при испытаниях двигателя дизельное топливо или бензин должны соответствовать требованиям
[3], ДМЭ - см.
[4], а также
[5] -
[7]. Используемое при испытаниях газообразное топливо должно соответствовать требованиям:
ГОСТ 27577 - для КПГ;
ГОСТ 27578 - для СУГ; указанным в нормативных документах государств, принявших настоящий стандарт <1>, - для СПГ; для водорода - см.
[8] <2>. При использовании топлив, называемых эталонными, должны быть представлены код справочной информации и анализ топлива (см.
приложение Г). Температура топлива на входе в двигатель или топливный насос высокого давления должна поддерживаться в пределах 306 - 316 К (33 °C - 43 °C).
--------------------------------
<1> В Российской Федерации действует
ГОСТ Р 56021-2014 "Газ горючий природный сжиженный. Топливо для двигателей внутреннего сгорания и энергетических установок. Технические условия".
<2> В Российской Федерации действует
ГОСТ Р ИСО 14687-1-2012 "Топливо водородное. Технические условия на продукт. Часть 1. Все случаи применения, кроме использования в топливных элементах с протонообменной мембраной, применяемых в дорожных транспортных средствах".
6.10 Для поддержания температур, установленных в
6.7 -
6.9, допускается использовать, при необходимости, вспомогательную систему охлаждения или автономный вентилятор.
6.10.1 При каждом испытании число точек измерений должно быть достаточным для того, чтобы при построении характеристик выявить форму и характер протекания кривой во всем диапазоне исследуемых режимов.
6.10.2 Показатели двигателя определяют как при ручном, так и при автоматическом управлении стендом. Показатели двигателя определяют при установившемся режиме работы, за исключением испытательных циклов ETC, ELR и WHTC по
[9].
6.10.3 Значения крутящего момента, частоты вращения и расхода топлива определяют одновременно. В протокол вносят среднее арифметическое значение результатов двух последовательных измерений, которые не должны отличаться более чем на 2%.
6.10.4 При определении рабочих показателей, условных механических потерь и равномерности работы цилиндров фиксируют показатели, перечисленные в
8.9.
7 Испытательный стенд и аппаратура
7.1 Требования к точности приборов следует определять заданной необходимой погрешностью непосредственно измеряемых параметров либо рассчитываемых на основе измеренных значений.
Испытательный стенд должен быть оборудован приборами и измерительной аппаратурой, позволяющими проводить измерение показателей с точностью, указанной в
таблице 1.
Таблица 1
Минимальная точность измерительных приборов
Измеряемый параметр | Допускаемая погрешность |
| +/- 2% от считываемых значений или +/- 1% от максимального значения двигателя, в зависимости от того, какой из этих показателей выше |
|
3 Расход топлива |
4 Расход воздуха |
5 Температура воздуха | +/- 1 К (+/- 1 °C) |
6 Температура топлива | +/- 2 К (+/- 2 °C) |
7 Расход ОГ | +/- 2,5% считываемых показаний |
8 Температура охлаждающей жидкости | +/- 2 К (+/- 2 °C) |
9 Температура моторного масла | +/- 2 К (+/- 2 °C) |
10 Температура ОГ | +/- 2 К (+/- 2 °C) |
11 Атмосферное давление | +/- 0,1 кПа абсолютной величины |
12 Противодавление ОГ | +/- 0,2 кПа абсолютной величины |
13 Разрежение на входе | +/- 0,05 кПа абсолютной величины |
14 Относительная влажность | +/- 3% абсолютной величины |
15 Абсолютная влажность | +/- 5% считываемых показаний |
16 Угол опережения зажигания или начала подачи топлива | +/- 0,5° поворота коленчатого вала |
17 Давление наддувочного воздуха | +/- 200 Па (2,0 мбар) |
18 Расход разбавителя | +/- 2% считываемых показаний |
19 Расход разбавленных ОГ | +/- 2% считываемых показаний |
| +/- 5% считываемых показаний |
21 Концентрации CO, CO 2, O 2 | +/- 5% считываемых показаний |
| +/- 3% от считываемых показаний или +/- 2 млн-1, в зависимости от того, какое из этих значений больше |
Примечания 1 Дополнительные требования к параметрам 1 и 2 по частоте управляющего сигнала указаны в 7.2.1. |
7.2 Динамометр и оборудование испытательного бокса
Динамометр, имеющий необходимые характеристики, соединяется с двигателем с помощью вала.
Вал, соединяющий двигатель и динамометр, должен быть подобран с характеристиками, гарантирующими нахождение резонансной частоты вне нормального рабочего диапазона двигателя или основных режимов испытаний.
Примечание - Неправильный подбор вала и соединительных муфт, а также неправильный монтаж двигателя и динамометра могут привести:
- к увеличению крутильных колебаний;
- вибрации двигателя или динамометра;
- выходу из строя соединительного вала;
- повреждению подшипников двигателя или динамометра.
Особая осторожность необходима там, где момент инерции динамометра более чем в два раза превышает момент инерции двигателя.
Для проведения испытаний, описанных в
разделе 8 и в
[9] (см. также
[2]), используют динамометр, который должен обеспечивать требуемые ускорения и минимальные моменты инерции вращающихся масс.
Рекомендуемая частота управляющего сигнала динамометра для испытания на быстропеременных режимах - 10 Гц (допускается не менее 5 Гц). При испытаниях по определению уровня выбросов в циклах ETC и WHTC по
[9] динамометр должен позволять выполнять заданный цикл. Оценку точности выполнения цикла проводят по фактической работе в цикле
Wact, кВт·ч, и регрессионному анализу.
7.2.2 Измерение расхода топлива
Приборы или устройства для измерения расхода топлива не должны оказывать влияние на работу двигателя. Давление топлива, подводимого к двигателю и отводимого от двигателя, должно соответствовать требованиям ТУ на двигатель. Если в ТУ не указано необходимое давление отводимого топлива, то оно должно составлять не более 25 кПа.
Расход топлива может измеряться весовым или объемным (с учетом плотности топлива и, если необходимо, температуры топлива в устройстве измерения расхода топлива) способом. В устройстве для измерения расхода топлива или отдельно от него должно быть установлено устройство для поддержания температуры топлива на входе в двигатель.
Погрешность измерения, если не установлены другие требования, должна соответствовать указанной в
таблице 1.
Для двухтопливных двигателей, работающих в двухтопливном режиме, необходимо проводить измерение расхода одновременно двух видов топлива.
Если измерение расхода проводят в ручном режиме, то продолжительность замера должна составлять не менее 30 с. Массовый расход жидкого топлива gF, кг/ч, в этом случае вычисляют по формуле

, (4)
или

, (5)
где VF - объем мерного сосуда, дм3;
mF1 - масса емкости с топливом в начале замера, кг;
mF2 - масса емкости с топливом в конце замера, кг;

- плотность топлива при испытаниях, кг/м
3;

- продолжительность измерения расхода топлива, с.
7.2.3 Измерение расхода воздуха
Приборы или устройства для измерения расхода воздуха не должны создавать дополнительное разрежение выше требований, указанных в ТУ на двигатель, или искажать кривые крутящего момента и часового расхода топлива, определенные без указанных приборов и устройств, более чем на +/- 1% во всем диапазоне скоростной характеристики.
Для измерения могут быть использованы ультразвуковой расходомер, вихревой расходомер, термоанемометрический расходомер, объемный расходомер или дифференциальное устройство измерения давления, например мерное сопло, с учетом требований, указанных в
6.5. Точность измерения массового расхода воздуха должна соответствовать указанной в
таблице 1.
Измеренный объемный расход воздуха переводится в массовый расход воздуха gA, кг/ч, по формуле

, (6)
где QA - объемный расход воздуха, м3/ч;

- плотность воздуха, кг/м
3.
7.2.4 Измерение массового расхода отработавших газов
Измерение массового расхода ОГ возможно двумя способами:
а) непосредственное измерение расхода ОГ, производимое с помощью следующих устройств:
- дифференциальное устройство измерения давления, например трубка Пито;
- ультразвуковой расходомер;
- вихревой расходомер.
Во избежание погрешностей измерения, которые приведут к ошибочным значениям удельных ВВВ, необходимо тщательно устанавливать измерительное устройство в системе выпуска ОГ двигателя в соответствии с рекомендациями изготовителя прибора. Особое внимание необходимо обращать на то, чтобы установка устройства не сказалась отрицательно на характеристиках двигателя и параметрах выбросов, также необходимо учитывать требования, указанные в
6.6;
б) метод расчета расхода ОГ
Этот метод предполагает измерение расхода воздуха и топлива с помощью соответствующих расходомеров и вычисление значений расхода ОГ по
формуле (23).
Для двухтопливных двигателей, работающих в двухтопливном режиме, измеряют значения расхода каждого топлива и полученные значения массового расхода суммируют в соответствии с
формулой (24).
7.2.5 Расход реагента системы последующей обработки отработавших газов
Если на участке до пробоотбора системы измерения ВВВ или взвешенных частиц добавляют в ОГ реагент СПООГ (не учтенный при измерениях расхода воздуха и топлива), объем которого может превышать погрешность измерения (см.
таблицу 1), то при определении расходов ОГ по
7.2.4, способ б), проводят учет внешнего компонента, добавляемого в ОГ. В этом случае проводят замер расхода реагента, используемого в СПООГ.
7.2.6 Оборудование для измерения выбросов вредных веществ и частиц
7.2.6.1 Определение содержания газообразных ВВВ
Диапазон измерений газоанализаторов должен соответствовать ожидаемым ВВВ и точности, требуемой для измерения концентраций компонентов ОГ.
При сертификационных испытаниях для анализа ВВВ необходимо использовать следующие типы анализаторов:
- недисперсионный инфракрасный анализатор (NDIR) абсорбционного типа для измерения оксида углерода (CO);
- нагреваемый хемилюминесцентный детектор (HCLD) с конвертером NO2/NO для измерения оксидов азота (NOx), если измерения проводят на влажной основе, и хемилюминесцентный детектор (CLD) - при измерении на сухой основе;
- нагреваемый пламенно-ионизационный детектор (HFID), для суммарных углеводородов (HC);
- отдельный FID для измерения метановой фракции, перед которым установлен отделитель неметановой фракции (NMC).
Углеводороды, не содержащие метан (NMHC) в ОГ двигателей, работающих на природном газе (КПГ или СПГ), определяют путем вычитания фракции метана из суммарных углеводородов.
Измерение аммиака NH3 следует производить методом диодно-лазерной спектрометрии (LDS) или инфракрасным спектроанализатором с преобразователем Фурье (FTIR).
В зависимости от типа испытаний погрешность газоанализаторов должна отвечать требованиям соответствующих нормативных документов и технической документации, утвержденных в установленном порядке, при этом не превышать значений погрешностей, указанных в
таблице 1.
Погрешности показаний анализатора при испытаниях двигателя на режимах циклов ESC, ETC, WHSC и WHTC по
[9] не должны отклоняться от номинального значения в каждой калибровочной точке более чем на +/- 2% считываемых показаний с учетом погрешности калибровочных газов. На быстропеременных циклах частота измерений анализаторами HC и NO
x должна составлять не менее 2 Гц, а для CO и NH
3 - не менее 1 Гц.
Особое внимание должно быть обращено на характеристики времени срабатывания различных средств измерений. Эти различия должны быть учтены при синхронизации сигналов по времени.
Массовые выбросы вычисляют путем умножения мгновенных значений концентраций газообразных компонентов на мгновенные значения массового расхода ОГ.
При контрольных (периодических) испытаниях бензиновых двигателей, если допускается программой испытаний, для измерения углеводородов возможно использовать инфракрасный газоанализатор, для оксидов азота - электрохимический. Погрешность измерения для данных газоанализаторов не должна превышать значений, указанных в
таблице 1.
При измерениях в двигателях с разнесенными группами выпускных патрубков, например в V-образных двигателях, рекомендуется объединять патрубки на участке до пробоотборника. Если это практически неосуществимо, то разрешается отбирать пробу из группы с самым высоким уровнем выбросов CO2. Допустимо также определение суммарных выбросов проводить при одновременном замере выбросов в каждом выпускном патрубке, если для каждого патрубка проводят замер расхода ОГ.
Требования к газоаналитическому оборудованию, процедуре измерения ВВВ и к расчету удельных ВВВ - см. в
[2].
7.2.6.2 Определение содержания взвешенных частиц в ОГ
Для определения выброса взвешенных частиц необходима система разбавления полного потока ОГ или только его части.
Часть потока ОГ пропускают через фильтр [при температуре фильтра ниже 325 К (52 °C)] для всего испытательного цикла. Как правило, используют один фильтр (реже - два).
Массу взвешенных частиц на фильтре определяют по разности масс фильтра до и после испытаний.
Для определения массы необходимы весы с точностью взвешивания до миллионной доли грамма и камера для взвешивания с контролем температуры и влажности (см.
[2]).
При определении выбросов взвешенных частиц с использованием системы разбавления части потока ОГ используют значения массового расхода ОГ, чтобы можно было отбирать пробу пропорционально массовому расходу ОГ (см.
7.2.4).
Длина мерного участка с постоянным диаметром, на котором установлен пробоотборный зонд, должна составлять не менее восьми диаметров мерного участка с учетом требований, указанных в
6.6.
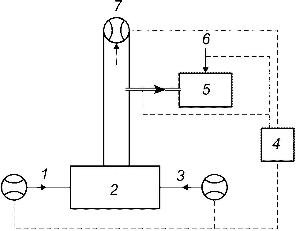
Возможный вариант схемы измерения представлен на
рисунке 1. Данные о значениях расхода ОГ передаются от расходомера отработавших газов
7 (или от расходомеров
1 и
3) в блок управления
4, который управляет расходом воздуха, подающегося для разбавления отобранной части потока ОГ.

- отбор ОГ;

- измерение расхода;

- сигналы в системе управления и обработки;
1 - расход топлива; 2 - двигатель; 3 - расход воздуха;
4 - блок управления; 5 - система разбавления части потока;
6 - разбавляющий воздух; 7 - расход отработавших газов
Рисунок 1 - Схема измерения выбросов взвешенных частиц
с использованием туннеля для разбавления части потока ОГ
7.2.7 Оборудование для измерения дымности
7.2.7.1 Измерения проводят на двигателе, установленном на испытательном стенде, оборудованном приборами по
7.1 и дымомером, работающим по методу просвечивания столба ОГ лучом света определенной длины. Дымомер должен иметь линейную шкалу, отградуированную от 0 до 10 м
-1, при эффективной базе
LA = 0,43 м (или другой с автоматическим приведением измерения к базе
LA = 0,43 м) (см.
[10] <1>). Допускается использовать дымомеры с меньшим диапазоном измерения, например 0 - 2 м
-1.
--------------------------------
<1> В Российской Федерации действует ГОСТ Р ИСО 11614-2011 "Двигатели внутреннего сгорания поршневые с воспламенением от сжатия. Прибор для измерения дымности и определения коэффициента поглощения светового потока в отработавших газах".
7.2.7.2 При измерении дымности ОГ автомобильных дизелей, определяемой на режимах ВСХ в соответствии с
8.17.3 и
[11], на испытательном стенде возможно совмещать этот замер с определением полезной мощности в соответствии с
6.4 и
8.8.
7.2.7.3 Дымность измеряют дымомером, работающим как в режиме регистрации значений дымности N, так и в режиме считывания коэффициента светопоглощения k.
Первый режим применяют только для калибровки и проверки дымомера.
Показания дымности в испытательном цикле определяют по результатам измерений коэффициента светопоглощения
k (см.
приложение Д).
Дымомер может быть встроен в мерный участок стенда, тогда измерение дымности происходит на всем потоке ОГ. В дымомере этого типа эффективная оптическая база зависит от конструкции дымомера.
Простейшая конструкция выпускной трубы подобного типа показана на
рисунке 2.
1 - полнопоточный дымомер; 2 - выпускная труба круглого
сечения; ОГ - поток ОГ; dвн - внутренний диаметр выпускной
трубы (dвн может быть приравнен к наружному диаметру
выпускной трубы при толщине стенок менее 1,5 мм)
Рисунок 2 - Прямая цилиндрическая выпускная труба
круглого сечения без скоса
При использовании дымомера для измерения части потока репрезентативная проба ОГ отбирается из выпускной трубы и поступает через отводящий патрубок в измерительную камеру прибора (см.
рисунок 3).
1 - выпускной трубопровод дизеля; 2 - выпускная труба
испытательного стенда; 3 - газоотборник дымомера;
4 - ресивер; 5 - измерительный прибор;
6 - регулирующая заслонка
Рисунок 3 - Схема измерения дымности ОГ
7.2.7.4 Дымомер и пробоотборники, при их использовании, устанавливают на выпуске двигателя или любого устройства СПООГ, если таковое имеется, в соответствии с общими инструкциями по установке, разработанными изготовителем данной аппаратуры.
7.2.7.5 Конструкция выпускной системы стенда и трубопроводов пробоотборной системы должна обеспечивать отсутствие подсоса воздуха и утечек газов, приводящих к изменению дымности ОГ.
7.2.7.6 Зонд газоотборника должен представлять собой трубку с открытым концом (или скосом), расположенным в центре по оси выпускной трубы и обращенным навстречу потоку ОГ. У V-образных дизельных двигателей отбор проб проводят из общего выпускного трубопровода, а при невозможности объединения трубопроводов - из каждого ряда цилиндров.
7.2.7.7 Зонд газоотборника должен быть расположен в прямолинейном участке выпускной трубы испытательного стенда постоянного диаметра
D на расстоянии не менее 6
D от входного сечения и не менее 3
D от выходного сечения этой трубы (или от оси регулирующей заслонки), как показано на
рисунке 3.
7.2.7.8 Соединительные патрубки между газоотборником и прибором измерения дымности длиной не более 3,5 м устанавливают с подъемом в сторону прибора. Они не должны иметь отложений сажи на внутренних поверхностях.
7.2.7.9 Допускается для повышения давления газов при отборе проб устанавливать регулирующую заслонку (см.
рисунок 3) в выпускной трубе испытательного стенда на расстоянии не менее 3
D от входного отверстия зонда газоотборника.
7.2.7.10 При измерении на установившихся режимах для уменьшения колебаний давления в потоке ОГ допускается устанавливать ресивер в пробоотборную магистраль дымомера.
7.2.7.11 Температура газа в измерительной камере прибора должна быть не ниже 343 К (70 °C) и не выше максимально допустимой, указанной изготовителем прибора.
Изменение давления газа и продувочного воздуха в измерительной камере не должно приводить к изменению коэффициента поглощения светового потока k более чем на 0,075 м-1 для газа с коэффициентом поглощения, близким к 1,7 м-1 (если диапазон измерения дымомера меньше, то не более 4% от полной шкалы).
Если дымомер не имеет встроенной корректировки по давлению и температуре (например, ввиду отсутствия датчиков давлений и температур), то при сопоставлении результатов измерений дымности ОГ в двух различных экспериментах необходимо применять приведение к стандартным атмосферным условиям: давлению pb, равному 100 кПа, и температуре Tnorm, равной 373 К (100 °C). Скорректированный коэффициент поглощения светового потока kcorr, м-1, вычисляют по формуле

, (7)
где k - коэффициент поглощения светового потока, измеренный дымомером, м-1;
Tgas - температура газа в измерительной камере, К (°C);
Tnorm - нормированная температура дымомера, К (°C);
pb - атмосферное давление, кПа;
pgem - абсолютное давление в измерительной камере, кПа.
Формулу (7) применяют, если температура ОГ во всех точках измерительной камеры находится в диапазоне от 343 до 553 К (от 70 °C до 280 °C).
Допускается для обеспечения указанных температур устанавливать в подводящей магистрали перед прибором теплообменник.
Если эффективная база дымомера, используемого при испытаниях, не равна стандартной, показания должны быть приведены к показаниям шкалы дымомера со стандартной эффективной базой (см.
[10]).
7.2.7.12 Давление в выпускной трубе и характеристики падения давления в трубе для отбора проб должны быть таковы, чтобы зонд забирал пробу, в значительной мере эквивалентную той, которая получается при отборе из равномерного потока.
7.2.7.13 Патрубки между зондом, охлаждающим устройством, ресивером (устанавливаемым при необходимости) и дымомером должны быть, по возможности, короче и удовлетворять требованиям производителя прибора в отношении давления и температуры.
7.2.7.14 Система отбора проб должна быть такой, чтобы на всех частотах вращения работы двигателя давление от пробы к дымомеру было в пределах, установленных изготовителем прибора, и не влияло на показания прибора. Это может быть проверено путем измерения давления пробы при замедленном прохождении режимов и при максимально быстром увеличении частоты вращения от минимальной частоты вращения холостого хода до максимальной частоты вращения без нагрузки. В зависимости от конструкции дымомера контроль за давлением пробы может осуществляться с помощью клапана в выпускной или соединительной трубе. Перед дымомером может быть установлен перепускной клапан (если он не включен в конструкцию самого прибора) с целью перекрыть поступление в него ОГ в периоды между проведением замеров.
7.2.7.15 Проверку дымомера необходимо проводить перед испытанием - на нулевой отметке и на полной шкале в режиме градуировки для определения дымности, поскольку шкала дымности, как правило, обеспечивает лишь две достоверно определяемые калибровочные точки. Отклонение при проверке ноля не должно превышать более чем на 0,025 м-1 или 2% полной шкалы k (в зависимости от того, какая величина меньше) в течение 1 ч или времени проведения испытания (в зависимости от того, какая величина меньше).
7.2.7.16 Дополнительно промежуточная проверка должна проводиться путем введения в дымовую камеру фильтра с известным коэффициентом поглощения, значение k которого должно быть известно с точностью до 0,025 м-1. Проверка заключается в том, чтобы определить, не отличается ли это значение более чем на 0,05 м-1 от значения, регистрируемого дымомером, когда фильтр введен между источником и приемником света.
7.2.7.17 Соотношение значений основного и вспомогательного показателей дымности
k и
N приведено в
приложении Д.
8 Методы и правила проведения испытаний
8.1 Испытаниям подвергают обкатанный двигатель (за исключением предварительно обговоренных в нормативных документах и технической документации, утвержденных в установленном порядке, случаев), укомплектованный штатным вспомогательным оборудованием (см.
приложения А и
Б) в соответствии с ТУ на двигатели конкретного типа и программой испытаний. Допускается доукомплектовать двигатель на стенде вспомогательным оборудованием на время испытания двигателя при условии, если оно соответствует ТУ на двигатель.
8.2 Во время испытаний на двигателе не допускается проведение работ и регулировок, кроме необходимых работ по техническому обслуживанию двигателя, предусмотренных в руководстве по эксплуатации (РЭ) и программе испытаний.
При прекращении (перерыве) испытаний, вызванном неисправностями деталей, узлов или сборочных единиц двигателя или испытательного оборудования, вопрос о частичном или полном повторении испытаний должен быть согласован в порядке, установленном программой испытаний.
8.3 Атмосферные условия (барометрическое давление, температура воздуха, относительная влажность воздуха на входе в двигатель) и параметры работающего двигателя (давление на впуске, противодавление на выпуске, температура охлаждающей жидкости на выходе из двигателя и на его входе, температура наддувочного воздуха после ТОНВ, температура топлива на входе в двигатель) должны соответствовать указанным в
разделе 6.
Примечание - Для отдельных случаев особые условия испытаний указывают в программе испытаний. Допускается испытывать двигатель при искусственно измененных условиях, имитирующих условия эксплуатации двигателя, с соответствующим пересчетом мощности.
8.4 Испытания проводят на одной из основных марок топлива, моторного масла и охлаждающей жидкости, указанных в ТО и/или ТУ на двигатель.
Если необходимо, проводят испытания на резервных топливах.
В протоколе испытания двигателя указывают марки применяемого топлива, моторного масла и других жидкостей.
8.5 К протоколу испытаний двигателя должен быть приложен паспорт на топливо или протокол определения физико-химических свойств топлива.
8.6 Двигатели с принудительным зажиганием, которые могут работать либо на бензине, либо на газообразном топливе, необходимо испытывать на обоих видах топлива, за исключением случая, когда бензиновая система предназначена только для использования в чрезвычайных ситуациях или для запуска двигателя, при этом максимальная емкость бензобака не превышает 15 л.
В случае двухтопливного двигателя, имеющего возможность работать в однотопливном режиме (на дизельном топливе или бензине), испытание состоит из прогона одного и того же двигателя в двухтопливном и однотопливном режимах.
8.7 Проверка сопроводительной документации и комплектности двигателя
8.7.1 Комплектность и качество сопроводительной документации определяют по анализу комплекта документации, предъявляемой с двигателем на испытание, при этом проверяют правильность ее оформления.
8.7.2 Комплектность двигателя определяют по наличию всех комплектующих сборочных единиц, установленных (прилагаемых) на двигатель в соответствии с КД.
8.7.3 Контролепригодность двигателя определяют по приспособленности его конструкции к установке средств функционального контроля и диагностирования в соответствии с КД. При наличии функции бортовой диагностики, встроенной в электронный блок управления двигателя (ЭБУ), проверяют совместимость с внешним оборудованием диагностики.
8.8 Правила определения характеристик
8.8.1 При испытаниях определяют скоростные характеристики, устанавливающие зависимость показателей двигателя от частоты вращения коленчатого вала, и нагрузочные характеристики, устанавливающие зависимость показателей двигателя от его нагрузки при установившейся частоте вращения коленчатого вала. Требования к приборам указаны в
разделе 7.
8.8.2 ВСХ определяют при полностью открытом дросселе, включенном зажигании и подаче топлива у двигателя с принудительным зажиганием, при полной подаче топлива у дизельного двигателя (и при углах опережения зажигания или начала подачи топлива, указанных в ТУ на двигатель).
В зависимости от укомплектованности двигателя вспомогательными устройствами и оборудованием определяют мощность нетто или брутто.
8.8.2.1 При определении полезной мощности (нетто) по
[12] двигатель должен быть укомплектован серийным оборудованием и устройствами в соответствии с
приложением А.
8.8.2.2 При определении мощности брутто двигатель должен быть укомплектован серийным оборудованием и устройствами в соответствии с
приложением Б.
8.8.2.3 Вспомогательные устройства, не обслуживающие двигатель, и оборудование, необходимое для специальных целей в условиях эксплуатации КТС (например, компрессоры тормозной системы, сервомеханизмы, системы кондиционирования, участки выпускной системы, предназначенные для обогрева кузова, и т.п.), должны быть отключены или демонтированы при испытаниях.
Если такое вспомогательное оборудование не может быть отключено или демонтировано, должна быть определена мощность, потребляемая им на всем диапазоне скоростной характеристики, и прибавлена к мощности двигателя. Оборудование, необходимое для работы двигателя, но не смонтированное (в том числе электровентиляторы), учитывают в соответствии с
9.2.2.
8.8.3 Для двигателей, снабженных отключаемым ограничителем частоты вращения, скоростные характеристики определяют дважды: с включенным и отключенным ограничителями.
8.8.4 При определении скоростных характеристик должны быть выявлены точки, соответствующие минимальной рабочей, номинальной и максимальной частотам вращения, установленным ТУ на двигатель для мощности нетто (или брутто), частотам вращения при максимальном крутящем моменте, при минимальном удельном расходе топлива и начале срабатывания ограничителя частоты вращения.
Примеры построения скоростных характеристик приведены на
рисунках Е.1 и
Е.2 приложения Е.
8.8.5 Скоростные частичные характеристики определяют при некотором промежуточном положении дросселя, постоянном для всей характеристики, или неизменном промежуточном положении рычага управления, соответствующем неполной подаче топлива. Примеры построения частичных характеристик приведены на
рисунке Е.3 приложения Е.
8.8.6 Характеристики холостого хода определяют при работе двигателя без нагрузки при включенном зажигании и подаче топлива. Характеристики определяют в диапазоне частот вращения от минимально устойчивого холостого хода до максимальной (допускается для двигателей с принудительным зажиганием определять характеристику до частоты вращения, равной 60% от nном). При определении характеристики тормоз должен быть отсоединен от двигателя.
Пример построения характеристики холостого хода приведен на
рисунке Е.4 в приложении Е. При измерении расхода топлива допускается определение только одной точки при минимальной частоте вращения холостого хода (
nх.х min). Для двигателей с двухрежимным регулятором определяют расход топлива в двух точках: при
nх.х min и
nх.х max.
8.8.7 Нагрузочные характеристики определяют при постоянной частоте вращения, при включенном зажигании и подаче топлива при изменении открытия дросселя от полного до соответствующего холостому ходу, а для дизельных двигателей - в диапазоне от максимальной до минимальной подачи топлива. При определении нагрузочных характеристик должны быть выявлены точки, соответствующие минимальным удельным расходам топлива.
Пример построения нагрузочных характеристик приведен на
рисунке Е.5 приложения Е.
8.9 Определение условной мощности механических потерь и равномерности работы цилиндров двигателя
8.9.1 Условную мощность механических потерь в диапазоне частот вращения от частоты, соответствующей максимальному крутящему моменту, до номинальной частоты вращения определяют одним из следующих методов:
- методом прокручивания коленчатого вала двигателя балансирной электрической машиной (при ее работе в моторном режиме);
- методом отключения цилиндров при работе двигателя с полностью открытым дросселем (для двигателей с принудительным зажиганием) или с полной подачей топлива (для дизельных двигателей).
Следует учитывать, что полученная таким образом мощность механических потерь может не отражать реальных значений механических потерь и может служить только для сравнения однотипных двигателей по определенному методу и в одинаковой комплектации.
8.9.2 Условную мощность механических потерь определяют на двигателе, укомплектованном серийным оборудованием и устройствами в соответствии с
приложением А или
Б.
8.9.3 Определение условной мощности механических потерь методом прокручивания проводят при полном открытии дросселя, выключенном зажигании, без подачи топлива и при принудительном вращении коленчатого вала двигателя в диапазоне от частоты вращения, соответствующей максимальному крутящему моменту
nMmax до номинальной частоты вращения
nном (см.
9.19).
В промежутках между измерениями в опытных точках температуры охлаждающей жидкости и масла выдерживают в соответствии с
6.7 и
6.8 (если применимо), данные температуры указывают в протоколах испытаний.
8.9.4 Для определения условной мощности механических потерь методом отключения цилиндров находят разность между мощностью, развиваемой двигателем во время работы всех цилиндров, и мощностью, развиваемой двигателем при выключенном зажигании (подаче топлива) в одном из цилиндров, т.е. определяют условную индикаторную мощность цилиндра. Вычитание эффективной мощности двигателя из суммы условных индикаторных мощностей всех цилиндров данного двигателя определяет значение мощности, затрачиваемой на механические потери (см.
9.22).
Перед выключением очередного цилиндра должны быть восстановлены температуры охлаждающей жидкости и моторного масла в соответствии с
6.7 и
6.8. Частота вращения коленчатого вала при отключении отдельных цилиндров может отличаться от частоты вращения при работе всех цилиндров в пределах +/- 1%.
8.9.5 Допускается применение других методов определения условных механических потерь, например метод двойного выбега, при котором значение условных механических потерь оценивают по запасу кинетической энергии движущихся деталей двигателя.
8.9.6 Равномерность работы цилиндров определяют методом отключения отдельных цилиндров, как указано в
8.9.4.
Должны быть определены: отклонения условной индикаторной мощности каждого цилиндра от средней для данного двигателя, выраженные в процентах, и коэффициент равномерности работы цилиндров, т.е. отношение наименьшей индикаторной мощности одного из цилиндров к наибольшей мощности одного из цилиндров данного двигателя (см.
9.18).
8.9.7 По данным испытаний вычисляют значения условного среднего давления механических потерь (см.
9.23), условной индикаторной мощности (см.
9.25), условного механического КПД двигателя (см.
9.20) и равномерность работы цилиндров (см.
9.18).
8.10 Определение мощности, затрачиваемой на привод вентилятора
8.10.1 Характеристику вентилятора следует определять в рабочем диапазоне частот вращений. Измерения проводят не реже, чем через каждые 500 мин-1, в том числе на режимах максимальной частоты вращения холостого хода, номинальной частоты вращения и максимального крутящего момента.
8.10.2 Максимальную мощность, потребляемую вентилятором, следует определять при снятом или полностью открытом термостате системы автоматического регулирования теплового состояния двигателя и установленных радиаторах систем охлаждения и смазки.
8.10.3 Максимальную мощность, потребляемую вентилятором, определяют как разность затрат мощности на прокручивание неработающего двигателя, оборудованного вентилятором и с отсоединенным вентилятором (см.
9.21).
8.10.4 Допускается определять максимальную мощность, потребляемую вентилятором, по разности мощностей двигателя с вентилятором и со снятым или отключенным вентилятором, работающим при заданной одинаковой частоте вращения и расходе топлива, при условии, что температура охлаждающей жидкости или головки цилиндра(ов) и моторного масла не отличается более чем на 3 К (3 °C), а температура топлива - более чем на 1 К (1 °C) от соответствующих температур охлаждающей жидкости и моторного масла при работе двигателя с вентилятором на том же режиме.
На двигателе воздушного охлаждения с отсоединенным вентилятором следует обеспечить обдув цилиндров и головок цилиндров воздухом, объемный расход которого не должен отличаться более чем на 2%, а температура - более чем на 3 К (3 °C) от расхода и температуры охлаждающего воздуха при работе двигателя с вентилятором.
8.10.5 Допускается проводить определение затрачиваемой вентилятором мощности на безмоторном стенде при условии, что аэродинамическое сопротивление на входе в вентилятор или на выходе из него (в зависимости от конструкции вентилятора) не отличается от аэродинамического сопротивления тракта системы охлаждения двигателя более чем на 3%.
8.11 Термометрирование двигателя
8.11.1 Температура цилиндров и головок цилиндров дизельного двигателя воздушного охлаждения
8.11.1.1 Двигатель перед началом измерения температуры должен проработать на каждом режиме не менее 15 мин.
8.11.1.2 Температуру цилиндров следует измерять не менее чем в четырех точках одного из цилиндров на уровне верхнего поршневого кольца при положении поршня в верхней мертвой точке (ВМТ) и не менее чем в одной точке на том же уровне каждого из остальных цилиндров.
8.11.1.3 Температуру днища головок цилиндров следует измерять в перемычке между клапанами, а также около отверстия распылителя у дизельных двигателей с неразделенной камерой сгорания и около соединительного канала вихревой камеры или предкамеры у дизельного двигателя с разделенной камерой сгорания.
8.11.2 Теплоотдача в охлаждающую жидкость (моторное масло)
8.11.2.1 Теплоотдачу определяют при максимально допустимых для длительной работы температурах охлаждающей жидкости (моторного масла) на выходе из двигателя по измеренным циркуляционному расходу охлаждающей жидкости (моторного масла) и перепаду температур.
Перепад температур охлаждающей жидкости определяют по датчикам, установленным на выходе охлаждающей жидкости из двигателя и на входе в него.
Перепад температур по моторному маслу определяют на входе и выходе из двигателя.
Теплоотдача в охлаждающую жидкость может быть определена и косвенным способом - как теплоотдача двигателя в стендовую систему охлаждения.
Полученная таким образом теплоотдача приравнивается к теплоотдаче двигателя в охлаждающую жидкость. При косвенном способе определения теплоотдачи в охлаждающую жидкость все трубопроводы, идущие от двигателя к радиаторам охлаждающей жидкости, должны быть теплоизолированы.
8.11.2.2 При установке на двигатель генератора (стартера-генератора) и/или воздушного компрессора высокого давления, имеющих водяное или масляное охлаждение, при определении теплоотдачи в охлаждающую жидкость или масло должны быть замерены расход жидкости и перепад температур.
8.11.2.3 Теплоотдачу определяют при температуре воздуха на впуске в двигатель, указанной в КД на двигатель, а при отсутствии такого указания - на максимально допустимой температуре, не приводящей к потере мощности двигателя.
8.11.3 Характеристика производительности насоса системы охлаждения
8.11.3.1 Производительность насоса, установленного на двигатель, и потоков охлаждающей жидкости через радиатор системы охлаждения следует определять по перепаду давления на радиаторе или непосредственно с помощью расходомера.
8.11.3.2 Если на время испытаний устанавливают расходомер, то перепад давления на расходомере не должен превышать 200 Па.
8.11.3.3 Если поток охлаждающей жидкости через радиатор определяют по перепаду давления, в этом случае необходимо предварительно определить зависимость расхода от перепада давления на нем, при этом температура охлаждающей жидкости на выходе из двигателя не должна отличаться от температуры в той же точке при испытаниях более чем на 10 К (10 °C).
Расходомер жидкости включают в тракт системы охлаждения перед радиатором и определяют зависимость гидравлического сопротивления радиатора от расхода охлаждающей жидкости. Затем отключают и снимают расходомер, далее по измеренному гидравлическому сопротивлению радиатора определяют расход охлаждающей жидкости при заданной частоте вращения.
Допускается вместо расходомера использовать мерную емкость, которая должна быть установлена так, чтобы во время измерения производительности насоса в нее поступала вся охлаждающая жидкость, прошедшая через двигатель и радиатор.
Охлаждающая жидкость, поступающая в двигатель, должна находиться под давлением, не отличающимся от давления при испытаниях более чем на 200 Па и быть подогрета до температуры, не отличающейся от температуры охлаждающей жидкости на выходе из двигателя более чем на 5 К (5 °C).
8.12 Индицирование (индикаторные диаграммы) двигателя
8.12.1 При индицировании допускается снимать отдельные детали и/или сборочные единицы двигателя, препятствующие установке датчика системы индицирования и его обслуживанию, а также дообрабатывать отдельные детали для обеспечения установки датчиков при условии, что это не повлияет на мощностные и экономические параметры двигателя или их изменение можно учесть в процессе испытаний.
8.12.2 У двигателя с неразделенной камерой сгорания давление следует измерять в цилиндре над поршнем.
У двигателя с камерой в поршне давление измеряют над горловиной камеры в поршне.
8.12.3 У двигателя с разделенной камерой сгорания давление измеряют в цилиндре над поршнем и в вихревой камере или в предкамере.
Примечание - Допускается не измерять давление в вихревой камере или предкамере, если это требование не включено в КД.
8.12.4 Объем камеры сгорания при установке датчика системы индицирования не должен увеличиваться за счет объема соединительного канала под датчиком индикатора более чем на 2%, а отношение длины (расстояния от поверхности днища головки блока цилиндров к торцевой поверхности датчика) к диаметру соединительного канала должно быть более одного и не более пяти.
8.12.5 С помощью системы индицирования определяют изменение давления в цилиндре в зависимости от угла поворота коленчатого вала (см.
9.28,
9.29). Рассчитывают углы выгорания 10%; 50%; 90% топлива (

;

;

). С помощью индицирования возможно более точное определение среднего индикаторного давления, чем указано в
8.9.
8.13 Определение расхода масла на угар
8.13.1 Расход масла на угар следует определять по убыли масла из картера двигателя или из масляного бака при работе двигателя на номинальной мощности двигателя и дополнительно не менее чем на двух режимах ВСХ в диапазоне частот вращений при максимальном крутящем моменте. На каждом режиме двигатель должен проработать в течение не менее 10 ч.
Допускается для прогрева двигателя работать не более 15 мин на частичных нагрузках, превышающих 60% номинальной нагрузки.
Допускается определять расход масла на угар на каждом режиме в течение одной рабочей смены, но не менее чем за 5 ч работы двигателя на заданном режиме.
8.13.2 Объем масла, залитого в картер или масляный бак, должен соответствовать максимально допустимому, указанному в КД предприятия - изготовителя двигателя.
8.13.3 Двигатель до начала испытаний необходимо прогреть до теплового состояния в соответствии с требованиями
6.7 и
6.8, затем не позднее чем через 5 мин после остановки двигателя начать слив масла из картера и/или масляного бака, а при необходимости также из других составных частей двигателя, кроме топливного насоса высокого давления и регулятора частоты вращения, конструкция которых предусматривает возможность слива масла. При этом коленчатый вал должен быть повернут таким образом, чтобы поршень первого цилиндра находился в ВМТ. Продолжительность сливания масла должна составлять 40 - 45 мин.
Слитое масло следует взвесить и снова залить в картер или масляный бак.
8.13.4 После окончания испытаний масло следует слить из картера или масляного бака в соответствии с
8.13.3. Слитое масло следует взвесить.
8.13.5 Допускается у двигателей с сухим картером определять расход масла на угар по снижению уровня масла в мерной емкости за время работы двигателя по
8.13.1 с учетом плотности масла и его температуры в емкости. Условия подготовки двигателя к испытаниям - по
8.13.2.
8.13.6 Допускается определять расход масла на угар при помощи специальных измерительных устройств, при этом двигатель должен работать на режимах, указанных в
8.13.1, объем залитого масла - по
8.13.2.
8.13.7 Измерение частоты вращения, крутящего момента и расхода топлива, а также атмосферного давления, температуры и влажности окружающего воздуха, расхода и температуры топлива во время испытаний проводят не реже чем через 30 мин.
8.13.8 Часовой расход масла вычисляют по разности замеров масла и времени работы двигателя. Относительный расход определяют отношением часового расхода масла к часовому расходу топлива в процентах (см.
9.33).
Удельный расход масла на угар вычисляют по отношению измерения массы масла в двигателе за время угарного цикла к мощности двигателя за время измерения расхода масла на угар и продолжительности угарного цикла.
8.13.9 Окончательный расход масла на угар двигателя вычисляют как среднее арифметическое расходов масла на угар, определенных для каждого режима работы двигателя.
8.14 Шумовые характеристики автомобильных двигателей
8.14.1 Испытаниям следует подвергать двигатель в техническом состоянии, соответствующем требованиям
8.1, укомплектованный оборудованием в соответствии с
приложением А. Системы топливоподачи, зажигания и другие системы двигателя должны быть отрегулированы в соответствии с требованиями КД, утвержденной в установленном порядке.
Подвод воздуха и отвод ОГ осуществляются впускной и выпускной системами стенда.
Двигатель должен быть расположен таким образом, чтобы его боковые поверхности находились на расстоянии не менее 2 м от ограждающих конструкций. Двигатель должен быть закреплен на подмоторных стойках испытательного стенда при помощи виброизоляторов, применяемых на КТС с данным двигателем или эквивалентных им по упругой характеристике опор.
8.14.2 Измерения шумовых характеристик двигателя проводят:
- в заглушенной камере с отражающим полом;
- испытательных помещениях (со звукопоглощающими облицовками стен и потолка и без них).
Объем испытательного помещения без звукопоглощающих облицовок должен быть не менее 200 м3.
Для оценки свойств звукового поля и учета влияния отраженного звука в испытательном помещении перед измерением шума двигателя определяют значение коэффициента акустических условий помещения
K2д, дБ
A, по (см.
[13] <1>) или в соответствии с
ГОСТ ISO 3745. Звуковое поле считается удовлетворительным, если
K2д <= 2 дБ
A.
--------------------------------
<1> В Российской Федерации действует
ГОСТ Р ИСО 3744-2013 "Акустика. Определение уровней звуковой мощности и звуковой энергии источников шума по звуковому давлению. Технический метод в существенно свободном звуковом поле над звукоотражающей плоскостью".
8.14.3 Шумовые характеристики определяют в исследовательских целях, при акустическом проектировании двигателей и сопоставлении их конструкций по акустическому излучению, для сравнения с нормами шума и т.д. При приемочных испытаниях двигателя определяют все шумовые характеристики, указанные в КД, а при сертификационных и контрольных испытаниях - только уровень звукового давления.
8.14.4 Методы измерения уровня шума для единичных двигателей и видов (типов, моделей, марок) двигателей указаны в
приложении Ж. Шумовые характеристики включают в сопроводительные документы (паспорт, этикетку, руководство по эксплуатации и другие по выбору предприятия-изготовителя).
8.14.5 Максимальный уровень шума (звукового давления) не должен превышать значений по
[1].
8.15 Пусковые характеристики двигателя
8.15.1 Двигатель, предназначенный для испытаний, должен быть оснащен и обкатан в соответствии с ТУ на двигатель. Применяемые на двигателях топливные системы, системы зажигания, устройства облегчения пуска, узлы и агрегаты систем охлаждения и предпускового подогрева должны соответствовать требованиям КД.
Двигатель должен быть укомплектован навесными агрегатами, системами охлаждения и предпускового подогрева, коробкой передач (либо устройством отключения сцепления от тормозной машины) и аккумуляторными батареями, предусмотренными КД, утвержденной в установленном порядке на базовую модель КТС.
Допускается изменение комплектации по согласованию с потребителем. При приемочных и периодических испытаниях допускается исключение из комплектации системы предпускового подогрева.
8.15.2 Пусковые качества оценивают при стендовых испытаниях двигателя или КТС в климатической камере или на открытом воздухе, если двигатель установлен на КТС.
8.15.3 Для определения теплового состояния двигателя рекомендуется устанавливать датчики температуры, обеспечивающие возможность контроля температур и точность измерения:
- окружающего воздуха +/- 1 К (+/- 1 °C);
- моторного масла у маслоприемника масляного насоса +/- 1 К (+/- 1 °C);
- охлаждающей жидкости в полостях блока цилиндров, головке блока и коробке термостатов (или стенок цилиндров и головок блока для двигателей воздушного охлаждения) +/- 1 К (+/- 1 °C);
- масла, подводимого к вкладышам подшипников коленчатого вала +/- 1 К (+/- 1 °C);
- топлива перед топливным насосом +/- 2 К (+/- 2 °C);
- воздуха во впускном трубопроводе +/- 1 К (+/- 1 °C);
- температуры электролита аккумуляторной батареи (в среднем аккумуляторе) +/- 1 К (+/- 1 °C).
При испытаниях двигателей с системой предпускового подогрева датчики температуры устанавливают также для контроля температур охлаждающей жидкости во входном и выходном трубопроводах подогревателя +/- 1 К (+/- 1 °C) и газов перед масляным поддоном двигателя +/- 10 К (+/- 10 °C).
Также определяют:
- плотность электролита аккумуляторной батареи после измерения температуры - +/- 0,01 г/см3;
- время - +/- 0,1 с;
- частота провертывания коленчатого вала двигателя - +/- 1%;
- напряжение - +/- 0,5%;
- ток - +/- 2%;
- положение ВМТ - +/- 1°;
- угол поворота коленчатого вала двигателя - +/- 1°;
- плотность топлива - +/- 0,001 кг/м3;
- расход топлива подогревателем - +/- 2%;
- скорость ветра - +/- 0,5 м/с, на расстоянии не менее 5 м от КТС.
8.15.4 При подготовке двигателя к приемочным и периодическим испытаниям датчики должны быть установлены в местах, исключающих разборку двигателя и обеспечивающих контроль температур: моторного масла, охлаждающей жидкости (или стенок цилиндров и головок двигателя воздушного охлаждения), воздуха во впускном трубопроводе, топлива, возможно использование приборов и датчиков системы управления двигателя, если такое допускается программой испытаний.
8.15.5 В соответствии с программой испытаний и требованиями нормативных документов и технической документации, утвержденных в установленном порядке, после подготовки выполняют:
- определение минимальных пусковых оборотов;
- определение частоты провертывания коленчатого вала двигателя электростартером (или соответствующими устройствами).
Затем на основании полученных данных определяют температуру надежного пуска двигателя.
Если заранее известна температура надежного пуска двигателя или она указана в ТО или ТУ для данной комплектации двигателя или других нормативных документах и технической документации, утвержденных в установленном порядке (например, при контрольных испытаниях), возможно сразу приступить к проведению проверки предельных температур надежного пуска двигателя (см.
приложение И).
Если необходимо, проводят проверку пуска горячего двигателя (см.
приложение И).
8.16 Определение предельных продольного и поперечного углов наклона
8.16.1 Масса масла, залитого в картер, должна соответствовать минимально допустимой, указанной в инструкции по эксплуатации испытуемого двигателя.
8.16.2 Температура моторного масла во время испытаний должна отличаться от 363 К (90 °C) не более чем на 5 К (5 °C).
8.16.3 Углы наклона должны изменяться не более чем через 4° так, чтобы при предельных значениях углов наклона давление масла при работе двигателя в течение не менее 30 мин при номинальной частоте вращения без нагрузки находилось в пределах, установленных ТУ на испытуемый двигатель.
Предельные значения крена и дифферента двигателя должны быть указаны в ТО или ТУ на двигатели конкретного назначения.
8.16.4 При оценке соответствия углов наклона двигателя заданным в ТУ допускается проводить испытания при заданных углах наклона.
8.17 Дымность ОГ двигателей с воспламенением от сжатия
8.17.1 Измерение выбросов видимых загрязняющих веществ или дымности ОГ проводят для режимов работы двигателя по программе испытания в зависимости от видов испытаний.
8.17.1.1 Дымность ОГ допускается проверять при температуре окружающего воздуха от 273 до 308 К (от 0 °C до 35 °C) и атмосферном давлении от 92 до 105 кПа.
8.17.1.2 Измерения дымности проводят при коэффициенте атмосферных условий
fa от 0,98 до 1,02 (см.
6.2.2).
8.17.1.3 Измерения проводят на двигателе, установленном на испытательном стенде, оборудованном приборами и дымомером в соответствии с
7.2.7.
8.17.1.4 Перед началом измерений дымомер прогревают и калибруют в соответствии с инструкцией предприятия - изготовителя прибора.
8.17.1.5 Перед измерениями двигатель прогревают до установленной изготовителем температуры моторного масла или охлаждающей жидкости, а при отсутствии таких данных - до температур, указанных в
6.7 и
6.8, при этом продолжительность работы прогретого двигателя на холостом ходу, при минимальной частоте вращения, до начала измерений не должна превышать 5 мин.
8.17.2 Методы определения дымности двигателей с воспламенением от сжатия
Измерение видимых ВВВ в соответствии с
[11] проводят двумя методами:
- при установившемся режиме работы (на ВСХ);
- на режимах свободного ускорения.
8.17.3 Измерение дымности при установившемся режиме работы двигателя
8.17.3.1 Дымность ОГ измеряют на режимах ВСХ, при этом проводят достаточное количество измерений дымности, но не менее шести раз через равные интервалы частот вращения, включая режимы частот вращения максимального крутящего момента и максимальной мощности. Дымность измеряют на двигателе, работающем с полной нагрузкой в установившемся режиме. При сравнительных испытаниях или в исследовательских целях возможно определение дымности на других режимах работы двигателя, от максимальной частоты вращения до минимальной.
8.17.3.2 Перед началом измерения дымности ОГ двигатель должен проработать на заданном режиме не менее 10 мин, при этом в течение последних 5 мин измеряемые крутящий момент и частота вращения коленчатого вала не должны отличаться от заданных более чем на 1% и 10 мин-1 соответственно.
8.17.3.3 Дымность на каждом режиме измеряют три раза, при этом разность результатов измерений не должна превышать 0,15 м-1, а измеренные значения не должны представлять убывающую или возрастающую последовательность. Если эти условия не выполняются, то серию измерений продолжают до получения трех последовательных показаний, удовлетворяющих поставленным условиям. Промежуток между последовательными измерениями не должен превышать 1 мин. За результат измерения принимают среднее арифметическое значение трех измерений.
8.17.4 Измерение дымности на режиме свободного ускорения
8.17.4.1 Дымность на режиме свободного ускорения коленчатого вала двигателя измеряют при отсоединенном от тормоза (испытательного стенда) двигателе и, по возможности, сразу после измерений при установившемся режиме работы двигателя:
- при работе двигателя в режиме холостого хода на nmin педаль подачи топлива равномерно перемещают за 0,5 - 1,0 с до упора. Педаль удерживают в этом положении 4 - 5 с. Педаль отпускают и через 8 - 10 с приступают к выполнению следующего цикла;
- циклы свободного ускорения повторяют не менее шести раз;
- фиксируют максимальные показания дымомера XMi в каждом из последних четырех i-х циклов свободного ускорения;
- измеренные значения дымности XMi считают достоверными, если четыре последовательных значения не образуют убывающей зависимости и располагаются в зоне шириной 0,25 м-1, в противном случае проводят дополнительные измерения в режиме свободного ускорения;
- общая продолжительность проведения измерений не должна превышать 2,5 мин.
8.17.4.2 По четырем последним измерениям дымности XMi рассчитывают среднее арифметическое значение дымности XM, которое принимают за результат измерений.
8.17.5 Перед началом и после окончания измерений проверяют нулевое показание измерительного прибора. Если после окончания измерений отклонение показания прибора от нулевого положения превысит 0,05 м-1, то измерения повторяют.
8.17.6 Дымность двигателя с раздельными выпускными системами измеряют для каждой выпускной трубы. За результат измерения принимают большее из средних арифметических значений дымности XM, полученных для одной из выпускных труб.
8.17.7 Дымность ОГ в режиме свободного ускорения не должна превышать значения, указанного в КД на двигатель, либо значений, указанных на знаке официального утверждения, нанесенном на двигатель.
8.18 Содержание вредных веществ в ОГ
8.18.1 Измерение ВВВ в ОГ проводят для режимов работы двигателя по программе испытания в зависимости от видов испытаний.
8.18.1.1 Выбросы вредных веществ в ОГ определяют при атмосферных условиях, указанных в
6.2.
8.18.1.2 Измерения проводят на двигателе, установленном на испытательном стенде, оборудованном соответствующими приборами и газоанализатором
(раздел 7). В выпускной системе не должно быть отверстий, которые могут вызывать разбавление ОГ двигателя. Для подвода ОГ от выпускной трубы двигателя к газоанализатору необходимо использовать пробоотборный зонд, исключающий утечки и подсос воздуха.
8.18.1.3 Пробоотборная магистраль суммарных углеводородов должна иметь систему подогрева, обеспечивающую их температуру 453 - 473 К (180 °C - 200 °C), а для пробоотборной магистрали оксидов азота, оксидов углерода и аммиака - не менее 343 К (70 °C); все нагреваемые пробоотборные магистрали должны быть снабжены противосажевым нагреваемым фильтром. Допускается использовать общую, подогреваемую до 453 - 473 К (180 °C - 200 °C) магистраль для подвода проб к различным газоанализаторам.
8.18.1.4 Перед началом измерений газоанализатор прогревают и калибруют в соответствии с инструкцией предприятия - изготовителя прибора.
8.18.2 Измерение состава ОГ на холостом ходу
Измерение состава ОГ допускается проводить на минимальной частоте nmin вращения коленчатого вала двигателя и на повышенных частотах вращения холостого хода nпов, при отсоединенном двигателе от тормозной машины испытательного стенда.
8.18.2.1 Методы проверки двигателей с принудительным зажиганием приведены в
8.18.2.2 -
8.18.2.9.
8.18.2.2 В эксплуатационных документах КД изготовитель указывает штатную комплектацию оборудования для снижения ВВВ, предельно допустимое содержание CO, диапазон допустимых значений коэффициента избытка воздуха, минимальную частоту вращения коленчатого вала двигателя при выполнении проверок, экологический класс КТС.
8.18.2.3 При отсутствии данных изготовителя о минимальной частоте nmin вращения коленчатого вала двигателя ее значение не должно превышать:
- 1100 мин-1 - для КТС категорий M1 и N1;
- 900 мин-1 - для КТС остальных категорий M и N.
Значение повышенной частоты nпов вращения коленчатого вала двигателя КТС категорий M и N при проверке должно быть в пределах 1500 - 3800 мин-1.
8.18.2.4 Для измерений применяют газоанализаторы, соответствующие требованиям, указанным в
таблице 1, возможно (если оговорено в нормативных документах и технической документации, утвержденных в установленном порядке) применение штатных датчиков двигателя для измерения частоты вращения и температуры моторного масла.
8.18.2.5 Выполнение измерений содержания CO и коэффициента избытка воздуха

в ОГ допускается при следующих атмосферных условиях:
- температура окружающего воздуха - от минус 7 °C до плюс 35 °C;
- атмосферное давление - не ниже 92,0 кПа.
8.18.2.6 Перед измерениями выполняют следующие операции:
а) на двигателях для КТС, оснащенных СПООГ и встроенной системой диагностирования двигателя, по показаниям диагностического индикатора (в случае его наличия) проверяют работоспособность двигателя и СПООГ:
- при включении зажигания перед пуском двигателя должен включиться на короткий промежуток времени диагностический индикатор;
- после пуска двигателя диагностический индикатор должен выключиться.
При отсутствии сигнала диагностического индикатора после включения зажигания и в случае включенного состояния диагностического индикатора при работе двигателя его признают не соответствующим требованиям КД;
б) двигатель прогревают до температуры моторного масла или охлаждающей жидкости, установленной изготовителем, а при отсутствии таких данных - до температур, указанных в
6.7 и
6.8, при этом продолжительность работы прогретого двигателя на холостом ходу при минимальной частоте вращения до начала измерений не должна превышать 5 мин.
8.18.2.7 После прогрева двигателя со встроенной диагностикой проводят следующие операции:
- запускают двигатель, увеличивают частоту вращения коленчатого вала двигателя до nпов и выдерживают ее не менее 15 с, измеряют содержание CO;
- отпускают педаль управления дроссельной заслонкой, устанавливают nmin и не ранее чем через 30 с измеряют содержание CO.
8.18.2.8 Измерения на двигателях, оснащенных СПООГ, без встроенной диагностики [предварительно прогретых в соответствии с
8.18.2.6, перечисление б)], выполняют в следующем порядке:
- запускают двигатель, увеличивают частоту вращения коленчатого вала двигателя до nпов, выдерживают этот режим в течение 2 - 3 мин при температуре окружающего воздуха не ниже 273 К (0 °C);
- после стабилизации показаний фиксируют содержание CO и значение

;
- устанавливают nmin и не ранее чем через 30 с, но не позднее чем через 60 с, измеряют содержание CO.
8.18.2.9 На двухтопливном двигателе измерения проводят на газовом и жидком топливе при возможности работы на каждом топливе.
8.18.3 Измерение состава ОГ на режимах с нагружением
8.18.3.1 Измерение состава ОГ допускается проводить также на других режимах работы двигателя (частота вращения и нагрузка) по программе испытаний в зависимости от вида испытаний. Рекомендуется начинать измерения с режима полной мощности и далее последовательно снижать нагрузку до минимальной на установившихся режимах работы двигателя. За время измерений значения тормозной мощности и частоты вращения коленчатого вала для каждого режима испытаний не должны отклоняться более чем на +/- 5% от расчетного значения.
8.18.3.2 Перед началом измерений газоанализаторы и тоннель для измерения взвешенных частиц (см.
7.2.6) прогревают и калибруют по инструкции предприятия-изготовителя.
8.18.3.3 Отсчет показаний газоанализаторов проводят для каждого режима трижды с интервалом не менее 30 с, причем первый отсчет выполняют не ранее чем через 2 мин после установления температурного состояния двигателя на режиме испытаний. Результаты трех последовательных отсчетов не должны различаться более чем на +/- 3,5%. За результат измерений принимают среднее арифметическое значение трех отсчетов. При наличии регистрирующих приборов за результат измерений принимают среднее значение непрерывной записи, проведенной в течение 1 мин, если за время записи отклонения от начального значения составляют не более +/- 3,5%.
8.18.3.4 Определение массы отложенных на фильтре(ах) взвешенных частиц проводят в соответствии с
7.2.6.2.
8.18.3.5 Одновременно регистрируют значения показателей двигателя, необходимые для определения удельных параметров.
Результаты измерений и расчетов включают в протокол испытаний.
8.19 Испытания двигателя на безотказность и стабильность параметров
8.19.1 Двигатели, подвергаемые испытаниям на безотказность, должны иметь микрометражные карты основных деталей, составленные до обкатки двигателя (для двигателей, бывших в эксплуатации, обкатка не требуется), и протокол испытания двигателя на режимах ВСХ, определенной для новых двигателей после обкатки. При определении скоростных характеристик дизельных двигателей определяют дымность ОГ.
8.19.2 Микрометражу подвергают следующие основные детали двигателя: цилиндры (гильзы), поршни, поршневые кольца, поршневые пальцы, коленчатый вал, коренные и шатунные шейки, вкладыши коренных и шатунных подшипников, втулки поршневой головки шатуна, распределительные валы, втулки распределительного вала, направляющие клапанов, клапаны газораспределения. Карты микрометража приведены в
приложении К.
Если при микрометраже будут выявлены отступления от КД, которые могут привести к неправильным результатам, двигатель к дальнейшим испытаниям не допускается.
Примечание - Измерение износа цилиндров двигателей и шеек коленчатого вала допускается проводить методом вырезанных лунок по нормативным документам и технической документации, утвержденным в установленном порядке. Также допускается применять другие методы контроля размеров.
8.19.3 При проведении испытаний на безотказность двигатель должен быть укомплектован в соответствии с
приложением А или
Б.
8.19.4 Длительность испытаний на безотказность
Длительность испытаний на безотказность для двигателей с принудительным зажиганием:
- двигатели легковых автомобилей:
с рабочим объемом до 1,0 л включительно - не менее 250 ч;
с рабочим объемом свыше 1,0 до 2,5 л включительно - не менее 300 ч;
с рабочим объемом свыше 2,5 л - не менее 350 ч;
- двигатели грузовых автомобилей и автобусов:
с рабочим объемом до 2,5 л включительно - не менее 350 ч;
с рабочим объемом свыше 2,5 до 7,0 л включительно - не менее 400 ч;
с рабочим объемом свыше 7,0 л - не менее 450 ч;
- дизельные двигатели:
с рабочим объемом до 3 л включительно - не менее 400 ч;
с рабочим объемом свыше 3,0 до 7,0 л включительно - не менее 600 ч;
с рабочим объемом свыше 7,0 л - не менее 1000 ч.
8.19.5 При выходе на режим испытаний двигатель должен быть прогрет в соответствии с
6.7. Время пусков, прогревов и остановок не входит в зачетное время работы двигателя.
Испытания на безотказность следует проводить по циклам, состоящим из режимов работы двигателя, учитывающим фактическую нагрузку и ее колебания с необходимым форсированием режима испытаний, обеспечивающим объективную оценку надежности в соответствии с нормативными документами и технической документацией, утвержденными в установленном порядке, на испытания автомобильных ДВС.
8.19.6 В процессе испытаний в начале и в конце каждого цикла фиксируют:
- крутящий момент (при полностью открытом дросселе в двигателе с принудительным зажиганием и при полной подаче топлива в дизельном двигателе);
- частоту вращения коленчатого вала;
- температуру выходящей охлаждающей жидкости в характерных точках;
- температуру двигателя в точке, указанной в ТУ на двигатель (для двигателей воздушного охлаждения);
- температуру моторного масла в масляном баке для двигателей с сухим нижним картером или в картере двигателя, или в месте, указанном в ТУ на двигатель;
- температуру моторного масла после радиатора или ЖМТ;
- давление масла в системе смазки в местах, указанных в ТУ на двигатель;
- давление воздуха после вентилятора системы охлаждения двигателей воздушного охлаждения в месте, указанном в ТУ на двигатель;
- часовой расход топлива (на режиме максимальной мощности через каждые 100 ч работы двигателя);
- расход картерных газов (на режиме максимальной мощности через каждые 100 ч работы двигателя);
- температуру и давление окружающей среды;
- температуру топлива в устройстве для измерения расхода топлива или на входе в топливную систему двигателя одновременно с измерением расхода топлива.
8.19.7 В процессе испытаний следует систематически учитывать расход топлива и моторного масла (раздельно на доливку и периодическую смену масла).
8.19.8 Смену масла, фильтрующих элементов, очистку ротора центрифуги и технический уход за двигателем проводят через периоды времени, соответствующие указанным в РЭ изготовителя двигателя.
В процессе испытаний допускается регулировка агрегатов и замена свечей зажигания в соответствии с РЭ изготовителя двигателя.
8.19.9 В процессе испытания регистрируют все замеченные в работе двигателя неполадки, а также замену и ремонт отдельных деталей.
После проведения испытаний определяют ВСХ двигателя. В конце испытаний двигатель разбирают для выявления состояния его основных деталей и микрометража по одной и той же программе и в одинаковых условиях, что и первичный.
8.19.10 Двигатель считают не выдержавшим испытания на безотказность:
- при наличии отказов, для устранения которых требуется разборка двигателя со снятием головки цилиндров или масляного картера, или крышки распределительных зубчатых колес, или маховика;
- при появлении стуков, опасных для дальнейшей работы двигателя;
- если в процессе и после испытаний двигатель не может без замены деталей продолжать работу на любых рабочих режимах;
- при снижении мощности или ухудшении экономичности, происшедших во время испытаний на безотказность, более чем на 5% по сравнению с показателями, полученными перед испытаниями на безотказность;
- расходе моторного масла свыше пределов, указанных в ТУ на двигатель;
- снижении давления масла за нижний предел, установленный в ТУ на двигатель.
8.19.11 При выходе из строя во время испытаний внешних агрегатов (деталей), поставляемых смежными предприятиями (генератор, свеча зажигания, форсунка, вентиляторный ремень и т.п.), эти агрегаты (детали) заменяют и продолжают испытания. Такие замены фиксируют в протоколе испытаний и в заключении о результатах испытаний. При выходе из строя во время испытаний какого-либо внешнего агрегата (детали), за исключением свечей зажигания, более двух раз двигатель считается не выдержавшим испытания.
9 Обработка результатов испытаний
9.1 По данным измерений, полученным при испытании двигателя, а также по результатам расчетов величин, определяемых аналитически, строят графики. Опытные точки наносят на график. На кривых (графиках) величин, получаемых в результате расчетов (например, P и g), точки не ставят.
Если установленное на стенде оборудование для испытания двигателя не полностью соответствует в части отображения единиц измерения в системе СИ, рекомендуется до вычисления по формулам данного раздела измеренные значения привести в соответствие с требованиями
ГОСТ 8.417. В формулах раздела 9 температура
T выражена в градусах Кельвина. В соответствии с
ГОСТ 8.417 температуру в градусах Цельсия (обозначение
t) определяют выражением
t =
T -
T0, где
T0 = 273,15 К.
При измерении ВВВ значения концентраций могут иметь размерность млн-1 (частиц на миллион), которая не входит в систему СИ.
9.2 Определение мощности двигателя
9.2.1 Измеренную мощность Pm, кВт, вычисляют по формуле

или

, (8)
где n - частота вращения, мин-1;
Mm - измеренный крутящий момент, Н·м.
9.2.2 Приведение полезной мощности
Если установка двигателя на стенд в полном соответствии с
приложением А невозможна или нецелесообразна, то следует вычислять приведенную полезную мощность
Pn, кВт, по формуле
Pn = Pm - Pa + Pb, (9)
где Pm - измеренная мощность, кВт;
Pa - мощность, которая должна потребляться вспомогательным оборудованием, необходимым для работы двигателя, но не устанавливаемым на стенде, кВт;
Pb - мощность, потребляемая вспомогательным оборудованием, которое должно быть демонтировано на время испытания, но не демонтировано, кВт.
Данные по затратам на привод оборудования должны быть определены при испытаниях (см.
8.10) или предоставлены производителем двигателя.
9.3 При построении кривой мощности по ВСХ в зависимости от частоты вращения по
[12] используют приведение к стандартным атмосферным условиям.
Приведение мощности двигателя к стандартным атмосферным условиям P0 (температура T0 = 298 К (25 °C); сухое давление pso = 99 кПа) осуществляется по формуле

, (10)
где

- поправочный коэффициент (

или

);
Pm - измеренная мощность.
9.4 Расчет поправочных коэффициентов
и 
9.4.1 Для двигателей с принудительным зажиганием без наддува или с наддувом поправочный коэффициент

численно равен коэффициенту атмосферных условий
fa, и поэтому поправочный коэффициент

рассчитывают по
формуле (3).
Испытание считается действительным, если поправочный коэффициент

находится в пределах

.
Если эти предельные значения оказались превышены, должно быть зафиксировано полученное приведенное значение, а в протоколе испытания должны быть точно указаны условия проведения испытания (температура и давление).
9.4.2 Для дизельных двигателей поправочный коэффициент мощности

вычисляют по формуле

, (11)
где
fa - коэффициент атмосферных условий, вычисляемый по
формулам (1) и
(2);
fm - характеристический параметр для каждого типа двигателя и настройки, зависящий от приведенного расхода топлива qc.
При цикловой подаче расход топлива qc, равный 40 - 65 мг/(л·цикл), вычисляют по формуле
fm = 0,036·qc - 1,14, (12)
при этом qc = q/r, (13)
здесь q - расход топлива в миллиграммах на цикл и на литр общего рабочего объема, мг/(л·цикл);
r - отношение давлений на выходе и входе компрессора (r = 1 для двигателей без наддува).
Примечание - Значение q вычисляют по формуле
- для четырехтактного двигателя:

;
- для двухтактного двигателя:

,
где GF - массовый расход топлива, кг/ч;
n - частота вращения коленчатого вала, мин-1;
VДВ - рабочий объем двигателя, дм3.
При значении qc <= 40 мг/(л·цикл) принимают постоянное значение fm = 0,3.
Для значений qc >= 65 мг/(л·цикл) принимают постоянное значение fm = 1,2.
Испытание считают действительным, если поправочный коэффициент

находится в пределах

.
Если эти предельные значения превышены, то должно быть зафиксировано полученное приведенное значение, а в протоколе испытания должны быть точно указаны условия проведения испытания (температура и давление).

(14)
или

, (15)

- тактность двигателя;
Vh - рабочий объем цилиндра, дм3;
i - число цилиндров.
9.6 Влажность воздуха
9.6.1 Относительной влажностью воздуха Ra, %, называют отношение парциального давления водяного пара, содержащегося во влажном воздухе заданного состава, к парциальному давлению насыщенного водяного пара при той же температуре, вычисляемое по формуле
Ra = 100·pv/pa, (16)
где pv - парциальное давление водяных паров в воздухе, кПа;
pa - давление насыщенных паров воздуха, кПа.
Значения
pa допускается определять по
таблице Л.1 приложения Л.
9.6.2 Парциальное давление сухого воздуха
Поскольку барометрическое давление pb влажного воздуха равно сумме парциальных давлений сухого воздуха ps и водяного пара pv, то давление сухого воздуха ps, кПа, вычисляют по формулам
ps = pb - pv; (17)
ps = pb - 0,01Ra·pa, (18)
где pb - общее барометрическое давление, кПа;
pv - парциальное давление водяных паров.
9.6.3 Абсолютную влажность (массу воды на 1 кг сухого воздуха) Ha, г/кг, на впуске вычисляют по формуле

, (19)
где Ra - относительная влажность;
pa - давление насыщенных водяных паров;
pb - барометрическое давление.
9.6.4 Плотность влажного

, кг/м
3, воздуха после компрессора и теплообменника охлаждения наддувочного воздуха (ТОНВ) вычисляют по формуле

, (20)
где pAC - давление воздуха после ТОНВ, кПа;
TAC - абсолютная температура воздуха после ТОНВ, К;
Ha - абсолютная влажность воздуха, г/кг.
9.7 Определение коэффициента избытка воздуха
Коэффициент избытка воздуха

вычисляют по формуле

, (21)
где qmaw - массовый расход воздуха на впуске во влажном состоянии, кг/ч;
(A/F)st - стехиометрический коэффициент;
qmf - массовый расход топлива, кг/ч.
9.8 Стехиометрический коэффициент (A/F)st, кг/кг, вычисляют по формуле

(22)
где

,

,

,

- молярные доли компонентов для состава топлива

.
Если состав топлива неизвестен, то в качестве альтернативы могут быть использованы следующие стехиометрические коэффициенты:
(A/F)st (дизельное топливо) = 14,5;
(A/F)st (бензин) = 14,7;
(A/F)st (СУГ) = 15,5;
(A/F)st (ПГ) = 17,2;
(A/F)st (E10) = 14,08;
(A/F)st (этанол) = 9,0.
9.9 Определение массового расхода ОГ
Массовый расход ОГ qmew, кг/ч, вычисляют по формуле
где qmaw - массовый расход воздуха на впуске во влажном состоянии, кг/ч;
qmf - массовый расход топлива, кг/ч.
Если двигатель работает в двухтопливном режиме, то требуется определить значение суммарного расхода qmf обоих топлив по формуле
где qmf1 - массовый расход топлива 1, кг/ч;
qmf2 - массовый расход топлива 2, кг/ч.
9.10 Определение удельных выбросов вредных веществ
9.10.1 Удельные выбросы газообразных компонентов egas, г/кВт·ч, вычисляют по формуле:
а) все компоненты, за исключением NOx:

, (25)
б) для NOx:

, (26)
где mgas - массовый расход ВВВ, г/ч;
Pn - фактическая полезная мощность двигателя, кВт;
| | ИС МЕГАНОРМ: примечание. В официальном тексте документа, видимо, допущена опечатка: имеется в виду п. 9.10.3, а не 9.10.2. | |
kh - коэффициент (
kh,D) или (
kh,G), учитывающий температуру и влажность воздуха на впуске (см.
9.10.2).
9.10.2 Поправка на сухое/влажное состояние
Измеренная концентрация на сухой основе cd, если она не была уже измерена на влажной основе cw, преобразуется в концентрацию во влажном состоянии для каждого отдельного режима по формуле
cw = kw·cd, (27)
где kw - поправочный коэффициент для первичных ОГ, вычисляемый по нижеприведенным формулам:

(28)
или

(29)
и

, (30)
при этом kf = 0,055594WALF + 0,0080021WDEL +
+ 0,0070046WEPS, (31)
и

, (32)
где Ha - влажность воздуха на впуске, г воды на кг сухого воздуха;
WALF - содержание водорода в топливе, % от массы;
qmf - мгновенное значение массового расхода топлива, кг/с;
qmad - мгновенное значение массового расхода воздуха на впуске на сухой основе, кг/с;
pr - давление водяных паров холодильника после, кПа;
pb - общее барометрическое давление, кПа;
WDEL - содержание азота в топливе, % от массы;
WEPS - содержание кислорода в топливе, % от массы;

- молярная доля водорода, содержащегося в топливе;

- концентрация CO
2 на сухой основе, %;
cCO - концентрация CO на сухой основе, %;
kf - коэффициент, учитывающий дополнительный объем влажных выбросов в результате сгорания топлива.
Поправочный коэффициент для воздуха на впуске kwa вычисляют по формуле
kwa = 1 - kw2, (33)
где kw2 - коэффициент, вычисляемый по формуле

, (34)
где Ha - влажность воздуха на впуске, 1 г воды на 1 кг сухого воздуха.
9.10.3 Поправка на влажность и температуру для NOx
Для расчета выбросов NOx используется поправочный коэффициент на влажность kh,D или же kh,G.
Эти коэффициенты действительны в диапазоне значений от 0 до 25 г/кг сухого воздуха.
а) Для двигателей с воспламенением от сжатия:

, (35)
где Ta - температура воздуха на впуске, К;
Ha - влажность воздуха на впуске, 1 г воды на 1 кг сухого воздуха.
б) Для двигателей с принудительным зажиганием:

. (36)
9.10.4 Расчет массового расхода ВВВ
Массовый расход ВВВ рассчитывают для каждого режима.
Измеренная концентрация, если она не была уже измерена на влажной основе, преобразуется в концентрацию во влажном состоянии, как указано в
9.10.2. Значения
ugas для отдельных компонентов исходя из газа с идеальными свойствами и на основе топлив приведены в
приложении М.
Для первичных ОГ массовый расход (интенсивность потока) газообразных ВВВ mgas, г/ч, вычисляют по формуле
mgas = ugas·cgas·qmew, (37)
где ugas - отношение плотности компонента ОГ к плотности ОГ;
cgas - концентрация соответствующего компонента в первичных ОГ, млн-1,
qmew - массовый расход ОГ, кг/ч.
Расчет удельных ВВВ за цикл - по
[9],
[14] (см. также
[2]).
9.10.5 Расчет удельных выбросов взвешенных частиц
Удельные выбросы взвешенных частиц ePM, г/кВт·ч, вычисляют по формуле

, (38)
где mPT - масса взвешенных частиц, г/цикл;
Wact - фактическая работа за цикл, кВт·ч.
9.11 Система разбавления части потока в испытательном цикле
Массу взвешенных частиц mPT, г/цикл, вычисляют по формуле

, (39)
где mf - масса взвешенных частиц, отобранных за цикл, мг;
msep - масса разбавленных ОГ, прошедших через фильтры для осаждения взвешенных частиц, кг;
medf - масса газов, эквивалентная разбавленным ОГ, выброшенным двигателем за испытательный цикл, кг, вычисляемая по формуле

, (40)
где qmedf,i - мгновенное значение массового расхода эквивалентных разбавляемых ОГ, кг/с, вычисляемое по формуле
qmdef, i = qmew, i·rd, i, (41)
здесь qmew, i - мгновенное значение массового расхода ОГ, кг/с;
rd, i - мгновенное значение коэффициента разбавления, вычисляемое по формуле

, (42)
здесь qmdew, i - мгновенное значение массового расхода разбавленных ОГ, прошедших через смесительный канал, кг/с;
qmdw, i - мгновенное значение массового расхода разбавителя, кг/с;
f - частота регистрации данных при отборе проб, Гц;
n - общее число замеров за испытательный цикл.
Допускается вычислять массу взвешенных частиц mPT с использованием коэффициента отбора пробы из общего потока ОГ по формуле
mPT = mf/(rs·1000), (43)
где mf - масса взвешенных частиц, отобранных за цикл, мг;
rs - средний коэффициент отбора проб в течение испытательного цикла, вычисляемый по формуле

, (44)
где mse - масса пробы, отобранной за цикл, кг;
mew - суммарная масса ОГ за цикл, кг;
msep - масса разбавленных ОГ, прошедших через фильтры для осаждения взвешенных частиц, кг;
msed - масса разбавленных ОГ, прошедших через смесительный канал, кг.
Примечание - Для системы с полным отводом разбавленной пробы на фильтр msep и msed идентичны.
Расчет выбросов взвешенных частиц за цикл приведен в
[9],
[14] (см. также
[2]).
9.12 Проверка расхода углерода
Углерод в ОГ образуется из топлива (за исключением минимальной доли) и поступает в выпускные газы в виде CO
2, как показано на
рисунке 4.
qmaw - массовый расход воздуха на впуске во влажном
состоянии; qmew - массовый расход отработавших газов
на влажной основе; qmf - массовый расход топлива
Рисунок 4 - Точки замера для проверки расхода углерода
9.12.1 Расход углерода в двигателе (точка 1 на
рисунке 4)
Массовый расход углерода в двигателе
qmCf для топлива состава

вычисляют по формуле

, (45)
где qmf - массовый расход топлива, кг/с;

,

- молярные доли компонентов

.
9.12.2 Расход углерода в первичных ОГ (точка 2 на
рисунке 4)
Расход углерода в первичных ОГ qmCe, кг/с, вычисляют по формуле

, (46)
где

- концентрация CO
2 в первичных ОГ на влажной основе, %;

- концентрация CO
2 в окружающем воздухе на влажной основе, %;
qmew - массовый расход ОГ на влажной основе, кг/с;
Mre - молярная масса ОГ, г/моль.
Если замер CO2 проводят на сухой основе, то полученное значение пересчитывают на влажную основу.
Молярную массу ОГ вычисляют с учетом молярных долей компонентов, входящих в состав топлива (см.
[2]), или используют следующие значения молярной массы:
Mre (дизельное топливо) = 28,9 г/моль;
Mre (СУГ) = 28,6 г/моль;
Mre (ПГ) = 28,3 г/моль.
9.13 Литровая мощность двигателя
Литровую мощность двигателя Pл, кВт/дм3, вычисляют по формуле

, (47)
где Pn - полезная мощность (нетто), кВт;
i - количество цилиндров;
Vh - рабочий объем цилиндра, дм3;
pe - среднее эффективное давление, МПа;
n - частота вращения, мин-1;

- тактность двигателя.
9.14 Удельная масса двигателя
Удельную массу двигателя gN, кг/кВ, вычисляют по формуле
gN = G/Pn, (48)
где G - масса двигателя, кг;
Pn - мощность двигателя, кВт.
9.15 Удельный расход топлива
Удельный расход топлива g (удельный расход топлива ge или приведенный geo), г/(кВт·ч), вычисляют по формуле

, (49)
где qmf - массовый расход топлива, кг/ч;
P - мощность, измеренная Pm, полезная Pn или приведенная Pno, кВт, соответственно.
Минимальный удельный расход топлива определяют по ВСХ, пример характеристики в приложении Е,
рисунки Е.1 и
Е.2.
9.16 Номинальный коэффициент запаса крутящего момента
Номинальный коэффициент запаса крутящего момента

, %, вычисляют по формуле

, (50)
где Mmax 0 - приведенный максимальный момент двигателя, Н·м;
Mном 0 - приведенный момент на режиме максимальной мощности, Н·м.
9.17 Эффективный коэффициент полезного действия (КПД)
Эффективный КПД

вычисляют по формуле

, (51)
где Hu - низшая теплотворная способность топлива; при отсутствии данных о значении низшей теплотворной способности в паспорте на топливо или протоколе испытаний ее следует принимать равной 42,7 МДж/кг;
ge - удельный расход топлива, г/кВт·ч.
9.18 Коэффициент равномерности работы цилиндров
Коэффициент равномерности работы цилиндров

вычисляют по формуле

, (52)
где Piц min и Piц max - минимальное и максимальное значения индикаторной мощности цилиндра, кВт, определенные при испытаниях на заданном скоростном режиме.
9.19 Условная мощность механических потерь при прокрутке двигателя
Условную мощность механических потерь PМ.П, кВт, вычисляют по формуле

, (53)
где n - частота вращения, мин-1;
Mc - момент сопротивления при прокрутке двигателя, Н·м.
Механический КПД

вычисляют по формуле

(54)
где pe - среднее эффективное давление, МПа;
pi - среднее индикаторное давление, МПа;
Pn - полезная мощность, кВт;
PМ.П - мощность механических потерь, кВт.
9.21 Мощность, потребляемая вентилятором
Мощность, потребляемую вентилятором Pвент, кВт, вычисляют по формуле

, (55)
где P'М.П и P"М.П - мощности, затрачиваемые на прокручивание коленчатого вала двигателя (без подачи топлива) с включенным и отключенным вентилятором, кВт.
9.22 Условная мощность механических потерь, определяемая методом отключения цилиндров
Условную мощность механических потерь PМ.П, кВт, определяемую методом отключения цилиндров, вычисляют по формуле

, (56)
где Piц m - индикаторная мощность m-ного цилиндра, кВт, вычисляемая по формуле
Piц m = P - Pц m;
здесь P - мощность двигателя со всеми работающими цилиндрами, кВт;
Pц m - мощность двигателя с отключением m-ного цилиндра, кВт.
9.23 Среднее давление механических потерь
Среднее давление механических потерь pМ.П, МПа, вычисляют по формуле

, (57)
где PМ.П - мощность механических потерь, кВт;

- тактность двигателя;
i - количество цилиндров;
Vh - рабочий объем цилиндра, дм3.
9.24 Среднее индикаторное давление
Среднее индикаторное давление pi, МПа, вычисляют по формуле
pi = pe + pМ.П, (58)
где pe - среднее эффективное давление, МПа;
pМ.П - среднее давление механических потерь, МПа.
9.25 Индикаторная мощность
Индикаторную мощность Pi, кВт, вычисляют по формуле
Pi = Pe + PМ.П, (59)
где Pe - эффективная мощность, кВт;
PМ.П - мощность механических потерь, кВт.
9.26 Удельный индикаторный расход топлива
Удельный индикаторный расход топлива gi, г/кВт·ч, вычисляют по формуле

, (60)
где GF - расход топлива, кг/ч;
Pi - индикаторная мощность, кВт.
9.27 Индикаторный КПД
Индикаторный КПД

вычисляют по формуле

, (61)
где Hu - низшая теплотворная способность топлива, МДж/кг;
gi - удельный индикаторный расход топлива, г/кВт·ч.
9.28 Степень повышения давления в цилиндре
Степень повышения давления в цилиндре

вычисляют по формуле

, (62)
где pz - максимальное давление сгорания, МПа;
pc - максимальное давление сжатия, МПа.
9.29 Средняя скорость нарастания давления в цилиндре
Среднюю скорость нарастания давления в цилиндре

, МПа/град, вычисляют по формуле

, (63)
где pz - максимальное давление сгорания, МПа;
pc - максимальное давление сжатия, МПа.

- угол поворота коленчатого вала (после ВМТ), соответствующий максимальному давлению в цилиндре, град;

- угол поворота коленчатого вала (до ВМТ), соответствующий давлению в начале видимого сгорания, град.
Максимальную скорость нарастания давления в цилиндре

определяют на участке максимальной крутизны линии сгорания.
9.30 Отклонение от среднего значения максимального давления сгорания
Отклонение от среднего значения максимального давления сгорания

, %, вычисляют по формуле

, (64)
где pmax i - значение максимального давления сгорания данного цилиндра, МПа;
pmax - среднее значение максимального давления сгорания двигателя, МПа.
9.31 Средняя скорость поршня
Среднюю скорость поршня cm, м/с, вычисляют по формуле
cm = S·n/30, (65)
где S - ход поршня, м;
n - частота вращения коленчатого вала, мин-1.
9.32 Коэффициент наполнения двигателя без наддува
Коэффициент наполнения двигателя без наддува

вычисляют по формуле

, (66)
где GA - расход воздуха, кг/ч;
i - количество цилиндров;
Vh - рабочий объем цилиндра, дм3;
n - частота вращения коленчатого вала, мин-1;

- плотность воздуха во впускном коллекторе, кг/м
3;

- тактность двигателя.
Плотность воздуха во впускном коллекторе

определяют по давлению и температуре воздуха во впускном коллекторе.
9.33 Относительный расход моторного масла на угар
Относительный расход моторного масла на угар coil, %, вычисляют по формуле

, (67)
где

- изменение массы масла в двигателе за время испытания, кг;

- израсходованное топливо за время испытания, кг.
Значения

и

необходимо определять за один и тот же период времени работы двигателя.
9.34 Удельный расход моторного масла на угар
Удельный расход моторного масла на угар ge м.уг, г/кВт·ч, вычисляют по формуле

, (68)
где

- изменение массы моторного масла в двигателе за время испытательного цикла, кг;
Wact - фактическая работа за цикл, кВт·ч.
(обязательное)
КОМПЛЕКТАЦИЯ ДВИГАТЕЛЯ ДЛЯ ОПРЕДЕЛЕНИЯ
ПОЛЕЗНОЙ МОЩНОСТИ (НЕТТО)
Таблица А.1
Вспомогательные устройства, подлежащие установке
на двигатель для проведения испытаний с целью
определения полезной мощности (нетто) двигателя
Вспомогательные устройства | Установка для испытания по определению полезной мощности (нетто) |
1 Система впуска | |
Впускной трубопровод. Система контроля эмиссии картерных газов (система вентиляции картера) | Если это оборудование серийного производства |
Воздушный фильтр. Глушитель шума впуска. Ограничитель частоты вращения коленчатого вала | Если это оборудование серийного производства. Полная система впуска, предусмотренная для заданного использования, применяется в случаях, если: - существует риск оказания значительного влияния на мощность двигателя; - речь идет о двухтактных двигателях и о двигателях с принудительным зажиганием; - этого требует изготовитель. В других случаях допускается применять эквивалентную систему при условии, что давление впуска не отличается более чем на 100 Па от предельного значения, установленного изготовителем для чистого воздушного фильтра |
2 Подогревательное устройство впускного коллектора | Устанавливают оборудование серийного производства. По возможности оно должно быть отрегулировано на оптимальный режим работы |
3 Система выпуска | |
3.1 Система выпуска двигателя Выпускной коллектор. Корпус турбины турбокомпрессора, при наличии | Если это оборудование серийного производства |
3.2 Система выпуска транспортного средства Заслонка моторного тормоза. Система последующей обработки ОГ. Глушитель. Выпускная труба. Соединительные патрубки между указанными объектами | Если это оборудование серийного производства. Полная система выпуска, предусмотренная для заданного использования, применяется в случаях, если: - существует риск оказания значительного влияния на мощность двигателя; - речь идет о двухтактных двигателях; - этого требует изготовитель. В других случаях допускается использовать эквивалентную систему при условии, что давление, измеренное на выходе выпускной системы двигателя (на 150 мм ниже выходного фланца выпускного коллектора или корпуса турбины, при наличии), не отличается более чем на 1000 Па от давления, указанного изготовителем. Заслонка моторного корпуса должна быть зафиксирована в полностью открытом положении |
4 Топливоподкачивающий насос | Если это оборудование серийного производства. Давление подачи топлива может быть отрегулировано таким образом, чтобы воспроизвести давление, существующее для определенного назначения двигателя (в частности, при использовании системы "возврата топлива") |
5 Карбюратор Электронная система управления, расходомер воздуха и т.д. (если таковые установлены) | Если это оборудование серийного производства |
Редукционный клапан. Испаритель. Смеситель | Оборудование для двигателей, работающих на природном газе |
6 Оборудование для впрыскивания топлива (бензина или дизельного топлива) | |
Фильтры грубой и тонкой очистки. Насос. Топливный аккумулятор (рампа). Трубопровод высокого давления. Форсунка. | Если это оборудование серийного производства |
Воздушная заслонка, при наличии. Электронная система управления, расходомер воздуха, при наличии. Система электронного управления. Автоматический ограничитель предельной нагрузки на регулирующую рейку, действующий в зависимости от атмосферных условий (высотный корректор) | Воздушная заслонка представляет собой клапан управления пневматического регулятора насоса для впрыскивания топлива. Регулятор устройства впрыскивания топлива может включать в себя другие устройства, оказывающие влияние на количество впрыскиваемого топлива |
7 Оборудование для жидкостного охлаждения | |
Капот двигателя. Жалюзи капота | Не используются |
Вентилятор радиатора. Обтекатель вентилятора. Водяной насос. Термостат | Если это оборудование серийного производства. На испытательном стенде относительное расположение радиатора, вентилятора, обтекателя вентилятора, водяного насоса и термостата должно быть таким же, как на транспортном средстве. Циркуляция охлаждающей жидкости должна осуществляться исключительно при помощи водяного насоса двигателя. Охлаждение жидкости может осуществляться либо в радиаторе двигателя, либо в наружном контуре при условии, что потери в контуре и давление на входе насоса будут примерно равны потерям и давлению в системе охлаждения двигателя. Жалюзи радиатора, при наличии, должны быть открыты. Если по соображениям удобства вентилятор, радиатор и его обтекатель не могут быть установлены на двигателе, то мощность, поглощаемая вентилятором, установленным отдельно в надлежащем положении по отношению к радиатору и к обтекателю (при наличии), должна определяться при частоте вращения, соответствующей частоте вращения двигателя, используемой при измерении мощности двигателя, либо расчетным путем на основе типовых характеристик, либо путем практических испытаний. Эту мощность, скорректированную на стандартные атмосферные условия (293,2 К (20 °C) и 101,3 кПа), следует вычесть из приведенной мощности. |
| При наличии несъемного отключаемого или бесступенчатого вентилятора или воздуходувки испытание проводят при выключенном вентиляторе (воздуходувке) либо при работе бесступенчатого вентилятора или воздуходувки в режиме максимального проскальзывания. Термостат может быть установлен в полностью открытом положении |
8 Воздушное охлаждение | |
Обтекатель. Воздуходувка. Устройство для регулирования температуры | Если это оборудование серийного производства. Требования к установке такие же, как и в пункте 7 |
9 Электрооборудование | Если это оборудование серийного производства. |
Генератор | Мощность генератора должна ограничиваться потребностями вспомогательного оборудования, необходимого для работы двигателя. |
Аккумулятор | Если необходимо подключить аккумулятор, то он должен быть полностью заряжен и находиться в исправном состоянии |
10 Система зажигания | Может быть отрегулирована в соответствии с рекомендуемой предприятием-изготовителем мощностной характеристикой угла опережения зажигания |
11 Оборудование системы наддува (при наличии) | |
Компрессор, прямо или косвенно приводимый в действие двигателем и/или выпускными газами. Теплообменник охлаждения наддувочного воздуха (ТОНВ). Насос или вентилятор ТОНВ (приводимый в действие двигателем). Устройство регулирования расхода охлаждающей жидкости (при наличии) | Если это оборудование серийного производства. Двигатели с принудительным воздушным охлаждением необходимо испытывать с устройствами воздушного охлаждения, которые могут быть воздушными или водяными, но по желанию изготовителя вместо охлаждающего устройства может быть использована испытательная стендовая установка. В любом случае измерение мощности при любой частоте вращения выполняют с учетом тех же перепадов температуры и давления воздуха в системе устройства воздушного охлаждения на испытательном стенде, которые определены изготовителем для системы, работающей на комплектном транспортном средстве |
12 Вспомогательный стендовый вентилятор | При необходимости |
13 Система снижения токсичности ОГ | Если это оборудование серийного производства. Они могут, например, включать системы рециркуляции газов, нейтрализатор, сажевый фильтр, систему подачи дополнительного воздуха и систему контроля за испарением топлива |
(обязательное)
КОМПЛЕКТАЦИЯ ДВИГАТЕЛЯ ДЛЯ ОПРЕДЕЛЕНИЯ
(ПОЛНОЙ) МОЩНОСТИ БРУТТО
Таблица Б.1
Вспомогательные устройства, подлежащие установке
на двигатель для проведения испытаний с целью
определения (полной) мощности брутто двигателя
Вспомогательные устройства | Установка для испытания по определению полезной мощности (нетто) |
1 Система впуска | |
Впускной трубопровод. Система контроля эмиссии картерных газов (система вентиляции картера) | Если это оборудование серийного производства |
Воздушный фильтр. Глушитель шума впуска. Ограничитель частоты вращения коленчатого вала | Необходимость определяется предприятием-изготовителем |
2 Подогревательное устройство впускного коллектора | При ручной регулировке режим подогрева устанавливают для летнего времени и для прогретого двигателя |
3 Система выпуска 3.1 Система выпуска двигателя | |
Выпускной коллектор. Корпус турбины турбокомпрессора, при наличии | Если это оборудование серийного производства |
3.2 Система выпуска транспортного средства Заслонка моторного тормоза. Система последующей обработки ОГ. Глушитель. Выпускная труба. Соединительные патрубки | По усмотрению предприятия-изготовителя применяют систему выпуска двигателя в полной комплектации (или систему, равнозначную ей по аэродинамическому сопротивлению и резонансной настройке) |
4 Топливоподкачивающий насос | Если это оборудование серийного производства |
5 Карбюратор | Может быть отрегулирован в соответствии с рекомендуемой предприятием-изготовителем мощностной регулировкой. Изменения регулировки в процессе испытания не допускаются. |
Электронная система управления, расходомер воздуха и т.д. (если таковые установлены) | Если это оборудование серийного производства |
Редукционный клап. Испаритель. Смеситель | Оборудование для двигателей, работающих на природном газе |
6 Оборудование для впрыскивания топлива (бензина или дизельного топлива) | |
Фильтры грубой и тонкой очистки Насос (ТНВД). Топливный аккумулятор (рампа). Трубопровод высокого давления. Форсунка. Воздушная заслонка, при наличии. Система электронного управления. Высотный корректор | Если это оборудование серийного производства ТНВД может быть отрегулирован в соответствии с рекомендуемой предприятием-изготовителем мощностной регулировкой. Изменение регулировки в процессе испытания не допускается |
7 Система охлаждения Водяной насос | Если это оборудование серийного производства |
Термостат | Может быть демонтирован |
Вентилятор | Вентилятор только для двигателей воздушного охлаждения. Мощность, расходуемую на привод вентилятора, определенную при тех же частотах вращения и тех же сопротивлениях сети, прибавляют к измеренной мощности двигателя. Допускается обдув двигателя с жидкостным охлаждением автономным вентилятором |
8 Электрооборудование | Если это оборудование серийного производства. |
Генератор | Нагрузка генератора должна быть ограничена минимально необходимыми приборами электрооборудования |
Аккумулятор | Если необходимо подключить аккумулятор, то он должен быть полностью заряжен и находиться в исправном состоянии. Зарядка аккумуляторных батарей во время испытаний не допускается |
9 Система зажигания | Может быть отрегулирована в соответствии с рекомендуемой предприятием-изготовителем мощностной характеристикой угла опережения зажигания |
10 Оборудование системы наддува (при наличии) Компрессор, прямо или косвенно приводимый в действие двигателем и/или выпускными газами. ТОНВ. Насос или вентилятор ТОНВ (приводимый в действие двигателем). Устройство регулирования расхода охлаждающей жидкости (при наличии) | Если это оборудование серийного производства |
11 Вспомогательный стендовый вентилятор | При необходимости |
12 Система снижения токсичности | Необходимость определяется предприятием-изготовителем |
(рекомендуемое)
В.1 При периодических испытаниях определяют:
- номинальную мощность брутто, максимальный крутящий момент брутто, ВСХ. Для двигателей, снабженных отключаемым ограничителем частоты вращения, ВСХ определяют дважды - с включенным и выключенным ограничителями. Для двигателя серийного производства номинальную мощность брутто, максимальный крутящий момент брутто и ВСХ считают подтвержденными, если значения мощности и крутящего момента, определенные при номинальной и других частотах вращения и приведенные к стандартным атмосферным условиям, отличаются от указанных в нормативных документах и технической документации, утвержденных в установленном порядке, на двигатель или автомобиль в пределах +/- 5%;
- нагрузочную характеристику при частоте вращения, соответствующей максимальному крутящему моменту брутто двигателя (комплектация в соответствии с
приложением Б);
- характеристику холостого хода (комплектация в соответствии с
приложением Б с обязательной установкой на двигателях с искровым зажиганием воздухоочистителя).
В.2 При приемочных испытаниях определяют:
- номинальные мощности брутто и нетто, максимальные крутящие моменты брутто и нетто, ВСХ; для двигателей, снабженных отключаемым ограничителем частоты вращения, ВСХ определяют дважды - с включенным и выключенным ограничителями. Номинальную мощность, максимальный крутящий момент и ВСХ считают подтвержденными, если значения мощности и крутящего момента, определенные при номинальной и других рабочих частотах вращения и приведенные к стандартным атмосферным условиям, отличаются от указанных в нормативных документах и технической документации, утвержденных в установленном порядке, на двигатель или автомобиль в пределах +/- 2%;
- нагрузочные характеристики не менее чем при трех различных частотах вращения коленчатого вала, в том числе при
nMmax или скоростные характеристики при частичных нагрузках (не менее трех) в комплектации двигателя в соответствии с
приложением А;
- нагрузочную характеристику при частоте вращения, соответствующей максимальному крутящему моменту брутто двигателя (комплектация в соответствии с
приложением Б);
- равномерность работы цилиндров;
- ВВВ;
- безотказность работы двигателя.
В.3 Общие требования к испытаниям двигателей
Приемочные испытания проводят на предприятии-изготовителе или в месте установки двигателя. Виды испытаний должны быть согласованы между изготовителем и заказчиком.
(рекомендуемое)
СВОЙСТВА ТОПЛИВ, ИСПОЛЬЗУЕМЫХ ПРИ ИСПЫТАНИЯХ ДВИГАТЕЛЕЙ
Г.1 Физико-химический состав топлива
Топливо разделяют на экологические классы в соответствии с
[3]. Основное отличие между классами связано с содержанием серы, поскольку содержание серы оказывает существенное влияние на уровень выбросов взвешенных частиц и ресурс нейтрализаторов СПООГ.
К физическим свойствам топлива относятся: плотность, вязкость, температура застывания и испаряемость.
Главными параметрами топлив являются:
- цетановое число - для дизельного топлива,
- октановое число - для бензина.
Топливо состоит из различных химических соединений. Методами химического анализа определяют элементный состав топлива, т.е. процентное содержание в топливе тех или иных химических элементов.
Элементный состав топлива оказывает влияние на характеристики двигателя и необходим для точного расчета массового ВВВ.
В состав топлива входят горючие и негорючие (балластные) вещества. К горючим компонентам в основном относятся углерод, водород, а также сера, которая является нежелательным компонентом.
Молярное соотношение основных компонентов топлива к углероду вычисляют по формулам:

- молярная доля водорода (H/C):

, (Г.1)

- молярная доля азота (N/C):

, (Г.2)

- молярная доля серы (S/C):

, (Г.3)

- молярная доля кислорода (O/C):

, (Г.4)
где WALF - содержание водорода в топливе, % от массы;
WBET - содержание углерода в топливе, % от массы;
WGAM - содержание серы в топливе, % от массы;
WDEL - содержание азота в топливе, % от массы;
WEPS - содержание кислорода в топливе, % от массы.
Г.2 Эталонные топлива
Характеристики ВВВ, полученные при работе на различных топливах, могут отличаться, поскольку они зависят от состава топлива. При сравнении результатов рекомендуется, чтобы свойства топлив, применяемых при испытаниях, были как можно ближе друг к другу. Для выполнения этого требования предпочтительно использовать топлива из одной партии.
При использовании эталонных топлив должны быть представлены код справочной информации и анализ топлива. Пример обозначения эталонных топлив в соответствии с
[9] представлен в
таблице Г.1.
Таблица Г.1
Обозначения эталонного топлива
Экологический класс | Бензин | Дизельное топливо |
3(III) | RF 02-99 | RF-06-99 |
4(IV) | RF 02-03 | RF 06-03 Euro IV (truck) |
5(V) | RF 02-08 E5 RF-01-08 E85 | RF 06-08 B5 Euro V (truck) |
6(VI) | RF 02-08 E5 Euro 6 E10 | RF 06-08 B5 Euro 6 B7 Euro VI (truck) |
Если при испытаниях на содержание вредных выбросов ОГ используют коммерческие топлива (жидкое или газообразное), в протокол испытаний или в отчет об испытаниях рекомендуется включать информацию о свойствах использованного топлива.
(справочное)
ПЕРЕВОД ПОКАЗАТЕЛЕЙ ДЫМНОСТИ k И N
Д.1 Сопоставление значений дымности и коэффициента поглощения светового потока
Д.1.1 Принцип измерения
В соответствии с законом Бугера - Ламберта - Бера затухание света I (интенсивность светового потока в приемнике при заполнении измерительной камеры ОГ) вычисляют по формуле

, (Д.1)
где I0 - интенсивность светового потока в приемнике при заполнении измерительной камеры чистым воздухом;
LA - эффективная фотометрическая длина (измерительная база), м;
k - коэффициент поглощения светового потока, м-1.
Схема прибора для измерения дымности представлена на
рисунке Д.1.
Рисунок Д.1 - Схема прибора для измерения дымности
Д.1.2 Пересчет измеренных значений дымности (непрозрачности) N, %, в значения коэффициента поглощения светового потока k, м-1, и значения коэффициента поглощения светового потока k, м-1, в значения дымности (непрозрачности) N, %, осуществляют по формулам

(Д.2)

, (Д.3)
где LA - эффективная фотометрическая длина (измерительная база), м.
Стандартная эффективная фотометрическая длина (измерительная база) LA = 0,43 м.
Д.2 Для перевода значений дымности
N, %, в значения коэффициента поглощения светового потока
k, м
-1, и обратно применяют
таблицу Д.1.
Таблица Д.1
Перевод значений показателей дымности
N и светопоглощения
k
для эффективной длины камеры дымомера 0,430 м
Дымность N, % | Коэффициент поглощения светового потока k, м-1 |
1 | 0,02 |
2 | 0,05 |
3 | 0,07 |
4 | 0,09 |
5 | 0,12 |
6 | 0,14 |
7 | 0,17 |
8 | 0,19 |
9 | 0,22 |
10 | 0,25 |
11 | 0,27 |
12 | 0,30 |
13 | 0,32 |
14 | 0,35 |
15 | 0,38 |
16 | 0,41 |
17 | 0,43 |
18 | 0,46 |
19 | 0,49 |
20 | 0,52 |
21 | 0,55 |
22 | 0,58 |
23 | 0,61 |
24 | 0,64 |
25 | 0,67 |
26 | 0,70 |
27 | 0,73 |
28 | 0,76 |
29 | 0,80 |
30 | 0,83 |
31 | 0,86 |
32 | 0,90 |
33 | 0,93 |
34 | 0,97 |
35 | 1,00 |
36 | 1,04 |
37 | 1,07 |
38 | 1,11 |
39 | 1,15 |
40 | 1,19 |
41 | 1,23 |
42 | 1,27 |
43 | 1,31 |
44 | 1,35 |
45 | 1,39 |
46 | 1,43 |
47 | 1,48 |
48 | 1,52 |
49 | 1,57 |
50 | 1,61 |
51 | 1,66 |
52 | 1,71 |
53 | 1,76 |
54 | 1,81 |
55 | 1,86 |
56 | 1,91 |
57 | 1,96 |
58 | 2,02 |
59 | 2,07 |
60 | 2,13 |
61 | 2,19 |
62 | 2,25 |
63 | 2,31 |
64 | 2,38 |
65 | 2,44 |
66 | 2,51 |
67 | 2,58 |
68 | 2,65 |
69 | 2,72 |
70 | 2,80 |
71 | 2,88 |
72 | 2,96 |
73 | 3,04 |
74 | 3,13 |
75 | 3,22 |
76 | 3,32 |
77 | 3,42 |
78 | 3,52 |
79 | 3,63 |
80 | 3,74 |
81 | 3,86 |
82 | 3,99 |
83 | 4,12 |
84 | 4,26 |
85 | 4,41 |
86 | 4,57 |
87 | 4,74 |
88 | 4,93 |
89 | 5,13 |
90 | 5,35 |
(рекомендуемое)
ПРИМЕРЫ ПОСТРОЕНИЯ ГРАФИКОВ ХАРАКТЕРИСТИК ДВИГАТЕЛЯ
На
рисунках Е.1 -
Е.5 представлены примеры построения графиков характеристик двигателя
Рисунок Е.1 - Внешняя скоростная характеристика
(ВСХ) двигателя
________________________________________
марка, модель, N
________________________________________
особенности испытания и условия испытания
Рисунок Е.2 - Скоростная характеристика с регуляторной
ветвью двигателя
________________________________________
марка, модель, N
________________________________________
особенности испытания и условия испытания
Рисунок Е.3 - Скоростные частичные характеристики двигателя
(при различных положениях дроссельной заслонки)
________________________________________
марка, модель, N
________________________________________
особенности испытания и условия испытания
pAD - давление воздуха на впуске после дроссельной заслонки
Рисунок Е.4 - Характеристика холостого хода двигателя
________________________________________
марка, модель, N
________________________________________
особенности испытания и условия испытания
Рисунок Е.5 - Нагрузочная характеристика двигателя
________________________________________
марка, модель, N
________________________________________
особенности испытания и условия испытания
(обязательное)
ОПРЕДЕЛЕНИЕ ШУМОВЫХ ХАРАКТЕРИСТИК ДВИГАТЕЛЯ
Ж.1 Подготовка к проведению измерений
Ж.1.1 Строят огибающий параллелепипед - воображаемую поверхность, представляющую собой прямоугольный параллелепипед наименьших размеров, полностью вмещающий источник шума и опирающийся на одну звукоотражающую плоскость.
Ж.1.2 Измерительная поверхность служит местом размещения точек измерений, охватывает огибающий параллелепипед, опирается на звукоотражающую плоскость и имеет грани, параллельные огибающему параллелепипеду, и удалена от него на измерительное расстояние d, м.
Ж.1.3 Измерительное расстояние
d измеряют по перпендикуляру между соответствующими гранями измерительной поверхности и огибающего параллелепипеда, и оно должно быть равно 1 м.
Ж.1.4 Площадь измерительной поверхности
S, м
2, в виде параллелепипеда (в соответствии с
рисунком Ж.1) вычисляют по формуле
S = 4(a·b + b·c + a·c), (Ж.1)
где a = 0,5 l1 + d, (Ж.2)
b = 0,5 l2 + d, (Ж.3)
c = l3 + d, (Ж.4)
где l1, l2, l3 - длина, ширина и высота огибающего параллелепипеда соответственно, м;
a, b - расстояние от центра огибающего параллелепипеда до измерительной поверхности, м;
c - расстояние от звукоотражающей до измерительной поверхности, м;
d - расстояние от поверхности огибающего параллелепипеда до измерительной поверхности, м.
Ж.1.5 Назначают точки измерения на измерительной поверхности. Координаты должны быть заданы из условия равномерного по площади размещения точек измерений по измерительной поверхности и минимизации интерференционных эффектов звуковых волн, излученных источником шума и отраженных от звукоотражающей плоскости.
Для измерительной поверхности в виде параллелепипеда точки измерения выбирают в соответствии с
рисунком Ж.1.
1 - 9 - точки измерений
Рисунок Ж.1 - Пример измерительной поверхности и положений
(траекторий) микрофонов
Ж.1.6 Допускается не измерять шумовые характеристики двигателя в измерительных точках, расположенных со стороны моторного тормоза.
Ж.2 Проведение измерений
Ж.2.1 При измерении шума микрофон в измерительной точке должен быть ориентирован в направлении испытуемого двигателя. Между микрофоном и испытуемым двигателем не должны находиться предметы, искажающие звуковое поле. Измерительное расстояние - в соответствии с
Ж.1.3. Микрофон должен быть предназначен для измерений в свободном звуковом поле.
Ж.2.2 Для измерения шума двигателя применяют шумомеры, соответствующие
ГОСТ 17187.
При калибровке применяют источник звукового сигнала 1-го класса. Линейные размеры измеряют рулеткой длиной 5 м, класс точности 3.
Для регистрации времени измерений используют секундомер с погрешностью +/- 1 с или средства измерения шума с функцией фиксации времени.
Измерение шумомером проводят на временной характеристике "медленно". В каждой измерительной точке проводят не менее трех замеров по 30 с каждый. Продолжительность каждого измерения указывают в протоколе испытаний.
Калибровку шумоизмерительных приборов, включая измерительный микрофон, проводят до и после проведения измерений. Разность показаний до и после проведения измерений не должна превышать 0,5 дБ. Если данное требование не соблюдено, то результаты измерений считают недостоверными.
Ж.2.3 Шумовые характеристики определяют в каждой из измерительных точек на измерительной поверхности (см.
рисунок Ж.1) при полной подаче топлива и при частоте вращения коленчатого вала, соответствующей мощности брутто (ВСХ).
Ж.3 Определение заявленных значений шумовой характеристики единичного двигателя
Ж.3.1 В точке с наибольшим эквивалентным уровнем звукового давления
LpA, определенным при испытаниях по
Ж.2.3, должны быть измерены эквивалентные уровни звукового давления
LpA во всем рабочем диапазоне частот вращения коленчатого вала. Количество измерений на ВСХ должно быть достаточным для выявления режима с наибольшим уровнем шума двигателя.
Ж.3.2 Для спектрального анализа и для расчета звуковой мощности
Lw октавные уровни звукового давления
Lp измеряют во всех точках на режиме, при котором определен наибольший уровень шума двигателя по
Ж.3.1.
Ж.3.3 Заявленное одночисловое значение шумовой характеристики Ld, дБ, вычисляют по формуле
Ld = LpA + K, (Ж.5)
где LpA - эквивалентный уровень звукового давления, корректированный по частотной характеристике A шумомера, дБA;
K - коэффициент неопределенности, дБ, вычисляемый по формуле

; (Ж.6)
здесь

- среднеквадратическое отклонение воспроизводимости измерений, равное 1,5 дБ.
Это среднеквадратическое отклонение значений шумовой характеристики, полученных при воспроизводимых условиях, т.е. при повторном применении одного и того же метода определения шумовой характеристики на одном и том же источнике шума, но в разные периоды времени и различными лабораториями, разными лицами, проводящими измерения, разными приборами.
Примечания
1 Среднеквадратическое отклонение воспроизводимости измерений включает среднеквадратическое отклонение сходимости измерений.
2 При указанном значении параметра K заявленное значение является верхней доверительной границей шумовой характеристики с доверительной вероятностью 0,95.
Значение

может быть также рассчитано по
ГОСТ 27408.
Ж.3.4 В случае необходимости значение шумовой характеристики производственной серии (партии) двигателей может быть определено по
ГОСТ 27408.
(рекомендуемое)
ПОРЯДОК ПРОВЕДЕНИЯ ИСПЫТАНИЙ ПУСКОВЫХ КАЧЕСТВ ДВИГАТЕЛЯ
И.1 Подготовка к проведению испытаний
И.1.1 При испытаниях используют аккумуляторные батареи, соответствующие требованиям КД, утвержденной в установленном порядке. При подготовке в лабораторных условиях определяют емкостные, стартерные характеристики (вольтамперная характеристика) аккумуляторной батареи базовой модели автомобиля.
При подготовке к испытаниям аккумуляторные батареи приводят в рабочее состояние и подвергают циклированию "заряд - разряд" по
ГОСТ 959. Для испытаний, указанных в
И.4 и
И.6, аккумуляторные батареи подготавливают с 75%-ной степенью заряженности от номинальной емкости.
И.1.2 При необходимости в лабораторных условиях на динамометрическом стенде определяют электромеханическую характеристику электростартера при питании его от источника постоянного тока по
ГОСТ IEC 60034-2-1. Продолжительность одного измерения должна быть не более 10 с при заданном напряжении, напряжение следует измерять на зажимах стартера.
Для получения значения номинальной и пусковой мощности проводят измерение значения величин не менее чем в пяти режимах работы с охлаждением стартера после каждого измерения до температуры окружающей среды. Крутящий момент и частоту вращения якоря стартера измеряют, а мощность стартера Pст, кВт, вычисляют по формуле
Pст = 104,7·M·n·10-6, (И.1)
где M - крутящий момент, развиваемый стартером, Н·м;
n - частота вращения якоря, мин-1.
На основе полученных данных строят тарировочный график изменения момента на валу электростартера в зависимости от тока в его цепи без учета тока, потребляемого реле электростартера.
И.1.3 Все испытания проводят на одной партии топлива и масла. Используемые топливо и масло - согласно химмотологической карте, удовлетворяющей требованиям КД на двигатель. При хранении топлива и масла должна быть обеспечена стабильность их характеристик.
Перед началом испытаний из емкости хранения и периодически в процессе испытаний из масляного поддона двигателя (или масляного бака при "сухом" картере) отбирают пробы для анализа масла.
При анализе масла определяют:
- плотность при температуре 293 К (20 °C);
- температуру застывания;
- кинематическую вязкость при температурах 373 К (100 °C), 323 К (50 °C), 293 К (20 °C), 273 К (0 °C) и далее через каждые 10 К (10 °C) ниже 273 К (0 °C). При этом последняя температура испытаний должна превышать на 4 - 6 К (4 °C - 6 °C) температуру застывания масла. По результатам анализа строят график изменения вязкости в зависимости от температуры масла (вязкостно-температурная характеристика масла).
И.1.4 На испытуемый двигатель монтируют датчики в соответствии с
8.15.3.
И.2 Определение минимальных пусковых оборотов
И.2.1 Перед началом испытаний проверяют:
- органы управления двигателем и электростартером;
- подключение и работу измерительных приборов;
- зазоры в механизме газораспределения;
- угол опережения впрыскивания топлива или опережения зажигания;
- работу системы зажигания двигателя с принудительным зажиганием;
- максимальное давление такта сжатия (компрессия) в каждом цилиндре двигателя при температуре от 273 до 263 К (от 0 °C до минус 10 °C) и постоянной средней частоте вращения коленчатого вала, равной 100 мин-1 для двигателей с воспламенением от сжатия (дизелей) и 50 мин-1 для бензиновых и газовых двигателей (с принудительным зажиганием).
И.2.2 Минимальные пусковые обороты, если другое не указано в методике испытания, без применения устройств облегчения пуска определяют в диапазоне температур:
- от 273 до 253 К (от 0 °C до минус 20 °C) - для дизелей и газодизельных двигателей;
- от 263 до 243 К (от минус 10 °C до минус 30 °C) - для бензиновых и газовых двигателей (с принудительным зажиганием).
При применении устройств облегчения пуска холодного двигателя минимальные пусковые обороты определяют в диапазоне температур:
- от 258 до 243 К (от минус 15 °C до минус 30 °C) - для дизелей и газодизельных двигателей;
- от 253 до 238 К (от минус 20 °C до минус 35 °C) - для бензиновых и газовых двигателей (с принудительным зажиганием).
При применении системы предпускового подогрева двигателя минимальные пусковые обороты определяют при температуре, предусмотренной требованиями КД.
И.2.3 При определении минимальных пусковых оборотов рекомендуется использование марок моторных масел двух классов: зимнего, класса вязкости 8 и маловязкого загущенного, класса вязкости 4з/8 по
ГОСТ 17479.1. Зимнее масло рекомендуется применять до температур не ниже 258 К (минус 15 °C) для дизелей и газодизельных двигателей и не ниже 253 К (минус 20 °C) для двигателей с принудительным зажиганием. При более низких температурах рекомендуется применение соответствующих марок загущенного маловязкого масла. При сертификационных, приемочных и периодических испытаниях используют масла согласно химмотологической карте двигателя.
И.2.4 При замене масла в двигателе на новый сорт осуществляют последовательно следующие операции:
- прогрев двигателя до рабочих температур;
- слив горячего масла из двигателя и фильтров;
- заливка нового сорта масла и прогрев двигателя до рабочих температур;
- слив горячего масла из двигателя, очистка фильтров от остатков масла, замена сменных фильтрующих элементов;
- заливка нового сорта масла, пуск и работа двигателя на холостом ходу в течение 5 - 7 мин, отбор пробы масла для анализа.
И.2.5 Минимальные пусковые обороты на каждой заданной температуре определяют путем последовательных пусков двигателя при различных средних частотах провертывания коленчатого вала.
На каждой средней частоте провертывания коленчатого вала выполняют не более трех попыток пуска с интервалами между попытками в одну минуту. Продолжительность каждой попытки:
- 15 с - для дизельных и газодизельных двигателей;
- 10 с - для двигателей с принудительным зажиганием.
Если на первой или второй попытках пуска появляются регулярные вспышки в цилиндрах двигателя, допускается исключение перерывов между попытками. При этом суммарное время провертывания коленчатого вала должно быть не более продолжительности трех попыток пуска.
И.2.6 При применении устройств облегчения пуска холодного двигателя перерывы между попытками пуска могут быть увеличены, если это вызвано необходимостью обеспечения работоспособности указанных устройств в соответствии с инструкцией по их эксплуатации.
Проведение испытаний рекомендуется начинать с частоты провертывания, при которой двигатель заведомо запускается с одной попытки. В последующих испытаниях осуществляют постепенное понижение средней частоты провертывания.
И.2.7 Интервалы снижения частоты провертывания коленчатого вала от испытания к испытанию рекомендуются в пределах от 10 до 15 мин-1 при пуске за одну попытку и от 5 до 7 мин-1 при пусках за две или три попытки. Понижение частоты провертывания проводят до тех пор, пока трех попыток окажется недостаточно для пуска. Минимальными пусковыми оборотами при данной температуре считается частота провертывания коленчатого вала, при которой был осуществлен удачный пуск двигателя за две полные попытки.
И.2.8 Изменение частоты провертывания коленчатого вала осуществляют регулировкой подаваемого на электростартер напряжения, при этом на реле электростартера номинальное напряжение подают от отдельного источника энергии, изменив соответствующим образом схему включения реле.
И.2.9 В процессе проведения испытаний периодически проверяют состояние свечей зажигания путем измерения величины шунтирующего сопротивления. При шунтирующем сопротивлении менее 500 МОм свечи следует заменить.
Напряжение в системе управления двигателя (или зажигания бензиновых двигателей) должно быть в пределах от 7 до 8 В для бортовой системы 12 В и от 14 до 16 В - для системы 24 В.
И.2.10 Порядок проведения испытаний
И.2.10.1 Двигатель считается подготовленным к испытаниям, если измеряемые температуры деталей двигателя, охлаждающей жидкости (или стенок цилиндров и головок двигателей воздушного охлаждения), моторного масла, топлива и окружающего воздуха отличаются от заданной не более чем на 1 К (1 °C) в течение не менее одного часа.
И.2.10.2 Устанавливают среднюю частоту провертывания коленчатого вала без подачи топлива; останавливают двигатель и выдерживают его при заданной температуре окружающего воздуха в течение 15 мин.
И.2.10.3 Осуществляют пуск двигателя в соответствии с инструкцией по эксплуатации двигателя с продолжительностью попыток по
И.2.5, в том числе при применении устройств облегчения пуска холодного двигателя или системы предпускового подогрева. Пуск считается удачным, если двигатель вышел на режим устойчивой работы и проработал не менее 30 с.
При неудачных пусках (за три попытки) осуществляют пуск двигателя с увеличенной частотой провертывания или с применением устройств облегчения пуска и прогрев до рабочих температур.
После каждых шести испытаний с удачными пусками осуществляют прогрев двигателя до рабочих температур.
И.2.10.4 Для бензиновых двигателей рекомендуется после каждых шести удачных или двух неудачных испытаний брать пробы масла из поддона двигателя для анализа. При снижении вязкости масла более чем на 25% от первоначальной по
И.1.3 моторное масло заменяется на свежее.
И.2.10.5 При проведении испытаний регистрируют:
- время;
- положение ВМТ в одном из цилиндров;
- напряжение на зажимах электростартера и ток в его цепи;
- угол поворота коленчатого вала двигателя.
И.2.10.6 При обработке результатов испытаний определяют:
- установочное напряжение на зажимах электростартера;
- среднюю частоту провертывания коленчатого вала до появления первой вспышки;
- время до появления первой вспышки от включения электростартера;
- время от включения электростартера до его выхода на режим холостого хода;
- среднюю частоту вращения коленчатого вала при устойчивой работе после пуска.
И.2.10.7 По результатам испытаний строят график изменения минимальных пусковых оборотов в зависимости от температуры.
И.3 Определение моментов сопротивления провертыванию коленчатого вала двигателя
И.3.1 Перед началом испытаний осуществляют проверку по
И.1.2 (за исключением проверки углов опережения впрыскивания и проверки работы систем зажигания).
И.3.2 При определении моментов сопротивления провертыванию коленчатого вала рекомендуется использование масла двух классов: зимнего и маловязкого в соответствии с
И.2.3. Смену масла проводят по
И.2.4.
И.3.3 Для определения моментов сопротивления провертыванию коленчатого вала двигатель охлаждают до заданной температуры и провертывают электростартером с постоянной средней частотой вращения коленчатого вала.
И.3.4 Напряжение на зажимы электростартера подают от источника энергии, обеспечивающего возможность плавной регулировки напряжения. На реле электростартера напряжение с номинальной величиной подают от другого независимого источника энергии с соответствующим изменением схемы включения реле. При этих испытаниях систему питания двигателя топливом отключают.
И.3.5 На каждой заданной температуре проводят серию испытаний по провертыванию коленчатого вала двигателя электростартером с различными средними частотами вращения коленчатого вала.
И.3.6 Продолжительность провертывания коленчатого вала должна обеспечить восемь - десять полных оборотов коленчатого вала. От испытания к испытанию изменяют среднюю частоту вращения коленчатого вала таким образом, чтобы на каждой заданной температуре было шесть - восемь испытаний в диапазоне средних частот от 30 до 200 мин
-1.
И.3.7 Порядок проведения испытаний:
а) контроль температур и готовность по
И.2.10.1;
б) установка напряжения на зажимах электростартера;
в) выключение сцепления, провертывание коленчатого вала двигателя по
И.3.5 и
И.3.6, выключение электростартера;
г) выдержка двигателя при заданной температуре воздуха в течение не менее 15 мин и повторение операций в соответствии с
перечислениями б) и
в) с другой средней частотой вращения коленчатого вала.
И.3.7.1 При определении моментов сопротивления регистрируют следующие параметры:
- время;
- положение ВМТ поршня в одном из цилиндров;
- отметку угла поворота коленчатого вала;
- ток в цепи электростартера;
- напряжение на зажимах электростартера.
И.3.7.2 При обработке результатов измерений определяют средние значения за два полных оборота коленчатого вала в диапазоне от третьего до шестого оборота:
- частоты провертывания коленчатого вала;
- тока в цепи электростартера.
И.3.7.3 По полученным средним значениям тока вычисляют среднее значение момента сопротивления провертыванию коленчатого вала Mт, по формуле

, (И.2)
где
Mст - момент на валу электростартера, определяемый по тарировочному графику согласно
И.1.2 в зависимости от полученных средних значений тока в цепи электростартера, Н·м;
i - передаточное число зубчатой пары "венец маховика/шестерня электростартера";

- КПД зубчатой пары, принимаемый равным 0,85.
И.3.7.4 По результатам испытаний строят графики:
- изменения среднего значения момента сопротивления провертыванию в зависимости от средней частоты провертывания коленчатого вала для каждой температуры и каждого сорта масла;
- изменения среднего давления трения в зависимости от вязкости масла при постоянной средней частоте провертывания коленчатого вала, равной для дизелей 100 мин-1, а для двигателей с принудительным зажиганием - 50 мин-1.
Среднее значение давления трения pт, МПа, вычисляют по формуле
pт = 0,01257·Mт/Vh, (И.3)
где Vh - рабочий объем двигателя, л.
Значения коэффициента кинематической вязкости для каждой температуры и каждого сорта масла находят по вязкостно-температурной характеристике масла согласно
И.1.3.
График для удобства строят в логарифмических координатах.
И.4 Определение частоты провертывания коленчатого вала двигателя электростартером
И.4.1 Частота провертывания коленчатого вала двигателя определяется без подачи топлива. При определении частоты провертывания проводят два вида испытаний:
а) определение средней частоты провертывания на тех же маслах
(И.2.3) и в тех же диапазонах температур, как при определении моментов сопротивления по
И.3. Допускается совмещение этих испытаний, при этом сначала определяют среднюю частоту провертывания, а потом моменты сопротивления провертыванию коленчатого вала. При этом виде испытаний допускается дополнительно применение полностью заряженных теплых аккумуляторных батарей [температура электролита - от 288 до 293 К (плюс 15 °C до плюс 20 °C)];
б) определение средней частоты провертывания коленчатого вала при предельных температурах надежного пуска двигателя в продолжение шести последовательных провертываний двигателя. При этом виде испытаний на зажимы электростартера и его реле ток подается от аккумуляторных батарей, подготовленных для испытаний с 75%-ной степенью заряженности.
| | ИС МЕГАНОРМ: примечание. В официальном тексте документа, видимо, допущена опечатка: имеется в виду перечисление а) п. И.4.1, а не И.4. | |
И.4.1.1 При испытаниях в соответствии с
И.4, перечисление а), провертывание коленчатого вала двигателя осуществляют с продолжительностью не более 15 с для дизелей (газодизелей) и 10 с для двигателей с принудительным зажиганием, при этом за одно испытание коленчатый вал двигателя должен совершить от шести до восьми полных оборотов. Общее число провертываний от одной подготовленной с 75%-ной степенью заряженности аккумуляторной батареи не должно быть более четырех с суммарным временем не более 45 с, а для полностью заряженной батареи - не более 10 попыток провертывания с суммарным временем не более 90 с.
И.4.1.2 При испытаниях в соответствии с
И.4.1, перечисление б), провертывание двигателя осуществляют попытками продолжительностью по 15 с для дизельных (газодизельных) двигателей и по 10 с для двигателей с принудительным зажиганием и интервалом между попытками в одну минуту. После трех попыток выдерживают интервал в три минуты. Допускается увеличение числа попыток более шести, если средняя частота провертывания коленчатого вала превышает значение минимальных пусковых оборотов при температуре испытаний.
И.4.2 Порядок проведения испытаний
И.4.2.1 Контроль и регистрация температур деталей двигателя, охлаждающей жидкости, масла, воздуха и электролита аккумуляторных батарей с готовностью испытания по
И.2.10.1 при условии, что температура электролита аккумуляторных батарей отличалась от заданной не более чем на 2 °C в течение не менее 4 ч.
И.4.2.2 Выключение сцепления и провертывание двигателя электростартером по
И.4.1.2 в зависимости от вида испытаний.
И.4.2.3 При проведении испытаний регистрируют параметры по
И.3.7.1 и напряжение на выводах аккумуляторной батареи.
И.4.2.4 При обработке результатов испытаний в соответствии с
И.4.1, перечисление а), находят средние значения за два полных оборота коленчатого вала в диапазоне от третьего до шестого оборота:
- частоты провертывания коленчатого вала;
- тока в цепи электростартера;
- напряжения на зажимах электростартера и выводах аккумуляторной батареи;
- падения напряжения в цепи электростартера.
И.4.2.5 При обработке результатов испытаний в соответствии с
И.4.1, перечисление б), определяют параметры по
И.4.2.4 в начале (на втором-третьем) и в конце (два последних оборота) каждой попытки.
И.4.2.6 По результатам испытаний строят графики:
- по испытаниям в соответствии с
И.4.1, перечисление а), - график изменений средних значений тока в цепи электростартера, напряжения на выводах аккумуляторных батарей и частоты провертывания коленчатого вала в зависимости от температуры для каждого сорта масла;
- по испытаниям в соответствии с
И.4.1, перечисление б), - график изменений средних значений тока в цепи электростартера, напряжения на выводах аккумуляторной батареи и средней частоты вращения коленчатого вала в начале и в конце каждой попытки в зависимости от числа попыток. Кроме того, строят зависимость максимальных значений напряжения на зажимах электростартера от числа попыток.
И.5 Определение температур надежного пуска двигателя
Предельные температуры надежного пуска находят по результатам проведенных испытаний по определению минимальных пусковых оборотов (см.
И.2) и частоты провертывания коленчатого вала двигателя (см.
И.4). Для этого строят совмещенный график изменения минимальных пусковых оборотов и средней частоты провертывания коленчатого вала двигателя электростартером в зависимости от температуры (см.
рисунок И.1). Точки пересечения кривых зависимостей минимальных пусковых оборотов и средней частоты провертывания двигателя электростартером указывают на предельную температуру надежного пуска двигателя для каждого сорта применяемого масла. Подтверждение определенных таким способом предельных температур надежного пуска осуществляют контрольными пусками двигателя по
И.6.
Примечание - Минус 20 °C - плюс 253 К; минус 15 °C - плюс 258 К; минус 10 °C - плюс 263 К.
nпуск - минимальная частота вращения, потребная для запуска
двигателя; nт.дв - частота провертывания коленчатого вала
двигателя электростартером
Рисунок И.1 - График изменения минимальных пусковых оборотов
и средней частоты провертывания коленчатого вала двигателя
электростартером в зависимости от температуры
И.6 Проверка предельных температур надежного пуска двигателя
И.6.1 Проверку предельных температур надежного пуска осуществляют путем контрольных пусков двигателя при температурах, соответствующих требованиям КД, стандартов или определенных по результатам испытаний по
И.5.
И.6.1.1 Системы электрооборудования двигателя, устройства облегчения пуска и предпускового подогрева подключают к штатным аккумуляторным батареям автомобиля, подготовленным с 75%-ной степенью заряженности.
И.6.1.2 Испытания проводят при использовании не менее двух сортов масел по
И.2.3. Смену масла проводят по
И.2.4. Перед началом испытаний отбирают пробы каждого сорта масла из поддона двигателя для анализа и построения вязкостно-температурной характеристики масла.
При стендовых испытаниях используют те же сорта масел, при которых определялись моменты сопротивления провертыванию и частота провертывания коленчатого вала двигателя. При приемочных и периодических испытаниях используют масла согласно химмотологической карте двигателя.
И.6.1.3 Перед началом испытаний по результатам анализа проб масла, взятых из поддона двигателя, проверяют соответствие вязкости масла установленным требованиям. Если при температурах надежного пуска двигателя вязкость используемых масел превышает установленную более чем на 10%, то возможна корректировка температуры надежного пуска, если это допускается нормативными документами и технической документацией, утвержденными в установленном порядке.
При корректировке температуры надежного пуска по вязкостно-температурной характеристике используемых масел находится температура, соответствующая вязкости масла, установленной требованиями КД. При этом допускается повышение температуры надежного пуска не более чем на 2 °C при пусках двигателя без применения устройств облегчения пуска и не более чем на 5 °C - при применении устройств облегчения пуска холодного двигателя.
И.6.1.4 Перед началом испытаний осуществляют проверку по
И.2.1.
И.6.2 Порядок проведения испытаний
И.6.2.1 Двигатель считают подготовленным к испытаниям, если температуры охлаждающей жидкости (или стенок цилиндров и головок двигателей воздушного охлаждения), масла, топлива и воздуха отличаются от заданной температуры не более чем на 1 °C в течение не менее 2 ч, а температура электролита аккумуляторной батареи - не более чем на 2 °C в течение не менее 4 ч.
И.6.2.2 Пуск двигателя осуществляют в соответствии с порядком, обусловленным инструкцией по эксплуатации двигателя, в течение не более трех попыток пуска продолжительностью 10 с для двигателей с принудительным зажиганием и 15 с для дизельных (газодизельных) двигателей с интервалом между попытками в одну минуту. При появлении на первой или второй попытке пуска регулярных вспышек в цилиндрах двигателя допускается исключать перерывы между попытками при условии, что суммарное время включенного состояния электростартера не превышает длительности трех попыток пуска.
И.6.2.3 Работа на холостом ходу с частотой вращения коленчатого вала, предусмотренной инструкцией по эксплуатации двигателя, до достижения устойчивой работы.
И.6.2.4 Подключение тормозной установки (в случае установки коробки передач подключение осуществляют через прямую или высшую передачу) и определение затрат времени до принятия двигателем нагрузки с моментом не менее 50% от максимального при частоте вращения коленчатого вала, соответствующей максимальному моменту по ВСХ двигателя.
Примечания
1 Допускается проверку пусковых качеств двигателя проводить на КТС. Проверку пусковых качеств двигателя на КТС проводят в низкотемпературной (климатической) камере или на открытом воздухе. После пуска двигателя определяют время подготовки двигателя к принятию нагрузки (в том числе время работы на холостом ходу), оцениваемое по началу движения автомобиля.
2 Допускается при отсутствии в низкотемпературной камере электробалансирной машины время до принятия нагрузки определять по времени работы двигателя на холостом ходу до включения в работу всех цилиндров двигателя и контроля изменения частоты коленчатого вала при измерении подачи топлива.
И.6.2.5 В случае неудачного пуска двигателя от первого комплекта аккумуляторных батарей допускается повторение опыта от второго комплекта аккумуляторных батарей при условии, что частота провертывания коленчатого вала двигателя на последней попытке пуска была не ниже значения минимальных пусковых оборотов, полученных для данной модели двигателя при стендовых испытаниях.
И.6.2.6 Перед повторным контрольным пуском от второго комплекта аккумуляторных батарей должны быть проверены все системы двигателя, оказывающие влияние на пуск двигателя.
И.6.2.7 При неудачном пуске двигателя от второго комплекта аккумуляторных батарей проводят дополнительные работы по
И.1.1 -
И.1.3 с целью выявления причины ненадежного пуска двигателя.
И.6.2.9 При обработке результатов измерений находят параметры по
И.2.10.6 и
И.4.2.4.
И.6.2.10 По результатам контрольных пусков дают заключение о соответствии пусковых качеств испытуемого двигателя требованиям КД и
[1].
И.7 Испытания по пуску горячего двигателя
И.7.1 Испытания по пуску горячего двигателя проводят в климатической камере или на открытом воздухе.
Перед пуском двигатель прогревают на стенде до стабилизации температур масла и охлаждающей жидкости (головок блока для двигателей воздушного охлаждения), которые должны быть не ниже рабочих и не выше допускаемых для данного типа двигателя.
Испытания возможно осуществлять на КТС, в этом случаи прогрев двигателя осуществляют под нагрузкой при движении КТС на открытом воздухе или на стенде с беговыми барабанами в климатической камере с обдувом встречным воздухом.
И.7.1.1 После прогрева двигателя и его работы в течение не более 1 мин на холостом ходу после остановки в интервале времени от 10 до 15 мин измеряют:
- температуру окружающего воздуха (каждый час в течение трех последних часов перед испытаниями в климатической камере или каждые 30 мин в последние два часа при испытаниях на открытом воздухе на расстоянии не более 0,5 м от автомобиля);
- температуру охлаждающей жидкости или стенок головки блока (блока цилиндра) для двигателей воздушного охлаждения в месте установки штатного датчика температуры;
- температуру топлива;
- температуру масла в поддоне двигателя;
- температуру электролита аккумуляторной батареи (в среднем аккумуляторе);
- плотность электролита аккумуляторной батареи (в среднем аккумуляторе) определяют после измерения температуры;
- скорость и направление ветра на расстоянии не менее 5 м от автомобиля при испытаниях на открытом воздухе.
И.7.1.2 При пуске горячего двигателя проводят не более двух попыток пуска с интервалами между ними в одну минуту. Продолжительность каждой попытки пуска не должна быть более 15 с для дизельных (газодизельных) и 10 с для двигателей с принудительным зажиганием. Если при первой попытке пуска появляются регулярные вспышки в цилиндрах двигателя, то допускается увеличение продолжительности попытки пуска.
И.7.1.3 В процессе пуска двигателя определяют:
- температуру воздуха, поступающего в двигатель, на расстоянии не более 150 мм от входа в воздухозаборник;
- количество попыток пуска;
- продолжительность провертывания коленчатого вала двигателя стартером при каждой попытке пуска;
- частоту провертывания коленчатого вала стартером;
- напряжение на клеммах электростартера и выводах аккумуляторных батарей;
- ток в цепи электростартера.
(рекомендуемое)
СХЕМЫ И ПРИМЕРЫ ОФОРМЛЕНИЯ КАРТ МИКРОМЕТРАЖА
Организация _______________ | Карта микрометража Блок цилиндров Диаметр цилиндра (гильзы) |
Лаборатория _______________ |
Двигатель _________ марка, N | Продолжительность работы ___________ |
| |
| Условия микрометража | До испытания | После испытания |
Температура окружающей среды | | |
Наименование и номер измерительного инструмента | | |
Микрометраж проводил | | |
Дата микрометража | | |
Примечания
1 Направление S1 перпендикулярно к оси коленчатого вала. При измерениях гильзы в этом направлении на гильзе ставят метку.
2 Число поясов устанавливают в зависимости от высоты цилиндра.
3 Пояс I - верхний.
4 Описание дефектов и состояния рабочей поверхности - на обороте карты.
Номер цилиндра | Направления измерений | Номер пояса | Отклонение от цилиндричности |
I | II | III | IV | V | VI | VII | VIII | IX | X | XI |
Диаметр |
I | S1 | до испытания | | | | | | | | | | | | |
после испытания | | | | | | | | | | | | |
S2 | до испытания | | | | | | | | | | | | |
после испытания | | | | | | | | | | | | |
| | | | | | | | | | | | | | |
Организация _______________ | Карта микрометража Поршень Высота канавок для колец |
Лаборатория _______________ |
Двигатель _________ марка, N | Продолжительность работы ___________ |
| |
| Условия микрометража | До испытания | После испытания |
Температура окружающей среды | | |
Наименование и номер измерительного инструмента | | |
Микрометраж проводил | | |
Дата микрометража | | |
Примечания
1 Высоту канавки измеряют в четырех точках h1, h2, h3, h4 - со стороны радиатора.
2 Отсчет канавок ведут от днища поршня.
3 Описание дефектов и состояния рабочей поверхности - на обороте карты.
Номер цилиндра | Точка измерения | Номер канавки |
I | II | III | IV |
Высота канавки |
До испытания | После испытания | До испытания | После испытания | До испытания | После испытания | До испытания | После испытания |
| | | | | | | | | |
| | | | | | | | | |
Организация _______________ | Карта микрометража Поршень Диаметр отверстий в бобышках |
Лаборатория _______________ |
Двигатель _________ марка, N | Продолжительность работы ___________ |
| |
| Условия микрометража | До испытания | После испытания |
Температура окружающей среды | | |
Наименование и номер измерительного инструмента | | |
Микрометраж проводил | | |
Дата микрометража | | |
Примечания
1 Диаметр отверстий измеряют в поясах I, II, III, IV, расположенных от края бобышки на расстоянии 1/4 длины отверстия в двух плоскостях - перпендикулярно и параллельно оси наружной поверхности поршня.
2 Первая бобышка - со стороны радиатора.
3 Описание дефектов и состояния рабочей поверхности отверстий в бобышках - на обороте карты.
Номер цилиндра | Направления измерений | Бобышка N 1 | Бобышка N 2 |
До испытания | После испытания | До испытания | После испытания |
Пояс | Отклонение от цилиндричности | Пояс | Отклонение от цилиндричности | Пояс | Отклонение от цилиндричности | Пояс | Отклонение от цилиндричности |
I l1 = _ | II l2 = _ | III l3 = _ | IV l4 = _ | I l1 = _ | II l2 = _ | III l3 = _ | IV l4 = _ |
Диаметр отверстия | Диаметр отверстия | Диаметр отверстия | Диаметр отверстия |
| | | | | | | | | |
| | | | | | | | | | | | | |
Организация _______________ | Карта микрометража Поршень Диаметр юбки поршня |
Лаборатория _______________ |
Двигатель _________ марка, N | Продолжительность работы ___________ |
| |
| Условия микрометража | До испытания | После испытания |
Температура окружающей среды | | |
Наименование и номер измерительного инструмента | | |
Микрометраж проводил | | |
Дата микрометража | | |
Примечания
1 Измерения диаметра юбки проводят в трех поясах (3 мм от верхней кромки, в поясе наибольшего ее диаметра, и 3 - 5 мм от нижней кромки) и в 20 направлениях по таблице.
Отсчет направлений ведут от оси отверстия для пальца со стороны, обращенной к радиатору.
2 Описание дефектов и состояния рабочей поверхности юбки - на обороте карты.
Номер цилиндра | Номер пояса | Направление |
0° - 180° | 10° - 190° | 20° - 200° | 30° - 210° | 40° - 220° | 45° - 225° | 50° - 230° | 60° - 240° | 70° - 250° | 80° - 260° | 90° - 270° | 100° - 280° | 110° - 290° | 120° - 300° | 130° - 310° | 135° - 315° | 140° - 320° | 150° - 330° | 160° - 340° | 170° - 350° |
Диаметральный размер юбки поршня |
I | I | До испытания | | | | | | | | | | | | | | | | | | | | |
После испытания | | | | | | | | | | | | | | | | | | | | |
II | До испытания | | | | | | | | | | | | | | | | | | | | |
После испытания | | | | | | | | | | | | | | | | | | | | |
| ... | ... | | | | | | | | | | | | | | | | | | | | |
Организация _______________ | Карта микрометража Поршневой палец Номинальный диаметр пальца |
Лаборатория _______________ |
Двигатель _________ марка, N | Продолжительность работы ___________ |
| |
| Условия микрометража | До испытания | После испытания |
Температура окружающей среды | | |
Наименование и номер измерительного инструмента | | |
Микрометраж проводил | | |
Дата микрометража | | |
Примечания
1 Наружный диаметр пальца измеряют в двух взаимно перпендикулярных направлениях.
2 Первый пояс - со стороны радиатора.
3 Описание дефектов и состояния рабочей поверхности - на обороте карты.
Номер цилиндра | Направления измерений | Номер пояса | Отклонение от цилиндричности |
I l1 = __ | II l2 = __ | III l3 = __ | IV l4 = __ |
Диаметр пальца |
До испытания | После испытания | До испытания | После испытания | До испытания | После испытания | До испытания | После испытания |
| | | | | | | | | | |
| | | | | | | | | | |
Организация _______________ | Карта микрометража Поршневые кольца Радиальная толщина кольца |
Лаборатория _______________ |
Двигатель _________ марка, N | Продолжительность работы ___________ |
| |
| Условия микрометража | До испытания | После испытания |
Температура окружающей среды | | |
Наименование и номер измерительного инструмента | | |
Микрометраж проводил | | |
Дата микрометража | | |
Примечания
1 Радиальную толщину поршневого кольца измеряют в пяти точках: против прорези 3, с двух сторон под углом 90° к первому направлению 2 и 4 и с двух сторон под углом 30° к оси прорези 1 и 5.
2 Счет колец ведут от днища поршня.
Номер поршня | Точки измерений кольца (см. рисунок) | Номер кольца |
I | II | III | IV | V |
До испытания | После испытания | Износ | До испытания | После испытания | Износ | До испытания | После испытания | Износ | До испытания | После испытания | Износ | До испытания | После испытания | Износ |
| | | | | | | | | | | | | | | | |
Организация _______________ | Карта микрометража Поршневые кольца Высота кольца |
Лаборатория _______________ |
Двигатель _________ марка, N | Продолжительность работы ___________ |
| |
| Условия микрометража | До испытания | После испытания |
Температура окружающей среды | | |
Наименование и номер измерительного инструмента | | |
Микрометраж проводил | | |
Дата микрометража | | |
Примечания
1 Высоту поршневого кольца измеряют в пяти точках: напротив замка 3, под углом 90° 2 и 4 и под углом 30° к оси замка 1 и 5.
2 Счет колец ведут от днища поршня.
Номер поршня | Точки измерений кольца (см. чертеж) | Номер кольца |
I | II | III | IV | V |
До испытания | После испытания | Износ | До испытания | После испытания | Износ | До испытания | После испытания | Износ | До испытания | После испытания | Износ | До испытания | После испытания | Износ |
| | | | | | | | | | | | | | | | |
Организация _______________ | Карта микрометража Поршневые кольца Тепловой зазор, упругость, масса |
Лаборатория _______________ |
Двигатель _________ марка, N | Продолжительность работы ___________ |
| |
| Условия микрометража | До испытания | После испытания |
Температура окружающей среды | | |
Наименование и номер измерительного инструмента | | |
Микрометраж проводил | | |
Дата микрометража | | |
Примечания
1 Измерение теплового зазора в замке поршневого кольца проводят на кольце, вставленном в эталонную оправку диаметром, равным номинальному диаметру цилиндра. Точность измерения 0,02 мм.
2 Упругость колец определяют на специальных весах.
3 Массу колец определяют на технических весах с точностью до 0,01 г.
Номер поршня | Номер кольца | Зазор в замке | Упругость, кгс | Масса, кг |
в свободном состоянии lсвоб = ____ | в рабочем состоянии lраб = ____ |
До испытания | После испытания | Изменение зазора | До испытания | После испытания | Изменение зазора | До испытания | После испытания | Изменение упругости | До испытания | После испытания | Изменение массы |
| | | | | | | | | | | | | |
Организация _______________ | Карта микрометража Коленчатый вал Диаметр шатунных шеек __________ |
Лаборатория _______________ |
Двигатель _________ марка, N | Продолжительность работы ___________ |
| |
| Условия микрометража | До испытания | После испытания |
Температура окружающей среды | | |
Наименование и номер измерительного инструмента | | |
Микрометраж проводил | | |
Дата микрометража | | |
Примечания
1 Шатунные шейки коленчатого вала по внешнему диаметру измеряют в двух поясах по двум или трем направлениям (через 90° или 60° каждое). Первое направление для всех шатунных шеек расположено в плоскости кривошипа, к которому относится данная шатунная шейка.
2 Пояса расположены у концов шейки на расстоянии 1/4 ее общей длины. Первый пояс - со стороны радиатора. Твердость _________.
3 Описание дефектов и состояния рабочей поверхности - на обороте карты.
Номер шейки | Направление измерений | Пояс I l1 = ___ | Пояс II l2 = ___ | Износ | Наибольшее отклонение от цилиндричности |
До испытания | После испытания | Износ | До испытания | После испытания | Износ | Наибольший | Средний |
| | | | | | | | | | |
Организация _______________ | Карта микрометража Коленчатый вал Диаметр коренных шеек |
Лаборатория _______________ |
Двигатель _________ марка, N | Продолжительность работы ___________ |
| |
| Условия микрометража | До испытания | После испытания |
Температура окружающей среды | | |
Наименование и номер измерительного инструмента | | |
Микрометраж проводил | | |
Дата микрометража | | |
Примечания
1 Коренные шейки по внешнему диаметру измеряют в двух поясах по двум или трем направлениям (через 90° или 60° каждое). Первое направление для всех коренных шеек расположено в плоскости кривошипа 1-й шатунной шейки.
2 Пояса расположены у концов шейки на расстоянии 1/4 ее общей длины. Первый пояс - со стороны радиатора. Твердость _____.
3 Описание дефектов и состояния рабочей поверхности - на обороте карты.
Номер шейки | Направления измерений | Пояс I l1 = __ | Пояс II l2 = __ | Износ | Наибольшее отклонение от цилиндричности |
До испытания | После испытания | Износ | До испытания | После испытания | Износ | Наибольший | Средний |
| | | | | | | | | | |
Организация _______________ | Карта микрометража Шатунные подшипники Диаметр подшипника |
Лаборатория _______________ |
Двигатель _________ марка, N | Продолжительность работы ___________ |
| |
| Условия микрометража | До испытания | После испытания |
Температура окружающей среды | | |
Наименование и номер измерительного инструмента | | |
Микрометраж проводил | | |
Дата микрометража | | |
Примечания
1 Шатунные подшипники по внутреннему диаметру измеряют в двух поясах по трем направлениям: перпендикулярно к плоскости разъема и под углом 60° от этого направления в обе стороны.
2 Пояса расположены у торцов подшипника на расстоянии 1/4 его общей длины. Первый пояс - со стороны радиатора.
3 Описание дефектов и состояния рабочей поверхности - на обороте карты.
Номер подшипника | Направления измерений | Пояс I l1 = __ | Пояс II l2 = __ | Износ | Наибольшее отклонение от цилиндричности |
До испытания | После испытания | Износ | До испытания | После испытания | Износ | Наибольший | Средний |
| | | | | | | | | | |
Организация _______________ | Карта микрометража Коренные подшипники Диаметр подшипника |
Лаборатория _______________ |
Двигатель _________ марка, N | Продолжительность работы ___________ |
| |
| Условия микрометража | До испытания | После испытания |
Температура окружающей среды | | |
Наименование и номер измерительного инструмента | | |
Микрометраж проводил | | |
Дата микрометража | | |
Примечания
1 Коренные подшипники по внутреннему диаметру измеряют в двух поясах по трем направлениям перпендикулярно к плоскости разъема и под углом 60° от этого направления в обе стороны.
2 Пояса располагают у торцов подшипника на расстоянии 1/4 его общей длины. Первый пояс - со стороны радиатора.
Номер подшипника | Направления измерений | Пояс I l1 = __ | Пояс II l2 = __ | Износ | Наибольшее отклонение от цилиндричности |
До испытания | После испытания | Износ | До испытания | После испытания | Износ | Наибольший | Средний |
| | | | | | | | | | |
Организация _______________ | Карта микрометража Вкладыши шатунных подшипников Толщина вкладыша |
Лаборатория _______________ |
Двигатель _________ марка, N | Продолжительность работы ___________ |
| |
Условия микрометража | До испытания | После испытания |
Температура окружающей среды | | |
Наименование и номер измерительного инструмента | | |
Микрометраж проводил | | |
Дата микрометража | | |
Примечания
1 Вкладыши, имеющие скосы, измеряют по толщинам
S,
S'1 и

,
S'2 и

в трех или четырех (для вкладышей с кольцевой масляной канавкой) поясах и по пяти радиальным направлениям, указанным на
рисунке.
2 Пояса находятся на расстоянии 2 - 3 мм от торцов и в середине вкладыша или на расстоянии (2 - 3) мм от масляной канавки. Первый пояс - со стороны радиатора.
3 Расстояние
A от плоскости стыков, определяющее радиальное направление измерений толщин
S'2 и

, при диаметрах постелей до 85 мм, составляет 9 мм и при диаметрах постелей свыше 85 мм - 13 мм.
4 У вкладышей, не имеющих скосов, измеряют вместо толщин
S'2 и

по соответствующим им радиальным направлениям толщины
S'3 и

в плоскости стыков.
5 Описание дефектов и состояния рабочей поверхности - на обороте карты.
Номер вкладыша | Верхняя половина вкладыша |
Пояс I l1 = ____ | Пояс II l2 = ____ | Пояс III l3 = ____ | Пояс IV l4 = ____ | Износ |
До испытания | После испытания | Износ | До испытания | После испытания | Износ | До испытания | После испытания | Износ | До испытания | После испытания | Износ | Наибольший | Средний |
| | | | | | | | | | | | | | |
Номер вкладыша | Нижняя половина вкладыша |
Пояс I l1 = ____ | Пояс II l2 = ____ | Пояс III l3 = ____ | Пояс IV l4 = ____ | Износ |
До испытания | После испытания | Износ | До испытания | После испытания | Износ | До испытания | После испытания | Износ | До испытания | После испытания | Износ | Наибольший | Средний |
| | | | | | | | | | | | | | |
Организация _______________ | Карта микрометража Вкладыши коренных подшипников Толщина вкладыша |
Лаборатория _______________ |
Двигатель _________ марка, N | Продолжительность работы ___________ |
| |
Условия микрометража | До испытания | После испытания |
Температура окружающей среды | | |
Наименование и номер измерительного инструмента | | |
Микрометраж проводил | | |
Дата микрометража | | |
Примечания
1 Вкладыши, имеющие скосы, измеряют по толщинам
S,
S'1 и

,
S'2 и

в трех или четырех (для вкладышей с кольцевой масляной канавкой) поясах и по пяти радиальным направлениям, указанным на
рисунке.
2 Пояса находятся на расстоянии 2 - 3 мм от торцов и в середине вкладыша или на расстоянии 2 - 3 мм от масляной канавки. Первый пояс - со стороны радиатора.
3 Расстояние
A от плоскости стыков, определяющее радиальное направление измерений толщин
S'2 и

при диаметрах постелей до 85 мм, составляет 9 мм и при диаметрах постелей свыше 85 мм - 13 мм.
4 У вкладышей, не имеющих скосов, измеряют вместо толщин
S'2 и

по соответствующим им радиальным направлениям толщины
S'3 и

в плоскости стыков.
5 Описание дефектов и состояния рабочей поверхности - на обороте карты.
Номер вкладыша | Верхний вкладыш |
Пояс I l1 = ____ | Пояс II l2 = ____ | Пояс III l3 = ____ | Пояс IV l4 = ____ | Износ |
До испытания | После испытания | Износ | До испытания | После испытания | Износ | До испытания | После испытания | Износ | До испытания | После испытания | Износ | Наибольший | Средний |
| | | | | | | | | | | | | | |
Номер вкладыша | Нижний вкладыш |
Пояс I l1 = ____ | Пояс II l2 = ____ | Пояс III l3 = ____ | Пояс IV l4 = ____ | Износ |
До испытания | После испытания | Износ | До испытания | После испытания | Износ | До испытания | После испытания | Износ | До испытания | После испытания | Износ | Наибольший | Средний |
| | | | | | | | | | | | | | |
Организация _______________ | Карта микрометража Втулка поршневой головки шатуна Диаметр втулки |
Лаборатория _______________ |
Двигатель _________ марка, N | Продолжительность работы ___________ |
| |
| Условия микрометража | До испытания | После испытания |
Температура окружающей среды | | |
Наименование и номер измерительного инструмента | | |
Микрометраж проводил | | |
Дата микрометража | | |
Примечания
1 Внутренний диаметр втулки измеряют в двух взаимно перпендикулярных направлениях по двум поясам.
2 Пояса расположены у торцов втулки на расстоянии 1/4 ее общей длины. Первый пояс - со стороны радиатора.
Номер втулки | Направления измерений | Пояс I l1 = __ | Пояс II l2 = __ | Износ | Наибольшее отклонение от цилиндричности |
До испытания | После испытания | Износ | До испытания | После испытания | Износ | Наибольший | Средний |
| | | | | | | | | | |
Организация _______________ | Карта микрометража Распределительный вал Диаметр шеек |
Лаборатория _______________ |
Двигатель _________ марка, N | Продолжительность работы ___________ |
| |
| Условия микрометража | До испытания | После испытания |
Температура окружающей среды | | |
Наименование и номер измерительного инструмента | | |
Микрометраж проводил | | |
Дата микрометража | | |
Примечания
1 Пояса расположены на расстоянии 5 мм от торцов шейки.
2 Описание дефектов и состояния рабочей поверхности - на обороте карты.
Номер шейки | Направления измерений | Пояс I l1 = __ | Пояс II l2 = __ | Износ | Наибольшие отклонения от цилиндричности |
До испытания | После испытания | Износ | До испытания | После испытания | Износ | Наибольший | Средний |
| | | | | | | | | | |
Организация _______________ | Карта микрометража Распределительный вал Диаметр кулачка. Высота кулачка |
Лаборатория _______________ |
Двигатель _________ марка, N | Продолжительность работы ___________ |
| |
| Условия микрометража | До испытания | После испытания |
Температура окружающей среды | | |
Наименование и номер измерительного инструмента | | |
Микрометраж проводил | | |
Дата микрометража | | |
Примечания
1 Пояса расположены на расстоянии 5 мм от торцов кулачка.
2 Описание дефектов и состояния рабочей поверхности - на обороте карты.
Номер кулачка | Направления измерений | Пояс I l1 = __ | Пояс II l2 = __ | Износ |
До испытания | После испытания | Износ | До испытания | После испытания | Износ | Наибольший | Средний |
| | | | | | | | | |
Организация _______________ | Карта микрометража Клапаны Диаметры стержня |
Лаборатория _______________ |
Двигатель _________ марка, N | Продолжительность работы ___________ |
| |
| Условия микрометража | До испытания | После испытания |
Температура окружающей среды | | |
Наименование и номер измерительного инструмента | | |
Микрометраж проводил | | |
Дата микрометража | | |
Твердость торца ________________ Твердость стержня ________________
Примечание - Дефекты и состояние рабочей поверхности - на обороте карты.
Номер клапана | Направления измерений | Пояс I l1 = __ | Пояс II l2 = __ | Износ |
До испытания | После испытания | Износ | До испытания | После испытания | Износ | Наибольший | Средний |
| | | | | | | | | |
Организация _______________ | Карта микрометража Втулка распределительного вала Внутренний диаметр втулки |
Лаборатория _______________ |
Двигатель _________ марка, N | Продолжительность работы ___________ |
| |
| Условия микрометража | До испытания | После испытания |
Температура окружающей среды | | |
Наименование и номер измерительного инструмента | | |
Микрометраж проводил | | |
Дата микрометража | | |
Примечания
1 Внутренний диаметр втулки измеряют в двух поясах по двум взаимно перпендикулярным направлениям - в вертикальной и горизонтальной плоскостях.
2 Пояса расположены на расстояниях от торцов втулки, равных 1/4 длины втулки. Первый пояс - со стороны маховика.
3 Описание дефектов и состояния рабочей поверхности - на обороте карты.
Номер подшипника | Направления измерений | Пояс I l1 = __ | Пояс II l2 = __ | Износ | Наибольшие отклонения от цилиндричности |
До испытания | После испытания | Износ | До испытания | После испытания | Износ | Наибольший | Средний |
| | | | | | | | | | |
Организация _______________ | Карта микрометража Направляющие клапанов Внутренний диаметр направляющих |
Лаборатория _______________ |
Двигатель _________ марка, N | Продолжительность работы ___________ |
| |
| Условия микрометража | До испытания | После испытания |
Температура окружающей среды | | |
Наименование и номер измерительного инструмента | | |
Микрометраж проводил | | |
Дата микрометража | | |
Примечания
1 Внутренний диаметр направляющей измеряют в двух поясах по двум взаимно перпендикулярным направлениям в продольной S1 и поперечной S2 плоскостях коленчатого вала.
2 Пояса расположены на расстоянии от торцов направляющей, равных 1/6 длины направляющей. Первый пояс - со стороны, противоположной камере сгорания.
3 Описание дефектов и состояния рабочей поверхности - на обороте карты.
Номер направляющей | Направления измерений | Пояс I l1 = __ | Пояс II l2 = __ | Износ | Наибольшие отклонения от цилиндричности |
До испытания | После испытания | Износ | До испытания | После испытания | Износ | Наибольший | Средний |
| | | | | | | | | | |
(справочное)
ДАННЫЕ ДЛЯ РАСЧЕТА ПАРЦИАЛЬНОГО ДАВЛЕНИЯ ВОДЯНОГО ПАРА
Для расчета парциального давления водяного пара используют значение относительной влажности и значение давления насыщенных паров воздуха (см.
таблицу Л.1) или парциального давления водяного пара, которое определяется по графику (см.
рисунок Л.1).
Примечание - Температуру в градусах Цельсия определяют в соответствии с
ГОСТ 8.417.
Таблица Л.1
Давление насыщенных водяных паров
Температура воздуха, Ta, К | Давление насыщенных паров воздуха, pa, кПа |
273 | 0,6036 |
274 | 0,6491 |
275 | 0,6975 |
276 | 0,7491 |
277 | 0,8040 |
278 | 0,8624 |
279 | 0,9246 |
280 | 0,9907 |
281 | 1,0609 |
282 | 1,1354 |
283 | 1,2146 |
284 | 1,2985 |
285 | 1,3875 |
286 | 1,4818 |
287 | 1,5817 |
288 | 1,6875 |
289 | 1,7994 |
290 | 1,9177 |
291 | 2,0429 |
292 | 2,1751 |
293 | 2,3148 |
294 | 2,4622 |
295 | 2,6178 |
296 | 2,7820 |
297 | 2,9550 |
298 | 3,1374 |
299 | 3,3295 |
300 | 3,5318 |
301 | 3,7447 |
302 | 3,9687 |
303 | 4,2043 |
304 | 4,4520 |
305 | 4,7123 |
306 | 4,9856 |
307 | 5,2727 |
308 | 5,5739 |
309 | 5,8899 |
310 | 6,2214 |
311 | 6,5689 |
312 | 6,9330 |
313 | 7,3145 |
314 | 7,7140 |
315 | 8,1321 |
316 | 8,5697 |
317 | 9,0274 |
318 | 9,5060 |
319 | 10,0063 |
320 | 10,5290 |
321 | 11,0751 |
322 | 11,6453 |
323 | 12,2406 |
324 | 12,8618 |
325 | 13,5097 |
326 | 14,1855 |
327 | 14,8899 |
328 | 15,6241 |
329 | 16,3890 |
330 | 17,1856 |
331 | 18,0150 |
332 | 18,8784 |
333 | 19,7768 |
334 | 20,7114 |
335 | 21,6833 |
336 | 22,6966 |
337 | 23,7438 |
338 | 24,8349 |
339 | 25,9682 |
340 | 27,1451 |
341 | 28,3670 |
342 | 29,6351 |
343 | 30,9509 |
344 | 32,3157 |
345 | 33,7311 |
346 | 35,1985 |
347 | 36,7193 |
348 | 38,2952 |
349 | 39,9278 |
350 | 41,6186 |
351 | 43,3692 |
352 | 45,1814 |
Рисунок Л.1 - График зависимости парциального давления
водяного пара pv от температуры и относительной
влажности воздуха
(обязательное)
ЗНАЧЕНИЯ ugas ДЛЯ РАЗЛИЧНЫХ КОМПОНЕНТОВ ОТРАБОТАВШИХ ГАЗОВ
В ПЕРВИЧНЫХ И РАЗБАВЛЕННЫХ ОТРАБОТАВШИХ ГАЗАХ
В
таблице М.1 представлены значения
ugas для различных компонентов ОГ в первичных и разбавленных ОГ.
Таблица М.1
Значения
ugas для различных компонентов ОГ
в первичных и разбавленных ОГ
Топливо | Отработанные газы | NOx | CO | THC/NMHC | CO2 | CH4 | Плотность |
Дизельное | Первичные ОГ | 0,001587 | 0,000966 | 0,000479 | 0,001518 | 0,000553 | 1,2943 |
Разбавленные ОГ | 0,001588 | 0,000967 | 0,000480 | 0,001519 | 0,000553 | 1,293 |
Этанол | Первичные ОГ | 0,001609 | 0,000980 | 0,000805 | 0,001539 | 0,000561 | 1,2757 |
Разбавленные ОГ | 0,001588 | 0,000967 | 0,000795 | 0,001519 | 0,000553 | 1,293 |
СПГ | Первичные ОГ | 0,001622 | 0,000987 | 0,000523 | 0,001552 | 0,000565 | 1,2661 |
Разбавленные ОГ | 0,001588 | 0,000967 | 0,000584 | 0,001519 | 0,000553 | 1,293 |
Пропан | Первичные ОГ | 0,001603 | 0,000976 | 0,000511 | 0,001533 | 0,000559 | 1,2805 |
Разбавленные ОГ | 0,001588 | 0,000967 | 0,000507 | 0,001519 | 0,000553 | 1,293 |
Бутан | Первичные ОГ | 0,001600 | 0,000974 | 0,000505 | 0,001530 | 0,000558 | 1,2832 |
Разбавленные ОГ | 0,001588 | 0,000967 | 0,000501 | 0,001519 | 0,000553 | 1,293 |
Примечания 1 Значения ugas для первичных ОГ на основе свойств идеального газа при  , сухом воздухе, 273 К (0 °C), 101,3 кПа. 2 Значения ugas для разбавленных ОГ на основе свойств идеального газа и с учетом плотности воздуха. 3 Для двигателей, работающих на СПГ (с массовым составом: C = 66% - 76%; H = 22% - 25%; N = 0% - 12%)? значения ugas приведены с точностью 0,2% для NOx, CO, CO2, CH4. 4 Для двигателей, работающих на СПГ, значения ugas приведены для NMHC из расчета CH2,93. |
| | "О безопасности колесных транспортных средств" |
| ISO 16183:2002 | Heavy duty engines. Measurement of gaseous emissions from raw exhaust gas and of particulate emissions using partial flow dilution systems under transient test conditions (Двигатели большой мощности. Измерение газообразных выбросов из неочищенных отработавших газов и выбросов твердых частиц с помощью систем частичного разбавления потока в неустановившемся режиме) |
| | "О требованиях к автомобильному и авиационному бензину, дизельному и судовому топливу, топливу для реактивных двигателей и мазуту" |
| ISO 16861:2015 | Petroleum products - Fuels (class F) - Specifications of dimethyl ether (DME) [(Нефтепродукты. Топливо (класс F). Технические требования к диметиловому эфиру (ДМЭ)] |
| Worldwide fuel charter. Sixth edition. Gasoline and diesel fuel 28 october 2019 (Всемирная топливная хартия. Шестое издание. Бензин и дизельное ТОПЛИВО. 28 октября 2019) |
[6] | Biodiesel guidelines. First edition. From the Worldwide Fuel Charter Committee. MARCH 2009 (Биодизель. Методические рекомендации. Первое издание. Всемирный комитет по топливной хартии. Март 2009) |
| Ethanol guidelines. First edition. From the Worldwide Fuel Charter Committee MARCH 2009 (Этанол. Методические рекомендации. Первое издание. Всемирный комитет по топливной хартии. Март 2009) |
| ISO 14687:2019 | Hydrogen fuel quality Product specification (Качество водородного топлива. Технические условия на продукт) |
| Правила ООН N 49, включая дополнение 6 к поправкам серии 06 | Единообразные предписания, касающиеся подлежащих принятию мер по ограничению выбросов загрязняющих газообразных веществ и взвешенных частиц двигателями с воспламенением от сжатия и двигателями с принудительным зажиганием, предназначенными для использования на транспортных средствах |
| ISO 11614:1999 | Reciprocating internal combustion compression-ignition engines - Apparatus for measurement of the opacity and for determination of the light absorption coefficient of exhaust gas (Двигатели внутреннего сгорания с воспламенением от сжатия поршневые. Прибор для измерения прозрачности и для определения коэффициента поглощения света отработавших газов) |
| Правила ООН N 24, включая дополнение 3 к поправкам серии 03 | Единообразные предписания, касающиеся: I. Официального утверждения двигателей с воспламенением от сжатия в отношении выброса видимых загрязняющих веществ II. Официального утверждения автотранспортных средств в отношении установки на них двигателей с воспламенением от сжатия, официально утвержденных по типу конструкции III. Официального утверждения автотранспортных средств с двигателем с воспламенением от сжатия в отношении выброса видимых загрязняющих веществ IV. Измерения мощности двигателей с воспламенением от сжатия |
| Правила ООН N 85, включая дополнение 8 к первоначальному варианту Правил | Единообразные предписания, касающиеся официального утверждения двигателей внутреннего сгорания или систем электротяги, предназначенных для приведения в движение механических транспортных средств категорий M и N, в отношении измерения полезной мощности и максимальной 30-минутной мощности систем электротяги |
| ISO 3744:2010 | Acoustics - Determination of sound power levels and sound energy levels of noise sources using sound pressure - Engineering methods for an essentially free field over a reflecting plane (Акустика. Определение уровней звуковой мощности и уровней звуковой энергии источников шума с использованием звукового давления. Технические методы в условиях свободного звукового поля над отражающей поверхностью) |
| Правила ООН N 96, включая поправки серии 03 | Единообразные предписания, касающиеся официального утверждения двигателей с воспламенением от сжатия для установки на сельскохозяйственных и лесных тракторах и внедорожной подвижной технике в отношении выброса загрязняющих веществ этими двигателями |
УДК 629 :006.354 | |
Ключевые слова: двигатели автомобильные, испытания стендовые, методы испытаний |