Главная // Актуальные документы // ГОСТ (Государственный стандарт)СПРАВКА
Источник публикации
М.: Стандартинформ, 2019
Примечание к документу
Документ
введен в действие с 01.03.2020.
Взамен ГОСТ 11126-88.
Название документа
"ГОСТ 11126-2019. Межгосударственный стандарт. Сырье коксохимическое для производства технического углерода. Технические условия"
(введен в действие Приказом Росстандарта от 09.10.2019 N 910-ст)
"ГОСТ 11126-2019. Межгосударственный стандарт. Сырье коксохимическое для производства технического углерода. Технические условия"
(введен в действие Приказом Росстандарта от 09.10.2019 N 910-ст)
Введен в действие
агентства по техническому
регулированию и метрологии
от 9 октября 2019 г. N 910-ст
МЕЖГОСУДАРСТВЕННЫЙ СТАНДАРТ
СЫРЬЕ КОКСОХИМИЧЕСКОЕ ДЛЯ ПРОИЗВОДСТВА
ТЕХНИЧЕСКОГО УГЛЕРОДА
ТЕХНИЧЕСКИЕ УСЛОВИЯ
Coke chemical raw materials for production
of industrial carbon. Specifications
ГОСТ 11126-2019
Дата введения
1 марта 2020 года
Цели, основные принципы и общие правила проведения работ по межгосударственной стандартизации установлены
ГОСТ 1.0 "Межгосударственная система стандартизации. Основные положения" и
ГОСТ 1.2 "Межгосударственная система стандартизации. Стандарты межгосударственные, правила и рекомендации по межгосударственной стандартизации. Правила разработки, принятия, обновления и отмены"
1 РАЗРАБОТАН Акционерным обществом "Восточный научно-исследовательский углехимический институт" (АО "ВУХИН"), Техническим комитетом по стандартизации ТК 395 "Кокс и продукты коксохимии"
2 ВНЕСЕН Федеральным агентством по техническому регулированию и метрологии
3 ПРИНЯТ Межгосударственным советом по стандартизации, метрологии и сертификации (протокол от 28 июня 2019 г. N 55)
За принятие проголосовали:
Краткое наименование страны по МК (ИСО 3166) 004-97 | Код страны по МК (ИСО 3166) 004-97 | Сокращенное наименование национального органа по стандартизации |
Беларусь | BY | Госстандарт Республики Беларусь |
Киргизия | KG | Кыргызстандарт |
Россия | RU | Росстандарт |
Таджикистан | TJ | Таджикстандарт |
Узбекистан | UZ | Узстандарт |
Украина | UA | Минэкономразвития Украины |
4
Приказом Федерального агентства по техническому регулированию и метрологии от 9 октября 2019 г. N 910-ст межгосударственный стандарт ГОСТ 11126-2019 введен в действие в качестве национального стандарта Российской Федерации с 1 марта 2020 г.
5 ВЗАМЕН ГОСТ 11126-88
Информация о введении в действие (прекращении действия) настоящего стандарта и изменений к нему на территории указанных выше государств публикуется в указателях национальных стандартов, издаваемых в этих государствах, а также в сети Интернет на сайтах соответствующих национальных органов по стандартизации.
В случаях пересмотра, изменения или отмены настоящего стандарта соответствующая информация будет опубликована на официальном интернет-сайте Межгосударственного совета по стандартизации, метрологии и сертификации в каталоге "Межгосударственные стандарты"
Настоящий стандарт распространяется на коксохимическое сырье для производства технического углерода (далее - коксохимическое сырье): антраценовую фракцию и пековые дистилляты, получаемые при переработке каменноугольной смолы.
В настоящем стандарте использованы нормативные ссылки на следующие межгосударственные стандарты:
ГОСТ 12.1.004 Система стандартов безопасности труда. Пожарная безопасность. Общие требования
ГОСТ 12.1.005 Система стандартов безопасности труда. Общие санитарно-гигиенические требования к воздуху рабочей зоны
ГОСТ 12.1.007 Система стандартов безопасности труда. Вредные вещества. Классификация и общие требования безопасности
ГОСТ 12.1.044 (ИСО 4589-84) Система стандартов безопасности труда. Пожаровзрывоопасность веществ и материалов. Номенклатура показателей и методы их определения
ГОСТ 12.4.034 Система стандартов безопасности труда. Средства индивидуальной защиты органов дыхания. Классификация и маркировка
ГОСТ 12.4.068 Система стандартов безопасности труда. Средства индивидуальной защиты дерматологические. Классификация и общие требования
ГОСТ 12.4.103 Система стандартов безопасности труда. Одежда специальная защитная, средства индивидуальной защиты ног и рук. Классификация
ГОСТ 12.4.238 Система стандартов безопасности труда. Средства индивидуальной защиты органов дыхания. Аппараты, изолирующие автономные со сжатым воздухом. Технические требования. Методы испытаний. Маркировка. Правила отбора образцов
ГОСТ 12.4.244 Система стандартов безопасности труда. Средства индивидуальной защиты органов дыхания. Полумаски и четвертьмаски из изолирующих материалов. Общие технические условия
ГОСТ 12.4.253 Система стандартов безопасности труда. Средства индивидуальной защиты глаз. Общие технические требования
ГОСТ 400 Термометры стеклянные для испытаний нефтепродуктов. Технические условия
ГОСТ 1770 (ИСО 1042-83, ИСО 4788-80) Посуда мерная лабораторная стеклянная. Цилиндры, мензурки, колбы, пробирки. Общие технические условия
ГОСТ 2477 Нефть и нефтепродукты. Метод определения содержания воды
ГОСТ 2603 Реактивы. Ацетон. Технические условия
ГОСТ 2768 Ацетон технический. Технические условия
ГОСТ 4233 Реактивы. Натрий хлористый. Технические условия
ГОСТ 5445 Продукты коксования химические. Правила приемки и методы отбора проб
ГОСТ 5789 Реактивы. Толуол. Технические условия
ГОСТ 6613 Сетки проволочные тканые с квадратными ячейками. Технические условия
ГОСТ 6709 Вода дистиллированная. Технические условия
ГОСТ 9147 Посуда и оборудование лабораторные фарфоровые. Технические условия
ГОСТ 9880 Толуол каменноугольный и сланцевый. Технические условия
ГОСТ 14919 Электроплиты, электроплитки и жарочные электрошкафы бытовые. Общие технические условия
ГОСТ 18481 Ареометры и цилиндры стеклянные. Общие технические условия
ГОСТ 18995.1 (СТ СЭВ 1504-79) Продукты химические жидкие. Методы определения плотности
ГОСТ 19932 (ИСО 6615-93) Нефтепродукты. Определение коксуемости методом Конрадсона
ГОСТ 25336 Посуда и оборудование лабораторные стеклянные. Типы, основные параметры и размеры
ГОСТ 27025 Реактивы. Общие указания по проведению испытаний
Примечание - При пользовании настоящим стандартом целесообразно проверить действие ссылочных стандартов и классификаторов на официальном интернет-сайте Межгосударственного совета по стандартизации, метрологии и сертификации (www.easc.by) или по указателям национальных стандартов, издаваемых в государствах, указанных в предисловии, или на официальных сайтах соответствующих национальных органов по стандартизации. Если на ссылочный стандарт дана недатированная ссылка, то следует использовать документ, действующий на текущий момент, с учетом всех внесенных в него изменений. Если заменен ссылочный документ, на который дана датированная ссылка, то следует использовать указанную версию этого документа. Если после принятия настоящего стандарта в ссылочный документ, на который дана датированная ссылка, внесено изменение, затрагивающее положение, на которое дана ссылка, то это положение применяется без учета данного изменения. Если ссылочный документ отменен без замены, то положение, в котором дана ссылка на него, применяется в части, не затрагивающей эту ссылку".
3.1 Коксохимическое сырье должно быть изготовлено в соответствии с требованиями настоящего стандарта по технологическому регламенту, утвержденному в установленном порядке.
3.2 По физико-химическим показателям коксохимическое сырье должно соответствовать требованиям и нормам, указанным в таблице 1.
Таблица 1
Наименование показателя | Норма | Метод анализа |
Антраценовая фракция | Пековые дистилляты |
Марка А | Марка Б |
1 Плотность при 20 °C, г/см3, не менее | 1,12 | 1,10 | 1,13 | |
2 Массовая доля воды, %, не более | 1,0 | 1,0 | 1,5 | |
3 Фракционный состав, % (по объему): | | | | По 6.5 настоящего стандарта |
до 210 °C не более | 1 | 1 | 1 |
до 300 °C не более | 20 | 25 | Не нормируется |
до 360 °C не менее | Не нормируется | 35 |
4 Массовая доля сырого антрацена, %, не более <*> | 20 | 18 | Не нормируется | По 6.6 настоящего стандарта |
5 Осадок при 70 °C | Не нормируется | Не нормируется | По 6.7 настоящего стандарта |
6 Коксуемость (коксовое число), %, не более | 2,0 | 1,0 | 2,0 | |
7 Массовая доля ионов натрия, %, не более | 0,005 | 0,005 | 0,005 | По 6.9 настоящего стандарта |
8 Массовая доля ионов калия, %, не более | 0,0005 | 0,0005 | 0,0005 | По 6.9 настоящего стандарта |
9 Массовая доля механических примесей, %, не более | 0,02 | 0,02 | 0,02 | По 6.10 настоящего стандарта |
<*> Для антраценовой фракции проверяют только в продукте, который транспортируется в необогреваемых цистернах. |
4 Требования безопасности и охраны окружающей среды
4.1 В соответствии с
ГОСТ 12.1.044 коксохимическое сырье представляет собой горючую кристаллизующуюся жидкость с характерным запахом углеводородов, обладающую пожаровзрывоопасными свойствами. Показатели пожаровзрывоопасности приведены в таблице 2.
Таблица 2
Наименование показателя | Антраценовая фракция | Пековые дистилляты |
Температура вспышки, °C | 140 | 145 |
Температура воспламенения, °C | 169 | 175 |
Температура самовоспламенения, °C | 554 | 566 |
Температурные пределы воспламенения паров, °C | Нижний | 133 | 137 |
Верхний | 165 | 170 |
4.2 При загорании коксохимического сырья применяют распыленную воду, огнетушащую пену, песок, углекислый газ, пар.
При работе с коксохимическим сырьем должны выполняться требования пожарной безопасности в соответствии с
ГОСТ 12.1.004, нормативными документами, принятыми в государствах, проголосовавших за принятие настоящего стандарта.
4.3 Коксохимическое сырье обладает токсичными свойствами. В соответствии с
ГОСТ 12.1.007 по степени воздействия на организм относится ко 2-му классу опасности.
4.4 Требования к предельно допустимым концентрациям паров коксохимического сырья в воздухе рабочей зоны и контролю концентрации вредных веществ в воздухе рабочей зоны устанавливают в соответствии с
ГОСТ 12.1.005.
Предельно допустимая концентрация паров продукта в воздухе рабочей зоны в целом по продукту не установлена.
Коксохимическое сырье оказывает раздражающее действие, при длительном воздействии больших доз может вызывать заболевания нервной системы, дыхательных путей, пищеварительного тракта, печени и других органов. Обладает канцерогенными свойствами, сенсибилизирующим действием.
4.5 При работе с сырьем коксохимическим необходимо использовать средства индивидуальной защиты (СИЗ), предотвращающие его попадание в организм и на кожу в соответствии с
ГОСТ 12.4.103,
ГОСТ 12.4.253,
ГОСТ 12.4.068. Для защиты органов дыхания применять средства защиты в соответствии с
ГОСТ 12.4.034.
При чистке аппаратов, а также при работе в отсеках, замкнутых емкостях и пространствах применяют шланговые изолирующие противогазы в соответствии с
ГОСТ 12.4.238,
ГОСТ 12.4.244. Работы должны проводиться в присутствии представителя газоспасательной станции.
4.6 Допускается использование других типов СИЗ при условии ознакомления с инструкцией по применению. Рекомендуется выбирать СИЗ, соответствующие по уровню защиты действующим нормативным документам, принятым в государствах, проголосовавших за принятие настоящего стандарта.
4.7 Производственные помещения должны быть оборудованы непрерывно действующей приточно-вытяжной вентиляцией в соответствии с
ГОСТ 12.4.021, обеспечивающей содержание вредных веществ в концентрации не выше предельно допустимой, а оборудование и коммуникации производственных процессов должны быть герметизированы.
4.8 Требования к предельно допустимым концентрациям сырья коксохимического в атмосферном воздухе населенных мест, водах водных объектов хозяйственно-питьевого и культурно-бытового водопользования, водных объектах, имеющих рыбохозяйственное значение, и почве устанавливают в соответствии с действующими нормативными документами, принятыми в государстве, проголосовавшем за принятие настоящего стандарта. Выбросы в атмосферу должны соответствовать предельно допустимым выбросам предприятия, согласно
ГОСТ 17.2.3.02.
4.9 Основными средствами охраны окружающей среды от вредных воздействий сырья коксохимического является использование герметичного оборудования в технологических процессах и операциях, связанных с производством, транспортированием и хранением коксохимического сырья, соблюдение правил накопления, размещения и утилизации отходов, очистка сточных вод и выбросов в атмосферу, а также строгое соблюдение технологического режима, установленного на предприятии.
4.10 При производстве, хранении и применении коксохимического сырья должны быть предусмотрены меры, исключающие попадание коксохимического сырья в канализацию, водоемы и почву.
4.11 Контроль за состоянием атмосферного воздуха, почвы и водных объектов проводят в соответствии с планами производственно-экологического контроля службами предприятия или с привлечением аккредитованных лабораторий.
4.12 Отбор проб, их транспортирование в лабораторию и анализ должны проводиться в соответствии с правилами, утвержденными в установленном порядке.
4.13 Размещение и обезвреживание отходов производства - в соответствии с действующими нормативными документами, принятыми в государстве, проголосовавшем за принятие настоящего стандарта.
5.2 Нормы по
показателям 4,
6,
7,
8 и
9 таблицы 1 изготовитель определяет периодически один раз в 10 суток по средней пробе, составленной из проб, отобранных от каждой партии за этот период. Массовую долю калия изготовитель определяет по требованию потребителя.
5.3 При получении неудовлетворительных результатов анализа периодических испытаний изготовитель должен проверить каждую партию до получения удовлетворительных результатов не менее чем в трех партиях подряд.
6.1 Общие положения
6.1.1 Общие указания по проведению анализа - по
ГОСТ 27025.
6.1.2 Допускается применять другие средства измерения с метрологическими характеристиками и оборудование с техническими характеристиками не хуже, а также реактивы по качеству не ниже указанных в настоящем стандарте.
6.1.3 При взвешивании допускается применять следующие лабораторные весы:
- с наибольшим пределом взвешивания 200 г и погрешностью взвешивания не более 0,0002 г;
- с наибольшим пределом взвешивания 500 г и погрешностью взвешивания не более 0,0035 г;
- с наибольшим пределом взвешивания 1000 г и погрешностью взвешивания не более 0,1 г.
6.2 Отбор проб
6.2.1 Методы отбора проб - по
ГОСТ 5445 со следующим дополнением: перед отбором пробы у потребителя продукт перемешивают любым способом.
Потребителю допускается проводить отбор проб продукта стационарным пробоотборником, установленным в цистерне.
6.2.2 Объем средней лабораторной пробы должен быть не менее 1 - 2 дм3.
6.3 Определение плотности
Плотность определяют по
ГОСТ 18995.1 со следующими дополнениями:
Пробу нагревают до 70 - 80 °C до полного растворения кристаллов и тщательно перемешивают. Измеряют плотность пробы ареометром по
ГОСТ 18481 и термометром с пределом измерения 100 °C и ценой деления 1 °C. Приводят значение температуры плотности к 20 °C, используя температурную поправку плотности 0,0007 г/см
3 на 1 °C разности между температурой пробы и 20 °C.
6.4 Определение объемной доли воды
6.5 Определение массовой доли воды и фракционного состава
Метод позволяет определять объемную долю воды от 0,5 до 3,0% и фракционный состав от 0,5 до 70%.
6.5.1 Приборы и посуда
Колба стеклянная вместимостью 250 см
3 типа КРН с конусом горловины 24 мм по
ГОСТ 25336.
Ультратермостат.
Холодильник воздушный стеклянный с трубкой длиной 600 мм и диаметром 15 - 18 мм или холодильники ХПТ-200, ХПТ-300 по
ГОСТ 25336.
6.5.2 Подготовка к анализу
Пробу продукта перед анализом нагревают до 70 - 80 °C до полного растворения кристаллов и стеклянной палочкой или любым другим способом тщательно перемешивают.
6.5.3 Проведение анализа
100 см3 подогретого продукта помещают в колбу, в которую затем вставляют пробку с термометром. Термометр устанавливают так, чтобы верх ртутного шарика находился на уровне нижнего края отводной трубки. Колбу с продуктом устанавливают на кольцо штатива, а отводную трубку колбы соединяют с холодильником корковой пробкой так, чтобы она входила в него на половину своей длины.
Допускается вместо воздушного холодильника использовать водяной. В этом случае для предотвращения кристаллизации продукта в трубке холодильника температуру циркулирующей в рубашке холодильника воды поддерживают ультратермостатом в пределах от 70 °C до 80 °C.
Колбу обогревают пламенем газовой горелки или электроплиткой сначала осторожно, избегая перебросов, а при достижении 150 °C - со скоростью две капли дистиллята в секунду.
Фракцию, отогнанную до 210 °C, отбирают в цилиндр вместимостью 10 см3 и после ее расслоения измеряют объем воды и продукта.
Последующие фракции отбирают в чистый сухой цилиндр вместимостью 100 см3, отмечая объем отгона для антраценовой фракции и антраценового масла при 300 °C, а для пековых дистиллятов - при 360 °C с учетом отгона продукта до 210 °C.
В процессе разгонки воздушный холодильник при необходимости нагревают пламенем газовой горелки, спиртовки или другими обогревательными приборами для удаления кристаллов продукта с его стенок.
Получаемые объемы отгонов до каждой из нормируемых температур представляют собой объемную долю отгонов продукта в процентах.
За результат анализа принимают среднеарифметическое результатов двух параллельных определений, допускаемое расхождение между которыми (предел повторяемости) при доверительной вероятности P = 0,95 не превышает:
- 0,2% абс. - для объемной доли воды и отгона продукта до температуры 210 °C;
- 2% абс. - для отгонов продукта до температуры 300 и 360 °C.
Допускаемые расхождения между результатами анализов одной и той же пробы, полученными в разных лабораториях (предел воспроизводимости) при той же доверительной вероятности, не должны превышать в:
- 0,5% абс. - для объемной доли воды и отгона продукта до температуры 210 °C;
- 4% абс. - для отгонов продукта до температуры 300 и 360 °C.
Результат округляют до первого десятичного знака для объемной доли воды и до целого числа для объемов отгона продукта.
6.5.4 При разногласиях в оценке объемной доли воды анализ проводят по
ГОСТ 2477.
6.6 Определение массовой доли сырого антрацена
Методы позволяют определять массовую долю сырого антрацена от 8 до 25%.
6.6.1 Метод фильтрования
6.6.1.1 Посуда и приборы
Шкаф сушильный.
Стакан стеклянный по
ГОСТ 25336 или стакан фарфоровый по
ГОСТ 9147 вместимостью 50 или 100 см
3.
Колба с тубусом по
ГОСТ 25336 вместимостью 250 или 500 см
3.
Насос водоструйный по
ГОСТ 25336 или вакуум-насос.
Шпатель 1 по
ГОСТ 9147 или шпатель из нержавеющей стали.
Термометр с пределом измерения 100 °C и ценой деления 1 °C.
Тарелка неглазурованная фарфоровая или из огнеупорной глины.
Фильтры обеззоленные "белая лента".
6.6.1.2 Проведение анализа
Около 25 г анализируемой антраценовой фракции температурой не выше 20 °C взвешивают в стакане. Навеску выдерживают при температуре окружающей среды в течение 1 ч, затем ее количественно переносят на воронку Бюхнера и фильтруют через бумажный фильтр водоструйным насосом или вакуум-насосом до полного отделения масла. Остаток шпателем снимают с фильтра, намазывают на тарелку так, чтобы он плотно прилипал к ее поверхности для лучшего впитывания масла. Тарелку с остатком ставят в сушильный шкаф и выдерживают в течение 30 мин при температуре (50 +/- 5) °C, затем остаток тщательно снимают шпателем с тарелки на предварительно взвешенное часовое стекло (стаканчик, чашку) и взвешивают. Результаты всех взвешиваний в граммах записывают с точностью до второго десятичного знака.
6.6.1.3 Обработка результатов
Массовую долю сырого антрацена при методе фильтрования X1, %, вычисляют по формуле

(1)
где m1 - масса часового стекла с остатком, г;
m2 - масса часового стекла;
m - масса навески продукта, г.
Результат вычисляют с точностью до первого десятичного знака. За результат анализа принимают среднеарифметическое результатов двух параллельных определений, допускаемые расхождения между которыми (предел повторяемости) при доверительной вероятности P = 0,95 не превышают 1% абс.
Допускаемые расхождения между результатами анализов одной и той же пробы, полученными в разных лабораториях (предел воспроизводимости) при той же доверительной вероятности, не должны превышать 3% абс. Результат округляют до целого числа.
6.6.2 Метод центрифугирования
6.6.2.1 Аппаратура
Центрифуга, обеспечивающая фактор разделения 4000+500.
Патрон, показанный на
рисунке 1, или другой конструкции (площадь фильтрующей части постоянна).
1 - верхняя часть патрона; 2 - опора фильтра;
3 - нижняя часть патрона
Рисунок 1 - Патрон из латуни или дюраля
для определения сырого антрацена
Секундомер или часы.
Бумага фильтровальная.
6.6.2.2 Подготовка к анализу
Готовят одновременно два патрона. Для этого берут чистый сухой патрон и на дно его верхней части кладут кружок фильтровальной бумаги диаметром 25 мм. Взвешивают весь патрон и отдельно его верхнюю часть. Результат взвешивания в граммах записывают с точностью до третьего десятичного знака.
6.6.2.3 Проведение анализа
Пробу выдерживают не менее 1 ч при комнатной температуре, после чего тщательно перемешивают и отбирают от нее 2 навески массой по 3 - 5 г каждая. Навески помещают в верхние части собранных патронов. Каждый патрон с навеской взвешивают. Массы патронов с навесками должны отличаться не более чем на 0,5 г.
После этого оба патрона помещают в расположенные друг против друга гнезда центрифуги и их содержимое центрифугируют 30 мин при факторе разделения 4000+500. Затем патроны извлекают из гнезд центрифуги, отделяют верхние части, обтирают их снаружи фильтровальной бумагой и взвешивают. Результаты всех взвешиваний в граммах записывают с точностью до третьего десятичного знака.
6.6.2.4 Обработка результатов
Массовую долю сырого антрацена при методе центрифугирования X2, %, вычисляют по формуле

(2)
где m3 - масса верхней части патрона с остатком пробы и фильтром, г;
m4 - масса верхней части патрона с фильтром, г;
m5 - масса всего патрона с навеской пробы и с фильтром, г;
m6 - масса всего патрона с фильтром, г;
2,5 - поправка, учитывающая остаточное содержание масла при данных условиях центрифугирования, %.
Результат вычисляют с точностью до первого десятичного знака.
За результат анализа принимают среднеарифметическое результатов двух параллельных определений, допускаемое расхождение между которыми (предел повторяемости) при доверительной вероятности P = 0,95 не превышает 1% абс.
Допускаемые расхождения между результатами анализов одной и той же пробы, полученными в разных лабораториях (предел воспроизводимости) при той же доверительной вероятности, не должны превышать 3% абс.
Результат округляют до целого числа.
6.6.3 При разногласиях в оценке массовой доли сырого антрацена методом центрифугирования анализ проводят методом фильтрования.
6.7 Определение осадка при 70 °C
6.7.1 Посуда и приборы
Термометр с пределом измерения 100 °C, с ценой деления 1 °C.
Стакан по
ГОСТ 25336 вместимостью 400 или 600 см
3.
Пробирка стеклянная с плоским дном диаметром 15 мм и высотой 150 мм.
Термостат или водяная баня.
6.7.2 Проведение анализа
Пробу антраценового масла, пробирку и термометр предварительно нагревают до 85 - 90 °C.
Пробу антраценового масла наливают в пробирку на 1/5 ее высоты. Пробирку со вставленным в нее термометром помещают в стакан с водой, нагретой до 85 - 90 °C, так, чтобы уровень воды был выше уровня масла в пробирке на 8 - 10 см и пробирка не касалась дна стакана. Стакан устанавливают на сетку кольца штатива и медленно снижают температуру воды до (70 +/- 1) °C, периодически перемешивая термометром масло в пробирке и наблюдая за его температурой и появлением кристаллов.
Для этого приподнимают термометр и дают каплям масла стечь по стенке пробирки. В тонком слое масла на стенке пробирки через лупу определяют наличие или отсутствие кристаллов. Продукт считают соответствующим требованиям настоящего стандарта, если в течение 30 мин в нем не образуются кристаллы.
Коксуемость (коксовое число) определяют по
ГОСТ 19932 или в соответствии с
6.8.1 настоящего стандарта.
6.8.1 Определение коксуемости (коксовое число)
Метод позволяет определять коксуемость от 0,4 до 2,5% и заключается в удалении летучих веществ из навески анализируемого продукта в закрытом фарфоровом тигле при температуре (850 +/- 25) °C в течение 10 мин с последующим определением коксового остатка.
6.8.1.1 Аппаратура
Печь муфельная электрическая с терморегулятором для поддержания постоянной температуры (850 +/- 25) °C.
Термопреобразователь по нормативным документам принятыми в государстве, проголосовавшем за принятие настоящего стандарта для измерения температуры до 1000 °C с гальванометром. Его устанавливают в муфельной печи так, чтобы горячий спай находился в середине печи.
Тигель фарфоровый высокий (3) с притертой крышкой по
ГОСТ 9147.
Эксикатор с прокаленным хлористым кальцием, который должен обновляться при появлении признаков видимого увлажнения.
Подставка для установки тиглей в муфельную печь, изготовленная из нихромовой проволоки с нанизанными на нее фарфоровыми бусами так, чтобы расстояние от дна установленных в ней тиглей до пода печи составляло от 20 до 25 мм.
Щипцы тигельные.
6.8.1.2 Проведение анализа
Предварительно готовят тигли с крышками прокаливанием до постоянной температуры. Для этого крышку плотно притирают к тиглю по всей поверхности контакта вручную или механическим способом с использованием влажного абразивного порошка.
Тигли с крышками предварительно нумеруют, прокаливают, охлаждают и взвешивают до постоянной массы (пока расхождение между результатами двух последовательных взвешиваний будет не более 0,0005 г).
После прокаливания тигли с крышками осторожно вынимают из муфельной печи и ставят вместе с подставкой для охлаждения на воздухе от 10 до 15 мин, затем от 25 до 60 мин до комнатной температуры в эксикаторе, в котором их хранят. Перед каждым измерением тигли с крышками взвешивают. Результаты всех взвешиваний в граммах записывают с точностью до четвертого десятичного знака.
Муфельную печь, установленную в вытяжном шкафу, предварительно нагревают до температуры (850 +/- 25) °C.
Две навески, взятые из тщательно перемешанной пробы исследуемого продукта, массой около 2 г каждая взвешивают в предварительно подготовленных тиглях.
Тигли накрывают крышками, устанавливают на подставку, которую помещают в середину печи, и закрывают печь. Температура, понижающаяся при установке тиглей в печь, снова должна повыситься до (850 +/- 25) °C.
Тигли выдерживают в муфельной печи в течение 10 мин с момента установки, затем их осторожно вынимают и ставят вместе с подставкой на асбестовый лист на 10 - 15 мин для охлаждения на воздухе. После этого тигли с остатком переносят в эксикатор, охлаждают до температуры окружающей среды и взвешивают. Результаты всех взвешиваний в граммах записывают с точностью до четвертого десятичного знака.
6.8.1.3 Обработка результатов
Коксуемость X3, %, вычисляют по формуле

(3)
где m7 - масса тигля с крышкой и остатком, г;
m8 - масса пустого тигля с крышкой, г;
m - масса навески продукта, г.
За результат анализа принимают среднеарифметическое результатов двух параллельных определений, абсолютное расхождение между которыми при доверительной вероятности P = 0,95 не превышает допускаемых расхождений, указанных в таблице 3.
Таблица 3
Коксуемость, % | Допускаемое расхождение, % | Предел воспроизводимости, % |
От 0,4 до 1,0 | 0,1 | 0,3 |
Св. 1,0 до 2,5 | 0,2 | 0,5 |
Результат округляют до первого десятичного знака.
Коксуемость до 0,4% включительно оценивают как ее отсутствие.
6.8.2 При разногласиях в оценке коксуемости анализ проводят по
ГОСТ 19932.
6.9 Определение массовой доли ионов натрия и калия
Метод позволяет определять массовую долю ионов натрия от 0,001 до 0,01% и ионов калия от 0,0002 до 0,002%.
Метод основан на сравнении интенсивности излучения резонансных линий натрия (589 +/- 5) нм и калия (768 +/- 5) нм, возникающих в спектрах пламени смеси газ-воздух, при введении в него водяных вытяжек из коксохимического сырья и растворов сравнения либо с использованием внутренней градуировки пламенных фотометров.
6.9.1 Аппаратура, реактивы и растворы
Фотометр пламенный типа ПАЖ-1 или любой другой, позволяющий определять массовую долю ионов натрия и калия в пределах 0,1 - 10 мг/дм3.
Пропан-бутан (бытовой в баллоне) или газ из городской сети.
Воздух сжатый для питания контрольно-измерительных приборов.
Шкаф сушильный лабораторный с терморегулятором, обеспечивающий нагрев до 110 - 120 °C.
Бюретка вместимостью 25 см3.
Воронка В-100-150 ХС или В-75-140 ХС по
ГОСТ 25336.
Пипетки вместимостью 5, 10 и 25 см3.
Трубка стеклянная диаметром 8 - 10 мм, длиной 250 - 300 мм с оттянутым концом для отбора проб.
Стаканы полиэтиленовые вместимостью 30 см3.
Бутыли полиэтиленовые вместимостью от 25 до 1000 см3.
Фильтры обеззоленные "белая лента". Перед использованием фильтр должен быть промыт на воронке дистиллированной водой.
Вода дистиллированная по
ГОСТ 6709, дополнительно перегнанная; хранить в полиэтиленовой емкости.
Натрий хлористый по
ГОСТ 4233, х.ч., прокаленный в течение 2 - 3 ч при температуре 500 °C.
Калий хлористый по
ГОСТ 4234, х.ч., прокаленный в течение 2 - 3 ч при температуре 500 °C.
Посуду, используемую для определения натрия и калия, не применяют для других анализов, моют только ацетоном, ополаскивают проточной и дистиллированной водой
6.9.2 Подготовка к анализу
6.9.2.1 Построение градуировочных графиков
Для построения градуировочных графиков готовят исходные растворы массовой концентрации натрия 100 мг/дм3 и калия 100 мг/дм3.
0,2542 г хлористого натрия (0,1907 г хлористого калия), предварительно высушенных до постоянной массы при температуре от 110 до 120 °C, помещают в мерные колбы вместимостью 1000 см3, растворяют в дистиллированной воде, доводят объем растворов водой до метки и тщательно перемешивают.
Затем готовят растворы сравнения.
В мерные колбы вместимостью 1000 см
3 вводят указанные в
таблице 4 объемы исходного раствора и доводят дистиллированной водой до метки.
Концентрация натрия в растворе сравнения, мг/дм3 | Объем исходного раствора массовой концентрации натрия 100 мг/дм3, см3 | Концентрация натрия в растворе сравнения, мг/дм3 | Объем исходного раствора массовой концентрации натрия 100 мг/дм3, см3 |
0,2 | 2 | 4,0 | 40 |
0,3 | 3 | 0,2 | 2 |
0,5 | 5 | 0,5 | 5 |
1,0 | 10 | 1,0 | 10 |
2,0 | 20 | 1,5 | 15 |
2,5 | 5 | 2,0 | 20 |
3,0 | 30 | | |
Растворы сравнения готовят один раз в месяц и хранят в полиэтиленовой посуде.
Пламенный фотометр включают в соответствии с инструкцией, прилагаемой к прибору. При этом устанавливают светофильтры, соответствующие определяемым элементам (натрию или калию).
После выхода прибора на рабочий режим в распылитель поочередно вводят растворы сравнения, начиная с раствора меньшей концентрации.
Для каждого раствора сравнения проводят не менее трех измерений. Градуировочные графики строят по среднему значению для каждой концентрации, откладывая на оси ординат интенсивность излучения, а на оси абсцисс - соответствующую концентрацию растворов сравнения.
Проверку градуировочных графиков проводят по трем растворам сравнения в день проведения анализа.
6.9.3 Проведение анализа
Пробу анализируемого продукта нагревают при 80 - 100 °C в течение 20 - 30 мин до однородного состояния. Пробу тщательно перемешивают предварительно нагретой стеклянной трубкой или металлическим черпаком и с их помощью отбирают около 10 г антраценовой фракции или антраценового масла, или около 50 г пековых дистиллятов в предварительно взвешенную колбу вместимостью 250 или 500 см3. Содержимое колбы взвешивают на весах с пределом взвешивания 500 г. Результаты взвешивания в граммах записывают с точностью до второго десятичного знака.
В колбу добавляют 150 см3 горячей дистиллированной воды. Колбу соединяют с обратным холодильником шлифом, плотно пригнанной корковой или резиновой пробкой. Содержимое колбы доводят до кипения и кипятят 10 мин, затем охлаждают до 50 - 60 °C и фильтруют в полиэтиленовую емкость через складчатый фильтр, избегая попадания масла на фильтр. Первую порцию фильтрата 10 - 15 см3 отбрасывают. После охлаждения до комнатной температуры полученную водную вытяжку анализируют на пламенном фотометре для определения ионов натрия и калия. Измерение интенсивности излучения производят прямым отсчетом показания прибора с использованием градуировочных графиков для расчета массовой концентрации. После каждого распыления раствора анализируемой пробы и раствора сравнения необходимо тщательно промывать капилляр дистиллированной водой до постоянного показания пламенного фотометра.
6.9.4 Обработка результатов
Массовую долю ионов натрия (или калия) в пробе X5, %, вычисляют по формуле

(4)
где 150 - объем воды, взятой для экстракции, см3;
c - массовая концентрация ионов натрия (или калия) в анализируемой пробе, найденная по градуировочному графику, мг/дм3;
m - масса навески пробы, г.
Результат вычисляют с точностью до четвертого десятичного знака.
За результат анализа принимают среднеарифметическое результатов двух параллельных определений, допускаемое расхождение между которыми (предел повторяемости) при доверительной вероятности
P = 0,95 не превышает значений, указанных в
таблице 5 и
6.
Массовая доля иона натрия, % | Допускаемое расхождение, % | Предел воспроизводимости, % абс. |
От 0,0010 до 0,0020 | 0,0005 | 0,0010 |
Св. 0,0020 " 0,0050 | 0,0008 | 0,0015 |
" 0,0050 " 0,0100 | 0,0010 | 0,0020 |
Результат округляют до третьего десятичного знака.
Массовая доля иона калия, % | Предел повторяемости, % абс. | Предел воспроизводимости, % абс. |
От 0,0002 до 0,0005 | 0,0001 | 0,0002 |
" 0,0005 " 0,0010 | 0,0003 | 0,0006 |
" 0,0010 " 0,0020 | 0,0005 | 0,0010 |
Допускаемые расхождения между результатами анализов одной и той же пробы, полученными в разных лабораториях (предел воспроизводимости) при той же доверительной вероятности, не должны превышать значений, указанных в
таблице 5 и
6.
Результат округляют до четвертого десятичного знака.
6.10 Определение массовой доли механических примесей
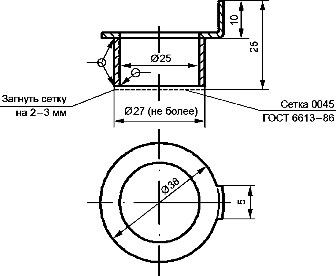
Метод позволяет определять массовую долю механических примесей от 0,01 до 0,03% и заключается в определении массовой доли остатка, не проходящего через сетку с отверстиями 45 мкм.
6.10.1 Реактивы, приборы и посуда
Шкаф сушильный с терморегулятором, обеспечивающий температуру (120 +/- 5) °C.
Фильтр-сетка, указанная на
рисунке 2, или фильтр любой другой конструкции с сеткой той же площади по
ГОСТ 6613.
Рисунок 2 - Фильтр-сетка с корпусом
из листа латуни толщиной 0,5 - 0,7 мм
Плитка электрическая с закрытой спиралью.
Баня водяная.
Промывалка.
Кружка фарфоровая по
ГОСТ 9147 вместимостью 500 см
3.
Палочка стеклянная длиной 150 - 200 мм с оплавленными концами.
Термометры ртутные стеклянные лабораторные с пределами измерения 150 °C и 100 °C и ценой деления 1 °C.
6.10.2 Подготовка к анализу
Пробу продукта массой около 300 г в фарфоровой кружке предварительно нагревают в сушильном шкафу или на закрытой электрической плитке до полного растворения кристаллов и тщательно перемешивают.
Толуол нагревают на водяной бане до (75 +/- 5) °C в промывалке.
Фильтр-сетку очищают от механических примесей встряхиванием, промывают из промывалки горячим толуолом, сушат от 15 до 20 мин в сушильном шкафу при температуре (120 +/- 5) °C и охлаждают в эксикаторе. Взвешивают на весах с пределом взвешивания 200 г. Результат взвешивания в граммах записывают с точностью до четвертого десятичного знака.
Фильтр устанавливают на колбу вместимостью 250 см3, предварительно взвешенную на весах с пределом взвешивания 500 и 1000 г. Результат взвешивания в граммах записывают с точностью до второго десятичного знака.
Колбу с установленным на нее фильтром помещают в сушильный шкаф, нагретый до (120 +/- 5) °C, и выдерживают в шкафу не менее 15 мин.
6.10.3 Проведение анализа
Колбу с фильтром извлекают из сушильного шкафа и быстро наливают в нее из кружки через фильтр около 100 см3 продукта, стараясь не попадать на края фильтра. Фильтр устанавливают на другую колбу и промывают горячим толуолом из промывалки, сушат в течение 15 - 20 мин в сушильном шкафу при температуре (120 +/- 5) °C, охлаждают в эксикаторе и взвешивают на весах с пределом взвешивания 200 г. Результат взвешивания в граммах записывают с точностью до четвертого десятичного знака.
Колбу с фильтратом пробы охлаждают и взвешивают на весах с пределом взвешивания 500 и 1000 г. Результат взвешивания в граммах записывают с точностью до второго десятичного знака.
6.10.4 Обработка результатов
Массовую долю механических примесей X6, %, вычисляют по формуле

(5)
где m9 - масса фильтра-сетки с остатком, г;
m10 - масса фильтра-сетки, г;
m11 - масса колбы с фильтратом, г;
m12 - масса колбы, г.
Результат вычисляют с точностью до третьего десятичного знака.
За результат анализа принимают среднеарифметическое результатов двух параллельных определений, допускаемое расхождение между которыми (предел повторяемости) при доверительной вероятности P = 0,95 не превышает 0,005% абс.
Допускаемые расхождения между результатами анализов одной и той же пробы, полученными в разных лабораториях (предел воспроизводимости) при той же доверительной вероятности, не должны превышать 0,01% абс.
Результат округляют до второго десятичного знака.
Массовая доля механических примесей до 0,01% включительно рассматривается как их отсутствие.
7 Упаковка, маркировка, транспортирование и хранение
7.1 Сырье коксохимическое транспортируют в железнодорожных цистернах или танк-контейнерах в соответствии с правилами перевозки грузов железнодорожным транспортом, действующими нормативными документами, принятыми в государстве, проголосовавшем за принятие настоящего стандарта, а также в автомобильных цистернах, имеющих приспособление для разогрева продукта, в соответствии с правилами перевозки опасных грузов автомобильным транспортом, действующими нормативными документами, принятыми в государстве, проголосовавшем за принятие настоящего стандарта
При сливе продукт разогревают до температуры не выше 100 °C.
7.2 Сырье коксохимическое хранят в обогреваемых закрытых стальных емкостях при температуре не выше 100 °C, исключающих попадание посторонних примесей воды.
Методы и способы хранения должны обеспечивать количественную и качественную сохранность продукта.
7.3 Сырье маркируют в соответствии с ГОСТ 19433-88
(таблица 11).
8.1 Изготовитель гарантирует соответствие качества коксохимического сырья требованиям настоящего стандарта при соблюдении условий транспортирования и хранения.
8.2 Гарантийный срок хранения сырья - 6 месяцев со дня изготовления.
УДК 622.549:006.354 | |
Ключевые слова: коксохимическое сырье для производства технического углерода, технические условия |