Главная // Актуальные документы // ГОСТ (Государственный стандарт)СПРАВКА
Источник публикации
М.: ФГБУ "РСТ", 2021
Примечание к документу
Документ
введен в действие с 01.03.2022.
Название документа
"ГОСТ IEC 62752-2021. Межгосударственный стандарт. Кабельный блок управления и защиты для зарядки электромобилей в режиме 2 (IC-CPD)"
(введен в действие Приказом Росстандарта от 22.10.2021 N 1273-ст)
"ГОСТ IEC 62752-2021. Межгосударственный стандарт. Кабельный блок управления и защиты для зарядки электромобилей в режиме 2 (IC-CPD)"
(введен в действие Приказом Росстандарта от 22.10.2021 N 1273-ст)
Приказом Федерального агентства
по техническому регулированию
и метрологии
от 22 октября 2021 г. N 1273-ст
МЕЖГОСУДАРСТВЕННЫЙ СТАНДАРТ
КАБЕЛЬНЫЙ БЛОК УПРАВЛЕНИЯ И ЗАЩИТЫ ДЛЯ ЗАРЯДКИ
ЭЛЕКТРОМОБИЛЕЙ В РЕЖИМЕ 2 (IC-CPD)
In-cable control and protection device for mode 2 charging
of electric road vehicles (IC-CPD)
(IEC 62752:2018, IDT)
ГОСТ IEC 62752-2021
Дата введения
1 марта 2022 года
Цели, основные принципы и общие правила проведения работ по межгосударственной стандартизации установлены
ГОСТ 1.0 "Межгосударственная система стандартизации. Основные положения" и
ГОСТ 1.2 "Межгосударственная система стандартизации. Стандарты межгосударственные, правила и рекомендации по межгосударственной стандартизации. Правила разработки, принятия, обновления и отмены"
1 ПОДГОТОВЛЕН Акционерным обществом "Диэлектрические кабельные системы" (АО "ДКС") на основе собственного перевода на русский язык англоязычной версии стандарта, указанного в
пункте 5
2 ВНЕСЕН Федеральным агентством по техническому регулированию и метрологии
3 ПРИНЯТ Межгосударственным советом по стандартизации, метрологии и сертификации (протокол от 22 октября 2021 г. N 144-П)
За принятие проголосовали:
Краткое наименование страны по МК (ISO 3166) 004-97 | Код страны по МК (ISO 3166) 004-97 | Сокращенное наименование национального органа по стандартизации |
Армения | AM | ЗАО "Национальный орган по стандартизации" Республики Армения |
Беларусь | BY | Госстандарт Республики Беларусь |
Казахстан | KZ | Госстандарт Республики Казахстан |
Киргизия | KG | Кыргызстандарт |
Россия | RU | Росстандарт |
Таджикистан | TJ | Таджикстандарт |
Узбекистан | UZ | Узстандарт |
4 Приказом Федерального агентства по техническому регулированию и метрологии от 22 октября 2021 г. N 1273-ст межгосударственный стандарт ГОСТ IEC 62752-2021 введен в действие в качестве национального стандарта Российской Федерации с 1 марта 2022 г.
5 Настоящий стандарт идентичен международному стандарту IEC 62752:2018 "Кабельный блок управления и защиты для зарядки электромобилей в режиме 2 (IC-CPD)" ["In-cable control and protection device for mode 2 charging of electric road vehicles (IC-CPD)", IDT].
Международный стандарт разработан Подкомитетом 23E "Автоматические выключатели и аналогичное оборудования для бытового применения" Технического комитета 23 "Электрическое вспомогательное оборудование" Международной электротехнической комиссии (IEC), в сотрудничестве с ISO ТС 22/SC 37 "Транспортные средства на электрической тяге".
При применении настоящего стандарта рекомендуется вместо ссылочных международных стандартов использовать соответствующие им межгосударственные стандарты, сведения о которых приведены в дополнительном
приложении ДА
6 ВВЕДЕН ВПЕРВЫЕ
Информация о введении в действие (прекращении действия) настоящего стандарта и изменений к нему на территории указанных выше государств публикуется в указателях национальных стандартов, издаваемых в этих государствах, а также в сети Интернет на сайтах соответствующих национальных органов по стандартизации.
В случае пересмотра, изменения или отмены настоящего стандарта соответствующая информация будет опубликована на официальном интернет-сайте Межгосударственного совета по стандартизации, метрологии и сертификации в каталоге "Межгосударственные стандарты"
Основной целью настоящего стандарта является обеспечение безопасного и надежного доступа электромобилей (далее - ЭМ) к системе электропитания. Определение 2 режима (mode 2) зарядки ЭМ приведено в IEC 61851-1.
Для всех режимов зарядки защита от поражения электрическим током в случае неисправности основной защиты и/или защиты от коротких замыканий обеспечивается как минимум автоматическим выключателем, управляемым дифференциальным током (АВДТ) типа A (см. IEC 60364-7-722 и IEC 61851-1).
Для 2 режима зарядки, в том числе, когда невозможно гарантировать наличие АВДТ в установке, например, зарядка ЭМ на неизвестной установке, используют специальную защиту подключенного ЭМ. Цель данного стандарта - описать соответствующие требования для кабельного устройства управления и защиты (IC-CPD), которое необходимо использовать при зарядке в режиме 2.
Настоящий стандарт распространяется на кабельные устройства управления и защиты (IC-CPD) для зарядки электрических дорожных транспортных средств в режиме 2, далее именуемые IC-CPD, в том числе устройства управления и безопасности.
Настоящий стандарт распространяется на портативные устройства, одновременно выполняющие функции обнаружения дифференциального тока, сравнения значения данного тока с отключающим дифференциальным током и размыкания защищенной цепи, когда дифференциальный ток превышает это значение.
IC-CPD по настоящему стандарту:
- оснащено управляющим контроллером по IEC 61851-1:2017,
приложение A;
- проверяет состояние сети и предотвращает зарядку в случае неисправностей сети в заданных условиях эксплуатации;
- может быть оснащено коммутируемым защитным проводником.
Эти IC-CPD предназначены для использования в системах TN и TT.
Применение IC-CPD в информационных системах может быть ограниченным.
Рассмотрены также дифференциальные токи с частотами, отличающимися от номинальной частоты, постоянные дифференциальные токи и особые окружающие условия.
Требования настоящего стандарта распространяются на IC-CPD, выполняющие функции безопасности и управления согласно IEC 61851-1 для зарядки ЭМ в режиме 2.
Настоящий стандарт применим к IC-CPD для однофазных цепей, рассчитанных на максимальное напряжение не более 250 В или многофазных цепей, рассчитанных на максимальное напряжение не более 480 В с максимальным номинальным током 32 А.
Примечание 1 - В Дании применимы следующие дополнительные требования: для оснащенных розеткой IC-CPD бытового и аналогичного назначения максимальный зарядный ток составляет 8 А, если цикл зарядки может достигать двух часов.
Примечание 2 - В Финляндии применимы следующие дополнительные требования: для оснащенных розеткой IC-CPD бытового и аналогичного назначения максимальный зарядный ток составляет 8 А для продолжительной зарядки.
Данный стандарт применим только к IC-CPD, предназначенным для использования в сетях переменного тока с предпочтительными значениями номинальной частоты 50 Гц, 60 Гц или 50/60 Гц. IC-CPD по настоящему стандарту не предназначены для подачи электрической энергии в подключенные сети.
Настоящий стандарт применим к IC-CPD с номинальным дифференциальным током срабатывания не более 30 мА, предназначенным для дополнительной защиты цепей после IC-CPD в ситуациях, когда невозможно гарантировать, что установка оснащена автоматическим выключателем, управляемым дифференциальным током (АВДТ) с

.
IC-CPD состоит из следующего:
- вилка для подключения к розетке стационарной установки;
- один или более субблоков с возможностями управления и защиты;
- кабель между вилкой и субблоками (при необходимости);
- кабель между субблоками и разъемом транспортного средства (при необходимости);
- автомобильный разъем для подключения к ЭМ.
К вилкам бытового и аналогичного назначения применимы соответствующие требования государственного стандарта и особые требования, определенные национальным органом по стандартизации страны, на рынке которой изделие реализуется. Если дополнительные требования отсутствуют, может применяться IEC 60884-1. На промышленные вилки распространяются требования IEC 60309-2. Для специальных применений и областей могут использоваться не взаимозаменяемые вилки промышленного типа. В этом случае руководствуются IEC 60309-1.
Примечание 3 - В Дании требования настоящего стандарта не могут заменить или изменить любую часть государственных требований, предъявляемых к вилкам бытового и аналогичного назначения согласно DS 60884-2-D1.
Вилки, соединительные разъемы и кабели, являющиеся частью IC-CPD, не подвергают испытаниям согласно настоящему стандарту. Эти части испытывают отдельно согласно стандартам, предназначенным для таких типов изделий.
Примечание 4 - В следующих странах требования к кабельным жгутам для ЭМ (режим 2) определены в NMX-J 677-ANCE-2013/CSA C22.2 N 280-13/UL 2594: стандарт оборудования для электропитания ЭМ (Standard for Electric Vehicle Supply Equipment): США, Канада, Мексика.
Коммутационные контакты IC-CPD не должны обеспечивать изоляцию, так как изоляция может быть обеспечена путем отключения вилки.
IC-CPD может быть оснащено не подлежащим замене встроенным плавким предохранителем, включенным в цепь фаз и/или нейтрали.
IC-CPD не считается защитным устройством, предназначенным для применения в стационарных установках.
В настоящем стандарте использованы нормативные ссылки на следующие стандарты. Для датированных ссылок применяют только указанное издание ссылочного стандарта, для недатированных - последнее издание (включая все изменения).
IEC 60065, Audio, video and similar electronic apparatus - Safety requirements (Аудио-, видео- и аналогичная электронная аппаратура. Требования по безопасности)
IEC 60068-2-1, Environmental testing - Part 2-1: Tests - Test A: Cold (Испытание на воздействие внешних факторов. Часть 2-1. Испытания. Испытание A. Холодное состояние)
IEC 60068-2-5, Environmental testing - Part 2-5: Tests - Test Sa: Simulated solar radiation at ground level and guidance for solar radiation testing (Испытание на воздействие внешних факторов. Часть 2-5. Испытания. Испытание Sa. Смоделированное солнечное излучение на уровне земли и указания по испытаниям солнечного излучения)
IEC 60068-2-11, Basic environmental testing procedures - Part 2-11: Tests - Test Ka: Salt mist (Испытание на воздействие основных внешних факторов. Часть 2-11. Испытания. Испытание Ka. Соляной туман)
IEC 60068-2-27, Environmental testing - Part 2-27: Tests - Test Ea and guidance: Shock (Испытание на воздействие внешних факторов. Часть 2-27. Испытания. Испытание Ea и указания. Ударные нагрузки)
IEC 60068-2-30, Environmental testing - Part 2-30: Tests - Test Db: Damp heat, cyclic (12 h + 12 h cycle) [Испытание на воздействие внешних факторов. Часть 2-30. Испытания. Испытание Db. Влажное тепло, циклическое (цикл 12 ч + 12 ч)]
IEC 60068-2-31, Environmental testing - Part 2-31: Tests - Test Ec: Rough handling shocks, primarily for equipment-type specimens (Испытание на воздействие внешних факторов. Часть 2-31. Испытания. Испытание Ec. Динамические нагрузки при небрежном обращении, образцы определенного типа оборудования)
IEC 60068-2-64, Environmental testing - Part 2-64: Tests - Test Fh: Vibration, broadband random and guidance (Испытание на воздействие внешних факторов. Часть 2-64. Испытания. Испытание Fh. Широкополосная случайная вибрация и указания)
IEC 60068-3-4, Environmental testing - Part 3-4: Supporting documentation and guidance - Damp heat tests (Испытание на воздействие внешних факторов. Часть 3-4. Сопутствующая документация и указания. Испытания нагревом во влажной среде)
IEC 60112, Method for the determination of the proof and the comparative tracking indices of solid insulating materials (Метод определения контрольного и сравнительного индекса трекингостойкости твердых изоляционных материалов)
IEC 60227 (all parts), Polyvinyl chloride insulated cables of rated voltages up to and including 450/750 V [Кабели в поливинилхлоридной изоляции с номинальным напряжением до 450/750 В включительно (все части IEC 60227)]
IEC 60245 (all parts), Rubber insulated cables - Rated voltages up to and including 450/750 V [Кабели в резиновой изоляции с номинальным напряжением до 450/750 В включительно (все части IEC 60245)]
IEC 60309 (all parts), Plugs, socket-outlets and couplers for industrial purposes (все части) [Вилки, розетки штепсельные и соединители общепромышленного назначения (все части IEC 60309)]
IEC 60309-1:1999, Plugs, socket-outlets and couplers for industrial purposes - Part 1: General requirements (Вилки, розетки штепсельные и соединители общепромышленного назначения. Часть 1. Общие требования)
IEC 60309-1:1999/AMD1:2005 Изменение 1
IEC 60309-1:1999/AMD2:2012 Изменение 2
IEC 60309-2, Plugs, socket-outlets and couplers for industrial purposes - Part 2: Dimensional interchangeability requirements for pin and contact-tube accessories (Вилки, розетки штепсельные и соединители общепромышленного назначения. Часть 2. Требования к размерной взаимозаменяемости арматуры со штырями и контактными гнездами)
IEC 60364-4-44:2007, Low-voltage electrical installations - Part 4-44: Protection for safety - Protection against voltage disturbances and electromagnetic disturbances (Установки электрические низковольтные. Часть 4-44. Защита для обеспечения безопасности. Защита от напряжения помех и электромагнитных помех)
IEC 60384-14 (all parts), Fixed capacitors for use in electronic equipment - Part 14: Sectional specification - Fixed capacitors for electromagnetic interference suppression and connection to the supply mains [Конденсаторы постоянной емкости для электронного оборудования. Часть 14. Групповые технические условия. Конденсаторы постоянной емкости для подавления электромагнитных помех и подключения к линиям электропередачи (все части IEC 60384-14)]
IEC 60417, Graphical symbols for use on equipment (Графические символы, используемые на оборудовании)
IEC 60529:1989, Degrees of protection provided by enclosures (IP Code) [Степени защиты, обеспечиваемые оболочками (IP код)]
IEC 60664-1:2007 <1>, Insulation coordination for equipment within low-voltage systems - Part 1: Principles, requirements and tests (Координация изоляции оборудования в низковольтных системах. Часть 1. Принципы, требования и испытания)
--------------------------------
<1> В настоящее время действует IEC 60664-1:2020. Однако для однозначного соблюдения требований настоящего стандарта, выраженного в датированной ссылке, рекомендуется использовать только указанное в этой ссылке издание.
IEC 60664-3, Insulation coordination for equipment within low-voltage systems - Part 3: Use of coating, potting or moulding for protection against pollution (Координация изоляции оборудования в низковольтных системах. Часть 3. Использование покрытия, заливки или формования для защиты от загрязнения)
IEC 60695-2-10, Fire hazard testing - Part 2-10: Glowing/hot-wire based test methods - Glow-wire apparatus and common test procedure (Испытание на пожароопасность. Часть 2-10. Методы испытаний раскаленным проводом. Аппаратура для испытаний раскаленным проводом и общая процедура испытания)
IEC 60695-2-11, Fire hazard testing - Part 2-11: Glowing/hot-wire based test methods - Glow-wire flammability test method for end-products (GWEPT) [Испытание на пожароопасность. Часть 2-11. Методы испытаний раскаленным проводом. Метод испытания готовой продукции на воспламеняемость (GWEPT)]
IEC 60884-1:2002, Plugs and socket-outlets for household and similar purposes - Part 1: General requirements (Вилки и розетки штепсельные бытового и аналогичного назначения. Часть 1. Общие требования) <1>
--------------------------------
<1> Объединенное издание (3.2) включает IEC 60884-1 (2002) и его изменение 1 (2006), а также изменение 2 (2013).
IEC 60884-1:2002/AMD1:2006 Изменение 1
IEC 60884-1:2002/AMD2:2013 Изменение 2
IEC 61249-2 (all parts), Materials for printed boards and other interconnecting structures [Материалы для печатных плат и других взаимно соединяющихся конструкций (все части IEC 61249-2)]
IEC TS 61439-7:2014 <2>, Low-voltage switchgear and controlgear assemblies - Part 7: Assemblies for specific applications such as marinas, camping sites, market squares, electric vehicles charging stations (Узлы аппаратуры коммутационной и управления низковольтной. Часть 7. Узлы для специального применения, например, пристаней, туристических комплексов, торговых площадей, зарядных станций для электрических транспортных средств)
--------------------------------
<2> В настоящее время действует IEC 61439-7:2018. Однако для однозначного соблюдения требований настоящего стандарта, выраженного в датированной ссылке, рекомендуется использовать только указанное в этой ссылке издание.
IEC 61540, Electrical accessories - Portable residual current devices without integral overcurrent protection for household and similar use (PRCDs) [Электрооборудование. Портативные дифференциальные автоматические включатели без встроенной защиты от сверхтоков бытового и аналогичного назначения (PRCDs)]
IEC 61543:1995, Residual current-operated protective devices (RCDs) for household and similar use - Electromagnetic compatibility [Автоматические выключатели дифференциального тока (RCD) бытового и аналогичного назначения. Электромагнитная совместимость]
IEC 61543:1995/AMD1:2004 Изменение 1
IEC 61543:1995/AMD2:2005 Изменение 2
IEC 61851-1:2017 Electric vehicle conductive charging system - Part 1: General requirements (Системы кондуктивные зарядные для электромобилей. Часть 1. Общие требования)
IEC 62196 (all parts), Plugs, socket-outlets, vehicle connectors and vehicle inlets - Conductive charging of electric vehicles [Вилки, розетки штепсельные, разъемы и вводы автомобильные. Кондуктивная зарядка электромобилей (все части IEC 62196)]
IEC 62196-1, Plugs, socket-outlets, vehicle connectors and vehicle inlets - Conductive charging of electric vehicles - Part 1: General requirements (Вилки, розетки штепсельные, разъемы и вводы автомобильные. Кондуктивная зарядка электромобилей. Часть 1. Общие требования)
IEC 62196-2, Plugs, socket-outlets, vehicle connectors and vehicle inlets - Conductive charging of electric vehicles - Part 2: Dimensional compatibility and interchangeability requirements for a.c. pin and contact-tube accessories (Вилки, розетки штепсельные, разъемы и вводы автомобильные. Кондуктивная зарядка электромобилей. Часть 2. Требования к размерной совместимости и взаимозаменяемости арматуры переменного тока со штырями и контактными гнездами)
CISPR 14 (all parts), Electromagnetic compatibility - Requirements for household appliances, electric tools and similar apparatus [Электромагнитная совместимость. Требования к бытовой электротехнике, электрическим инструментам и аналогичной аппаратуре (все части CISPR 14)]
CISPR 14-1, Electromagnetic compatibility - Requirements for household appliances, electric tools and similar apparatus - Part 1: Emission (Электромагнитная совместимость. Требования к бытовой электротехнике, электрическим инструментам и аналогичной аппаратуре. Часть 1. Эмиссия)
ISO 178, Plastics - Determination of flexural properties (Пластмассы. Определение свойств эластичности)
ISO 179 (all parts), Plastics - Determination of Charpy impact properties [Пластмассы. Определение свойств ударной вязкости по Шарпи (все части ISO 179)]
ISO 179-1, Plastics - Determination of Charpy impact properties - Part 1: Non-instrumented impact test (Пластмассы. Определение свойств ударной вязкости по Шарпи. Часть 1. Не инструментальное испытание ударной вязкости)
ISO 2409, Paints and varnishes - Cross-cut test (Краски и растворители. Испытание методом решетчатого надреза)
ISO 4628-3, Paints and varnishes - Evaluation of degradation of coatings - Designation of quantity and size of defects, and of intensity of uniform changes in appearance - Part 3: Assessment of degree of rusting (Краски и растворители. Оценка разрушения покрытий. Обозначение количества и размера дефектов, а также интенсивности однородных изменений внешнего вида. Часть 3. Оценка степени ржавчины)
ISO 4892-2:2013, Plastics - Methods of exposure to laboratory light sources - Part 2: Xenonarc lamps (Пластмассы. Методы воздействия лабораторным источникам света. Часть 2. Ксеноновые газоразрядные лампы)
ISO 16750-5:2010, Road vehicles - Environmental conditions and testing for electrical and electronic equipment - Part 5: Chemical loads (Автодорожный транспорт. Условия окружающей среды и испытания электрического и электронного оборудования. Часть 5. Химические нагрузки)
ISO 17409:2015 <1>, Electrically propelled road vehicles - Connection to an external electric power supply - Safety requirements (Средства транспортные на электрической тяге. Подключение к источнику электропитания. Требования по безопасности)
--------------------------------
<1> В настоящее время действует ISO 17409:2020. Однако для однозначного соблюдения требований настоящего стандарта, выраженного в датированной ссылке, рекомендуется использовать только указанное в этой ссылке издание.
В настоящем стандарте применены следующие термины с соответствующими определениями.
Примечания
1 В терминах "напряжение" и "ток" подразумевается среднеквадратичное значение (СКЗ), если не указано иное.
2 В настоящем стандарте термин "заземление" обозначает "защитное заземление".
3 Термин "приспособление" используется в качестве общего термина, включающего вилки, штепсельные розетки, автомобильные разъемы и соединители.
3.1 Термины и определения, относящиеся к вилкам и штепсельным розеткам
3.1.1 вилка (plug): Соединитель, имеющий штыри для осуществления контакта с розеткой и средство для электрического соединения и закрепления гибкого кабеля, предназначенный для частого использования неквалифицированным персоналом.
Примечание - Для специальных целей, таких как цепи освещения (см. также IEC 60598-2-20), внутри штекера могут быть подключены два или три одножильных кабеля.
[IEC 60884-1:2002, 3.1]
3.1.2 розетка (socket-outlet): Соединитель, имеющий контакты для электрического соединения со штырями вилки и контактные зажимы для присоединения кабеля, шнура или провода, предназначенный для частого использования неквалифицированным персоналом.
[IEC 60884-1:2002, 3.2]
3.1.3 неразборная вилка/автомобильный разъем неразборный (non-rewirable plug/non-rewirable vehicle connector): Неразборные соединители, сконструированные так, что они являются одним целым с гибким кабелем после соединения, произведенного производителем.
Примечание - См. также 14.1 IEC 60884-1:2002.
3.1.4
приспособление с кабелем, сменяемым производителем (rewirable accessory by manufacturer): Приспособление, выполненное так, что гибкий кабель можно заменить.
Примечание - Приспособление, изготовленное так, что смену кабеля, ремонт или замену может проводить только авторизованный персонал производителя, его агент или другое подобное уполномоченное лицо.
3.1.5 соединитель транспортного средства/соединитель электромобиля (vehicle coupler/electric vehicle coupler): Устройство (разъем), осуществляющее присоединение гибкого кабеля к электромобилю.
Примечание - Оно состоит из двух частей: переносной розетки транспортного средства и его ввода.
[IEC 62196-1:2014, 3.3]
3.1.6 переносная розетка (переносная розетка транспортного средства) (переносная розетка электромобиля) (vehicle connector/electric vehicle connector): Часть соединителя транспортного средства, выполненная за одно целое с гибким кабелем или предназначенная для крепления к гибкому кабелю.
[IEC 62196-1:2014, 3.3.1]
3.1.7 ввод транспортного средства/ввод электромобиля (vehicle inlet/electric vehicle inlet): Часть соединителя транспортного средства, входящая в состав или прикрепленная к электромобилю.
[IEC 62196-1:2014, 3.3.2]
3.1.8 штепсельный (pluggable): Тип электрического соединения, которое предназначено для подключения или отключения конечным потребителем.
3.1.9 портативное оборудование (portable equipment): Оборудование, подключенное шнуром и вилкой, кабельным жгутом, переходниками или другими приспособлениями, которое может переносить один человек и которое можно перевозить в ЭМ.
3.1.10 переходник (adaptor): Портативное приспособление, изготовленное как единый блок, включающий и вилку, и штепсельную розетку.
3.2 Термины и определения, относящиеся к клеммам
3.2.1 зажимной элемент (clamping unit): Часть(и) зажима, необходимая(ые) для механического прижима и электрического соединения проводника(ов), включая части, которые требуются для обеспечения надлежащего давления контакта.
[IEC 60999-1:1999, 3.1]
3.2.2 зажим (terminal): Однополюсный проводящий элемент, состоящий из одного или нескольких зажимных элементов и, если необходимо, изоляции.
[IEC 60999-1:1999, 3.2]
3.2.3
соединение (termination): Токопроводящая часть устройства, предназначенная для многоразового электрического подключения к внешним цепям.
3.2.4 зажим резьбового типа (screw-type terminal): Вывод для соединения двух или нескольких проводников посредством зажимных элементов резьбового типа.
3.2.5 винтовой зажим (screw terminal): Контактный зажим винтового типа, в котором жила кабеля, шнура или провода прижимается головкой винта, а усилие прижима может обеспечиваться непосредственно головкой винта или промежуточной частью, например, шайбой, прижимной пластиной.
3.2.6 безрезьбовой зажим (screwless terminal): Зажим для присоединения и последующего отсоединения одного проводника или разъемного соединения между собой двух или более проводников, осуществляемых непосредственно или косвенно при помощи пружин, клиньев, эксцентриков, конусов и т.п., без специальной подготовки проводов, за исключением удаления изоляции.
[IEC 61008-1:2010, 3.6.8]
3.3 Термины и определения, относящиеся к устройствам дифференциального тока
3.3.1 Термины и определения, относящиеся к токам, стекающим с токоведущих частей в землю
3.3.1.1 ток замыкания на землю (earth fault current): Ток, проходящий в землю через место замыкания при повреждении изоляции.
[IEC 61008-1:2010, 3.1.1]
3.3.1.2 ток утечки на землю (earth leakage current): Электрический ток, протекающий из частей электроустановки, находящихся под напряжением, в землю при отсутствии повреждения изоляции.
[IEC 61008-1:2010, 3.1.2]
3.3.1.3 пульсирующий (выпрямленный) постоянный ток (pulsating direct current): Импульсный ток волнообразной формы, принимающий за один период пульсаций, следующих периодически с номинальной частотой, нулевое значение или значение, не превышающее 0,006 А величины постоянного тока, за интервал времени длительностью (в угловой мере) не менее 150°.
[IEC 61008-1:2010, 3.1.3]
3.3.1.4
угол задержки тока 
(current delay angle

); Промежуток времени, выраженный в угловой мере, в течение которого устройство фазного управления задерживает момент протекания тока.
[IEC 61008-1:2010, 3.1.4]
3.3.1.5
отказ электропитания (supply failure):
- обрыв нейтрали;
- обрыв фаз.
Примечание - Определение опасных защитных токоведущих проводников дано в
3.3.3.18.
[IEC 62335:2008, 3.2.1.6, изменено: удалена фраза "обрыв защитного заземления"]
3.3.1.6 сглаженный постоянный ток (smooth direct current): Постоянный ток, свободный от пульсаций.
[IEC 62423:2009, 3.1]
3.3.1.7 составной ток (composite current): Ток, состоящий более чем из одной значительной синусоидной частоты.
3.3.2 Термины и определения, относящиеся к активации устройств дифференциального тока
3.3.2.1
дифференциальный ток 
(residual current

): Действующее значение векторной суммы токов, протекающих в первичной цепи устройства дифференциального тока (выраженное как среднеквадратичное значение).
[IEC 61008-1:2010, 3.2.3, изменено: аббревиатура "RCCB" заменена термином "устройства дифференциального тока"]
3.3.2.2
отключающий дифференциальный ток (ток срабатывания) (residual operating current): Значение дифференциального тока, вызывающего отключение устройства дифференциального тока в заданных условиях эксплуатации.
[IEC 61008-1:2010, 3.2.4, изменено: аббревиатура "RCCB" заменена термином "устройства дифференциального тока"]
3.3.2.3
неотключающий дифференциальный ток (ток несрабатывания) (residual non-operating current): Значение дифференциального тока, при котором и ниже которого устройство дифференциального тока не отключается в заданных условиях эксплуатации.
[IEC 61008-1:2010, 3.2.5, изменено: аббревиатура "RCCB" заменена термином "устройства дифференциального тока"]
3.3.3 Термины и определения, относящиеся к работе и функциям IC-CPD
3.3.3.1 устройства дифференциального тока (residual current function): Устройства, включающие средства обнаружения дифференциального тока, сравнения его значения со значением отключающего дифференциального тока и размыкающие защищенную цепь, когда дифференциальный ток превышает это значение.
3.3.3.2 кабельное устройство управления и защиты IC-CPD (in-cable control and protection device): Узел связанных между собой частей или компонентов, включая кабели, вилку и автомобильный разъем для зарядки электромобилей в режиме 2, который выполняет функции управления и функции безопасности.
Примечания
2 Данное примечание применимо только к версии на французском языке.
3.3.3.3 коммутационный аппарат (switching device): Аппарат, предназначенный для включения или отключения тока в одной или нескольких электрических цепях.
[IEC 61008-1:2010, 3.3.6]
3.3.3.4 время отключения (break-time): Промежуток времени между моментом внезапного возникновения отключающего дифференциального тока и моментом гашения дуги на всех полюсах IC-CPD.
3.3.3.5 замкнутое состояние (closed position): Положение, при котором обеспечена заданная непрерывность главной цепи IC-CPD.
[IEC 61008-1:2010, 3.3.12, изменено: аббревиатура "RCCB" заменена аббревиатурой "IC-CPD"].
3.3.3.6 разомкнутое состояние (open position): Положение, при котором обеспечен заданный зазор между разомкнутыми контактами главной цепи IC-CPD.
[IEC 61008-1-2010, 3.3.13, изменено: аббревиатура "RCCB" заменена аббревиатурой "IC-CPD"].
3.3.3.7 полюс (pole): Часть IC-CPD, непосредственно связанная с одним электрически отделенным токопроводящим путем его главной цепи, снабженная контактами, предназначенными для соединения и разъединения главной цепи. За исключением частей, предназначенных для монтажа и оперирования всеми полюсами совместно.
[IEC 61008-1:2010, 3.3.14, изменено: аббревиатура "RCCB" заменена аббревиатурой "IC-CPD"].
3.3.3.8 главная цепь (main circuit): Все токоведущие части IC-CPD, входящие в цепь, которую он предназначен замыкать и размыкать.
3.3.3.9 цепь управления (control circuit): Цепь (отличная от части главной цепи), предназначенная для операции включения или операции отключения, или обеих операций IC-CPD.
3.3.3.10 устройство эксплуатационного контроля (test device): Устройство, встроенное в IC-CPD, моделирующее условия дифференциального тока для срабатывания IC-CPD в заданных условиях эксплуатации.
3.3.3.11
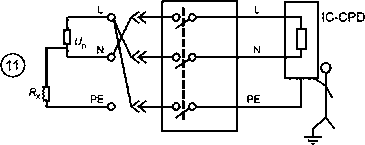
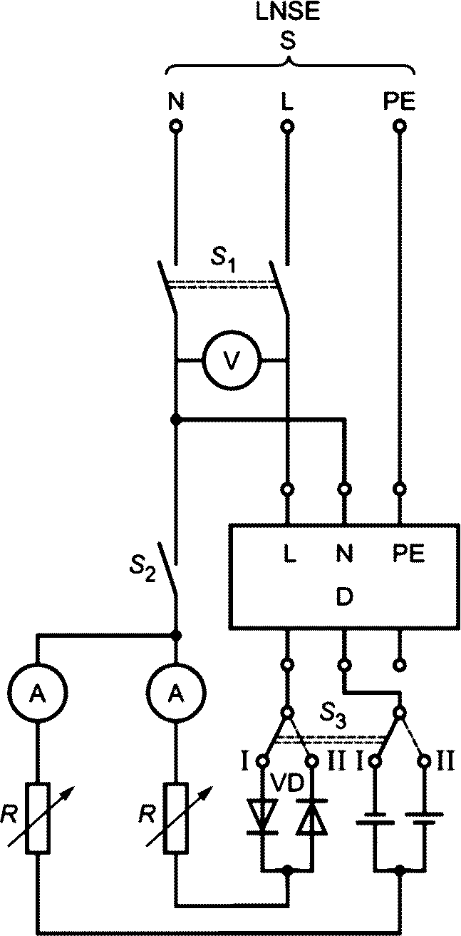
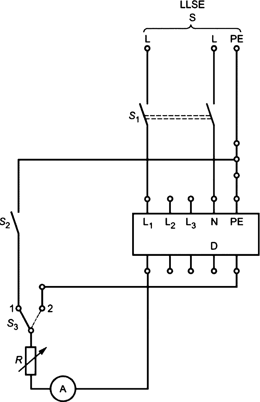
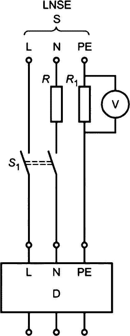
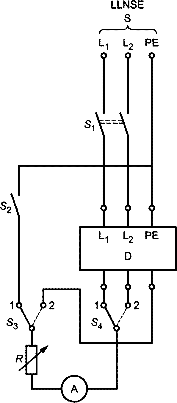
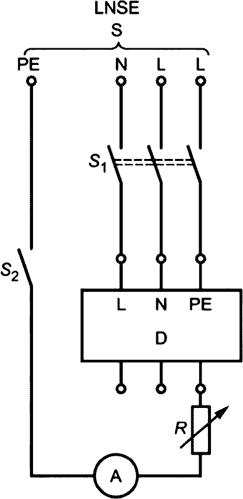
IC-CPD типа LNSE (IC-CPD type LNSE): Устройство с коммутируемым защитным проводником, используемое с трехпроводной однофазной линией питания (L, N, PE).
3.3.3.12
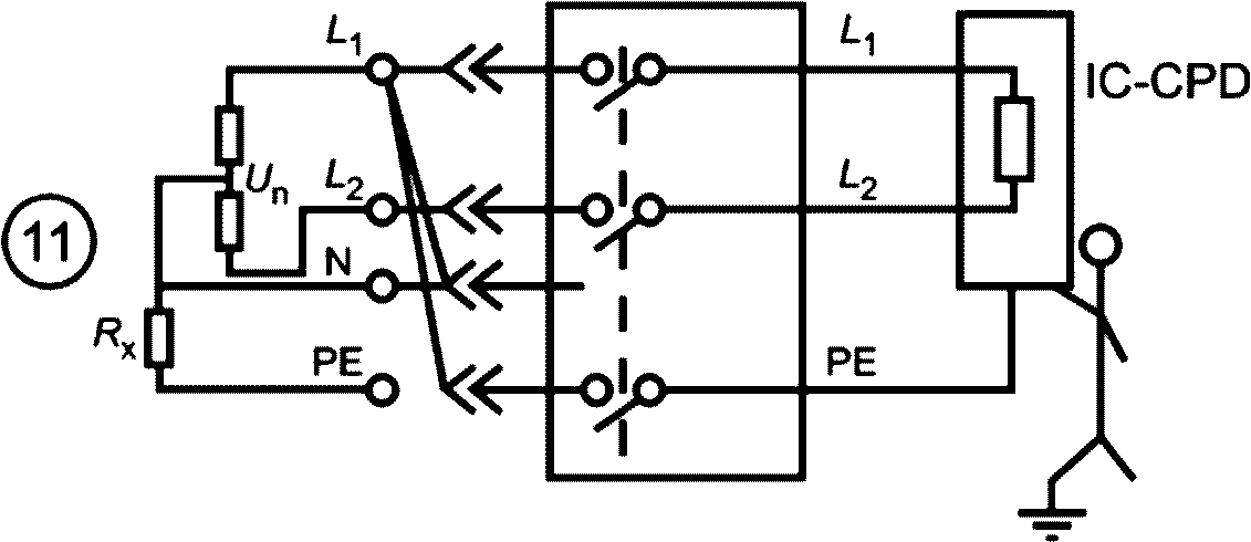
IC-CPD типа LLSE (IC-CPD type LLSE): Устройство с коммутируемым защитным проводником, используемое с трехпроводной двухфазной линией питания (L1, L2, PE).
3.3.3.13
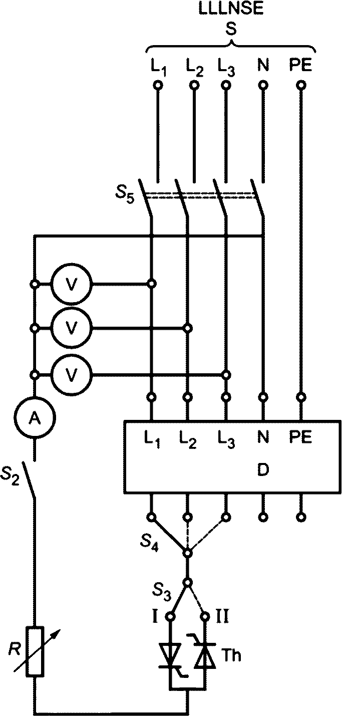
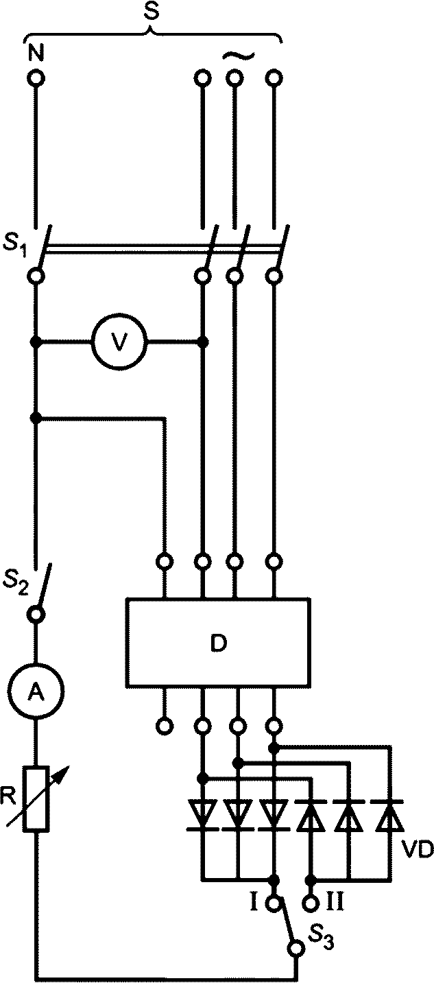
IC-CPD типа LLLNSE (IC-CPD type LLLNSE): Устройство с коммутируемым защитным проводником, используемое с пятипроводной трехфазной линией питания (L1, L2, L3, N, PE).
Примечание - В IC-CPD типа LLLNSE используются одна или несколько фаз многофазной сети питания.
3.3.3.14 IC-CPD типа LNE (IC-CPD type LNE): Устройство с некоммутируемым защитным проводником, используемое с трехпроводной однофазной линией питания (L, N, PE).
3.3.3.15 IC-CPD типа LLE (IC-CPD type LLE): Устройство с некоммутируемым защитным проводником, используемое с трехпроводной двухфазной линией питания (L1, L2, PE).
3.3.3.16 IC-CPD типа LLLNE (IC-CPD type LLLNE): Устройство с некоммутируемым защитным проводником, используемое с пятипроводной трехфазной линией питания (L1, L2, L3, N, PE).
Примечание - В IC-CPD типа LLLNE используются одна или несколько фаз многофазной сети питания.
3.3.3.17 защитный проводник PE (protective conductor): Проводник, предназначенный для целей безопасности, например для защиты от поражения электрическим током.
[IEC 60050-195, 195-02-09:1998]
3.3.3.18
защитный проводник под напряжением (hazardous live protective conductor): Состояние неправильного подключения или неисправности, при котором защитный контакт штепсельной розетки находится под напряжением.
Примечание - Определение термина "отказ электропитания" приведено в
3.3.1.5.
3.3.3.19 контроллер управления зарядкой (control pilot function controller): Функциональный контроллер, генерирующий ШИМ-сигнал и определяющий состояние зарядки.
3.3.3.20 коммутационная аппаратура (switching function): Устройство подключения питания и/или защитного проводника к ЭМ для обеспечения его зарядки.
3.3.4 Термины и определения, относящиеся к значениям и диапазонам подводимых величин
3.3.4.1 сверхток несрабатывания (non-operating overcurrent): Максимальное значение сверхтока однофазной нагрузки в главной цепи, который в отсутствие любого замыкания на корпус или на землю, а также в отсутствие тока утечки на землю, может протекать через двухполюсное IC-CPD, не вызывая отключения цепи устройством IC-CPD.
3.3.4.2 выдерживаемое значение дифференциального тока короткого замыкания (residual short-circuit withstand current): Максимальное значение дифференциального тока, при котором IC-CPD срабатывает в заданных условиях эксплуатации и при превышении которого устройство может быть повреждено.
[IEC 61008-1:2010, 3.4.3, изменено: аббревиатура "RCCB" заменена аббревиатурой "IC-CPD", а фраза "подвергается необратимым изменениям" заменена фразой "может быть повреждено"]
3.3.4.3
ожидаемый ток (prospective current): Ток, который протекал бы в цепи, если бы каждый полюс IC-CPD и устройства защиты от сверхтоков (если таковое имеется) был бы заменен проводником с пренебрежимо малым импедансом.
Примечание - Ожидаемый ток может быть классифицирован так же, как и действительный ток, например ожидаемый ток отключения, ожидаемый пиковый ток, ожидаемый дифференциальный ток.
[IEC 61008-1:2010, 3.4.4, изменено: аббревиатура "RCCB" заменена аббревиатурой "IC-CPD" и замена примечания]
3.3.4.4 номинальная наибольшая включающая способность (making capacity): Значение переменной составляющей ожидаемого тока, которую IC-CPD способно включать при заявленном напряжении в заданных условиях эксплуатации без нарушения его работоспособности.
[IEC 61008-1:2010, 3.4.7, изменено: аббревиатура "RCCB" заменена аббревиатурой "IC-CPD"]
3.3.4.5 номинальная наибольшая отключающая способность (breaking capacity): Значение переменной составляющей ожидаемого тока, которую IC-CPD способно отключать при заданном напряжении в заданных условиях эксплуатации без нарушения его работоспособности.
[IEC 61008-1:2010, 3.4.8, изменено: аббревиатура "RCCB" заменена аббревиатурой "IC-CPD"]
3.3.4.6 номинальная включающая и отключающая дифференциальная способность (residual making and breaking capacity): Значение переменной составляющей ожидаемого дифференциального тока, которую IC-CPD способно включать, проводить в течение своего времени размыкания и отключать в заявленных условиях эксплуатации без нарушения его работоспособности.
[IEC 61008-1-2010, 3.4.9, изменено: аббревиатура "RCCB" заменена аббревиатурой "IC-CPD"]
3.3.4.7 условный ток короткого замыкания (conditional short-circuit current): Значение переменной составляющей ожидаемого тока, который IC-CPD, защищенный соответствующим устройством от короткого замыкания, включенным последовательно (далее - ПЗУ), может выдержать в заданных условиях эксплуатации без нарушения его работоспособности.
[IEC 61008-1:2010, 3.4.10, изменено: аббревиатура "RCCB" заменена аббревиатурой "IC-CPD"]
3.3.4.8 условный дифференциальный ток короткого замыкания (conditional residual short-circuit current): Значение переменной составляющей ожидаемого дифференциального тока, которую IC-CPD, защищенное включенным последовательно соответствующим ПЗУ, способно выдерживать в заявленных условиях эксплуатации без нарушения его работоспособности.
[IEC 61008-1:2010, 3.4.11, изменено: аббревиатура "RCCB" заменена аббревиатурой "IC-CPD"]
3.3.4.9 Ux: Предельное значение Ux напряжения сети, при котором IC-CPD выполняют свои функции, заявленные производителем IC-CPD.
3.3.4.10 I2t (интеграл Джоуля) (joule integral): Интеграл квадрата силы тока по данному интервалу времени (t0, t1):

.
3.3.4.11 восстанавливающееся напряжение (recovery voltage): Напряжение, которое появляется на выводах IC-CPD после отключения тока.
Примечание - Это напряжение можно рассматривать в виде двух последовательных интервалов времени, на первом из которых существует переходное напряжение, а на следующем за ним втором интервале - только напряжение промышленной частоты.
[IEC 61008-1:2010, 3.4.14, изменено: аббревиатура "RCCB" заменена аббревиатурой "IC-CPD" и замена примечания]
3.3.4.11.1 переходное восстанавливающееся напряжение (transient recovery voltage): Напряжение в период времени, когда оно носит выраженный переходный характер.
Примечание - Переходное напряжение может быть колебательным, неколебательным или носить смешанный характер в зависимости от характеристик цепи и IC-CPD.
[IEC 61008-1:2010, 3.4.14.1, изменено: аббревиатура "RCCB" заменена аббревиатурой "IC-CPD" и удалено последнее предложение примечания]
3.3.4.11.2 восстанавливающееся напряжение промышленной частоты (power-frequency recovery voltage): Восстанавливающее напряжение после завершения переходного процесса.
[IEC 61008-1:2010, 3.4.14.2]
3.3.5 Термины и определения, относящиеся к значениям и диапазонам влияющих величин
3.3.5.1 влияющая величина (influencing quantity): Любая величина, которая с большой долей вероятности изменит заданное функционирование IC-CPD.
3.3.5.2 температура окружающего воздуха (ambient air temperature): Определенная в заданных условиях температура воздуха вокруг IC-CPD.
[IEC 61008-1:2010, 3.5.6, изменено: замена "RCCB (для закрытых RCCB это воздух вокруг оболочки)" аббревиатурой "IC-CPD"]
3.3.6 Условия оперирования
3.3.6.1 операция (operation): Перевод подвижного контакта (контактов) из разомкнутого положения в замкнутое и наоборот.
Примечание - Различают срабатывания в эклектическом смысле (например, включение или отключение) называемое коммутацией, и срабатывания в механическом смысле (например, замыкание или размыкание) называют механическим срабатыванием.
[IEC 61008-1:2010, 3.7.1]
3.3.6.2 операция замыкания (closing operation): Операция перевода IC-CPD из разомкнутого состояния в замкнутое состояние.
[IEC 61008-1:2010, 3.7.2, изменено: аббревиатура "RCCB" заменена аббревиатурой "IC-CPD"]
3.3.6.3 операция размыкания (opening operation): Операция перевода IC-CPD из замкнутого состояния в разомкнутое состояние.
[IEC 61008-1:2010, 3.7.3, изменено: аббревиатура "RCCB" заменена аббревиатурой "IC-CPD"]
3.3.6.4 цикл операций (operating cycle): Ряд операций по переходу из одного состояния в другое и обратно в первоначальное состояние.
[IEC 61008-1:2010, 3.7.4, изменено: удаление "через все другие состояния, если таковые имеются"]
3.3.6.5 последовательность операций (sequence of operation): Ряд определенных операций в определенных временных интервалах.
[IEC 61008-1:2010, 3.7.5]
3.3.7 Термины и определения, относящиеся к функциям управления между электромобилем и IC-CPD
3.3.7.1 функция управления (pilot function): Любое средство, электронное или механическое, которое гарантирует условия, связанные с безопасностью или передачей информации, требующейся для выполнения определенного вида операции.
[IEC 61851-1:2010, 3.17]
3.3.7.2 состояние системы (system state): Состояние, указывающее разные состояния во время процесса зарядки согласно IEC 61851-1:2017, приложение A.
Пример - Подключено, готово к зарядке, зарядка.
3.4 Термины и определения, относящиеся к испытаниям
3.4.1 испытание типа (type test): Испытание одного или более устройств, изготовленных по определенной документации (проекту) с целью установить, что устройство соответствует определенным требованиям.
[IEC 61008-1:2010, 3.8.1]
3.4.2 контрольное испытание (routine test): Испытание, которому подвергают каждый образец изделия в течение или после изготовления с целью установления соответствия его определенным требованиям.
[IEC 61008-1:2010, 3.8.2]
3.4.3 автоматизированная диагностика (self test): Инициируемая автоматически проверка способности IC-CPD обнаруживать дифференциальный ток.
3.5 Термины и определения, относящиеся к конструкции
3.5.1 функциональный блок (function box): Устройства управления и/или устройства безопасности, интегрированные в определенные оболочки, которые являются частью IC-CPD.
Примечание - Функциональный блок расположен в отсоединяемом кабельном жгуте, разъеме или вилке, которые не являются частью стационарной установки.
3.5.2 оборудование I класса (class I equipment): Оборудование с основной изоляцией для обеспечения базовой защиты и защитным соединением для защиты от коротких замыканий.
[IEC 62335:2008, 3.1.22]
4.1.1 Общие положения
Устройство IC-CPD может относиться к классу устройств, совместимых с несколькими системами питания.
4.1.2 IC-CPD с включением в одну фазу и нейтраль (LNSE или LNE)
IC-CPD данного класса включаются в одну фазу и нейтраль.
4.1.3 IC-CPD с включением в две фазы (LLSE или LLE)
IC-CPD данного класса включаются в две фазы.
4.1.4 IC-CPD с включением в три фазы и нейтраль (LLLNSE или LLLNE)
IC-CPD данного класса включаются в три фазы и нейтраль.
Примечание - К этому классу относят IC-CPD с одной или несколькими фазами многофазной сети питания.
4.2.1 Общие положения
IC-CPD можно отнести к одному из следующих классов конструкции.
4.2.2 IC-CPD с функциональным блоком, отделенным от вилки и разъема
Устройство дифференциального тока, коммутационное устройство, а также контроллер управления встроены в функциональный блок между вилкой и автомобильным разъемом (см.
рисунок F.1).
4.2.3 IC-CPD с функциональным блоком, интегрированным в вилку
Устройство дифференциального тока, коммутационное устройство и контроллер управления интегрированы в вилку (см.
рисунок F.2).
Примечание 1 - Требования к компонентам вилки определены в соответствующих стандартах.
Примечание 2 - Максимальный момент указан в
9.23.
4.2.4 Модульное IC-CPD
Модульное IC-CPD может иметь одну из следующих конструкций:
a) устройство дифференциального тока и коммутационное устройство встроены в вилку, а контроллер управления встроен в отдельный функциональный блок между вилкой и автомобильным разъемом (см.
рисунок F.3).
Примечание - В следующих странах функциональный блок IC-CPD должен быть частью штепсельной вилки или должен быть установлен на кабеле электропитания на расстоянии не более 300 мм от вилки: США.
b) устройство дифференциального тока и коммутационное устройство встроены в вилку, а контроллер управления встроен в автомобильный разъем (см.
рисунок F.4).
Примечание - В следующих странах контроллер управления запрещается монтировать в корпус автомобильного разъема: США.
4.3 По способу подключения кабелей
4.3.1 Общие положения
Кабели между компонентами IC-CPD могут быть подключены к этим компонентам разными способами. Если в одном кабельном жгуте используются разные способы подключения, IC-CPD классифицируют по всем способам, а разные компоненты указывают отдельно.
4.3.2 IC-CPD с несменяемым кабелем
IC-CPD или указанная часть поставляется в виде единого кабельного жгута, включая все компоненты, конструкция которого образует единый блок. Кабели между вилкой, кабельным гнездом (при наличии) и автомобильным разъемом не предназначены для снятия или замены потребителем или другими лицами после присоединения и сборки производителем.
4.3.3 IC-CPD с кабелем присоединяемым производителем
Присоединение к IC-CPD или указанной части, выполненное так, что любая замена может производиться только производителем, сервисным агентом или аналогичным уполномоченным лицом с помощью специального инструмента.
IC-CPD поставляется в виде единого кабельного жгута или поставляются только блоки, содержащие устройство дифференциального тока и контроллер управления (см.
3.1.4).
IC-CPD или указанная часть включает как минимум одно штепсельное электрическое соединение, предназначенное для подключения и отключения конечным потребителем или другими лицами для оснащения, снятия или замены компонентов кабельного жгута IC-CPD.
Примечания
1 В следующих странах типы штепсельных устройств, в которых разъем является частью ICCB, использовать запрещается: Норвегия.
2 В следующих странах подключение к выходу ICCB (функциональный блок) не должно быть штепсельным: США.
4.4 Классификация по пути защитного проводника
4.4.1 Общие положения
IC-CPD можно отнести к классу с коммутируемым или не коммутируемым защитным проводником.
4.4.2 IC-CPD с коммутируемым защитным проводником
К данному классу относят IC-CPD, в которых предусмотрен коммутируемый защитный проводник.
Примечание - В следующих странах коммутируемый проводник защитного заземления запрещен: США.
4.4.3 IC-CPD с некоммутируемым защитным проводником
К данному классу относят IC-CPD, в которых предусмотрен некоммутируемый защитный проводник.
4.5 Классификация по наличию функции контроля обрыва защитного проводника в линии питания
4.5.1 Общие положения
IC-CPD можно классифицировать по наличию функции контроля защитного проводника в линии питания.
4.5.2 IC-CPD с наличием функции контроля защитного проводника в линии питания
IC-CPD, способное контролировать наличие и целостность защитного проводника перед штепсельной розеткой. В информационных системах использование таких устройств может оказаться невозможным, так как нельзя правильно выполнить контроль наличия защитного проводника.
В IC-CPD, классифицируемом по 4.5.2, может быть предусмотрена функция отключения контроля защитного проводника в штепсельной розетке линии питания. После включения в штепсельную розетку должна быть предусмотрена индикация отключения функции контроля, визуальным или звуковым сигналом длительностью как минимум 30 с.
4.5.3 IC-CPD без наличия функции контроля защитного проводника в штепсельной розетке линии питания
IC-CPD, не способное контролировать наличие и целостность защитного проводника, в штепсельной розетке линии питания. Эти устройства также подходят для применения в информационных системах.
Примечание - В следующих странах допускается использование IC-CPD по 4.5.3, или IC-CPD должно быть способно обнаруживать утечку 5 мА: США.
4.6 Классификация по применению
IC-CPD, которое можно использовать в качестве мобильного устройства.
IC-CPD, предназначенное для использования при подвешивании в предлагаемом рабочем положении. Такие устройства легко снимаются с места подвешивания.
Примечания
1 Данный класс включает все положения на высоте, обеспечивающей ту же степень защиты, что и крепление на стене, например, крепление на потолок, опору и т.д.
2 В следующих странах использование IC-CPD, относящихся к классу по 4.6.2, не допускается: Швейцария.
4.6.3 Портативные и подвесные IC-CPD
IC-CPD, которые можно использовать как мобильное устройство и вешать на место крепления в рабочем положении. Такие устройства легко снимаются с места подвешивания.
5.1 Перечень характеристик
IC-CPD оснащены коммутационными контактами для фаз и нейтрали, если необходимо. IC-CPD по
4.4.2 оснащены коммутационным контактом для защитного проводника.
IC-CPD выполняют определенную функцию, управляемую дифференциальным током. Данная функция обеспечивает защиту от поражения электрическим током для подключенного ЭМ в случае нарушения основной изоляции и/или защиту от короткого замыкания в соответствии с IEC 61851-1.
Функция дифференциального тока IC-CPD должна быть обеспечена:
- для дифференциальных синусоидных переменных токов и дифференциальных пульсирующих постоянных токов;
- для дифференциального пульсирующего постоянного тока с наложением ровного дифференциального постоянного тока до 6 мА;
- для сложных дифференциальных токов, предназначенных для цепи между фазой и нейтралью;
- с управлением угла сдвига фазы, независимо от полярности и, возникшего внезапно или плавно возрастающего.
Кроме того, IC-CPD должны функционировать определенным образом в случае отказов электропитания или неправильного подключения согласно
9.7.7.
Также IC-CPD:
- проводит контроль подключения защитного проводника к ЭМ посредством управляющего сигнала,
- проводит расцепление, если постоянные дифференциальные токи превышают 6 мА.
Примечание 1 - Информация об этой характеристике также приведена в
предисловии;
- проводит проверку подключения ЭМ.
Примечание 2 - Проверка подключения к ЭМ проводится управляющим сигналом;
- производит включение или отключение в зависимости от состояния системы согласно IEC 61851-1:2017, приложение A.
5.2 Номинальные значения и другие характеристики
5.2.1 Номинальное напряжение
5.2.1.1 Номинальное рабочее напряжение (Ue)
Значение напряжения или диапазона напряжения, присвоенное производителем, при котором определена работоспособность IC-CPD.
Примечание - Одному IC-CPD может быть присвоено более одного значения номинального напряжения.
5.2.1.2 Номинальное напряжение изоляции (Ui)
Значение напряжения, присвоенное производителем, по которому определены значения испытательного напряжения изоляции и длины пути утечки IC-CPD.
Если не указано иное, номинальное напряжение изоляции представляет собой значение максимального номинального напряжения IC-CPD. Максимальное номинальное напряжение ни в коем случае не может превышать номинальное напряжение изоляции.
5.2.2 Номинальный ток (In)
Значение тока, присвоенное IC-CPD производителем, который IC-CPD может проводить в непрерывном режиме под нагрузкой.
5.2.3 Номинальный отключающий дифференциальный ток 
Значение отключающего дифференциального тока (см.
3.3.2.2), присвоенное IC-CPD производителем, при котором IC-CPD должно срабатывать в заявленных условиях эксплуатации.
5.2.4 Номинальный неотключающий дифференциальный ток 
Значение неотключающего дифференциального тока (см.
3.3.2.3), присвоенное IC-CPD производителем, при котором IC-CPD не должно срабатывать в заявленных условиях эксплуатации.
5.2.5 Номинальная частота
Частота сети, на которую рассчитано IC-CPD и которой соответствуют другие характеристики.
Одному IC-CPD может быть присвоено более одного значения номинальной частоты.
5.2.6 Номинальная коммутационная способность (Im)
Среднеквадратичное значение переменной составляющей ожидаемого тока (см.
3.3.4.3), присвоенное производителем, которое IC-CPD может включать, проводить и отключать в заявленных условиях эксплуатации.
5.2.7 Номинальная дифференциальная коммутационная способность 
Среднеквадратичное значение переменной составляющей ожидаемого дифференциального тока (см.
3.3.2.1 и
3.3.4.3), присвоенное производителем, которое IC-CPD может включать, проводить и отключать в заявленных условиях эксплуатации.
5.2.8 Рабочие характеристики в случае дифференциального тока с составляющей постоянного тока
Рабочие характеристики IC-CPD - характеристики, при которых расцепление обеспечивается дифференциальными синусоидными переменными токами, дифференциальными пульсирующими постоянными токами и ровными дифференциальными токами, превышающими 6 мА, подаваемыми внезапно или медленно возрастающими.
5.2.9 Координация изоляции, включая расстояния пути утечки и зазоры
Расстояние пути утечки и зазоры определены в
8.4.3.
5.2.10 Координация с устройствами защиты от короткого замыкания (УЗКЗ)
5.2.10.1 Общие сведения
Координацию между IC-CPD и УЗКЗ проверяют в общих условиях согласно
9.9.2.1 с помощью испытания, описанного в
9.9.2.4 для подтверждения наличия надлежащей защиты от токов величиной до номинального условного тока короткого замыкания
Inc и величиной до номинального условного дифференциального тока короткого замыкания

.
5.2.10.2 Номинальный условный ток короткого замыкания (Inc)
Среднеквадратичное значение ожидаемого тока, присвоенное производителем, который IC-CPD, защищенное УЗКЗ, способно выдерживать в заявленных условиях, не подвергаясь изменениям, нарушающим его работу. Эти условия указаны в
9.9.2.4 a).
5.2.10.3 Номинальный условный дифференциальный ток короткого замыкания

Среднеквадратичное значение ожидаемого дифференциального тока, присвоенное производителем, который IC-CPD, защищенное УЗКЗ, способно выдерживать в заявленных условиях без повреждения. Эти условия указаны в
9.9.2.4 c).
5.3 Стандарты и предпочтительные значения
5.3.1 Предпочтительные значения номинального рабочего напряжения (Ue)
Предпочтительными являются значения напряжения 120 В, 230 В, 400 В и 480 В.
Указанные в настоящем стандарте значения 230 В или 400 В могут быть приняты как 220 В или 240 В, 380 В или 415 В соответственно.
Указанные в настоящем стандарте значения 120 В, 120/240 В или 240 В могут быть приняты как 100 В, 100/200 В или 200 В соответственно.
Указанное в настоящем стандарте значение 200 В может быть принято как 100 В или 120/208 В.
5.3.2 Предпочтительные значения номинального тока (In)
Предпочтительные значения номинального тока приведены в
таблице 1.
Таблица 1
Предпочтительные значения номинального тока
и соответствующие им предпочтительные значения
номинальных напряжений
Тип системы | Номинальное напряжение, В | Номинальный ток, А |
Трехфазные | | 6, 8, 10, 13, 15, 16, 20, 24, 30, 32 |
400 | 6, 8, 10, 13, 15, 16, 20, 25, 32 |
240 | 15, 20, 30 |
Одно- и двухфазные | 230 | 6, 8, 10, 13, 15, 16, 20, 25, 30, 32 |
120 | 6, 8, 10, 12, 15, 16, 20, 30, 32 |
<a> Только для систем с заземлением средней точки или нулевой точки при соединении фазных проводников "звездой", с напряжением относительно земли 240 В или 277 В, в зависимости от ситуации. |
Если IC-CPD поддерживает упрощенную цепь управления, номинальный ток должен быть 10 А или выше.
Примечание 1 - В некоторых странах упрощенная цепь управления не допускается: США, Швейцария.
Номинальный ток не должен превышать 32 А.
Примечание 2 - В следующих странах использование электрооборудования согласно IEC 60309-2 рекомендовано для соединений в режиме 2, рассчитанных на ток свыше 8 А (2 кВА): Швейцария.
Примечание 3 - В следующих странах использование электрооборудования согласно IEC 60309-2 рекомендовано для соединений в режиме 2, рассчитанных на ток свыше 10 А: Италия.
5.3.3 Стандартные значения номинального отключающего дифференциального тока 
Стандартными являются следующие значения номинального отключающего дифференциального тока:
0,006 А - 0,01 А - 0,015 А - 0,02 А - 0,03 А.
Примечание - В следующих странах отключающий дифференциальный ток зависит от частоты и ограничивается государственными стандартами: США, Канада, Мексика.
5.3.4 Стандартное значение номинального неотключающего дифференциального тока 
Стандартное значение переменного неотключающего дифференциального тока составляет

.
Если в IC-CPD по
4.4.2 защитный проводник имеет большее число витков по сравнению с проводниками фазы в трансформаторе тока, в устройстве

это значение можно снизить до

.
5.3.5 Стандартное минимальное значение неотключающего сверхтока, протекающего через IC-CPD
Стандартное минимальное значение неотключающего сверхтока, протекающего через IC-CPD, составляет 4In.
5.3.6 Предпочтительные значения номинальной частоты
Предпочтительными являются следующие значения номинальной частоты 50 Гц, 60 Гц или 50/60 Гц.
Примечание - В следующих странах устройство, измеряющее ток утечки в диапазоне частот и обеспечивающее расцепление при заданных уровнях тока утечки, на основе частоты, является обязательным согласно государственным стандартам: США, Канада, Мексика.
5.3.7 Минимальное значение номинальной коммутационной способности (Im)
Минимальное значение номинальной коммутационной способности Im составляет 100 А.
5.3.8 Минимальное значение номинальной дифференциальной коммутационной способности 
Минимальное значение номинальной дифференциальной коммутационной способности составляет 100 А.
5.3.9 Стандартное значение номинального условного тока короткого замыкания (Inc)
Стандартное значение номинального условного тока короткого замыкания составляет 1500 А.
5.3.10 Стандартное значение номинального условного дифференциального тока короткого замыкания 
Стандартное значение номинального условного дифференциального тока короткого замыкания составляет 1500 А.
5.3.11 Предельные значения времени отключения
Предельные значения времени отключения приведены в
таблице 2 для переменных дифференциальных токов, в
таблице 3 - для ровных постоянных дифференциальных токов и в
таблице 4 - для пульсирующих постоянных дифференциальных токов, которые могут возникать в результате выравнивания в цепях с двумя или тремя фазами.
Таблица 2
Предельные значения времени отключения для переменных
дифференциальных токов при номинальной частоте
Предельные значения времени отключения, с, при дифференциальном токе  , равном |
| | | 5 А, 10 А, 20 А, 50 А, 100 А <a> |
0,3 | 0,15 | 0,04 | 0,04 |
Максимальное значение испытательного тока не должно превышать Im. Примечание - Информация о работе с дифференциальными токами с постоянной составляющей приведена в 9.7.4. -------------------------------- <a> Испытания при 5 А, 10 А, 20 А, 50 А и 100 А проводят только во время проверки правильной работы согласно 9.7.3.5. |
Таблица 3
Предельные значения времени отключения для ровных постоянных
дифференциальных токов при номинальной частоте
Предельные значения времени отключения, с, при постоянном дифференциальном токе, равном |
6 мА | 60 мА | 300 мА |
10,0 | 0,3 | 0,04 |
Таблица 4
Предельные значения времени отключения для пульсирующих
постоянных дифференциальных токов, которые могут возникать
в результате выравнивания в цепях с двумя или тремя фазами
Предельные значения времени отключения, с, при пульсирующем постоянном дифференциальном токе  , равном |
| | | 5 А, 10 А, 20 А, 50 А |
0,3 | 0,15 | 0,04 | 0,04 |
6 Маркировка и другая информация об изделиях
6.1 Данные, указываемые в маркировке IC-CPD
IC-CPD должны иметь стойкую маркировку, содержащую следующие данные:
a) название производителя или дистрибьютора или товарный знак;
b) обозначение типа, каталожный или серийный номер;
c) номинальное напряжение;
d) номинальная частота, если IC-CPD рассчитано на частоты, отличные от 50 Гц и 60 Гц (см.
5.3.6);
f) номинальный отключающий дифференциальный ток;
g) степень защиты. Степень защиты IP применима только к функциональному блоку и должна быть нанесена на него;
h) маркировка с названием изделия: IC-CPD;
| | ИС МЕГАНОРМ: примечание. Нумерация пунктов дана в соответствии с официальным текстом документа. | |
j) IC-CPD должны быть маркированы символом

, указывающим минимальную окружающую температуру, минус 25 °C или ниже, внутри символа. Если производителем заявлена температура ниже минус 25 °C, заявленное значение должно быть кратно 5 °C; это значение должно быть отражено в символе;
k) для IC-CPD по
4.5.2, заявление о том, что IC-CPD может не сработать при использовании в информационных или других незаземленных системах, таких как генератор с изолированной обмоткой или изолирующий трансформатор.
Маркировка следующим символом:

IEC 60417-6293 (2015-05).
Заявление не требуется для IC-CPD по
4.5.2 с возможностью отключения проверки наличия вышестоящего защитного проводника.
Примечание - Данная информация должна содержаться на стойкой этикетке, закрепленной на проводе.
l) значение неотключающего дифференциального тока

, если оно отличается от

;
m) индикация пути защитного проводника согласно конструкции следующим образом:
- класс согласно
4.4.2 с маркировкой

IEC 60417-6289 (2015-03);
- класс согласно
4.4.3 с маркировкой

IEC 60417-6290 (2015-03).
Этот символ может быть указан в электрической принципиальной схеме;
n) дополнительная информация о технических данных для большей высоты над уровнем моря, если применимо;
o) максимальный зарядный ток IC-CPD, если он ниже номинального тока.
Для маркировки номинального тока и номинального напряжения допускается использовать только числа. Эти числа должны быть расположены на одной линии с разделением наклонной линией или без него, или же число номинального тока должно быть расположено над числом номинального напряжения с разделением горизонтальной линией.
Маркировка типа сети питания должна быть расположена рядом с маркировкой номинального тока и номинального напряжения.
Примеры маркировки тока, напряжения и типа сети:
16 А 230 В~, или

, или 16 А 230 V а.с., или 16/230 а.с. и т.д.
Используют следующие обозначения:
- амперы | А; |
- вольты | В; |
- переменный ток | ~ IEC 60417-5032 (2002-10); |
- нейтраль | N; |
- защитное заземление; защитная земля  IEC 60417-5019 (2006-08) |
Подробные сведения об обозначениях переменного тока и защитного проводника приведены в IEC 60417.
Маркировка согласно
перечислениям a),
b),
c),
d),
e),
f),
h),
j),
k),
l),
m) и
o) должна быть нанесена на корпус функционального блока, на этикетку или на таблички, закрепленные на IC-CPD, и должна быть расположена так, чтобы она была видна и удобочитаема после монтажа IC-CPD в нормальных условиях эксплуатации.
Информация согласно
перечислению k) также должна быть приведена в инструкции.
Примечание - Данная информация может быть включена в руководство по эксплуатации автомобиля.
Информация согласно
перечислению n) также должна быть приведена в инструкции.
| | ИС МЕГАНОРМ: примечание. Здесь и далее в официальном тексте документа, видимо, допущена опечатка: перечисление p) отсутствует. | |
Для IC-CPD без функции расцепления при максимальных ровных постоянных дифференциальных токах силой 6 мА, в дополнение к информации об изделии согласно перечислению p) в инструкции должна быть приведена подробная информация, включая информацию о том, что данное IC-CPD запрещается использовать с транспортными средствами, в которых могут образовываться ровные постоянные дифференциальные токи при первом коротком замыкании.
Данное требование, включая перечисление p), ограничивается переходным периодом (см.
предисловие) и не применимо после него.
Функционирование и средства индикации должны быть маркированы в соответствии с правилами безопасности.
Клеммы, предназначенные исключительно для присоединения к цепи нейтрали, должны быть обозначены буквой "N".
Для IC-CPD с несменяемым кабелем маркировка "N" не обязательна.
Примечание - В следующих странах клеммы нейтрали также должны быть окрашены серебристым или белым цветом: США.
Если необходимо различить клеммы сети и нагрузки, они должны быть четко маркированы (например, маркировка "линия" и "нагрузка" возле соответствующих клемм или стрелки, указывающие направление питания).
Клеммы, предназначенные для защитного проводника, должны быть указаны символом защитного заземления; защитная земля

IEC 60417-5019 (2006-08).
Примечание - В следующих странах клемма защитного проводника должна также быть окрашена зеленым цветом: США.
Также безвинтовые клеммы устройств по
4.3.3 должны иметь соответствующую маркировку, указывающую длину изоляции, которую необходимо зачистить перед присоединением проводника к безвинтовой клемме.
Маркировка должна быть нестираемой, читаемой и не должна наноситься на винты, шайбы или другие съемные части.
Соответствие проверяют путем осмотра и с помощью испытания согласно
9.3.
6.2 Информация, предоставляемая конечным потребителям
Информация, предоставляемая конечным потребителям, включает следующее:
a) информация для потребителя об автоматическом процессе проверки для диагностики;
b) информация о том, что устройство нельзя использовать, если оно работает некорректно согласно рабочим инструкциям, и что необходимо обратиться за помощью к производителю, ответственному поставщику или электрику;
c) информация с предупреждением о необходимости соблюдения условий хранения и эксплуатации согласно
таблице 5 и недопустимости небрежного обращения, например, падения, погружения в жидкости и т.п.;
d) информация, инструктирующая потребителя о том, что IC-CPD необходимо подключать без переходника, за исключением тех случаев, когда переходник является частью IC-CPD и отвечает требованиям для штепсельного IC-CPD;
e) информация, инструктирующая потребителя о том, что IC-CPD необходимо включать непосредственно в стационарную штепсельную розетку без использования какого-либо удлинителя;
f) информация о выявленных неисправностях и любой индикации, которую изделие выдает в таких случаях;
g) информация о том, что компоненты штепсельного IC-CPD запрещается подсоединять или отсоединять во время использования IC-CPD (вилка сети включена в штепсельную розетку или автомобильный разъем включен в автомобильный ввод);
h) инструкции к тому, как подключать IC-CPD к штепсельной розетке и автомобилю, а также по надлежащему хранению изделия. Сюда входит информация для потребителя о том, что рекомендуется проверка электрической установки, предназначенной для зарядки ЭМ, электромонтажником;
i) информация о том, какие компоненты штепсельного IC-CPD разрешается использовать в сочетании.
Соответствие проверяют методом осмотра.
7 Нормальные условия эксплуатации и монтажа
Отвечающие настоящему стандарту IC-CPD должны быть способны работать в нормальных условиях эксплуатации, приведенных в
таблице 5.
Таблица 5
Нормальные условия эксплуатации
Внешние воздействующие факторы | Нормальный диапазон эксплуатации | Контрольное значение | Допустимые отклонения <e> |
| | 23 °C | +/- 5 °C |
Высота над уровнем моря | | | |
Относительная влажность (максимальное значение при 40 °C) | | | |
Внешние магнитные поля | Не более пятикратного магнитного поля Земли в любом направлении | Магнитное поле Земли | |
Частота | Контрольное значение +/- 5% | Номинальное значение | +/- 2% |
Искажение синусоидальной формы кривой | Не более 5% | Ноль | 5% |
<a> Максимальное значение среднесуточной температуры 35 °C. <b> Значения, выходящие за пределы данных диапазонов, относящиеся к районам с более суровыми климатическими условиями, устанавливают по согласованию между производителем и потребителем. Указываемые значения должны быть кратны 5 °C. <c> Более высокая относительная влажность допускается при меньших значениях температуры (например, 90% при 20 °C). <d> IC-CPD не должны использоваться вблизи сильных магнитных полей. В этом случае могут применяться дополнительные требования. <e> Указанные допуски применимы, если иное не предусмотрено соответствующей методикой испытаний. <f> Предельные значения минус 40 °C и 85 °C для IC-CPD допустимы во время хранения и перевозки. <g> Для большей высоты над уровнем моря необходимо учитывать понижение прочности диэлектрика и эффект охлаждения воздуха. По этой причине применяют увеличенные зазоры и расстояния пути утечки согласно таблице 7, а производитель должен предоставить дополнительные технические сведения для эксплуатации на такой высоте. <h> Если IC-CPD оснащено вилкой согласно стандарту с меньшей стандартной максимальной температурой или большей стандартной минимальной температурой, такая температура является обязательной для всего IC-CPD. Для вилок согласно IEC 60884-1 максимальной является температура 35 °C, а минимальной является температура минус 5 °C, а для вилок согласно IEC 60309-1 максимальная температура составляет 40 °C, а минимальная температура - составляет минус 25 °C, если производителем не указаны более высокие показатели. |
IC-CPD эксплуатируют в соответствии с инструкциями по эксплуатации на них.
8 Требования к конструкции и функционированию
8.1 Механическая конструкция
IC-CPD должны быть разработаны и изготовлены так, чтобы при нормальной эксплуатации их функционирование было надежным, а риск их опасности для потребителя или окружающей среды даже в условиях неправильного включения согласно настоящему стандарту был минимален.
Для устройств по
4.3.2 (с несменяемым кабелем) и
4.3.4 (штепсельные) необходимо убедиться в том, что невозможно заменить кабель устройства без необратимого и видимого повреждения.
Для устройств по
4.3.3 (с присоединяемым производителем кабелем) необходимо убедиться в том, что невозможно заменить кабель устройства без необратимого и видимого повреждения.
Штепсельные IC-CPD по
4.3.4 должны быть оснащены средствами фиксации, которые удерживают приспособления на своем месте при надлежащем включении и предотвращают случайное разъединение.
Штепсельные IC-CPD по
4.3.4 не должны функционировать без активации средств фиксации.
Должна быть исключена возможность включения IC-CPD до тех пор, пока все обязательные средства функции не подключены должным образом.
IC-CPD, без учета вилок и автомобильного разъема, должно иметь минимальную степень защиты IPXXD согласно IEC 60529 после монтажа для нормальной эксплуатации.
Компоненты штепсельных IC-CPD по
4.3.4 должны иметь минимальную степень защиты IPXXB согласно IEC 60529 до подключения друг к другу.
Между вилкой и распределительной коробкой допускается максимальная длина кабеля 1,7 м.
Примечание 1 - В следующих странах выключатель системы индивидуальной защиты (IC-CPD) должен быть расположен в 0,3 м от вилки или должен быть конструктивной частью вилки согласно государственным правилам: США, Мексика.
Если функциональные блоки расположены на расстоянии более 0,3 м от вилки, они должны иметь способность перемещения согласно
9.34.
Если штепсельное электрическое соединение штепсельного IC-CPD по
4.3.4 расположено на расстоянии более 0,3 м от вилки, для него должна быть предусмотрена возможность перемещения в месте подключения согласно
9.34.
Защитный проводник IC-CPD должен иметь зелено-желтый цвет.
Примечание 2 - В следующих странах защитный проводник может быть зеленого цвета: США.
Должна быть исключена возможность изменения дифференциальных рабочих характеристик IC-CPD.
Вилки IC-CPD должны быть электрически и механически совместимыми с штепсельной розеткой сети, в которой они будут использоваться, и должны применяться требования государственных стандартов. Если дополнительные требования отсутствуют, требования IEC 60884-1 распространяются на вилки бытового и аналогичного назначения, а требования IEC 60309 распространяются на вилки промышленного назначения.
Рекомендуется использовать вилки с цельными штырями из латуни, если вилки имеют штыри.
Примечание 3 - В следующих странах использование цельных штырей из латуни является обязательным: Франция.
Для конкретных областей применения вилки промышленного назначения без возможности замены можно использовать совместно с теми, которые определены в серии IEC 60309.
Для автомобильных разъемов применяют серию стандартов IEC 62196.
Соответствие проверяют путем осмотра и с помощью испытаний, определенных в соответствующих разделах.
Примечание 4 - В следующих странах IC-CPD по
4.1.2 или
4.1.3 должны соответствовать техническим условиям и требованиям и
4.1.2, и
4.1.3: Норвегия.
8.2 Штепсельные электрические соединения штепсельных IC-CPD по 4.3.4
8.2.1 Общие положения
Соединения IC-CPD должны быть разработаны так, чтобы к ним можно было подключить только приспособления, отвечающие требованиям 8.2. Компоненты штепсельного IC-CPD не должны быть взаимосочленяемыми никаким другим способом кроме указанного производителем. В частности, штепсельные соединения на функциональном блоке не должны соответствовать к стандартным изделиям, например, IEC 62196 (все части) или IEC 60309 (все части).
Если компоненты IC-CPD с разными номинальными токами являются взаимосочленяемыми, должно быть предусмотрено автоматическое средство, на функционирование которого конечный потребитель не сможет повлиять, и которое ограничивает максимальный ток до минимального номинального тока любого из компонентов IC-CPD путем подачи сигнала с управляющего устройства.
Производитель должен указать минимальный уровень сцепления каждого контакта электрического соединения, на котором его можно использовать при номинальном токе.
Соединение должно отвечать требованиям раздела 22 IEC 60309-1:1999 при минимальном уровне сцепления каждого контакта, указанном производителем для эксплуатации при номинальном токе.
Автомобильные разъемы и присоединение к их кабелю должны быть несменяемыми или сменяемыми производителем. Они не должны быть штепсельными.
Для штепсельных электрических соединений, которые предназначены для подключения или отключения потребителем или другими лицами, установку, снятие или замену компонентов IC-CPD следует проводить в соответствии с методиками испытаний согласно IEC 60309-1, при этом:
- допускается использовать только приспособления, определенные в 6.1.3 IEC 60309-1:1999 в качестве приспособлений с контактом заземления;
- допускается использовать только приспособления, определенные в 6.1.4 IEC 60309-1:1999 в качестве вилок или разъемов с несменяемым кабелем:
- допускается использовать только штепсельные розетки и разъемы, определенные в 6.1.8 IEC 60309-1:1999 в качестве приспособлений, обеспечивающих минимальную степень защиты IPXXB;
- по согласованию с производителем можно отсоединить фиксирующие устройства.
Соответствие проверяют путем осмотра и с помощью испытаний, определенных в соответствующих разделах.
8.2.2 Степень защиты штепсельного электрического соединения от твердых посторонних объектов и воды для IC-CPD
Все приспособления должны иметь степень защиты IP55 в месте соединения.
Все приспособления должны иметь степень защиты IP24 в местах без соединений. Степень защиты IP24 может быть обеспечена сочетанием приспособления и крышки.
8.2.3 Отключающая способность штепсельного электрического соединения для IC-CPD
Отключающая способность подлежит испытаниям согласно разделу 20 IEC 60309-1:1999 с помощью тока 2 А или тока, указанного производителем в зависимости от того, что меньше.
Испытания под нагрузкой проводят согласно разделу 21 IEC 60309-1:1999 с помощью тока 2 А или тока, указанного производителем в зависимости от того, что меньше.
Число испытаний без нагрузки согласно разделу 21 IEC 60309-1:1999 определяют по номинальному току и соответствующему числу циклов, определенных в таблице 7 IEC 60309-1:1999.
Если не предполагается ограничения нагрузки, должна быть обеспечена максимальная отключающая способность. В этом случае требования
8.2.4 не применимы.
8.2.4 Дополнительные требования
Ниже приведены дополнительные требования:
a) Для штепсельных электрических соединений, расположенных между контактами вилки и контактным механизмом, контролируемым управляющим устройством IC-CPD, должно быть предусмотрено средство для:
- ограничения нагрузки до 2 А на каждый контакт при подключении или максимальной отключающей способности в зависимости от того, что меньше;
- ограничения нагрузки до 2 А при подключении каждого контакта или максимальной отключающей способности в зависимости от того, что меньше на каждом контакте в момент соединения, с ограничением нагрузки до минимального уровня, указанного производителем для возможности его использования с номинальным током;
- ограничения нагрузки до 2 А при отключении каждого контакта или его максимальной отключающей способности в зависимости от того, что меньше на каждом контакте в момент разъединения, с ограничением нагрузки до минимального уровня, указанного производителем для возможности его использования с номинальным током.
Соответствие проверяют методом осмотра.
b) Для штепсельных электрических соединений, расположенных между контактным механизмом, контролируемым управляющим устройством IC-CPD и контактами автомобильного разъема, должно быть предусмотрено средство для:
- ограничения напряжения до 25 В переменного тока или 60 В постоянного тока на каждом контакте приспособления, не соединенного с ответной частью в достаточной степени для обеспечения степени защиты IPXXD;
- ограничения нагрузки до 2 А или максимальной отключающей способности в зависимости от того, что меньше на каждом контакте, который не соединен должным образом с ответной частью;
- ограничения нагрузки при подключении до 2 А или максимальной отключающей способности в зависимости от того, что меньше на каждом контакте до тех пор, пока контакт не будет совмещен до минимального уровня, указанного производителем для возможности его использования с номинальным током;
- ограничения нагрузки при отключении до 2 А или максимальной отключающей способности в зависимости от того, что меньше на каждом контакте до тех пор, пока контакт не будет совмещен до минимального уровня, указанного производителем для возможности его использования с номинальным током.
Соответствие проверяют методом осмотра.
8.3.1 Общие положения
Должна быть исключена возможность демонтажа IC-CPD по
4.3.2.
Если IC-CPD оснащено средством подвешивания, необходимо провести соответствующие испытания согласно IEC 60884-1:2002, IEC 60884-1:2002/AMD1:2006 и IEC 60884-1:2002/AMD2:2013, 24.1, 24.11, 24.12 и 24.13.
Компоненты узла по
4.3.3 должны быть надежно собраны, и должна быть исключена возможность их демонтажа без использования инструментов.
За исключением штепсельных соединений IC-CPD по
4.3.4, должна быть исключена возможность демонтажа IC-CPD без использования специальных инструментов.
Должна быть исключена возможность замыкания контроллером управления коммутационного устройства в следующих случаях:
- единичная неисправность внутри контроллера управления, или
- единичная неисправность в цепи управления коммутационного устройства, или
- после дифференциального тока короткого замыкания без сброса IC-CPD.
В условиях единичных неисправностей устройства контрольного управления ШИМ (широтно-импульсная модуляция) не должно возникать критических перегрузок.
Соответствие проверяют путем анализа неисправности производителем (например, FMEA).
IC-CPD может быть оснащено контрольным устройством, которое определяет температуру вилки и/или устройства и ограничивает зарядный ток, когда температура превышает заданные предельные значения. Если такое устройство предусмотрено, производитель должен указать такую функциональную возможность и предоставить соответствующие кривые зарядки.
Соответствие проверяют с помощью испытаний, приведенных в
разделе 9.
Примечание 1 - Во Франции для номинального тока свыше 8 А соединения со сменяемым кабелем бытовой вилки не допускаются. Соединение между бытовыми вилками и кабелем должно быть выполнено с помощью выводов (см. определение
3.2.3).
Примечание 2 - В Швейцарии для соединений в режиме 2, рассчитанных на ток свыше 8 А (2 кВА), применяют электрооборудование согласно IEC 60309-2.
8.3.2 Выводы IC-CPD
Выводы IC-CPD должны быть расположены или защищены таким образом, чтобы не допускать возникновения опасных ситуаций.
Соответствие проверяют с помощью испытания по
9.4.
8.3.3 Оболочка IC-CPD по 4.3.3
Оболочка IC-CPD по
4.3.3 должна полностью закрывать клеммы и концы гибких кабелей и шнуров.
Конструкция должна обеспечивать надлежащее присоединение проводников и после подключения и сборки соответствующих компонентов для нормальной эксплуатации должна препятствовать риску возникновения следующих ситуаций:
- проводники прижаты друг к другу;
- провод, жила которого подключена к клемме фазы, касается имеющихся металлических частей;
- провод, жила которого подключена к клемме земли, касается имеющихся токоведущих частей.
Соответствие проверяют путем осмотра и с помощью ручного испытания.
8.3.4 Клеммные винты или гайки IC-CPD по 4.3.3
Конструкция IC-CPD должна исключать возможность ослабления и выпадения клеммных винтов и гаек, что может привести к образованию электрического контакта между токоведущими частями и клеммой заземления или металлическими частями, подключенными к клемме заземления.
Соответствие проверяют путем осмотра и с помощью ручного испытания.
8.3.5 Натяжение проводников IC-CPD по 4.3.3
IC-CPD по
4.3.3 должны быть разработаны с достаточным запасом провисания проводника заземления так, чтобы в случае неисправности устройства компенсации натяжения соединение заземляющего проводника подвергалось натяжению после натяжения токоведущих проводников и в случае чрезмерных нагрузок обрыв проводника заземления происходил после обрыва токоведущих проводников.
Соответствие проверяют с помощью испытания по
9.22.
8.3.6 Дополнительные требования для IC-CPD по 4.3.3
К IC-CPD по
4.3.3 применяют следующие дополнительные требования:
- необходимо наличие указаний по компенсации натяжения и предотвращения скручивания;
- анкерные крепления кабеля или как минимум его части должны быть встроены или закреплены без возможности снятия на одной из конструктивных частей;
- запрещается применять такие подручные методы, как завязывание кабеля или шнура узлом или привязывание концов струной;
- анкерные крепления кабеля должны подходить для различных типов гибкого кабеля или шнура, которые могут быть подключены, а их эффективность не должна зависеть от сборки частей корпуса;
- анкерные крепления кабеля должны быть выполнены из изолирующего материала или должны быть оснащены изоляционным покрытием на металлической поверхности;
- металлические части анкерных креплений кабеля, при наличии, в том числе зажимные винты, должны быть изолированы от цепи заземления.
Соответствие проверяют путем осмотра конструкции и документации, предоставленной производителем.
8.3.7 Изолирующие части, удерживающие токоведущие части
Они должны быть надежно закреплены.
Соответствие проверяют путем осмотра и с помощью ручного испытания.
8.3.8 Винты для IC-CPD по 4.3.3
Использование плотно прилегающих шайб из картона или подобных элементов считается подходящим способом крепления винтов, которые должны быть невыпадающими.
Соответствие проверяют методом осмотра.
8.3.9 Средства для подвешивания на стену или другие монтажные поверхности
IC-CPD со средствами подвешивания должны отвечать требованиям по защите от поражения электрическим током согласно
8.5 в подвешенном или снятом состоянии.
Соответствие проверяют методом осмотра.
8.3.10 Вилка, интегрированная в оборудование втычного исполнения
Если вилка является неотъемлемой частью оборудования втычного исполнения, такое оборудование не должно приводить к перегреву штырей вилки.
Соответствие проверяют с помощью испытаний по
9.6.
IC-CPD не должно создавать излишнего натяжения для стационарных штепсельных розеток.
Соответствие IC-CPD с вилкой бытового или аналогичного назначения проверяют с помощью испытания по
9.23.
8.3.11 Гибкие кабели и шнуры и их присоединение
8.3.11.1 Кабельные крепления
Любая часть IC-CPD по
4.3.3 и
4.3.4 при необходимости должна быть оснащена анкерным креплением кабеля, которое обеспечивает ослабление натяжения проводников, в том числе скручивание, когда они подключены к клеммам или выводам, а их покрытие защищено от истирания.
При наличии оплетки кабеля, она должна быть обжата в анкерном креплении кабеля.
Соответствие проверяют путем осмотра и с помощью испытания согласно
9.24.
8.3.11.2 Минимальное поперечное сечение
IC-CPD должны быть оснащены гибким медным кабелем в соответствии с IEC 60227 или IEC 60245.
Примечание - В следующих странах государственные нормы предусматривают особые типы кабелей для кабельных жгутов: JP.
Минимальные значения площади поперечного сечения для проводников нагрузки и проводника защитного заземления приведены в
таблице 6 в соответствии с предельным током, подаваемым сигналом устройства контрольного управления.
Таблица 6
Минимальная площадь поперечного сечения
гибкого кабеля или шнура
Предельный ток сигнала устройства контрольного управления, А | Минимальное поперечное сечение, мм2 | AWG |
<= 13 | 1,5 | 16 |
13 < I <= 15 | 2,5 | 14 |
15 < I <= 20 | 2,5 | 14 |
20 < I <= 30 | 6 | 10 |
30 < I <= 32 | 6 | 10 |
Провод устройства контрольного управления должен иметь минимальное поперечное сечение 0,5 мм2/AWG20.
Соответствие проверяют путем осмотра, измерения и подтверждения того, что гибкие кабели или шнуры отвечают требованиям серий IEC 60227 или IEC 60245 в зависимости от ситуации.
8.3.11.3 Сгибание
Части IC-CPD должны быть разработаны так, чтобы обеспечить защиту гибкого кабеля или шнура от чрезмерного сгибания в месте входа в оборудование.
Предусмотренные для этой цели защитные приспособления должны быть выполнены из изолирующего материала и должны быть надежно закреплены.
Примечание - Спиральные металлические пружины, оголенные или покрытые изоляционным материалом, не подходят для использования в качестве защитных приспособлений для кабеля.
Соответствие проверяют путем осмотра и с помощью испытания согласно
9.25.
8.4 Электрические показатели
8.4.1 Ветвь защитного проводника
Коммутируемый контакт защитного проводника при наличии должен обеспечивать достаточное давление контакта и не должен ухудшаться в ходе нормальной эксплуатации.
Защитный проводник может проходить через тороидный датчик, если он отвечает требованиям соответствующей методики испытания функционирования.
В ходе осмотра необходимо убедиться в том, что в защитном проводнике нет никаких включенных последовательно полупроводниковых устройств.
Соответствие проверяют с помощью испытания на нагрев по
9.6.2, испытания дифференциального тока короткого замыкания по
9.9.2.3 и испытания условного тока короткого замыкания по
9.9.2.4 c).
8.4.2 Механизм контактов
Каждый токоведущий проводник и проводник нейтрали, при наличии, IC-CPD должен быть оснащен коммутационными контактами. В IC-CPD по
4.4.2 защитный проводник должен быть оснащен коммутационным контактом. Механическое и электрическое соединение контактов фазы и контакта нейтрали, при наличии, должны обеспечивать надежное включение и выключение.
Коммутационный контакт защитного проводника, при наличии, должен замыкаться до и размыкаться после коммутационных контактов токоведущих проводников или замыкаться и размыкаться одновременно с токоведущими проводниками.
Должна быть предусмотрена возможность отключения IC-CPD, если в нормальных условиях эксплуатации на него подается питание. Для этой цели можно использовать испытательное устройство.
В IC-CPD должно быть предусмотрено средство для ручного сброса после срабатывания под действием дифференциального тока. Это возможно при использовании специального средства или путем отсоединения устройства от штепсельной розетки.
Примечание - В следующих странах допускается автоматический сброс после успешной диагностики с ограничениями, предусмотренными 14.3 и 17.7 UL 2231-2: США.
Может предоставляться испытательное устройство.
Автоматическая проверка должна обеспечивать обнаружение случайного замыкания контактов.
В IC-CPD должен быть предусмотрен индикатор, показывающий состояние контактов и обеспечивающий четкую индикацию или реакцию в случае непреднамеренного замыкания контактов.
На действие механизма не должно влиять положение оболочек или крышек, и в нем не должно быть никаких съемных частей.
Крышка, зафиксированная в положении определенным производителем, считается несъемной частью.
Соответствие определенным выше требованиям проверяют путем осмотра и соответствующих испытаний по
9.7.
Зазоры и расстояния пути утечки должны быть не менее значений, приведенных в
таблице 7, когда IC-CPD смонтировано для нормальной эксплуатации. Значения, приведенные в
таблице 7, указаны для IC-CPD, предназначенных для эксплуатации в среде со степенью загрязнения 2 и перенапряжением категории II.
Примечание - Зазоры и расстояния пути утечки для большей высоты над уровнем моря, степени загрязнения или категории перенапряжения, приведены в IEC 60664-1.
Таблица 7
Минимальные зазоры и расстояния пути утечки (номинальное
напряжение 230 В, 230/400 В)
| мм | Минимальные расстояния пути утечки <c>мм |
| | (175 В <= CTI < 400 В) <b> | Группа II (400 В <= CTI < 600 В) <b> | Группа I |
| Номинальное напряжение, В <e> | Рабочее напряжение, В |
| Uimp 1,5 кВ | Uimp 2,5 кВ | |
Описание | 120 | 250 | 230/400 | 480 | 120 | 250 | 400 | 480 | 120 | 250 | 400 | 480 | 120 | 250 | 400 | 480 |
1 Между токоведущими частями, которые разделены, когда основные контакты в разомкнутом состоянии <a> | 0,5 | 1,5 | 1,5 | 2,5 | 4,0 | 5 | 1,05 | 1,8 | 2,8 | 3,6 | 0,75 | 1,5 | 2,0 | 2,5 |
2 Между токоведущими частями разной полярности | 0,5 | 1,5 | 1,5 | 2,5 | 4,0 | 5 | 1,05 | 1,8 | 2,8 | 3,6 | 0,75 | 1,5 | 2,0 | 2,5 |
3 Пустой | | | | | | | | | | |
| | Номинальное напряжение, В |
120 | 250 | 230/400 | 480 | 120 | 250 | 230/400 | 280 | 120 | 250 | 230/400 | 480 |
4 После разъединяющих контактов IC-CPD между токоведущими частями и - открытыми поверхностями рабочих органов - винтами или другим средством крепления крышек, которые можно снять при подключении разъема - открытыми металлическими частями <f>- PE | 0,5 | 1,5 | 1,5 | 2,5 | 4 | 5 | 1,05 | 1,8 | 2,8 | 3,6 | 0,75 | 1,5 | 2,0 | 2,5 |
5 До разъединяющих контактов IC-CPD между токоведущими частями и - открытыми поверхностями рабочих органов - винтами или другим средством крепления крышек, которые можно снять при подключении разъема; - открытыми металлическими частями <f> | 1,5 | 3 | 2,5 | 5 | 8 | 10 | 2,1 | 3,6 | 5,6 | 7,2 | 1,5 | 3 | 4 | 5 |
Примечание 1 - Части нейтрали, при наличии, которые считаются токоведущими частями. Примечание 2 - Зазоры и расстояния пути утечки вторичной цепи между первичными обмотками трансформатора IC-CPD не учитывают. |
<a> Значения для вспомогательных контактов и контактов управления приведены в соответствующем стандарте. <c> Допускается интерполяция при определении расстояний пути утечки, соответствующих значениям напряжения, промежуточных к указанным в качестве рабочего напряжения. При интерполяции используют линейную интерполяцию и значения округляют до того же количества знаков, что и выбранные из таблицы. Расстояния пути утечки определяют согласно приложению C. <d> Для материалов группы IIIb (100 В <= CTI < 175 В) применяют значения для материалов группы IIIa, умноженные на коэффициент 1,6. <e> Номинальное напряжение является максимальным рабочим напряжением на землю. <f> Включая металлическую фольгу, контактирующую с поверхностями изоляционного материала, которые доступны после установки для нормальной эксплуатации. Фольгу расталкивают по углам, в канавки и т.д. посредством испытательного провода по 9.4 (см. рисунок 9). <g> Для высоты над уровнем моря 3000 м значения умножают на 1,14; для 4000 м - умножают на коэффициент 1,29. |
Соответствие
пункту 1 таблицы 7 проверяют путем измерения или путем испытаний по
9.5.5.3.1 и
9.5.5.3.2. Испытание проводят с образцами, которые не подвергались процедуре влажной обработки, описанной в
9.5.1.
Зазоры согласно
пунктам 2 и
4 можно уменьшить при условии, что измеренные зазоры не короче минимально допустимых по IEC 60664-1 для однородных полевых условий. В этом случае, после влажной обработки согласно
9.5.1 соответствие
пунктам 2 и
4 и конфигурацию
9.5.2 по
пунктам b),
c),
d) и
e) проверяют в следующем порядке:
Если измерения не показали никакого уменьшения зазора, испытание по
9.5.5.2 не проводят.
Двойная изоляция или армированная изоляция должна быть обеспечена перед расцепляющими контактами IC-CPD между опасными токоведущими частями и
- открытыми поверхностями рабочих органов,
- винтами или другим средством крепления крышек, которые можно снять при подключении разъема,
- открытыми металлическими частями.
Соответствие проверяют испытанием
9.5.5.2. Испытательное напряжение нужно умножить на коэффициент 1,6.
Все измерения по 8.4.3 проводят в рамках цикла испытаний A на одном образце, а испытания по
9.5.5.2 проводят до испытаний по
9.5.1 на трех образцах в рамках цикла испытаний B.
Изоляционные материалы классифицируют по группам материалов на основании их сравнительного индекса трекингостойкости (CTI) согласно 4.8.1 IEC 60664-1:2007.
На бытовые вилки при наличии межгосударственного стандарта распространяются требования межгосударственного стандарта. Если соответствующий межгосударственный стандарт отсутствует, руководствуются IEC 60884-1.
На промышленные вилки распространяются требования IEC 60309.
На автомобильные разъемы распространяются требования IEC 62196-1 или IEC 62196-2.
Проверка зазоров и расстояний пути утечки на печатных платах проводится испытаниями по
9.27.
8.5 Защита от поражения электрическим током
8.5.1 Общие положения
IC-CPD должны быть разработаны так, чтобы при эксплуатации в соответствии с указаниями производителя токоведущие части были недоступны.
Наружные части, помимо винтов и других элементов крепления крышек и этикеток, которые открыты в нормальных условиях эксплуатации IC-CPD, должны быть выполнены из изоляционных материалов или скрыты под покрытием из изоляционного материала, если токоведущие части не скрыты во внутренней оболочке из изоляционного материала.
Такое покрытие должно быть закреплено так, чтобы исключить возможность его потери. Оно должно иметь достаточную толщину и механическую прочность, а также обеспечивать надлежащую защиту даже в местах, где могут встречаться острые края.
Входные отверстия для кабелей должны быть выполнены из изоляционного материала или должны быть оснащены втулками или аналогичными приспособлениями из изоляционного материала. Такие приспособления должны быть надежно закреплены и должны обладать достаточной механической прочностью.
Открытые части рабочих органов должны быть выполнены из изоляционного материала.
Металлические части механизма не должны быть открытыми. К тому же они должны быть изолированы от всех доступных металлических частей, в том числе металлических корпусов, пластин, винтов или других элементов опоры и крепления.
Лак и эмаль не обеспечивают достаточной изоляции согласно требованиям 8.5.1.
Соответствие проверяют путем осмотра и с помощью испытания согласно
9.4.
8.5.2 Требования для вилок встроенного или отдельного типа
На вилки бытового и аналогичного назначения распространяются требования государственных стандартов. В отсутствие государственных стандартов руководствуются требованиями IEC 60884-1.
На промышленные вилки распространяются требования IEC 60309.
8.5.3 Степень защиты функционального блока
Степень защиты частей функционального блока после сборки для нормальной эксплуатации должна быть не ниже IP55. Это также означает, что все соединения между функциональным блоком и другими компонентами штепсельного IC-CPD должны быть сочленяемыми.
Настоящее требование не распространяется на вилку, вставляемую в типовую штепсельную розетку, в частности, в случае IC-CPD по
4.2.3.
Проводят соответствующие испытания по IEC 60529.
Условия проведения испытаний функционального блока для первого и второго показателей IP по IEC 60529 применимы следующим образом:
- образцы подлежат испытаниям в разных положениях, выбранных случайным образом, если применимо;
- образцы не подключены к напряжению питания;
- испытание защиты от пыли проводят в оболочке категории 2.
В дополнение к требованию по IP функциональные блоки IC-CPD по
4.6.1,
4.6.2 и
4.6.3 должны подвергаться испытаниям согласно 14.2.7 IEC 60529:1989, при этом верхняя часть функционального блока погружена в воду на 5 см.
После испытания в условиях, определенных в
9.7.3.4, IC-CPD должно отключаться при испытательном токе

и не должно отключаться при токе

. Испытание проводят однократно на одном случайно выбранном полюсе без измерения времени отключения.
8.5.4 Требования для автомобильных разъемов
На автомобильные разъемы распространяются требования стандарта серии IEC 62196.
8.6 Электрическая прочность
IC-CPD должны обладать соответствующими диэлектрическими свойствами.
Соответствие проверяют испытаниями по
9.5.
8.7 Превышение температуры
Превышение температуры частей IC-CPD, приведенных в
таблице 8, измеренной при условиях, определенных в
9.6, не должно превышать предельных значений, установленных в данной
таблице.
Таблица 8
Значения превышения температуры
| Превышение температуры <d>, К |
Контакты или клеммы для внешних соединений | 50 |
Части с высокой вероятностью прикосновения: | |
металлические | 30 |
неметаллические | 50 |
Примечание - В Великобритании предельное значение превышения температуры составляет 52 К для вилок с плавким предохранителем и штепсельных розеток. |
<a> Значения для контактов не устанавливают, поскольку конструкция большинства IC-CPD не допускает прямого измерения их температуры без риска вызвать необратимые изменения или смещение деталей, способные повлиять на воспроизводимость результатов испытаний. Испытание по 9.17.2 считают достаточным для косвенной проверки поведения контактов в отношении чрезмерного превышения температуры при эксплуатации. <b> Для других частей, кроме перечисленных в таблице, значения превышения температуры не указывают, но они не должны вызывать повреждений соседних частей из изоляционного материала, снижающих работоспособность IC-CPD. <c> К вилкам, разъемам и кабелям применяют соответствующие значения стандартов для конкретного изделия. <d> Значения рассчитаны для времени прикосновения 4 с согласно IEC Guide 117. |
IC-CPD не должно подвергаться повреждениям, нарушающим его работу и безопасное использование.
8.8 Рабочие характеристики
8.8.1 Общие положения
IC-CPD должны обладать подходящими рабочими характеристиками.
Соответствие проверяют испытаниями по
9.7.
8.8.2 Рабочие характеристики безопасного соединения
Необходимо убедиться, что защитный проводник на стороне нагрузки подключен к транспортному средству.
Соответствие настоящему требованию проверяют испытанием по
9.7.9.
IC-CPD должно отвечать дополнительным требованиям по
5.1 относительно отказов электропитания, определенных в
3.3.1.5, а также условий опасного токоведущего защитного проводника, определенных в
3.3.3.18 (см.
8.22). Условия опасного токоведущего защитного проводника применимы только к IC-CPD по
4.4.2.
8.8.3 Рабочие характеристики при остаточных дифференциальных токах и дифференциальных токах с постоянной составляющей
Время отключения IC-CPD должно соответствовать указанному в
таблице 2 в присутствии остаточных дифференциальных токов при номинальной частоте и дифференциальных токов с постоянной составляющей.
Также проверяют корректность работы при пульсирующих постоянных дифференциальных токах с наложением ровных постоянных токов.
IC-CPD также должно обнаруживать и отключать сложные дифференциальные токи.
8.8.4 Рабочие характеристики при стабильном постоянном дифференциальном токе
IC-CPD должно подтверждать, что стабильные постоянные дифференциальные токи не превышают 6 мА, и должно обеспечивать время отключения согласно
таблице 3 в случае превышения такого предельного значения.
Примечание - Информация об этом требовании также приведена в
предисловии.
Соответствие проверяют испытаниями по
9.7.6.
8.8.5 Функционирование IC-CPD после срабатывания под воздействием дифференциального тока
После срабатывания под воздействием дифференциального тока должна быть исключена возможность повторного замыкания без вмешательства оператора.
Вмешательство оператора должно запускать диагностику перед зарядкой.
Соответствие проверяют испытаниями по
9.13.
8.8.6 Пульсирующие постоянные дифференциальные токи, которые могут вытекать из выпрямительных цепей двухфазной сети
IC-CPD, используемые в двухфазных сетях
(4.1.3) должны срабатывать в ответ на стабильное повышение пульсирующего постоянного дифференциального тока, вытекающего из выпрямительных цепей в пределах 3,5 мА и 7 мА.
Соответствие проверяют испытаниями по
9.7.11a).
IC-CPD, используемые в двухфазных сетях, должны срабатывать в ответ на внезапное появление пульсирующего постоянного дифференциального тока, вытекающего из выпрямительных цепей в пределах, указанных в
таблице 4.
Соответствие проверяют испытаниями по
9.7.11b).
8.8.7 Пульсирующие постоянные дифференциальные токи, которые могут вытекать из выпрямительных цепей трехфазной сети
IC-CPD по
4.1.4 должны срабатывать в ответ на стабильное повышение пульсирующего постоянного дифференциального тока, вытекающего из выпрямительных цепей в пределах 3,1 мА и 6,2 мА.
Соответствие проверяют испытаниями по
9.7.12a).
IC-CPD по
4.1.4 должны срабатывать в ответ на внезапное появление пульсирующего постоянного дифференциального тока, вытекающего из выпрямительных цепей в пределах, указанных в
таблице 4.
Соответствие проверяют испытаниями по
9.7.12b).
8.9 Механическая и электрическая износостойкость
IC-CPD должны быть способны выполнить достаточное число механических и электрических операций.
IC-CPD должны выдерживать ток включения, типичный для зарядного устройства для ЭМ.
Примечание - Требование к току включения для ЭМ соответствует ISO 17409.
Соответствие проверяют испытаниями по
9.8.1 и
9.8.2.
8.10 Работоспособность при токах короткого замыкания
IC-CPD должны быть способны выполнить заданное число операций при токах короткого замыкания.
Соответствие проверяют испытаниями по
9.9.
8.11 Стойкость к механическому толчку и удару
IC-CPD должны обладать соответствующими механическими характеристиками, чтобы противостоять механическим нагрузкам, возникающим при монтаже и эксплуатации.
Соответствие проверяют с помощью испытания по
9.10.
IC-CPD должны быть достаточно термостойкими.
Соответствие проверяют с помощью испытания по
9.11.
8.13 Стойкость к аномальному нагреву и огнестойкость
Наружные части IC-CPD, выполненные из изоляционного материала, не должны быть подвержены воспламенению и распространению огня, если близлежащие токопроводящие части достигли высокой температуры из-за повреждения или перегрузки.
Соответствие проверяют с помощью испытания по
9.12.
8.14 Устройство эксплуатационного контроля
В IC-CPD должна быть предусмотрена возможность автоматической диагностики для проверки способности IC-CPD обнаруживать прохождение дифференциального тока. Диагностика должна охватывать всю функциональную цепь обнаружения и оценки дифференциального тока. Сюда не входит механизм контактов.
Автоматическая диагностика проводится всякий раз, когда:
- IC-CPD подключается к сети;
- автомобильный соединитель подключен к ЭМ (применимо только при подключенной сети) или ЭМ подал сигнал к началу сеанса зарядки.
Результаты диагностики считают действительными в течение 10 мин.
Данный 10-минутный интервал понимают следующим образом: если диагностика уже проводилась в предыдущие 10 мин после включения питания или после подключения к ЭМ, повторная диагностика не требуется. Также не требуется проводить диагностику каждые 10 мин.
Контакты должны замыкаться только при успешном завершении диагностики.
Обнаруженные неисправности, в том числе непреднамеренное замыкание контактов, должны вести к невозможности зарядки ЭМ с помощью ШИМ-сигнала. Обнаружение непреднамеренно замкнутых контактов также должно вести к замыканию контакта защитного проводника, если он коммутируемый.
Если автоматическая диагностика не пройдена, эту информацию отражают при помощи средств индикации.
Работа IC-CPD должна исключать возможность подачи напряжения на защитный проводник и подачи питания на цепь со стороны нагрузки во время автоматической диагностики.
Проверку проводят путем осмотра и испытаниями специально подготовленного образца согласно
9.13.
8.15 Функционирование в случае потери напряжения питания
Испытания проводят для проверки работы IC-CPD в диапазоне напряжений согласно классификации.
IC-CPD должны четко работать при любом значении напряжения сети между 0,85 и 1,1 их номинального напряжения.
Соответствие проверяют испытаниями по
9.7 и
9.14.
IC-CPD должно автоматически размыкаться в случае падения напряжения и возобновлять цикл зарядки при восстановлении напряжения в сети.
Однако после срабатывания в результате дифференциального короткого замыкания с последующим падением напряжения сети, цикл зарядки не может быть возобновлен автоматически.
Согласно IEC 61851-1:2017, приложение A, IC-CPD должно автоматически размыкаться в случае падения напряжения и возобновлять цикл зарядки в соответствии с IEC 61851-1:2017, приложение A, когда напряжение сети восстановлено.
Соответствие проверяют испытаниями по
9.14.
8.16 Стойкость IC-CPD к нежелательному расцеплению в связи с бросками тока замыкания на землю, вызванными импульсными напряжениями
IC-CPD должны выдерживать импульсные напряжения.
Соответствие проверяют с помощью испытания по
9.16.
8.17 Контроллер управления
Цепь контроллера управления должна отвечать требованиям IEC 61851-1:2017, приложение A. Значения ШИМ должны исключать ток, превышающий номинал IC-CPD.
Соответствие проверяют испытаниями согласно IEC 61851-1:2017, приложение A.
IC-CPD должны работать надежно в условиях длительной эксплуатации с учетом старения их компонентов.
Части из изоляционных материалов, контактирующие с токоведущими частями, должны быть трекингостойкими.
Соответствие проверяют с помощью испытания по
9.19.
8.20 Электромагнитная совместимость (ЭМС)
Испытания ЭМС следует проводить согласно
9.26.
8.21 Функционирование IC-CPD при низкой окружающей температуре
IC-CPD должны надежно работать в условиях определенных для них предельных температурных режимов.
8.22 Работа в условиях отказа электропитания и опасного токоведущего защитного проводника
IC-CPD должно отвечать дополнительным требованиям по
5.1 относительно отказов электропитания, определенных в
3.3.1.5, а также условий опасного токоведущего защитного проводника, определенных в
3.3.3.18. Условия опасного токоведущего защитного проводника применимы только к IC-CPD по
4.4.2.
| | ИС МЕГАНОРМ: примечание. В официальном тексте документа, видимо, допущена опечатка: п. 7.7.9 отсутствует. | |
Соответствие настоящему требованию проверяют испытанием по 7.7.9.
8.23 Проверка тока покоя в защитном проводнике в нормальных условиях эксплуатации
Ток, текущий в нормальных условиях, на стороне входа из IC-CPD в защитный проводник не должен превышать 1 мА среднеквадратичного значения при 1,1 Ue в разомкнутом состоянии и 1,5 мА среднеквадратичного значения в замкнутом состоянии.
Примечание - Для значения в замкнутом состоянии учитывается электрическая емкость длины кабеля.
Соответствие проверяют испытанием по
9.7.10.
8.24 Функционирование в особых условиях окружающей среды
IC-CPD должны надежно функционировать в особых условиях окружающей среды, таких как:
- работа в условиях неблагоприятной химической среды;
- солнечное излучение;
- ультрафиолетовое (УФ) излучение;
- работа в условиях прибрежной зоны;
- в условиях наезда автомобилем (если применимо);
- после хранения при пониженной температуре.
Соответствие проверяют испытаниями по
9.29 -
9.35.
8.25 Стойкость к вибрации и динамической нагрузке
IC-CPD должны обладать достаточной стойкостью к вибрациям и динамическим нагрузкам.
Соответствие проверяют испытаниями по
9.36.
9.1.1 Размыкание и замыкание контактов
Если рабочие циклы не описаны для испытаний, в рамках которых требуется размыкание или замыкание контактов, используют контроллер управления с подходящим ШИМ-сигналом для управления IC-CPD путем моделирования различных состояний транспортного средства, описанных в IEC 61851-1:2017, приложение A. Для этой цели может быть изготовлена специальная модель.
Последовательность размыкания и замыкания должна инициироваться устройством управления.
Контроллер управления с ШИМ-сигналом определен в IEC 61851-1:2017, приложение A.
9.1.2 Типовые испытания
Характеристики IC-CPD проверяют посредством типовых испытаний.
Типовые испытания, которые являются обязательными по настоящему стандарту, перечислены в
таблице 9.
Примечание - Вилки, которые уже были испытаны на соответствие стандартам, не требуют повторных испытаний.
Таблица 9
Перечень типовых испытаний
Испытания | Подраздел |
Стойкость маркировки | |
Защита от поражения электрическим током | |
Электрическая прочность диэлектрика | |
Испытание на нагрев | |
Рабочие характеристики | |
Механическая и электрическая износостойкость | |
Функционирование IC-CPD в условиях сверхтоков | |
Стойкость к механическому толчку и удару | |
Теплостойкость | |
Стойкость изоляционного материала к аномальному нагреву и огнестойкость | |
Проверка устройства дифференциального тока с помощью средств автоматизированной диагностики | |
Функционирование IC-CPD в случае потери напряжения питания | |
Предельные значения неотключающего тока в условиях сверхтоков | |
Стойкость к нежелательному расцеплению в связи с бросками тока замыкания на землю, вызванными импульсными напряжениями | |
Надежность | |
Стойкость к старению | |
Трекингостойкость | |
Испытания штырей, оснащенных изолирующей оплеткой | |
Механическая прочность гибких штырей вилок | |
Эффекты натяжения проводников | |
Момент, прилагаемый IC-CPD к стационарным штепсельным розеткам | |
Испытания анкерных креплений кабеля | |
Испытание IC-CPD с несменяемым кабелем на изгиб | |
Электромагнитная совместимость (ЭМС) | |
Испытания, заменяющие проверки расстояний пути утечки и зазоров | |
Проверки отдельных электронных компонентов, используемых в IC-CPD | |
Химические нагрузки | |
Испытание на нагрев солнечным излучением | |
УФ-излучение | |
Испытание в условиях повышенной влажности и солевого тумана для окружающей среды морских и прибрежных регионов | |
Испытание в условиях повышенной влажности и температуры для тропиков | |
Наезд транспортным средством | |
Испытание хранения в условиях пониженной температуры | |
Испытание на стойкость к вибрации и ударам | |
9.1.3 Циклы испытаний
Для проверки соответствия настоящему стандарту в рамках циклов испытаний проводят типовые испытания.
Циклы испытаний и число испытуемых образцов указаны в
приложении A.
Если не указано иное, каждый тип испытания (или цикл типовых испытаний) проводят с новыми и чистыми IC-CPD, при этом влияющие величины имеют нормальные контрольные значения (см.
таблицу 5).
Несменяемый встроенный плавкий предохранитель в IC-CPD, при наличии, не должен переходить в состояние обрыва во время испытаний, если не указано иное.
Если производитель заявляет, что в IC-CPD предусмотрена возможность ограничения зарядного тока, разрешается проводить испытание с помощью устройства контрольного управления. Зарядная кривая должна быть указана в отчете об испытаниях.
9.1.4 Текущие испытания
Текущие испытания предназначены для выявления брака в материалах или производственного брака, а также для подтверждения безопасности и надлежащей работы IC-CPD. Они проводятся для каждого отдельного устройства IC-CPD.
Проводимые производителем текущие испытания приведены в
приложении B.
Испытания проводят на новых, репрезентативных образцах, отобранных на производстве.
Если не указано иное, IC-CPD подключают согласно схеме включения в сеть в нормальных условиях эксплуатации, используя вилки и/или штепсельные розетки аналогичной системы при окружающей температуре в пределах от 20 °C до 25 °C и согласно указаниям производителя.
Для IC-CPD типа LLLNSE или LLLNE, предназначенных для использования в трехфазной сети, испытания проводят только с подключенными тремя фазами.
Вилка и штепсельная розетка подключены согласно условиям, описанным в разделе 19 IEC 60884-1:2002/AMD2:2013 или государственном стандарте для вилок бытового и аналогичного назначения или в разделе 22 IEC 60309-1:1999, IEC 60309:1999/AMD1:2005 и IEC 60309-1:1999/AMD2:2012 для вилок промышленного назначения или в соответствующем разделе государственного стандарта.
Выбор образца осуществляется по согласованию между производителем и испытательной лабораторией.
Автомобильный разъем и автомобильный ввод подключены согласно условиям испытания, описанным в разделе 24 IEC 62196-1:2014 для разъема ЭМ.
Температура окружающего воздуха должна измеряться в течение последней четверти испытательного периода с помощью, по меньшей мере двух термометров или термопар, расположенных симметрично вокруг IC-CPD примерно на половине его высоты и на расстоянии примерно 1 м от IC-CPD.
Термометры или термопары должны быть защищены от сквозняков и теплового излучения.
Необходимо принять меры во избежание ошибок, обусловленных внезапными изменениями температуры.
Если допустимые отклонения не указаны, испытания проводят при значениях не менее заявленных в настоящем стандарте. Если не указано иное, испытания проводят при номинальной частоте +/- 5%.
9.3 Испытание стойкости маркировки
Проверку проводят вручную трением маркировки в течение 15 с ватой, смоченной водой, и затем в течение 15 с ватой, смоченной алифатическим гексановым растворителем (с содержанием ароматических углеводородов не более 0,1% по объему, каурибутаноловым числом 29, начальной температурой кипения 65 °C, конечной температурой кипения 69 °C и удельной плотностью 0,68 г/см3).
Маркировку, выполненную тиснением, литьем или гравировкой, данному испытанию не подвергают.
После этого испытания маркировка должна быть легко различимой. Маркировка также должна оставаться легко различимой после всех испытаний по настоящему стандарту.
Таблички не должны легко отделяться или скручиваться.
9.4 Проверка защиты от поражения электрическим током
Образец подключают по схеме включения для нормальной эксплуатации. IC-CPD испытывают в том виде, в котором они поставляются производителем.
Для IC-CPD стандартная испытательная жила, показанная на
рисунке 9, прикладывается в каждом возможном месте к каждой части, за исключением вилки и автомобильного разъема.
Для индикации контакта с определенной частью используют электрический индикатор напряжением не менее 40 В и не более 50 В.
Для IC-CPD, в которых применение эластомерных или термопластичных материалов с большой долей вероятности повлияет на требование испытания проводят дополнительное испытание, при окружающей температуре (35 +/- 2) °C, при этом IC-CPD должно иметь такую температуру.
Во время данного дополнительного испытания к IC-CPD прилагают усилие с помощью испытательной жилы в течение 1 мин. Данную жилу с электрическим индикатором, описанным выше, прикладывают во всех местах, где показатели изоляции могут оказать влияние на безопасность IC-CPD.
Во время этого испытания IC-CPD не должны деформироваться, чтобы размеры, указанные в соответствующих разделах стандарта и обеспечивающие безопасность, не подвергались чрезмерным изменениям, и было невозможно прикоснуться к токоведущим частям стандартной испытательной жилой (см.
рисунок 9).
Если вилка является единой конструктивной частью функционального блока:
- блок зажимают между двумя ровными поверхностями с усилием 300 Н на 1 мин, как показано на
рисунке 13, или
- блок подвергают испытаниям согласно требованиям государственного стандарта страны, на рынок которой поставляется изделие.
Через пятнадцать минут после снятия испытательного устройства образец не должен демонстрировать такую деформацию, которая могла бы открыть токоведущие части.
9.5 Испытание электрической прочности диэлектрика
9.5.1.1 Подготовка IC-CPD к испытанию
Детали IC-CPD, которые можно снять без помощи инструмента, снимают и подвергают воздействию влаги вместе с основной частью. Крышки на пружинах, при наличии, во время данной процедуры должны быть открыты.
Вводные отверстия, при наличии, должны быть открыты.
9.5.1.2 Условия испытания
Влажную обработку проводят в камере с относительной влажностью от 91% до 95%.
Температуру воздуха, в которую помещают образец, поддерживают на уровне +/- 1 К любого удобного значения T в пределах 20 °C и 30 °C.
Перед помещением в камеру образца его температура должна быть от T °C до (T + 4) °C.
9.5.1.3 Методика испытания
Образец выдерживают в камере в течение 48 ч.
Примечание - Относительную влажность от 91% до 95% можно обеспечить, поместив в камеру насыщенный водный раствор сульфата натрия (Na2SO4) или калия нитрата (KNO3), имеющий достаточно большую поверхность контакта с воздухом.
Для достижения предписанных условий в камере рекомендуется обеспечить постоянную циркуляцию воздуха и использовать камеру с теплоизоляцией.
9.5.1.4 Состояние IC-CPD после испытания
После данной обработки образец должен быть исправным в соответствии с требованиями настоящего стандарта и выдерживать испытания по
9.5.2 и
9.5.3.
9.5.2 Сопротивление изоляции главной цепи
IC-CPD, обработанные согласно
9.5.1, затем извлекают из камеры.
Спустя 30 - 60 мин после такой обработки сопротивление изоляции измеряют через 5 с после подачи постоянного напряжения приблизительно 500 В в такой последовательности:
a) при IC-CPD в разомкнутом состоянии - между каждой парой клемм или штырей, электрически соединенных между собой, когда IC-CPD замкнут, в каждом полюсе поочередно;
b) при IC-CPD в замкнутом состоянии - между каждым полюсом поочередно и остальными полюсами, соединенными вместе, при этом электронные компоненты, включенные между токовыми путями, на время испытания должны быть отключены.
Когда невозможно поддерживать IC-CPD в замкнутом состоянии, каждый полюс соединяют внешней перемычкой;
c) при IC-CPD в замкнутом состоянии - между всеми полюсами, соединенными вместе, и корпусом, включая металлическую фольгу, контактирующую с наружной поверхностью внутренней оболочки из изоляционного материала, при ее наличии;
d) между металлическими частями механизма и корпусом.
Доступ к внутренним металлическим частям механизма может быть специально обеспечен для данного испытания;
e) для IC-CPD в металлической оболочке, выложенной изнутри обшивкой из изоляционного материала - между корпусом и металлической фольгой, соприкасающейся с внутренней поверхностью обшивки из изоляционного материала, включая втулки и другие аналогичные устройства.
Термин "корпус" включает:
- все доступные металлические части и металлическую фольгу, соприкасающуюся с поверхностями из изоляционного материала, которые доступны в нормальных условиях эксплуатации;
- винты для крепления крышек, которые следует снимать во время монтажа IC-CPD. Для данного испытания защитный проводник присоединен к корпусу.
Для измерений по
b),
c),
d) и
e) металлическая фольга должна накладываться таким образом, чтобы можно было эффективно испытать заливочный компаунд, при его наличии.
Сопротивление изоляции должно быть не менее:
- 2 МОм для измерений по
a) и
b);
- 5 МОм для остальных измерений.
9.5.3 Электрическая прочность диэлектрика главной цепи
После испытания IC-CPD по
9.5.2 испытательное напряжение прикладывают на 1 мин между частями, указанными в
9.5.2, при этом электронные компоненты, при их наличии, на время испытания отключают, в том числе цепь защитного проводника и другие цепи.
Испытательное напряжение должно иметь синусоидальную форму волны и частоту от 45 до 65 Гц.
Источник испытательного напряжения должен быть в состоянии обеспечить ток короткого замыкания не менее 0,2 А.
Устройство защиты трансформатора от сверхтока не должно срабатывать, если ток в выходной цепи менее 100 мА.
Значения испытательного напряжения должны быть следующими:
Вначале прикладывают не более половины указанного напряжения, затем его повышают до полного значения в течение 5 с.
Во время испытания не допускаются перекрытия и пробои изоляции. Тлеющие разряды, не вызывающие падения напряжения, во внимание не принимают.
9.5.4 Вторичная цепь трансформаторов обнаружения
Вторичная цепь трансформатора обнаружения не подвергается никаким испытаниям изоляции при условии, что в цепи нет соединений с открытыми металлическими частями, защитным проводником или токоведущими частями.
9.5.5 Проверка способности выдерживать импульсные напряжения (через воздушные зазоры и твердую изоляцию) и ток утечки на разомкнутых контактах
9.5.5.1 Общая методика испытаний выдерживаемого импульсного напряжения
Положительные и отрицательные импульсы, подающиеся генератором, имеют длительность фронта 1,2 мкс и длительность на уровне 0,5 величины амплитуды импульса - 50 мкс с точностью:
- +/- 5% для пикового значения;
- +/- 30% для длительности фронта;
- +/- 20% для длительности на уровне 0,5.
Прикладывают по пять положительных и отрицательных импульсов с интервалом между последующими импульсами одной и той же полярности не менее 1 с и между импульсами противоположной полярности не менее 10 с.
При проведении испытания импульсного напряжения для IC-CPD в сборе учитывают угасание или усиление испытательного напряжения. Необходимо убедиться, что на клеммы испытуемого оборудования подается необходимое испытательное напряжение.
Номинальное волновое сопротивление испытательного прибора должно быть не более чем 500 Ом.
Форму импульсов устанавливают при подключенном к генератору импульсов испытуемом IC-CPD. Для этой цели используют подходящие делители напряжения и датчики напряжения. Перед испытанием рекомендуется отсоединять компоненты защиты от скачков.
Примечание - Для IC-CPD со встроенными разрядниками, которые невозможно отсоединить, форму импульсов устанавливают без подключения IC-CPD к генератору импульсов.
Допускаются незначительные колебания импульсов при условии, что их амплитуда вблизи пика импульсов составляет не более 5% амплитудного значения импульса.
Допустимы колебания в первой половине фронта импульса амплитудой не более 10% пикового значения импульса.
Во время испытаний не должно быть пробоев (пробоев изоляции или дуговых разрядов).
Рекомендуется использовать осциллограф для отслеживания импульсного напряжения с целью обнаружения пробоев.
9.5.5.2 Проверка зазоров при импульсном выдерживаемом напряжении
При измерении зазоров по
пунктам 2 и
4 таблицы 7 и последовательности согласно
9.5.2 b),
c) d) и
e) проведением испытаний проверяют уменьшение требуемой длины. Данное испытание проводят сразу после измерения сопротивления изоляции по
9.5.3.
Примечание - Измерение зазоров можно заменить данным испытанием.
Испытание проводят на замкнутом IC-CPD, установленном на металлическую опору.
Подают импульсное напряжение, испытательные значения которого приведены в
таблице 10. К этим значениям применяют поправку на высоту над уровнем моря, при которой проводят испытания согласно
таблице 10.
Таблица 10
Испытательное напряжение для проверки выдерживаемого
импульсного напряжения
Номинальное выдерживаемое импульсное напряжение Uimp, кВ | Испытательные напряжения при соответствующей высоте над уровнем моря |
U1,2/50 переменное пиковое, кВ |
Уровень моря | 200 м | 500 м | 1000 м | 2000 м |
2,5 | 2,9 | 2,8 | 2,8 | 2,7 | 2,5 |
Первый цикл испытаний проводят путем подачи импульсного напряжения между:
- полюсами фазы и полюсом нейтрали, соединенными вместе, и
- металлической опорой, присоединенной к клеммам, которые предназначены для защитных проводников, при наличии.
Второй цикл испытаний проводят путем подачи импульсного напряжения между:
- полюсами фазы, соединенными вместе, и
- полюсом нейтрали IC-CPD при наличии.
Третий цикл испытаний проводят путем подачи импульсного напряжения между компонентами, приведенными в
9.5.2 b),
c),
d) и
e), не испытанными во время первых двух циклов, описанных выше.
Четвертый цикл испытаний для проверки двойной изоляции или армированной изоляции проводят путем подачи импульсного напряжения между опасными токоведущими частями и
- открытыми частями (открытыми токопроводящими частями и открытыми поверхностями из изоляционного материала), и
- цепями управляющего сигнала.
Испытательное напряжение нужно увеличить в 1,6 раза.
Не должно возникать пробоев. Однако если один пробой возникает, прилагают десять дополнительных импульсов той же полярности, что импульс, вызвавший пробивной; схема включения остается той же, которая использовалась при возникновении пробоя.
Повторного пробоя возникать не должно.
9.5.5.3 Проверка стойкости разомкнутых контактов и основной изоляции к импульсному напряжению в нормальных условиях эксплуатации
9.5.5.3.1 Общие положения
Эти испытания проводят без предварительной влажной обработки, описанной в
9.5.1.
Испытания по 9.5.5.3, определенные требованиями согласно
8.4.3, проводят перед испытаниями по
9.5.1 на трех образцах в цикле испытаний B.
Испытательные значения импульсного напряжения выбирают из
таблицы 10 в соответствии с номинальным напряжением установки, для которой предназначено IC-CPD, как определено в
таблице 7.
К этим значениям применяют поправку на барометрическое давление на высоте над уровнем моря, при котором проводят испытания согласно
таблице 10.
9.5.5.3.2 IC-CPD в разомкнутом состоянии
Серию испытаний проводят с IC-CPD, установленным на металлическую опору в нормальных условиях эксплуатации.
Импульсы подают между:
- клеммами фаз, соединенными вместе, и
- клеммами нагрузки, соединенными вместе и с разомкнутыми контактами.
Во время испытания не должно возникать пробоев изоляции.
9.5.5.3.3 IC-CPD в замкнутом состоянии
Серию испытаний проводят с IC-CPD, установленным на металлическую опору с нормальной схемой включения в замкнутом состоянии.
Все компоненты, соединенные с основной изоляцией, отсоединяют.
Первый цикл испытаний проводят путем подачи импульсов между:
- полюсами фазы и полюсом нейтрали, соединенными вместе, и
- металлической опорой, присоединенной к клеммам, которые предназначены для защитных проводников, при наличии.
Второй цикл испытаний проводят путем подачи импульсов между:
- полюсами фазы, соединенными вместе, и
- полюсом нейтрали IC-CPD.
Не должно возникать пробоев. Однако если один пробой возникает, прилагают десять дополнительных импульсов той же полярности, что импульс, вызвавший пробой; схема включения остается той же, которая использовалась при возникновении пробоя.
Повторного пробоя возникать не должно.
После этого проводят испытания нового образца согласно
9.5.5.3.4.
9.5.5.3.4 Проверка функционирования компонентов, подключенных к основной изоляции
Проверку нужно проводить для подтверждения того, что компоненты, подключенные к основной изоляции и отключенные во время испытания основной изоляции импульсным напряжением, не приводят к ухудшению функциональных свойств или безопасности основной изоляции оборудования в нормальных условиях эксплуатации.
Новый образец IC-CPD подвергают испытаниям для проверки того, что компоненты, подключенные к основной изоляции, не снижают безопасность при краткосрочных временных перенапряжениях.
Частота испытательного напряжения должна быть 50/60 Гц. Согласно IEC 60364-4-44:2007, таблица 44.A2 и IEC 60664-1 среднеквадратичное значение испытательного напряжения для основной изоляции составляет 1200 В + Ue. Ue - это значение номинального напряжения между фазой и нейтралью.
Примечание 1 - К примеру, для IC-CPD с номинальным напряжением Ue = 250 В значение переменного испытательного напряжения для основной изоляции составляет 1200 В + 250 В, таким образом, среднеквадратичное испытательное напряжение составляет 1450 В.
Напряжение подают в течение 5 с между:
- полюсами фазы и полюсом нейтрали, соединенными вместе, и
- металлической опорой, присоединенной к клеммам, которые предназначены для защитных проводников, при наличии.
Затем оборудование подвергают визуальному осмотру; у компонентов, подключенных к основной изоляции, не должно наблюдаться признаков видимого изменения.
Примечание 2 - Допускается заменить плавкий предохранитель перед присоединением оборудования к главной цепи. Если предохранитель, защищающий импульсный разрядник, перегорел, допускается заменить и импульсный разрядник.
В этом случае оборудование присоединяют к главной цепи согласно указаниям производителя. В условиях, определенных в
9.7.3.4, IC-CPD должно сработать при испытательном токе

. Испытание проводят однократно на одном случайно выбранном полюсе без измерения времени отключения.
9.6.1 Условия испытания
Используют общие условия испытания согласно
9.2.
IC-CPD испытывают в том виде, в котором они поставляются производителем.
Вилки, необходимые для проведения испытаний, должны иметь латунные штыри минимальных заданных размеров.
Ток, равный In, проводят одновременно через два полюса для IC-CPD типа LNSE или типа LLSE и три полюса для IC-CPD типа LLLNSE или типа LLLNE в течение периода времени, достаточного для подъема температуры до стабильного уровня. На практике такое состояние достигается, когда изменение повышения температуры не превышает 1 К/ч.
Испытание повторяют с проведением тока только в защитном проводнике и с приложением напряжения между фазой и нейтралью. На IC-CPD подают 1,05
Ue и подключают его согласно схеме на
рисунке 5. Во время испытаний рост температуры не должен превышать значений, указанных в
таблице 8.
Если защитный проводник проходит через тороидальный трансформатор, может потребоваться специально подготовленный образец с отключенной цепью расцепления.
9.6.3 Измерения нагрева разных частей
Температуру разных частей, указанных в
таблице 8, измеряют с помощью термопар с тонкими проводами или с помощью аналогичного приспособления максимально близко к самой горячей точке.
Должна быть обеспечена хорошая теплопроводность между термопарой и поверхностью испытуемой части.
9.6.4 Превышение температуры
Превышение температуры представляет собой разницу между температурой части IC-CPD, измеренной согласно
9.6.3, и окружающей температурой, измеренной согласно
9.2.
9.7 Проверка рабочей характеристики
Примечание - В США применяют понятие UL 2231 MIU для обнаружения составляющих постоянного тока и высокой частоты с учетом следующей схемы (см.
рисунок 1).
На рисунке показаны желательные характеристики для поддержания одинакового уровня защиты в диапазоне частот, которые можно ожидать от систем зарядки ЭМ с питанием от батареи, рассматривая устройства с

, равным 6 мА, 10 мА и 30 мА.
Рисунок 1 - Желательные характеристики для поддержания
одинакового уровня защиты в диапазоне частот
IC-CPD подключают, как в нормальных условиях эксплуатации, если не указано иное. Сброс IC-CPD может быть осуществлен любым подходящим способом.
Приборы для измерения дифференциального тока должны показывать (или обеспечивать возможность определения) среднеквадратичное значение.
Приборы для измерений времени должны иметь погрешность не более 10% измеряемых значений.
Если не указано иное, испытания проводят при контрольной температуре (20 +/- 5) °C без нагрузки.
Для IC-CPD, в которых предусмотрено более одного значения номинальной частоты, испытания проводят при минимальной и максимальной частотах.
9.7.3 Испытания при синусоидальных дифференциальных переменных токах
9.7.3.1 Общие положения
Каждое испытание проводят при следующих значениях напряжения сети, подаваемого на соответствующие клеммы: 1,1 и 0,85 номинального напряжения.
Индуктивное сопротивление испытательной цепи должно быть пренебрежимо малым, а схема испытательной цепи должна быть в соответствии с
рисунками 2a),
2b) или
2c) в зависимости от ситуации.
9.7.3.2 Проверка функционирования в условиях стабильного увеличения дифференциального тока
При замкнутом испытательном переключателе S1, разомкнутом переключателе S2 и переключателе S3 в положении 1 начинают операцию замыкания IC-CPD.
Испытательный переключатель S
2 замыкают и дифференциальный ток постепенно увеличивают от значения не более

до достижения значения

в течение не более 30 с. Каждый раз измеряют ток расцепления.
Все пять измеренных значений должны быть в диапазоне от

до

.
Испытательный переключатель S3 переводят в положение 2 и повторяют испытание.
Все пять измеренных значений должны быть в диапазоне от

до

.
9.7.3.3 Проверка функционирования при замыкании дифференциальным током
Испытательную цепь калибруют при каждом значении дифференциального тока, указанном в
таблице 2. При замкнутом испытательном переключателе S
2 и S
1, а также переключателе S
3 в положении 1 IC-CPD замыкают цепь так, чтобы максимально близко имитировать условия эксплуатации.
IC-CPD может замкнуться, но должно размыкаться в течение заданного времени и не должно повторно замыкаться.
Время отключения измеряют пять раз. Не один из результатов измерений не должен превышать заданные предельные значения.
9.7.3.4 Проверка функционирования в условиях внезапного возникновения дифференциального тока
Испытательную цепь калибруют при каждом значении дифференциального тока, указанном в
таблице 2. При замкнутом переключателе S
1, разомкнутом переключателе S
2, переключателе S
3 в положении 1 и IC-CPD в замкнутом состоянии, внезапно подают дифференциальный ток путем замыкания переключателя S
2.
IC-CPD должно расцепляться при каждом испытании. Проводят пять испытаний при каждом значении дифференциального тока с измерением времени отключения.
Ни одно значение не должно превышать заданные предельные значения.
9.7.3.5 Проверка функционирования в условиях внезапного возникновения дифференциальных токов в диапазоне от 5 А до 100 А
Испытательную цепь калибруют с последовательным применением следующих величин дифференциального тока:
5 А, 10 А, 20 А, 50 А и 100 А.
При замкнутых S1 и IC-CPD, переключателе S3 в положении 1 подают дифференциальный ток путем замыкания переключателя S2.
IC-CPD должно расцепляться во время каждого испытания. Время отключения не должно превышать показатели времени, указанные в
таблице 2.
Испытание проводят на одном случайно выбранном полюсе.
9.7.3.6 Проверка в рабочем режиме под нагрузкой при контрольной температуре
Повторяют испытания по
9.7.3.3 и
9.7.3.4, подавая нагрузку на IC-CPD номинальным током в нормальных условиях эксплуатации в течение достаточного времени для достижения стабильного состояния.
На практике такое состояние достигается, когда изменение повышения температуры не превышает 1 К/ч.
9.7.3.7 Испытания в условиях предельных температур
IC-CPD подвергают испытаниям по
9.7.3.4 поочередно в следующих условиях:
a) температура окружающей среды: минус 5 °C без нагрузки;
b) температура окружающей среды: 45 °C, IC-CPD с предварительной подачей нагрузки номинальным током при любом удобном напряжении, пока не будет достигнута стабильная температура.
На практике такое состояние достигается, когда изменение повышения температуры не превышает 1 К/ч.
Предварительный нагрев можно проводить при пониженном напряжении.
9.7.3.8 Проверка функционирования при пониженных значениях температуры окружающей среды -25 °C или ниже
IC-CPD, подключенное как в нормальных условиях эксплуатации, помещают в испытательную камеру с температурой (23 +/- 2) °C и относительной влажностью (93 +/- 3)%.
Соотношение объема испытательной камеры к объему испытуемых образцов (в том числе, оболочки) должно быть более 50.
IC-CPD переводят в положение включено (ON) без нагрузки.
В течение 6 ч температуру в камере понижают до (-25 +/- 2) °C или до предельной температуры, заявленной производителем, +/- 2 °C без подачи влаги и выдерживают при такой температуре в течение 6 ч. В течение следующих 6 ч температуру повышают до (23 +/- 2) °C, а относительную влажность увеличивают до (93 +/- 3)%.
Образец снова выдерживают при этих значениях в течение 6 ч (окончание первого цикла).
Данный цикл повторяют пять раз. Во время этих циклов не должно произойти расцепления в IC-CPD.
Перед окончанием последнего 6-часового периода при -25 °C или заявленной производителем предельной температуре дифференциальный ток пропускают через один полюс IC-CPD.
Должно произойти расцепление IC-CPD в течение 0,3 с:
- при переменном дифференциальном токе

, и
- при пульсирующем дифференциальном токе (одностороннее выпрямление,

)

для IC-CPD с

и умноженным на коэффициент 2 для IC-CPD с

.
9.7.4 Проверка функционирования при дифференциальном токе с составляющей постоянного тока
9.7.4.1 Общие положения
9.7.4.2 Проверка функционирования в условиях длительного повышения пульсирующего постоянного дифференциального тока
Вспомогательные переключатели S
1 и S
2, а также испытуемое IC-CPD замкнуты. Управление соответствующим тиристором должно обеспечивать углы задержки тока

, 90° и 135°. Каждый полюс IC-CPD должен быть испытан дважды при каждом из углов задержки тока, дважды в положении I и дважды в положении II вспомогательного переключателя S
3.
В каждом испытании значение тока, начиная с нуля, должно постепенно увеличиваться в течение 30 с:
- до

для IC-CPD с

;
- до

для IC-CPD с

.
Ток расцепления должен соответствовать
таблице 11.
Таблица 11
Диапазоны тока расцепления для IC-CPD при пульсирующем
постоянном токе
Угол  | Ток расцепления |
Нижний порог (для всех значений  ) | Верхний порог для всех значений  |
0° | Для  Для  | Для  <a> Для  |
90° | Для  Для  |
135° | |
Примечание - В США значение 30 мА принято для  . |
9.7.4.3 Проверка функционирования в случае внезапно возникающих пульсирующих постоянных дифференциальных токов с наложением ровных постоянных токов и без него
Следующие испытания проводят для проверки функционирования в случае внезапного возникновения пульсирующих постоянных дифференциальных токов.
a) Испытание без наложенного ровного постоянного тока IC-CPD испытывают по схемам, указанным на
рисунках 10a),
10b),
10c) в зависимости от ситуации. Цепь успешно откалибрована при значениях

, приведенных в
таблице 2, умноженных:
- на

для IC-CPD с

;
-

для IC-CPD с

.
Два измерения времени отключения проводят при каждом из таких значений при угле задержки тока

, при этом во время первого измерения вспомогательный переключатель S
3 переведен в положение I, во время второго испытания - в положение II.
Ни одно значение не должно превышать заявленные предельные значения, приведенные в
таблице 2.
b) Испытание с наложенным ровным постоянным током 6 мА
После этого IC-CPD испытывают по схемам, указанным на
рисунках 11a),
11b),
11c) в зависимости от ситуации.
Два измерения времени отключения проводят при каждом из значений, приведенных в
9.7.4.3a) при угле задержки тока

, с наложением ровного постоянного тока силой 6 мА, при этом во время первого измерения вспомогательный переключатель S
3 переведен в положение I, во время второго испытания - в положение II.
Ни одно значение не должно превышать заявленные предельные значения, приведенные в
таблице 2.
9.7.4.4 Проверка функционирования с нагрузкой при контрольной температуре
Повторяют испытания по
9.7.3.2, при этом на IC-CPD в качестве нагрузки подают номинальный ток, который подается непосредственно перед испытанием.
Примечание - Нагрузка номинальным током показана на
рисунке 10.
9.7.5 Проверка функционирования в случае сложного дифференциального тока
9.7.5.1 Общие положения
Все испытания следует проводить с подачей Ue на IC-CPD при номинальной частоте и без нагрузки.
Если не указано иное, испытания проводят по схеме на
рисунке 30.
9.7.5.2 Проверка функционирования в случае стабильного повышенного сложного дифференциального тока
В
таблице 12 приведены значения составляющей частоты для калибровки, а также начальные значения тока для проверки работы IC-CPD в случае стабильного повышенного дифференциального тока.
Таблица 12
Разные значения составляющей частоты испытательных токов
и начальные значения тока

для проверки функционирования
в случае стабильно повышенного дифференциального тока
Разные значения составляющей частоты испытательных токов для калибровки (среднеквадратичные) | Начальные значения сложного тока (среднеквадратичные) |
Iпри номинальной частоте | I1 кГц | |
| | |
Примечание 1 -  соответствует номинальному отключающему дифференциальному току устройства при номинальной частоте. Примечание 2 - В целях испытания значения номинальной частоты и 1 кГц использовали для выходной и тактовой частоты соответственно, что представляет самые суровые условия эксплуатации. |
В
таблице 13 приведены предельные рабочие значения сложного дифференциального тока. Допустимое отклонение испытательной частоты составляет +/- 2%.
Таблица 13
Диапазоны отключающих токов для сложного
дифференциального тока
Отключающий ток (среднеквадратичный) |
Нижний порог | Верхний порог |
| |
Примечание 1 -  соответствует номинальному отключающему дифференциальному току устройства при номинальной частоте. Примечание 2 - Отключающие токи имеют две составляющие частоты, приведенные в таблице 12. |
Для проверки функционирования IC-CPD в присутствии сложных токов начальное значение сложного дифференциального тока, приведенное в
таблице 12, необходимо повышать с линейной скоростью. Расцепление IC-CPD должно происходить в пределах, приведенных в
таблице 13.
В любом случае соотношения разных частот должны поддерживаться в пределах от начального значения до рабочего значения.
Испытательные переключатели S
1 и S
2 и IC-CPD находятся в замкнутом состоянии, остаточный ток постоянно увеличивается, начиная со значения, не превышающего начальное составное значение, приведенное в
таблице 12, до верхнего предела отключающего дифференциального тока, приведенного в
таблице 13, в течение 30 с.
Испытание повторяют трижды на одном случайно выбранном полюсе. Рабочие значения должны быть в пределах, указанных в
таблице 13.
9.7.5.3 Проверка функционирования в случае внезапного возникновения сложного дифференциального тока
Испытания проводят для проверки времени отключения IC-CPD, при этом испытательный ток калибруют при значении, в пять раз превышающем значение верхнего порога, приведенное в
таблице 13.
При замкнутых S1 и IC-CPD дифференциальный ток внезапно подают путем замыкания S2.
Проводят три измерения времени отключения.
Время отключения должно быть менее 0,04 с.
Между каждой из трех подач дифференциального тока выдерживают интервал не менее в 1 мин.
9.7.6 Проверка правильной работы в случае ровного постоянного дифференциального тока
a) При замкнутых S1, S2 и IC-CPD ровный постоянный дифференциальный ток постепенно повышают от 0, пытаясь достичь 6 мА в течение 30 с, измеряя ток расцепления. Если расцепления устройства не произошло, ток силой 6 мА выдерживают в течение 10 с.
Один случайно выбранный полюс IC-CPD согласно схеме на
рисунке 29 испытывают дважды в положении 1 и 2 переключателя S
3.
Расцепление IC-CPD должно произойти при значении в пределах от 3 до 6 мА.
b) Второй цикл испытаний проводят для проверки времени отключения.
Испытательную цепь последовательно калибруют при каждом значении дифференциального тока, приведенном в
таблице 3; испытательный переключатель S
1 и IC-CPD находятся в замкнутом положении; дифференциальный ток резко подают путем замыкания испытательного переключателя S
2. Положение 1 или 2 испытательного переключателя S
3 выбирают случайно.
Два измерения времени отключения проводят на одном случайно выбранном полюсе при каждом значении переменного тока.
Значения времени отключения должны соответствовать, приведенным в
таблице 3.
9.7.7 Испытания в условиях некорректного включения и отказа сети питания
9.7.7.1 Общие положения
Проверка условий опасного токоведущего защитного проводника применима только к IC-CPD по
4.4.2.
Каждое испытание проводят при следующих значениях напряжения сети, подаваемого на соответствующие клеммы: 1,1 и 0,85 номинального напряжения.
IC-CPD должно быть присоединено в соответствии с
таблицей 14 или
15 соответственно и должно удовлетворять характеристикам
5.1.
Примечание - В следующих странах: США, коммутируемый проводник заземления оборудования, идущий к автомобильному разъему, допускается при условии, что его конструкция отвечает следующим требованиям:
a) устройство предназначено для использования в цепи питания, не превышающей 150 В относительно земли;
b) устройство контроля обрыва заземления (GM/I) для обмена информацией поставляется совместно с устройством сопряжения (CCID);
c) коммутационное устройство в заземляющем проводнике оборудования должно замыкаться до коммутационных контактов фазы при подаче энергии на выход;
d) коммутационное устройство в заземляющем проводнике оборудования должно размыкаться после коммутационных контактов после отключения питания на выходе;
e) конструкция должна быть испытана на применение в качестве коммутируемых проводников заземления оборудования.
Таблица 14
Отказ электропитания и соединения опасного токоведущего
защитного проводника (PE) для испытаний при корректных
схемах включения для типов LNSE/LNE и LLSE/LLE
Тип LNSE/LNE | Тип LLSE/LLE | Пункт испытания и примечания |
Входные клеммные соединения IC-CPD |
L | N | PE | L1 | L2 | PE | Подключение и маркировка клемм. Примечание - Классификация по 4.1. |
L | N | PE | L1 | L2 | PE | Соединение - согласно 9.7.2. |
N | L | PE | | | | Соединение - согласно 9.7.2. |
L1 | L2 | PE | L | N | PE | Проверка функционирования устройств типов LNSE/LNE и LLSE/LLE в случае подключения к несовместимой сети. |
N | L | L | L1 | L2 | L1 | Данное испытание должно охватывать все ситуации, в которых имеется опасный токоведущий защитный проводник ввиду некорректного включения в сеть (только для IC-CPD по 4.4.2). |
L | N | L | L1 | L2 | L2 | Данное испытание должно охватывать все схемы, в которых имеется опасный токоведущий защитный проводник ввиду неправильного включения в сеть (только для IC-CPD по 4.4.2). |
L | O | PE | | | | |
| | | O L1 | L2 O | PE PE | |
L | N | O | L1 | L2 | O | Разомкнутый защитный проводник 9.7.7.5 (только для IC-CPD по 4.5.2). |
Примечание 1 - Для определенных типов LLSE может быть доступна клемма соединения нейтрали. Примечание 2 - Перемена местами нейтрали и защитного проводника [ Rx и < Ue для систем TT (см. приложение D, рисунок D.2, пример 3)] включена в испытание по 9.14.2. |
Таблица 15
Отказ электропитания и соединения опасного токоведущего
защитного проводника (PE) для испытаний с корректными
схемами включения для типов LLLNSE/LLLNE
Тип LLLNSE/LLLNE | Пункт испытания и примечания |
L1 | L2 | L3 | N | PE | Подключение и маркировка клемм. Примечание - Типы по 4.1. |
L1 | L2 | L3 | N | PE | Соединение - согласно 9.7.2. |
L1 | L2 | L3 | N | PE | Проверка функционирования устройств типа LLLNSE/LLLNE в случае подключения к несовместимой сети. |
N | L2 | L3 | L1 | L1 L2 L3 | Данное испытание должно охватывать все ситуации, в которых имеется опасный токоведущий защитный проводник ввиду неправильного включения в сеть (только для IC-CPD по 4.4.2) |
L1 | L2 | L3 | N | L1 L2 L3 | Данное испытание должно охватывать все ситуации, в которых имеется опасный токоведущий защитный проводник ввиду неправильного включения в сеть (только для IC-CPD по 4.4.2) |
L1 | L2 | L3 | O | PE | |
L1 | L2 | L3 | N | O | |
9.7.7.2 Проверка функционирования в случае опасного токоведущего защитного проводника
Подпункт 9.7.7.2 применим только к IC-CPD по
4.4.2.
IC-CPD должны отвечать требованиям, если соблюдены следующие условия:
- IC-CPD не замыкаются, если защитный проводник под опасным напряжением, или
- если IC-CPD замыкаются, то IC-CPD должны размыкаться повторно в течение интервала времени, не превышающего 300 мс, автоматически или в случае протекания по любой клемме номинального дифференциального тока.
IC-CPD нужно поочередно включать согласно схемам на
рисунках 4a) -
4j) в зависимости от исполнения.
При замкнутом S1 проверяют включение IC-CPD в каждом положении.
Если контакты не замыкаются, устройство отвечает требованиям.
Если контакты замыкаются, то с помощью S2 проводят дополнительное испытание с резистором, включенным между клеммой нагрузки защитного проводника и защитным проводником сети.
Значение резистора регулируют так, чтобы получить номинальный дифференциальный ток (

для типа LNSE,

или
Ue/2, разделенное на

, для типа LLSE в зависимости от соединения).
9.7.7.3 Проверка функционирования в случае разомкнутой нейтрали (LNSE/LNE и LLLNSE/LLLNE) и разомкнутой фазы (LLSE/LLE)
IC-CPD должны работать соответствующим образом в следующих условиях:
для типов LNSE/LNE:
- не замыкаться даже кратковременно, если нейтраль разомкнута,
- размыкаться в течение 1 с, если в замкнутом положении нейтраль разомкнута;
для типов LLSE/LLE:
- не замыкаться даже кратковременно, если одна фаза разомкнута,
- размыкаться в течение 1 с, если в замкнутом положении одна из фаз разомкнута;
для типов LLLNSE/LLLNE:
- не замыкаться даже кратковременно, если нейтраль разомкнута,
- размыкаться в течение 1 с, если в замкнутом положении нейтраль разомкнута.
В зависимости от класса, проверяют работоспособность IC-CPD в исполнении с разомкнутой нейтралью или разомкнутой фазы с помощью следующих испытаний:
a) для IC-CPD по
4.1.2 (LNSE/LNE)
Контакты не должны замыкаться даже кратковременно. IC-CPD должно быть включено согласно
рисунку 6a).
При замкнутом S4 и разомкнутом S2 проверяют включение IC-CPD. Контакты не должны замыкаться при разомкнутой нейтрали;
b) для IC-CPD по
4.1.3 (LLSE/LLE)
Контакты не должны замыкаться при любой разомкнутой фазе сети даже кратковременно.
При замкнутом S1 и разомкнутом S2, замкнутом S3 проверяют включение IC-CPD.
Процедуру повторяют при замкнутом S2 и разомкнутом S3.
Контакты не должны замыкаться при разомкнутой фазе;
c) для IC-CPD по
4.1.4 (LLLNSE/LLLNE)
Контакты не должны замыкаться даже кратковременно. IC-CPD должно быть включено согласно
рисунку 6c).
При замкнутом S1 и разомкнутом S2 проверяют включение IC-CPD. Контакты не должны замыкаться при разомкнутой нейтрали;
d) для IC-CPD по
4.1.2 (LNSE/LNE)
Контакты должны быть разомкнуты, когда нейтраль сети разомкнута.
При замкнутых S1 и S2 IC-CPD должно быть в замкнутом состоянии; затем размыкают S2 (нейтраль);
e) для IC-CPD по
4.1.3 (LLSE/LLE)
Контакты должны размыкаться при любой разомкнутой фазе сети.
При замкнутых S1, S2 и S3 IC-CPD должно быть в замкнутом состоянии; затем размыкают S2 (фаза 1);
f) для IC-CPD по
4.1.4 (LLLNSE/LLLNE)
Контакты должны быть разомкнуты, когда нейтраль сети разомкнута.
При замкнутых S4 и S2 IC-CPD должно быть в замкнутом состоянии; затем размыкают S2 (нейтраль).
9.7.7.4 Функционирование IC-CPD подключенного к несовместимой сети
В случаях, когда IC-CPD не предназначено для работы в разных сетях (LNSE или LLSE), IC-CPD должно иметь защиту от использования в несовместимой сети.
Примечание - В следующих странах IC-CPD должно быть способно функционировать надлежащим образом и в конфигурации LNE, и в конфигурации LLE при условии наличия правильного напряжения: Бельгия.
Контакты при следующих условиях испытания не должны замыкаться.
IC-CPD должно быть присоединено в соответствии с
таблицей 14 и должно удовлетворять характеристикам
5.1.
9.7.7.5 Проверка функционирования в случае разомкнутого защитного проводника
Эти испытания применимы только к IC-CPD по
4.5.2.
IC-CPD по
4.1.2 (LNSE) должны быть включены согласно
рисунку 12a), где в сети S защитный проводник присоединен к нейтрали (N) резистором с сопротивлением, равным 1600 Ом.
IC-CPD по
4.1.3 (LLSE) должны быть включены согласно
рисунку 12b), где в сети S защитный проводник присоединен к L2 резистором с сопротивлением, равным 1600 Ом.
IC-CPD по
4.1.4 (LLLNSE) должны быть включены согласно
рисунку 12c), где в сети S защитный проводник присоединен к нейтрали (N) резистором с сопротивлением, равным 1600 Ом.
При замкнутом S1, разомкнутом S2, проверяют включение IC-CPD.
Контакты IC-CPD не должны замыкаться даже кратковременно.
9.7.8 Проверка функционирования контакта защитного проводника
9.7.8.1 Проверка контактного соединения защитного проводника при замыкании
Испытания путем изменения состояния управляющего устройства из состояния "O" (отключен) в состояние "C" (включен) должны подтвердить, что защитный проводник не замыкается позднее, чем замыкаются контакты L или N. Испытания проводят при напряжении 0,85 и 1,1 номинального напряжения.
9.7.8.2 Проверка контактного соединения защитного проводника при размыкании
Испытания путем изменения состояния управляющего устройства из состояния "C" в состояние "O" должны подтвердить, что защитный проводник не размыкается раньше, чем размыкаются контакты L или N. Испытания проводят при напряжении 0,85 и 1,1 номинального и когда напряжение питания медленно снижается до 50 В переменного тока. Должна быть подтверждена функция контакта защитного проводника.
Должен быть подготовлен один образец IC-CPD, у которого контакт L не разомкнется после замыкания (тем самым имитируя залипание контакта L).
Испытание проводят следующим образом:
Контакты активируют путем перевода управляющего устройства из состояния "O" в состояние "C". Должно быть подтверждено замыкание контакта защитного проводника. Затем контакты размыкают путем перевода управляющего устройства из состояния "C" в состояние "O".
В результате контакт L должен оставаться замкнутым (имитируя залипание контакта L), а контакт защитного проводника не должен разомкнуться.
9.7.9 Подтверждение присоединения защитного проводника к ЭМ
IC-CPD должно быть включено, как при нормальной эксплуатации. Испытуемое устройство подключают к источнику питания согласно
рисунку 28 и подают напряжение 1,1 номинального напряжения. Выполняют следующее испытание:
a) при замкнутом S2 замыкают S1. Контакты IC-CPD должны замкнуться;
b) при разомкнутом S2 замыкают S1. Контакты IC-CPD не должны замыкаться;
c) при замкнутых S1 и S2 контакты IC-CPD должны замкнуться. При резком размыкании S2 контакты IC-CPD должны разомкнуться менее чем за 0,1 с. После замыкания S1 может пройти некоторое время до замыкания IC-CPD.
После этого испытание повторяют, но на устройство подают напряжение 0,85Ue.
9.7.10 Проверка при протекании тока в защитном проводнике в нормальных условиях эксплуатации
IC-CPD должны быть подключены согласно
рисунку 7 в зависимости от исполнения.
Резистор (R1) сопротивлением 1 Ом +/- 1%, с подключенным к нему вольтметром, указывающим показания в виде среднеквадратичного значения, включенным между защитным проводником сети и входной клеммой защитного проводника IC-CPD.
Резистор (R) сопротивлением 1 Ом +/- 1% включен между нейтралью сети и входной клеммой нейтрали IC-CPD.
Подают напряжение 1,1Ue.
Проверяют включение IC-CPD и измеряют падение напряжения на резисторе R1.
IC-CPD размыкают и измеряют напряжение на резисторе.
Ток на защитном проводнике рассчитывают по известному значению сопротивления и среднеквадратичным показателям измерения напряжения. Полученное среднеквадратичное значение тока защитного проводника не должно превышать 1 мА среднеквадратичного значения при 1,1Ue в разомкнутом и 1,5 мА в замкнутом положении.
9.7.11 Проверка функционирования в случае дифференциальных постоянных токов, которые могут образовываться в выпрямительных цепях с питанием от двух фаз
Данное испытание распространяется только на IC-CPD, которые работают в двухфазной сети по
4.1.3.
При замкнутых S1, S2 и IC-CPD пульсирующий постоянный дифференциальный ток постепенно повышают от значения не более 2 мА, пытаясь достичь 7 мА в течение 30 с, при этом измеряют ток расцепления.
Испытательную цепь подключают к IC-CPD случайно выбранными клеммами двухфазной сети.
Проводят испытание IC-CPD по пять раз в положении I и положении II переключателя S3.
Расцепление IC-CPD должно происходить в пределах от 3,5 мА до 7 мА.
b) Второй цикл испытаний проводят для проверки времени отключения.
Испытательную цепь последовательно калибруют при каждом значении дифференциального тока, приведенном в
таблице 4; испытательный переключатель S
1 и IC-CPD находятся в замкнутом положении; дифференциальный ток подают путем замыкания испытательного переключателя S
2.
С IC-CPD, подключенным к случайно выбранным клеммам двухфазной сети, проводят по пять измерений времени отключения при каждом из значений дифференциального тока, указанных в
таблице 4 в каждом из положений I и II переключателя S
3.
Время отключения должно соответствовать значениям, приведенным в
таблице 4.
9.7.12 Проверка функционирования в случае дифференциальных постоянных токов, которые могут образовываться в выпрямительных цепях с питанием от трех фаз
Данное испытание распространяется только на IC-CPD, которые работают в трехфазной сети (по
4.1.4).
a) Испытание проводят согласно
рисунку 16 (см. ниже).
При замкнутых S1, S2 и IC-CPD пульсирующий постоянный дифференциальный ток постепенно повышают от значения не более 2 мА, пытаясь достичь 6,2 мА в течение 30 с, измеряя ток расцепления.
Проводят испытание IC-CPD по пять раз в положении I и положении II переключателя S3.
Расцепление IC-CPD должно происходить в пределах от 3,1 до 6,2 мА.
b) Второй цикл испытаний проводят для проверки времени отключения.
Испытательную цепь последовательно калибруют при каждом значении дифференциального тока, приведенном в
таблице 4; испытательный переключатель S
1 и IC-CPD находятся в замкнутом положении; дифференциальный ток подают путем замыкания испытательного переключателя S
2.
Проводят по пять измерений времени отключения при каждом из значений дифференциального тока, указанных в
таблице 4 в каждом из положений I и II переключателя S
3.
Время отключения должно соответствовать значениям, приведенным в
таблице 4.
9.8 Проверка механической и электрической износостойкости
9.8.1 Износостойкость элементов вилки и автомобильного разъема
Вилку и автомобильный разъем подвергают испытаниям по соответствующему стандарту IEC или по стандарту государства.
9.8.2 Износостойкость устройства дифференциального тока IC-CPD
9.8.2.1 Общие положения
Проводят подготовку IC-CPD согласно
9.2. Испытание проводят в испытательной цепи, показанной на
рисунке 31.
Испытания износостойкости проводят с частотой четырех операционных циклов в минуту, а если состояние IC-CPD не позволяет это сделать, то испытание проводят в течение максимально короткого времени, определенного производителем. Коммутация S2 не должна быть синхронизирована с углом сдвига фазы источника питания. Период включения должен длиться от 1,9 до 2,1 с.
IC-CPD подвергают общему числу 10 000 рабочих циклов, каждый из которых состоит из операции замыкания с последующей операцией размыкания.
Испытание проводят при номинальном рабочем напряжении. Процесс калибровки испытательной цепи описан ниже:
a) ток регистрируется с помощью амперметра A;
b) при подаче испытательного напряжения вносятся следующие калибровки:
1) калибровка тока включения (R3 и C1: IC-CPD заменяют перемычкой ВС с ничтожно малым сопротивлением по сравнению с сопротивлением в испытательной цепи. S3 и S4 разомкнуты. R3 и C1 настраивают так, чтобы после замыкания S1 при угле сдвига фазы 90° ток через амперметр достигал пикового значения (200 +/- 10) А с временем повышения tr (от 10% до 90% пикового значения) максимум 20 мкс и отклонениями до значения (66 +/- 3) А при 30 мкс + 20 мкс после пика;
2) калибровка номинального тока (X1): когда ВС снята, S1, S2 и S3 замкнуты, а S4 разомкнут, X1 регулируют так, чтобы проходящий через амперметр ток был равен номинальному току. X1 состоит из резисторов и реакторов, включенных последовательно (X1). Если используются реакторы с воздушным сердечником, резистор, снимающий приблизительно 0,6% тока через реакторы, включается параллельно каждому реактору. Если используются реакторы с железным сердечником, потери мощности с железного сердечника этих реакторов не должны существенно влиять на восстанавливающееся напряжение. Ток должен иметь форму синусоидной волны, а коэффициент мощности должен составлять как минимум 0,95;
3) калибровка тока предварительной зарядки (R2), если номинальный ток устройства ниже 30 А: после замены IC-CPD перемычкой ВС с пренебрежимо малым сопротивлением по сравнению с сопротивлением испытательной цепи и при замкнутых S1, S2, S3 и S4 резистор R2 регулируют так, чтобы ток, протекающий через амперметр, был равен среднеквадратичному значению 30 А. Если номинальный ток устройства выше 30 А, R2 заменяют разомкнутой цепью.
Пусковой ток состоит из двух наложенных составляющих, обе из которых образуются одновременно при замыкании контакторов IC-CPD:
- максимальное значение полученного испытательного тока составляет 230 А и соответствует событию 1 по ISO 17409, 8.8.2;
- данное пиковое значение угасает до среднеквадратичного 30 А. Данный (синусоидальный) ток сохраняется на протяжении 1 с и соответствует событию 2 по ISO 17409, 8.2.2.
9.8.2.2 Методика испытания под нагрузкой
Операции размыкания проводят следующим образом:
a) 1000 операций производят замыканием S
4 и S
3, подавая напряжение питания на IC-CPD, замыканием S
1. Замыкая S
2 и размыкая S
4 через 1 с +/- 100 мс после замыкания основной цепи с помощью IC-CPD. Через 2 с +/- 100 мс после замыкания основной цепи устройством IC-CPD начинают операцию размыкания путем размыкания S
2. После этого начинают новый рабочий цикл. После проведения 1000 операций S
1 должен быть разомкнут;
b) 1500 операций производят замыканием S
4 и S
3, подавая напряжение питания на IC-CPD, замыканием S
1. Замыкая S
2 и размыкая S
4 через 1 с +/- 100 мс после замыкания основной цепи с помощью IC-CPD. Через 2 с +/- 100 мс после замыкания основной цепи устройством IC-CPD начинают операцию размыкания путем проведения отключающего дифференциального тока

через один полюс (не показано на
рисунке 31). После этого начинают новый рабочий цикл.
Во время испытаний по
перечислениям a) и
b) считается, что контакт защитного проводника также подвергается проверке, но без нагрузки.
9.8.2.3 Методика испытания включения без испытания отключения
Оставшиеся рабочие циклы до обязательных 10000 рабочих циклов осуществляют путем замыкания S4 и S3, подавая напряжение питания на IC-CPD замыканием S1. Замыкая S2 через 1 с +/- 100 мс после замыкания главной цепи устройством IC-CPD, при этом S4 и S3 должны быть разомкнуты. Через 2 с +/- 100 мс после замыкания основной цепи устройством IC-CPD начинают операцию размыкания путем размыкания S2. После этого начинают новый рабочий цикл. После проведения 10 000 операций S1 должен быть разомкнут.
9.8.2.4 Состояние IC-CPD после испытаний
После проведения испытаний по
9.8.2.2 и
9.8.2.3 во время осмотра у IC-CPD не должно быть признаков:
- чрезмерного износа;
- повреждения оболочки, открывающего доступ к деталям под напряжением для стандартного испытательного провода согласно
рисунку 9;
- ослабления электрических или механических соединений;
- утечки уплотнительного состава при наличии.
В условиях, определенных в
9.7.3.4, IC-CPD должно сработать при испытательном токе

. Испытание проводят однократно с измерением времени отключения. Время отключения не должно превышать 0,3 с.
После этого IC-CPD должно успешно пройти испытание электрической прочности диэлектрика, определенное в
9.5.3, но при напряжении 900 В в течение 1 мин и без предварительной влажной обработки.
9.9 Проверка функционирования IC-CPD в условиях сверхтока
9.9.1 Перечень испытаний функционирования в условиях сверхтока
Различные испытания для проверки функционирования IC-CPD в условиях сверхтока приведены в
таблице 16.
Таблица 16
Испытания функционирования IC-CPD в условиях сверхтока
Проверка | Подпункт |
Номинальная коммутационная способность Im | |
Номинальная дифференциальная коммутационная способность  | |
Координация при 250 А и при номинальном условном токе короткого замыкания Inc | |
Координация при номинальной коммутационной способности Im | |
Координация при 250 А и при номинальном условном дифференциальном токе короткого замыкания  | |
Коммутационная способность вилки и штепсельной розетки, выполненных отдельно или встроенных в IC-CPD | |
9.9.2 Испытания на короткое замыкание
9.9.2.1 Общие условия испытания
Условия 9.9.2.1 применимы к любому испытанию, предназначенному для проверки функционирования IC-CPD в условиях короткого замыкания.
a) Испытательная цепь
Рисунок 8, в зависимости от исполнения, содержит схему цепи, используемой для испытаний.
Источник питает цепь, включая резистор R, реактор X, УЗКЗ, испытуемое IC-CPD и дополнительные резисторы R1, R2, R3 или R4, если применимо.
Резистор R и реактор X включают между источником питания S и испытуемым IC-CPD.
Реакторы X должны иметь воздушное охлаждение. Они должны быть постоянно включены последовательно с резистором R, а их значения должны быть получены путем последовательного включения отдельных реакторов. Параллельное включение реакторов возможно, если у этих реакторов почти одинаковая постоянная времени.
Поскольку характеристики переходного восстанавливающегося напряжения испытательной цепи, включая большие реакторы с воздушным сердечником, не являются репрезентативными для нормальных условий эксплуатации, необходимо шунтировать реактор с воздушным сердечником резистором R, снимающим приблизительно 0,6% тока, протекающего через реактор, если иное не согласовано между производителем и потребителем.
УЗКЗ устанавливается на стороне источника питания испытуемого IC-CPD.
Дополнительные резисторы R
2, R
3 и R
4 должны быть включены на стороне нагрузки испытуемого IC-CPD, как показано на
рисунке 8.
IC-CPD по
4.2.2 и
4.2.3 испытывают в том виде, в котором они поставляются производителем.
IC-CPD по
4.3.3 должны быть оснащены кабелями по усмотрению производителя и испытательного учреждения.
Схема испытательной цепи должна быть указана в отчете об испытаниях. Она должна соответствовать
рисунку 8.
Должна быть только одна точка испытательной цепи, которая заземлена напрямую. Это может быть контакт короткого замыкания испытательной цепи или нейтраль источника или другая удобная точка. Способ заземления должен быть указан в отчете об испытаниях.
Для проверки минимальных значений
I2t и
Ip, которые должно выдержать IC-CPD согласно
таблице 17, проводят испытания. УЗКЗ, при наличии, должно быть отрегулировано и должно быть реализовано либо посредством серебряного провода, либо плавкого предохранителя, либо с помощью любого другого приспособления. Производителем должен быть указан тип УЗКЗ, которое должно использовать в испытаниях. Тип УЗКЗ должен быть указан в отчете об испытаниях.
Перед данным испытанием проверяют правильность выбора и регулировки УЗКЗ (I2t и Ip), при этом IC-CPD заменяют временным соединением с пренебрежимо малым сопротивлением.
Минимальные значения пропускаемой энергии
I2t и пикового тока
Ip, с учетом электрического угла 45°, приведены в
таблице 17.
Таблица 17
Минимальные значения
I2t и
Ip
| In, А |
Inc и  , А | | <= 16 | <= 20 | <= 25 | <= 32 |
1500 | Ip (кА) | 1,02 | 1,1 | 1,25 | 1,5 |
I2t (кА2·с) | 2,5 | 3,0 | 3,6 | 6,0 |
По требованию производителя могут использоваться более высокие значения I2t и Ip. Проверка минимальных значений I2t и Ip не требуется, если производитель указал для IC-CPD значения выше минимальных, в случае чего проверяют заявленные значения.
Все токопроводящие части испытуемого IC-CPD, которые в условиях нормальной эксплуатации заземлены, в том числе металлическую опору, на которую монтировано или установлено IC-CPD, а также любая металлическая оболочка [см.
9.9.2.1 f)] должны быть присоединены к нейтрали источника питания или к практически не проводящей искусственной нейтрали, допускающей возможный ток короткого замыкания как минимум 100 А.
Данное соединение должно включать медный провод F диаметром 0,1 мм и не менее 50 мм длиной для обнаружения тока короткого замыкания, а также резистор R1 при необходимости.
Вольтметры V должны регистрировать напряжение источника питания и восстанавливающееся напряжение. Амперметры должны регистрировать испытательный ток.
Другие датчики могут быть установлены для получения показаний параметров работы, например, напряжения между полюсами, через которые протекает испытательный ток, или напряжение между клеммой нагрузки L (или L1) и нейтралью.
Если в отчете об испытаниях не указано иное, сопротивление измерительных цепей должно быть не менее 100 Ом/В напряжения восстановления промышленной частоты.
b) Допустимые отклонения испытательных величин
Все испытания по проверке номинальной коммутационной способности и корректной координации между IC-CPD и УЗКЗ следует проводить при значениях влияющих величин и факторов, указанных производителем в
таблице 5, если не указано иное.
Результаты испытаний считают действительными, если указанные в отчете об испытаниях величины находятся в пределах допусков для заданных величин:
- ток:

;
- частота: +/- 5%;
- коэффициент мощности:

;
- напряжение: +/- 5% (в том числе напряжение восстановления промышленной частоты).
c) Коэффициент мощности
Коэффициент мощности испытательной цепи определяют в соответствии с установленным методом, который должен быть указан в отчете об испытаниях.
Коэффициент мощности должен быть в диапазоне от 0,93 до 0,98.
d) Напряжение восстановления промышленной частоты
Значение напряжения восстановления промышленной частоты должно быть равно значению, соответствующему 105% номинального напряжения испытуемого IC-CPD.
Примечание 1 - Значение 105% номинального напряжения учитывает эффекты колебаний напряжения системы в нормальных условиях эксплуатации. Верхнее пороговое значение можно повысить с разрешения производителя.
После каждого угасания дуги восстанавливающееся напряжение промышленной частоты должно сохраняться не менее 0,1 с.
e) Калибровка испытательной цепи
Ток регистрируют с помощью амперметра A.
При подаче испытательного напряжения, регистрируемого вольтметром V, вносят следующие корректировки:
- R и X: УЗКЗ заменяют перемычкой BL, а IC-CPD - перемычкой Bc с пренебрежимо низким сопротивлением по сравнению с сопротивлением испытательной цепи. Соединения на стороне нагрузки испытуемого IC-CPD замыкают накоротко перемычкой Bd с пренебрежимо малым полным сопротивлением. Резистор R и реактор X регулируют так, чтобы получить ток, равный номинальному условному току короткого замыкания при заданном коэффициенте мощности.
- R2, R3, R4: УЗКЗ заменяют перемычкой BL, а IC-CPD - перемычкой Bc с пренебрежимо низким сопротивлением по сравнению с сопротивлением испытательной цепи (Bd убирают).
R
2: дифференциальный ток

при замкнутом S
1 (для дифференциального тока во время испытания
Im).
R
3: номинальный коммутационный ток (испытательная координация
Im,

и
Im). Максимальное значение 100 А или 10
In.
R
4: 250 А ток (для испытаний
Inc и

).
f) Состояние испытуемого IC-CPD
Если в IC-CPD предусмотрен встроенный плавкий предохранитель, применимо следующее:
- первый набор образцов испытывают с подключенным плавким предохранителем;
- второй набор образцов испытывают с включенным несменяемым встроенным предохранителем.
IC-CPD должно быть собрано и подключено в соответствии с указаниями производителя, по возможности, расположенного на металлической опоре в подвешенном состоянии.
Только для операции размыкания (O) прозрачную полиэтиленовую пленку толщиной (0,05 +/- 0,01) мм и размером как минимум на 50 мм больше в каждом направлении общего размера передней части устройства, но не менее 200 мм x 200 мм, крепят и аккуратно растягивают на раму, расположенную на расстоянии 10 мм:
- от максимальной проекции органа управления устройства без паза под органы управления; или
- от ободка паза для органов управления устройства с пазом под органы управления.
Пленка должна обладать следующими физическими свойствами:
- плотность при 23 °C (0,92 +/- 0,05) г/см3;
- температура плавления от 110 °C до 120 °C.
Механизм управления для коммутационных операций должен максимально близко имитировать нормальное ручное управление.
Необходимо убедиться, что испытуемое IC-CPD работает корректно под нагрузкой в заданных условиях.
g) Последовательность операций
Методика испытания включает следующую последовательность операций. Для определения последовательности операций используют следующие символы:
O указывает на операцию "размыкание", при замкнутом IC-CPD ток короткого замыкания образуется путем замыкания переключателя S2;
t представляет интервал времени между двумя последовательными операциями короткого замыкания, который должен составлять 3 мин или представлять собой такое более продолжительное время, которое необходимо для сброса или обновления УЗКЗ, при его наличии;
CO представляет собой операцию "замыкание - размыкание": при замкнутом переключателе S
2 инициируют короткое замыкание путем замыкания IC-CPD. Размыкание осуществляют посредством функционирования IC-CPD или УЗКЗ (в случае УЗКЗ см.
9.9.2.4).
Примечание - Если в IC-CPD предусмотрено автоматическое замыкание при подаче напряжения, испытательный переключатель S3 замыкают, чтобы начать операцию "CO".
h) Функционирование IC-CPD во время испытаний
Во время испытаний испытуемое IC-CPD не должно подвергать опасности оператора.
Более того, не должно образовываться неугасающей дуги, вспышек между полюсами или полюсами и открытыми частями проводников, а также срабатывания устройства F.
Несменяемый встроенный плавкий предохранитель, при наличии, может срабатывать во время испытания.
i) Состояние IC-CPD после испытаний
Считается, что образцы IC-CPD прошли испытания, если хотя бы одно из следующих условий выполнено:
- отсутствует повреждение, препятствующее дальнейшей эксплуатации, например:
IC-CPD должны успешно проходить испытания по
9.14;
IC-CPD должны быть работоспособны без поддержания включения и отключения их номинального тока при их номинальном напряжении;
в условиях испытания, определенных в
9.7.3.3, IC-CPD должно сработать при испытательном токе

. Испытание проводят однократно на одном случайно выбранном полюсе без измерения времени отключения;
для IC-CPD по
4.4.2 (SPE) должно быть обеспечено размыкание контакта PE:
- при размыкании несменяемого встроенного плавкого предохранителя на пути тока фаз и/или нейтрали, при наличии, управляющий сигнал должен отключать зарядку, а контакт PE, при наличии, должен быть в замкнутом положении;
- короткое замыкание сопровождается визуальным или звуковым сигналом; управляющий сигнал должен отключить зарядку, а контакт PE, при наличии, должен быть замкнут.
В дополнение должны быть выполнены следующие условия:
- не должно быть доступа к частям под напряжением, которые, как правило, недоступны в нормальных условиях эксплуатации, даже если стандартную испытательную модель пальца прикладывают с усилием, не превышающим 5 Н;
- на полиэтиленовой пленке не должно быть отверстий, видимых невооруженным глазом без дальнейшего увеличения;
- IC-CPD должно без обслуживания отвечать требованиям
9.5.3, но при напряжении, равном двукратному номинальному напряжению в течение 1 мин без предварительной влажной обработки;
- проверяют и поддерживают целостность пути PE с достаточно низким сопротивлением.
9.9.2.2 Проверка номинальной коммутационной способности (
Im)
Данное испытание предназначено для проверки способности IC-CPD включать, пропускать в течение заданного времени и отключать токи короткого замыкания, когда дифференциальный ток активирует IC-CPD.
a) Условия испытания
IC-CPD испытывают в цепи согласно общим условиям испытания, описанным в
9.9.2.1.
Перемычка BL присоединяется к УЗКЗ так, чтобы в цепи не было внешнего УЗКЗ.
R2 подключается путем замыкания S1.
R3 подключается к клемме фазы переключателя S2. Клемма нагрузки переключателя S2 подключена к клемме нейтрали IC-CPD типа LNSE со стороны нагрузки.
b) Методика испытания
Выполняют следующую последовательность операций:
CO - t - CO - t - CO
9.9.2.3 Проверка номинальной дифференциальной коммутационной способности

Данное испытание предназначено для проверки способности IC-CPD включать, пропускать в течение заданного времени и отключать дифференциальные токи короткого замыкания.
a) Условия испытания
Для бесполюсных систем включения вилок и розеток испытание проводят при случайном положении вилки, воткнутой в штепсельную розетку.
IC-CPD испытывают в цепи согласно общим условиям испытания, описанным в
9.9.2.
Перемычка BL присоединяется к УЗКЗ так, чтобы в цепи не было внешнего УЗКЗ. Разомкнутый S1 отключает R2.
R3 подключается к клемме фазы переключателя S2. Клемма нагрузки переключателя S2 подключена к клемме защитного проводника со стороны нагрузки.
b) Методика испытания
Выполняют следующую последовательность операций:
O - t - CO - t - CO
9.9.2.4 Проверка координации между IC-CPD и УЗКЗ
Эти испытания предназначены для проверки того, что IC-CPD, защищенное с помощью УЗКЗ, способно выдерживать токи короткого замыкания без повреждений величиной до своего номинального условного тока короткого замыкания (см.
5.3.9 и
5.3.10) и своего номинала коммутации.
Ток короткого замыкания прерывается сочетанием IC-CPD и УЗКЗ.
Во время испытания может произойти размыкание IC-CPD, УЗКЗ или обоих устройств. Тем не менее, если размыкается только IC-CPD, испытание также считается пройденным.
УЗКЗ заменяют или сбрасывают, в зависимости от исполнения, после каждого срабатывания.
Следующие испытания проводят в общих условиях, описанных в
9.9.2.1 и
пунктах a),
b) или
c) в зависимости от исполнения
Для операций "O" замыкание переключателя S2 синхронизируют с волной напряжения так, чтобы инициирующая точка была (45 +/- 5)°.
a) Проверка координации при 250 А и при номинальном условном токе короткого замыкания
Inc
Испытание проводят без образования любого дифференциального тока величиной до номинального условного тока короткого замыкания Inc.
1) Условия испытания
Для бесполюсных систем включения вилок и розеток испытание проводят при случайном положении вилки, воткнутой в штепсельную розетку.
Перемычку BL в УЗКЗ размыкают так, чтобы УЗКЗ находилось в испытательной цепи.
R2 не подключен, а S1 разомкнут.
Для испытания при 250 А резистор R4 присоединяют к клемме фазы переключателя S2. Клемма нагрузки переключателя S2 подключена к клемме нейтрали IC-CPD типа LNSE со стороны нагрузки.
Для испытания Inc клемму нагрузки Lt устройства IC-CPD присоединяют к клемме фазы переключателя S2. Клемма нагрузки переключателя S2 подключена к клемме нейтрали IC-CPD типа LNSE со стороны нагрузки.
2) Методика испытания
Выполняют следующую последовательность операций:
O - t - CO при 250 А,
O - t - CO при номинальном Inc.
Для каждого цикла испытаний можно использовать новые образцы.
b) Проверка координации при номинальной коммутационной способности (
Im)
Испытание проводят без образования какого-либо дифференциального тока при 100 А.
1) Условия испытания
Перемычку BL в УЗКЗ размыкают так, чтобы УЗКЗ находилось в испытательной цепи.
R2 не подключен, а S1 разомкнут.
R3 подключают к клемме фазы переключателя S2. Клемма нагрузки переключателя S2 подключена к клемме нейтрали IC-CPD типа LNSE со стороны нагрузки.
2) Методика испытания
Выполняют следующую последовательность операций:
O - t - CO - t - CO.
c) Проверка координации при 250 А и при номинальном условном дифференциальном токе короткого замыкания

Испытание проводят при дифференциальном токе величиной до номинального условного дифференциального тока короткого замыкания

, протекающего через цепь защитного проводника IC-CPD.
1) Условия испытания
Перемычку BL в УЗКЗ размыкают так, чтобы УЗКЗ находилось в испытательной цепи. R2 не подключен, а S1 разомкнут.
Для испытания при 250 А резистор R4 присоединяют к клемме фазы переключателя S2. Клемма нагрузки переключателя S2 подключена к клемме защитного проводника IC-CPD со стороны нагрузки.
Для испытания

клемму нагрузки L
t устройства IC-CPD присоединяют к клемме фазы переключателя S
2. Клемма нагрузки переключателя S
2 подключена к клемме защитного проводника IC-CPD со стороны нагрузки.
2) Методика испытания
Выполняют следующую последовательность операций:
O - t - CO при 250 А,
O -
t - CO при номинальном

.
Для каждой последовательности испытаний можно использовать новые образцы.
9.9.3 Проверка коммутационной способности вилки IC-CPD
Соответствие проверяют согласно разделу 20 IEC 60884-1:2002 и IEC 60884-1:2002/AMD2:2013.
9.10 Проверка стойкости к механическому толчку и удару
9.10.1 Общие положения
IC-CPD должны обладать соответствующей механической прочностью, чтобы выдерживать механические нагрузки, возникающие при нормальной эксплуатации.
Соответствие каждого встроенного элемента проверяют с помощью подходящих испытаний, приведенных в
таблице 18.
Таблица 18
Перечень испытаний стойкости к механическому толчку и удару
Испытуемый элемент | Пункт испытания |
| |
Для винтовых вводов IC-CPD | |
| |
| |
| |
Соответствие вилок и разъемов, не входящих в функциональный блок, проверяют с помощью подходящих испытаний, определенных в стандартах, применимых к ним.
9.10.2 Испытание на сопротивление механическому удару при падении
После подготовки к испытанию IC-CPD должно представлять собой функциональный блок с кабелем длиной менее 100 мм с каждой стороны, если приемлемо.
Испытание проводят согласно требованиям IEC 60068-2-31 при следующих параметрах:
- число устройств: 3;
- число падений каждого устройства: 2 по каждой из осей x, y, z;
- высота падения: 1 м;
- поверхность столкновения: бетонное основание или металлическая пластина;
- направление: первое падение каждого устройства с разной размерной оси, второе падение данного устройства с той же размерной оси, но с противоположной стороны корпуса;
- режим работы: отключено.
После завершения указанного выше испытания на оболочке IC-CPD не должно быть видимых повреждений, которые могли бы ухудшить степень защиты от прикосновений. IC-CPD должно быть включено. Автоматизированная диагностика должна пройти успешно. После автоматизированной диагностики IC-CPD должно удовлетворять характеристикам
5.1.
Примечание 1 - Данное испытание включает ненадлежащее обращение потребителями, которые могут уронить устройство, перенося его.
Примечание 2 - Описание методики испытания взято из 4.3.2 ISO 16750-3:2012.
9.10.3 Испытания для винтовых кабельных вводов IC-CPD
На винтовые вводы имитирует цилиндрический металлический стержень, диаметр которого максимально приближен к диаметру отверстия, в миллиметрах, ниже внутреннего диаметра упаковки.
Затем вводы затягивают с помощью подходящего ключа; момент, указанный в
таблице 19, прикладывают ключом в течение 1 мин.
Таблица 19
Момент, прикладываемый ключом при испытании
Диаметр испытательного стержня, мм | Момент, Н·м |
Металлические вводы | Вводы или формованные материалы |
До 14 включ. | 6,25 | 3,75 |
После испытания на вводах и оболочках образцов не должно наблюдаться никаких повреждений, определенных по настоящему стандарту.
9.10.4 Испытание механической прочности IC-CPD с кабелем
Образцы IC-CPD с несменяемыми кабелем (см.
4.3.2) или втычного типа (см.
4.3.4) испытывают в состоянии поставки.
IC-CPD оснащают 2,25 м гибкого кабеля от точки подключения до точки опоры, как показано на
рисунке 19.
Образец крепят так, чтобы кабель или шнур висел горизонтально, после чего его бросают на бетонный пол восемь раз (в разных направлениях).
После испытания на образцах не должно наблюдаться никаких повреждений, определенных по настоящему стандарту. В частности, ни одна часть не должна отсоединиться или ослабнуть.
Примечание - Мелкими сколами и вмятинами, которые не оказывают негативного влияния на защиту от поражения электрическим током, пренебрегают.
Если приемлемо, IC-CPD должно срабатывать при подаче дифференциального тока

на один из случайно выбранных полюсов, при этом время отключения не измеряют.
Данное испытание не должно никак повлиять на защиту от поражения электрическим током, а образец должен отвечать требованиям
9.4.
9.10.5 Проверка требований IC-CPD по 4.6.2 и 4.6.3
Проводят соответствующие испытания согласно IEC TS 61439-7:2014, 10.2.102.6 и 10.2.102.7.
9.11 Испытание теплостойкости
9.11.1 Общие сведения
Испытания по
9.11.2 и
9.11.3 не проводят для частей, изготовленных из керамического материала.
Если две или более изолирующих частей, упомянутых в
9.11.2 и
9.11.3, выполнены из одного материала, испытание проводят только на одной из этих частей согласно
9.11.2 или
9.11.3 в зависимости от исполнения.
9.11.2 Температурное испытание в нагревательной камере
Образцы без съемных крышек, при их наличии, выдерживают в нагревательной камере при температуре (100 +/- 2) °C в течение 1 ч.
Съемные крышки, при их наличии, выдерживают в нагревательной камере при температуре (70 +/- 2) °C в течение 1 ч.
Во время испытаний образцы не должны претерпевать изменений, препятствующих их дальнейшей эксплуатации; а заливочный компаунд, при его наличии, не должен вытечь настолько, чтобы открылись части, находящиеся под напряжением.
После испытания и охлаждения образцов приблизительно до комнатной температуры не должны быть доступными части, находящиеся под напряжением, которые нормально не доступны, когда образцы смонтированы как при нормальной эксплуатации, даже если применяют стандартный испытательный палец, прикладываемый с усилием не более 5 Н.
В условиях испытания, определенных в
9.7.3.3, IC-CPD должно сработать при испытательном токе

. Испытание проводят однократно на одном случайно выбранном полюсе без измерения времени отключения.
После этого испытания маркировка должна быть легко различимой.
Примечание - Обесцвечивание, вздутия или незначительные смещения заливочного компаунда не принимают во внимание, если при этом не снижается безопасность согласно требованиям, установленным настоящим стандартом.
9.11.3 Испытание твердости вдавливанием шарика для изоляционных материалов, необходимых для удерживания на месте токоведущих частей
Части IC-CPD, выполненные из изоляционного материала и необходимые для удержания в нужном положении токоведущих частей или частей защитной цепи, а также части, удерживающие в нужном месте клеммы или вводы, подвергают испытанию давлением шарика при помощи устройства, приведенного на
рисунке 14.
Если невозможно провести испытание образца, испытание проводят на кусочке толщиной минимум 2 мм, который отрезают от образца. Если это невозможно, можно использовать до четырех слоев включительно, вырезанных из образца, в случае чего общая толщина слоев должна быть не менее 2,5 мм.
Части зоны передней поверхности из термопластичного материала шириной 2 мм, окружающие штыри фазы и нейтрали входных отверстий розеток, также должны подвергаться этому испытанию.
Испытуемые части помещают на стальную пластину толщиной 3 мм с непосредственным соприкосновением с ней.
Часть, установленную на стальную опору с подходящей поверхностью, испытывают в горизонтальном положении. Стальной шарик диаметром 5 мм прижимают к этой поверхности с усилием 20 Н.
Испытательная нагрузка и крепления должны быть помещены в нагревательную камеру на достаточное время, чтобы гарантировать, что они достигли стабильной температуры испытания до начала испытания.
Испытание проводят в нагревательной камере при температуре (125 +/- 2) °C.
Спустя 1 ч шарик убирают с образца, который затем погружают на 10 с в холодную воду для охлаждения примерно до комнатной температуры.
Измеряют диаметр оставленной шариком вмятины, который не должен превышать 2 мм.
9.11.4 Испытание твердости вдавливанием шарика для изоляционных материалов, не предназначенных для удерживания на месте токоведущих частей
Наружные части IC-CPDs из изоляционных материалов, не предназначенные для удержания в нужном положении токоведущих частей или частей защитной цепи, даже если они находятся в контакте с последними, подвергают испытанию давлением шарика в соответствии с
9.11.3, но при температуре более высокой из двух: либо (70 +/- 2) °C, либо (45 +/- 2) °C плюс наибольшее превышение температуры соответствующей части, определенное при испытании по
9.6.
Если применима
сноска h) в таблице 5, испытание проводят при более высокой из двух следующих температур: (70 +/- 2) °C или (40 +/- 2) °C плюс наибольшее превышение температуры соответствующей части, определенное при испытании по
9.6.
9.12 Стойкость изоляционного материала к аномальному нагреву и огнестойкость
Испытание раскаленной проволокой проводят согласно требованиям IEC 60695-2-10 и IEC 60695-2-11 в следующих условиях:
- для частей из изоляционных материалов, предназначенных для удерживания в нужном месте токопроводящих частей и частей защитных цепей испытания, проводят при температуре (750 +/- 15) °C;
- для всех остальных частей из изоляционных материалов испытания проводят при температуре (650 +/- 10) °C.
Если указанные испытания нужно проводить в нескольких местах одного образца, необходимо принять меры, чтобы убедиться, что любые ухудшения характеристик от предыдущих испытаний не влияли на результаты проводимого испытания.
Мелкие части, такие как шайбы, не подвергают испытаниям согласно 9.12. Испытания не проводят с частями из керамических материалов.
По возможности, образец должен представлять собой IC-CPD в сборе.
Если испытание невозможно провести с цельным IC-CPD, в целях испытания из него можно вырезать подходящие части.
Испытание проводят на одном образце.
В случае сомнений испытание следует повторить на двух дополнительных образцах. Испытание проводят путем однократного приложения раскаленного провода.
Образец должен быть расположен во время испытания в наиболее неблагоприятном положении своего целевого назначения (испытуемая поверхность должна быть вертикальна).
Конец раскаленной проволоки прикладывают к поверхности испытуемого образца с учетом предполагаемых условий эксплуатации, при которых нагретый или раскаленный элемент может войти в контакт с поверхностью.
Образец считают выдержавшим испытание раскаленной проволокой, если:
- отсутствуют видимое пламя и длительное тление;
- пламя и тление на образце самостоятельно гаснут в течение 30 с после удаления раскаленной проволоки. Не должно быть загорания папиросной бумаги или подпаливания сосновой доски.
9.13 Проверка устройства дифференциального тока с помощью средств автоматизированной диагностики
На каждое IC-CPD изначально подают номинальное напряжение как для нормальной эксплуатации.
Во время автоматизированной диагностики проверяют, что напряжение не подается на защитный проводник на стороне сети питания и что контакты на стороне нагрузки не замыкаются.
Расцепление IC-CPD должно происходить в условиях, описанных в
9.7.3.4 при дифференциальном токе

. Должна быть исключена возможность повторного замыкания IC-CPD без автоматизированной диагностики.
Перед началом каждого процесса зарядки IC-CPD должно проводить автоматизированную диагностику.
Правильная работа IC-CPD должна приводить к началу зарядки ЭМ.
Образец IC-CPD должен быть подготовлен путем короткого замыкания контактов фазы и нейтрали. В случае немеханических контактов подготавливают еще один образец только с одним случайно выбранным контактом, замкнутым накоротко. Для испытания данный путь тока подключен к фазе.
Затем на IC-CPD подают номинальное напряжение. Должен начаться процесс зарядки.
В результате должен быть подан визуальный или звуковой сигнал о коротком замыкании, управляющий сигнал должен отключить зарядку, а контакт зарядного проводника при его наличии должен быть замкнут.
9.14 Проверка функционирования IC-CPD в случае потери напряжения питания
9.14.1 Проверка функционирования при минимальном рабочем напряжении (Ux)
Напряжение, равное Ue, подают по любому из двух путей тока IC-CPD, выбранному случайно, а напряжение постепенно снижают до Ux, после чего постепенно снижают напряжение со скоростью приблизительно 5 В/с до автоматического размыкания.
Измеряют напряжение размыкания.
Для каждого образца проводят пять измерений.
Все значения напряжения размыкания не должны превышать 0,85 минимального номинального напряжения и быть выше Ux, если применимо.
В конце этих измерений напряжение устанавливается на
Ue, а затем снижается до значения, на 5% превышающего максимальное измеренное напряжение размыкания. В этих условиях проверяют корректную работу IC-CPD согласно
таблице 2 при

.
Если любое измеренное напряжение размыкания больше 85 В, указанное выше испытание в соответствии с
таблицей 2 при

повторяют при напряжении питания чуть выше нижнего измеренного напряжения размыкания.
9.14.2 Проверка автоматического размыкания в случае отсутствия напряжения питания
На фазу IC-CPD подается номинальное напряжение (или, если приемлемо, напряжение, имеющее значение в пределах своего диапазона номинальных напряжений), и оно замыкается.
Затем напряжение отключают.
Измеряют интервал времени между отключением и размыканием основных контактов. Проводят пять измерений.
Время размыкания для IC-CPD должно быть менее или равно 1 с.
9.14.3 Проверка функции повторного замыкания
IC-CPD разомкнут благодаря автоматическому размыканию. Медленно повышающееся напряжение питания прилагают для получения номинального напряжения или в случае диапазона номинальных напряжений, самое минимальное, начиная с нуля в течение 30 с. IC-CPD должно возобновить процесс зарядки до или не позднее того момента, когда напряжение достигнет 0,85 от номинального напряжения. Повышение напряжения нужно остановить в момент автоматического повторного замыкания IC-CPD.
При этом напряжении или при 85 В в зависимости от того, что больше нужно убедиться в том, что IC-CPD работает согласно
таблице 2 при

. Напряжение питания снимают и затем повторно подают через 30 с, в результате чего IC-CPD не должно повторно замкнуться автоматически без использования специального приспособления для ручного сброса. Если ручной сброс выполняется путем отсоединения IC-CPD от штепсельной розетки, IC-CPD может повторно замкнуться.
9.15 Проверка предельных значений неотключающего тока в условиях сверхтоков
К IC-CPD подключают активную нагрузку, как в условиях нормальной эксплуатации, соответствующую току, равному 4In.
На входную сторону IC-CPD подается номинальное напряжение (или, если приемлемо, напряжение, имеющее значение в пределах своего диапазона номинальных напряжений).
Нагрузку включают двухполюсным испытательным переключателем, а спустя 1 с выключают. Не должно произойти размыкания IC-CPD.
Испытание повторяют трижды с интервалами между двумя последовательными операциями замыкания как минимум 1 мин.
Если необходимо, встроенный плавкий предохранитель можно заменить перемычкой.
9.16 Проверка стойкости к нежелательному расцеплению в связи с импульсами тока замыкания на землю, вызванными импульсными напряжениями
Испытания IC-CPD проводят с помощью генератора импульсов, способного вырабатывать затухающий колебательный ток, как показано на
рисунке 23. Пример электрической схемы для испытания IC-CPD показан на
рисунке 24. Через один полюс IC-CPD, выбранный случайно, пропускают импульс тока 10 раз. Полярность волны импульса тока должна быть обращена после двух операций пропускания тока. Интервал между двумя последующими операциями пропускания должен составлять примерно 30 с.
Импульс тока должен быть измерен соответствующим приспособлением и скорректирован с помощью дополнительного образца IC-CPD того же типа, чтобы обеспечить соответствие следующим требованиям:
- пиковое значение:

;
- время нарастания импульса: 0,5 мкс +/- 30%;
- период следующей волны колебания: 10 мкс +/- 20%;
- каждый избыточный пик: примерно 60% предыдущего пика.
Во время испытаний не должно произойти расцепления IC-CPD.
9.17.1 Климатическое испытание
9.17.1.1 Общие сведения
Испытание основано на IEC 60068-3-4 с учетом испытаний IEC 60068-2-30.
9.17.1.2 Испытательная камера
Конструкция камеры должна соответствовать описанной в IEC 60068-3-4. Конденсат воды должен непрерывно сливаться из камеры и не должен использоваться повторно до очистки. Для поддержания нужной влажности в камере используют только дистиллированную воду.
Перед помещением в камеру удельное сопротивление дистиллированной воды должно не менее 500 Ом, а уровень pH должен быть 7,0 +/- 0,2. Во время и после испытания удельное сопротивление должно быть не менее 100 Ом, а уровень pH должен поддерживаться в пределах 7,0 +/- 1,0.
Циклы выполняют в следующих условиях:
- верхний порог температуры: (55 +/- 2) °C;
- число циклов: 28.
9.17.1.4 Методика испытания
Методика испытания должна соответствовать IEC 60068-3-4 и IEC 60068-2-30.
a) Начальная проверка
Начальную проверку проводят, подвергая IC-CPD испытанию по
9.7.3.4, но только при

.
b) Приведение к необходимым условиям
1) IC-CPD, подключенное как при нормальной эксплуатации, помещают в камеру.
Устройство должно быть в замкнутом состоянии. На IC-CPD подают номинальное напряжение или, в случае более одного номинального напряжения, любое из номинальных напряжений.
Уравновешивают температуру IC-CPD при (25 +/- 3) °C:
- либо помещая IC-CPD в отдельную камеру перед перемещением в испытательную камеру, либо
- корректируя температуру испытательной камеры до (25 +/- 3) °C после помещения в нее IC-CPD и поддерживая ее на таком уровне до тех пор, пока не достигнута стабильная температура.
Во время уравновешивания температуры любым из способов относительную влажность поддерживают в пределах, установленных для нормальных атмосферных условий испытания (см.
таблицу 5).
Во время последнего часа при IC-CPD в испытательной камере относительную влажность повышают не менее чем до 95% при окружающей температуре (25 +/- 3) °C.
i) Температуру в камере постепенно повышают до соответствующего верхнего порогового значения, определенного в
9.17.1.3. Верхний порог температуры должен быть достигнут в течение 3 ч +/- 30 мин при скорости, определенной заштрихованной областью
рисунка 21. В течение данного периода относительная влажность должна быть не менее 95%. В течение этого периода должен образовываться конденсат на IC-CPD.
Примечание - Условие образования конденсата предполагает, что температура поверхности IC-CPD ниже точки росы атмосферы. Это означает, что относительная влажность выше 95%, если тепловая постоянная времени низкая. Необходимо избегать падения капель конденсата на образец.
ii) Температуру поддерживают при постоянном значении в течение заданных пределов +/- 2 °C верхнего порогового значения на протяжении 12 ч +/- 30 мин с самого начала цикла.
Во время данного периода относительная влажность должна быть (93 +/- 3)%, за исключением первых и последних 15 мин, когда она должна быть от 90% до 100%.
Конденсат не должен образовываться на IC-CPD в течение последних 15 мин.
iii) После этого температуру понижают до (25 +/- 3) °C в течение от 3 до 6 ч. Скорость понижения в течение первых полутора часов должна быть такой, чтобы при поддержании на уровне согласно
рисунку 20 температура (25 +/- 3) °C была достигнута через 3 ч +/- 15 мин. Во время периода снижения температуры относительная влажность не должна быть менее 95%, за исключением первых 15 мин, когда она должна быть не ниже 90%.
iv) Температуру поддерживают на уровне (25 +/- 3) °C при соответствующей влажности не менее 95% до завершения 24-часового цикла.
9.17.1.5 Восстановление
По окончании циклов IC-CPD не извлекают из камеры.
Дверцу испытательной камеры открывают и останавливают регулирование влажности.
Должно пройти от 4 до 6 ч, чтобы окружающие условия (температура и влажность) восстановились, прежде чем проводить окончательные измерения.
В течение 28 циклов не должно происходить расцепления IC-CPD.
9.17.1.6 Окончательная проверка
В условиях испытания, указанных в
9.7.3.4, расцепление IC-CPD должно произойти при испытательном токе

и не должно происходить при токе

. Проводят только одно испытание на случайно выбранном полюсе без измерения времени отключения.
9.17.2 Испытание при температуре 45 °C
IC-CPD помещают в нормальные условия эксплуатации на матово-черную фанерную опору толщиной примерно 20 мм.
IC-CPD испытывают в том виде, в котором они поставляются производителем.
Приспособление помещают в нагревательную камеру.
IC-CPD с несменяемым кабелем испытывают в состоянии поставляемом производителем.
На IC-CPD подают нагрузку током, равным номинальному току при любом удобном напряжении и при температуре (45 +/- 2) °C подвергают 28 циклам, каждый из которых состоит из 21 ч пропускания тока и следующих за ними 3 ч без пропускания тока. Ток прерывают вспомогательным переключателем, не активируя IC-CPD.
На IC-CPD подают номинальное напряжение или в случае более одного номинального напряжения, любое из номинальных напряжений. По истечении последнего 21-часового периода пропускания тока превышение температуры клемм определяют с помощью тонкопроводной термопары. Рост температуры не должен превышать 50 К.
После данного испытания IC-CPD дают остыть в камере приблизительно до комнатной температуры без пропускания тока.
В условиях, определенных в
9.7.3.4, IC-CPD должно сработать при испытательном токе

. Испытание проводят однократно на одном случайно выбранном полюсе без измерения времени отключения.
9.18 Стойкость к старению
IC-CPD и его электронные компоненты, при наличии, должны успешно пройти следующие испытания, если приемлемо.
a) Стойкость к старению
Детали, предназначенные исключительно для декоративных целей, такие как определенные крышки, перед испытанием снимают.
IC-CPD испытывают после монтажа и сборки, как для нормальной эксплуатации в нагревательной камере в атмосфере составом и давлением окружающего воздуха и вентиляцией методом естественной циркуляции.
Температура шкафа должна быть (70 +/- 2) °C.
Образцы выдерживают в камере в течение 7 сут (168 ч).
Рекомендовано использование камеры с электрическим подогревом.
Естественную циркуляцию обеспечивают отверстиями в стенках камеры.
После обработки образцы извлекают из камеры и хранят при комнатной температуре и относительной влажности в пределах от 45% до 55% в течение как минимум 4 сут (96 ч).
На образцах не должно быть трещин, видимых невооруженным глазом без дополнительного увеличения, материал не должен становиться липким или жирным; оценку этому дают следующим образом.
Указательным пальцем, обернутым куском сухой грубой ткани, прижимают с усилием 5 Н. На образце не должно оставаться следов ткани, а материал образца не должен прилипать к ткани.
После испытания на образцах не должно наблюдаться никаких повреждений, которые могут быть расценены как несоответствие требованиям настоящего стандарта.
Усилие 5 Н может быть получено следующим способом.
Образцы помещают на одну из чаш весов, а на другую чашу кладут груз, масса которого равна массе образца плюс 500 г.
Затем восстанавливают равновесие, нажимая на образец указательным пальцем, обернутым кусочком сухой грубой ткани.
b) Старение электронных компонентов
IC-CPD помещают в условия окружающей температуры (45 +/- 2) °C и подают нагрузку номинальным током в течение 168 ч. Напряжение на электронных частях должно быть 1,1 напряжения, соответствующего номинальному напряжению IC-CPD или в случае нескольких номинальных напряжений, напряжению, соответствующему самому высокому номинальному напряжению. После данного испытания IC-CPD в камере дают остыть примерно до комнатной температуры без пропускания тока.
В условиях испытания, указанных в
9.7.3.4, расцепление IC-CPD должно произойти при испытательном токе

и не должно происходить при токе

. Проводят только одно испытание на случайно выбранном полюсе без измерения времени отключения.
Примечание - Пример испытательной цепи для данной проверки приведен на
рисунке 22.
Керамические материалы и материалы со сравнительным индексом трекингостойкости (CTI) свыше 400 испытаниям не подвергают.
Для остальных материалов соответствие проверяют с помощью испытания IEC 60112 при следующих параметрах:
- плоскую поверхность испытуемой детали, по возможности размерами 15 x 15 мм, кладут горизонтально;
- испытуемый материал должен демонстрировать индекс трекингостойкости 175 В в испытательных условиях A с интервалами между падениями (30 +/- 5) с;
- не должно возникать горения, вспышек или разрушений между электродами в течение всех 50 падений.
Примечания
1 Необходимо убедиться, что электроды чистые, имеют правильную форму и расположены верно перед началом испытаний.
2 В случае сомнений испытание повторяют с новым комплектом образцов при необходимости.
9.20 Испытание штырей, оснащенных изолирующей оплеткой
Соответствие штырей IC-CPD проверяют согласно разделу 30 стандарта IEC 60884-1:2002, IEC 60884-1:2002/AMD1:2006 и IEC 60884-1:2002/AMD2:2013.
9.21 Испытание механической прочности гибких штырей вилки
Соответствие проверяют согласно стандарту IEC 60884-1:2002, 14.2.
9.22 Проверка эффектов натяжения проводников
Гибкий кабель или шнур присоединяют к IC-CPD так, чтобы токоведущие проводники шли от компенсатора натяжения к соответствующим клеммам по максимально короткому пути.
После их присоединения жилу проводника заземления подводят к его клемме и отрезают его, делая на 8 мм длиннее необходимого для присоединения.
Затем проводник заземления также присоединяют к клемме. После этого должна быть возможность убрать петлю, образующуюся избыточной длиной проводника заземления, в паз для кабеля без сжатия жилы, когда оболочка или крышка IC-CPD установлена на место и правильно закреплена.
9.23 Проверка крутящего момента, прилагаемого IC-CPD на стационарные штепсельные розетки
Примечания
1 Данное испытание момента касается вилок по IEC 60884-1 или соответствующему государственному стандарту.
2 В следующих странах данное испытание не является обязательным: JP.
Кабель IP-CPD подключают в том виде, в котором он произведен или предназначен для нормальной эксплуатации и оснащен подходящей вилкой.
Оборудование включают в стационарную штепсельную розетку, отвечающую требованиям соответствующего стандарта, на высоте 1,5 м, при этом розетка надета на уровне горизонтальной оси токоведущих контактов штепсельной розетки на расстоянии 8 мм за контактной поверхностью розетки и параллельно этой контактной поверхности.
Момент, прилагаемый вилкой и кабелем на штепсельную розетку, которая установлена так, что контактная поверхность расположена вертикально, не должен превышать 0,25 Н·м, если это применимо к вилкам и штепсельным розеткам.
Во время данного испытания необходимо обеспечить свободное провисание кабеля IC-CPD.
9.24 Испытания анкерных креплений кабеля
Эффективность удерживания проверяют следующим испытанием посредством оборудования, показанного на
рисунке 17.
Функциональный блок IC-CPD по
4.3.2 и
4.3.3 подвергают испытаниям в том виде, в котором он поставляется.
Образец помещают в испытательное устройство так, чтобы ось кабеля или шнура была вертикальна в месте ввода в образец.
Затем кабель или шнур 100 раз подвергают натягиванию усилием:
- 60 Н для 6 А < In <= 16 А и Ue <= 250 В;
- 80 Н для 6 А < In <= 16 А и Ue > 250 В;
- 100 Н для In > 16 А.
Натягивание кабеля или шнура каждый раз осуществляют в течение 1 с без рывков.
Необходимо обеспечить равномерное натяжение на всех частях (жила, изоляция и оплетка) гибкого кабеля или шнура.
Сразу после этого кабель или шнур подвергают воздействию момента 0,25 Н·м в течение 1 мин.
После испытаний кабель или шнур не должен смещаться более чем на 2 мм. Для приспособлений со сменяемым производителем кабелем концы проводников не должны заметно смещаться на клеммах. Для приспособлений с несменяемым кабелем не должно быть обрыва электрических соединений.
Для измерений продольного смещения на кабеле или шнуре делают метку во время растяжения на расстоянии приблизительно 2 см от конца образца или кабельного ввода перед началом испытаний. Если для приспособлений с несменяемым кабелем нет четкого конца подключенной части кабеля IC-CPD, делают дополнительную метку на корпусе данной части.
9.25 Испытание IC-CPD с несменяемым кабелем на изгиб
Испытание на изгиб проводят с помощью устройства, показанного на
рисунке 18.
Образец крепят к качающейся части приспособления так, чтобы при его нахождении в центре амплитуды перемещения, ось гибкого кабеля или шнура на вводе в образец была вертикальна и проходила через ось колебания.
Образцы с плоскими кабелями крепят так, чтобы основная ось сечения была параллельна оси колебания.
Должно быть обеспечено надлежащее закрепление образцов в испытательном устройстве.
С помощью изменения расстояния между крепежным элементом качающейся части и осью колебания IC-CPD располагают так, чтобы обеспечить минимальное поперечное движение кабеля при перемещении колебательного элемента испытательного приспособления по всей амплитуде движения.
Для возможности быстрого поиска положения установки с минимальным поперечным движением кабеля во время испытания приспособление испытания на изгиб должно быть выполнено так, чтобы разные крепления приспособлений, установленных на колебательный элемент, можно было легко регулировать.
Рекомендуется предусмотреть в испытательном устройстве средства (например, слот или штырь), позволяющие визуально контролировать минимальное поперечное движение кабеля.
К кабелю или шнуру крепят груз массой, обеспечивающей усилие:
- 20 Н для IC-CPD с кабелями или шнурами номинальной площадью поперечного сечения, не превышающей 2,5 мм2;
- 25 Н для IC-CPD с кабелями или шнурами номинальной площадью поперечного сечения, превышающей 2,5 мм2, но не превышающей 6 мм2.
Ток, равный номинальному току IC-CPD или следующему значению тока, в зависимости от того, что меньше, пропускают через проводник:
- 16 А для IC-CPD с кабелями или шнурами номинальной площадью поперечного сечения более 1,5 мм2;
- 10 А для IC-CPD со шнурами номинальной площадью поперечного сечения 1,5 мм2;
Напряжение между проводниками должно быть равно номинальному напряжению IC-CPD или в случае нескольких номинальных напряжений наиболее высокому номинальному напряжению.
Качающаяся часть движется под углом 90° (по 45° с каждой стороны вертикали).
Число операций изгиба составляет 10 000 со скоростью 60 в минуту.
Примечание - Операция изгиба представляет собой одно перемещение назад либо вперед.
Образцы с кабелями или шнурами круглого сечения проворачивают на 90° в качающейся части после 5000 операций изгиба. Образцы со шнурами плоского сечения гнут только в направлении, перпендикулярном к плоскости, в которой лежат оси проводников.
Во время испытания на изгиб не должно быть:
- прерывания тока;
- короткого замыкания между проводниками.
Примечание - Считается, что короткое замыкание между проводниками гибкого кабеля или шнура возникает, если ток достигает значения, вдвое превышающего испытательный ток для IC-CPD.
Падение напряжения между каждым контактом и соответствующим проводником, через который протекает испытательный ток, не должно превосходить 10 мВ.
После испытания защитный ввод при его наличии не должен отделяться от корпуса, а изоляции гибкого кабеля или шнура не должна иметь признаков истирания или износа. Оборванные жилки проводника не должны выходить наружу в результате прокола изоляции.
Примечание - Пересмотр данного испытания на стадии рассмотрения.
9.26 Проверка электромагнитной совместимости (ЭМС)
Испытания ЭМС проводят согласно IEC 61543 следующим образом:
- Испытания, перечисленные в
таблице 20, рассмотрены и не требуют повторения:
Таблица 20
Испытания ЭМС уже рассмотрены в настоящем стандарте
Ссылка на таблицы 4 и 5 IEC 61543:1995, IEC 61543:1995/AMD1:2004 и IEC 61543:1995/AMD2:2005 | Электромагнитное явление | Испытания IEC 62752 |
T 1.3 | Колебания амплитуды напряжения | 9.7 и 9.14 |
T 1.4 | Несимметрия напряжения | 9.7 и 9.14 |
T 1.5 | Колебания частоты | 9.2 |
T 1.8 | Магнитные поля | 9.9 и 9.15 |
T 2.4 | Импульсы тока при переходных процессах | 9.16 |
Оставшиеся испытания в таблицах 4, 5 и 6 IEC 61543:1995, IEC 61543:1995/AMD1:2004 и IEC 61543:1995/AMD2:2005 проводят в рамках циклов испытаний H, I и J, описанных в
приложении A настоящего стандарта.
Для устройств с генератором колебаний непрерывного действия испытания по CISPR 14-1 проводят с образцами до проведения испытаний IEC 61543.
Примечание - Для внесения изменений ведется работа в ТС 69.
9.27 Испытания, заменяющие проверки расстояний пути утечки и зазоров
9.27.1 Общие положения
Следующие испытания заменяют проверки расстояний пути утечки и зазоров в электронных цепях, включенных между активными проводниками (фазы и нейтраль) и/или между активными проводниками и цепью земли при замкнутых контактах.
IC-CPD не должны создавать опасности возгораний и/или поражения электрическим током в аномальных условиях, которые с большой долей вероятности могут возникать во время эксплуатации.
Условия, в которых компонент используется в IC-CPD, должен соответствовать рабочим характеристикам, указанным на компоненте и/или приведенным в данных, указываемых производителем.
9.27.2 Аномальные условия
Когда IC-CPD подвергаются аномальным условиям, ни одна из их частей не должна достигать температуры, которая влечет за собой высокую опасность возгорания окружающих IC-CPD объектов, и ни одна конструктивная часть не должна становиться доступной.
Соответствие проверяют, подвергая IC-CPD испытанию на нагрев в условиях неисправности, описанных в
9.27.3, а также проверяя степень защиты от поражения электрическим током согласно
9.4.
9.27.3 Превышение температуры в результате неисправности
Если не указано иное, испытания проводят с IC-CPD, монтированными, подключенными и под нагрузкой согласно
9.6.
Проверка IC-CPD и принципиальная схема позволяют выявить условия неисправности, которые нужно использовать.
Один образец подвергают каждому набору условий неисправности в рамках испытания.
Каждое из приведенных далее условий неисправности
a) -
e) создают поочередно. Испытание при каждом из приведенных далее условий неисправности проводят однократно.
a) Короткое замыкание между зазорами и расстояниями утечки, если они меньше приведенных на кривой A,
рисунок 25, со следующим исключением:
В требованиях к зазорам и расстояниям утечки между проводниками (один из которых может быть подключен к одному полюсу питающей сети), которые находятся на печатной плате, соответствующей требованиям по отрыву и прочности на отрыв, указанным в IEC 61249-2 значения, показанные на
рисунке 25, заменены значениями, рассчитанными по следующей формуле:

,
где d - расстояние, мм;
V - пиковое значение напряжения, В.
Примечания
2 Приведенные выше сокращенные значения применимы к самим проводникам, но не применимы к установленным компонентам или соответствующим паяным соединениям. Лакокрасочное покрытие или подобное покрытие на печатной плате не учитывают при расчете расстояний.
Зазоры и пути утечки, соответствующие требованиям
таблицы 7, и печатные платы с покрытием типа 2, соответствующие IEC 60664-3, не подвергают данному испытанию.
b) Короткое замыкание на изоляции, состоящей из лакокрасочных покрытий
c) Короткое замыкание или обрыв полупроводников
Для интегральных схем или других полупроводниковых устройств с тремя и более клеммами число ожидаемых испытаний делает применение размыкания и/или замыкания всех сочетаний клемм не практичным. В этом случае допускается сначала проводить подробный анализ всех возможных механических, тепловых и электрических неисправностей посредством теоретического исследования, которые могут возникать в IC-CPD в результате выхода из строя электронного устройства или других компонентов схемы. Только сочетания, соответствующие неисправностям, которые по результатам анализа можно считать вероятной причиной несоответствия IC-CPD требованиям двух последних абзацев 9.27.3, подлежат изучению с помощью данного метода.
d) Короткое замыкание электролитических конденсаторов
e) Короткое замыкание или обрыв резисторов, катушек индуктивности или конденсаторов
Примечание - Если компоненты отвечают требованиям
9.28, то применяют
условие e).
Температуры, возникающие в условиях неисправности, измеряют для деталей, указанных в
таблице 21 после достижения стабильного состояния или через 4 ч (в зависимости от того, какой промежуток времени короче) в каждом из условий неисправности
a) -
e).
Эти температуры не должны превышать значения, приведенные в
таблице 21 в испытаниях
b) и
c). Они могут превышать такие значения в испытании
a).
После испытаний
a) -
e) IC-CPD не должны соответствовать требованиям к функционированию, но они должны соответствовать требованиям к защите от поражения электрическим током согласно
9.4.
Таблица 21
Максимальные допустимые температуры в аномальных условиях
Части IC-CPD | Максимальная допустимая температура в определенных аномальных условиях, °C |
Доступные части | |
Ручки, рукоятки, доступные поверхности, оболочки, если они: | |
- металлические | 100 |
| 100 |
Внутренние поверхности изолирующих оболочек | |
Изоляция кабелей питания и проводки <c>, <f>: | |
- поливинилхлоридная или из синтетического каучука | 135 |
- из натурального каучука | 135 |
Другие виды изоляции <c>: | |
- термопластичные материалы <d> | |
- непроницаемая бумага | 105 |
- непроницаемый картон | 115 |
- пропитанный хлопок, шелк, бумага и текстиль | 125 |
- ламинаты на основе целлюлозы или текстиля на основе: | |
фенолформальдегида, меламинформальдегида, фенолфурфурала или полиэфира | 145 |
эпоксида | 185 |
- профильные детали из | |
фенолформальдегида или фенолфурфурала, меламиновых или меламинфенольных соединений с | 165 |
- целлюлозными наполнителями | 185 |
- минеральными наполнителями | |
термоусадочного полиэфира с минеральными наполнителями | 185 |
алкидов с минеральными наполнителями | 185 |
- композитные материалы: | |
полиэфира с оптоволоконным армированием | 185 |
эпоксида с оптоволоконным армированием | 185 |
- силиконовой резины | 225 |
Детали из термопластичных материалов <d>, используемых в качестве опоры или механического барьера | |
Провода обмотки, изолированные <c>, <f>: | |
непропитанной хлопчатобумажной изоляцией | 110 |
пропитанной хлопчатобумажной изоляцией | 135 |
масляно-смоляными материалами | 170 |
поливинилформальдегидом или полиуретановыми смолами | 185 |
полиэфирными смолами | 190 |
полиэфирамидными смолами | 215 |
Пластинки сердечника | Касается соответствующих обмоток |
Клеммы и части, которые могут войти в контакт с кабельной изоляцией после установки | 135 |
<a> Если данная температура выше разрешенной для соответствующего класса изоляционных материалов, природа материала является решающим фактором. <b> Допустимые температуры внутренних частей изоляционной оболочки указаны для конкретных изоляционных материалов. <c> В настоящем стандарте допустимые температуры основаны на опыте эксплуатации в части термостойкости материалов. Материалы приведены для примера. Для материалов, для которых заявлены более высокие температурные пределы, и для материалов, отличных от указанных в перечне, максимальная температура не должна превышать той, которая была подтверждена в качестве удовлетворительной. <d> Натуральный каучук и синтетические каучуки не считаются термопластичными материалами. <e> Ввиду разнообразия невозможно указать допустимые температурные пределы для термопластичных материалов. Данный вопрос находится на рассмотрении. <f> Возможность увеличения значения для проводов и кабелей, изолированных в термостойкий поливинилхлорид, находится на рассмотрении. |
9.28 Проверки отдельных электронных компонентов, используемых в IC-CPD
9.28.1 Общие положения
Следующие проверки проводят для конденсаторов, а также определенных резисторов и катушек индуктивности, используемых между активными проводниками (фазы и нейтраль) и/или между активными проводниками и цепью земли при замкнутых контактах.
9.28.2 Конденсаторы
Конденсаторы должны отвечать требованиям IEC 60384-14.
Они подразделяются на следующие типы:
- X1 или X2 в отношении помех;
- Y1 или Y2 в отношении опасности поражения электрическим током.
В маркировке этих конденсаторов должны быть указаны их номинальное напряжение в вольтах, номинальная емкость в микрофарадах, а также их контрольная температура в градусах Цельсия, или же производитель может поставлять с ними технические паспорта.
9.28.3 Резисторы и катушки индуктивности
Резисторы и катушки индуктивности, короткое замыкание или обрыв которых, скорее всего, приведет к получению неудовлетворительных результатов испытаний по
9.27, должны соответствовать требованиям к безопасности согласно IEC 60065. Испытания, уже проведенные для резисторов и катушек индуктивности согласно IEC 60065, повторять не обязательно.
Испытания на воздействие химические активных сред проводят согласно ISO 16750-5:2010, таблица 1, для "монтажных отсеков" и "крепления снаружи" (графы C и D).
9.30 Испытание на нагрев солнечным излучением
Испытание проводят в соответствии с IEC 60068-2-5, испытание Sa, методика B.
Условия находятся на рассмотрении.
9.31 Стойкость к ультрафиолетовому (УФ) излучению
Данное испытание применимо только к оболочкам и наружным частям IC-CPD, которые изготовлены из синтетических материалов или металлов, не полностью покрытых синтетическим материалом. Репрезентативные образцы таких частей подвергают следующим испытаниям:
УФ-испытание проводят согласно ISO 4892-2, методика A, цикл 1, с общим временем испытания 500 ч. Для оболочек, изготовленных из синтетических материалов соответствие проверяют путем подтверждения того, что прочность на изгиб (согласно ISO 178) и ударная вязкость по Шарпи (согласно ISO 179-1) синтетических материалов обеспечивает 70% минимального сдерживания.
Испытание проводят на шести образцах стандартного размера согласно ISO 178 и на шести образцах стандартного размера согласно ISO 179. Испытуемые образцы изготавливают в условиях, которые используются при изготовлении соответствующей оболочки.
Для испытаний, проведенных согласно ISO 178, поверхность образца, открытая воздействию УФ, должна быть обращена вниз, а давление прикладывают к противоположной поверхности.
Для испытаний, проводимых согласно ISO 179-1 на материалах, у которых динамическую прочность на изгиб невозможно определить до облучения из-за разрыва, допускают повреждение не более трех образцов.
Для обеспечения соответствия оболочек, изготавливаемых из металлов, полностью покрытых синтетическим материалом, сцепление синтетического материала должно обладать минимальным удерживанием категории 3 согласно ISO 2409.
На образцах не должно быть трещин или ухудшения качества, видимых невооруженным глазом без дополнительного увеличения.
Данное испытание не проводят, если оригинальный производитель может предоставить данные от поставщика синтетических материалов, подтверждающие, что материал того же типа, той же или меньшей толщины соответствует данному требованию.
9.32 Испытание в условиях повышенной влажности и солевого тумана для окружающей среды морских и прибрежных регионов
9.32.1 Испытание для внутренних металлических компонентов
Данное испытание применимо к внутренним металлическим компонентам IC-CPD, за исключением штырей вилки.
Испытание состоит из следующего:
- шесть циклов по 24 ч каждый для циклических испытаний влажного нагрева согласно IEC 60068-2-30 (испытание Db) при (40 +/- 3) °C и относительной влажности 95%, и
- два цикла по 24 ч каждый для испытаний в условиях солевого тумана согласно IEC 60068-2-11 (испытание Ka: солевой туман), при температуре (35 +/- 2) °C.
9.32.2 Испытание только для наружных металлических частей
Данное испытание применимо к наружным металлическим частям IC-CPD.
Испытание состоит из двух идентичных 12-суточных периодов.
Каждый 12-суточный период включает:
- пять циклов по 24 ч каждый для циклических испытаний влажного нагрева согласно IEC 60068-2-30 (испытание Db) при (40 +/- 3) °C и относительной влажности 95%, и
- семь циклов по 24 ч каждый для испытаний в условиях солевого тумана согласно IEC 60068-2-11 (испытание Ka: солевой туман), при температуре (35 +/- 2) °C.
9.32.3 Критерии испытаний
После испытания оболочка или образцы промывают под проточной водой из-под крана в течение 5 мин, ополаскивают дистиллированной или деминерализованной водой, затем встряхивают или обдувают воздухом для удаления капель воды. Затем испытуемый образец помещают на хранение в нормальных условиях эксплуатации на 2 ч.
Соответствие проверяют визуально для определения следующего:
- нет признаков оксида железа, трещин или прочих разрушений, превышающих допустимые согласно ISO 4628-3 для степени ржавления Ri1. Однако допускаются разрушения поверхности защитного слоя. В случае сомнений в отношении красок и растворителей руководствуются ISO 4628-3 для проверки соответствия образцов стандарту Ri1;
- механическая целостность не нарушена;
- уплотнители не повреждены.
9.33 Испытание в условиях повышенной влажности и температуры для тропиков
На рассмотрении.
9.34 Наезд транспортным средством
9.34.1 Общие положения
Для IC-CPD по
4.6.2 данное испытание не применимо, если функциональный блок имеет размер более 0,25 м по всем осям.
Испытание не применимо к бытовым вилкам, соответствующим требованиям государственных стандартов или IEC 60884-1, а также к вилкам промышленного назначения, соответствующим стандарту IEC 60309-1.
Функциональные блоки, предназначенные для подключения или подключенные к кабелю длиной более 0,3 м между вилкой и функциональным блоком, должны быть достаточно стойкими к повреждениям, вызванным наездом транспортного средства.
Соответствие проверяют методикой испытаний, описанной в
9.34.2 и
9.34.3.
9.34.2 Испытание при раздавливающем усилии 5000 Н
Функциональный блок, оснащенный кабелем минимального размера рекомендованного производителем типа, кладут на бетонный пол в нормальном положении покоя. Прилагают усилие сжатия (5000 +/- 250) Н типичной автомобильной шиной P225/75R15 или аналогичной шиной, подходящей для нагрузки, монтированной на стальной обод и накачанной до давления (2,2 +/- 0,1) бар. Колесо прокатывают по функциональному блоку со скоростью (8 +/- 2) км/ч. Функциональный блок кладут в естественном положении так, чтобы нагрузка прилагалась к каждому образцу в разных направлениях. Испытуемый функциональный блок удерживают или фиксируют в устойчивом положении во избежание его значительных перемещений, когда к нему прилагают усилие. Для встроенных в вилку функциональных блоков усилие ни в коем случае нельзя подавать на торчащие штыри.
9.34.3 Испытание при сжатии 11000 Н
Описанную в
9.34.2 процедуру повторяют с дополнительными образцами и усилием сжатия (11000 +/- 550) Н, используя традиционные автомобильные шины, подходящие для используемой нагрузки и накачанные до своего номинального давления.
9.34.4 Функционирование после испытаний
После испытания
9.34.2 должны быть применимы следующие условия:
Не должно быть существенного растрескивания, поломки или деформации, ведущих к следующему:
- части под напряжением, за исключением открытых клемм проводки или внутренней проводки, становятся доступными для контакта стандартным испытательным пальцем, показанным на
рисунке 34 (см.
9.4);
- целостность оболочки нарушена так, что приемлемая механическая защита или защита от воздействия условий окружающей среды не обеспечивается для внутренних компонентов функционального блока или нарушается поляризация функционального блока;
- есть помехи для работы, функционирования или установки функционального блока;
- функциональный блок не обеспечивает нужной компенсации натяжения гибкого кабеля;
- расстояние утечки и зазоры между частями под напряжением противоположной полярности, частями под напряжением и доступным заземленным металлом или металлом без напряжения сокращения менее значений, определенных в
8.24;
- другие признаки повреждений, которые могут повысить риск пожара или поражения электрическим током;
- функциональный блок не проходит повторные испытания электрической прочности диэлектрика согласно
9.5.
В результате испытания
9.34.3 IC-CPD должно либо соответствовать требованиям, описанным выше для
9.34.2, либо быть повреждено или сломано в такой степени, что очевидно повреждение функционального блока.
9.35 Испытание хранения в условиях пониженной температуры
Испытание проводят в соответствии с IEC 60068-2-1, испытание A, при температуре минус 40 °C в течение 24 ч.
Во время хранения IC-CPD не эксплуатируется.
После данного испытания IC-CPD прогревают в камере приблизительно до комнатной температуры.
В условиях, определенных в
9.7.3.4, IC-CPD должно сработать при испытательном токе

. Испытание проводят однократно на одном случайно выбранном полюсе без измерения времени отключения.
9.36 Испытание на стойкость к вибрации и ударам
Испытание соответствия проводят согласно IEC 60068-2-64 при случайной вибрации.
Испытательную вибрацию прилагают к IC-CPD в каждой плоскости в течение 8 ч. Спектральную плотность энергии применяют согласно
таблице 22.
Среднеквадратичное значение ускорения должно быть 2 G.
Таблица 22
Значения спектральной плотности энергии в зависимости
от частоты вибрационного испытания
Частота | Спектральная плотность энергии |
Гц | (м/с2)2/Гц | G2/Гц |
10 | 9,909 | 0,103 2 |
55 | 3,224 5 | 0,033 6 |
180 | 0,123 8 | 0,001 3 |
300 | 0,123 8 | 0,001 3 |
360 | 0,069 5 | 0,000 7 |
1000 | 0,069 5 | 0,000 7 |
Примечание 1 - Описание методики испытания взято из 5.1.1.1 ISO 16750-4:2010 с измененным профилем.
После данного испытания проводят испытание стойкости к ударам согласно IEC 60068-2-27 при следующих параметрах испытания:
- число ударов: 10;
- форма импульса: синусоидальная полуволна;
- ускорение: 100 м/с2;
- продолжительность: 16 мс.
Примечание 1 - Сюда входят удары, которые поглощает транспортное средство, например, переезжая через ж/д пути.
Примечание 2 - Описание методики испытания взято из 4.2.3 ISO 16750-3:2012 с измененным профилем.
После данного испытания IC-CPD должно срабатывать при подаче дифференциального тока

на один полюс, выбранный случайно без измерения времени отключения.
Данное испытание не должно никак повлиять на защиту от поражения электрическим током, а образец должен отвечать требованиям
9.4.
Примечание - Положение L и N на стороне источника питания S выбирают случайно.
Примечание - Положение L и N на стороне источника питания S выбирают случайно.
PE - защитный проводник; L - фаза; N - нейтраль;
R - переменный резистор; D - испытуемое устройство;
S - источник (для устройств типа LNSE фаза и нейтраль);
A - амперметр; S1 - двухполюсной переключатель;
S2 - однополюсной переключатель; S3, S4 - двухпозиционный
переключатель; S5 - четырехпозиционный переключатель;
S6 - трехпозиционный переключатель
Рисунок 2 - Испытательная цепь для проверки рабочих
характеристик
(9.7.3) при сниженном напряжении
c) Тип LLLNSE/LLLNE в сети LNSE
d) Тип LLLNSE/LLLNE в сети LLSE
PE - защитный проводник; L - фаза; N - нейтраль;
R - переменный резистор; D - испытуемое устройство;
S - источник (для устройств типа LNSE фаза и нейтраль);
A - амперметр; S1 - двухполюсной переключатель;
S2 - однополюсной переключатель; S3, S4 - двухпозиционный
переключатель
Рисунок 3 - Испытательная цепь для проверки при подключении
PE - защитный проводник; L - фаза; N - нейтраль;
R - переменный резистор (регулировка

); D - испытуемое
устройство; S - источник (для устройств типов LNSE фаза
и нейтраль); A - амперметр; S1 - трехполюсной переключатель;
S2 - однополюсной переключатель; S3 - пятиполюсной
переключатель
Рисунок 4 - Проверка функционирования для опасного PE
a) Тип LNSE/LNE
b) Тип LLSE/LLE
c) Тип LLLNSE/LLLNE
PE - защитный проводник; L - фаза; N - нейтраль;
D - испытуемое устройство; T1 - переменный добавочный
трансформатор тока от 0 до 20 А; A - амперметр переменного
тока от 0 до 20 А; V - вольтметр; S1 - двухполюсный
переключатель; S2 - четырехполюсный переключатель;
S - источник (для устройств типов LNSE фаза и нейтраль)
См.
9.6.3. Для данного испытания могут потребоваться образцы с отключенной цепью расцепления.
Рисунок 5 - Проверка повышения температуры защитного
проводника
PE - защитный проводник; L - фаза; N - нейтраль;
D - испытуемое устройство; S - источник (для устройств типа
LNSE фаза и нейтраль); S1 - двухполюсный переключатель;
S2, S3 - однополюсный переключатель; S4 - четырехполюсный
переключатель; V - вольтметр(ы)
Рисунок 6 - Проверка разомкнутой нейтрали для типов LNSE
и разомкнутой фазы для типов LLSE
a) Тип LNSE/LNE
b) Тип LLSE/LLE
c) Тип LLLNSE/LLLNE
PE - защитный проводник; L - фаза; N - нейтраль;
S1 - двухполюсный переключатель; S2 - четырехполюсный
переключатель; D - испытуемое устройство; S - источник (для
устройств типа LNSE фаза и нейтраль); V - вольтметр,
среднеквадратичное значение;
R, R1 - 1,0 Ом +/- 1%
Рисунок 7 - Проверка протекания тока в защитном проводнике
в нормальных условиях эксплуатации
a) Тип LNSE/LNE
b) Тип LLSE/LLE
c) Тип LLLNSE/LLLNE
PE - защитный проводник; L - фаза; N - нейтраль;
S - испытательный источник питания с номинальным
напряжением; V - осциллограф для регистрации параметров
напряжения; R и X - резистор и реактор, настроенные на Inc;
r - шунтирующий резистор; УЗКЗ - серебряный провод, плавкий
предохранитель или автоматический переключатель;
BL - соединительная перемычка для УЗКЗ (замкнуто во время
калибровки и испытаний
Im,

; разомкнуто во время испытаний
условных токов
Inc,

,
Im); S
3 - переключатель испытания CO
блока с автоматическим замыканием; C1 и C2 - гибкий кабель
IC-CPD общей длиной 0,75 м; D - испытуемое устройство;
R1 - резистор для получения приблизительно 100 А;
F - плавкий предохранитель с тонкой проволокой;
Bc - временные соединительные перемычки IC-CPD
для калибровки; Bd - временные соединительные перемычки
для клемм нагрузки IC-CPD для калибровки Inc; R2 - резистор
для получения

; S
1 - переключатель для включения R
2
для испытания
Im; R
3 - резистор для настройки
Im (и

);
R4 - резистор для получения 250 А; S2 - переключатель
для запуска испытаний O, замкнут в испытаниях CO;
Lt - клемма нагрузки
Стрелки на клеммах S2 - альтернативные соединения согласно требованиям конкретного испытания
Рисунок 8 - Испытательная цепь для проверки коммутационной
способности и координации короткого замыкания с УЗКЗ
Испытательный провод диаметром 1,00 мм, длиной 100 мм
Усилие испытания: 10 Н +/- 10%
Рисунок 9 - Стандартный испытательный провод 1,0 мм
PE - защитный проводник; L - фаза; N - нейтраль;
S - источник; V - вольтметр; A - амперметр (измерение
среднеквадратичных значений); D - испытуемое устройство;
R - переменный резистор; Th - тиристор; S1 - двухполюсный
переключатель; S2 - однополюсный переключатель;
S3 - двухпозиционный переключатель; S4 - трехпозиционный
переключатель; S5 - четырехполюсный переключатель
Рисунок 10 - Испытательная цепь для проверки
функционирования в случае пульсирующих дифференциальных
постоянных токов (см.
9.7.4)
PE - защитный проводник; L - фаза; N - нейтраль;
S - источник; V - вольтметр; A - амперметр (измерение
среднеквадратичных значений); D - испытуемое устройство;
R - переменный резистор; VD - диод; S1 - двухполюсный
переключатель; S2 - однополюсный переключатель;
S3 - двухполюсный двухходовой переключатель;
S4 - трехпозиционный переключатель; S5 - четырехпозиционный
переключатель
Рисунок 11 - Испытательная цепь для проверки
функционирования в случае пульсирующих дифференциальных
постоянных токов с наложением ровного постоянного тока
PE - защитный проводник; L - фаза; N - нейтраль;
D - испытуемое устройство; S - источник; S1 - двухполюсный
переключатель или четырехполюсный переключатель
в зависимости от ситуации; S2 - однополюсный переключатель;
V - вольтметр; R - резистор 1600 Ом
Примечание - Для типов LLSE соединение нейтрали со стороны источника питания может быть подключено для контроля.
Рисунок 12 - Проверка разомкнутого защитного проводника
1 - усилие; 2 - нажимная стальная пластина; 3 - вилочная
часть образца; 4 - стальное основание
Рисунок 13 - Устройство для испытания сжатием для проверки
защиты от поражения электрическим током
1 - образец; 2 - сфера
Рисунок 14 - Устройство для испытания твердости
вдавливанием шарика
A - питание по двум случайно выбранным фазам; S - источник;
V - вольтметр; A - амперметр (измерение среднеквадратичных
значений); D - испытуемое устройство; VD - диоды;
R - переменный резистор; S1 - многополюсный переключатель;
S2 - однополюсный переключатель; S3 - двухполюсный
переключатель
Рисунок 15 - Испытательная цепь для IC-CPD по
4.1.3
для проверки функционирования в случае пульсирующих
дифференциальных постоянных токов, которые могут
образовываться в цепях с питанием от двух фаз
S - источник; V - вольтметр; A - амперметр (измерение
среднеквадратичных значений); D - испытуемое устройство;
VD - диоды; R - переменный резистор; S1 - многополюсный
переключатель; S2 - однополюсный переключатель;
S3 - двухполюсный переключатель
Рисунок 16 - Испытательная цепь для IC-CPD по
4.1.4
для проверки функционирования в случае пульсирующих
дифференциальных постоянных токов, которые могут
образовываться в цепях с питанием от трех фаз
1 - кривошип; 2 - эксцентрик; 3 - образец
Рисунок 17 - Устройство для испытания натяжения провода
Корректировку разных опор для приспособлений с помощью ходового винта выполняют согласно
9.25.
Рисунок 18 - Устройство для испытаний на изгиб
Рисунок 19 - Устройство для испытаний механической прочности
Рисунок 20 - Период стабилизации для испытаний надежности
D - испытуемое IC-CPD
Рисунок 22 - Пример испытательной схемы для проверки
старения электронных компонентов
(9.18)
Рисунок 23 - Круговая волна тока 0,5 мкс/100 кГц
(x) - клемма заземления, присоединенная к проводнику
нейтрали, если есть маркировка на IC-CPD
Рисунок 24 - Пример испытательной цепи для проверки
стойкости к нежелательному расцеплению
Для компонентов, совместно подключенных к главной цепи питания с напряжениями в диапазоне от 220 до 250 В (среднеквадратичное), размеры одинаковы с размерами устройств на 354 В, пик:
кривая A: | 34 В соответствует 0,6 мм, |
354 В соответствует 3,0 мм; |
кривая B: | 34 В соответствует 1,2 мм, |
354 В соответствует 6,0 мм |
Рисунок 25 - Минимальные зазоры и расстояния утечки как
функция пиковых значений напряжения [см.
9.27.3 a)]
Рисунок 26 - Минимальные зазоры и расстояния утечки как
функция пиковых значений рабочего напряжения [см.
9.27.3 a)]
Рисунок 27 - Испытательный цикл для испытаний в условиях
пониженных температур
На рисунке показаны устройства типа LNSE.
Для типа LLSE подключение к источнику следующее: L1 - L2 - PE.
Для типа LLLNSE подключение к источнику следующее: L1 - L2 - L3 - N - PE.
S1, S2 - переключатель; S - источник; D - испытуемое
устройство; R1 - резистор сопротивлением 882 Ом +/- 3%;
VD - диод; EV - нагрузка с сопротивлением, моделирующая ЭМ
с номинальным током
Рисунок 28 - Испытательная цепь для проверки подключения
защитного проводника к ЭМ в соответствии с
9.7.9
На рисунке показаны устройства типа LNSE.
Для типа LLSE подключение к источнику следующее: L1 - L2 - PE.
Для типа LLLNSE подключение к источнику следующее: L1 - L2 - L3 - N - PE.
S1, S2, S3 - переключатель; S - источник; D - испытуемое
устройство; R1 - регулируемый резистор
Рисунок 29 - Проверка функционирования в случае ровного
постоянного тока утечки согласно
9.7.6
На рисунке показаны устройства типа LNSE.
Для типа LLSE подключение к источнику следующее: L1 - L2 - PE.
Для типа LLLNSE подключение к источнику следующее: L1 - L2 - L3 - N - PE.
S - источник; S1 - переключатель для всех полюсов (не
обязательно); S2 - однополюсный переключатель;
D - испытуемое IC-CPD; R1 - например, 10 Ом (любое
подходящее значение); G - генератор колебаний произвольной
формы (сочетание 50 Гц и 1 кГц); A - амперметр
Рисунок 30 - Пример испытательной цепи для проверки
функционирования в случае синусоидального дифференциального
переменного тока, включающего составляющие разной частоты
На рисунке показаны устройства типа LNSE.
Для типа LLSE подключение к источнику следующее: L1 - L2 - PE.
Для типа LLLNSE подключение к источнику следующее: L1 - L2 - L3 - N - PE
S1, S2, S3, S4 - переключатель; S - источник; D - испытуемое
устройство; R1 - резистор сопротивлением 882 Ом +/- 3%;
R2 - резистор; R3 - резистор; X1 - резистор и реактор
для регулировки номинального тока; C1 - конденсатор;
VD1 - диод
Рисунок 31 - Испытательная цепь для испытаний
Рисунок 32 - Использование IC-CPD
T1 = 20 мкс
T2 = 30 ... 50 мкс
X - начальное значение тока включения (0... 42 А)
в зависимости от угла сдвига фазы синусоидального тока
30 А (среднеквадратическое значение)
Рисунок 33 - Информационная кривая тока включения
для испытаний согласно
9.8.2
1 - рукоятка; 2 - защита; 3 - упорная поверхность;
4 - соединения; 5 - R2 +/- 0,05 цилиндрический;
6 - изоляционный материал; 7 - скругление всех краев;
8 - R4 +/- 0,05 сферический
Материалы: металл, если не указано иное | Оба соединения должны обеспечивать движение в одинаковой плоскости и одинаковом направлении под углом 90° с допуском +10° |
Допуски по размерам без удельного допуска: |
на углах: | 0 -10 |
на линейных размерах: |
до 25 мм: | 0 -0,05 |
более 25 мм: | +/- 0,2 |
Рисунок 34 - Испытательный палец
(обязательное)
ЦИКЛЫ ИСПЫТАНИЙ И ЧИСЛО ОБРАЗЦОВ, ИСПОЛЬЗУЕМЫХ ДЛЯ ПРОВЕРКИ
СООТВЕТСТВИЯ НАСТОЯЩЕМУ СТАНДАРТУ
A.1 Проверка соответствия
Используют следующие циклы испытаний:
- производителем в целях декларации поставщику;
- независимым сертификационным органом.
Для вилок типовые испытания проводят согласно IEC 60884-1, IEC 60309-1 или IEC 60309-2 в зависимости от исполнения.
Для автомобильных разъемов типовые испытания проводят согласно IEC 62196-1.
Типовое испытание согласно соответствующему государственному стандарту также допустимо.
A.2 Циклы испытаний
Испытания проводят согласно
таблице A.1 с проведением испытаний в рамках каждого цикла в указанном порядке.
Таблица A.1
Цикл испытаний | Раздел, подраздел, пункт или подпункт | Испытание (или проверка) |
A | | | Маркировка |
|
| Стойкость маркировки |
| Натяжение проводников |
| Момент, прилагаемый IC-CPD к стационарным штепсельным розеткам |
| Степень защиты функциональных блоков |
| Защита от поражения электрическим током |
| Теплостойкость |
| Зазоры и расстояния пути утечки |
| Трекингостойкость |
| Стойкость к аномальному нагреву и огнестойкость |
B | B1 | | Испытание электрической прочности диэлектрика |
B2 | | Превышение температуры |
| Надежность при 45 °C |
| Старение |
| Испытание штырей, оснащенных изолирующей оплеткой |
IEC 61851-1:2017, таблица A.4 | Испытания управляющего устройства |
C | C1 | | Коммутационная способность вилки IC-CPD |
| Механическая и электрическая прочность |
| Механическая прочность не твердых штырей вилок |
| Испытания анкерных креплений кабеля |
IEC 61851-1:2017, таблица A.4 | Одно испытание случайно выбранного управляющего устройства |
| | Испытания анкерных креплений кабеля |
| | Испытание IC-CPD с несменяемым кабелем на изгиб |
D | D0 | | Рабочие характеристики, 9.7.7 проводят в конце цикла испытаний |
D1 | | Функционирование в случае потери напряжения питания |
| Нежелательное расцепление |
| Функционирование при  |
| Проверка функциональности устройства дифференциального тока автоматизированной диагностикой |
| Стойкость к механическому толчку и удару |
| Неотключающий ток в условиях сверхтоков |
| Испытания, заменяющие проверки расстояний пути утечки и зазоров |
| Проверки отдельных электронных компонентов, используемых в IC-CPD |
E | | Координация при Inc |
| Функционирование при Im |
IEC 61851-1:2017, таблица A.4 | Одно испытание случайно выбранного управляющего устройства |
F | | Координация при Im |
| Координация при  |
IEC 61851-1:2017, таблица A.4 | Одно испытание случайно выбранного управляющего устройства |
G | | Испытание хранения в условиях пониженной температуры |
| Надежность (климатические испытания) |
IEC 61851-1:2017, таблица A.4 | Одно испытание случайно выбранного управляющего устройства |
| IEC 61543:1995 и IEC 61543:1995/AMD1:2004 <d>, таблица 4 - T1.1 | Гармоники, промежуточные гармоники |
IEC 61543:1995 и IEC 61543:1995/AMD1:2004 <d>, таблица 4 - T1.2 | Сигнальное напряжение |
IEC 61543:1995 и IEC 61543:1995/AMD1:2004 <d>, таблица 5 - T2.3 | Проводимые однонаправленные переходные процессы временной шкалы, мс и мкс |
I | IEC 61543:1995 и IEC 61543:1995/AMD1:2004 <d>, таблица 5 - T2.1c и T2.5 | Проводимые колебательные напряжения или токи |
IEC 61543:1995 и IEC 61543:1995/AMD1:2004 <d>, таблица 5 - T2.2 | Проводимые однонаправленные переходные процессы по шкале времени нс, (бросок): - 2 кВ (пик); - Tr/Th 5/50 нс; - частота повторения 5 кГц или 100 кГц, как указано производителем |
J | IEC 61543:1995 и IEC 61543:1995/AMD2:2005 <d>, таблица 5 - T2.6 <c> | Кондуктивные общие помехи в диапазоне частот ниже 150 кГц |
IEC 61543:1995 и IEC 61543:1995/AMD1:2004 <d>, таблица 6 - T3.1 | Электростатические разряды |
K | | Испытание на нагрев солнечным излучением |
L | | УФ-излучение |
M | | Влага и солевой туман |
N | | Наезд транспортным средством |
O | IEC 61851-1:2017, таблица A.4 | Контроллер управления Химические нагрузки |
P | | Испытание стойкости к вибрациям и динамическим нагрузкам |
<a> Раздел "Общие" состоит из проверок и измерений, определенных в 8.1, 8.2 и 8.3. Отдельные испытания согласно данным подразделам могут проводиться в любом удобном месте в рамках цикла испытания A. <b> Применимо к устройствам с несменяемым кабелем. <c> Использование уровней испытания для IC-CPDs на 30 мА. <d> При любом упоминании "PRCDs/SRCD" в IEC 61543 эти аббревиатуры воспринимают как "IC-CPD". <f> Для устройств с генератором колебаний непрерывного действия испытания по CISPR 14-1 проводят с образцами до проведения в рамках данного цикла. |
A.3 Число образцов, которые необходимо предоставить для проведения методики испытаний в полном объеме
Если предоставляется на испытания только один тип IC-CPD с одним номиналом тока и одним номиналом отключающего дифференциального тока, то число образцов передаваемых на испытания в других циклах должно соответствовать требованиям
таблицы A.2, в которой также определены минимальные критерии функционирования.
Если все образцы, переданные на испытания согласно
второму столбцу таблицы A.2, проходят испытания, соответствие требованиям стандарта подтверждается. Если испытания успешно проходят только минимальное число образцов, указанное в
третьем столбце, то должны быть испытаны и успешно пройти цикл испытаний все дополнительные образцы, как показано в
четвертом столбце, должны быть испытаны и все они должны успешно пройти цикл испытаний.
Примечание - Для испытаний на нагрев по
9.6 может потребоваться специально подготовленный образец с отключенной цепью расцепления.
Таблица A.2
Число образцов, которые необходимо передать для проведения
методики испытаний в полном объеме
| | Минимальное число переданных образцов <b> | Число образцов для повторных испытаний <c> |
A | 1 | 1 | - |
| 3 | 2 | 3 |
| 3 | 2 | 3 |
| 3 | 2 | 3 |
| 3 | 2 | 3 |
| 3 | 2 | 3 |
| 3 | 2 | 3 |
| 3 | 2 | 3 |
| 3 | 2 | 3 |
| 3 | 2 | 3 |
G | 3 | 2 | 3 |
| 3 | 2 | 3 |
| 3 | 2 | 3 |
| 3 | 2 | 3 |
K | 3 | 2 | 3 |
L | 3 | 2 | 3 |
M | 3 | 2 | 3 |
N | 3 | 2 | 3 |
O | 3 | 2 | 3 |
P | 3 | 2 | 3 |
<a> Допускается повторить не более трех циклов испытаний. <b> Предполагается, что образец, который не прошел испытание, не отвечает требованиям ввиду производственного брака или дефектов сборки, не являющихся репрезентативными для конструкции. <c> В случае повторных испытаний все испытания должны быть успешной пройдены. <d> Требуется специально подготовленный образец с электроникой, которая не подвергается воздействию импульсов. <e> Для испытаний на нагрев защитного проводника может потребоваться специально подготовленный образец с отключенной цепью расцепления. <f> По запросу производителя испытания проводят только на одном (или двух) комплекте образцов. <g> Дополнительный образец требуется для испытания при минус 25 °C или испытания при более низкой температуре. <h> Если в целях испытания требуется демонтаж, может потребоваться еще один образец. В этом случае производитель должен поставить образцы, которые могут быть подготовлены специально. <i> Новые образцы можно использовать для испытаний Inc. <j> По запросу производителя один комплект образцов может быть подвергнут нескольким испытаниям из данного цикла. <k> Если IC-CPD относится к нескольким классам по 4.1, то для каждого класса должен быть передан дополнительный комплект образцов. Применяют данные критерии приемлемости. <l> Для IC-CPD с несменяемым встроенным плавким предохранителем требуется второй комплект образцов, см. 9.9.2.1f). |
A.4 Число образцов, передаваемых на упрощенные испытания в случае одновременной передачи спектра IC-CPD с одинаковой базовой конструкцией
A.4.1 Если на оценку соответствия передают спектр IC-CPD с одинаковой базовой конструкцией или дополнения к таким IC-CPD, число образцов, подлежащих испытаниям, может быть сокращено согласно
таблице A.3.
Примечание - В целях приложения A одинаковая базовая конструкция включает серию значений номинального тока (
In) и серию значений номинального отключающего дифференциального тока

.
Считают, что IC-CPD имеют одинаковую базовую конструкцию, если
условия a) -
j) включительно удовлетворены:
a) у них одинаковая базовая конструкция, в частности:
- IC-CPD с плавким предохранителем и IC-CPD без плавкого предохранителя не должны оказываться в одной партии;
b) отключение дифференциальным током означает наличие идентичных механизмов расцепления и идентичных реле или соленоидов за исключением различий, описанных в
перечислениях l) и
m);
c) материалы, отделка и размеры внутренних токоведущих частей идентичны за исключением различий, описанных в
перечислении k);
d) размеры контактов, материалы, конфигурация и методы их крепления идентичны;
e) ручной механизм активации, материалы и физические характеристики идентичны;
f) профильные детали и изоляционные материалы идентичны;
g) метод, материалы и конструкция дугогасительного устройства идентичны;
h) базовая конструкция устройства контроля дифференциальных токов идентична за исключением различий, описанных в
перечислениях l) и
m);
i) базовая конструкция устройства расцепления, управляемого дифференциальным током идентична за исключением различий, описанных в
перечислении m);
| | ИС МЕГАНОРМ: примечание. В официальном тексте документа, видимо, допущена опечатка: перечисление n) отсутствует. | |
j) базовая конструкция испытательного устройства при наличии, идентична, за исключением различий, описанных в перечислении n);
Разрешаются следующие изменения при условии, что во всем остальном IC-CPD отвечают описанным выше требованиям;
k) площадь поперечного сечения внутренних соединительных токоведущих элементов;
l) число витков и площадь поперечного сечения обмоток, а также размеры и материалы жил дифференциального трансформатора;
m) чувствительность реле и/или соответствующих цепей электроники, при наличии.
A.4.2 Для IC-CPD с одинаковой базовой конструкцией, разными номиналами тока и дифференциального тока число образцов, подлежащих испытаниям, может быть сокращено согласно
таблице A.3.
Таблица A.3
Сокращение числа образцов
Цикл испытаний | |
A | 1 с максимальным номиналом In минимальным номиналом  |
B1 + B2 | 3 с максимальным номиналом In минимальным номиналом  |
C1 | 3 с максимальным номиналом In минимальным номиналом  |
C2 или C3 | 3 с любым номиналом In или  |
D0 + D1 | 3 с максимальным номиналом In минимальным номиналом  |
D0 | 1 с любым другим номиналом  |
E | 3 с максимальным номиналом In минимальным номиналом  |
F | 3 с максимальным номиналом In минимальным номиналом  3 <b> с минимальным номиналом In, минимальным номиналом  |
G | 3 с максимальным номиналом In, минимальным номиналом  |
H | 3 <c> с любым номиналом In, минимальным номиналом  |
I | 3 <c> с любым номиналом In, минимальным номиналом  |
J | 3 <c> с любым номиналом In, минимальным номиналом  |
K | 3 с любым номиналом In, минимальным номиналом  |
L | 3 с любым номиналом In, минимальным номиналом  |
M | 3 с любым номиналом In, минимальным номиналом  |
N | 3 с любым номиналом In, минимальным номиналом  |
O | 3 с любым номиналом In, минимальным номиналом  |
P | 3 с любым номиналом In, минимальным номиналом  |
<a> Если испытание нужно повторить согласно минимальным критериям функционирования по разделу A.3, для конкретного испытания используют новый комплект образцов. В повторных испытаниях все результаты испытаний должны быть приемлемыми. <b> Если предоставляется только одно значение  , такие комплекты образцов не требуются. <c> Только с максимальным числом путей тока. |
(обязательное)
ПРИЕМО-СДАТОЧНЫЕ ИСПЫТАНИЯ
Приемо-сдаточные испытания проводят для подтверждения того, что IC-CPD соответствуют по параметрам образцам, выдержавшим испытания по настоящему стандарту, исходя из опыта, полученного производителем.
Выбор подходящих испытаний остается за производителем.
(обязательное)
ОПРЕДЕЛЕНИЕ ЗАЗОРОВ И РАССТОЯНИЙ ПУТИ УТЕЧКИ
C.1 Обзор
При определении зазоров и расстояний пути утечки рекомендуется учитывать следующие аспекты.
C.2 Направление и место расстояния утечки
При необходимости производитель должен указать целевое направление оборудования или компонента с тем, чтобы расстояния пути утечки не оказывали негативного влияния на скопление загрязнений, на которые они не были рассчитаны.
C.3 Расстояния пути утечки при использовании нескольких материалов
Расстояние пути утечки может быть разбито на несколько отрезков разных материалов и/или иметь разные степени загрязнений, если одно из расстояний имеет размеры, чтобы выдерживать общее напряжение или если общее расстояние имеет размеры для материала с минимальным CTI.
C.4 Расстояния пути утечки, разделенные плавающей электропроводной частью
Расстояние пути утечки может быть разделено на несколько частей, состоящих из изоляционного материала с одинаковым CTI и включающих или разделенных плавающими проводниками, если сумма расстояний между каждой отдельной частью равна или больше расстояния пути утечки в случае отсутствия плавающей части.
Минимальное расстояние
X для отдельной части расстояния пути утечки приведено в 6.2 (см. также
пример 11) стандарта IEC 60664-1:2007.
C.5 Измерение расстояний пути утечки и зазоров
При определении расстояний пути утечки согласно IEC 60664-1 размер X, указанный в следующих примерах, имеет минимальное значение 1,0 мм для степени загрязнения 2.
Если соответствующий ему зазор менее 3 мм, минимальный размер X можно сократить до одной трети данного зазора.
Методы измерений расстояния пути утечки и зазоров указаны в
примерах 1 -
11. В этих случаях не различают зазоры и канавки между типами изоляции.
Применимы следующие допущения:
- любое углубление находится под изоляционной перемычкой длиной, равной заданной ширине
X, размещенной в наиболее неблагоприятном положении (см.
пример 3);
- когда расстояние канавки равно или более заданной ширины
X, расстояние пути утечки измеряют вдоль контуров канавки (см.
пример 2);
- расстояния пути утечки и зазоры между частями, которые могут принимать разные положения относительно других частей, измеряют, когда данные части размещены в наиболее неблагоприятном положении.

- зазор;

- расстояние пути утечки
Условие: рассматриваемый путь включает канавку с параллельными или сходящимися сторонами любой глубины шириной менее
X мм. Правило: расстояние пути утечки и зазоры измеряют по канавке, как показано на
иллюстрации.

- зазор;

- расстояние пути утечки
Условие: рассматриваемый путь включает канавку с параллельными сторонами любой глубины и шириной равной или более X мм. Правило: зазор - это расстояние "линии прямой видимости". Путь утечки проходит по контуру канавки.

- зазор;

- расстояние пути утечки
Условие: рассматриваемый путь включает V-образную канавку шириной более X мм.
Правило: зазор - это расстояние "линии прямой видимости". Путь утечки проходит по контуру канавки, но "накоротко замыкает" дно канавки перемычкой X мм.
Пример 4

- зазор;

- расстояние пути утечки
Условие: рассматриваемый путь включает ребро.
Правило: зазор - это самый короткий воздушный путь по верхней части ребра. Путь утечки проходит по контуру ребра.
Пример 5

- зазор;

- расстояние пути утечки
Условие: рассматриваемый путь включает нецементированное соединение с канавкой за вычетом ширины X мм с каждой стороны. Правило: путь утечки и зазора - это показанное расстояние "линии прямой видимости".
Пример 6

- зазор;

- расстояние пути утечки
Условие: рассматриваемый путь включает нецементированное соединение с канавкой, равное или более X мм с каждой стороны.
Правило: зазор - это расстояние "линии прямой видимости". Путь утечки проходит по контуру канавок.
Пример 7

- зазор;

- расстояние пути утечки
Условие: рассматриваемый путь включает нецементированное соединение с канавкой по одной стороне за вычетом ширины X мм и канавкой по другой стороне, равное или более ширины X мм.
Правило: зазоры и пути утечки показаны ниже.
Пример 8

- зазор;

- расстояние пути утечки
Условие: расстояние пути утечки через нецементированное соединение менее расстояния утечки через барьер.
Правило: зазор - это самый короткий воздушный путь по верхней части барьера.
Пример 9

- зазор;

- расстояние пути утечки
Зазор между головкой винта и стенкой углубления достаточно широк, чтобы учитывать его.
Пример 10

- зазор;

- расстояние пути утечки
Зазор между головкой винта и стенкой углубления слишком узок, чтобы учитывать его.
Измерение расстояния пути утечки измеряют от винта до стенки, когда расстояние равно X мм.

- зазор;

- расстояние пути утечки
Зазор - это расстояние d + D.
Расстояние пути утечки также d + D.
C' - плавающая часть
(справочное)
ПРИМЕНЕНИЕ КОММУТИРУЕМЫХ ЗАЩИТНЫХ ПРОВОДНИКОВ
D.1 Объяснение функции и применения коммутируемого защитного проводника (SPE)
В настоящем стандарте описаны IC-CPD специального назначения. IC-CPD, относящиеся к классам
3.3.3.11,
3.3.3.12 и
3.3.3.13, оснащены коммутируемым защитным заземлением (SPE) и обеспечивают дополнительную защиту от определенных опасных ситуаций.
УЗО-ДП бытового и аналогичного назначения описаны в IEC 61540.
Для источника питания ЭМ в режиме 2 согласно IEC 61851-1 устройство IC-CPD обеспечивает дополнительную защиту, когда правильность подключения проводки к источнику питания или наличие рабочего вышестоящего УЗО с номинальным отключающим дифференциальным током, не превышающим 0,03 А, проверено не было.
SPE позволяет убедиться, что если защитный проводник находится под напряжением, SPE вообще не сможет замкнуться, или отключается при наличии дифференциального тока. Если защитный проводник не коммутируемый, то защитный проводник под напряжением может оставаться подключенным к открытому металлу оборудования класса I. Лицо, контактирующее с защитным проводником под напряжением, останется заземленным.
Цепь защитного проводника IC-CPD должна обладать повышенной надежностью. Испытания цепи защитного проводника на нагрев и выдерживание короткого замыкания позволяют проверить такую повышенную надежность.
Согласно требованиям IEC 60364 защитный проводник установки не может быть коммутируемым. Это обеспечивает постоянное подключение оборудования класса 1 к защитному проводнику и, соответственно, заземление при использовании. Размыкание защитного проводника в оборудовании класса I, оснащенного вилкой, происходит при отключении вилки. В IC-CPD также предусмотрена цепь защитного проводника, разомкнутая до включения вилки в розетку. Контакты фазы и нейтрали соединены с контактом защитного проводника и не могут замкнуться до тех пор, пока не замкнется защитный проводник. При включении вилки в сеть питания, если условия сети питания позволяют IC-CPD замыкаться, контакты защитного проводника, фазы и нейтрали замыкаются вместе. Целостность защитного проводника в оборудовании класса I, обеспечиваемая посредством IC-CPD, та же, что и обеспечиваемая УЗО-ДП по IEC 61540, или нормальной вилкой. Тем самым, в оборудовании класса I, подключенном к сети через IC-CPD, предусмотрен подключенный защитный проводник, в результате чего оно заземлено во время эксплуатации.
В
таблице 14 и
таблице 15 приведены испытания, необходимые для SPE. Сюда входят испытания опасного защитного проводника под напряжением (с разными источниками L и N), а также разомкнутой цепи N и разомкнутой цепи защитного проводника.
В некоторых странах смена полярности L и N считается опасной, если L подключен неправильно. Разомкнутое заземление считается потерей фундаментальной защиты для оборудования класса I. Потеря нейтрали может также считаться опасной и включена в функциональные испытания IC-CPD.
Опасный защитный проводник под напряжением определен в
3.3.3.18 настоящего стандарта. Это может быть вызвано неправильным подключением проводки штепсельной розетки.
Результат испытаний позволяет убедиться в том, что IC-CPD обеспечивает дополнительную защиту от неисправностей в связи с неправильным подключением проводки и в том, что устройство дифференциального тока не повреждено и его функция не нарушена для любого дифференциального тока, вытекающего из любого проводника под напряжением.
IC-CPD может обнаруживать защитный проводник под напряжением, но в некоторых случаях (например, NLL) может возникать замыкание. В таких редких случаях обязательным является условие, чтобы IC-CPD продолжало работать на дифференциальном токе. Результатом может быть прохождение защитного проводника через тороид. В результате, когда ток из внешнего источника течет только по защитному проводнику, может срабатывать SPE. Это воспринимают как приемлемый результат. Принятие проведения защитного проводника через сенсорный тороид позволило решить многие трудности в распознавании определенных неисправностей и дало IC-CPD способность обнаруживать опасные дифференциальные токи на всех токоведущих проводниках.
Была выполнена оценка риска тока из внешнего источника, проходящего только по цепи защитного проводника. Для областей применения, рассматриваемых в настоящем стандарте, такой риск считается маловероятным и незначительным.
D.2 Примеры неправильного подключения к сети питания
Над каждой схемой в форме аббревиатур приведены выводы после анализа эффектов конфигураций с неправильным подключением проводки.
Согласно следующим обозначениям (очевидные признаки, такие как обрыв N и обрыв защитного проводника, не указаны):
a) < Ue: снижение напряжение питания IC-CPD.
b) Для LLSE в конфигурации сети питания обычно 0,5 для однофазной сети, 0,577 для двухфазной: Ue (0,5 или 0,577).
c) Для LNSE в пути Rx: отношение между полным сопротивлением нагрузки (RL) и полным сопротивлением петли заземления (Rx): Ue(RL/(RL + Rx).
Примечание - Например, с учетом значения
Rx = 200 Ом для обращения нейтрали и защитного проводника, с током нагрузки 15 А, почти все напряжение из сети питания на IC-CPD будет потеряно. Испытание по
9.14 учитывает эту ситуацию.
Путь Rx (для систем TT): полное сопротивление петли заземления (Rx) последовательно с полным сопротивлением нагрузки.
N - PE = 0 В: нейтраль (N) и защитный проводник (PE) соединены вместе.
Защитный проводник под напряжением: защитный проводник подключен к токоведущему проводнику сети питания.
Стандартное соединение
Под напряжением PE, Un, UPE = (0,5 - 0,577)Un
Под напряжением PE, < Un, UPE = (0,5 - 0,577)Un, Rx контур
Под напряжением PE, < Un, UPE = (0,5 - 0,577)Un, Rx контур
Под напряжением PE, < Un, UPE = (0,5 - 0,577)Un, Rx контур
Под напряжением PE, < Un, UPE = (0,5 - 0,577)Un, Rx контур
Разомкнут PE-N. Под напряжением PE, Un,
UPE = (0,5 - 0,577)Un
Разомкнут PE-N. Под напряжением PE,
Un,
UPE = (0,5 - 0,577)Un
Разомкнут PE-N,
Un, N-PE = 0 В
Разомкнут PE-N. Под напряжением PE, Un,
UPE = (0,5 - 0,577)Un
Примечание - Rx (не более 200 Ом) показано для систем TT.
Рисунок D.1 - Примеры неправильного подключения проводки
сети питания для типов LLSE
Стандартное соединение
Разомкнут PE. Под напряжением PE,
Un
PE-N обратная полярность, < Un, Rx контур
L-N обратная полярность, Un
Под напряжением PE, < Un, Rx контур
Под напряжением N, < Un, Rx контур
Под напряжением PE, < Un, Rx контур
Под напряжением PE,
Un, разомкнут PE
Под напряжением PE, Un, Rx контур, N-PE = 0 В
Примечание - Rx (не более 200 Ом) показано для систем TT.
Рисунок D.2 - Примеры неправильного подключения проводки
сети питания для типов LNSE
(справочное)
ПРИМЕР IC-CPD ДЛЯ ЗАРЯДКИ В РЕЖИМЕ 2
Рисунок E.1 - Пример IC-CPD с разными частями и функциями
(справочное)
ТИПЫ IC-CPD ПО КОНСТРУКЦИИ И СБОРКЕ
Рисунок F.1 - Пример IC-CPD с функциональным блоком,
кабелями, вилкой и разъемом согласно
4.2.2
Рисунок F.2 - Пример вилки со встроенным функциональным
Рисунок F.3 - Пример модульного IC-CPD согласно
4.2.4 a)
Рисунок F.4 - Пример модульного IC-CPD согласно
4.2.4 b)
(справочное)
МЕТОДЫ ОПРЕДЕЛЕНИЯ КОЭФФИЦИЕНТА МОЩНОСТИ КОРОТКОГО ЗАМЫКАНИЯ
G.1 Обзор
Нет единого метода, с помощью которого можно точно определить коэффициент мощности короткого замыкания. Два примера приемлемых методов приведены в приложении G.
G.2 Метод I. Определение по составляющим постоянного тока
Угол

можно определить по кривой составляющих постоянного тока асимметричной волны, тока между моментом короткого замыкания и моментом разрывания контактов.
Формула составляющей постоянного тока следующая:
Id = Ido·e-Rt/L,
где Id - значение составляющей постоянного тока в момент времени t;
Ido - значение составляющей постоянного тока в момент, взятый за начало отсчета времени;
L/R - постоянная времени в цепи, с;
t - время, в секундах, взятое от начального момента;
e - основание натурального логарифма.
Постоянная времени L/R может быть подтверждена по указанной выше формуле следующим образом:
a) измеряют значение Ido в момент короткого замыкания и значение Id в другой момент t до размыкания контактов;
b) определяют значение e-Rt/L путем деления Id на Ido;
c) по таблице значений e-x определяют значение -x, соответствующее отношению Id/Ido;
d) значение x представляет Rt/L на основании которого получают L/R. Угол рассчитывают по следующей формуле:

,
где

в

раза больше фактической частоты.
Данные методы нельзя использовать, когда токи измеряют трансформаторами тока.
G.3 Метод II. Определение с помощью задающего генератора
Если применяют задающий генератор, смонтированный на одном валу с испытательным генератором, напряжение этого задающего генератора можно сравнить на осциллограмме по фазе вначале с напряжением испытательного генератора, а затем с током испытательного генератора.
Разность между фазовыми углами напряжений задающего генератора и главного генератора, с одной стороны, и напряжения задающего генератора и тока испытательного генератора - с другой, позволяет установить фазовый угол между напряжением и током испытательного генератора, а из него вывести коэффициент мощности.
(справочное)
СВЕДЕНИЯ О СООТВЕТСТВИИ ССЫЛОЧНЫХ МЕЖДУНАРОДНЫХ СТАНДАРТОВ
МЕЖГОСУДАРСТВЕННЫМ СТАНДАРТАМ
Таблица ДА.1
Обозначение ссылочного международного стандарта | Степень соответствия | Обозначение и наименование соответствующего межгосударственного стандарта |
IEC 60065 | IDT | ГОСТ IEC 60065-2013 "Аудио-, видео- и аналогичная электронная аппаратура. Требования безопасности" |
IEC 60068-2-1 | - | |
IEC 60068-2-5 | - | |
IEC 60068-2-11 | - | |
IEC 60068-2-27 | - | |
IEC 60068-2-30 | MOD | ГОСТ 28216-89 (МЭК 68-2-30-87) "Основные методы испытаний на воздействие внешних факторов. Часть 2. Испытания. Испытание Db и руководство: влажное тепло, циклическое (12 + 12-часовой цикл)" <5> |
IEC 60068-2-31 | - | |
IEC 60068-2-64 | MOD | ГОСТ 30630.1.9-2015 "Методы испытаний на стойкость к механическим внешним воздействующим факторам машин, приборов и других технических изделий. Особенности цифрового управления испытаниями на воздействие широкополосной случайной вибрации" |
IEC 60068-3-4 | - | |
IEC 60112 | - | |
--------------------------------
<1> В Российской Федерации действует ГОСТ Р МЭК 60068-2-1-2009 "Испытания на воздействие внешних факторов. Часть 2-1. Испытания. Испытание A: Холод".
<2> В Российской Федерации действует ГОСТ 28202-89 (МЭК 68-2-5-75) "Основные методы испытаний на воздействие внешних факторов. Часть 2. Испытания. Испытание Sa: Имитированная солнечная радиация на уровне земной поверхности".
<3> В Российской Федерации действует ГОСТ 28207-89 (МЭК 68-2-11-81) "Основные методы испытаний на воздействие внешних факторов. Часть 2. Испытания. Испытание Ka. Соляной туман".
<4> В Российской Федерации действует
ГОСТ 28213-89 (МЭК 68-2-27-87) "Основные методы испытаний на воздействие внешних факторов. Часть 2. Испытания. Испытание Ea и руководство: Одиночный удар".
<5> В Российской Федерации действует ГОСТ Р МЭК 60068-2-30-2009 "Испытания на воздействия внешних факторов. Часть 2-30. Испытания. Испытание Db: Влажное тепло, циклическое (12 ч + 12-часовой цикл)".
<6> В Российской Федерации действует ГОСТ 28217-89 (СТ МЭК 68-2-31-69) "Основные методы испытаний на воздействие внешних факторов. Часть 2. Испытания. Испытание Ec: Падение и опрокидывание, предназначенное в основном для аппаратуры".
<7> В Российской Федерации действует
ГОСТ 27710-88 (СТ СЭВ 4127-83) "Материалы электроизоляционные. Общие требования к методу испытания на нагревостойкость".
<8> В Российской Федерации действует
ГОСТ 27473-87 (МЭК 112-79) (СТ СЭВ 6463-88) "Материалы электроизоляционные твердые. Метод определения сравнительного и контрольного индексов трекингостойкости во влажной среде".
Продолжение таблицы ДА.1
Обозначение ссылочного международного стандарта | Степень соответствия | Обозначение и наименование соответствующего межгосударственного стандарта |
IEC 60227 (all parts) | IDT | ГОСТ IEC 60227-1-2011 "Кабели с поливинилхлоридной изоляцией на номинальное напряжение до 450/750 В включительно. Часть 1. Общие требования" ГОСТ IEC 60227-2-2012 "Кабели с поливинилхлоридной изоляцией на номинальное напряжение до 450/750 В включительно. Часть 2. Методы испытаний" ГОСТ IEC 60227-3-2011 "Кабели с поливинилхлоридной изоляцией на номинальное напряжение до 450/750 В включительно. Кабели без оболочки для стационарной прокладки" ГОСТ IEC 60227-4-2011 "Кабели с поливинилхлоридной изоляцией на номинальное напряжение до 450/750 В включительно. Кабели в оболочке для стационарной прокладки" ГОСТ IEC 60227-5-2011 "Кабели с поливинилхлоридной изоляцией на номинальное напряжение до 450/750 В включительно. Часть 5. Гибкие кабели (шнуры)" ГОСТ IEC 60227-6-2011 "Кабели с поливинилхлоридной изоляцией на номинальное напряжение до 450/750 В включительно. Лифтовые кабели и кабели для гибких соединений" ГОСТ IEC 60227-7-2012 "Кабели с поливинилхлоридной изоляцией на номинальное напряжение до 450/750 В включительно. Часть 7. Кабели гибкие экранированные и неэкранированные с двумя или более токопроводящими жилами" |
IEC 60245 (all parts) | IDT | ГОСТ IEC 60245-1-2011 "Кабели с резиновой изоляцией на номинальное напряжение до 450/750 В включительно. Часть 1. Общие требования" ГОСТ IEC 60245-2-2011 "Кабели с резиновой изоляцией на номинальное напряжение до 450/750 В включительно. Методы испытаний" ГОСТ IEC 60245-3-2011 "Кабели с резиновой изоляцией на номинальное напряжение до 450/750 В включительно. Кабели с нагревостойкой кремнийорганической изоляцией" ГОСТ IEC 60245-4-2011 "Кабели с резиновой изоляцией на номинальное напряжение до 450/750 В включительно. Часть 4. Шнуры и гибкие кабели" ГОСТ IEC 60245-5-2011 "Кабели с резиновой изоляцией на номинальное напряжение до 450/750 В включительно. Лифтовые кабели" ГОСТ IEC 60245-6-2011 "Кабели с резиновой изоляцией на номинальное напряжение до 450/750 В включительно. Кабели для электродной дуговой сварки" ГОСТ IEC 60245-7-2011 "Кабели с резиновой изоляцией на номинальное напряжение до 450/750 В включительно. Кабели с нагревостойкой этиленвинилацетатной резиновой изоляцией" ГОСТ IEC 60245-8-2011 "Кабели с резиновой изоляцией на номинальное напряжение до 450/750 В включительно. Часть 8. Шнуры для областей применения, требующих высокой гибкости" |
IEC 60309 (all parts) | IDT | ГОСТ IEC 60309-2-2016 "Вилки, штепсельные розетки и соединительные устройства промышленного назначения. Часть 2. Требования к размерной взаимозаменяемости арматуры со штырями и контактными гнездами" ГОСТ IEC 60309-4-2017 "Вилки, штепсельные розетки и соединительные устройства промышленного назначения. Часть 4. Переключаемые ответвители и соединители с блокировкой и без нее" |
IEC 60309-1:1999 | IDT | ГОСТ IEC 60309-1-2016 "Вилки, штепсельные розетки и соединительные устройства промышленного назначения. Часть 1. Общие требования" |
IEC 60309-2 | IDT | ГОСТ IEC 60309-2-2016 "Вилки, штепсельные розетки и соединительные устройства промышленного назначения. Часть 2. Требования к размерной взаимозаменяемости арматуры со штырями и контактными гнездами" |
IEC 60364-4-44:2007 | - | |
IEC 60384-14 | IDT | ГОСТ IEC 60384-14-2015 "Конденсаторы постоянной емкости для электронной аппаратуры. Часть 14. Групповые технические условия: Конденсаторы постоянной емкости для подавления радиопомех и подключения к питающей магистрали" |
IEC 60417 | - | |
IEC 60529:1989 | - | |
IEC 60664-1:2007 | - | |
IEC 60664-3 | IDT | ГОСТ IEC 60664-3-2015 "Координация изоляции для оборудования низковольтных систем. Часть 3. Использование покрытий, герметизации и формовки для защиты от загрязнения" |
IEC 60695-2-10 | - | |
IEC 60695-2-11 | IDT | ГОСТ IEC 60695-2-11-2013 "Испытания на пожароопасность. Часть 2-11. Основные методы испытаний раскаленной проволокой. Испытание раскаленной проволокой на воспламеняемость конечной продукции" |
IEC 60884-1:2002 | - | |
--------------------------------
<1> В Российской Федерации действует
ГОСТ Р 50571.4-44-2019 (МЭК 60364-4-44-2007) "Электроустановки низковольтные. Часть 4-44. Защита для обеспечения безопасности. Защита от резких отклонений напряжения и электромагнитных возмущений".
<2> В Российской Федерации действует
ГОСТ 28312-89 (МЭК 417-73) "Аппаратура радиоэлектронная профессиональная. Условные графические обозначения".
<3> В Российской Федерации действует
ГОСТ 14254-96 (МЭК 529-89) "Степени защиты, обеспечиваемые оболочками (код IP)".
<4> В Российской Федерации действует ГОСТ Р МЭК 60664.1-2012 "Координация изоляции для оборудования в низковольтных системах. Часть 1. Принципы, требования и испытания".
<5> В Российской Федерации действует
ГОСТ Р МЭК 60695-2-10-2011 "Испытания на пожароопасность. Часть 2-10. Основные методы испытаний раскаленной проволокой. Установка испытания раскаленной проволокой и общие процедуры испытаний".
<6> В Российской Федерации действует
ГОСТ 30988.1-2020 (IEC 60884-1:2013) "Соединители электрические штепсельные бытового и аналогичного назначения. Часть 1. Общие требования и методы испытаний".
Продолжение таблицы ДА.1
Обозначение ссылочного международного стандарта | Степень соответствия | Обозначение и наименование соответствующего межгосударственного стандарта |
IEC 61249-2 | - | |
IEC TS 61439-7:2014 | - | |
IEC 61540 | - | |
IEC 61543:1995 | - | |
IEC 61851-1:2017 | - | |
IEC 62196 | - | |
IEC 62196-1 | - | |
IEC 62196-2 | - | |
--------------------------------
<1> В Российской Федерации действуют:
ГОСТ Р МЭК 61249-2-2-2012 "Материалы для печатных плат и других структур межсоединений. Часть 2-2. Материалы основания армированные, фольгированные и нефольгированные. Листы армированные слоистые на основе целлюлозной бумаги, пропитанной фенольным связующим, фольгированные медью и обладающие высокими электрическими характеристиками";
ГОСТ Р МЭК 61249-2-4-2012 "Материалы для печатных плат и других структур межсоединений. Часть 2-4. Материалы основания армированные, фольгированные и нефольгированные. Листы армированные слоистые на основе тканого или нетканого стекловолокна, пропитанного полиэфирным связующим, нормированной горючести (вертикальный тест горения), фольгированные медью";
ГОСТ Р МЭК 61249-2-5-2012 "Материалы для печатных плат и других структур межсоединений. Часть 2-5. Материалы основания армированные, фольгированные и нефольгированные. Листы армированные слоистые на основе целлюлозной бумаги, пропитанной бромированной эпоксидной смолой, армированные по поверхности стеклотканью E-типа, нормированной горючести (вертикальный тест горения), фольгированные медью";
ГОСТ Р МЭК 61249-2-6-2012 "Материалы для печатных плат и других структур межсоединений. Часть 2-6. Материалы основания армированные фольгированные и нефольгированные. Листы армированные слоистые на основе тканого или нетканого стекловолокна E-типа с бромсодержащим эпоксидным связующим, нормированной горючести (вертикальный тест горения), фольгированные медью";
ГОСТ Р МЭК 61249-2-7-2012 "Материалы для печатных плат и других структур межсоединений. Часть 2-7. Материалы основания армированные фольгированные и нефольгированные. Листы слоистые на основе стеклоткани E-типа с эпоксидным связующим, нормированной горючести (вертикальный тест горения), фольгированные медью".
<2> В Российской Федерации действует
ГОСТ 28668-90 (МЭК 439-1-85) "Низковольтные комплектные устройства распределения и управления. Часть 1. Требования к устройствам, испытанным полностью или частично".
<3> В Российской Федерации действует ГОСТ IEC/TR 61912-2-2013 "Низковольтная коммутационная аппаратура и аппаратура управления. Устройства защиты от сверхтоков. Часть 2. Селективность в условиях сверхтоков".
<4> В Российской Федерации действует
ГОСТ IEC/TR 61000-1-6-2014 "Электромагнитная совместимость (ЭМС). Часть 1-6. Общие положения. Руководство по оценке неопределенности измерений".
<5> В Российской Федерации действует ГОСТ Р МЭК 61851-1-2013 "Система токопроводящей зарядки электромобилей. Часть 1. Общие требования".
| | ИС МЕГАНОРМ: примечание. ГОСТ Р МЭК 62196-2-2013 утратил силу с 01.01.2023 в связи с введением в действие ГОСТ IEC 62196-2-2018 (Приказ Росстандарта от 20.07.2022 N 661-ст). | |
<6> В Российской Федерации действует ГОСТ Р МЭК 62196-2-2013 "Вилки, штепсельные розетки, соединители и вводы для транспортных средств. Кондуктивная зарядка для электромобилей. Часть 2. Требования размерной совместимости и взаимозаменяемости для штыревых разъемов и арматуры сети переменного тока".
<7> В Российской Федерации действует ГОСТ Р МЭК 62196-1-2013 "Вилки, штепсельные розетки, соединители и вводы для транспортных средств. Кондуктивная зарядка для электромобилей. Часть 1. Общие требования".
Окончание таблицы ДА.1
Обозначение ссылочного международного стандарта | Степень соответствия | Обозначение и наименование соответствующего межгосударственного стандарта |
CISPR 14 | IDT | ГОСТ CISPR 14-1-2015 "Электромагнитная совместимость. Требования для бытовых приборов, электрических инструментов и аналогичных аппаратов. Часть 1. Электромагнитная эмиссия" |
| | ГОСТ CISPR 14-2-2016 "Электромагнитная совместимость. Требования для бытовых приборов, электрических инструментов и аналогичных аппаратов. Часть 2. Помехоустойчивость. Стандарт для группы однородной продукции" |
- | |
CISPR 14-1 | IDT | ГОСТ CISPR 14-1-2015 "Электромагнитная совместимость. Требования для бытовых приборов, электрических инструментов и аналогичных аппаратов. Часть 1. Электромагнитная эмиссия" |
ISO 178 | MOD | ГОСТ 4648-2014 (ISO 178:2010) "Пластмассы. Метод испытания на статический изгиб" |
ISO 179 (all parts) | - | |
ISO 179-1 | - | |
ISO 2409 | IDT | ГОСТ 31149-2014 (ISO 2409:2013) "Материалы лакокрасочные. Определение адгезии методом решетчатого надреза" |
ISO 4628-3 | - | |
ISO 4892-2:2013 | - | |
ISO 16750-5:2010 | - | |
ISO 17409:2015 | - | |
<*> Соответствующий межгосударственный стандарт отсутствует. До его принятия рекомендуется использовать перевод на русский язык данного международного стандарта. Примечание - - В настоящей таблице использованы следующие условные обозначения степени соответствия стандартов: - IDT - идентичные стандарты; - MOD - модифицированные стандарты. |
--------------------------------
<1> В Российской Федерации действует
ГОСТ 30805.14.2-2013 (CISPR 14-2:2001) "Совместимость технических средств электромагнитная. Бытовые приборы, электрические инструменты и аналогичные устройства. Устойчивость к электромагнитным помехам. Требования и методы испытаний".
<2> В Российской Федерации действует
ГОСТ 34370-2017 (ISO 527-1:2012) "Пластмассы. Определение механических свойств при растяжении. Часть 1. Общие принципы".
<3> В Российской Федерации действует ГОСТ Р 50500-93 (ИСО 6860-84) "Лаки и краски. Испытания на изгиб (конический стержень)".
<4> В Российской Федерации действует ГОСТ 31507-2012 "Автотранспортные средства. Управляемость и устойчивость. Технические требования. Методы испытаний".
<5> В Российской Федерации действует
ГОСТ Р 58808-2020 "Автотранспортные средства. Системы мониторинга слепых зон. Общие технические требования и методы испытаний".
IEC 60050-441:1984 | International Electrotechnical Vocabulary - Part 441: Switchgear, controlgear and fuses (Международный электротехнический словарь. Часть 441. Коммутационная аппаратура, аппаратура управления и плавкие предохранители) |
IEC 60050-604:1987 IEC 60050-604:1987/AMD 1:1998 | International Electrotechnical Vocabulary - Part 604: Generation, transmission and distribution of electricity - Operation (Международный электротехнический словарь. Часть 604. Выработка, передача и распределение электричества. Эксплуатация) |
IEC 60269-1:2006 | Low-voltage fuses - Part 1: General requirements (Предохранители плавкие низковольтные. Часть 1. Общие требования) |
IEC 60364 (все части) | Low-voltage electrical installations (Установки электрические низковольтные) |
IEC 60364-7-722 | Low-voltage electrical installations - Part 7-722: Requirements for special installations or locations - Supplies for electric vehicles (Установки электрические низковольтные. Часть 7-722. Требования для особых установок или мест. Станции для зарядки электрических транспортных средств) |
IEC TR 60755:2008 | General requirements for residual current operated protective devices (Общие требования для защитных устройств, управляемых дифференциальным током) |
IEC 60999-1:1999 | Connecting devices - Electrical copper conductors - Safety requirements for screw-type and screwless-type clamping units - Part 1: General requirements and particular requirements for clamping units for conductors from 0,2 mm2 up to 35 mm2 (included) [Соединительные устройства. Электрические медные проводники. Требования по безопасности для винтовых и безвинтовых зажимных элементов. Часть 1. Общие требования и особые требования к зажимным элементам для проводников площадью поперечного сечения от 0,2 мм2 до 35 мм2 (включительно)] |
IEC 60947-1:2007 | Low-voltage switchgear and controlgear - Part 1: General rules (Аппаратура коммутационная и управления низковольтная. Часть 1. Общие правила) |
IEC 60479 (все части) | Effects of current on human beings and livestock (Действие электрического тока на людей и животных). |
IEC 61008-1:2010 | Residual current operated circuit-breakers without integral overcurrent protection for household and similar uses (RCCBs) - Part 1: General rules (Выключатели автоматические, управляемые дифференциальным током без встроенной защиты от сверхтоков бытового и аналогичного назначения (RCCB). Часть 1. Общие правила) |
IEC 62335:2008 | Circuit breakers - Switched protective earth portable residual current devices for class I and battery powered vehicle applications (Выключатели автоматические. Устройства дифференциального тока с коммутируемым защитным проводником для транспортных средств класса I и с питанием от аккумуляторных батарей) |
IEC 62423:2009 | Type F and type B residual current operated circuit-breakers with and without integral overcurrent protection for household and similar uses (Выключатели автоматические, управляемые дифференциальным током типов F и B бытового и аналогичного назначения с встроенной защитой от сверхтоков и без нее) |
IEC Guide 117 | Electrotechnical equipment - Temperatures of touchable hot surfaces (Оборудование электротехническое. Температуры поверхностей с возможностью прикосновения) |
ISO 16750-3:2012 | Road vehicles - Environmental conditions and testing for electrical and electronic equipment - Part 3: Mechanical loads (Автодорожный транспорт. Условия окружающей среды и испытания электрического и электронного оборудования. Часть 3. Механические нагрузки) |
ISO 16750-4:2010 | Road vehicles - Environmental conditions and testing for electrical and electronic equipment - Part 4: Climatic loads (Автодорожный транспорт. Условия окружающей среды и испытания электрического и электронного оборудования. Часть 4. Климатические нагрузки) |
ASTM D785-08 | Standard Test Method for Rockwell Hardness of Plastics and Electrical Insulating Materials (Стандартные методы испытания твердости по Роквеллу пластмасс и электрических изоляционных материалов) |
УДК 621.316.576:006.354 | |
Ключевые слова: кабельный блок управления и защиты, зарядка электромобилей в режиме 2, IC-CPD |