Главная // Актуальные документы // ГОСТ (Государственный стандарт)
СПРАВКА
Источник публикации
М.: ФГБУ "РСТ", 2022
Примечание к документу
Документ включен в Перечень международных и региональных (межгосударственных) стандартов, а в случае их отсутствия - национальных (государственных) стандартов, в результате применения которых на добровольной основе обеспечивается соблюдение требований технического регламента Таможенного союза "О безопасности низковольтного оборудования" (ТР ТС 004/2011), в Перечень международных и региональных (межгосударственных) стандартов, а в случае их отсутствия - национальных (государственных) стандартов, содержащих правила и методы исследований (испытаний) и измерений, в том числе правила отбора образцов, необходимые для применения и исполнения требований технического регламента Таможенного союза "О безопасности низковольтного оборудования" (ТР ТС 004/2011) и осуществления оценки соответствия объектов технического регулирования (Решение Коллегии Евразийской экономической комиссии от 11.05.2023 N 55).

Документ введен в действие с 01.01.2023.
Название документа
"ГОСТ IEC 62196-2-2018. Межгосударственный стандарт. Вилки, штепсельные розетки, переносные розетки и вводы транспортных средств. Проводная зарядка электрических транспортных средств. Часть 2. Требования к совместимости и взаимозаменяемости размеров вспомогательного оборудования переменного тока со штырями и контактными гнездами"
(введен в действие Приказом Росстандарта от 20.07.2022 N 661-ст)

"ГОСТ IEC 62196-2-2018. Межгосударственный стандарт. Вилки, штепсельные розетки, переносные розетки и вводы транспортных средств. Проводная зарядка электрических транспортных средств. Часть 2. Требования к совместимости и взаимозаменяемости размеров вспомогательного оборудования переменного тока со штырями и контактными гнездами"
(введен в действие Приказом Росстандарта от 20.07.2022 N 661-ст)


Содержание


Введен в действие
Приказом Федерального
агентства по техническому
регулированию и метрологии
от 20 июля 2022 г. N 661-ст
МЕЖГОСУДАРСТВЕННЫЙ СТАНДАРТ
ВИЛКИ, ШТЕПСЕЛЬНЫЕ РОЗЕТКИ, ПЕРЕНОСНЫЕ РОЗЕТКИ
И ВВОДЫ ТРАНСПОРТНЫХ СРЕДСТВ.
ПРОВОДНАЯ ЗАРЯДКА ЭЛЕКТРИЧЕСКИХ ТРАНСПОРТНЫХ СРЕДСТВ
ЧАСТЬ 2
ТРЕБОВАНИЯ К СОВМЕСТИМОСТИ И ВЗАИМОЗАМЕНЯЕМОСТИ РАЗМЕРОВ
ВСПОМОГАТЕЛЬНОГО ОБОРУДОВАНИЯ ПЕРЕМЕННОГО ТОКА СО ШТЫРЯМИ
И КОНТАКТНЫМИ ГНЕЗДАМИ
Plugs, socket-outlets, vehicle connectors and vehicle
inlets. Conductive charging of electric vehicles. Part 2.
Dimensional compatibility and interchangeability
requirements for a.c. pin and contact-tube accessories
(IEC 62196-2:2016, IDT)
ГОСТ IEC 62196-2-2018
МКС 29.120.30;
43.120
Дата введения
1 января 2023 года
Предисловие
Цели, основные принципы и общие правила проведения работ по межгосударственной стандартизации установлены ГОСТ 1.0 "Межгосударственная система стандартизации. Основные положения" и ГОСТ 1.2 "Межгосударственная система стандартизации. Стандарты межгосударственные, правила и рекомендации по межгосударственной стандартизации. Правила разработки, принятия, обновления и отмены"
Сведения о стандарте
1 ПОДГОТОВЛЕН Научно-производственным республиканским унитарным предприятием "Белорусский государственный институт стандартизации и сертификации" (БелГИСС) на основе собственного перевода на русский язык англоязычной версии стандарта, указанного в пункте 5
2 ВНЕСЕН Государственным комитетом по стандартизации Республики Беларусь
3 ПРИНЯТ Межгосударственным советом по стандартизации, метрологии и сертификации (протокол от 30 августа 2018 г. N 111-П)
За принятие проголосовали:
Краткое наименование страны по МК (ИСО 3166) 004-97
Код страны по МК (ИСО 3166) 004-97
Сокращенное наименование национального органа по стандартизации
Армения
AM
ЗАО "Национальный орган по стандартизации и метрологии" Республики Армения
Беларусь
BY
Госстандарт Республики Беларусь
Казахстан
KZ
Госстандарт Республики Казахстан
Киргизия
KG
Кыргызстандарт
Россия
RU
Росстандарт
Таджикистан
TJ
Таджикстандарт
Узбекистан
UZ
Узстандарт
4 Приказом Федерального агентства по техническому регулированию и метрологии от 20 июля 2022 г. N 661-ст межгосударственный стандарт ГОСТ IEC 62196-2-2018 введен в действие в качестве национального стандарта Российской Федерации с 1 января 2023 г.
5 Настоящий стандарт идентичен международному стандарту IEC 62196-2:2016 "Вилки, штепсельные розетки, контактирующие устройства и входные порты транспортных средств. Проводная зарядка электрических транспортных средств. Часть 2. Требования к совместимости и взаимозаменяемости размеров вспомогательного оборудования переменного тока со штырями и контактными гнездами" ("Plugs, socket-outlets, vehicle connectors and vehicle inlets - Conductive charging of electric vehicles - Part 2: Dimensional compatibility and interchangeability requirements for a.c. pin and contact-tube accessories", IDT).
Международный стандарт разработан подкомитетом IEC/SC 23H "Штепсели, штепсельные розетки и соединительные устройства промышленного и аналогичного назначения, а также для электрических транспортных средств" Технического комитета по стандартизации IEC/TC 23 "Электрическое вспомогательное оборудование" Международной электротехнической комиссии (IEC).
При применении настоящего стандарта рекомендуется использовать вместо ссылочных международных стандартов соответствующие им межгосударственные стандарты, сведения о которых приведены в дополнительном приложении ДА
6 ВВЕДЕН ВПЕРВЫЕ
Информация о введении в действие (прекращении действия) настоящего стандарта и изменений к нему на территории указанных выше государств публикуется в указателях национальных стандартов, издаваемых в этих государствах, а также в сети Интернет на сайтах соответствующих национальных органов по стандартизации.
В случае пересмотра, изменений или отмены настоящего стандарта соответствующая информация будет опубликована на официальном интернет-сайте Межгосударственного совета по стандартизации, метрологии и сертификации в каталоге "Межгосударственные стандарты"
1 Область применения
Настоящий стандарт распространяется на вилки, штепсельные розетки, переносные розетки и вводы транспортных средств со штырями и контактными гнездами стандартизованных конфигураций (далее - принадлежности), рассчитанные на номинальное рабочее напряжение не более 480 В переменного тока частотой 50 - 60 Гц и номинальный ток не более 63 А для трехфазной сети или 70 А для однофазной сети, применяемые в проводной (кондуктивной) зарядке электромобилей.
В область применения настоящего стандарта также входят устройства базового интерфейса источника питания транспортных средств по IEC 62196-1, предназначенные для применения в цепях проводных зарядных систем по IEC 61851-1.
Примечание 1 - К электромобилям (EV) относятся все дорожные транспортные средства, в том числе гибридные дорожные транспортные средства (PHEV), которые получают всю или часть энергии от бортовых батарей (RESS).
Принадлежности предназначены для применения в цепях по IEC 61851-1:2010, которые работают на разных напряжениях и частотах, в том числе в цепях систем безопасного сверхнизкого напряжения (БСНН) и каналов связи.
Принадлежности могут применяться для двунаправленной передачи энергии (в стадии рассмотрения).
Принадлежности, входящие в область применения настоящего стандарта, предназначены для применения при температуре окружающей среды от минус 30 °C до плюс 50 °C.
Примечание 2 - В Финляндии могут применять другие требования к нижнему значению температуры.
Примечание 3 - В Швеции нижнее значение температуры принимают равным минус 35 °C.
Принадлежности предназначены для подсоединения к ним кабелей с проводниками из меди или медных сплавов.
Вводы и переносные розетки, входящие в область применения настоящего стандарта, предназначены для применения с зарядкой видов 1, 2 и 3, случаи B и C. Штепсельные розетки и вилки, входящие в область применения настоящего стандарта, предназначены для применения только с зарядкой вида 3, случаи A и B.
Данные виды и допустимые соединения установлены в IEC 62196-1.
2 Нормативные ссылки
Применяют IEC 62196-1 (раздел 2) со следующими дополнениями:
Дополнение:
IEC 62196-1:2014, Plugs, socket-outlets, vehicle connectors and vehicle inlets - Conductive charging of electric vehicles - Part 1: General requirements (Вилки, штепсельные розетки, контактирующие устройства и входные порты транспортных средств. Проводная зарядка электрических транспортных средств. Часть 1. Общие требования)
3 Термины и определения
Применяют IEC 62196-1 (раздел 3).
4 Общие положения
Применяют IEC 62196-1 (раздел 4).
5 Номинальные параметры
Применяют IEC 62196-1 (раздел 5) со следующими изменениями:
5.1 Замена:
Значения номинального рабочего напряжения:
- 30 В (только для цепей сигнализации и управления);
- 250 В переменного тока;
- 480 В переменного тока.
5.2 Замена:
Значения номинального тока:
- 2 А (только для цепей сигнализации и управления);
- 13 А однофазного;
- 16 А одно- и трехфазного;
- 20 А одно- и трехфазного;
- 30 или 32 А одно- и трехфазного;
- 60 или 63 А одно- и трехфазного;
- 70 А только однофазного.
Примечание 1 - В США устройства защиты от сверхтока цепи ответвления предназначены для срабатывания при 125% от номинального значения принадлежностей.
Примечание 2 - Значения номинального тока 30 или 32 А и 60 или 63 А приведены в соответствии с национальными требованиями.
6 Соединение электромобиля с источником питания
Применяют IEC 62196-1 (раздел 6) со следующими изменениями:
6.1 Замена:
В настоящем подразделе приведены требования к физической токопроводимости интерфейса между транспортным средством и источником питания, что позволяет установить следующую конструкцию интерфейса транспортного средства:
- базовый интерфейс - интерфейс, предназначенный для номинального переменного трехфазного тока до 63 А и переменного однофазного тока до 70 А.
Разные типы конфигурации базового интерфейса допускают разные виды и номинальные значения тока. Во введении приведена более подробная информация по соответствующим стандартным листам.
6.2 Замена:
Существует следующий тип ввода транспортного средства:
- базовый.
6.3 Замена:
Существует следующий тип переносной розетки транспортного средства:
- базовый.
6.4 Не применяют.
6.5 Замена:
Базовый интерфейс может содержать до 7 силовых контактов или контактов сигнализации с уникальной физической конфигурацией расположения контактов для одной и трех фаз. Электрические параметры и их функции приведены в таблицах 201 и 202.
Таблица 201
Описание базового интерфейса транспортного средства
конфигурации типа 1 однофазного тока
Номер позиции <a>
Переменный ток
Функции <c>
1
250 В, 32 А <b>
L1 (сеть 1)
2
250 В, 32 А
L2 (сеть 2)/N (нейтраль)
3
Нормирован на повреждение
PE (заземление)
4
30 В, 2 А
CP (контрольный сигнал)
5
30 В, 2 А
CS (переключение соединения)
<a> Номер позиции не относится к местоположению и/или идентификации контакта в принадлежностях.
<b> В США устройства защиты от сверхтока цепи ответвления предназначены для срабатывания при 125% от номинального значения принадлежностей.
<c> Для контактов 4 и 5 в зависимости от условий окружающей среды могут потребоваться проводники больших сечений.
Таблица 202
Описание базового интерфейса транспортного средства
конфигурации типов 2 и 3 трехфазного или однофазного тока
Номер позиции <f>
Umax, В, переменный ток
Трехфазный ток Imax <a>, А
Однофазный ток Imax <a>, А
Функции
Тип 2
Тип 3
Тип 2 <b>
Тип 3
1
480
63
70
63
L1 (сеть 1) <b>
2
480
63
- <c>
- <c>
L2 (сеть 2)
3
480
63
- <c>
- <c>
L3 (сеть 3)
4
480
63
70
63
N (нейтраль) <b>, <e>
5
-
Нормирован на повреждение
PE (заземление)
6
30
2
CP (контрольный сигнал)
7
30
2
PP (датчик приближения) <d> или CS (переключение соединения) <d>
<a> В США устройства защиты от сверхтока цепи ответвления предназначены для срабатывания при 125% от номинального значения принадлежностей.
<b> Для однофазной зарядки должны использоваться контакты 1 и 4.
<c> Неиспользуемые контакты не монтируют. Не предусмотрены для стандартных листов 2-IIIa и 2-IIIb.
<d> Не предусмотрен для стандартного листа 2-IIIa.
<e> Для однофазной системы питания между фазами этот контакт может быть использован для L2 (сеть 2).
<f> Номер позиции не относится к местоположению и/или идентификации контакта в принадлежностях.
Каждый ввод транспортного средства должен быть совместим только с соответствующим типом переносной розетки. Каждая вилка должна быть совместима только с соответствующим типом штепсельной розетки.
Номинальные значения принадлежностей конфигурации типов 1, 2 и 3 подразделяют на:
- номинальные значения для соединителя транспортного средства конфигурации типа 1 - 250 В, 32 А однофазный;
- номинальные значения для соединителя транспортного средства типа 2, штепсельной розетки и вилки:
- 250 В; 13, или 20, или 32, или 63, или 70 А однофазного тока;
- 480 В; 13, или 20, или 32, или 63 А трехфазного тока;
- номинальные значения для соединителя транспортного средства типа 3, штепсельной розетки и вилки:
- 250 В, 16 или 32 А однофазного тока;
- 480 В, 32 или 63 А трехфазного тока.
6.6 Не применяют.
6.7 Не применяют.
6.201 Функции обмена данными и контрольного сигнала
Контакты контрольного сигнала, датчика приближения или переключения соединения должны использоваться в соответствии с требованиями IEC 61851-1.
7 Классификация устройств
Применяют IEC 62196-1 (раздел 7) со следующими изменениями:
7.4 По электрическому функционированию
Замена:
- способные замыкать и размыкать цепь под нагрузкой до 32 А конфигураций типов 1 и 3;
- неспособные замыкать и размыкать цепь под нагрузкой для конфигураций типа 2;
- неспособные замыкать и размыкать цепь под нагрузкой 63 А для конфигураций типа 3.
Примечание - Согласно настоящему подразделу цепи обмена информацией, определенные в настоящем стандарте, не предназначены для коммутации или обрыва нагрузок.
7.5 По интерфейсу
Замена:
Интерфейс установлен в разделе 6:
- базовый тип.
7.201 По применяемым стандартным листам
- Конфигурации типа 1;
- конфигурации типа 2;
- конфигурации типа 3.
8 Маркировка
Применяют IEC 62196-1 (раздел 8).
9 Размеры
Применяют IEC 62196-1 (раздел 9) со следующими изменениями:
9.1 Замена:
Принадлежности должны соответствовать определенным стандартным листам, как указано ниже и в таблице 203:
Конфигурации типа 1:
- соединители транспортных средств с номинальным напряжением 250 В и однофазным током 32 А: стандартный лист 2-I;
- дополнительная система блокировки: стандартный лист 2-Ia.
Примечание - В США стандартные листы 2-I и 2-Ia могут использоваться для соединителей транспортных средств с номинальным током до 80 А.
Таблица 203
Типы конфигурации и соответствующие стандартные листы
Тип конфигурации
Стандартный лист
Применяемые принадлежности
Номинальное напряжение, В
Номинальный ток, А
Число фаз
1
Соединитель
250
32
Однофазный
2
Принадлежности
250
70
Однофазный
480
63
Трехфазный
250
16
Однофазный
3
Принадлежности
250
32
Однофазный
480
63
Трехфазный
Конфигурации типа 2:
- принадлежности с номинальным напряжением 480 В и трехфазным током 63 А или с номинальным напряжением 250 В и однофазным током 70 А: стандартные листы 2-II, IIa, IIb, IIc, IId, IIe, IIf, IIg и IIh.
Конфигурации типа 3:
- принадлежности с одним контрольным сигналом с номинальным напряжением 250 В и однофазным током 16 А: стандартный лист 2-IIIa;
- принадлежности с двумя контрольными сигналами с номинальным напряжением 250 В и однофазным током 32 А: стандартный лист 2-IIIb;
- принадлежности с двумя контрольными сигналами с номинальным напряжением 480 В и трехфазным током 63 А: стандартный лист 2-IIIc;
- устройства блокировки или оперативное пространство: стандартный лист 2-IIId.
10 Защита от поражения электрическим током
Применяют IEC 62196-1 (раздел 10).
11 Размер и цвет проводников заземления
Замена:
Провод, подсоединяемый к выводу заземления, должен идентифицироваться сочетанием зеленого и желтого цвета. Номинальное сечение проводника заземления и нулевого проводника, если имеется, должно быть не менее сечения фазных проводников.
Примечание - В Японии, США, Канаде для идентификации провода заземления применяют зеленый цвет.
12 Заземление
Применяют IEC 62196-1 (раздел 12).
13 Выводы
Применяют IEC 62196-1 (раздел 13) со следующими изменениями.
Дополнительный подраздел:
13.201 Проводное соединение компонентов, например резисторов кодирования, может быть непрессованным или обрисованным.
14 Блокировки
Применяют IEC 62196-1 (раздел 14).
15 Износостойкость резиновых и термопластичных материалов
Применяют IEC 62196-1 (раздел 15).
16 Общие требования к конструкции
Применяют IEC 62196-1 (раздел 16).
17 Конструкция штепсельных розеток
Применяют IEC 62196-1 (раздел 17).
18 Конструкция вилок и переносных розеток транспортного средства
Применяют IEC 62196-1 (раздел 18).
19 Конструкция вводов транспортного средства
Применяют IEC 62196-1 (раздел 19).
20 Степени защиты
Применяют IEC 62196-1 (раздел 20).
21 Сопротивление и электрическая прочность изоляции
Применяют IEC 62196-1 (раздел 21).
22 Отключающая способность
Применяют IEC 62196-1 (раздел 22).
23 Нормальная эксплуатация
Применяют IEC 62196-1 (раздел 23).
24 Превышение температуры
Применяют IEC 62196-1 (раздел 24) со следующим дополнением:
Дополнение после седьмого абзаца:
Для принадлежностей, зависимых от кодирующего резистора для установления заданного номинального тока, испытание повторяют на комплекте образцов для каждого значения кодирующего резистора и испытывают на максимальном токе для каждого значения.
25 Гибкие кабели и их соединение
Применяют IEC 62196-1 (раздел 25).
26 Механическая прочность
Применяют IEC 62196-1 (раздел 26).
27 Винты, токопроводящие части и соединения
Применяют IEC 62196-1 (раздел 27).
28 Пути утечки, воздушные зазоры и расстояние по поверхности изолирующего компаунда
Применяют IEC 62196-1 (раздел 28).
29 Теплостойкость, огнестойкость и трекингостойкость
Применяют IEC 62196-1 (раздел 29).
30 Коррозиеустойчивость
Применяют IEC 62196-1 (раздел 30).
31 Выдерживаемый условный ток короткого замыкания
Применяют IEC 62196-1 (раздел 31).
32 Электромагнитная совместимость (ЭМС)
Применяют IEC 62196-1 (раздел 32).
33 Повреждение транспортным средством при наезде
Применяют IEC 62196-1 (раздел 33) со следующими изменениями:
33.3 Не применяют.
33.4 Не применяют.
201 Компоненты
Примечание - Настоящий раздел будет перемещен в раздел IEC 62196-1 при следующем пересмотре.
201.1 Номинальные параметры
Любой компонент применяют в соответствии с установленными номинальными параметрами, обусловленными предполагаемыми условиями эксплуатации.
Соответствие проверяют осмотром.
201.2 Механическая сборка
Ослабление крепления деталей принадлежностей в результате вибрации при хранении, манипулировании и эксплуатации не должно стать причиной возникновения пожара, поражения электрическим током, травматизма людей.
Соответствие проверяют осмотром.
201.3 Токоведущие части встроенных компонентов
Неизолированная токоведущая часть или компонент, имеющие неизолированные токоведущие части, должны быть так закреплены на основании или монтажной поверхности, чтобы не вращаться и не смещаться с места крепления, уменьшая при этом пути утечки или воздушные зазоры ниже минимальных значений, установленных в IEC 62196-1 (раздел 28).
Соответствие проверяют осмотром.
201.4 Электрические соединения
201.4.1 Требования, установленные в 201.4.2 - 201.4.4, применяются к соединениям внутренней проводки заводского монтажа.
Соответствие проверяют осмотром.
201.4.2 Стык или соединение должны быть механически надежны и должны устанавливать электрический контакт.
Соответствие проверяют осмотром.
201.4.3 Паяное соединение считают механически надежным при условии, что провод:
- обернут одним полным оборотом вокруг вывода;
- отогнут под прямым углом после пропускания через ушко или отверстие, кроме печатных плат, где компоненты вставляют или прикрепляют (компоненты наружного монтажа) и паяют волной припоя или внахлест или
- скручен с другими проводниками
- или эквивалентным способом.
Соответствие проверяют осмотром.
201.4.4 Место соединения должно иметь изоляцию, равноценную изоляции проводов, если только между местом соединения и другими металлическими частями не поддерживается постоянный зазор и пути утечки. Изоляция по месту соединения не запрещает использовать:
- устройства для соединения, например обжимной соединитель, рассчитанный на соответствующее напряжение и температуру;
- изолирующую трубку или шланг, закрывающие место соединения.
Соответствие проверяют осмотром.
202 Кодирующие резисторы
Переносная розетка и вилка транспортного средства конфигурации типов 2, 3b и 3c должны быть снабжены кодирующим резистором Rc для определения максимальной токовой способности кабельного узла и переносной розетки и вилки транспортного средства.
Параметры резистора и их отклонения должны соответствовать IEC 61851-1 (раздел B.5).
Соответствие проверяют осмотром.
СТАНДАРТНЫЕ ЛИСТЫ
Конфигурация типа 1
Стандартные листы 2-I
Соединители транспортного средства, предназначенные
для использования при номинальном напряжении 250 В
переменного тока 32 А
Предисловие
Стандартные листы 2-I применяются к конфигурации типа 1 - соединителям транспортного средства с номинальным напряжением 250 В переменного однофазного тока 32 А.
Для конфигурации типа 1 должен применяться IEC 61851-1 (приложение A и раздел B.2 (приложение B)). Величина напряжения постоянного тока регулируемого источника питания по IEC 61851-1 (таблица B.2 (приложение B)) должна равняться плюс 5 В.
Стандартные листы 2-Ia определяют обязательную систему защелкивания.
Эта конфигурация не должна применяться к типу 1 с напряжением между фазой и землей свыше 150 В.
СТАНДАРТНЫЕ ЛИСТЫ 2-I
Лист 1
Вводы транспортного средства, предназначенные
для использования при номинальном напряжении
250 В переменного тока 32 А
Значения в скобках приведены для сведения.
Основные допуски
10 max: +/- 0,15
50 max: +/- 0,2
100 max: +/- 0,3
Углы: +/- 30'
SDP - стандартизованная исходная база;
G - поверхность G (если есть);
P - поверхность P;
IC - изоляционный наконечник (если необходимо);
CT - контакт;
EF - выход жидкости (если необходимо);
VS - поверхность транспортного средства
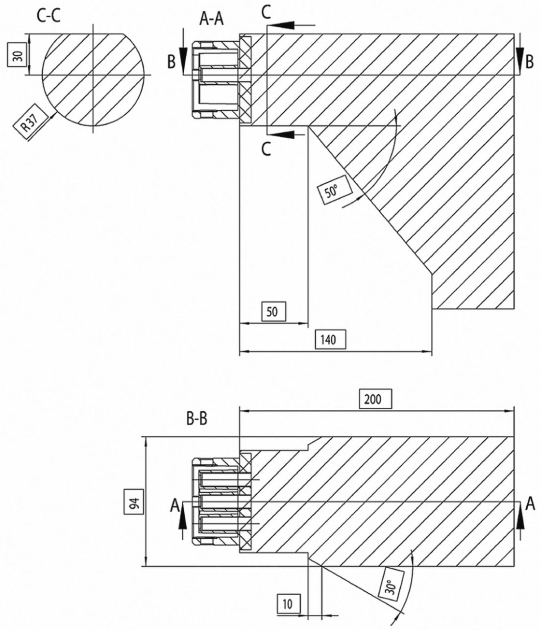
СТАНДАРТНЫЕ ЛИСТЫ 2-I
Лист 2 (продолжение листа 1)
Переносные розетки транспортного средства, предназначенные
для использования при номинальном напряжении
250 В переменного тока 32 А
Значения в скобках приведены для сведения.
Основные допуски
10 max: +/- 0,15
50 max: +/- 0,2
100 max: +/- 0,3
Углы: +/- 30'
EF - выход жидкости (если необходимо);
P - уплотнение (если необходимо). Один из вариантов уплотнения для обеспечения IP44 между соединителем и вводом транспортного средства;
SDP - стандартизованная исходная база переносной розетки
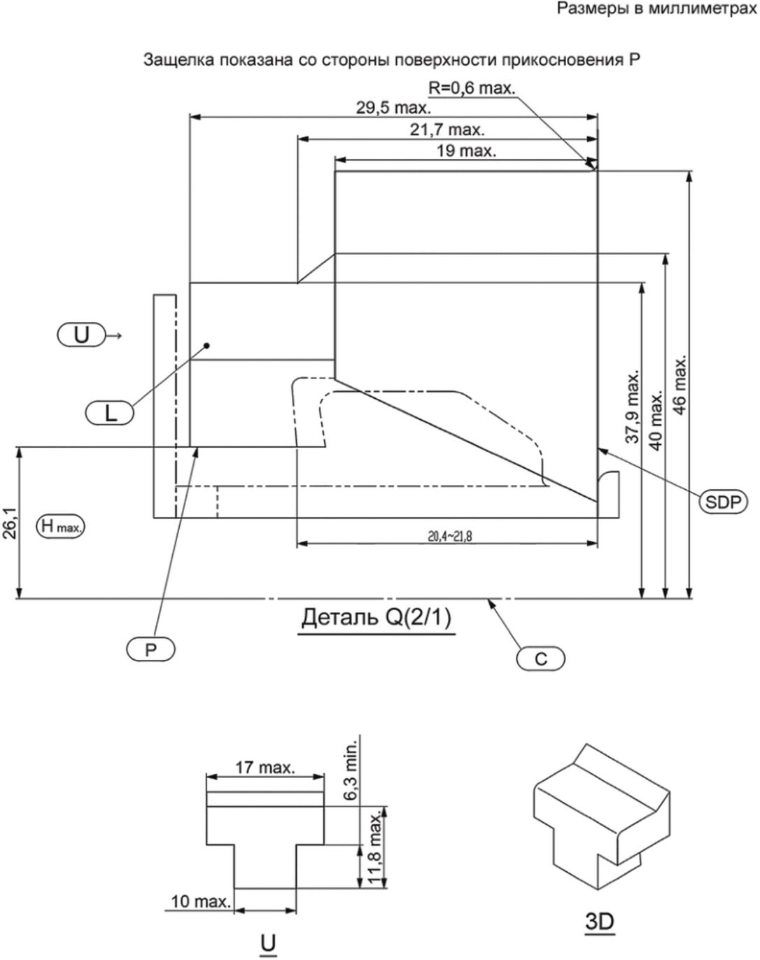
СТАНДАРТНЫЕ ЛИСТЫ 2-I
Лист 3 (продолжение листа 2)
Переносная розетка транспортного средства, обеспечивающая
защиту от влаги IP44 транспортных соединителей.
Максимальные размеры контура корпуса
транспортного соединителя
CO - форма переносной розетки транспортного средства должна быть в пределах указанных сплошных линий;
Lmax - ограничение длины защелки;
C - осевая линия ввода транспортного средства;
CPI - центральная точка оси ввода транспортного средства;
SDP - стандартизованная исходная база;
LS - корпус защелки (если имеется);
VS - поверхность транспортного средства;
L - защелка;
P - поверхность P;
G - поверхность G;
V - форма корпуса защелки (если имеется) должна быть в пределах указанных сплошных линий. Защелка не должна выступать за указанный контур в полностью открытом положении;
Q - см. продолжение листа;
RR - показывает форму корпуса защелки (если имеется);
3D - трехмерное изображение (вид 3D).
Примечание - Корпус не является обязательным.
Приведенные рисунки не устанавливают требований к проектированию корпуса переносной розетки транспортного средства и форме защелки, за исключением указанных размеров.
СТАНДАРТНЫЕ ЛИСТЫ 2-I
Лист 4 (продолжение листа 3)
Максимальные размеры контура защелки
Приведенные рисунки не устанавливают требований к форме защелки, за исключением указанных размеров.
C - осевая линия ввода транспортного средства;
Hmax - максимальная высота поверхности P (см. сечение A-A);
L - защелка;
P - поверхность P;
SDP - стандартизованная исходная база ввода транспортного средства;
U - максимальные внешние размеры защелки
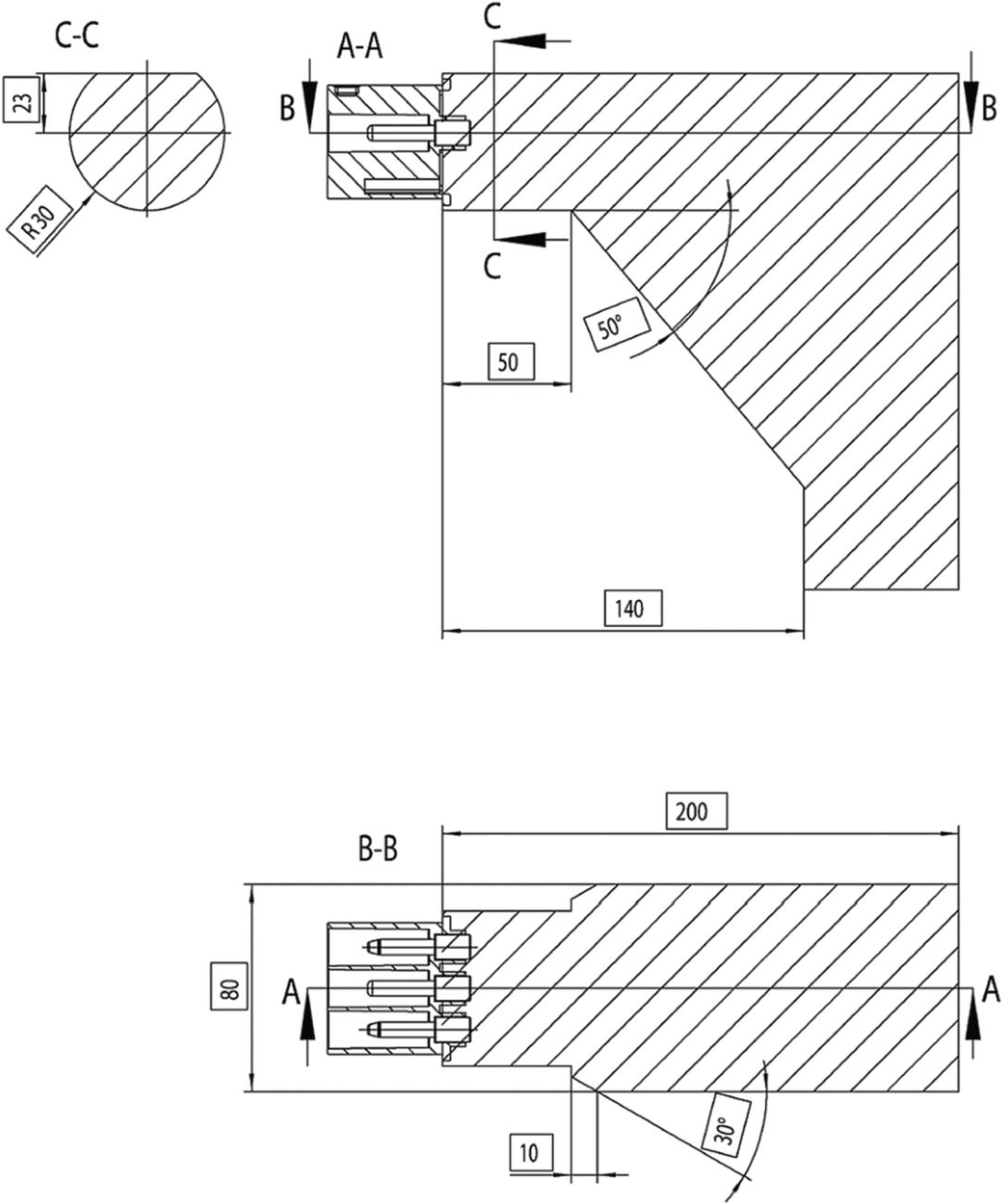
СТАНДАРТНЫЕ ЛИСТЫ 2-I
Лист 5 (продолжение листа 4)
Соединитель транспортного средства.
Максимальные размеры и контур защелки
Приведенные рисунки не устанавливают требований к проектированию корпуса переносной розетки транспортного средства и форме защелки, за исключением указанных размеров.
G - поверхность G;
SDP - стандартизованная исходная база ввода транспортного средства;
C - осевая линия ввода транспортного средства;
Lmax - ограничение длины защелки;
CO - форма переносной розетки транспортного средства должна быть в пределах указанных сплошных линий;
EV - электрическое транспортное средство;
LO - защелка должна быть в пределах указанной заштрихованной области;
VS - поверхность транспортного средства
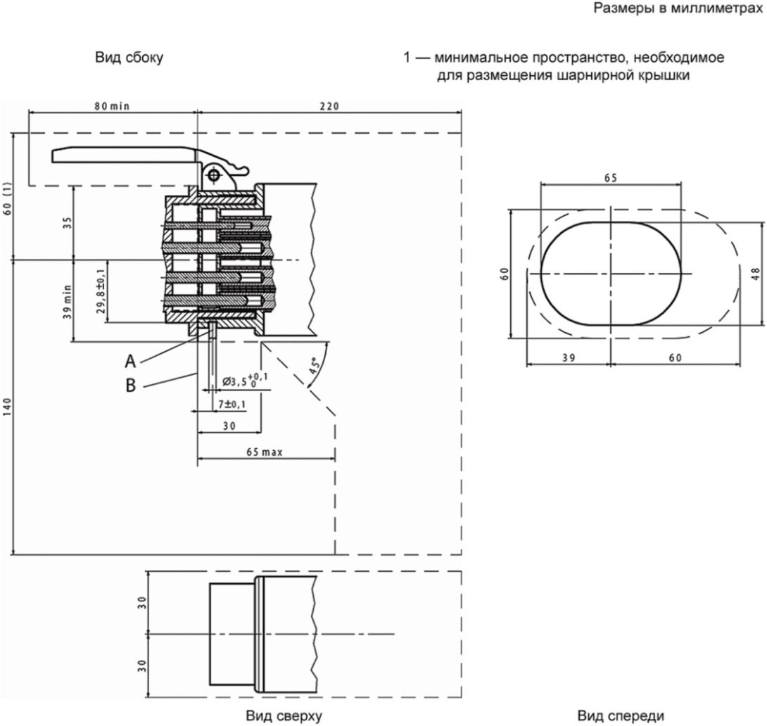
СТАНДАРТНЫЕ ЛИСТЫ 2-Ia
Лист 1
Переносная розетка транспортного средства. Дополнительная
система блокировки. Части, обеспечивающие защиту от влаги
IP44 транспортных соединителей.
Максимальные размеры и контур
Вид сбоку на соединитель транспортного средства
CO - форма переносной розетки транспортного средства должна быть в пределах указанных сплошных линий;
Lmax - ограничение длины защелки;
C - осевая линия ввода транспортного средства;
CPI - центральная точка оси ввода транспортного средства;
SDP - стандартизованная исходная база;
LS - корпус защелки (если имеется);
VS - поверхность транспортного средства;
L - защелка;
Q - см. продолжение листа;
RR - показывает форму корпуса защелки (если имеется);
G - поверхность G;
P - поверхность P;
V - форма корпуса защелки (если имеется) должна быть в пределах указанных сплошных линий. Защелка не должна выступать за указанный контур в полностью открытом положении;
3D - трехмерное изображение (вид 3D).
Примечание - Корпус не является обязательным.
Приведенные рисунки не устанавливают требований к проектированию корпуса переносной розетки транспортного средства и форме защелки, за исключением указанных размеров.
СТАНДАРТНЫЕ ЛИСТЫ 2-Ia
Лист 2 (продолжение листа 1)
Максимальные размеры контура защелки
Приведенные рисунки не устанавливают требований к форме защелки, за исключением указанных размеров.
C - осевая линия ввода транспортного средства;
HP - высота поверхности P (см. сечение A-A стандартного листа 2-I);
L - защелка;
P - поверхность P;
SDP - стандартизованная исходная база ввода транспортного средства;
U - максимальные внешние размеры защелки;
Lmax - ограничение длины защелки
СТАНДАРТНЫЕ ЛИСТЫ 2-Ia
Лист 3 (продолжение листа 2)
Переносная розетка транспортного средства. Максимальные
размеры корпуса и контура защелки
Приведенные рисунки не устанавливают требований к проектированию корпуса переносной розетки транспортного средства и форме защелки, за исключением указанных размеров.
G - поверхность G;
SDP - стандартизованная исходная база ввода транспортного средства;
C - осевая линия ввода транспортного средства;
Lmax - ограничение длины защелки;
CO - форма переносной розетки транспортного средства должна быть в пределах указанных сплошных линий;
EV - электрическое транспортное средство;
LO - защелка должна быть в пределах указанной заштрихованной области;
VS - поверхность транспортного средства
СТАНДАРТНЫЕ ЛИСТЫ
Конфигурация типа 2
Стандартные листы 2-II
Принадлежности, предназначенные для использования
при номинальном напряжении 480 В трехфазного тока 63 А
или 250 В однофазного тока 70 А
Предисловие
Стандартные листы 2-II применяются к конфигурации типа 2 - принадлежности, предназначенные для использования при номинальном значении напряжения 480 В переменного трехфазного тока 63 А или при номинальном значении напряжения 250 В переменного однофазного тока 70 А.
Для конфигурации типа 2 применяется следующая спецификация:
Блокировка принадлежностей обязательна для предотвращения непреднамеренного разъединения и отключения под нагрузкой. Блокировка должна обеспечивать остановку передачи энергии до разъединения.
Примечание - Блокировка должна быть обеспечена механическим или электрическим способом.
Блокировочные средства должны иметь возможность информирования о правильном соединении. Должно быть предусмотрено хотя бы одно средство блокировки.
Информативность должна обеспечиваться, например, посредством дополнительного контакта.
Функция управления должна быть реализована выполнением требований IEC 61851-1 (приложение A).
Определение приближения и кодирование током должны быть реализованы выполнением требований IEC 61851-1 (раздел B.5 (приложение B)).
Взаимодействие принадлежностей конфигурации типа 2 приведено в таблице 204.
Таблица 204
Взаимодействие принадлежностей конфигурации типа 2
Принадлежности <a>
Вилка (тип 3).
Ввод транспортного средства (все типы).
Ввод транспортного средства (типы 2 и 3).
Штепсельная розетка (тип 3). Лист 2-IIa
Да
Н/а <d>
Н/а <d>
Переносная розетка (тип 1). Лист 2-IIc
Нет <b>
Да
Нет <b>
Переносная розетка (типы 2 и 3). Лист 2-IIe
Нет <c>
Да
Да
<a> Принадлежности типа 2 применяют только в тех видах, которые перечислены в данной таблице.
<b> Совместимость исключена механически.
<c> Совместимость исключена разрывом цепи контрольного управления.
<d> Стационарные принадлежности не должны быть совместимы между собой.
Стандартные листы 2-IIg и 2-IIh определяют оперативное пространство для обеспечения совместимости.
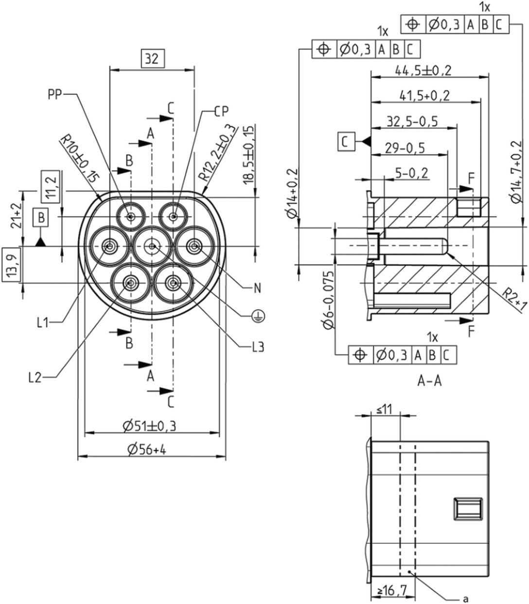
Стандартный лист 2-IIa
Лист 1
Штепсельные розетки, предназначенные для использования
при номинальном напряжении 480 В трехфазного тока 63 А
или 250 В однофазного тока 70 А
Неуказанные значения радиуса: R от 0,5 до 0,7 мм.
A - средства блокировки, сконструированные по согласованию с потребителем;
B - дренажное отверстие (дополнительное);
C - зона уплотнения (дополнительное уплотнение). Область вилки от 11 до 16,7 должна быть свободной от усадки, резки инструментом и меток эжектора. См. 2-IIb листа 1;
D - наконечник втулки, скошенный для облегчения установки;
E - место контакта.
Для однофазных разъемов контактами L2 и L3, включая окружающую изоляцию, можно пренебречь.
Стандартный лист 2-IIa
Лист 2 (продолжение листа 1)
Неуказанные значения радиуса: R от 0,5 до 0,7 мм.
A - предпочтительная область для дополнительного затвора. Механизм может превышать эту область;
B - положение средства блокировки. Должно быть предусмотрено хотя бы одно средство блокировки
Стандартный лист 2-IIb
Лист 1
Вилки, предназначенные для использования при номинальном
напряжении 480 В трехфазного тока 63 А или 250 В однофазного
тока 70 А
Неуказанные значения радиуса: R от 0,5 до 0,7 мм.
A - зона уплотнения, свободная от усадки, резки инструментом и эжектора.
Шероховатость поверхности в зоне уплотнения: Ra = 0,7 мкм.
Для однофазных разъемов контактами L2 и L3, включая окружающую изоляцию, можно пренебречь.
Стандартный лист 2-IIb
Лист 2 (продолжение листа 1)
Неуказанные значения радиуса: R от 0,5 до 0,7 мм.
A - наконечник из изоляционного материала;
B - в указанной области не должно быть острых кромок;
C - полость должна иметь прямоугольную форму с гладкими краями с указанными размерами и должна находиться в установленных пределах на расстоянии менее 14,5 мм. Кроме того, пределы полости могут иметь разную форму и разные размеры;
D - полость должна иметь прямоугольную форму с гладкими краями с указанными размерами и должна находиться в установленных пределах на расстоянии менее 21,2 мм. Помимо этих пределов, полость может иметь другую форму и размер
Стандартный лист 2-IIc
Лист 1
Переносные розетки, предназначенные для использования
при номинальном напряжении 480 В трехфазного тока 63 А
или 250 В однофазного тока 70 А
Неуказанные значения радиуса: R от 0,5 до 0,7 мм.
A - все выступы могут быть уменьшены на 17,8 мм, если используется затвор;
B - наконечник втулки, скошенный для облегчения установки;
C - место контакта;
D - зона уплотнения, свободная от усадки, резки инструментом и эжектора
Шероховатость поверхности в зоне уплотнения: Ra = 0,7 мкм.
Для однофазных разъемов контактами L2 и L3, включая окружающую изоляцию, можно пренебречь.
Стандартный лист 2-IIc
Лист 2 (продолжение листа 1)
Неуказанные значения радиуса: R от 0,5 до 0,7 мм.
Стандартный лист 2-IId
Лист 1
Ввод транспортного средства, предназначенный
для использования при номинальном напряжении
480 В трехфазного тока 63 А или 250 В однофазного тока 70 А
A - средства блокировки, сконструированные по согласованию с потребителем;
B - дренажное отверстие (дополнительное);
C - зона уплотнения (дополнительное уплотнение).
Неуказанные значения радиуса: R от 0,5 до 0,7 мм.
Для однофазных разъемов контактами L2 и L3, включая окружающую изоляцию, можно пренебречь.
Стандартный лист 2-IId
Лист 2 (продолжение листа 1)
Неуказанные значения радиуса: R от 0,5 до 0,7 мм.
A - в указанной области не должно быть острых кромок;
B - наконечник из изоляционного материала;
C - положение средства блокировки. Должно быть предусмотрено хотя бы одно средство блокировки.
Стандартный лист 2-IIe
Лист 1
Переносная розетка, предназначенная для использования
при номинальном напряжении 480 В трехфазного тока 63 А
или 250 В однофазного тока 70 А
Неуказанные значения радиуса: R от 0,5 до 0,7 мм.
A - наконечник втулки, скошенный для облегчения установки;
B - место контакта;
C - зона уплотнения, свободная от усадки, резки инструментом и эжектора.
Шероховатость поверхности в зоне уплотнения: Ra = 0,7 мкм.
Для однофазных разъемов контактами L2 и L3, включая окружающую изоляцию, можно пренебречь.
Стандартный лист 2-IIe
Лист 2 (продолжение листа 1)
Неуказанные значения радиуса: R от 0,5 до 0,7 мм.
Стандартный лист 2-IIf
Лист 1
Ввод транспортного средства, предназначенный
для использования при номинальном напряжении
480 В трехфазного тока 63 А или 250 В однофазного тока 70 А
A - средства блокировки, сконструированные по согласованию с потребителем;
B - зона уплотнения (дополнительное уплотнение).
Неуказанные значения радиуса: R от 0,5 до 0,7 мм.
Для однофазных разъемов контактами L2 и L3, включая окружающую изоляцию, можно пренебречь.
Стандартный лист 2-IIf
Лист 2 (продолжение листа 1)
Неуказанные значения радиуса: R от 0,5 до 0,7 мм.
A - наконечник из изоляционного материала;
B - в указанной области не должно быть острых кромок;
C - положение средства блокировки. Должно быть предусмотрено хотя бы одно средство блокировки.
Стандартный лист 2-IIg
Вилка. Место хранения
Форма корпуса вилки должна находиться в пределах заштрихованной области.
Стандартный лист 2-IIh
Переносная розетка транспортного средства. Место хранения
Форма корпуса переносной розетки транспортного средства должна находиться в пределах заштрихованной области.
СТАНДАРТНЫЕ ЛИСТЫ
Конфигурация типа 3
Стандартные листы 2-III
Принадлежности, предназначенные для использования
при номинальном напряжении 480 В трехфазного тока 63 А
или 250 В однофазного тока 16 и 32 А
Предисловие
Стандартные листы 2-III применяются к конфигурации типа 3: принадлежности, предназначенные для использования при номинальном значении напряжения 480 В переменного трехфазного тока 63 А или при номинальном значении напряжения 250 В переменного однофазного тока.
Для конфигурации типа 3 применяется следующая спецификация:
Блокировка принадлежностей должна соответствовать требованиям IEC 61851-1.
Блокировка для принадлежностей с номинальным током 63 А обязательна.
Примечание 1 - Блокировка должна быть обеспечена механическим или электрическим способом.
Блокировочные средства должны иметь возможность информирования о правильном соединении.
Контакт управления должен соответствовать требованиям IEC 61851-1 (приложение A).
Когда контакт PP используется для одновременного обнаружения приближения и возможности токового кодирования кабельного узла, его необходимо использовать в соответствии с IEC 61851-1 (раздел B.5 (приложение B)).
В стандартных листах 2-IIId приведены блокировочные средства и рекомендованные зоны для размещения соединительных устройств.
Примечание 2 - Хранение вилок и переносных розеток в углубленном пространстве, других частей штепсельных розеток/вводов транспортного средства вне этого пространства должно гарантировать их сохранность.
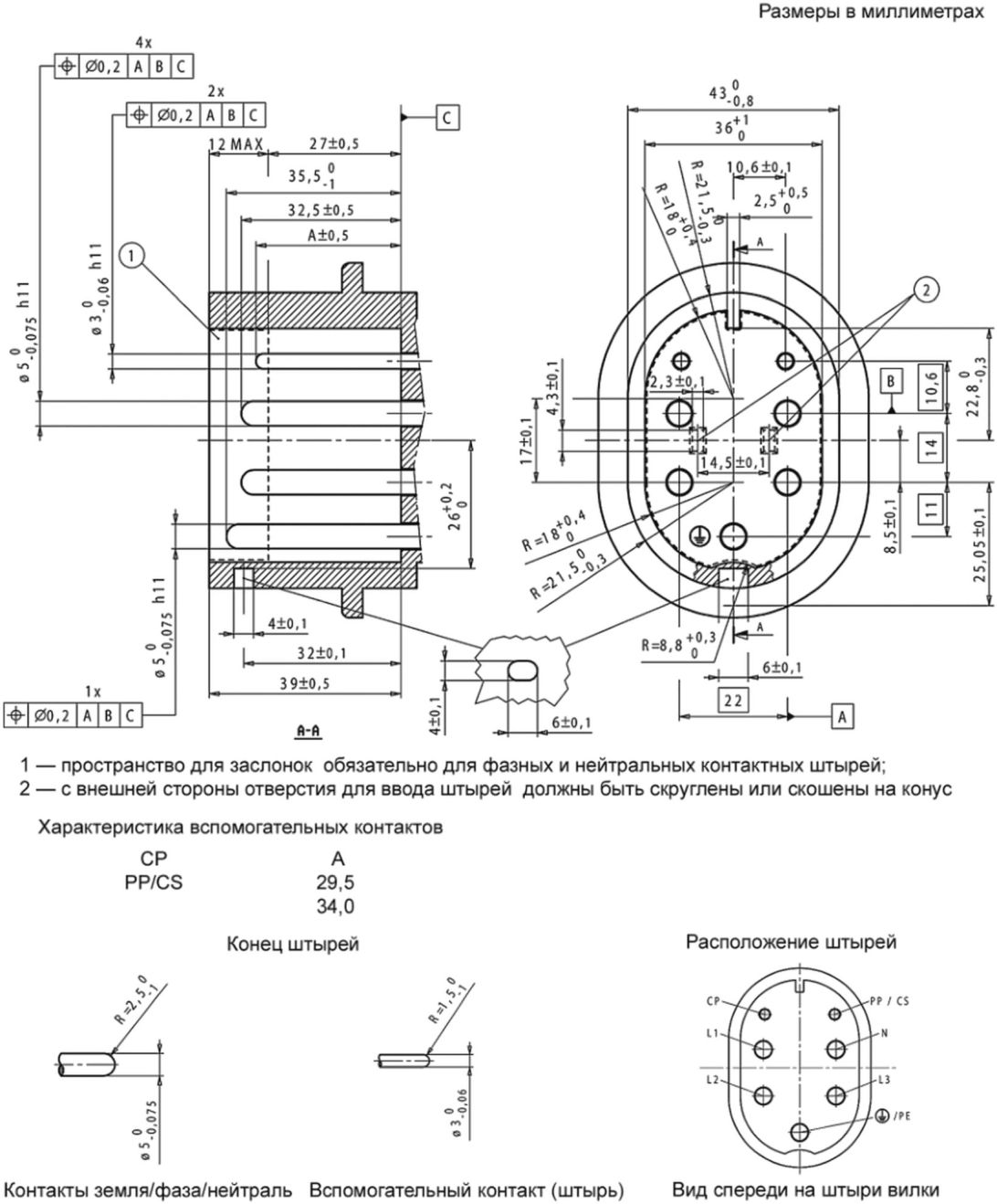
Стандартный лист 2-IIIa
Лист 1
Вилка, предназначенная для использования при номинальном
напряжении 250 В однофазного тока 16 А, с одним
управляющим контактом
Стандартный лист 2-IIIa
Лист 2 (продолжение листа 1)
Штепсельная розетка, предназначенная для использования
при номинальном напряжении 250 В однофазного тока 16 А,
с одним управляющим контактом
1 - размеры относятся к штырям. Контактные гнезда могут быть нецилиндрическими;
2 - фаски на внутренней цилиндрической поверхности контактного гнезда могут быть в пределах 1,5-кратного указанного значения;
3 - указанные размеры должны быть в пределах указанных допусков на расстоянии не менее 10 мм. Далее они могут увеличиваться, но не уменьшаться;
4 - отверстие может быть цилиндрическим, диаметром 4 мм или пазом минимальной шириной 4 мм;
5 - пространство для заслонки обязательно для фазных и нейтральных гнезд;
6 - с внешней стороны отверстия для ввода штырей должны быть скруглены или скошены на конус;
7 - этот размер измеряют от конца контактного гнезда
Стандартный лист 2-IIIa
Лист 3 (продолжение листа 2)
Ввод транспортного средства, предназначенный
для использования при номинальном напряжении
250 В однофазного тока 16 А, с одним управляющим контактом
Стандартный лист 2-IIIa
Лист 4 (продолжение листа 3)
Переносная розетка транспортного средства, предназначенная
для использования при номинальном напряжении
250 В однофазного тока 16 А, с одним управляющим контактом
1 - размеры относятся к штырям. Контактные гнезда могут быть нецилиндрическими;
2 - фаски на внутренней цилиндрической поверхности контактного гнезда могут быть в пределах 1,5-кратного указанного значения;
3 - указанные размеры должны быть в пределах указанных допусков на расстоянии не менее 10 мм. Далее они могут увеличиваться, но не уменьшаться;
4 - отверстие может быть цилиндрическим, диаметром 4 мм или пазом минимальной шириной 4 мм;
5 - пространство для заслонки обязательно для фазных и нейтральных гнезд;
6 - с внешней стороны отверстия для ввода штырей должны быть скруглены или скошены на конус
Стандартный лист 2-IIIb
Лист 1
Вилка, предназначенная для использования при номинальном
напряжении 250 В однофазного тока 32 А, с двумя
управляющими контактами
Стандартный лист 2-IIIb
Лист 2 (продолжение листа 1)
Штепсельная розетка, предназначенная для использования
при номинальном напряжении 250 В однофазного тока 32 А,
с двумя управляющими контактами
1 - размеры относятся к штырям. Контактные гнезда могут быть нецилиндрическими;
2 - фаски на внутренней цилиндрической поверхности контактного гнезда могут быть в пределах 1,5-кратного указанного значения;
3 - указанные размеры должны быть в пределах указанных допусков на расстоянии не менее 10 мм. Далее они могут увеличиваться, но не уменьшаться;
4 - отверстие может быть цилиндрическим, диаметром 4 мм или пазом минимальной шириной 4 мм;
5 - пространство для заслонки обязательно для фазных и нейтральных гнезд;
6 - с внешней стороны отверстия для ввода штырей должны быть скруглены или скошены на конус;
7 - этот размер измеряют от конца контактного гнезда
Стандартный лист 2-IIIb
Лист 3 (продолжение листа 2)
Ввод транспортного средства, предназначенный
для использования при номинальном напряжении
250 В однофазного тока 32 А, с двумя управляющими контактами
Стандартный лист 2-IIIb
Лист 4 (продолжение листа 3)
Переносная розетка, предназначенная для использования
при номинальном напряжении 250 В однофазного тока 32 А,
с двумя управляющими контактами
1 - размеры относятся к штырям. Контактные гнезда могут быть нецилиндрическими;
2 - фаски на внутренней цилиндрической поверхности контактного гнезда могут быть в пределах 1,5-кратного указанного значения;
3 - указанные размеры должны быть в пределах указанных допусков на расстоянии не менее 10 мм. Далее они могут увеличиваться, но не уменьшаться;
4 - отверстие может быть цилиндрическим, диаметром 4 мм или пазом минимальной шириной 4 мм;
5 - пространство для заслонки обязательно для фазных и нейтральных гнезд;
6 - с внешней стороны отверстия для ввода штырей должны быть скруглены или скошены на конус;
7 - этот размер измеряют от конца контактного гнезда
Стандартный лист 2-IIIc
Лист 1
Вилка, предназначенная для использования при номинальном
напряжении 480 В трехфазного тока 63 А, с двумя
управляющими контактами
Стандартный лист 2-IIIc
Лист 2 (продолжение листа 1)
Штепсельная розетка, предназначенная для использования
при номинальном напряжении 480 В трехфазного тока 63 А,
с двумя управляющими контактами
1 - размеры относятся к штырям. Контактные гнезда могут быть нецилиндрическими;
2 - фаски на внутренней цилиндрической поверхности контактного гнезда могут быть в пределах 1,5-кратного указанного значения;
3 - указанные размеры должны быть в пределах указанных допусков на расстоянии не менее 10 мм. Далее они могут увеличиваться, но не уменьшаться;
4 - отверстие может быть цилиндрическим, диаметром 4 мм или пазом минимальной шириной 4 мм;
5 - пространство для заслонки обязательно для фазных и нейтральных гнезд;
6 - с внешней стороны отверстия для ввода штырей должны быть скруглены или скошены на конус;
7 - этот размер измеряют от конца контактного гнезда
Стандартный лист 2-IIIc
Лист 3 (продолжение листа 2)
Ввод транспортного средства, предназначенный
для использования при номинальном напряжении
480 В трехфазного тока 63 А, с двумя управляющими контактами
Стандартный лист 2-IIIc
Лист 6 (продолжение листа 5)
Переносная розетка, предназначенная для использования
при номинальном напряжении 480 В трехфазного тока 63 А,
с двумя управляющими контактами
1 - размеры относятся к штырям. Контактные гнезда могут быть нецилиндрическими;
2 - фаски на внутренней цилиндрической поверхности контактного гнезда могут быть в пределах 1,5-кратного указанного значения;
3 - указанные размеры должны быть в пределах указанных допусков на расстоянии не менее 10 мм. Далее они могут увеличиваться, но не уменьшаться;
4 - отверстие может быть цилиндрическим, диаметром 4 мм или пазом минимальной шириной 4 мм;
5 - пространство для заслонки обязательно для фазных и нейтральных гнезд;
6 - с внешней стороны отверстия для ввода штырей должны быть скруглены или скошены на конус;
7 - этот размер измеряют от конца контактного гнезда
Стандартный лист 2-IIId
Лист 1
Соединитель транспортного средства, предназначенный
для использования при номинальном напряжении
250 В однофазного тока 16 А (переносная розетка совместно
с вводом транспортного средства).
Блокировочные средства и место хранения
(Стандартный лист 2-IIIa)
Форма корпуса переносной розетки транспортного средства должна быть в пределах пунктирной линии.
A - средства блокировки;
B - поверхность транспортного средства
Стандартный лист 2-IIId
Лист 2 (продолжение листа 1)
Вилка и штепсельная розетка, предназначенные
для использования при номинальном напряжении
250 В однофазного тока 16 А.
Блокировочные средства и место хранения
(Стандартный лист 2-IIIa)
Форма корпуса переносной розетки транспортного средства должна быть в пределах пунктирной линии.
A - средства блокировки;
C - поверхность штепсельной розетки
Стандартный лист 2-IIId
Соединитель транспортного средства, предназначенный
для использования при номинальном напряжении
250 В однофазного тока 32 А (переносная розетка совместно
с вводом транспортного средства).
Блокировочные средства и место хранения
(Стандартный лист 2-IIIb)
Лист 3 (продолжение листа 2)
Форма корпуса переносной розетки транспортного средства должна быть в пределах пунктирной линии.
A - средства блокировки;
B - поверхность транспортного средства
Стандартный лист 2-IIId
Вилка и штепсельная розетка, предназначенные
для использования при номинальном напряжении
250 В однофазного тока 32 А.
Блокировочные средства и место хранения
(Стандартный лист 2-IIIb)
Лист 4 (продолжение листа 3)
Форма корпуса переносной розетки транспортного средства должна быть в пределах пунктирной линии.
A - средства блокировки;
C - поверхность штепсельной розетки
Стандартный лист 2-IIId
Соединитель транспортного средства, предназначенный
для использования при номинальном напряжении
480 В трехфазного тока 63 А (переносная розетка совместно
с вводом транспортного средства).
Блокировочные средства и место хранения
(Стандартный лист 2-IIIc)
Лист 5 (продолжение листа 4)
Форма корпуса переносной розетки транспортного средства должна быть в пределах пунктирной линии.
A - средства блокировки;
B - поверхность транспортного средства
Стандартный лист 2-IIId
Вилка и штепсельная розетка, предназначенные
для использования при номинальном напряжении
480 В трехфазного тока 63 А.
Блокировочные средства и место хранения
(Стандартный лист 2-IIIc)
Лист 6 (продолжение листа 5)
Форма корпуса переносной розетки транспортного средства должна быть в пределах пунктирной линии.
A - средства блокировки;
B - поверхность штепсельной розетки
Приложение ДА
(справочное)
СВЕДЕНИЯ О СООТВЕТСТВИИ ССЫЛОЧНЫХ МЕЖДУНАРОДНЫХ СТАНДАРТОВ
МЕЖГОСУДАРСТВЕННЫМ СТАНДАРТАМ
Таблица ДА.1
Обозначение ссылочного международного стандарта
Степень соответствия
Обозначение и наименование соответствующего межгосударственного стандарта
IEC 62196-1:2014
-
<*> Соответствующий межгосударственный стандарт отсутствует. До его принятия рекомендуется использовать перевод на русский язык данного международного стандарта.
--------------------------------
<1> В Российской Федерации действует ГОСТ Р МЭК 62196-1-2013 "Вилки, штепсельные розетки, соединители и вводы для транспортных средств. Кондуктивная зарядка для электромобилей. Часть 1. Общие требования" (IEC 62196-1:2011, IDT).
УДК 621.316.542:006.354
МКС 29.120.30;
IDT
Ключевые слова: вилка, штепсельная розетка, переносная розетка, ввод транспортного средства со штырями и контактными гнездами