Главная // Актуальные документы // ГОСТ (Государственный стандарт)СПРАВКА
Источник публикации
М.: ФГБУ "Институт стандартизации", 2023
Примечание к документу
Текст данного документа приведен с учетом
поправки, опубликованной в "ИУС", N 4, 2024.
Документ
вводится в действие с 01.01.2025 с правом досрочного применения.
Название документа
"ГОСТ 31370-2023. Межгосударственный стандарт. Газ природный. Руководство по отбору проб"
(введен в действие Приказом Росстандарта от 24.10.2023 N 1219-ст)
"ГОСТ 31370-2023. Межгосударственный стандарт. Газ природный. Руководство по отбору проб"
(введен в действие Приказом Росстандарта от 24.10.2023 N 1219-ст)
агентства по техническому
регулированию и метрологии
от 24 октября 2023 г. N 1219-ст
МЕЖГОСУДАРСТВЕННЫЙ СТАНДАРТ
ГАЗ ПРИРОДНЫЙ
РУКОВОДСТВО ПО ОТБОРУ ПРОБ
Natural gas. Sampling guidelines
(ISO 10715:2022, NEQ)
ГОСТ 31370-2023
Дата введения
1 января 2025 года
с правом досрочного применения
Цели, основные принципы и общие правила проведения работ по межгосударственной стандартизации установлены
ГОСТ 1.0 "Межгосударственная система стандартизации. Основные положения" и
ГОСТ 1.2 "Межгосударственная система стандартизации. Стандарты межгосударственные, правила и рекомендации по межгосударственной стандартизации. Правила разработки, принятия, обновления и отмены"
1 РАЗРАБОТАН Обществом с ограниченной ответственностью "Научно-исследовательский институт природных газов и газовых технологий - Газпром ВНИИГАЗ" (ООО "Газпром ВНИИГАЗ")
2 ВНЕСЕН Межгосударственным техническим комитетом по стандартизации МТК 52 "Природный и сжиженные газы"
3 ПРИНЯТ Межгосударственным советом по стандартизации, метрологии и сертификации (протокол от 25 сентября 2023 г. N 165-П)
За принятие проголосовали:
Краткое наименование страны по МК (ИСО 3166) 004-97 | Код страны по МК (ИСО 3166) 004-97 | Сокращенное наименование национального органа по стандартизации |
Армения | AM | ЗАО "Национальный орган по стандартизации и метрологии" Республики Армения |
Беларусь | BY | Госстандарт Республики Беларусь |
Киргизия | KG | Кыргызстандарт |
Россия | RU | Росстандарт |
Таджикистан | TJ | Таджикстандарт |
Узбекистан | UZ | Узстандарт |
4
Приказом Федерального агентства по техническому регулированию и метрологии от 24 октября 2023 г. N 1219-ст межгосударственный стандарт ГОСТ 31370-2023 введен в действие в качестве национального стандарта Российской Федерации с 1 января 2025 г. с правом досрочного применения
5 В настоящем стандарте учтены основные нормативные положения международного стандарта ISO 10715:2022 "Газ природный. Отбор проб" ("Natural gas - Gas sampling", NEQ)
Информация о введении в действие (прекращении действия) настоящего стандарта и изменений к нему на территории указанных выше государств публикуется в указателях национальных стандартов, издаваемых в этих государствах, а также в сети Интернет на сайтах соответствующих национальных органов по стандартизации.
В случае пересмотра, изменения или отмены настоящего стандарта соответствующая информация будет опубликована на официальном интернет-сайте Межгосударственного совета по стандартизации, метрологии и сертификации в каталоге "Межгосударственные стандарты"
Пробы природного газа для определения его состава и физико-химических свойств отбирают на различных этапах жизненного цикла от выпуска в обращение (промыслы, подземные хранилища, установки регазификации и газоперерабатывающие заводы) до передачи непосредственно потребителю. Представительность проб природного газа обеспечивается соблюдением условий (температура, давление, объемный расход), а также применением соответствующих процедур, оборудования и материалов.
Основное внимание в настоящем стандарте уделено методам отбора проб, используемым материалам и вариантам конструкции пробоотборных систем. Результаты анализа проб природного газа, отобранных с использованием описанных методов и пробоотборных систем, могут быть использованы для различных целей, например, определения количественных и качественных показателей природного газа, идентификации примесных компонентов, содержащихся в потоке газа, контроля технологических процессов, при подготовке и переработке природного газа, получения данных о составе природного газа для его идентификации и выполнения испытаний в целях подтверждения соответствия требованиям документов по техническому регулированию.
В настоящем стандарте представлено описание материалов, средств и способов, обеспечивающих проектирование, расположение, эксплуатацию, обслуживание и верификацию пробоотборных систем для природного газа, гарантирующих представительность проб природного газа объему газа, на который они распространяются.
Настоящий стандарт распространяется на природный газ и устанавливает методические и технические требования к процедурам, оборудованию и материалам, применяемым при отборе проб природного газа и других углеводородных газов аналогичного компонентного состава, соблюдение которых обеспечивает представительность отобранных проб.
В настоящем стандарте использованы ссылки на следующие межгосударственные стандарты:
ГОСТ 8.586.5 Государственная система обеспечения единства измерений. Измерение расхода и количества жидкостей и газов с помощью стандартных сужающих устройств. Часть 5. Методика выполнения измерений
ГОСТ 8.611 Государственная система обеспечения единства измерений. Расход и количество газа. Методика (метод) измерений с помощью ультразвуковых преобразователей расхода
ГОСТ 12.0.004 <1> Система стандартов безопасности труда. Организация обучения безопасности труда. Общие положения
--------------------------------
<1> В Российской Федерации не действует до 1 сентября 2026 г.
ГОСТ 12.1.004 Система стандартов безопасности труда. Пожарная безопасность. Общие требования
ГОСТ 12.1.019 Система стандартов безопасности труда. Электробезопасность. Общие требования и номенклатура видов защиты
ГОСТ 12.1.044 (ИСО 4589-84) Система стандартов безопасности труда. Пожаровзрывоопасность веществ и материалов. Номенклатура показателей и методы их определения
ГОСТ 12.4.124 Система стандартов безопасности труда. Средства защиты от статического электричества. Общие технические требования
ГОСТ 17.2.3.02 <2> Правила установления допустимых выбросов загрязняющих веществ промышленными предприятиями
--------------------------------
<2> В Российской Федерации действует
ГОСТ Р 58577-2019 "Правила установления нормативов допустимых выбросов загрязняющих веществ проектируемыми и действующими хозяйствующими субъектами и методы определения этих нормативов".
ГОСТ 2768 Ацетон технический. Технические условия
ГОСТ 5632 Нержавеющие стали и сплавы коррозионно-стойкие, жаростойкие и жаропрочные. Марки
--------------------------------
ГОСТ 9293 (ИСО 2435-73) Азот газообразный и жидкий. Технические условия
ГОСТ 9805 Спирт изопропиловый. Технические условия
ГОСТ 10157 Аргон газообразный и жидкий. Технические условия
ГОСТ 14262 Кислота серная особой чистоты. Технические условия
ГОСТ 18954 Прибор и пипетки стеклянные для отбора и хранения проб газа. Технические условия
ГОСТ 19034 Трубки из поливинилхлоридного пластиката. Технические условия
ГОСТ 19807 Титан и сплавы титановые деформируемые. Марки
ГОСТ 20060 Газ природный. Определение температуры точки росы по воде
ГОСТ 20061 Газ природный. Определение температуры точки росы по углеводородам
ГОСТ 24363 Реактивы. Калия гидроокись. Технические условия
ГОСТ 24484 Промышленная чистота. Сжатый воздух. Методы измерения загрязненности
ГОСТ 25336 Посуда и оборудование лабораторные стеклянные. Типы, основные параметры и размеры
ГОСТ 31610.0 (IEC 60079-0:2017) Взрывоопасные среды. Часть 0. Оборудование. Общие требования
ГОСТ 31610.20-1 (ISO/IEC 80079-20-1:2017) Взрывоопасные среды. Часть 20-1. Характеристики веществ для классификации газа и пара. Методы испытаний и данные
ГОСТ 31371.7-2020 Газ природный. Определение состава методом газовой хроматографии с оценкой неопределенности. Часть 7. Методика измерений молярной доли компонентов
ГОСТ 34895 (ISO 14532:2014) Газ природный. Качество. Термины и определения
Примечание - При пользовании настоящим стандартом целесообразно проверить действие ссылочных стандартов и классификаторов на официальном интернет-сайте Межгосударственного совета по стандартизации, метрологии и сертификации (www.easc.by) или по указателям национальных стандартов, издаваемым в государствах, указанных в предисловии, или на официальных сайтах соответствующих национальных органов по стандартизации. Если на документ дана недатированная ссылка, то следует использовать документ, действующий на текущий момент, с учетом всех внесенных в него изменений. Если заменен ссылочный документ, на который дана датированная ссылка, то следует использовать указанную версию этого документа. Если после принятия настоящего стандарта в ссылочный документ, на который дана датированная ссылка, внесено изменение, затрагивающее положение, на которое дана ссылка, то это положение применяется без учета данного изменения. Если ссылочный документ отменен без замены, то положение, в котором дана ссылка на него, применяется в части, не затрагивающей эту ссылку.
В настоящем стандарте применены термины по
ГОСТ 34895, а также следующие термины с соответствующими определениями:
3.1 отбор пробы: Процедура получения представительной пробы природного газа, выполняемая в соответствии с требованиями соответствующего документа по стандартизации.
3.2 прямой отбор пробы: Отбор пробы природного газа при наличии непосредственного соединения между точкой отбора пробы и средством измерений.
3.3 косвенный отбор пробы: Отбор пробы природного газа при отсутствии непосредственного соединения между точкой отбора пробы и средством измерений.
Примечание - Косвенный отбор пробы заключается в отборе пробы газа в пробоотборный контейнер или концентрировании пробы целевого(ых) компонента(ов) в специальном устройстве - концентраторе.
3.4 представительная проба: Проба, имеющая компонентный состав и физико-химические свойства, идентичные составу и свойствам отбираемого природного газа, если последний считается полностью однородным.
3.5 точечная проба: Проба природного газа известного объема, отобранная в определенный момент времени в определенном месте отбора проб.
3.6 пробоотборный контейнер: Емкость, снабженная одним или более запорными устройствами, используемая при косвенном отборе пробы.
Примечание - В качестве контейнеров допускается применять одно- и двухвентильные металлические и металлокомпозитные баллоны, пробоотборники и стеклянные пипетки, например, по
ГОСТ 18954.
3.7 пробоотборник: Емкость, снабженная двумя или более запорными устройствами, используемая для отбора, транспортирования и хранения пробы природного газа.
Примечание - На практике, как правило, применяют пробоотборники двух типов: однополостный двухвентильный пробоотборник (постоянного объема) и двухполостный пробоотборник с подвижным поршнем (постоянного давления).
3.8 пробоотборник с подвижным поршнем: Пробоотборник, в котором имеется движущийся поршень, отделяющий пробу природного газа от буферного газа, при этом давление по обе стороны поршня одинаково.
3.9 накопительный пробоотборник: Пробоотборник, накапливающий серию точечных проб в одной объединенной пробе.
3.10 пробоотборник-аккумулятор: Сосуд, периодически запираемый регулируемым входным вентилем (клапаном), встроенный в стационарную пробоотборную систему газового хроматографа или другого средства измерений непосредственно перед редуктором и позволяющий проводить серию последовательных измерений содержания определенного компонента, компонентного состава или физико-химических показателей накопленной пробы природного газа в условиях сходимости.
Примечание - Пробоотборник-аккумулятор является однополостным двухвентильным пробоотборником, снабженным дополнительной арматурой.
3.11 пробоотборная система: Совокупность приспособлений, используемых для подготовки и передачи представительной пробы природного газа из точки отбора пробы в средство измерений, пробоотборный контейнер или концентратор.
Примечание - В состав пробоотборной системы, как правило, входят пробоотборное устройство, пробоотборная линия, система пробоподготовки и необходимая арматура.
3.12 пробоотборное устройство: Приспособление, используемое для передачи представительной пробы природного газа из точки отбора пробы в пробоотборную линию.
Примечание - В состав пробоотборного устройства, как правило, входят пробоотборный зонд, запорный вентиль или шаровой кран, а также при необходимости могут использоваться отдельные элементы системы пробоподготовки.
3.13 жидкостный сепаратор: Приспособление, используемое для удаления жидкой фазы из потока природного газа.
3.14 время продувки: Время, в течение которого пробоотборная система продувается пробой исследуемого газа, необходимое для обеспечения передачи представительной пробы в средство измерений, пробоотборный контейнер или концентратор.
Примечание - Время продувки определяется наступлением динамического равновесия всех компонентов пробы исследуемого газа в процессах сорбции-десорбции на поверхности контакта пробоотборной системы. Время продувки конкретной пробоотборной системы определяют экспериментально или по специальным расчетным методикам.
3.15 время пребывания: Время, в течение которого проба исследуемого газа проходит через пробоотборную систему.
3.16 время задержки: Время, прошедшее с момента попадания пробы природного газа в пробоотборную систему до момента получения аналитического сигнала от средства измерений.
Примечания
1 Время задержки для прямого отбора проб складывается из времени пребывания и времени единичного цикла работы средства измерений (СИ).
2 Время задержки для косвенного отбора проб складывается из времени пребывания, времени от окончания отбора проб до момента начала анализа отобранной пробы с применением соответствующего СИ и времени единичного цикла работы СИ.
3.17 ретроградная конденсация: Процесс образования жидкости в результате изотермического расширения или изобарического нагревания газообразной многокомпонентной смеси вблизи критических термобарических условий.
Примечание - Явление ретроградной конденсации связано с нелинейной зависимостью растворимости компонентов многокомпонентных смесей в основном компоненте данной смеси от давления и не свойственны для чистых веществ (однокомпонентных систем).
3.18 пробоотборная линия: Приспособление, предназначенное для передачи пробы природного газа от пробоотборного устройства в средство измерений, пробоотборный контейнер, концентратор или другие элементы пробоотборной системы.
Примечание - В состав пробоотборной линии, как правило, входят соединительные трубки, система пробоподготовки, а также вся необходимая арматура, вспомогательные СИ и т.д.
3.19 система пробоподготовки: Совокупность приспособлений, используемых для придания пробе природного газа качеств, необходимых для корректного измерения его компонентного состава и физико-химических свойств без нарушения представительности отобранной пробы.
Примечание - В состав системы пробоподготовки, как правило, входят фильтры очистки от механических примесей, сернистых соединений, воды, гликолей (если они не являются целевым компонентом анализа) и других нежелательных примесей, а также, при необходимости, системы редуцирования и/или подогрева пробы природного газа и т.п.
3.20 пробоотборный зонд: Приспособление, введенное в полость газопровода, аппарата или емкости для отбора представительной пробы природного газа.
3.21 точка отбора пробы: Точка в газопроводе, аппарате или емкости, где может быть отобрана представительная проба природного газа.
3.22 место отбора пробы: Объект, в пределах которого располагается точка отбора пробы природного газа и имеется возможность свободного доступа персонала и подключения пробоотборной системы.
3.23 область отбора проб: Область в пределах площади поперечного сечения газопровода, аппарата или емкости в месте отбора пробы, из которой происходит отбор пробы.
3.24 поверхность контакта: Поверхность материала, контактирующего с исследуемым газом.
3.25 нулевой газ: Газ или газовая смесь, используемая для установления нулевой точки градуировочной кривой средства измерений с использованием соответствующей аналитической процедуры в пределах данного диапазона градуировки.
3.26 поверочная газовая смесь; ПГС: Стабильная (устойчивая) в течение регламентированного срока хранения газовая смесь, используемая для периодической поверки, калибровки или градуировки средств измерений, а также для выполнения различных испытаний.
3.27 объединенная проба: Проба природного газа, формируемая из серии точечных проб или отбираемая непрерывно в течение заданного интервала времени в определенном месте отбора проб, характеризующая свойства партии (или иного фиксированного объема) природного газа.
3.28 точечный отбор проб: Отбор пробы природного газа, при котором пробу природного газа отбирают единовременно в определенном месте отбора проб.
3.29 накопительный отбор проб: Отбор серии последовательных точечных проб или непрерывный отбор пробы природного газа в течение заданного интервала времени в определенном месте отбора проб для получения объединенной пробы.
3.30 накопительный отбор проб, пропорциональный расходу: Накопительный отбор проб, при котором скорость накопления пробы пропорциональна объемному расходу (скорости потока) исследуемого природного газа в газопроводе, емкости или аппарате, из которого отбирают пробу.
3.31 непрерывный отбор проб: Постоянный отбор проб из потока исследуемого природного газа с накоплением в пробоотборнике для получения объединенной пробы.
3.32 температура точки росы по воде; ТТРв: Температура начала конденсации водяных паров в процессе изобарического охлаждения природного газа при известном давлении.
Примечания
1 На практике фактически измеренное при помощи конденсационного гигрометра значение ТТРв природного газа всегда ниже значения его термодинамической (истинной) температуры точки росы и зависит от чувствительности измерительной системы и применяемого алгоритма конкретного СИ.
2 В состав образующейся на конденсационной поверхности (зеркале) гигрометра водной фазы входит вода, растворенные в ней компоненты природного газа и водорастворимые технологические реагенты, например, метанол, гликоли и т.п.
3.33 температура точки росы по углеводородам; ТТРув: Температура начала конденсации паров углеводородов в процессе изобарического охлаждения природного газа при известном давлении.
Примечания
1 На практике значение ТТРув природного газа всегда ниже значения его термодинамической (расчетной) температуры точки росы и зависит от чувствительности конкретного СИ.
2 В состав образующейся на конденсационной поверхности (зеркале) анализатора ТТРув углеводородной фазы входят жидкие углеводородные компоненты природного газа, растворенные в ней газообразные компоненты природного газа, а также могут входить растворимые технологические реагенты, например, метанол, компрессорное масло и т.п.
3.34 "быстрая петля": Конфигурация пробоотборной системы, при которой из потока исследуемого газа отбирают количество газа большее, чем необходимо для проведения анализа, с целью уменьшения времени пребывания.
3.35 "горячая петля": Конфигурация пробоотборной системы, при которой продувочный газ и проба природного газа или большая ее часть возвращается в газопровод с целью снижения выбросов газа.
Примечание - Конструкция "горячей петли" требует перепада давлений между точкой отбора пробы и выходом, необходимого для обеспечения требуемой скорости потока исследуемого газа через пробоотборное оборудование внутри петли.
3.36 концентратор: Приспособление, предназначенное для предварительного накопления компонента(ов) природного газа или продуктов их реакции с поглотительным реагентом в количествах, достаточных для чувствительности применяемого метода измерений или автоматического СИ, перед подачей пробы в СИ.
Примечание - Концентраторы, как правило, изготовлены из стекла или нержавеющей стали и содержат жидкий или твердый поглотитель (сорбент), химический реагент или фильтрующий элемент. Также возможно концентрирование целевых компонентов с использованием различий в физико-химических свойствах компонентов природного газа, что реализовано, например, в криоконцентраторах.
4 Требования безопасности и охраны окружающей среды
При подготовке к отбору проб, отборе проб, хранении, обращении с пробами природного газа и их утилизации должны соблюдаться требования национальных нормативных правовых актов государств, принявших данный стандарт в качестве национального, в области промышленной, пожарной и экологической безопасности, соответствующие требования безопасности, действующие в организации, а также соответствующие требования безопасности, указанные в эксплуатационной документации на используемое пробоотборное оборудование.
4.2 Требования к персоналу
Руководитель подразделения, осуществляющего отбор проб, должен убедиться в том, что отбор проб природного газа может быть выполнен с соблюдением указанных в
4.1 требований безопасности.
Лица, проводящие отбор проб или установку оборудования для отбора проб природного газа, должны знать и соблюдать общие требования пожарной и электробезопасности по
ГОСТ 12.1.004 и
ГОСТ 12.1.019.
Лица, проводящие отбор проб или установку оборудования для отбора проб, должны быть соответствующим образом подготовлены и обучены правилам безопасности при проведении указанных работ в соответствии с
ГОСТ 12.0.004 и иметь допуск к самостоятельной работе в установленном в организации порядке.
Лица, осуществляющие отбор проб или установку оборудования для отбора проб, должны немедленно прекратить данные работы при обнаружении нарушений установленных требований безопасности.
Лица, осуществляющие отбор проб или установку оборудования для отбора проб, должны изучить эксплуатационную документацию используемого оборудования и средств измерений, а также требования настоящего стандарта, должны быть обучены правилам охраны труда и пожарной безопасности, общим правилам промышленной безопасности в газовой промышленности, правилам безопасности при проведении газоопасных работ, правилам безопасности при использовании оборудования, работающего под избыточным давлением.
4.3 Требования к оборудованию
Оборудование, используемое для отбора проб природного газа под давлением, должно регулярно проверяться и проходить при необходимости испытания и/или переосвидетельствование в соответствии с эксплуатационной документацией.
Оборудование должно удовлетворять соответствующим условиям отбора проб исследуемого газа, например, давлению, температуре, коррозионной активности, скорости потока природного газа, химической совместимости с компонентами газа, вибрации, тепловому расширению и/или тепловому сжатию.
Стационарные пробоотборные системы должны быть закреплены. К пробоотборным системам должен быть обеспечен беспрепятственный доступ персонала для проверки герметичности. Сбросные линии пробоотборных систем должны быть снабжены запорными кранами и/или выпускными вентилями.
При использовании гибких трубок, рассчитанных на высокое давление анализируемого газа, необходимо следовать инструкциям производителя по их безопасному применению. Пробоотборные линии могут забиваться твердыми или жидкими загрязнениями, при их открытии следует соблюдать меры предосторожности. Выполнять данную операцию должен квалифицированный персонал.
Пробоотборные линии должны иметь отсекающие клапаны или шаровые краны, размещенные максимально близко к точке отбора проб газа. Пробоотборный зонд должен быть оборудован отсекающим клапаном или шаровым краном.
При отборе проб следует применять электрическое оборудование во взрывозащищенном исполнении, соответствующем классу взрывоопасной зоны. Запрещается использовать оборудование или инструменты, содержащие материалы, при применении которых вероятно накопление заряда статического электричества. Следует применять искробезопасные инструменты и материалы оборудования.
При отборе проб запрещается применять оборудование, работающее при температуре выше температуры самовоспламенения газа [температура самовоспламенения природного газа (по метану) - 600 °C по
ГОСТ 31610.20-1].
4.4 Требования пожарной безопасности
Для предотвращения пожара или взрывов в местах, где возможно образование взрывоопасных смесей с природным газом в концентрационных пределах распространения пламени (концентрационные пределы распространения пламени для природного газа в смеси с воздухом, выраженные в процентах объемной доли метана: нижний - 4,4, верхний - 17,0 по
ГОСТ 31610.20-1, для природного газа конкретного состава концентрационные пределы распространения пламени определяют по
ГОСТ 12.1.044), необходимо следовать следующим инструкциям:
- запрещается пользоваться открытым огнем и курить;
- не следует применять химические реактивы, вступающие с природным газом или его компонентами в экзотермическую реакцию с выделением теплоты, достаточной для воспламенения взрывоопасной смеси;
- не следует применять химические реактивы, способные к самовоспламенению в присутствии воды и/или воздуха;
- не следует запускать моторы с искровым зажиганием;
- при продувке пробоотборных линий исследуемым газом необходимо обеспечивать безопасные условия его рассеивания, направляя природный газ на факел или на свечу рассеивания в атмосферу.
Примечание - Утечки природного газа в атмосферу во время проведения отбора проб следует по возможности минимизировать;
- для обнаружения наличия природного газа в потенциально опасных местах отбора проб следует применять стационарные и/или переносные газоанализаторы;
- в месте отбора проб необходимо обеспечить доступность и исправность элементов систем противопожарной защиты, а также первичных средств пожаротушения в соответствии с нормативными документами по пожарной безопасности;
- в месте отбора проб необходимо обеспечить исправное состояние систем защиты от статического электричества;
- при отборе проб необходимо применять электрооборудование, переносные приборы освещения и СИ взрывобезопасного, искробезопасного исполнения, соответствующего классу взрывоопасной зоны;
- персонал, осуществляющий отбор проб, должен быть обучен и подготовлен к соответствующим действиям при возникновении пожара.
4.5 Требования к средствам защиты персонала
Необходимые для защиты персонала, осуществляющего отбор проб природного газа, средства должны быть доступными и исправными. Состав и тип средств защиты персонала необходимо менять в зависимости от места и условий их использования. Необходимо учитывать следующие опасные факторы:
- наличие в природном газе токсичных и раздражающих компонентов (таких как сероводород, ароматические соединения и др.) приводит к необходимости подачи чистого воздуха, применения средств индивидуальной защиты органов дыхания, перчаток и анализаторов токсичных соединений;
- при отборе проб газа под избыточным давлением следует использовать защитные очки или лицевые щитки;
- для контроля давления в системе следует применять СИ давления (манометры);
- для проверки герметичности системы следует использовать течеискатель, портативное устройство детектирования утечек или мыльный раствор;
- при отборе проб природного газа персонал должен носить антиэлектростатическую спецодежду в соответствии с
ГОСТ 12.4.124;
- при работе с газовыми смесями, находящимися в сосудах под давлением, необходимо соблюдать требования действующих правил безопасности при использовании оборудования, работающего под избыточным давлением;
- при рисках возникновения открытого огня персонал должен иметь огнестойкую одежду (фартуки, рабочие комбинезоны, лабораторную одежду), а также маски для защиты от дыма и токсичных продуктов горения.
4.6 Требования к транспортированию и хранению проб
Пробоотборники с подвижным поршнем необходимо хранить и транспортировать в транспортировочном контейнере. В противном случае может произойти повреждение пробоотборника и/или его вентилей, манометров и др.
При транспортировании и хранении пробоотборные контейнеры с пробами необходимо защищать от воздействия солнечного света или иного теплового воздействия, которое может привести к повышению температуры и, как следствие, к повышению давления в пробоотборном контейнере, например, помещать их в специальные теплоизолированные транспортировочные контейнеры.
При транспортировании и хранении пробоотборных контейнеров с пробами должны обеспечиваться условия, при которых исключается возможность изменения количества и качества отобранной пробы.
Хранение пробоотборных контейнеров с отобранными пробами осуществляют в специально отведенных помещениях. Искусственное освещение и электрооборудование указанных помещений для хранения проб природного газа должны соответствовать требованиям взрывобезопасности по
ГОСТ 31610.0.
4.7 Требования охраны окружающей среды
Правила установления допустимых выбросов загрязняющих веществ в атмосферу, в том числе компонентов природного газа - по
ГОСТ 17.2.3.02.
4.8 Заключительные положения
В настоящем стандарте не приведены все возможные требования промышленной, пожарной и экологической безопасности, связанные с его применением. При необходимости расширения и конкретизации требований безопасности, указанных в настоящем разделе, в организации могут быть разработаны специальные требования или инструкции применительно к данному виду работ, не противоречащие требованиям соответствующих национальных и локальных нормативных правовых актов государств, принявших настоящий стандарт.
5 Виды и частота отбора проб
Основным назначением процедуры отбора пробы является получение представительной пробы природного газа.
Представительность пробы определяется двумя основными критериями:
- по своему составу и свойствам (за исключением загрязнений, нецелевых, примесных или следовых компонентов), а также фазовому состоянию проба природного газа должна быть идентична природному газу в точке отбора проб.
Примечание - Загрязнения, а также нецелевые, примесные или следовые компоненты, исключение которых не существенно для последующего анализа природного газа и не влияет на метрологические характеристики применяемого метода анализа, при их негативном влиянии на оборудование и СИ могут быть извлечены из исследуемого газа специальными средствами, фильтрами, абсорберами и т.п.;
- проба природного газа должна быть отобрана в точке отбора пробы, расположение которой обеспечивает соответствие информации, полученной по результатам анализа пробы, объему газа, к которому данная информация должна быть отнесена в известный момент или период времени, что требует сопоставления во времени (синхронизации) результатов анализа с объемом природного газа.
Различают прямой и косвенный методы отбора проб (см.
рисунок 1).
Рисунок 1 - Методы отбора проб
При прямом отборе пробу природного газа отбирают из потока и непосредственно передают в СИ. При косвенном отборе пробу газа отбирают и хранят в пробоотборном контейнере или концентраторе перед ее передачей в СИ.
Основными видами косвенного отбора проб природного газа являются точечный или накопительный отбор. При точечном отборе пробу природного газа отбирают единовременно в определенном месте отбора проб. При накопительном отборе пробу природного газа формируют путем накопления серии точечных проб в одной объединенной пробе в определенном месте отбора проб. Накопительный отбор проб подразделяют на пропорциональный времени и пропорциональный объемному расходу (скорости потока) природного газа.
5.2.1 Общие положения
Под требуемой частотой отбора проб исследуемого газа следует понимать число представительных проб, которое необходимо отобрать за определенный период времени для получения достоверных данных о компонентном составе и физико-химических свойствах поставленного объема газа. Указанное число проб рекомендуется использовать в качестве основы для составления соответствующих графиков отбора проб или планов аналитического контроля.
Число необходимых проб исследуемого газа за требуемый период времени n вычисляют по уравнению

(1)
где t - коэффициент Стьюдента;
s - выборочное стандартное отклонение;
d - значение целевой неопределенности, установленной для выборочного среднего значения показателя качества газа, определяемого за отчетный период.
Значения коэффициента Стьюдента для двухсторонней доверительной вероятности
P = 0,95 (равны значениям для односторонней доверительной вероятности 0,975) приведены в
таблице А.1 (приложение А).
Примечания
1 Значения коэффициента Стьюдента для двухсторонней доверительной вероятности P = 0,95 относятся к отбору проб для выполнения регулярных анализов природного газа по стандартным методикам (методам) измерений. Для выполнения анализов природного газа с применением референтных, прецизионных, научно-исследовательских и других методик (методов) измерений со специальными требованиями точности, необходимо использовать соответствующие требованиям применяемой методики значения коэффициента Стьюдента и доверительной вероятности.
2 Целевая неопределенность
[1] является заранее установленной верхней границей расширенной неопределенности при коэффициенте охвата
k (как правило,
k = 2).
3 За оценку значения расширенной неопределенности при соответствующем коэффициенте охвата допускается принимать значение доверительной границы погрешности при доверительной вероятности P, обеспечивающей приближенно равный по величине интервал охвата (с точностью до принятого округления оцениваемых значений, например, при k = 2 и нормальном распределении определяемой величины вероятность P допускается принимать равной 0,95).
5.2.2 Число необходимых проб исследуемого газа за требуемый период времени n находят методом итераций или методом последовательного перебора.
5.2.2.1 Метод итераций
Уравнение (1) решают методом итерации: оценивают первоначальное значение
t и используют его для вычисления скорректированного значения
n, которое, в свою очередь, используют для получения нового значения коэффициента
t. Оценки целевой неопределенности (погрешности), числа проб и стандартного отклонения должны относиться к одному периоду времени (или следующим друг за другом периодам времени, равным по продолжительности).
5.2.2.2 Метод последовательного перебора
Метод заключается в последовательном, как правило, от меньшего к большему, переборе значений числа необходимых проб исследуемого газа за требуемый период времени n. При этом взятое число необходимых проб используют, чтобы вычислить значение расчетной неопределенности dрасч по следующей формуле

(2)
На каждом шаге вычислений, полученное значение расчетной неопределенности dрасч сравнивают со значением целевой неопределенности d. При выполнении условия dрасч <= d вычисления прекращают.
5.2.3 Задание целевой неопределенности
Целевая неопределенность усредненных значений определяемых физико-химических величин (например, теплоты сгорания) может быть указана в соглашениях между сторонами на поставку природного газа.
Если в соглашениях между сторонами на поставку природного газа не указана целевая неопределенность, но указаны предельные значения для определяемых показателей качества газа, целевая неопределенность может быть оценена на основе правила принятия решений по ГОСТ ISO/IEC 17025-2019
(пункт 7.8.6), установленного для оценки соответствия показателя качества указанным пределам (с учетом приемлемого уровня риска). Например, когда правило принятия решения включает защитную полосу (см.
[2]), равную расширенной неопределенности, снижающую вероятность неправильного заключения о соответствии показателя качества, разница между предельным значением и последним определенным значением (или последним средним за заданный период значением) может быть принята в качестве целевой расширенной неопределенности. Допускается при отсутствии указанной выше информации в качестве целевой неопределенности принимать значение расширенной неопределенности применяемого метода анализа, взятой для усредненного за заданный период или последнего определенного непосредственно физико-химического показателя или компонентного состава природного газа. При отсутствии информации по значению выборочного стандартного отклонения
s допускается использовать значение стандартного отклонения повторяемости используемого метода анализа природного газа

, которое также вычисляют из предела повторяемости метода анализа
r по следующей формуле

(3)
5.2.4 Число проб
Число проб определяется минимально необходимым количеством анализов целевого физико-химического показателя природного газа, которые следует выполнить за определенный период времени. Оно эквивалентно числу отдельных проб при использовании накопительного метода отбора проб.
5.2.5 t-коэффициент Стьюдента
Значения
t-коэффициента Стьюдента, учитывающего конечное количество проб, приведены в стандартных статистических таблицах. Его значение зависит от принятой двусторонней доверительной вероятности (как правило, для регулярных измерений принимают значение двусторонней доверительной вероятности, равное 0,95) и числа степеней свободы

, которое в настоящем стандарте принимается как число необходимых проб минус единица,

.
Пример 1 - Определение необходимого числа проб для среднемесячного значения теплоты сгорания методом итераций
d = 0,4% (предел погрешности, установленный в соглашении на поставку природного газа для среднемесячного значения);
s = 0,6% (выборочное стандартное отклонение за один месяц).
Первая оценка при n = 7:
t = 2,447 для шести степеней свободы и односторонней доверительной вероятности 0,975 (равна двусторонней вероятности 0,95)
n = 13,47. Результат вычисления округляют до целого числа проб.
Первая итерация при n = 13:
повторно вычисляют при t = 2,179 для двенадцати степеней свободы и односторонней доверительной вероятности 0,975 (равна двусторонней вероятности 0,95)
n = 10,68.
Вторая итерация при n = 11:
повторно вычисляют при t = 2,228 для десяти степеней свободы и односторонней доверительной вероятности 0,975 (равна двусторонней вероятности 0,95)
n = 11,17. При округлении результата вычислений до целого значения получают n = 11, таким образом цикл итераций завершен.
Пример 2 - Определение необходимого числа проб для массовой концентрации общей серы методом итераций
Последнее измеренное значение массовой концентрации составило 20 мг/м3, по соглашению на поставку природного газа предельное значение массовой концентрации составляет 50 мг/м3.
d = 30 мг/м3 (разность между предельным значением по соглашению на поставку газа и последним измеренным значением);
s = 10 мг/м3 [выборочное стандартное отклонение по результатам определения точечных проб (за прошедший год)];
t = 4,303 для числа степеней свободы, принимаемого равным 2 (т.е. первую оценку выполняют при n = 3); двусторонняя доверительная вероятность - 0,95.
n = 2,06.
Повторное вычисление при числе степеней свободы, равном 1, дает округленное значение n = 18, т.е. двух проб недостаточно и необходимо отобрать три пробы природного газа за заданный период.
Пример 3 - Определение необходимого числа проб для плотности методом итераций
d = 0,0022 г/м3 (предел погрешности, установленный в соглашении на поставку природного газа для среднемесячного значения и принятый в качестве значения целевой неопределенности);
s = 0,001516 г/м3 (выборочное стандартное отклонение за один месяц).
Первая оценка при n = 3:
t = 4,303 для двух степеней свободы и односторонней доверительной вероятности 0,975 (равна двусторонней вероятности 0,95)
n = 8,79.
Первая итерация при n = 9:
повторно вычисляют при t = 2,306 для восьми степеней свободы и односторонней доверительной вероятности 0,975 (равна двусторонней вероятности 0,95)
n = 2,52.
Вторая итерация при n = 4 (поскольку итерация при n = 3 уже проводилась и привела к завышенному значению расчетного числа n):
повторно вычисляют при t = 3,182 для трех степеней свободы и односторонней доверительной вероятности 0,975 (равна двусторонней вероятности 0,95)
n = 4,81.
Третья итерация при n = 5:
повторно вычисляют при t = 2,776 для четырех степеней свободы и односторонней доверительной вероятности 0,975 (равна двусторонней вероятности 0,95)
n = 3,66.
Таким образом, необходимо отбирать пять проб в месяц для определения данного показателя.
Пример 4 - Определение необходимого числа проб для плотности методом последовательного перебора
d = 0,0022 г/м3 (предел погрешности, установленный в соглашении на поставку природного газа для среднемесячного значения и принятый в качестве значения целевой неопределенности);
s = 0,001516 г/м3 (выборочное стандартное отклонение за один месяц).
Первая оценка при n = 3 [t = 4,303 для двух степеней свободы и односторонней доверительной вероятности 0,975 (равна двусторонней вероятности 0,95)]
Расчетная неопределенность dрасч выше целевой, таким образом перебор значений продолжают.
Вторая оценка при n = 4 [t = 3,182 для трех степеней свободы и односторонней доверительной вероятности 0,975 (равна двусторонней вероятности 0,95)]
Расчетная неопределенность dрасч выше целевой, таким образом перебор значений продолжают.
Третья оценка при n = 5 [t = 2,776 для четырех степеней свободы и односторонней доверительной вероятности 0,975 (равна двусторонней вероятности 0,95)]
Расчетная неопределенность dрасч ниже целевой, таким образом перебор значений прекращают. Необходимое число проб равно 5.
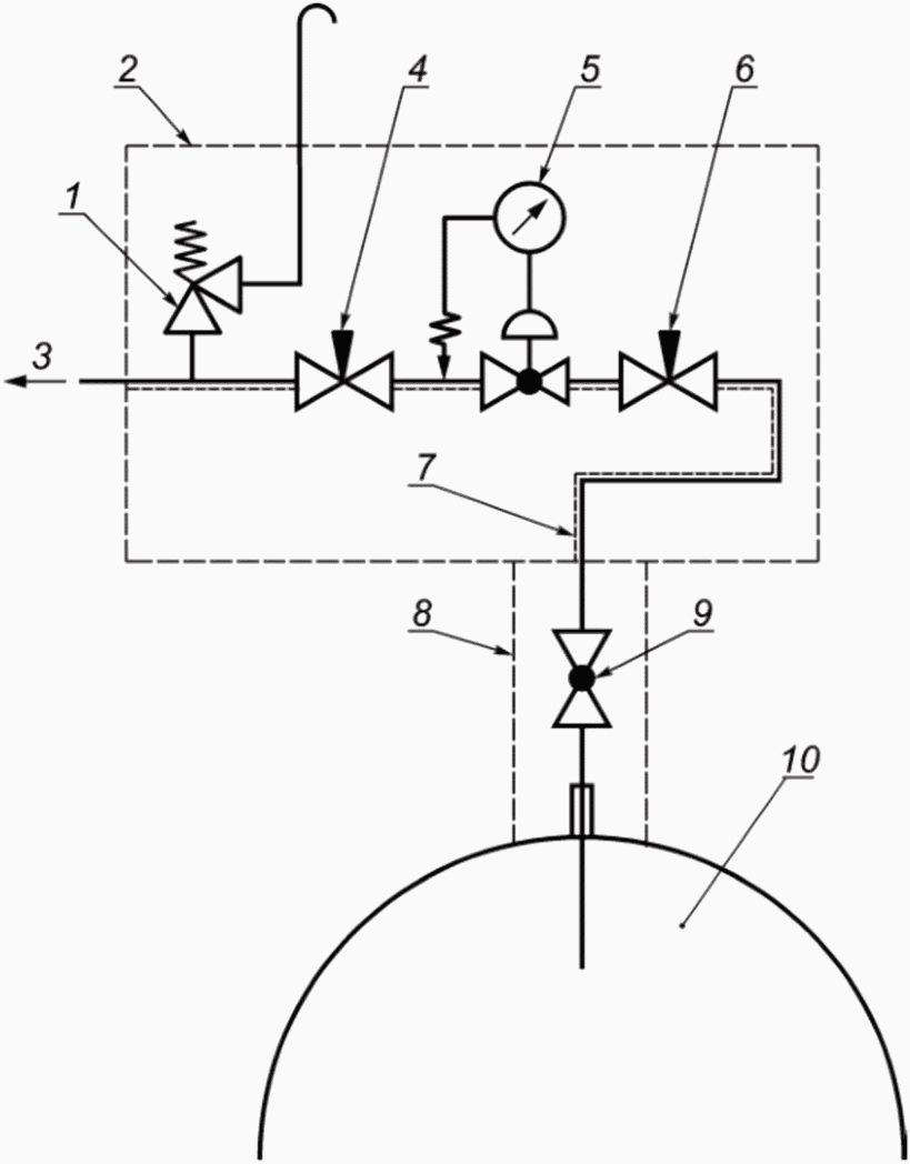
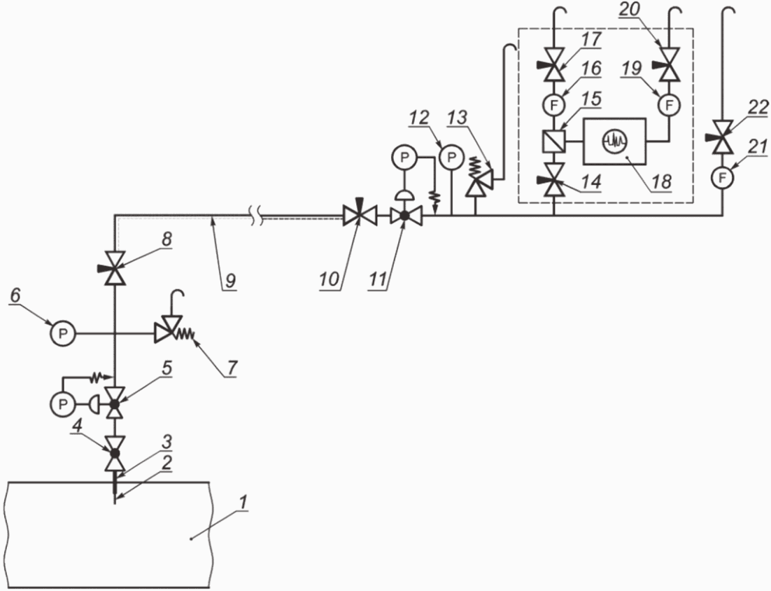
5.3.1 Общие положения
Пробоотборная система должна быть расположена как можно ближе к точке отбора проб и, по возможности, непосредственно после пробоотборного зонда, чтобы, при необходимости, оперативно регулировать давление при подаче исследуемого газа в СИ. Пробоотборная система должна быть оснащена устройством обогрева для компенсации охлаждения вследствие эффекта Джоуля-Томсона или из-за условий окружающей среды, способных вызвать конденсацию паров высококипящих компонентов природного газа. Рекомендуется также оснащать систему дополнительными регуляторами, фильтрами и другими необходимыми элементами в зависимости от целей пробоотбора.
На
рисунках Б.1 и
Б.2 (приложение Б) показаны примеры пробоотборных систем для прямого отбора проб в соответствии с настоящим стандартом, при этом допускается применение и других конфигураций.
Более детальная информация по пробоотборным системам для определения компонентного состава и физико-химических свойств природного газа с помощью промышленных газовых хроматографов или иных СИ приведена в эксплуатационной документации на данные СИ, а также в
[3].
5.3.2 Автоматический дренаж
Автоматический дренаж включает в себя комплекс приспособлений для накопления и периодического слива жидкости из ловушки (сепаратора) в составе системы пробоподготовки. При применении автоматического дренажа следует учитывать, что контакт накопленной между циклами дренажа жидкости с исследуемым газом может повлиять на результат анализа.
5.3.3 Снижение давления
Для снижения давления исследуемого газа устанавливают редуктор давления. Допускается оснащать редуктор двумя вентилями, до и после редуцирующего устройства.
5.3.4 Продувка инертным газом
Пробоотборную систему рекомендуется оборудовать средствами для продувки инертным газом. Продувка пробоотборной системы может потребоваться при конденсации высококипящих компонентов исследуемого газа, а также для удаления воздуха (кислорода) из системы до пропускания исследуемого газа, чтобы исключить создание потенциально опасной ситуации.
5.3.5 Предохранительный клапан
Предохранительный (сбросной) клапан - автоматическое устройство для сброса давления исследуемого газа, которое открывается пропорционально разности между давлением исследуемого газа и установленным давлением открытия, имеет характеристику быстрого полного открытия или срабатывания и приводится в действие статическим давлением природного газа перед клапаном. Устройство автоматически закрывается, когда давление исследуемого газа на входе клапана снижается ниже заданного давления открытия. Указанные устройства являются герметичными в закрытом состоянии и широко используются при работе с природным газом.
Предохранительный клапан следует устанавливать ниже по потоку от редуктора давления для того, чтобы защитить СИ от неконтролируемого повышения давления исследуемого газа в системе вследствие отказа редуктора.
5.3.6 Обогрев пробоотборной линии
Пробоотборная линия должна быть теплоизолирована или нагрета для исключения возможности образования жидкости или адсорбции компонентов природного газа до температуры, не менее чем на 10 °C превышающей наибольшее из значений текущей температуры точки росы (по воде или углеводородам) исследуемого газа или (при отсутствии актуальной информации о температуре точки росы по воде и углеводородам) до температуры, равной или превышающей температуру исследуемого газа в точке отбора проб.
При проведении измерений температуры точки росы по воде или углеводородам по
ГОСТ 20060 и
ГОСТ 20061 температура пробоотборной линии должна быть выше температуры исследуемого газа в точке отбора проб.
5.3.7 Линия подачи пробы в средство измерений
Линия подачи пробы исследуемого газа на вход СИ должна быть оборудована отсечным краном для обеспечения возможности проведения технического обслуживания СИ. Ниже по потоку от отсечного крана, как правило, устанавливают фильтр тонкой очистки от механических примесей, не изменяющий компонентный состав исследуемого газа. Градуировочный газ вводят в линию после фильтра. Для отбора/анализа проб в линии пониженного давления вверх по потоку от СИ следует устанавливать вентиль тонкой регулировки; такой же вентиль следует устанавливать на линии подачи в СИ градуировочного газа.
При отборе/анализе пробы в линии при повышенном давлении необходимо установить ниже по потоку от СИ устройство регулирования скорости потока, например, вентиль тонкой регулировки. Для контроля давления потока исследуемого газа, а также для предотвращения подачи газа, находящегося под избыточным давлением, в линии подачи пробы на вход СИ следует устанавливать редуктор или регулятор давления.
Ниже по потоку после СИ искомого физико-химического показателя устанавливают СИ объемного расхода исследуемого газа.
В
приложении В приведены различные варианты реализации схем для подачи одного или нескольких градуировочных газов в пробоотборную систему, реализующую прямой отбор проб.
5.4.1 Точечный отбор проб
5.4.1.1 Общие положения
Для точечного отбора проб природного газа в пробоотборный контейнер при высоком и низком давлении применяют следующие основные методы:
- метод заполнения-выпуска с использованием однополостного двухвентильного пробоотборника;
- метод вакуумирования с использованием одновентильного баллона;
- метод с использованием пробоотборника с подвижным поршнем.
5.4.1.2 Метод заполнения-выпуска
Применение метода возможно в том случае, когда температура пробоотборного контейнера не ниже температуры природного газа в точке отбора проб. Давление в точке отбора проб природного газа должно быть выше атмосферного. Подробный пример реализации этого метода приведен в
приложении Г.
5.4.1.3 Метод вакуумирования баллона
В данном методе для отбора проб используют предварительно вакуумированный баллон.
Применение метода возможно в том случае, когда давление в точке отбора проб исследуемого газа выше или ниже атмосферного, а температура баллона выше или ниже температуры природного газа в точке отбора проб.
Пример реализации метода вакуумирования баллона приведен в
приложении Г.
5.4.1.4 Метод с использованием пробоотборника с подвижным поршнем
С помощью данного метода проба исследуемого газа поступает в пробоотборник с подвижным поршнем под давлением в газопроводе и при обогреве или теплоизоляции пробоотборных линий при необходимости.
5.4.1.5 Метод точечного отбора проб из системы распределения природного газа низкого давления с использованием стеклянной пипетки приведен в
приложении Г. Если невозможно применить основные методы точечного отбора, допускается применение специализированных емкостей, например, пакетов (подушек), выполненных из инертных к целевым компонентам природного газа материалов (тедлар, тефлон).
5.4.2 Накопительный отбор проб
5.4.2.1 Общие положения
Скорость потока (объемный расход) и компонентный состав природного газа могут меняться во времени, по этой причине интервал между последовательными отборами проб следует выбирать соответственно из соображений, чтобы отобранная проба корректно отражала эти изменения.
Накопительный отбор проб осуществляют в течение определенного интервала времени с получением представительной объединенной пробы природного газа, отражающей изменения в потоке в течение фиксированного периода времени или при прохождении определенного объема газа. Типичная пробоотборная система должна быть оснащена пробоотборным зондом, всасывающим нагнетателем, рассчитанным на давление природного газа в газопроводе, захватным устройством, синхронизирующим устройством, связанным с установленным на месте СИ объемного расхода, регулируемым внешним источником питания нагнетателя или регулятором, который измеряет давление в газопроводе и обеспечивает давление, необходимое для засасывания пробы нагнетателем, и электромагнитным клапаном, включающим нагнетатель. Пробоотборная система может быть смонтирована напрямую или установлена с применением внешнего пробоотборного контура.
5.4.2.2 Выбор вида накопительного отбора проб
Для систем накопительного отбора проб следует применять отбор проб, пропорциональный объемному расходу (скорости потока) исследуемого газа, при наличии технической возможности его реализации. Данный способ отбора проб используют в тех случаях, когда скорость потока и компонентный состав природного газа изменяются во времени. Например, если природный газ в газопроводе не движется, а пробоотборник продолжает отбирать пробу, то объединенная проба будет содержать некоторую часть газа, отобранного при отсутствии потока. Если компонентный состав исследуемого газа за этот период времени значительно отличается от усредненного состава, то проба не будет представительной.
Допускается также использование накопительного отбора проб природного газа, пропорционального времени, при этом представительные пробы будут получены только в том случае, если скорость потока (объемный расход) исследуемого газа стабильна на период отбора проб или его компонентный состав стабилен в течение данного периода времени.
Допускается применение нескольких типов накопительных пробоотборников, работа которых может управляться таймером или сигналом, пропорциональным объемному расходу (скорости потока) природного газа, поступающим от электронных блоков СИ объемного расхода газа.
5.4.2.3 Технические требования
В качестве накопительного пробоотборника рекомендуется применять пробоотборник с подвижным поршнем, отбирающим пробу исследуемого газа при постоянном давлении, равном или близком к давлению в газопроводе.
Длина пробоотборной линии между пробоотборным устройством и пробоотборником должна быть по возможности минимизирована. За исключением обоснованных случаев (например, очень сухих газов), линия и пробоотборник должны обогреваться и изолироваться для предотвращения конденсации компонентов пробы.
Конструкция пробоотборной системы должна обеспечивать равномерное и беспрепятственное поступление как постоянного, так и периодического потока исследуемого газа и, таким образом, постепенное заполнение пробоотборника представительной пробой природного газа.
5.4.2.4 Контроль процесса заполнения
Процесс заполнения накопительного пробоотборника контролируют с периодичностью, установленной в соответствующем соглашении сторон. Рекомендуемая периодичность контроля - не реже одного раза в сутки. Контроль степени заполнения пробоотборника проводят по положению измерительного штока (при его наличии) или по магнитному или иному индикатору положения поршня. Детальный порядок действий для контроля процесса заполнения накопительного пробоотборника указан в руководстве по эксплуатации пробоотборника или накопительной пробоотборной системы.
5.4.2.5 Защита от избыточного давления
При необходимости для защиты пробоотборной системы от воздействия избыточного давления в случае отказа ее элементов (например, блокировки выхода нагнетателя) следует устанавливать предохранительный клапан.
6 Требования к организации отбора проб из газопровода
Пробоотборный зонд должен располагаться в активной зоне газопровода, где присутствует постоянное движение газа, а не в тупиковой его части. Рекомендуется устанавливать зонд вертикально на верхней части горизонтального участка газопровода или под углом не более 45° от вертикали (наконечник зонда должен быть направлен вниз), чтобы позволить каплям жидкости стекать в поток природного газа и избежать попадания нежелательных загрязнений в пробоотборную систему. В чистых и сухих потоках природного газа допускается установка зонда сбоку или снизу газопровода.
Пробоотборный зонд с наружной части газопровода должен быть оснащен отсечным краном или запорным вентилем. Это позволяет отсоединять/присоединять пробоотборную линию от/к газопроводу. Зонд может иметь как стационарное, так и съемное исполнение в зависимости от местоположения и условий эксплуатации.
Не допускается установка стационарного пробоотборного зонда на участках газопроводов, которые подвергаются периодическому внутритрубному дефектоскопическому диагностированию.
Допускается установка пробоотборного зонда в вертикальных газопроводах, если зонд установлен горизонтально или наклонно, таким образом, чтобы исключить возможность попадания нежелательных загрязнений в пробоотборную систему.
Примечание - При отборе проб природного газа для определения содержания механических примесей впускное отверстие наконечника зонда может быть направлено навстречу потоку исследуемого газа для обеспечения представительности пробы, если это предусмотрено соответствующей методикой (методом) измерений. Допускается использовать тот же зонд для отбора проб с целью определения других показателей или состава природного газа, при этом, в случае прямого отбора, необходимо обеспечить пробоотборную систему фильтром механических примесей.
При определении места установки пробоотборного зонда следует руководствоваться также требованиями
ГОСТ 8.586.5 и
ГОСТ 8.611 <1>.
--------------------------------
<1> В Российской Федерации также следует соблюдать требования
ГОСТ Р 8.740-2011 "Государственная система обеспечения единства измерений. Расход и количество газа. Методика измерений с помощью турбинных, ротационных и вихревых расходомеров и счетчиков".
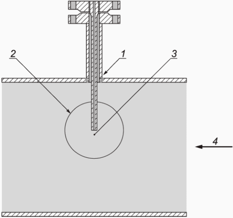
Необходимо выбирать место отбора проб (см.
рисунок 2) для монтажа пробоотборного устройства в соответствии с требованиями настоящего раздела.
1 - место отбора проб; 2 - область отбора проб;
3 - точка отбора проб; 4 - поток природного газа
Рисунок 2 - Пример места отбора проб
В газопроводах с DN (номинальным диаметром) 300 мм и менее пробоотборный зонд допускается не устанавливать. Установка зонда в данном случае может вызвать перепад давления, перекрытие потока и другие проблемы.
Для отбора проб из данных газопроводов допускается использовать специальный пробоотборный зонд, соответствующий указанным условиям, штуцер, снабженный запорным вентилем, или манометрический штуцер, расположенный в верхней части горизонтального или вертикального участка газопровода.
Примечание - Допускается также проводить отбор проб природного газа без установки зонда из газопроводов любого диаметра после проведения ремонтных или пусконаладочных работ на участке данного газопровода с целью анализа газа для технологических нужд.
6.2.2 Отсутствие препятствий для потока газа
Место отбора проб должно быть выбрано таким образом, чтобы оно находилось в месте, где на пробу не могут воздействовать элементы, нарушающие структуру потока исследуемого газа: регулирующие клапаны, диафрагмы, оборудование для измерения расхода, термокарманы и другое оборудование.
6.2.3 Доступность
К месту отбора проб должен быть обеспечен свободный доступ персонала при эксплуатации и проведении технического обслуживания. Пути прохода персонала для осмотра и технического обслуживания пробоотборной системы, должны быть расположены таким образом, чтобы иметь возможность безопасно проводить необходимые процедуры на регулярной основе. Если соблюдение требований
6.2.2 не может быть обеспечено с использованием одного места отбора проб, то следует использовать другое или несколько мест отбора проб.
Примечание - При проведении отбора проб природного газа на автомобильных газонаполнительных компрессорных станциях (АГНКС) допускается отбирать пробу исследуемого газа из любого подходящего штуцера или другого пробоотборного устройства, снабженного запорным краном, вентилем или другим запорно-регулирующим устройством, место отбора проб при этом должно быть доступно для персонала и может располагаться в любой подходящей точке технологической схемы АГНКС, в случае отбора проб для последующего определения массовой концентрации паров воды место отбора проб должно располагаться после блока осушки газа.
Пробу природного газа отбирают в пределах площади поперечного сечения газопровода. Поэтому наличие пробоотборного зонда является необходимым условием правильного отбора проб (за исключением случая, указанного в
6.2.1).
Не следует отбирать пробу природного газа в пристеночной области газопровода, поскольку вблизи стенки газопровода существует пограничный малоподвижный слой, в котором компонентный состав газа может не соответствовать составу газа в потоке, протекающем по газопроводу. Кроме того, загрязнения, которые неизбежно присутствуют в потоке природного газа, такие как капли компрессорного масла, пыль и другие, постепенно накапливаются на внутренней поверхности газопровода.
Для газопроводов с
DN от 300 до 1000 мм включительно, для получения представительной пробы исследуемого газа пробоотборный зонд следует погружать в газопровод на глубину не менее, чем 100 мм от внутренней поверхности газопровода. Для газопроводов с
DN более 1000 мм пробоотборный зонд следует погружать в газопровод на глубину не менее, чем 0,1
DN от внутренней поверхности газопровода. Для газопроводов с
DN 300 мм и менее, пробоотборный зонд, при необходимости, погружают на глубину от 0,3
DN до 0,7
DN (см.
рисунок 3).
| |
a) DN > 300 мм | б) DN <= 300 мм |
1 - зонд погружают на глубину не менее, чем на 100 мм
от стенки газопровода; 2 - расположение зонда
в центральной части внутреннего диаметра газопровода
Рисунок 3 - Положение пробоотборного зонда в газопроводе
Примечание - Для пробоотборных систем или устройств, спроектированных до даты вступления в силу настоящего стандарта, допускается глубина погружения пробоотборного зонда от 0,3DN до 0,7DN для газопроводов с DN более 200 мм.
Точка отбора проб определяется местом отбора проб, областью отбора проб, а также центром впускного отверстия на наконечнике пробоотборного зонда или отверстии на зонде (штуцере), через которое исследуемый природный газ поступает в пробоотборное устройство.
7 Общие требования при отборе проб
Для обеспечения представительности пробы исследуемого газа с целью измерений его физико-химических свойств или компонентного состава, следует учитывать следующие аспекты:
- положение точки отбора проб;
- состояние и характер потока исследуемого газа в точке отбора проб;
- способ специальной подготовки пробы, перед передачей ее в пробоотборный контейнер или СИ при ее необходимости;
- условия транспортирования и хранения пробы;
- материалы пробоотборной системы;
- поверхности контакта и/или загрязнения, с которыми контактирует проба;
- температуру пробоотборной системы;
- чистоту, состояние и техническое обслуживание пробоотборной системы.
7.2 Сорбция компонентов природного газа
7.2.1 Общие положения
Отдельные компоненты природного газа склонны к сорбции на активных поверхностях контакта, поэтому используемые при отборе проб материалы должны быть инертными. Поверхности контакта могут стать активными из-за накопления загрязнений или коррозии. Поэтому необходимо контролировать состояние поверхностей контакта, соприкасающихся с пробой исследуемого газа. Это относится не только к основным частям системы пробоподготовки, но и к арматуре: седлам вентилей, уплотнениям, сужениям и т.д. Особое внимание следует обратить на фильтры из-за значительной площади их поверхности, накопления загрязнений и значимого влияния на свойства исследуемого газа. Рекомендуется минимизировать площадь поверхности контакта фильтра с исследуемым газом.
Особое внимание следует уделять сорбционным эффектам в пробоотборных системах для анализа следовых компонентов природного газа.
7.2.2 Обработка поверхности контакта
Сорбционные эффекты, проявляемые некоторыми материалами, могут быть уменьшены специальной обработкой поверхности контакта. Чистая гладкая обезжиренная поверхность контакта имеет меньшие сорбционные свойства. Шероховатые поверхности контакта способствуют большей сорбции компонентов природного газа. Количество подобных участков пробоотборной системы должно быть минимизировано. Использование металлических обжимных фитингов и кольцевых уплотнений минимизирует воздействие шероховатой поверхности контакта на пробу исследуемого газа.
Также целесообразно применять полировку для минимизации сорбционных эффектов и сокращения времени продувки, необходимого для приведения пробоотборного оборудования в равновесие с компонентами пробы исследуемого газа. На некоторые материалы для уменьшения адсорбции наносят гальванические покрытия из инертного материала, например, никелевые и т.п. Для ингибирования адсорбции допускается также применять пассивацию алюминия. Специальная химическая обработка поверхностей контакта также подходит для минимизации поверхностной сорбции активных компонентов природного газа.
7.2.3 Приведение в равновесие с исследуемым газом пробоотборного оборудования
В новом пробоотборном оборудовании первоначально происходит интенсивная сорбция перед тем, как оно уравновесится с исследуемым газом. Новое пробоотборное оборудование в течение определенного времени необходимо приводить в равновесие с исследуемым газом, чтобы количество сорбирующихся компонентов оставалось стабильным в пробе газа во время анализа.
Равновесия достигают путем продувки пробоотборного оборудования исследуемым газом до тех пор, пока результаты анализов последовательных проб исследуемого газа, не будут иметь приемлемую сходимость в соответствии с методикой измерения данного физико-химического показателя. Достижение равновесия также может быть определено путем анализа состава эталонной газовой смеси (стандартного образца). Равновесие считают достигнутым, если расхождения значений содержания компонентов, полученных в результате контрольных измерений и известного состава эталонной газовой смеси (по паспорту) не превышают значений расширенной неопределенности для метода, по которому проводили анализ.
7.3 Материалы, используемые при отборе проб
7.3.1 Общие положения
Пригодность материалов, используемых в пробоотборной системе, зависит от состава исследуемого газа. Из-за присутствия в природном газе серосодержащих соединений, ртути, диоксида углерода и других активных соединений оборудование и фитинги рекомендуется изготавливать из нержавеющей стали или (при низком давлении газа) стекла. Альтернативные материалы для оборудования и фитингов приведены в
таблице 1 (см. также
[4]).
Таблица 1
Совместимость материалов для изготовления элементов
пробоотборной системы с компонентами природного газа
Материал | Совместимость с компонентами природного газа |
CnHm | COS, CO2 | CH3OH, O2 | ССС | H2O | He | Hg | H2, CO |
Нержавеющая сталь | а | а | а | б | б | а | б | а |
Стекло | а | а | а | а | а | а | а | а |
ПТФЭ | б | б | б | а | в | в | а | б |
Полиамид | а | а | б | а | а | а | в | а |
Алюминий | а | а | а | б | б | а | в | а |
Титан | а | а | а | а | а | а | а | а |
Поливинил-фторид (тедлар) | а | а | а | а | а | а | б | а |
Примечания 1 В настоящей таблице приведены следующие обозначения и сокращения: а - совместим; б - частично совместим; в - не рекомендуется; ССС - серосодержащие соединения. 2 ПТФЭ (политетрафторэтилен) инертен, но может адсорбировать, например, воду, гелий и водород. Покрытия из ПТФЭ могут иметь дефекты, и поэтому части поверхности контакта могут быть не полностью покрыты. |
Седла вентилей и уплотнения поршней должны быть изготовлены из подходящего эластичного материала.
Для отбора проб природных газов, содержащих сероводород или диоксид углерода, могут потребоваться специальные материалы и покрытия пробоотборной системы:
- эпоксидные или химически инертные покрытия;
- зеркально отполированная нержавеющая сталь.
При низких концентрациях исследуемого компонента проводят дополнительную обработку поверхности контакта. Активные компоненты природного газа, такие как сероводород и ртуть, рекомендуется анализировать с применением метода прямого отбора проб.
Следует исключить использование мягких металлов, таких как латунь, медь и алюминий в тех случаях, когда могут возникнуть проблемы с коррозией и растрескиванием (при наличии в природном газе серосодержащих соединений, ртути, диоксида углерода и т.п.), напряженным состоянием и усталостью металла. Материалы, вступающие в контакт с пробой газа или калибровочными газами, должны обладать следующими характеристиками:
- непроницаемость для всех компонентов природного газа;
- минимальная сорбция компонентов природного газа;
- химическая инертность к компонентам природного газа.
Допускается применение алюминия в качестве материала для пробоотборных контейнеров с учетом требований, приведенных в
таблице 1.
7.3.2 Марки стали
В качестве материалов пробоотборной системы не допускается использовать углеродистую сталь и другие относительно пористые или коррозионно-активные материалы, сорбирующие высококипящие и химически-активные компоненты природного газа, такие как диоксид углерода и сероводород.
Легированная нержавеющая сталь марок (6-24) 08Х18Н12Т, (6-42) 12Х18Н10Т по
ГОСТ 5632 или других, аналогичных по свойствам, является наиболее подходящим материалом для использования в оборудовании для отбора проб природного газа.
В качестве материала для оборудования при отборе проб содержащего сероводород природного газа рекомендуется применять легированную коррозионно-стойкую сталь с остаточной массовой долей меди, не превышающей 0,3%.
7.3.3 Эпоксидные покрытия
Эпоксидные (или фенольные) покрытия снижают или полностью устраняют адсорбцию соединений серы и других второстепенных компонентов природного газа. Нецелесообразно наносить их на мелкие фитинги, клапаны и другие элементы пробоотборной системы малой площади.
7.3.4 Прочие полимеры
Применение прочих полимеров должно ограничиваться трубками или переходниками, соединяющими узлы оборудования, при отсутствии или минимизации прямого контакта с пробой исследуемого газа при давлении исследуемого газа, близком к атмосферному. Следует обратить внимание на материал полимеров при анализе водяных паров или серосодержащих соединений. Для соединения элементов пробоотборной системы рекомендуется применять полиамидные короткие трубки.
В отдельных случаях при низких давлениях допускается применять мягкий поливинилхлорид (ПВХ).
7.3.5 Резины
Применение трубок и переходников из резины и полимеров аналогичных ей по свойствам не допускается даже при низких давлениях из-за их высокой реакционной способности и проницаемости материала для компонентов природного газа.
7.3.6 Контактная коррозия
Использование в пробоотборной системе различных металлов в контакте друг с другом не рекомендуется, поскольку может привести к ускорению коррозии в месте контакта и, как следствие, к искажению состава пробы исследуемого газа и/или проблемам с безопасностью использования пробоотборной системы.
7.4 Очистка от загрязнений
7.4.1 Очистка пробоотборных систем
Все элементы пробоотборных систем, контактирующие с природным газом, следует очищать от смазки, масла или других загрязняющих веществ при необходимости. Пробоотборники следует очищать по мере необходимости, но не реже одного раза в полгода для пробоотборников, которые используют регулярно и перед каждым отбором проб для пробоотборников, которые используют реже одного раза в полгода. Исключение составляют пробоотборники со специально пассивированной поверхностью контакта, используемые для отбора проб природного газа, содержащего химически активные компоненты, например, такие как серосодержащие соединения. Пробоотборники очищают путем промывки летучим растворителем с последующим высушиванием продувкой чистым инертным газом. Для удаления высококипящих углеводородов могут быть использованы растворители, не оставляющие следов после сушки, такие, как ацетон по
ГОСТ 2768 или спирт изопропиловый по
ГОСТ 9805.
Пробы природного газа, подлежащие анализу на содержание серы, следует отбирать в специальные пробоотборники с футерованной или пассивированной внутренней поверхностью контакта. Вся контактирующая с исследуемым газом поверхность пробоотборника и его элементов должна иметь защитное покрытие. Рекомендуемым покрытием является фторопласт. Допускается использовать и иные подходящие покрытия (см.
таблицу 1).
7.4.2 Предварительное заполнение пробоотборников
Азот по
ГОСТ 9293, гелий, аргон по
ГОСТ 10157 и сухой воздух по
ГОСТ 24484 являются подходящими газами для сушки или продувки пробоотборников, очищенных от загрязнений. Используемый для этих целей газ не должен содержать анализируемых компонентов. Допускается оставлять часть азота или гелия в пробоотборниках, чтобы защитить их от загрязнения воздухом. Газы, используемые для предварительного заполнения или в качестве буферного газа в пробоотборниках, должны быть подобраны таким образом, чтобы при утечке внутри пробоотборника и загрязнении пробы этими газами СИ не интерпретировало бы данное загрязнение как часть анализируемой пробы. Например, газовый хроматограф, использующий гелий в качестве газа-носителя, не обнаруживает гелий, оставшийся после продувки двухвентильного пробоотборника, или просачивающийся мимо поршня в пробоотборнике с подвижным поршнем.
7.5 Конденсация компонентов природного газа
7.5.1 Температура
Все составные части пробоотборной системы следует выдерживать при постоянной температуре, не менее чем на 10 °C превышающей наибольшее из значений текущей температуры точки росы (по воде или углеводородам) исследуемого газа или (при отсутствии актуальной информации о температуре точки росы по воде и углеводородам) при температуре, равной или превышающей температуру исследуемого газа в точке отбора проб. Для этого необходим контроль температуры пробоотборной системы и при необходимости - теплоизоляция или обогрев.
7.5.2 Снижение давления и охлаждение от эффекта Джоуля-Томсона
Охлаждение вследствие эффекта Джоуля-Томсона (дроссель-эффекта) может происходить в точке пробоотборной системы, где происходит падение давления.
Одним из способов устранения охлаждения вследствие эффекта Джоуля-Томсона является предварительный нагрев природного газа перед любым элементом пробоотборной системы, обладающим гидравлическим сопротивлением и снижающим его давление. Величина предварительного нагрева должна определяться путем вычисления максимально возможного снижения температуры, зависящего от состава исследуемого газа, термобарических условий и снижения давления в пробоотборной системе, и добавления запаса в 10 °C к вычисленной температуре. Конструкция нагревательного устройства и пробоотборной системы должна быть такой, чтобы обеспечивать требуемую температуру природного газа вплоть до входной плоскости элемента пробоотборной системы, на котором происходит падение давления газа.
Приближенно значение максимально возможного снижения температуры,

, °C, допускается оценивать по следующей формуле

(4)
где 5,5 - приближенное значение коэффициента Джоуля-Томсона, °C/МПа;

- перепад давления в пробоотборной системе, который равен разности между давлением в точке отбора проб (газопроводе) и в конечной точке части пробоотборной системы, находящейся под рабочим давлением перед сбросным вентилем или редуктором давления, МПа.
Примечания
1 Допускается вычислять значение максимально возможного снижения температуры вследствие эффекта Джоуля-Томсона в пробоотборной системе на основе компонентного состава исследуемого газа с использованием общепринятых уравнений состояния (например, Пенга-Робинсона, Соаве-Редлиха-Квонга, Патела-Тея, GERG и т.п.) или программных комплексов технологического моделирования, реализующих указанные уравнения.
2 Допускается определять значение максимально возможного снижения температуры вследствие эффекта Джоуля-Томсона в пробоотборной системе с применением аттестованных в установленном порядке экспериментальных методик (методов) измерений.
7.5.3 Конденсация и повторное испарение
Во избежание потенциальных негативных последствий ретроградной конденсации углеводородов при отборе проб исследуемого газа и для обеспечения достоверности отбираемой пробы могут потребоваться утепленные и изолированные пробоотборные линии, а также нагревательные устройства.
Если отбор проб природного газа естественным образом происходит при температуре, по крайней мере на 10 °C выше наибольшего из значений текущей температуры точки росы (по воде или углеводородам) исследуемого газа или (при отсутствии актуальной информации о температуре точки росы по воде и углеводородам) при температуре, равной или превышающей температуру исследуемого газа в точке отбора проб, дополнительный нагрев не требуется.
Ретроградная конденсация углеводородов может произойти во время изменения давления или температуры потока исследуемого газа, в результате чего возможно непредвиденное возникновение второй фазы.
Перед началом анализа, в случае охлаждения пробоотборного контейнера при транспортировании или хранении до температуры ниже наибольшего из значений текущей температуры точки росы (по воде или углеводородам) или (при отсутствии актуальной информации о температуре точки росы по воде и углеводородам) до температуры, равной или превышающей температуру исследуемого газа в точке отбора проб, пробу следует нагреть не менее чем на 10 °C выше наибольшего значения температуры точки росы (температуры исследуемого газа в точке отбора проб). Для того чтобы гарантировать повторное испарение углеводородного конденсата, нагревание следует продолжать в течение 2 ч, а при необходимости (при выявлении нестабильности пробы) и дольше.
7.6 Нарушение потока через пробоотборную систему
Элементы пробоотборной системы следует выбирать таким образом, чтобы избежать тупиковых отводов и застойных зон по всему пути прохождения пробы исследуемого газа. Следует предотвращать появление в пробоотборной системе мертвых объемов, в которых происходит замедление потока и образование застойных зон. Фланцевые и резьбовые соединения особенно способствуют данным процессам, как и ступенчатые переходы и изменения внутренних диаметров линий.
7.7.1 Метод прямого отбора проб
Время получения результатов анализа (время задержки) складывается из времени пребывания и времени цикла работы СИ.
Вычисление времени задержки должно быть включено в проектирование пробоотборной системы и включать все внутренние объемы от пробоотборного зонда до СИ. Время задержки должно быть сведено к минимуму и сбалансировано с учетом необходимости минимизации затрат исследуемого газа на отбор проб и сложности проектируемой пробоотборной системы. Для ситуаций, требующих быстрого отклика, таких как управление технологическим процессом, время задержки пробоотборной системы не должно отрицательно влиять на эффективность работы технологической установки. Время пребывания природного газа должно соответствовать целям анализа отобранной пробы (например, технологический контроль газа, мониторинг следовых компонентов и т.д.).
Для сокращения времени задержки в первую очередь необходимо уменьшать расстояние от пробоотборного зонда до редуктора давления, поскольку высокое давление газа увеличивает время транспортирования пробы газа по пробоотборной системе. Для этого укорачивают пробоотборную линию высокого давления от точки отбора проб до редуктора давления. Дальнейшее расстояние менее критично, поскольку более низкому давлению соответствует меньшее время транспортирования из-за меньшего количества газа в пробоотборной системе.
Объем пробоотборной линии должен быть сведен к минимуму, поэтому следует использовать соединительные трубки наименьшего допустимого диаметра и длины. Диаметр трубок пробоотборной линии должен соответствовать условиям отбора проб, расходу газа, необходимому для реализации "быстрой петли", и требованиям к СИ. Определение внутреннего диаметра пробоотборной линии проводят на основании данных о длине линии, перепаде давления и требуемом расходе исследуемого газа. На практике используют пробоотборные линии диаметром не менее 3 мм.
Внутренние объемы элементов пробоотборной системы, таких как пробоотборный зонд, фитинги для пробоотборных линий, регуляторы, клапаны, расходомеры и т.д., также должны учитываться при вычислении времени задержки. На всех значимых потоках исследуемого газа для контроля расхода необходимо устанавливать СИ объемного расхода для контроля фактического времени задержки.
Время задержки в пробоотборной системе может быть уменьшено при использовании байпаса отходящего потока исследуемого газа, направленного на сброс ("быстрая петля") или сжатого для направления обратно в газопровод ("горячая петля").
Допускается также применение конфигурации с "горячей петлей" (возврат пробы в газопровод), при которой проба исследуемого газа извлекается при высоком давлении и возвращается при более низком давлении в зависимости от условий производства и аналитических требований. Преимуществом данного метода является сокращение выбросов в атмосферу или факельных выбросов. При использовании "горячей петли" время задержки может снизиться в несколько раз.
Для компонентов, которые имеют тенденцию к сорбции, в пробоотборной системе равновесие наступает за определенный период времени, зависящий от количества соответствующего компонента, который необходимо учитывать.
Для определения суммарного времени пребывания необходимо вычислить время пребывания пробы исследуемого газа в каждом элементе пробоотборной системы, вычисленное на основе значений фактических объемных расходов в каждом из элементов, включая время пребывания пробы в фильтрах, клапанах, регуляторах и тупиковых участках.
Фактические объемные расходы исследуемого газа в каждом элементе пробоотборной системы определяются объемным расходом через СИ и расходом по байпасной линии (может потребоваться для достижения приемлемого низкого времени задержки) с учетом давления и температуры в каждом элементе пробоотборной системы.
При определении времени продувки для анализа следовых компонентов природного газа, таких как, например, сероводород, необходимо дополнительно учитывать эффект сорбции на поверхностях контакта пробоотборной системы.
Подробный метод вычисления времени пребывания приведен в
приложении Д.
7.7.2 Метод косвенного отбора проб
Время задержки при получении результатов анализа заключается в суммировании времени пребывания, времени от окончания отбора проб до момента начала анализа отобранной пробы с применением необходимого СИ и времени единичного цикла измерений данного СИ. Для данного метода необходимо указать время окончания отбора проб.
Время продувки для точечного отбора проб должно быть не менее чем в 10 раз больше времени пребывания. Для пробоотборных систем, у которых в эксплуатационной (проектной) документации не указано расчетное время пребывания пробы, допускается выполнить продувку системы исследуемым газом от 1 до 5 мин при расходе газа, исключающем появление эффектов охлаждения отдельных элементов или всей пробоотборной системы.
7.8 Организация отбора проб одорированного природного газа
При необходимости отбора проб одорированного природного газа и последующего анализа его по показателям качества, которые напрямую или косвенно зависят от количества внесенного одоранта (например, интенсивность запаха, массовая концентрация меркаптановой и общей серы и т.п.), точку отбора проб необходимо оборудовать на расстоянии не менее 100DN данного газопровода ниже по потоку от точки ввода одоранта в поток природного газа для обеспечения полного и равномерного распределения компонентов одоранта в потоке исследуемого газа.
Примечание - Приведенное выше условие указывает на минимально допустимое расстояние, необходимое для перемешивания сернистых соединений одоранта с потоком газа, но не является строгой нормой для выбора места отбора проб. Требования по определению места отбора проб для определения интенсивности запаха природного газа и иных показателей, связанных с вносимым одорантом, регламентируются соответствующими документами.
8 Требования к оборудованию для отбора проб
8.1.1 Общие положения
Пробоотборный зонд должен быть сконструирован таким образом, чтобы соответствовать технологическим условиям объекта, места отбора пробы, условиям окружающей среды и вибрации.
Применение зонда, противоречащего указанным выше требованиям, может при определенных условиях привести к тому, что он станет значимым элементом, нарушающим поток исследуемого газа, изменяющим как компонентный состав пробы газа, так и точность СИ объемного расхода.
Представительные пробы исследуемого газа из газопроводов с потоками газа, не содержащими жидкой фазы, могут быть отобраны с помощью пробоотборного зонда любой конструкции.
Пробоотборный зонд в газопровод следует устанавливать в соответствии с
разделом 6, чтобы исключить отбор пробы исследуемого газа со стенки газопровода. Допускается использовать зонд как стационарного, так и съемного типа в зависимости от расположения и режима работы, с учетом возможного проведения на рассматриваемом газопроводе очистных и инспекционных работ.
8.1.2 Зонд с прямой трубкой
Наиболее простой конструкцией пробоотборного зонда для отбора проб природного газа является зонд с прямой трубкой, приведенный на
рисунке 4. Наконечник зонда может быть плоским или срезанным под углом.
Рисунок 4 - Зонд с прямой трубкой
8.1.3 Регулируемый зонд
Регулируемые пробоотборные зонды (см.
рисунок 5), как правило, применяют в системах непрерывного анализа природного газа и они предназначены для подачи пробы газа в пробоотборную систему при пониженном давлении.
1 - регулятор выходного давления; 2 - СИ давления (типовой);
3 - запорный вентиль для отбора проб (типовой);
4 - предохранительный клапан (типовой); 5 - соединение
с газопроводом; 6 - ребра (опциональные); 7 - мембрана
(опциональная); 8 - седло регулирующего клапана внизу зонда;
9 - корпус нажимного клапана (опциональный)
Рисунок 5 - Регулируемый зонд
Диафрагма и управляющая пружина регулируемого зонда установлены снаружи на стенке газопровода и соединены внутренним стержнем с точкой, в которой происходит снижение давления, которая находится на нижнем, опускаемом в поток газа, наконечнике зонда. Нижняя часть трубки пробоотборного зонда может быть оребрена таким образом, чтобы падение температуры от расширения исследуемого газа компенсировало тепло потока природного газа. Иллюстрация типичного регулируемого зонда показана на
рисунке 5. Допускается применение зондов с выдвижным механизмом и возможностью частичного или полного извлечения зонда из полости газопровода (аппарата, емкости), снабженные лубрикаторным устройством, для обеспечения извлечения зонда без остановки потока газа через газопровод (аппарат, емкость).
8.1.4 Зонд Пито
Пробоотборные зонды Пито (см.
рисунок 6), как правило, применяют для создания "быстрой петли" или байпаса за пределами основного газопровода. Исследуемый газ при давлении
P1 выше по потоку отводится из газопровода через СИ или "быструю петлю" и возвращается при давлении
P2 ниже по потоку. Поток исследуемого газа через пробоотборный зонд зависит от перепада давления и скорости потока газа в газопроводе для создания потока исследуемого газа от входа в зонд до обратного порта (выхода) зонда.
1 - зонд Пито; 2 - поток исследуемого газа;
P1 - входное давление; P2 - выходное давление
8.2.1 Пробоотборные линии
8.2.1.1 Общие положения
Пробоотборные линии должны быть по возможности короткими (их минимальная длина определяется технической возможностью размещения места отбора пробы в пробоотборный контейнер или потокового СИ как можно ближе к точке отбора) и с как можно меньшим внутренним диаметром (не более 10 мм) для минимизации их внутреннего объема и, как следствие, времени пребывания пробы природного газа в пробоотборной системе. Внутренний диаметр пробоотборных линий при этом должен быть не слишком мал (не менее 1 мм), чтобы не создавать избыточного сопротивления и, как следствие, охлаждения пробы вследствие дроссель-эффекта при прохождении потока газа.
Пробоотборные линии должны идти вверх от точки отбора проб к пробоотборному контейнеру или СИ, расположенным на большей высоте (рекомендуемый уклон пробоотборной линии - не менее 7,5° от горизонтали). Следует избегать петель, провалов и понижений профиля линий, поскольку они представляют собой место скопления загрязнений и конденсата, образующихся при некорректной работе пробоотборной системы. Пробоотборные линии со сбросом в атмосферу должны быть минимизированы. Кроме того, перепады давления в линии могут вызвать охлаждение пробы природного газа с последующей конденсацией его высококипящих компонентов, что напрямую влияет на представительность пробы. Резьбовые соединения должны герметизироваться с помощью уплотнения из ПТФЭ. Не следует использовать герметизирующие составы, содержащие компоненты, способные загрязнить пробу и/или сорбировать компоненты природного газа из пробы.
8.2.1.2 Падение давления в пробоотборной линии
Для корректной работы пробоотборной линии требуется перепад давления от точки отбора проб до точки сброса исследуемого газа. Перепад давления может быть обеспечен диафрагмой, регулятором давления, редуктором давления, вентилем или другим запорно-регулирующим устройством на пробоотборной линии.
8.2.2 Байпасные приспособления
8.2.2.1 Общие положения
При использовании байпаса предпочтительны линии замкнутого контура без сброса газа в атмосферу из соображений охраны окружающей среды и безопасности.
8.2.2.2 "Горячая петля"
Байпасная линия замкнутого контура, называемая также "горячая петля", должна иметь замкнутую конфигурацию и обеспечивать возврат пробы исследуемого газа в газопровод. Следует использовать линии из нержавеющей стали с внутренним диаметром от 1 до 10 мм. В байпасной петле необходимо создать перепад давления между точками входа и выхода исследуемого газа, чтобы обеспечить постоянный и устойчивый расход газа через пробоотборное оборудование, расположенное на петле. Байпасная петля должна содержать элементы контроля и управления давлением и расходом газа, такие как расходомер, манометр и обратный клапан.
8.2.2.3 "Быстрая петля"
Если невозможно обеспечить достаточный перепад давления газа в замкнутой байпасной линии, допускается использовать байпасную линию открытого контура ("быстрая петля"), через которую будет осуществляться сброс исследуемого газа в атмосферу или на факел.
Скорость потока природного газа и падение давления в байпасной линии открытого контура необходимо контролировать, чтобы свести к минимуму охлаждение и конденсацию, которые будут влиять на достоверность пробы исследуемого газа.
По возможности, следует избегать использования фильтров из материалов с высокими сорбционными свойствами и чрезмерно развитой поверхностью контакта.
Конструкция фильтров должна предусматривать наличие минимальных мертвых объемов, а также обеспечивать несложную процедуру удаления всех накопившихся загрязнений при продувке путем открывания дренажного вентиля или во время технического обслуживания при замене фильтрующего элемента.
Требования к материалу фильтрующих элементов, а также эффективность фильтрации и допускаемый размер частиц должны быть установлены в технических условиях на анализируемый природный газ, используемой методике измерений целевого показателя качества природного газа или руководствах по эксплуатации применяемых СИ и пробоотборных систем.
Если в перечисленной выше документации специальные требования к фильтрам не установлены, следует руководствоваться следующими общими требованиями:
- размер пор фильтра - не более 10 мкм;
- эффективность фильтрации при размере частиц 10 мкм - не менее 99%;
- материал фильтра должен быть гидрофобным и максимально инертным к компонентам природного газа, например, перхлорвиниловый полимер.
8.4 Вентили, краны, регуляторы давления и предохранительные клапаны
Все запорные вентили и краны с ручным управлением в пробоотборной системе должны иметь надлежащую индикацию положения открыт/закрыт. Для технического обслуживания пробоотборной системы должны быть предусмотрены вентили (краны) на входе и выходе системы. Краны для быстрого открывания/закрывания должны быть шарового типа. Для регулирования расхода исследуемого газа необходимо использовать игольчатые и регулирующие вентили.
Регуляторы давления должны иметь встроенную систему обогрева или размещаться на нагреваемой плите (в обогреваемом боксе).
Для снижения количества потенциальных мест утечек исследуемого газа необходимо минимизировать количество вентилей и фитингов.
Следует избегать использования колен (угловых фитингов); предпочтительнее использовать изогнутые трубки. Также рекомендуется использовать вентили со встроенными (безрезьбовыми) фитингами.
Для защиты СИ и пробоотборного оборудования от негативного воздействия избыточного давления следует устанавливать предохранительные клапаны.
Применяемые в пробоотборной системе фитинги и уплотнения должны иметь единое исполнение.
Максимально допустимые значения давления в пробоотборной системе должны соответствовать данным, указанным производителем трубок и фитингов.
Соединительные устройства для пробоотборных контейнеров должны быть рассчитаны на многократное использование. При необходимости использования гибких шлангов, их следует соединять с уплотнительными фитингами при помощи обжимного конуса.
Если материал трубки и фитинга, контактирующего с ней, отличается, данное сочетание должно быть проверено изготовителем фитинга или проектировщиком пробоотборной системы на электрохимическую совместимость.
8.6 Устройства регулирования расхода газа
Для контроля скорости потоков природного газа и проверки соответствия ее значений конструкции пробоотборной системы, необходимо использовать СИ объемного расхода газа. Для регулирования расхода исследуемого газа в комплекте с СИ объемного расхода применяют игольчатый вентиль (тонкой регулировки). Для регулирования скорости потока (объемного расхода) исследуемого газа допускается также использовать калиброванные отверстия (диафрагмы), капилляры или регуляторы расхода газа (механические или электронные).
Для подачи исследуемого газа в СИ при давлении ниже давления в точке отбора проб необходимо применять устройство для снижения давления (редуктор давления).
Рекомендуется изготавливать редукторы давления из нержавеющей стали, с уплотнениями из ПТФЭ.
Редукторы должны иметь номинальное давление, превышающее максимальное ожидаемое давление исследуемого газа в пробоотборной системе.
Вследствие эффекта Джоуля-Томсона температура природного газа падает приблизительно на 5,5 °C при снижении давления на каждые 1,0 МПа, что повышает вероятность конденсации высококипящих углеводородных компонентов природного газа. Обычный способ предотвращения конденсации - нагрев для компенсации падения температуры (см.
рисунок 7).
1 - предохранительный клапан; 2 - обогреваемая камера;
3 - природный газ на анализ; 4, 6 - вентили; 5 - редуктор
давления; 7 - линия с электронагревателем; 8 - изоляция;
9 - шаровой вентиль; 10 - газопровод
Рисунок 7 - Обогреваемая камера для снижения давления газа
при отборе проб
Нагревают, как правило, участок пробоотборной системы перед редуцирующим устройством, а также само редуцирующее устройство или помещают всю пробоотборную систему или ее часть в шкаф с регулируемым обогревом. Пробоотборная система должна быть сконструирована таким образом, чтобы гарантировать отсутствие конденсации компонентов пробы природного газа в любой ее точке. Требуемое количество тепловой энергии зависит от состава исследуемого газа, падения давления, термобарических параметров природного газа, объемного расхода газа.
8.8 Нагревательные устройства
Нагревательные элементы могут быть установлены на пробоотборном зонде или пробоотборных линиях. В некоторых случаях может потребоваться нагрев пробоотборного контейнера. Пробоотборная система или отдельные ее элементы могут располагаться в обогреваемых шкафных устройствах или в анализаторных боксах с обогревом.
Используемые электронагревательные элементы должны обеспечивать постоянную заданную температуру, превышающую не менее чем на 10 °C наибольшее из значений текущей температуры точки росы (по воде или углеводородам) исследуемого газа или (при отсутствии актуальной информации о температуре точки росы по воде и углеводородам) температуру исследуемого газа в точке отбора проб. Электронагревательные элементы должны удовлетворять требованиям соответствующих норм и правил по применению и эксплуатации электрического оборудования. Выполнение данных требований необходимо для исключения перегрева нагревательных элементов при сбое в электроснабжении.
Для обеспечения равномерной температуры в анализаторном боксе может потребоваться принудительная циркуляция нагретого воздуха.
Для повышения температуры в анализаторном боксе до необходимого значения допускается применение внутри бокса дополнительного обогрева линий соответствующими нагревательными элементами.
8.9 Средства измерений давления (манометры)
Для контроля и регулирования давления в пробоотборной системе по мере необходимости следует устанавливать СИ давления (манометры), соответствующие действующим национальным нормативным правовым актам государств, принявших настоящий стандарт, в области промышленной безопасности, классом точности не более 2,5. Внутренняя полость манометра не должна содержать остатков масла или других жидкостей после его испытаний, поверки или калибровки. Следует избегать засорения манометра и утечек исследуемого газа.
8.10 Уплотнения и смазочные материалы
При выборе уплотнений и смазочных материалов следует учитывать их химическую совместимость с компонентами исследуемого газа, а также термобарические условия в процессе отбора проб.
8.11 Пробоотборные контейнеры
8.11.1 Общие положения
Информацию о периодичности испытаний пробоотборных контейнеров приводят в их эксплуатационной документации.
Пробоотборные контейнеры должны быть защищены от повреждений во время транспортирования и хранения. Пробоотборные контейнеры транспортируют в специальных транспортировочных коробках или ящиках, предназначенных для пробоотборного контейнера конкретного типа.
На внутреннюю поверхность пробоотборного контейнера могут быть нанесены покрытия, которые помогают сохранить представительность пробы и обеспечивают пониженную реакционную и адсорбционную способность по отношению к соединениям серы или иным активным соединениям, содержащимся в исследуемом газе.
Материал пробоотборного контейнера не должен изменять состав исследуемого газа или влиять на представительность отобранной пробы природного газа. Для этого необходимо учитывать материалы как самого контейнера, так и вентилей, уплотнений и других элементов, контактирующих с исследуемым газом.
Пробоотборные контейнеры, как правило, изготавливают из нержавеющей стали, титанового или алюминиевого сплавов, композитных материалов, а также из стекла (для избыточного давления пробы газа ниже 0,2 МПа).
Стеклянные пипетки не должны подвергаться воздействию избыточного давления исследуемого газа, превышающего значение допускаемого для них в соответствии с эксплуатационной документацией давления.
Пробоотборные контейнеры должны:
- сопровождаться этикетками или документами с соответствующей информацией, защищенной от повреждения, а также иметь идентификационный номер (заводской или наносимый пользователем);
- проверяться периодически на герметичность и целостность.
8.11.2 Пробоотборники и баллоны
Пробоотборные контейнеры (баллоны и пробоотборники), на которые распространяются требования национальных нормативных правовых актов государств, принявших настоящий стандарт, в области промышленной безопасности в части использования оборудования, работающего под избыточным давлением, должны испытываться на давление, по крайней мере, в 1,25 раза превышающее максимальное рабочее давление, указанное в их эксплуатационной документации.
Пробоотборные контейнеры (баллоны и пробоотборники), на которые не распространяются требования национальных нормативных правовых актов государств, принявших настоящий стандарт, в области промышленной безопасности в части использования оборудования, работающего под избыточным давлением, допускается подвергать пневматическим испытаниям на герметичность при рабочем давлении в точке отбора проб.
Если предусмотрено конструкцией, то на пробоотборные контейнеры во время транспортирования и хранения устанавливают торцевые крышки (заглушки) или защитные колпаки (для баллонов).
Пробоотборные контейнеры должны иметь постоянный штамп или гравировку с информацией об объеме, рабочем давлении и давлении испытания.
Пробоотборные контейнеры должны соответствовать требованиям национальных нормативных правовых актов государств, принявших настоящий стандарт, в области безопасности, требованиям безопасности, принятым в эксплуатирующей их организации, а также требованиям нормативных документов, устанавливающих методики (методы) измерений, которые предусматривают применение указанных пробоотборных контейнеров.
Если пробоотборные контейнеры предварительно не вакуумированы, они должны быть оборудованы как минимум двумя вентилями, позволяющими осуществлять их продувку исследуемым газом. Поверхность контакта пробоотборного контейнера не должна содержать смазку, масло или иные загрязнения. Для исключения адсорбции поверхности контакта пробоотборного контейнера следует очищать. Процедура очистки пробоотборных контейнеров приведена в
приложении Е.
Для вентилей рекомендуется использовать мягкие уплотнительные прокладки вместо седел типа металл-металл.
Для отбора проб природного газа применяют, как правило, два типа пробоотборных контейнеров:
- наиболее распространенный однополостный пробоотборный контейнер (одновентильный баллон или двухвентильный пробоотборник постоянного объема);
- пробоотборник с подвижным поршнем (постоянного давления).
8.11.3 Стандартный или однополостный пробоотборный контейнер
Стандартные однополостные двухвентильные пробоотборники, как правило, изготавливают из металла или металлокомпозитного материала и выполняют с суженными концами (горловинами) и внутренней резьбой на каждом конце (горловине) контейнера для вкручивания вентилей.
Одновентильные баллоны либо имеют одну горловину, либо две горловины, вторая из которых заглушена.
Наиболее распространенные объемы пробоотборников - 0,15; 0,3; 0,5; 1 и 2 дм3. Наиболее распространенные объемы пробоотборных баллонов - от 1 до 40 дм3. Допускается любой объем пробоотборного контейнера, соответствующий аналитической задаче. Пробоотборник рекомендуется снабжать предохранительным клапаном. Использование предохранительного клапана с разрывной мембраной более предпочтительно по сравнению с использованием пружинного клапана.
8.11.4 Пробоотборник с подвижным поршнем (постоянного давления)
Пробоотборник с подвижным поршнем изготавливают из металлической трубы с выточенной и полированной внутренней поверхностью. Пробоотборник рекомендуется оснастить съемными концевыми крышками, чтобы обеспечить доступ для удаления и ремонта подвижного поршня. В крышках высверливают отверстия и нарезают в них резьбу для подсоединения штуцеров, манометров (при необходимости) и сбросных клапанов.
На
рисунке 8 приведен пример пробоотборника с подвижным поршнем (постоянного давления), снабженного внешним устройством (индикатором), указывающим на степень заполнения цилиндра, равную 80%. Когда индикаторный стержень
5 достигнет позиции
10 (кольцо-ограничитель 80% заполнения пробоотборника) пользователь должен прекратить заполнение пробоотборника исследуемым газом.
1 - штуцер сброса пробы; 2 - стяжные шпильки;
3 - подвижный поршень; 4 - штатив; 5 - индикаторный
стержень; 6 - штуцер подачи буферного газа;
7 - подсоединение предохранительного клапана;
8 - штуцер подачи пробы; 9 - штуцер сброса буферного газа;
10 - кольцо-ограничитель 80% заполнения контейнера;
11 - рабочая камера; 12 - буферная камера
Рисунок 8 - Пробоотборник с подвижным поршнем
Пробоотборник с подвижным поршнем, как правило, изготавливают из нержавеющей стали, инертной к компонентам пробы исследуемого газа.
Пробоотборник имеет внутренний подвижный поршень, позволяющий предварительно заполнить обратную по отношению к входу пробы исследуемого природного газа сторону цилиндра (буферную камеру) соответствующим буферным газом, например, гелием, до давления в газопроводе. После отбора пробы пробоотборник относят в лабораторию и, подключившись к источнику буферного газа, поддерживают постоянное давление пробы газа во время проведения анализа. Данная процедура позволяет сохранить целостность пробы на очень высоком уровне. Для природных газов, которые имеют высокие значения теплоты сгорания (содержат легкоконденсирующиеся высококипящие углеводороды) и подвержены конденсации из-за изменения температуры или давления, рекомендуется применять пробоотборник с подвижным поршнем.
8.11.5 Накопительные пробоотборники
8.11.5.1 Пробоотборники с регулятором давления
Специально сконструированный регулятор давления позволяет повышать давление собранной пробы в пробоотборнике от нуля до максимального давления в газопроводе во время отбора пробы исследуемого газа. Пробоотборники с регулятором давления не рекомендуется использовать для газопроводов низкого давления или при значительно изменяющихся скоростях потока природного газа в газопроводе.
8.11.5.2 Пробоотборники с вытеснением
Предварительно поданный в пробоотборник с подвижным поршнем буферный газ постепенно вытесняется пробой исследуемого газа, закачиваемой в пробоотборник при постоянном давлении в системе во время отбора пробы.
8.11.5.3 Пробоотборник-аккумулятор
Пробоотборник-аккумулятор представляет собой двухвентильный пробоотборник, встраиваемый в стационарную пробоотборную систему, оснащенную байпасной линией и отсечными кранами, перед редуктором. Использование пробоотборника-аккумулятора в пробоотборной системе промышленного газового хроматографа (либо другого потокового СИ) обеспечивает возможность измерения последовательных вводов одной пробы исследуемого газа в условиях сходимости. Пробоотборная система, оснащенная пробоотборником-аккумулятором, позволяет применять промышленный хроматограф в качестве аналога лабораторного СИ и получать результат определения компонентного состава исследуемого газа в условиях сходимости с оценкой неопределенности, что может существенно сократить потребность в лабораторных СИ. При помощи данного пробоотборника допускается также проводить сравнение (сличение) результатов определения компонентного состава природного газа, полученных с использованием промышленного и лабораторного хроматографов. Рекомендуемая принципиальная схема включения пробоотборника-аккумулятора в пробоотборную систему приведена на
рисунке Ж.1 приложения Ж.
Аналогичную схему допускается применять для пробоотборных линий, подающих пробу от точки отбора проб исследуемого газа непосредственно в лабораторный хроматограф, также с целью получения результатов определения компонентного состава в условиях сходимости с корректной оценкой неопределенности измерений.
Объем пробоотборника-аккумулятора должен быть достаточен для выполнения всех необходимых измерений без значительного снижения давления пробы исследуемого газа в пробоотборнике, которое может в свою очередь снизить расход исследуемого газа на выходе редуктора давления до значения, выходящего за нижний предел диапазона значений объемного расхода, указанного в эксплуатационной документации используемого СИ.
8.11.6 Маркировка пробоотборников и баллонов
Вся необходимая информация о пробоотборном контейнере должна находиться на его этикетке, надежно присоединенной к пробоотборному контейнеру, но не мешающей его использованию, или быть выгравирована на наружной поверхности контейнера при наличии технической возможности.
Этикетка или гравировка пробоотборного контейнера должна содержать следующую информацию:
- заводской/серийный номер пробоотборника;
- внутренний объем пробоотборника;
- максимальное рабочее давление пробоотборника;
- тип пробоотборника.
На этикетке или гравировке допускается отражать информацию о материале пробоотборного контейнера, дате выпуска, наличии специального покрытия внутренней поверхности, дате последнего и следующего освидетельствования и т.п.
Примечание - Все требования к пробоотборникам, приведенные в настоящем стандарте, распространяются также и на одно- и двухвентильные металлические и металлокомпозитные баллоны.
Если анализируемый компонент присутствует в исследуемом газе в крайне незначительных концентрациях, проведение прямого анализа пробы газа для получения точной и надежной оценки концентрации данного компонента оказывается невозможным. Для увеличения концентрации анализируемого компонента применяют устройства концентрирования пробы (концентратор). Принцип работы концентратора заключается в пропускании через него пробы исследуемого газа и накоплении достаточного количества целевого(ых) компонента(ов) или продуктов их реакции с поглотительным реагентом. Затем накопленный(е) компонент(ы) исследуемого газа либо анализируют непосредственно соответствующим методом, либо высвобождают из концентратора при повышенной температуре продувкой инертным газом, например азотом, и подают в соответствующее СИ на анализ.
Для определения концентрации анализируемого компонента с заданной неопределенностью необходимо определить объем исследуемого газа, пропущенного через концентратор с помощью обладающего достаточной точностью СИ объемного расхода газа.
8.13 Ловушки аэрозолей и/или пыли
В ряде случаев необходимо контролировать ряд характеристик исследуемого газа на выходе технологических установок (например, содержания воды после установок осушки, содержания сероводорода после установок сероочистки, температуры точки росы после изменения давления). Некоторые технологические установки и аппараты, вследствие природы протекающих в них процессов, могут являться источниками загрязнений в виде жидкости, аэрозолей или пены (гликоль, амины, масла и др.). В таких случаях необходимо предохранять элементы пробоотборной системы, а также СИ от контакта с любой жидкостью, отбираемой вместе с пробой исследуемого газа. Если пробоотборный зонд невозможно установить в линии потока исследуемого газа ниже газожидкостного сепаратора, то для удаления из природного газа указанных выше загрязнений допускается применять устройства, показанные на
рисунках 9 и
10.
1 - исследуемый газ из газопровода; 2 - шаровой кран;
3, 7, 9 - вентили; 4 - конденсат; 5 - коллекторная емкость;
6 - продувочный вентиль; 8 - редуктор давления
(при необходимости); 10 - исследуемый газ на анализ
Рисунок 9 - Каплеуловитель
Примечание - При отборе проб природного газа, содержащего капельную жидкость, следует руководствоваться методикой, приведенной в
приложении И. При отборе проб природного газа из скважин, шлейфов, промысловых сборных линий (коллекторов), аппаратов, емкостей, газгольдеров, иных резервуаров хранения газа и других объектов следует руководствоваться методикой, приведенной в
приложении К.
1 - выход исследуемого газа; 2 - трубка с четырьмя рядами
отверстий; 3 - перфорированный цилиндр; 4 - наполнитель
(стекловата плотной набивки); 5 - трубка диаметром 125 мм;
6 - трубка диаметром 25 мм; 7 - вход исследуемого газа
Применение в пробоотборной системе сепараторов (или каплеуловителей), как правило, не рекомендуется. Их использование допускается при возможности попадания капель жидкой фазы, находящейся в потоке исследуемого газа, в пробоотборную систему, СИ или контейнер для отбора пробы. Использование сепараторов (каплеуловителей) может привести к снижению точности анализа, если они находятся при температуре, отличной от температуры газа в точке отбора пробы. Для предотвращения конденсации рекомендуется использовать обогрев или изоляцию линий, выходящих из сепараторов или каплеуловителей.
Если температура окружающего воздуха ниже температуры исследуемого природного газа, то для обеспечения получения представительных проб может потребоваться теплоизоляция и/или подогрев всей пробоотборной системы. Не следует использовать механические устройства, фильтры или сорбирующие материалы, способствующие конденсации или адсорбции компонентов пробы природного газа.
8.14 Количество и последовательность оборудования
Чтобы свести к минимуму влияние пробоотборной системы на состав и представительность пробы природного газа, следует минимизировать количество применяемого оборудования. Оборудование следует выбирать таким образом, чтобы свести к минимуму его объем, время пребывания пробы и эффекты сорбции.
Оптимальная последовательность элементов пробоотборной системы зависит от области ее применения. В целом размещение фильтра вблизи точки отбора пробы исследуемого газа уменьшает накопление загрязнений во всей системе. Снижение давления вблизи точки отбора пробы газа сводит к минимуму время задержки. СИ объемного расхода исследуемого газа следует располагать после СИ искомого физико-химического показателя. Примеры рекомендуемого пробоотборного оборудования для различных ситуаций приведены в
таблице 2.
Таблица 2
Примеры рекомендуемого пробоотборного оборудования
Оборудование | Чистый сухой газ отбирают при избыточном давлении в газопроводе | Отбор природного газа в автоматические пробоотборники, например накопительный пробоотборник | Пробоотборная система для потокового измерения свойств газа, например промышленным хроматографом | Отбор проб для онлайн-анализа ртути в газе под избыточным давлением, например на газоперерабатывающем заводе |
Пробоотборный зонд | Р | Н | Н | Н |
Запорный вентиль | Н | Р | Н | Н |
Двойная блокировка и выпускной вентиль | И | И | Р | Н |
Вентильный нагреватель | О | И | О | Р |
Механический фильтр | О | О | Н | Н |
Пробоотборная линия | Н | Н | Н | Н |
Обогреваемая линия | О | О | О | Н |
Линии с покрытием | О | О | О | Р |
Нагнетатель для отбора проб | И | Н | И | И |
Регулятор давления | Р | И | Н | Н |
Обогреваемый регулятор давления | О | О | Р | Н |
Манометр | Р | О | Р | Н |
Расходомер | О | И | Р | Н |
Предохранительный клапан | О | Н | Н | Н |
Обогреваемый бокс | О | О | О | О |
Пробоотборный контейнер | Н | Н | О | О |
Примечания 1 В настоящей таблице применены следующие обозначения: Н - необходимо; Р - рекомендуется; О - опционально (необязательно); И - излишне. 2 Пробоотборный зонд рекомендуется использовать для газопровода с DN более 300 мм. Нагрев и нанесение покрытия зависят от анализируемого компонента. Регулирование давления и обеспечение безопасности - в зависимости от условий процесса и требований к оборудованию для отбора проб. 3 Для обеспечения отбора проб пропорционального потоку/времени может потребоваться программируемый логический контроллер (ПЛК) или другое устройство. 4 Нагрев и покрытие зависят от того, используется ли хроматограф для определения сернистых соединений. 5 Следует использовать регуляторы, расходомеры и предохранительный клапан вне измерительной линии. |
8.15 Заключительные положения
Для отбора проб природного газа допускается применять другое оборудование и материалы, соответствующие требованиям
разделов 4,
7 и
8, не уступающие по своим характеристикам оборудованию и материалам, перечисленным выше.
9 Устранение неполадок пробоотборной системы
При возникновении несоответствий в результатах измерений (например, выход результатов за пределы нормативов сходимости или неопределенности для применяемого метода), необходимо определить степень влияния пробоотборной системы на данные несоответствия.
Неисправности пробоотборной системы могут проявляться в различных формах и могут быть не сразу идентифицированы СИ или оператором, так как процесс отбора пробы исследуемого газа может продолжаться, но проба уже не является представительной. Проблемы могут возникать по следующим причинам:
- блокирование или ограничение потока исследуемого газа через элемент пробоотборной системы;
- неисправность или отказ элемента пробоотборной системы, вызванные несоответствием проекта условиям эксплуатации (таким как давление, расход, состав исследуемого газа), загрязнением или неисправностью самого элемента;
- изменения фазового или компонентного состава исследуемого газа в процессе отбора проб.
Примечание - Соответствующую тепловую и физическую защиту пробоотборной системы следует выбирать в соответствии с ожидаемыми условиями окружающей среды. Проблемы с нарушением технологического процесса могут быть решены обратной промывкой и продувкой системы (включая пробоотборные линии и пробоотборный зонд) и заменой фильтрующего элемента, а также других потенциально загрязненных элементов системы.
В
таблице 3 перечислены некоторые наиболее распространенные проблемы в совокупности с возможными мерами по их решению и предупреждающими действиями, которые могут быть предприняты для снижения риска возникновения проблем в процессе эксплуатации пробоотборных систем.
При необходимости проверки работоспособности пробоотборной системы допускается использовать метод верификации, приведенный в
приложении Л.
Таблица 3
Примеры распространенных проблем при отборе проб
природного газа
Тип проблемы | Проблема при отборе проб | Описание проблемы | Признак | Метод исправления | Профилактическое действие |
1 | Загрязненный фильтр | Загрязнения в потоке исследуемого газа заполнили поверхность фильтра, препятствуя потоку | Снижение или остановка потока исследуемого газа через пробоотборную систему. Фильтр выглядит загрязненным при осмотре/замене | Замена фильтра, оценка пригодности пробоотборного зонда (место, точка) для минимизации попадания загрязнений, проверка поведения технологического потока газа при нормальных рабочих параметрах | Упреждающий график смены фильтра. Правильный выбор места и точки отбора |
2 | Загрязненная линия отбора проб зонда | Накопление загрязнений, попадающих в зонд, а затем в пробоотборную линию из-за плохой конструкции наконечника зонда или неправильного выбора точки отбора проб в соответствии с разделом 6 | Снижение или прекращение расхода исследуемого газа в пробоотборной системе | Обратная промывка пробоотборной линии и/или пробоотборного зонда с использованием, например, изопропилового спирта под избыточным давлением (с давлением выше рабочего), например, азота. Замена зонда (с улучшенной конструкцией наконечника), если проблема повторяется | Тщательный выбор пробоотборного зонда для предотвращения попадания частиц/капель загрязняющих веществ в точке отбора пробы исследуемого газа |
3 | Неисправность обогревателей пробоотборной линии, регулятора давления или анализаторного бокса | Электрическая неисправность нагревательного элемента, приводящая к проблемам типа 5 и/или 6 | | Проверка причины неисправности (например, неисправность элемента или источника питания), замена неисправного нагревательного элемента или устранение причины сбоя питания | Тщательный выбор нагревательного элемента и соответствующего источника питания |
4 | Проблема с предохранительным клапаном | Сброс давления ниже порогового значения или невозможность повторного набора давления после сброса | Недостаточное давление в камере СИ или быстрое скачкообразное изменение давления. Предохранительный клапан дребезжит, открываясь и закрываясь | Проверка соответствия давления процесса номинальному значению давления предохранительного клапана, замена предохранительного клапана | Правильный выбор клапана по характеристике давления в соответствии с условиями процесса и регулярное обслуживание клапана в соответствии с инструкциями производителя |
| Проблемы из-за эффекта Джоуля-Томсона | Снижение давления исследуемого газа вызывает мгновенное/одновременное охлаждение пробы, которое может вызвать конденсацию компонентов исследуемого газа, искажающую идентичность отобранной пробы | Иней/конденсат, образующийся снаружи регулятора давления (или другой точки ограничения потока/снижения давления) пробоотборной системы. Проблемы из-за эффекта Джоуля-Томсона могут возникать на молекулярном уровне, не будучи видимыми или очевидными в результате анализа | Поддержание температуры пробы значительно выше температуры точки росы исследуемого газа. Предварительный нагрев пробы газа перед снижением давления является единственным способом гарантировать отсутствие временной/частичной конденсации, вызванной эффектом Джоуля-Томсона | Исходя из конструкции пробоотборной системы и характеристик технологического потока, определяют точку в системе, где газ потенциально может приблизиться к точке фазового перехода (температуре точке росы), и обеспечивают достаточный нагрев пробы исследуемого газа непосредственно перед этой точкой |
| Проблемы сорбции | Компоненты исследуемого газа могут взаимодействовать с поверхностями контакта пробоотборной системы, сорбируясь и десорбируясь при различных условиях, что приводит к ошибкам в результате анализа | Более низкие, чем ожидалось, концентрации анализируемого компонента, наличие анализируемых компонентов при анализе нулевого газа | Замена элементов пробоотборной системы, имеющих большие внутренние объемы и площади поверхности контакта, неполированные и не обработанные инертным покрытием поверхности контакта, например, зонд или сбросной клапан. Нагрев элементов пробоотборной системы гарантирует снижение сорбции | |
10 Прослеживаемость отобранной пробы
Вся необходимая информация для обеспечения идентификации и прослеживаемости отобранной пробы природного газа должна быть внесена в акт отбора пробы. При выполнении прямого отбора проб природного газа на потоковые СИ акт отбора проб составляют при необходимости.
Акт отбора пробы должен содержать следующую информацию:
- серийный/заводской номер пробоотборника или баллона (при косвенном отборе);
- место отбора пробы;
- данные, необходимые для идентификации газопровода (аппарата, емкости), из которого отобрана проба;
- дату и время (или временной период) отбора пробы;
- метод отбора пробы;
- назначение отобранной пробы (цель анализа);
- давление природного газа в точке отбора пробы;
- температуру природного газа в точке отбора пробы;
- ссылку на настоящий стандарт;
- сведения (фамилия, инициалы, должность) о лице, осуществлявшем отбор пробы;
- должность, подпись и расшифровку подписи лица, ответственного за проведение отбора проб.
Примечания
1 Рекомендуется также указывать в акте отбора пробы условия окружающей среды, если эта информация может быть критична для последующей интерпретации результатов анализа или для принятия мер по кондиционированию пробы природного газа в лаборатории.
2 Допускается внесение в акт отбора пробы дополнительных данных и комментариев об условиях и особенностях отбора пробы, которые могут быть существенны для последующего анализа или интерпретации его результатов (например, проба природного газа отобрана из неработающего газопровода, заполненного природным газом после окончания ремонтных работ) или давление природного газа в пробоотборной системе, при его отличии от давления в точке отбора пробы и т.п.
(справочное)
ЗНАЧЕНИЯ t-КОЭФФИЦИЕНТА СТЬЮДЕНТА
Значения коэффициента
t для случайной величины, имеющей распределение Стьюдента с

степенями свободы и односторонней доверительной вероятности 0,975 (равна двусторонней вероятности 0,95), приведены в
таблице А.1.
| t0,975 | | t0,975 | | t0,975 | | t0,975 | | t0,975 |
1 | 12,706 | 21 | 2,080 | 41 | 2,020 | 61 | 2,000 | 81 | 1,990 |
2 | 4,303 | 22 | 2,074 | 42 | 2,018 | 62 | 1,999 | 82 | 1,989 |
3 | 3,182 | 23 | 2,069 | 43 | 2,017 | 63 | 1,998 | 83 | 1,989 |
4 | 2,776 | 24 | 2,064 | 44 | 2,015 | 64 | 1,998 | 84 | 1,989 |
5 | 2,571 | 25 | 2,060 | 45 | 2,014 | 65 | 1,997 | 85 | 1,988 |
6 | 2,447 | 26 | 2,056 | 46 | 2,013 | 66 | 1,997 | 86 | 1,988 |
7 | 2,365 | 27 | 2,052 | 47 | 2,012 | 67 | 1,996 | 87 | 1,988 |
8 | 2,306 | 28 | 2,048 | 48 | 2,011 | 68 | 1,995 | 88 | 1,987 |
9 | 2,262 | 29 | 2,045 | 49 | 2,010 | 69 | 1,995 | 89 | 1,987 |
10 | 2,228 | 30 | 2,042 | 50 | 2,009 | 70 | 1,994 | 90 | 1,987 |
11 | 2,201 | 31 | 2,040 | 51 | 2,008 | 71 | 1,994 | 91 | 1,986 |
12 | 2,179 | 32 | 2,037 | 52 | 2,007 | 72 | 1,993 | 92 | 1,986 |
13 | 2,160 | 33 | 2,035 | 53 | 2,006 | 73 | 1,993 | 93 | 1,986 |
14 | 2,145 | 34 | 2,032 | 54 | 2,005 | 74 | 1,993 | 94 | 1,986 |
15 | 2,131 | 35 | 2,030 | 55 | 2,004 | 75 | 1,992 | 95 | 1,985 |
16 | 2,120 | 36 | 2,028 | 56 | 2,003 | 76 | 1,992 | 96 | 1,985 |
17 | 2,110 | 37 | 2,026 | 57 | 2,002 | 77 | 1,991 | 97 | 1,985 |
18 | 2,101 | 38 | 2,024 | 58 | 2,002 | 78 | 1,991 | 98 | 1,984 |
19 | 2,093 | 39 | 2,023 | 59 | 2,001 | 79 | 1,990 | 99 | 1,984 |
20 | 2,086 | 40 | 2,021 | 60 | 2,000 | 80 | 1,990 | 100 | 1,984 |
(справочное)
ПРИМЕРЫ ПРОБООТБОРНЫХ СИСТЕМ
ДЛЯ ПРЯМОГО ОТБОРА ПРОБ ПРИРОДНОГО ГАЗА
Примеры пробоотборных систем для прямого отбора проб природного газа в соответствии с настоящим стандартом приведены на
рисунках Б.1 и
Б.2.
1 - газопровод; 2 - точка отбора проб; 3 - пробоотборный
зонд; 4 - шаровой кран; 5, 11 - редукторы давления;
6, 12 - СИ давления; 7, 13 - сбросные клапаны;
8, 10, 14, 17, 20, 22 - вентили; 9 - пробоотборная
линия с электрическим подогревом; 15 - фильтр;
16, 19, 21 - СИ объемного расхода;
18 - газовый хроматограф
Рисунок Б.1 - Пример пробоотборной системы
с регулируемым зондом
1 - газопровод; 2 - точка отбора проб; 3 - пробоотборный
зонд; 4, 9, 10, 12, 17 - шаровые краны; 5, 18, 20, 26,
28, 29, 31 - вентили; 6, 19 - пробоотборные линии
с электрическим подогревом; 7 - корпус системы
пробоподготовки с электрическим регулятором нагрева;
8 - каплеотделитель; 11 - фильтр; 13, 15, 22 - СИ давления;
14 - обогреваемый редуктор давления; 16, 23 - сбросные
клапаны; 21 - редуктор давления; 24 - корпус анализатора;
25 - газовый хроматограф; 27, 30, 32 - СИ объемного расхода
Рисунок Б.2 - Пример пробоотборной системы с нерегулируемым
зондом без пониженного давления с блоком подготовки пробы
(справочное)
ПРИМЕНЕНИЕ СИСТЕМЫ ВЕНТИЛЕЙ ПРИ ПРЯМОМ ОТБОРЕ ПРОБ
Основной проблемой при отборе проб природного газа является установка распределительных магистралей для подачи градуировочного газа в пробоотборную линию. Соединения с помощью одного вентиля исключают, поскольку утечку через такой вентиль, когда он находится в закрытом положении, невозможно обнаружить, а ситуация, когда происходит натекание градуировочного газа в пробу исследуемого газа или наоборот, неприемлема.
Проблему утечек решают, оснащая каждую линию градуировочного газа и пробоотборную линию двумя перекрывающими вентилями с расположенным между ними вентилем, обеспечивающим сброс в атмосферу. Данная система исключает взаимное загрязнение газовых линий градуировочным газом и пробой исследуемого газа. Данную систему, как правило, обозначают как систему с двойной блокировкой и сбросом.
Применение системы с двойной блокировкой и сбросом к одному градуировочному газу проиллюстрировано на
рисунке В.1.
1 - градуировочный газ; 2 - подача газа на СИ;
3 - сброс газа в атмосферу; A, B, C - вентили
Рисунок В.1 - Принцип двойной блокировки и сброса
Когда вентили A и B закрыты, а вентиль C открыт, то любой протекающий через вентиль A из-за его негерметичности газ будет сбрасываться в атмосферу через вентиль C.
Распределительная система для одного градуировочного газа и одной линии подачи пробы исследуемого газа показана на
рисунке В.2. На
рисунке В.3 показана распределительная магистраль для нескольких градуировочных газов.
1 - градуировочный газ; 2 - исследуемый газ;
3 - сброс газа в атмосферу; 4 - предохранительный
клапан давления; 5 - подача газа на СИ
Рисунок В.2 - Распределительная магистраль для одного
градуировочного и одного исследуемого газа
1 - исследуемый газ; 2 - градуировочный газ;
3 - сброс газа в атмосферу; 4 - предохранительный
клапан давления; 5 - подача газа на СИ
Рисунок В.3 - Распределительная магистраль
для нескольких градуировочных газов
Все вентили смонтированы непосредственно на тройниках для того, чтобы избежать избыточного мертвого объема в неиспользуемой ветви T-образного участка пробоотборной системы.
Все дополнительные отрезки трубок при такой компоновке очищаются только за счет диффузии, и поэтому их следует избегать.
Рекомендуется использовать рычажные вентили, для которых имеются стандартные воздушные приводы, позволяющие легко автоматизировать работу распределительной магистрали.
При правильном выборе "нормально открытых" и "нормально закрытых" вентилей выбирают путь подачи газа на вход СИ с обеспечением безопасного функционирования всего блока.
Не имеющий отвода, снабженный пружиной предохранительный клапан давления вводится в пробоотборную линию за местом подсоединения последнего градуировочного газа и перед СИ.
Предохранительное устройство защищает СИ от неисправной работы редукторов газовых баллонов, находящихся под избыточным давлением.
(справочное)
ПРОЦЕДУРЫ ТОЧЕЧНОГО ОТБОРА ПРОБ ПРИРОДНОГО ГАЗА
Г.1 Методика отбора проб газа низкого давления в стеклянные пипетки
Г.1.1 Требования безопасности
Перед выполнением отбора проб визуально проверяют пипетку для отбора пробы на предмет отсутствия сколов, глубоких царапин или трещин. Надевают на стеклянную пипетку гибкую манжету вследствие возможного повышения давления исследуемого газа в линии до значения, превышающего 10 кПа.
Во время отбора проб используют защитные очки.
Г.1.2 Подготовка стеклянной пипетки
Смазывают запорные краны пипетки силиконовой смазкой.
Очищают пипетку моющим водным раствором гидроокиси калия по
ГОСТ 24363 с массовой концентрацией от 35% до 40%.
Промывают пипетку дистиллированной водой по
ГОСТ 6709.
Высушивают пипетку сухим горячим воздухом (не содержащим масла).
Если в газовой пробе определяют сероводород, то перед промывкой пипетки раствором гидроокиси калия промывают пипетку водным раствором серной кислоты по
ГОСТ 14262 с молярной концентрацией 0,01 моль/дм
3.
Г.1.3 Отбор проб
Типовая схема отбора пробы природного газа в стеклянные пипетки представлена на
рисунке Г.1.
1 - пробоотборный зонд; 2 - шаровой кран; 3 - вентиль;
4 - входной кран пипетки; 5 - стеклянная пипетка;
6 - выходной кран пипетки; 7 - расходомер;
8 - сброс исследуемого газа
Рисунок Г.1 - Схема отбора проб в стеклянные пипетки
Измеряют давление в точке отбора пробы. Убеждаются, что избыточное давление в линии подачи пробы не превышает 0,2 МПа.
Устанавливают пробоотборный зонд 1.
Соединяют кран 2 пробоотборного устройства с пипеткой 5 при помощи пробоотборной линии, снабженной вентилем тонкой регулировки 3, предварительно продутой от 5 до 10 мин исследуемым газом под небольшим избыточным давлением. Длина пробоотборной линии должна быть, по возможности, минимизирована.
Вход пипетки при этом должен располагаться как можно ближе к точке отбора пробы исследуемого газа.
Соединяют выход пипетки с входом расходомера 7 (СИ или индикатора объемного расхода исследуемого газа).
Соединяют выход расходомера 7 со сбросной линией.
Открывают запорный вентиль
2 (см.
рисунок Г.1) на пробоотборном устройстве, а затем краны
4 и
6 пипетки в порядке, соответствующем направлению потока исследуемого газа.
Расход исследуемого газа через пипетку регулируют вентилем 3 и контролируют с помощью расходомера 7.
Контролируют наличие жидкости в пробе во время продувки пипетки.
Пробу бракуют при наличии визуально определяемой жидкости.
Закрывают пипетку с пробой после продувки исследуемым газом (необходимо пропустить не менее 10 - 15-кратного объема пипетки), закрывая краны пипетки в порядке, противоположном направлению потока исследуемого газа, чтобы повысить давление в пипетке до давления в точке отбора проб.
Отсоединяют пипетку с пробой природного газа.
Фиксируют запорные краны пипетки зажимами при их наличии в комплекте пипетки для предотвращения случайного открывания и проверяют ее герметичность.
Г.1.4 Подготовка к транспортированию
Для транспортирования пипетки с пробой исследуемого газа используют подходящую тару.
Г.2 Процедура отбора проб методом заполнения-
выпуска
Схема расположения оборудования показана на
рисунке Г.2. Отводная линия имеет длину от 0,6 до 1,2 м. В качестве материала, применяемого для пробоотборного оборудования и соединительных линий, используют нержавеющую сталь. Отводную линию допускается скручивать в змеевик, что делает аппаратуру для отбора проб более компактной. Применение такой линии позволяет предотвратить конденсацию углеводородов в выходном вентиле пробоотборника.
1 - пробоотборный зонд; 2 - шаровой кран; 3 - вентиль;
4 - манометр; 5 - входной вентиль пробоотборника;
6 - пробоотборник; 7 - выходной вентиль пробоотборника;
8 - отводная линия; 9 - вентиль отводной линии;
10 - расходомер
Рисунок Г.2 - Схема отбора проб методом заполнения-выпуска
Устанавливают пробоотборный зонд 1.
Подсоединяют пробоотборный зонд 1 к пробоотборной линии.
Открывают полностью кран 2 и частично вентиль 3 и продувают пробоотборную линию исследуемым газом под небольшим избыточным давлением, не допуская охлаждения вентиля 3 и пробоотборной линии, регулируя соответствующим образом расход природного газа вентилем 3.
Время продувки пробоотборной линии должно не менее чем в 10 раз превышать расчетное или паспортное время пребывания, но не менее 1 мин.
Подсоединяют один конец пробоотборника через пробоотборную линию к пробоотборному устройству. Другой конец пробоотборника подсоединяют к отводной линии и собирают полностью схему, указанную на
рисунке Г.2.
Пробоотборник устанавливают вертикально.
Медленно продувают линию и пробоотборник исследуемым газом для вытеснения воздуха.
При полностью открытых кране 2 и вентиле 3, входном 5 и выходном 7 вентилях пробоотборника, а также частично открытом вентиле 9 отводной линии 8 продувают пробоотборник не менее чем 20-кратным объемом природного газа. Для контроля объема пропущенного газа на выходе отводной линии устанавливают счетчик газа или ротаметр 10 и определяют объем пропущенного газа либо непосредственно при помощи счетчика, либо при помощи секундомера и ротаметра. В последнем случае устанавливают постоянный расход исследуемого газа по ротаметру и продувают пробоотборник в течение необходимого времени, контролируя его по часам или секундомеру. Например, при объеме пробоотборника, равном 1 дм3, пропускают не менее 20 дм3 исследуемого газа. При расходе исследуемого газа по ротаметру, равном 2 дм3/мин, пробоотборник в данном случае продувают не менее 10 мин.
Примечание - При отсутствии технической возможности установки на конце пробоотборной линии СИ объемного расхода или объема, допускается для вычисления пропущенного объема исследуемого газа применять аттестованные в установленном порядке расчетные методики определения объемного расхода или времени пребывания исследуемого газа в используемой пробоотборной системе.
Закрывают вентиль 9. После того, как давление по показаниям манометра 4 возрастет до давления в точке отбора проб, отсоединяют СИ объемного расхода газа (ротаметр) 10 при наличии технической возможности.
Закрывают кран 2 и медленно сбрасывают давление в пробоотборнике путем открывания вентиля 9 до тех пор, пока оно не достигнет атмосферного давления.
Закрывают вентиль 9. Открывают кран 2.
Чтобы эффективно очистить пробоотборник от ранее находящегося в нем природного газа, повторяют две предыдущие операции несколько раз. Зависимость количества циклов заполнения-выпуска пробоотборника от абсолютного давления в точке отбора проб приведена в
таблице Г.1.
Таблица Г.1
Количество циклов заполнения-выпуска пробоотборника
в зависимости от абсолютного давления в точке отбора проб
Абсолютное давление в точке отбора проб, МПа | Количество циклов заполнения-выпуска |
От 0,1 до 0,2 включ. | 13 |
Св. 0,2 до 0,4 включ. | 8 |
Св. 0,4 до 0,6 включ. | 6 |
Св. 0,6 до 1,0 включ. | 5 |
Св. 1,0 до 3,5 включ. | 4 |
Св. 3,5 | 3 |
Наблюдают за появлением следов жидкости на конце отводной линии, при наличии технической возможности. При появлении жидкости прекращают пропускание или сброс исследуемого газа, нагревают отводную линию и продолжают отбор проб с меньшим расходом исследуемого газа через вентиль 9.
Примечание - При отсутствии технической возможности наблюдения жидкости на выходе отводной линии, следует контролировать температуру вентиля 7 или отводной линии 8 как можно ближе к вентилю 7. В случае падения температуры вентиля 7 следует прекратить пропускание или сброс исследуемого газа, нагреть отводную линию и продолжить отбор проб с меньшим расходом исследуемого газа через вентиль 9.
По завершении последнего цикла сначала перекрывают вентиль 9 и после того, как давление по манометру 4 возрастет до давления в точке отбора проб исследуемого газа, последовательно закрывают вентили 7, 5 и 3, а затем кран 2.
Записывают давление в пробоотборнике по показаниям манометра 4. Записывают температуру в точке отбора исследуемого газа. Плавно сбрасывают давление в отводной линии, постепенно приоткрывая вентиль 9. Отсоединяют отводную линию.
Аккуратно, не допуская резкого падения давления, отсоединяют пробоотборник. Плавно сбрасывают давление в пробоотборной линии, постепенно приоткрывая вентиль 3.
Проверяют отсутствие утечек, погружая вентили пробоотборника в воду, если это возможно, или используя пенный раствор.
После проверки герметичности удаляют досуха воду или пенный раствор с вентилей пробоотборника.
Закрывают вентили пробоотборника заглушками.
Примечание - Если давление в точке отбора проб превышает максимально допустимое давление для пробоотборника, то на пробоотборной линии после крана 2 дополнительно устанавливают регулятор давления и с его помощью устанавливают давление, не превышающее максимально допустимого значения для пробоотборника.
Возможен вариант схемы отбора проб методом заполнения-выпуска с байпасом пробоотборника, позволяющим выполнять продувку пробоотборной системы в отсутствие пробоотборника со сбросом продувочного газа на свечу. Схема отбора проб с байпасом пробоотборника приведена на
рисунке Г.3.
1 - пробоотборный зонд; 2 - шаровой кран; 3 - вентиль;
4 - манометр; 5 - входной вентиль пробоотборника;
6 - пробоотборник; 7 - выходной вентиль пробоотборника;
8 - отводная линия; 9 - вентиль отводной линии;
10 - расходомер; 11, 12, 13 - шаровые краны;
14 - байпасная линия
Рисунок Г.3 - Вариант схемы отбора проб методом
заполнения-выпуска с байпасом пробоотборника
Альтернативным способом отбора проб является продувка пробоотборника, после его присоединения и проведения всех предварительных процедур, при рабочем давлении (с использованием схем, представленных на
рисунке Г.2 или
Г.3) не менее чем 50-кратным объемом исследуемого газа при расходе, который позволяет осуществить продувку в период времени от 10 до 15 мин и не вызывает появления следов жидкости на конце отводной линии. При появлении жидкости на конце отводной линии повторяют последовательность действий для данного случая, указанную выше.
Г.3 Отбор проб методом вакуумирования баллона
Схема расположения оборудования показана на
рисунке Г.4.
1 - точка отбора проб; 2 - шаровой кран; 3, 4 - вентили;
5 - сброс газа; 6 - вентиль баллона; 7 - баллон
Рисунок Г.4 - Схема отбора проб методом
вакуумирования баллона
Последовательность операций при отборе проб методом вакуумирования баллона приведена ниже.
Вакуумируют баллон для проб до абсолютного давления не выше 100 Па (используют баллон, который был предварительно вакуумирован и проверен на возможность длительного сохранения данного разрежения).
Перед вакуумированием с помощью вакуумметра проверяют вентили для обнаружения утечек, чтобы быть уверенными в герметичности вентилей.
Устанавливают баллон для отбора проб, как показано на
рисунке Г.4.
Полностью открывают кран 2 и вентиль 3, заполняя пробоотборную линию исследуемым газом. Закрывают кран 2 и вентиль 3, частично открывают сбросной вентиль 4 и медленно выпускают исследуемый газ через линию сброса 5. После сброса давления до атмосферного закрывают сбросной вентиль 4.
Повторяют данную процедуру в зависимости от давления в точке отбора исследуемого газа в соответствии с
таблицей Г.1.
Полностью открывают кран 2 и вентиль 3.
Медленно открывают вентиль баллона 6, повышая давление в баллоне до давления в пробоотборной линии.
Закрывают вентиль баллона 6, кран 2 и вентиль 3.
Открывают вентиль 4, чтобы снизить давление в пробоотборной линии до атмосферного.
Отсоединяют баллон с пробой исследуемого газа от пробоотборной линии.
Проверяют на отсутствие утечек, погружая вентиль баллона 6 в воду или используя пенный раствор.
После проверки герметичности удаляют досуха воду или пенный раствор с вентиля баллона.
Закрывают вентиль баллона заглушкой.
Примечание - Приведенные в настоящем приложении варианты схем отбора проб природного газа являются рекомендуемыми. Проектные организации и производители систем отбора проб природного газа вправе упрощать или дополнять указанные выше схемы при наличии необходимости или возможности.
(справочное)
РЕКОМЕНДАЦИИ ПО ВЫЧИСЛЕНИЮ ВРЕМЕНИ ПРЕБЫВАНИЯ
Для вычисления времени пребывания пробы исследуемого газа в пробоотборной системе вычисляют и суммируют время пребывания для каждого элемента пробоотборной системы. Для пробоотборной линии значительной протяженности учитывают падение давления по всей длине линии при проектировании пробоотборной системы и вычислении времени пребывания. Время пребывания пробы в пробоотборной системе с учетом падения давления tres, с, вычисляют по формуле

(Д.1)
где 1,5708 - число

, деленное на два;
D - внутренний диаметр пробоотборных линий, м;
L - длина пробоотборных линий, м;
Pi - абсолютное давление на входе, Па;
Pf - абсолютное давление на выходе, Па;
| | ИС МЕГАНОРМ: примечание. Обозначение дано в соответствии с официальным текстом документа. | |
V - объемный расход исследуемого газа через пробоотборную систему, м3/с.
Если падение давления в элементах пробоотборной системы незначительно (менее 5% от начального давления) из-за ее небольшой длины и объема, принимают Pi ~= Pf и для вычисления времени пребывания используют упрощенную формулу

(Д.2)
где 0,7854 - число

, деленное на четыре.
Пример расчета времени пребывания.
Внутренний диаметр пробоотборной линии: 4 мм (0,004 м);
Объемный расход исследуемого газа: 8 л/мин (13,3·10-5 м3/с);
Длина пробоотборной линии: 100 м;
Абсолютное давление на входе: 290 кПа;
Абсолютное давление на выходе: 110 кПа;
Примечание - В приведенном примере расчета значение объемного расхода исследуемого газа взято при рабочих условиях давления и температуры на выходе пробоотборной линии.
(справочное)
ОЧИСТКА ПРОБООТБОРНИКОВ (БАЛЛОНОВ)
Очистку пробоотборников или баллонов (далее - контейнер) проводят при необходимости, например, в случаях, когда проба отобранного газа содержала загрязнения, что может быть визуально определено по выносу жидких или твердых частиц при сбросе исследуемого газа из контейнера на кусочек чистой сухой фильтровальной бумаги. Также очистку контейнера проводят в случае, если было выявлено загрязнение СИ после анализа пробы природного газа из данного контейнера, а также при нестабильности пробы, когда результаты анализа исследуемого газа из контейнера не соответствуют критерию сходимости или неопределенности для применяемого метода анализа, при этом нестабильность результатов не связана с некорректной работой СИ или его неисправностью. Пробоотборники, которые используют регулярно, очищают не реже одного раза в полгода. Пробоотборники, которые используют реже одного раза в полгода, очищают перед каждым отбором проб.
Перед проведением очистки выпускают полностью остаток газовой пробы из очищаемого пробоотборного контейнера, соблюдая правила техники безопасности при работе с пожаровзрывоопасными газами.
Вакуумируют или продувают контейнер азотом по
ГОСТ 9293, аргоном по
ГОСТ 10157 не менее 10 мин с расходом от 0,5 до 2 дм
3/мин.
Заполняют контейнер на 5% - 15% от его объема летучим растворителем (например, ацетоном по
ГОСТ 2768 или изопропиловым спиртом по
ГОСТ 9805), соблюдая правила техники безопасности при работе с легковоспламеняющимися жидкостями. Закрывают вентили контейнера.
Примечание - В ряде случаев, в зависимости от материала уплотнений вентилей пробоотборного контейнера, промывка ацетоном может привести к нарушению герметичности закрытых вентилей. В таких случаях применяют изопропиловый спирт по
ГОСТ 9805.
Тщательно встряхивают контейнер от 10 до 15 раз.
Выливают летучий растворитель в соответствующий приемник или емкость химического слива.
Процедуру заполнения контейнера летучим растворителем, встряхивания и опорожнения повторяют еще два раза.
По окончании серии промывок контейнера сливают летучий растворитель, высушивают контейнер азотом по
ГОСТ 9293, аргоном по
ГОСТ 10157 или сухим воздухом по
ГОСТ 24484, продувая его не менее 20 мин с расходом от 1 до 5 дм
3/мин.
Дополнительно высушивают контейнер в печи (сушильном шкафу) при температуре от 80 °C до 100 °C. Если контейнер оборудован только одним вентилем, его вакуумируют во время сушки. Если он оборудован двумя вентилями, во время сушки его продувают азотом по
ГОСТ 9293, аргоном по
ГОСТ 10157 или сухим воздухом по
ГОСТ 24484 с расходом от 1 до 5 дм
3/мин. Операция сушки, как правило, занимает не менее 2 ч.
Примечание - Допускается сушка двухвентильных контейнеров вакуумированием при условии одновременной или попеременной откачки из обоих вентилей. Если в эксплуатационной документации (паспорте) на пробоотборный контейнер установлено ограничение по максимальной допускаемой температуре его нагрева, при высушивании контейнера в печи (сушильном шкафу) следует устанавливать указанную предельную температуру.
(справочное)
ПРОЦЕДУРА ОТБОРА ПРОБ В ПРОБООТБОРНИК-АККУМУЛЯТОР
Схема подключения пробоотборника-аккумулятора к пробоотборной системе показана на
рисунке Ж.1.
1, 2, 10, 12, 13 - отсечные шаровые краны; 3 - вентиль;
4 - основная пробоотборная линия; 5, 7 - вентили
пробоотборника-аккумулятора; 6 - корпус
пробоотборника-аккумулятора; 8 - вентиль сбросной
линии; 9 - сбросная линия; 11, 16 - индикаторы расхода
(ротаметры); 14 - обогреваемый редуктор газа; 15 - СИ
Рисунок Ж.1 - Схема подключения пробоотборника-аккумулятора
к пробоотборной системе
Кран 12 устанавливают для минимизации перемешивания газа из пробоотборника-аккумулятора с газом, оставшимся в пробоотборной линии 4, при анализе пробы исследуемого газа из пробоотборника-аккумулятора.
Все отсечные краны и вентиль 8 монтируют непосредственно на тройниках для того, чтобы избежать избыточного мертвого объема.
При работе в штатном потоковом режиме работы СИ 15 краны 1, 2, 12 и 13 открыты, а краны 3 и 10, а также вентиль 8 закрыты (режим работы байпасной линии пробоотборника-аккумулятора).
Присоединяют пробоотборник-аккумулятора к пробоотборной системе.
Затем закрывают краны 2 и 12, последовательно открывают кран 3 и вентили пробоотборника 5 и 7.
Постепенно открывают продувочный вентиль 8 сбросной линии 9 и продувают пробоотборник не менее чем 50-кратным объемом исследуемого газа при расходе, позволяющим осуществить продувку в период от 10 до 15 мин и не вызывающим заметного охлаждения вентиля 7 и сбросной линии 9.
Примечание - Рекомендуется контролировать температуру вентиля 7 или сбросной линии 9, как можно ближе к вентилю 7. При падении температуры вентиля 7 необходимо прекратить пропускание или сброс исследуемого газа, нагреть сбросную линию и продолжать отбор проб с меньшим расходом исследуемого газа через вентиль 8.
Для контроля расхода пропускаемого исследуемого газа на выходе сбросной линии
9 установлен индикатор объемного расхода газа (ротаметр)
11. Объем пропущенного исследуемого газа определяют при помощи индикатора объемного расхода газа (ротаметра) и секундомера в соответствии с
Г.2 (приложение Г).
Закрывают продувочный вентиль 8.
После того, как давление в пробоотборнике возрастет до давления в точке отбора проб, закрывают вентиль пробоотборника 5 и кран 3, открывают кран 10 и проводят необходимое количество измерений пробы исследуемого газа из пробоотборника-аккумулятора в условиях сходимости.
Затем закрывают вентиль пробоотборника-аккумулятора 7 и кран 10, открывают краны 2 и 12 и продолжают проведение измерений в штатном режиме.
При необходимости сравнения полученных СИ 15 результатов с результатами других СИ, отсоединяют пробоотборник-аккумулятор.
После отсоединения пробоотборника-аккумулятора проверяют отсутствие утечек, погружая вентили пробоотборника в воду, если это возможно, или используя пенный раствор.
После проверки герметичности удаляют досуха воду или пенный раствор с вентилей пробоотборника-аккумулятора.
Закрывают вентили пробоотборника-аккумулятора защитными заглушками.
(обязательное)
МЕТОДИКА ОТБОРА ПРОБ ПРИРОДНОГО ГАЗА,
СОДЕРЖАЩЕГО КАПЕЛЬНУЮ ЖИДКОСТЬ
И.1 Пробоотборные линии, пробоотборники и вспомогательное оборудование
Общие требования к пробоотборным линиям изложены в
8.2.1.
Природный газ, не прошедший полную подготовку к транспортированию и/или использованию или прошедший подготовку на установках, или через аппараты, емкости или участки газопроводов, с которых может происходить унос капельной жидкости, может содержать жидкие частицы в виде капель или аэрозоля.
Наличие капельной жидкости (количественно и качественно) в природном газе определяют по соответствующей документированной процедуре (методике), утвержденной в установленном порядке.
Качественно наличие капельной жидкости в природном газе в каждой конкретной точке отбора проб определяют при наличии жидкости в каплеуловителе (на выходе из него при открывании продувочного вентиля), установленном в непосредственной близости от пробоотборного устройства или штуцера.
Пробоотборные системы, предназначенные для отбора природного газа, содержащего капельную жидкость и аэрозоли, включают в свой состав каплеуловители, предназначенные для отделения жидкости перед поступлением пробы исследуемого газа в пробоотборный контейнер. Схема устройства каплеуловителя приведена на
рисунке 9.
Используют материалы пробоотборных линий, пробоотборных контейнеров и вспомогательного оборудования, соответствующие рабочим условиям и не оказывающие влияния на состав исследуемого газа.
Общие требования к пробоотборным контейнерам изложены в
8.11.
И.2 Методика отбора проб
Для отбора проб природного газа, содержащего капельную жидкость, используют схему, изображенную на
рисунке И.1. Каплеуловитель
5 устанавливают непосредственно после вентиля
3. Пробоотборную линию присоединяют к входному вентилю каплеуловителя при закрытых кране
2 и вентиле
3. При закрытом выходном вентиле каплеуловителя, при полностью открытом кране
2 и приоткрытом вентиле
3, через продувочный вентиль продувают каплеуловитель с постепенным повышением давления в нем до давления в точке отбора проб. Давление контролируют при помощи манометра
4. При установившемся постоянном давлении к выходному вентилю каплеуловителя подсоединяют пробоотборник
10, устанавливаемый в вертикальном положении. При помощи пробоотборной линии соединяют выходной вентиль каплеуловителя
8 с верхним входным вентилем пробоотборника
9. К выходному нижнему вентилю пробоотборника
11 подключают отводную линию, снабженную на конце вентилем
13. На выходе отводной линии после вентиля
13, при наличии технической возможности, рекомендуется устанавливать СИ объемного расхода или счетчик газа.
Примечание - При отсутствии технической возможности установки на конце пробоотборной линии СИ объемного расхода или объема, допускается для вычисления пропущенного объема исследуемого газа применять аттестованные в установленном порядке расчетные методики определения объемного расхода или времени пребывания исследуемого газа в используемой пробоотборной системе.
1 - точка отбора проб; 2 - шаровой кран; 3, 8, 13 - вентили;
4 - манометр; 5 - каплеуловитель; 6 - продувочный вентиль;
7 - сброс газа; 9, 11 - входной и выходной вентили
пробоотборного контейнера; 10 - пробоотборный контейнер;
12 - отводная линия; 14 - СИ расхода
Рисунок И.1 - Схема отбора проб природного газа,
содержащего капельную жидкость
Продувают пробоотборник не менее чем 50-кратным объемом природного газа с расходом, равным 2 - 3 дм3/мин, при полностью открытых выходном вентиле каплеуловителя, верхнем и нижнем вентилях пробоотборника, а также частично открытом вентиле отводной линии. Закрывают последовательно вентиль отводной линии, нижний вентиль пробоотборника, выравнивают давление в нем в течение 1 - 2 мин до давления в точке отбора проб, закрывают полностью верхний вентиль пробоотборника и вентиль на пробоотборной линии. После сброса давления через нижний вентиль каплеуловителя отсоединяют отводную линию и пробоотборник.
Пробоотборник проверяют на герметичность поочередным погружением вентилей в сосуд с водой или обмыливанием пенным раствором. Вентили высушивают и закрывают предохранительными колпаками (гайками).
(обязательное)
МЕТОДИКА ОТБОРА ПРОБ ПРИРОДНОГО ГАЗА ИЗ СКВАЖИН,
ПРОМЫСЛОВЫХ КОЛЛЕКТОРОВ, АППАРАТОВ,
РЕЗЕРВУАРОВ ХРАНЕНИЯ ГАЗА И ДРУГИХ ОБЪЕКТОВ
К.1 Пробоотборные линии и пробоотборные контейнеры
Общие требования к пробоотборным линиям изложены в
8.2.1.
При отборе природного газа из газопроводов низкого давления используют трубки из стекла по
ГОСТ 25336, полимерных материалов по
ГОСТ 19034, кварца, фарфора, которые соединяют встык муфтами из ПФТЭ или ПВХ.
Для отбора природного газа из колодцев, шурфов и других мест, где отсутствует избыточное давление, используют также трубки из гибких пластмасс по
ГОСТ 19034, имеющих низкую проницаемость и не реагирующих с компонентами исследуемого газа.
Общие требования к пробоотборным контейнерам изложены в
8.11.
Пробы исследуемого газа под атмосферным и близким к нему давлением отбирают в газовые пипетки по
ГОСТ 18954.
К.2 Вспомогательное оборудование
Для отбора проб из точек, давление природного газа в которых недостаточно для продувки и заполнения пробоотборных контейнеров, используют ручные вакуумные или другие нагнетатели, а также иные устройства для побуждения потока.
К.3 Место отбора проб
Местом отбора проб из газовых скважин служит пробоотборный вентиль или манометрический штуцер с редукционным вентилем, установленным на головке скважины или выкидной линии фонтанной арматуры либо в выкидной линии затрубья.
Местом отбора природного газа газоконденсатных скважин, дающих двухфазный поток, служит пробоотборный вентиль, установленный на выходе природного газа из первого после скважины газожидкостного сепаратора. Пробу жидкости отбирают из вентиля, установленного на уровнемере или из трубок дренажа нижней части сепаратора.
Пробы природного газа из скважин отбирают только в процессе непрерывного газообмена пласт-устье, когда достигается максимальное приближение к условиям, при которых на забое скважин и фонтанной арматуре не происходит скопления жидкости и в саму скважину не вносятся технологические химические реагенты.
Местом отбора проб из газопровода, промыслового и технологического коллектора служит штуцер, снабженный запорным вентилем, или манометрический штуцер, расположенный в верхней части горизонтального участка либо на вертикальном участке газопровода.
Местом отбора проб природного газа из аппаратов служит вентиль, установленный на выходном газопроводе основного потока газа, по возможности максимально близко к аппарату. Пробы исследуемого газа отбирают при установившихся технологических режимах работы аппарата.
К.4 Методика отбора проб
Отбор проб исследуемого газа в пробоотборные контейнеры проводят в соответствии с методиками, изложенными в
приложении Г.
При отборе проб в стеклянные пипетки по методике, приведенной в
приложении Г, из объектов с давлением газа ниже атмосферного, в схему отбора проб (см.
рисунок Г.1 приложения Г) включают нагнетатель для создания необходимого перепада давления.
(справочное)
ВЕРИФИКАЦИЯ ПРОБООТБОРНОЙ СИСТЕМЫ
При наличии специальных требований, включающих указание на периодичность контроля, допускается проводить верификацию пробоотборной системы. Конструкция проектируемых пробоотборных систем может предусматривать функции, облегчающие проведение верификации системы в месте отбора проб.
При реализации схемы прямого отбора проб природного газа рекомендуется по возможности при проведении планового технического обслуживания СИ проводить верификацию пробоотборной системы для подтверждения отсутствия ухудшения ее работоспособности.
Верификация пробоотборной системы заключается в оценке ее функциональности и работоспособности и необходима для выявления и учета вклада погрешности отбора проб в метрологические характеристики аналитических систем.
При изготовлении элементы пробоотборной системы, работающие под давлением, должны пройти предварительную опрессовку испытательным давлением, в 1,5 раза превышающим проектное рабочее давление, для подтверждения достаточной прочности сварных швов, соединений и фитингов. Также следует провести испытание на герметичность с использованием пенного раствора для обнаружения утечек. Испытание на герметичность следует проводить во время ввода системы в эксплуатацию, чтобы убедиться, что в результате транспортирования или установки системы не произошло повреждение соединений.
Если в пробоотборной системе используется фильтр, его фильтрующий элемент (картридж) меняют в рамках регулярного графика технического обслуживания из-за влияния фильтра на сорбцию компонентов исследуемого газа и, как следствие, на функциональность пробоотборной системы.
Для проверки работоспособности пробоотборной системы используют поверочную газовую смесь (ПГС), которую вводят в систему как можно ближе к точке отбора проб, как правило, через пробоотборный вентиль в верхней части пробоотборного зонда. Для действующих пробоотборных систем, в которых отсутствует возможность введения ПГС, устанавливают дополнительный пробоотборный вентиль в пробоотборной системе ниже по потоку как можно ближе к пробоотборному зонду. Используют ПГС с известным компонентным составом или свойствами, схожими с исследуемым газом, которые могут быть проанализированы с помощью соответствующего СИ для подтверждения стабильности состава и свойств пробы газа при прохождении пробоотборной системы.
Приведенный ниже порядок верификации пробоотборной системы распространяется на метод прямого отбора проб и применяют для определения компонентного состава природного газа или любого физико-химического свойства природного газа, непосредственно вычисляемого из компонентного состава, например, плотность, объемная теплота сгорания и т.п.
Перед проведением верификации пробоотборной системы изучают инструкции производителя СИ, связанного с соответствующей пробоотборной системой, о процедуре проведения его проверочных испытаний. Объемный расход, давление и температура газа, используемого для проверки как СИ, так и пробоотборной системы, должны соответствовать инструкциям изготовителя СИ и находиться в пределах допускаемых рабочих условий пробоотборной системы.
Верификацию проводят при помощи нулевого газа (азота или метана с содержанием основного вещества не менее 99,99% мол.) и ПГС, близкой по составу и свойствам к исследуемому газу. Требования к ПГС приведены в ГОСТ 31371.7-2020
(приложение В).
При неправильном показании СИ на любом из проверочных газов обращаются к его эксплуатационной документации и останавливают процесс проверки до завершения этого шага.
Изолируют зонд от газопровода в соответствии с инструкциями для предотвращения дальнейшего попадания природного газа в проверяемую систему.
Удаляют остаточный природный газ из системы путем открывания выходного вентиля.
Переключают пробоотборный вентиль в положение отбора пробы нулевого (поверочного) газа. Вводят нулевой газ в систему. Продувают систему в течение необходимого времени. Фиксируют результат анализа. Если СИ фиксирует наличие других компонентов (с содержанием выше нижней границы обнаружения, регламентированного методикой измерения), кроме нулевого газа, то это свидетельствует о загрязнении системы и ее влиянии на результаты анализов в процессе эксплуатации, что требует проведения корректирующих действий.
Затем, при отсутствии в пробоотборной системе загрязнений, вводят ПГС в систему в той же точке, что и нулевой газ и продувают ей систему в течение необходимого времени. Если результат анализа отличается от состава ПГС (в пределах суммарной неопределенности СИ и состава ПГС), то это свидетельствует о неспособности системы передать представительную пробу СИ. Корректирующее действие включает в себя анализ конструкции системы в случае, если она не была соответствующим образом разработана для данного конкретного применения (выбор элементов системы, внутренний объем, шероховатость поверхности контакта), или очистку системы в случае, если ее конструкция соответствует задаче, но система была загрязнена при эксплуатации.
Если оба результата (для нулевого газа и ПГС) лежат в допускаемых пределах, делают вывод, что система не влияет на представительность пробы и она может быть возвращена в рабочее состояние до следующей верификации.
Возвращают пробоотборный вентиль обратно в положение отбора пробы из технологического потока, а затем деизолируют зонд и запорные вентили системы в соответствии с инструкциями.
Примечание - Проверку СИ следует выполнять в течение нескольких циклов его работы. Проверку пробоотборной системы следует выполнять в течение времени, в несколько раз превышающего суммарное время, необходимое для продувки системы и проведения анализа, поскольку это необходимо для полного удаления остаточного газа и получения необходимого количества результатов анализа.
| | Государственная система обеспечения единства измерений. Метрология. Основные термины и определения |
| ILAC-G8:09/2019 | Руководство по правилам принятия решения и заключениям о соответствии требованиям |
| ISO/TR 14749:2016 | Natural gas - Online gas chromatograph for upstream area (Газ природный. Онлайновый газовый хроматограф для сектора "апстрим") |
| ISO 16664:2017 | Gas analysis - Handling of calibration gases and gas mixtures - Guidelines (Газовый анализ. Обращение с калибровочными газами и смесями. Руководящие указания) |
УДК 622.691:543.05:006.354 | | NEQ |
Ключевые слова: природный газ, руководство, отбор проб, прямой отбор проб, косвенный отбор проб, оборудование, пробоотборная система, верификация |