Главная // Актуальные документы // ГОСТ (Государственный стандарт)
СПРАВКА
Источник публикации
В данном виде документ опубликован не был.
Первоначальный текст документа опубликован в издании:
М.: Издательство стандартов, 1985.
Информацию о публикации документов, создающих данную редакцию, см. в справке к этим документам.
Примечание к документу
Документ утратил силу с 1 января 2016 года в связи с изданием Приказа Росстандарта от 29.07.2015 N 1015-ст. Взамен введен в действие ГОСТ 9818-2015.

С 1 июля 2003 года до вступления в силу технических регламентов акты федеральных органов исполнительной власти в сфере технического регулирования носят рекомендательный характер и подлежат обязательному исполнению только в части, соответствующей целям, указанным в пункте 1 статьи 46 Федерального закона от 27.12.2002 г. N 184-ФЗ.

Изменение N 1, утв. Постановлением Госстроя СССР от 31.12.1987 N 323, вступило в силу с 15 января 1988 года.

Введен в действие с 1 января 1986 года.

Взамен ГОСТ 9818.0-81.
Название документа
"ГОСТ 9818-85. Марши и площадки лестниц железобетонные. Технические условия"
(утв. Постановлением Госстроя СССР от 14.03.1985 N 28)
(ред. от 31.12.1987)


"ГОСТ 9818-85. Марши и площадки лестниц железобетонные. Технические условия"
(утв. Постановлением Госстроя СССР от 14.03.1985 N 28)
(ред. от 31.12.1987)


Содержание


Утвержден и введен в действие
Постановлением Госстроя СССР
от 14 марта 1985 г. N 28
ГОСУДАРСТВЕННЫЙ СТАНДАРТ СОЮЗА ССР
МАРШИ И ПЛОЩАДКИ ЛЕСТНИЦ ЖЕЛЕЗОБЕТОННЫЕ
ТЕХНИЧЕСКИЕ УСЛОВИЯ
ГОСТ 9818-85
Reinforced concrete flights of steps
and stair landings. Specifications
Список изменяющих документов
(в ред. Изменения N 1, утв. Постановлением
Госстроя СССР от 31.12.1987 N 323)
Группа Ж33
ОКП 58 9121, 58 9122
Взамен ГОСТ 9818.0-81
Постановлением Государственного комитета СССР по делам строительства от 14.03.1985 N 28 срок введения установлен с 01.01.1986.
Разработан Государственным комитетом по гражданскому строительству и архитектуре при Госстрое СССР, Центральным научно-исследовательским и проектно-экспериментальным институтом промышленных зданий и сооружений (ЦНИИпромзданий) Госстроя СССР.
Исполнители: Н.Б. Росинский, канд. техн. наук (руководитель темы); А.А. Тучнин, канд. техн. наук; В.Г. Панасьян; М.Ф. Евсеева; Э.Л. Шахова; В.Л. Морозенский, канд. техн. наук; Б.В. Карабанов, канд. техн. наук; В.М. Трахтенгерц; В.И. Деньщиков.
Внесен Государственным комитетом по гражданскому строительству и архитектуре при Госстрое СССР.
Зам. председателя М.П. Коханенко.
Настоящий стандарт распространяется на железобетонные марши, площадки и накладные проступи (далее - элементы лестниц), изготовляемые из тяжелого бетона или легкого бетона (средней плотности от 1600 до 2000 кг/м3 включительно) и предназначенные для устройства лестниц в зданиях различного назначения.
(в ред. Изменения N 1, утв. Постановлением Госстроя СССР от 31.12.1987 N 323)
Элементы лестниц, предназначенные для эксплуатации в среде с агрессивной степенью воздействия на железобетонные конструкции, должны удовлетворять дополнительным требованиям, установленным проектной документацией здания согласно требованиям СНиП 2.03.11-85.
(в ред. Изменения N 1, утв. Постановлением Госстроя СССР от 31.12.1987 N 323)
Абзац исключен. - Изменение N 1, утв. Постановлением Госстроя СССР от 31.12.1987 N 323.
Абзац исключен. - Изменение N 1, утв. Постановлением Госстроя СССР от 31.12.1987 N 323.
1. ТИПЫ, ОСНОВНЫЕ ПАРАМЕТРЫ И РАЗМЕРЫ
1.1. Лестничные марши (далее - марши) подразделяют на следующие типы:
ЛМ - плоские без фризовых ступеней (черт. 1);
Марш типа ЛМ
Черт. 1
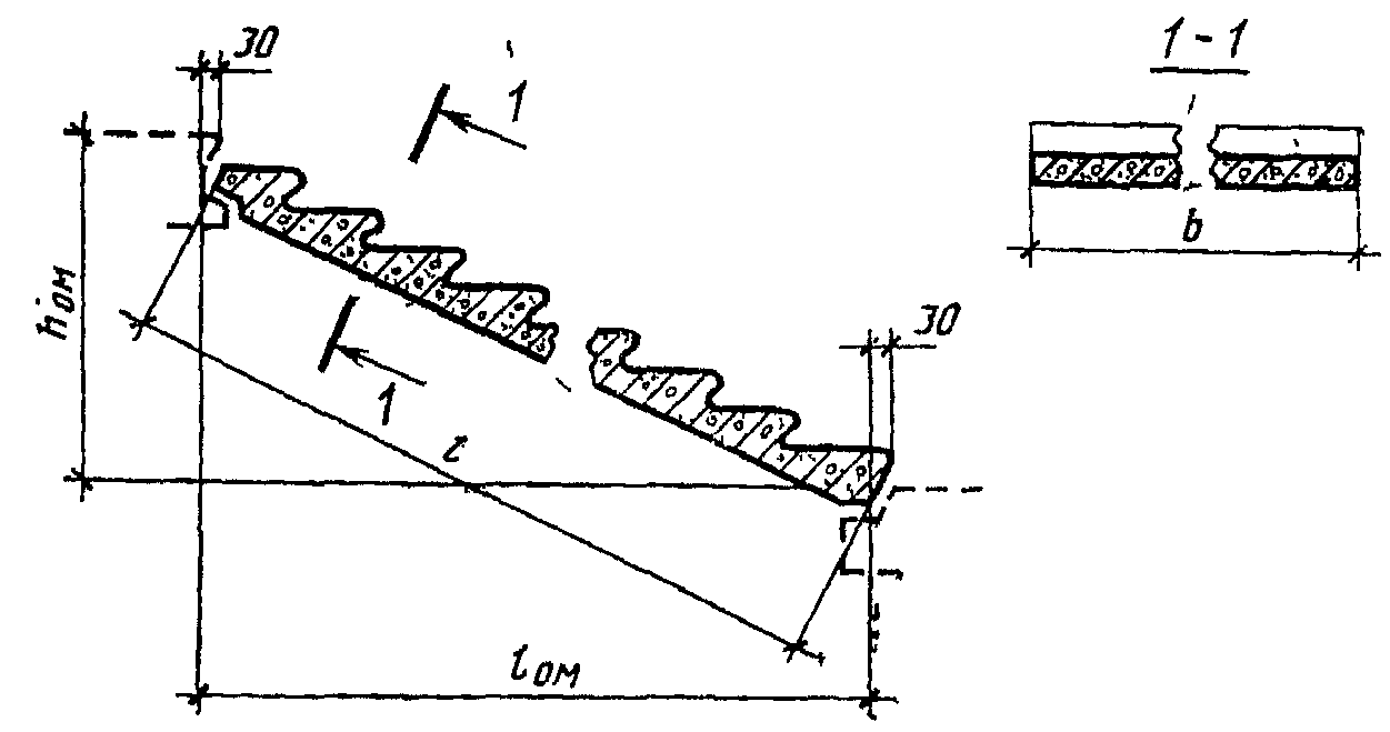
ЛМФ - ребристые с фризовыми ступенями (черт. 2);
Марш типа ЛМФ
Черт. 2
ЛМП - ребристые с полуплощадками (черт. 3).
Марш типа ЛМП с двумя полуплощадками
Марш типа ЛМП без нижней полуплощадки
Черт. 3
1.2. Лестничные площадки (далее - площадки) подразделяют на следующие типы:
1ЛП - плоские для маршей типа ЛМ (черт. 4);
Площадки типа 1ЛП
а
б
в
а - площадки длиной 2200 и 2800 мм; б - то же,
длиной 2380 и 2980 мм; в - конечная площадка
Черт. 4
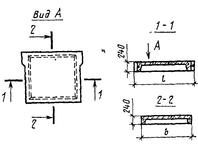
2ЛП - ребристые для маршей типа ЛМ (черт. 5);
Площадка типа 2ЛП
а
б
а - этажная или промежуточная площадка;
б - конечная площадка; 1 - консоль для опирания
площадки на кирпичную стену; 2 - отверстие
для мусоропровода
Черт. 5
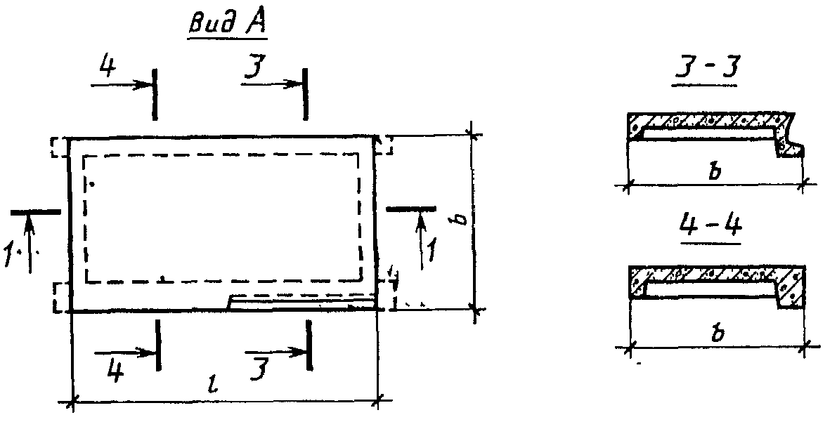
ЛПФ - ребристые для маршей типа ЛМФ (черт. 6);
Площадка типа ЛПФ
1 - консоль в конечной площадке
Черт. 6
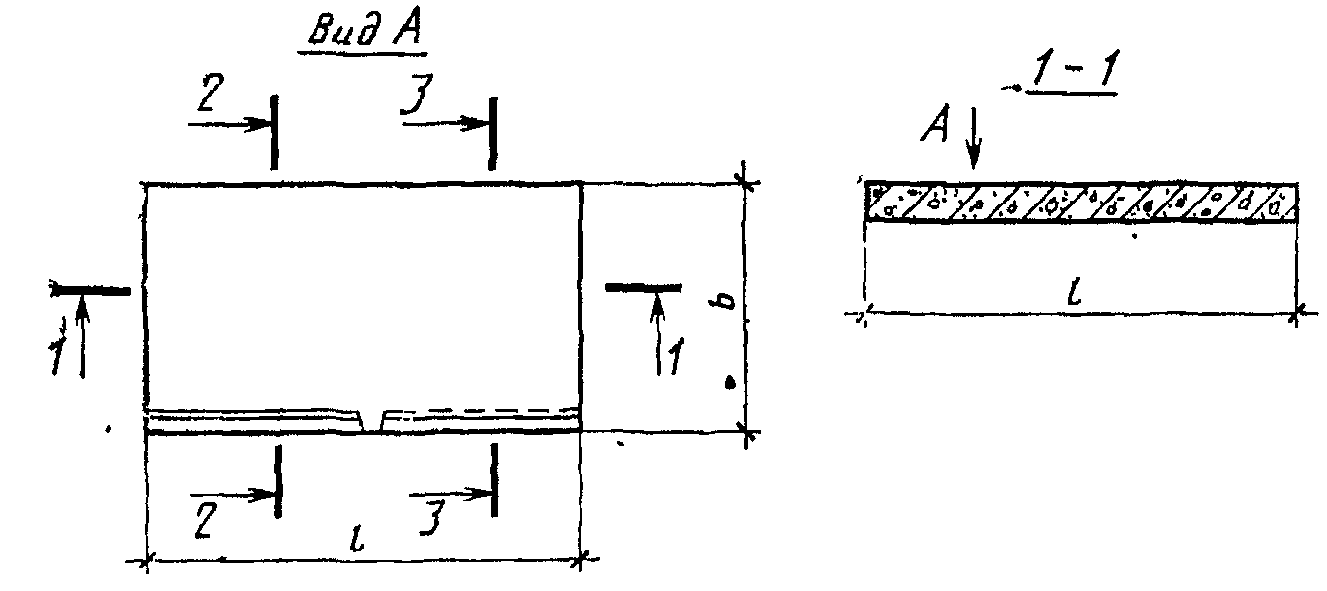
ЛПП - ребристые площадки и полуплощадки для маршей типа ЛМП (черт. 7).
Площадка типа ЛПП
Черт. 7
1.3. Накладные проступи подразделяют на следующие типы:
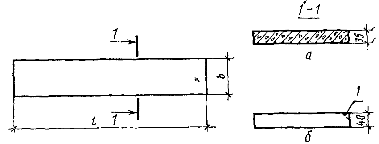
1ЛН - для укладки на нижние и рядовые ступени маршей (черт. 8);
Накладная проступь типа 1ЛН
а
б
а - накладная проступь по серии 1.251.1-4,
выпуск 1; б - то же, по серии 1.050.1-2, выпуск 1
Черт. 8
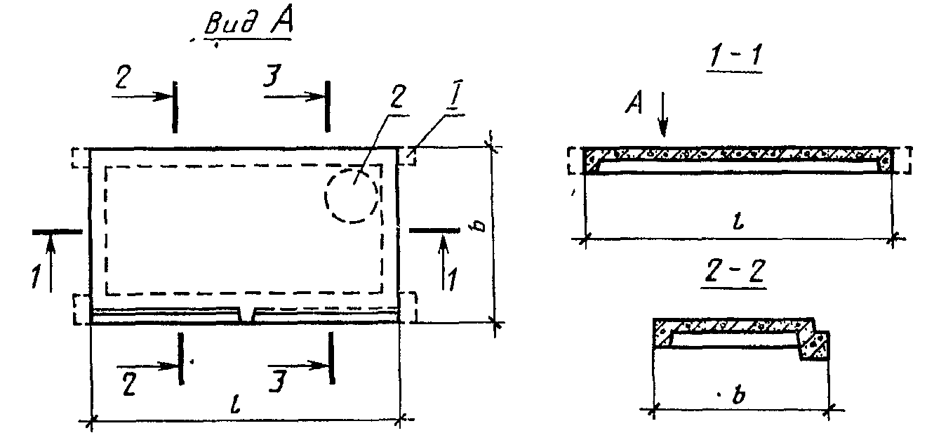
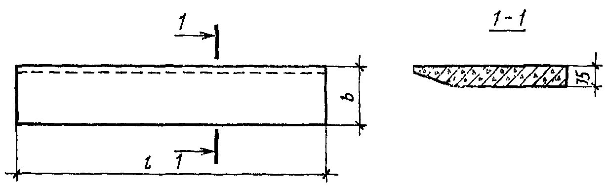
2ЛН - для укладки на площадки и верхние ступени маршей (черт. 9).
Накладная проступь типа 2ЛН
а - накладная проступь по серии 1.251.1-4, выпуск 1;
б - то же, по серии 1.050.1-2, выпуск 1;
1 - скос для конечной проступи
Черт. 9
1.4. Форма и основные размеры маршей должны соответствовать:
(в ред. Изменения N 1, утв. Постановлением Госстроя СССР от 31.12.1987 N 323)
типа ЛМ - указанным на черт. 1 и в табл. 1;
" ЛМФ - " " " 2 и в табл. 2;
" ЛМП - " " " 3 и в табл. 3.
Таблица 1
────────────┬─────────────┬───────────────────┬─────────────┬──────┬─────────
Код ОКП │ Марка марша │Основные конструк- │ Расход │Масса │Обозначе-
│ │тивные и координа- │ материалов │марша │ние серии
│ │ционные размеры │(справочный) │(спра-│и выпуска
│ │марша, мм │ │воч- │типовой
│ ├────┬────┬────┬────┼──────┬──────┤ная), │проектной
│ │ l │ b │h │l │Бетон,│Сталь,│т │докумен-
│ │ │ │ ом │ ом │ м3 │ кг │ │тации
(в ред. Изменения N 1, утв. Постановлением Госстроя СССР
от 31.12.1987 N 323)
────────────┼─────────────┼────┼────┼────┼────┼──────┼──────┼──────┼─────────
58 9121 2544│ЛМ27.11.14-4 │2720│1050│1400│2400│0,53 │14,77 │1,33 │1.151.1-6
58 9121 2545│ЛМ27.12.14-4 │ │1200│ │ │0,61 │17,16 │1,53 │Выпуск 1
────────────┼─────────────┤ ├────┤ │ ├──────┼──────┼──────┼─────────
58 9122 0105│ЛМ27.11.14-4Л│ │1050│ │ │0,53 │14,91 │1,14 │1.151.1-6
58 9122 0122│ЛМ27.12.14-4Л│ │1200│ │ │0,61 │16,36 │1,30 │Выпуск 2
────────────┼─────────────┼────┼────┼────┼────┼──────┼──────┼──────┼─────────
58 9121 2552│ЛМ30.11.15-4 │3030│1050│1500│2700│0,59 │16,25 │1,48 │1.151.1-7
58 9121 2554│ЛМ30.12.15-4 │ │1200│ │ │0,68 │18,31 │1,70 │Выпуск 1
Таблица 2
────────────┬─────────────┬─────────────────────┬─────────────┬──────┬─────────
Код ОКП │ Марка марша │Основные конструктив-│ Расход │Масса │Обозначе-
│ │ные и координационные│ материалов │марша │ние серии
│ │размеры марша, мм │(справочный) │(спра-│и выпуска
│ ├─────┬────┬────┬─────┼──────┬──────┤воч- │типовой
│ │ l │ b │ h │ l │Бетон,│Сталь,│ная), │проектной
│ │ │ │ ом│ ом │ м3 │ кг │т │докумен-
│ │ │ │ │ │ │ │ │тации
(в ред. Изменения N 1, утв. Постановлением Госстроя СССР
от 31.12.1987 N 323)
────────────┼─────────────┼─────┼────┼────┼─────┼──────┼──────┼──────┼─────────
58 9121 2555│ЛМФ39.12.17-5│ 3913│1200│1650│3000 │ 0,52 │28,49 │ 1,30 │1.251.1-4
58 9121 2556│ЛМФ39.14.17-5│ │1350│ │ │ 0,57 │28,94 │ 1,43 │Выпуск 1
58 9121 2557│ЛМФ39.15.17-5│ │1500│ │ │ 0,62 │35,79 │ 1,55 │
────────────┼─────────────┼─────┼────┼────┼─────┼──────┼──────┼──────┤
58 9121 2558│ЛМФ42.12.18-5│ 4249│1200│1800│3300 │ 0,56 │40,32 │ 1,40 │
58 9121 2559│ЛМФ42.14.18-5│ │1350│ │ │ 0,61 │40,80 │ 1,53 │
58 9121 2560│ЛМФ42.15.18-5│ │1500│ │ │ 0,67 │43,63 │ 1,68 │
────────────┼─────────────┼─────┼────┼────┼─────┼──────┼──────┼──────┤
58 9121 2561│ЛМФ49.14.21-5│ 4946│1350│2100│3900 │ 0,77 │40,90 │ 1,93 │
58 9121 2578│ЛМФ49.15.21-5│ │1500│ │ │ 0,83 │48,94 │ 2,08 │
58 9121 2579│ЛМФ49.17.21-5│ │1650│ │ │ 0,89 │50,16 │ 2,23 │
(в ред. Изменения N 1, утв. Постановлением Госстроя СССР
от 31.12.1987 N 323)
Таблица 3
────────────┬────────────────┬─────────────────────────────┬─────────────┬──────┬─────────
Код ОКП │ Марка марша │ Основные конструктивные │ Расход │Масса │Обозначе-
│ │ и координационные размеры │ материалов │марша │ние серии
│ │ марша, мм │(справочный) │(спра-│и выпуска
│ ├────┬────┬────┬────┬────┬────┼──────┬──────┤воч- │типовой
│ │ l │ b │h │l │ l │ l │Бетон,│Сталь,│ная), │проектной
│ │ │ │ ом │ ом │ 1 │ 2 │ м3 │ кг │т │докумен-
│ │ │ │ │ │ │ │ │ │ │тации
(в ред. Изменения N 1, утв. Постановлением Госстроя СССР
от 31.12.1987 N 323)
────────────┼────────────────┼────┼────┼────┼────┼────┼────┼──────┼──────┼──────┼─────────
58 9121 2580│ЛМП57.11.14-5 │5650│1150│1400│2700│1475│1475│ 0,90 │ 78,0 │2,25 │1.050.1-2
58 9121 2587│ЛМП57.11.15-5 │ │ │1500│ │ │ │ 0,92 │ 78,2 │2,30 │Выпуск 1
────────────┼────────────────┤ │ ├────┼────┼────┼────┼──────┼──────┼──────┤
58 9121 2588│ЛМП57.11.17-5 │ │ │1650│3000│1325│1325│ 0,95 │ 79,0 │2,38 │
58 9121 2589│ЛМП57.11.17-5-1 │ │ │ │ │1450│1200│ │ 80,0 │ │
58 9121 2590│ЛМП57.11.17-5-2 │ │ │ │ │1200│1450│ │ 78,7 │ │
────────────┼────────────────┤ │ ├────┼────┼────┼────┤ ├──────┤ │
58 9121 2591│ЛМП57.11.18-5 │ │ │1800│3300│1175│1175│ │ 79,5 │ │
58 9121 2592│ЛМП57.11.18-5-1 │ │ │ │ │1450│ 900│ │ 80,4 │ │
58 9121 2605│ЛМП57.11.18-5-2 │ │ │ │ │ 900│1450│ │ 79,6 │ │
────────────┼────────────────┼────┤ ├────┼────┼────┼────┼──────┼──────┼──────┤
58 9121 2606│ЛМП60.11.15-5 │5980│ │1500│2700│1640│1640│ 1,00 │ 101,9│2,50 │
58 9121 2607│ЛМП60.11.17-5 │ │ │1650│3000│1490│1490│ │ 104,1│ │
────────────┼────────────────┼────┤ ├────┼────┼────┼────┼──────┼──────┼──────┤
58 9121 2608│ЛМП57.11.14-5-3 │4475│ │1400│2700│1475│ - │ 0,73 │ 54,3 │1,83 │
58 9121 2609│ЛМП57.11.15-5-3 │ │ │1500│ │ │ │ 0,77 │ 54,5 │1,93 │
────────────┼────────────────┼────┤ ├────┼────┼────┼────┼──────┼──────┼──────┤
58 9121 3099│ЛМП57.11.17-5-3 │4625│ │1650│3000│1325│ - │ 0,80 │ 55,8 │2,00 │
58 9121 3132│ЛМП57.11.17-5-13│4750│ │ │ │1450│ - │ 0,86 │ 56,6 │2,15 │
────────────┼────────────────┼────┤ ├────┼────┼────┼────┼──────┼──────┼──────┤
58 9121 3133│ЛМП57.11.18-5-3 │4775│ │1800│3300│1175│ - │ 0,83 │ 57,1 │2,08 │
58 9121 3134│ЛМП57.11.18-5-13│5050│ │ │ │1450│ - │ 0,84 │ 70,5 │2,10 │
────────────┼────────────────┼────┤ ├────┼────┼────┼────┼──────┼──────┼──────┤
58 9121 2610│ЛМП60.11.15-5-3 │4640│ │1500│2700│1640│ - │ 0,81 │ 55,0 │2,03 │
58 9121 3135│ЛМП60.11.17-5-3 │4790│ │1650│3000│1490│ - │ 0,83 │ 56,2 │2,08 │
1.5. Форма и основные размеры площадок должны соответствовать:
(в ред. Изменения N 1, утв. Постановлением Госстроя СССР от 31.12.1987 N 323)
типа 1ЛП - указанным на черт. 4 и в табл. 4;
" 2ЛП - " " " 5 и в табл. 5;
" ЛПФ - " " " 6 и в табл. 6;
" ЛПП - " " " 7 и в табл. 7.
Таблица 4
────────────┬──────────────┬─────────┬───────────┬──────┬─────────
Код ОКП │Марка площадки│Основные │ Расход │Масса │Обозна-
│ │ размеры │материалов │пло- │чение
│ │площадки,│(справоч- │щадки │серии и
│ │ мм │ный) │(спра-│выпуска
│ ├────┬────┼────┬──────┤воч- │типовой
│ │ l │ b │Бе- │Сталь,│ная), │проектной
│ │ │ │тон,│ кг │т │докумен-
│ │ │ │м3 │ │ │тации
(в ред. Изменения N 1, утв. Постановлением Госстроя СССР
от 31.12.1987 N 323)
────────────┼──────────────┼────┼────┼────┼──────┼──────┼─────────
58 9121 2984│1ЛП22.13-4 │2200│1300│0,59│ 15,79│ 1,48 │1.152.1-8
58 9121 2985│1ЛП22.13-4-Ш │ │ │ │ │ │Выпуск 5
58 9121 2986│1ЛП22.13-4-К │ │ │ │ │ │
────────────┼──────────────┤ ├────┼────┼──────┼──────┤
58 9121 2987│1ЛП22.16-4 │ │1600│0,73│ 16,47│ 1,83 │
58 9121 2988│1ЛП22.16-4-Ш │ │ │ │ │ │
58 9121 2989│1ЛП22.16-4-К │ │ │ │ │ │
────────────┼──────────────┤ ├────┼────┼──────┼──────┤
58 9121 2990│1ЛП22.19-4 │ │1900│0,86│ 18,79│ 2,15 │
58 9121 2991│1ЛП22.19-4-Ш │ │ │ │ │ │
58 9121 2992│1ЛП22.19-4-К │ │ │ │ │ │
────────────┼──────────────┤ ├────┼────┼──────┼──────┤
58 9121 2546│1ЛП22.22-4 │ │2200│0,95│ 19,35│ 2,38 │
58 9121 2547│1ЛП22.22-4-Ш │ │ │ │ │ │
58 9121 2392│1ЛП22.22-4-К │ │ │ │ │ │
────────────┼──────────────┼────┼────┼────┼──────┼──────┤
58 9121 2393│1ЛП28.13-4 │2800│1300│0,76│ 24,52│ 1,90 │
58 9121 2394│1ЛП28.13-4-Ш │ │ │ │ │ │
58 9121 2395│1ЛП28.13-4-К │ │ │ │ │ │
────────────┼──────────────┤ ├────┼────┼──────┼──────┤
58 9121 2396│1ЛП28.16-4 │ │1600│0,93│ 26,91│ 2,33 │
58 9121 2397│1ЛП28.16-4-Ш │ │ │ │ │ │
58 9121 2398│1ЛП28.16-4-К │ │ │ │ │ │
────────────┼──────────────┤ ├────┼────┼──────┼──────┤
58 9121 2399│1ЛП28.19-4 │ │1900│1,10│ 28,60│ 2,75 │
58 9121 2400│1ЛП28.19-4-Ш │ │ │ │ │ │
58 9121 2401│1ЛП28.19-4-К │ │ │ │ │ │
────────────┼──────────────┤ ├────┼────┼──────┼──────┤
58 9121 2402│1ЛП28.22-4 │ │2200│1,21│ 29,52│ 3,03 │
58 9121 2403│1ЛП28.22-4-Ш │ │ │ │ │ │
58 9121 2404│1ЛП28.22-4-К │ │ │ │ │ │
────────────┼──────────────┼────┼────┼────┼──────┼──────┤
58 9121 2405│1ЛП24.13-4 │2380│1300│0,64│ 20,45│ 1,60 │
58 9121 2406│1ЛП24.13-4-Ш │ │ │ │ │ │
58 9121 2407│1ЛП24.13-4-К │ │ │ │ │ │
────────────┼──────────────┤ ├────┼────┼──────┼──────┤
58 9121 2408│1ЛП24.16-4 │ │1600│0,78│ 21,52│ 1,95 │
58 9121 2409│1ЛП24.16-4-Ш │ │ │ │ │ │
58 9121 2410│1ЛП24.16-4-К │ │ │ │ │ │
────────────┼──────────────┤ ├────┼────┼──────┼──────┤
58 9121 2411│1ЛП24.19-4 │ │1900│0,92│ 23,91│ 2,30 │
58 9121 2412│1ЛП24.19-4-Ш │ │ │ │ │ │
58 9121 2413│1ЛП24.19-4-К │ │ │ │ │ │
────────────┼──────────────┤ ├────┼────┼──────┼──────┤
58 9121 2414│1ЛП24.22-4 │ │2200│1,01│ 24,85│ 2,53 │
58 9121 2415│1ЛП24.22-4-Ш │ │ │ │ │ │
58 9121 2416│1ЛП24.22-4-К │ │ │ │ │ │
────────────┼──────────────┼────┼────┼────┼──────┼──────┼─────────
58 9121 2417│1ЛП30.13-4 │2980│1300│0,81│ 28,09│ 2,03 │1.152.1-8
58 9121 2418│1ЛП30.13-4-Ш │ │ │ │ │ │Выпуск 5
58 9121 2419│1ЛП30.13-4-К │ │ │ │ │ │
────────────┼──────────────┤ ├────┼────┼──────┼──────┤
58 9121 2420│1ЛП30.16-4 │ │1600│0,98│ 31,21│ 2,45 │
58 9121 2421│1ЛП30.16-4-Ш │ │ │ │ │ │
58 9121 2422│1ЛП30.16-4-К │ │ │ │ │ │
────────────┼──────────────┤ ├────┼────┼──────┼──────┤
58 9121 2423│1ЛП30.19-4 │ │1900│1,16│ 33,01│ 2,90 │
58 9121 2424│1ЛП30.19-4-Ш │ │ │ │ │ │
58 9121 2425│1ЛП30.19-4-К │ │ │ │ │ │
────────────┼──────────────┤ ├────┼────┼──────┼──────┤
58 9121 2426│1ЛП30.22-4 │ │2200│1,28│ 34,65│ 3,20 │
58 9121 2427│1ЛП30.22-4-Ш │ │ │ │ │ │
58 9121 2428│1ЛП30.22-4-К │ │ │ │ │ │
────────────┼──────────────┼────┼────┼────┼──────┼──────┤
58 9121 2429│1ЛП24.13в-4 │2380│1300│0,65│ 21,51│ 1,63 │
58 9121 2430│1ЛП24.13в-4-Ш │ │ │ │ │ │
58 9121 2431│1ЛП24.13в-4-К │ │ │ │ │ │
────────────┼──────────────┤ ├────┼────┼──────┼──────┤
58 9121 2432│1ЛП24.16в-4 │ │1600│0,79│ 22,58│ 1,98 │
58 9121 2433│1ЛП24.16в-4-Ш │ │ │ │ │ │
58 9121 2434│1ЛП24.16в-4-К │ │ │ │ │ │
────────────┼──────────────┤ ├────┼────┼──────┼──────┤
58 9121 2435│1ЛП24.19в-4 │ │1900│0,93│ 24,97│ 2,33 │
58 9121 2436│1ЛП24.19в-4-Ш │ │ │ │ │ │
58 9121 2437│1ЛП24.19в-4-К │ │ │ │ │ │
────────────┼──────────────┤ ├────┼────┼──────┼──────┤
58 9121 2438│1ЛП24.22в-4 │ │2200│1,02│ 25,91│ 2,55 │
58 9121 2439│1ЛП24.22в-4-Ш │ │ │ │ │ │
58 9121 2440│1ЛП24.22в-4-К │ │ │ │ │ │
────────────┼──────────────┼────┼────┼────┼──────┼──────┤
58 9121 2441│1ЛП30.13в-4 │2980│1300│0,82│ 29,68│ 2,05 │
58 9121 2442│1ЛП30.13в-4-Ш │ │ │ │ │ │
58 9121 2443│1ЛП30.13в-4-К │ │ │ │ │ │
────────────┼──────────────┤ ├────┼────┼──────┼──────┤
58 9121 2444│1ЛП30.16в-4 │ │1600│0,99│ 32,8 │ 2,48 │
58 9121 2445│1ЛП30.16в-4-Ш │ │ │ │ │ │
58 9121 2446│1ЛП30.16в-4-К │ │ │ │ │ │
────────────┼──────────────┤ ├────┼────┼──────┼──────┤
58 9121 2447│1ЛП30.19в-4 │ │1900│1,17│ 34,60│ 2,93 │
58 9121 2448│1ЛП30.19в-4-Ш │ │ │ │ │ │
58 9121 2449│1ЛП30.19в-4-К │ │ │ │ │ │
────────────┼──────────────┤ ├────┼────┼──────┼──────┤
58 9121 2450│1ЛП30.22в-4 │ │2200│1,29│ 36,24│ 3,23 │
58 9121 2451│1ЛП30.22в-4-Ш │ │ │ │ │ │
58 9121 2452│1ЛП30.22в-4-К │ │ │ │ │ │
────────────┼──────────────┼────┼────┼────┼──────┼──────┼─────────
58 9122 0645│1ЛП22.13-4Л │2200│1300│0,59│ 15,79│ 1,27 │1.152.1-8
58 9122 0646│1ЛП22.13-4Л-Ш │ │ │ │ │ │Выпуск 6
58 9122 0647│1ЛП22.13-4Л-К │ │ │ │ │ │
────────────┼──────────────┤ ├────┼────┼──────┼──────┤
58 9122 0648│1ЛП22.16-4Л │ │1600│0,73│ 16,47│ 1,55 │
58 9122 0649│1ЛП22.16-4Л-Ш │ │ │ │ │ │
58 9122 0650│1ЛП22.16-4Л-К │ │ │ │ │ │
────────────┼──────────────┤ ├────┼────┼──────┼──────┤
58 9122 0651│1ЛП22.19-4Л │ │1900│0,86│ 17,47│ 1,83 │
58 9122 0652│1ЛП22.19-4Л-Ш │ │ │ │ │ │
58 9122 0653│1ЛП22.19-4Л-К │ │ │ │ │ │
────────────┼──────────────┤ ├────┼────┼──────┼──────┤
58 9122 0654│1ЛП22.22-4Л │ │2200│0,95│ 18,03│ 2,02 │
58 9122 0655│1ЛП22.22-4Л-Ш │ │ │ │ │ │
58 9122 0656│1ЛП22.22-4Л-К │ │ │ │ │ │
────────────┼──────────────┼────┼────┼────┼──────┼──────┤
58 9122 0657│1ЛП28.13-4Л │2800│1300│0,76│ 22,04│ 1,64 │
58 9122 0658│1ЛП28.13-4Л-Ш │ │ │ │ │ │
58 9122 0659│1ЛП28.13-4Л-К │ │ │ │ │ │
────────────┼──────────────┤ ├────┼────┼──────┼──────┤
58 9122 0660│1ЛП28.16-4Л │ │1600│0,93│ 23,11│ 1,99 │
58 9122 0661│1ЛП28.16-4Л-Ш │ │ │ │ │ │
58 9122 0662│1ЛП28.16-4Л-К │ │ │ │ │ │
────────────┼──────────────┤ ├────┼────┼──────┼──────┤
58 9122 0663│1ЛП28.19-4Л │ │1900│1,10│ 24,80│ 2,35 │
58 9122 0664│1ЛП28.19-4Л-Ш │ │ │ │ │ │
58 9122 0665│1ЛП28.19-4Л-К │ │ │ │ │ │
────────────┼──────────────┤ ├────┼────┼──────┼──────┤
58 9122 0666│1ЛП28.22-4Л │ │2200│1,21│ 27,04│ 2,59 │
58 9122 0667│1ЛП28.22-4Л-Ш │ │ │ │ │ │
58 9122 0668│1ЛП28.22-4Л-К │ │ │ │ │ │
────────────┼──────────────┼────┼────┼────┼──────┼──────┤
58 9122 0669│1ЛП24.13-4Л │2380│1300│0,64│ 17,57│ 1,36 │
58 9122 0670│1ЛП24.13-4Л-Ш │ │ │ │ │ │
58 9122 0671│1ЛП24.13-4Л-К │ │ │ │ │ │
────────────┼──────────────┤ ├────┼────┼──────┼──────┤
58 9122 0672│1ЛП24.16-4Л │ │1600│0,78│ 18,64│ 1,67 │
58 9122 0673│1ЛП24.16-4Л-Ш │ │ │ │ │ │
58 9122 0674│1ЛП24.16-4Л-К │ │ │ │ │ │
────────────┼──────────────┤ ├────┼────┼──────┼──────┤
58 9122 0675│1ЛП24.19-4Л │ │1900│0,92│ 19,71│ 1,96 │
58 9122 0676│1ЛП24.19-4Л-Ш │ │ │ │ │ │
58 9122 0677│1ЛП24.19-4Л-К │ │ │ │ │ │
────────────┼──────────────┤ ├────┼────┼──────┼──────┤
58 9122 0678│1ЛП24.22-4Л │ │2200│1,01│ 21,97│ 2,16 │
58 9122 0679│1ЛП24.22-4Л-Ш │ │ │ │ │ │
58 9122 0680│1ЛП24.22-4Л-К │ │ │ │ │ │
────────────┼──────────────┼────┼────┼────┼──────┼──────┼─────────
58 9122 0681│1ЛП30.13-4Л │2980│1300│0,81│ 24,87│ 1,73 │1.152.1-8
58 9122 0682│1ЛП30.13-4Л-Ш │ │ │ │ │ │Выпуск 6
58 9122 0683│1ЛП30.13-4Л-К │ │ │ │ │ │
────────────┼──────────────┤ ├────┼────┼──────┼──────┤
58 9122 0684│1ЛП30.16-4Л │ │1600│0,98│ 26,67│ 2,10 │
58 9122 0685│1ЛП30.16-4Л-Ш │ │ │ │ │ │
58 9122 0686│1ЛП30.16-4Л-К │ │ │ │ │ │
────────────┼──────────────┤ ├────┼────┼──────┼──────┤
58 9122 0687│1ЛП30.19-4Л │ │1900│1,16│ 29,79│ 2,48 │
58 9122 0688│1ЛП30.19-4Л-Ш │ │ │ │ │ │
58 9122 0689│1ЛП30.19-4Л-К │ │ │ │ │ │
────────────┼──────────────┤ ├────┼────┼──────┼──────┤
58 9122 0690│1ЛП30.22-4Л │ │2200│1,28│ 31,43│ 2,73 │
58 9122 0691│1ЛП30.22-4Л-Ш │ │ │ │ │ │
58 9122 0692│1ЛП30.22-4Л-К │ │ │ │ │ │
────────────┼──────────────┼────┼────┼────┼──────┼──────┤
58 9122 0693│1ЛП24.13в-4Л │2380│1300│0,65│ 18,63│ 1,38 │
58 9122 0694│1ЛП24.13в-4Л-Ш│ │ │ │ │ │
58 9122 0695│1ЛП24.13в-4Л-К│ │ │ │ │ │
────────────┼──────────────┤ ├────┼────┼──────┼──────┤
58 9122 0696│1ЛП24.16в-4Л │ │1600│0,79│ 19,70│ 1,69 │
58 9122 0697│1ЛП24.16в-4Л-Ш│ │ │ │ │ │
58 9122 0698│1ЛП24.16в-4Л-К│ │ │ │ │ │
────────────┼──────────────┤ ├────┼────┼──────┼──────┤
58 9122 0699│1ЛП24.19в-4Л │ │1900│0,93│ 20,77│ 1,98 │
58 9122 0700│1ЛП24.19в-4Л-Ш│ │ │ │ │ │
58 9122 0701│1ЛП24.19в-4Л-К│ │ │ │ │ │
────────────┼──────────────┤ ├────┼────┼──────┼──────┤
58 9122 0702│1ЛП24.22в-4Л │ │2200│1,02│ 23,03│ 2,18 │
58 9122 0703│1ЛП24.22в-4Л-Ш│ │ │ │ │ │
58 9122 0704│1ЛП24.22в-4Л-К│ │ │ │ │ │
────────────┼──────────────┼────┼────┼────┼──────┼──────┤
58 9122 0705│1ЛП30.13в-4Л │2980│1300│0,82│ 26,46│ 1,75 │
58 9122 0706│1ЛП30.13в-4Л-Ш│ │ │ │ │ │
58 9122 0707│1ЛП30.13в-4Л-К│ │ │ │ │ │
────────────┼──────────────┤ ├────┼────┼──────┼──────┤
58 9122 0708│1ЛП30.16в-4Л │ │1600│0,99│ 28,26│ 2,13 │
58 9122 0709│1ЛП30.16в-4Л-Ш│ │ │ │ │ │
58 9122 0710│1ЛП30.16в-4Л-К│ │ │ │ │ │
────────────┼──────────────┤ ├────┼────┼──────┼──────┤
58 9122 0711│1ЛП30.19в-4Л │ │1900│1,17│ 31,38│ 2,40 │
58 9122 0712│1ЛП30.19в-4Л-Ш│ │ │ │ │ │
58 9122 0713│1ЛП30.19в-4Л-К│ │ │ │ │ │
────────────┼──────────────┤ ├────┼────┼──────┼──────┤
58 9122 0714│1ЛП30.22в-4Л │ │2200│1,29│ 33,02│ 2,75 │
58 9122 0715│1ЛП30.22в-4Л-Ш│ │ │ │ │ │
58 9122 0716│1ЛП30.22в-4Л-К│ │ │ │ │ │
Таблица 5
────────────┬───────────────┬─────────┬────────────┬──────┬─────────
Код ОКП │Марка площадки │Основные │ Расход │Масса │Обозначе-
│ │размеры │ материалов │пло- │ние серии
│ │площадки,│(справочный)│щадки │и выпуска
│ │ мм ├────┬───────┤(спра-│типовой
│ ├────┬────┤Бе- │Сталь, │воч- │проектной
│ │ l │ b │тон,│ кг │ная), │докумен-
│ │ │ │м3 │ │т │тации
(в ред. Изменения N 1, утв. Постановлением Госстроя СССР
от 31.12.1987 N 323)
────────────┼───────────────┼────┼────┼────┼───────┼──────┼─────────
58 9121 2611│2ЛП22.13-4-к │2200│1300│0,41│ 16,27 │ 1,03 │1.152.1-8
58 9121 2612│2ЛП22.13-4-кШ │ │ │ │ │ │Выпуск 1
58 9121 2613│2ЛП22.13-4-кК │ │ │ │ │ │
────────────┼───────────────┤ ├────┼────┼───────┼──────┤
58 9121 2614│2ЛП22.16-4-к │ │1600│0,48│ 18,33 │ 1,20 │
58 9121 2615│2ЛП22.16-4-кШ │ │ │ │ │ │
58 9121 2616│2ЛП22.16-4-кК │ │ │ │ │ │
────────────┼───────────────┤ ├────┼────┼───────┼──────┤
58 9121 2617│2ЛП22.19-4-к │ │1900│0,55│ 20,52 │ 1,38 │
58 9121 2618│2ЛП22.19-4-кШ │ │ │ │ │ │
58 9121 2619│2ЛП22.19-4-кК │ │ │ │ │ │
────────────┼───────────────┤ ├────┼────┼───────┼──────┤
58 9121 2620│2ЛП22.13в-4-к │ │1300│0,42│ 16,27 │ 1,05 │
58 9121 2621│2ЛП22.13в-4-кШ │ │ │ │ │ │
58 9121 2622│2ЛП22.13в-4-кК │ │ │ │ │ │
────────────┼───────────────┤ ├────┼────┼───────┼──────┤
58 9121 2623│2ЛП22.16в-4-к │ │1600│0,49│ 18,33 │ 1,23 │
58 9121 2624│2ЛП22.16в-4-кШ │ │ │ │ │ │
58 9121 2625│2ЛП22.16в-4-кК │ │ │ │ │ │
────────────┼───────────────┤ ├────┼────┼───────┼──────┤
58 9121 2626│2ЛП22.19в-4-к │ │1900│0,56│ 20,52 │ 1,40 │
58 9121 2627│2ЛП22.19в-4-кШ │ │ │ │ │ │
58 9121 2628│2ЛП22.19в-4-кК │ │ │ │ │ │
────────────┼───────────────┼────┼────┼────┼───────┼──────┤
58 9121 2701│2ЛП25.13-4-к │2500│1300│0,46│ 18,66 │ 1,15 │
58 9121 2702│2ЛП25.13-4-кШ │ │ │ │ │ │
58 9121 2703│2ЛП25.13-4-кК │ │ │ │ │ │
────────────┼───────────────┤ ├────┼────┼───────┼──────┤
58 9121 2704│2ЛП25.16-4-к │ │1600│0,54│ 22,13 │ 1,35 │
58 9121 2705│2ЛП25.16-4-кШ │ │ │ │ │ │
58 9121 2706│2ЛП25.16-4-кК │ │ │ │ │ │
────────────┼───────────────┤ ├────┼────┼───────┼──────┤
58 9121 2707│2ЛП25.19-4-к │ │1900│0,61│ 25,46 │ 1,53 │
58 9121 2708│2ЛП25.19-4-кШ │ │ │ │ │ │
58 9121 2709│2ЛП25.19-4-кК │ │ │ │ │ │
────────────┼───────────────┤ ├────┼────┼───────┼──────┤
58 9121 2710│2ЛП25.13в-4-к │ │1300│0,47│ 18,66 │ 1,18 │
58 9121 2711│2ЛП25.13в-4-кШ │ │ │ │ │ │
58 9121 2712│2ЛП25.13в-4-кК │ │ │ │ │ │
────────────┼───────────────┤ ├────┼────┼───────┼──────┤
58 9121 2713│2ЛП25.16в-4-к │ │1600│0,55│ 22,13 │ 1,38 │
58 9121 2714│2ЛП25.16в-4-кШ │ │ │ │ │ │
58 9121 2715│2ЛП25.16в-4-кК │ │ │ │ │ │
────────────┼───────────────┤ ├────┼────┼───────┼──────┤
58 9121 2716│2ЛП25.19в-4-к │ │1900│0,62│ 25,46 │ 1,55 │
58 9121 2717│2ЛП25.19в-4-кШ │ │ │ │ │ │
58 9121 2718│2ЛП25.19в-4-кК │ │ │ │ │ │
────────────┼───────────────┤ ├────┼────┼───────┼──────┤
58 9121 2719│2ЛП25.19-4-км │ │1900│0,60│ 26,08 │ 1,50 │
58 9121 2720│2ЛП25.19-4-кмШ │ │ │ │ │ │
58 9121 2721│2ЛП25.19-4-кмК │ │ │ │ │ │
────────────┼───────────────┼────┼────┼────┼───────┼──────┼─────────
58 9122 0124│2ЛП22.13-4Л-к │2200│1300│0,41│ 15,47 │ 0,90 │1.152.1-8
58 9122 0125│2ЛП22.13-4Л-кШ │ │ │ │ │ │Выпуск 2
58 9122 0126│2ЛП22.13-4Л-кК │ │ │ │ │ │
────────────┼───────────────┤ ├────┼────┼───────┼──────┤
58 9122 0127│2ЛП22.16-4Л-к │ │1600│0,48│ 17,62 │ 1,04 │
58 9122 0140│2ЛП22.16-4Л-кШ │ │ │ │ │ │
58 9122 0141│2ЛП22.16-4Л-кК │ │ │ │ │ │
────────────┼───────────────┤ ├────┼────┼───────┼──────┤
58 9122 0142│2ЛП22.19-4Л-к │ │1900│0,55│ 19,88 │ 1,19 │
58 9122 0143│2ЛП22.19-4Л-кШ │ │ │ │ │ │
58 9122 0144│2ЛП22.19-4Л-кК │ │ │ │ │ │
────────────┼───────────────┤ ├────┼────┼───────┼──────┤
58 9122 0145│2ЛП22.13в-4Л-к │ │1300│0,42│ 16,25 │ 0,92 │
58 9122 0146│2ЛП22.13в-4Л-кШ│ │ │ │ │ │
58 9122 0147│2ЛП22.13в-4Л-кК│ │ │ │ │ │
────────────┼───────────────┤ ├────┼────┼───────┼──────┤
58 9122 0148│2ЛП22.16в-4Л-к │ │1600│0,49│ 17,62 │ 1,06 │
58 9122 0149│2ЛП22.16в-4Л-кШ│ │ │ │ │ │
58 9122 0150│2ЛП22.16в-4Л-кК│ │ │ │ │ │
────────────┼───────────────┤ ├────┼────┼───────┼──────┤
58 9122 0151│2ЛП22.19в-4Л-к │ │1900│0,56│ 19,88 │ 1,21 │
58 9122 0152│2ЛП22.19в-4Л-кШ│ │ │ │ │ │
58 9122 0153│2ЛП22.19в-4Л-кК│ │ │ │ │ │
────────────┼───────────────┼────┼────┼────┼───────┼──────┤
58 9122 0154│2ЛП25.13-4Л-к │2500│1300│0,46│ 18,66 │ 1,01 │
58 9122 0155│2ЛП25.13-4Л-кШ │ │ │ │ │ │
58 9122 0156│2ЛП25.13-4Л-кК │ │ │ │ │ │
────────────┼───────────────┤ ├────┼────┼───────┼──────┤
58 9122 0157│2ЛП25.16-4Л-к │ │1600│0,54│ 20,13 │ 1,17 │
58 9122 0158│2ЛП25.16-4Л-кШ │ │ │ │ │ │
58 9122 0159│2ЛП25.16-4Л-кК │ │ │ │ │ │
────────────┼───────────────┤ ├────┼────┼───────┼──────┤
58 9122 0160│2ЛП25.19-4Л-к │ │1900│0,61│ 21,86 │ 1,33 │
58 9122 0161│2ЛП25.19-4Л-кШ │ │ │ │ │ │
58 9122 0162│2ЛП25.19-4Л-кК │ │ │ │ │ │
────────────┼───────────────┤ ├────┼────┼───────┼──────┤
58 9122 0163│2ЛП25.13в-4Л-к │ │1300│0,47│ 18,66 │ 1,03 │
58 9122 0236│2ЛП25.13в-4Л-кШ│ │ │ │ │ │
58 9122 0237│2ЛП25.13в-4Л-кК│ │ │ │ │ │
────────────┼───────────────┤ ├────┼────┼───────┼──────┤
58 9122 0238│2ЛП25.16в-4Л-к │ │1600│0,55│ 20,13 │ 1,19 │
58 9122 0239│2ЛП25.16в-4Л-кШ│ │ │ │ │ │
58 9122 0240│2ЛП25.16в-4Л-кК│ │ │ │ │ │
────────────┼───────────────┤ ├────┼────┼───────┼──────┤
58 9122 0241│2ЛП25.19в-4Л-к │ │1900│0,62│ 21,86 │ 1,35 │
58 9122 0242│2ЛП25.19в-4Л-кШ│ │ │ │ │ │
58 9122 0243│2ЛП25.19в-4Л-кК│ │ │ │ │ │
────────────┼───────────────┤ ├────┼────┼───────┼──────┤
58 9122 0244│2ЛП25.19-4Л-км │ │1900│0,60│ 22,48 │ 1,30 │
58 9122 0245│2ЛП25.19-4Л-кмШ│ │ │ │ │ │
58 9122 0246│2ЛП25.19-4Л-кмК│ │ │ │ │ │
────────────┼───────────────┼────┼────┼────┼───────┼──────┼─────────
58 9121 2722│2ЛП22.13-4 │2200│1300│0,39│ 17,02 │ 0,98 │1.152.1-8
58 9121 2723│2ЛП22.13-4-Ш │ │ │ │ │ │Выпуск 3
58 9121 2724│2ЛП22.13-4-К │ │ │ │ │ │
────────────┼───────────────┤ ├────┼────┼───────┼──────┤
58 9121 2725│2ЛП22.16-4 │ │1600│0,45│ 20,53 │ 1,13 │
58 9121 2726│2ЛП22.16-4-Ш │ │ │ │ │ │
58 9121 2727│2ЛП22.16-4-К │ │ │ │ │ │
────────────┼───────────────┤ ├────┼────┼───────┼──────┤
58 9121 2728│2ЛП22.19-4 │ │1900│0,52│ 23,39 │ 1,30 │
58 9121 2729│2ЛП22.19-4-Ш │ │ │ │ │ │
58 9121 2730│2ЛП22.19-4-К │ │ │ │ │ │
────────────┼───────────────┤ ├────┼────┼───────┼──────┤
58 9121 2731│2ЛП22.13в-4 │ │1300│0,40│ 17,02 │ 1,00 │
58 9121 2732│2ЛП22.13в-4-Ш │ │ │ │ │ │
58 9121 2733│2ЛП22.13в-4-К │ │ │ │ │ │
────────────┼───────────────┤ ├────┼────┼───────┼──────┤
58 9121 2734│2ЛП22.16в-4 │ │1600│0,46│ 20,53 │ 1,15 │
58 9121 2735│2ЛП22.16в-4-Ш │ │ │ │ │ │
58 9121 2736│2ЛП22.16в-4-К │ │ │ │ │ │
────────────┼───────────────┤ ├────┼────┼───────┼──────┤
58 9121 2737│2ЛП22.19в-4 │ │1900│0,53│ 23,39 │ 1,33 │
58 9121 2738│2ЛП22.19в-4-Ш │ │ │ │ │ │
58 9121 2739│2ЛП22.19в-4-К │ │ │ │ │ │
────────────┼───────────────┼────┼────┼────┼───────┼──────┤
58 9121 2740│2ЛП25.13-4 │2500│1300│0,44│ 20,72 │ 1,10 │
58 9121 2741│2ЛП25.13-4-Ш │ │ │ │ │ │
58 9121 2742│2ЛП25.13-4-К │ │ │ │ │ │
────────────┼───────────────┤ ├────┼────┼───────┼──────┤
58 9121 2869│2ЛП25.16-4 │ │1600│0,51│ 22,95 │ 1,28 │
58 9121 2870│2ЛП25.16-4-Ш │ │ │ │ │ │
58 9121 2877│2ЛП25.16-4-К │ │ │ │ │ │
────────────┼───────────────┤ ├────┼────┼───────┼──────┤
58 9121 2878│2ЛП25.19-4 │ │1900│0,58│ 25,30 │ 1,45 │
58 9121 2879│2ЛП25.19-4-Ш │ │ │ │ │ │
58 9121 2880│2ЛП25.19-4-К │ │ │ │ │ │
────────────┼───────────────┤ ├────┼────┼───────┼──────┤
58 9121 2881│2ЛП25.13в-4 │ │1300│0,45│ 20,72 │ 1,13 │
58 9121 2882│2ЛП25.13в-4-Ш │ │ │ │ │ │
58 9121 2883│2ЛП25.13в-4-К │ │ │ │ │ │
────────────┼───────────────┤ ├────┼────┼───────┼──────┤
58 9121 2884│2ЛП25.16в-4 │ │1600│0,52│ 22,95 │ 1,30 │
58 9121 2976│2ЛП25.16в-4-Ш │ │ │ │ │ │
58 9121 2977│2ЛП25.16в-4-К │ │ │ │ │ │
────────────┼───────────────┤ ├────┼────┼───────┼──────┤
58 9121 2978│2ЛП25.19в-4 │ │1900│0,60│ 25,30 │ 1,50 │
58 9121 2979│2ЛП25.19в-4-Ш │ │ │ │ │ │
58 9121 2980│2ЛП25.19в-4-К │ │ │ │ │ │
────────────┼───────────────┤ │ ├────┼───────┼──────┤
58 9121 2981│2ЛП25.19-4-м │ │ │0,57│ 25,92 │ 1,43 │
58 9121 2982│2ЛП25.19-4-мШ │ │ │ │ │ │
58 9121 2983│2ЛП25.19-4-мК │ │ │ │ │ │
────────────┼───────────────┼────┼────┼────┼───────┼──────┼─────────
58 9122 0247│2ЛП22.13-4Л │2200│1300│0,39│ 16,20 │ 0,84 │1.152.1-8
58 9122 0248│2ЛП22.13-4Л-Ш │ │ │ │ │ │Выпуск 4
58 9122 0249│2ЛП22.13-4Л-К │ │ │ │ │ │
────────────┼───────────────┤ ├────┼────┼───────┼──────┤
58 9122 0250│2ЛП22.16-4Л │ │1600│0,45│ 18,35 │ 0,99 │
58 9122 0251│2ЛП22.16-4Л-Ш │ │ │ │ │ │
58 9122 0252│2ЛП22.16-4Л-К │ │ │ │ │ │
────────────┼───────────────┤ ├────┼────┼───────┼──────┤
58 9122 0253│2ЛП22.19-4Л │ │1900│0,52│ 20,54 │ 1,13 │
58 9122 0254│2ЛП22.19-4Л-Ш │ │ │ │ │ │
58 9122 0255│2ЛП22.19-4Л-К │ │ │ │ │ │
────────────┼───────────────┤ ├────┼────┼───────┼──────┤
58 9122 0256│2ЛП22.13в-4Л │ │1300│0,40│ 16,20 │ 0,86 │
58 9122 0257│2ЛП22.13в-4Л-Ш │ │ │ │ │ │
58 9122 0258│2ЛП22.13в-4Л-К │ │ │ │ │ │
────────────┼───────────────┤ ├────┼────┼───────┼──────┤
58 9122 0259│2ЛП22.16в-4Л │ │1600│0,46│ 18,35 │ 1,01 │
58 9122 0260│2ЛП22.16в-4Л-Ш │ │ │ │ │ │
58 9122 0261│2ЛП22.16в-4Л-К │ │ │ │ │ │
────────────┼───────────────┤ ├────┼────┼───────┼──────┤
58 9122 0262│2ЛП22.19в-4Л │ │1900│0,53│ 20,54 │ 1,15 │
58 9122 0263│2ЛП22.19в-4Л-Ш │ │ │ │ │ │
58 9122 0106│2ЛП22.19в-4Л-К │ │ │ │ │ │
────────────┼───────────────┼────┼────┼────┼───────┼──────┤
58 9122 0123│2ЛП25.13-4Л │2500│1300│0,44│ 20,72 │ 0,95 │
58 9122 0625│2ЛП25.13-4Л-Ш │ │ │ │ │ │
58 9122 0626│2ЛП25.16-4Л-К │ │ │ │ │ │
────────────┼───────────────┤ ├────┼────┼───────┼──────┤
58 9122 0627│2ЛП25.16-4Л │ │1600│0,51│ 22,95 │ 1,12 │
58 9122 0628│2ЛП25.16-4Л-Ш │ │ │ │ │ │
58 9122 0629│2ЛП25.16-4Л-К │ │ │ │ │ │
────────────┼───────────────┤ ├────┼────┼───────┼──────┤
58 9122 0630│2ЛП25.19-4Л │ │1900│0,58│ 25,30 │ 1,28 │
58 9122 0631│2ЛП25.19-4Л-Ш │ │ │ │ │ │
58 9122 0632│2ЛП25.19-4Л-К │ │ │ │ │ │
────────────┼───────────────┤ ├────┼────┼───────┼──────┤
58 9122 0633│2ЛП25.13в-4Л │ │1300│0,45│ 20,72 │ 0,98 │
58 9122 0634│2ЛП25.13в-4Л-Ш │ │ │ │ │ │
58 9122 0635│2ЛП25.13в-4Л-К │ │ │ │ │ │
────────────┼───────────────┤ ├────┼────┼───────┼──────┤
58 9122 0636│2ЛП25.16в-4Л │ │1600│0,52│ 22,95 │ 1,14 │
58 9122 0637│2ЛП25.16в-4Л-Ш │ │ │ │ │ │
58 9122 0638│2ЛП25.16в-4Л-К │ │ │ │ │ │
────────────┼───────────────┤ ├────┼────┼───────┼──────┤
58 9122 0639│2ЛП25.19в-4Л │ │1900│0,60│ 25,30 │ 1,30 │
58 9122 0640│2ЛП25.19в-4Л-Ш │ │ │ │ │ │
58 9122 0641│2ЛП25.19в-4Л-К │ │ │ │ │ │
────────────┼───────────────┤ ├────┼────┼───────┼──────┤
58 9122 0642│2ЛП25.19-4Л-м │ │1900│0,57│ 25,92 │ 1,25 │
58 9122 0643│2ЛП25.19-4Л-мШ │ │ │ │ │ │
58 9122 0644│2ЛП25.19-4Л-мК │ │ │ │ │ │
Таблица 6
────────────┬─────────────┬─────────┬────────────┬──────┬─────────
Код ОКП │ Марка │Основные │ Расход │Масса │Обозначе-
│ площадки │ размеры │ материалов │пло- │ние серии
│ │площадки,│(справочный)│щадки │и выпуска
│ │ мм ├────┬───────┤(спра-│типовой
│ ├────┬────┤Бе- │ Сталь,│воч- │проектной
│ │ l │ b │тон,│ кг │ная), │докумен-
│ │ │ │м3 │ │т │тации
(в ред. Изменения N 1, утв. Постановлением Госстроя СССР
от 31.12.1987 N 323)
────────────┼─────────────┼────┼────┼────┼───────┼──────┼─────────
58 9121 2469│ЛПФ25.10-5 │2500│ 990│0,36│ 14,73 │ 0,90 │1.252.1-4
58 9121 2454│ЛПФ25.10в-5 │ │ │0,42│ 16,15 │ 1,05 │Выпуск 1
────────────┼─────────────┤ ├────┼────┼───────┼──────┤
58 9121 2470│ЛПФ25.11-5 │ │1140│0,39│ 15,53 │ 0,98 │
58 9121 2455│ЛПФ25.11в-5 │ │ │0,45│ 16,96 │ 1,13 │
────────────┼─────────────┤ ├────┼────┼───────┼──────┤
58 9121 2471│ЛПФ25.13-5 │ │1290│0,43│ 16,91 │ 1,08 │
58 9121 2456│ЛПФ25.13в-5 │ │ │0,49│ 18,53 │ 1,23 │
────────────┼─────────────┼────┼────┼────┼───────┼──────┤
58 9121 2472│ЛПФ28.11-5 │2800│1140│0,44│ 18,87 │ 1,10 │
58 9121 2475│ЛПФ28.11-5-у │ │ │0,46│ 17,23 │ 1,15 │
58 9121 2457│ЛПФ28.11в-5 │ │ │0,50│ 20,27 │ 1,25 │
58 9121 2460│ЛПФ28.11в-5-у│ │ │0,53│ 18,63 │ 1,33 │
────────────┼─────────────┤ ├────┼────┼───────┼──────┤
58 9121 2473│ЛПФ28.13-5 │ │1290│0,48│ 20,38 │ 1,20 │
58 9121 2458│ЛПФ28.13в-5 │ │ │0,54│ 22,00 │ 1,35 │
────────────┼─────────────┼────┼────┼────┼───────┼──────┤
58 9121 2474│ЛПФ31.13-5 │3100│1290│0,53│ 22,98 │ 1,33 │
58 9121 2476│ЛПФ31.13-5-у │ │ │0,55│ 23,30 │ 1,38 │
58 9121 2459│ЛПФ31.13в-5 │ │ │0,60│ 24,59 │ 1,50 │
58 9121 2461│ЛПФ31.13в-5-у│ │ │0,63│ 24,91 │ 1,58 │
────────────┼─────────────┼────┤ ├────┼───────┼──────┤
58 9121 2453│ЛПФ34.13-5-у │3400│ │0,60│ 25,10 │ 1,50 │
58 9121 2462│ЛПФ34.13в-5-у│ │ │0,69│ 26,70 │ 1,73 │
Таблица 7
────────────┬───────────┬───────────┬────────────┬──────┬─────────
Код ОКП │ Марка │ Основные │ Расход │Масса │Обозначе-
│ площадки │ размеры │ материалов │пло- │ние серии
│ │ площадки,│(справочный)│щадки │и выпуска
│ │ мм ├─────┬──────┤(спра-│типовой
│ ├─────┬─────│Бе- │Сталь,│воч- │проектной
│ │ l │ b │тон, │ кг │ная), │докумен-
│ │ │ │м3 │ │т │тации
(в ред. Изменения N 1, утв. Постановлением Госстроя СССР
от 31.12.1987 N 323)
────────────┼───────────┼─────┼─────┼─────┼──────┼──────┼─────────
58 9121 2463│ЛПП14.12в-5│1440 │1200 │0,20 │12,30 │ 0,50 │1.050.1-2
────────────┼───────────┤ ├─────┼─────┼──────┼──────┤Выпуск 1
58 9121 2464│ЛПП14.13в-5│ │1325 │0,24 │14,40 │ 0,60 │
58 9121 2465│ЛПП14.15в-5│ │1475 │ │13,60 │ │
────────────┼───────────┼─────┼─────┼─────┼──────┼──────┤
58 9121 2466│ЛПП15.15в-5│1540 │1490 │0,30 │14,80 │ 0,75 │
────────────┼───────────┼─────┼─────┼─────┼──────┼──────┤
58 9121 2467│ЛПП16.15в-5│1610 │1490 │0,31 │16,40 │ 0,78 │
58 9121 2468│ЛПП16.16в-5│ │1640 │0,29 │16,90 │ 0,73 │
1.6. Форма и основные размеры накладных проступей должны соответствовать:
(в ред. Изменения N 1, утв. Постановлением Госстроя СССР от 31.12.1987 N 323)
типа 1ЛН - указанным на черт. 8 и в табл. 8;
" 2ЛН - " " " 9 и в табл. 8.
Таблица 8
────────────┬───────────┬─────────┬────────────┬──────┬───────────
Код ОКП │ Марка │Основные │ Расход │Масса │Обозначение
│ накладной │размеры │ материалов │нак- │серии и
│ проступи │наклад- │(справочный)│ладной│выпуска
│ │ной прос-├─────┬──────┤прос- │типовой
│ │тупи, мм │Бе- │Сталь,│тупи │проектной
│ ├────┬────┤тон, │ кг │(спра-│докумен-
│ │l │ b │м3 │ │воч- │тации
│ │ │ │ │ │ная), │
│ │ │ │ │ │кг │
(в ред. Изменения N 1, утв. Постановлением Госстроя СССР
от 31.12.1987 N 323)
────────────┼───────────┼────┼────┼─────┼──────┼──────┼───────────
58 9121 2477│1ЛН12.3 │1200│325 │0,014│ 0,21 │ 35 │1.251.1-4
58 9121 2478│1ЛН12.3-Ш │ │ │ │ │ │Выпуск 1
────────────┼───────────┤ ├────┼─────┼──────┼──────┤
58 9121 2479│1ЛН12.2 │ │220 │0,009│ 0,18 │ 23 │
58 9121 2480│1ЛН12.2-Ш │ │ │ │ │ │
────────────┼───────────┼────┼────┼─────┼──────┼──────┤
58 9121 2481│1ЛН14.3 │1350│325 │0,015│ 0,24 │ 38 │
58 9121 2482│1ЛН14.3-Ш │ │ │ │ │ │
────────────┼───────────┤ ├────┼─────┼──────┼──────┤
58 9121 2483│1ЛН14.2 │ │220 │0,010│ 0,20 │ 25 │
58 9121 2484│1ЛН14.2-Ш │ │ │ │ │ │
────────────┼───────────┼────┼────┼─────┼──────┼──────┤
58 9121 2485│1ЛН15.3 │1500│325 │0,017│ 0,27 │ 43 │
58 9121 2486│1ЛН15.3-Ш │ │ │ │ │ │
────────────┼───────────┤ ├────┼─────┼──────┼──────┤
58 9121 2487│1ЛН15.2 │ │220 │0,012│ 0,22 │ 30 │
58 9121 2488│1ЛН15.2-Ш │ │ │ │ │ │
────────────┼───────────┼────┼────┼─────┼──────┼──────┤
58 9121 2489│1ЛН17.3 │1650│325 │0,019│ 0,30 │ 48 │
58 9121 2490│1ЛН17.3-Ш │ │ │ │ │ │
────────────┼───────────┤ ├────┼─────┼──────┼──────┤
58 9121 2491│1ЛН17.2 │ │220 │0,013│ 0,25 │ 33 │
58 9121 2492│1ЛН17.2-Ш │ │ │ │ │ │
────────────┼───────────┼────┼────┼─────┼──────┼──────┤
58 9121 2493│2ЛН13.2 │1310│245 │0,011│ 0,21 │ 28 │
58 9121 2494│2ЛН13.2-Ш │ │ │ │ │ │
────────────┼───────────┼────┤ ├─────┼──────┼──────┤
58 9121 2495│2ЛН12.2в │1200│ │0,010│ 0,19 │ 25 │
58 9121 2496│2ЛН12.2в-Ш │ │ │ │ │ │
────────────┼───────────┼────┤ ├─────┼──────┼──────┤
58 9121 2497│2ЛН15.2 │1470│ │0,013│ 0,24 │ 33 │
58 9121 2498│2ЛН15.2-Ш │ │ │ │ │ │
────────────┼───────────┼────┤ ├─────┼──────┼──────┤
58 9121 2499│2ЛН14.2в │1350│ │0,012│ 0,22 │ 30 │
58 9121 2500│2ЛН14.2в-Ш │ │ │ │ │ │
────────────┼───────────┼────┤ ├─────┼──────┼──────┤
58 9121 2562│2ЛН16.2 │1620│ │0,014│ 0,26 │ 35 │
58 9121 2563│2ЛН16.2-Ш │ │ │ │ │ │
────────────┼───────────┼────┤ ├─────┼──────┼──────┤
58 9121 2564│2ЛН15.2в │1500│ │0,013│ 0,25 │ 33 │
58 9121 3052│2ЛН15.2в-Ш │ │ │ │ │ │
────────────┼───────────┼────┤ ├─────┼──────┼──────┤
58 9121 3053│2ЛН19.2 │1870│ │0,016│ 0,31 │ 40 │
58 9121 3054│2ЛН19.2-Ш │ │ │ │ │ │
────────────┼───────────┼────┤ ├─────┼──────┼──────┤
58 9121 3055│2ЛН16.2в │1650│ │0,014│ 0,27 │ 35 │
58 9121 3056│2ЛН16.2в-Ш │ │ │ │ │ │
────────────┼───────────┼────┼────┼─────┼──────┼──────┼───────────
58 9121 3057│1ЛН12.3 │1210│320 │0,017│ 0,3 │ 44 │1.050.1-2
58 9121 3058│1ЛН12.3-Ш │ │ │ │ │ │Выпуск 1
────────────┼───────────┼────┤ ├─────┼──────┼──────┤
58 9121 3059│1ЛН13.3 │1350│ │0,019│ 0,4 │ 49 │
58 9121 3060│1ЛН13.3-Ш │ │ │ │ │ │
────────────┼───────────┼────┼────┼─────┼──────┼──────┤
58 9121 3061│2ЛН14.3 │1385│330 │0,018│ 0,4 │ 45 │
58 9121 3062│2ЛН14.3-Ш │ │ │ │ │ │
────────────┼───────────┤ ├────┼─────┤ ├──────┤
58 9121 3063│2ЛН14.5 │ │470 │0,026│ │ 65 │
58 9121 3064│2ЛН14.5-Ш │ │ │ │ │ │
────────────┼───────────┼────┼────┼─────┼──────┼──────┤
58 9121 0753│2ЛН13.3 │1335│330 │0,018│ 0,4 │ 45 │
58 9121 0754│2ЛН13.3-Ш │ │ │ │ │ │
────────────┼───────────┤ ├────┼─────┤ ├──────┤
58 9121 0755│2ЛН13.5 │ │470 │0,025│ │ 63 │
58 9121 0756│2ЛН13.5-Ш │ │ │ │ │ │
────────────┼───────────┼────┼────┼─────┼──────┼──────┤
58 9121 3065│2ЛН12.3 │1285│330 │0,017│ 0,4 │ 43 │
58 9121 3066│2ЛН12.3-Ш │ │ │ │ │ │
────────────┼───────────┤ ├────┼─────┤ ├──────┤
58 9121 3067│2ЛН12.5 │ │470 │0,024│ │ 60 │
58 9121 3068│2ЛН12.5-Ш │ │ │ │ │ │
────────────┼───────────┼────┼────┼─────┼──────┼──────┤
58 9121 3069│2ЛН9.5 │ 930│460 │0,017│ 0,3 │ 43 │
58 9121 3070│2ЛН9.5-Ш │ │ │ │ │ │
────────────┼───────────┤ ├────┼─────┼──────┼──────┤
58 9121 3071│2ЛН9.6 │ │535 │0,020│ 0,3 │ 50 │
58 9121 3072│2ЛН9.6-Ш │ │ │ │ │ │
────────────┼───────────┼────┼────┼─────┼──────┼──────┤
58 9121 3073│2ЛН14.3в │1385│330 │0,018│ 0,4 │ 45 │
58 9121 3074│2ЛН14.3в-Ш │ │ │ │ │ │
────────────┼───────────┤ ├────┼─────┼──────┼──────┤
58 9121 3075│2ЛН14.5в │ │470 │0,026│ 0,4 │ 65 │
58 9121 3076│2ЛН14.5в-Ш │ │ │ │ │ │
────────────┼───────────┼────┼────┼─────┼──────┼──────┤
58 9121 0765│2ЛН13.3в │1335│330 │0,018│ 0,4 │ 45 │
58 9121 0766│2ЛН13.3в-Ш │ │ │ │ │ │
────────────┼───────────┤ ├────┼─────┤ ├──────┤
58 9121 0767│2ЛН13.5в │ │470 │0,025│ │ 63 │
58 9121 0768│2ЛН13.5в-Ш │ │ │ │ │ │
────────────┼───────────┼────┼────┼─────┼──────┼──────┤
58 9121 3077│2ЛН12.3в │1285│330 │0,017│ 0,3 │ 43 │
58 9121 3078│2ЛН12.3в-Ш │ │ │ │ │ │
────────────┼───────────┤ ├────┼─────┼──────┼──────┤
58 9121 3079│2ЛН12.5в │ │470 │0,024│ 0,4 │ 60 │
58 9121 3080│2ЛН12.5в-Ш │ │ │ │ │ │
────────────┼───────────┼────┼────┼─────┼──────┼──────┤
58 9121 3089│2ЛН9.5в │ 930│460 │0,017│ 0,3 │ 43 │
58 9121 3090│2ЛН9.5в-Ш │ │ │ │ │ │
Примечания к табл. 1 - 8. 1. Марки элементов лестниц в таблицах даны без указания варианта исполнения (п. 1.8).
2. Масса элементов лестниц приведена для элементов из тяжелого бетона средней плотности 2500 кг/м3, из легкого бетона - 1800 кг/м3.
1.7. Марши и площадки предназначены для применения в лестницах на расчетные временные нагрузки (при коэффициенте надежности по нагрузке n = 1,2 и без учета собственного веса):
3,5 кПа (360 кгс/м2) - для жилых зданий;
4,7 кПа (480 кгс/м2) - для общественных зданий, производственных и вспомогательных зданий промышленных предприятий.
1.8. Элементы лестниц, при необходимости, изготовляют в двух вариантах исполнения: правом и левом - для лестниц с подъемом соответственно против часовой и по часовой стрелке.
1.9. Элементы лестниц изготовляют с отделкой верхних лицевых поверхностей следующих видов:
с гладкой поверхностью из тяжелого бетона на обычном цементе;
(в ред. Изменения N 1, утв. Постановлением Госстроя СССР от 31.12.1987 N 323)
с шлифованной мозаичной поверхностью декоративного конструкционного слоя из бетона на обычном, белом или цветном цементах и на мраморном щебне (для площадок и накладных проступей);
с облицовкой керамической плиткой (для площадок).
Абзац исключен. - Изменение N 1, утв. Постановлением Госстроя СССР от 31.12.1987 N 323.
1.10. Элементы лестниц обозначают марками в соответствии с требованиями ГОСТ 23009-78.
Марка элементов лестниц состоит из буквенно-цифровых групп, разделенных дефисами.
Первая группа содержит обозначение типа элемента лестницы и габаритные размеры: длину и ширину в дециметрах (значения которых округляют до целого числа), а для маршей дополнительно указывают координационную высоту марша (высоту вертикальной проекции) в дециметрах. Длину маршей типа ЛМП без нижней полуплощадки указывают в марке равной длине основного марша этого типа (с двумя полуплощадками). Для конечных площадок и накладных проступей, укладываемых на верхние конечные ступени маршей, первую группу дополняют строчной буквой "в".
Во второй группе указывают:
для маршей и площадок - расчетную временную нагрузку, обозначаемую цифрами 4 при нагрузке 3,5 кПа (360 кгс/м2) и 5 при нагрузке 4,7 кПа (480 кгс/м2), а для маршей и площадок, изготовляемых из легкого бетона, - вид бетона, обозначаемый прописной буквой "Л";
для накладных проступей - левое исполнение и вид отделки верхней лицевой поверхности.
В третьей группе указывают:
для маршей и площадок - левое исполнение и вид отделки верхней лицевой поверхности;
для площадок - наличие опорных консолей (при необходимости), отверстий для пропуска мусоропроводов и усиления узла для опирания маршей, обозначаемое соответственно строчными буквами "к", "м" и "у";
для маршей типа ЛМП - цифрами обозначают: 1 - марш с верхней удлиненной полуплощадкой, 2 - марш с нижней удлиненной полуплощадкой, 3 - марш без нижней полуплощадки.
Виды отделки верхней лицевой поверхности элементов лестниц в марке обозначают следующими прописными буквами (за исключением гладкой бетонной поверхности, которую в марке не указывают):
Ш - шлифованная мозаичная поверхность;
К - облицованная керамической плиткой.
Левое исполнение элементов лестниц обозначают строчной буквой "л".
Для элементов лестниц, предназначенных для эксплуатации в среде с агрессивной степенью воздействия на железобетонные конструкции, в марке дополнительно указывают показатель проницаемости бетона (например, П - пониженной проницаемости), а для элементов лестниц, предназначенных для зданий с расчетной сейсмичностью 7 - 9 баллов, - строчную букву "с";
(в ред. Изменения N 1, утв. Постановлением Госстроя СССР от 31.12.1987 N 323)
Пример условного обозначения (марки) марша типа ЛМ длиной 2720 мм, шириной 1050, высотой вертикальной проекции 1400 мм, под расчетную нагрузку 3,5 кПа (360 кгс/м2), из легкого бетона, с гладкой бетонной поверхностью:
ЛМ27.11.14-4Л
То же, марша типа ЛМФ длиной 4946 мм, шириной 1500 мм, высотой вертикальной проекции 2100 мм, под расчетную нагрузку 4,7 кПа (480 кгс/м2), из тяжелого бетона:
ЛМФ49.15.21-5
То же, марша типа ЛМП, длиной 5650 мм, шириной 1150 мм, высотой вертикальной проекции 1650 мм, под расчетную нагрузку 4,7 кПа (480 кгс/м2), из тяжелого бетона, с верхней удлиненной полуплощадкой:
ЛМП57.11.17-5-1
То же, площадки типа 1ЛП длиной 2980 мм, шириной 1300 мм, под расчетную нагрузку 3,5 кПа (360 кгс/м2), верхней, со шлифованной мозаичной поверхностью:
1ЛП30.13в-4-Ш
То же, площадки типа ЛПФ длиной 2500 мм, шириной 990 мм, под расчетную нагрузку 4,7 кПа (480 кгс/м2), с консолями, облицованные керамической плиткой:
ЛПФ25.10-5-кК
То же, накладной проступи типа 1ЛН длиной 1350 мм и шириной 320 мм со шлифованной мозаичной поверхностью:
1ЛН14.32-Ш
Примечание. Допускается принимать обозначения марок элементов лестниц в соответствии с рабочими чертежами конструкций до их пересмотра.
(примечание введено Изменением N 1, утв. Постановлением Госстроя СССР от 31.12.1987 N 323)
2. ТЕХНИЧЕСКИЕ ТРЕБОВАНИЯ
2.1. Элементы лестниц следует изготовлять в соответствии с требованиями настоящего стандарта и технологической документации, утвержденной в установленном порядке, по типовой проектной документации, указанной в табл. 1 - 8.
Допускается изготовлять элементы лестниц по проектной документации, утвержденной в установленном порядке, отличающиеся типами, основными размерами и показателями материалоемкости от указанных в табл. 1 - 8.
(абзац введен Изменением N 1, утв. Постановлением Госстроя СССР от 31.12.1987 N 323)
2.2. Элементы лестниц должны удовлетворять требованиям ГОСТ 13015.0-83:
по показателям фактической прочности бетона (в проектном возрасте и отпускной);
по морозостойкости и водонепроницаемости бетона;
по плотности легкого бетона;
по истираемости бетона;
к маркам сталей для арматурных и закладных изделий, в том числе для монтажных петель;
по отклонению толщины защитного слоя бетона до рабочей арматуры;
по защите от коррозии.
Элементы лестниц должны удовлетворять установленным при проектировании требованиям по прочности, жесткости и трещиностойкости. При этом испытания элементов лестниц нагружением не проводят.
(п. 2.2 в ред. Изменения N 1, утв. Постановлением Госстроя СССР от 31.12.1987 N 323)
2.3. Марши и площадки должны выпускаться с законченной отделкой верхних лицевых поверхностей, указанной в п. 1.9.
Допускается по согласованию с потребителем производить поставку маршей и площадок без уложенных накладных проступей, которые должны поставляться в комплекте с маршами или отдельно с предприятия - изготовителя накладных проступей и устанавливаться на марши на строительной площадке.
Примечание. Для лестниц общественных зданий в установленном порядке допускается применять накладные проступи из плит природного камня.
(примечание введено Изменением N 1, утв. Постановлением Госстроя СССР от 31.12.1987 N 323)
ИС МЕГАНОРМ: примечание.
Взамен ГОСТ 25820-83 Постановлением Госстроя РФ от 04.06.2001 N 57 с 1 сентября 2001 года введен в действие ГОСТ 25820-2000.
ИС МЕГАНОРМ: примечание.
Взамен ГОСТ 26633-85 Постановлением Госстроя СССР от 16.05.1991 N 21 с 1 января 1992 года введен в действие ГОСТ 26633-91.
2.4. Элементы лестниц следует изготовлять из тяжелого бетона по ГОСТ 26633-85 или легкого бетона плотной структуры по ГОСТ 25820-83.
(п. 2.4 в ред. Изменения N 1, утв. Постановлением Госстроя СССР от 31.12.1987 N 323)
2.5. Исключен. - Изменение N 1, утв. Постановлением Госстроя СССР от 31.12.1987 N 323.
2.6. Нормируемая отпускная прочность бетона элементов лестниц должна составлять (в процентах от класса или марки бетона по прочности на сжатие):
70 - при поставке элементов лестниц в теплый период года;
80 - при поставке накладных проступей в холодный период года;
85 - при поставке маршей и площадок в холодный период года.
2.7. Исключен. - Изменение N 1, утв. Постановлением Госстроя СССР от 31.12.1987 N 323.
2.8. Истираемость мозаичного декоративного конструкционного слоя бетона элементов лестниц на щебне из мрамора не должна превышать 1,8 г/см2.
Абзац исключен. - Изменение N 1, утв. Постановлением Госстроя СССР от 31.12.1987 N 323.
Абзац исключен. - Изменение N 1, утв. Постановлением Госстроя СССР от 31.12.1987 N 323.
Абзац исключен. - Изменение N 1, утв. Постановлением Госстроя СССР от 31.12.1987 N 323.
2.9. Для армирования элементов лестниц следует применять:
стержневую горячекатаную арматурную сталь классов А-I, А-III по ГОСТ 5781-82 и А-IIIв, изготовляемую из арматурной стали класса А-III, упрочнением вытяжкой, с контролем величины напряжения и предельного удлинения;
ИС МЕГАНОРМ: примечание.
Взамен ГОСТ 10884-81 Постановлением Госстандарта РФ от 13.04.1995 N 214 с 1 января 1996 года введен в действие ГОСТ 10884-94.
стержневую термомеханически упрочненную арматурную сталь классов Ат-IIIС и Ат-IVС по ГОСТ 10884-81;
проволоку класса Вр-I по ГОСТ 6727-80 и класса Врп-I по ТУ 14-4-1322-85.
(п. 2.9 в ред. Изменения N 1, утв. Постановлением Госстроя СССР от 31.12.1987 N 323)
2.10. Значения действительных отклонений геометрических параметров элементов лестниц не должны превышать предельных, указанных в табл. 9.
Таблица 9
мм
──────────────────────────┬──────────────────────────┬────────────
Наименование отклонения │ Наименование │ Пред. откл.
геометрического параметра │ геометрического │
│ параметра │
──────────────────────────┼──────────────────────────┼────────────
Отклонение от линейного │ Марши и площадки │
размера │ Длина до 4000 │ +/- 5
│ св. 4000 │ +/- 6
│ Ширина │ +/- 5
│ Толщина │ +/- 3
│ Размеры ребер, полок, │ +/- 5
│выступов, отверстий и │
│каналов │
│ Положение выступов, │ 5
│выемок и отверстий │
│ Положение закладных │
│изделий: │
│ в плоскости поверхности │ 5
│для закладных изделий │
│размерами до 100 │
│ то же, для закладных │ 10
│изделий размерами св. 100 │
│ из плоскости поверхности│ 3
│ Накладные проступи │
│ Длина │ +/- 5
│ Ширина │ +/- 3
│ Толщина │ +/- 2
Отклонение от прямоли- │ Прямолинейность профиля │
нейности │лицевой поверхности: │
│ ступени марша, площадки │ 2
│или накладной проступи │
│длиной до 2500 на участке │
│1000 │
│ марша или площадки │ +/- 3
│длиной св. 2500 до 4000 │
│на всей длине │
│ то же, длиной св. 4000 │ +/- 4
│на всей длине │
2.11. В площадках с каналами для скрытой электропроводки диаметр канала должен быть не более 25 мм, а расстояние от поверхности канала до арматуры площадок - не менее 10 мм.
ИС МЕГАНОРМ: примечание.
С 1 марта 2004 года Постановлением Госстроя РФ от 30.06.2003 N 123 введен в действие ГОСТ 13015-2003.
2.12. Требования к качеству поверхностей и внешнему виду элементов лестниц - по ГОСТ 13015.0-83. При этом качество поверхностей конструкций (кроме поверхностей, отделываемых в процессе изготовления) должно удовлетворять требованиям, установленным для категорий:
А2 - лицевой, верхней;
А3 - лицевой, нижней и боковых;
А7 - нелицевой, невидимой в условиях эксплуатации.
По согласованию между изготовителем и потребителем могут быть установлены вместо указанных следующие категории поверхностей:
А1 - лицевой верхней, полной заводской готовности;
А5 - лицевой верхней, подготовленной под облицовку керамическими плитками;
А6 - лицевых, нижней и боковых, к которым не предъявляют требования по качеству отделки.
(п. 2.12 в ред. Изменения N 1, утв. Постановлением Госстроя СССР от 31.12.1987 N 323)
2.12.1. В бетоне элементов лестниц, поставляемых потребителю, трещины не допускаются, за исключением усадочных и других поверхностных технологических трещин на нижней и торцовых поверхностях элементов, ширина которых не должна превышать 0,2 мм.
(в ред. Изменения N 1, утв. Постановлением Госстроя СССР от 31.12.1987 N 323)
2.12.2. Поверхность мозаичного декоративного конструкционного слоя площадок и накладных проступей должна иметь равномерное (или предусмотренное проектной документацией) распределение мраморного щебня. В первом случае участки без мраморного щебня площадью более 3 см2 не допускаются.
(в ред. Изменения N 1, утв. Постановлением Госстроя СССР от 31.12.1987 N 323)
2.12.3. На поверхностях площадок, облицованных керамической плиткой, перепад между керамическими плитками по высоте и отклонению по толщине растворных швов не должен превышать 1 мм.
2.12.4. Марши высшей категории качества, предназначенные для устройства лестниц без накладных проступей, должны иметь верхнюю бетонную поверхность, полной заводской готовности класса А0 или А1.
Площадки высшей категории качества должны иметь шлифованную мозаичную поверхность, облицовку из керамической плитки или верхнюю бетонную поверхность полной заводской готовности класса А0 или А1.
Накладные проступи высшей категории качества должны иметь шлифованную мозаичную поверхность или верхнюю бетонную поверхность полной заводской готовности класса А0 или А1.
Примечание. Для лестниц общественных зданий в установленном порядке допускается применять накладные проступи из плит природного камня.
2.13. Изделия и материалы, применяемые для отделки элементов лестниц, должны удовлетворять требованиям государственных стандартов или технических условий на эти изделия и материалы.
3. ПРАВИЛА ПРИЕМКИ
ИС МЕГАНОРМ: примечание.
С 1 марта 2004 года Постановлением Госстроя РФ от 30.06.2003 N 123 введен в действие ГОСТ 13015-2003.
3.1. Приемку элементов лестниц следует проводить партиями в соответствии с требованиями ГОСТ 13015.1-81 и настоящего стандарта.
3.2. Приемку элементов лестниц по показателям их прочности, жесткости и трещиностойкости, по морозостойкости и истираемости бетона, а также по водонепроницаемости бетона элементов лестниц, предназначенных для эксплуатации в среде с агрессивной степенью воздействия, следует производить по результатам периодических испытаний.
(в ред. Изменения N 1, утв. Постановлением Госстроя СССР от 31.12.1987 N 323)
3.2.1. Исключен. - Изменение N 1, утв. Постановлением Госстроя СССР от 31.12.1987 N 323.
3.3. Приемку элементов лестниц по показателям прочности (классу или марке по прочности на сжатие, отпускной прочности) бетона, средней плотности легкого бетона, соответствия арматурных и закладных изделий типовой проектной документации, прочности сварных соединений, точности геометрических параметров и толщины защитного слоя бетона до арматуры, ширины раскрытия трещин, категорий бетонной поверхности элементов лестниц следует проводить по результатам приемосдаточных испытаний и контроля.
3.3.1. Исключен. - Изменение N 1, утв. Постановлением Госстроя СССР от 31.12.1987 N 323.
3.3.2. Исключен. - Изменение N 1, утв. Постановлением Госстроя СССР от 31.12.1987 N 323.
4. МЕТОДЫ КОНТРОЛЯ И ИСПЫТАНИЙ
4.1. Исключен. - Изменение N 1, утв. Постановлением Госстроя СССР от 31.12.1987 N 323.
ИС МЕГАНОРМ: примечание.
Взамен ГОСТ 10180-78 в части определения прочности бетона по контрольным образцам с 1 января 1991 года введен в действие ГОСТ 10180-90 (Постановление Госстроя СССР от 29.12.1989 N 168).
4.2. Прочность бетона на сжатие следует определять по ГОСТ 10180-78 на серии образцов, изготовленных из бетонной смеси рабочего состава и хранившихся в условиях, установленных ГОСТ 18105.1-80.
При испытании элементов лестниц неразрушающими методами фактическую отпускную прочность бетона на сжатие следует определять ультразвуковым методом по ГОСТ 17624-87 или приборами механического действия по ГОСТ 22690.0-77 - ГОСТ 22690.4-77, а также другими методами, предусмотренными стандартами на методы испытания бетона.
(в ред. Изменения N 1, утв. Постановлением Госстроя СССР от 31.12.1987 N 323)
ИС МЕГАНОРМ: примечание.
Взамен ГОСТ 10060-87 Постановлением Минстроя России от 05.03.1996 N 18-17 с 1 сентября 1996 года введены в действие ГОСТ 10060.0-95, ГОСТ 10060.1-95, ГОСТ 10060.2-95, ГОСТ 10060.3-95, ГОСТ 10060.4-95.
4.3. Морозостойкость бетона следует определять по ГОСТ 10060-87 на серии образцов, изготовленных из бетонной смеси рабочего состава.
(в ред. Изменения N 1, утв. Постановлением Госстроя СССР от 31.12.1987 N 323)
4.4. Водонепроницаемость бетона элементов лестниц, предназначенных для эксплуатации в среде с агрессивной степенью воздействия, следует определять по ГОСТ 12730.0-78 и ГОСТ 12730.5-84 на серии образцов, изготовленных из бетонной смеси рабочего состава.
4.5. Исключен. - Изменение N 1, утв. Постановлением Госстроя СССР от 31.12.1987 N 323.
4.6. Среднюю плотность легкого бетона следует определять по ГОСТ 12730.0-78 и ГОСТ 12730.1-78 на серии образцов, изготовленных из бетонной смеси рабочего состава.
(в ред. Изменения N 1, утв. Постановлением Госстроя СССР от 31.12.1987 N 323)
4.7. Исключен. - Изменение N 1, утв. Постановлением Госстроя СССР от 31.12.1987 N 323.
4.8. Истираемость бетона элементов лестниц следует определять по ГОСТ 13087-81.
4.9. Методы контроля и испытаний сварных арматурных и закладных изделий - по ГОСТ 10922-75 и ГОСТ 23858-79.
ИС МЕГАНОРМ: примечание.
С 1 марта 2004 года Постановлением Госстроя РФ от 30.06.2003 N 123 введен в действие ГОСТ 13015-2003.
4.10. Размеры и отклонения от прямолинейности поверхностей, ширину раскрытия технологических трещин, размеры раковин, наплывов и околов бетона элементов лестниц следует проверять методами, установленными ГОСТ 26433.0-85 и ГОСТ 13015-75.
(п 4.10 в ред. Изменения N 1, утв. Постановлением Госстроя СССР от 31.12.1987 N 323)
ИС МЕГАНОРМ: примечание.
Взамен ГОСТ 22904-78 с 1 января 1995 года Межгосударственной научно-технической комиссией по стандартизации и техническому нормированию в строительстве (МНТКС) 10 ноября 1993 года принят ГОСТ 22904-93.
4.11. Положение арматурных и закладных изделий, а также толщину защитного слоя бетона следует определять по ГОСТ 17625-83 и ГОСТ 22904-78. При отсутствии необходимых приборов допускается вырубка борозд и обнажение арматуры конструкции с последующей заделкой борозд.
5. МАРКИРОВКА, ХРАНЕНИЕ И ТРАНСПОРТИРОВАНИЕ
5.1. Маркировка элементов лестниц - по ГОСТ 13015.2-81. Маркировочные надписи и знаки следует наносить на боковых гранях маршей и площадок, обращенных к стене лестничной клетки, и на нелицевых поверхностях накладных проступей.
Абзац исключен. - Изменение N 1, утв. Постановлением Госстроя СССР от 31.12.1987 N 323.
5.2. Исключен. - Изменение N 1, утв. Постановлением Госстроя СССР от 31.12.1987 N 323.
5.3. Транспортировать и хранить элементы лестниц следует в соответствии с требованиями ГОСТ 13015.4-84 и настоящего стандарта.
5.3.1. Марши и площадки (кроме маршей типа ЛМП) следует транспортировать и хранить в штабелях в горизонтальном положении, при этом марши следует располагать ступенями вверх. Высота штабеля при хранении маршей и площадок не должна превышать 2,5 м.
Марши с полуплощадками (типа ЛМП) следует транспортировать и хранить в положении "на ребро". Допускается хранить марши других типов в положении "на ребро" при надежном их закреплении в этом положении.
Подкладки и прокладки между рядами маршей и площадок должны быть толщиной не менее 30 мм и установлены в местах расположения строповочных отверстий или монтажных петель.
5.3.2. Накладные проступи следует транспортировать и хранить в контейнерах или пакетах.
Допускается хранить накладные проступи без применения контейнеров. В этом случае они должны быть уложены в штабель попарно лицевыми поверхностями вплотную одна к другой. Подкладки под нижний ряд накладных проступей и прокладки между рядами должны быть толщиной не менее 25 мм и расположены на расстоянии 200 мм от торцов накладных проступей.