Главная // Актуальные документы // ГОСТ (Государственный стандарт)СПРАВКА
Источник публикации
М.: Стандартинформ, 2017
Примечание к документу
Документ включен в
Перечень документов в области стандартизации, в результате применения которых на добровольной основе обеспечивается соблюдение требований Федерального
закона от 30.12.2009 N 384-ФЗ "Технический регламент о безопасности зданий и сооружений" (
Приказ Росстандарта от 02.04.2020 N 687).
Документ включен в
Перечень документов в области стандартизации, в результате применения которых на добровольной основе обеспечивается соблюдение требований Федерального
закона от 30.12.2009 N 384-ФЗ "Технический регламент о безопасности зданий и сооружений" (
Приказ Росстандарта от 17.04.2019 N 831).
Документ включен в
Перечень стандартов, в результате применения которых на добровольной основе обеспечивается соблюдение требований Федерального
закона от 30.12.2009 N 384-ФЗ "Технический регламент о безопасности зданий и сооружений" (
Приказ Росстандарта от 30.03.2015 N 365).
Текст данного документа приведен с учетом
поправки, опубликованной в "ИУС", N 1, 2021;
поправки, введенной в действие с 23.08.2021, опубликованной в "ИУС", N 1, 2022.
Документ
введен в действие с 01.07.2017.
Название документа
"ГОСТ 21.705-2016. Межгосударственный стандарт. Система проектной документации для строительства. Правила выполнения рабочей документации тепловых сетей"
(введен в действие Приказом Росстандарта от 14.12.2016 N 2033-ст)
"ГОСТ 21.705-2016. Межгосударственный стандарт. Система проектной документации для строительства. Правила выполнения рабочей документации тепловых сетей"
(введен в действие Приказом Росстандарта от 14.12.2016 N 2033-ст)
агентства по техническому
регулированию и метрологии
от 14 декабря 2016 г. N 2033-ст
МЕЖГОСУДАРСТВЕННЫЙ СТАНДАРТ
СИСТЕМА ПРОЕКТНОЙ ДОКУМЕНТАЦИИ ДЛЯ СТРОИТЕЛЬСТВА
ПРАВИЛА ВЫПОЛНЕНИЯ РАБОЧЕЙ ДОКУМЕНТАЦИИ ТЕПЛОВЫХ СЕТЕЙ
System of design documents for construction. Rules
for execution of working documentation of heating systems
ГОСТ 21.705-2016
Дата введения
1 июля 2017 года
Цели, основные принципы и основной порядок работ по межгосударственной стандартизации установлены в
ГОСТ 1.0-2015 "Межгосударственная система стандартизации. Основные положения" и
ГОСТ 1.2-2015 "Межгосударственная система стандартизации. Стандарты межгосударственные, правила и рекомендации по межгосударственной стандартизации. Правила разработки, принятия, обновления и отмены"
1 РАЗРАБОТАН Обществом с ограниченной ответственностью "ООО "СанТехПроект"
2 ВНЕСЕН Техническим комитетом по стандартизации ТК 465 "Строительство"
3 ПРИНЯТ Межгосударственным советом по стандартизации, метрологии и сертификации (протокол от 8 декабря 2016 г. N 50)
За принятие проголосовали:
Краткое наименование страны по МК (ИСО 3166) 004-97 | Код страны по МК (ИСО 3166) 004-97 | Сокращенное наименование национального органа по стандартизации |
Азербайджан | AZ | Азстандарт |
Грузия | GE | Грузстандарт |
Киргизия | KG | Кыргызстандарт |
Россия | RU | Росстандарт |
Туркмения | TM | Главгосслужба "Туркменстандартлары" |
4
Приказом Федерального агентства по техническому регулированию и метрологии от 14 декабря 2016 г. N 2033-ст межгосударственный стандарт ГОСТ 21.705-2016 введен в действие в качестве национального стандарта Российской Федерации с 1 июля 2017 г.
Информация об изменениях к настоящему стандарту публикуется в ежегодном информационном указателе "Национальные стандарты", а текст изменений и поправок - в ежемесячном информационном указателе "Национальные стандарты". В случае пересмотра (замены) или отмены настоящего стандарта соответствующее уведомление будет опубликовано в ежемесячном информационном указателе "Национальные стандарты". Соответствующая информация, уведомление и тексты размещаются также в информационной системе общего пользования - на официальном сайте Федерального агентства по техническому регулированию и метрологии в сети Интернет
Настоящий стандарт устанавливает состав и правила рабочей документации тепломеханических решений тепловых сетей (далее - сетей) объектов капитального строительства различного назначения.
Стандарт распространяется на тепловые сети с параметрами теплоносителей:
- вода температурой до 200 °C и давлением до 2,5 МПа;
- пар температурой до 440 °C и давлением до 6,3 МПа.
В настоящем стандарте использованы нормативные ссылки на следующие межгосударственные стандарты:
ГОСТ 2.317-2011 Единая система конструкторской документации. Аксонометрические проекции
ГОСТ 21.001-2013 Система проектной документации для строительства. Общие положения
ГОСТ 21.101-97 <*> Система проектной документации для строительства. Основные требования к проектной и рабочей документации
--------------------------------
ГОСТ 21.110-2013 Система проектной документации для строительства. Спецификация оборудования, изделий и материалов
ГОСТ 21.114-2013 Система проектной документации для строительства. Правила выполнения эскизных чертежей общих видов нетиповых изделий
ГОСТ 21.204-93 Система проектной документации для строительства. Условные графические обозначения и изображения элементов генеральных планов и сооружений транспорта
ГОСТ 21.205-2016 Система проектной документации для строительства. Условные обозначения элементов трубопроводных систем зданий и сооружений
ГОСТ 21.206-2012 Система проектной документации для строительства. Условные обозначения трубопроводов
Примечание - При пользовании настоящим стандартом целесообразно проверить действие ссылочных стандартов в информационной системе общего пользования - на официальном сайте Федерального агентства по техническому регулированию и метрологии в сети Интернет или по ежегодному информационному указателю "Национальные стандарты", который опубликован по состоянию на 1 января текущего года, и по выпускам ежемесячного информационного указателя "Национальные стандарты" за текущий год. Если ссылочный стандарт заменен (изменен), то при пользовании настоящим стандартом следует руководствоваться заменяющим (измененным) стандартом. Если ссылочный стандарт отменен без замены, то положение, в котором дана ссылка на него, применяется в части, не затрагивающей эту ссылку.
В настоящем стандарте применены термины по
ГОСТ 21.001, а также следующие термины с соответствующими определениями:
3.1 тепловые сети: Трубопроводы (со всеми сопутствующими конструкциями и сооружениями), предназначенные для транспортировки горячей воды, пара и конденсата водяного пара.
3.2 магистральные тепловые сети: Тепловые сети (со всеми сопутствующими конструкциями и сооружениями), транспортирующие горячую воду, пар, конденсат водяного пара, от выходной запорной арматуры (исключая ее) источника теплоты до первой запорной арматуры (включая ее) в тепловых пунктах, либо до ответвления к индивидуальному тепловому пункту.
3.3 распределительные тепловые сети: Тепловые сети от тепловых пунктов до зданий и сооружений, в том числе от центрального теплового пункта до индивидуального теплового пункта.
3.4 квартальные тепловые сети: Распределительные тепловые сети внутри кварталов городской застройки.
3.5 ответвление: Участок тепловой сети, непосредственно присоединяющий тепловой пункт к магистральной тепловой сети или отдельное здание или сооружение к распределительным тепловым сетям.
3.6 тепловой пункт: Сооружение с комплектом оборудования, позволяющее изменить температурный и гидравлический режимы теплоносителя, обеспечить учет и регулирование расхода тепловой энергии и теплоносителя.
3.7 индивидуальный тепловой пункт (ИТП): Тепловой пункт, предназначенный для присоединения систем отопления, вентиляции, горячего водоснабжения и технологических теплоиспользующих установок одного здания или его части.
3.8 центральный тепловой пункт (ЦТП): Тепловой пункт, предназначенный для присоединения систем отопления, вентиляции, горячего водоснабжения и технологических теплоиспользующих установок двух или более зданий и сооружений.
3.9 узел ввода: Устройство с комплектом оборудования, арматуры, трубопроводов, контрольно-измерительных приборов и средств автоматизации, позволяющее осуществлять контроль параметров теплоносителя в здании или секции здания или сооружения, а также, при необходимости, осуществлять распределение потоков теплоносителя между потребителями. При подключении от ЦТП и отсутствии автоматизированного узла учета (АУУ) узел ввода дополнительно осуществляет учет расхода тепловой энергии.
| | ИС МЕГАНОРМ: примечание. В официальном тексте документа, видимо, допущена опечатка: имеется в виду ГОСТ 21.101, а не ГОСТ 21.1011. | |
4.1 Рабочую документацию тепловых сетей выполняют в соответствии с требованиями настоящего стандарта,
ГОСТ 21.1011 и других взаимосвязанных стандартов Системы проектной документации для строительства (СПДС).
4.2 В состав рабочей документации тепловых сетей включают:
- рабочие чертежи, предназначенные для производства строительно-монтажных работ (основной комплект рабочих чертежей марки ТС);
- эскизные чертежи общих видов нетиповых изделий, конструкций, устройств, монтажных блоков (далее - эскизные чертежи общих видов нетиповых изделий), выполняемые по
ГОСТ 21.114;
- спецификацию оборудования, изделий и материалов (далее - спецификацию), выполняемую в соответствии с
ГОСТ 21.110;
- опросные листы и габаритные чертежи, выполняемые в соответствии с данными изготовителей (поставщиков) оборудования;
- локальную смету (при необходимости).
4.3 В состав основного комплекта рабочих чертежей марки ТС включают:
- общие данные по рабочим чертежам;
- ситуационный план;
- планы сетей (при необходимости);
- схемы сетей (при необходимости);
- поперечные разрезы сетей (при необходимости);
- профили сетей (при необходимости);
- чертежи (планы, разрезы, схемы) узлов трубопроводов и П-образных компенсаторов (при необходимости).
4.4 На планах сетей условные графические обозначения различных способов прокладки сетей принимают по ГОСТ 21.204
(таблица 5). Условные графические изображения и обозначения подземных и надземных сооружений на сетях (например, камер, павильонов, ниш), предназначенных для размещения узлов трубопроводов, компенсаторов и вентиляционных устройств, принимают в соответствии с
приложением А.
Трубопроводы и их элементы на чертежах указывают условными графическими обозначениями и (или) упрощенными изображениями по
ГОСТ 21.206.
Видимые участки проектируемых трубопроводов изображают сплошной толстой основной линией, невидимые (например, в перекрытых каналах) - штриховой линией той же толщины.
Допускается обозначать невидимые проектируемые трубопроводы (например, подземные, в перекрытых каналах) сплошной толстой основной линией при отсутствии на чертежах видимых участков трубопроводов с необходимым пояснением в общих данных по рабочим чертежам или на соответствующих чертежах.
Существующие и проектируемые здания и сооружения, действующие тепловые сети, действующие и проектируемые инженерные сети другого назначения, влияющие на прокладку проектируемых сетей, изображают сплошной тонкой линией, перспективные - тонкой штриховой линией.
При одновременной канальной и бесканальной прокладке сетей участки проектируемых трубопроводов изображают сплошной толстой основной линией, границы канала - тонкой штриховой линией.
4.5 Буквенно-цифровые обозначения сетей и соответствующих трубопроводов принимают по
ГОСТ 21.205.
4.6 На чертежах и схемах диаметры трубопроводов указывают следующим образом:
- для проектируемых и действующих трубопроводов - знак

, наружный диаметр и толщину стенки,
- для перспективных трубопроводов на схеме - номинальный диаметр (DN).
4.7 Элементам сетей: (местами с ответвлениями, секционирующими задвижками, дренажными устройствами, сальниковыми и сильфонными компенсаторами, опуском труб, пересечениями коммуникаций), компенсаторам, неподвижным опорам, поворотам трассы присваивают обозначения, состоящие из марки, принимаемой по
таблице 1, и порядкового номера (например, УТ5, Н12, УП8). Нумерацию элементов сетей начинают от источника тепловой энергии или границы проектирования. Для магистральных сетей допускается применять сквозную нумерацию элементов сетей без маркировки.
4.8 Длины трубопроводов, расстояния между колодцами, точками разрыва и углами поворотов, отметки высот указывают в метрах с точностью до двух знаков после запятой. Диаметры и толщины стенок трубопроводов указывают в миллиметрах.
Числовое значение углов поворота указывают в градусах и минутах с точностью до 1 минуты.
4.9 Рекомендуемые обозначения элементов сетей приведены в таблице 1.
Наименование элемента сети | Марка |
Узел трубопровода | УТ |
П-образный компенсатор | К |
Осевой компенсатор (например, сильфонный) | ОК |
Z-образный компенсатор | ZК |
Сальниковый (телескопический) компенсатор | СК |
Угол поворота | УП |
Неподвижная опора вне узлов трубопроводов | Н |
Дренажный колодец | КД |
4.10 Принятые обозначения элементов сетей должны быть сохранены в рабочих чертежах, входящих в основные комплекты других марок.
В чертежах сетей, при необходимости, указывают обозначения отдельно стоящих опор и колонн эстакад, принятые в чертежах строительных конструкций (марок КЖ и КМ).
4.11 Система координат и высотных отметок, принимаемая в рабочих чертежах должна соответствовать системе координат и высотных отметок, принятой в рабочих чертежах генерального плана объекта капитального строительства.
4.12 Рекомендуемые масштабы изображений на чертежах приведены в таблице 2.
Наименование изображений | Масштаб |
1 План сетей | 1:200, 1:500, 1:1000 |
2 Схемы сетей и УТ | Без масштаба |
3 Профили сетей: | |
по горизонтали | 1:200, 1:500, 1:1000 |
по вертикали | 1:50, 1:100 |
4 Поперечные разрезы сетей | 1:10, 1:20, 1:50 |
5 Планы и разрезы УТ и П-образных компенсаторов | 1:10, 1:20, 1:50, 1:100 |
6 Эскизные чертежи общих видов нетиповых изделий | 1:5, 1:10, 1:20, 1:50 |
| | ИС МЕГАНОРМ: примечание. Текст дан в соответствии с официальным текстом документа. | |
Масштаб изображения указывают в графе 4 основной надписи, выполняемой по
форме 3 ГОСТ 21.101*. Если на листе приведено несколько изображений, выполняемых в разных масштабах, масштаб указывают в скобках рядом с наименованием каждого изображения.
Масштабы изображения продольного профиля трубопровода по горизонтали и по вертикали указывают слева от профиля (над боковиком таблицы) в соответствии с
рисунками Д.1 и
Д.2 (приложение Д).
4.13 Изображения плана и продольного профиля сетей допускается делить на несколько участков, располагаемых на отдельных листах. В этом случае на каждом листе, где показаны участки плана или профиля, приводят схему целого изображения в виде плана с разбивкой его на участки. На схеме указывают номера листов, на которых размещены участки плана или профиля, штриховкой обозначают участок изображения, показанный на данном листе, а в графе 4 основной надписи (
форма 3 ГОСТ 21.101) приводят наименование показываемого участка, например с привязкой к пикетам.
Пример
1 План ПК0 - ПК50 + 10,00;
2 Профиль Т2 ПК0 - ПК75 + 40,00.
5. Общие данные по рабочим чертежам
5.1 В состав общих данных по рабочим чертежам x сетей в дополнение к сведениям, предусмотренным
4.2 настоящего стандарта включают:
- ситуационный план сетей (при необходимости);
- расчетные тепловые потоки - по форме 1.
При заполнении формы 1 в графе "Наименование потребителя" указывают наименование корпуса (цеха), здания, объекта.
Размеры и количество граф формы 1 допускается изменять по усмотрению разработчика.
Для магистральных сетей допускается указывать суммарные тепловые потоки с обязательной разбивкой по видам потребления: отопление, вентиляция, горячее водоснабжение, технологические нужды.
5.2 Ведомость спецификаций, предусмотренную
ГОСТ 21.101, в составе общих данных по рабочим чертежам не выполняют.
5.3 Масштаб ситуационного плана не регламентируется, при этом проектируемый участок сетей выделяют толстой основной линией.
5.4 В общих указаниях в дополнение к сведениям, предусмотренным
ГОСТ 21.101, приводят:
- ссылки на нормативные документы, по которым проведен расчет сетей;
- инженерно-геологическую характеристику;
- параметры транспортируемых теплоносителей;
- краткое описание системы теплоснабжения и способов регулирования отпуска тепловой энергии:
- требования по строительному контролю при строительстве сетей;
- требования по изготовлению, монтажу, испытанию, наружной антикоррозионной защите и тепловой изоляции трубопроводов;
- категорию трубопроводов;
- величину пробного давления для гидравлического испытания;
- перечень документов о согласовании со всеми заинтересованными организациями;
- другие необходимые указания.
6.1 Для разработки планов сетей в качестве подосновы используют рабочие чертежи генерального плана, автомобильных и железных дорог или топографические планы. Подоснову чертежа выполняют тонкой основной линией.
6.2 На планах сетей наносят и указывают:
- существующие и проектируемые здания и сооружения, проектируемые и существующие сети, инженерные сети другого назначения, влияющие на прокладку проектируемых сетей;
- координаты проектируемых и существующих сетей или привязки осей трасс к координационным осям зданий (сооружений) или постоянным базисам;
- длины участков между элементами сетей или их координаты;
- числовые значения углов поворотов (кроме углов 90°);
- диаметры проектируемых трубопроводов до и после точек их изменения;
- маркировку и нумерацию элементов сетей.
На планах магистральных сетей, при необходимости, указывают номера пикетов (ПК) и привязки элементов сетей к ближайшим пикетам.
6.3 На планах сетей в местах изменения диаметров трубопроводов, их размещения или способов прокладки указывают положение секущих плоскостей поперечных разрезов; направление взгляда для разрезов принимают от источника тепловой энергии.
Нумерацию поперечных разрезов принимают сквозной от источника тепловой энергии или границы проектирования.
6.4 Планы сетей допускается размещать как на отдельных листах, так и совместно с профилями сетей, схемами трубопроводов и поперечными разрезами сетей.
6.5 Пример оформления плана сетей приведен на
рисунке Б.1 (приложение Б).
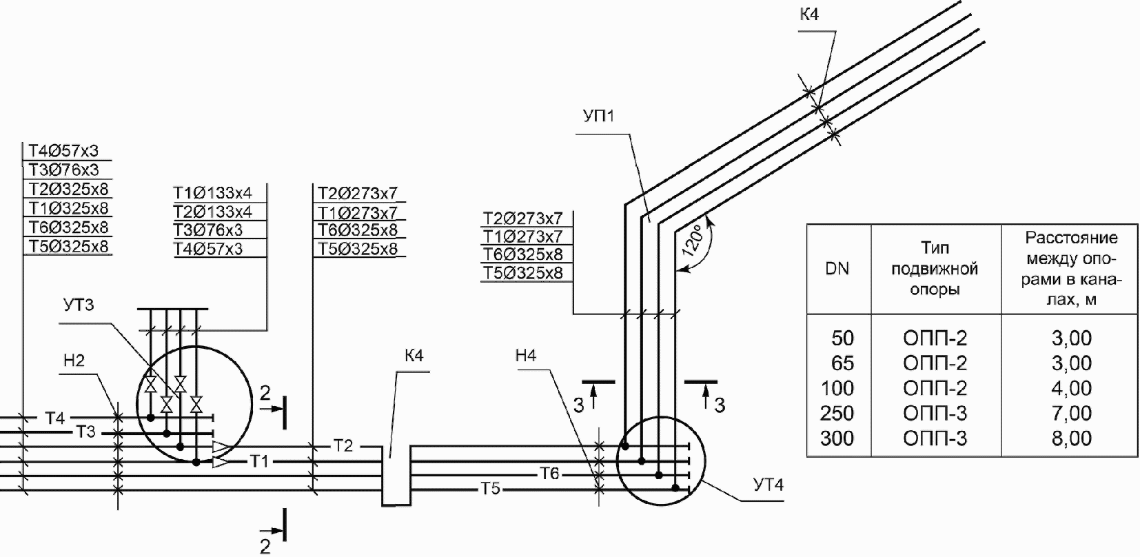
7.1 Схемы сетей выполняют в виде плана.
На схемах сетей указывают:
- трубопроводы и их обозначения, арматуру, компенсаторы, неподвижные опоры, углы поворотов, опуски труб, точки дренажа трубопроводов;
- маркировку элементов сетей (характерных точек) и их нумерацию;
- направление уклона;
- секущие плоскости поперечных разрезов и их нумерацию (обозначения);
- расчетные нагрузки на неподвижные опоры (при необходимости).
7.2 На схеме сетей или на одном из повторяющихся участков схемы показывают разбивку, привязку и тип всех подвижных опор трубопроводов или приводят таблицу (произвольной формы) с указанием типа опор и расстояний между ними для каждого диаметра труб.
7.3 При многотрубной, в несколько ярусов, прокладке сетей допускается выполнять схему для каждого яруса трубопроводов.
7.4 Допускается при двух-, четырехтрубных сетях заменять схему сетей фрагментами схемы в пределах узлов трубопроводов, размещая фрагменты, как правило, на листах совместно с поперечными разрезами и планами сетей.
7.5 Пример выполнения схемы сетей приведен на
рисунке В.1 (справочное приложение В).
8. Поперечные разрезы сетей
8.1 На поперечных разрезах сетей указывают:
- каналы, тоннели, траншеи (для бесканальной прокладки), эстакады, отдельно стоящие опоры в виде упрощенных контурных очертаний сплошной тонкой линией;
- трубопроводы и их обозначения в соответствии с
4.4,
4.5, привязку трубопроводов к строительным конструкциям;
- опоры трубопроводов - в виде упрощенных контурных очертаний сплошной тонкой линией;
- нумерацию позиций опор по спецификации - на полке линии-выноски;
- контуры тепловой изоляции - штриховой линией.
9. Продольные профили сетей
9.1 Продольные профили сетей изображают в виде разверток по осям трубопроводов.
9.2 На профилях сетей указывают:
- поверхности земли (проектную - сплошной тонкой линией, натурную - тонкой штриховой);
- уровень грунтовых вод - тонкой штрихпунктирной линией;
- пересекаемые автомобильные дороги, железнодорожные и трамвайные пути, кюветы, а также другие подземные и надземные коммуникации и сооружения, влияющие на прокладку проектируемых сетей, с указанием их габаритных размеров, высотных отметок и, при необходимости, координат или привязок;
- каналы, тоннели, камеры, ниши П-образных компенсаторов, эстакады, отдельно стоящие опоры, вентиляционные шахты, павильоны и другие сооружения и конструкции сетей - упрощенными контурными очертаниями внутренних и наружных габаритов - сплошной тонкой линией;
- трубопроводы бесканальной прокладки - контурными очертаниями наружных габаритов сплошной тонкой линией с указанием осей труб;
- неподвижные опоры - условными графическими изображениями.
Трубопроводы в каналах, тоннелях, камерах и нишах не изображают.
На профилях надземной прокладки сетей трубопроводы каждого яруса изображают одной сплошной основной линией.
9.3 Перечень вышеуказанных данных для прокладки трубопровода приводят в таблице (сетке), помещаемой под продольным профилем. Для подземной прокладки боковик таблицы выполняют по форме 2, для надземной прокладки - по форме 3.
Примечания
1 В строке "Уклон,

; длина, м" таблицы (сетки) прямолинейные участки трубопровода показывают линиями с наклоном, направление которого соответствует наклону участка на профиле, при этом над линией указывают числовое значение уклона, под линией - длину участка с этим уклоном.
2 Размеры граф боковиков рекомендуемые.
Допускается, при необходимости, дополнять таблицы другими строками, например, "Пикеты", "Тип канала", "Высота опор", "Глубина траншеи", "Номера характерных точек", а также приводить шкалу отметок. При надземной прокладке трубопроводов в несколько ярусов строки "Отметка верха несущей конструкции" и "Отметка низа трубы" приводят для каждого яруса трубопроводов.
9.4 Отметки сетей проставляют в характерных точках, в местах пересечений с автомобильными и железными дорогами, трамвайными путями, инженерными коммуникациями и сооружениями, влияющими на прокладку проектируемых сетей.
9.5 В наименовании продольного профиля указывают обозначение сети.
Пример - Профиль Т2.
9.6 Пример оформления продольного профиля сети при подземной прокладке приведен на
рисунке Д.1 (приложение Д), при надземной прокладке - на
рисунке Д.2 (приложение Д).
10. Чертежи (планы, разрезы, схемы) узлов трубопроводов
10.1 На планах и разрезах УТ указывают:
- контуры строительных конструкций, площадок и лестниц (сплошной тонкой линией) с указанием габаритных размеров и отметок;
- нумерацию поперечных разрезов участков сетей, примыкающих к УТ и П-образным компенсаторам (только на планах);
- трубопроводы, их детали, оборудование, арматуру, закладные конструкции для контрольно-измерительных приборов и их привязку к строительным конструкциям;
- обозначение трубопроводов в соответствии с
4.5;
- значение холодной растяжки П-образных компенсаторов, установочную длину сальниковых компенсаторов, компенсирующую способность сальниковых компенсаторов;
- номера позиций оборудования, арматуры, элементов трубопроводов - на полке линии-выноски.
10.2 На чертежах узлов трубопроводы изображают условными графическими обозначениями и/или упрощенными изображениями. Трубопроводы на чертежах изображают упрощенно в две линии, если их диаметры в соответствующем масштабе составляют 2 мм и более.
Оборудование и арматуру изображают условными графическими обозначениями или в виде упрощенных внешних очертаний. Для арматуры обязательно указывают вылет шпинделя.
Для простых узлов и П-образных компенсаторов допускается изображать трубопроводы одной линией независимо от диаметров.
Допускается планы и разрезы однотипных П-образных компенсаторов выполнять в виде одного эскиза без масштаба, при этом размеры и характеристики компенсаторов приводят вместе с эскизом в таблице по форме 4.
Пример оформления плана УТ приведен на
рисунке Е.1 (приложение Е).
10.3 Схемы узлов трубопроводов разрабатывают, при необходимости, для сложных узлов, с большим количеством арматуры, оборудования и трубопроводов.
10.4 Схему УТ выполняют в виде плана. Допускается разрабатывать схему в аксонометрической проекции по
ГОСТ 2.317.
На схеме указывают:
- трубопроводы и их обозначения;
- оборудование, компенсаторы, арматуру, элементы трубопроводов, точки дренажа, закладные конструкции для контрольно-измерительных приборов - условными графическими обозначениями;
- направление уклона трубопроводов;
- секущие плоскости поперечных разрезов и их обозначения;
- отметки трубопроводов (для схем в аксонометрической проекции);
- позиции оборудования, арматуры и деталей трубопроводов - на полке линии-выноски.
10.5 На чертежах УТ приводят спецификацию на оборудование, компенсаторы, арматуру, элементы трубопроводов. Если на чертеже размещены изображения нескольких узлов, для них составляют общую спецификацию, разделяя соответствующими подзаголовками.
Номера позиций соответствующих элементов на чертежах, в спецификации на чертежах узлов и в спецификации оборудования, изделий и материалов по
ГОСТ 21.110 должны быть одинаковыми.
11. Спецификация оборудования, изделий и материалов
11.1 Спецификацию сетей составляют и обозначают по
ГОСТ 21.110.
11.2 Спецификацию основного комплекта марки ТС делят на разделы:
- оборудование;
- изделия и материалы.
Наименование каждого раздела записывают в виде заголовка в графе "Наименование и техническая характеристика" и подчеркивают.
11.3 Элементы сетей (оборудование, изделия и материалы) в разделах спецификации записывают для каждой сети по группам в такой последовательности:
- оборудование;
- элементы сооружений на сетях (колодцев, камер, лотков, дождеприемников и др.) из сборных конструкций;
- трубопроводная арматура;
- другие изделия;
- закладные конструкции (отборные устройства для установки контрольно-измерительных приборов);
- трубопроводы;
- теплоизоляционные конструкции;
- материалы.
Трубопроводы в разделах спецификации записывают по каждому диаметру.
Оборудование, трубопроводную арматуру, другие элементы сетей, трубопроводы размещают в спецификации в порядке возрастания их основных параметров (например: тип, марка, диаметр).
Элементы сетей, включенные в спецификации к чертежам УТ, записывают также в соответствующие разделы спецификации.
11.4 В спецификации принимают следующие единицы измерения:
- оборудование и изделия - шт.;
- трубопроводы - м;
- элементы трубопроводов (фасонные части) - шт.;
- изоляционные материалы - м3;
- материалы покрытий и защиты - м2;
- другие материалы - кг или т.
12. Опросные листы и габаритные чертежи
12.1 Опросные листы и габаритные чертежи выполняют в соответствии с данными предприятий - изготовителей оборудования и комплектуют их в виде отдельного выпуска с наименованием "Опросные листы".
Выпуску "Опросные листы" присваивают самостоятельное обозначение, состоящее из обозначения основного комплекта рабочих чертежей марки ТС и, через точку, шифра "ОЛ". Обозначение указывают на титульном листе выпуска опросных листов, который выполняют в соответствии с
ГОСТ 21.101.
При незначительном количестве опросных листов по усмотрению проектной организации допускается включать их в состав основного комплекта чертежей.
12.2 Если опросных листов (габаритных чертежей) два и более, то после титульного листа выпуска опросных листов помещают содержание, которое выполняют в соответствии с
ГОСТ 21.101.
Содержанию присваивают обозначение, состоящее из обозначения выпуска опросных листов и через дефис шифра "С".
Пример - 2345-11-ТС.ОЛ-С.
В графах содержания указывают:
- в графе "Обозначение" - обозначение или порядковый номер опросного листа (габаритного чертежа);
- в графе "Наименование" - наименование опросного листа (габаритного чертежа) в полном соответствии с наименованием, указанным на опросном листе (габаритном чертеже);
- в графе "Примечание" - сведения об изменениях, вносимых в опросные листы (габаритные чертежи).
12.3 В наименовании опросного листа (габаритного чертежа) указывают его обозначение или порядковый номер в пределах выпуска.
12.4 Изменения в опросные листы (габаритные чертежи) вносят в соответствии с
ГОСТ 21.101 с учетом следующих положений:
- изменения в опросные листы (габаритные чертежи) вносят индивидуально в пределах каждого опросного листа (габаритного чертежа);
- сведения об изменениях, вносимых в опросные листы (габаритные чертежи), приводят в графе "Примечание" содержания выпуска опросных листов.
12.5 Выпуск опросных листов записывают в разделе "Прилагаемые документы" ведомости ссылочных и прилагаемых документов, входящей в общие данные по рабочим чертежам основного комплекта марки ТС.
(обязательное)
УСЛОВНЫЕ ГРАФИЧЕСКИЕ ОБОЗНАЧЕНИЯ НА ПЛАНАХ ТЕПЛОВЫХ СЕТЕЙ
Таблица А.1
Наименование | |
1 Прокладка в канале с попутным дренажом | |
2 Узел трубопровода в камерах, тоннелях и при надземной прокладке (без павильонов) | |
3 Узел трубопровода в наземном павильоне | |
4 Опуск трубопровода при изменении типа прокладки | |
5 П-образный компенсатор: - при подземной прокладке | |
- при надземной прокладке | |
6 Вход в тоннель | |
7 Вход в тоннель, совмещенный с приточной вентиляцией | |
8 Вход в тоннель, совмещенный с вытяжной вентиляцией | |
9 Люк на тоннеле | |
Примечание - Условные графические обозначения на планах сетей изображают в масштабе в соответствии с таблицей 2, но не менее размеров, указанных в графе "Обозначение". |
(справочное)
ПРИМЕР ВЫПОЛНЕНИЯ ПЛАНА ТЕПЛОВЫХ СЕТЕЙ
(справочное)
ПРИМЕР ВЫПОЛНЕНИЯ СХЕМЫ ТЕПЛОВЫХ СЕТЕЙ
(справочное)
ПРИМЕРЫ ВЫПОЛНЕНИЯ ПОПЕРЕЧНЫХ РАЗРЕЗОВ ТЕПЛОВЫХ СЕТЕЙ
1-1
Рисунок Г.1 - Поперечный разрез при подземной прокладке
3-3
Рисунок Г.2 - Поперечный разрез при надземной прокладке
Рисунок Г.3 - Поперечный разрез при бесканальной прокладке
в траншее
Рисунок Г.4 - Поперечный разрез при прокладке сетей
в засыпном канале
Рисунок Г.5 - Поперечный разрез. Бесканальная прокладка
в траншее по бетонной подготовке
(справочное)
ПРИМЕРЫ ВЫПОЛНЕНИЯ ПРОФИЛЕЙ ТЕПЛОВЫХ СЕТЕЙ
Рисунок Д.1 - Пример оформления продольного профиля
при подземной канальной прокладке
Рисунок Д.2 - Пример оформления продольного профиля
при бесканальной прокладке
(справочное)
ПРИМЕРЫ ВЫПОЛНЕНИЯ ПЛАНА УЗЛА ТРУБОПРОВОДОВ
УТ 3
Рисунок Е.1 - План узла трубопровода
при подземной канальной прокладке
Рисунок Е.2 - План узла трубопроводов
при бесканальной прокладке
Рисунок Е.3 - Сечение узла трубопроводов
при бесканальной прокладке