Главная // Актуальные документы // ГОСТ Р (Государственный стандарт)СПРАВКА
Источник публикации
М.: ФГБУ "Институт стандартизации", 2023
Примечание к документу
Документ
введен в действие с 01.03.2024.
Название документа
"ГОСТ Р 71008-2023. Национальный стандарт Российской Федерации. Оптика и фотоника. Правила выполнения чертежей оптических деталей и систем. Часть 1. Общие положения"
(утв. и введен в действие Приказом Росстандарта от 12.10.2023 N 1127-ст)
"ГОСТ Р 71008-2023. Национальный стандарт Российской Федерации. Оптика и фотоника. Правила выполнения чертежей оптических деталей и систем. Часть 1. Общие положения"
(утв. и введен в действие Приказом Росстандарта от 12.10.2023 N 1127-ст)
Утвержден и введен в действие
Приказом Федерального агентства
по техническому регулированию
и метрологии
от 12 октября 2023 г. N 1127-ст
НАЦИОНАЛЬНЫЙ СТАНДАРТ РОССИЙСКОЙ ФЕДЕРАЦИИ
ОПТИКА И ФОТОНИКА
ПРАВИЛА ВЫПОЛНЕНИЯ ЧЕРТЕЖЕЙ ОПТИЧЕСКИХ ДЕТАЛЕЙ И СИСТЕМ
ЧАСТЬ 1
ОБЩИЕ ПОЛОЖЕНИЯ
Optics and photonics. Preparation of drawings for optical
elements and systems. Part 1. General
(ISO 10110-1:2019, NEQ)
ГОСТ Р 71008-2023
Дата введения
1 марта 2024 года
1 ПОДГОТОВЛЕН Федеральным государственным унитарным предприятием "Научно-исследовательский институт физической оптики, оптики лазеров и информационных оптических систем Всероссийского научного центра "Государственный оптический институт им. С.И. Вавилова" (ФГУП "НИИФООЛИОС ВНЦ "ГОИ им. С.И. Вавилова")
2 ВНЕСЕН Техническим комитетом по стандартизации ТК 296 "Оптика и фотоника"
3 УТВЕРЖДЕН И ВВЕДЕН В ДЕЙСТВИЕ Приказом Федерального агентства по техническому регулированию и метрологии от 12 октября 2023 г. N 1127-ст
4 Настоящий стандарт разработан с учетом основных нормативных положений международного стандарта ИСО 10110-1:2019 "Оптика и фотоника. Подготовка чертежей для оптических элементов и системы. Часть 1. Общие положения" (ISO 10110-1:2019 "Optics and photonics - Preparation of drawings for optical elements and systems - Part 1: General", NEQ)
5 ВВЕДЕН ВПЕРВЫЕ
Правила применения настоящего стандарта установлены в статье 26 Федерального закона от 29 июня 2015 г. N 162-ФЗ "О стандартизации в Российской Федерации". Информация об изменениях к настоящему стандарту публикуется в ежегодном (по состоянию на 1 января текущего года) информационном указателе "Национальные стандарты", а официальный текст изменений и поправок - в ежемесячном информационном указателе "Национальные стандарты". В случае пересмотра (замены) или отмены настоящего стандарта соответствующее уведомление будет опубликовано в ближайшем выпуске ежемесячного информационного указателя "Национальные стандарты". Соответствующая информация, уведомление и тексты размещаются также в информационной системе общего пользования - на официальном сайте Федерального агентства по техническому регулированию и метрологии в сети Интернет (www.rst.gov.ru)
Настоящий стандарт распространяется на оптические детали и системы и устанавливает правила выполнения чертежей оптических деталей и систем.
В настоящем стандарте использованы нормативные ссылки на следующие стандарты:
ГОСТ 2.104 Единая система конструкторской документации. Основные надписи
ГОСТ 2.303 Единая система конструкторской документации. Линии
ГОСТ 2.304 Единая система конструкторской документации. Шрифты чертежные
ГОСТ 2.305 Единая система конструкторской документации. Изображения - виды, разрезы, сечения
ГОСТ 2.306 Единая система конструкторской документации. Обозначения графические материалов и правила их нанесения на чертежах
ГОСТ 2.307 Единая система конструкторской документации. Нанесение размеров и предельных отклонений
ГОСТ 2.308 Единая система конструкторской документации. Указания допусков формы и расположения поверхностей
ГОСТ 2.309 Единая система конструкторской документации. Обозначения шероховатости поверхностей
ГОСТ 2.316 Единая система конструкторской документации. Правила нанесения надписей, технических требований и таблиц на графических документах. Общие положения
ГОСТ 2.412 Единая система конструкторской документации. Правила выполнения чертежей и схем оптических изделий
ГОСТ 3519 Материалы оптические. Методы определения двулучепреломления
ГОСТ 3521 Стекло оптическое. Метод определения бессвильности
ГОСТ 3522 Материалы оптические. Метод определения пузырности
ГОСТ 11141 Детали оптические. Классы чистоты поверхностей. Методы контроля
ГОСТ 15150 Машины, приборы и другие технические изделия. Исполнения для различных климатических районов. Категории, условия эксплуатации, хранения и транспортирования в части воздействия климатических факторов внешней среды
ГОСТ 23136 Материалы оптические. Параметры
ГОСТ 30893.2 (ИСО 2768-2-89) Основные нормы взаимозаменяемости. Общие допуски. Допуски формы и расположения поверхностей, не указанные индивидуально
ГОСТ Р 8.743/ISO/TR 14999-1:2005 Государственная система обеспечения единства измерений. Оптика и фотоника. Интерференционные измерения оптических элементов и систем. Часть 1. Термины, определения и основные соотношения
ГОСТ Р 8.745/ISO/TR 14999-2:2005 Государственная система обеспечения единства измерений. Оптика и фотоника. Интерференционные измерения оптических элементов и систем. Часть 2. Измерения и методика оценки результатов
ГОСТ Р 58371 (ИСО 21254-3:2011) Оптика и фотоника. Лазеры и лазерное оборудование. Методы определения порога лазерного разрушения. Часть 3. Обеспечение достоверности результатов испытаний на лучевую стойкость
ГОСТ Р 59420 Оптика и фотоника. Элементы оптические. Дефекты поверхностей. Визуальный контроль
ГОСТ Р 59608.3 Оптика и фотоника. Покрытия оптические. Часть 3. Классификация по стойкости к воздействию внешних факторов и методы испытаний
ГОСТ Р 59739 Оптика и фотоника. Покрытия оптические. Классификация
ГОСТ Р ИСО 9211-1 Оптика и оптические приборы. Покрытия оптические. Часть 1. Термины и определения
Примечание - При пользовании настоящим стандартом целесообразно проверить действие ссылочных стандартов в информационной системе общего пользования - на официальном сайте Федерального агентства по техническому регулированию и метрологии в сети Интернет или по ежегодному информационному указателю "Национальные стандарты", который опубликован по состоянию на 1 января текущего года, и по выпускам ежемесячного информационного указателя "Национальные стандарты" за текущий год. Если заменен ссылочный стандарт, на который дана недатированная ссылка, то рекомендуется использовать действующую версию этого стандарта с учетом всех внесенных в данную версию изменений. Если заменен ссылочный стандарт, на который дана датированная ссылка, то рекомендуется использовать версию этого стандарта с указанным выше годом утверждения (принятия). Если после утверждения настоящего стандарта в ссылочный стандарт, на который дана датированная ссылка, внесено изменение, затрагивающее положение, на которое дана ссылка, то это положение рекомендуется применять без учета данного изменения. Если ссылочный стандарт отменен без замены, то положение, в котором дана ссылка на него, рекомендуется применять в части, не затрагивающей эту ссылку.
В настоящем стандарте применены следующие термины с соответствующими определениями:
3.1 контрольная длина волны: Эталонная длина волны для определения характеристик оптических деталей и систем.
Примечание - Согласно
ГОСТ Р ИСО 7944 основными эталонными длинами волн считаются 546,07 нм и 587,56 нм. Допускается определять характеристики на другой длине волны, при этом на чертеже должно быть сделано соответствующее примечание.
3.2 фаска: Поверхность, заменяющая кромку или угол.
3.3 защитная фаска: Притупленная часть острой кромки оптической детали.
Примечание - Защитную фаску не вычерчивают отдельно, а указывают в примечании. При отсутствии требований к защитной фаске острые кромки следует притупить фаской не более 0,1 x 45°. Допускается притуплять острые кромки скруглением с R не более 0,1 мм. Защитная фаска предназначена для снижения вероятности сколов оптической детали и защиты от травмирования острыми кромками. При необходимости сохранения острого края детали следует указать это требование на чертеже.
3.4 сборочная единица: Крупноузловая составная часть изделия, входящая в состав изделия.
3.5 узел: Сборочная единица, которая может собираться отдельно от других составных частей изделия или изделия в целом и которая может выполнять определенную функцию в изделиях одного типа.
3.6
контролируемая область (действующий световой диаметр, световой диаметр, чистая апертура)
: Области на поверхности оптической детали, принимающие участие в работе, в пределах которой должны выполняться заданные технические требования.
Примечание - В ГОСТ 2.412 применяются термины "световая зона" или "световой диаметр".
3.7 первая поверхность оптической детали: Поверхность оптической детали, которой световой луч достигает первой.
Примечание - Если на чертеже не указано направление распространения света, то нумерацию поверхностей осуществляют слева направо.
3.8 зона контроля (контролируемая зона): Часть контролируемой области оптической детали в пределах заданных границ, для которой должны выполняться указанные условия.
3.9 объем контроля (контролируемый объем): Обозначенная объемная часть оптического элемента, к которой предъявляются иные требования, чем к материалу оптического элемента.
Полнота технических характеристик, приведенных на чертежах оптических деталей и систем, определяется руководящими документами (техническим заданием, техническим требованием и др.) или изготовителем самостоятельно.
Технические характеристики, приведенные на чертеже оптической детали или системы, относятся к готовому компоненту, за исключением случаев, когда в примечании к чертежу указано иное.
В случае если технических характеристик, которые приведены на чертеже оптической детали согласно настоящему стандарту, недостаточно для однозначного чтения чертежа, то допускается производить оформление чертежа согласно ГОСТ 2.412.
Примечание - Настоящий стандарт устанавливает правила выполнения чертежей оптических деталей и систем согласно международному стандарту. Вступление в силу настоящего стандарта не отменяет правила выполнения чертежей оптических деталей и систем согласно нормам ЕСКД и требований ГОСТ 2.412. Настоящий стандарт предназначен для выполнения чертежей согласно международным стандартам.
По умолчанию линейные размеры и допуски приводят в миллиметрах без указания единиц измерения.
Размеры и допуски, указываемые в виде примечаний или пояснений, приводят с обозначением единиц измерения.
Размеры не в миллиметрах указывают с обозначением единиц измерения, при необходимости может быть сделано общее примечание к чертежу.
В качестве десятичного разделителя, т.е. для отделения целой части числа (цифры до запятой) от дробной (цифры после запятой) рекомендуется использовать запятую.
Примечание - В качестве десятичного разделителя допускается использовать точку. На одном чертеже не допускается использовать различное обозначение десятичного разделителя.
Все параметры, относящиеся к длине волны излучения, указывают в нанометрах (нм) или микрометрах (мкм), включая контрольную длину волны. В качестве контрольных длин волн могут быть использованы не только указанные в
ГОСТ Р ИСО 7944. Для однозначного чтения чертежа рекомендуется указывать используемую контрольную длину волны не только в примечании к чертежу, но и у параметра, определяемого при такой длине волны. Допускается использовать несколько контрольных длин волн.
Примечание - Если контрольная длина волны не указана, то считается, что она составляет 546,07 нм.
Контроль технических характеристик оптических деталей и систем осуществляют при нормальных климатических условиях согласно
ГОСТ 15150, если в примечании к чертежу не указано иное.
Примечание - В качестве контролируемого климатического условия рассматривается только температура окружающей среды, которая при контроле технических характеристик оптических деталей и систем составляет 20 °C.
5.1 Формат чертежа
5.1.1 Основные положения
Предпочтительно, но не обязательно, выполнять чертеж оптической детали или системы в виде таблицы. Чертеж, выполненный в виде таблицы, можно разделить (см.
рисунки 1 и
2) на три области:
- дополнительной информации (примечания) (по
5.1.4).
Примечание - Допускается расположение чертежа в виде таблицы с основной надписью, выполненной согласно
ГОСТ 2.104.
В качестве альтернативного шрифта допускается использовать шрифт Arial, Arial Narrow, Times New Roman или аналогичный. Размер шрифта не регламентируется и подбирается исходя из удобства чтения чертежа (для надписей не рекомендуется использовать шрифт меньше 12 кегля, для допусков и индексов - меньше 8 кегля).
Область чертежа должна включать:
- схематическое изображение оптической детали (линзы, зеркала, призмы и т.п.), узла или изделия;
- информацию о масштабе чертежа оптической детали или системы, в соответствии с которым он выполнен.
На чертеже допускается изображение отдельной части оптической детали в виде местного вида, выполненного не в масштабе чертежа с указанием масштаба местного вида. Местный вид должен быть выполнен согласно
ГОСТ 2.305.
Допускается введение локальной системы координат для каждой оптической поверхности (см.
5.3). В этом случае для каждой поверхности указывается информация о введенной системе координат.
При наличии в области чертежа должна быть приведена ось координат, относительно которой центрируются оптические компоненты и относительно которой указываются допуски на центрирование.
Информация о шероховатости поверхности указывается в области чертежа или области таблицы. Обозначение шероховатости поверхности согласно
ГОСТ 2.309.
Примечания, инструкции и любую другую дополнительную информацию допускается приводить в области чертежа с помощью выносных линий, в виде таблицы или примечания. Примечания могут располагаться в любом удобном месте поля чертежа. Для удобства чтения каждый новый пункт примечания нумеруют. Оформление надписей согласно
ГОСТ 2.316.
Область таблицы должна включать:
- размеры;
- допуски;
- информацию об обработке поверхности и покрытии;
- допустимые дефекты материала оптической детали;
- информацию о локальных системах координат (при их наличии).
Таблица подразделяется на поля. Количество и содержание полей зависит от типа элемента:
а) при выполнении чертежа одного элемента с двумя оптическими поверхностями (см.
рисунки А.1,
А.2,
А.3 и
А.4):
1) левое поле относится к левой поверхности (или поверхности 1) оптического элемента,
2) центральное поле должно содержать информацию о материале,
3) правое поле относится к правой поверхности (или поверхности 2) оптического элемента;
б) при выполнении чертежа оптического элемента с тремя или более оптическими поверхностями (см.
рисунки А.5,
А.6,
А.7 и
А.8):
1) каждое поле должно иметь маркировку (А1, А2 и т.д.), соответствующую обозначению поверхности на чертеже,
2) поле "материал" должно содержать информацию о материале,
3) для удобства чтения чертежа поля следует выравнивать по горизонтали и вертикали;
в) при выполнении чертежа сборочной единицы, выполненной из отдельных элементов, которые имеют свои собственные чертежи (см.
рисунки А.9 и
А.10):
1) минимальное количество полей равно количеству поверхностей элементов,
2) могут быть добавлены дополнительные подполя, которые содержат информацию об элементе (номер элемента, номер чертежа или номер детали и т.п.) и расположены либо в том же ряду, что и подполя поверхностей, либо над подполями поверхностей (для удобства чтения чертежа дополнительные подполя указывают с пояснительными названиями),
3) каждая граница раздела между элементами имеет подполе, где указана информация о границе раздела (тип, толщина, допуски на толщину и т.д.);
г) при выполнении чертежа сборочной единицы, состоящей из элементов, которые не имеют собственных чертежей, при указании всей информации в табличном формате (см.
рисунок А.11):
1) количество подполей зависит от количества элементов сборочной единицы,
2) каждый элемент имеет подполе для левой поверхности, материала и правой поверхности,
3) каждая граница раздела между элементами имеет подполе, где указана информация о границе раздела (тип, толщина, допуски на толщину и т.д.). Информацию о границе раздела разрешено приводить в нижней части полей поверхностей, к которым относится соединение;
д) при выполнении чертежа сборочной единицы, состоящей из элементов, которые не имеют собственных чертежей, с указанием информации об элементах в частично табличном формате (см.
рисунок А.12):
1) количество подполей зависит от количества элементов,
2) каждый элемент имеет подполе для каждой поверхности,
3) подполя должны быть расположены в порядке слева направо или в соответствии с нумерацией на чертеже,
4) каждая граница раздела между элементами имеет подполе, где указана информация о границе раздела (тип, толщина, допуски на толщину и т.д.). Информацию о границе раздела разрешено приводить в нижней части поля поверхностей, к которым относится соединение,
5) информация о параметрах материала указывается с помощью выносной линии в поле чертежа;
е) при выполнении чертежа оптической системы, в которой между отдельными элементами предполагается воздушный промежуток, с указанием информации в частично табличном формате:
1) количество подполей зависит от количества элементов,
2) приводят таблицу с указанием параметров системы (см.
рисунок 35).
| | ИС МЕГАНОРМ: примечание. В официальном тексте документа, видимо, допущена опечатка: имеется в виду п. 5.2, а не 4.2. | |
Подполя таблицы располагают в соответствии с направлением распространения света в оптической системе или слева направо (см.
4.2).
В
таблице 1 приведено подробное описание основных технических параметров, которые могут быть использованы при описании поверхности оптической детали.
Таблица 1
Условные обозначения основных характеристик
Обозначение | Описание |
Материал | Тип, название и производитель или идентификационный номер материала |
Тип поверхности: | Указывает на тип поверхности: |
АСФ | - асферическая; |
ЦЛН | - цилиндрическая; |
ОП | - общая поверхность; |
| - специальная поверхность (поверхность специальной формы); |
тороидальная поверхность и т.д. | - другие обозначения, обозначающие тип поверхности (см. [1]) |
n v(nF' - nC') | Показатель преломления, коэффициент дисперсии (или средняя дисперсия) или число Аббе, включая указание контрольной длины волны и допуски по ГОСТ 23136 |
R | Радиус кривизны В зависимости от направления кривизны: - выпуклая поверхность: CX - вогнутая поверхность: CC - плоская поверхность:  или PL |
| Действующий световой диаметр |
Защитная фаска | Минимально и максимально допустимая ширина защитной фаски и угол (при необходимости) |
| | ИС МЕГАНОРМ: примечание. В официальном тексте документа, видимо, допущена опечатка: стандарт имеет номер ГОСТ Р ИСО 9211-1, а не ГОСТ Р ИСО 921-1. | |
|
| |
0/ | Двулучепреломление по ГОСТ 23136 или допуск на двулучепреломление вызываемое нагрузкой (см. [2]) по ГОСТ 3519, или показатель ослабления |
1/ | Обозначение допустимых пузырей и включений по ГОСТ 23136 |
2/ | Классы однородности и свилей в соответствии с ГОСТ 23136 |
3/ | Допуск формы поверхности по ГОСТ 2.412 |
4/ | Допуск расположения по ГОСТ 2.412 |
| | ИС МЕГАНОРМ: примечание. Здесь и далее в официальном тексте документа, видимо, допущена опечатка: стандарт имеет номер ГОСТ Р 59420, а не ГОСТ 59420. | |
|
5/ | Класс чистоты поверхности по ГОСТ 11141 или ГОСТ 59420 |
6/ | |
13/ | |
15/ | Дефекты клеевого слоя по ГОСТ 11141 или ГОСТ 59420 |
| |
Примечание - При описании асферических, цилиндрических и других оптических поверхностей, а также материала могут применяться дополнительные технические параметры. |
При использовании информации о вспомогательной системе координат ее приводят в поле поверхности, к которой она относится. Правила указания вспомогательной системы координат описаны в
5.3, примеры приведены на
рисунках А.16 и
А.17.
Основная надпись предназначена для общих указаний и содержит следующую информацию:
- ссылку на настоящий стандарт;
- контрольную длину волны (если не указана, то считается равной 546,07 нм);
- название, тип и/или контрольный номер оптической детали, узла, сборочной единицы или изделия;
- номер детали;
- имя разработчика и/или ответственного лица;
- информацию об изготовителе.
Примечание - Допускается расположение чертежа в виде таблицы с основной надписью, выполненной согласно
ГОСТ 2.104.
5.1.5 Альтернативный вид чертежа
Табличный формат подготовки чертежа является рекомендуемым, но необязательным. Допускается альтернативное представление информации. В этом случае информация указывается в виде примечания или с помощью выносок (см.
рисунки А.13,
А.14 и
А.15).
5.1.6 Внешний вид области чертежа и таблицы
Предпочтительный вариант выполнения чертежа оптической детали или системы представлен на
рисунках 1 и
2. Дополнительные примеры приведены в
приложении А.
|
Поверхность 1 | Материал | Поверхность 2 |
R или тип поверхности | | R или тип поверхности |
| | |
Защитная фаска | n | Защитная фаска |
| v | |
3/ | 0/ | 3/ |
4/ | 1/ | 4/ |
5/ | 2/ | 5/ |
| | |
6/ | | 6/ |
Ссылка на настоящий стандарт | Основная надпись (см. 5.1.4) Контрольная длина волны |
Рисунок 1 - Табличный формат оформления чертежа
одного элемента с двумя поверхностями
|
Поверхность 1 | Поверхность 2 | Поверхность 3 | Поверхность 4 |
| | | |
| | | |
4/ | 4/ | 4/ | 4/ |
6/ | 6/ | 6/ | 6/ |
| Информация о соединении элементов | Информация о соединении элементов | |
Ссылка на настоящий стандарт | Основная надпись (см. 5.1.4) Контрольная длина волны |
Рисунок 2 - Табличный формат оформления
чертежа сборочной единицы
По умолчанию, оптические элементы располагаются по ходу распространения света или слева направо.
Предпочтительно изображать поперечное сечение деталей, при этом штриховка выполняется согласно
ГОСТ 2.306 (см.
рисунок 3). Задние края и линии невидимого контура не изображаются, однако, если это необходимо для однозначного чтения чертежа, их допускается показать.
Рисунок 3 - Поперечное сечение оптической детали
со штриховкой
Различные элементы сборочного чертежа (склейки, сборки и т.п.), должны быть заштрихованы в разных направлениях.
Для удобства чтения чертежа элементы оптической системы могут быть изображены без штриховки (см.
рисунок 4).
Если оптическая деталь имеет сложную форму, и часть детали не попадает в поперечное сечение, то эта часть изображается без штриховки. При этом на чертеже указывают информацию о сечении.
Рисунок 4 - Упрощенное изображение элементов
Оптические элементы, которые имеют две плоскости симметрии (цилиндрические, торические поверхности и т.д.), изображаются в двух поперечных сечениях, соответствующих этим плоскостям (см.
рисунки 5 и
6).
Рисунок 5 - Цилиндрическая линза
Рисунок 6 - Торическая линза
5.3 Основная и вспомогательная системы координат
Для описания поверхностей сложной формы допускается вводить вспомогательные системы координат (см.
рисунок 7).
Вспомогательная система координат является правосторонней ортогональной декартовой системой координат и изображается следующим образом:
- две перпендикулярные линии, обозначающие две из трех осей (обычно оси Z и Y);
- положительное направление каждой оси обозначают стрелкой с указанием координат оси ("z", "y");
- отсутствующую ось обозначают в виде окружности с точкой (направление оси из плоскости проекции, т.е. "на наблюдателя") или крестом (направление оси внутрь плоскости проекции, т.е. "от наблюдателя") в центре (см.
рисунок 7).
x1, y1, z1 - оси вспомогательной системы координат первой
поверхности; x2, y2, z2 - оси вспомогательной системы
координат второй поверхности
Рисунок 7 - Вспомогательные системы координат
с указанием всех осей
Если на чертеже приведена только одна система координат, то она считается основной. Если на чертеже показаны вспомогательные системы координат, то оси основной системы координат указывают с индексом G, а оси вспомогательных систем координат - с индексом соответствующей поверхности.
Пример - "z1", "z2" - для поверхностей 1 и 2 соответственно.
Рекомендуется указывать на проекции все три оси системы координат, однако, поскольку все системы координат правосторонние, можно указать только две из трех осей, а о направлении третьей оси можно сделать соответствующий вывод (см.
рисунки 8 и
9).
Рисунок 8 - Системы координат без оси
X
Рисунок 9 - Системы координат без оси
Y
Если используются вспомогательные системы координат и основная система координат не является системой координат первой поверхности, то на чертеже приводят основную систему координат.
Все вспомогательные системы координат должны быть описаны относительно основной системы координат. Для каждой вспомогательной системы координат приводят шесть постоянных:
a,
b,
c,

,

и

. Для перехода от основной системы координат к вспомогательной необходимо сначала выполнить преобразование вдоль осей
x,
y и
z на указанные величины преобразования
a,
b и
c соответственно (порядок преобразования не имеет значения, так как они ортогональны). Затем выполнить поворот вокруг осей
x,
y,
z на углы

,

,

, соответственно. Повороты являются правосторонними. Информацию о вспомогательной системе координат приводят в качестве первой записи в поле таблицы с описанием поверхностей.
Единицы измерения для

,

и

- градусы, а для
a,
b и
c - заявленные единицы измерения размеров. Для привязки поверхностей к измеряемым базовым точкам детали используют ссылки на чертеже.
Если основная система координат является системой координат первой поверхности, то вспомогательная система координат первой поверхности обозначается как (0, 0, 0) 0°, 0°, 0°.
5.4 Оси
Оси наносят следующим образом:
- оси симметрии: штрихпунктирная линия (см.
рисунок 10, позиция 2);
- оптическая ось: штрихпунктирная линия с двумя точками (см.
рисунок 10, позиция 1).
Если оптическая ось совпадает с осью симметрии, то приводят только оптическую ось. Малое смещение или наклон осей (например, отклонение оси симметрии элемента от оптической оси) могут быть показаны не в масштабе, в этом случае размер приводится подчеркнутым.
1 - оптическая ось; 2 - ось симметрии
5.5 Выноска
Выноски (выносные линии), заканчивающиеся в пределах контура детали оптической системы, должны иметь точку на конце (см.
рисунок 11), а выносные линии, заканчивающиеся на контуре элемента - головку стрелки (см.
рисунок 12). Для однозначности понимания головки стрелок касаются кромки или поверхности.
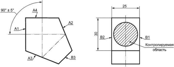
5.6 Контролируемая область
Если не требуется контролировать технические параметры в пределах всей поверхности оптического элемента, то на чертеже указывают область на поверхности оптической детали, в пределах которой требуется проводить контроль технических характеристик.
Примечание - Иногда контролируемая область имеет названия "световая зона", "световой диаметр", "действующая апертура", "световая действующая апертура" и др.
Если контролируемая область не указана, а действующая апертура указана, то областью контроля считается действующая апертура. Если не указана ни контролируемая область, ни действующая световая апертура, то областью контроля считается вся поверхность оптического элемента. Размер контролируемой области указывают с индексом "e" под основным размером (см.
рисунки 13 и
23) или в качестве примечания.
Рисунок 13 - Контролируемая область
Фаски, скосы и скругления не входят в область контроля (если не указано другое).
Границы области контроля обозначают непрерывной тонкой линией (см.
рисунок 14), а саму область заштриховывают непрерывными линиями. При необходимости установления разных требований область контроля может быть разделена на подобласти, которые должны быть пронумерованы. Номер подобласти указывают при помощи выноски (см.
рисунок 14).
Рисунок 14 - Вид, показывающий подобласти области контроля
На чертеже приводят дополнительные виды элемента с подобластями, если:
- симметричные элементы имеют области контроля с различными требованиями (например, для расходящегося или сходящегося пучка лучей);
- если к одинаковым областям контроля предъявляют разные требования.
Примечание - Дополнительный вид оформляют в соответствии с
5.2.
Для предотвращения ошибок разные области контроля указывают с указанием размеров (см.
рисунок 15).
Примечание - Допуски на размер области контроля указывают при необходимости.
Рисунок 15 - Обозначение областей контроля призмы
5.7 Зона контроля
Зона контроля может иметь любую форму (круг, прямоугольник и др.) и указываться в любом месте области контроля. Зону контроля обозначают тонкой непрерывной линией с указанием размеров. Если требования, предъявляемые к зоне контроля, должны воспроизводиться во всех возможных положениях зоны контроля в пределах всей области контроля, то обозначение зоны контроля должно иметь соответствующее примечание: "....(для всех

...)" или (для всех ... x ...)" (см.
рисунок 16).
Рисунок 16 - Зона контроля в пределах области контроля
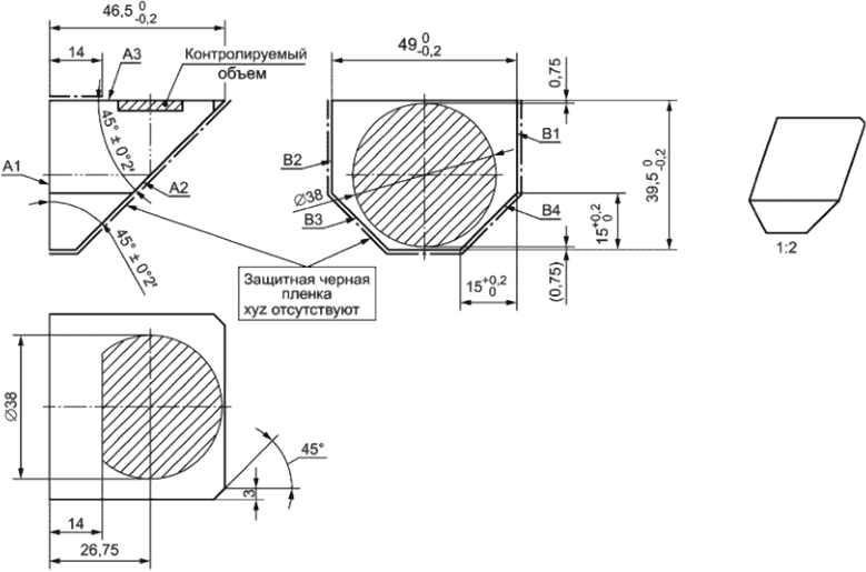
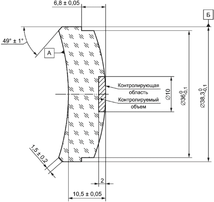
5.8 Объем контроля
Объем контроля указывается в случае, если к обозначенной объемной части оптического элемента предъявляются более жесткие или иные требования чем к остальной части оптической детали (например, неактивированная ионами часть активного элемента). Границы объема контроля обозначаются непрерывной сплошной линией, а сам объем заштриховывается непрерывными линиями. Количество видов, на которых показывается объем контроля, или полнота примечания при обозначении объема контроля должна быть достаточна для однозначной трактовки. Если объем контроля указан только на одном виде, то считается, что объем контроля распространяется на весь объем детали, описывающийся указанным видом (см.
рисунок 17).
а - объем с требованиями, эквивалентными требованиям
к материалу; б - объем с особыми требованиями
Рисунок 17 - Объем контроля
5.9 Нанесение размеров
5.9.1 Общие положения
При нанесении размеров оптических элементов и систем следует руководствоваться требованиями настоящего стандарта и
ГОСТ 2.307.
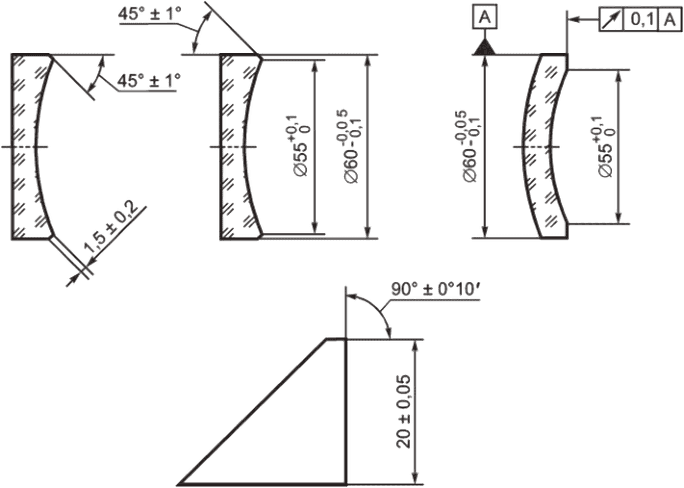
5.9.2 Радиус кривизны
На сферические поверхности наносится размер радиуса кривизны. Обычно размер радиуса кривизны указывается в области чертежа (см.
рисунки 18 -
20), альтернативно размер радиуса кривизны может быть указан в поле таблицы, которое содержит информацию о поверхности (см.
рисунок А.1 -
А.5).
Рисунок 18 - Радиусы кривизны для мениска
Рисунок 19 - Радиусы кривизны для двояковыпуклой линзы
Рисунок 20 - Радиусы для плосковогнутой линзы
Перед нанесением размера радиуса перед размерным числом помещают прописную букву "R". На чертеже следует, но не обязательно, указывать центр окружности, из которой проведен размер. В случае если центр окружности не указан, считается, что он расположен на оси симметрии детали. Размерную линию радиуса кривизны можно приводить не в масштабе с изломом.
Направление выпуклости поверхности задается направлением стрелки на размере. Стрелка на размере должна быть направлена от центра кривизны. В качестве альтернативы направление кривизны может быть указано буквами (CX - выпуклая поверхность; CC - вогнутая поверхность). Не рекомендовано, но допустимо указывать направление выпуклости знаком "+" или "-" перед размером (при этом поверхность, у которой размер указан со знаком "+", считается выпуклой от центра окружности, из которой проведен размер, а поверхность со знаком "-" - вогнутой).
Допуск на радиус кривизны указывают в соответствии с основными нормами взаимозаменяемости и единой системой допусков и посадок по
ГОСТ 2.308.
Примечание - В качестве альтернативы допуск на радиус кривизны указывают в единицах интерференционной полосы (см.
[3]). Если общее допустимое изменение радиуса кривизны указывают в интерферометрическом виде, то допуск на размер радиуса кривизны не должен указываться в поле размера радиуса кривизны.
Для плоских поверхностей (т.е. поверхностей с бесконечным радиусом кривизны) радиус кривизны поверхности обозначается

или
Rпл., в качестве альтернативы указывают ее наименование "PL" или "Плоская поверхность". Для плоской поверхности указывают допуск на плоскостность. Допуск на плоскостность указывается в соответствии с основными нормами взаимозаменяемости или в интерферометрическом виде (см.
[3]).
Для торических и цилиндрических поверхностей для однозначности чтения чертежа должны быть представлены два вида (две прямоугольные изометрические проекции), согласно
5.2.
Для цилиндрических поверхностей радиус кривизны обозначают буквами RCYL или Rц, в качестве альтернативы перед размером указывают наименование поверхности "CYL" или "Цилиндр".
Асферические поверхности обозначают "ASPH".
Поверхности, которые не могут быть отнесены к перечисленным выше или в случае, если при классификации поверхности возникают сомнения в правильности указания типа поверхности, следует обозначить поверхность буквами "GS" или "Поверхность сложной формы"
Предпочтительно чтобы в выноске, обозначающей тип поверхности, содержалась информация, достаточная для однозначного чтения чертежа.
Допускается описывать поверхность с помощью уравнения.
Примечание - При описании поверхности следует руководствоваться требованиями ГОСТ 2.412.
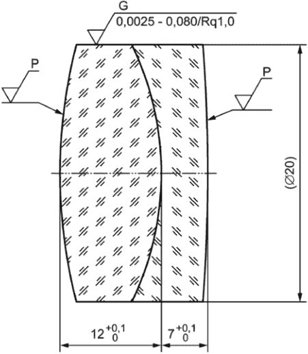
5.9.3 Толщина
Толщина оптической детали указывается в виде номинального значения с указанием допуска. Для линз с вогнутыми поверхностями помимо осевой толщины следует указывать общую толщину (см.
рисунки 21 и
22). Если толщина приводится для справки, то размер указывается в скобках или, в качестве альтернативы, со звездочкой ("размер*"). При указании размера со звездочкой должно быть добавлено примечание о том, что размер, указанный со звездочкой, приведен для справки.
Рисунок 21 - Указание толщины двояковыпуклой линзы
Рисунок 22 - Указание толщины мениска
5.9.4 Диаметр
Диаметр оптических деталей указывается с допусками. При необходимости добавляется действующий световой диаметр (см.
рисунок 23).
Рисунок 23 - Диаметры и световые диаметры
оптического элемента
5.9.5 Указание формы кромок (фаски, скосы и скругления)
5.9.5.1 Общие положения
Фаски, скосы и скругления краев оптической детали предназначены для защиты острых кромок и углов от сколов в процессе обработки, или для предотвращения травмирования при использовании. Профиль кромок определяется исходя из конструктивных требований, либо в целях защиты.
5.9.5.2 Острые кромки
Кромка, которая должна оставаться острой по конструктивным соображениям, обозначается символом "0" (см.
рисунок 24) или в качестве альтернативы "острая кромка". Дефекты острой кромки обычно ограничиваются требованиями к сколам на прилегающих поверхностях. В качестве альтернативы разработчик должен указать в примечании допустимый припуск на скол или срез кромки.
Примечание - Дефекты кромки не более 0,02.
Рисунок 24 - Острая кромка с указанием допустимых дефектов
5.9.5.3 Фаски
Фаски, которые должны быть выполнены обязательно, указываются на чертеже с размерами, допусками, углами наклона и другой информацией (см.
рисунок 25).
Рисунок 25 - Обозначение размеров фасок
5.9.5.4 Неуказываемые фаски и скругления
Неуказываемые фаски и скругления выполняют роль защитных и не указываются на чертеже отдельно или приводят только их ширину
W, как показано на
рисунке 26. Как правило, указание с размером защитных фасок и скруглений приводится в качестве примечания чертежа и относится ко всем кромкам и углам, не имеющим отдельного описания (см.
рисунок 27). Поскольку точность защитной фаски не имеет технической важности, то в примечании указывают диапазон размеров защитной фаски, а не ее точный размер. Если указано только одно значение, то его интерпретируют как максимально допустимую ширину фаски или скругления.
Примечание - Согласно ГОСТ 2.412 ширина фаски обозначается "m".
Рисунок 26 - Ширина защитной фаски
W
Примечание - Защитные фаски 0,2 - 0,5.
Рисунок 27 - Обозначение неуказанных фасок
При выполнении чертежа детали с внутренней кромкой следует учитывать, что не всегда возможно изготовить идеально острую внутреннюю кромку и указать максимально допустимую ширину скругления (в случае, если требование к остроте внутренней кромки не является технически обоснованным) (см.
рисунки 28 и
29).
Рисунок 28 - Обозначения ширины скругления внутренней кромки
Примечание - Внутренняя кромка 0,2 - 0,5.
Рисунок 29 - Указание ширины скругления внутренней кромки
в виде примечания
5.9.6 Линейные размеры
Номинальные размеры по длине, ширине и высоте (или диаметру и толщине) детали указываются с допусками. Размеры деталей, имеющих защитные фаски или небольшие скосы, указываются без учета фасок или скосов.
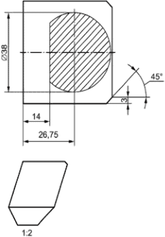
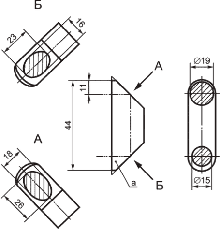
Для призм с гранями поверхности, расположенных не под прямым углом, т.е. там, где линейный размер не может быть измерен, указываются размеры теоретического пересечения поверхностей ("условие острой грани"). У таких призм размеры обозначаются с указанием слова "теоретический", сокращения "теор." или с индексом "a" (см.
рисунок 30).
а - теоретический размер
Рисунок 30 - Линейные размеры для призм
5.9.7 Углы
Номинальные значения двугранных углов указываются с допусками. Соответствующие плоскости, образующие двугранные углы, обозначаются заглавными римскими буквами (см.
рисунок 31).
пир. AD, C < 1' | пир. AD, B < 1' |
Рисунок 31 - Углы с допусками
На
рисунке 31 показан пример обозначения двугранных углов и их допусков. Угол между плоскостью, содержащей нормали двух поверхностей, и нормалью к любой другой поверхности называется пирамидальным отклонением. Пирамидальное отклонение задается в виде
пир. AB, C < n, (1)
где пир. - пирамидальное отклонение;
n - допустимое угловое отклонение от нормали поверхности C к базовой плоскости, содержащей нормали поверхностей A и B.
Примечание - Пирамидальное отклонение также обозначается "pyr" (см.
[1]).
При необходимости может быть изображен путь оптического луча и угол отклонения. Падающий луч должен быть перпендикулярен поверхности входа, если нет дополнительных условий, угол отклонения указывают с допуском (см.
рисунок 32).
Допуск на отклонение луча относительно заданной плоскости или оси может быть указан, как показано на
рисунке 32.
Рисунок 32 - Углы отклонения призмы
5.9.8 Специальные поверхности
Специальные оптические поверхности обозначают символом специальной поверхности (см.
рисунок 33). Символ располагают касательным к поверхности или приводят в поле описания поверхности. Для специальной поверхности указывают тип и информацию (дифракционный порядковый номер, период, блеск и т.п.). Допускается давать ссылку на документ, описывающий специальную поверхность, или описывать специальную поверхность в табличном формате (см.
рисунок А.1). Символ и соединительную линию выполняют непрерывной тонкой линией (см.
рисунок А.4).
Рисунок 33 - Символ специальной поверхности
5.10 Информация о материале
5.10.1 Основные положения
На чертеже приводят информацию о материале, из которого изготавливают оптическую деталь. Полнота информации о материале определяется исходя из принципа минимальной достаточности (в случае если требования к материалу не заданы, и оценка технического обоснования требований не производится, информацию о материале приводят согласно ГОСТ 2.412 и ГОСТ 23136).
Информация о материале, как правило, содержит:
а) условное обозначение материала:
1) информацию об изготовителе (при необходимости);
2) тип, марку или химическое описание материала (материал, из которого изготавливают оптическую деталь, указывают в рамке, таблице или на чертеже);
3) показатель преломления и число Аббе, включая указание контрольной длины волны (при необходимости);
4) стандарт, согласно которому изготовлен материал (при необходимости).
б) требования к материалу:
| | ИС МЕГАНОРМ: примечание. В официальном тексте документа, видимо, допущена опечатка: имеется в виду п. 5.10.2, а не 4.10.2. | |
1) информацию и/или допуски на показатель преломления и дисперсию пропускания (в зависимости от длины волны), двулучепреломление, флуоресценцию, коэффициент теплового расширения, информацию о материале заготовки (см.
[4]), свойства кристаллов (например, моно- или поликристаллические) и ориентацию относительно оптической оси (см.
4.10.2);
2) информацию и/или допуски на химические характеристики или свойства (важные для климатических условий, устойчивости к кислотам, щелочам, пятнам и т.д.);
3) информацию и/или допуски на механические свойства (например, твердость), которые требуют учета при обработке.
Требования к материалу приводят на чертеже в виде таблицы, содержащей основные параметры, или в виде перечня требований в таблице.
5.10.2 Кристаллографические оси
Для оптических материалов с кристаллической структурой на чертеже указывают кристаллографические оси (при необходимости).
Примечания
1 При использовании индексов Миллера для указания направления оси индексы Миллера указываются с квадратными скобками: [110] или

.
2 В качестве альтернативы индексы Миллера могут указывать кристаллографическую плоскость поверхности элемента, в этом случае используются круглые скобки: (110);
5.11 Допуски и иная информация
5.11.1 Допуск расположения вспомогательных систем координат
Обозначение допусков расположения вспомогательных систем координат производится согласно
ГОСТ 2.308.
5.11.2 Сборочные единицы и узлы
Чертеж оптической детали, выполненной в виде сборочной единицы или узла должен включать (см.
рисунок 34):
а) номера оптических элементов системы (или другие способы идентификации элементов);
б) информацию о способе соединения элементов;
в) размеры, допуски и прочие исходные данные, которые не представлены на чертежах элементов;
г) фокусное расстояние и/или другие требования к сборочной единице;
д) особые указания, относящиеся к процедурам сборки и испытания.
Примечания
1 Соединение согласно "#XXXX" ("#XXXX" - обозначение документа, описывающего процесс соединения элементов).
2 Фокусное расстояние - 100,0 +/- 0,5 мм.
Рисунок 34 - Чертеж сборочной единицы с примечаниями
Чертеж сборочной единицы должен содержать информацию о соединении элементов или иметь ссылку на документ, в котором описан процесс соединения элементов.
Примечание - Требования к дефектам должны быть уточнены с учетом сборки.
Если допуск на толщину сборочной единицы меньше суммы допусков на толщину элементов, образующих эту сборочную единицу, то его указывают с буквой "M". Указание допуска в таком виде будет означать его приоритет, т.е. элементы сборки необходимо подобрать таким образом, чтобы выполнить требования, указанные на чертеже сборочной единицы.
6 Чертежи оптических систем
6.1 Основные положения
Чертеж оптической системы должен показывать взаимное расположение всех элементов (см.
рисунок 35) и, как правило, содержит следующую информацию:
- номера элементов (или их обозначение в соответствии со спецификацией);
- основную ось (допуски несоосности и смещение центра элемента откладываются от основной оси, если не указано другое);
- воздушные промежутки между элементами с указанием допусков;
- оптическую силу системы (полная и/или частичная);
- рабочее расстояние до объекта или диапазон расстояний до объекта;
- угловое разращение (поле обзора) в пространстве предметов;
- числовую апертуру или фокусное расстояние f;
- положение и размеры полевых диафрагм;
- информацию о положении плоскости изображения;
- положение и размеры элементов;
- размеры отверстий и физические размеры элементов;
- информацию о фокальной плоскости;
- спектральную полосу пропускания;
- перемещения, необходимые для регулировки фокуса;
- установочные размеры;
- допуски наклона и соосности согласно
ГОСТ 2.308;
- специальные указания относительно процедур сборки и испытаний и др.
Примечания
1 При большом объеме данных рекомендуется приводить данные в табличном формате.
2 Для сложных оптических систем изогнутой формы следует приводить изометрические виды.
3 Объем предоставляемой информации определяют исходя из требований к документации (технические требования и др.) или определяется изготовителем самостоятельно исходя из принципа минимальной достаточности.
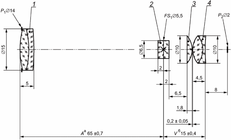
ГОСТ Р... (номер настоящего стандарта) Телескоп 7 x 14 а Регулировка фокуса б Фокусировка окуляра Диапазон регулировки +/- 5 м-1 |
Таблица 1 | | Таблица 2 |
Номер элемента | Комплектующие и их фокусное расстояние (при наличии) | Световой диаметр | Допуск наклона (соосности) | | Характеристика системы | Значение | |
1 | ахроматическая линза f = 63 | | 4/5'(0,1) | Увеличение | 7x | |
2 | сетка оптического прибора, неподвижная | | 4/20'(0,05) | Поле зрения в пространстве предмета | 5,89° | |
3 | первая линза окуляра | | 4/10'(0,05) | Диаметр входного зрачка | 14 мм | |
4 | вторая линза окуляра | | 4/10'(0,05) | Удаление входного зрачка | 8 мм | |
3 и 4 | окуляр f = 9 | | 4/30'(0,1) | Диапазон длин волн | от 450 до 650 нм | |
 масштаб 1:1 |
Рисунок 35 - Чертеж оптической системы
6.2 Воздушные промежутки
6.2.1 Основные положения
Расстояние между элементами оптической системы указывается вдоль вспомогательной оси, которой для симметричных элементов является ось симметрии.
Расстояния, которые должны быть отрегулированы при сборке или переменные и изменяются при эксплуатации, указываются вместе с пояснениями о причинах регулировки или изменения.
6.2.2 Фиксированные воздушные промежутки
Фиксированные расстояния указываются с допусками (см.
рисунок 36).
Рисунок 36 - Фиксированный воздушный промежуток
между оптическими элементами
6.2.3 Регулируемые воздушные промежутки
Размер регулируемых при сборке воздушных промежутков указывается с буквой "
A". Информация по регулировке воздушного промежутка приводится в примечании к чертежу с указанием требуемой точности регулировки. Информацию о размерах приводят в следующем порядке (см.
рисунок 37):
- "A", обозначение регулируемого промежутка;
- заданный промежуток;
- допустимые пределы изменения от заданного значения.
а - регулировка для оптимальной фокусировки,
точность регулировки - +/- 0,02 мм
Рисунок 37 - Оптическая система с регулируемым
воздушным промежутком
6.2.4 Переменные воздушные промежутки
Некоторые воздушные промежутки подлежат изменению при эксплуатации. Такие промежутки указываются буквой "
V". Информация по регулировке воздушного промежутка приводится в примечании к чертежу. На чертеже также указывается требуемая точность регулировки (см.
рисунок 38).
а - отклонение фокусировки окуляра +/- 3 м-1
Рисунок 38 - Оптическая система с переменным
воздушным промежутком
6.3 Указание положения изображения, ограничителей и других объектов
Положение и размеры изображения, зрачков, ограничителей и других объектов выполняют с учетом следующих требований:
- положение плоскости изображения указывают символом "крест" и приводят на оптической оси (см.
рисунки 39 и
40);
- положение плоскости зрачка указывают толстой короткой линией и приводят на оптической оси (см.
рисунок 41);
- ограничители и диафрагмы изображают схематично и выполняют толстой линией с указанием размера (см.
рисунки 42 и
43);
- прочие отверстия указывают толстой пунктирной линией (см.
рисунок 44).
Рисунок 39 - Пример указания положения плоскости изображения
Рисунок 40 - Пример указания положения плоскости изображения
на поверхности детали
Рисунок 41 - Пример указания положения зрачка
При необходимости ограничение маркируются
FS1,
FS2 и т.д., зрачки -
P1,
P2 и т.д., нумерация производится слева направо или по ходу распространения света (см.
рисунки 42 и
43).
Рисунок 42 - Физическая диафрагма (ограничитель поля зрения)
Рисунок 43 - Физическая диафрагма, расположенная в зрачке
P1
Рисунок 44 - Ограничение изображения
(без физической диафрагмы)
(рекомендуемое)
ПРИМЕРЫ ЧЕРТЕЖЕЙ ОПТИЧЕСКИХ ЭЛЕМЕНТОВ
(f' = 57,24) ГОСТ Р ...;  |
Левая поверхность | Материал | Правая поверхность |
R 37,449 | CX | "Производитель"/"марка стекла" ne 1,654 +/- 0,001 ve (58,3 +/- 0,5)% 0/20 1/5 x 0,1 2/1; 2 | |
Фаска 0 | Фаска 0 |
3/5,0 (1,0) 4/1,4' 5/5 x 0,1; C5 x 0,16; L3 x 0,004; E0,04  AR 209,1060  спецификация 4710 - 1815/01 ("ссылка на документ, описывающий специальную поверхность") | 3/5,0 (1,0) 4/- 5/5 x 0,1; C5 x 0,16; L3 x 0,004; E0,04  AR 209,1060 |
|
 Масштаб 1:1 |
Рисунок А.1 - Чертеж линзы
(f' = - 554,96) ГОСТ Р ...;  |
Левая поверхность | Материал | Правая поверхность |
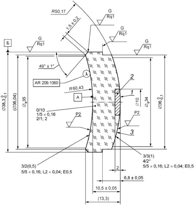
R 37,67 | CC | "Производитель"/"марка стекла" ne 1,51872 +/- 0,001 ve 63,96 +/- 0,5% 0/10 1/5 x 0,16 контролируемый объем 1/3 x 0,1 2/1; 2 | R 50,17 | CX |
| Фаски: 0 - 0,2 Внутренние края: 0 - 0,2 |
3/2 (0,5) 4/- 5/5 x 0,16; L2 x 0,04; E0,5 | 3/3 (1,0) 4/2' 5/5 x 0,16; L2 x 0,04; E0,5 контролируемая область 5/3 x 0,1; L1 x 0,04 |
 AR 209,1060 |  для вклейки |
 Масштаб 1:1 |
Рисунок А.2 - Чертеж линзы с указанием контролируемой
области и контролируемого объема
(f' = 57,24) ГОСТ Р ...;  |
Левая поверхность | Материал | Правая поверхность |
R 37,449 | CX | "Производитель"/"марка стекла" ne 1,65425 +/- 0,001 ve 58,26 +/- 0,5% 0/10 2/1; 2 | PL |
3/5,0(1,0) 4/1,4'  AR 209,1060 6/6 кВтсм-2; 1064 нм; 20 нс | 3/5,0 (1,0) 4/- 5/5 x 0,1; C5 x 0,16; L3 x 0,004; E0,004  AR 209,1060 6/6 кВтсм-2; 1064 нм; 20 нс |
Контролируемая подобласть 1 5/5 x 0,05; C5 x 0,16; L3 x 0,004 | |
Контролируемая подобласть 2 5/5 x 0,15; C5 x 0,16; L3 x 0,004; E0,06 |
 Масштаб 1:1 |
Рисунок А.3 - Чертеж линзы с контролируемыми подобластями
ГОСТ Р ...;  |
Левая поверхность | Материал | Правая поверхность |
R 29,0 | CC | "Производитель"/"марка стекла" ne 1,51872 ve 63,96 0/25 1/3 x 0,4 2/- | PL |
Фаска 0,1 - 0,5 | Фаска 0,1 - 0,5 |
3/4 (1/0,5) 4/1,4' 5/3 x 0,4; C3 x 0,25; L1 x 0,020; E0,5 | 3/10 (5/2) 4/0,1' 5/ |
 Масштаб 1:1 |
Рисунок А.4 - Чертеж линзы с указанием специального покрытия
ГОСТ Р ...;  | |
Угол между B1 и A3: 90° +/- 10' Фаски 0,2 - 0,6 Размеры до покрытия |
|
Поверхность A1 | Поверхность A2 | Поверхность A3 | Материал | |
3/8 (1,5) 4/- 5/10 x 0,01; E0,5  AR покрытие "N abc" | 3/1 (0,3) 4/- 5/10 x 0,063; E0,5  зеркальное покрытие "N 123" | 3/3 (0,4) 4/- 5/8 x 0,1; E0,5  AR покрытие "N abc" | "Производитель"/"марка стекла" ne 1,65425 +/- 0,001 ve 58,26 +/- 0,5% 0/10 1/3 x 0,1 Контролируемый объем: 1/10 x 0,04 |
|  Масштаб 1:1 |
Рисунок А.5 - Чертеж компонента с тремя поверхностями
в табличном формате (вертикальное выравнивание)
| |
Угол между B1 и A3: 90° +/- 10' Фаски 0,2 - 0,6 Размеры до покрытия |
| A1; A2; A3:  |
A1 | | 3/8 (1,5) | 5/10 x 0,01; E0,5 |  AR покрытие "N abc" |
A2 | | 3/1 (0,3) | 5/10 x 0,063; E0,5 |  зеркальное покрытие "N 123" |
A3 | | 3/3 (0,4) | 5/8 x 0,1; E0,5 |  AR покрытие "N abc" |
Материал | | "Производитель"/"марка стекла" | Контролируемый объем 1/10 x 0,04 | 1/3 x 0,1 |
ne 1,51872 +/- 0,001 | ve 63,96 +/- 0,5% |
| ГОСТ Р ...;  |
 Масштаб 1:1 |
Рисунок А.6 - Чертеж компонента с тремя поверхностями
в табличном формате (горизонтальное выравнивание)
| |
Фаски 0,2 - 0,6 |
| ГОСТ Р ...;  | |
| Поверхность A1 | Поверхность A2 | Поверхность A3 | Поверхность A4 | Материал |
3/5 (1,0) 4/- 5/1 x 0,006; C1 x 0,1; LS x 0,004; E0,06 | 3/3 (0,6) 4/- 5/1 x 0,006; C1 x 0,1; LS x 0,004; E0,06 пир. A1A4, A2 < 3' | 3/5 (1,0) 4/- 5/1 x 0,006; C1 x 0,1; LS x 0,004; E0,06 пир. A1A4, A3 < 3' | 3/5 (1,0) 4/- 5/1 x 0,006; C1 x 0,1; LS x 0,004; E0,06 | "Производитель"/"марка стекла" ne 1,55897 +/- 0,005 0/10 0/10 x 0,010 2/- |
 CZN2520-CZ219 |  CZN2520-алюминий |  CZN2520-алюминий |  CZN2520-CZ219 |
Контролируемая область: 3/2 (0,5) | | | |
|  Масштаб 1:1 |
Рисунок А.7 - Чертеж компонента с четырьмя поверхностями
в табличном формате (вертикальное выравнивание)
| A1; A2; A3; A4:  |
| Угол между B1 и A3: 90° +/- 10' Фаски 0,2 +/- 0,5% |
| A1 | | 3/5 (1,0) | 5/1 x 0,06; C1 x 0,1; L5 x 0,004; E0,06 |  CN25020-CZ219 |
A2 | | 3/3 (0,6) | 5/1 x 0,06; C1 x 0,1; L5 x 0,004; E0,06 |  CN25020-алюминий |
A3 | | 3/5 (1,0) | 5/1 x 0,06; C1 x 0,1; L5 x 0,004; E0,06 |  CN25020-алюминий |
A4 | | 3/5 (1,0) | 5/1 x 0,06; C1 x 0,1; L5 x 0,004; E0,25 |  CN25020-CZ219 |
Материал | "Производитель"/"марка стекла" | 1/10 x 0,010 | 2/- |
ne 1,55897 +/- 0,0005 | ve 58,41 +/- 0,5% |
| ГОСТ Р ...;  | |
 Масштаб 1:1 |
Рисунок А.8 - Чертеж компонента с четырьмя поверхностями
в табличном формате (горизонтальное выравнивание)
|
ГОСТ Р ...;  | (f' = - 472,49) |
Левая поверхность | Соединение | Правая поверхность |
| склейка xyz 0,005 +/- 0,003 1/1 x 0,025 | |
4/- | | 4/0,1' |
 Масштаб 1:1 |
Рисунок А.9 - Дуплет - двухлинзовая сборочная единица,
табличный формат
|
ГОСТ Р ...;  | (f' = 472,49) |
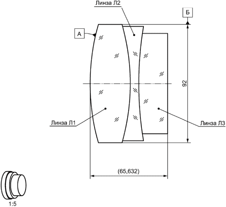
Л1 "N детали 000000-1234-012" ("ссылка на чертеж линзы Л1") | Л2 "N детали 000000-0000-004" ("ссылка на чертеж линзы Л"") | Л3 "N детали 000130-0004-443" ("ссылка на чертеж линзы Л3") |
|
| Соединение | Соединение | |
1/ 0,005 +/- 0,003 склейка xyz | 1/ 0,005 +/- 0,003 склейка abc |
 Масштаб 1:1 |
Рисунок А.10 - Триплет - трехлинзовая сборочная единица,
табличный формат
|
ГОСТ Р ...;  | (f' = 80,97 +/- 0,15) |
Поверхность 1 | Материал | Поверхность 2 | Поверхность 3 | Материал | Поверхность 4 |
R 51,43 CX Защитная фаска от 0,4 до 0,6 3/2 (0,5) 4/2" 5/5 x 0,4; L2 x 0,02 6/- | "Производитель"/"марка стекла" nd 1,517 +/- 0,001 vd 64,2 +/- 1% 0/20 1/5 x 0,1 2/1; 2 | R 29,0 CX Защитная фаска от 0,4 до 0,6 3/2 (0,5) 5/5 x 0,4; L2 x 0,02 | R 29,0 CC Защитная фаска от 0,4 до 0,6 3/2 (0,5) 5/5 x 0,4; L2 x 0,02 | "Производитель"/"марка стекла" nd 1,620 +/- 0,001 vd 36,4 +/- 1% 0/20 1/5 x 0,1 2/1; 2 | R 99,18 CX Защитная фаска от 0,4 до 0,6 3/2 (0,5) 4/0,8' 5/5 x 0,4; L2 x 0,02 6/- |
6/- | | 6/- | |
Соединение: PQR123 | |
Масштаб: 3:1 |
Рисунок А.11 - Система с элементами, не имеющими собственных
чертежей, табличный формат представления данных
|
| |
Поверхность 1 | Поверхность 2 | Поверхность 3 | Поверхность 4 |
R 96,38 CX | | R 132,6 CX | | R 132,6 CX | | R 275,0 CX | |
Защитная фаска 0,2 - 0,4  AR покрытие 400 - 700 нм,  | Защитная фаска 0,2 - 0,4  - | Защитная фаска 0,2 - 0,4  - | Защитная фаска 0,2 - 0,4  AR покрытие 400 - 700 нм,  |
3/3 (0,5) 4/2' AB 5/10 x 0,16; L5 x 0,025 6/- | 3/3 (0,5) 5/10 x 0,16; L5 x 0,025 6/- | 3/3 (0,5) 5/10 x 0,16; L5 x 0,025 6/- | 3/3 (0,5) 4/- 5/10 x 0,16; L5 x 0,025 6/- |
Склейка: PQR123 - Пузырьки воздуха или включения не допускаются |
| Масштаб: 1:1 | Код (децимальный номер): |
Название: |
ГОСТ Р... | Дата: |
Рисунок А.12 - Система с элементами, не имеющими собственных
чертежей, частично табличный формат представления данных
|
ГОСТ Р ...;  | (f ' = 57,24) |
 Масштаб 1:1 | Материал: "Производитель"/"марка материала" n (1064 нм) = 1,6759 +/- 0,001 Защитные фаски: 0,2 - 0,6 |
Рисунок А.13 - Чертеж линзы, альтернативная форма
представления данных
|
ГОСТ Р ...;  | Контролируемая область 5/3 x 0,1; L1 x 0,004 Контролируемый объем 1/3 x 0,1 Фиксация |
 Масштаб 1:1 | Материал: "Производитель"/"марка стекла" ne = 1,51872 +/- 0,001 ve = 63,96 +/- 0,5% Фаски 0 - 0,2 Внутренние края 0 - 2 |
Рисунок А.14 - Чертеж линзы с указанием области контроля
и объема контроля, альтернативная форма представления данных
| |
| | ГОСТ Р...; | AR покрытие "N abc" Зеркало задней поверхности "N uvw" Защитная краска черного цвета "N xyz" |
5/E 0,5 Защитные фаски: 0,2 - 0,6 размеры до покрытия |
Материал |  Масштаб 1:1 |
"Производитель"/"марка стекла" ne = 1,51872 +/- 0,001 ve = 63,96 +/- 0,5% 0/10 Контролируемый объем: 1/3 x 0,1 |
Рисунок А.15 - Чертеж элемента с тремя поверхностями,
альтернативная форма представления данных
|
| Вспомогательная система координат третьей поверхности |
R = 37,806 +/- 0,5% h0 = 22 B0 = 0,147 B = -7,03e-3 |
h | z3 (h) |
0,0 | 0,000000 |
4,0 | 0,2126281 |
8,0 | 0,871318 |
12,0 | 1,984478 |
16,0 | 3,591039 |
20,0 | 5,748300 |
Первая поверхность | Вторая поверхность | Третья поверхность |
(15, 15, 5) 0°, 0°, 0° | (15, 15, 25) 45°, 0°, 0° | (15, 45, 25) 90°, 0°, 0° |
R 20 +/- 0,5% CC 3/- (2) 4/5'АБ, 5'АВ, -(-, -, -) 5/2 x 0,25; L1 x 0,1; E0,3 | 3/4 (0,5) 4/5'А, 5'В, -(-, -, 0,02АБ) 5/2 x 0,25; L1 x 0,1; E0,3 | ASPH 3/- (0,5) RMSi < 50 нм; 4/5'А, 5'В, -(-, -, 0,02Б) 5/2 x 0,25; L1 x 0,1; E0,3 |
| | |
Материал |
| "Производитель"/"марка стекла" nd = 1,5168 vd = 64,16734 | 0/10 1/2 x 0,16 2/- | |
Поверхность со вспомогательной системой координат | "Производитель" | | A4/Масштаб 1:1 ГОСТ Р... |
Рисунок А.16 - Чертеж призмы с поверхностью
со вспомогательной системой координат
r2 = x2 + y2 | | zсум(r) = zсф(r) + zДОЭ(r) zДОЭ(r) = T·[N(r) - знак (N(r))·целое число (|N(r)|)] |
| Первая поверхность | | Третья поверхность | |
R | = 20 +/- 0,001 | Сферичность | По месту "DOE" |
k | = -1 | R = 20 | T = 1,56 мкм r0 = 22,5 M = 1 C2 = 1,47328 |
A6 | = -3,456 E-007 |
A8 | = 1,234 E-010 |
A10 | = -2,345 E-013 | Шесть зон |
|
Первая поверхность | Материал | Вторая поверхность | Материал | Третья поверхность | Материал | Четвертая поверхность |
(0, 0, 11,4) 0°, 0°, 0° | "Производитель"/"марка" | (0, 0, 11) 0°, 0°, 0° | PMMA | (0, 0, 11,4) 0°, 0°, 0° | SiO2 | (0, 0, 11,4) 0°, 0°, 0° |
ASPH Защитная фаска 0,3 - 0,5 3/- (1) RMSi < 50 нм;  (80 мкрад/1/0,0);  (25 мкрад/1/0,0); бесконтактный контроль всей поверхности 4/2'А, -, - (-, -, 0,003А) 5/12 x 0,063  AR Rmax < 0,5% @ 400 - 700 нм | nd = 1,5168 vd = 64,167 0/10 1/8 x 0,16 2/- | | nd = 1,4913 vd = 57,385 0/10 1/2 x 0,16 2/ - | Сфера + ДОЭ | nd = 1,4585 vd = 67,82 0/10 1/1 x 0,16 2/- | |
R20 +/- 0,002 | CX | R20 +/- 0,002 | CX | R20 +/- 0,002 | CX |
Без защитной фаски 3/- (0,7) 4/2'А, -, - (-, -, 0,1А) 5/6 x 0,1; L2 x 0,01 | Без защитной фаски 3/- (1) бесконтактный контроль всей поверхности Пересечение зон контроля < 20 мкм 4/2'А, -, - (0,02, -, 0,005А) 5/12 x 0,063 | Защитная фаска 0,3 - 0,5 3/- 4/2'А, -, - (-, -, 0,003А) 5/12 x 0,063  AR Rmax < 0,5% @ 400 - 700 нм |
| | | |
Страницы | Масштаб 2:1 | Размер A4 | ГОСТ Р... | Дата | | |
Рисунок А.17 - Чертеж оптического элемента с четырьмя
поверхностями и вспомогательными системами координат
| ИСО 10110-1 | Оптика и фотоника. Подготовка чертежей для оптических элементов и системы. Часть 1. Общие положения (Optics and photonics - Preparation of drawings for optical elements and systems - Part 1: General) |
| ИСО 10110-12 | Оптика и фотоника - Подготовка чертежей для оптических элементов и систем - Часть 12. Асферические поверхности (Optics and photonics - Preparation of drawings for optical elements and systems - Part 12: Aspheric surfaces) |
| ИСО 10110-5 | Оптика и фотоника - Подготовка чертежей для оптических элементов и систем - Часть 5. Допуски формы поверхности (Optics and photonics - Preparation of drawings for optical elements and systems - Part 5: Surface form tolerances) |
| ИСО 12123 | Оптика и фотоника - Спецификация необработанного оптического стекла (Optics and photonics - Specification of raw optical glass) |
| МЭК 60758:2016 | Синтетический кварцевый кристалл - технические характеристики и рекомендации по использованию (Synthetic quartz crystal - Specifications and guidelines for use) |
УДК 744.43:006.354 | |
Ключевые слова: оптика и фотоника, правила выполнения чертежей оптических элементов и систем, общие положения |