Главная // Актуальные документы // ГОСТ Р (Государственный стандарт)
СПРАВКА
Источник публикации
М.: Стандартинформ, 2014
Примечание к документу
Документ введен в действие с 1 января 2015 года.
Название документа
"ГОСТ Р ИСО 4028-2013. Национальный стандарт Российской Федерации. Винты установочные с шестигранным углублением и цилиндрическим концом"
(утв. и введен в действие Приказом Росстандарта от 08.11.2013 N 1426-ст)

"ГОСТ Р ИСО 4028-2013. Национальный стандарт Российской Федерации. Винты установочные с шестигранным углублением и цилиндрическим концом"
(утв. и введен в действие Приказом Росстандарта от 08.11.2013 N 1426-ст)


Содержание


Утвержден и введен в действие
Приказом Федерального
агентства по техническому
регулированию и метрологии
от 8 ноября 2013 г. N 1426-ст
НАЦИОНАЛЬНЫЙ СТАНДАРТ РОССИЙСКОЙ ФЕДЕРАЦИИ
ВИНТЫ УСТАНОВОЧНЫЕ С ШЕСТИГРАННЫМ УГЛУБЛЕНИЕМ
И ЦИЛИНДРИЧЕСКИМ КОНЦОМ
Hexagon socket set screws with dog point
ISO 4028:2003
Hexagon socket set screws with dog point
(IDT)
ГОСТ Р ИСО 4028-2013
ОКС 21.060.10;
ОКП 16 5000
Дата введения
1 января 2015 года
Предисловие
1. Подготовлен Федеральным государственным унитарным предприятием "Всероссийский научно-исследовательский институт стандартизации и сертификации в машиностроении" ("ВНИИНМАШ") на основе собственного аутентичного перевода на русский язык международного стандарта, указанного в пункте 4.
2. Внесен Техническим комитетом по стандартизации ТК 229 "Крепежные изделия".
3. Утвержден и введен в действие Приказом Федерального агентства по техническому регулированию и метрологии от 8 ноября 2013 г. N 1426-ст.
4. Настоящий стандарт идентичен международному стандарту ИСО 4028:2003 "Винты установочные с шестигранным углублением и цилиндрическим концом" (ISO 4028:2003 "Hexagon socket set screws with dog point").
При применении настоящего стандарта рекомендуется использовать вместо ссылочных международных стандартов соответствующие им национальные стандарты Российской Федерации, сведения о которых приведены в дополнительном Приложении ДА.
5. Введен впервые.
Правила применения настоящего стандарта установлены в ГОСТ Р 1.0-2012 (раздел 8). Информация об изменениях к настоящему стандарту публикуется в ежегодном (по состоянию на 1 января текущего года) информационном указателе "Национальные стандарты", а официальный текст изменений и поправок - в ежемесячном информационном указателе "Национальные стандарты". В случае пересмотра (замены) или отмены настоящего стандарта соответствующее уведомление будет опубликовано в ближайшем выпуске информационного указателя "Национальные стандарты". Соответствующая информация, уведомление и тексты размещаются также в информационной системе общего пользования - на официальном сайте Федерального агентства по техническому регулированию и метрологии в сети Интернет (gost.ru).
1. Область применения
Настоящий стандарт устанавливает характеристики установочных винтов с шестигранным углублением и цилиндрическим концом, с резьбой от М1,6 до М24 включительно и класса точности A.
В случаях, когда необходимы характеристики, отличающиеся от установленных в настоящем стандарте, они могут быть выбраны из действующих международных стандартов, например ИСО 261, ИСО 898-5, ИСО 965-2, ИСО 3506-3 и ИСО 4759-1.
2. Нормативные ссылки
Следующие нормативные документы обязательны при применении настоящего стандарта. Для датированных ссылок применять только указанные ниже стандарты. Для недатированных ссылок применять последнее издание ссылочных документов (включая все изменения).
ИСО 225 Изделия крепежные. Болты, винты, шпильки и гайки. Символы и обозначения размеров (ISO 225, Fasteners - Bolts, screws, studs and nuts - Symbols and designations of dimensions)
ИСО 261 Резьбы метрические ISO общего назначения. Общий вид (ISO 261, ISO general-purpose metric screw threads - General plan)
ИСО 898-5 Механические свойства крепежных изделий из углеродистой и легированной стали. Часть 5. Установочные винты и аналогичные резьбовые крепежные детали, не подвергаемые растягивающим напряжениям (ISO 898-5, Mechanical properties of fasteners made of carbon steel and alloy steel - Part 5: Set screws and similar threaded fasteners not under tensile stresses)
ИСО 965-2 Резьбы метрические ISO общего назначения. Допуски. Часть 2. Предельные размеры резьб для болтов и гаек общего назначения. Средний класс точности (ISO 965-2, ISO general purpose metric screw threads - Tolerances - Part 2: Limits of sizes for general purpose external and internal screw threads - Medium quality)
ИСО 965-3 Резьбы метрические ISO общего назначения. Допуски. Часть 3. Отклонения для конструкционных резьб (ISO 965-3, ISO general purpose metric screw threads - Tolerances - Part 3: Deviations for constructional screw threads)
ИСО 3269 Изделия крепежные. Приемочный контроль (ISO 3269, Fasteners - Acceptance inspection)
ИСО 3506-3 Механические свойства крепежных изделий из коррозионно-стойкой нержавеющей стали. Часть 3. Установочные винты и аналогичные крепежные изделия, не подвергаемые растягивающему напряжению (ISO 3506-3, Mechanical properties of corrosion-resistant stainless-steel fasteners - Part 3: Set screws and similar fasteners not under tensile stress)
ИСО 4042 Изделия крепежные. Электролитические покрытия (ISO 4042, Fasteners - Electroplated coatings)
ИСО 4759-1 Изделия крепежные. Допуски. Часть 1. Болты, винты, шпильки и гайки. Классы A, B и C (ISO 4759-1, Tolerances for fasteners - Part 1: Bolts, screws, studs and nuts - Product grades A, B and C)
ИСО 6157-1 Изделия крепежные. Дефекты поверхности. Часть 1. Болты, винты и шпильки общего назначения (ISO 6157-1, Fasteners - Surface discontinuities - Part 1: Bolts, screws and studs for general requirements)
ИСО 8839 Механические свойства крепежных изделий. Болты, винты, шпильки и гайки из цветных металлов (ISO 8839, Mechanical properties of fasteners - Bolts, screws, studs and nuts made of non-ferrous metals)
ИСО 8992 Изделия крепежные. Общие требования для болтов, винтов, шпилек и гаек (ISO 8992, Fasteners - General requirements for bolts, screws, studs and nuts)
ИСО 10683 Изделия крепежные. Неэлектролитические цинк-ламельные покрытия (ISO 10683, Fasteners - Non-electrolytically applied zinc flake coatings)
ИСО 23429 Контроль калибром шестигранных углублений (ISO 23429, Gauging of hexagon sockets).
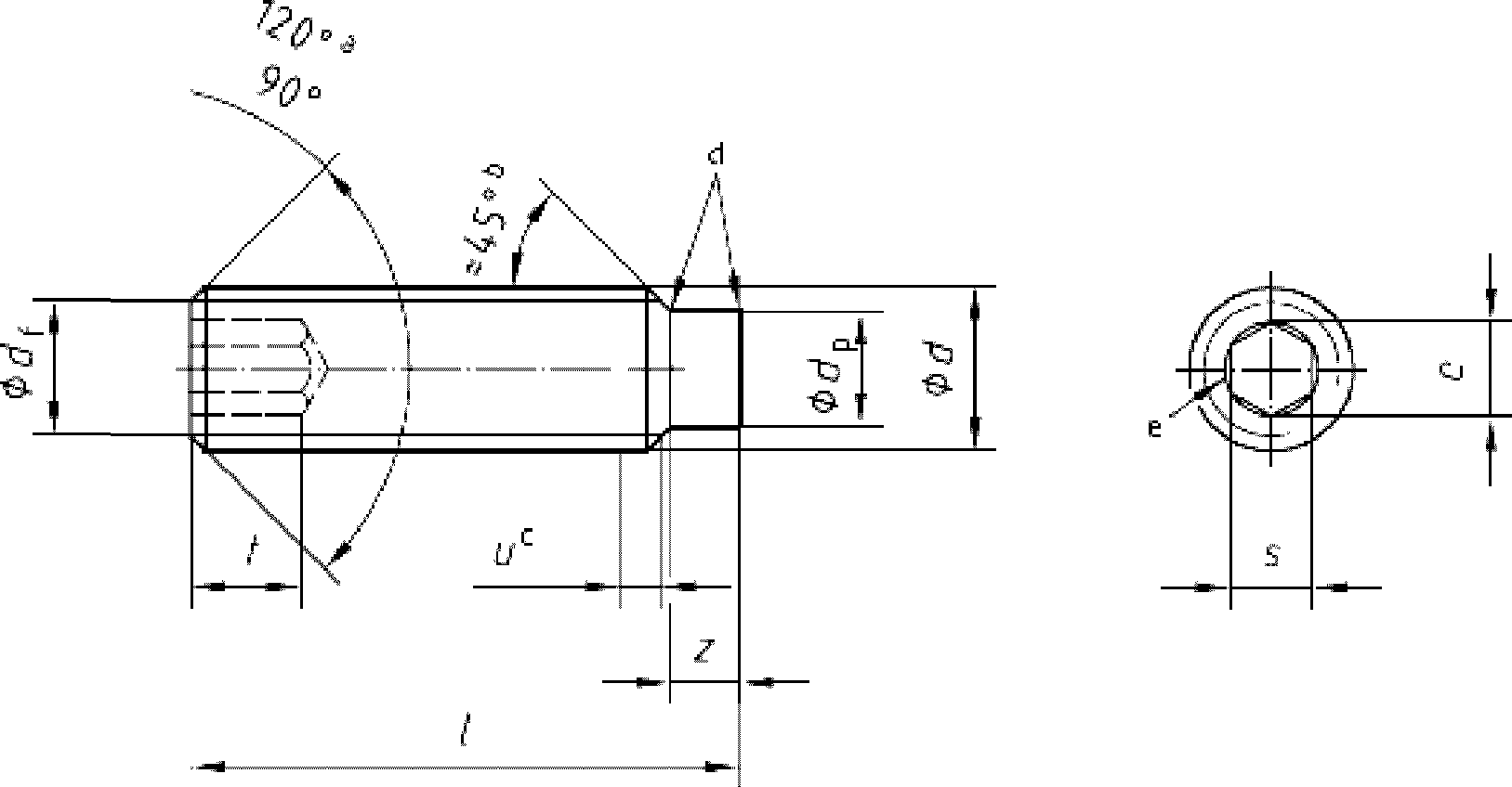
3. Размеры
Размеры винтов указаны на рисунке 1 и в таблице 1.
Символы и обозначения размеров по ИСО 225.
Возможный вариант формы углубления
Для прошитых углублений наибольший предельный размер расширения в результате сверления не должен превышать 1/3 длины любой грани углубления, равной e/2.
--------------------------------
<a> Угол 120° - требование для коротких винтов, номинальные длины l, которых расположены в затененной области таблицы 1.
<b> Угол 45° относится только к концевой части, расположенной ниже внутреннего диаметра резьбы.
<c> Неполная резьба u < 2P.
<d> Минимальный радиус.
<e> Допускается минимальное скругление или коническая зенковка на выходе углубления.
Рисунок 1
Таблица 1
Размеры
В миллиметрах
4. Технические требования и ссылочные стандарты
Технические требования в соответствии с таблицей 2.
Таблица 2
Технические требования и ссылочные стандарты
Материал
Сталь
Коррозионно-стойкая сталь
Цветной металл
Общие требования
Обозначение стандарта
ИСО 8992
Резьба
Допуски
6g
Обозначение стандарта
ИСО 261, ИСО 965-2, ISO 965-3
Механические свойства
Класс твердости
45Н
А1-12Н, А2-21Н, А3-21Н, А4-21Н, А5-21Н
По согласованию
Обозначение стандарта
ИСО 898-5
ИСО 3506-3
ИСО 8839
Допуски
Класс точности
A
Обозначение стандарта
ИСО 4759-1
Отделка - покрытие
Без покрытия
Без отделки
Без отделки
Требования к электролитическим покрытиям по ИСО 4042
Требования к электролитическим покрытиям по ИСО 4042
Требования к неэлектролитическим цинк-ламельным покрытиям по ИСО 10683
Дефекты поверхности
Допустимые дефекты поверхности по ИСО 6157-1
-
-
Приемка
Приемочный контроль по ИСО 3269
5. Обозначение
Пример - Винт установочный с шестигранным углублением и цилиндрическим концом, с резьбой М6, номинальной длиной l = 12 мм и класса твердости 45Н обозначают следующим образом:
Винт установочный с шестигранным углублением
ГОСТ Р ИСО 4028 - М6 x 12 - 45Н.
Приложение ДА
(справочное)
СВЕДЕНИЯ О СООТВЕТСТВИИ ССЫЛОЧНЫХ
МЕЖДУНАРОДНЫХ СТАНДАРТОВ ССЫЛОЧНЫМ НАЦИОНАЛЬНЫМ СТАНДАРТАМ
РОССИЙСКОЙ ФЕДЕРАЦИИ (И ДЕЙСТВУЮЩИМ В ЭТОМ КАЧЕСТВЕ
МЕЖГОСУДАРСТВЕННЫМ СТАНДАРТАМ)
Таблица ДА.1
Обозначение ссылочного международного стандарта
Степень соответствия
Обозначение и наименование соответствующего национального стандарта
ИСО 225
-
ИСО 261
MOD
ГОСТ 8724-2002 (ИСО 261-98) "Основные нормы взаимозаменяемости. Резьба метрическая. Диаметры и шаги"
ИСО 898-5
IDT
ГОСТ Р ИСО 898-5-2009 "Механические свойства крепежных изделий из углеродистой и легированной стали. Часть 5. Установочные винты и аналогичные резьбовые крепежные изделия, не подвергаемые растягивающим напряжениям"
ИСО 965-2
-
ИСО 965-3
MOD
ГОСТ 16093-2004 (ИСО 965-1:1998, ИСО 965-3:1998) "Основные нормы взаимозаменяемости. Резьба метрическая. Допуски. Посадки с зазором"
ИСО 3269
IDT
ГОСТ Р ИСО 3269-2009 "Изделия крепежные. Приемочный контроль"
ИСО 3506-3
IDT
ГОСТ Р ИСО 3506-3-2009 "Механические свойства крепежных изделий из коррозионно-стойкой нержавеющей стали. Часть 3. Установочные винты и аналогичные крепежные изделия, не подвергаемые растягивающему напряжению"
ИСО 4042
IDT
ГОСТ Р ИСО 4042-2009 "Изделия крепежные. Электролитические покрытия"
ИСО 4759-1
IDT
ГОСТ Р ИСО 4759-1-2009 "Изделия крепежные. Допуски. Часть 1. Болты, винты, шпильки и гайки. Классы точности A, B и C"
ИСО 6157-1
IDT
ГОСТ Р ИСО 6157-1-2009 "Изделия крепежные. Дефекты поверхности. Часть 1. Болты, винты и шпильки общего назначения"
ИСО 8839
IDT
ГОСТ Р ИСО 8839-2009 "Механические свойства крепежных изделий. Болты, винты, шпильки и гайки из цветных металлов"
ИСО 8992
IDT
ГОСТ Р ИСО 8992-2011 "Изделия крепежные. Общие требования для болтов, винтов, шпилек и гаек"
ИСО 10683
IDT
ГОСТ Р ИСО 10683-2013 "Изделия крепежные. Неэлектролитические цинк-ламельные покрытия"
ИСО 23429
-
<*> Соответствующий национальный стандарт отсутствует. До его утверждения рекомендуется использовать перевод на русский язык данного международного стандарта. Перевод данного международного стандарта находится в Федеральном информационном фонде технических регламентов и стандартов.
Примечание. В настоящей таблице использованы следующие условные обозначения степени соответствия стандартов:
- IDT - идентичные стандарты;
- MOD - модифицированные стандарты.
--------------------------------
<1> Разрабатывается ГОСТ ISO 23429.. (ИСО 23429:2004, IDT).