Главная // Актуальные документы // ГОСТ Р (Государственный стандарт)СПРАВКА
Источник публикации
М.: Стандартинформ, 2019
Примечание к документу
Документ
введен в действие с 1 ноября 2019 года.
Название документа
"ГОСТ Р 58408-2019. Национальный стандарт Российской Федерации. Сети электрические собственных нужд и оперативного тока железнодорожных тяговых подстанций, трансформаторных подстанций и линейных устройств системы тягового электроснабжения. Технические требования, правила проектирования, методы электрических расчетов"
(утв. и введен в действие Приказом Росстандарта от 16.05.2019 N 194-ст)
"ГОСТ Р 58408-2019. Национальный стандарт Российской Федерации. Сети электрические собственных нужд и оперативного тока железнодорожных тяговых подстанций, трансформаторных подстанций и линейных устройств системы тягового электроснабжения. Технические требования, правила проектирования, методы электрических расчетов"
(утв. и введен в действие Приказом Росстандарта от 16.05.2019 N 194-ст)
Утвержден и введен в действие
агентства по техническому
регулированию и метрологии
от 16 мая 2019 г. N 194-ст
НАЦИОНАЛЬНЫЙ СТАНДАРТ РОССИЙСКОЙ ФЕДЕРАЦИИ
СЕТИ ЭЛЕКТРИЧЕСКИЕ СОБСТВЕННЫХ НУЖД
И ОПЕРАТИВНОГО ТОКА ЖЕЛЕЗНОДОРОЖНЫХ ТЯГОВЫХ ПОДСТАНЦИЙ,
ТРАНСФОРМАТОРНЫХ ПОДСТАНЦИЙ И ЛИНЕЙНЫХ УСТРОЙСТВ
СИСТЕМЫ ТЯГОВОГО ЭЛЕКТРОСНАБЖЕНИЯ
ТЕХНИЧЕСКИЕ ТРЕБОВАНИЯ, ПРАВИЛА ПРОЕКТИРОВАНИЯ,
МЕТОДЫ ЭЛЕКТРИЧЕСКИХ РАСЧЕТОВ
Auxiliary electric networks for railway traction
substations, transformer substations and power supply
linear devices. Technical requirements, design rules,
electric calculation methods
ГОСТ Р 58408-2019
Дата введения
1 ноября 2019 года
1 РАЗРАБОТАН Проектно-конструкторским бюро по инфраструктуре - филиалом Открытого акционерного общества "Российские железные дороги" (ПКБ И)
2 ВНЕСЕН Техническим комитетом по стандартизации ТК 45 "Железнодорожный транспорт"
3 УТВЕРЖДЕН И ВВЕДЕН В ДЕЙСТВИЕ
Приказом Федерального агентства по техническому регулированию и метрологии от 16 мая 2019 г. N 194-ст
4 ВВЕДЕН ВПЕРВЫЕ
5 Федеральное агентство по техническому регулированию и метрологии не несет ответственности за патентную чистоту настоящего стандарта. Патентообладатель может заявить о своих правах и направить в Федеральное агентство по техническому регулированию и метрологии аргументированное предложение о внесении в настоящий стандарт поправки для указания информации о наличии в стандарте объектов патентного права и патентообладателе
Правила применения настоящего стандарта установлены в статье 26 Федерального закона от 29 июня 2015 г. N 162-ФЗ "О стандартизации в Российской Федерации". Информация об изменениях к настоящему стандарту публикуется в ежегодном (по состоянию на 1 января текущего года) информационном указателе "Национальные стандарты", а официальный текст изменений и поправок - в ежемесячном информационном указателе "Национальные стандарты". В случае пересмотра (замены) или отмены настоящего стандарта соответствующее уведомление будет опубликовано в ближайшем выпуске ежемесячного информационного указателя "Национальные стандарты". Соответствующая информация, уведомление и тексты размещаются также в информационной системе общего пользования - на официальном сайте Федерального агентства по техническому регулированию и метрологии в сети Интернет (www.gost.ru)
Настоящий стандарт распространяется на электрические сети собственных нужд и оперативного тока железнодорожных тяговых подстанций, трансформаторных подстанций и линейных устройств системы тягового электроснабжения и устанавливает технические требования к этим сетям, правила их проектирования и методы электрических расчетов.
В настоящем стандарте использованы нормативные ссылки на следующие документы:
ГОСТ 12.4.026 Система стандартов безопасности труда. Цвета сигнальные, знаки безопасности и разметка сигнальная. Назначение и правила применения. Общие технические требования и характеристики. Методы испытаний
ГОСТ 961 Плитки кислотоупорные и термокислотоупорные керамические. Технические условия
ГОСТ 2213-79 Предохранители переменного тока на напряжение 3 кВ и выше. Общие технические условия
ГОСТ 7746 Трансформаторы тока. Общие технические условия
ГОСТ 9128 Смеси асфальтобетонные, полимерасфальтобетонные, асфальтобетон, полимерасфальтобетон для автомобильных дорог и аэродромов. Технические условия
ГОСТ 9680-77 Трансформаторы силовые мощностью 0,01 кВ·А и более. Ряд номинальных мощностей
ГОСТ 14254 (IEC 60529:2013) Степени защиты, обеспечиваемые оболочками (Код IP)
ГОСТ 15150-69 Машины, приборы и другие технические изделия. Исполнения для различных климатических районов. Категории, условия эксплуатации, хранения и транспортирования в части воздействия климатических факторов внешней среды
ГОСТ 15845 Изделия кабельные. Термины и определения
ГОСТ 16110 Трансформаторы силовые. Термины и определения
ГОСТ 16350-80 Климат СССР. Районирование и статистические параметры климатических факторов для технических целей
ГОСТ 22483-2012 (IEC 60228:2004) Жилы токопроводящие для кабелей, проводов и шнуров
ГОСТ 23494 Грунтовка ХС-059, эмали ХС-759, лак ХС-724. Технические условия
ГОСТ 26522 Короткие замыкания в электроустановках. Термины и определения
ГОСТ 28249 Короткие замыкания в электроустановках. Методы расчета в электроустановках переменного тока напряжением до 1 кВ
ГОСТ 29176 Короткие замыкания в электроустановках. Методика расчета в электроустановках постоянного тока
ГОСТ 30030 (МЭК 742-83) Трансформаторы разделительные и безопасные разделительные трансформаторы. Технические требования
ГОСТ 30331.1 (IEC 60364-1:2005) Электроустановки низковольтные. Часть 1. Основные положения, оценка общих характеристик, термины и определения
ГОСТ 30631 Общие требования к машинам, приборам и другим техническим изделиям в части стойкости к механическим внешним воздействующим факторам при эксплуатации
ГОСТ 31196.2 (IEC 60269-2:1986) Предохранители плавкие низковольтные. Часть 2. Дополнительные требования к плавким предохранителям промышленного назначения
ГОСТ 31196.2.1 (IEC 60269-2-1:1987) Предохранители плавкие низковольтные. Часть 2-1. Дополнительные требования к плавким предохранителям промышленного назначения. Разделы I - III
ГОСТ 31947-2012 Провода и кабели для электрических установок на номинальное напряжение до 450/750 В включительно. Общие технические условия
ГОСТ 32895 Электрификация и электроснабжение железных дорог. Термины и определения
ГОСТ 34062-2017 Тяговые подстанции, трансформаторные подстанции и линейные устройства тягового электроснабжения железной дороги. Требования безопасности и методы контроля
ГОСТ Р 50030.2-2010 (МЭК 60947-2:2006) Аппаратура распределения и управления низковольтная. Часть 2. Автоматические выключатели
ГОСТ Р 51321.1 (МЭК 60439-1:2004) Устройства комплектные низковольтные распределения и управления. Часть 1. Устройства, испытанные полностью или частично. Общие технические требования и методы испытаний
ГОСТ Р 52719 Трансформаторы силовые. Общие технические условия
ГОСТ Р 52735 Короткие замыкания в электроустановках. Методы расчета в электроустановках переменного тока напряжением свыше 1 кВ
ГОСТ Р 52736-2007 Короткие замыкания в электроустановках. Методы расчета электродинамического и термического действия тока короткого замыкания
ГОСТ Р 54827 (МЭК 60076-11:2004) Трансформаторы сухие. Общие технические условия
ГОСТ Р 55056 Транспорт железнодорожный. Основные понятия. Термины и определения
ГОСТ Р 55437 Двигатели внутреннего сгорания поршневые. Классификация по объему автоматизации и технические требования к автоматизации
ГОСТ Р 55656-2013 (ИСО 13790:2008) Энергетические характеристики зданий. Расчет использования энергии для отопления помещений
ГОСТ Р МЭК 60050-482 Источники тока химические. Термины и определения
ГОСТ Р МЭК 62485-2-2011 Батареи аккумуляторные и установки батарейные. Требования безопасности. Часть 2. Стационарные батареи
СП 82-101-98 Приготовление и применение растворов строительных
СП 226.1326000.2014 Электроснабжение нетяговых потребителей. Правила проектирования, строительства и реконструкции
Примечание - При пользовании настоящим стандартом целесообразно проверить действие ссылочных стандартов и сводов правил в информационной системе общего пользования - на официальном сайте Федерального агентства по техническому регулированию и метрологии в сети Интернет или по ежегодному информационному указателю "Национальные стандарты", который опубликован по состоянию на 1 января текущего года, и по выпускам ежемесячного информационного указателя "Национальные стандарты" за текущий год. Если заменен ссылочный документ, на который дана недатированная ссылка, то рекомендуется использовать действующую версию этого документа с учетом всех внесенных в данную версию изменений. Если заменен ссылочный документ, на который дана датированная ссылка, то рекомендуется использовать версию этого документа с указанным выше годом утверждения (принятия). Если после утверждения настоящего стандарта в ссылочный документ, на который дана датированная ссылка, внесено изменение, затрагивающее положение, на которое дана ссылка, то это положение рекомендуется применять без учета данного изменения. Если ссылочный документ отменен без замены, то положение, в котором дана ссылка на него, рекомендуется применять в части, не затрагивающей эту ссылку.
3.1
собственные нужды электростанции [подстанции]; СН: Совокупность вспомогательных устройств и относящейся к ним электрической части, обеспечивающая работу электростанции [подстанции]. |
Примечание - В настоящем стандарте в качестве электрической сети собственных нужд рассматривается совокупность источников электроэнергии (основных и резервных трансформаторов собственных нужд), распределительных устройств, кабельной сети и приемников электроэнергии в соответствии с
разделом 5.
3.2
сеть оперативного тока: Электрическая сеть переменного или постоянного тока, предназначенная для передачи и распределения электрической энергии, используемой в цепях управления, автоматики, защиты и сигнализации электростанции [подстанции]. |
Примечание - В настоящем стандарте в качестве сети оперативного тока рассматривается совокупность источников электроэнергии (аккумуляторной батареи, зарядно-подзарядных преобразователей, трансформаторов и преобразователей), распределительных устройств, кабельной сети и приемников электроэнергии в соответствии с
разделом 6.
3.3 сеть негарантированного питания собственных нужд: Сеть, электроэнергию в которую подают от основного трансформатора (основных трансформаторов) собственных нужд.
3.4 сеть гарантированного питания собственных нужд: Сеть, электроэнергию в которую подают от основного трансформатора (основных трансформаторов) собственных нужд, резервного трансформатора собственных нужд или от дизель-генератора.
3.5 сечение: Площадь поперечного сечения токопроводящей части или жилы провода воздушной линии электропередачи, электропроводки или жилы кабеля, указанная в маркоразмере изделия.
3.6 электропроводка: Совокупность проводов и кабелей, не выходящих за пределы здания или сооружения, с относящимися к ним креплениями, поддерживающими защитными конструкциями и деталями.
3.7 участок (электрической) сети: Часть (электрической) сети, имеющая одно и то же количество кабелей или проводов одной марки, одинаковое расположение проводов на опорах, одинаковые условия охлаждения кабелей и одно и то же значение протекающего тока.
3.8 защита (от коротких замыканий и перегрузки): Комплекс аппаратных и/или программных средств, предназначенный для автоматического (с использованием выключателя) отключения элемента электроустановки от источников питания электроэнергией при возникновении в нем короткого замыкания, а также отключения этого элемента или сигнализации при его перегрузке.
3.9 основная защита: Защита, предназначенная для действия при коротких замыканиях в пределах защищаемой зоны с меньшим временем, чем у других установленных на этом элементе защит, имеющих зону действия, равную или превышающую длину защищаемой зоны.
3.10 резервная защита: Защита, предназначенная для резервирования действия основной защиты при коротких замыканиях в пределах защищаемой зоны основной защиты, а также для резервирования в полном или частичном объеме основной и резервной защит смежных элементов электроустановки.
3.11 дополнительная защита: Защита, выполняющая (по сравнению с основной и резервной защитами) определенные дополнительные и/или вспомогательные функции.
3.12 добавочная опция: Дополнительная функция, улучшающая какие-либо качества или свойства защиты, не входящая в номенклатуру наименьшего обязательного состава функций.
3.13 коэффициент чувствительности (защиты): Отношение наименьшего значения воздействующей величины, возрастающей при коротких замыканиях, к уставке защиты либо отношение уставки защиты к наибольшему значению воздействующей величины, уменьшающейся при коротком замыкании, служащие для оценки чувствительности защиты к коротким замыканиям.
Примечание - Защиту считают чувствительной, если фактическое значение коэффициента чувствительности не менее нормативного.
3.14 коэффициент отстройки (защиты): Нормируемое значение требуемой кратности изменения расчетного значения воздействующей величины при выборе уставки защиты, обеспечивающее возможность снижения или исключения излишних срабатываний при внешних коротких замыканиях.
3.15 коэффициент запаса (защиты): Нормируемое значение требуемой кратности изменения расчетного значения воздействующей величины при выборе уставки защиты, обеспечивающее возможность снижения или исключения ложных срабатываний при нормальном режиме.
4 Общие требования к сетям собственных нужд и сетям оперативного тока
4.1 Требования к назначению и особенностям конструктивного исполнения
4.1.1 На тяговых подстанциях, трансформаторных подстанциях и линейных устройствах системы тягового электроснабжения в целях обеспечения электроэнергией вспомогательных цепей основного оборудования, а также вспомогательных устройств предусматривают сети собственных нужд напряжением до 1000 В, а при наличии на подстанции или линейном устройстве тягового электроснабжения выключателей на напряжение выше 1000 В - еще и сети оперативного тока.
Примечание - Под вспомогательными устройствами понимают устройства подогрева приводов коммутационных аппаратов, устройства обдува силовых трансформаторов и преобразователей, электрическое отопление, вентиляцию и освещение зданий (в т.ч. мобильных), наружное освещение открытых распределительных устройств и территории, зарядно-подзарядные преобразователи, релейные защиты, средства телемеханизации, средства постоянного технического диагностирования, охранную сигнализацию, пожарную сигнализацию, сети дистанционного управления разъединителями с двигательными приводами, средства видеонаблюдения и электрическое оборудование, предназначенное для выполнения технического обслуживания и ремонта.
4.1.2 Требования настоящего стандарта (за исключением относящихся к трансформаторным подстанциям) дифференцированы для объектов, расположенных на участках железных дорог различных категорий. Категорирование электрифицированных железнодорожных линий - в соответствии с СП 119.13330.2017
(пункт 4.2).
Для объектов, расположенных в железнодорожных узлах, к которым примыкают участки железных дорог различных категорий, применяют те требования настоящего стандарта, которые установлены для участков более высокой категории.
4.1.3 Подключение к сети собственных нужд и сети оперативного тока каких-либо приемников электроэнергии, не предусмотренных настоящим стандартом, не допускается.
Электроснабжение приемников электроэнергии, не предусмотренных настоящим стандартом, подключенных к сети собственных нужд или сети оперативного тока ранее, при реконструкции переводят на другие источники. Это требование распространяется также на электрические сети зданий, конструктивно совмещенных со зданиями тяговых и трансформаторных подстанций, в том числе здания районов контактной сети.
4.1.4 В цепях, относящихся к сети собственных нужд и выходящих за пределы заземляющего устройства тяговой подстанции, трансформаторной подстанции или линейного устройства системы тягового электроснабжения, предусматривают защитные разделительные трансформаторы по
ГОСТ 30030.
4.1.5 В сетях собственных нужд и сетях оперативного тока применяют комплектные распределительные устройства по
ГОСТ Р 51321.1 со следующими показателями надежности:
- коэффициент технического использования - не менее 0,998;
- средняя наработка на отказ - не менее 30000 ч;
- средний срок службы (полный) - не менее 25 лет;
- среднее время до восстановления - не более 2,5 ч.
4.2.1 Требования к материалу и сечению
4.2.1.1 Силовые кабели в сети собственных нужд и сети оперативного тока применяют с медными токопроводящими жилами и со следующими классификационными признаками по ГОСТ 31947-2012 (
разделы 4 -
6):
а) по степени гибкости - для условий монтажа и эксплуатации, не требующих повышенной гибкости;
б) по виду материала изоляции и оболочки - с изоляцией и оболочкой из поливинилхлоридного пластиката или полимерных композиций, не имеющими токопроводящих брони и оболочки;
в) по исполнению в части показателей пожарной опасности - нг(А) или нг(А)-LS;
г) по сечению токопроводящих жил - сечением не менее 2,5 мм
2.
4.2.1.2 Контрольные кабели, кабели управления и сигнально-блокировочные кабели в сети собственных нужд применяют с медными токопроводящими жилами и со следующими классификационными признаками по ГОСТ 26411-85 (
разделы 1 -
3):
а) по степени гибкости - классов 1 и 2 по
ГОСТ 22483;
б) по виду материала изоляции и оболочки:
1) кабели, выходящие из пределов здания (за исключением мобильных зданий с корпусами из токопроводящих материалов, в которых располагаются электроустановки или их отдельные части, подлежащие заземлению на внутренний контур заземления), - с изоляцией из поливинилхлоридного пластиката или полимерных композиций и экраном из медной фольги или медной ленты;
2) кабели, не выходящие из пределов здания или проложенные полностью или на части длины в мобильных зданиях с корпусами из токопроводящих материалов, в которых располагаются электроустановки или их отдельные части, подлежащие заземлению на внутренний контур заземления, - с изоляцией и оболочкой из поливинилхлоридного пластиката или полимерных композиций без токопроводящих экранов;
4.2.1.3 Конкретный вариант исполнения в части показателей пожарной опасности для кабелей, указанных в
4.2.1.1 и
4.2.1.2, определяют по ГОСТ 31565-2012
(раздел 6) исходя из условий прокладки.
4.2.1.4 Проводимость PEN-, PE- и N-проводников сети собственных нужд во всех случаях должна быть равной 100% проводимости фазных проводников.
Примечание - Обозначения рабочих проводников и заземления - по
ГОСТ 30331.1.
4.2.1.5 В одном и том же контрольном кабеле, кабеле управления или сигнально-блокировочном кабеле не допускается объединение двух или более электрических цепей из числа следующих:
- взаиморезервирующих цепей;
- цепей земляной защиты на тяговых подстанциях постоянного тока и стыковых подстанциях;
- цепей, выходящих за пределы заземляющего устройства тяговой подстанции или линейного устройства системы тягового электроснабжения, и цепей, не выходящих за эти пределы;
- цепей, относящихся к различным частям сети собственных нужд по степени надежности (из числа указанных в
5.1.1.1);
- цепей, относящихся к разным системам токоведущих проводников и заземления (из числа указанных в
5.2.1.2).
4.2.2 Требования к прокладке кабелей
4.2.2.1 Силовые кабели, контрольные кабели, кабели управления или сигнально-блокировочные кабели по территории подстанции или линейного устройства системы тягового электроснабжения прокладывают:
- при количестве параллельно прокладываемых на данном участке кабелей до 7 - в грунте;
- при количестве параллельно прокладываемых на данном участке кабелей свыше 7 - в наземных лотках.
Лотки, предназначенные для прокладки кабелей, устанавливают на железобетонные прокладки, укладываемые на щебеночное основание. Должны быть предусмотрены меры по устройству дренажа и отводу воды из лотков.
4.2.2.2 Кабельные каналы разделяют на отсеки протяженностью не более 150 м перегородками с пределом огнестойкости не менее 0,75 ч. Такие же перегородки предусматривают в местах прохода кабелей через межэтажные перекрытия и выхода кабелей из закрытых распределительных устройств и помещения щита управления.
4.2.2.3 Трассу кабелей, прокладываемых в грунте, и кабельных лотков размещают таким образом, чтобы:
- отклонение каждого из участков трассы от прямой линии не превышало 0,1 м на 10 м длины участка;
- отклонение каждого из участков трассы от главной планировочной оси площадки подстанции (линейного устройства системы тягового электроснабжения), стены здания или перпендикуляров к ним не превышало 5°;
- расстояние от кабелей до элементов заземляющих устройств системы молниезащиты было не менее 10 м.
4.2.3 Требования к соединению кабелей
4.2.3.1 В случаях, когда длина трассы контрольного кабеля, кабеля управления или сигнально-блокировочного кабеля превышает его строительную длину, для соединения жил кабелей предусматривают промежуточные ряды зажимов.
4.2.3.2 Кабели и их жилы в местах присоединения к рядам зажимов и аппаратам должны быть маркированы.
Каждому из кабелей, входящих в сети собственных нужд или оперативного тока, присваивают условное буквенно-цифровое обозначение. Структура условного обозначения показана:
- для кабелей, не имеющих выраженной функциональной связи с каким-либо определенным присоединением распределительного устройства, - на
рисунке 1;
- для кабелей, имеющих функциональную связь с каким-либо определенным присоединением распределительного устройства, - на
рисунке 2.
Рисунок 1 - Структура условного буквенно-цифрового
обозначения кабелей, не имеющих выраженной функциональной
связи с каким-либо определенным присоединением
распределительного устройства
Рисунок 2 - Структура условного буквенно-цифрового
обозначения кабелей, имеющих выраженную функциональную
связь с каким-либо определенным присоединением
распределительного устройства
В пределах одной и той же подстанции или одного и того же линейного устройства системы тягового электроснабжения условные буквенно-цифровые обозначения кабелей не должны повторяться.
4.2.3.3 Соединения аппаратов между собой в пределах одной панели выполняют, как правило, непосредственно без выведения соединяющих проводов на промежуточные зажимы. Исключения допускаются для:
- цепей, в которые требуется включать испытательные и проверочные аппараты и приборы;
- цепей, переключение которых требуется для изменения режима работы электроустановок или их отдельных частей.
4.2.3.4 Промежуточные зажимы предусматривают там, где:
- провод переходит в кабель;
- объединяются одноименные цепи;
- требуется включать переносные испытательные и измерительные аппараты, если нет испытательных блоков или аналогичных устройств;
- несколько кабелей переходят в один кабель или перераспределяются цепи различных кабелей;
- необходимо выполнение требования
4.2.3.1.
4.2.3.5 Зажимы, относящиеся к разным распределительным устройствам или к разным присоединениям одного и того же распределительного устройства, выделяют в отдельные сборки зажимов.
На рядах зажимов не должны находиться рядом друг с другом зажимы, случайное соединение которых может вызвать включение или отключение коммутационного аппарата или короткое замыкание в цепях оперативного тока.
При размещении на панели или в шкафу аппаратуры, относящейся к разным видам защит, или других устройств одного присоединения подача питания от полюсов оперативного тока через сборки зажимов, а также разводка этих цепей по панели должны быть выполнены независимо для каждого вида защиты или устройств. Если в цепях отключения от отдельных комплектов защит не предусматриваются накладки, то присоединение этих цепей к выходному реле защиты или цепям отключения выключателя следует осуществлять через отдельные зажимы (сборки зажимов), при этом соединения в панели указанных цепей следует выполнять независимо для каждого вида защиты.
Для цепей электрических блокировок положения настоящего подпункта являются рекомендуемыми.
4.2.3.6 В цепях защиты и автоматики должны быть предусмотрены специальные зажимы, обеспечивающие возможность:
- отключения цепи от источника оперативного тока, трансформаторов напряжения и тока (с возможностью предварительного закорачивания токовых цепей) без отсоединения проводов и кабелей;
- присоединения к цепи измерительных приборов и/или испытательного оборудования.
Устройства релейной защиты и автоматики, периодически выводимые из работы по требованиям режима сети, условиям селективности и другим причинам, должны иметь специальные приспособления для вывода их из работы оперативным персоналом.
4.2.3.7 Сборки зажимов, вспомогательные контакты выключателей и разъединителей и аппараты должны быть установлены, а заземляющие проводники смонтированы так, чтобы была обеспечена доступность и безопасность обслуживания сборок и аппаратов вторичных цепей без снятия напряжения с токоведущих частей напряжением выше 1 кВ.
5 Требования к сетям собственных нужд
5.1 Деление по степени надежности
5.1.1.1 Сеть собственных нужд всех тяговых подстанций подразделяется на две части:
- сеть негарантированного питания собственных нужд;
- сеть гарантированного питания собственных нужд.
5.1.1.2 Каждый из приемников электроэнергии подключают только к одной из частей сети собственных нужд, перечисленных в
5.1.1.1. Электрическое объединение рабочих проводников, PEN-, PE- и N-проводников разных частей сети собственных нужд, а также использование для этих проводников токопроводящих жил одного и того же кабеля не допускается.
5.1.2 Трансформаторные подстанции
5.1.2.1 Сеть собственных нужд трансформаторных подстанций, от которых электроэнергия передается в линии электропередачи автоблокировки, подразделяется аналогично
5.1.1.1 для тяговых подстанций.
5.1.2.2 Сеть собственных нужд трансформаторных подстанций, от которых электроэнергия не передается в линии электропередачи автоблокировки, по степени надежности не подразделяется.
5.1.3 Линейные устройства системы тягового электроснабжения
5.1.3.1 Сеть собственных нужд постов секционирования переменного тока с выключателями, пунктов параллельного соединения переменного тока и автотрансформаторных пунктов, а также пунктов группировки, на которых используется передача сигналов управления с поста электрической централизации (поста ЭЦ) по волоконно-оптическому кабелю, подразделяется аналогично
5.1.1.1 для тяговых подстанций.
5.1.3.2 Сеть собственных нужд линейных устройств системы тягового электроснабжения, не указанных в
5.1.3.1, по степени надежности не подразделяется.
5.2 Номинальное напряжение, система токоведущих проводников и заземления
5.2.1 Тяговые подстанции
5.2.1.1 На вновь сооружаемых и полностью реконструируемых тяговых подстанциях предусматривают трехфазную сеть собственных нужд переменного тока номинальным линейным напряжением 0,4 кВ. Варианты систем токоведущих проводников и типа заземления (из числа установленных
ГОСТ 30331.1) в зависимости от назначения и конструкции тяговой подстанции - в соответствии с 5.2.1.2 и
5.2.1.3.
5.2.1.2 На тяговых подстанциях постоянного тока и стыковых подстанциях, если на подстанции имеются мобильные здания с корпусами из токопроводящих материалов, в которых располагаются электроустановки или их отдельные части, подлежащие заземлению на внутренний контур заземления, применяют комбинированную сеть собственных нужд, состоящую из:
а) системы токоведущих проводников и заземления TN-C-S;
б) системы токоведущих проводников и заземления IT.
К части сети собственных нужд с системой токоведущих проводников и заземления IT подключают приемники электроэнергии, расположенные в мобильных зданиях с корпусами из токопроводящих материалов, в которых располагаются электроустановки или их отдельные части, подлежащие заземлению на внутренний контур заземления. К части сети собственных нужд с системой токоведущих проводников и заземления TN-C-S подключают все остальные приемники электроэнергии.
Электрическое объединение рабочих, PEN-, PE- и N-проводников частей сети собственных нужд с разными системами токоведущих проводников и заземления, а также использование для этих проводников токопроводящих жил одного и того же кабеля не допускается.
5.2.1.3 На тяговых подстанциях постоянного тока и стыковых подстанциях, если на подстанции отсутствуют мобильные здания с корпусами из токопроводящих материалов, в которых располагаются электроустановки или их отдельные части, подлежащие заземлению на внутренний контур заземления, а также на всех тяговых подстанциях переменного тока применяют сеть собственных нужд с системой токоведущих проводников и заземления TN-C-S.
Примечание - К таким подстанциям относятся все тяговые подстанции переменного тока, а также те тяговые подстанции постоянного тока и стыковые подстанции, на которых мобильные здания с корпусами из токопроводящих материалов отсутствуют или в этих зданиях не располагаются электроустановки или их отдельные части, подлежащие заземлению на внутренний контур заземления.
5.2.1.4 Систему токоведущих проводников и заземления TN-C (с объединенным PEN-проводником) применяют на участках сети:
- от выводов обмотки низшего напряжения основных трансформаторов собственных нужд до сборных шин распределительного устройства негарантированного питания сети собственных нужд;
- от выводов обмотки низшего напряжения резервного трансформатора собственных нужд и дизель-генератора до сборных шин распределительного устройства гарантированного питания сети собственных нужд.
На остальных участках сети собственных нужд применяют систему токоведущих проводников и заземления TN-S (с разделенными PE- и N-проводниками). Объединение PE- и N-проводников на этих участках не допускается.
В месте разделения PEN-проводника на PE- и N-проводники предусматривают отдельные зажимы или шины для проводников, соединенные между собой, при этом PEN-проводник подключают к тому же зажиму или шине, что и PE-проводник.
5.2.1.5 Рабочее заземление нейтрали сети собственных нужд предусматривают на выводах обмотки низшего напряжения трансформатора (трансформаторов) собственных нужд и выводах дизель-генератора. Заземление PEN-, PE- и N-проводников в других точках сети не допускается.
5.2.1.6 Часть сети собственных нужд, имеющую систему токоведущих проводников и заземления IT, оборудуют устройством постоянного контроля изоляции по ГОСТ 34062-2017
(пункт 4.5.16).
5.2.1.7 На тяговых подстанциях, подвергаемых частичной реконструкции, допускается сохранять сеть собственных нужд с номинальным напряжением, системой токоведущих проводников и заземления, предусмотренными первоначальным проектом.
5.2.2 Трансформаторные подстанции
5.2.2.1 На трансформаторных подстанциях, от которых электроэнергия передается в линии электропередачи автоблокировки, применяют трехфазную сеть собственных нужд переменного тока номинальным линейным напряжением 0,4 кВ с системой токоведущих проводников и заземления TN-C-S с заземлением нейтрали аналогично
5.2.1.4 и
5.2.1.5.
5.2.2.2 На трансформаторных подстанциях, от которых электроэнергия не передается в линии электропередачи автоблокировки, предусматривают один из следующих вариантов:
- при наличии в сети собственных нужд трехфазных приемников электроэнергии - трехфазную сеть собственных нужд, аналогичную
5.2.2.1;
- при отсутствии в сети собственных нужд трехфазных приемников электроэнергии - однофазную сеть собственных нужд переменного тока номинальным напряжением 0,23 кВ с системой токоведущих проводников и заземления TN-S (с разделенными и PE- и N-проводниками).
5.2.2.3 Требования к рабочему заземлению нейтрали сети собственных нужд аналогичны
5.2.1.5.
5.2.2.4 На трансформаторных подстанциях, подвергаемых частичной реконструкции, допускается сохранять сеть собственных нужд с системой токоведущих проводников и заземления, предусмотренной первоначальным проектом.
5.2.3 Линейные устройства системы тягового электроснабжения
5.2.3.1 На вновь сооружаемых и реконструируемых линейных устройствах системы тягового электроснабжения предусматривают:
а) на линейных устройствах системы тягового электроснабжения постоянного тока, имеющих выключатели (постах секционирования, пунктах параллельного соединения, пунктах преобразования напряжения и пунктах подготовки к рейсу пассажирских вагонов) - трехфазную сеть собственных нужд переменного тока номинальным линейным напряжением 0,4 кВ с системой токоведущих проводников и заземления IT;
б) на всех остальных линейных устройствах системы тягового электроснабжения - однофазную сеть переменного тока номинальным напряжением 0,23 кВ с системой токоведущих проводников и заземления IT.
5.3 Источники электроэнергии для сетей собственных нужд тяговых подстанций
5.3.1 Общие положения
5.3.1.1 К источникам электроэнергии для сетей собственных нужд тяговых подстанций относятся:
а) трансформаторы собственных нужд:
1) основные;
2) резервные;
б) дизель-генераторные агрегаты.
Требования к особенностям использования каждого из перечисленных видов источников электроэнергии - по 5.3.2,
5.3.3.
5.3.2 Требования к трансформаторам собственных нужд
5.3.2.1 На вновь сооружаемых тяговых подстанциях предусматривают:
а) на подстанциях, расположенных на высокоскоростных железнодорожных линиях, железнодорожных линиях категории II и выше, а также железнодорожных линиях независимо от категории, если к этим подстанциям примыкает хотя бы одна подстанционная зона с консольным режимом питания, - два основных и один резервный трансформаторы собственных нужд;
б) на подстанциях, расположенных на железнодорожных линиях III категории [кроме удовлетворяющих условию, указанному в
перечислении а)], - два основных трансформатора собственных нужд;
в) на подстанциях, расположенных на железнодорожных линиях IV категории [кроме удовлетворяющих условию, указанному в
перечислении а)], - один основной и один резервный трансформаторы собственных нужд.
5.3.2.2 Для реконструируемых тяговых подстанций указанное в
5.3.2.1 количество основных и резервных трансформаторов собственных нужд является рекомендуемым. На таких подстанциях допускается сохранять количество трансформаторов собственных нужд, превышающее указанное в
5.3.2.1.
5.3.2.3 Обмотку высшего напряжения основного трансформатора собственных нужд на вновь сооружаемых и реконструируемых тяговых подстанциях подключают через выключатель к сборным шинам трехфазных распределительных устройств напряжением, как правило, 6, 10, 15, 20 или 35 кВ. При наличии на одной и той же подстанции нескольких распределительных устройств указанных классов напряжения предпочтение отдают распределительным устройствам напряжением до 10 кВ.
При двух основных трансформаторах собственных нужд их обмотки высшего напряжения подключают через выключатели к разным секциям сборных шин трехфазного распределительного устройства. При этом сборные шины распределительного устройства должны быть секционированы выключателем.
Исключения допускаются только для тяговых подстанций переменного тока, на которых распределительные устройства указанных напряжений не предусматриваются. В этом случае для подключения обмоток высшего напряжения основных трансформаторов собственных нужд используют сборные шины распределительных устройств напряжением 25 или 2 x 25 кВ.
5.3.2.4 Обмотку высшего напряжения резервного трансформатора собственных нужд на вновь сооружаемых и реконструируемых тяговых подстанциях подключают через трехфазный комплект предохранителей и развилку из двух разъединителей к ответвлениям от двух линий электропередачи продольного электроснабжения либо линий электропередачи системы "два провода-рельсы", имеющих двустороннее питание. Если двустороннее питание имеет только одна из линий, то обмотку высшего напряжения резервного трансформатора собственных нужд подключают через разъединитель и трехфазный комплект предохранителей к отпайке от этой линии.
При количестве линий электропередачи продольного электроснабжения, имеющих двустороннее питание, либо линий электропередачи системы "два провода-рельсы", превышающем 2, предпочтение отдают тем линиям, на которые в нормальном режиме электроэнергия подается от смежных подстанций.
5.3.2.5 В качестве основного и резервного трансформаторов собственных нужд используют трехфазные двухобмоточные трансформаторы, удовлетворяющие следующим требованиям:
а) по схеме соединения обмоток - со схемой "звезда"-"звезда";
б) по способу регулирования напряжения - с устройствами переключения ответвлений без возбуждения;
в) по конструкции:
2) при высшем напряжении от 15 до 35 кВ - масляные по
ГОСТ Р 52719;
г) по показателям надежности:
1) коэффициент технического использования - не менее 0,998;
2) средняя наработка на отказ - не менее 30000 ч;
3) средний срок службы (полный) - не менее 30 лет;
4) среднее время до восстановления - не более 2,5 ч;
д) по показателям энергетической эффективности - с потерями, не превышающими указанные в таблице 1.
Таблица 1
Предельно допустимые значения потерь силовых
трансформаторов, применяемых в качестве
трансформаторов собственных нужд
Номинальная мощность трансформатора, кВ·А | Значение потерь, кВт | Номинальная мощность трансформатора, кВ·А | Значение потерь, кВт |
холостого хода | короткого замыкания | холостого хода | короткого замыкания |
63 | 0,48 | 1,05 | 400 | 1,25 | 5,00 |
100 | 0,55 | 1,55 | 630 | 1,60 | 7,10 |
160 | 0,85 | 1,75 | 1000 | 2,2 | 9,8 |
250 | 0,90 | 3,30 | 1250 | 2,5 | 12,6 |
Примечание - Значения потерь приведены к номинальной мощности и указаны для основного ответвления обмотки. |
Группу соединения обмоток основных трансформаторов собственных нужд выбирают по условию обеспечения параллельной со смежными подстанциями работы линий электропередачи автоблокировки.
При двух основных трансформаторах собственных нужд каждый из них должен, кроме того, удовлетворять условиям параллельной работы:
- группы соединений обмоток одинаковые;
- коэффициенты трансформации различаются не более чем на +/- 0,5%;
- напряжения короткого замыкания различаются не более чем на +/- 10% среднеарифметического значения;
- проведена фазировка трансформаторов.
Мощность трансформаторов собственных нужд выбирают в соответствии с
разделом 8.
5.3.2.6 При двух основных трансформаторах собственных нужд выключатели, через которые обмотки высшего напряжения этих трансформаторов подключают к сборным шинам распределительных устройств напряжением выше 1000 В, оборудуют автоматическим включением резерва с выдержкой времени и пуском по напряжению.
5.3.2.7 В случаях, указанных в
5.2.1.2, в целях электрического разделения частей сети собственных нужд с разными системами токоведущих проводников и заземления (TN-S и IT) предусматривают защитные разделительные трансформаторы в следующем количестве:
- один - на подстанциях с одним основным трансформатором собственных нужд;
- два - на подстанциях с двумя основными трансформаторами собственных нужд.
Требования к защитным разделительным трансформаторам и условия их параллельной работы аналогичны
5.3.2.5.
5.3.3 Требования к дизель-генераторным агрегатам
5.3.3.1 На вновь сооружаемых тяговых подстанциях (за исключением подстанций, расположенных на участках, не оборудованных линией электропередачи автоблокировки) предусматривают по одному дизель-генераторному агрегату на каждую подстанцию.
5.3.3.2 Для реконструируемых тяговых подстанций указанное в
5.3.3.1 количество дизель-генераторных агрегатов является рекомендуемым. На таких подстанциях допускается сохранять дизель-генераторные агрегаты в количестве, превышающем указанное в
5.3.3.1.
5.3.3.3 Дизель-генераторные агрегаты выбирают в соответствии со следующими правилами:
а) мощность дизель-генераторного агрегата должна быть достаточной для обеспечения одновременной работы всех приемников электроэнергии, подключенных к сети гарантированного питания собственных нужд, но не менее 60 кВт;
б) время необслуживаемой работы дизель-генераторного агрегата должно быть не менее 24 ч;
в) степень автоматизации дизель-генераторного агрегата должна быть 2 по
ГОСТ Р 55437;
г) показатели надежности дизель-генераторного агрегата должны быть:
1) коэффициент технического использования - не менее 0,996;
2) средняя наработка на отказ - не менее 20000 ч;
3) средний срок службы (полный) - не менее 20 лет;
4) среднее время до восстановления - не более 4,0 ч.
При проверке требования, указанного в
перечислении а), на тяговых подстанциях, от которых отходит одна или две линии электропередачи автоблокировки, учитывают мощность, потребляемую соответственно по одной или двум таким линиям. При большем количестве отходящих линий электропередачи автоблокировки в дополнение к указанному выше учитывают мощность, потребляемую только по тем линиям, электроэнергия в которые не может быть подана со смежных тяговых или трансформаторных подстанций.
5.4 Источники электроэнергии для сетей собственных нужд трансформаторных подстанций
5.4.1.1 К источникам электроэнергии для сетей собственных нужд трансформаторных подстанций относятся:
а) трансформаторы собственных нужд:
1) основные;
2) резервные;
б) дизель-генераторные агрегаты;
в) силовые трансформаторы.
Требования к особенностям использования каждого из перечисленных видов источников электроэнергии - по 5.4.2,
5.4.3.
5.4.2 Требования к трансформаторам собственных нужд
5.4.2.1 На вновь сооружаемых трансформаторных подстанциях с высшим напряжением 110 или 220 кВ предусматривают основные трансформаторы собственных нужд в количестве, равном количеству силовых трансформаторов с высшим напряжением 110 или 220 кВ, а при наличии отходящих от подстанции линий электропередачи продольного электроснабжения с двусторонним питанием - еще и один резервный трансформатор собственных нужд.
На вновь сооружаемых трансформаторных подстанциях с высшим напряжением до 35 кВ (кроме мачтовых) необходимость применения и требования к количеству основных трансформаторов собственных нужд - в соответствии с таблицей 2.
Таблица 2
Необходимость применения и требования к количеству основных
трансформаторов собственных нужд на вновь сооружаемых
трансформаторных подстанциях с высшим напряжением до 35 кВ
Количество линий электропередачи <1>, по которым на подстанцию может быть подана электроэнергия | Наличие отходящих линий электропередачи напряжением до 1000 В | Необходимость применения и требования к количеству основных трансформаторов собственных нужд |
при отсутствии отходящих от подстанции линий электропередачи автоблокировки | при наличии отходящих от подстанции линий электропередачи автоблокировки |
1 Две или более | | | Два основных трансформатора собственных нужд |
б) Нет | Два основных трансформатора собственных нужд |
2 Одна | | | Один основной трансформатор собственных нужд |
б) Нет | Один основной трансформатор собственных нужд |
<1> Удовлетворяющие условию независимости основного и резервного источников электроэнергии. Линии электропередачи продольного электроснабжения в данном случае не учитывают. |
На вновь сооружаемых трансформаторных подстанциях с высшим напряжением до 35 кВ (кроме мачтовых) при наличии отходящих от подстанции линий электропередачи продольного электроснабжения с двусторонним питанием предусматривают также один резервный трансформатор собственных нужд.
5.4.2.2 На вновь сооружаемых мачтовых трансформаторных подстанциях с высшим напряжением до 35 кВ, а также подстанциях, удовлетворяющих условиям, указанным в
строках 1а) и
2а) таблицы 2, трансформаторы собственных нужд не предусматривают, а сети собственных нужд подключают к сборным шинам тех же распределительных устройств напряжением до 1000 В, к которым подключены отходящие от подстанции линии электропередачи соответствующего напряжения.
При этом мощность, необходимую для сети собственных нужд, учитывают при выборе мощности силовых трансформаторов данной подстанции с коэффициентами спроса и неодновременности, равными единице.
5.4.2.3 Для реконструируемых трансформаторных подстанций указанное в
5.4.2.1 количество основных и резервных трансформаторов собственных нужд является рекомендуемым. На таких подстанциях допускается сохранять количество трансформаторов собственных нужд, превышающее указанное в
5.4.2.1.
5.4.2.4 Обмотку высшего напряжения основного трансформатора собственных нужд на вновь сооружаемых и реконструируемых трансформаторных подстанциях подключают:
а) на подстанциях с сетью постоянного оперативного тока - аналогично
5.3.2.3 для тяговых подстанций;
б) на подстанциях с сетью выпрямленного или переменного оперативного тока - через трехфазный комплект предохранителей к выводам обмотки низшего напряжения силового трансформатора.
5.4.2.5 Обмотку высшего напряжения резервного трансформатора собственных нужд на вновь сооружаемых и реконструируемых трансформаторных подстанциях подключают аналогично
5.3.2.4 для тяговых подстанций.
5.4.2.6 Требования к конструкции трансформаторов собственных нужд и условиям параллельной работы аналогичны
5.3.2.5 для тяговых подстанций.
5.4.2.7 В случаях, указанных в
5.4.2.4, перечисление а), при двух основных трансформаторах собственных нужд выключатели, через которые обмотки высшего напряжения этих трансформаторов подключают к сборным шинам распределительных устройств напряжением выше 1000 В, оборудуют автоматическим включением резерва.
5.4.3 Требования к дизель-генераторным агрегатам
5.4.3.1 На вновь сооружаемых трансформаторных подстанциях, от которых электроэнергия передается в одну или несколько линий электропередачи автоблокировки, предусматривают по одному дизель-генераторному агрегату. На прочих трансформаторных подстанциях дизель-генераторные агрегаты не предусматривают.
5.4.3.2 Правила выбора дизель-генераторных агрегатов аналогичны
5.3.3.3 для тяговых подстанций.
5.5 Источники электроэнергии для сетей собственных нужд линейных устройств системы тягового электроснабжения
5.5.1 К источникам электроэнергии для сетей собственных нужд линейных устройств системы тягового электроснабжения относятся:
а) постов секционирования переменного тока с выключателями, пунктов параллельного соединения переменного тока и автотрансформаторных пунктов, а также пунктов группировки, на которых используется передача сигналов управления с поста ЭЦ по волоконно-оптическому кабелю:
1) трансформаторы собственных нужд;
2) источники бесперебойного питания;
б) линейных устройств системы тягового электроснабжения, не указанных в
перечислении а), - трансформаторы собственных нужд.
Требования к особенностям использования каждого из перечисленных видов источников электроэнергии - по 5.5.2 -
5.5.7.
5.5.2 На каждом вновь сооружаемом линейном устройстве системы тягового электроснабжения предусматривают две трансформаторные подстанции с одним трансформатором каждая (одну - для основного и вторую - для резервного электроснабжения сети собственных нужд). Исключения из этого правила - по
5.5.6 и
5.5.7.
5.5.3 Обмотку высшего напряжения основного трансформатора собственных нужд подключают к ответвлению от линии электропередачи продольного электроснабжения или системы "два провода-рельсы". Обмотку высшего напряжения резервного трансформатора собственных нужд подключают к ответвлению от линии электропередачи автоблокировки.
При этом рекомендуется использовать схемы секционирования линий электропередачи и коммутационные аппараты:
- для линий электропередачи с односторонним питанием - в соответствии с
рисунком 3;
- для линий электропередачи с двусторонним питанием - в соответствии с
рисунком 4.
1 - ответвление; 2 - линия электропередачи (направление
к источнику питания); 3 - линия электропередачи
(направление, противоположное источнику питания);
4 - разъединитель на ответвлении; 5 - разъединитель
в линии электропередачи
Рисунок 3 - Рекомендуемая схема секционирования линии
электропередачи с односторонним питанием в месте
подключения ответвления к обмотке высшего напряжения
трансформатора собственных нужд линейного устройства
системы тягового электроснабжения
1 - ответвление; 2 - линия электропередачи (направление
к источнику питания); 4 - разъединитель на ответвлении;
5 - разъединители в линии электропередачи
Рисунок 4 - Рекомендуемая схема секционирования линии
электропередачи с двусторонним питанием в месте подключения
ответвления к обмотке высшего напряжения трансформатора
собственных нужд линейного устройства системы
тягового электроснабжения
5.5.4 Для двух и более линейных устройств системы тягового электроснабжения предусматривают общую сеть собственных нужд, подключаемую к одним и тем же основному и резервному (резервным) трансформаторам собственных нужд, в следующих случаях:
- для поста секционирования переменного тока и автотрансформаторного пункта, имеющих общее распределительное устройство напряжением 2 x 25 кВ;
- для поста секционирования постоянного тока и пункта преобразования напряжения, имеющих общее распределительное устройство напряжением 3,3 кВ;
- для двух расположенных на общей площадке постов секционирования на межподстанционных зонах с тремя и более главными путями;
- для двух расположенных на общей площадке постов секционирования разных межподстанционных зон;
- для двух или трех пунктов группировки в случаях, когда к этим пунктам подключены переключаемые секции, относящиеся к одному и тому же главному пути станции стыкования.
Во всех остальных случаях сети собственных нужд двух линейных устройств системы тягового электроснабжения не объединяют и для каждого из них предусматривают собственные основной и резервный (резервные) трансформаторы собственных нужд, а также разные сети собственных нужд.
5.5.5 В качестве основного и резервного трансформаторов собственных нужд используют двухобмоточные трансформаторы, удовлетворяющие следующим требованиям:
а) по числу фаз и схеме соединения обмоток:
1) в случаях, указанных в
5.2.3.1, перечисление а), - трехфазные со схемой соединения обмотки низшего напряжения "треугольник";
б) по способу регулирования напряжения - с устройствами переключения ответвлений без возбуждения;
в) по конструкции:
2) при высшем напряжении выше 20 до 35 кВ - масляные по
ГОСТ Р 52719;
г) по показателям надежности:
1) коэффициент технического использования - не менее 0,996;
2) средняя наработка на отказ - не менее 25000 ч;
3) средний срок службы (полный) - не менее 25 лет;
4) среднее время до восстановления - не более 2,5 ч;
д) по показателям энергетической эффективности - с потерями, не превышающими указанные в таблице 3.
На возможность параллельной работы основной и резервный трансформаторы собственных нужд не проверяют.
Таблица 3
Предельно допустимые значения потерь силовых
трансформаторов, применяемых в качестве трансформаторов
собственных нужд
Номинальная мощность трансформатора, кВ·А | Значение потерь, кВт |
холостого хода | короткого замыкания |
| 0,50 | 0,55 |
|
| 0,40 | 0,10 |
| 0,50 | 0,14 |
| 0,70 | 0,29 |
25 | 0,18 | 0,55 |
40 | 0,30 | 0,80 |
- | - | - |
<1> Однофазные трансформаторы. Примечание - Значения потерь приведены к номинальной мощности и указаны для основного ответвления обмотки. |
5.5.6 На постах секционирования, пунктах параллельного соединения и автотрансформаторных пунктах переменного тока с выключателями в дополнение к указанному в
5.5.2 предусматривают одно из двух следующих технических решений:
- источник бесперебойного питания;
- второй резервный трансформатор собственных нужд.
Обмотку высшего напряжения второго резервного трансформатора собственных нужд подключают по одному из следующих вариантов:
- к ответвлению от линии электропередачи любого назначения, удовлетворяющей условию независимости от той линии электропередачи, к которой подключен первый резервный трансформатор собственных нужд;
- к ответвлению от линии электропередачи автоблокировки с другой стороны от разъединителя, по которому в нормальном режиме предусматривается раздел питания от двух смежных тяговых подстанций.
Требования ко второму резервному трансформатору собственных нужд аналогичны
5.5.5.
5.5.7 На пунктах группировки, на которых используется передача сигналов управления с поста ЭЦ по волоконно-оптическому кабелю, в дополнение к указанному в
5.5.2 предусматривают источник бесперебойного питания.
5.6 Распределение и передача электроэнергии в сети собственных нужд
5.6.1 Общие требования
Распределение и передачу электроэнергии в сети собственных нужд организуют в соответствии со структурно-функциональными схемами, приведенными в
приложении А.
Условные обозначения вариантов структурно-функциональных схем сети собственных нужд тяговых и трансформаторных подстанций - в соответствии с рисунком 5.
Рисунок 5 - Структура условного обозначения вариантов
структурно-функциональных схем сети собственных нужд
тяговых и трансформаторных подстанций
Пример использования условного обозначения варианта структурно-функциональной схемы сети собственных нужд тяговой подстанции: "Структурно-функциональная схема сети собственных нужд - вариант 511 по ГОСТ Р 58408-2019".
5.6.2 Сети негарантированного питания собственных нужд
5.6.2.1 Распределительные устройства сети негарантированного питания собственных нужд выполняют с трехфазными сборными шинами.
5.6.2.2 Для распределительных устройств сети негарантированного питания собственных нужд с системой токоведущих проводников и заземления TN-S используют следующие варианты секционирования сборных шин:
- секционирование на две секции с использованием двух последовательно соединенных рубильников - при двух основных трансформаторах собственных нужд;
- без секционирования - при одном основном трансформаторе собственных нужд.
Примечание - Критерии выбора количества основных трансформаторов собственных нужд для тяговых подстанций - по
5.3.2.1, для трансформаторных подстанций - по
5.4.2.
Сборные шины распределительных устройств сети негарантированного питания собственных нужд с системой токоведущих проводников и заземления IT не секционируют.
Примечание - Условия применения сети негарантированного питания собственных нужд с системой токоведущих проводников и заземления IT - по
5.2.1.2.
5.6.2.3 В распределительных устройствах сети негарантированного питания собственных нужд с системой токоведущих проводников и заземления TN-S предусматривают присоединения:
- на подстанциях с двумя основными трансформаторами собственных нужд - в соответствии с таблицей 4;
- на подстанциях с одним основным трансформатором собственных нужд - в соответствии с
таблицей 5.
Таблица 4
Состав присоединений распределительных устройств сети
негарантированного питания собственных нужд с системой
токоведущих проводников и заземления TN-S на подстанциях
с двумя основными трансформаторами собственных нужд
Назначение присоединений, характер приемников электроэнергии | Указания по выбору количества присоединений | Цифровая группа в позиционных обозначениях |
1 Присоединения, предусматриваемые на всех подстанциях |
1.1 Вводы от основных трансформаторов собственных нужд | | 01, 02 |
1.2 Подогрев баков и/или приводов выключателей <1> | | 03, 04 |
1.3 Устройства регулирования напряжения силовых трансформаторов <2> | | 05, 06 |
1.4 Двигатели обдува и насосы циркуляции масла силовых трансформаторов | | 07, 08 |
1.5 Сеть гарантированного питания собственных нужд | - | 09, 10 |
1.6 Технологические приемники электроэнергии | Одно на первой секции сборных шин | 11 |
1.7 Наружное освещение | Одно на второй секции сборных шин | 12 |
1.8 Иные присоединения, перечень которых определяется по необходимости на стадии проектирования конкретной подстанции | | 13 - 30 |
2 Присоединения, предусматриваемые на подстанциях с капитальным зданием |
2.1 Отопление и вентиляция зданий | | 31, 32 |
2.2 Рабочее освещение зданий | | 33, 34 |
3 Присоединения, предусматриваемые на подстанциях с капитальным зданием и мобильными зданиями |
3.1 Отопление и вентиляция капитальных зданий | | 31, 32 |
3.2 Рабочее освещение капитальных зданий | | 33, 34 |
3.3 Отопление, вентиляция и рабочее освещение мобильных зданий | | 35, 36 |
3.4 Защитные разделительные трансформаторы <3> | | 37, 38 |
4 Присоединения, предусматриваемые на подстанциях только с мобильными зданиями |
4.1 Отопление, вентиляция и рабочее освещение мобильных зданий | | 35, 36 |
4.2 Защитные разделительные трансформаторы <3> | | 37, 38 |
<1> Только на подстанциях, имеющих выключатели с подогревом баков и/или приводов. <2> Только на подстанциях, имеющих силовые трансформаторы с устройствами регулирования напряжения под нагрузкой. <3> Только на тяговых подстанциях постоянного тока и стыковых в случаях, указанных в 5.2.1.2. |
Таблица 5
Состав присоединений распределительных устройств сети
негарантированного питания собственных нужд с системой
токоведущих проводников и заземления TN-S на подстанциях
с одним основным трансформатором собственных нужд
Назначение присоединений, характер приемников электроэнергии | Указания по выбору количества присоединений | Цифровая группа в позиционных обозначениях |
1 Присоединения, предусматриваемые на всех подстанциях |
1.1 Ввод от основного трансформатора собственных нужд | | 01 |
1.2 Подогрев баков и/или приводов выключателей <1> | - | 03 |
1.3 Устройства регулирования напряжения силовых трансформаторов <2> | - | 05 |
1.4 Двигатели обдува и насосы циркуляции масла силовых трансформаторов | - | 07 |
1.5 Сеть гарантированного питания собственных нужд | - | 09 |
1.6 Технологические приемники электроэнергии | Одно | 11 |
1.7 Наружное освещение | Одно | 13 |
1.8 Резервное питание одного из зарядно-подзарядных преобразователей | Одно | 15 |
1.9 Иные присоединения, перечень которых определяется по необходимости на стадии проектирования конкретной подстанции | - | 16 - 30 |
2 Присоединения, предусматриваемые на подстанциях с капитальным зданием |
2.1 Отопление <3> и вентиляция зданий | | 31 |
2.2 Рабочее освещение зданий | | 33 |
3 Присоединения, предусматриваемые на подстанциях с капитальным зданием и мобильными зданиями |
3.1 Отопление <3> и вентиляция капитальных зданий | - | 31 |
3.2 Рабочее освещение капитальных зданий | - | 33 |
3.3 Отопление, вентиляция и рабочее освещение мобильных зданий | - | 35 |
3.4 Защитные разделительные трансформаторы <4> | - | 37 |
4 Присоединения, предусматриваемые на подстанциях только с мобильными зданиями |
4.1 Отопление, вентиляция и рабочее освещение мобильных зданий | - | 35 |
4.2 Защитные разделительные трансформаторы <4> | - | 37 |
<1> Только на подстанциях, имеющих выключатели с подогревом баков и/или приводов. <2> Только на подстанциях, имеющих силовые трансформаторы с устройствами регулирования напряжения под нагрузкой. <4> Только на тяговых подстанциях постоянного тока и стыковых в случаях, указанных в 5.2.1.2. |
5.6.2.4 Сборные шины распределительного устройства сети негарантированного питания собственных нужд соединяют с обмоткой низшего напряжения основного трансформатора собственных нужд через цепь, состоящую из соединенных последовательно рубильника и автоматического выключателя. При секционированных сборных шинах первую и вторую секции соединяют с обмотками низшего напряжения соответственно первого и второго основного трансформаторов собственных нужд через цепь, состоящую из соединенных последовательно рубильника и автоматического выключателя.
5.6.2.5 Электропроводки, относящиеся к первым и вторым секциям сборных шин других распределительных устройств, подключают соответственно к группам первой и второй секций сборных шин негарантированного питания собственных нужд. Электропроводки, не имеющие выраженной функциональной связи с одной из секций сборных шин распределительных устройств (например, устройства подогрева шиносоединительных и секционных выключателей, а также выключателей распределительных устройств с несекционированными сборными шинами), должны быть распределены между секциями сборных шин собственных нужд по возможности равномерно.
5.6.2.6 В распределительных устройствах сети негарантированного питания собственных нужд с системой токоведущих проводников и заземления IT предусматривают присоединения в соответствии с таблицей 6.
Таблица 6
Состав присоединений распределительных устройств сети
негарантированного питания собственных нужд с системой
токоведущих проводников и заземления IT
Назначение присоединений, характер приемников электроэнергии | Указания по выбору количества присоединений | Цифровая группа в позиционных обозначениях |
1 Вводы от защитных разделительных трансформаторов (защитного разделительного трансформатора) | | 79, 80 |
2 Отопление, вентиляция и рабочее освещение мобильных зданий | | 81, 82 |
3 Двигатели принудительного охлаждения статических преобразователей <1> | - | 83, 84 |
<1> Только при использовании статических преобразователей с принудительным охлаждением. |
5.6.3 Сети гарантированного питания собственных нужд
5.6.3.1 Распределительные устройства сети гарантированного питания собственных нужд выполняют с трехфазными несекционированными сборными шинами.
5.6.3.2 В распределительных устройствах сети гарантированного питания собственных нужд предусматривают присоединения в соответствии с таблицей 7.
Таблица 7
Состав присоединений распределительных устройств сети
гарантированного питания собственных нужд
Назначение присоединений, характер приемников электроэнергии | Указания по выбору количества присоединений | Цифровая группа в позиционных обозначениях |
1 Вводы соответственно от первой и второй секций распределительного устройства негарантированного питания собственных нужд (на подстанциях с одним основным трансформатором собственных нужд - ввод от сборных шин распределительного устройства негарантированного питания собственных нужд) | Одно или два в зависимости от количества основных трансформаторов собственных нужд, см. 1.6 таблиц 4 и 5 | 51, 52 |
2 Ввод от резервного трансформатора собственных нужд | Одно | 53, 54 |
3 Ввод от дизель-генераторного агрегата | Одно | 55, 56 |
| По одному на каждый трансформатор СЦБ | 57 - 60 |
5 Зарядно-подзарядные преобразователи | По одному на каждый преобразователь <1> | 61, 62 |
6 Двигатели завода включающих пружин выключателей с пружинным приводом | | 63 |
7 Розетки для переносного электрического инструмента | По одному на каждый этаж капитального здания и на каждый ряд мобильных зданий | 64 |
8 Отопление помещения щита управления | Одно | 65 |
9 Отопление помещения аккумуляторов | Одно | 66 |
| Одно | 67 |
11 Аппаратура энергодиспетчерской связи | Одно | 68 |
12 Аппаратура телеизмерений <3> | Одно | 69 |
13 Аппаратура автоматизированной системы коммерческого учета электроэнергии | Одно | 70 |
14 Аппаратура связи | Одно | 71 |
15 Охранная сигнализация | Одно | 72 |
16 Средства постоянного технического диагностирования <4> | Одно | 73 |
17 Аппаратура дистанционного управления разъединителями | | 74 |
18 Сигнальные указатели "Опустить токоприемник" | Одно | 75 |
19 Средства телемеханизации | Одно | 76 |
20 Пожарная сигнализация | Одно | 77 |
| Одно | 78 |
<1> Критерии выбора количества преобразователей - по 6.2.3.1. <2> Не применяют на подстанциях, не требующих систем сбора масла. Критерий необходимости системы сбора масла - по ГОСТ 34062-2017 (подраздел 4.3). <3> Только на подстанциях, оборудованных средствами телеизмерений, конструктивно не совмещенными со средствами телемеханизации. <4> Только на подстанциях, оборудованных аппаратурой постоянного технического диагностирования, конструктивно не совмещенной с интеллектуальными терминалами присоединений. |
5.6.3.3 Присоединения двигателей завода включающих пружин выключателей с пружинным приводом предусматривают по одному на каждую секцию сборных шин распределительных устройств, имеющих выключатели переменного тока с пружинным приводом, в том числе и на реконструируемых подстанциях с высшим напряжением 35 кВ и выше, не имеющих на момент реконструкции выключателей с пружинным приводом.
5.6.3.4 На тяговых подстанциях постоянного тока и стыковых подстанциях следует предусматривать два присоединения аппаратуры дистанционного управления разъединителями: одно - для разъединителей, отключающихся под действием земляной защиты, второе - для всех остальных разъединителей. На всех остальных подстанциях следует предусматривать одно присоединение.
5.7 Защита от токов короткого замыкания и перегрузки на стороне выше 1000 В
5.7.1 Выключатели, через которые обмотки высшего напряжения основных трансформаторов собственных нужд на тяговых подстанциях подключены к сборным шинам трехфазных распределительных устройств напряжением 6, 10, 15, 20 или 35 кВ, оборудуют:
а) максимальной токовой защитой со следующими особенностями исполнения:
1) измерительные органы - электромагнитные трансформаторы тока по
ГОСТ 7746 в двух фазах на стороне высшего напряжения трансформатора собственных нужд;
2) воздействующая величина - первая гармоника тока;
3) назначение - основная защита;
4) коэффициент чувствительности - не менее 1,5;
5) выдержка времени - не более 4,0 с;
6) блокировка - отсутствует;
7) действие защиты на отключение выключателя, а при двух трансформаторах собственных нужд - еще и на запуск автоматического включения резерва (АВР);
б) токовой отсечкой со следующими особенностями исполнения:
2) воздействующая величина - первая гармоника тока;
3) назначение - дополнительная защита;
4) коэффициент чувствительности - не менее 1,5;
5) выдержка времени - отсутствует;
6) блокировка - отсутствует;
в) токовой защитой нулевой последовательности (только в случаях, указанных в
5.7.2) со следующими особенностями исполнения:
1) измерительные органы - электромагнитные трансформаторы тока по
ГОСТ 7746 в трех фазах и нулевом проводе на стороне низшего напряжения трансформатора собственных нужд;
2) воздействующая величина - первая гармоника тока заземленной нейтрали обмотки низшего напряжения трансформатора собственных нужд или тока нулевого провода, соединенных в полную "звезду" трансформаторов тока на стороне низшего напряжения трансформатора собственных нужд;
3) назначение - дополнительная защита;
4) коэффициент чувствительности - не менее 1,0;
5) выдержка времени - не более 0,5 с;
6) блокировка - отсутствует;
г) максимальной токовой защитой от перегрузки со следующими особенностями исполнения:
1) измерительный орган - электромагнитный трансформатор тока по
ГОСТ 7746 в одной фазе на стороне низшего напряжения трансформатора собственных нужд;
2) воздействующая величина - первая гармоника тока;
3) назначение - дополнительная защита;
4) коэффициент чувствительности - не нормируется;
5) выдержка времени - 9,0 с;
6) блокировка - отсутствует;
7) действие защиты - на сигнал.
5.7.2 Токовую защиту нулевой последовательности применяют, только если максимальная токовая защита
[5.7.1, перечисление а)] не удовлетворяет одновременно следующим условиям:
- требованиям чувствительности при одно- или двухфазном коротком замыкании на выводах обмотки низшего напряжения;
- распределительное устройство сети негарантированного питания собственных нужд, содержащее автоматические выключатели или предохранители, находится на удалении более 30 м от трансформатора, причем соединение между трансформатором и этим распределительным устройством выполнено однофазными кабелями.
5.7.3 В случаях, указанных в
5.4.2.4, перечисление а), выключатели, через которые обмотки высшего напряжения основных трансформаторов собственных нужд на трансформаторных подстанциях подключают к сборным шинам трехфазных распределительных устройств напряжением 6, 10, 15, 20 или 35 кВ, оборудуют защитами аналогично
5.7.1 для тяговых подстанций.
5.8 Защита от токов короткого замыкания и перегрузки на стороне до 1000 В
5.8.1 Для защиты от токов короткого замыкания и перегрузки в сетях собственных нужд применяют автоматические выключатели по
ГОСТ Р 50030.2. Допускается применение предохранителей по
ГОСТ 31196.2 или
ГОСТ 31196.2.1.
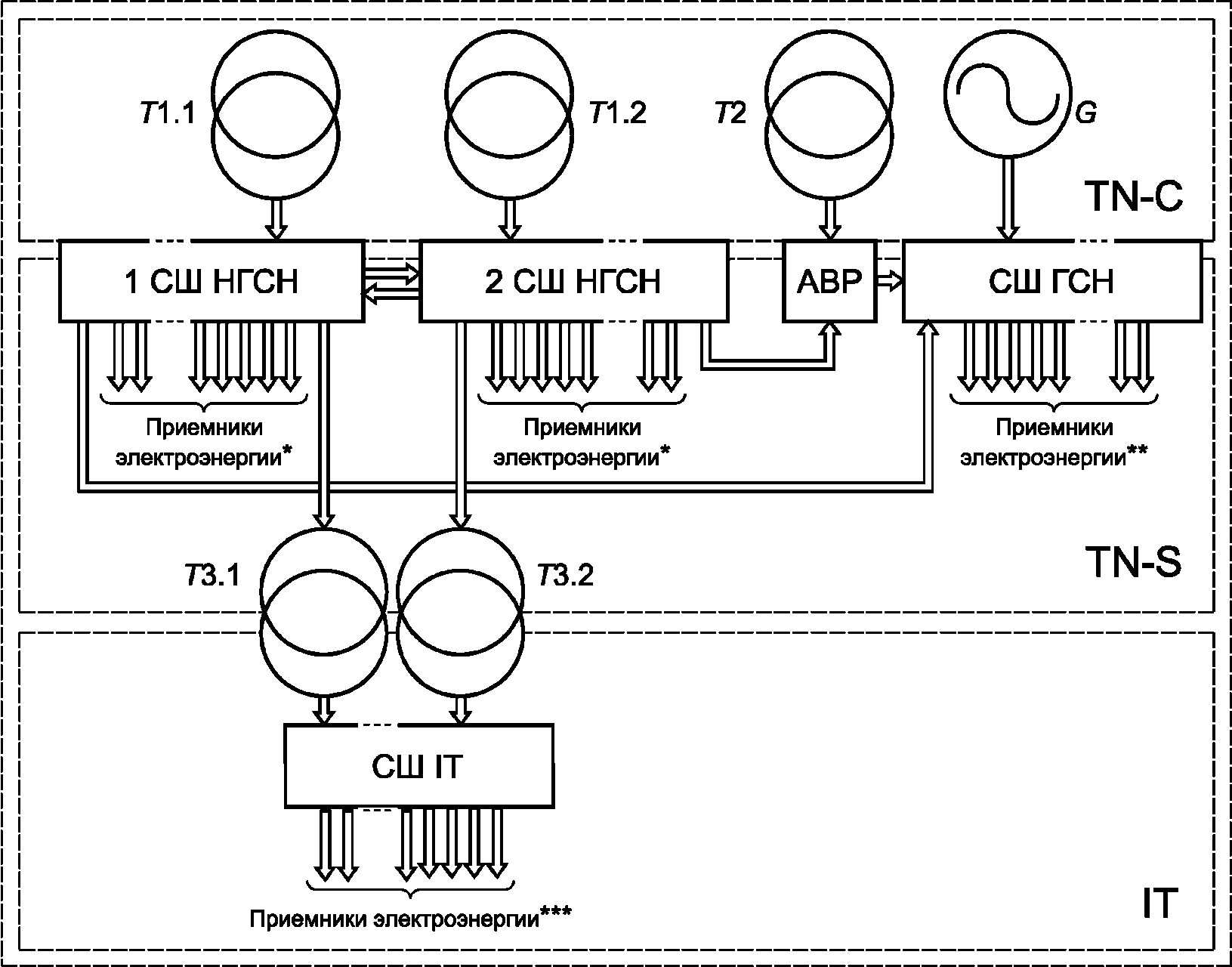
5.8.2 Систему защиты организуют по трехуровневому принципу. Схема, поясняющая распределение автоматических выключателей между верхним, средним и нижним уровнями защиты, показана на
рисунке 6.
T1.1, T1.2 - основные трансформаторы собственных нужд;
T2 - резервный трансформатор собственных нужд;
T3.1, T3.2 - разделительные трансформаторы;
G - дизель-генераторный агрегат; штриховыми линиями
показаны автоматические выключатели, относящиеся
к различным уровням защиты; PEN-, PE- и N-проводники,
а также рубильники условно не показаны
Рисунок 6 - Схема, поясняющая распределение
автоматических выключателей между верхним, средним
и нижним уровнями защиты
5.9 Измерения физических величин
5.9.1 На тяговых подстанциях, а также на трансформаторных подстанциях, от которых электроэнергия передается в линии электропередачи автоблокировки, предусматривают регистрирующие и показывающие средства измерений следующих физических величин:
а) действующих значений фазного напряжения всех фаз сборных шин распределительного устройства сети негарантированного питания собственных нужд (относительная погрешность - не более 1,5%, возможность передачи средствами телеизмерений с относительной погрешностью не более 2,5%, телесигнализация выхода напряжения за пределы (90 +/- 2)% и (110 +/- 2)% номинального напряжения), при секционированных сборных шинах - на каждой из секций сборных шин;
б) действующих значений фазного напряжения всех фаз сборных шин распределительного устройства сети гарантированного питания собственных нужд [требования по
перечислению а)];
в) сопротивления изоляции части сети собственных нужд, имеющей систему токоведущих проводников и заземления IT [относительная погрешность - не более 4,0%, телесигнализация снижения сопротивления изоляции ниже (1,0 +/- 0,4) МОм].
5.9.2 На трансформаторных подстанциях, от которых электроэнергия не передается в линии электропередачи автоблокировки, предусматривают регистрирующие и показывающие средства измерений действующих значений фазного напряжения всех фаз сборных шин распределительного устройства собственных нужд [относительная погрешность - не более 1,5%, возможность передачи средствами телеизмерений с относительной погрешностью не более 2,5%, телесигнализация выхода напряжения за пределы (90 +/- 2)% и (110 +/- 2)% номинального напряжения], при секционированных сборных шинах - на каждой из секций сборных шин.
5.9.3 На линейных устройствах системы тягового электроснабжения предусматривают регистрирующие и показывающие средства измерений действующих значений фазного напряжения сборных шин распределительного устройства собственных нужд [относительная погрешность - не более 1,5%, возможность передачи средствами телеизмерений с относительной погрешностью не более 2,5%, телесигнализация выхода напряжения за пределы (90 +/- 2)% и (110 +/- 2)% номинального напряжения].
6 Требования к сетям оперативного тока
6.1 Номинальное напряжение, род тока, система токоведущих проводников и заземления
6.1.1 Тяговые подстанции
6.1.1.1 На вновь сооружаемых и полностью реконструируемых тяговых подстанциях предусматривают сеть постоянного оперативного тока с системой токоведущих проводников и заземления IT типа а) по
ГОСТ 30331.1 номинальным напряжением 220 В.
6.1.1.2 На тяговых подстанциях, подвергаемых частичной реконструкции, допускается сохранять сеть постоянного оперативного тока с номинальным напряжением и системой токоведущих проводников и заземления, предусмотренными первоначальным проектом.
6.1.2 Трансформаторные подстанции
6.1.2.1 На вновь сооружаемых и полностью реконструируемых трансформаторных подстанциях, имеющих выключатели напряжением свыше 1000 В, применяют:
а) при высшем напряжении подстанции 110 или 220 кВ - сеть постоянного оперативного тока по
6.1.1.1 для тяговых подстанций;
б) при высшем напряжении подстанции до 35 кВ - сеть однофазного выпрямленного оперативного тока с системой токоведущих проводников и заземления IT по
ГОСТ 30331.1 номинальным напряжением 220 В.
6.1.2.2 На трансформаторных подстанциях, подвергаемых частичной реконструкции, допускается сохранять иные сети оперативного тока.
6.1.2.3 На трансформаторных подстанциях, не имеющих выключателей напряжением свыше 1000 В, сеть оперативного тока не предусматривают.
6.1.3 Линейные устройства системы тягового электроснабжения
6.1.3.1 На вновь сооружаемых и полностью реконструируемых линейных устройствах системы тягового электроснабжения, имеющих выключатели напряжением свыше 1000 В, применяют сеть выпрямленного оперативного тока с системой токоведущих проводников и заземления IT по
ГОСТ 30331.1 номинальным напряжением 220 В.
6.1.3.2 На линейных устройствах системы тягового электроснабжения, не подвергаемых реконструкции, допускается сохранять иные системы оперативного тока.
6.1.3.3 На линейных устройствах системы тягового электроснабжения, не имеющих выключателей напряжением свыше 1000 В, сеть оперативного тока не предусматривают.
Примечание - К таким устройствам системы тягового электроснабжения относятся пункты группировки и посты секционирования без выключателей.
6.2 Источники электроэнергии
6.2.1 Общие положения
6.2.1.1 К источникам электроэнергии относятся:
а) для сетей постоянного оперативного тока тяговых подстанций, а также трансформаторных подстанций, указанных в
6.1.2.1, перечисление а):
1) батареи аккумуляторов;
2) зарядно-подзарядные преобразователи;
1) преобразователи, подключенные к сети собственных нужд;
2) преобразователи, подключенные к вторичным обмоткам трансформаторов тока и трансформаторов напряжения;
3) преобразователи, подключенные к сети собственных нужд соседних трансформаторных подстанций;
4) преобразователи, подключенные к специальным однофазным силовым трансформаторам, подключенным к отходящим от трансформаторной подстанции линиям электропередачи до выключателей;
в) для сетей выпрямленного оперативного тока линейных устройств системы тягового электроснабжения - преобразователи, подключенные к сети собственных нужд.
Требования к батареям аккумуляторов - по
6.2.2, к зарядно-подзарядным преобразователям - по
6.2.3.
6.2.1.2 На каждой трансформаторной подстанции, удовлетворяющей условию, указанному в
6.1.2.1, перечисление б), в качестве основного источника электроэнергии для сети выпрямленного оперативного тока предусматривают преобразователь, подключенный к сети собственных нужд, а в качестве резервного источника электроэнергии для сети выпрямленного оперативного тока - один из вариантов, указанных в
6.2.1.1, перечисления б) 2) -
б) 4).
Для трансформаторных подстанций, расположенных в железнодорожных узлах, вместо вариантов, указанных в
6.2.1.1, перечисления б) 3) и
б) 4), рекомендуется предусматривать специальную мачтовую трансформаторную подстанцию с однофазным трансформатором, подключенную к ответвлению от линии электропередачи автоблокировки с использованием схем, аналогичных указанным в
5.5.3. Подключение каких-либо иных приемников электроэнергии к такой мачтовой трансформаторной подстанции с однофазным трансформатором не допускается.
Конкретный вариант выбирают по результатам технико-экономического сравнения нескольких вариантов по минимуму капитальных затрат.
6.2.2 Требования к батареям аккумуляторов
6.2.2.1 На каждой тяговой подстанции, а также на каждой трансформаторной подстанции, где применена сеть постоянного оперативного тока, предусматривают одну свинцово-кислотную батарею с открытыми аккумуляторами, удовлетворяющую следующим условиям:
- произведение внутреннего сопротивления батареи аккумуляторов на емкость не превышает 320 мОм·А·ч;
- вероятность безотказной работы аккумуляторов при наработке, равной сроку службы, - не менее 99,75%;
- срок службы аккумуляторов - не менее 25 лет.
6.2.2.2 Требования к размещению батарей аккумуляторов - по ГОСТ Р МЭК 62485-2-2011 (
разделы 7 -
9). Дополнительные требования - по 6.2.2.3 -
6.2.2.12.
6.2.2.3 Для батареи аккумуляторов предусматривают специальное помещение, в котором не допускается размещение никакого иного оборудования, кроме указанного в настоящем пункте. Степень огнестойкости строительных конструкций помещения - не ниже II по строительным нормам
[1] (пункт 5.18). Помещение должно располагаться по возможности близко от распределительного устройства оперативного тока и зарядно-подзарядных преобразователей.
6.2.2.4 Для входа в помещение предусматривают тамбур площадью не менее 1,5 м2, наружная дверь которого выходит в общий коридор здания подстанции или на открытую часть ее территории. Внутренняя дверь тамбура должна открываться и закрываться при закрытой наружной двери. Наружная дверь тамбура должна открываться наружу, а внутренняя - внутрь тамбура.
Внутренняя и наружная двери должны быть оборудованы самозапирающимися замками, допускающими открывание их без ключа со стороны аккумуляторного помещения. Внутренняя и наружная двери должны иметь пороги высотой не менее 30 мм от уровня чистового пола.
Окна в помещении и в тамбуре не предусматривают.
6.2.2.5 Пол помещения должен быть горизонтальным, на бетонном основании с покрытием из керамической кислотоупорной плитки по
ГОСТ 961 с заполнением швов кислотостойким цементным раствором на основе жидкого стекла, приготовленным по СП 82-101-98 (
пункты 7.45 -
7.74), или с покрытием из гравийной или песчаной асфальтобетонной смеси по
ГОСТ 9128.
Потолок помещения должен быть горизонтальным либо наклонным, без выступающих вниз сплошных строительных конструкций.
Для отделочных работ используют химически стойкий комплекс лакокрасочных материалов по
ГОСТ 23494, для окраски металлических частей строительных конструкций - лак по
ГОСТ 1347.
6.2.2.6 Аккумуляторы располагают параллельными друг другу рядами, проходы шириной от 1,00 до 1,20 м предусматривают между:
а) стеной и первым рядом аккумуляторов;
б) каждым четным и нечетным рядом аккумуляторов [считая от стены, указанной в
перечислении а)];
в) крайними аккумуляторами каждого ряда и одной из стен.
Перемычки между аккумуляторами выполняют таким образом, чтобы направление тока в двух соседних рядах аккумуляторов [четном и нечетном, считая от стены, указанной в
перечислении а)] было противоположным (см.
рисунок 7).
L - ширина прохода между рядами аккумуляторов
Рисунок 7 - Правильное и неправильное расположение рядов
аккумуляторов и перемычек между ними по отношению к стенам
аккумуляторного помещения
6.2.2.7 Значения производительности принудительной приточно-вытяжной и естественной вытяжной вентиляции, определенные по ГОСТ Р МЭК 62485-2-2011
(подраздел 7.2), проверяют в соответствии с указаниями, содержащимися в технической документации изготовителя аккумуляторов, за окончательное значение принимают большее из двух значений.
Принудительную приточно-вытяжную вентиляцию и естественную вытяжную вентиляцию с системами вентиляции иных помещений подстанции не объединяют.
Выброс газов из принудительной приточно-вытяжной вентиляции осуществляют через шахту, возвышающуюся над крышей здания не менее чем на 1,5 м. Шахта должна быть защищена от попадания в нее атмосферных осадков.
6.2.2.8 В принудительной вытяжной вентиляции применяют вентиляторы взрывобезопасного исполнения.
Отсос газов принудительной приточно-вытяжной вентиляцией следует проводить как из верхней, так и из нижней частей помещения со стороны, противоположной притоку свежего воздуха.
Если потолок имеет наклон, то вытяжка воздуха должна быть предусмотрена из верхней части пространства под потолком.
Расстояние от верхней кромки верхних вентиляционных отверстий до потолка должно быть не более 100 мм, а от нижней кромки нижних вентиляционных отверстий до пола - не более 300 мм.
Поток воздуха из вентиляционных каналов не должен быть направлен непосредственно на поверхность электролита аккумуляторов. Металлические вентиляционные короба не должны располагаться над открытыми аккумуляторами.
6.2.2.9 Рядом с аккумуляторным помещением предусматривают помещение для хранения электролита и кислоты площадью не менее 4 м2, дверь которого выходит в тот же тамбур, что и дверь аккумуляторного помещения.
6.2.2.10 Внутри аккумуляторного помещения, тамбура и помещения для хранения электролита и кислоты размещают светильники и идущие к ним электропроводки. Выключатели и клеммные коробки этих электропроводок размещают вне аккумуляторного помещения, тамбура и помещения для хранения электролита и кислоты. Размещение в аккумуляторном помещении, тамбуре и помещении для хранения электролита и кислоты какого-либо иного электрооборудования (в том числе розеток) и прохождение через эти помещения кабелей и электропроводок иного назначения, кабельных каналов и трубопроводов не допускается.
Применяют светильники со степенью защиты не ниже IP56 по
ГОСТ 14254.
6.2.2.11 Для отопления аккумуляторного помещения предусматривают калориферное устройство, паровое или водяное отопление. Требования к отоплению помещения аккумуляторов:
- на трансформаторных подстанциях - в соответствии с СП 226.1326000.2014
(подпункт 6.3.2.7).
Калориферное устройство следует предусматривать во взрывозащищенном исполнении. При применении парового или водяного отопления оно должно выполняться в пределах аккумуляторного помещения гладкими трубами, соединенными сваркой. Фланцевые соединения и установка вентилей запрещаются.
6.2.2.12 С наружной стороны на наружной двери тамбура размещают:
- надпись "Аккумуляторная";
- запрещающие
знаки P 01 "Запрещается курить" и
P 02 "Запрещается пользоваться открытым огнем и курить" по ГОСТ 12.4.026;
- предупреждающие
знаки W 01 "Пожароопасно. Легковоспламеняющиеся вещества" и
W 20 "Осторожно. Аккумуляторные батареи" по ГОСТ 12.4.026.
Диаметр круга запрещающих знаков должен быть не менее 80 мм, а длина стороны треугольника предупреждающих знаков должна быть не менее 100 мм.
6.2.3 Требования к зарядно-подзарядным преобразователям
6.2.3.1 На каждой тяговой подстанции, а также на каждой трансформаторной подстанции, где применена сеть постоянного оперативного тока, предусматривают зарядно-подзарядные преобразователи:
а) два зарядно-подзарядных преобразователя:
1) на тяговых подстанциях с высшим напряжением до 20 кВ, расположенных на железнодорожных линиях категорий II и выше;
2) на тяговых подстанциях с высшим напряжением 110 или 220 кВ независимо от категории железнодорожной линии;
3) на трансформаторных подстанциях с высшим напряжением 110 или 220 кВ;
6.2.3.2 Следует предусматривать блокировку, не допускающую заряд батареи при напряжении более 2,3 В на аккумулятор при отключенной приточно-вытяжной вентиляции.
6.3 Распределение и передача электроэнергии в сети оперативного тока
6.3.1.1 На тяговых подстанциях с двумя зарядно-подзарядными преобразователями:
- предусматривают секционирование сборных шин распределительного устройства постоянного оперативного тока на две секции;
- батарея аккумуляторов должна иметь два комплекта выводов, первый и второй комплекты выводов через цепь, состоящую из соединенных последовательно предохранителя и рубильника, соединяют соответственно с первой и второй секциями сборных шин распределительного устройства постоянного оперативного тока;
- зарядно-подзарядные преобразователи должны иметь возможность параллельной работы.
6.3.1.2 На тяговых подстанциях с одним зарядно-подзарядным преобразователем секционирование сборных шин распределительного устройства постоянного оперативного тока не предусматривают, а батарея аккумуляторов должна иметь один комплект выводов, который через предохранитель соединяют со сборными шинами распределительного устройства постоянного оперативного тока.
6.3.1.3 В распределительном устройстве постоянного оперативного тока предусматривают присоединения:
- на подстанциях с двумя зарядно-подзарядными преобразователями - в соответствии с таблицей 8;
- на подстанциях с одним зарядно-подзарядным преобразователем - в соответствии с
таблицей 9.
Таблица 8
Состав присоединений распределительных устройств сети
постоянного оперативного тока на подстанциях с двумя
зарядно-подзарядными преобразователями
Назначение присоединений, характер приемников электроэнергии | Указания по выбору количества присоединений | Цифровая группа в позиционных обозначениях |
1 Ввод от батареи аккумуляторов | Два | 01, 02 |
2 Вводы от зарядно-подзарядных преобразователей | Два | 03, 04 |
3 Цепи включения выключателей с электромагнитным приводом | | 05, 06, 07, 08, 09 |
4 Цепи управления выключателями присоединений (на первой секции сборных шин) | 1) По одному - для основных защит присоединений каждого из силовых трансформаторов нечетных номеров <1>. 2) По одному - для основных защит присоединений первой секции (первой системы) сборных шин каждого из распределительных устройств напряжением выше 1000 В (включая секционный или шиносоединительный выключатель) <1>. 3) По одному - для резервных защит присоединений каждого из силовых трансформаторов четных номеров <1>. 4) По одному - для резервных защит присоединений второй секции (второй системы) сборных шин каждого из распределительных устройств напряжением выше 1000 В (включая секционный или шиносоединительный выключатель) <1>. 5) Одно - для общеподстанционной сигнализации | 11, 13, 15, 17, 19 и т.д. |
5 Цепи управления выключателями присоединений (на второй секции сборных шин) | 1) По одному - для основных защит присоединений каждого из силовых трансформаторов четных номеров <1>. 2) По одному - для основных защит присоединений второй секции (второй системы) сборных шин каждого из распределительных устройств напряжением выше 1000 В <1>. 3) По одному - для резервных защит присоединений каждого из силовых трансформаторов нечетных номеров <1>. 4) По одному - для резервных защит присоединений первой секции (первой системы) сборных шин каждого из распределительных устройств напряжением выше 1000 В <1>. 5) Одно - для аварийного освещения зданий | 12, 14, 16, 18, 20 и т.д. |
<1> В отмеченных цепях предусматривают кольцевую конфигурацию. |
Таблица 9
Состав присоединений распределительных устройств сети
постоянного оперативного тока на подстанциях с одним
зарядно-подзарядным преобразователем
Назначение присоединений, характер приемников электроэнергии | Указания по выбору количества присоединений | Цифровая группа в позиционных обозначениях |
1 Ввод от батареи аккумуляторов | Одно | 00 |
2 Ввод от зарядно-подзарядного преобразователя | Одно | 01 |
3 Цепи включения выключателей с электромагнитным приводом | | 05, 06, 07, 08, 09 |
4 Цепи управления выключателями присоединений | 1) По одному - для основных защит присоединений каждого из силовых трансформаторов <1>. 2) По одному - для основных защит присоединений сборных шин каждого из распределительных устройств напряжением выше 1000 В (включая секционный или шиносоединительный выключатель) <1>. 3) По одному - для резервных защит присоединений каждого из силовых трансформаторов <1>. 4) По одному - для резервных защит присоединений сборных шин каждого из распределительных устройств напряжением выше 1000 В (включая секционный или шиносоединительный выключатель) <1>. 5) Одно - для общеподстанционной сигнализации. 6) Одно - для аварийного освещения зданий | 10, 11, 12, 13, 14 и т.д. |
<1> В отмеченных цепях предусматривают кольцевую конфигурацию. |
6.3.1.4 На тяговых подстанциях постоянного тока и стыковых подстанциях цепь питания промежуточных реле земляной защиты подключают через комплект предохранителей непосредственно к выводам батареи аккумуляторов.
6.3.1.5 Присоединения цепей включения выключателей с электромагнитным приводом предусматривают:
а) на подстанциях постоянного тока и стыковых подстанциях:
1) одно - для автоматических выключателей постоянного тока на напряжение выше 1000 В;
2) по одному - на каждое распределительное устройство напряжением выше 1000 В переменного тока, в котором после реконструкции предполагается сохранение выключателей с электромагнитными приводами;
б) на подстанциях переменного тока - по одному на каждое распределительное устройство напряжением выше 1000 В переменного тока, в котором после реконструкции предполагается сохранение выключателей с электромагнитными приводами.
Если на подстанции, на которой после реконструкции предполагается сохранение выключателей с электромагнитными приводами, по результатам расчета, выполненного по
10.2.2, существует необходимость применения дополнительной группы аккумуляторов или батареи ионисторов, то допускается предусматривать одно присоединение цепей включения выключателей с электромагнитным приводом всех распределительных устройств переменного тока.
6.3.2 Трансформаторные подстанции и линейные устройства системы тягового электроснабжения
6.3.2.1 Распределительные устройства сети постоянного оперативного тока трансформаторных подстанций с высшим напряжением 110 и 220 кВ выполняют по требованиям, аналогичным установленным в
6.3.1 для тяговых подстанций. При этом не предусматривают цепи и присоединения, необходимость в которых на трансформаторных подстанциях отсутствует.
6.3.2.2 Распределительные устройства сети переменного оперативного тока трансформаторных подстанций с высшим напряжением до 35 кВ, а также выпрямленного оперативного тока линейных устройств системы тягового электроснабжения выполняют с несекционированными сборными шинами. В распределительных устройствах сети оперативного тока предусматривают присоединения:
- на трансформаторных подстанциях - в соответствии с таблицей 10;
- на линейных устройствах системы тягового электроснабжения - в соответствии с
таблицей 11.
Таблица 10
Состав присоединений распределительных устройств сети
переменного оперативного тока трансформаторных подстанций
Назначение присоединений, характер приемников электроэнергии | Указания по выбору количества присоединений | Цифровая группа в позиционных обозначениях |
1 Ввод от сети собственных нужд | Одно | 01 |
2 Вводы от преобразователей, подключенных к вторичным обмоткам трансформаторов тока и трансформаторов напряжения | | 02, 03 |
3 Ввод от преобразователя, подключенного к сети собственных нужд соседней трансформаторной подстанции | | 04 |
4 Ввод от преобразователя, подключенного к специальному однофазному силовому трансформатору, подключенному к отходящей от трансформаторной подстанции линии электропередачи до выключателя со стороны линии | | 05 |
5 Цепи управления выключателями присоединений | 1) По одному - для защит присоединений каждого из силовых трансформаторов. 2) По одному - на каждую секцию сборных шин распределительных устройств напряжением выше 1000 В | 10, 11, 12, 13, 14 и т.д. |
|
Таблица 11
Состав присоединений распределительных устройств сети
выпрямленного оперативного тока линейных устройств
системы тягового электроснабжения
Назначение присоединений, характер приемников электроэнергии | Указания по выбору количества присоединений | Цифровая группа в позиционных обозначениях |
1 Ввод от преобразователя, подключенного к сети собственных нужд | Одно | 01 |
2 Цепи обмоток промежуточных реле земляной защиты | Одно (только на линейных устройствах системы тягового электроснабжения постоянного тока) | 02 |
3 Цепи включения выключателей с электромагнитным приводом | Одно (только при наличии выключателей с электромагнитным приводом) | 03 |
4 Цепи управления выключателями присоединений | 1) По одному - для защит присоединений каждого из автотрансформаторов <1>. 2) По одному - на каждую секцию сборных шин распределительных устройств напряжением выше 1000 В | 04, 05 и т.д. |
<1> Только на автотрансформаторных пунктах. |
6.4 Защита от токов короткого замыкания и перегрузки
6.4.1 Для защиты от токов короткого замыкания и перегрузки применяют:
- в сетях выпрямленного и переменного оперативного тока - автоматические выключатели по
ГОСТ Р 50030.2.
Систему защиты организуют по двух- или трехуровневому принципам. Предохранители классифицируют по принадлежности к верхнему, среднему или нижнему уровням системы защиты в соответствии с 6.4.2 -
6.4.4.
6.4.2 В сетях постоянного оперативного тока тяговых подстанций применяют трехуровневый принцип организации защиты от токов короткого замыкания и перегрузки.
В качестве верхнего уровня защиты рассматривают предохранители, указанные в
6.3.1.1 и
6.3.1.2.
В качестве низшего уровня защиты рассматривают предохранители управления выключателями силовых трансформаторов и присоединений сборных шин напряжением выше 1000 В.
6.4.3 В сетях постоянного оперативного тока трансформаторных подстанций с высшим напряжением 110 и 220 кВ применяют принципы организации защиты от токов короткого замыкания и перегрузки, аналогичные установленным в
6.4.2 для тяговых подстанций.
6.4.4 В сетях постоянного оперативного тока трансформаторных подстанций с высшим напряжением до 35 кВ и линейных устройств системы тягового электроснабжения применяют двухуровневый принцип организации защиты от токов короткого замыкания и перегрузки.
В качестве верхнего уровня защиты рассматривают предохранители, указанные:
6.5 Измерения физических величин
6.5.1 На тяговых подстанциях, а также на трансформаторных подстанциях, имеющих сеть переменного оперативного тока, предусматривают регистрирующие и показывающие средства измерений следующих физических величин:
а) напряжения на сборных шинах распределительного устройства постоянного или переменного оперативного тока (относительная погрешность - не более 1,5%, телесигнализация выхода напряжения за пределы (90 +/- 2)% и (110 +/- 2)% номинального напряжения), при секционированных сборных шинах - на каждой из секций сборных шин;
б) сопротивления изоляции сети постоянного или переменного оперативного тока (относительная погрешность - не более 4,0%, телесигнализация снижения сопротивления изоляции ниже:
1) (10,0 +/- 0,4) кОм - при номинальном напряжении 110 В;
2) (20,0 +/- 0,9) кОм - при номинальном напряжении 220 В);
в) тока аккумуляторной батареи [относительная погрешность - не более 2,5%, телесигнализация выхода тока за пределы (85 +/- 2)% значения тока, соответствующего нормальному режиму сети].
6.5.2 На линейных устройствах системы тягового электроснабжения предусматривают регистрирующие и показывающие средства измерений сопротивления изоляции сети выпрямленного оперативного тока (относительная погрешность - не более 4,0%, телесигнализация снижения сопротивления изоляции ниже:
- (10,0 +/- 0,4) кОм - при номинальном напряжении 110 В;
- (20,0 +/- 0,9) кОм - при номинальном напряжении 220 В).
7.1 Сети собственных нужд
7.1.1 При проектировании сетей собственных нужд:
а) выбирают количество основных трансформаторов собственных нужд и определяют необходимость применения резервного трансформатора для тяговых подстанций по
5.3.2.1, для трансформаторных подстанций по
5.4.1 и
5.4.2, для линейных устройств системы тягового электроснабжения по
5.5.2;
б) выбирают схему подключения обмоток высшего напряжения трансформаторов собственных нужд:
1) основного (основных) на тяговых подстанциях - по
5.3.2.3, на трансформаторных подстанциях - по
5.4.2.4;
2) резервного (при необходимости) на тяговых подстанциях - по
5.3.2.4, на трансформаторных подстанциях - по
5.4.2.4;
3) основного и резервного (резервных) на линейных устройствах системы тягового электроснабжения - по
5.5.3;
в) выбирают тип основного (основных) и резервного (при необходимости) трансформаторов собственных нужд:
1) по числу обмоток и схеме их соединения, способу регулирования напряжения, конструкции, показателям надежности и энергетической эффективности, а при двух основных трансформаторах собственных нужд - еще и по условиям параллельной работы для тяговых и трансформаторных подстанций по
5.3.2.5, для линейных устройств системы тягового электроснабжения по
5.5.5;
2) по мощности: для тяговых и трансформаторных подстанций основного (основных) трансформаторов собственных нужд - по
8.7, резервного трансформатора собственных нужд (при необходимости) - по
8.5, для линейных устройств системы тягового электроснабжения - по технической документации изготовителя комплектного поста секционирования, пункта параллельного соединения, пункта группировки или автотрансформаторного пункта;
3) по прочим показателям - по
7.1.2;
г) на тяговых подстанциях определяют необходимость применения защитных разделительных трансформаторов и их количество по
5.3.2.7;
д) на тяговых подстанциях выбирают тип защитных разделительных трансформаторов:
1) по числу обмоток и схеме их соединения, способу регулирования напряжения, конструкции, показателям надежности и энергетической эффективности, а при двух трансформаторах - еще и по условиям параллельной работы по
5.3.2.5;
3) по прочим показателям - по
7.1.2;
е) определяют необходимость применения дизель-генераторного агрегата на тяговых подстанциях по
5.3.3.1, на трансформаторных подстанциях по
5.4.3.1;
ж) выбирают тип дизель-генераторного агрегата:
1) по основным показателям - по
5.3.3.3;
2) по прочим показателям - по
7.1.2;
и) определяют способ резервирования питания сети собственных нужд:
1) на постах секционирования переменного тока с выключателями - по
5.5.6;
2) на пунктах группировки, на которых используется передача сигналов управления с поста ЭЦ по волоконно-оптическому кабелю, - по
5.5.7;
к) составляют принципиальную схему сети собственных нужд на основе структурно-функциональных схем, приведенных в
приложении А;
л) определяют схемотехнические решения, количество и назначение присоединений распределительных устройств:
1) сети негарантированного питания собственных нужд - по
5.6.2.1 -
5.6.2.6;
2) сети гарантированного питания собственных нужд - по
5.6.3.1 -
5.6.3.4;
м) выбирают комплектные распределительные устройства:
1) по основным показателям - по
4.1.5;
2) по прочим показателям - по
7.1.2;
н) проверяют сборные шины комплектных распределительных устройств на электродинамическую стойкость при коротком замыкании по ГОСТ Р 52736-2007
(раздел 5);
п) выбирают средства измерений по
5.9;
р) выбирают кабели:
1) по основным конструктивным показателям - по
4.2.1;
с) определяют способы прокладки кабелей по
4.2.2 и соединения кабелей по
4.2.3;
т) выбирают уставки защит выключателей или номинальный ток предохранителей на стороне выше 1000 В основного (основных) и резервного (при необходимости) трансформаторов собственных нужд по
разделу 11;
у) выбирают номинальный ток и уставки автоматических выключателей, а также номинальный ток предохранителей по
разделу 12.
7.1.2 При выборе изделий электротехнической промышленности, используемых в сетях собственных нужд (трансформаторов собственных нужд, защитных разделительных трансформаторов, дизель-генераторных агрегатов и комплектных распределительных устройств) по прочим показателям руководствуются следующими правилами:
а) климатическое исполнение и категорию размещения изделий, расположенных открыто, выбирают в зависимости от принадлежности объекта строительства или реконструкции к тому или иному климатическому району из числа установленных ГОСТ 16350-80
(пункт 1.2) в соответствии с правилами, установленными ГОСТ 15150-69
(раздел 2);
б) климатическое исполнение и категорию размещения изделий, расположенных в помещениях, принимают У3.1 по
ГОСТ 15150;
в) группу стойкости изделий к механическим внешним воздействующим факторам принимают М6 по
ГОСТ 30631.
7.2 Сети оперативного тока
7.2.1 При проектировании сетей оперативного тока:
а) для трансформаторных подстанций выбирают номенклатуру источников электроэнергии по
6.2.1.2;
б) выбирают батарею аккумуляторов:
1) по конструкции и показателям надежности - по
6.2.2.1;
3) по прочим показателям - по
7.2.2;
в) обеспечивают исполнение требований к размещению батареи аккумуляторов по
6.2.2.2 -
6.2.2.12;
г) выбирают зарядно-подзарядные преобразователи:
2) по основным показателям - в соответствии с технической документацией изготовителя аккумуляторов;
3) по прочим показателям - по
7.2.2;
д) составляют принципиальную схему сети оперативного тока;
е) определяют схемотехнические решения, количество и назначение присоединений распределительного устройства по
6.3.1.1 -
6.3.1.5;
ж) выбирают комплектное распределительное устройство по
4.1.5;
и) выбирают средства измерений по
6.5;
к) выбирают кабели:
1) по основным конструктивным показателям - по
4.2.1;
л) определяют способы прокладки кабелей по
4.2.2 и соединения кабелей по
4.2.3;
м) выбирают номинальный ток предохранителей по
разделу 12.
7.2.2 При выборе изделий электротехнической промышленности, используемых в сетях оперативного тока (аккумуляторов, зарядно-подзарядных преобразователей и комплектных распределительных устройств), по прочим показателям руководствуются следующими правилами:
а) климатическое исполнение и категорию размещения принимают У3.1 по
ГОСТ 15150;
б) группу стойкости изделий к механическим внешним воздействующим факторам принимают М6 по
ГОСТ 30631.
8 Метод расчета для выбора мощности трансформаторов собственных нужд
8.1.1 Исходными данными для выбора мощности трансформаторов собственных нужд являются:
- схема сети собственных нужд;
- расчетные значения мощности, потребляемой каждой из нагрузок сети собственных нужд.
8.1.2 Выбор мощности трансформаторов собственных нужд для тяговых подстанций, а также для трансформаторных подстанций, имеющих сеть гарантированного питания собственных нужд, выполняют в следующем порядке:
а) определяют расчетные значения:
1) мощности приемников электроэнергии, подключенных к сети гарантированного питания собственных нужд;
2) мощности приемников электроэнергии, подключенных к сети негарантированного питания собственных нужд с системой токоведущих проводников и заземления IT;
3) мощности приемников электроэнергии, подключенных к сети негарантированного питания собственных нужд с системой токоведущих проводников и заземления TN-S;
б) выбирают номинальную мощность:
1) резервного трансформатора собственных нужд;
2) защитных разделительных трансформаторов;
3) основного трансформатора (основных трансформаторов) собственных нужд.
Примечания
1 Критерии применения сети гарантированного питания собственных нужд - по
5.1.1 и
5.1.2.
2 Номенклатура приемников электроэнергии сети негарантированного питания собственных нужд - по
5.6.2.3 и
5.6.2.6, сети гарантированного питания собственных нужд - по
5.6.3.2.
8.1.3 Выбор мощности трансформаторов собственных нужд для трансформаторных подстанций, не имеющих сети гарантированного питания собственных нужд, и линейных устройств системы тягового электроснабжения выполняют в следующем порядке:
- определяют расчетное значение мощности приемников электроэнергии, подключенных к сети собственных нужд;
- выбирают номинальную мощность трансформатора собственных нужд.
8.1.4 Порядок выполнения действий, перечисленных в
8.1.2 и
8.1.3, приведен в
8.4 -
8.7.
8.2 Определение расчетного значения мощности приемников электроэнергии, подключенных к сети гарантированного питания собственных нужд
8.2.1 Расчетное значение мощности приемников электроэнергии, подключенных к сети гарантированного питания собственных нужд, SГП, кВ·А, вычисляют по формуле

(1)
где
n - общее количество приемников электроэнергии, подключенных к сети гарантированного питания собственных нужд в соответствии с 5.6.3.2 (
таблица 7, пункты 4 -
21);
Si - расчетные значения мощности каждого из приемников электроэнергии, подключенных к сети гарантированного питания собственных нужд в соответствии с 5.6.3.2 (
таблица 7, пункты 4 -
21), определяемые по
8.2.2, кВ·А.
8.2.2 При определении расчетных значений мощности каждого из приемников электроэнергии, подключенных к сети гарантированного питания собственных нужд, руководствуются технической документацией на соответствующие изделия, а также таблицей 12. Если какой-либо из приемников электроэнергии схемой не предусмотрен, то соответствующее слагаемое в
формуле (1) принимают равным нулю.
Таблица 12
Указания по определению расчетных значений мощности
каждого из приемников электроэнергии, входящих
Наименование приемников электроэнергии | Значение мощности, принимаемое в качестве расчетного |
1 Трансформатор(ы) СЦБ | Номинальная мощность трансформатора, при нескольких трансформаторах - наибольшая из номинальных мощностей |
2 Зарядно-подзарядные преобразователи | Номинальная мощность одного преобразователя, умноженная на их количество, определяемое по 6.2.3.1 |
3 Двигатели завода включающих пружин выключателей с пружинным приводом | Наибольшая из номинальных мощностей двигателей |
4 Розетки для переносного электроинструмента | 1,5 кВ·А |
5 Отопление помещения щита управления | Для капитальных зданий определяют по ГОСТ Р 55656-2013 ( разделы 5 - 9). Для мобильных зданий принимают по технической документации изготовителя здания |
6 Отопление помещения аккумуляторов | Для капитальных зданий определяют по ГОСТ Р 55656-2013 ( разделы 5 - 9). Для мобильных зданий принимают по технической документации изготовителя здания |
7 Насос | Номинальная мощность по технической документации изготовителя |
| Номинальная мощность по технической документации изготовителя |
8.3 Определение расчетного значения мощности приемников электроэнергии, подключенных к сети негарантированного питания собственных нужд с системой токоведущих проводников и заземления IT
Расчетное значение мощности приемников электроэнергии, подключенных к сети негарантированного питания собственных нужд с системой токоведущих проводников и заземления IT, SНГ1, кВ·А, вычисляют по формуле

(2)
где n - общее количество приемников электроэнергии, подключенных к сети негарантированного питания собственных нужд с системой токоведущих проводников и заземления IT;
Ni - количество мобильных зданий каждого типа;
Si - расчетные значения мощности отопления, вентиляции и рабочего освещения мобильного здания каждого из типов, принимаемого по технической документации изготовителя, кВ·А.
8.4 Определение расчетного значения мощности приемников электроэнергии, подключенных к сети негарантированного питания собственных нужд с системой токоведущих проводников и заземления TN-S
8.4.1 Расчетное значение мощности приемников электроэнергии, подключенных к сети негарантированного питания собственных нужд с системой токоведущих проводников и заземления TN-S, SНГ2, кВ·А, вычисляют по формуле

(3)
где n - общее количество приемников электроэнергии, подключенных к сети негарантированного питания собственных нужд с системой токоведущих проводников и заземления TN-S;
Si - расчетные значения мощности каждого из приемников электроэнергии, подключенных к сети негарантированного питания собственных нужд с системой токоведущих проводников и заземления TN-S в соответствии с 5.6.2.3 (
таблицы 4 и
5, подпункты 1.2 - 1.4, 1.6 - 1.8, 2.1, 2.2, 3.1 - 3.4, 4.1 и 4.2), определяемые по 8.4.2, кВ·А.
8.4.2 При определении расчетных значений мощности каждого из приемников электроэнергии, подключенных к сети негарантированного питания собственных нужд с системой токоведущих проводников и заземления TN-S, руководствуются технической документацией на соответствующие изделия, а также таблицей 13. Если какой-либо из приемников электроэнергии схемой не предусмотрен, то соответствующее слагаемое в
формуле (3) принимают равным нулю.
Таблица 13
Указания по определению расчетных значений мощности
каждого из приемников электроэнергии, входящих
Наименование приемников электроэнергии | Значение мощности, принимаемое в качестве расчетного |
1 Подогрев баков и/или приводов выключателей | |
2 Устройства регулирования напряжения силовых трансформаторов | Наибольшая из номинальных мощностей устройств регулирования напряжения |
3 Двигатели принудительного охлаждения статических преобразователей | |
4 Двигатели обдува и насосы циркуляции масла силовых трансформаторов |
5 Технологические приемники электроэнергии | Принимают наибольшее из двух следующих значений: - номинальной мощности передвижного комплекса для обработки маслонаполненной аппаратуры (принимаемой равной 150 кВ·А); - суммы номинальных мощностей водонагревателя, дистиллятора, сварочного аппарата, сушильного шкафа и наиболее мощного из станков (принимаемых по технической документации предприятий-изготовителей) |
6 Наружное освещение | |
7 Рабочее освещение зданий |
8 Иные присоединения, перечень которых определяется по необходимости на стадии проектирования конкретной подстанции | Определяют на стадии проектирования конкретной подстанции |
9 Отопление и вентиляция зданий | Для капитальных зданий определяют по ГОСТ Р 55656-2013 ( разделы 5 - 10). Для мобильных зданий принимают по технической документации изготовителя здания |
8.4.3 Расчетное значение мощности, потребляемой устройствами подогрева баков и приводов выключателей,
Sп, кВ·А, вычисляют по формуле

(4)
где n - количество типов баковых выключателей;
NВi - количество баковых выключателей каждого из типов;
PВi - мощность, потребляемая устройствами подогрева баков выключателей каждого из типов, значения которой принимают по технической документации изготовителя выключателя, кВт;
m - количество типов приводов;
NПРi - количество приводов каждого из типов;
PПРi - мощность, потребляемая устройствами подогрева приводов каждого из типов, значения которой принимают по технической документации изготовителя выключателя или привода, кВт.
- не учитывают выключатели, расположенные в зданиях закрытых распределительных устройств (в том числе и мобильных);
- исходят из возможности одновременной работы всех устройств подогрева баков и приводов выключателей.
8.4.4 Расчетное значение мощности, потребляемой двигателями принудительного охлаждения статических преобразователей, двигателями обдува и насосами циркуляции масла силовых трансформаторов,
Sо, кВ·А, вычисляют по формуле

(5)
где n - количество типов трансформаторов, оборудованных обдувом и принудительной циркуляцией масла;
NТi - количество трансформаторов каждого из типов;
SТi - суммарная мощность электродвигателей обдува и насосов циркуляции масла трансформатора каждого из типов, кВ·А, значения которой принимают по технической документации изготовителей трансформатора;
m - количество типов преобразователей, оборудованных принудительным охлаждением;
NПРi - количество преобразователей i-го типа;
SПРi - суммарная мощность электродвигателей принудительного охлаждения преобразователя
i-го типа, кВ·А, значения которой принимают по технической документации изготовителей преобразователей. При расчете по
формуле (5) исходят из одновременной работы всех трансформаторов, оборудованных обдувом, и преобразователей, оборудованных принудительным охлаждением.
8.4.5 Расчетное значение мощности, потребляемой рабочим освещением зданий подстанции и наружным освещением,
Sс, кВ·А, вычисляют по формуле

(6)
где n - количество типов светильников внутреннего освещения;
Ni,
PВi и

- соответственно количество, активная мощность и коэффициент мощности каждого из типов светильников внутреннего освещения, кВт;
m - количество типов светильников и/или прожекторов наружного освещения;
Mi,
PНi и

- соответственно количество, активная мощность и коэффициент мощности каждого из типов светильников и/или прожекторов наружного освещения, кВт.
При расчете по
формуле (6) исходят из одновременной работы всех светильников и прожекторов.
8.5 Выбор номинальной мощности резервного трансформатора собственных нужд
В качестве номинальной мощности резервного трансформатора собственных нужд из ряда номинальных мощностей, установленных ГОСТ 9680-77
(пункт 2), выбирают значение мощности, ближайшее большее по отношению к расчетному значению мощности приемников электроэнергии, подключенных к сети гарантированного питания собственных нужд, определенному по
8.2.1, формула (1).
Это значение принимают в качестве окончательного.
8.6 Выбор номинальной мощности защитных разделительных трансформаторов
В качестве номинальной мощности каждого из защитных разделительных трансформаторов из ряда номинальных мощностей, установленных ГОСТ 9680-77
(пункт 2), выбирают значение мощности, ближайшее большее по отношению к расчетному значению мощности приемников электроэнергии, подключенных к сети негарантированного питания собственных нужд с системой токоведущих проводников и заземления IT, определенному по
8.3, формула (2). Это значение принимают в качестве окончательного.
8.7 Выбор номинальной мощности основного трансформатора (основных трансформаторов) собственных нужд
В качестве номинальной мощности основного трансформатора собственных нужд (или каждого из основных трансформаторов) из ряда номинальных мощностей, установленных ГОСТ 9680-77
(пункт 2), выбирают значение мощности, ближайшее большее по отношению к расчетному значению мощности приемников электроэнергии, подключенных к сети собственных нужд
Sсн, кВ·А, которое вычисляют по формуле
Sсн = SГП + SНГ1 + SНГ2, (7)
где
SГП - расчетное значение мощности приемников электроэнергии, подключенных к сети гарантированного питания собственных нужд, полученное по
8.2.1 [формула (1)], кВ·А;
SНГ1 - расчетное значение мощности приемников электроэнергии, подключенных к сети негарантированного питания собственных нужд с системой токоведущих проводников и заземления IT, полученное по
8.3 [формула (2)], кВ·А;
SНГ2 - расчетное значение мощности приемников электроэнергии, подключенных к сети негарантированного питания собственных нужд с системой токоведущих проводников и заземления TN-S, полученное по
8.4.1 [формула (3)], кВ·А.
9 Методы расчета для выбора сечения кабелей
9.1.1 Исходными данными для выбора и проверки сечения кабелей являются:
- номинальное напряжение и схема электрической сети с указанием расчетных значений мощности, потребляемой каждым из приемников электроэнергии, коэффициента мощности и длины кабеля на каждом из участков;
- число часов использования максимума нагрузки;
- предельно допустимый диапазон изменения напряжения на клеммах каждого из приемников электроэнергии;
- время отключения короткого замыкания основной и резервной защитами для каждого участка сети;
- данные о длительно допустимом токе, погонном активном и индуктивном сопротивлениях кабелей, приводимые в технической документации изготовителей.
9.1.2 Выбор и проверку сечения кабелей выполняют в следующем порядке:
а) выбирают сечение по нагреву;
б) проверяют сечение:
1) по экономической плотности тока (только для участков сетей, которые удовлетворяют установленному в
9.3.1 критерию необходимости проверки сечения по экономической плотности тока);
2) по условию механической прочности;
3) по потерям напряжения;
4) на термическую стойкость и невозгораемость при коротком замыкании.
9.2 Выбор сечения по нагреву
9.2.1 Выбор сечения по нагреву проводят в следующей последовательности:
- определяют расчетный ток для каждого из участков электрической сети;
- выбирают сечение, ближайшее большее по отношению к сечению, соответствующему расчетному току, пересчитанному к температуре, при которой нормируется длительно допустимый ток.
9.2.2 Расчетный ток Iр, А, для однофазных участков сетей собственных нужд и для сетей переменного оперативного тока вычисляют по формуле

(8)
где
S - расчетная полная мощность, потребляемая всеми приемниками электроэнергии, подключенными к данному участку сети, кВ·А;
P - расчетная активная мощность, потребляемая всеми приемниками электроэнергии, подключенными к данному участку сети, кВт;
kп - количество параллельно прокладываемых кабелей на данном участке сети; при первичном расчете принимают
kп = 1 и увеличивают на единицу, если такая необходимость вытекает из
9.2.3, перечисление а);
Uфн - номинальное фазное напряжение электрической сети, которое принимают равным 220 или 127 В;

- коэффициент мощности, значение которого принимают по технической документации изготовителей изделий, подключенных к сети.
Расчетный ток Iр, А, для трехфазных участков сетей собственных нужд вычисляют по формуле

(9)
где
Uн - номинальное линейное напряжение электрической сети, В, которое принимают равным 380 или 220 В.
Расчетный ток Iр, А, для участков сетей оперативного постоянного или выпрямленного тока вычисляют по формуле

(10)
где Uн - номинальное напряжение электрической сети, В, которое принимают равным 110 или 220 В.
При определении расчетной мощности, протекающей по участку, не учитывают переходные процессы (пуск двигателей и т.д.).
9.2.3 Сечение выбирают из номинальных рядов, установленных ГОСТ 22483-2012 (
пункт 5.1.2,
подразделы 5.2 и
6.2 в зависимости от класса жилы), таким образом, чтобы обеспечивалось выполнение неравенства
где Iдд - длительно допустимый ток для кабеля данной марки, приведенный в технической документации изготовителя, А;
Iддм - длительно допустимый ток для кабеля, сечение которого на одну ступень меньше сечения, соответствующего длительно допустимому току, А.
Если
неравенство (11) не выполняется для максимально возможного сечения кабеля, предусмотренного технической документацией изготовителя, то применяют одну или несколько мер из числа следующих:
а) кратное увеличение количества параллельно проложенных кабелей, при этом расчет по
формулам (8),
(9) или
(10) и выбор по
неравенству (11) повторяют, а в формулах принимают
kп = 2, 3 и т.д.;
б) изменение схемы электрической сети таким образом, чтобы были снижены расчетные значения полной или активной мощности, протекающей по участку.
9.3 Проверка сечения по экономической плотности тока
9.3.1 Проверке по экономической плотности тока подлежат кабели в сети собственных нужд:
- между выводами обмоток низшего напряжения основных трансформаторов собственных нужд и вводными зажимами распределительного устройства собственных нужд;
Кабели иного назначения проверке по экономической плотности тока не подлежат.
9.3.2 Экономически целесообразное сечение SЭ, мм2, вычисляют по формуле

(12)
J - экономическая плотность тока, А/мм2, которую принимают равной 3,1 А/мм2 при числе часов использования максимума нагрузки в год до 5000 и 2,7 А/мм2 - при числе часов использования максимума нагрузки в год свыше 5000.
9.3.3 Полученное по
формуле (12) экономически целесообразное сечение сравнивают с сечением, выбранным по
9.2.3. Если экономически целесообразное сечения меньше сечения, выбранного по
9.2.3, или равно ему, то проверку по экономической плотности тока считают выполненной и сечение, выбранное по
9.2.3, не корректируют. Если экономически целесообразное сечение больше сечения, выбранного по
9.2.3, то последнее корректируют в сторону увеличения до ближайшего номинального сечения по технической документации изготовителя кабеля и используют это сечение при всех последующих проверках по
9.4 -
9.6.
9.3.4 Если рассматриваемый участок электрической сети не удовлетворяет установленному в
9.3.1 критерию необходимости проверки сечения по экономической плотности тока, то для этого участка проверку не выполняют и при всех последующих проверках по
9.4 -
9.6 используют сечение, выбранное по
9.2.3.
9.4 Проверка сечения по условию механической прочности
9.4.1 Для проверки по условию механической прочности сечение, выбранное по
9.3.4, сравнивают с минимально допустимым по
4.2.1.1, перечисление г).
9.4.2 Если выбранное по
9.3.4 сечение больше минимально допустимого или равно ему, то проверку по условию механической прочности считают выполненной, ранее выбранное сечение не корректируют и используют его при всех последующих проверках по
9.5 и
9.6.
Если выбранное по
9.3.4 сечение меньше минимально допустимого по условию механической прочности, то при всех последующих проверках по
9.5 и
9.6 используют сечение, минимально допустимое по условию механической прочности.
9.5 Проверка сечения по потерям напряжения
9.5.1 Проверку сечения по потерям напряжения проводят в следующей последовательности:
- определяют параметры схемы замещения рассматриваемого участка кабеля;
- определяют активное и индуктивное сопротивления каждого участка схемы замещения;
- определяют потерю напряжения на каждом участке схемы замещения;
- сравнивают потерю напряжения с предельно допустимой.
9.5.2 Активное сопротивление кабеля
R, Ом, для сетей собственных нужд, а также переменного оперативного тока вычисляют по формуле

(13)
где
l - длина кабеля, определяемая по плану прокладки кабеля, м;

- погонное активное сопротивление кабеля, определяемое по технической документации изготовителя или
таблице 14;
kп - количество параллельно прокладываемых кабелей на данном участке сети, определяемое с учетом изложенного в
9.2.3, перечисление а).
Примечание - Значения активного сопротивления, приведенные в таблице 14, учитывают нагрев кабелей, поэтому введение дополнительных коэффициентов не требуется.
Таблица 14
Значения погонных активного и индуктивного сопротивлений
кабелей с медными жилами на напряжение до 1000 В
Сечение жил кабеля | Погонное сопротивление, Ом/км, для кабелей | Сечение жил кабеля | Погонное сопротивление, Ом/км, для кабелей |
активное | индуктивное | активное | индуктивное |
4 x 2,5 | 7,552 | 0,109 | 4 x 50 | 0,430 | 0,086 |
4 x 4 | 4,648 | 0,104 | 4 x 70 | 0,300 | 0,074 |
4 x 6 | 3,540 | 0,100 | 4 x 95 | 0,231 | 0,071 |
4 x 10 | 2,130 | 0,095 | 4 x 120 | 0,180 | 0,070 |
4 x 16 | 1,330 | 0,090 | 4 x 150 | 0,142 | 0,070 |
4 x 25 | 0,850 | 0,089 | 4 x 185 | 0,115 | 0,069 |
4 x 35 | 0,610 | 0,086 | - | - | - |
Омическое сопротивление кабеля для сетей постоянного или выпрямленного оперативного тока вычисляют по
формуле (13), используя вместо погонного активного сопротивления погонное омическое сопротивление.
9.5.3 Индуктивное сопротивление кабеля X, Ом, для сетей собственных нужд, а также переменного оперативного тока вычисляют по формуле

(14)
где
x - погонное индуктивное сопротивление кабеля, определяемое по технической документации изготовителя или
таблице 14, Ом/км.
9.5.4 Потерю напряжения для сетей собственных нужд, а также переменного оперативного тока

, В, вычисляют по формуле

(15)
Потерю напряжения для сетей постоянного или выпрямленного оперативного тока

, В, вычисляют по формуле

(16)
9.5.5 Потерю напряжения, полученную по 9.5.4 [
формулы (15) или
(16)], сравнивают с предельно допустимой, которая составляет 4%.
Если потеря напряжения, полученная по
9.5.4, меньше предельно допустимой или равна ей, то проверку по потерям напряжения считают выполненной, ранее выбранное сечение не корректируют и используют его при всех последующих проверках по
9.6.
Если потеря напряжения, полученная по
9.5.4, больше предельно допустимой, то сечение, выбранное по
9.3.4 и проверенное по
9.4.2, увеличивают на одну ступень и расчеты по
9.5.2 -
9.5.4 повторяют.
9.6 Проверка сечения на термическую стойкость и невозгораемость при коротком замыкании
9.6.1 Для проверки сечения на термическую стойкость и невозгораемость при коротком замыкании рассчитывают:
- для сети собственных нужд - ток трехфазного и однофазного коротких замыканий, для сети переменного оперативного тока - ток однофазного короткого замыкания по
ГОСТ 28249;
- для сети постоянного и выпрямленного оперативных токов - ток короткого замыкания по ГОСТ 29176.
При выполнении этих расчетов руководствуются следующим:
а) в качестве расчетных точек короткого замыкания следует принимать такие точки, короткое замыкания в которых приводит к наибольшему термическому воздействию на кабель, сечение которого проверяется;
б) расчет выполняют для случая одновременной работы всех возможных в данной схеме источников электроэнергии с параметрами, соответствующими наибольшему току короткого замыкания;
в) не рассматривают переходные процессы, возникающие в процессе выполнения оперативных переключений;
г) в качестве расчетного вида коротких замыканий рассматривают:
1) дуговое замыкание в начале кабеля;
2) металлическое замыкание в конце кабеля.
9.6.2 Проверку сечения на термическую стойкость и невозгораемость при коротком замыкании выполняют по ГОСТ Р 52736-2007
(раздел 6), используя в расчетах ток короткого замыкания, полученный при выполнении расчетов по
9.6.1.
При выполнении этих расчетов руководствуются следующим:
б) расчетную продолжительность короткого замыкания определяют по времятоковым характеристикам автоматических выключателей или предохранителей, при этом в зоне разброса характеристик используют наибольшее возможное время срабатывания;
в) в качестве расчетного времени протекания тока короткого замыкания принимают:
1) при проверке на термическую стойкость - время отключения короткого замыкания основной защитой, ближайшей к месту короткого замыкания;
2) при проверке на невозгораемость - время отключения короткого замыкания резервной защитой, которая отключает короткое замыкание при неисправности основной защиты.
9.6.3 Если выбранное по
9.5.5 сечение удовлетворяет условиям термической стойкости и невозгораемости при коротком замыкании, то проверку считают выполненной, ранее выбранное сечение не корректируют и принимают в качестве окончательного.
Если выбранное по
9.5.5 сечение не удовлетворяет хотя бы одному из условий (термической стойкости или невозгораемости при коротком замыкании), то сечение корректируют в сторону увеличения до ближайшего сечения по номинальному ряду по технической документации изготовителя кабеля и принимают в качестве окончательного.
10 Методы расчета для выбора емкости аккумуляторов
10.1.1 Исходными данными для выбора емкости аккумуляторов являются:
- максимальный ток, потребляемый от батареи аккумуляторов всеми приемниками электроэнергии сети постоянного оперативного тока в отсутствие операций включения и отключения выключателей;
- номинальные токи включения электромагнитных приводов выключателей;
- минимально и максимально допустимые напряжения на клеммах электромагнитных приводов выключателей;
- заданная в виде таблицы разрядная характеристика аккумуляторов выбранного типа;
- схема сети постоянного оперативного тока, содержащая информацию о марке и длине кабелей на всех участках.
10.1.2 Выбор емкости аккумуляторов выполняют в следующем порядке:
а) определяют предварительное количество аккумуляторов в батарее по условию работы в режиме поддерживающего заряда:
1) определяют предварительное количество по условию работы в режиме поддерживающего заряда по
10.2.1;
2) определяют необходимость применения дополнительной группы аккумуляторов или батареи ионисторов по
10.2.2 (только на подстанциях, на которых после реконструкции предполагается сохранение выключателей с электромагнитными приводами);
3) обосновывают применение дополнительной группы аккумуляторов или батареи ионисторов по условию минимум стоимости жизненного цикла и выбирают окончательное количество аккумуляторов в батарее по
10.2.3;
4) проверяют количество аккумуляторов в батарее по максимально допустимому напряжению на клеммах приемников электроэнергии сети постоянного оперативного тока по
10.2.4 и
10.2.5;
б) определяют емкость батареи ионисторов, сопротивления и мощности рассеяния балластных резисторов [только если в результате выполнения действий по
перечислению а) 3) принят вариант применения батареи ионисторов] (принципиальная схема включения батареи ионисторов и мощности рассеяния балластных резисторов приведена на
рисунке 8) по
10.3.1 -
10.3.6;
в) определяют предварительную емкость батареи аккумуляторов по
10.4.1 -
10.4.4;
г) определяют окончательную емкость батареи аккумуляторов по
10.5.1 и
10.5.2;
д) проверяют окончательную емкость батареи аккумуляторов по глубине провала напряжения при включении выключателя с электромагнитным приводом (только на подстанциях, на которых после реконструкции предполагается сохранение выключателей с электромагнитными приводами) по
10.6.1 -
10.6.2.
GB - батарея аккумуляторов; FU01.1 - FU01.2 -
шины распределительного устройства оперативного тока;
QS09.1 - рубильник цепи включения выключателей
цепи включения выключателей с электромагнитным приводом
ионисторов; R1, R2 - балластные резисторы разряда и заряда
батареи ионисторов соответственно; VD1, VD2 - развязывающие
диоды; QS09.2 - переключатель для разряда батареи
ионисторов перед выводом в ремонт
Рисунок 8 - Принципиальная схема включения батареи
ионисторов и балластных резисторов
10.2 Определение количества аккумуляторов в батарее
10.2.1 Предварительное количество аккумуляторов в батарее

по условию работы в режиме поддерживающего заряда вычисляют по формуле

(17)
где
Umax - максимально допустимое напряжение на клеммах приемников электроэнергии сети постоянного оперативного тока, В, которое принимают равным 242 В для системы оперативного постоянного тока номинальным напряжением 220 В и 121 В - для системы оперативного постоянного тока номинальным напряжением 110 В;
umax - наибольшее напряжение на аккумуляторе в режиме поддерживающего заряда с учетом термокомпенсации, В, принимаемое по документации изготовителя, которое для открытых свинцово-кислотных аккумуляторов при нормативной температуре окружающей среды, равной 20 °C, принимают равным 2,23 В. Если предусматривается термокомпенсация поддерживающего заряда, то наибольшее напряжение на аккумуляторе в режиме поддерживающего заряда принимают в соответствии с рекомендациями производителя для минимальной допустимой температуры окружающей среды в аккумуляторном помещении.
10.2.2 Для определения необходимости применения дополнительной группы аккумуляторов или батареи ионисторов потерю напряжения в цепи от выводов батареи аккумуляторов до зажимов электромагнитного привода в момент включения выключателя

, В, вычисляют по формуле

(18)
где I1 - максимальный ток, потребляемый от батареи аккумуляторов всеми приемниками электроэнергии сети постоянного оперативного тока в отсутствие операций включения и отключения выключателей, А;
Iвкл - наибольший из номинальных токов включения электромагнитных приводов, А;
R2 - омическое сопротивление кабеля между выводами батареи аккумуляторов и распределительным устройством сети оперативного тока, Ом;
R1 - наибольшее омическое сопротивление кабелей между распределительным устройством сети оперативного тока и зажимами электромагнитного привода, Ом.
Напряжение аккумулятора в конце разряда uкр, В, вычисляют по формуле

(19)
где
Uн - номинальное напряжение сети постоянного оперативного тока, принимаемое равным 110 или 220 В;
Предварительное количество аккумуляторов в батарее

по условию обеспечения работы выключателей с электромагнитными приводами вычисляют по формуле

(20)
где
Umin - минимально допустимое напряжение на клеммах электромагнитного привода, В, принимаемое по технической документации изготовителя привода;

- потеря напряжения в цепи от выводов батареи аккумуляторов до зажимов электромагнитного привода в момент включения выключателя, полученная по
формуле (18), В.
Проверяют выполнение неравенства

(21)
| | ИС МЕГАНОРМ: примечание. Текст дан в соответствии с официальным текстом документа. | |
Если
неравенство (20) выполняется, то необходимо организовать дополнительную группу аккумуляторов или применить батарею ионисторов. Если
неравенство не выполняется, то необходимость в организации дополнительной группы аккумуляторов или применении батареи ионисторов отсутствует.
10.2.3 Если из вычислений по 10.2.2 [
формулы (18) -
(21)] усматривается необходимость применения дополнительной группы аккумуляторов или батареи ионисторов, то выполняют расчеты стоимости жизненного цикла сети постоянного оперативного тока для двух вариантов - с дополнительной группой аккумуляторов и с батареей ионисторов. Окончательное решение о применении того или иного варианта принимают по минимуму стоимости жизненного цикла.
Если принят вариант с дополнительной группой аккумуляторов, то в качестве окончательного количества аккумуляторов в батарее принимают количество, полученное по
формуле (20). В противном случае в качестве окончательного количества аккумуляторов в батарее принимают количество, полученное по
формуле (17).
Если принят вариант с батареей ионисторов, то в качестве окончательного количества аккумуляторов в батарее принимают количество, полученное по
формуле (17), и выполняют расчет емкости батареи ионисторов, сопротивления и мощности рассеяния балластных резисторов по
10.3.
10.2.4 Наибольшее напряжение на клеммах приводов выключателей
UПmax, В, вычисляют по формуле

(22)
где
N - количество аккумуляторов в батарее, принятое в качестве окончательного по
10.2.3;
umax - наибольшее напряжение на аккумуляторе в режиме поддерживающего заряда с учетом термокомпенсации, В, пояснения аналогичны
пояснениям к формуле (17);

- потеря напряжения в цепи от выводов батареи аккумуляторов до зажимов электромагнитного привода в момент включения выключателя, полученная по
формуле (18) при подстановке в нее наименьшего из номинальных токов включения электромагнитных приводов и наименьшего омического сопротивления кабелей между распределительным устройством сети оперативного тока и зажимами электромагнитного привода, В.
Проверяют выполнение неравенства
10.2.5 Если
неравенство (23) выполняется, то в качестве окончательного количества аккумуляторов в батарее принимают количество, выбранное по
10.2.3, и выбор количества аккумуляторов в батарее завершают. Если неравенство не выполняется, то схему сети постоянного оперативного тока изменяют и расчеты по
10.2.2 -
10.2.5 повторяют.
10.3 Определение емкости батареи ионисторов, сопротивления и мощности рассеяния балластных резисторов
10.3.1 Предварительную емкость батареи ионисторов

, Ф, вычисляют по формуле

(24)
где
Iвкл - наибольший из номинальных токов включения электромагнитных приводов, А, определяемый по технической документации изготовителя привода;
tвкл - полное время включения выключателя, с, определяемое по технической документации изготовителя выключателя;
R0и - внутреннее сопротивления ионистора, Ом, определяемое по технической документации изготовителя ионистора;
C0и - номинальная емкость ионистора, Ф, определяемая по технической документации изготовителя ионистора;
N - количество аккумуляторов в батарее, принятое в качестве окончательного по
10.2.3;
umax - наибольшее напряжение на аккумуляторе в режиме поддерживающего заряда с учетом термокомпенсации, В, пояснения аналогичны
пояснениям к формуле (17);
Umin - минимально допустимое напряжение на клеммах электромагнитного привода, В, принимаемое по технической документации изготовителя привода;
RЗ - омическое сопротивление кабеля между батареей ионисторов и зажимами привода, Ом.
10.3.2 В качестве окончательной емкости батареи ионисторов принимают номинальную емкость ионистора, ближайшую большую по отношению к полученной по
10.3.1, формула (24).
10.3.3 Предварительное сопротивление балластных резисторов

, Ом, вычисляют по формуле

(25)
где
Cи - окончательная емкость батареи ионисторов, Ф, выбранная по
10.3.2.
10.3.4 В качестве окончательного сопротивления балластных резисторов принимают номинальное сопротивление, ближайшее меньшее по отношению к полученному по
10.3.3, формула (25).
10.3.5 Предварительную мощность рассеяния балластных резисторов

, Ом, вычисляют по формуле

(26)
где
Rб - окончательное сопротивление балластного резистора, Ом, выбранное по
10.3.4.
10.3.6 В качестве окончательной мощности рассеяния балластных резисторов принимают номинальную мощность, ближайшую большую по отношению к полученной по
10.3.5, формула (26).
10.4 Определение предварительной емкости батареи аккумуляторов
10.4.1 Определение предварительной емкости батареи аккумуляторов выполняют в следующем порядке:
- строят графическую зависимость коэффициента приведения разрядного тока от продолжительности разряда;
- определяют коэффициенты приведения разрядного тока.
10.4.2 Предварительную емкость батареи аккумуляторов

, А·ч, вычисляют по формуле

(27)
где I1 - максимальный ток, потребляемый от батареи аккумуляторов всеми приемниками электроэнергии сети постоянного оперативного тока в отсутствие операции включения и отключения выключателей, А;
Iвкл - наибольший из номинальных токов включения электромагнитных приводов, А.
10.4.3 Для построения графической зависимости коэффициента приведения разрядного тока от продолжительности разряда находят заданную в виде таблицы разрядную характеристику аккумуляторов, соответствующую напряжению аккумулятора в конце разряда, наиболее близкому к полученному по
10.2.2, формула (19).
В этой разрядной характеристике находят строку с номинальной емкостью аккумулятора, наиболее близкой к предварительной емкости, полученной по
10.4.2, формула (27).
Коэффициент приведения разрядного тока ki, А·ч/А, для каждого из значений продолжительности разряда вычисляют по формуле

(28)
где

- номинальная емкость аккумулятора, наиболее близкая к предварительной емкости, полученной по
10.4.2 [формула (27)], А·ч;
Ii - ток разряда, соответствующий каждому из значений продолжительности разряда из приведенных в разрядной характеристике аккумуляторов, заданной в виде таблицы, А.
По полученному при вычислениях по
формуле (28) множеству пар значений коэффициента приведения разрядного тока и продолжительности разряда строят графическую зависимость коэффициента приведения разрядного тока от продолжительности разряда. Зависимость строят в логарифмическом масштабе, откладывая значения продолжительности разряда по оси абсцисс, а значения коэффициента приведения разрядного тока - по оси ординат.
10.4.4 Коэффициенты приведения разрядного тока определяют графически по зависимости, построенной по
10.4.3, для двух значений времени разряда - 30 и 120 мин.
10.5 Определение окончательной емкости батареи аккумуляторов
10.5.1 Уточненную предварительную емкость батареи аккумуляторов
Cаб, А·ч, вычисляют по формуле
Cаб = 1,5 max [
k30(
I1 +
Iвкл); (
k120I1)], (29)
где
k30 - коэффициент приведения разрядного тока для времени разряда 30 мин, определенный по
10.4.4, А·ч/А;
I1 - максимальный ток, потребляемый от батареи аккумуляторов всеми приемниками электроэнергии сети постоянного оперативного тока в отсутствие операции включения и отключения выключателей, А;
Iвкл - наибольший из номинальных токов включения электромагнитных приводов, А;
k120 - коэффициент приведения разрядного тока для времени разряда 120 мин, определенный по
10.4.4, А·ч/А.
10.5.2 В качестве окончательной емкости батареи аккумуляторов принимают значение емкости из номинального ряда, содержащегося в технической документации изготовителя аккумуляторов, ближайшее большее по отношению к уточненной предварительной емкости, полученной по
10.5.1, формула (29).
10.6 Проверка емкости батареи аккумуляторов по глубине провала напряжения
10.6.1 Для проверки емкости по глубине провала напряжения вычисляют напряжение на клеммах электромагнитных приводов выключателей при включении выключателя U
Пmin, В, по формуле
UПmin = 2
N - [(
I1 +
Iвкл)(1,7
RабN +
R2) +
IвклR1], (30)
I1 - максимальный ток, потребляемый от батареи аккумуляторов всеми приемниками электроэнергии сети постоянного оперативного тока в отсутствие операции включения и отключения выключателей, А;
Iвкл - наибольший из номинальных токов включения электромагнитных приводов, А;
Rаб - внутреннее сопротивление аккумулятора, принимаемое по технической документации изготовителя, Ом;
R2 - омическое сопротивление кабеля между выводами батареи аккумуляторов и распределительным устройством сети оперативного тока, Ом;
R1 - наибольшее омическое сопротивление кабелей между распределительным устройством сети оперативного тока и зажимами электромагнитного привода, Ом.
Расчет по
формуле (30) выполняют дважды. При первом расчете используют наибольший из номинальных токов включения электромагнитных приводов и омическое сопротивление кабелей между распределительным устройством сети оперативного тока и зажимами этого привода. При втором расчете используют наибольшее омическое сопротивление кабелей между распределительным устройством сети оперативного тока и зажимами электромагнитного привода и ток включения этого привода.
10.6.2 Полученные по
10.6.1 [формула (30)] два значения напряжения на клеммах электромагнитных приводов выключателей при включении выключателя сравнивают с минимально допустимыми значениями напряжения, приводимыми в технической документации на выключатель или привод.
Если оба значения напряжения больше или равны минимально допустимым значениям напряжения, то емкость батареи аккумуляторов, выбранную по
10.5.2, принимают в качестве окончательной.
Если, хотя бы одно из значений напряжения меньше минимально допустимых значений напряжения, то предусматривают одно из следующих мероприятий:
- емкость батареи аккумуляторов, выбранную по
10.5.2, увеличивают на одну или несколько ступеней, каждый раз повторяя расчеты по
10.6.1, до тех пор, пока условие проверки не будет выполнено;
- выбирают аккумуляторы другого типа с меньшим значением внутреннего сопротивления и повторяют расчеты по
10.2 -
10.6.
11 Методы расчета для выбора уставок защит и автоматики
11.1.1 Состав функций защит выключателей, через которые обмотки высшего напряжения основных трансформаторов собственных нужд на тяговых подстанциях подключают к сборным шинам трехфазных распределительных устройств, - по
5.7.1. Состав функций автоматики - по
5.3.2.6.
11.1.2 Исходными данными являются:
- номинальная мощность трансформатора собственных нужд;
- наибольший и наименьший токи на стороне высшего напряжения трансформатора при коротком замыкании за трансформатором;
- схема включения трансформаторов тока на вторичной стороне;
- наибольшая из выдержек времени защит на присоединениях той же секции сборных шин, к которой присоединена обмотка высшего напряжения рассматриваемого трансформатора собственных нужд.
Наибольший и наименьший токи на стороне высшего напряжения трансформатора при коротком замыкании за трансформатором рассчитывают по методике
ГОСТ Р 52735.
11.1.3 Для случаев, указанных в
5.3.2.3 и
5.4.2.4, перечисление а), уставки защит выключателей, через которые обмотки высшего напряжения основных трансформаторов собственных нужд подключены к сборным шинам распределительных устройств, выбирают по
11.2 -
11.5.
11.2 Максимальная токовая защита
11.2.1 Расчеты и выбор уставки выполняют в следующей последовательности:
а) определяют номинальный ток обмотки высшего напряжения трансформатора по
11.2.2;
б) определяют уставку защиты по первичному току по
11.2.3 и по вторичному току по
11.2.4;
в) определяют ток в реле при однофазном коротком замыкании на стороне низшего напряжения трансформатора по
11.2.5;
г) определяют коэффициент чувствительности защиты по
11.2.6;
д) оценивают чувствительность защиты по
11.2.7;
е) только при неудовлетворительном результате оценки чувствительности по
перечислению д):
1) определяют ток в реле при двухфазном коротком замыкании на стороне низшего напряжения трансформатора по
11.2.8;
2) определяют коэффициент чувствительности защиты по
11.2.9;
3) оценивают чувствительность защиты по
11.2.7 и принимают решение о необходимости (отсутствии необходимости) применения токовой защиты нулевой последовательности;
ж) определяют выдержку времени защиты по
11.2.11.
11.2.2 Номинальный ток обмотки высшего напряжения трансформатора
IномВ, А, вычисляют по формуле

(31)
где
Sном - номинальная мощность трансформатора собственных нужд, выбранная по
8.7, кВ·А,
a - число фаз трансформатора, для трехфазных трансформаторов a = 3, для однофазных - a = 1;
UномВ - номинальное линейное напряжение обмотки высшего напряжения трансформатора собственных нужд, кВ, выбираемое из ряда 6,3; 10,5; 20,0; 27,5 или 35,0 кВ.
11.2.3 Уставку защиты
IуМТЗ, А, по первичному току вычисляют по формуле

(32)
где
IномВ - номинальный ток обмотки высшего напряжения трансформатора, полученный по
11.2.2 [формула (31)], А;
kз - коэффициент запаса; для защит на реле прямого действия принимают kз = 1,40, для защит на вторичных электромеханических реле kз = 1,20, для электронных и микропроцессорных защит kз = 1,05;
kв - коэффициент возврата; для защит на реле прямого действия принимают kв = 0,60, для защит на вторичных электромеханических реле kв = 0,80, для электронных и микропроцессорных защит kв = 0,95.
11.2.4 Уставку защиты
iуМТЗ, А, по вторичному току вычисляют по формуле

(33)
kсх - коэффициент схемы; при соединении вторичных обмоток трансформаторов тока на стороне высшего напряжения в "звезду" принимают
kсх = 1, а при соединении в "треугольник"

;
KIВ - коэффициент трансформации трансформаторов тока на стороне высшего напряжения.
11.2.5 Ток в реле
iр, А, при однофазном коротком замыкании на стороне низшего напряжения трансформатора вычисляют по формулам:

(34)

(35)
где
UномН - номинальное линейное напряжение обмотки низшего напряжения трансформатора собственных нужд, кВ;

- полное сопротивление трансформатора при однофазном коротком замыкании на стороне низшего напряжения, приведенное к стороне низшего напряжения; значения принимают по
таблице 15, мОм.
Формулу (34) применяют при двухфазной двух- и трехрелейной схеме защиты,
формулу (35) - при двухфазной трехрелейной схеме защиты.
Таблица 15
Полное сопротивление трансформаторов с обмоткой
напряжением до 1000 В при однофазном коротком замыкании
на стороне низшего напряжения, приведенное к стороне
низшего напряжения
Номинальная мощность, кВ·А | Полное сопротивление трансформатора при однофазном коротком замыкании на стороне низшего напряжения, приведенное к стороне низшего напряжения, мОм, при номинальном низшем напряжении |
0,4 кВ | 0,23 кВ |
25 | 1040 | 347 |
40 | 648 | 216 |
63 | 412 | 137 |
100 | 260 | 87 |
160 | 160 | 53 |
250 | 100 | 33 |
400 | 65 | 22 |
630 | 42 | 14 |
1000 | 27 | 9 |
1600 | 18 | 6 |
2500 | 12 | 4 |
11.2.6 Коэффициент чувствительности защиты
kч вычисляют по формуле

(36)
где
iр - ток в реле при однофазном коротком замыкании на стороне низшего напряжения трансформатора, полученный по 11.2.5 [
формулы (34) или
(35)], А;
11.2.7 Для оценки чувствительности защиты коэффициент чувствительности защиты, полученный по
11.2.6 [формула (36)], сравнивают с предельно допустимым по
5.7.1, перечисление а) 4). Если коэффициент чувствительности больше предельно допустимого, то уставку, полученную по
11.2.3 [формула (32)], принимают в качестве окончательной и выбор уставки по току максимальной токовой защиты считают завершенным. В противном случае переходят к выполнению изложенного в 11.2.8.
11.2.8 Ток в реле
iр, А, при двухфазном коротком замыкании на стороне низшего напряжения трансформатора вычисляют по формулам:

(37)

(38)
где uк - напряжение короткого замыкания трансформатора, %.
Формулу (37) применяют при двухфазной двух- и трехрелейной схеме защиты,
формулу (38) - при двухфазной трехрелейной схеме защиты.
11.2.9 Коэффициент чувствительности защиты
kч вычисляют по формуле

(39)
где
iр - ток в реле при двухфазном коротком замыкании на стороне низшего напряжения трансформатора, полученный по 11.2.8 [
формулы (37) или
(38)], А;
11.2.10 Для оценки чувствительности защиты коэффициент чувствительности защиты, полученный по
11.2.9 [формула (39)], сравнивают с предельно допустимым по
5.7.1, перечисление а) 4). Если коэффициент чувствительности больше предельно допустимого, то уставку, полученную по
11.2.3 [формула (32)], принимают в качестве окончательной и выбор уставки по току максимальной токовой защиты считают завершенным. В противном случае, в дополнение к максимальной токовой защите на трансформаторе предусматривают токовую защиту нулевой последовательности, уставку которой выбирают по
11.4.
11.2.11 Выдержку времени защиты выбирают на одну ступень больше, чем у той же защиты на стороне низшего напряжения трансформатора.
Если максимальная токовая защита на стороне низшего напряжения выполнена с зависимой характеристикой (автоматический выключатель или предохранитель), то ток IуМТЗН, А, при котором осуществляется согласование между защитами на сторонах высшего и низшего напряжений, вычисляют по формуле

(40)
11.3.1 Расчеты и выбор уставки выполняют в следующей последовательности:
а) определяют предварительную уставку:
1) по условию отстройки от броска тока намагничивания по
11.3.2;
2) по условию отстройки от короткого замыкания на стороне низшего напряжения трансформатора по
11.3.3;
б) выбирают окончательную уставку по первичному току по
11.3.4 и по вторичному току по
11.3.5;
в) определяют коэффициент чувствительности по
11.3.6;
г) оценивают чувствительность по
11.3.7.
11.3.2 Предварительную уставку по первичному току по условию отстройки от броска тока намагничивания
IТО1, А, вычисляют по формуле
где kнам - коэффициент отстройки от броска тока намагничивания; принимают равным от 3,0 до 5,0;
IномВ - номинальный ток обмотки высшего напряжения трансформатора, полученный по
11.2.2 [формула (31)], А.
11.3.3 Предварительную уставку по первичному току по условию отстройки от короткого замыкания на стороне низшего напряжения трансформатора
IТО2, А, вычисляют по формуле

(42)
где kо - коэффициент отстройки; для защит на электромеханических реле принимают равным от 1,4 до 1,6, для электронных и микропроцессорных защит - 1,2;
Sном - номинальная мощность трансформатора собственных нужд, выбранная по
8.7, кВ·А;
uк - напряжение короткого замыкания трансформатора, %;
UномВ - номинальное линейное напряжение обмотки высшего напряжения трансформатора собственных нужд, кВ, выбираемое из ряда 6,3; 10,5; 20,0; 27,5 или 35,0 кВ.
11.3.4 Окончательную уставку по первичному току
IТО, А, выбирают по условию
IТО = max(
IТО1,
IТО2), (43)
11.3.5 Окончательную уставку по вторичному току
iТО, А, вычисляют по формуле

(44)
kсх - коэффициент схемы; при соединении вторичных обмоток трансформаторов тока на стороне высшего напряжения в "звезду" принимают
kсх = 1, а при соединении в "треугольник" -

;
KIВ - коэффициент трансформации трансформаторов тока на стороне высшего напряжения трансформатора.
11.3.6 Коэффициент чувствительности
kч вычисляют по формуле

(45)
где kсх2 - коэффициент схемы при двухфазном коротком замыкании; при соединении трансформаторов тока на стороне высшего напряжения в "звезду", неполную "звезду" или в "треугольник" при двухрелейной схеме принимают kсх2 = 1, а при соединении в "треугольник" при трехрелейной схеме принимают kсх2 = 2;

- наименьший ток на стороне высшего напряжения трансформатора при коротком замыкании за трансформатором, А.
11.3.7 Для оценки чувствительности защиты коэффициент чувствительности, полученный по
11.3.6 [формула (45)], сравнивают с предельно допустимым коэффициентом чувствительности по
5.7.1, перечисление б) 4). Если коэффициент чувствительности больше предельно допустимого, то выбор уставки токовой отсечки считают завершенным.
11.4 Токовая защита нулевой последовательности
11.4.1 Расчеты и выбор уставки выполняют в следующей последовательности:
- определяют уставку защиты по первичному току по
11.4.2 и по вторичному току по
11.4.3;
- определяют ток в реле при однофазном коротком замыкании на стороне низшего напряжения трансформатора по
11.4.4;
- определяют коэффициент чувствительности защиты по
11.4.5;
- оценивают чувствительность защиты по
11.4.6;
- определяют выдержку времени защиты по
11.4.7.
11.4.2 Уставку защиты по первичному току
Iу0, А, выбирают таким образом, чтобы обеспечивалось выполнение неравенства

(46)
где
Sном - номинальная мощность трансформатора собственных нужд, выбранная по
8.7, кВ·А;
UномВ - номинальное линейное напряжение обмотки высшего напряжения трансформатора собственных нужд, кВ, выбираемое из ряда 6,3; 10,5; 20,0; 27,5 или 35,0 кВ.
11.4.3 Уставку защиты по вторичному току
iу0, А, вычисляют по формуле

(47)
KI0 - коэффициент трансформации трансформатора тока, включенного в вывод нейтрали обмотки низшего напряжения трансформатора.
11.4.4 Ток в реле
iр, А, при однофазном коротком замыкании на стороне низшего напряжения трансформатора вычисляют по формуле

(48)
11.4.5 Коэффициент чувствительности защиты
kч вычисляют по формуле

(49)
где
iр - ток в реле при однофазном коротком замыкании на стороне низшего напряжения трансформатора, полученный по
11.4.4 [формула (48)], А;
11.4.6 Для оценки чувствительности защиты коэффициент чувствительности, полученный по
11.4.5 [формула (49)], сравнивают с предельно допустимым коэффициентом чувствительности по
5.7.1, перечисление в) 4). Если коэффициент чувствительности больше предельно допустимого, то уставку, выбранную по
11.4.2, принимают в качестве окончательной и выбор уставки по току токовой защиты нулевой последовательности считают завершенным. В противном случае, корректируют коэффициент трансформации трансформатора тока и расчет повторяют.
11.4.7 Выдержку времени защиты принимают 0,4 с.
11.5 Максимальная токовая защита от перегрузки
11.5.1 Расчеты и выбор уставки выполняют в следующей последовательности:
- определяют номинальный ток обмотки низшего напряжения трансформатора по
11.5.2;
- определяют уставку по первичному току по
11.5.3 и по вторичному току по
11.5.4;
- определяют выдержку времени защиты по
11.5.5.
Чувствительность защиты не оценивают.
11.5.2 Номинальный ток обмотки низшего напряжения трансформатора
IномН, А, вычисляют по формуле

(50)
где
Sном - номинальная мощность трансформатора собственных нужд, выбранная по
8.7, кВ·А;
UномН - номинальное линейное напряжение обмотки низшего напряжения трансформатора собственных нужд, кВ;
a - число фаз трансформатора, для трехфазных трансформаторов a = 3, для однофазных - a = 1.
11.5.3 Уставку защиты по первичному току
IуП, А, вычисляют по формуле

(51)
где
IномН - номинальный ток обмотки низшего напряжения трансформатора, полученный по
11.5.2 [формула (50)], А;
kз - коэффициент запаса, принимаемый равным 1,05;
kв - коэффициент возврата; для защит на реле прямого действия принимают kв = 0,60, для защит на вторичных электромеханических реле kв = 0,80, для электронных и микропроцессорных защит kв = 0,95.
11.5.4 Уставку защиты по вторичному току
iуП, А, вычисляют по формуле

(52)
KIН - коэффициент трансформации трансформатора тока на стороне низшего напряжения трансформатора.
11.5.5 Выдержку времени защиты принимают 9,0 с.
11.6 Защита предохранителями
11.6.1 Расчеты и выбор уставки выполняют в следующей последовательности:
- определяют предварительный номинальный ток плавкой вставки предохранителя на стороне высшего напряжения трансформатора по условию отстройки от тока нагрузки по
11.6.2;
- выбирают окончательный номинальный ток плавкой вставки предохранителя по
11.6.3;
- проверяют выбранный номинальный ток плавкой вставки предохранителя по условию селективности по отношению к предохранителю или автоматическому выключателю на стороне низшего напряжения трансформатора по
11.6.4 -
11.6.6.
11.6.2 Предварительный номинальный ток плавкой вставки предохранителя на стороне высшего напряжения трансформатора по условию отстройки от тока нагрузки
IномП, А, вычисляют по формуле
где
IномВ - номинальный ток обмотки высшего напряжения трансформатора, полученный по
11.2.2 [формула (31)], А.
11.6.3 В качестве окончательного принимают номинальный ток плавкой вставки предохранителя из номинального ряда по ГОСТ 2213-79
(пункт 2.1), ближайший больший по отношению к предварительному, полученному по
11.6.2 [формула (53)].
11.6.4 Для проверки номинального тока плавкой вставки предохранителя по условию селективности по отношению к предохранителю или автоматическому выключателю на стороне низшего напряжения трансформатора задаются током короткого замыкания, находящимся в диапазоне между номинальным током обмотки низшего напряжения, полученным по
11.5.2 [формула (50)], и наибольшим током короткого замыкания на стороне низшего напряжения.
Ток короткого замыкания, приведенный к стороне высшего напряжения трансформатора IКВmax, А, вычисляют по формуле

(54)
где IКНmax - ток короткого замыкания, находящийся в диапазоне между номинальным током обмотки низшего напряжения и наибольшим током короткого замыкания на стороне низшего напряжения, А.
11.6.5 По время-токовой характеристике предохранителя или автоматического выключателя на стороне низшего напряжения трансформатора определяют время срабатывания этого предохранителя или автоматического выключателя
tсрН для тока, выбранного по
11.6.4.
| | ИС МЕГАНОРМ: примечание. В официальном тексте документа, видимо, допущена опечатка: формула (50) приводится в пункте 11.5.2, а не в пункте 11.6.4. | |
По время-токовой характеристике предохранителя на стороне высшего напряжения трансформатора определяют время срабатывания этого предохранителя
tсрВ для тока, выбранного и приведенного к стороне высшего напряжения трансформатора по
11.6.4 [формула (50)].
11.6.6 После этого проверяют выполнение неравенства

(55)
Если неравенство выполняется, то номинальный ток плавкой вставки, выбранный по
11.6.3, принимают в качестве окончательного. В противном случае, изменяют номинальный ток плавкой вставки или подбирают предохранитель с иной время-токовой характеристикой и расчет повторяют.
11.7 Автоматическое включение резерва
11.7.1 Выдержку времени автоматического включения резерва трансформаторов собственных нужд tАВР, с, вычисляют по формуле

(56)
где tзащ - наибольшая из выдержек времени защит на присоединениях той же секции сборных шин, к которой присоединена обмотка высшего напряжения рассматриваемого трансформатора собственных нужд, с;

- ступень выдержки времени, принимают 0,3 с.
11.7.2 Уставку пуска по напряжению автоматического включения резерва UАВР, В, вычисляют по формуле
UАВР = kUномН, (57)
где k - коэффициент, значение которого принимают от 0,25 до 0,40;
UномН - номинальное линейное напряжение обмотки низшего напряжения трансформатора собственных нужд, В.
12 Методы расчета для выбора автоматических выключателей и предохранителей напряжением до 1000 В
12.1 Сети собственных нужд и сети переменного оперативного тока
12.1.1 Общий порядок выбора автоматических выключателей и предохранителей
12.1.1.1 Выбор автоматических выключателей и предохранителей выполняют в следующем порядке:
- проводят предварительный выбор по условиям эксплуатации по
12.1.2;
- проводят предварительный выбор время-токовой характеристики по
12.1.3;
- проверяют отстройку от пусковых токов по
12.1.4;
- проверяют чувствительность по
12.1.5;
- проверяют селективность по
12.1.6 (за исключением автоматических выключателей и предохранителей нижнего уровня защиты);
- проверяют на быстродействие по
12.1.7;
- проверяют на отключающую способность по
12.1.8.
12.1.1.2 Выбор автоматических выключателей и предохранителей выполняют вначале для нижнего уровня защиты, затем для среднего уровня защиты (при его наличии) и завершают для верхнего уровня защиты.
Примечание - Наименования уровней защиты и требования к ним приведены для сети собственных нужд в
5.8.2, для сети оперативного тока - в
6.4.2 -
6.4.4.
12.1.2 Предварительный выбор по условиям эксплуатации
12.1.2.1 Применяют автоматические выключатели и предохранители, предназначенные для работы в электрических сетях переменного тока частотой 50 Гц.
12.1.2.2 По числу полюсов автоматические выключатели применяют:
- в однофазных цепях (включая однофазные ответвления от трехфазной сети) в сети с системой токоведущих проводников и заземления TN-S - двухполюсные;
- в трехфазных цепях с системами токоведущих проводников и заземления TN-C и IT - трехполюсные;
- в трехфазных цепях с системой токоведущих проводников и заземления TN-S - четырехполюсные.
12.1.2.3 Номинальное напряжение автоматического выключателя или предохранителя должно быть не ниже номинального напряжения электрической сети.
12.1.2.4 Номинальный ток расцепителя автоматического выключателя или плавкой вставки предохранителя Iномр, А, выбирают таким образом, чтобы обеспечивалось выполнение неравенства
Iдд >= Iномр >= Iн, (58)
где Iдд - длительно допустимый ток для кабеля данной марки, приведенный в технической документации изготовителя, А;
Iн - ток, протекающий в цепи в нормальном режиме ее работы, А.
12.1.3 Предварительный выбор время-токовой характеристики
При выборе время-токовой характеристики расцепителя автоматического выключателя или плавкой вставки предохранителя руководствуются следующими правилами:
- для защиты двигателей выбирают плавкие вставки типа "gM" или максимальные расцепители с током срабатывания не менее десятикратного значения номинального тока расцепителя.
Примечание - Здесь и далее обозначения типов плавких вставок предохранителей - по ГОСТ IEC 60269-1-2016
(пункт 5.7.1);
- для защиты трансформаторов выбирают плавкие вставки типа "gT" или максимальные расцепители с током срабатывания не менее пятикратного значения номинального тока расцепителя;
- в остальных случаях выбирают плавкие вставки типа "gG" или максимальные расцепители с током срабатывания не менее пятикратного значения номинального тока расцепителя;
- на всех уровнях защиты, кроме нижнего, применяют расцепители и плавкие вставки, обеспечивающие селективное отключение сверхтоков.
12.1.4 Проверка отстройки от пусковых токов
12.1.4.1 Для проверки отстройки от пусковых токов:
а) время-токовую характеристику проверяемого аппарата наносят на график, на котором ток отложен по оси абсцисс, а время - по оси ординат, по обеим осям координат используют логарифмическую шкалу с основой в соотношении 2:1 с более длинными размерами по оси абсцисс или в соотношении 1:1.
Примечание - Здесь и далее применительно к автоматическим выключателям и предохранителям, если не требуется разделение, применен обобщающий термин "аппарат";
б) на тот же график наносят пусковую характеристику приемника электроэнергии, находящегося в той же цепи, что и проверяемый аппарат;
в) по взаимному расположению на графике время-токовой характеристики проверяемого аппарата и пусковой характеристики приемника электроэнергии убеждаются, что ни на одном из участков пусковой ток приемника электроэнергии не превышает ток срабатывания проверяемого аппарата.
12.1.4.2 Если условие по
12.1.4.1, перечисление в), не выполняется, то предусматривают одно или несколько мероприятий из числа следующих:
- выбирают автоматический выключатель, плавкую вставку и, если требуется, предохранитель с

номинальным током;
- увеличивают ток срабатывания расцепителя перегрузки или максимального расцепителя автоматического выключателя;
- выбирают плавкую вставку или расцепитель с другой время-токовой характеристикой.
12.1.5 Проверка чувствительности
12.1.5.1 Чувствительность предохранителя считают обеспеченной, если выполнены требования проверки на быстродействие по
12.1.7.
12.1.5.2 Проверку чувствительности автоматического выключателя выполняют в следующей последовательности:
а) проводят расчет минимального тока короткого замыкания в основной и резервной зонах защиты по
ГОСТ 28249, принимая следующие расчетные условия:
1) место короткого замыкания - точка сети, у которой полное сопротивление от источника электроэнергии является наибольшим;
2) вид короткого замыкания - дуговое, в трехфазных сетях - однофазное;
3) схема сети - соответствует минимально возможному значению тока короткого замыкания;
4) режим, предшествующий короткому замыканию, - ток в цепи равен максимально возможному в отсутствие короткого замыкания, температура окружающей среды наибольшая для климатического исполнения проверяемого автоматического выключателя;
б) определяют коэффициент чувствительности защиты в основной и резервной зонах защиты по
12.1.5.3;
в) оценивают чувствительность защиты по
12.1.5.4.
12.1.5.3 Коэффициент чувствительности защиты
kч вычисляют по формуле

(59)
где
Iкз - минимальный ток короткого замыкания, полученный при расчетах по
12.1.5.2, А;
Iср - ток срабатывания максимального расцепителя автоматического выключателя, А.
12.1.5.4 Для оценки чувствительности защиты коэффициенты чувствительности, полученные по
12.1.5.3 [формула (59)] для основной и резервной зон защиты, сравнивают с предельно допустимым значением, которое составляет 1,1. Если коэффициенты чувствительности больше предельно допустимого значения, то чувствительность защиты считают обеспеченной. Если коэффициенты чувствительности меньше предельно допустимого значения или равны ему, то предусматривают одно или несколько мероприятий из числа следующих:
- выбирают плавкую вставку и, если требуется, предохранитель с меньшим номинальным током;
- уменьшают ток уставки максимального расцепителя автоматического выключателя;
- выбирают другой тип плавкой вставки или автоматического выключателя.
После этого проверки по
12.1.4.1,
12.1.5.2 и
12.1.5.3 повторяют. Если чувствительность перечисленными выше мерами обеспечить не удается, то допускается при определении коэффициента чувствительности по
12.1.5.3 в формуле (59) использовать ток срабатывания расцепителя перегрузки автоматического выключателя.
12.1.6 Проверка селективности
12.1.6.1 Проверку селективности выполняют в следующей последовательности:
а) проводят расчет максимального тока короткого замыкания на зажимах проверяемого аппарата по
ГОСТ 28249, принимая следующие расчетные условия:
1) место короткого замыкания - зажимы проверяемого аппарата;
2) вид короткого замыкания - металлическое, в трехфазных сетях - трехфазное;
3) схема сети - соответствует максимально возможному значению тока короткого замыкания;
4) режим, предшествующий короткому замыканию, - ток в цепи равен нулю, температура окружающей среды - наименьшая для климатического исполнения проверяемого аппарата;
б) время-токовую характеристику проверяемого аппарата наносят на график, требования к которому аналогичны изложенным в
12.1.4.1, перечисление а), для проверки отстройки от пусковых токов;
в) на тот же график наносят время-токовую характеристику расцепителя автоматического выключателя или плавкой вставки предохранителя ближайшего нижележащего уровня защиты.
Примечание - Под ближайшим нижележащим уровнем защиты в данном случае понимают нижний уровень, если проверяют аппарат среднего уровня, и средний уровень, если проверяют аппарат верхнего уровня;
г) по взаимному расположению на графике время-токовых характеристик убеждаются, что время-токовая характеристика аппарата ближайшего нижележащего уровня защиты соответствует меньшему времени отключения, нежели время-токовая характеристика проверяемого аппарата, и не пересекается с последней на участке, расположенном между номинальным током проверяемого аппарата и максимальным током короткого замыкания, определенным при расчете по
перечислению а).
12.1.6.2 Если условие по
12.1.6.1, перечисление г), не выполняется, то увеличивают уставку по времени максимального расцепителя проверяемого автоматического выключателя или выбирают плавкую вставку предохранителя с большим номинальным током.
12.1.7 Проверка на быстродействие
12.1.7.1 Проверка на быстродействие заключается в:
- проверке сечения проводников на термическую стойкость и невозгораемость при коротком замыкании, которую выполняют по
9.6;
- проверке автоматического выключателя или предохранителя по перерыву питания, которую выполняют по
12.1.7.2;
12.1.7.3.
12.1.7.2 Для проверки автоматического выключателя или предохранителя по перерыву питания по время-токовой характеристике проверяемого аппарата определяют время его срабатывания при минимальном токе короткого замыкания, полученном по
12.1.5.2, перечисления а) 1) -
а) 4).
Быстродействие автоматического выключателя или предохранителя считают обеспеченным, если время его срабатывания при минимальном токе короткого замыкания не превышает 1 с.
12.1.7.3 Если условие
12.1.7.2 не выполнено, то предусматривают одно или несколько мероприятий из числа следующих:
- выбирают плавкую вставку и, если требуется, предохранитель с меньшим номинальным током;
- уменьшают ток уставки расцепителя перегрузки или максимального расцепителя автоматического выключателя;
- выбирают другой тип плавкой вставки или автоматического выключателя.
12.1.8 Проверка на отключающую способность
12.1.8.1 Для проверки автоматического выключателя или предохранителя на отключающую способность вычисляют коэффициент мощности цепи

по формуле

(60)
12.1.8.2 Отключающую способность автоматического выключателя считают обеспеченной при одновременном выполнении следующих условий:
- минимальный ток короткого замыкания, полученный при расчете по
12.1.6.1, перечисления а) 1) -
а) 4), не превышает номинальную наибольшую отключающую способность автоматического выключателя, значение которой принимают по технической документации изготовителя;
12.1.8.3 Отключающую способность предохранителя считают обеспеченной при одновременном выполнении следующих условий:
- минимальный ток короткого замыкания, полученный при расчете по
12.1.6.1, перечисления а) 1) -
а) 4), не превышает номинальную отключающую способность предохранителя, значение которой принимают по технической документации изготовителя;
12.1.8.4 Если условия по
12.1.8.2 или
12.1.8.3 не выполнены, то выбирают предохранитель или автоматический выключатель с большей отключающей способностью.
12.2 Сети постоянного и выпрямленного оперативного тока
12.2.1 Общий порядок выбора автоматических выключателей и предохранителей
12.2.1.1 Выбор автоматических выключателей и предохранителей выполняют в следующем порядке:
- проводят предварительный выбор по условиям эксплуатации по
12.2.2;
- проводят предварительный выбор время-токовой характеристики по
12.2.3;
- проверяют отстройку от пусковых токов по
12.2.4;
- проверяют чувствительность по
12.2.5;
- проверяют селективность по
12.2.6 (за исключением автоматических выключателей и предохранителей нижнего уровня защиты);
- проверяют на быстродействие по
12.2.7;
- проверяют на отключающую способность по
12.2.8.
12.2.1.2 Выбор автоматических выключателей и предохранителей выполняют вначале для нижнего уровня защиты, затем для среднего уровня защиты (при его наличии) и завершают для верхнего уровня защиты.
Примечание - Наименования уровней защиты и требования к ним приведены в
6.4.2 -
6.4.4.
12.2.2 Предварительный выбор по условиям эксплуатации
12.2.2.1 Применяют автоматические выключатели и предохранители, предназначенные для работы в электрических сетях постоянного тока.
12.2.2.2 Применяют двухполюсные автоматические выключатели и предохранители с плавкими вставками в обоих полюсах.
12.2.2.3 Номинальное напряжение автоматического выключателя или предохранителя должно быть не ниже номинального напряжения электрической сети.
12.2.2.4 Для выбора номинального тока автоматического выключателя или предохранителя определяют продолжительный расчетный ток. Для аппаратов, защищающих выходную цепь зарядно-подзарядного преобразователя, продолжительный расчетный ток Iр, А, вычисляют по формуле
где IнЗУ - номинальный ток на выходе зарядно-подзарядного преобразователя, А, принимаемый по технической документации изготовителя.
Для аппаратов, защищающих цепи всех остальных назначений, продолжительный расчетный ток Iр, А, вычисляют по формуле
Iр =
Iпост + 0,4
Iкв, (62)
где Iпост - ток, длительно протекающий в цепи в нормальном режиме ее работы, А;
Iкв - ток наиболее мощного из приемников электроэнергии, протекающий через аппарат кратковременно, А.
Номинальный ток автоматического выключателя или предохранителя выбирают из номинальных рядов, установленных в технической документации изготовителя, таким образом, чтобы обеспечивалось выполнение неравенства
Iном <= Iр, (63)
где Iном - значение номинального тока, ближайшее меньшее по отношению к продолжительному расчетному току, А;
12.2.3 Предварительный выбор время-токовой характеристики
При выборе время-токовой характеристики расцепителя автоматического выключателя или плавкой вставки предохранителя руководствуются следующими правилами:
- выбирают плавкие вставки типа "gG" или максимальные расцепители с током срабатывания не менее пятикратного значения номинального тока расцепителя;
- на всех уровнях защиты, кроме нижнего, применяют расцепители и плавкие вставки, обеспечивающие селективное отключение сверхтоков.
12.2.4 Проверка отстройки от пусковых токов
Проверку отстройки от пусковых токов проводят в порядке, аналогичном изложенному в
12.1.4 для сетей собственных нужд и сети переменного оперативного тока.
12.2.5 Проверка чувствительности
12.2.5.1 Чувствительность предохранителя считают обеспеченной, если выполнены требования проверки на быстродействие по
12.2.7.
12.2.5.2 Проверку чувствительности автоматического выключателя выполняют в следующей последовательности:
а) проводят расчет минимального тока короткого замыкания в основной и резервной зонах защиты по ГОСТ 29176, принимая следующие расчетные условия:
1) место короткого замыкания - точка сети, у которой омическое сопротивление от источника электроэнергии является наибольшим;
2) вид короткого замыкания - дуговое;
3) схема сети - соответствует минимально возможному значению тока короткого замыкания;
4) режим, предшествующий короткому замыканию, - ток в цепи равен максимально возможному в отсутствие короткого замыкания, температура окружающей среды - наибольшая для климатического исполнения проверяемого автоматического выключателя, внутреннее сопротивление батареи аккумуляторов в 1,5 раза выше значения, указанного в технической документации изготовителя;
б) определяют коэффициент чувствительности защиты в основной и резервной зонах защиты и оценивают чувствительность защиты по 12.2.5.3.
12.2.5.3 Коэффициент чувствительности защиты вычисляют и чувствительность защиты оценивают в порядке, аналогичном изложенному в
12.1.5.3 и
12.1.5.4 для сетей собственных нужд и переменного оперативного тока.
12.2.6 Проверка селективности
Проверку селективности выполняют в порядке, аналогичном изложенному в
12.1.6 для сетей собственных нужд и переменного оперативного тока. Расчет максимального тока короткого замыкания на зажимах проверяемого аппарата выполняют по ГОСТ 29176.
12.2.7 Проверка на быстродействие
Проверка на быстродействие заключается в:
- проверке сечения проводников на термическую стойкость и невозгораемость при коротком замыкании, которую выполняют по
9.6;
- проверке автоматического выключателя или предохранителя по перерыву питания, которую выполняют в порядке, аналогичном изложенному в
12.1.7.2 для сетей собственных нужд и переменного оперативного тока.
12.2.8 Проверка на отключающую способность
12.2.8.1 Для проверки автоматического выключателя или предохранителя на отключающую способность вычисляют постоянную времени цепи

, с, по формуле

(64)
12.2.8.2 Отключающую способность автоматического выключателя считают обеспеченной при одновременном выполнении следующих условий:
- минимальный ток короткого замыкания, полученный при расчете по
12.2.5.2, перечисления а) 1) -
а) 4), не превышает номинальную наибольшую отключающую способность автоматического выключателя, значение которой принимают по технической документации изготовителя;
12.2.8.3 Отключающую способность предохранителя считают обеспеченной при одновременном выполнении следующих условий:
- минимальный ток короткого замыкания, полученный при расчете по
12.2.5.2, перечисления а) 1) -
а) 4), не превышает номинальную отключающую способность предохранителя, значение которой принимают по технической документации изготовителя;
12.2.8.4 Если условия по
12.2.8.2 или
12.2.8.3 не выполнены, то выбирают предохранитель или автоматический выключатель с большей отключающей способностью.
| | ИС МЕГАНОРМ: примечание. В официальном тексте документа, видимо, допущена опечатка: пункты 12.2.4.1, 12.2.6.1, 12.2.7.2 и 2.2.8.3 отсутствуют. | |
(обязательное)
СТРУКТУРНО-ФУНКЦИОНАЛЬНЫЕ СХЕМЫ РАСПРЕДЕЛЕНИЯ И ПЕРЕДАЧИ
ЭЛЕКТРОЭНЕРГИИ В СЕТИ СОБСТВЕННЫХ НУЖД ПОДСТАНЦИЙ
Структурно-функциональные схемы распределения и передачи электроэнергии в сети собственных нужд подстанций показаны:
- для тяговой подстанции с двумя основными и одним резервным трансформаторами собственных нужд, дизель-генераторным агрегатом и системами токоведущих проводников и заземления TN-C-S и IT (см.
рисунок А.1);
- для тяговой или трансформаторной подстанции с двумя основными и одним резервным трансформаторами собственных нужд, дизель-генераторным агрегатом и системой токоведущих проводников и заземления TN-C-S (см.
рисунок А.2);
- для тяговой или трансформаторной подстанции с двумя основными трансформаторами собственных нужд, дизель-генераторным агрегатом и системой токоведущих проводников и заземления TN-C-S без резервного трансформатора собственных нужд (см.
рисунок А.3);
- для тяговой подстанции с одним основным и одним резервным трансформаторами собственных нужд, дизель-генераторным агрегатом и системами токоведущих проводников и заземления TN-C-S и IT (см.
рисунок А.4).
--------------------------------
T1.1, T1.2 - основные трансформаторы собственных нужд
G - дизель-генераторный агрегат
(5.3.3); 1СШ НГСН,
2СШ НГСН - первая и вторая секции сборных шин
распределительного устройства негарантированного питания
собственных нужд с системой токоведущих проводников
шины распределительного устройства гарантированного
питания собственных нужд
(5.6.3); СШ IT - сборные шины
распределительного устройства собственных нужд с системой
токоведущих проводников и заземления IT
(5.6.2.6);
АВР - устройство автоматического включения резерва.
Штриховыми линиями показаны границы участков сети
с различными режимами рабочих проводников и заземления.
Требования к разделению PEN-проводника на PE-
Рисунок А.1 - Структурно-функциональная схема сети
собственных нужд тяговой подстанции с двумя основными
и одним резервным трансформаторами собственных нужд,
дизель-генераторным агрегатом и системами токоведущих
проводников и заземления TN-C-S и IT
--------------------------------
T1.1, T1.2 - основные трансформаторы собственных нужд
агрегат
(5.3.3); 1СШ НГСН, 2СШ НГСН - первая и вторая секции
сборных шин распределительного устройства негарантированного
питания собственных нужд с системой токоведущих проводников
шины распределительного устройства гарантированного питания
собственных нужд
(5.6.3); АВР - устройство автоматического
включения резерва.
Штриховыми линиями показаны границы участков сети
с различными режимами рабочих проводников и заземления.
Требования к разделению PEN-проводника на PE-
Рисунок А.2 - Структурно-функциональная схема сети
собственных нужд тяговой или трансформаторной подстанции
с двумя основными и одним резервным трансформаторами
собственных нужд, дизель-генераторным агрегатом
и системой токоведущих проводников и заземления TN-C-S
--------------------------------
T1.1, T1.2 - основные трансформаторы собственных нужд
1СШ НГСН, 2СШ НГСН - первая и вторая секции сборных шин
распределительного устройства негарантированного питания
собственных нужд с системой токоведущих проводников
шины распределительного устройства гарантированного питания
Штриховыми линиями показаны границы участков сети
с различными режимами рабочих проводников и заземления.
Требования к разделению PEN-проводника на PE-
Рисунок А.3 - Структурно-функциональная схема сети
собственных нужд тяговой или трансформаторной подстанции
с двумя основными трансформаторами собственных нужд,
дизель-генераторным агрегатом и системой токоведущих
проводников и заземления TN-C-S без резервного
трансформатора собственных нужд
--------------------------------
T1 - основной трансформатор собственных нужд (
5.3.2.3;
5.3.2.5);
T2 - резервный трансформатор собственных нужд
(5.3.3); СШ НГСН - несекционированные сборные шины
распределительного устройства негарантированного питания
собственных нужд с системой токоведущих проводников
шины распределительного устройства гарантированного
питания собственных нужд
(5.6.3); СШ IT - сборные шины
распределительного устройства собственных нужд
с системой токоведущих проводников и заземления
IT
(5.6.2.6); АВР - устройство автоматического
включения резерва.
Штриховыми линиями показаны границы участков сети
с различными режимами рабочих проводников и заземления.
Требования к разделению PEN-проводника на PE-
Рисунок А.4 - Структурно-функциональная схема сети
собственных нужд тяговой подстанции с одним основным
и одним резервным трансформаторами собственных нужд,
дизель-генераторным агрегатом и системами токоведущих
проводников и заземления TN-C-S и IT
| | Пожарная безопасность зданий и сооружений (приняты и введены в действие постановлением Минстроя России от 13 февраля 1997 г. N 18-7) |