Главная // Актуальные документы // ГОСТ Р (Государственный стандарт)СПРАВКА
Источник публикации
М.: Стандартинформ, 2020
Примечание к документу
Документ
введен в действие с 30.04.2021.
Название документа
"ГОСТ Р 58838-2020. Национальный стандарт Российской Федерации. Автомобильные транспортные средства. Бортовые системы помощи водителю. Системы непрямого обзора. Общие технические требования и методы испытаний"
(утв. и введен в действие Приказом Росстандарта от 07.10.2020 N 760-ст)
"ГОСТ Р 58838-2020. Национальный стандарт Российской Федерации. Автомобильные транспортные средства. Бортовые системы помощи водителю. Системы непрямого обзора. Общие технические требования и методы испытаний"
(утв. и введен в действие Приказом Росстандарта от 07.10.2020 N 760-ст)
Утвержден и введен в действие
по техническому регулированию
и метрологии
от 7 октября 2020 г. N 760-ст
НАЦИОНАЛЬНЫЙ СТАНДАРТ РОССИЙСКОЙ ФЕДЕРАЦИИ
АВТОМОБИЛЬНЫЕ ТРАНСПОРТНЫЕ СРЕДСТВА
БОРТОВЫЕ СИСТЕМЫ ПОМОЩИ ВОДИТЕЛЮ.
СИСТЕМЫ НЕПРЯМОГО ОБЗОРА
ОБЩИЕ ТЕХНИЧЕСКИЕ ТРЕБОВАНИЯ И МЕТОДЫ ИСПЫТАНИЙ
Motor vehicles. On-board Driver Assistance Systems.
Indirect view systems. General technical requirements
and test procedures
ГОСТ Р 58838-2020
Дата введения
30 апреля 2021 года
1 РАЗРАБОТАН Федеральным государственным унитарным предприятием "Центральный ордена Трудового Красного Знамени научно-исследовательский автомобильный и автомоторный институт "НАМИ" (ФГУП "НАМИ")
2 ВНЕСЕН Техническим комитетом по стандартизации ТК 056 "Дорожный транспорт"
3 УТВЕРЖДЕН И ВВЕДЕН В ДЕЙСТВИЕ
Приказом Федерального агентства по техническому регулированию и метрологии от 7 октября 2020 г. N 760-ст
4 ВВЕДЕН ВПЕРВЫЕ
Правила применения настоящего стандарта установлены в статье 26 Федерального закона от 29 июня 2015 г. N 162-ФЗ "О стандартизации в Российской Федерации". Информация об изменениях к настоящему стандарту публикуется в ежегодном (по состоянию на 1 января текущего года) информационном указателе "Национальные стандарты", а официальный текст изменений и поправок - в ежемесячном информационном указателе "Национальные стандарты". В случае пересмотра (замены) или отмены настоящего стандарта соответствующее уведомление будет опубликовано в ближайшем выпуске ежемесячного информационного указателя "Национальные стандарты". Соответствующая информация, уведомление и тексты размещаются также в информационной системе общего пользования - на официальном сайте Федерального агентства по техническому регулированию и метрологии в сети Интернет (www.gost.ru)
Системы непрямого обзора предназначены для помощи водителям транспортных средств категорий M и N в обеспечении четкой видимости того, что находится сзади, сбоку или впереди оснащенного данными системами рассматриваемого транспортного средства в пределах полей обзора, определенных в настоящем стандарте. Системы непрямого обзора в рамках данного стандарта включают видеокамеры/мониторы либо другие устройства, способные предоставлять водителю информацию о поле непрямого обзора.
Система непрямого обзора функционирует в рамках объективных ограничений, определенных в стандарте, не отменяет необходимость наличия зеркал заднего вида и не освобождает водителя от обязанности контролировать дорожную обстановку. Ответственность за безопасность движения несет водитель. На транспортном средстве, оснащенном системой(ами) непрямого обзора, водитель должен постоянно оценивать дорожную обстановку для корректировки направления движения транспортного средства во избежание дорожно-транспортных происшествий.
Настоящий стандарт распространяется на системы непрямого обзора, устанавливаемые на транспортные средства (далее - ТС) категорий M и N в соответствии с
[1], обладающие уровнем автоматизации 0 - 2 согласно
ГОСТ Р 58823, и устанавливает общие технические требования к системам непрямого обзора и методы их испытаний.
Настоящий стандарт применяют:
а) к обязательным и факультативным устройствам непрямого обзора, указанным в
9.2.1.2;
б) установке устройств непрямого обзора, предназначенных для ТС категорий M и N и ТС категории L с кузовом по меньшей мере частично закрытого типа.
Настоящий стандарт не распространяется на ТС категорий M и N, у которых для наблюдения полей обзора используются только зеркала.
В настоящем стандарте использованы нормативные ссылки на следующие стандарты:
ГОСТ 14254 Степени защиты, обеспечиваемые оболочками (Код IP)
ГОСТ 15150 Машины, приборы и другие технические изделия. Исполнения для различных климатических районов. Категории, условия эксплуатации, хранения и транспортирования в части воздействия климатических факторов внешней среды
ГОСТ 33991 Электрооборудование автомобильных транспортных средств. Электромагнитная совместимость. Помехи в цепях. Требования и методы испытаний
ГОСТ Р 50607 Совместимость технических средств электромагнитная. Транспорт дорожный. Методы испытаний для электрических помех от электростатических разрядов
ГОСТ Р 51318.25 Совместимость технических средств электромагнитная. Транспортные средства, моторные лодки и устройства с двигателями внутреннего сгорания. Характеристики индустриальных радиопомех. Нормы и методы измерений для защиты радиоприемных устройств, размещенных на подвижных средствах
ГОСТ Р 58823 Автомобильные транспортные средства. Системы автоматизации вождения. Классификация и определения
ГОСТ Р 58834 Автомобильные транспортные средства. Бортовые системы помощи водителю. Общие технические требования к компонентам и методы испытаний
ГОСТ Р ИСО 9241-303 Эргономика взаимодействия человек - система. Часть 303. Требования к электронным видеодисплеям
ГОСТ Р ИСО 9241-305 Эргономика взаимодействия человек - система. Часть 305. Оптические лабораторные методы испытания электронных видеодисплеев
ГОСТ Р ИСО 15008 Эргономика транспортных средств. Эргономические аспекты информационно-управляющей системы транспортного средства. Требования к представлению визуальной информации внутри транспортного средства и методы их проверки
Примечание - При пользовании настоящим стандартом целесообразно проверить действие ссылочных стандартов и сводов правил в информационной системе общего пользования - на официальном сайте Федерального агентства по техническому регулированию и метрологии в сети Интернет или по ежегодному информационному указателю "Национальные стандарты", который опубликован по состоянию на 1 января текущего года, и по выпускам ежемесячного информационного указателя "Национальные стандарты" за текущий год. Если заменен ссылочный документ, на который дана недатированная ссылка, то рекомендуется использовать действующую версию этого документа с учетом всех внесенных в данную версию изменений. Если заменен ссылочный документ, на который дана датированная ссылка, то рекомендуется использовать версию этого документа с указанным выше годом утверждения (принятия). Если после утверждения настоящего стандарта в ссылочный документ, на который дана датированная ссылка, внесено изменение, затрагивающее положение, на которое дана ссылка, то это положение рекомендуется применять без учета данного изменения. Если ссылочный документ отменен без замены, то положение, в котором дана ссылка на него, рекомендуется применять в части, не затрагивающей эту ссылку. При пользовании настоящим стандартом целесообразно проверить действие ссылочного свода правил в Федеральном информационном фонде стандартов.
В настоящем стандарте применены следующие термины с соответствующими определениями:
3.1 амбинокулярный обзор: Полное поле обзора, получаемое наложением монокулярных полей правого и левого глаза водителя рассматриваемого ТС.
Примечание - На
рисунке 1 представлена схема амбинокулярного обзора.
E - внутреннее зеркало заднего вида; OD - правый глаз
водителя; OE - левый глаз водителя; ID - виртуальные
монокулярные изображения; IE - виртуальные монокулярные
изображения; I - виртуальное амбинокулярное изображение;
A - угол обзорности левого глаза; B - угол обзорности
правого глаза; C - бинокулярный угол обзорности;
D - амбинокулярный угол обзорности
Рисунок 1 - Амбинокулярный обзор
3.2 блок управления: Электронное устройство, контролирующее взаимодействие и согласованность работы электронных компонентов системы "видеокамера-монитор".
3.3 видеокамера: Устройство, являющееся составной частью системы непрямого обзора, воспринимающее видеоизображение пространства, окружающего рассматриваемое ТС, преобразующее его в цифровой сигнал (например, видеосигнал) и передающее его в бортовую сеть рассматриваемого ТС.
Примечание - Видеокамера состоит из двух взаимосвязанных элементов: устройства формирования изображений и объектива.
3.4 визуальный спектр: Свет, длина волны которого находится в пределах границ восприятия человеческих глаз: 380 - 780 нм.
3.5 вспомогательная система обзора: Система, позволяющая водителю рассматриваемого ТС обнаруживать и/или видеть предметы в зоне, окружающей рассматриваемое ТС, с помощью других устройств непрямого обзора.
3.6 двойная функциональная система зеркала и системы непрямого обзора: Система "видеокамера-монитор" класса I, в которой монитор установлен позади полупрозрачного зеркала.
Примечание - Изображение монитора становится видимым при работе системы "видеокамера-монитор".
3.7 другие устройства непрямого обзора: Устройства непрямого обзора, такие как зеркала, обеспечивающие предоставление водителю рассматриваемого ТС информации, отображающей поле обзора без помощи видеокамеры и монитора.
3.8
зеркало: Оптическое устройство (за исключением перископов), предназначенное для обеспечения четкой видимости того, что находится сзади, сбоку или впереди рассматриваемого ТС в пределах полей обзора, определенных в
9.2.3, с помощью отражающей поверхности.
3.9 класс устройства непрямого обзора: Группа устройств непрямого обзора, имеющих одну или несколько общих характеристик либо функций.
Примечание - Устройства непрямого обзора классифицируют следующим образом:
- класс I: Устройство заднего вида, обеспечивающее поле обзора, определенное в
9.2.3.1;
- классы II и III: Основное устройство заднего вида, обеспечивающее поля обзора, определенные в
9.2.3.2 и
9.2.3.3;
- класс IV: Широкоугольное устройство обзора, обеспечивающее поле обзора, определенное в
9.2.3.4;
- класс V: Внешнее устройство бокового обзора, обеспечивающее поле обзора, определенное в
9.2.3.5;
- класс VI: Устройство переднего обзора, обеспечивающее поле обзора, определенное в
9.2.3.6;
- класс VII: Основные зеркала заднего вида, предназначенные для ТС категории L с кузовом.
3.10 концепция эксплуатационной безопасности: Описание мер, предусмотренных конструкцией системы, например на уровне электронных блоков, для обеспечения ее надлежащего функционирования и надежного срабатывания даже в случае системного сбоя или нарушения электрической цепи.
3.11
коэффициент контрастности точечного источника света; ККТИС: Степень различимости пары точечных источников света на основе различий в яркости между максимальной яркостью диапазона яркости
LH,max и минимальной яркостью в диапазоне яркости
LH,min в горизонтальном направлении.
Примечание - Для определения ККТИС оценивают кривую яркости в горизонтальном направлении по вертикальной оси (см.
рисунок А.3 приложения А).
3.12 коэффициент обнаружения точечного источника света; КОТИС: Степень различимости пары точечных источников света на основе уровня яркости и горизонтальной и вертикальной размерности передачи изображения на мониторе.
Примечание - Для определения КОТИС оценивают кривую яркости в горизонтальном и вертикальном направлении (см.
рисунок А.2 приложения А).
3.13 критический объект: Объект цилиндрической формы высотой 0,50 м и диаметром 0,30 м.
3.14 критическое восприятие: Уровень восприятия, достижимый на пределе возможностей используемой системы визуального наблюдения при критических условиях, когда линейный масштаб изображения критического объекта в несколько раз превышает самую мелкую деталь, различимую с помощью данной системы наблюдения.
3.15 мерцание: Восприятие беспорядочных краткосрочных изменений в яркости на дисплее, в диапазоне частот от нескольких герц до критической частоты мерцания; эти беспорядочные краткосрочные изменения могут повлиять на удобство и производительность труда пользователя.
3.16
монитор: Устройство, являющееся составной частью системы непрямого обзора, обеспечивающее предоставление водителю рассматриваемого ТС визуальной информации о том, что находится сзади, сбоку или впереди рассматриваемого ТС в пределах полей обзора.
Примечание - Монитор представляет собой матрицу, объединяющую активные области, которые излучают свет с разной длиной волны, либо (обычно рассеивающий) отражатель, который освещается волнами разной длины в матрице определенных точек с помощью проектора.
3.17 окулярная исходная точка; ОИТ: Средняя точка между окулярными точками водителя.
3.18 окулярные точки водителя; ОТВ: Две точки, удаленные друг от друга на 65 мм и расположенные вертикально на расстоянии 635 мм над точкой R, обозначающей сиденье водителя.
Примечание - Соединяющая эти точки прямая должна быть перпендикулярна к вертикальной продольной средней плоскости ТС. Центр сегмента, ограниченного двумя окулярными точками, располагается на вертикальной продольной плоскости, которая должна проходить через центр сиденья водителя, определенного изготовителем ТС. Определение координат точки
R - в соответствии с
приложением Б.
3.19 переднее расположение органов управления: Конфигурация рассматриваемого ТС, в которой более половины длины двигателя находится за наиболее удаленной передней точкой основания ветрового стекла, а ступица рулевого колеса - в передней четверти длины рассматриваемого ТС.
3.20 поле обзора: Часть трехмерного пространства, которая контролируется при помощи устройства непрямого обзора.
Примечание - Если не оговорено иное, то оно соответствует видимости, обеспечиваемой данным устройством и/или устройствами, помимо зеркал, на уровне грунта. Оно может быть ограничено соответствующим расстоянием обнаружения до критического объекта. Различные поля обзора определены в
9.2.3.
3.21 пределы функциональных возможностей: Внешние физические границы, в которых система способна сохранять функциональность.
3.22 размытость: Яркая линия, отображаемая на мониторе при прямом попадании солнечного света или других сильных источников света в объектив видеокамеры.
3.23 разрешающая способность: Мельчайший элемент, видимый при помощи перцепционной системы, то есть воспринимаемый как отдельная деталь общего целого.
Примечание - Разрешающую способность человеческого глаза указывают в качестве "оптической резкости".
3.24 рассматриваемое транспортное средство; РТС: ТС категории M, N или L (с кузовом закрытого типа), оснащенное системой непрямого обзора.
3.25 расстояние обнаружения: Расстояние, измеряемое от центра объектива видеокамеры до наиболее удаленной точки, в которой может восприниматься критический объект.
3.26 система "видеокамера-монитор"; СВМ: Составная часть системы непрямого обзора, осуществляющая предоставление водителю РТС информации о поле обзора исключительно с помощью видеокамеры, монитора и линий связи.
3.27 система непрямого обзора; СНО: Совокупность оптических и электронных устройств (включая устройства непрямого обзора и устройства отображения визуальной информации), обеспечивающих предоставление водителю РТС информации о том, что находится сзади, сбоку или впереди РТС в пределах полей обзора.
3.28 тип транспортного средства в отношении непрямого обзора: Группа ТС, не имеющих между собой различий в отношении следующих основных элементов:
- типа устройства непрямого обзора;
- характеристик кузова, ограничивающих поле обзора;
- координат точки R (когда это применимо);
- предписанных положений и маркировки официального утверждения типа обязательных и факультативных (в случае их установки) оптических устройств непрямого обзора.
3.29 тип устройства непрямого обзора: Группа устройств непрямого обзора, не имеющих между собой различий в отношении следующих существенных характеристик:
- конструкции устройства, в том числе средств крепления к кузову, если они имеются;
- класса, обзора, увеличения и разрешения видеокамеры/монитора.
3.30 устройство видеонаблюдения с видеокамерой - монитором - регистрирующим устройством: Видеокамера и монитор либо регистрирующее оборудование, помимо системы "видеокамера/монитор", которые могут быть установлены внутри или снаружи ТС для обеспечения полей обзора или для работы в качестве системы безопасности внутри или вокруг РТС.
3.31 устройство непрямого обзора; УНО: Устройство, предназначенное для обеспечения четкой видимости того, что находится сзади, сбоку или впереди ТС в пределах полей обзора.
Примечание - Таким устройством могут быть видеокамеры и мониторы либо другие устройства, способные предоставлять водителю информацию о поле непрямого обзора.
3.32
яркостный контраст: Соотношение между высшей и низшей яркостями, которое определяет характеристику обнаружения. |
4 Обозначения и сокращения
В настоящем стандарте использованы следующие сокращения:
АИЛ - аккредитованная испытательная лаборатория;
ДМС - дисплей мультимедийной системы РТС;
КП - комбинация приборов РТС;
РОТ - распознавание ориентации треугольников (тест).
5 Условия эксплуатации систем непрямого обзора
5.1 СНО, установленная на ТС, должна обеспечивать заданные показатели технических и эксплуатационных характеристик ежедневно, круглосуточно, в любое время года при использовании в следующих условиях:
а) при параметрах окружающей среды, соответствующих климатическому исполнению РТС по
ГОСТ 15150, на котором установлена СНО;
б) на дорогах, соответствующих
СП 34.13330.2012 в части дорог равнинной местности;
в) в песчано-пустынной местности при массовой концентрации пыли до 5 мг/м
3;
г) при атмосферных осадках: снег, дождь, ледяной дождь, туман, не ограничивающих условия фронтальной видимости;
д) при условиях фронтальной видимости не менее 200 м;
е) допустимо снижение дальности обнаружения при несоблюдении условий, приведенных в
перечислениях в),
г),
д);
ж) при эксплуатационной скорости в диапазоне от 0 км/ч до максимальной расчетной скорости РТС, на которое установлена СНО.
5.2 Контрастность изображений, предоставляемых видеокамерой, должна быть не менее 500:1.
5.3 В ночное время окружающие объекты должны быть освещены ближним светом фар РТС.
6 Аппаратные интерфейсы системы непрямого обзора
6.1 Требования к интеграции в транспортные средства
6.1.1 СНО должна осуществлять обмен информацией с другими устройствами и системами, подключенными к шине передачи данных, установленной на РТС, в соответствии с требованиями изготовителя РТС.
6.1.2 Передача видеоинформации между компонентами системы, а также между СНО и РТС, должна осуществляться по интерфейсу, согласованному с изготовителем РТС.
6.2 Для корректной работы системы требуется наличие электронных блоков и подсистем:
- ДМС либо КП РТС, оснащенной функцией отображения визуальных сообщений;
- блока управления кузовной электроникой;
- оборудования для получения видеопотока.
7 Требования к характеристикам систем непрямого обзора
7.1 Время готовности функций системы с момента подачи питания должно составлять не более 20 с.
7.2 СНО должна включать в себя средства самодиагностики и сообщать водителю о сбоях и неисправностях.
7.3 Компоненты СНО должны соответствовать степени защиты по
ГОСТ 14254 в зависимости от места их размещения на ТС.
7.4 Конструкция кабельных соединений СНО не должна допускать их неправильной стыковки или самопроизвольного разъединения.
7.5 Конструкция и компоновка компонентов СНО должны обеспечивать безопасность при монтаже, эксплуатации и замене.
7.6 Должно быть исключено самопроизвольное отключение СНО при работе в условиях промышленных и атмосферных радиопомех.
7.7 СНО должна удовлетворять требованиям по устойчивости к кондуктивным помехам по цепям питания и управления в соответствии с
ГОСТ 33991.
7.8 СНО должна удовлетворять нормам 3-го класса по уровню излучаемых радиопомех в цепях питания в соответствии с
ГОСТ Р 51318.25.
7.9 СНО должна удовлетворять требованиям по устойчивости к электростатическому разряду в соответствии с
ГОСТ Р 50607.
7.10 СНО должна удовлетворять требованиям по уровню излучаемых индустриальных радиопомех в соответствии с
[2].
7.11 Сопротивление изоляции СНО, измеренное в нормальных климатических условиях между всеми контактами разъема и корпусом изделия, должно быть не менее 10 МОм.
7.12 Изоляция СНО должна выдерживать без повреждений в течение 1 мин воздействие синусоидального переменного тока частотой 50 Гц с действующим значением испытательного напряжения 550 В.
7.13 Видеокамеры и блоки управления СНО должны удовлетворять требованиям
ГОСТ Р 58834.
7.14 Климатическое исполнение СНО должно соответствовать климатическому исполнению РТС по
ГОСТ 15150, на которое она установлена.
7.15 СНО должна удовлетворять требованиям по устойчивости к внешнему электромагнитному полю в соответствии с
[2].
7.16 СНО должна удовлетворять требованиям 3-й степени эмиссии импульсных помех в цепи питания в соответствии с
ГОСТ 33991.
7.17 СНО должна удовлетворять требованиям по устойчивости к динамическим изменениям напряжения питания:
- при повышении напряжения питания до (18 +/- 0,2) В в течение 2 ч соответствовать функциональному классу A - C в соответствии с
ГОСТ 33991;
- при повышении напряжения питания до (24 +/- 0,2) В в течение 5 мин соответствовать функциональному классу A - C в соответствии с
ГОСТ 33991;
- при воздействии напряжения обратной полярности (минус 14 +/- 0,2) В в течение (5 +/- 0,2) мин соответствовать функциональному классу A в соответствии с
ГОСТ 33991;
- после плавного снижения напряжения питания с 16 до 0 В и последующего повышения от 0 до 16 В со скоростью изменения напряжения (0,5 +/- 0,1) В/мин соответствовать функциональному классу A в соответствии с
ГОСТ 33991.
8 Требования к устройствам непрямого обзора
8.1 Требования к устройствам непрямого обзора, не являющимся зеркалами
8.1.1 Общие требования - в соответствии с
[3].
8.1.1.1 Если существует необходимость в регулировке УНО пользователем, то это устройство должно регулироваться без применения специальных инструментов.
8.1.1.2 Если УНО может обеспечивать все предписанное поле обзора только посредством сканирования этого поля, то общий процесс сканирования, воспроизведения и возврата в исходное положение должен длиться в общей сложности не более 2 с.
8.1.1.3 На эффективность СВМ классов I - IV не должны отрицательным образом влиять магнитные или электрические поля в соответствии с
[2].
8.1.1.4 Стендовые испытания УНО классов I - IV проводят в соответствии с
приложением В.
8.1.2 Системы "видеокамера/монитор"
Требования
8.1.2.1 считаются выполненными в случае мониторов ТС, соответствующего
[4].
Если устройства СВМ устанавливают в положении, рекомендованном изготовителем для нормальных условий управления, то все части устройств, независимо от их регулировки, которые в статическом положении могут соприкоснуться со сферой диаметром 165 мм в случае СВМ или частей СВМ, установленных внутри ТС, либо диаметром 100 мм в случае СВМ или частей СВМ, установленных снаружи ТС, должны иметь радиус кривизны не менее 2,5 мм.
Примечания
1 На края отверстий для крепления или выемки, диаметр или наибольшая диагональ которых составляет менее 12 мм, не распространяются требования, касающиеся радиуса, при условии, что с них снята фаска.
2 Если части видеокамеры и монитора изготовлены из материала, твердость которого по Шору A составляет менее 60, и они установлены на жестком кронштейне, требования настоящего пункта применяют только к этому кронштейну.
8.1.2.2 Функциональные требования в отношении устройств "видеокамера/монитор" классов V и VI
Видеокамера должна функционировать надлежащим образом при попадании на нее солнечных лучей. Область насыщения, представляющая собой участок, в пределах которого яркостный контраст (C = Lw/Lb) на изображении контрастной тест-таблицы составляет менее 2,0, не должна превышать 15% общей площади изображения при условиях, указанных ниже.
Если в ходе испытаний система видеонаблюдения допускает динамические сдвиги в переэкспонированной области изображения, то максимальная площадь переэкспонированной области должна соответствовать вышеизложенным требованиям.
Черно-белая тест-таблица, помещенная перед видеокамерой, должна иметь минимальный коэффициент контрастности, равный 20. Освещенность тест-таблицы должна быть равномерной и составлять (3000 +/- 300) лк.
Средняя цветовая плотность тест-таблицы должна соответствовать умеренно-серому тону; таблица должна полностью занимать поле зрения видеокамеры. В поле зрения видеокамеры не должно быть никаких предметов, кроме тест-таблицы.
На видеокамеру направляют луч света (имитирующего солнечный) силой 40 000 лк под углом освещения от 0,6° до 0,9° и углом возвышения 10° (по прямой или с отражением от зеркала), направление которого не должно совпадать с оптической осью светочувствительного элемента.
Источник света должен:
а) иметь спектр D65 с допустимым отклонением +/- 1500 К;
б) испускать равномерное излучение в пространстве и во времени с допустимыми отклонениями в пределах 2000 лк.
Излучение источника света в инфракрасном диапазоне должно быть незначительным.
В ходе испытания должна отсутствовать внешняя засветка монитора.
Пример расположения оборудования приведен на
рисунке 2.
1 - черно-белая тест-таблица (см.
рисунок А.5 приложения А);
2 - лампы для равномерного освещения тест-таблицы;
3 - зеркало; 4 - яркий источник света;
5 - видеокамера; 6 - монитор
Рисунок 2 - Схема расположения оборудования для измерения
дефектов изображения, вызванных переэкспонированием
Монитор должен обеспечивать минимальный контраст при различных условиях освещения в соответствии с ГОСТ Р ИСО 15008.
Возможность регулировки средней яркости монитора должна обеспечиваться ручным либо автоматическим способом применительно к внешним условиям.
Измерение яркостного контраста монитора проводят в соответствии с ГОСТ Р ИСО 15008.
8.1.2.3 Испытания устройств "видеокамера/монитор" классов I - IV на соответствие функциональным требованиям осуществляют в соответствии с
приложением А.
8.1.2.4 Операционная готовность (эксплуатационная готовность системы)
Если система находится в нерабочем состоянии (например, в случае отказа СВМ), то это доводят до сведения водителя, например в виде предупреждающего сигнала, отображаемой информации, индикатора состояния. Указанная информация должна быть разъяснена в руководстве по эксплуатации РТС.
8.1.2.5 Качество изображения
Изотропия монитора: монитор должен соответствовать оптическим требованиям в отношении диапазона направлений наблюдения, который уточняется в нижеследующих пунктах.
8.1.2.5.1 Однородность по направлениям
В случае использования искусственного тонового изображения 70% плотности отклонения яркости для монитора по сравнению уровнем яркости белого свечения при наблюдении под определенным углом

, где

и Ф
monitor/D - углы обзора монитора по горизонтали и вертикали, является таковым, что относительный показатель яркости белого свечения при наблюдении под таким же определенным углом
L (

, Ф
monitor/D) не превышает 35% яркости белого свечения для стандартного изотропного диапазона монитора и не должен по яркости превышать 50% уровня белого для увеличенного диапазона изотропности монитора.
Для стандартного изотропного диапазона

, (1)
для точек
i = 1, 2, 3, 4, 5, 6, 7, 8, 9, как это определено в
таблице 1,
где Li - угол обзора монитора в точке i для стандартного изотропного диапазона.
Таблица 1
Направления измерений для стандартного изотропного диапазона
Точка i | Направление |
горизонтальное/угол | вертикальное/угол |
1 | - 7 | + 6 |
2 | 0 | + 6 |
3 | + 7 | + 6 |
4 | - 7 | 0 |
5 | Не определено | Не определено |
6 | + 7 | 0 |
7 | - 7 | - 6 |
8 | 0 | - 6 |
9 | + 7 | - 6 |
Для расширенного изотропного диапазона

, (2)
для точек
i' = 1, 2, 3, 4, 5, 6, 7, 8, 9, как это определено в
таблице 2, где
Li' - угол обзора монитора в точке
i' для расширенного изотропного диапазона.
Таблица 2
Направления измерений для расширенного изотропного диапазона
Точка i' | Направление |
горизонтальное/угол | вертикальное/угол |
1 | - 12 | + 11 |
2 | 0 | + 11 |
3 | + 12 | + 11 |
4 | - 12 | 0 |
5 | Не определено | Не определено |
6 | + 12 | 0 |
7 | - 12 | - 11 |
8 | 0 | - 11 |
9 | + 12 | - 11 |
8.1.2.5.2 Боковая однородность
Показатель яркости белого по боковой однородности вычисляют по формуле

, (3)
для точек
j = 1, 2, 3, 4, 5, 6, 7, 8, 9, как это определено в
таблице 3, при

,
где Lj/white - угол обзора монитора в точке j для яркости белого по боковой однородности.
Таблица 3
Измерительные точки боковой однородности
Точка j | B % от Wmonitor/horizontal из верхнего левого угла | B % от Hmonitor/horizontal из верхнего левого угла |
1 | 20 | 20 |
2 | 50 | 20 |
3 | 80 | 20 |
4 | 20 | 50 |
5 | 50 | 50 |
6 | 80 | 50 |
7 | 20 | 80 |
8 | 50 | 80 |
9 | 80 | 80 |
Примечание - W - ширина монитора, H - высота монитора. |
8.1.2.5.3 Отображение яркости и контраста
Требования в отношении отображения яркости и контраста:
а) минимальный яркостный контраст, обеспечиваемый монитором (включая любую защиту экрана), при воспроизведении высококонтрастной тест-таблицы должен составлять:
- при прямом солнечном свете: 2:1;
- при дневных условиях с рассеянным светом: 3:1;
- при закате: 2:1;
- в ночных условиях: 10:1, за исключением случая двойной функциональной системы зеркала и СВМ класса I: 5:1;
б) ночные условия для поля зрения видеокамеры воспроизводят в темном помещении таким образом, чтобы максимальная освещенность объектов, которые подлежат измерению, не превышала 2,0 лк;
в) подсветка монитора в ночных условиях должна быть ограничена. Максимальная подсветка в ночных условиях должна быть менее 2,0 кд/м2;
г) инструкции по эксплуатации должны содержать примечание, в котором сообщается о том, что падающий солнечный свет или другой интенсивный источник света снижают яркостный контраст монитора, что может потребовать от водителя особой бдительности и внимания.
8.1.2.5.4 Испытание при дневных условиях с рассеянным естественным светом
При дневных условиях с рассеянным естественным освещением используют значение яркости для рассеянного источника света на уровне 4000 - 4200 кд/м2.
По требованию изготовителя данное значение для рассеянного источника света может быть определено по графику, приведенному на
рисунке 3.
Рисунок 3 - График для определения значения яркости
для рассеянного источника света
8.1.2.5.5 Доля проекции по отношению к яркости рассеянного освещения
Порядок определения доли проекции, приходящейся на открытые пространства ТС:
а) определяют проекцию в ТС, которая соответствует отраженному зеркалом направлению расширенного изотропного диапазона монитора;
б) оценку проводят из центра предусмотренного монитором поля с учетом обусловленного конструкцией монитора направления наблюдения (см.
рисунок 4).
Рисунок 4 - Определение доли проекции, приходящейся
на открытые пространства транспортного средства
Эта проекция представляет 100% поверхности, подлежащей рассмотрению.
Долю проекции, которая приходится на открытые пространства ТС (например, на окно боковой двери, заднее стекло или люк крыши; вместе с тем, например, люк на крыше, имеющий непрозрачную шторку, не рассматривают как открытое пространство), оценивают на основании виртуального испытания.
Если результаты виртуального испытания подтверждают, что диапазон регулировки двойной функциональной системы зеркала и СВМ класса I позволяет водителю избежать попадания случайного отраженного света из открытого проема ТС в тот момент, когда глаз водителя направлен в любую фиксированную точку стандартного изотропного диапазона, то значение яркости отраженного источника света должно соответствовать 1300 - 1500 кд/м2.
8.1.2.5.6 Передача серой шкалы
СВМ должна обеспечивать достаточную передачу серой шкалы. СВМ должна отображать на мониторе тональный диапазон по меньшей мере восьми различимых тонов серого.
Для оценки передачи серой шкалы применяют метод испытания, изложенный в
А.1.4 приложения А.
8.1.2.5.7 Цветопередача
Для обеспечения достаточной цветопередачи угол цветового тона воспроизводимого цвета квадратов на диаграмме для монитора должен удовлетворять следующим требованиям [цветовые координаты определяют на основе предусмотренного рекомендациями Международной комиссии по освещению (МКО) равномерного цветового пространства]:
а) красные цветовые координаты не должны превышать предельных значений (0°, 44,8°) или (332,2°, 360°);
б) зеленые цветовые координаты не должны превышать предельных значений (96,6°, 179,9°);
в) синие цветовые координаты не должны превышать предельных значений (209,9°, 302,2°);
г) желтые цветовые координаты не должны превышать предельных значений (44,8°, 96,6°);
д) расстояние от белого света определяется как Ri >= 0,02, где Ri - хроматическое расстояние от каждого цветового квадрата (i = красный, зеленый, синий, желтый) по отношению к белому (i = белый).
На
рисунке 5 приведен диапазон допуска, описанный с использованием однородного цветового пространства, согласно
[5].
Световые сигналы автожелтого, синего и красного цвета должны быть отличимы друг от друга.
Рисунок 5 - Диапазон допуска, описанный с использованием
однородного цветового пространства, предусмотренного
[5]
8.1.2.5.8 Дефекты изображения
В руководстве по эксплуатации РТС должна содержаться ссылка на возможные дефекты изображения и их воздействие на частичное затемнение поля обзора и объектов, что может потребовать от водителя особой бдительности и внимательности.
8.1.2.5.9 Размытость
Размытость должна быть прозрачной и составлять не более 10% от максимального значения яркости отображаемого уровня источников бликов, которые дают эффект размытости.
8.1.2.5.10 Переэкспонирование и блики в объективе
Общая площадь дефектов изображения, вызванных переэкспонированием и бликами в объективе, не должна превышать 25% отображаемого видеокамерой изображения.
8.1.2.5.11 Точечные источники света
СВМ должна иметь режим работы, при котором водитель РТС, оборудованного СВМ, способен различить два точечных источника света (например, фары ближнего света), отображенных в виде двух различных точечных источников света.
В этом режиме работы образующие комплект два точечных источника света, соответствующие фарам ближнего света ТС, каждый из которых имеет эталонную силу света 1750 кд и находится по горизонтали на расстоянии 1,3 м друг от друга и на расстоянии 250 м от СВМ, должны быть различимы как два точечных источника света. Это требование применяется к УНО классов I, II и III.
КОТИС должен составлять не менее 2,7 или ККТИС должен быть не менее 0,12 в зависимости от того, какому из этих показателей соответствует СВМ при проведении испытания, описанного в
А.1.3 приложения А.
Если данная система находится в режиме, при котором точечные источники света не отображаются, как описано выше, то это должно быть доведено до сведения водителя способом, описанным в руководстве по эксплуатации РТС.
8.1.2.5.12 Резкость
Показателем резкости является MTF50(1:1), который должен удовлетворять следующим требованиям:
а) по горизонтали и вертикали - MTF50(1:1) в центре

; (4)
б) по горизонтали и вертикали - MTF50(1:1) в углах (70% высоты изображения)

. (5)
8.1.2.5.13 Глубина резкости
СВМ должна позволять водителю РТС наблюдать пространство, занимаемое объектом, и воспринимать отображаемую информацию в интересующих его пределах с высоким разрешением. MTF10(1:1) при измерении на разном удалении от объекта должен удовлетворять по крайней мере минимальным требованиям к разрешению для следующих точек:
а) разрешение в точке 1 (10 м в качестве представительной точки для бесконечности) и в точке 2 (среднее расстояние - 6 м)

; (6)
б) разрешение в точке 3 (близкое расстояние - 4 м)

. (7)
8.1.2.5.14 Геометрические искажения
Для СВМ классов I, II и III максимальное искажение в пределах минимального требуемого поля зрения не должно превышать 20% по сравнению с прямолинейной проекцией или проекцией с использованием камеры-обскуры.
8.1.2.5.15 Мерцание
Вся область изображения на мониторе должна быть свободна от мерцания по меньшей мере для 90% числа пользователей в соответствии с методом испытаний, указанным в
А.1.2 приложения А.
8.1.2.5.16 Частота кадров
Движение объектов перед камерой должно передаваться без рывков и задержек. Минимальная частота кадров системы (частота обновления отображаемой информации) должна быть не менее 30 Гц. В условиях слабой освещенности или при маневрировании на низкой скорости минимальная частота кадров системы (то есть скорость обновления отображаемой информации) должна составлять не менее 15 Гц.
8.1.2.5.17 Время формирования изображения
Время формирования изображения на мониторе должно быть не менее 55 мс при температуре (22 +/- 5) °C.
8.1.2.5.18 Время запаздывания при срабатывании системы
СВМ должна иметь достаточно короткое время запаздывания с тем, чтобы передавать изображение практически мгновенно. Время запаздывания должно составлять менее 200 мс при комнатной температуре (22 +/- 5) °C.
8.1.2.5.19 Блики из-за высокой яркости монитора
Для отсутствия бликов из-за высокой яркости монитора должна быть предусмотрена возможность ее регулировки в ночных условиях вручную либо автоматически.
8.2 Требования к другим устройствам непрямого обзора
8.2.1 Устройство должно воспринимать визуальный спектр и во всех случаях воспроизводить данное изображение без необходимости толкования данного визуального спектра.
8.2.2 Пригодность других УНО к использованию должна быть гарантирована в условиях эксплуатации, приведенных в
разделе 5. К другим УНО в зависимости от используемой технологии получения и воспроизведения изображений должны полностью или частично применяться положения
8.1.2.2. В других случаях данный результат может быть получен, если с учетом чувствительности системы, соответствующей
8.1.2.2, будет доказано, что ее пригодность к эксплуатации сопоставима с требованиями, предъявляемыми к зеркалам либо видеокамерам или мониторам как к УНО, или же превышает эти требования.
9 Требования к установке устройств непрямого обзора
9.1 Общие положения
9.1.1 УНО устанавливают таким образом, чтобы при перемещении они не изменяли значительно расчетное поле обзора и в случае вибрации не давали искаженного изображения, которое могло бы быть неправильно воспринято водителем.
9.1.2 Требования, предусмотренные в
9.1.1, должны соблюдаться при движении ТС со скоростью, составляющей до 80% максимальной расчетной скорости, но не превышающей 150 км/ч.
9.1.3 Поля обзора, определенные ниже, устанавливают на основе амбинокулярного обзора, причем глаза водителя находятся в ОТВ, определенных в
3.16. Поля обзора определяют на ТС в снаряженном состоянии в соответствии с
[1] (пункт 2.2.5.4), а для ТС категорий M
1 и N
1 - дополнительно с одним пассажиром, сидящим на переднем сиденье (75 кг). Если поле обзора обеспечивается через окна, остекление должно иметь общий коэффициент пропускания света, соответствующий положениям
[6] (приложение 21).
9.2 Требования к количеству устройств обзора и полям обзора
9.2.1 Минимальное обязательное количество УНО
9.2.1.1 Поля обзора, предписанные в
9.2.3, должны обеспечиваться минимальным обязательным количеством зеркал или СВМ, указанным в
таблице 4.
Таблица 4
Количество устройств "видеокамера/монитор"
в зависимости от класса устройств заднего
вида и категории транспортного средства
Категория ТС | Устройство заднего вида класса I | Основное устройство заднего вида класса II | Основное устройство заднего вида класса III | Широкоугольное устройство заднего вида класса IV | Устройство бокового обзора класса V | Переднее устройство класса VI |
M1 | Обязательно За исключением тех случаев, когда ТС оснащено любыми другими материалами, помимо безопасных стекольных материалов, в поле обзора, предписанном в 9.2.3.1 | Факультативно | Обязательно 1 со стороны водителя и 1 со стороны пассажира. В качестве альтернативы могут устанавливаться зеркала класса II | Факультативно 1 со стороны водителя и/или 1 со стороны пассажира | Факультативно 1 со стороны водителя и 1 со стороны пассажира (оба устанавливаются на высоте не менее 2 м над уровнем грунта) | Факультативно (устанавливаются на высоте не менее 2 м над уровнем грунта) |
M2 | Факультативно (в отношении поля обзора никаких предписаний не предусмотрено) | Обязательно 1 со стороны водителя и 1 со стороны пассажира | Не разрешается | Факультативно 1 со стороны водителя и/или 1 со стороны пассажира | Факультативно 1 со стороны водителя и 1 со стороны пассажира (оба устанавливаются на высоте не менее 2 м над уровнем грунта) | Факультативно (устанавливаются на высоте не менее 2 м над уровнем грунта) |
M3 | Факультативно (в отношении поля обзора никаких предписаний не предусмотрено) | Обязательно 1 со стороны водителя и 1 со стороны пассажира | Не разрешается | Факультативно 1 со стороны водителя и/или 1 со стороны пассажира | Факультативно 1 со стороны водителя и 1 со стороны пассажира (оба устанавливаются на высоте не менее 2 м над уровнем грунта) | Факультативно (устанавливаются на высоте не менее 2 м над уровнем грунта) |
N1 | Обязательно За исключением тех случаев, когда ТС оснащено любыми другими материалами, помимо безопасных стекольных материалов, в поле обзора, предписанном в 9.2.3.1 | Факультативно | Обязательно 1 со стороны водителя и 1 со стороны пассажира. В качестве альтернативы могут устанавливаться зеркала класса II | Факультативно 1 со стороны водителя и/или 1 со стороны пассажира | Факультативно 1 со стороны водителя и 1 со стороны пассажира (оба устанавливаются на высоте не менее 2 м над уровнем грунта) | Факультативно (устанавливаются на высоте не менее 2 м над уровнем грунта) |
N2 <= 7,5 т | Факультативно (в отношении поля обзора никаких предписаний не предусмотрено) | Обязательно 1 со стороны водителя и 1 со стороны пассажира | Не разрешается | Обязательно С обеих сторон, если можно установить зеркало класса V, факультативно - с обеих сторон, если такое зеркало установить нельзя. Кроме того, в соответствии с 9.2.3.5 в), г), д) для ТС, в которых высота установки зеркала класса V должна составлять не менее 2,4 м [см. 9.2.3.5 е)], требуемое поле обзора [см. 9.2.3.5 в)] может обеспечиваться посредством сочетания устройств прямого и непрямого обзора (классов IV, V, VI) | Обязательно 1 со стороны пассажира. Факультативно 1 со стороны водителя (оба должны быть установлены на высоте не менее 2 м над уровнем грунта). Возможен допуск + 10 см. Кроме того, в соответствии с 9.2.3.5 в), г), д) для ТС, в которых высота установки зеркала класса V должна составлять не менее 2,4 м [см. 9.2.3.5 е)], требуемое поле обзора [см. 9.2.3.5 в)] может обеспечиваться посредством сочетания устройств прямого и непрямого обзора (классов IV, V, VI) | Факультативно 1 переднее зеркало (должно быть установлено на высоте не менее 2 м над уровнем грунта). Кроме того, в соответствии с 9.2.3.5 в), г), д) для ТС, в которых высота установки зеркала класса V должна составлять не менее 2,4 м [см. 9.2.3.5 е)], требуемое поле обзора [см. 9.2.3.5 в)] может обеспечиваться посредством сочетания устройств прямого и непрямого обзора (классов IV, V, VI) |
N2 > 7,5 т | Факультативно (в отношении поля обзора никаких предписаний не предусмотрено) | Обязательно 1 со стороны водителя и 1 со стороны пассажира | Не разрешается | Обязательно 1 со стороны водителя и 1 со стороны пассажира. Кроме того, в соответствии с 9.2.3.5 в), г), д) для ТС, в которых высота установки зеркала класса V должна составлять не менее 2,4 м [см. 9.2.3.5 е)], требуемое поле обзора [см. 9.2.3.5 в)] может обеспечиваться посредством сочетания устройств прямого и непрямого обзора (классов IV, V, VI) | Обязательно 1 со стороны пассажира Факультативно 1 со стороны водителя (оба должны быть установлены на высоте не менее 2 м над уровнем грунта). Кроме того, в соответствии с 9.2.3.5 в), г), д) для ТС, в которых высота установки зеркала класса V должна составлять не менее 2,4 м [см. 9.2.3.5 е)], требуемое поле обзора [см. 9.2.3.5 в)] может обеспечиваться посредством сочетания устройств прямого и непрямого обзора (классов IV, V, VI) | Обязательно 1 переднее зеркало (должно быть установлено на высоте не менее 2 м от уровня дороги). Кроме того, в соответствии с 9.2.3.5 в), г), д) для ТС, в которых высота установки зеркала класса V должна составлять не менее 2,4 м [см. 9.2.3.5 е)], требуемое поле обзора [см. 9.2.3.5 в)] может обеспечиваться посредством сочетания устройств прямого и непрямого обзора (классов IV, V, VI) |
N3 | Факультативно (в отношении поля обзора никаких предписаний не предусмотрено) | Обязательно 1 со стороны водителя и 1 со стороны пассажира | Не разрешается | Обязательно 1 со стороны водителя и 1 со стороны пассажира. Кроме того, в соответствии с 9.2.3.5 в), г), д) для ТС, в которых высота установки зеркала класса V должна составлять не менее 2,4 м [см. 9.2.3.5 е)], требуемое поле обзора [см. 9.2.3.5 в)] может обеспечиваться посредством сочетания устройств прямого и непрямого обзора (классов IV, V, VI) | Обязательно 1 со стороны пассажира. Факультативно 1 со стороны водителя (оба должны быть установлены на высоте не менее 2 м над уровнем грунта). Кроме того, в соответствии с 9.2.3.5 в), г), д) для ТС, в которых высота установки зеркала класса V должна составлять не менее 2,4 м [см. 9.2.3.5 е)], требуемое поле обзора [см. 9.2.3.5 в)] может обеспечиваться посредством сочетания устройств прямого и непрямого обзора (классов IV, V, VI) | Обязательно 1 переднее зеркало (должно быть установлено на высоте не менее 2 м от уровня дороги). Кроме того, в соответствии с 9.2.3.5 в), г), д) для ТС, в которых высота установки зеркала класса V должна составлять не менее 2,4 м [см. 9.2.3.5 е)], требуемое поле обзора [см. 9.2.3.5 в)] может обеспечиваться посредством сочетания устройств прямого и непрямого обзора (классов IV, V, VI) |
Минимальное количество СВМ не определено, однако они должны обеспечивать такое же поле обзора, как указано в
таблице 4, при этом положение о минимальной высоте установки не применяют.
В случае СВМ максимальное количество мониторов не должно превышать соответствующего числа зеркал.
9.2.1.2 Если СВМ используют для отображения поля(ей) обзора, соответствующее(ие) поле(я) обзора должно(ы) быть постоянно видимым(и) водителю при включенном зажигании или включении селектора переключения передач ТС (в зависимости от того, что применимо). Однако если РТС движется вперед со скоростью более 10 км/ч либо движется назад, то монитор или часть монитора, предназначенный(ая) для отображения поля обзора, предписанного для устройств класса VI, может быть использована для отображения другой информации. Могут быть использованы или показаны сразу несколько изображений при условии, что монитор был официально утвержден для работы в таком режиме.
9.2.2 Места установки
9.2.2.1 УНО устанавливают таким образом, чтобы позволить водителю, сидящему на своем месте в обычном положении, при вождении наблюдать за дорогой позади РТС, сбоку (с боков) и впереди него.
9.2.2.2 Для любого ТС, на котором во время проведения испытаний по замеру поля обзора не был установлен кузов, минимальную и максимальную ширину кузова указывает изготовитель и при необходимости обозначает временными габаритными планками. Все принимаемые во внимание в ходе испытаний конфигурации ТС и УНО указывают в свидетельстве об официальном утверждении ТС в отношении установки УНО.
9.2.2.3 Монитор со стороны водителя устанавливают таким образом, чтобы угол между вертикальной продольной средней плоскостью ТС и вертикальной плоскостью, проходящей через центр зеркала или монитора и через середину сегмента длиной 65 мм, соединяющего две ОТВ, не превышал 55°.
9.2.2.4 УНО не должны выходить за внешние габариты кузова ТС больше, чем это необходимо для выполнения требований, касающихся полей обзора, предусмотренных в
9.2.3.
9.2.3.1 Устройства заднего вида класса I
Поле обзора должно быть таким, чтобы водитель мог видеть по меньшей мере часть ровной и горизонтальной дороги, центром которой является вертикальная средняя продольная плоскость ТС от горизонта до расстояния 60 м позади ОТВ и шириной 20 м (см.
рисунок 6).
Размеры в метрах
Рисунок 6 - Поле обзора устройств класса I
9.2.3.2 Основные устройства заднего вида класса II
а) Основное устройство заднего вида со стороны водителя
Поле обзора должно быть таким, чтобы водитель мог видеть по меньшей мере часть ровной и горизонтальной дороги шириной 5 м, ограниченную плоскостью, параллельной средней продольной вертикальной плоскости и проходящей через крайнюю точку ТС со стороны водителя от горизонта до расстояния 30 м позади ОТВ.
Кроме того, водитель должен иметь возможность видеть дорогу по ширине 1 м, ограниченной плоскостью, параллельной средней продольной вертикальной плоскости и проходящей через крайнюю точку ТС, начиная с 4 м позади вертикальной плоскости, проходящей через ОТВ (см.
рисунок 7).
б) Основное устройство заднего вида со стороны пассажира
Поле обзора должно быть таким, чтобы водитель мог видеть по меньшей мере часть ровной и горизонтальной дороги шириной 5 м, ограниченную со стороны пассажира плоскостью, параллельной средней продольной вертикальной плоскости и проходящей через крайнюю точку ТС со стороны пассажира от горизонта до расстояния 30 м позади ОТВ.
Кроме того, водитель должен иметь возможность видеть дорогу по ширине 1 м, ограниченной плоскостью, параллельной средней продольной вертикальной плоскости и проходящей через крайнюю точку ТС, начиная с 4 м позади вертикальной плоскости, проходящей через ОТВ (см.
рисунок 7).
Размеры в метрах
Рисунок 7 - Поле обзора устройств класса II
9.2.3.3 Основные устройства заднего вида класса III
а) Основное устройство заднего вида со стороны водителя
Поле обзора должно быть таким, чтобы водитель мог видеть по меньшей мере часть ровной и горизонтальной дороги шириной 4 м, ограниченную плоскостью, параллельной средней продольной вертикальной плоскости и проходящей через самую крайнюю точку ТС со стороны водителя от горизонта до расстояния 20 м позади ОТВ (см.
рисунок 8).
Размеры в метрах
Рисунок 8 - Поле обзора устройств класса III
Водитель должен иметь возможность видеть дорогу по ширине 1 м, ограниченной плоскостью, параллельной средней продольной вертикальной плоскости и проходящей через крайнюю точку ТС, начиная с 4 м позади вертикальной плоскости, проходящей через ОТВ.
б) Основное устройство заднего вида со стороны пассажира
Поле обзора должно быть таким, чтобы водитель мог видеть по меньшей мере часть ровной и горизонтальной дороги шириной 4 м, ограниченную плоскостью, параллельной средней продольной вертикальной плоскости и проходящей через крайнюю точку ТС со стороны пассажира от горизонта до расстояния 20 м позади ОТВ (см.
рисунок 8).
Водитель должен иметь возможность видеть дорогу по ширине 1 м, ограниченной плоскостью, параллельной средней продольной вертикальной плоскости и проходящей через крайнюю точку ТС, начиная с 4 м позади вертикальной плоскости, проходящей через ОТВ.
9.2.3.4 Широкоугольное внешнее устройство класса IV
а) Широкоугольное внешнее устройство со стороны водителя
Поле обзора должно быть таким, чтобы водитель мог видеть по меньшей мере часть ровной и горизонтальной дороги шириной 15 м, ограниченную плоскостью, параллельной средней продольной вертикальной плоскости ТС и проходящей через крайнюю точку ТС со стороны водителя до расстояния не менее 10 - 25 м позади ОТВ.
Кроме того, водитель должен иметь возможность видеть дорогу по ширине 4,5 м, ограниченной плоскостью, параллельной средней продольной вертикальной плоскости и проходящей через крайнюю точку ТС, начиная с 1,5 м позади вертикальной плоскости, проходящей через ОТВ (см.
рисунок 9).
Размеры в метрах
Рисунок 9 - Поле обзора широкоугольных устройств класса IV
б) Широкоугольное внешнее устройство со стороны пассажира
Поле обзора должно быть таким, чтобы водитель мог видеть по меньшей мере часть ровной и горизонтальной дороги шириной 15 м, ограниченную плоскостью, параллельной средней продольной вертикальной плоскости и проходящей через крайнюю точку ТС со стороны пассажира до расстояния не менее 10 - 25 м позади ОТВ.
Кроме того, водитель должен иметь возможность видеть дорогу по ширине 4,5 м, ограниченной плоскостью, параллельной средней продольной вертикальной плоскости и проходящей через самую крайнюю точку ТС, начиная с 1,5 м позади вертикальной плоскости, проходящей через ОТВ (см.
рисунок 9).
9.2.3.5 Внешнее устройство бокового обзора класса V
а) Поле обзора должно быть таким, чтобы водитель мог видеть сбоку от ТС часть ровной горизонтальной дороги, ограниченную следующими вертикальными плоскостями [см.
рисунки 10, а) и
10, б)]:
1) плоскостью, параллельной средней продольной вертикальной плоскости ТС, проходящей через крайнюю точку кабины ТС со стороны пассажира;
2) в поперечном направлении: параллельной плоскостью, проходящей на расстоянии 2 м спереди от плоскости, упомянутой в
перечислении 9.2.3.5, а), 1);
3) сзади: плоскостью, параллельной вертикальной плоскости, проходящей через ОТВ и расположенной на расстоянии 1,75 м позади этой плоскости;
4) спереди: плоскостью, параллельной вертикальной плоскости, проходящей через ОТВ и расположенной на расстоянии 1 м спереди от нее. Если вертикальная поперечная плоскость, проходящая через передний край бампера ТС, находится на расстоянии менее 1 м спереди от вертикальной плоскости, проходящей через ОТВ, то поле обзора должно ограничиваться этой плоскостью.
Размеры в метрах
Рисунок 10 - Поле обзора устройства бокового обзора класса V
б) Если поле обзора, указанное на
рисунках 10, а) и
10, б), может восприниматься посредством сочетания поля обзора широкоугольного устройства класса IV и устройства бокового обзора класса VI, то установка устройства бокового обзора класса V необязательна.
в) Только со стороны пассажира поле обзора должно также быть таким, чтобы водитель мог видеть сбоку от ТС часть ровной горизонтальной дороги, которая находится за пределами поля обзора, определенного в
перечислении 9.2.3.5, а), но в пределах поля, ограниченного следующими вертикальными плоскостями; фронтальная часть этого поля обзора может быть закруглена до радиуса 2000 мм [см.
рисунки 11, а) и
11, б)]:
1) в поперечном направлении: параллельной плоскостью, проходящей на расстоянии 4,5 м спереди от плоскости, упомянутой в
перечислении 9.2.3.5, а), 1);
2) сзади: плоскостью, параллельной вертикальной плоскости, проходящей через ОТВ и расположенной на расстоянии 1,75 м позади этой плоскости;
3) спереди: плоскостью, параллельной вертикальной плоскости, проходящей через ОТВ и расположенной на расстоянии 3 м спереди от нее. Это поле обзора частично может обеспечиваться передним зеркалом (класса VI).
Размеры в метрах
Рисунок 11 - Увеличенное поле зрения со стороны пассажиров
г) Поле обзора, предписанное в
перечислении 9.2.3.5, в), частично может обеспечиваться "широкоугольным" устройством (класса IV) или посредством использования устройства бокового обзора (класса V) в сочетании с передним зеркалом (класса VI).
д) Поле обзора, предписанное в
перечислении 9.2.3.5, в), может обеспечиваться посредством сочетания устройств прямого и непрямого обзора (классов IV, V, VI), если:
1) УНО класса IV применяется для частичного обеспечения поля обзора, предписанного в
перечислении 9.2.3.5, в), то оно должно быть отрегулировано таким образом, чтобы одновременно обеспечивалось поле обзора, предписанное в
перечислении 9.2.3.4, б);
2) УНО класса V применяется для частичного обеспечения поля обзора, предписанного в
перечислении 9.2.3.5, в), то оно должно быть отрегулировано таким образом, чтобы одновременно обеспечивалось поле обзора, предписанное в
перечислении 9.2.3.5, а);
3) УНО класса VI применяется для частичного обеспечения поля обзора, предписанного в
перечислении 9.2.3.5, в), то оно должно быть отрегулировано таким образом, чтобы одновременно обеспечивалось поле обзора, предписанное в
перечислении 9.2.3.6, а).
е) Поле обзора, предписанное в
перечислении 9.2.3.5, а), может обеспечиваться посредством использования устройства бокового обзора (класса V) в сочетании с широкоугольным устройством (класса IV).
В таких случаях зеркало бокового обзора (класса V) должно обеспечивать не менее 90% поля обзора, предписанного в
перечислении 9.2.3.5, а), а зеркало класса IV должно быть отрегулировано таким образом, чтобы одновременно обеспечивалось поле обзора, предписанное в
перечислении 9.2.3.4, б).
ж)
Пункты 9.2.3.5, в),
г),
д),
е) не применяют в отношении ТС, в случае которого какая-либо из частей зеркала класса V или его кожуха находится на расстоянии менее 2,4 м над уровнем грунта, независимо от его положения после регулировки.
9.2.3.6 Устройство переднего обзора класса VI
а) Поле обзора должно быть таким, чтобы водитель мог видеть по меньшей мере часть ровной горизонтальной дороги, ограниченную:
- поперечной вертикальной плоскостью, проходящей через крайнюю точку передней части ТС;
- поперечной вертикальной плоскостью, проходящей на расстоянии 2000 мм перед плоскостью, указанной в первом;
- продольной вертикальной плоскостью, параллельной продольной вертикальной средней плоскости, проходящей через крайнюю боковую точку ТС со стороны водителя;
- продольной вертикальной плоскостью, параллельной продольной вертикальной средней плоскости, находящейся на расстоянии 2000 мм за пределами крайней боковой точки ТС со стороны, противоположной водителю.
Фронтальная часть этого поля обзора со стороны, противоположной водителю, может быть закруглена до радиуса 2000 мм (см.
рисунок 12).
Размеры в метрах
Рисунок 12 - Поле обзора устройства
переднего обзора класса VI
Предписания в отношении данного поля обзора см. также в
9.2.3.7, б). Положения, касающиеся устройств переднего обзора класса VI, являются обязательными для ТС категорий N
2 > 7,5 т и N
3 с передним расположением органов управления.
Если ТС этих категорий не соответствуют требованиям
9.2.3.6, а) при использовании данного устройства переднего обзора, то применяют вспомогательную систему обзора. В случае использования вспомогательной системы обзора это устройство должно позволять обнаруживать объект высотой 50 см и диаметром 30 см в зоне, определенной на
рисунке 12.
б) Если водитель может видеть - с учетом помех, создаваемых передними стойками, - прямую линию, находящуюся на расстоянии 300 мм спереди от ТС на высоте 1200 мм над уровнем грунта и расположенную между продольной вертикальной плоскостью, параллельной продольной вертикальной средней плоскости, проходящей через крайнюю боковую точку ТС со стороны водителя, и продольной вертикальной плоскостью, параллельной продольной вертикальной средней плоскости, находящейся на расстоянии 900 мм за крайней боковой точкой ТС со стороны, противоположной водителю, то УНО класса VI не обязательно.
в) При определении передней части ТС не должны приниматься во внимание элементы, стационарно прикрепленные к ТС и расположенные над точками визуализации водителя, а также перед поперечной вертикальной плоскостью, проходящей через край переднего бампера ТС.
9.2.3.7 Помехи
а) Устройство заднего обзора класса I
Допускается ограничение поля обзора такими устройствами, как солнцезащитные козырьки, стеклоочистители, обогревающие элементы и сигнал торможения категории S3, если все эти устройства в совокупности не уменьшают площадь предписываемого обзора более чем на 15%. При расчетах не учитывают подголовники либо такие рамы или элементы кузова, как стойки оконного проема задних двухстворчатых дверей и задняя оконная рама. Соблюдение данного требования проверяют по их проекции на вертикальную плоскость, перпендикулярную к продольной центральной плоскости ТС. При определении степени ограничения обзора солнцезащитные козырьки должны быть сложены.
б) Устройства непрямого обзора классов II, III, IV, V и VI
В полях обзора по
9.2.3.6, а) не должны приниматься во внимание помехи, создаваемые кузовом и его элементами, такими как другие УНО в кабине, ручки дверей, габаритные огни, указатели поворота и передний и задний бамперы, а также помехи, создаваемые элементами системы очистки светоотражающих поверхностей, если в совокупности эти помехи не превышают 10% предписанного поля обзора. В случае ТС, предназначенного и сконструированного для специальных целей, когда в силу его специального оснащения обеспечить соблюдение данного требования невозможно, помехи, создаваемые элементами такого специального оснащения, могут превышать 10% предписанного поля обзора зеркала класса VI, но не более того, что необходимо для выполнения этой специальной функции.
9.2.3.8 Процедура испытания
Поле обзора определяют путем помещения в окулярных точках мощных источников света и изучения характера отражения света на вертикальном контрольном экране. Могут использоваться также другие эквивалентные методы.
10 Требования к системе непрямого обзора
10.1 Выполнение требований к СНО проверяют в соответствии с процедурами испытаний, приведенными в
приложении А.
10.1.1 Предполагаемое использование, включение и выключение
Предполагаемое использование указывают в руководстве по эксплуатации. Порядок включения и выключения СВМ классов II и III должен обеспечивать безопасную эксплуатацию ТС.
СВМ включается при открытии ТС (например, при разблокировании дверей, открытии передней двери или иным способом по выбору автопроизводителя).
В дополнение к требованиям, указанным в
9.2.1.2, после каждого выключения двигателя система остается в рабочем состоянии в течение периода продолжительностью не менее T1 = 120 с. По истечении периода T1 и в течение по меньшей мере T2 = (420 - T1) с должна быть предусмотрена возможность повторного включения системы с тем, чтобы предписываемое поле обзора становилось доступным в течение 1 с путем открытия любой запертой передней двери автоматически и, если есть такая возможность, вручную водителем. По истечении периода T2 должна быть предусмотрена возможность повторного включения системы в течение 7 с (например, в момент открытия любой передней двери).
Независимо от положений, указанных выше, любая иная концепция включения или выключения системы должна быть проверена АИЛ на удовлетворение концепции безопасности в соответствии с положениями
А.2 приложения А.
10.1.1.1 Вид по умолчанию
В режиме "вид по умолчанию" поле обзора СВМ должно как минимум соответствовать требованиям, содержащимся в
9.2.3, и удовлетворять требованиям в отношении увеличения и разрешения в соответствии с
10.1.3.
В случае двойной функциональной системы зеркала и СВМ класса I режим работы СВМ устанавливает водитель. Устройство включения и выключения устанавливают непосредственно на двойной функциональной системе зеркала и СВМ.
10.1.1.2 Регулировка яркости и контрастности
Если предусмотрена ручная настройка, то в руководстве по эксплуатации РТС должна содержаться информация о том, как изменять яркость/контрастность.
10.1.1.3 Требования к наложению изображения в пределах минимального требуемого поля зрения
Наложения изображения отображают только связанную с вождением визуальную информацию в направлении, противоположном направлению движения.
Допускаются только временные наложения изображения.
Все наложения изображения считаются препятствующими управлению ТС независимо от их прозрачности.
Наложение изображения не должно превышать 2,5% от необходимого поля обзора отображаемой поверхности соответствующего класса.
Общая площадь всех препятствующих управлению ТС наложений одновременно не должна превышать показателей, предусмотренных в
9.2.3.7, а) или
9.2.3.7, б).
Площадь поверхности наложений изображения и всех других препятствующих управлению ТС изображений определяют (например, на скриншотах) для наихудшего(их) случая(ев).
10.1.2 Операционная готовность (эксплуатационная готовность системы)
Водитель должен иметь возможность видеть, что система находится в нерабочем состоянии (например, в случае отказа СВМ - в том числе в виде предупреждающего сигнала, отображаемой информации, отсутствия индикатора состояния). Соответствующая информация для водителя должна быть разъяснена в руководстве по эксплуатации РТС. Визуальные сигналы о нерабочем состоянии СНО должны соответствовать ГОСТ Р ИСО 15008.
10.1.3 Увеличение и разрешение
10.1.3.1 Коэффициент увеличения
Минимальный и средний коэффициенты увеличения СВМ как в горизонтальном, так и в вертикальном направлении не должны быть ниже минимального среднего коэффициента увеличения, указанного ниже.
Минимальный коэффициент увеличения должен составлять не менее:
а) для класса I: 0,31;
б) для класса II (сторона водителя): 0,26;
в) для класса III (сторона водителя): 0,29;
г) для класса IV (сторона водителя): 0,054;
д) для класса II (сторона пассажира): 0,13;
е) для класса III (сторона пассажира): 0,19;
ж) для класса IV (сторона пассажира): 0,016.
Средний коэффициент увеличения должен составлять не менее:
и) для класса I: 0,33;
к) для класса II (сторона водителя): 0,31;
л) для класса III (сторона водителя): 0,31;
м) для класса IV (сторона водителя): 0,091;
н) для класса II (сторона пассажира): 0,16;
п) для класса III (сторона пассажира): 0,20;
р) для класса IV (сторона пассажира): 0,046.
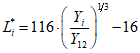
10.1.3.2 Разрешающая способность (MTF)
Разрешающая способность MTF означает минимальные различимые детали, наблюдаемые в изображении, что отражается параметром MTF10. Для простоты соответствующее требование определено, исходя из соотношения 1:1.
Разрешение MTF10 в центре определенного монитором поля должно удовлетворять следующим требованиям:
MTF10(1:1)/гор. >= MTF10MIN(1:1)/гор. в горизонтальном направлении;
MTF10(1:1)/вер. >= MTF10MIN(1:1)/вер. в вертикальном направлении.
Разрешение
MTF10 в угловых точках измерения, как показано на
рисунке 13, должно отвечать следующим требованиям:
MTF10(1:1)/гор. >= 1/2 MTF10MIN(1:1)/гор. в горизонтальном направлении,
MTF10(1:1)/вер. >= 1/2 MTF10MIN(1:1)/вер. в вертикальном направлении.
Рисунок 13 - Разрешение
MTF10 в угловых точках измерения
10.1.4 Соотношение увеличения
В требуемом поле зрения разница между средним коэффициентом увеличения для горизонтального и вертикального направлений СВМ должна удовлетворять следующим уравнениям в зависимости от индивидуальных классов зеркал.
Для устройств класса I приемлемый диапазон составляет

, (8)
где Mсист./гор./ср. - средний коэффициент увеличения для горизонтального направления СВМ;
Mсист./верт./ср. - средний коэффициент увеличения для вертикального направления СВМ;
Для устройств класса II приемлемый диапазон составляет

. (9)
Для устройств класса III приемлемый диапазон составляет

. (10)
Для устройств класса IV ограничений в отношении коэффициента увеличения не предусмотрено.
10.1.5 Монитор внутри ТС
10.1.5.1 Центр монитора(ов) не должен находиться ниже плоскости, проходящей через ОТВ в соответствии с
3.16 и наклоненной вниз под углом 30°.
10.1.5.2 Расположение монитора(ов) внутри ТС должно быть удобным для водителя. Так, изображение правого бокового поля зрения должно быть представлено в правой части продольной вертикальной плоскости, проходящей через ОИТ. Изображение левого бокового поля обзора должно быть представлено в левой части продольной вертикальной плоскости, проходящей через ОИТ.
Если в СВМ предусмотрено более одного поля обзора на одном дисплее, то изображения, которые не являются непрерывными, должны быть четко отделены друг от друга. При условии, что требуемые поля обзора различных классов УНО отображаются на экране монитора(ов), не закрывая какую-либо часть требуемого поля обзора, допускается комбинированное непрерывное изображение без четкого разделения.
10.1.5.3 Предусмотренное монитором поле должно быть видимым без каких-либо препятствий при наблюдении из ОИТ. Может быть использовано виртуальное испытание.
10.1.6 Помехи для прямого обзора водителем, создаваемые в результате установки УНО, должны быть ограничены до минимума.
10.1.7 Снижение аккомодации
Установка монитора в ТС должна отвечать потребностям предполагаемой группы пользователей. Руководство по эксплуатации должно содержать информацию о снижении аккомодации человека и рекомендации по оказанию пользователям надлежащего содействия с учетом их потребностей.
10.2 Устройства "видеокамера/монитор" классов V и VI
10.2.1 Характеристики УНО должны быть такими, чтобы водитель мог наблюдать критический объект в любой точке необходимого поля обзора, с учетом критического восприятия согласно процедуре, изложенной в
приложении Г.
Альтернативным вариантом является определение размеров объекта на изображении согласно
приложению Д.
10.2.2 Помехи для прямого обзора водителем, создаваемые в результате установки УНО, должны быть ограничены до минимума.
10.2.3 Требования к установке монитора
Направление обзора по монитору должно совпадать с направлением обзора по основному зеркалу.
10.2.4 ТС могут быть оборудованы дополнительными УНО.
10.2.5 Положения настоящего стандарта не применяются к устройству видеонаблюдения с видеокамерой - монитором - регистрирующим устройством. Наружные видеокамеры системы видеонаблюдения должны либо устанавливаться по меньшей мере на высоте 2 м над уровнем грунта, когда РТС находится в груженом состоянии в соответствии со своей максимальной допустимой технической массой, либо, если их нижняя кромка расположена на высоте менее 2 м над уровнем грунта, не должны выступать более чем на 50 мм за пределы общей ширины ТС, измеренной без этого устройства, и должны иметь радиус закругления не менее 2,5 мм.
(обязательное)
МЕТОДЫ ИСПЫТАНИЙ СИСТЕМ "ВИДЕОКАМЕРА/МОНИТОР" КЛАССОВ I - IV
А.1 Методы испытаний
А.1.1 Общие положения
АИЛ использует нижеследующие методы испытаний для проверки соответствия требованиям настоящего стандарта.
А.1.2 Испытание на мерцание
Вся область изображения монитора должна восприниматься без мерцания как минимум 90% контингента пользователей. Применяют следующую процедуру измерения.
А.1.2.1 Устанавливают видеокамеру СВМ перед неподвижным изображением (например, перед рисунком "в клетку"). Используют освещение порядка 500 лк. Измеряют с учетом времени яркость части монитора, которая отображает белый участок рисунка "в клетку". Место измерения должно находиться вблизи от центра предусмотренного монитором поля, при этом направление измерения - перпендикулярно к монитору. Выполняют преобразование функции Фурье, показывающей зависимость яркости от времени, для определения количества энергии Eobs на различных частотах до 120 Гц. Затем эти показатели сравнивают с количеством энергии, при котором люди будут замечать мерцание и который принимается за прогнозируемый порог мерцания Epred.
Если Eobs < Epred для каждой частоты < 120 Гц, то мерцание не будет заметно.
Если Eobs >= Epred для каждой частоты < 120 Гц, то мерцание будет заметно.
А.1.2.2 Параметр Eobs, который является показателем наблюдаемого уровня энергии при любой частоте < 120 Гц, вычисляют по формуле

, (А.1)
где b0 = 12,45184;
b1 = -0,16032.
Для параметра Lt, который является показателем адаптационной яркости:
-
Lt =
Lmonitor/chart/white/ambient (
[7] раздел 7.8.2, испытание 2: дневные условия с рассеянным небесным светом);
- c
0 =
Lmonitor/chart/white (
[7] раздел 7.8.2, испытание 2: дневные условия с рассеянным естественным освещением при выключенном источнике рассеянного света).
Для AMPn

. (А.2)
Для cn, который является n-м коэффициентом Фурье, используют n-й коэффициент Фурье из преобразования Фурье.
А.1.2.3 Вычисляют параметр Epred, который является прогнозируемым показателем уровня энергии при любой частоте < 120 Гц

. (А.3)
Переменные
a и
b зависят от диагонали монитора, видимой из ОИТ водителя и измеряемой в градусах по
ГОСТ Р ИСО 9241-303. Для диагонали монитора

менее 20° переменные
a и
b составляют:
a = 0,1276 и
b = 0,1424.
Диагональ монитора

задается следующим уравнением

(А.4)
где Diagonal - диагональ монитора, м;

- расстояние от ОИТ до центра системы координат монитора.
А.1.2.4 Для любой частоты больше 120 Гц сравнивают наблюдаемый показатель энергии Eobs с прогнозируемым показателем энергии Epred и сообщают результирующее значение для положительного или отрицательного решения по испытаниям.
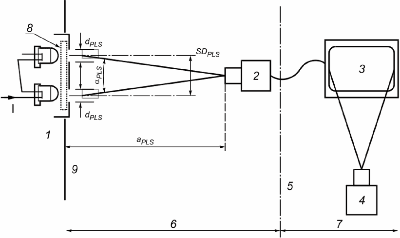
А.1.3 Метод испытания с использованием точечных источников света
На
рисунке А.1 показана схема испытания с использованием точечных источников света.
1 - лабораторная модель точечного источника света,
имитирующая фару ближнего света на расстоянии 250 м;
2 - испытуемая видеокамера; 3 - испытуемый монитор;
4 - эталонная видеокамера; 5 - оптический элемент или
пространство, разделяющий(ее) видеокамеру и дисплей
монитора; 6 - затемненное помещение, в котором расположена
видеокамера; 7 - затемненное помещение, в котором расположен
монитор; 8 - рассеивающая/собирающая линза, устанавливаемая
при необходимости перед светодиодными индикаторами;
9 - нейтральный черный фон
Рисунок А.1 - Схема испытания с использованием
точечных источников света
Лабораторная модель точечного источника света имитирует воздействие комплекта фар ближнего света на расстоянии 250 м при силе света 1750 кд, что соответствует максимально допустимой силе света фар ближнего света ТС в точке
BR, указанной в
[8]. Испытание проводят с использованием набора фонарей диаметром 0,09 м, находящихся на расстоянии 1,3 м друг от друга. Это дает яркость 275 000 кд/м
2. Для лабораторной оценки источники света регулируют таким образом, чтобы их яркость находилась в диапазоне 250 000 - 300 000 кд/м
2, используя источник постоянного тока.
Для целей лабораторной оценки расстояние может быть менее 250 м.
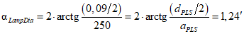
Расстояние aPLS от входного зрачка видеокамеры до лабораторной модели точечного источника света должно быть в пределах глубины резкости видеокамеры. Лабораторную модель точечного источника света корректируют на измерительное расстояние aPLS с учетом размера фонаря dPLS и расстояния SDPLS. Значения dPLS и SDPLS округляют с точностью до 0,1 мм.
Для этой оценки используют типичный светодиодный индикатор белого свечения, имеющий соответствующую цветовую температуру 6500 К с погрешностью +/- 1500 К. Излучающая поверхность светодиодного индикатора должна обеспечивать постоянную яркость, или же его свет рассеивают с помощью дополнительной рассеивающей линзы, как показано на
рисунке А.1.
Угловой размер, соответствующий фаре размера 0,09 м в диаметре, и угловую ориентацию двух точечных источников света, находящихся в 1,3 м друг от друга, на расстоянии 250 м вычисляют по формулам:

(А.5)
и

. (А.6)
Например, при расстоянии от СВМ до имитатора этого светодиодного индикатора, равном 6 м, соответствующая апертура светодиодного индикатора составляет dPLS = 2,2 мм в диаметре и находится на расстоянии SDPLS = 31,2 мм, что позволяет имитировать воздействие комплекта фар ближнего света, расположенного в 250 м от СВМ.
Окружающее освещение вблизи лабораторной модели точечного источника света и со стороны монитора должно быть не более 2 лк.
Яркость светодиодного индикатора измеряют при том же угловом направлении по отношению к СВМ с тем, чтобы подтвердить, что свет, излучаемый с учетом данной апертуры, обеспечивает необходимую яркость.
Яркость отображенных на мониторе точечных источников света измеряют с помощью эталонной (по яркости) видеокамеры согласно
[7], обеспечивающей достаточное пространственное разрешение, или ее эквивалента.
Для оценки СВМ переключают в режим управления, предназначенный для наблюдения за точечными источниками света.
Устанавливают видеокамеру СВМ таким образом, чтобы ее оптическая ось совпадала с перпендикулярной ориентацией лабораторной модели точечного источника света (см.
рисунок А.1). Направляют видеокамеру СВМ для отображения точечных источников света в середину предусмотренного монитором поля. Расстояние от входного зрачка видеокамеры до лабораторной модели точечного источника света должно соответствовать
aPLS.
Для определения КОТИС оценивают кривую яркости в горизонтальном и вертикальном направлении (см.
рисунок А.2).
Рисунок А.2 - Диапазон яркости отображенных точечных
источников света для определенных коэффициентов
обнаружения точечных источников света
КОТИС вычисляют по формуле

, (А.7)
где SH - полная ширина при половине максимального показателя кривой яркости в горизонтальном направлении на вертикальной оси;
LH,max - максимальный показатель кривой яркости в горизонтальном направлении на вертикальной оси;
SV - полная ширина при половине максимального показателя кривой яркости в горизонтальном направлении в самом узком месте;
LV,max - максимальный показатель кривой яркости в горизонтальном направлении в самом узком месте.
Проверяют соответствие результата при незначительно смещенном положении лабораторной модели точечного источника света.
Для определения ККТИС оценивают кривую яркости в горизонтальном направлении (см.
рисунок А.3) по вертикальной оси.
Рисунок А.3 - Диапазон яркости отображенных точечных
источников света для определения коэффициента
контрастности точечного источника света

, (А.8)
где LH,max - максимальный показатель кривой яркости в горизонтальном направлении;
LH,min - значение яркости в седловой точке кривой яркости, которое эквивалентно минимальному значению яркости между двумя максимальными значениями яркости (см.
рисунок А.3).
Проверяют соответствие результата при незначительно смещенном положении лабораторной модели точечного источника света.
А.1.4 Метод испытания на передачу серой шкалы
Испытание на передачу серой шкалы позволяет убедиться в том, что СВМ способна отображать по меньшей мере восемь тональных оттенков серого цвета, различаемых в пределах наиболее темного и наиболее яркого выходного диапазона для воспроизводимой тест-таблицы на мониторе СВМ. Испытание на передачу серой шкалы проводят с помощью низкоконтрастной тест-таблицы с соотношением 20:1, как описано в
[9] (таблица А.1) при фоновом освещении 500 лк.
Описанное различие в тонах определяют как выходной сигнал отображения, разница в яркости которого между двумя различными вводимыми с использованием СВМ тонами удовлетворяет по меньшей мере разнице
L* >= 3,0, где
L* определяют как освещенность в соответствии с приведенным в
[5] определением цветового пространства
L*a*b*.
На
рисунке А.4 показана схема испытания на передачу серой шкалы.
1 - тест-таблица (тест-таблица для испытания на передачу
серой шкалы); 2 - подсветка для тест-таблицы; 3 - испытуемая
видеокамера; 4 - испытуемый монитор; 5 - эталонная
видеокамера; 6 - оптическая система или пространство,
разделяющая(ее) видеокамеру и дисплей монитора;
7 - экран, защищающий объектив от прямого света;
8 - видеокамера; 9 - монитор
Рисунок А.4 - Схема испытания на передачу серой шкалы
На
рисунке А.5 показан пример тест-таблицы для испытания на передачу серой шкалы, которая будет использована в ходе этого измерения. Данная тест-таблица для испытания на передачу серой шкалы состоит из 12 квадратов различных тонов серого цвета.
Рисунок А.5 - Пример тест-таблицы для испытания
на передачу серой шкалы
Значения оптической плотности
Di должны соответствовать
таблице А.1 при низкой контрастности 20:1.
Эти квадраты должны быть помещены на фоновый материал нейтрального серого цвета, имеющего значение плотности Di = 0,54 +/- 0,05.
Могут быть использованы как отражающие, так и прозрачные тест-таблицы с ламбертовскими характеристиками.
Область изображения видеокамеры должна быть полностью покрыта изображением тест-таблицы. Тест-таблицу для испытания на передачу серой шкалы помещают таким образом, чтобы квадраты серого цвета были видны в центре предусмотренного монитором поля.
Между испытываемой видеокамерой и тест-таблицей устанавливают такое расстояние, чтобы отдельные квадраты тест-таблицы отображались, когда это возможно, на испытуемом мониторе картинкой размером 50 x 50 пикселей. Кроме того, для устройств класса IV, отличающихся высокой степенью искажения и/или оптического виньетирования, размеры изображения можно уменьшить с тем, чтобы свести к минимуму воздействие эффекта виньетирования на результаты измерений.
Источник света должен быть аналогичен стандартному источнику света D65 согласно
[5] и иметь соответствующую цветовую температуру
T = 6500 К с погрешностью +/- 1500 К.
Испытание проводят при общем освещении 500 лк (данное условие испытания эквивалентно условию испытания на цветопередачу при комнатной температуре (22 +/- 5) °C).
Окружающее освещение вблизи монитора должно быть <= 10 лк, при этом следует избегать попадания на него бликов от источника света.
Каждый квадрат тест-таблицы для испытания на передачу серой шкалы имеет размер 50 x 50 мм. Расстояние между квадратами составляет не менее 5 мм.
В
таблице А.1 приведены значения оптической плотности
Di для 12 различных серых квадратов, а также
Di для фонового материала.
Таблица А.1
Значения оптической плотности
Di
Квадрат серого цвета N | Оптическая плотность Di |
1 | 1,40 |
2 | 1,21 |
3 | 1,05 |
4 | 0,90 |
5 | 0,77 |
6 | 0,65 |
7 | 0,54 |
8 | 0,44 |
9 | 0,35 |
10 | 0,26 |
11 | 0,18 |
12 | 0,10 |
Фоновый материал | 0,54 +/- 0,05 |
Измеряют яркость Yi каждого квадрата серого цвета i = 1 ... 12 с помощью эталонной камеры. Затем вычисляют светлоту каждого квадрата серого цвета:

, когда
Yi/
Y12 > 0,008856, (А.9)

, когда
Yi/
Y12 <= 0,008856. (А.10)
Рассчитывают разницу в светлоте между каждым квадратом серого цвета

(А.11)
и сопоставляют полученный результат с требованием.
А.2.1 Изготовитель РТС предоставляет АИЛ следующие документы:
а) описание СВМ, объясняющее основные функции системы, включая чертежи, рисунки, блок-схемы и т.д.;
б) описание мест установки видеокамеры и монитора в ТС (общее описание системы);
в) наименование изготовителя видеокамеры, монитора и электронных блоков управления;
г) указание типа видеокамеры и монитора. Каждый блок четко и однозначно идентифицируется (например, посредством маркировки аппаратных и программных средств или указания выводимых параметров последних) для обеспечения надлежащего соответствия между программными средствами и документацией;
д) разъяснение системы предупреждения и концепции безопасности, как они определены изготовителем, которое должно охватывать по меньшей мере перечень неисправностей, указанных в
А.3.
А.2.2 В целях проведения периодических технических осмотров в документации должно быть указано, каким образом может быть проверено текущее рабочее состояние системы.
А.2.3 Указывают пределы, определяющие границы функциональных возможностей (например, экологические параметры), если это необходимо с учетом эксплуатационных характеристик системы.
А.2.4 Концепция эксплуатационной безопасности, используемая изготовителем
Изготовитель представляет данные, подтверждающие, что выбранная стратегия допускает безопасную эксплуатацию системы.
В случае отказа или неисправности СНО система информирует о ней водителя, например при помощи четкого видимого предупреждающего сигнала либо соответствующего сообщения на ДМС или КП РТС. Для предупреждающих сигналов необходимо использовать символы в соответствии с ГОСТ Р ИСО 15008. Если система активирована, то предупреждение сохраняется до тех пор, пока существует отказ или неисправность.
А.2.5 Изготовитель устанавливает и обновляет выбранный(е) аналитический(е) подход(ы), который(е) во время испытаний доводится(ятся) до сведения АИЛ.
А.3 Перечень неисправностей
А.3.1 Видеокамера
а) электронный шум, уменьшенное разрешение деталей;
б) расфокусировка оптики, уменьшенное разрешение деталей;
в) прочие неисправности видеокамеры.
А.3.2 Монитор
а) отсутствие изображения;
б) "застывание" отображаемого монитором изображения, изображение не обновляется;
в) увеличение времени, необходимого для формирования изображения, при изменении появляется размытое изображение;
г) прочие неисправности монитора.
А.3.3 Блок управления
а) отсутствие связи между видеокамерой и блоком управления;
б) отсутствие связи между блоком управления и монитором;
в) прочие неисправности блока управления.
А.4 Проверка
А.4.1 Проверку работы СВМ в рабочем состоянии и при наличии неисправности проводят в соответствии с технической спецификацией изготовителя.
А.4.2 Проверку концепции безопасности на реагирование СВМ проводят, по усмотрению АИЛ, по степени серьезности неисправностей, указанных в
А.3. Результаты проверки должны соответствовать документально подтвержденному резюме анализа неисправностей, перечисленных в
А.3, таким образом, чтобы это подтверждало адекватность концепции безопасности и методы ее применения.
(обязательное)
ПРОЦЕДУРА ОПРЕДЕЛЕНИЯ ТОЧЕК H, R И ФАКТИЧЕСКОГО УГЛА НАКЛОНА
ТУЛОВИЩА СИДЯЩЕГО В ТРАНСПОРТНОМ СРЕДСТВЕ
ВОДИТЕЛЯ ИЛИ ПАССАЖИРА
Б.1 Описание объемного механизма определения точки
H - согласно
[1] (приложение 1 - добавление 1).
Б.2 Трехмерная система координат - согласно
[1] (приложение 1 - добавление 2).
Б.3 Контрольные параметры, касающиеся мест для сидения (включая координаты точки
R) - согласно
[1] (приложение 1 - добавление 3).
(обязательное)
ИСПЫТАНИЯ УСТРОЙСТВ НЕПРЯМОГО ОБЗОРА КЛАССОВ I - VI <1>
--------------------------------
<1> Требования настоящего стандарта считаются выполненными в случае мониторов ТС, соответствующего
[4].
В.1 УНО классов I - VI подвергают испытаниям, описанным в
В.1.2.1 и
В.1.2.2. Корпусные устройства с кронштейнами подвергают испытаниям, описанным в
В.1.2.3.
В.1.1 Испытание, предусмотренное в
В.1.2, не проводят в случае внешнего УНО класса II - IV, у которого ни одна из частей не располагается на высоте менее 2 м над уровнем грунта, независимо от положения регулировки, когда нагрузка ТС соответствует его максимальной технически допустимой массе, а также в случае, если элементы крепления УНО (крепежные пластины, кронштейны, шарниры и т.д.) располагаются на высоте менее 2 м от уровня дороги и не выступают за общую габаритную ширину ТС, измеренную в поперечной плоскости, проходящей через наиболее низко расположенные элементы крепления зеркала или через любую другую точку, находящуюся перед этой плоскостью, если такая конфигурация обусловливает большее значение общей габаритной ширины.
В этих случаях к УНО прилагают описание, в котором указывают, что УНО должно быть установлено таким образом, чтобы расположение элементов его крепления к ТС соответствовало упомянутым выше предписаниям.
При таком отступлении от установленных правил на кронштейне УНО должен быть нанесен нестираемый знак

.
Испытание на удар не проводят на устройствах, встроенных в кузов ТС и обеспечивающих переднюю поверхность преломления с углом не более 45°, измеряемым по отношению к продольной средней плоскости ТС, либо на устройствах с выступом более 100 мм, измеряемым за пределами кузова ТС согласно
[10].
В.1.2.1 Описание испытательного устройства
Испытательное устройство состоит из маятника, способного колебаться относительно двух горизонтальных осей, перпендикулярных друг к другу, одна из которых перпендикулярна к плоскости, в которую вписывается траектория падения маятника.
На конце маятника устанавливают ударный элемент, состоящий из жесткой сферы диаметром (165 +/- 1) мм с резиновым покрытием толщиной 5 мм и твердостью по Шору 50A.
Должно быть предусмотрено устройство, позволяющее засечь максимальный угол, образуемый штангой маятника в плоскости падения.
Для фиксации образцов в соответствии с условиями удара, предписанными ниже, служит опора, жестко закрепляемая на станине маятника.
На
рисунке В.1 приведены размеры и специальные конструктивные предписания испытательного устройства.
Рисунок В.1 - Размеры испытательного устройства
Центр удара маятника совмещают с центром сферы, образующей ударную часть. Расстояние l от центра сферы до оси вращения в плоскости падения составляет (1 +/- 0,005) м. Приведенная масса маятника m0 равна (6,80 +/- 0,05) кг. Отношение m0 к общей массе m маятника и к расстоянию d между центром тяжести маятника и его осью вращения вычисляют по формуле

. (В.1)
В.1.2.2 Описание испытания
Порядок установки УНО на опоре должен соответствовать рекомендации изготовителя устройства или изготовителя ТС.
УНО размещают на испытательном маятниковом устройстве таким образом, чтобы горизонтальная и вертикальная оси УНО находились в том же положении, в котором они находятся при установке УНО на ТС в соответствии с инструкциями производителя по их установке.
Если УНО регулируется по отношению к основанию, то во время испытания оно должно находиться в наиболее неблагоприятном положении для отклонения в пределах регулировки, предусмотренной заявителем.
Если в УНО предусмотрено устройство регулировки расстояния по отношению к основанию, то это устройство должно быть установлено таким образом, чтобы расстояние между защитным корпусом и основанием было минимальным.
Для СВМ, когда маятник находится в вертикальном положении, горизонтальная и продольная вертикальная плоскости, проходящие через центр ударной части, должны проходить через центр объектива либо прозрачной защитной части перед объективом. Продольное направление колебания маятника должно быть параллельно продольной средней плоскости ТС. Если испытание проводят с использованием системы видеокамеры с заслонкой, то заслонка в момент удара маятника должна быть открыта.
Если при регулировке элементы УНО ограничивают подъем ударной части, то точка удара должна быть смещена в направлении, перпендикулярном к рассматриваемой оси вращения или поворота.
Это смещение должно проводиться только в той мере, в какой оно необходимо для проведения испытания; оно должно быть таким, чтобы сфера, образующая ударный элемент, по меньшей мере касалась цилиндра радиусом 70 мм (50 мм в случае ТС категории L), имеющего в качестве оси ось или одну из осей поворота либо вращения, обеспечивающую отклонение корпуса устройства в направлении удара, по меньшей мере частично проходящего через поверхность, на которой это устройство крепится.
Испытание заключается в обеспечении падения маятника с высоты, соответствующей углу 60° между маятником и вертикалью, таким образом, чтобы ударный элемент бил по УНО в тот момент, когда маятник достигает вертикального положения.
Испытания УНО на удар проводят в следующих условиях:
а) испытание 1: Для точки удара, определенной выше, ударный элемент должен бить по видеокамере со стороны объектива;
б) испытание 2: Для точки удара, определенной выше, ударный элемент должен бить по видеокамере со стороны, противоположной объективу.
В тех случаях, когда на одном и том же кронштейне устанавливают более одной видеокамеры, испытания проводят на нижней видеокамере. Однако АИЛ может повторить одно из этих испытаний либо оба этих испытания на верхней видеокамере, если она расположена на высоте менее 2 м над поверхностью дороги.
В.1.2.3 Испытание на изгиб защитного корпуса, установленного на стержне (класс VII)
Защитный корпус устанавливают горизонтально на испытательном устройстве таким образом, чтобы можно было надежно затянуть элементы регулировки крепления. Оконечность, наиболее приближенную к точке крепления на элементе регулировки, закрепляют в направлении наибольшего габарита защитного корпуса жестким упором шириной 15 мм, закрывающим всю ширину защитного корпуса.
С другой стороны на защитный корпус устанавливают упор, аналогичный описанному выше, для того, чтобы приложить предусмотренную испытательную нагрузку (см.
рисунок В.2).
Рисунок В.2 - Пример устройства для испытания
на изгиб защитного корпуса
Допускается закрепление оконечности защитного корпуса, противоположной той, к которой прикладывают нагрузку, вместо удержания ее в положении, показанном на
рисунке В.2.
Испытательная нагрузка должна составлять 25 кг и прикладываться в течение 1 мин.
В.1.2.4 Результаты испытаний
В испытаниях, описанных в
В.1.2, маятник должен продолжать свое движение после удара таким образом, чтобы проекция предполагаемого положения штанги маятника на плоскость падения образовывала с вертикалью угол не менее 20°. Точность измерения этого угла должна составлять +/- 1°.
Требуемый угол отклонения от вертикали уменьшается с 20° до 10° в случае всех УНО классов II и IV, а также УНО класса III, если они имеют общий кронштейн с УНО класса IV.
В ходе испытания, описанного в
В.1.2, объектив не должен разбиваться.
(обязательное)
РАСЧЕТ РАССТОЯНИЯ ОБНАРУЖЕНИЯ ДЛЯ СИСТЕМ
"ВИДЕОКАМЕРА/МОНИТОР" КЛАССОВ V И VI
Г.1. Видеокамера/монитор в качестве устройства непрямого обзора
Г.1.1 Определение наиболее мелкой различимой детали
Наиболее мелкую деталь, различимую невооруженным глазом, определяют с помощью стандартных офтальмологических тестов, таких как кольца Ландольта или распознавание ориентации треугольников (РОТ). При этом тест Ландольта или тест РОТ можно использовать для определения наиболее мелкой различимой детали в центре изображения, а в остальной зоне обзора величина такой детали может быть рассчитана по ее размерам в центре с учетом деформации изображения в соответствующей точке. Например, для цифровых видеокамер величина наиболее мелкой различимой детали в данной точке дисплея обратно пропорциональна угловому размеру пикселя в этой точке.
Г.1.1.1 Тест Ландольта
В тесте Ландольта испытуемый распознает символы тест-таблицы. При этом размер наиболее мелкой различимой детали соответствует углу видимости разрыва в кольце Ландольта пороговой величины и выражается в дуговых минутах. Пороговой величиной разрыва считают такой его размер, при котором испытуемый верно определяет положение разрыва в 75% случаев. Наиболее мелкую различимую деталь определяют посредством теста с участием наблюдателя. Таблицу с тест-символами помещают перед видеокамерой, а наблюдатель распознает положение символов по изображению на мониторе. Величину наиболее мелкой различимой детали

в дуговых минутах на основе пороговой величины разрыва в кольце Ландольта
d, м, и расстояния
D, м, между тест-таблицей и видеокамерой вычисляют по формуле

. (Г.1)
Г.1.1.2 Тест на распознавание ориентации треугольников
Тест Ландольта используют для определения наиболее мелкой различимой детали изображения в системе "видеокамера/монитор". Однако для светочувствительных элементов лучше подходит метод РОТ, который аналогичен методу Ландольта, но основан на использовании тест-символов в форме равносторонних треугольников. Метод РОТ описан в
[11]. В соответствии с ним треугольные тест-символы (см.
рисунок Г.1) наблюдают с помощью тестируемой системы видеонаблюдения. Каждый треугольник может быть ориентирован в одну из четырех сторон (вершиной вверх, влево, вправо или вниз); наблюдатель указывает/угадывает ориентацию каждого треугольника. При многократном повторении этой процедуры со случайно ориентированными треугольниками разных размеров появляется возможность построить кривую правильных ответов (см.
рисунок Г.2), доля которых увеличивается с возрастанием размеров тест-символов. Пороговой считается точка, в которой кривая правильных ответов пересекает уровень 0,75; ее можно определить путем подбора плавной функции к имеющимся данным
[11]. Критическому восприятию соответствует уровень, при котором диаметр критического объекта равен удвоенной пороговой ширине треугольника. Величина наиболее мелкой различимой детали

равняется 0,25 пороговой ширины треугольника. Таким образом, величину наиболее мелкой различимой детали

в дуговых минутах на основе пороговой ширины треугольника
w, м, и расстояния
D, м, между тест-таблицей и видеокамерой вычисляют по формуле

. (Г.2)
Рисунок Г.1 - Треугольные тест-символы, используемые
согласно методу РОТ
Рисунок Г.2 - Типичный график зависимости между
размерами треугольника и долей правильных ответов
Г.1.2 Определение критического расстояния обзора монитора
Для монитора, имеющего определенные габариты и свойства, рассчитывают расстояние до монитора, в пределах которого расстояние обнаружения зависит только от характеристик видеокамеры. Это критическое расстояние обзора rm крит., как расстояние, при котором величина наиболее мелкой различимой детали изображения на мониторе, измеренная от глаза наблюдателя, равна одной дуговой минуте (порог нормальной остроты зрения человека), вычисляют по формуле

, (Г.3)
где rm крит. - критическое расстояние обзора монитора, м;

- величина наиболее мелкой различимой детали изображения на мониторе, м.
Г.1.3 Определение расстояния обнаружения
Г.1.3.1 Максимальное расстояние обнаружения в пределах критического расстояния обзора
В случае, если после установки устройства расстояние от глаза наблюдателя до монитора меньше критического расстояния обзора, максимальное возможное расстояние обнаружения вычисляют по формуле

, (Г.4)
где rd обнар. - расстояние обнаружения, м;
D0 - диаметр критического объекта, м, согласно
3.11; при расчете
rd обнар. для устройств классов V и VI используют условное значение 0,30 м;
f - пороговый возрастающий коэффициент, равный 8;

- величина наиболее мелкой различимой детали, дуговые минуты.
Г.1.3.2 Расстояние обнаружения превышает критическое расстояние обзора
В том случае, если после установки устройства расстояние от глаза наблюдателя до монитора превышает критическое расстояние обзора, максимальное возможное расстояние обнаружения вычисляют по формуле

, (Г.5)
где rdfar - расстояние обнаружения для расстояний, превышающих критическое расстояние обзора, м;
rd обнар. - расстояние обнаружения для расстояний, не достигающих критического расстояния обзора, м;
rm - расстояние обзора, то есть расстояние от глаза наблюдателя до монитора, м;
rm крит. - критическое расстояние обзора, м.
Г.2 Проверка устройств на соответствие функциональным требованиям с учетом особенностей установки
С учетом особенностей установки проверяют соответствие всех характеристик устройств на соответствие функциональным требованиям, перечисленным в
8.1.2. Кроме того, определяют возможности коррекции яркости света и угол падения солнечного луча на монитор и сопоставляют их с соответствующими результатами, полученными с помощью системы измерений. При этом допускается использовать электронную модель CAD (определение углов падения солнечного луча на устройство при его установке на соответствующее ТС) либо проводить измерения на соответствующем ТС, как это предусмотрено в
8.1.2.2.
(справочное)
ОПРЕДЕЛЕНИЕ РАЗМЕРОВ ОТОБРАЖАЕМОГО ОБЪЕКТА
ДЛЯ СИСТЕМ "ВИДЕОКАМЕРА/МОНИТОР" КЛАССОВ V И VI
Д.1 Устройство непрямого обзора "видеокамера/монитор"
При определении размеров отображаемого объекта учитывают возможность появления на мониторе размытости, перекрывающей поле зрения видеокамеры, а следовательно, и сам объект.
Д.1.2 Случай A: Размытость присутствует
Д.1.2.1 Этап 1. При условиях, изложенных в
8.1.2.2, измеряют (например, измерительным микроскопом) ширину вертикальной полосы (полос), отображаемой(ых) на мониторе.
Д.1.2.2 Этап 2. Помещают объект на заданном расстоянии от видеокамеры. Измеряют (например, измерительным микроскопом) ширину изображения объекта на мониторе b) в отсутствие естественного солнечного освещения.
Д.1.2.3 Этап 3. Остаточную ширину объекта

вычисляют по формуле

, (Д.1)
где

- остаточная ширина изображения объекта на мониторе (с учетом размытости), дуговые минуты;
b - ширина изображения объекта на мониторе (без учета размытости), мм;
s - ширина размытости, мм;
r - расстояние обзора, мм.
Д.1.3 Случай B: Размытость отсутствует
Д.1.3.1 Этап 1. Располагают объект на заданном расстоянии от видеокамеры. Измеряют (например, измерительным микроскопом) ширину изображения объекта на мониторе b) в отсутствие естественного солнечного освещения.
Д.1.3.2 Этап 2. Ширину объекта

вычисляют по формуле

, (Д.2)
где

- ширина изображения объекта на мониторе (без учета размытости), дуговые минуты;
b - ширина изображения объекта на мониторе (без учета размытости), мм;
r - расстояние обзора, мм.
Д.1.4 Данные, указываемые в инструкции по эксплуатации
Инструкции по эксплуатации устройств "видеокамера/монитор" классов V и VI должны включать таблицу с указанием минимальной и максимальной высоты над уровнем грунта для установки видеокамеры при различных расстояниях обзора. Видеокамеру устанавливают на высоте, находящейся в соответствующих заданному расстоянию пределах. Выбор расстояния обзора зависит от условий, в которых будет использоваться видеокамера. Пример таблицы приведен в
таблице Д.1.
Таблица Д.1
Пример таблицы с указанием минимальной и максимальной высоты
над уровнем грунта для установки видеокамеры
при различных расстояниях обзора
Расстояние обзора | 0,5 м | 1,0 м | 1,5 м | 2,0 м | 2,5 м |
Минимальная высота установки, пункт | | | | | |
Максимальная высота установки, пункт | | | | | |
Д.1.4.1 Минимальная высота установки видеокамеры одинакова при любом расстоянии обзора, поскольку она не зависит от этого расстояния. Она определяется размерами поля обзора и полем зрения видеокамеры. Ниже указана последовательность действий при определении минимальной высоты установки.
- Этап 1. Размечают на грунте границы необходимого поля обзора.
- Этап 2. Помещают видеокамеру над полем обзора таким образом, чтобы оно находилось в поле зрения видеокамеры. Положение видеокамеры в горизонтальной плоскости должно соответствовать месту ее предполагаемой установки на ТС.
- Этап 3. Подбирают высоту расположения видеокамеры над уровнем грунта таким образом, чтобы размеры участка, отображаемого на мониторе, были не меньше, чем размеры поля обзора. При этом изображение поля обзора должно полностью занимать весь экран монитора.
- Этап 4. Измеряют высоту видеокамеры над уровнем грунта. Фиксируют полученное значение, являющееся минимальной высотой установки видеокамеры.
Д.1.4.2 Максимальная высота установки различна при разных расстояниях обзора, поскольку размеры объектов на изображении меняются в зависимости от высоты, на которой расположена видеокамера. Ниже указана последовательность действий при определении максимальной высоты установки.
- Этап 1. Определяют минимальную ширину изображения критического объекта на мониторе (bmin) для каждого расстояния обзора по формуле

, (Д.3)
где r - расстояние обзора, мм;
bmin - минимальная ширина изображения критического объекта на мониторе, мм.
- Этап 2. Размещают критический объект внутри размеченного поля обзора в точке, находящейся на максимально возможном удалении от видеокамеры. Освещенность должна быть такой, чтобы критический объект был четко виден на экране монитора.
- Этап 3. Выбирают первое из возможных расстояний обзора.
- Этап 4. Подбирают высоту расположения видеокамеры над уровнем грунта таким образом, чтобы остаточная ширина
B изображения объекта на мониторе была равна минимальной ширине, определенной для данного расстояния обзора
B = bmin, (Д.4)
где
B - остаточная ширина изображения объекта на мониторе (соответствующая значению
b при отсутствии размытости и значению "
b -
s" при наличии размытости), мм (см.
Д.1.1).
- Этап 5. Измеряют высоту видеокамеры над уровнем грунта. Фиксируют полученное значение, являющееся максимальной высотой установки видеокамеры для данного расстояния обзора.
- Этап 6. Повторяют указанные выше
этапы 4 и
5 применительно к другим расстояниям обзора.
| ECE/TRANS/WP.29/78/Rev.6 Сводная резолюция о конструкции транспортных средств (СР.3) |
| Правила ООН N 10 | Единообразные предписания, касающиеся официального утверждения транспортных средств в отношении электромагнитной совместимости |
| Правила ООН N 46 | Единообразные предписания, касающиеся официального утверждения устройств непрямого обзора и механических транспортных средств в отношении установки этих устройств |
| Правила ООН N 21 | Единообразные предписания, касающиеся официального утверждения транспортных средств в отношении их внутреннего оборудования |
| 1976 CIE | Рекомендации Международной комиссии по освещению |
| Правила ООН N 43 | Единообразные предписания, касающиеся официального утверждения безопасных стекловых материалов и их установки на транспортном средстве |
| ISO 16505:2015 | Road vehicles - Ergonomic and performance aspects of Camera Monitor Systems - Requirements and test procedures |
| Правила ООН N 112 | Единообразные предписания, касающиеся официального утверждения автомобильных фар, испускающих асимметричный луч ближнего или дальнего света либо оба луча и оснащенных лампами накаливания и/или модулями светоизлучающих диодов |
| ISO 14524:2009 | Photography - Electronic still-picture cameras - Methods for measuring opto-electronic conversion functions (OECFs) |
| Правила ООН N 26 | Единообразные предписания, касающиеся официального утверждения транспортных средств в отношении их наружных выступов |
| Bijl P. and Valeton J.M. Guidelines for accurate TOD measurement. - SPIE Proceedings 3701, 14 - 25 (1999) |
УДК 656.13:006.354 | |
Ключевые слова: автомобильные транспортные средства, непрямой обзор, обзорность, видеокамера, монитор, система "видеокамера/монитор", СВМ |