Главная // Актуальные документы // ГОСТ Р (Государственный стандарт)СПРАВКА
Источник публикации
М.: Стандартинформ, 2013
Примечание к документу
Отдельные положения данного документа включены в
Перечень международных и региональных (межгосударственных) стандартов, а в случае их отсутствия - национальных (государственных) стандартов, в результате применения которых на добровольной основе обеспечивается соблюдение требований технического
регламента Таможенного союза "Электромагнитная совместимость технических средств"
(ТР ТС 020/2011) и в
Перечень международных и региональных (межгосударственных) стандартов, а в случае их отсутствия - национальных (государственных) стандартов, содержащих правила и методы исследований (испытаний) и измерений, в том числе правила отбора образцов, необходимые для применения и исполнения требований технического
регламента Таможенного союза "Электромагнитная совместимость технических средств"
(ТР ТС 020/2011) и осуществления оценки соответствия объектов технического регулирования. (
Решение Коллегии Евразийской экономической комиссии от 29.06.2021 N 77).
Текст данного документа приведен с учетом
поправки, опубликованной в "ИУС", N 6, 2021.
Документ
введен в действие с 01.01.2013.
Название документа
"ГОСТ Р 51318.25-2012 (СИСПР 25:2008). Национальный стандарт Российской Федерации. Совместимость технических средств электромагнитная. Транспортные средства, моторные лодки и устройства с двигателями внутреннего сгорания. Характеристики индустриальных радиопомех. Нормы и методы измерений для защиты радиоприемных устройств, размещенных на подвижных средствах"
(утв. и введен в действие Приказом Росстандарта от 26.11.2012 N 1177-ст)
"ГОСТ Р 51318.25-2012 (СИСПР 25:2008). Национальный стандарт Российской Федерации. Совместимость технических средств электромагнитная. Транспортные средства, моторные лодки и устройства с двигателями внутреннего сгорания. Характеристики индустриальных радиопомех. Нормы и методы измерений для защиты радиоприемных устройств, размещенных на подвижных средствах"
(утв. и введен в действие Приказом Росстандарта от 26.11.2012 N 1177-ст)
Утвержден и введен в действие
агентства по техническому
регулированию и метрологии
от 26 ноября 2012 г. N 1177-ст
НАЦИОНАЛЬНЫЙ СТАНДАРТ РОССИЙСКОЙ ФЕДЕРАЦИИ
СОВМЕСТИМОСТЬ ТЕХНИЧЕСКИХ СРЕДСТВ ЭЛЕКТРОМАГНИТНАЯ
ТРАНСПОРТНЫЕ СРЕДСТВА, МОТОРНЫЕ ЛОДКИ И УСТРОЙСТВА
С ДВИГАТЕЛЯМИ ВНУТРЕННЕГО СГОРАНИЯ. ХАРАКТЕРИСТИКИ
ИНДУСТРИАЛЬНЫХ РАДИОПОМЕХ
НОРМЫ И МЕТОДЫ ИЗМЕРЕНИЙ ДЛЯ ЗАЩИТЫ РАДИОПРИЕМНЫХ УСТРОЙСТВ,
РАЗМЕЩЕННЫХ НА ПОДВИЖНЫХ СРЕДСТВАХ
Electromagnetic compatibility of technical equipment.
Vehicles, boats and devices with internal combustion
engines. Radio disturbance characteristics.
Limits and methods of measurement for protection
of on-board receivers
CISPR 25:2008
Vehicles, boats and internal combustion engines -
Radio disturbance characteristics - Limits and methods
of measurement for protection of on-board receivers
(MOD)
ГОСТ Р 51318.25-2012
(СИСПР 25:2008)
Дата введения
1 января 2013 года
Цели и принципы стандартизации в Российской Федерации установлены Федеральным
законом от 27 декабря 2002 г. N 184-ФЗ "О техническом регулировании".
1 РАЗРАБОТАН Санкт-Петербургским филиалом "Ленинградское отделение научно-исследовательского института радио" (филиал ФГУП "НИИР-ЛОНИИР") и Техническим комитетом по стандартизации ТК 30 "Электромагнитная совместимость технических средств" на основе собственного аутентичного перевода на русский язык международного стандарта, указанного в
пункте 4
2 ВНЕСЕН Техническим комитетом по стандартизации ТК 30 "Электромагнитная совместимость технических средств"
3 УТВЕРЖДЕН И ВВЕДЕН В ДЕЙСТВИЕ
Приказом Федерального агентства по техническому регулированию и метрологии от 26 ноября 2012 г. N 1177-ст
4 Настоящий стандарт является модифицированным по отношению к международному стандарту СИСПР 25:2008 "Транспортные средства, моторные лодки и двигатели внутреннего сгорания. Характеристики радиопомех. Нормы и методы измерений для защиты радиоприемных устройств, размещенных на подвижных средствах" (CISPR 25:2008 "Vehicles, boats and internal combustion engines - Radio disturbance characteristics - Limits and methods of measurement for protection of on-board receivers"), включая Поправку 1:2009.
При этом дополнительные положения и требования, включенные в текст стандарта для учета особенностей российской национальной стандартизации, выделены в тексте стандарта курсивом.
Наименование настоящего стандарта изменено относительно наименования указанного международного стандарта для приведения в соответствие с ГОСТ Р 1.5-2004
(пункт 3.5).
При применении настоящего стандарта рекомендуется использовать вместо ссылочных международных стандартов соответствующие им национальные стандарты Российской Федерации, сведения о которых приведены в
приложении ДА
5 ВВЕДЕН ВПЕРВЫЕ
Правила применения настоящего стандарта установлены в ГОСТ Р 1.0-2012 (раздел 8). Информация об изменениях к настоящему стандарту публикуется в ежегодном (по состоянию на 1 января текущего года) информационном указателе "Национальные стандарты", а официальный текст изменений и поправок - в ежемесячном информационном указателе "Национальные стандарты". В случае пересмотра (замены) или отмены настоящего стандарта соответствующее уведомление будет опубликовано в ближайшем выпуске ежемесячного информационного указателя "Национальные стандарты". Соответствующая информация, уведомление и тексты размещаются также в информационной системе общего пользования - на официальном сайте Федерального агентства по техническому регулированию и метрологии в сети Интернет (gost.ru)
Предисловие к СИСПР 25:2008
Международный стандарт СИСПР 25:2008 подготовлен Международным специальным комитетом по радиопомехам (СИСПР) Международной электротехнической комиссии (МЭК), подкомитетом D "Электромагнитные помехи, относящиеся к электрическому/электронному оборудованию, установленному на борту транспортных средств и в устройствах с двигателями внутреннего сгорания".
Международный стандарт СИСПР 25:2008 (третье издание) отменяет и заменяет МЭК СИСПР 25:2002 (второе издание).
Третье издание представляет собой технический пересмотр второго издания.
В настоящее издание введены следующие существенные изменения по сравнению с предыдущим изданием:
- добавлены требования измерений с использованием как детектора средних значений, так и пикового или квазипикового детектора;
- добавлены методы измерения и нормы для защиты новых аналоговых и цифровых радиослужб, действующих в полосе частот до 2500 МГц включительно;
- включен новый метод измерения компонентов с использованием полосковой линии
(приложение G);
- фрагменты стандарта СИСПР 21 включены в качестве
приложения H, так как стандарт СИСПР 21 в качестве целого документа отменен;
- исключены определения понятий "узкополосный" и "широкополосный";
- исключено приложение по калибровке штыревых антенн, т.к. эта процедура включена в стандарт СИСПР 16.1.4
<1>;
- исключено приложение по валидации экранированной камеры (по завершении работы Совместной целевой группы СИСПР D/СИСПР A соответствующее изменение будет внесено в стандарт СИСПР 25).
--------------------------------
Настоящая Публикация разработана в соответствии с частью 2 Директив ИСО/МЭК.
Настоящий стандарт устанавливает нормы и методы измерений параметров индустриальных радиопомех в полосе частот от 150 кГц до 2500 МГц.
Требования настоящего стандарта распространяются на любые электронные/электрические элементы, предназначенные для использования в транспортных средствах, трейлерах и устройствах с двигателями внутреннего сгорания.
Требования настоящего стандарта направлены на обеспечение защиты приемников, установленных в транспортных средствах, от индустриальных радиопомех, создаваемых элементами/модулями в самих транспортных средствах. Методы и нормы, относящиеся к укомплектованным транспортным средствам, представлены в
разделе 5, а методы и нормы для элементов/модулей - в
разделе 6.
Для определения соответствия элементов/модулей требованиям настоящего стандарта можно использовать испытание только укомплектованного транспортного средства.
Типы приемников, подлежащих защите: вещательные приемники (звуковые и телевизионные), наземные мобильные радиосистемы, радиотелефон, любительские, гражданские радиосистемы, системы спутниковой навигации (GPS и т.п.) и Bluetooth.
В настоящем стандарте под транспортным средством подразумевают машину с автономным приводом. Транспортные средства включают в себя (но этим не ограничиваются) легковые автомобили, грузовые автомобили, сельскохозяйственные тракторы и снегоходы. Руководство по определению применимости настоящего стандарта к конкретным видам оборудования приведено в
приложении A.
Нормы, приведенные в настоящем стандарте, носят рекомендательный характер и являются предметом модификации по согласованию между производителем транспортного средства и поставщиком элементов, используемых в транспортном средстве. Настоящий стандарт также предназначен для использования производителями и поставщиками элементов и оборудования, которые должны добавляться и подключаться к проводке транспортного средства или к бортовому разъему питания после поставки транспортного средства.
Настоящий стандарт не устанавливает требования в части защиты электронных систем управления от воздействия внешних радиочастотных полей, помех переходного характера и флюктуаций напряжения питания импульсного типа. Эти требования включены в публикации ИСО.
Так как расположение монтажа, конструкция корпуса транспортного средства и конструкция проводки могут влиять на взаимодействие индустриальных радиопомех (далее - помехи) с бортовой радиосистемой, то в
разделе 6 определено несколько уровней норм. Класс используемого уровня (зависит от частотного диапазона) должен быть согласован между производителем транспортного средства и поставщиком элементов.
Методы испытаний, приведенные в настоящем стандарте, должны помочь производителям и поставщикам транспортных средств в части совершенствования конструкции транспортных средств и элементов и обеспечить регламентирование радиочастотных помех на борту транспортных средств.
Значения норм параметров помех приведены в настоящем стандарте для руководства и основаны на использовании типового радиоприемника с антенной, являющейся частью транспортного средства, или с испытательной антенной, если не определена какая-либо особая антенна. Указанные диапазоны частот могут не подходить для всех регионов мира или всех стран. По экономическим причинам производитель транспортного средства должен быть свободен в определении того, какие диапазоны частот применяют в конкретных странах, где будут продаваться транспортные средства, и какие радиослужбы предполагают использовать в этих транспортных средствах.
Например, во многих моделях транспортных средств не предполагается установка ТВ-приемников, поскольку полоса телевизионного вещания занимает существенную часть радиоспектра. Испытание таких транспортных средств и подавление в них источников помех экономически не оправдано.
Производитель транспортных средств должен определить страны, в которых будут продаваться эти транспортные средства, затем выбрать применимые диапазоны частот и значения норм.
В 1979 г. Всемирная Конференция Администраций связи снизила нижний предел по частоте в регионе 1 до 148,5 кГц. Для транспортных средств адекватными считают испытания на частоте 150 кГц. В настоящем стандарте были введены диапазоны частот испытания, которые могут охватить радиослужбы в различных частях мира. В большинстве случаев можно ожидать, что защита радиоприема на соседних частотах будет обеспечена.
Метод качественной оценки ухудшения радиосвязи в присутствии импульсных помех приведен в
приложении H.
Перечень вопросов, находящихся на рассмотрении для последующих пересмотров документа, приведен в
приложении I.
В настоящем стандарте использованы нормативные ссылки на следующие стандарты:
ГОСТ Р 50397-2011 (МЭК 60050-161:1990) Совместимость технических средств электромагнитная. Термины и определения
ГОСТ Р 51318.12-2012 (СИСПР 12:2009) Совместимость технических средств электромагнитная. Транспортные средства, моторные лодки и устройства с двигателями внутреннего сгорания. Характеристики индустриальных радиопомех. Нормы и методы измерений для защиты радиоприемных устройств, размещенных вне подвижных средств
ГОСТ Р 51318.16.1.1-2007 (СИСПР 16-1-1:2006) Совместимость технических средств электромагнитная. Требования к аппаратуре для измерения параметров индустриальных радиопомех и помехоустойчивости и методы измерений. Часть 1-1. Аппаратура для измерения параметров индустриальных радиопомех и помехоустойчивости. Приборы для измерения индустриальных радиопомех
ГОСТ Р 51318.16.1.2-2007 (СИСПР 16-1-2:2006) Совместимость технических средств электромагнитная. Требования к аппаратуре для измерения параметров индустриальных радиопомех и помехоустойчивости и методы измерений. Часть 1-2. Аппаратура для измерения параметров индустриальных радиопомех и помехоустойчивости. Устройства для измерения кондуктивных радиопомех и испытаний на устойчивость к кондуктивным радиопомехам
ГОСТ Р 51318.16.1.4-2008 (СИСПР 16-1-4:2007) Совместимость технических средств электромагнитная. Требования к аппаратуре для измерения параметров индустриальных радиопомех и помехоустойчивости и методы измерений. Часть 1-4. Аппаратура для измерения параметров индустриальных радиопомех и помехоустойчивости. Устройства для измерения излучаемых радиопомех и испытаний на устойчивость к излучаемым радиопомехам
ГОСТ Р 51318.16.2.1-2008 (СИСПР 16-2-1:2005) Совместимость технических средств электромагнитная. Требования к аппаратуре для измерения параметров индустриальных радиопомех и помехоустойчивости и методы измерений. Часть 2-1. Методы измерения индустриальных радиопомех и помехоустойчивости. Измерение кондуктивных радиопомех
ГОСТ Р 51318.16.2.3-2009 (СИСПР 16-2-3:2006) Совместимость технических средств электромагнитная. Требования к аппаратуре для измерения параметров индустриальных радиопомех и помехоустойчивости и методы измерений. Часть 2-3. Методы измерения параметров индустриальных радиопомех и помехоустойчивости. Измерение излучаемых радиопомех
Примечание - При пользовании настоящим стандартом целесообразно проверить действие ссылочных стандартов в информационной системе общего пользования - на официальном сайте Федерального агентства по техническому регулированию и метрологии в сети Интернет или по ежегодно издаваемому информационному указателю "Национальные стандарты", который опубликован по состоянию на 1 января текущего года, и по соответствующим выпускам ежемесячно издаваемого информационного указателя за текущий год. Если ссылочный стандарт заменен (изменен), то при пользовании настоящим стандартом следует руководствоваться заменяющим (измененным) стандартом. Если ссылочный стандарт отменен без замены, то положение, в котором дана ссылка на него, применяется в части, не затрагивающей эту ссылку.
В настоящем стандарте применены термины по
ГОСТ Р 50397, ГОСТ Р 55055, а также следующие термины с соответствующими определениями:
3.1 экранированное помещение, облицованное поглощающим материалом (absorber lined shielded enclosure): Экранированное помещение, внутренняя поверхность стен и потолка которого облицована радиопоглощающим материалом (полностью безэховая камера - БЭК).
3.2 коэффициент калибровки антенны (antenna factor): Коэффициент, который прибавляют к напряжению, измеренному на входе измерительного прибора, чтобы получить напряженность поля, измеряемого с применением антенны.
3.3 блок согласования антенны (antenna matching unit): Устройство для согласования полного сопротивления антенны и входного сопротивления приемника (50 Ом) в полосе частот измерений.
3.4 класс (class): Уровень качества функционирования, согласованный между покупателем и поставщиком, указываемый в плане испытания.
3.5 непрерывные кондуктивные помехи от элементов (component continuous conducted emissions): Напряжения/токи помех непрерывного характера, существующие на проводах источника питания и других проводах элемента/модуля, которые могут создавать помехи работе бортового приемника.
3.6 точка компрессии (compression point): Уровень входного сигнала, при котором коэффициент усиления измерительной системы становится нелинейным, так что выходной сигнал регламентированного уровня отличается от выходного сигнала идеальной линейной приемной системы на определенное положительное приращение, выраженное в децибелах.
3.7 устройство (device): Механизм, приводимый в движение двигателем внутреннего сгорания, основной функцией которого не является перевозка людей или товаров.
Примечание - Устройства включают в себя (но этим не ограничиваются) цепные пилы, ирригационные насосы, снегодувки, воздушные компрессоры и ландшафтное оборудование.
3.8 напряжение на входе приемника [receiver terminal voltage (antenna voltage)]: Напряжение, создаваемое источником радиопомехи и измеряемое в дБ (мкВ) прибором для измерения радиопомех, соответствующим требованиям ГОСТ Р 51318.16.1.1.
3.9 контур зоны по высокой частоте (ВЧ); "ВЧ граница" (RF boundary): Параметр испытательной ЭМС установки, который определяет, какая часть проводки и/или периферии входят в ВЧ окружающую среду, а какая часть в нее не входит. Контур зоны по ВЧ проходит, например, через эквиваленты сети, штыревые разъемы питания фильтра, провод с ВЧ поглотителем и/или ВЧ экранирование.
3.10
эквивалент сети; схема стабилизации полного сопротивления линии [artificial network (AN); line impedance stabilization network (LISN)
<1>]: Устройство, которое включается в цепь питания испытуемого оборудования, создает регламентированное полное сопротивление в заданной полосе частот при измерении напряжения помех и может устранить связь между испытуемым оборудованием и сетью питания в заданной полосе частот.
--------------------------------
<1> Термин, применяемый в США.
3.11 детектор средних значений (average detector): Детектор, выходное напряжение которого представляет среднее значение огибающей подаваемого сигнала.
Примечание - Среднее значение измеряют за определенный период времени.
3.12 ширина полосы частот (bandwidth):
3.12.1 ширина полосы частот (оборудования) [bandwidth (of an equipment)]: Ширина полосы частот, в которой заданный параметр оборудования или канала передачи не отклоняется от номинального значения более чем на определенное значение или коэффициент.
Примечание - Заданным параметром может быть, например, амплитудно-частотная характеристика, фазо-частотная характеристика или зависимость времени задержки от частоты.
3.12.2 ширина полосы (помехи или сигнала) [bandwidth (of an emission or signal)]: Ширина полосы частот, вне которой уровень любой спектральной составляющей не превышает определенного числа процентов опорного уровня.
3.13 широкополосная помеха (broadband emission): Помеха, ширина полосы которой больше, чем полоса конкретного измерительного устройства или приемника.
Примечание - Помеху, у которой частота повторения импульсов меньше ширины полосы конкретного измерительного прибора, также считают широкополосной.
3.14 подавление помех (disturbance suppression): Действие, которое уменьшает или устраняет электромагнитную помеху.
3.15 напряжение помех (disturbance voltage; interference voltage): Напряжение электромагнитной помехи между двумя точками двух отдельных проводников, измеренное в регламентированных условиях.
3.16 электромагнитная обстановка (electromagnetic environment): Совокупность электромагнитных явлений, существующих в данном месте.
3.17 пластина (опорного) заземления [ground (reference) plate]: Плоская проводящая поверхность, потенциал которой используют в качестве общего опорного потенциала.
3.18 узкополосная помеха (narrowband emission): Помеха, ширина полосы которой меньше, чем полоса конкретного измерительного устройства или приемника.
Примечание - Помеху, у которой частота повторения импульсов больше, чем ширина полосы конкретного измерительного прибора, также можно считать узкополосной.
3.19 пиковый детектор (peak detector): Детектор, выходное напряжение которого является пиковым значением подаваемого сигнала.
3.20 квазипиковый детектор (quasi-peak detector): Детектор с регламентированными электрическими постоянными времени, который при воздействии на него регулярно повторяющихся идентичных импульсов формирует выходное напряжение, представляющее собой часть пикового значения импульсов, причем эта часть увеличивается по мере возрастания частоты повторения импульсов, приближаясь к пиковому значению.
3.21 экранированная камера; экранированная комната (shielded enclosure; screened room): Камера, изготовленная из металлической сетки или металлических листов и предназначенная для отделения внутренней электромагнитной среды от внешней.
| | Применение на добровольной основе разд. 4 обеспечивает соблюдение требований технического регламента Таможенного союза "Электромагнитная совместимость технических средств" (ТР ТС 020/2011) (Решение Коллегии Евразийской экономической комиссии от 29.06.2021 N 77). | |
4 Общие требования к измерениям помех от транспортного средства и отдельных элементов/модулей
4.1 Общие требования к испытаниям и план испытаний
4.1.1 Категории источников помех (применительно к плану испытаний)
Источники электромагнитных помех можно разделить на два основных типа:
- узкополосные источники (например, электронные компоненты транспортного средства, такие как часы, генераторы, цифровые логические устройства в микропроцессорах и дисплеях);
- широкополосные источники (например, электрические двигатели и система зажигания).
Примечания
1 Большинство транспортных средств, а также электрических/электронных компонентов являются источником как узкополосных, так и широкополосных помех. Некоторые из них могут быть источником помех только одного типа.
2 Широкополосные источники помех можно разделить на источники с малой продолжительностью работы (насос омывателя стекол, дверное зеркало, открывающиеся с помощью электрических устройств окна) и источники с большой продолжительностью работы (двигатель переднего стеклоочистителя, вентилятор нагревателя, система охлаждения двигателя).
В настоящем стандарте разделение типов помех по категориям используют только для упрощения требований к испытаниям за счет уменьшения числа необходимых детекторов (т.е. исключения детектора средних значений, если известно, что устройство относится к типу широкополосных источников, таких, например, как коллекторные двигатели постоянного тока). В остальном настоящий стандарт требует, чтобы источники соответствовали нормам как в средних, так и в квазипиковых значениях.
4.1.2 План испытаний
Для каждого испытуемого объекта составляют план испытаний, в котором должны быть указаны:
- полоса частот, в которой будут проводить испытания;
- нормы помех;
- типы антенн и их расположение;
- требования к протоколу испытаний;
- напряжение питания и другие параметры.
В плане испытаний для каждого диапазона частот должно быть указано, будет ли соответствие определяться по нормам в средних и пиковых значениях или по нормам в средних и квазипиковых значениях.
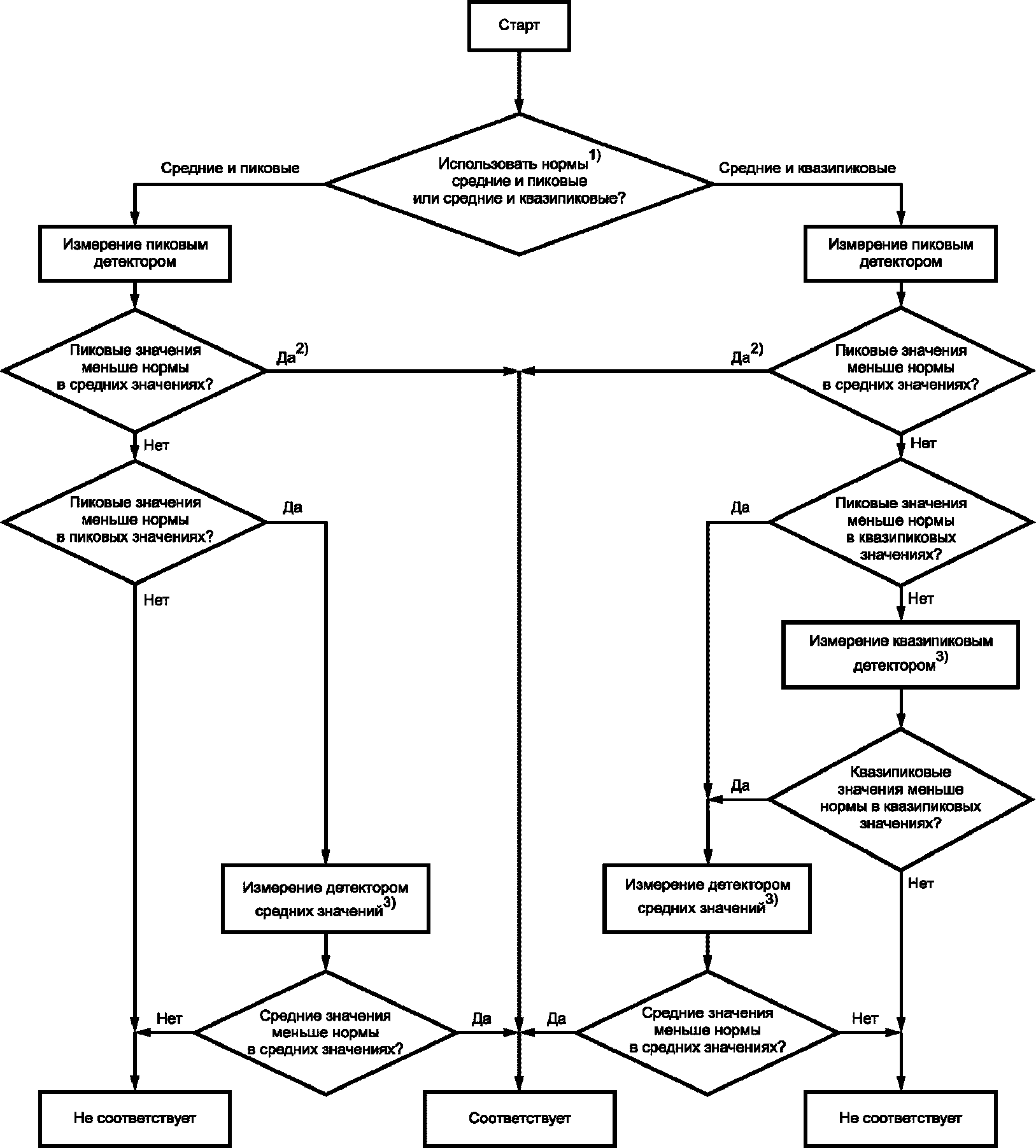
4.1.3 Определение соответствия нормам
Во всех случаях испытуемое оборудование (ИО) должно соответствовать нормам в средних значениях.
ИО также должно соответствовать либо нормам в пиковых значениях, либо нормам в квазипиковых значениях, а именно:
- на частотах, где определены и пиковые, и квазипиковые нормы, ИО должно соответствовать либо нормам в пиковых значениях, либо нормам в квазипиковых значениях (как указано в плане испытаний);
- на частотах, где определены только пиковые нормы, ИО должно соответствовать нормам в пиковых значениях.
Общий метод определения соответствия норме, применимый во всех частотных диапазонах, представлен на
рисунке 1.
--------------------------------
<1> Как правило, соответствие требованиям определяют как для норм в средних значениях, так и для норм в пиковых значениях (или для норм в средних и квазипиковых значениях). Исключение составляют случаи, когда в плане испытаний указано, что соответствие определяют по одной конкретной норме (в зависимости от обстоятельств - в пиковых, средних или квазипиковых значениях).
<2> Поскольку результат измерения пиковым детектором всегда выше или равен результату измерения детектором средних значений, а норма в пиковых значениях всегда выше или равна норме в средних значениях, можно упростить и ускорить процесс определения соответствия, используя измерение только одним детектором.
<3> Данный алгоритм применим для всех частот измерения. Повторное измерение требуется только на частотах, на которых результаты измерений были выше значений нормы при использовании детектора средних или квазипиковых значений.
Рисунок 1 - Метод определения соответствия норме
для всех частот измерения
В нормах, приведенных в настоящем стандарте, учтены неопределенности измерений.
4.1.4 Рабочие условия
На результаты измерения помех могут оказывать влияние различные рабочие условия ИО. При испытаниях элементов/модулей ИО должно функционировать при нагрузочных и других условиях, типичных для применения элементов/модулей в транспортном средстве, так чтобы был обеспечен максимальный уровень помех. Рабочие условия должны быть отражены в плане испытаний.
Для обеспечения правильной работы элементов/модулей при проведении испытаний должен быть использован периферийный блок, имитирующий их установку в транспортном средстве. В зависимости от режимов работы по предназначению все сенсоры и проводники, присоединенные к ИО, подключают к периферийному блоку. Периферийный блок должен иметь возможность контроля ИО в соответствии с планом испытаний.
Периферийный блок допускается размещать как внутри экранированного помещения, так и вне его. При размещении периферийного блока внутри экранированного помещения уровень помех, генерируемых периферийным блоком, должен быть по меньшей мере на 6 дБ ниже норм, установленных в плане испытаний.
4.1.5 Протокол испытаний
Протокол испытаний должен включать в себя сведения, согласованные между заказчиком и поставщиком, например:
- идентификацию образца;
- дату и время испытаний;
- полосу частот;
- шаг изменения частоты;
- применяемую норму помех;
- сведения о посторонних помехах;
- сведения о методе испытаний.
4.2 Экранированная камера
Уровни посторонних помех должны быть по крайней мере на 6 дБ ниже норм, указанных для каждого вида испытаний. Эффективность экранирования камеры должна быть достаточной, чтобы гарантировать выполнение указанного требования к уровню посторонних помех.
Примечание - Существующие в экранированной камере отражения от внутренних поверхностей очень слабо влияют на результаты измерений кондуктивных помех, т.к. в этой процедуре измерительное устройство непосредственно подключено к проводникам ИО. Экранированная камера может быть совсем простой, такой как заземленная соответствующим образом и экранированная в верхней части кабина.
4.3 Экранированная камера, облицованная поглощающим материалом (БЭК)
Необходимо отметить, что при измерении излучаемых помех отраженная энергия может вызывать ошибки до 20 дБ. Поэтому стены и потолок экранированной камеры, используемой для измерения излучаемых помех, необходимо облицовывать радиопоглощающим материалом. При испытаниях укомплектованного транспортного средства или испытаниях элементов поглощающий материал на полу не требуется. БЭК, используемая для измерения излучаемых помех, должна соответствовать представленным ниже требованиям.
4.3.1 Коэффициент отражения
Коэффициент отражения поглощающего материала должен быть не менее 6 дБ (по абсолютной величине) в полосе частот от 70 до 2500 МГц.
Примечание - Метод испытания
поглощающего материала представлен в
[1]. Документ предусматривает оценку свойств радиочастотного поглотителя в полосе частот от 30 МГц до 5 ГГц.
4.3.2 Размеры
При измерении излучаемых помех БЭК должна иметь размеры, достаточные для того, чтобы гарантировать, что транспортное средство, ИО и измерительная антенна будут расположены на расстоянии не менее 1 м от стен или потолка или от ближайшей поверхности используемого поглощающего материала.
4.3.3 Объекты в БЭК
При измерении излучаемых помех БЭК должна быть свободна от всех посторонних предметов, не имеющих отношения к испытаниям, чтобы исключить воздействие посторонних предметов на результаты измерений. К удаляемым объектам относят оборудование, которое не является необходимым (кабельные стойки, стойки для хранения, столы, стулья и т.п.). Персонал, не участвующий непосредственно в проведении испытаний, должен быть удален из БЭК.
Средства измерения должны соответствовать требованиям
ГОСТ Р 51318.16.1.1. Сканирование по частоте может выполняться автоматически или вручную. Отметим, что в
приложении D ГОСТ Р 51318.16.2.3 приведено объяснение разницы между детектором средних значений при учете пиковых значений
CISPR AV и детектором средних значений без учета пиковых значений
AV, отвечающих требованиям
ГОСТ Р 51318.16.1.1. При измерениях на соответствие требованиям настоящего стандарта можно использовать любой детектор, т.к. скорость повторения импульсов помехи от двигателей внутреннего сгорания выше 10 Гц.
Примечания
1 Для измерений параметров помех целесообразно использовать анализаторы спектра и сканирующие приемники. Режим пикового детектирования анализаторов спектра и сканирующих приемников обеспечивает показание на дисплее, которое никогда не будет меньше, чем показание при использовании квазипикового детектора при той же самой ширине полосы. Может оказаться целесообразным проводить измерения с пиковым детектором, т.к. при пиковом детектировании возможно применение более быстрой развертки, чем при квазипиковом.
2 Для выполнения требований в части максимально-допустимого уровня шума измерительной системы (см.
5.1.2.1.1) может потребоваться включение малошумящего предусилителя между антенной и измерительным устройством. В этом случае испытательная лаборатория должна указать метод, обеспечивающий отсутствие перегрузки предусилителя (например, использование ступенчатого аттенюатора).
3 При очень жестких нормах на помехи может возникнуть ситуация, когда при использовании детектора средних значений (и/или ограниченных возможностей измерительного парка) невозможно выполнить требования в части максимально-допустимого уровня шума.
В этом случае (при использовании соответствующего предусилителя) можно применить альтернативные методы: например, уменьшение полосы разрешения/ширины полосы при соответствующих изменениях шага по частоте. Эти меры должны быть указаны в протоколе испытаний.
4.4.1 Параметры анализатора спектра
Скорость сканирования анализатора спектра должна быть отрегулирована для частотного диапазона СИСПР (см. ГОСТ Р 51318.16.1.1) и используемого режима детектирования.
При измерениях на соответствие нормам допускается использовать анализаторы спектра при условии соблюдения мер, указанных в
ГОСТ Р 51318.16.2.1, по использованию анализаторов спектра и с учетом того, что широкополосные помехи от ИО имеют частоту повторения более 20 Гц.
Минимальное время сканирования и рекомендуемая ширина полосы указаны в
таблице 1.
Таблица 1
Параметры анализатора спектра
Служба | Полоса частот, МГц | Пиковое детектирование | Квазипиковое детектирование | Детектирование средних значений |
Полоса разрешения при -3 дБ | Время сканирования | Полоса разрешения при -6 дБ | Время сканирования | Полоса разрешения при -3 дБ | Время сканирования |
АМ вещание и мобильные службы | 0,15 - 30 | 9/10 кГц | 10 с/МГц | 9 кГц | 200 с/МГц | 9/10 кГц | 10 с/МГц |
ЧМ вещание | 76 - 108 | 100/120 кГц | 100 мс/МГц | 120 кГц | 20 с/МГц | 100/120 кГц | 100 мс/МГц |
Мобильные службы | 30 - 1000 |
ТВ-диапазон I | 41 - 88 |
ТВ-диапазон III | 174 - 230 |
ТВ-диапазон IV/V | 470 - 890 |
DAB | 171 - 245 | Не применяют | Не применяют |
DTTV | 470 - 770 |
Мобильные службы | 1000 - 2500 |
GPS L1 гражданская полоса | 1567 - 1583 | Не применяют | Не применяют | 9/10 кГц | 1 с/МГц |
Ширину полосы анализатора спектра выбирают так, чтобы уровень собственных шумов прибора был по крайней мере на 6 дБ ниже значений норм.
При использовании для измерений анализатора спектра ширина полосы видео должна быть по крайней мере в три раза больше полосы разрешения.
4.4.2 Параметры сканирующего приемника
Время задержки сканирующего приемника должно быть установлено для конкретного диапазона частот СИСПР и используемого режима детектирования. Минимальное время задержки, максимальный шаг и рекомендуемая ширина полосы указаны в
таблице 2.
Таблица 2
Параметры сканирующего приемника
Служба | Полоса частот, МГц | Пиковое детектирование | Квазипиковое детектирование | Детектирование средних значений |
Полоса пропускания по уровню -6 дБ | Шаг | Время задержки | Полоса пропускания по уровню -6 дБ | Шаг | Время задержки | Полоса пропускания по уровню -6 дБ | Шаг | Время задержки |
АМ вещание и мобильные службы | 0,15 - 30 | 9 кГц | 5 кГц | 50 мс | 9 кГц | 5 кГц | 1 с | 9 кГц | 5 кГц | 50 мс |
ЧМ вещание | 76 - 108 | 120 кГц | 50 кГц | 5 мс | 120 кГц | 50 кГц | 1 с | 120 кГц | 50 кГц | 5 мс |
Мобильные службы | 30 - 1000 |
ТВ-диапазон I | 41 - 88 |
ТВ-диапазон III | 174 - 230 |
ТВ-диапазон IV/V | 470 - 890 |
DAB | 171 - 245 |
DTTV | 470 - 770 | Не применяют |
Мобильные службы | 1000 - 2500 |
GPS L1 гражданская полоса | 1567 - 1583 | Не применяют |
9 кГц | 5 кГц |
Примечание - Для случая помех, создаваемых коллекторными двигателями без электронного блока управления, максимальный шаг можно увеличить до пятикратной ширины полосы. |
Ширину полосы частот сканирующего приемника выбирают так, чтобы уровень шума измерительной системы был по крайней мере на 6 дБ ниже значений норм.
Источник питания должен быть регулируемым для поддержания напряжения питания Us в установленных пределах.
При испытаниях транспортного средства (зажигание включено, двигатель не работает) напряжение питания Us должно быть:
- от 11 до 14 В - для систем с номинальным напряжением питания 12 В;
- от 22 до 28 В - для систем с номинальным напряжением питания 24 В.
При испытаниях транспортного средства (работающий двигатель) напряжение питания Us должно быть:
- от 13 до 16 В - для систем с номинальным напряжением питания 12 В;
- от 26 до 32 В - для систем с номинальным напряжением питания 24 В.
Примечание - Большинство испытаний транспортных средств проводят при включенном зажигании, но неработающем двигателе. Поэтому должны быть приняты меры к достаточной зарядке батареи.
При испытаниях элементов/модулей рекомендуется напряжение питания Us, указанное ниже (если в плане испытаний не указаны другие значения):
- от 11 до 14 В - для систем с номинальным напряжением питания 12 В;
- от 24 до 28 В - для систем с номинальным напряжением питания 24 В.
Источник питания должен быть также обеспечен эффективным фильтрованием, чтобы радиочастотные шумы, создаваемые источником питания, были по крайней мере на 6 дБ ниже норм, установленных в плане испытаний.
| | Применение на добровольной основе разд. 4 обеспечивает соблюдение требований технического регламента Таможенного союза "Электромагнитная совместимость технических средств" (ТР ТС 020/2011) (Решение Коллегии Евразийской экономической комиссии от 29.06.2021 N 77). | |
5 Измерение помех, принимаемых антенной на самом транспортном средстве
5.1 Измерительная антенная система
5.1.1 Тип антенны
В качестве измерительной антенны должна использоваться антенна того типа, который поставляется с транспортным средством (для измерений в соответствующих диапазонах частот).
Если транспортное средство не укомплектовано антенной (что часто бывает в случае мобильных радиосистем), то для испытания следует использовать антенны, представленные в
таблице 3. Тип антенны и ее расположение должны быть указаны в плане испытания.
Таблица 3
Частота, МГц | Тип антенны |
0,15 - 6,2 | Несимметричный вибратор 1 м |
26 - 54 | Нагруженный четвертьволновый несимметричный вибратор |
68 - 1000 | Четвертьволновый несимметричный вибратор |
1000 - 2500 | В соответствии с рекомендацией производителя транспортного средства |
5.1.2 Требования к измерительной системе
5.1.2.1 Диапазоны вещания
Для каждого диапазона вещания измерения проводят с помощью измерительного устройства, имеющего указанные ниже параметры.
5.1.2.1.1 Диапазоны АМ вещания:
- длинные волны - от 0,15 до 0,3 МГц;
- средние волны - от 0,53 до 1,8 МГц;
- короткие волны - от 5,9 до 6,2 МГц.
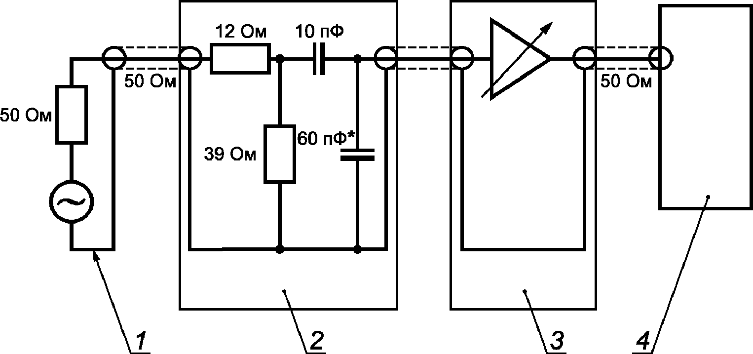
Измерительная система должна соответствовать следующим требованиям:
- полное выходное сопротивление согласующего устройства - 50 Ом;
- коэффициент передачи согласующего блока антенны должен быть известен с точностью +/- 0,5 дБ; неравномерность коэффициента передачи должна быть не хуже +/- 3,0 дБ в пределах каждого указанного в
5.1.2.1.1 диапазона (см.
рисунок 2); измерение коэффициента передачи проводят в соответствии с приложением В;
- точка компрессии: уровень входного напряжения, при котором отклонение коэффициента передачи схемы от линейной зависимости равно заданному значению; для измерительной системы точка компрессии 1 дБ должна быть не менее 60 дБ (мкВ);
- максимально-допустимый уровень шума измерительной системы: максимально-допустимый уровень шума комплекса оборудования, включая измерительное устройство, устройство согласования и предусилитель (если он используется), должен быть по крайней мере на 6 дБ ниже значений норм;
- динамический диапазон: от максимально-допустимого уровня шума до точки компрессии 1 дБ;
- полное входное сопротивление: полное входное сопротивление схемы согласования должно иметь резистивную составляющую не менее 100 кОм параллельно с конденсатором емкостью не более 10 пФ.
Рисунок 2 - Пример кривой коэффициента передачи
5.1.2.1.2 ЧМ вещание (76 - 108 МГц) и ТВ вещание
Измерения проводят с помощью измерительного устройства, имеющего полное входное сопротивление 50 Ом. Если коэффициент стоячей волны (КСВ) больше, чем 2:1, необходимо использовать схему согласования по входу. Для любых значений коэффициента передачи блока согласования необходимо ввести соответствующую коррекцию.
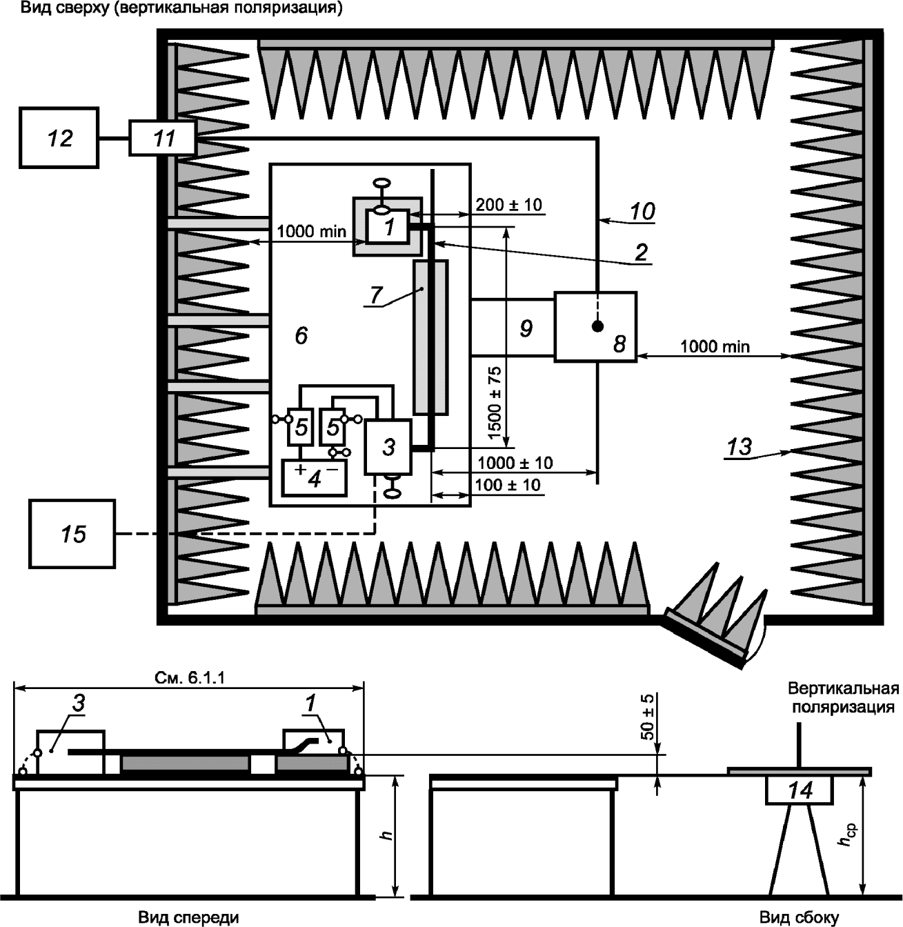
5.1.2.2 Мобильные службы (26 - 2500 МГц)
Процедура испытания предполагает использование измерительного устройства 50 Ом и антенны 50 Ом в полосе частот от 26 до 2500 МГц. Если используют измерительное устройство и антенну с другими значениями полного сопротивления, то необходимо использовать соответствующую схему согласования и коэффициент коррекции.
Напряжение помех измеряют на выходе коаксиального антенного кабеля (на стороне приемника) при использовании заземляющего контакта разъема в качестве опорной точки. Антенный разъем должен иметь соединение с корпусом бортовой радиосистемы. Корпус радиосистемы должен иметь соединение с корпусом транспортного средства через систему проводки. Для подключения измерительного устройства, находящегося вне экранированной камеры, используют проходной коаксиальный разъем (см.
рисунок 3).
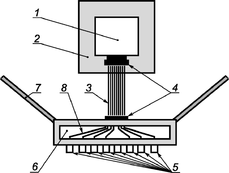
1 - измерительное устройство; 2 - БЭК; 3 - проходной разъем;
4 - антенна (см.
5.1);
5 - транспортное средство;
6 - типовой поглощающий материал; 7 - антенный коаксиальный
кабель; 8 - коаксиальный кабель высокого качества с двойным
экранированием (50 Ом); 9 - корпус бортовой радиосистемы;
10 - схема согласования (если требуется);
11 - модифицированный коаксиальный разъем (T-типа);
12 - схема изоляции от заземления в полосе АМ вещания
(если требуется)
Рисунок 3 - Помехи, излучаемые транспортным средством -
пример схемы испытания (вид с торца при штыревой антенне)
В транспортном средстве может быть установлена активная антенна, питание которой осуществляется через антенный кабель (фантомная схема); в этом случае для подачи на активную антенну напряжения питания от транспортного средства необходимо у антенного разъема установить схему развязки, аналогичную той, которая используется в радиосистеме.
При выполнении измерений в диапазонах вещания АМ (ДВ, СВ, КВ) точки заземления транспортного средства/схемы согласования и БЭК должны быть электрически развязаны друг от друга с помощью таких средств, как развязывающий трансформатор, устройство подавления поверхностных токов, устройство измерения с питанием от батареи, волоконно-оптические элементы и т.п. Для любой схемы развязки необходимо выполнить соответствующую коррекцию вносимых потерь. (Пример устройства подавления поверхностных токов приведен в
приложении C).
Примечание - Для подавления поверхностных токов при подключении к измерительному устройству рекомендуется использовать кабель высокого качества, например, кабель с двойным экранированием, а также надевать на кабель ферритовые кольца.
В некоторых транспортных средствах возможна установка приемника в разных местах (например, под приборной панелью, под сиденьем и т.п.). В этих случаях испытание проводят для каждого случая установки приемника.
Если измерения транспортного средства выполняют при выключенном двигателе, то (при необходимости) используют источник питания с характеристиками по
4.5 для поддержания напряжения системы в необходимых пределах.
5.3 Примеры норм помех, излучаемых транспортным средством
Для приемлемого радиоприема в транспортном средстве с помощью типовых радиоприемников рекомендуется, чтобы напряжение помех на выходе антенного кабеля не превышало значений, указанных в
таблице 4. При использовании других приемников или для случая, когда распространение помех описывается другими моделями, нормы могут изменяться и уточняться в технических условиях производителя транспортного средства.
Таблица 4
Пример норм помех - комплектное транспортное средство
| Частота, МГц | Напряжение помех на антенном зажиме приемника, дБ (мкВ) |
Пиковое значение | Квазипиковое значение | Среднее значение |
Вещание |
| 0,15 - 0,30 | 26 | 13 | 6 |
| 0,53 - 1,8 | 20 | 7 | 0 |
| 5,9 - 6,2 | 20 | 7 | 0 |
| 76 - 108 | 26 | 13 | 6 |
| 41 - 88 | 16 | - | 6 |
| 174 - 230 | 16 | - | 6 |
DAB III | 171 - 245 | 10 | - | 0 |
| 468 - 944 | 16 | - | 6 |
DTTV | 470 - 770 | | - | |
DAB диапазон L | 1447 - 1494 | 10 | - | 0 |
SDFRS | 2320 - 2345 | 16 | - | 6 |
Подвижные службы |
| 26 - 28 | 20 | 7 | 0 |
| 30 - 54 | 20 | 7 | 0 |
| 68 - 87 | 20 | 7 | 0 |
| 142 - 175 | 20 | 7 | 0 |
Аналоговые службы УВЧ <b> | 380 - 512 | 20 | 7 | 0 |
| 300 - 330 | 20 | - | 6 |
| 420 - 450 | 20 | - | 6 |
Аналоговые службы УВЧ <b> | 820 - 960 | 20 | 7 | 0 |
GSM 800 | 860 - 895 | 26 | - | 6 |
EGSM/GSM 900 | 925 - 960 | 26 | - | 6 |
GPS L1 гражданская полоса <e> | 1567 - 1583 | - | - | 0 |
GSM 1800 (ИКМ) | 1803 - 1882 | 26 | - | 6 |
GSM 1900 | 1850 - 1990 | 26 | - | 6 |
3G/IMT 2000 | 1900 - 1992 | 26 | - | 6 |
3G/IMT 2000 | 2010 - 2025 | 26 | - | 6 |
3G/IMT 2000 | 2108 - 2172 | 26 | - | 6 |
Bluetooth/802.11 | 2400 - 2500 | 26 | - | 6 |
<a> ДВ: длинные волны, СВ: средние волны, КВ: короткие волны (амплитудная модуляция). ОВЧ: очень высокая частота, УВЧ: ультравысокая частота (частотная модуляция). DAB: цифровое радиовещание, ТВ: телевидение. DTTV: цифровое наземное телевидение. RKE: дистанционный ввод без ключа. GPS: глобальная система определения местоположения объекта. GSM: глобальная система подвижной связи. 3G: третье поколение. <b> В данной аналоговой службе при помехах небольшой длительности нормы в пиковых и квазипиковых значениях можно ослабить на 6 дБ [например, пиковая (или квазипиковая) норма при кратковременной помехе равна пиковой (или квазипиковой) норме + 6 дБ]. <c> Только для аналогового телевидения. <d> Данная норма является менее жесткой, чем норма для аналоговых сигналов; ее применяют только при отсутствии аналогового ТВ-вещания. <e> Ширина полосы и шаг, которые должны использоваться для системы GPS L1 в гражданской полосе, равны 9 и 5 кГц; это не те значения, которые указаны в таблицах 1 и 2 для служб в диапазоне свыше 30 МГц. <f> Нормы для RKE определены в широком диапазоне частот. Любая модификация нормы в средних значениях вблизи рабочей частоты из-за чувствительности систем RKE должна быть отражена в плане испытаний. Примечания 1 В полосе ЧМ-вещания стереосигналы могут быть более восприимчивы к помехам, чем монофонические сигналы. Это явление учтено в нормах для ЧМ-вещания (полоса от 76 до 108 МГц). 2 Значения норм для широкополосных помех, указанные в таблице, справедливы для значений ширины полосы, приведенных в таблицах 1 и 2. Если измерения приходится проводить при значениях ширины полосы, отличных от указанных в таблицах 1 и 2, из-за требований в части допустимого уровня собственных шумов, то применяемые нормы должны быть указаны в плане испытаний. |
Нормы излучаемых помех от транспортных средств в полосе служб GPS приведены на
рисунке 4.
Рисунок 4 - Нормы в средних значениях излучаемых помех
от транспортных средств в полосе служб GPS
(от 1567,42 до 1583,42 МГц)
Примечание - При использовании активной антенны может возникнуть ситуация, когда не выполняется "правило 6 дБ", т.е. условие, что уровень шума измерительной системы ниже значений норм по крайней мере на 6 дБ (см., например,
4.4.2).
В этом случае реальное значение параметра помехи UРеальное значение, мкВ, можно определить по формуле

(1)
Уровень собственных шумов антенны определяют по методике
приложения D.
При этом нет гарантии соответствия нормам.
| | Применение на добровольной основе разд. 4 обеспечивает соблюдение требований технического регламента Таможенного союза "Электромагнитная совместимость технических средств" (ТР ТС 020/2011) (Решение Коллегии Евразийской экономической комиссии от 29.06.2021 N 77). | |
6 Измерение элементов и модулей
6.1 Испытательное оборудование
6.1.1 Пластина заземления
В качестве пластины заземления используют металлическую поверхность испытательного стенда/стола.
Пластина заземления должна изготавливаться из меди, латуни, бронзы или гальванизированной стали толщиной 0,5 мм.
Размеры пластины заземления при измерении кондуктивных помех должны быть не менее чем 1000 x 400 мм.
Ширина пластины заземления при измерении излучаемых помех должна быть не менее 1000 мм. Длина пластины заземления при измерении излучаемых помех должна быть не менее 2000 мм или равняться длине ИО плюс 200 мм (в зависимости от того, что больше).
Высота пластины заземления над полом помещения (высота стенда) должна быть (900 +/- 100) мм.
Пластину заземления соединяют со стенами или полом экранированной камеры так, чтобы сопротивление соединительных элементов (перемычек) по постоянному току не превышало 2,5 мОм. Расстояние между двумя соседними перемычками должно быть не более 300 мм.
Отношение длины перемычки к ширине должно быть не более чем 7:1.
Примечание - Геометрические размеры перемычек заземления могут влиять на результаты измерения (вследствие резонансных явлений). Для обеспечения низкоомного соединения с экранированной комнатой требуется достаточное число перемычек, имеющих малую индуктивность.
6.1.2 Источник питания и эквивалент сети
При испытаниях по
6.2,
6.3,
6.4,
6.5 и
6.6 каждый провод питания ИО подключают к источнику питания через эквивалент сети (ЭС).
Подключение ИО к разъему питания на стенке TEM-камеры можно упростить за счет использования ЭС с коаксиальным разъемом
(см. 6.5.2.1). ЭС должен иметь номинальную индуктивность 5 мкГн. Требования к модулю полного сопротивления и пример схемы ЭС приведены в
приложении E.
В общем случае предполагается, что у источника питания заземлен отрицательный полюс. Если в ИО заземлен положительный полюс, то необходимо соответственно адаптировать испытательную установку. В зависимости от того, какие требования установлены для подключения ИО в транспортном средстве, существуют два случая использования эквивалентов сети:
1) для ИО с выносным заземлением (обратный провод линии питания длиннее 200 мм) необходимо иметь два эквивалента сети: один - для положительной шины питания и один - для обратного провода;
2) для ИО с местным заземлением (обратный провод линии питания короче 200 мм) необходимо иметь один эквивалент сети для положительного полюса источника питания.
Эквивалент(ы) сети устанавливают непосредственно на пластине заземления. Корпус(ы) эквивалента(ов) сети соединяют с пластиной заземления.
Обратный провод источника питания соединяют с пластиной заземления [между источником питания и эквивалентом(ми) сети].
Измерительный порт ЭС, не подключенный к измерительному устройству, должен быть нагружен на 50 Ом.
6.1.3 Имитатор нагрузки
В имитатор нагрузки входят датчики и исполнительные механизмы; он является нагрузкой для испытуемых проводов, подключаемых к ИО.
Для обеспечения повторяемости результатов измерений необходимо использовать одинаковую нагрузку при всех измерениях либо специальные (стандартизованные) нагрузочные устройства (например, эквиваленты сетей, фильтры), расположенные на границе ВЧ, либо имитаторы нагрузки.
6.1.4 Фильтры сигнальных линий/линий управления
В методе испытания в TEM-камере с использованием коаксиальных разъемов для проводов ИО каждый провод должен проходить через фильтр, параметры полного сопротивления которого подобны параметрам указанного выше эквивалента сети.
Затухание фильтров должно быть указано для всей полосы частот, в которой будут проводиться испытания элемента/модуля (см.
6.2 -
6.6) в соответствии с
рисунком 5. Минимальное затухание, начиная с частоты 30 МГц и до верхней частоты среза
fc, которая зависит от конкретного метода испытания, должно быть не менее 40 дБ. Например, на
рисунке 5 верхняя частота среза
fc для выбранного метода испытания равна 400 МГц.
Примечание - Если для конкретных сигналов на входах или выходах ИО (например, интерфейсах высокоскоростных сетей передачи данных) параметры фильтра не подходят, можно использовать другие конфигурации фильтров нижних частот. Типы фильтров должны быть указаны в плане испытаний.
Рисунок 5 - Пример необходимого минимального затухания
фильтров сигнальных линий/линий управления
6.2 Кондуктивные помехи от элементов/модулей - метод напряжения
6.2.1 Общие положения
При измерениях напряжения можно определить только уровни помех на отдельных проводах. Данный метод не подходит для измерения параметров излучаемых помех, которые создаются различными "антенными" конструкциями (например, электронными элементами на печатной плате), и для измерения эффективности экранирования. Следовательно, при измерениях напряжения невозможно определить все параметры помех, создаваемых комплектным ИО. Метод измерения напряжения полезен, главным образом, в области низких частот (например, в диапазонах АМ вещания).
6.2.2 Установка пластины заземления
6.2.2.1 Испытательная установка
Размещение ИО
ИО размещают на подставке из непроводящего материала с низкой относительной диэлектрической проницаемостью

на высоте (50 +/- 5) мм относительно пластины заземления.
Корпус ИО не должен иметь соединения с пластиной заземления, если это не требуется для имитации реальной конфигурации транспортного средства.
Пластина заземления должна выступать со всех сторон ИО не менее чем на 100 мм. В случае заземленного ИО точка соединения с пластиной заземления также должна находиться на расстоянии не менее 100 мм от края пластины.
Расположение испытуемых проводов
Длина линии(ий) источника питания между разъемом эквивалента(ов) сети и разъемом(ами) ИО
lp должна быть стандартизованной и равняться

.
Провода вытягивают в прямую линию на подставке из непроводящего материала с низкой относительной диэлектрической проницаемостью

на высоте (50 +/- 5) мм над пластиной заземления.
Если для конкретных ИО (многоразъемных, со специальными разъемами и т.п.) невозможно обеспечить стандартизованную длину линии(й) источника питания, то минимальную необходимую длину указывают в плане испытаний.
Максимально допустимая длина проводов питания должна соответствовать условию fc >= 108 МГц. Частоту fc определяют из уравнения

(2)
где fc - частота, МГц;
lp - длина, м.
(Данное уравнение основано на условии

).
Если для конкретного ИО невозможно выполнить условие fc >= 108 МГц, то измерения проводят на частотах не выше значения fc, определенного по уравнению (2) для реальной длины проводов.
Для того чтобы минимизировать связь между проводами питания и сигнальными проводами, расстояние между этими видами проводов необходимо максимизировать (не менее чем 200 мм от линий источника питания, соединяющих эквивалент(ты) сети и ИО, или перпендикулярно к ним).
Полная длина испытуемых проводов (включая шины питания) не должна превышать 2 м. Типы проводов определяются реальными условиями эксплуатации конкретных ИО.
Все провода и кабели должны находиться на расстоянии не менее 100 мм от края пластины заземления.
Размещение имитатора нагрузки
Рекомендуется размещать имитатор нагрузки непосредственно на пластине заземления. Если корпус имитатора нагрузки выполнен из металла, то он должен соединяться с пластиной заземления.
Примечание - Допускается размещать имитатор нагрузки рядом с пластиной заземления. При этом корпус имитатора должен быть соединен с пластиной заземления или должен находиться вне испытательной камеры при условии, что испытуемые провода от ИО проходят через "ВЧ-границу" (через эквиваленты сети, фильтры, провода с ВЧ поглотителем).
Если имитатор нагрузки расположен на пластине заземления, его линии питания по постоянному току подключают непосредственно к источнику питания, а не через эквивалент(ы) сети.
6.2.2.2 Процедура испытания
Общая схема размещения ИО, соединительных проводов и т.п. должна соответствовать стандартизованным условиям испытания. Любые отступления от стандартизованной длины испытуемых проводов и т.п. должны быть согласованы до испытания и указаны в протоколе испытаний.
ИО должно работать при типовой нагрузке и других типовых условиях транспортного средства. Режим работы ИО должен быть выбран так, чтобы обеспечить максимальный уровень помех ИО.
Рабочие условия должны быть четко определены в плане испытания, чтобы гарантировать, что поставщик и покупатель (заказчик) проводят идентичные испытания, а именно:
- для ИО с выносным заземлением (обратный провод линии питания длиннее 200 мм) измерения напряжения проводят на каждом проводе (прямом и обратном) относительно пластины заземления;
- для ИО с местным заземлением (обратный провод линии питания короче 200 мм) измерение напряжения проводят на прямом проводе относительно пластины заземления;
- генераторы/синхронные генераторы нагружают на комбинацию батареи в параллель с резистором и подключают к эквиваленту сети, как показано на
рисунке 8; в плане испытания должны быть указаны ток нагрузки, рабочая скорость, длина проводов и другие условия.
Кондуктивные помехи на линиях питания измеряют последовательно на положительном полюсе источника питания и на обратном проводе путем подключения измерительного устройства к измерительному порту соответствующего эквивалента сети. При этом измерительный порт эквивалента сети в другой линии питания нагружают на 50 Ом.
Примечание - Для ИО с многоштыревыми разъемами от положительного полюса источника питания и/или многоштыревыми разъемами обратного провода измерения можно проводить (на источнике питания и на обратном проводе) при соединении всех разъемов питания на стороне ЭС и всех разъемов обратного провода на стороне второго ЭС.
Конфигурация должна быть указана в плане испытания.
При измерениях напряжения схема размещения ИО и измерительного устройства должна соответствовать
рисункам 6,
7,
8 и
9 в зависимости от назначенного места установки ИО в транспортном средстве.
Примечание - Длина провода заземления корпуса ИО, если он требуется по плану испытаний, должна быть не более 150 мм.
1 - источник питания (может находиться на пластине
заземления); 2 - эквивалент сети; 3 - ИО (корпус заземлен,
если это требуется в плане испытания); 4 - имитатор нагрузки
(металлический корпус заземлен, если это требуется в плане
испытания); 5 - пластина заземления; 6 - шины питания;
7 - подставка из материала с низкой относительной
диэлектрической проницаемостью

;
8 - коаксиальный кабель
высокого качества, например с двойным экранированием, 50 Ом;
9 - измерительное устройство; 10 - экранированное помещение;
11 - нагрузка 50 Ом; 12 - проходной разъем
Рисунок 6 - Кондуктивные помехи - ИО с обратным проводом
и выносным заземлением
Примечание - Длина провода заземления корпуса ИО, если он требуется по плану испытаний, должна быть не более 150 мм.
1 - источник питания (может находиться на пластине
заземления); 2 - эквивалент сети; 3 - ИО (корпус заземлен,
если это требуется в плане испытания); 4 - имитатор нагрузки
(металлический корпус заземлен, если это требуется в плане
испытания); 5 - пластина заземления; 6 - шины питания;
7 - подставка из материала с низкой относительной
диэлектрической проницаемостью

;
8 - коаксиальный кабель
высокого качества, например, с двойным экранированием
(50 Ом); 9 - измерительное устройство; 10 - экранированное
помещение; 12 - проходной разъем
Рисунок 7 - Кондуктивные помехи - ИО с обратным проводом
и местным заземлением
Примечание - Длина провода заземления корпуса ИО, если он требуется в плане испытания, должна быть не более 150 мм.
1 - источник питания (может находиться на пластине
заземления); 2 - эквивалент сети; 3 - ИО; 4 - имитатор
нагрузки (металлический корпус заземлен, если это требуется
в плане испытания); 5 - пластина заземления; 6 - шины
питания; 7 - подставка из материала с низкой относительной
диэлектрической проницаемостью

- обычно
не устанавливается; 8 - коаксиальный кабель высокого
качества, например, с двойным экранированием (50 Ом);
9 - измерительное устройство; 10 - экранированное помещение;
11 - нагрузка 50 Ом; 12 - проходной разъем;
13 - индикаторная лампа/резистор управления (если
используется); 14 - двигатель (воздушный/низкие помехи);
15 - непроводящий ремень/сцепка; 16 - нагрузочный резистор
Рисунок 8 - Кондуктивные помехи - план испытания
для генераторов и синхронных генераторов
Примечание - Длина жгута проводов, содержащего провод заземления корпуса ИО, если он требуется в плане испытания, должна быть не более 150 мм.
1 - источник питания (может находиться на пластине
заземления); 2 - эквивалент сети; 3 - жгут высоковольтных
проводов и высоковольтная катушка; 4 - электронное
управляющее устройство (контроллер) (металлический корпус
заземлен, если это требуется в плане испытаний);
5 - пластина заземления; 7 - подставка из материала с низкой
относительной диэлектрической проницаемостью

;
8 - коаксиальный кабель высокого качества, например,
с двойным экранированием (50 Ом); 9 - измерительное
устройство; 10 - экранированное помещение; 11 - нагрузка
50 Ом; 12 - проходной разъем; 15 - оптико-волоконный
преобразователь; 16 - конденсатор 1000 мкФ; 17 - имитатор
двигателя; 18 - батарея (аккумулятор); 19 - сигнальная линия
Рисунок 9 - Кондуктивные помехи - конфигурация испытания
для элементов системы зажигания
6.2.3 Нормы на кондуктивные помехи от элементов/модулей - метод напряжения
Класс используемого уровня (в зависимости от диапазона частот) должен быть согласован между производителем транспортного средства и поставщиком элементов. При использовании норм, приведенных в настоящем стандарте, коэффициенты коррекции для эквивалента сети не требуются.
Примечание - Для обеспечения приемлемого радиоприема в транспортном средстве рекомендуется, чтобы уровни кондуктивных помех не превышали значений, представленных в
таблицах 5 и
6, пиковых и средних или квазипиковых и средних соответственно. Так как место установки приемника, конструкция корпуса транспортного средства и расположение проводки могут влиять на распространение помех в бортовой радиосистеме, то указывают несколько уровней норм.
Таблица 5
Примеры квазипиковых или пиковых норм
кондуктивных помех - метод напряжения
Служба/полоса | Частота, МГц | Уровни, дБ (мкВ) |
Класс 1 | Класс 2 | Класс 3 | Класс 4 | Класс 5 |
Пик | Квазипик | Пик | Квазипик | Пик | Квазипик | Пик | Квазипик | Пик | Квазипик |
Вещание |
ДВ | 0,15 - 0,30 | 110 | 97 | 100 | 87 | 90 | 77 | 80 | 67 | 70 | 57 |
СВ | 0,53 - 1,8 | 86 | 73 | 78 | 65 | 70 | 57 | 62 | 49 | 54 | 41 |
КВ | 5,9 - 6,2 | 77 | 64 | 71 | 58 | 65 | 52 | 59 | 46 | 53 | 40 |
ЧМ | 76 - 108 | 62 | 49 | 56 | 43 | 50 | 37 | 44 | 31 | 38 | 25 |
ТВ-диапазон I | 41 - 88 | 58 | - | 52 | - | 46 | - | 40 | - | 34 | - |
ТВ-диапазон III | 174 - 230 | Кондуктивные помехи - метод напряжения. Не применяют |
DAB III | 171 - 245 |
ТВ-диапазон IV/V | 468 - 944 |
DTTV | 470 - 770 |
DAB диапазон L | 1447 - 1494 |
SDARS | 2320 - 2345 |
Подвижные службы |
СВ | 26 - 28 | 68 | 55 | 62 | 49 | 56 | 43 | 50 | 37 | 44 | 31 |
ОВЧ | 30 - 54 | 68 | 55 | 62 | 49 | 56 | 43 | 50 | 37 | 44 | 31 |
ОВЧ | 68 - 87 | 62 | 49 | 56 | 43 | 50 | 37 | 44 | 31 | 38 | 25 |
ОВЧ | 142 - 175 | Кондуктивные помехи - метод напряжения. Не применяют |
Аналоговые службы УВЧ | 380 - 512 |
RKE | 300 - 330 |
RKE | 420 - 450 |
Аналоговые службы УВЧ | 820 - 960 |
GSM 800 | 860 - 895 |
EGSM/GSM 900 | 925 - 960 |
GPS L1 гражданская полоса | 1567 - 1583 |
GSM 1800 (ИКМ) | 1803 - 1882 |
GSM 1900 | 1850 - 1990 |
3G/IMT 2000 | 1900 - 1992 |
3G/IMT 2000 | 2010 - 2025 |
3G/IMT 2000 | 2108 - 2172 |
Bluetooth/802.11 | 2400 - 2500 |
Примечания 1 Все значения норм, приведенные в данной таблице, справедливы для значений ширины полосы, указанных в таблицах 1 и 2. Если измерения приходится проводить при значениях ширины полосы, отличных от тех, что указаны в таблицах 1 и 2, из-за требований в части допустимого уровня шума, то применяемые нормы должны быть указаны в плане испытаний. 2 Если в нескольких диапазонах используют одни и те же нормы, пользователь должен выбрать соответствующие диапазоны, в которых будет проводить испытания. Если в плане испытаний есть перекрывающиеся диапазоны, то в них необходимо указать применимую норму. |
Таблица 6
Примеры норм кондуктивных помех в средних значениях -
метод напряжения
Служба/полоса | Частота, МГц | Уровни, дБ (мкВ) |
Класс 1 | Класс 2 | Класс 3 | Класс 4 | Класс 5 |
Вещание |
ДВ | 0,15 - 0,30 | 90 | 80 | 70 | 60 | 50 |
СВ | 0,53 - 1,8 | 66 | 58 | 50 | 42 | 34 |
КВ | 5,9 - 6,2 | 57 | 51 | 45 | 39 | 33 |
ЧМ | 76 - 108 | 42 | 36 | 30 | 24 | 18 |
ТВ-диапазон I | 41 - 88 | 48 | 42 | 36 | 30 | 24 |
ТВ-диапазон III | 174 - 230 | Кондуктивные помехи - метод напряжения. Не применяют |
DAB III | 171 - 245 |
ТВ-диапазон IV/V | 468 - 944 |
DTTV | 470 - 770 |
DAB диапазон L | 1447 - 1494 |
SDARS | 2320 - 2345 |
Подвижные службы |
СВ | 26 - 28 | 48 | 42 | 36 | 30 | 24 |
ОВЧ | 30 - 54 | 48 | 42 | 36 | 30 | 24 |
ОВЧ | 68 - 87 | 42 | 36 | 30 | 24 | 18 |
ОВЧ | 142 - 175 | Кондуктивные помехи - метод напряжения. Не применяют |
Аналоговые службы УВЧ | 380 - 512 |
RKE | 300 - 330 |
RKE | 420 - 450 |
Аналоговые службы УВЧ | 820 - 960 |
GSM 800 | 860 - 895 |
EGSM/GSM 900 | 925 - 960 |
GPS L1 гражданская полоса | 1567 - 1583 |
GSM 1800 (ИКМ) | 1803 - 1882 |
GSM 1900 | 1850 - 1990 |
3G/IMT 2000 | 1900 - 1992 |
3G/IMT 2000 | 2010 - 2025 |
3G/IMT 2000 | 2108 - 2172 |
Bluetooth/802.11 | 2400 - 2500 |
Примечания 1 Все значения норм, приведенные в данной таблице, справедливы для значений ширины полосы, указанных в таблицах 1 и 2. Если измерения приходится проводить при значениях ширины полосы, отличных от тех, что указаны в таблицах 1 и 2, из-за требований в части допустимого уровня шума, то применяемые нормы должны быть указаны в плане испытаний. 2 Если в нескольких диапазонах используют одни и те же нормы, пользователь должен выбрать соответствующие диапазоны, в которых будет проводить испытания. Если в плане испытаний есть перекрывающиеся диапазоны, то в них необходимо указать применимую норму. |
6.3 Кондуктивные помехи от элементов/модулей - метод пробника тока
6.3.1 Испытательная установка
6.3.1.1 Размещение ИО
ИО размещают на подставке из непроводящего материала с низкой относительной диэлектрической проницаемостью

на высоте (50 +/- 5) мм над пластиной заземления.
Корпус ИО не должен иметь соединения с пластиной заземления, если это не требуется для имитации реальной конфигурации транспортного средства.
ИО должно находиться на расстоянии не менее 100 мм от края пластины заземления. В плане испытаний должна моделироваться реальная конфигурация транспортного средства. Должно быть указано: используемый вид заземления (выносное или местное), использование изоляционной прокладки и электрическое соединение корпуса ИО с пластиной заземления.
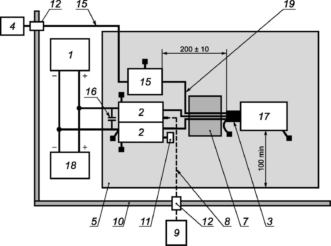
Конфигурация испытаний представлена на
рисунке 10.
1 - источник питания; 2 - эквивалент сети; 3 - ИО (корпус
заземлен, если это требуется в плане испытания);
4 - имитатор нагрузки (размещение и заземление
в соответствии с
[2]);
5 - пластина заземления;
6 - жгут
проводов; 7 - подставка из материала с низкой относительной
диэлектрической проницаемостью

;
8 - коаксиальный кабель
высокого качества, например, с двойным экранированием,
50 Ом; 9 - измерительное устройство; 10 - экранированное
помещение; 12 - проходной разъем; 13 - волоконный световод;
14 - пробник тока (представлен в двух позициях);
15 - система мониторинга и моделирования; d - расстояние
от ИО до ближайшей позиции пробника
Рисунок 10 - Кондуктивные помехи - конфигурация испытания
при измерениях пробником тока
6.3.1.2 Размещение испытуемых проводов
Длина испытуемых проводов должна быть

или такой, которая оговорена в плане испытания. Провода размещают на подставке из непроводящего материала с низкой относительной диэлектрической проницаемостью

на высоте (50 +/- 5) мм над пластиной заземления.
Если в плане испытания нет других указаний, то испытуемые провода должны идти параллельно, рядом друг с другом.
6.3.2 Процедура испытания
Пробник тока устанавливают последовательно на все испытуемые провода на расстоянии 50 и 750 мм от ИО.
В большинстве случаев максимальный уровень помех наблюдается при расположении пробника вблизи разъема ИО. Если ИО имеет разъем с металлическим корпусом, то пробник надевают на кабель непосредственно рядом с корпусом разъема, а не на сам корпус разъема. ИО и все части испытательной установки должны располагаться на расстоянии по крайней мере 100 мм от края пластины заземления.
Примечание - В плане испытаний могут быть предусмотрены дополнительные измерения: при расположении пробника тока только на проводе от положительного полюса источника питания и/или только на проводе от отрицательного полюса источника питания. Нормы для таких конфигураций испытаний должны быть указаны в плане испытаний.
6.3.3 Нормы на кондуктивные помехи от элементов/модулей - метод пробника тока
Класс используемого уровня (в зависимости от диапазона частот) должен быть согласован между производителем транспортного средства и поставщиком элементов.
Примечание - Для обеспечения приемлемого радиоприема в транспортном средстве рекомендуется, чтобы уровни кондуктивных помех не превышали значений, представленных в
таблицах 7 и
8, пиковых и средних или квазипиковых и средних соответственно. Так как место установки приемника, конструкция корпуса транспортного средства и расположение проводки могут влиять на распространение помех в бортовой радиосистеме, то указывают несколько уровней норм.
Таблица 7
Примеры квазипиковых и пиковых норм кондуктивных
помех - сигнальные линии/линии управления -
метод пробника тока
Служба/полоса | Частота, МГц | Уровни, дБ (мкА) |
Класс 1 | Класс 2 | Класс 3 | Класс 4 | Класс 5 |
Пик | Квазипик | Пик | Квазипик | Пик | Квазипик | Пик | Квазипик | Пик | Квазипик |
Вещание |
ДВ | 0,15 - 0,30 | 90 | 77 | 80 | 67 | 70 | 57 | 60 | 47 | 50 | 37 |
СВ | 0,53 - 1,8 | 58 | 45 | 50 | 37 | 42 | 29 | 34 | 21 | 26 | 13 |
КВ | 5,9 - 6,2 | 77 | 30 | 37 | 24 | 31 | 18 | 25 | 12 | 19 | 6 |
ЧМ | 76 - 108 | 62 | 15 | 22 | 9 | 16 | 3 | 10 | -3 | 4 | -9 |
ТВ-диапазон I | 41 - 88 | 58 | - | 18 | - | 12 | - | 6 | - | 0 | - |
ТВ-диапазон III | 174 - 230 | Кондуктивные помехи - метод напряжения. Не применяют |
DAB III | 171 - 245 |
ТВ-диапазон IV/V | 468 - 944 |
DTTV | 470 - 770 |
DAB диапазон L | 1447 - 1494 |
SDARS | 2320 - 2345 |
Подвижные службы |
СВ | 26 - 28 | 34 | 21 | 28 | 15 | 22 | 9 | 16 | 3 | 10 | -3 |
ОВЧ | 30 - 54 | 34 | 21 | 28 | 15 | 22 | 9 | 16 | 3 | 10 | -3 |
ОВЧ | 68 - 87 | 62 | 15 | 22 | 9 | 16 | 3 | 10 | -3 | 4 | -9 |
ОВЧ | 142 - 175 | Кондуктивные помехи - метод напряжения. Не применяют |
Аналоговые службы УВЧ | 380 - 512 |
RKE | 300 - 330 |
RKE | 420 - 450 |
Аналоговые службы УВЧ | 820 - 960 |
GSM 800 | 860 - 895 |
EGSM/GSM 900 | 925 - 960 |
GPS L1 гражданская полоса | 1567 - 1583 |
GSM 1800 (ИКМ) | 1803 - 1882 |
GSM 1900 | 1850 - 1990 |
3G/IMT 2000 | 1900 - 1992 |
3G/IMT 2000 | 2010 - 2025 |
3G/IMT 2000 | 2108 - 2172 |
Bluetooth/802.11 | 2400 - 2500 |
Примечания 1 Все значения норм, приведенные в данной таблице, справедливы для значений ширины полосы, указанных в таблицах 1 и 2. Если измерения приходится проводить при значениях ширины полосы, отличных от тех, что указаны в таблицах 1 и 2, из-за требований в части допустимого уровня шума, то применяемые нормы должны быть указаны в плане испытаний. 2 Если в нескольких диапазонах используют одни и те же нормы, пользователь должен выбрать соответствующие диапазоны, в которых будет проводить испытания. Если в плане испытаний есть перекрывающиеся диапазоны, то в них необходимо указать применимую норму. |
Таблица 8
Примеры норм на кондуктивные помехи в средних
значениях - сигнальные линии/линии управления -
метод пробника тока
Служба/полоса | Частота, МГц | Уровни, дБ (мкА) |
Класс 1 | Класс 2 | Класс 3 | Класс 4 | Класс 5 |
Вещание |
ДВ | 0,15 - 0,30 | 70 | 60 | 50 | 40 | 30 |
СВ | 0,53 - 1,8 | 38 | 30 | 22 | 14 | 6 |
КВ | 5,9 - 6,2 | 23 | 17 | 11 | 5 | -1 |
ЧМ | 76 - 108 | 8 | 2 | -4 | -10 | -16 |
ТВ-диапазон I | 41 - 88 | 14 | 8 | 2 | -4 | -10 |
ТВ-диапазон III | 174 - 230 | Кондуктивные помехи - метод напряжения. Не применяют |
DAB III | 171 - 245 |
ТВ-диапазон IV/V | 468 - 944 |
DTTV | 470 - 770 |
DAB диапазон L | 1447 - 1494 |
SDARS | 2320 - 2345 |
Подвижные службы |
СВ | 26 - 28 | 14 | 8 | 2 | -4 | -10 |
ОВЧ | 30 - 54 | 14 | 8 | 2 | -4 | -10 |
ОВЧ | 68 - 87 | 8 | 2 | -4 | -10 | -16 |
ОВЧ | 142 - 175 | Кондуктивные помехи - метод напряжения. Не применяют |
Аналоговые службы УВЧ | 380 - 512 |
RKE | 300 - 330 |
RKE | 420 - 450 |
Аналоговые службы УВЧ | 820 - 960 |
GSM 800 | 860 - 895 |
EGSM/GSM 900 | 925 - 960 |
GPS L1 гражданская служба | 1567 - 1583 |
GSM 1800 (ИКМ) | 1803 - 1882 |
GSM 1900 | 1850 - 1990 |
3G/IMT 2000 | 1900 - 1992 |
3G/IMT 2000 | 2010 - 2025 |
3G/IMT 2000 | 2108 - 2172 |
Bluetooth/802.11 | 2400 - 2500 |
Примечания 1 Все значения норм, приведенные в данной таблице, справедливы для значений ширины полосы, указанных в таблицах 1 и 2. Если измерения приходится проводить при значениях ширины полосы, отличных от тех, что указаны в таблицах 1 и 2, из-за требований в части допустимого уровня шума, то применяемые нормы должны быть указаны в плане испытаний. 2 Если в нескольких диапазонах используют одни и те же нормы, пользователь должен выбрать соответствующие диапазоны, в которых будет проводить испытания. Если в плане испытаний есть перекрывающиеся диапазоны, то в них необходимо указать применимую норму. |
6.4 Излучаемые помехи от элементов/модулей - метод БЭК
6.4.1 Общие положения
Измерения напряженности поля излучаемых помех проводят в экранированной камере, облицованной поглощающим материалом (БЭК) для подавления посторонних помех, имеющих высокие уровни (от электрического оборудования и вещательных станций).
Примечания
1 Кондуктивные помехи могут вносить дополнительную погрешность при измерении напряженности поля помех, т.к. сами провода являются излучателями. Поэтому до проведения испытаний на излучаемые помехи целесообразно обеспечить соответствие требованиям на кондуктивные помехи.
2 Помехи при работе приемника на борту транспортного средства могут быть вызваны непосредственным излучением от одного или нескольких проводов в монтажной системе транспортного средства. Этот фактор влияет как на выбор видов испытаний, так и на средства подавления помех на источнике.
3 Элементы транспортного средства, не имеющие качественного заземления (соединения с корпусом транспортного средства посредством коротких проводников), или элементы, имеющие несколько системных проводов, по которым протекают токи помех, создают излучаемые помехи, уровни которых не коррелированы определенным образом с уровнями кондуктивных помех. Это обстоятельство указано для того, чтобы обеспечить более хорошую корреляцию с испытанием комплектного транспортного средства для элементов, установленных таким образом.
Примеры элементов, для которых указанные испытания применимы, включают в себя (но не ограничиваются):
- электронные системы управления, содержащие микропроцессоры;
- двухскоростные двигатели стеклоочистителей с питанием от отрицательного полюса источника питания;
- системы управления подвеской с двигателями актюатора на распорках;
- двигатели компрессора охлаждения и прогрева двигателя в пластиковых или других изолирующих корпусах.
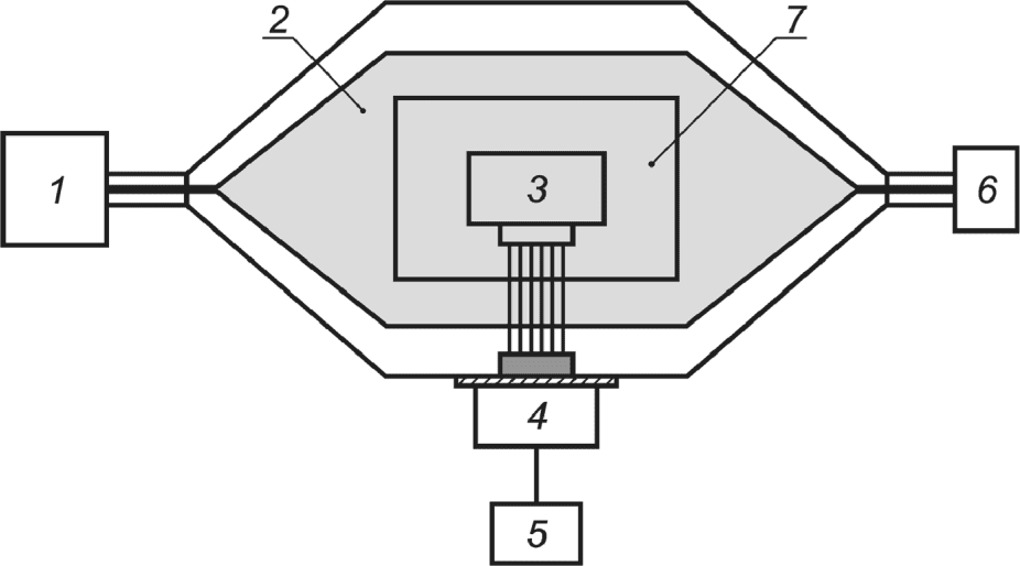
6.4.2 Испытательная установка
При измерении излучаемых помех расположение ИО, испытуемых проводов, имитатора нагрузки и измерительного устройства должно соответствовать
рисункам 12 -
15.
6.4.2.1 Антенные системы
Измерения проводят с использованием линейно-поляризованных электрических антенн, имеющих номинальное полное выходное сопротивление 50 Ом.
Примечание - Для улучшения согласованности результатов, получаемых в разных лабораториях, рекомендуется использовать:
- для полосы частот от 0,15 до 30 МГц - вертикальный несимметричный вибратор 1 м (при необходимости использовать согласующий блок);
- для полосы частот от 30 до 300 МГц - биконическую антенну;
- для полосы частот от 200 до 1000 МГц - логопериодическую антенну;
- для полосы частот от 1000 до 2500 МГц - рупорную или логопериодическую антенну.
Примечания
1 Для определения коэффициентов калибровки биконических, логопериодических и рупорных антенн используют метод антенны 1 м, представленный в
[3].
2 Биконические антенны в полосе частот от 30 до 80 МГц обычно имеют высокий коэффициент стоячей волны (КСВ) (вплоть до 10:1). Поэтому, если модуль полного входного сопротивления приемника отличается от 50 Ом, может появиться дополнительная погрешность измерения. Эту дополнительную погрешность можно уменьшить, если на входе приемника или дополнительного предусилителя (если возможно) установить аттенюатор (не менее 3 дБ).
6.4.2.2 Блок согласования для несимметричного вибратора
На всех частотах измерения должно быть обеспечено корректное согласование полного сопротивления между антенной и измерительным устройством с полным сопротивлением 50 Ом. КСВ на выходном порте блока согласования должен быть не более 2:1. Для любого значения коэффициента передачи согласующего блока должна быть проведена соответствующая коррекция.
Примечание - Должны быть приняты меры, чтобы входные напряжения не превышали максимального паспортного значения импульса на входе данного устройства, иначе может произойти перегрузка. Это наиболее существенно при использовании активных согласующих устройств.
6.4.2.3 Размещение ИО
ИО размещают на подставке из непроводящего материала с низкой относительной диэлектрической проницаемостью

на высоте (50 +/- 5) мм над пластиной заземления.
Корпус ИО не должен иметь соединения с пластиной заземления, если это не требуется для имитации реальной конфигурации транспортного средства.
Сторона ИО, ближайшая к переднему краю пластины заземления, должна находиться на расстоянии (200 +/- 10) мм от переднего края пластины заземления.
6.4.2.4 Испытуемые провода и их размещение
Общая длина испытуемых проводов между ИО и имитатором нагрузки (или "ВЧ-границей") не должна превышать 2000 мм (или соответствовать длине, указанной в плане испытаний). Тип проводов определяется реально применяемой системой и требованиями к ней.
Испытуемые провода размещают на подставке из непроводящего материала с низкой относительной диэлектрической проницаемостью

на высоте (50 +/- 5) мм над пластиной заземления.
Длина испытуемых проводов, параллельных переднему краю пластины заземления, должна быть (1500 +/- 75) мм.
Длинный участок испытуемых проводов должен проходить параллельно краю пластины заземления, обращенному к антенне, на расстоянии (100 +/- 10) мм от этого края. Расположение ИО и имитатора нагрузки требует, чтобы угол сгиба проводов составлял

, как показано на
рисунке 11.
1 - ИО; 2 - испытуемые провода; 3 - имитатор нагрузки;
4 - угол

Рисунок 11 - Требования к сгибу испытуемых проводов
6.4.2.5 Размещение имитатора нагрузки
Рекомендуется размещать имитатор нагрузки непосредственно на пластине заземления. Если корпус имитатора нагрузки выполнен из металла, то он должен иметь соединение с пластиной заземления.
Допускается размещать имитатор нагрузки рядом с пластиной заземления (корпус имитатора нагрузки соединен с пластиной заземления) или вне испытательной камеры при условии, что испытуемые провода от ИО проходят через "ВЧ-границу", соединенную с пластиной заземления.
Когда имитатор нагрузки расположен на пластине заземления, линии питания имитатора нагрузки по постоянному току подключают через эквивалент(ы) сети.
6.4.2.6 Размещение измерительной антенны
Высота фазового центра измерительной антенны должна быть (100 +/- 10) мм относительно пластины заземления для биконических, логопериодических и рупорных антенн.
Противовес штыревой антенны устанавливают на той же высоте, что и пластину заземления с допустимым отклонением +10/-20 мм. Противовес штыревой антенны должен иметь соединение с пластиной заземления.
При испытаниях на излучаемые помехи экранированное помещение должно иметь достаточный размер, чтобы гарантировать, что как ИО, так и испытательная антенна находятся на расстоянии не менее 1 м от стен или потолка или от ближайшей поверхности используемого поглощающего материала. Все "рабочие" элементы антенны должны находиться на высоте не менее 250 мм от пола.
Расстояние между продольным участком проводов и опорной точкой антенны должно быть (1000 +/- 10) мм.
Опорная точка антенны определяется как:
- вертикальный однополюсный элемент для штыревых антенн;
- фазовый центр (средняя точка) для биконических антенн;
- верхняя точка для антенн с логопериодическими элементами (включая биконически-логарифмические антенны);
- передний раскрыв (апертура) для рупорных антенн.
Каждая антенна (за исключением штыревой) должна калиброваться для данной опорной точки при измерительном расстоянии 1000 мм.
Примечания
2 Пользователи настоящего стандарта должны быть уверены, что производители могут предоставить:
- отдельные коэффициенты калибровки антенн для вертикальной и горизонтальной поляризаций; в этом случае для каждой поляризации используют соответствующий коэффициент калибровки;
- один коэффициент калибровки антенны; в этом случае коэффициент калибровки антенны используют при измерении с обеими поляризациями.
Фазовый центр антенны должен соответствовать центру продольной части испытуемых проводов для частот до 1000 МГц включительно.
Для частот выше 1000 МГц фазовый центр антенны должен находиться на той же высоте, что и центр ИО.
6.4.3 Процедура испытания
Общая схема размещения источника помех, соединительных проводов и т.п. должна соответствовать стандартным условиям испытания. Любые отступления от стандартной длины испытуемых проводов и т.п. должны быть согласованы до испытания и указаны в протоколе испытаний.
ИО должно работать при типовой нагрузке и других условиях, соответствующих конкретному транспортному средству. Должен быть выбран рабочий режим ИО, при котором наблюдается максимальный уровень помех. Рабочие условия должны быть четко указаны в плане испытания, чтобы гарантировать, что поставщик и покупатель могут проводить идентичные испытания. Ориентация(и) ИО при измерениях излучаемых помех должна(ы) быть указана(ы) в плане испытания.
На частотах от 150 кГц до 30 МГц измерения проводят только при вертикальной поляризации.
На частотах от 30 до 2500 МГц измерения проводят как при вертикальной, так и при горизонтальной поляризациях.
При измерениях излучаемых помех размещение ИО и измерительного оборудования функционально должно соответствовать примерам, представленным на
рисунках 12 -
15.
1 - ИО (имеет местное заземление, если это требуется в плане
испытаний); 2 - испытуемые провода; 3 - имитатор нагрузки
(размещение и подключение к заземлению в соответствии
с требованиями
6.4.2.5);
4 - источник питания (размещение
по выбору); 5 - эквивалент сети (ЭС); 6 - пластина
заземления (соединена с экранированным помещением);
7 - подставка из материала с низкой относительной
диэлектрической проницаемостью

;
8 - штыревая антенна
с противовесом (типовые размеры противовеса: 600 x 600 мм);
9 - заземляющее подключение (крепление по всей длине
между противовесом и пластиной заземления);
10 - коаксиальный кабель высокого качества, например
с двойным экранированием (50 Ом); 11 - проходной разъем;
12 - измерительное устройство; 13 - ВЧ поглощающий материал;
14 - блок согласования антенны (рекомендуемое размещение
ниже противовеса; если выше противовеса, тогда база штыря
антенны должна быть на высоте пластины заземления);
15 - система мониторинга и моделирования;
h = (900 + 100) мм; hср = h + (+10/-20) мм
Рисунок 12 - Пример испытательной установки для измерений
с использованием штыревой антенны
1 - ИО (имеет местное заземление, если это требуется в плане
испытаний); 2 - испытуемые провода; 3 - имитатор нагрузки
(размещение и подключение к заземлению в соответствии
с требованиями
6.4.2.5);
4 - источник питания (размещение
по выбору); 5 - эквивалент сети (ЭС); 6 - пластина
заземления (соединена с экранированным помещением);
7 - подставка из материала с низкой относительной
диэлектрической проницаемостью

;
8 - биконическая антенна;
10 - коаксиальный кабель высокого качества, например
с двойным экранированием (50 Ом); 11 - проходной разъем;
12 - измерительное устройство; 13 - ВЧ поглощающий материал;
14 - система мониторинга и моделирования
Рисунок 13 - Пример испытательной установки для измерений
с использованием биконической антенны
1 - ИО (имеет местное заземление, если это требуется в плане
испытаний); 2 - испытуемые провода; 3 - имитатор нагрузки
(размещение и подключение к земле согласно
6.4.2.5);
4 - источник питания (размещение по выбору); 5 - эквивалент
сети (ЭС); 6 - пластина заземления (соединена
с экранированным помещением); 7 - подставка из материала
с низкой относительной диэлектрической проницаемостью

;
8 - биконическая антенна; 10 - коаксиальный кабель высокого
качества, например с двойным экранированием (50 Ом);
11 - проходной разъем; 12 - измерительное устройство;
13 - ВЧ поглощающий материал; 14 - система
мониторинга и моделирования
Рисунок 14 - Пример испытательной установки для измерений
с использованием логопериодической антенны
1 - ИО (имеет местное заземление, если это требуется в плане
испытаний); 2 - испытуемые провода; 3 - имитатор нагрузки
(размещение и подключение к заземлению в соответствии
с требованиями
6.4.2.5);
4 - источник питания (размещение
по выбору); 5 - эквивалент сети (ЭС); 6 - пластина
заземления (соединена с экранированным помещением);
7 - подставка из материала с низкой относительной
диэлектрической проницаемостью

;
8 - рупорная антенна;
10 - коаксиальный кабель высокого качества, например
с двойным экранированием (50 Ом); 11 - проходной разъем;
12 - измерительное устройство; 13 - ВЧ поглощающий материал;
14 - система мониторинга и моделирования
Рисунок 15 - Пример испытательной установки для измерений
на частотах свыше 1 ГГц
6.4.4 Нормы на помехи, излучаемые элементами/модулями (метод БЭК)
Класс используемого уровня (в зависимости от диапазона частот) должен быть согласован между производителем транспортного средства и поставщиком элементов.
Примечание - Для обеспечения приемлемого радиоприема в транспортном средстве рекомендуется, чтобы излучаемые помехи не превышали значений, представленных в
таблицах 9 и
10, пиковых и средних или квазипиковых и средних норм соответственно. Так как место монтажа, конструкция корпуса транспортного средства и проводки могут влиять на распространение радиопомех в бортовой радиосистеме, то указывают несколько уровней норм. Для диапазона GPS рекомендуется особый случай норм, представленный на
рисунке 16.
Таблица 9
Примеры квазипиковых или пиковых норм
и излучаемых помех - метод БЭК
Служба/полоса | Частота, МГц | Уровни, дБ (мкВ/м) |
Класс 1 | Класс 2 | Класс 3 | Класс 4 | Класс 5 |
Пик | Квазипик | Пик | Квазипик | Пик | Квазипик | Пик | Квазипик | Пик | Квазипик |
Вещание |
ДВ | 0,15 - 0,30 | 86 | 73 | 76 | 63 | 66 | 53 | 56 | 43 | 46 | 33 |
СВ | 0,53 - 1,8 | 72 | 59 | 64 | 51 | 56 | 43 | 48 | 35 | 40 | 27 |
КВ | 5,9 - 6,2 | 64 | 51 | 58 | 45 | 52 | 39 | 46 | 33 | 40 | 27 |
ЧМ | 76 - 108 | 62 | 49 | 56 | 43 | 50 | 37 | 44 | 31 | 38 | 25 |
ТВ-диапазон I | 41 - 88 | 52 | - | 46 | - | 40 | - | 34 | - | 28 | - |
ТВ-диапазон III | 174 - 230 | 56 | - | 50 | - | 44 | - | 38 | - | 32 | - |
DAB III | 171 - 245 | 50 | - | 44 | - | 38 | - | 32 | - | 26 | - |
ТВ-диапазон IV/V | 468 - 944 | 65 | - | 59 | - | 53 | - | 47 | - | 41 | - |
DTTV | 470 - 770 | 69 | - | 63 | - | 57 | - | 51 | - | 45 | - |
DAB диапазон L | 1447 - 1494 | 52 | - | 46 | - | 40 | - | 34 | - | 28 | - |
SDARS | 2320 - 2345 | 58 | - | 52 | - | 46 | - | 40 | - | 34 | - |
Подвижные службы |
СВ | 26 - 28 | 64 | 51 | 58 | 45 | 52 | 39 | 46 | 33 | 40 | 27 |
ОВЧ | 30 - 54 | 64 | 51 | 58 | 45 | 52 | 39 | 46 | 33 | 40 | 27 |
ОВЧ | 68 - 87 | 59 | 46 | 53 | 40 | 47 | 34 | 41 | 28 | 35 | 22 |
ОВЧ | 142 - 175 | 59 | 46 | 53 | 40 | 47 | 34 | 41 | 28 | 35 | 22 |
Аналоговые службы УВЧ | 380 - 512 | 62 | 49 | 56 | 43 | 50 | 37 | 44 | 31 | 38 | 25 |
RKE | 300 - 330 | 56 | - | 50 | - | 44 | - | 38 | - | 32 | - |
RKE | 420 - 450 | 56 | - | 50 | - | 44 | - | 38 | - | 32 | - |
Аналоговые службы УВЧ | 820 - 960 | 68 | 55 | 62 | 49 | 56 | 43 | 50 | 37 | 44 | 31 |
GSM 800 | 860 - 895 | 68 | - | 62 | - | 56 | - | 50 | - | 44 | - |
EGSM/GSM 900 | 925 - 960 | 68 | - | 62 | - | 56 | - | 50 | - | 44 | - |
GPS L1 гражданская полоса | 1567 - 1583 | - | - | - | - | - | - | - | - | - | - |
GSM 1800 (ИКМ) | 1803 - 1882 | 68 | | 62 | | 56 | | 50 | | 44 | |
GSM 1900 | 1850 - 1990 | 68 | - | 62 | - | 56 | - | 50 | - | 44 | - |
3G/IMT 2000 | 1900 - 1992 | 68 | - | 62 | - | 56 | - | 50 | - | 44 | - |
3G/IMT 2000 | 2010 - 2025 | 68 | - | 62 | - | 56 | - | 50 | - | 44 | - |
3G/IMT 2000 | 2108 - 2172 | 68 | - | 62 | - | 56 | - | 50 | - | 44 | - |
Bluetooth/802.11 | 2400 - 2500 | 68 | - | 62 | - | 56 | - | 50 | - | 44 | - |
Примечания 1 Все значения норм, приведенные в данной таблице, справедливы для значений ширины полосы, указанных в таблицах 1 и 2. Если измерения приходится проводить при значениях ширины полосы, отличных от тех, что указаны в таблицах 1 и 2, из-за требований в части допустимого уровня шума, то применяемые нормы должны быть указаны в плане испытаний. 2 Если в нескольких диапазонах используют одни и те же нормы, пользователь должен выбрать соответствующие диапазоны, в которых будет проводить испытания. Если в плане испытаний есть перекрывающиеся диапазоны, то в них необходимо указать применимую норму. |
Таблица 10
Примеры норм излучаемых помех
в средних значениях - метод БЭК
Служба/полоса | Частота, МГц | Уровни, дБ (мкВ/м) |
Класс 1 | Класс 2 | Класс 3 | Класс 4 | Класс 5 |
Вещание |
ДВ | 0,15 - 0,30 | 66 | 56 | 46 | 36 | 26 |
СВ | 0,53 - 1,8 | 52 | 44 | 36 | 28 | 20 |
КВ | 5,9 - 6,2 | 44 | 38 | 32 | 26 | 20 |
ЧМ | 76 - 108 | 42 | 36 | 30 | 24 | 18 |
ТВ-диапазон I | 41 - 88 | 42 | 36 | 30 | 24 | 18 |
ТВ-диапазон III | 174 - 230 | 46 | 40 | 34 | 28 | 22 |
DAB III | 171 - 245 | 40 | 34 | 28 | 22 | 16 |
ТВ-диапазон IV/V | 468 - 944 | 55 | 49 | 43 | 37 | 31 |
DTTV | 470 - 770 | 59 | 53 | 47 | 41 | 35 |
DAB диапазон L | 1447 - 1494 | 42 | 36 | 30 | 24 | 18 |
SDARS | 2320 - 2345 | 48 | 42 | 36 | 30 | 24 |
Подвижные службы |
СВ | 26 - 28 | 44 | 38 | 32 | 26 | 20 |
ОВЧ | 30 - 54 | 44 | 38 | 32 | 26 | 20 |
ОВЧ | 68 - 87 | 39 | 33 | 27 | 21 | 15 |
ОВЧ | 142 - 175 | 39 | 33 | 27 | 21 | 15 |
Аналоговые службы УВЧ | 380 - 512 | 42 | 36 | 30 | 24 | 18 |
RKE | 300 - 330 | 42 | 36 | 30 | 24 | 18 |
RKE | 420 - 450 | 42 | 36 | 30 | 24 | 18 |
Аналоговые службы УВЧ | 820 - 960 | 48 | 42 | 36 | 30 | 24 |
GSM 800 | 860 - 895 | 48 | 42 | 36 | 30 | 24 |
EGSM/GSM 900 | 925 - 960 | 48 | 42 | 36 | 30 | 24 |
GPS L1 гражданская полоса | 1567 - 1583 | 34 | 28 | 22 | 16 | 10 |
GSM 1800 (ИКМ) | 1803 - 1882 | 48 | 42 | 36 | 30 | 24 |
GSM 1900 | 1850 - 1990 | 48 | 42 | 36 | 30 | 24 |
3G/IMT 2000 | 1900 - 1992 | 48 | 42 | 36 | 30 | 24 |
3G/IMT 2000 | 2010 - 2025 | 48 | 42 | 36 | 30 | 24 |
3G/IMT 2000 | 2108 - 2172 | 48 | 42 | 36 | 30 | 24 |
Bluetooth/802.11 | 2400 - 2500 | 48 | 42 | 36 | 30 | 24 |
Примечания 1 Все значения норм, приведенные в данной таблице, справедливы для значений ширины полосы, указанных в таблицах 1 и 2. Если измерения приходится проводить при значениях ширины полосы, отличных от тех, что указаны в таблицах 1 и 2, из-за требований в части допустимого уровня шума, то применяемые нормы должны быть указаны в плане испытаний. 2 Если в нескольких диапазонах используют одни и те же нормы, пользователь должен выбрать соответствующие диапазоны, в которых будет проводить испытания. Если в плане испытаний есть перекрывающиеся диапазоны, то в них необходимо указать применимую норму. |

Рисунок 16 - Норма в средних значениях на излучаемые помехи
от элементов в полосе служб GPS (от 1567,42 до 1583,42 МГц;
класс 5)
6.5 Излучаемые помехи от элементов/модулей - метод TEM-камеры
6.5.1 Общие положения
Для устранения влияния посторонних помех от электрического оборудования, вещательных станций и других радиопередатчиков измерения напряженности поля излучаемых помех проводят в экранированном объеме. TEM-камера функционирует как экранированный объем. Пример TEM-камеры представлен на
рисунке 17. Размеры и детали конструкции TEM-камеры для измерения элементов приведены в
приложении F.
Примечание - Если "ВЧ-граница" выходит за пределы TEM-камеры, то разъемы на панели разъемов должны быть коаксиальными.
1 - внешний экран; 2 - перегородка (внутренний проводник);
3 - дверца для доступа; 4 - панель разъемов (по выбору);
5 - коаксиальные разъемы; 6 - ИО; 7 - подставка из материала
с низкой относительной диэлектрической проницаемостью

;
8 - эквивалент проводки
Рисунок 17 - Пример TEM-камеры
Верхняя рабочая частота при данном методе испытаний определяется размерами TEM-камеры, размерами элементов/модулей (включая схему размещения) и параметрами ВЧ-фильтра. Не допускается проведение измерений на частотах, близких к резонансным частотам TEM-камеры.
Рекомендуется использовать TEM-камеру для испытания автомобильных электронных систем в полосе частот от 150 кГц до 200 МГц. TEM-камеры, обведенные в
таблице F.1 приложения F в рамку, являются типовыми камерами, применяемыми при работе с автомобильным оборудованием.
Для того, чтобы обеспечить повторяемость результатов испытаний, ИО и испытуемые провода размещают в TEM-камере в стандартизованных условиях.
В данном испытании перегородка TEM-камеры функционирует аналогично приемной антенне.
6.5.2 Испытательная установка
6.5.2.1 Испытательная установка с сильной связью по полю с проводами ИО
TEM-камера должна иметь панель разъемов, расположенную как можно ближе к разъемам оборудования (см.
рисунки 18 и
19).
Примечание - Все провода, идущие к ИО, должны проходить через "ВЧ-границу". В данном случае "ВЧ-граница" находится либо на стенке TEM-камеры, либо выходит за пределы камеры через ВЧ коаксиальный кабель 8 и коаксиальные разъемы 5. "ВЧ-граница" заканчивается в ВЧ-фильтрах, которые можно подключить в панель разъемов 6 или снаружи к коаксиальным разъемам 5. Если ВЧ-фильтры подключают к коаксиальным разъемам 5, кабели в панели разъемов также должны быть коаксиальными.
1 - ИО; 2 - подставка из материала с низкой относительной
диэлектрической проницаемостью

;
3 - печатная плата
или проводка; 4 - разъем; 5 - коаксиальные разъемы;
6 - панель разъемов; 7 - стенка TEM-камеры;
8 - коаксиальные кабели
Рисунок 18 - Пример организации проводов и панели разъемов
для измерений в TEM-камере
Примечание - Если "ВЧ-граница" выходит за пределы TEM-камеры, то разъемы на панели разъемов должны быть коаксиальными.
1 - ИО; 2 - подставка из материала с низкой относительной
диэлектрической проницаемостью

;
3 - печатная плата
(без пластины заземления) или проводка без экранирования;
4 - разъем; 5 - коаксиальные разъемы; 6 - панель разъемов
(по выбору); 7 - стенка TEM-камеры; 8 - кабели;
Рисунок 19 - Пример организации разъемов, выводной рамки
и подставки из изоляционного материала
Все сигнальные провода и провода питания, идущие от ИО, подключают непосредственно к эквиваленту проводки (например, к выводной рамке). Штыревые части на разъемной панели, которые не требуются для испытаний, должны быть запаяны, чтобы обеспечить их экранировку.
Соединение положительного провода питания должно осуществляться через ЭС (см.
6.1.2) непосредственно на панели разъемов.
Не допускается заземлять ИО непосредственно на пол TEM-камеры. Заземление должно выполняться на панели разъемов.
6.5.2.2 Установка с сильной связью по полю с ИО
Испытательная установка должна быть аналогичной той, которую используют в методе, указанном выше, за исключением того, что провода, идущие к ИО, должны быть расположены так, чтобы минимизировать идущее от них электромагнитное излучение, и экранированы с той же целью. Это осуществляется за счет расположения проводов в плоскости днища камеры и расположения их перпендикулярно к ИО. Использование электрически-герметичной батареи и экранированной проводки в TEM-камере должно приводить к дальнейшему уменьшению электромагнитного излучения от сигнальных проводов и проводов питания. С тем чтобы и далее минимизировать излучение от проводки, поверх проводов можно положить экранирующую ленточную фольгу.
6.5.3 Процедура измерения
Пример схемы испытаний методом TEM-камеры представлен на
рисунке 20. Общая схема размещения источника помех, проводов, системы фильтров у стенки TEM-камеры и т.п. отвечает стандартным условиям испытания. Любые отступления от стандартной конфигурации испытания должны быть согласованы до испытания и указаны в протоколе испытаний.
1 - измерительное устройство; 2 - TEM-камера; 3 - ИО;
4 - эквивалент сети (см.
6.1.2);
5 - источник питания;
6 - нагрузочный резистор 50 Ом; 7 - подставка из материала
с низкой относительной диэлектрической проницаемостью

Рисунок 20 - Пример схемы испытания методом TEM-камеры
ИО размещают на подставке из непроводящего материала с низкой относительной диэлектрической проницаемостью

в пределах рабочего объема TEM-камеры на высоте
b/6 над полом TEM-камеры (см. рисунок 19). Длина эквивалента проводов и кабелей (например, выводной рамки) должна быть равна (450 +/- 45) мм, а размещение - соответствовать
рисункам 18 и
19.
В зависимости от размещения проводов эквивалента проводки, конструкции и высоты расположения разъема ИО могут возникать электрические контуры связи и излучающие "диполи", что влияет на результаты измерений. Все соединения между многопозиционным разъемом ИО и эквивалентом проводки должны быть как можно короче. Повторные измерения проводят при том же размещении эквивалента проводки, той же высоте разъема ИО и том же самом размещении контактов в обоих разъемах. Если размеры ИО и размеры рабочего объема TEM-камеры приблизительно равны, следует принять для устранения возникающей при этом дополнительной неопределенности измерений. Эти меры должны быть детально указаны в плане испытаний.
ИО должно работать при типовой нагрузке и других условиях, соответствующих конкретному транспортному средству. Должен быть выбран рабочий режим ИО, при котором наблюдается максимальный уровень помех. Рабочие условия должны быть четко указаны в плане испытаний, с тем чтобы гарантировать, что поставщик и покупатель могут проводить идентичные испытания.
Примечание - При различных ортогональных ориентациях ИО могут наблюдаться различные уровни помех.
Провод от положительного полюса источника питания должен проходить в TEM-камеру через ВЧ-фильтр. В качестве такого фильтра следует использовать эквивалент сети, соответствующий требованиям
6.1.2. ЭС должен иметь экранировку и подключаться непосредственно к TEM-камере.
Провод от отрицательного полюса источника питания соединяют с заземлением на панели разъемов. ВЧ-порт эквивалента сети, на котором проводятся измерения помех, должен быть нагружен на 50 Ом.
Все провода сенсоров и актюаторов ИО должны подсоединяться к периферийному интерфейсу, который имитирует работу в транспортном средстве.
Для минимизации влияний проводов вне TEM-камеры необходимо использовать фильтры нижних частот, которые подключают непосредственно к панели байонетных разъемов. Параметры фильтров зависят от частоты полезных сигналов ИО. Если в плане испытания не указана какая-либо другая конфигурация, то фильтры должны действовать как эквивалент сети с полным сопротивлением 50 Ом (см.
приложение E).
Соединения внутри панели разъемов должны быть как можно короче и выполняться коаксиальными кабелями 50 Ом при использовании панели байонетных разъемов. Экраны кабелей должны быть соединены с заземлением на обоих концах.
Повторные измерения проводят с использованием того же ВЧ-порта TEM-камеры при нагрузке противоположного порта на 50 Ом.
6.5.4 Нормы на излучаемые помехи от элементов/модулей - метод TEM-камеры
Класс используемого уровня (в функции от диапазона частот) должен быть согласован между производителем транспортного средства и поставщиком элементов.
Примечание - Рекомендуемые нормы на излучаемые помехи от элементов [как для установки с сильной по полю с проводами (см.
6.5.2.1), так и для установки с сильной связью с ИО
(6.5.2.2)] приведены в
таблицах 11 и
12. Так как место установки, конструкция корпуса транспортного средства и расположение проводов в общем случае влияют на распространение помех в бортовой радиосистеме, то указывают несколько уровней норм.
Таблица 11
Примеры квазипиковых или пиковых норм
излучаемых помех - метод TEM-камеры
Служба/полоса | Частота, МГц | Уровни, дБ (мкВ) |
Класс 1 | Класс 2 | Класс 3 | Класс 4 | Класс 5 |
Пик | Квазипик | Пик | Квазипик | Пик | Квазипик | Пик | Квазипик | Пик | Квазипик |
Вещание | | | | | | | | | | |
ДВ | 0,15 - 0,30 | 66 | 53 | 56 | 43 | 46 | 33 | 36 | 23 | 26 | 13 |
СВ | 0,53 - 1,8 | 52 | 39 | 44 | 31 | 36 | 23 | 28 | 15 | 20 | 7 |
КВ | 5,9 - 6,2 | 44 | 31 | 38 | 25 | 32 | 19 | 26 | 13 | 20 | 7 |
ЧМ | 76 - 108 | 50 | 37 | 44 | 31 | 38 | 25 | 32 | 19 | 26 | 13 |
ТВ-диапазон I | 41 - 88 | 40 | - | 34 | - | 28 | - | 22 | - | 16 | - |
ТВ-диапазон III | 174 - 230 | 40 | - | 34 | - | 28 | - | 22 | - | 16 | - |
DAB III | 171 - 245 | 34 | - | 28 | - | 22 | - | 16 | - | 10 | - |
ТВ-диапазон IV/V | 468 - 944 | Излучаемые помехи - метод TEM-камеры. Не применяют |
DTTV | 470 - 770 |
DAB диапазон L | 1447 - 1494 |
SDARS | 2320 - 2345 |
Подвижные службы | | | | | | | | | | |
СВ | 26 - 28 | 44 | 31 | 38 | 25 | 32 | 19 | 26 | 13 | 20 | 7 |
ОВЧ | 30 - 54 | 44 | 31 | 38 | 25 | 32 | 19 | 26 | 13 | 20 | 7 |
ОВЧ | 68 - 87 | 44 | 31 | 38 | 25 | 32 | 19 | 26 | 13 | 20 | 7 |
ОВЧ | 142 - 175 | 44 | 31 | 38 | 25 | 32 | 19 | 26 | 13 | 20 | 7 |
Аналоговые службы УВЧ | 380 - 512 | Излучаемые помехи - метод TEM-камеры. Не применяют |
RKE | 300 - 330 |
RKE | 420 - 450 |
Аналоговые службы УВЧ | 820 - 960 |
GSM 800 | 860 - 895 |
EGSM/GSM 900 | 925 - 960 |
GPS L1 гражданская полоса | 1567 - 1583 |
GSM 1800 (ИКМ) | 1803 - 1882 |
GSM 1900 | 1850 - 1990 |
3G/IMT 2000 | 1900 - 1992 |
3G/IMT 2000 | 2010 - 2025 |
3G/IMT 2000 | 2108 - 2172 |
Bluetooth/802.11 | 2400 - 2500 |
Примечания 1 Все значения норм, приведенные в данной таблице, справедливы для значений ширины полосы, указанных в таблицах 1 и 2. Если измерения приходится проводить при значениях ширины полосы, отличных от тех, что указаны в таблицах 1 и 2, из-за требований в части допустимого уровня шума, то применяемые нормы должны быть указаны в плане испытаний. 2 Если в нескольких диапазонах используют одни и те же нормы, пользователь должен выбрать соответствующие диапазоны, в которых будет проводить испытания. Если в плане испытаний есть перекрывающиеся диапазоны, то в них необходимо указать применимую норму. |
Таблица 12
Примеры норм излучаемых помех
в средних значениях - метод TEM-камеры
Служба/полоса | Частота, МГц | Уровни, дБ (мкВ) |
Класс 1 | Класс 2 | Класс 3 | Класс 4 | Класс 5 |
Вещание | | | | | |
ДВ | 0,15 - 0,30 | 46 | 6 | 26 | 16 | 6 |
СВ | 0,53 - 1,8 | 32 | 24 | 16 | 8 | 0 |
КВ | 5,9 - 6,2 | 24 | 18 | 12 | 6 | 0 |
ЧМ | 76 - 108 | 30 | 24 | 18 | 12 | 6 |
ТВ-диапазон I | 41 - 88 | 30 | 24 | 18 | 12 | 6 |
ТВ-диапазон III | 174 - 230 | 30 | 24 | 18 | 12 | 6 |
DAB III | 171 - 245 | 24 | 18 | 12 | 6 | 0 |
ТВ-диапазон IV/V | 468 - 944 | Излучаемые помехи - метод TEM-камеры. Не применяют |
DTTV | 470 - 770 |
DAB диапазон L | 1447 - 1494 |
SDARS | 2320 - 2345 |
Подвижные службы | | | | | |
СВ | 26 - 28 | 24 | 18 | 12 | 6 | 0 |
ОВЧ | 30 - 54 | 24 | 18 | 12 | 6 | 0 |
ОВЧ | 68 - 87 | 24 | 18 | 12 | 6 | 0 |
ОВЧ | 142 - 175 | 24 | 18 | 12 | 6 | 0 |
Аналоговые службы УВЧ | 380 - 512 | Излучаемые помехи - метод TEM-камеры. Не применяют |
RKE | 300 - 330 |
RKE | 420 - 450 |
Аналоговые службы УВЧ | 820 - 960 |
GSM 800 | 860 - 895 |
EGSM/GSM 900 | 925 - 960 |
GPS L1 гражданская полоса | 1567 - 1583 |
GSM 1800 (ИКМ) | 1803 - 1882 |
GSM 1900 | 1850 - 1990 |
3G/IMT 2000 | 1900 - 1992 |
3G/IMT 2000 | 2010 - 2025 |
3G/IMT 2000 | 2108 - 2172 |
Bluetooth/802.11 | 2400 - 2500 |
Примечания 1 Все значения норм, приведенные в данной таблице, справедливы для значений ширины полосы, указанных в таблицах 1 и 2. Если измерения приходится проводить при значениях ширины полосы, отличных от тех, что указаны в таблицах 1 и 2, из-за требований в части допустимого уровня шума, то применяемые нормы должны быть указаны в плане испытаний. 2 Если в нескольких диапазонах используют одни и те же нормы, пользователь должен выбрать соответствующие диапазоны, в которых будет проводить испытания. Если в плане испытаний есть перекрывающиеся диапазоны, то в них необходимо указать применимую норму. |
6.6 Излучаемые помехи от элементов/модулей - метод полосковой линии
(справочное)
АЛГОРИТМ ПРОВЕРКИ ПРИМЕНИМОСТИ НАСТОЯЩЕГО СТАНДАРТА
--------------------------------
<1> Для троллейбуса с комбинированным питанием (например, работающего от сети постоянного/переменного тока либо от двигателя внутреннего сгорания) сетевая часть приводной системы транспортного средства не относится к области применения настоящего стандарта.
<2> Подключение к электрической сети относится к области деятельности другого подкомитета СИСПР.
Рисунок A.1 - Алгоритм проверки применимости
настоящего стандарта
Данный алгоритм является руководством по отнесению конкретного изделия к области применения настоящего стандарта. В случае разночтений между данным алгоритмом и
разделом 1 преимущество имеют положения
раздела 1 настоящего стандарта.
(обязательное)
БЛОК СОГЛАСОВАНИЯ АНТЕННЫ - ИСПЫТАНИЕ ТРАНСПОРТНОГО СРЕДСТВА
B.1 Параметры согласующего блока антенны (150 кГц - 6,2 МГц)
Измерительное оборудование должно соответствовать требованиям
5.1.2.1.
B.2 Калибровка согласующего блока антенны
Для калибровки (определения коэффициента передачи) используют эквивалент антенны (см. схему на
рисунке B.1) с конденсаторами 10 и 60 пФ, что соответствует емкости штыревой антенны длиной 1 м и емкости коаксиального кабеля длиной 2 м (кабель между антенной транспортного средства и входом радиосистемы транспортного средства).
Примечание - Реальные значения этих емкостей при использовании on-glass антенн (устанавливаемых на окне) и систем развертки могут быть иными.
--------------------------------
<*> Включает в себя емкость разъема и емкость кабеля, если он используется.
1 - генератор сигналов; 2 - эквивалент антенны;
3 - согласующий блок; 4 - измерительное устройство
Рисунок B.1 - Установка для калибровки согласующего блока
B.2.1 Измерение коэффициента передачи
Чтобы определить соответствие коэффициента передачи согласующего блока требованиям
5.1.2.2, проводят измерения в соответствии со схемой
рисунка B.1.
B.2.2 Процедура испытания
1) Устанавливают выходной уровень генератора сигналов 40 дБ (мкВ).
2) Вычерчивают кривую коэффициента передачи для каждого частотного сегмента.
Примечание - Для более точной калибровки следует измерить реальные параметры элементов, используемых в схеме эквивалента антенны, и входные параметры согласующего блока. Можно вычислить реальное затухание конкретного измерительного оборудования и использовать его для получения более точного значения коэффициента передачи.
B.3 Измерение полного сопротивления
Измерение полного выходного сопротивления согласующего блока с установленной антенной выполняют с помощью векторного измерителя полного сопротивления или аналогичного оборудования. Значения полного выходного сопротивления должны находиться в пределах окружности на диаграмме Смита с пересечением (100 + j0) Ом; при этом ее центр находится на значении (50 + j0) Ом (например, КСВ менее 2:1).
(справочное)
УСТРОЙСТВО ПОДАВЛЕНИЯ ПОВЕРХНОСТНОГО ТОКА
C.1 Общие положения
В настоящем приложении приведены сведения о параметрах устройства подавления поверхностного тока, которое рекомендуется использовать при измерении напряжения помех на антенном разъеме транспортного средства в диапазонах АМ вещания (ДВ, СВ, КВ). Данное устройство обеспечивает электрическую развязку БЭК с заземлением транспортного средства.
C.2 Конструкция устройства подавления
Кривая затухания, вносимого устройством подавления поверхностного тока, для конструкции в виде 20 витков коаксиального кабеля, намотанного вокруг ферритового тороидального сердечника, представлена на
рисунке C.1.
Рисунок C.1 - Затухание устройства подавления
поверхностного тока
Материал N30; A1 = 5400 нГн.
Размер: тороидальный сердечник (58 x 40 x 17) мм.
Производитель: Сименс, N заказа B64290-A40-X830.
Количество витков: 20 (коаксиальный кабель).
Примечание - Для увеличения затухания можно последовательно установить два устройства подавления поверхностного тока или увеличить количество витков на одном сердечнике.
(справочное)
РУКОВОДСТВО ПО ОПРЕДЕЛЕНИЮ УРОВНЯ ШУМА АКТИВНЫХ АНТЕНН
ТРАНСПОРТНЫХ СРЕДСТВ В ПОЛОСАХ АМ И ЧМ
Определение уровня собственных шумов активной антенны, установленной в транспортном средстве, проводят в три этапа.
1) Измеряют уровень шумов испытательного оборудования (измерительного приемника с подключенным блоком согласования) с ВЧ нагрузкой входа блока согласования на коаксиальный кабель в диапазонах радиовещания АМ и ЧМ
Uшумы оборудования. Испытательная установка представлена на
рисунке D.1.
2) Измеряют суммарный уровень шумов активной антенны транспортного средства и испытательного оборудования
Uшумы оборудования плюс шумы антенны. Испытательная установка представлена на
рисунке D.2.
3) Рассчитывают уровень собственных шумов активной антенны Uшумы антенны, мкВ, по формуле

(D.1)
1 - измерительное устройство; 2 - БЭК; 3 - проходной разъем;
4 - резистор в соответствии с волновым сопротивлением
коаксиального кабеля; 5 - усилитель антенны транспортного
средства; 7 - коаксиальный кабель антенны; 8 - коаксиальный
кабель высокого качества с двойным экранированием 50 Ом;
10 - блок согласования; 11 - короткое соединение с корпусом
бортовой радиосистемы; 12 - корпус бортовой радиосистемы
Рисунок D.1 - Испытательная установка транспортного
средства. Измерение уровня шумов испытательного оборудования
в диапазонах радиовещания АМ/ЧМ
1 - измерительное устройство; 2 - БЭК; 3 - проходной разъем;
5 - усилитель антенны транспортного средства; 6 - силовой
штекер усилителя питания; 7 - коаксиальный кабель антенны;
8 - коаксиальный кабель высокого качества с двойным
экранированием 50 Ом; 9 - внешний аккумулятор 12 В;
10 - блок согласования; 11 - модифицированный коаксиальный
"T" разъем или короткое соединение с корпусом бортовой
радиосистемы; 12 - корпус бортовой радиосистемы
Рисунок D.2 - Испытательная установка транспортного
средства. Измерение суммарного уровня шумов испытательного
оборудования и антенны в диапазонах радиовещания АМ/ЧМ
(обязательное)
Модуль полного сопротивления эквивалента сети
ZPB представлен на
рисунке E.1. Допустимое отклонение модуля полного сопротивления от номинального значения составляет +/- 20% в полосе частот от 0,1 до 100 МГц. Модуль полного сопротивления измеряют между зажимами
P и
B (см.
рисунок E.2) при нагрузке 50 Ом на порте измерения и при закороченных зажимах
A и
B.
Рисунок E.1 - Модуль полного сопротивления
эквивалента сети (ЭС)
Рисунок E.2 - Пример схемы эквивалента сети
с индуктивностью 5 мкГн
(справочное)
Размеры TEM-камеры представлены на
рисунке F.1 и в
таблице F.1 (размеры в миллиметрах, чертеж выполнен не в масштабе).
a) Горизонтальный разрез по перегородке
b) Вертикальный разрез по перегородке
1 - допустимая рабочая область: 0,33W, 0,60L; 2 - дверца
для доступа; 3 - диэлектрические подставки
Размеры для построения TEM-камер в зависимости от верхней частоты измерений представлены в
таблице F.1.
Таблица F.1
Верхняя частота, МГц | Коэффициент формы камеры W/b | Коэффициент формы камеры L/W | Высота TEM-камеры b, мм | Ширина перегородки S, мм |
| 100 | 1,00 | 1,00 | 1200 | 1000 | |
| 200 | 1,69 | 0,66 | 560 | 700 | |
| 200 | 1,00 | 1,00 | 600 | 500 | |
| 300 | 1,67 | 1,00 | 300 | 360 | |
| 500 | 1,50 | 1,00 | 200 | 230 | |
Примечание - Размеры TEM-камер, указанные в рамке, типичны для испытания элементов автомобиля. При испытании интегральных схем вплоть до частоты 1 ГГц и выше допускается применять TEM-камеры с меньшими размерами. |
(справочное)
ИЗЛУЧАЕМЫЕ ПОМЕХИ ОТ ЭЛЕМЕНТОВ/МОДУЛЕЙ -
МЕТОД ПОЛОСКОВОЙ ЛИНИИ
G.1 Общие положения
Полосковая линия - это открытый волновод, состоящий из пластины заземления и активного проводника (перегородки). Обычно используют полосковые линии с волновым сопротивлением 50 или 90 Ом. Конструктивное исполнение указанных полосковых линий приведено на
рисунках G.2 и
G.3.
Данный метод испытаний представлен для изучения и экспериментирования с ним, чтобы собрать дополнительную информацию и приобрести дополнительные знания с целью достижения консенсуса относительно включения данного метода в основной текст настоящего стандарта в будущем.
Полосковую линию можно использовать в полосе частот от 150 кГц до 400 МГц, где основным элементом излучения/связи являются провода.
Нормы этой полосы частот можно распространить вплоть до 1000 МГц при выполнении следующих условий:
- можно продемонстрировать преобладание моды TEM
<1>;
- ИО находится под перегородкой;
- высота ИО составляет не более 1/3 высоты перегородки.
--------------------------------
<1> При конструкции, представленной на
рисунке G.2, считается, что мода TEM доминирует вплоть до 400 МГц. При конструкции, представленной на
рисунке G.3, считается, что мода TEM доминирует вплоть до 1000 МГц.
Для устранения влияния посторонних помех измерения проводят в экранированном помещении (см.
рисунок G.1).
Примечание - Влияние экранированного помещения на измеряемое волновое сопротивление полосковой линии (т.е. коэффициент отражения, измеренный анализатором цепей) должно быть менее 6 дБ по сравнению с открытой испытательной площадкой. Для этого может потребоваться частично оснастить экранированное помещение поглотителями. Пример базовой испытательной установки на полосковой линии в экранированном помещении представлен на
рисунке G.1.
1 - ИО; 2 - испытуемые провода; 3 - имитатор нагрузки;
4 - нагрузка 50 Ом (размещение по выбору); 5 - подставка
из материала с низкой относительной диэлектрической
проницаемостью

;
6 - эквивалент сети (ЭС);
7 - перегородка;
8 - пластина заземления; 9 - согласующее устройство
(если необходимо); 10 - стенка экранированной комнаты;
11 - проходной разъем; 12 - измерительное устройство;
13 - поглотители (если необходимы); 14 - источник питания
Рисунок G.1 - Пример базовой испытательной установки
на полосковой линии в экранированном помещении
7 - перегородка; 8 - пластина заземления
Рисунок G.2 - Пример полосковой линии
с волновым сопротивлением 50 Ом
4 - нагрузка 50 Ом; 7 - перегородка; 8 - пластина
заземления; 9 - согласующее устройство;
12 - измерительное устройство
Рисунок G.3 - Пример полосковой линии
с волновым сопротивлением 90 Ом
G.2 Испытательная площадка
При измерении излучаемых помех расположение ИО, испытуемых проводов, имитатора нагрузки и измерительного устройства должно соответствовать схеме, приведенной на
рисунке G.1.
Отклонения в расположении и длине испытуемых проводов (например, исходной проводки транспортного средства) и расположении ИО должны быть согласованы между потребителем и поставщиком.
Для обеспечения повторяемости результатов испытаний ИО и объекты схемы испытаний должны находиться при повторных измерениях в одинаковых позициях.
G.2.1 Согласование волнового сопротивления полосковой линии
На всех частотах необходимо поддерживать корректное согласование волнового сопротивления полосковой линии и входного сопротивления измерительного устройства 50 Ом. Это можно обеспечить при использовании трансформаторов в виде линии передачи без потерь (нелинейная форма сужений перегородки или дополнительный внешний волновод) или пассивных схем на сосредоточенных параметрах.
Если согласующим устройством является пассивная схема на сосредоточенных элементах, то вносимые потери должны быть учтены при корректировке результатов измерений.
G.2.2 Расположение ИО
ИО устанавливают на высоте (50 +/- 5) мм относительно пластины заземления на подставке из непроводящего материала с низкой относительной диэлектрической проницаемостью

и на той же стороне полосковой линии, что и нагрузка 50 Ом, как показано на
рисунке G.1. Корпус ИО не соединяют с пластиной заземления, если это не требуется для моделирования реальной конфигурации транспортного средства. Если ИО не находится под перегородкой, оно должно размещаться на расстоянии

от края перегородки.
G.2.3 Размещение и длина испытуемых проводов
Длина испытуемых проводов, параллельных перегородке, должна составлять (1000 +/- 50) мм.
Полная длина испытуемых проводов между ИО и имитатором нагрузки (или "ВЧ-границей") обычно равна 1700 мм и не должна превышать 2000 мм. Испытуемые провода должны быть такими же, что и в методе
БЭК (см.
6.4).
Длинный участок испытуемых проводов должен находиться в пределах одной трети ширины перегородки. В идеальном случае он находится под центральной линией перегородки.
Тип проводки определяется применяемой системой и требованиями к ней. Испытуемые провода располагают на подставке из непроводящего материала с низкой относительной диэлектрической проницаемостью

на высоте (50 +/- 5) мм относительно пластины заземления. Местоположение ИО и имитатора нагрузки требует, чтобы угол сгиба проводов составлял 90° +/- 15°.
G.2.4 Размещение имитатора нагрузки
Имитатор нагрузки должен находиться на расстоянии

от края перегородки. Если невозможно выполнить это требование, то в протоколе испытаний должно быть указано реальное расположение имитатора нагрузки.
Имитатор нагрузки должен находиться непосредственно на пластине заземления. Если имитатор нагрузки имеет металлический корпус, то он должен быть соединен с пластиной заземления. В качестве альтернативного решения имитатор нагрузки можно разместить рядом с пластиной заземления (при этом его корпус соединен с пластиной) или вне испытательной камеры при условии, что испытуемые провода, идущие от ИО, проходят через "ВЧ-границу", имеющую соединение с пластиной заземления. Когда имитатор нагрузки находится на пластине заземления, линии питания по постоянному току имитатора нагрузки подключают через эквивалент(ы) сети (см.
6.1.2).
G.3 Процедура испытания
Общая схема размещения ИО, проводов и периферийных устройств отражает стандартизованные условия испытаний. Любые отклонения от стандартной испытательной конфигурации должны быть согласованы между покупателем и поставщиком до начала испытаний и внесены в протокол испытаний.
ИО должно работать при типовой нагрузке и других условиях, соответствующих конкретному транспортному средству. Должен быть выбран рабочий режим ИО, при котором наблюдается максимальный уровень помех. Рабочие условия должны быть четко указаны в плане испытаний, чтобы гарантировать, что поставщик и покупатель могут проводить идентичные испытания.
Схема размещения ИО и измерительного оборудования должна функционально соответствовать примеру, приведенному на
рисунке G.1, и должна быть указана в протоколе испытаний.
G.4 Нормы на излучаемые помехи от элементов/модулей - метод полосковой линии
Некоторые источники помех являются непрерывными излучателями, и для них устанавливают более жесткие нормы, чем для источников помех, которые работают только периодически или в течение коротких интервалов времени.
Нормы на излучаемые помехи могут быть разными для разных источников помех и схем размещения (связи между антенной и электронным оборудованием, установленным в транспортном средстве).
Для оценки уровня излучаемых помех от элементов/модулей измеряют ВЧ-напряжение на выходе полосковой линии.
Таблица G.1
Примеры квазипиковых или пиковых норм излучаемых помех -
Метод полосковой линии
Служба/полоса | Частота, МГц | Уровни, дБ (мкВ) |
Класс 1 | Класс 2 | Класс 3 | Класс 4 | Класс 5 |
Пик | Квазипик | Пик | Квазипик | Пик | Квазипик | Пик | Квазипик | Пик | Квазипик |
Вещание |
ДВ | 0,15 - 0,30 | 87 | 74 | 77 | 64 | 67 | 54 | 57 | 44 | 47 | 34 |
СВ | 0,53 - 1,8 | 73 | 60 | 65 | 52 | 57 | 44 | 49 | 36 | 41 | 28 |
КВ | 5,9 - 6,2 | 65 | 52 | 59 | 46 | 53 | 40 | 47 | 34 | 41 | 28 |
ЧМ | 76 - 108 | 56 | 43 | 50 | 37 | 44 | 31 | 38 | 25 | 32 | 19 |
ТВ-диапазон I | 41 - 88 | 46 | - | 40 | - | 34 | - | 28 | - | 22 | - |
ТВ-диапазон III | 174 - 230 | 46 | - | 40 | - | 34 | - | 28 | - | 22 | - |
DAB III | 171 - 245 | 40 | - | 34 | - | 28 | - | 22 | - | 16 | - |
ТВ-диапазон IV/V | 468 - 944 | 46 | - | 40 | - | 34 | - | 28 | - | 22 | - |
DTTV | 470 - 770 | 50 | - | 44 | - | 38 | - | 32 | - | 26 | - |
DAB диапазон L | 1447 - 1494 | Излучаемые помехи - метод полосковой линии. Не применяют |
SDARS | 2320 - 2345 |
Подвижные службы |
СВ | 26 - 28 | 64 | 52 | 58 | 46 | 52 | 40 | 47 | 34 | 41 | 28 |
ОВЧ | 30 - 54 | 56 | 43 | 50 | 37 | 44 | 31 | 38 | 25 | 32 | 19 |
ОВЧ | 68 - 87 | 50 | 37 | 44 | 31 | 38 | 25 | 32 | 19 | 26 | 13 |
ОВЧ | 142 - 175 | 50 | 37 | 44 | 31 | 38 | 25 | 32 | 19 | 26 | 13 |
Аналоговые службы УВЧ | 380 - 512 | 50 | 37 | 44 | 31 | 38 | 25 | 32 | 19 | 26 | 13 |
RKE | 300 - 330 | 44 | - | 38 | - | 32 | - | 26 | - | 20 | - |
RKE | 420 - 450 | 44 | - | 38 | - | 32 | - | 26 | - | 20 | - |
Аналоговые службы УВЧ | 820 - 960 | 50 | 37 | 44 | 31 | 38 | 25 | 32 | 19 | 26 | 13 |
GSM 800 | 860 - 895 | 56 | - | 50 | - | 44 | - | 38 | - | 32 | - |
EGSM/GSM 900 | 925 - 960 | 56 | - | 50 | - | 44 | - | 38 | - | 32 | - |
GPS L1 гражданская полоса | 1567 - 1583 | Излучаемые помехи - метод полосковой линии. Не применяют |
GSM 1800 (ИКМ) | 1803-1882 |
GSM 1900 | 1850 - 1990 |
3G/IMT 2000 | 1900 - 1992 |
3G/IMT 2000 | 2010 - 2025 |
3G/IMT 2000 | 2108 - 2172 |
Bluetooth/802.11 | 2400 - 2500 |
Примечания 1 Все значения норм, приведенные в данной таблице, справедливы для значений ширины полосы, указанных в таблицах 1 и 2. Если измерения приходится проводить при значениях ширины полосы, отличных от тех, что указаны в таблицах 1 и 2, из-за требований в части допустимого уровня шума, то применяемые нормы должны быть указаны в плане испытаний. 2 Если в нескольких диапазонах используют одни и те же нормы, пользователь должен выбрать соответствующие диапазоны, в которых будет проводить испытания. Если в плане испытаний есть перекрывающиеся диапазоны, то в них необходимо указать применимую норму. |
Таблица G.2
Примеры норм излучаемых помех в средних значениях -
Метод полосковой линии
Служба/полоса | Частота, МГц | Уровни, дБ (мкВ) |
Класс 1 | Класс 2 | Класс 3 | Класс 4 | Класс 5 |
Вещание |
ДВ | 0,15 - 0,30 | 67 | 57 | 47 | 37 | 27 |
СВ | 0,53 - 1,8 | 53 | 45 | 37 | 29 | 21 |
КВ | 5,9 - 6,2 | 44 | 39 | 33 | 27 | 21 |
ЧМ | 76 - 108 | 36 | 30 | 24 | 18 | 12 |
ТВ-диапазон I | 41 - 88 | 36 | 30 | 24 | 18 | 12 |
ТВ-диапазон III | 174 - 230 | 36 | 30 | 24 | 18 | 12 |
DAB III | 171 - 245 | 30 | 24 | 18 | 12 | 6 |
ТВ-диапазон IV/V | 468 - 944 | 36 | 30 | 24 | 18 | 12 |
DTTV | 470 - 770 | 40 | 34 | 28 | 22 | 16 |
DAB диапазон L | 1447 - 1494 | Излучаемые помехи - метод полосковой линии. Не применяют |
SDARS | 2320 - 2345 |
Подвижные службы |
СВ | 26 - 28 | 45 | 39 | 33 | 27 | 21 |
ОВЧ | 30 - 54 | 36 | 30 | 24 | 18 | 12 |
ОВЧ | 68 - 87 | 30 | 24 | 18 | 12 | 6 |
ОВЧ | 142 - 175 | 30 | 24 | 18 | 12 | 6 |
Аналоговые службы УВЧ | 380 - 512 | 30 | 24 | 18 | 12 | 6 |
RKE | 300 - 330 | 30 | 24 | 18 | 12 | 6 |
RKE | 420 - 450 | 30 | 24 | 18 | 12 | 6 |
Аналоговые службы УВЧ | 820 - 960 | 30 | 24 | 18 | 12 | 6 |
GSM 800 | 860 - 895 | 36 | 30 | 24 | 18 | 12 |
EGSM/GSM 900 | 925-960 | 36 | 30 | 24 | 18 | 12 |
GPS L1 гражданская полоса | 1567 - 1583 | Излучаемые помехи - метод полосковой линии. Не применяют |
GSM 1800 (ИКМ) | 1803 - 1882 |
GSM 1900 | 1850 - 1990 |
3G/IMT 2000 | 1900 - 1992 |
3G/IMT 2000 | 2010 - 2025 |
3G/IMT 2000 | 2108 - 2172 |
Bluetooth/802.11 | 2400 - 2500 |
Примечания 1 Все значения норм, приведенные в данной таблице, справедливы для значений ширины полосы, указанных в таблицах 1 и 2. Если измерения приходится проводить при значениях ширины полосы, отличных от тех, что указаны в таблицах 1 и 2, из-за требований в части допустимого уровня шума, то применяемые нормы должны быть указаны в плане испытаний. 2 Если в нескольких диапазонах используют одни и те же нормы, пользователь должен выбрать соответствующие диапазоны, в которых будет проводить испытания. Если в плане испытаний есть перекрывающиеся диапазоны, то в них необходимо указать применимую норму. |
Приведенные выше нормы установлены для испытаний с полосковой линией, имеющей волновое сопротивление 90 Ом (см.
рисунок G.3). При использовании полосковых линий с волновым сопротивлением, отличным от 90 Ом, необходимо пересчитать значения норм по формуле

(G.1)
Пример пересчета для полосковой линии с волновым сопротивлением 50 Ом:

(G.2)
Нормы Z50 Ом = Нормы Z90 Ом - K90 Ом/50 Ом = Нормы Z90 Ом - 2,54 дБ,
где K - коэффициент коррекции для норм, дБ;
Z - волновое сопротивление полосковой линии, Ом.
G.5 Конструкция полосковой линии
Пример конструкции полосковой линии 50 Ом приведен на
рисунке G.2, а полосковой линии 90 Ом - на
рисунке G.3. Отношение
b/
h определяет волновое сопротивление. Если размер
b больше размера
h, используют уравнение

(G.3)
где Z - волновое сопротивление полосковой линии, Ом;
b - ширина перегородки полосковой линии, мм;
h - высота перегородки полосковой линии относительно пластины заземления, мм;

.
Примечание - Типовые полосковые линии сконструированы так, что их волновое сопротивление составляет 50 или 90 Ом при отношении b/h, равном 5 и 1,83 соответственно. В первом случае полосковая линия непосредственно нагружена на резистивную нагрузку 50 Ом, во втором - через плавный волноводный согласующий переход. Резистивная нагрузка может формироваться из угольных резисторов, проводящих перемычек, толстых пленок на керамической подложке и т.п.
(справочное)
МЕТОД ОЦЕНКИ УХУДШЕНИЯ КАЧЕСТВА ПОДВИЖНОЙ РАДИОСВЯЗИ
В ПРИСУТСТВИИ ИМПУЛЬСНЫХ ПОМЕХ
H.1 Введение
В настоящем приложении представлен метод оценки ухудшения подвижной радиосвязи в присутствии импульсных помех.
H.2 Обзор методов оценки ухудшений
Для получения возможно более полной информации о влиянии автомобилей на работу систем подвижной связи в США были выполнены исследования Федеральной Комиссией Связи (FCC) и Ассоциацией Производителей Автомобилей (MVMA), позднее - Американской Ассоциацией Производителей Автомобилей (AAMA).
При испытаниях объективным и субъективным методами измеряли ухудшение работы систем связи на большом количестве частот приема с использованием нескольких классов источников помех от системы зажигания автомобилей, например, в транспортном потоке и в регулируемой совокупности транспортных средств. Была исследована корреляция между объективными и субъективными методами определения ухудшения работы средств подвижной связи с использованием рейтинговых шкал, предоставленных FCC и MVMA.
H.2.1 Субъективные испытания
H.2.1.1 Субъективные испытания, основанные на оценке раздражающего воздействия
Испытания, основанные на оценке раздражающего воздействия помех, проводились FCC с использованием как одиночного транспортного средства, так и группы транспортных средств, имитирующих варианты трафика. FCC использовала рейтинговую шкалу субъективной оценки на основе раздражающего воздействия, которую обычно используют при определении воздействия помех окружающей среды на качество работы, коэффициент выхода из строя и усталость персонала (см.
таблицу H.1).
Таблица H.1
Рейтинговая шкала субъективной оценки
Качество звука | Ощущение мешающего воздействия |
5 | Почти отсутствует |
4 | Заметное |
3 | Раздражающее |
2 | Весьма раздражающее |
1 | Настолько сильное, что речевой сигнал едва различим |
Эта система ранжирования весьма схожа с той, что приведена в
[4]. Поэтому
[4] следует использовать для будущей работы при проведении испытаний по оценке раздражающего воздействия (см.
таблицу H.2).
Таблица H.2
Рейтинговая шкала субъективной оценки в соответствии с
[4]
Качество звука | Ощущение мешающего воздействия |
Отличное | Незаметное |
Хорошее | Заметное, но не раздражающее |
Посредственное | Слегка раздражающее |
Низкое | Раздражающее |
Плохое | Весьма раздражающее |
Раздражение - субъективная психологическая реакция. Было установлено, что степень раздражения, вызываемого помехами звуковой частоты, зависит от большого числа разных физических и психологических факторов (включая болезни, состояние личных взаимоотношений и семейные проблемы).
H.2.1.2 Субъективные испытания, основанные на оценке разборчивости
H.2.1.2.1 Общие положения
Так как наземные подвижные системы связи используются главным образом для передачи речевых сообщений, качество функционирования таких систем оценивают в основном по разборчивости принимаемого сигнала в присутствии помех от системы зажигания.
Наиболее общим методом определения разборчивости речевого канала является субъективный метод, при котором текст произносят профессиональные дикторы, а группа экспертов оценивает разборчивость звучания. Достоинство такого метода состоит в высокой повторяемости результатов. К сожалению, субъективные методы подсчета

и затратны по времени. Поэтому они не нашли широкого применения.
Субъективная шкала для оценки разборчивости сигнала предложена MVMA (см.
таблицу H.3).
Таблица H.3
Субъективная шкала для оценки разборчивости сигнала
Категория качества | Качество звука |
5 | Сообщение абсолютно разборчиво |
4 | Сообщение достаточно разборчиво |
3 | Считается, что сообщение понятно, но некоторые слова приходится угадывать |
2 | Сообщение едва угадывается |
1 | Невозможно обнаружить речевой сигнал |
H.2.1.2.2 Метод испытания, основанный на оценке разборчивости речевого сигнала
При отключенной системе зажигания транспортного средства уменьшают ВЧ входной уровень приемного устройства с шагом 1 дБ, начиная с соотношения сигнал/шум на выходе приемного устройства 20 дБ. После каждого уменьшения на 1 дБ эксперты оценивают качество звука, пока оценка не достигнет "Степени 1" (наихудшая разборчивость). После этого ВЧ входной уровень приемного устройства повышают с шагом 1 дБ до тех пор, когда сигнал/шум на выходе приемного устройства составит 20 дБ.
Затем ВЧ входной уровень приемного устройства увеличивают с шагом 3 дБ до тех пор, пока экспертная оценка качества звука не достигнет "Степени 5" (отличная разборчивость). После этого ВЧ входной уровень приемного устройства уменьшают с шагом 3 дБ до тех пор, пока сигнал/шум на выходе приемного устройства составит 20 дБ.
Указанную выше процедуру повторяют при работающей системе зажигания транспортного средства.
После этого проводят сравнение результатов двух испытаний (источник помех включен/источник помех выключен) и представляют разность уровней ВЧ-сигналов (на входе приемного устройства) при конкретной степени качества как субъективное ухудшение.
H.2.2 Объективные испытания
H.2.2.1 Общие положения
Неоднозначность определений оценочной шкалы и изменчивость оценок экспертов ведут к неопределенности субъективных измерений. Последний источник погрешности в значительной степени обусловлен психологическими факторами. Объективные измерения должны иметь меньший уровень неопределенности по сравнению с субъективными.
В
[5] предложен метод получения объективной меры разборчивости, дающей хорошие результаты для речевого сигнала, передаваемого как по аналоговым, так и по цифровым каналам связи, пораженным помехами. Меру искажения получают с помощью линейного кодирования с предсказанием (LPC) - широко известного математического метода, используемого для анализа и синтеза речевых сигналов.
H.2.2.2 Объективный метод испытания
Для получения объективной меры оценки разборчивости речевого сигнала, искаженного помехами, проводят сравнение этого искаженного сигнала и исходного сигнала, свободного от помех.
Необходимо также иметь субъективную оценку качества сигнала, искаженного помехой, и сравнить субъективную и объективную оценки. Эти требования выполняют следующим образом:
- сначала делают запись специальным образом сформированного речевого сигнала, свободного от помех,
- затем пропускают эту запись через испытуемые каналы связи и записывают выходные сигналы.
Полученную запись можно использовать для субъективной оценки разборчивости.
Для получения объективной оценки проводят сравнение итоговой записи с исходной, используя математические методы.
Для оценки разборчивости по речевому каналу передают сигнал, состоящий из фонетически уравновешенных групп отдельных слов, в противоположность случаям, когда передают законченные предложения или отдельные слоги.
Было показано, что при использовании фонетически уравновешенных групп отдельных слов наблюдается повторяемость субъективных оценок, что является необходимым критерием в данном исследовании. (При проведении испытаний с транспортными средствами в качестве источника помех выполняли субъективные оценки с использованием групп слушателей и сравнивали результаты с объективными оценками; при этом была выявлена хорошая корреляция).
H.2.3 Заключения по оценке ухудшения качества подвижной связи
Были проведены широкие исследования по созданию простого и недорогого объективного метода измерения ухудшения качества приема наземных подвижных служб при наличии помех от систем зажигания. Метод линейного кодирования с предсказанием (LPC) не является ни простым, ни дешевым (по сравнению с методами, используемыми при измерениях в соответствии с
ГОСТ Р 51318.12), но технически это хороший объективный метод.
Субъективные методы доказали свою эффективность при оценке ухудшения качества приема подвижных служб. При определении степени воздействия радиопомех на линию связи было установлено, что из двух используемых методов субъективной оценки преимуществом обладает "метод разборчивости", а не "метод раздражения". В большинстве случаев наблюдается плохая корреляция между результатами объективной и субъективной оценок. Метод линейного кодирования с предсказанием (LPC) показывает хорошую корреляцию с субъективным методом испытания на разборчивость. Тем не менее преимуществом обладают субъективные испытания, т.к. они имеют меньшую сложность и требуют меньших затрат.
Исходя из результатов проведенных исследований, рекомендуется при оценке качества подвижной связи использовать субъективные методы, основанные на оценке разборчивости, а не методы, основанные на оценке раздражения.
(справочное)
ВОПРОСЫ, НАХОДЯЩИЕСЯ НА РАССМОТРЕНИИ
I.1 Введение
В настоящем приложении представлены находящиеся на рассмотрении вопросы по предстоящей в будущем работе.
I.1.1 Измерения пиковых, средних, квазипиковых значений, средних значений СИСПР и нормы
При проведении работ в подкомитетах A и H СИСПР будет произведен обзор и соответствующее обновление Публикации 25 СИСПР.
I.1.2 Неопределенность измерений
Данный вопрос будет рассмотрен при будущих пересмотрах настоящего стандарта.
I.1.3 Метод измерения затухания
Метод измерения затухания, приведенный на
рисунке 5, требует определения.
I.1.4 Измерения средних значений
При проведении измерений средних значений при использовании анализатора спектра требуются последующие уточнения.
I.1.5 Характеристики камеры
Объединенная специальная группа (JTF) инициировала исследование характеристик камеры и их корреляции. Результаты исследования будут рассмотрены в будущем издании.
(справочное)
СВЕДЕНИЯ О СООТВЕТСТВИИ ССЫЛОЧНЫХ НАЦИОНАЛЬНЫХ СТАНДАРТОВ
МЕЖДУНАРОДНЫМ СТАНДАРТАМ, ИСПОЛЬЗОВАННЫМ В КАЧЕСТВЕ
ССЫЛОЧНЫХ В ПРИМЕНЕННОМ МЕЖДУНАРОДНОМ СТАНДАРТЕ
Таблица ДА.1
Обозначение ссылочного национального стандарта | Степень соответствия | Обозначение и наименование ссылочного международного стандарта |
ГОСТ Р 51318.16.1.1-2007 | MOD | СИСПР 16-1-1:2006 "Технические требования к аппаратуре для измерения параметров радиопомех и помехоустойчивости и методы измерений. Часть 1-1. Аппаратура для измерения параметров радиопомех и помехоустойчивости. Измерительная аппаратура" |
| MOD | СИСПР 16-1-2:2006 "Требования к аппаратуре для измерения параметров радиопомех и помехоустойчивости и методы измерений. Часть 1-2. Аппаратура для измерения радиопомех и помехоустойчивости. Вспомогательное оборудование. Кондуктивные радиопомехи" |
| MOD | СИСПР 16-1-4:2007 "Требования к аппаратуре для измерения параметров индустриальных радиопомех и помехоустойчивости и методы измерений. Часть 1-4. Аппаратура для измерения радиопомех и помехоустойчивости. Вспомогательное оборудование. Излучаемые радиопомехи" |
| MOD | СИСПР 16-2-1:2005 "Требования к аппаратуре для измерения радиопомех и помехоустойчивости и методы измерений. Часть 2-1. Методы измерений радиопомех и помехоустойчивости. Измерение кондуктивных помех" |
| MOD | СИСПР 16-2-3:2006 "Требования к аппаратуре для измерения радиопомех и помехоустойчивости и методы измерений. Часть 2-3: Методы измерения радиопомех и помехоустойчивости. Измерение излучаемых помех" |
| MOD | СИСПР 12:2009 "Совместимость технических средств электромагнитная. Транспортные средства, моторные лодки и устройства с двигателями внутреннего сгорания. Характеристики индустриальных радиопомех. Нормы и методы измерений для защиты радиоприемных устройств, размещенных вне подвижных средств" |
| MOD | МЭК 60050-161:1990 "Международный электротехнический словарь. Глава 161. Электромагнитная совместимость" |
Примечание - В настоящей таблице использовано следующее условное обозначение степени соответствия стандартов: - MOD - модифицированные стандарты. |
| Стандарт IEEE 1128-1998 | Рекомендации IEEE по практическому применению радиопоглощающих материалов - Оценка параметров в полосе частот от 30 МГц до 5 ГГц |
(IEEE STD 1128-1998) | (IEEE Recommended practice for radio frequency (RF) absorber - Evaluation in the range of 30 MHz to 5 GHz) |
| ИСО 11452-4:2005 | Дорожные транспортные средства - Методы испытания элементов при воздействии узкополосных излучаемых электрических помех - Часть 4: Инжекция объемного тока (BCI) |
(ISO 11452-4:2005) | (Road Vehicles - Component test method for electrical disturbances from narrowband radiated electromagnetic energy - Part 4: Bulk current injection (BCI)) |
| Стандарт SAE ARP 958.1 Rev D: 2003-02 | Антенны для измерения электромагнитных помех; Стандартный метод калибровки |
(SAE ARP 958.1 Rev D: 2003-02) | (Electromagnetic Interference Measurement Antennas; Standard Calibration Method) |
| Рекомендации МСЭ-Р BS. 1284-1 (2003) | Общие методы субъективной оценки качества звука |
ITU-R Recomendation BS. 1284-1 (2003) | (General methods for the subjective assessment of sound quality) |
| Gamauf K.J. и Hartman W.J., Объективное измерение разборчивости в канале речевого сигнала, октябрь 1977 (Gamauf K.J. and Hartman W.J., Objective Measurement of Voice Channel Intelligibility, October 1977) |
УДК 621.396/.397.001.4:006.354 | |
Ключевые слова: электромагнитная совместимость, транспортные средства, помехи, нормы помех для защиты приемников на подвижных средствах, методы испытаний, измерительная аппаратура |