Главная // Актуальные документы // ГОСТ Р (Государственный стандарт)СПРАВКА
Источник публикации
М.: Стандартинформ, 2013
Примечание к документу
Отдельные положения данного документа включены в
Перечень международных и региональных (межгосударственных) стандартов, а в случае их отсутствия - национальных (государственных) стандартов, содержащих правила и методы исследований (испытаний) и измерений, в том числе правила отбора образцов, необходимые для применения и исполнения требований технического
регламента Евразийского экономического союза "О безопасности продукции, предназначенной для гражданской обороны и защиты от чрезвычайных ситуаций природного и техногенного характера" (ТР ЕАЭС 050/2021) и осуществления оценки соответствия объектов технического регулирования (
Решение Коллегии Евразийской экономической комиссии от 30.05.2023 N 78).
Текст данного документа приведен с учетом
поправки, опубликованной в "ИУС", N 8, 2013.
Документ
введен в действие с 01.01.2013.
Взамен ГОСТ Р 50607-93.
Название документа
"ГОСТ Р 50607-2012 (ИСО 10605:2008). Национальный стандарт Российской Федерации. Совместимость технических средств электромагнитная. Транспорт дорожный. Методы испытаний для электрических помех от электростатических разрядов"
(утв. и введен в действие Приказом Росстандарта от 29.11.2012 N 1396-ст)
"ГОСТ Р 50607-2012 (ИСО 10605:2008). Национальный стандарт Российской Федерации. Совместимость технических средств электромагнитная. Транспорт дорожный. Методы испытаний для электрических помех от электростатических разрядов"
(утв. и введен в действие Приказом Росстандарта от 29.11.2012 N 1396-ст)
Утвержден и введен в действие
агентства по техническому
регулированию и метрологии
от 29 ноября 2012 г. N 1396-ст
НАЦИОНАЛЬНЫЙ СТАНДАРТ РОССИЙСКОЙ ФЕДЕРАЦИИ
СОВМЕСТИМОСТЬ ТЕХНИЧЕСКИХ СРЕДСТВ ЭЛЕКТРОМАГНИТНАЯ
ТРАНСПОРТ ДОРОЖНЫЙ
МЕТОДЫ ИСПЫТАНИЙ ДЛЯ ЭЛЕКТРИЧЕСКИХ ПОМЕХ
ОТ ЭЛЕКТРОСТАТИЧЕСКИХ РАЗРЯДОВ
Electromagnetic compatibility of technical equipment.
Road vehicles. Test methods for electrical disturbances
from electrostatic discharges
ISO 10605:2008
Road vehicles - Test methods for electrical disturbances
from electrostatic discharge
(MOD)
ГОСТ Р 50607-2012
(ИСО 10605:2008)
Группа Э02
Дата введения
1 января 2013 года
Цели и принципы стандартизации в Российской Федерации установлены Федеральным
законом от 27 декабря 2002 г. N 184-ФЗ "О техническом регулировании", а правила применения национальных стандартов Российской Федерации -
ГОСТ Р 1.0-2004 "Стандартизация в Российской Федерации. Основные положения".
1. Подготовлен ЗАО "Научно-испытательный центр "САМТЭС" и Техническим комитетом по стандартизации ТК 30 "Электромагнитная совместимость технических средств" на основе собственного аутентичного перевода на русский язык международного стандарта, указанного в
пункте 4.
2. Внесен Техническим комитетом по стандартизации ТК 30 "Электромагнитная совместимость технических средств".
3. Утвержден и введен в действие
Приказом Федерального агентства по техническому регулированию и метрологии от 29 ноября 2012 г. N 1396-ст.
4. Настоящий стандарт является модифицированным по отношению к международному стандарту ИСО 10605:2008 "Транспорт дорожный. Методы испытаний для электрических помех от электростатических разрядов" (ISO 10605:2008 "Road vehicles - Test methods for electric disturbances from electrostatic discharge"), включая техническую поправку 1:2010 к этому стандарту.
При этом дополнительные положения и требования, включенные в текст стандарта для учета особенностей российской национальной стандартизации, выделены в тексте стандарта курсивом.
Наименование настоящего стандарта изменено относительно наименования указанного международного стандарта для приведения в соответствие с ГОСТ Р 1.5-2004
(пункт 3.5).
5. Взамен ГОСТ Р 50607-93.
Информация об изменениях к настоящему стандарту публикуется в ежегодно издаваемом информационном указателе "Национальные стандарты", а текст изменений и поправок в ежемесячно издаваемом информационном указателе "Национальные стандарты". В случае пересмотра (замены) или отмены настоящего стандарта соответствующее уведомление будет опубликовано в ежемесячно издаваемом информационном указателе "Национальные стандарты". Соответствующая информация, уведомления и тексты размещаются также в информационной системе общего пользования - на официальном сайте Федерального агентства по техническому регулированию и метрологии в сети Интернет.
Предисловие к ИСО 10605:2008
Международный стандарт ИСО 10605:2008 подготовлен техническим комитетом ТС 22 "Дорожный транспорт" Международной организации по стандартизации (ИСО), подкомитетом SC 3 "Электрическое и электронное оборудование".
Стандарт ИСО 10605:2008 (второе издание) отменяет и заменяет стандарт ИСО 10605:2001.
Введение к ИСО 10605:2008
С увеличением числа электронных компонентов в автомобиле все большее значение придается электростатическим разрядам, возникающим при накоплении разряда во время перемещения внутри автомобиля или при выходе из него. Был проведен анализ методов испытаний, имитирующих электростатический разряд от человека, обычно применяющихся в различных отраслях промышленности, и при этом было установлено, что их полностью нельзя применять для автомобильной промышленности. Поэтому были разработаны испытания, предназначенные для автомобильной промышленности.
Испытания, имитирующие воздействие электростатического разряда, подающегося в электрическую систему автомобиля, были основаны на модели разряда от человека. Чувствительные электрические устройства могут подвергаться негативному воздействию энергии, связанной с электростатическими разрядами. Настоящий международный стандарт описывает испытания, которые могут применяться как в электронных модулях автомобилей, так и в транспортных средствах.
Настоящий стандарт устанавливает методы испытаний при воздействии электростатических разрядов, необходимые для оценки электронных модулей, предназначенных для транспортных средств. Он распространяется на воздействие электростатических разрядов в следующих случаях:
- электростатические разряды при сборке;
- электростатические разряды от обслуживающего персонала;
- электростатические разряды от пассажиров.
Электростатические разряды, подаваемые на испытуемое техническое средство (ТС), могут оказывать непосредственное воздействие на ТС. Электростатические разряды, воздействующие на соседние части ТС, могут подаваться в кабели электропитания и/или в сигнальные кабели ТС в автомобиле или непосредственно на ТС.
В настоящем стандарте описываются процедуры испытаний для оценки электронных модулей в процессе производства и законченных транспортных средствах.
Настоящий стандарт распространяется на все типы транспортных средств независимо от системы двигателя (двигатель с искровым зажиганием, дизельный двигатель, электрический мотор).
Настоящий стандарт основан на
ГОСТ Р 51317.4.2, в нем описываются особые требования к транспортным средствам.
Настоящий стандарт не распространяется на пиротехнические модули.
В настоящем стандарте использованы нормативные ссылки на следующие стандарты:
ГОСТ Р 50397-2011 (МЭК 60050-161:1990) Совместимость технических средств электромагнитная. Термины и определения (МЭК 60050-161:1990 "Международный электротехнический словарь. Глава 161: Электромагнитная совместимость", MOD)
ГОСТ Р 51317.4.2-2010 (МЭК 61000-4-2:2008) Совместимость технических средств электромагнитная. Устойчивость к электростатическим разрядам. Требования и методы испытаний (МЭК 61000-4-2:2008 "Электромагнитная совместимость (ЭМС). Часть 4-2. Методы испытаний и измерений. Испытания на устойчивость к электростатическим разрядам", MOD).
Примечание. При пользовании настоящим стандартом целесообразно проверить действие ссылочных стандартов в информационной системе общего пользования - на официальном сайте Федерального агентства по техническому регулированию и метрологии в сети Интернет или по ежегодно издаваемому информационному указателю "Национальные стандарты", который опубликован по состоянию на 1 января текущего года, и по соответствующим ежемесячно издаваемым информационным указателям, опубликованным в текущем году. Если ссылочный стандарт заменен (изменен), то при пользовании настоящим стандартом следует руководствоваться заменяющим (измененным) стандартом. Если ссылочный стандарт отменен без замены, то положение, в котором дана ссылка на него, применяется в части, не затрагивающей эту ссылку.
В настоящем стандарте применены термины по
ГОСТ Р 50397,
[1],
[2], а также следующие термины с соответствующими определениями:
3.1. метод воздушного разряда (air discharge): Метод испытаний, при котором разрядный наконечник испытательного генератора постепенно приближают к испытуемому техническому средству; разряд подается через электрическую дугу на ТС.
3.2. метод контактного разряда (contact discharge): Метод испытаний, при котором разрядный наконечник испытательного генератора во время разряда находится в соприкосновении с ТС и разряд производится при помощи разрядного ключа внутри испытательного генератора.
3.3. испытуемое техническое средство (ИТС) (device under test): Единичный компонент или комбинация компонентов, предназначенные для испытаний.
3.4. прямой разряд (direct discharge): Электростатический разряд непосредственно на ТС.
3.5. электростатический разряд (electrostatic discharge): Импульсный перенос электростатического заряда между телами с разными электростатическими потенциалами, происходящий до контакта или вызванный электростатическим полем.
3.6. генератор электростатических разрядов (ESD generator): Устройство, имитирующее модель электростатического разряда от человека.
3.7 пластина заземления [ground reference plane (GRP)]: Плоская проводящая пластина, потенциал которой используется в качестве общего заземляющего проводника.
Примечание. Рекомендуется, если возможно, чтобы испытательное напряжение ТС и заземление оператора также подавались на пластину заземления.
3.8. время удержания заряда (holding time): Промежуток времени, в течение которого снижение испытательного напряжения, вызванное утечкой до возникновения разряда, составляет 10%.
3.9. горизонтальная пластина связи [horizontal coupling plane (HCP)]: Металлический лист, ориентированный горизонтально, который подвергается воздействию разрядов для имитации воздействия электростатического разряда на объекты, находящиеся рядом с ТС.
3.10. модель разряда от человека (human ESD model): Сеть пассивных элементов и напряжения, характеризующие заряженного человека как источник электростатических разрядов в условиях эксплуатации автомобиля.
3.11. непрямой электростатический разряд (indirect discharge): Электростатический разряд на пластину связи, размещенную вблизи ТС.
Примечание. Разрядный ток создает переходное поле, которое может воздействовать на ТС. Непрямой разряд имитирует разряд от человека на объекты, расположенные вблизи ТС.
3.12. поверхность (surface): Цельный корпус, зазор или отверстие.
Пример - Выключатели, контактные выключатели, точки контакта, вентиляционные отверстия, отверстия динамиков.
4. Условия проведения испытаний
Пользователь должен установить степени жесткости испытаний для компонентов и транспортных средств. Предлагаемые степени жесткости приведены в
Приложении C.
Стандартные условия испытаний следующие:
- температура окружающей среды (25 +/- 10) °C;
- относительная влажность воздуха 20% - 60% (рекомендуемая температура 20 °C и относительная влажность 30%).
При других значениях необходимо согласование с пользователями, эти значения должны быть указаны в протоколе испытаний.
5. Место проведения испытаний
Допускается проведение испытаний в экранированных камерах или в экранированных камерах с поглощающим покрытием, но это не обязательно.
Примечание. При испытаниях создаются переходные поля, которые могут взаимодействовать с чувствительными электронными устройствами или приемниками даже на расстоянии нескольких метров. Рекомендуется учитывать это при выборе места испытаний.
6. Испытательные приборы и оборудование
6.1. Испытательный генератор
Характеристики испытательного генератора приведены в таблице 1.
Основные параметры испытательного генератора
Параметр | Характеристики |
Выходное напряжение в режиме контактного разряда | От 2 до 15 кВ или как указано в программе испытаний <a> |
Выходное напряжение в режиме воздушного разряда | От 2 до 25 кВ или как указано в программе испытаний <a> |
Точность выходного напряжения | <= 5% |
Полярность выходного напряжения | Положительная или отрицательная |
Время нарастания тока короткого замыкания в режиме контактного разряда (от 10% до 90%) | От 0,7 до 1,0 нс |
Время удержания | >= 5 с |
Емкость накопительного конденсатора | 150; 330 пФ |
Разрядное сопротивление | 330; 2000 Ом |
|
Примечание. Если электропитание испытательного генератора осуществляется от внешнего источника питания (постоянного или переменного тока), или контролируется отдельным устройством, кабели которого не комбинируются (связываются в пучок) с проводом заземления испытательного генератора, через эти кабели может проходить непреднамеренный ток.
Испытательный генератор должен обеспечивать частоту последовательных импульсов не менее 10 разрядов в секунду без ухудшения формы разрядного тока.
При недостаточной длине провода заземления испытательного генератора 2 м (например, при значительной высоте испытуемых ТС) допускается использовать провод заземления испытательного генератора длиной до 3 м при обеспечении выполнения требований к форме генерируемых импульсов разрядного тока (установленных, например, изготовителем или при калибровке).
6.2. Разрядные наконечники
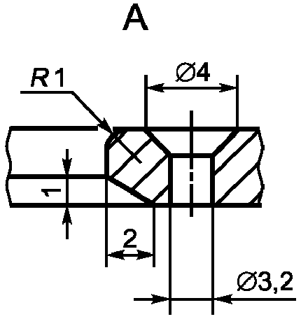
6.2.1. Разрядный наконечник для испытания методом контактного разряда
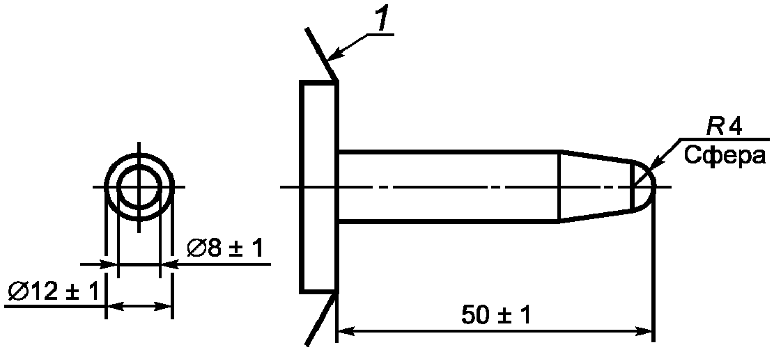
Разрядный наконечник для испытания методом контактного разряда представлен на рисунке 1. Наконечник обычно изготавливается из нержавеющей стали.
1 - острый конец
Рисунок 1. Разрядный наконечник для испытания методом
контактного разряда
6.2.2. Разрядный наконечник для испытания методом воздушного разряда
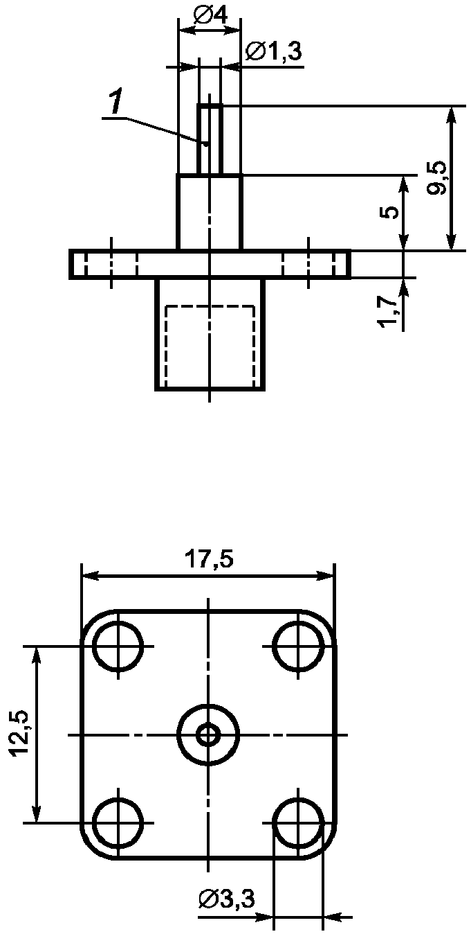
Разрядный наконечник для испытания методом воздушного разряда представлен на рисунке 2.
1 - испытательный генератор
Примечание. Для воздушного разряда с испытательным напряжением свыше 15 кВ требуется больший разрядный наконечник (например, от 20 до 30 мм), чтобы избежать предварительного воздействия зарядом.
Рисунок 2. Разрядный наконечник для испытания методом
воздушного разряда
6.3. Характеристики разрядного тока
6.3.1. Характеристики разрядного тока для испытания методом контактного разряда
Токи контактного разряда оцениваются в соответствии с
Приложением A. Параметры формы тока контактного разряда для каждой разрядной цепи должны находиться в диапазоне в соответствии с таблицей 2.
Характеристики разрядного тока для испытания методом
контактного разряда
Типичные значения емкости/ сопротивления | Пиковый ток/ напряжение заряда, А/кВ | Допустимое отклонение, % | Ток при  / напряжение заряда, А/кВ | Допустимое отклонение, % | Ток при  /напряжение заряда, А/кВ | Допустимое отклонение, % |
150 пФ/330 Ом | 3,75 | +/- 10 | 2 (при  ) | +/- 30 | 1 (при  ) | +/- 30 |
330 пФ/330 Ом | 3,75 | +/- 10 | 2 (при  ) | +/- 30 | 1 (при  ) | +/- 30 |
150 пФ/2000 Ом | 3,75 | +/- 30 0 | 0,275 (при  ) | +/- 30 | 0,15 (при  ) | +/- 50 |
330 пФ/2000 Ом | 3,75 | +/- 30 0 | 0,275 (при  ) | +/- 30 | 0,15 (при  ) | +/- 50 |
Примечания |
1 Значение пикового тока, полученное от измерительной системы без какой-либо интерполяции данных. |
|
3 Время измерения (30; 60; 130; 180; 360; 400; 800 нс) получают из постоянной времени сопротивление - емкость RC минус 40% (ток  ) и плюс 20% (ток  ) для определения двух значений на падающем фронте импульса тока в соответствии с ГОСТ Р 51317.4.2. |
Примеры вычисленной формы контактного разряда в соответствии с характеристиками
таблицы 2 приведены на рисунках 3 a) и
3 b).
X - время, нс; Y - ток, А; 1 - 330 пФ/330 Ом;
2 - 150 пФ/330 Ом
a) Для 150/330 пФ, 330 Ом, 5 кВ.
X - время, нс; Y - ток, А; 1 - 330 пФ/2000 Ом;
2 - 150 пФ/2000 Ом
b) Для 150/330 пФ, 2000 Ом, 5 кВ.
Рисунок 3. Примеры вычисленной формы контактного разряда
испытательного генератора
6.3.2. Характеристики разрядного тока для испытания методом воздушного разряда
Верификация испытательного генератора требуется только для метода контактного разряда.
Примечание. Информация о возможных процедурах верификации испытательного генератора воздушного разряда приведена в
Приложении E.
6.4 Пластины связи и заземления
Горизонтальная пластина связи и пластина заземления, которые помещаются под непроводящим столом, должны быть выполнены из металлических листов (например, из меди, латуни или алюминия) и иметь толщину не менее 0,25 мм.
Примечание. Если используется алюминий, необходимо принять меры, чтобы окисление не препятствовало хорошему соединению с заземлением.
Горизонтальная пластина связи должна выступать за контур испытуемого ТС (контур ТС включает в себя кабели, подсоединяемые к ТС) с каждой стороны не менее чем на 0,1 м. Размер горизонтальной пластины связи должен быть не менее 1,6 x 0,8 м. Горизонтальная пластина связи должна располагаться на высоте 0,7 - 1 м над пластиной заземления. Размер пластины заземления на полу должен быть не меньше размера горизонтальной пластины связи.
6.5. Изоляционная подставка
Изоляционные подставки (если применяются) должны быть выполнены из чистого негигроскопичного материала. Относительная диэлектрическая проницаемость должна быть от 1 до 5 (например, полиэтилен). Подставки должны иметь высоту (50 +/- 5) мм и выступать за контур рабочего места для испытаний не менее чем на 20 мм с каждой стороны.
6.6. Изоляционная пластина
Изоляционная пластина (если применяется) должна быть выполнена из чистого негигроскопичного материала. Относительная диэлектрическая проницаемость; должна быть от 1 до 5 (например, полиэтилен). Пластина должна иметь толщину 2 - 3 мм и выступать за контур рабочего места для испытаний не менее чем на 20 мм с каждой стороны. Необходимо иметь в виду, что изоляционная пластина должна препятствовать диэлектрическому пробою до 25 кВ.
Разряды подают в двух режимах: контактном и воздушном. Сведения о воздушных и контактных разрядах приведены в
Приложении D.
7.2. Режим контактного разряда
При контактном разряде разрядный наконечник испытательного генератора прикладывают к ТС до активизации разрядного ключа для подачи разряда.
7.3. Режим воздушного разряда
При воздушном разряде разрядный электрод заряжают испытательным напряжением и затем перемещают с заданной скоростью по направлению к ТС, воздействуя разрядом через дугу, возникающую при приближении наконечника достаточно близко к ТС, чтобы пробить диэлектрический материал между наконечником и испытательной точкой.
Скорость сближения разрядного электрода является критичным фактором времени нарастания и амплитуды разрядного тока во время воздушного разряда. Скорость сближения должна быть от 0,1 до 0,5 м/с для любого испытания. Поскольку скорость приближения обычно не измеряют, на практике испытательный генератор должен приближаться к ТС как можно быстрее до тех пор, пока не возникнет разряд или разрядный наконечник не коснется разрядной точки, не вызывая разрушения ТС или генератора.
8. Метод испытаний компонентов на устойчивость
(испытание под напряжением)
Испытания при воздействии на ТС прямыми и непрямыми разрядами заключаются в следующем:
- прямые разряды (контактные или воздушные) воздействуют непосредственно на ТС и удаленные части, к которым есть доступ у пользователей транспортных средств, например, выключатели и кнопки (см.
8.3);
- непрямые разряды (контактные разряды) имитируют разряды, которые возникают на других проводящих объектах в непосредственной близости от ТС, они воздействуют через промежуточную металлическую поверхность, например, горизонтальную пластину связи (см.
8.4).
Примечание. В
Приложении F приведены дополнительные испытания с подачей непрямого разряда.
Для испытаний электронных модулей испытательный генератор должен иметь конденсатор емкостью 330 или 150 пФ, в зависимости от размещения ТС на автомобиле (см.
10.1) и резистор сопротивлением 330 Ом. Если местоположение ТС не установлено, используют конденсатор 330 пФ.
Проводящие поверхности испытывают в режиме контактных разрядов. Для контактного разряда используют контактный разрядный наконечник (см.
рисунок 1). Воздушный разряд может также подаваться на проводящие поверхности, если это требуется по программе испытаний.
Непроводящие поверхности испытывают в режиме воздушного разряда. Для воздушного разряда используют воздушный разрядный наконечник (см.
рисунок 2).
Перед подачей разрядов на ТС необходимо убедиться в том, что процедура верификации испытательного генератора, установленная в
Приложении A, была проведена в период времени, определенный лабораторией или заказчиком.
До начала проведения испытаний разрабатывается план испытаний, который включает в себя:
- подробное описание рабочего места для испытаний;
- точки подачи электростатического разряда;
- режим работы электронного модуля;
- специальные инструкции или отклонения от стандартного испытания.
8.3. Процедура испытаний с прямыми электростатическими разрядами
8.3.1. Общие положения
Разряды подают на все установленные точки оборудования, работающего в нормальных режимах. Полярность разряда влияет на реакцию оборудования. Во время испытаний используют обе полярности, чтобы определить их влияние на ТС.
Примечание. Дополнительные испытания методом прямого разряда, учитывающие поле связи, см.
Приложение F.
8.3.2. Рабочее место для испытаний
Размещают испытуемое ТС на горизонтальной пластине связи (см.
рисунок 4). Размещают электронные модули, предназначенные для монтажа на шасси, на горизонтальной пластине связи и соединяют их напрямую с горизонтальной пластиной. Испытывают электронные модули, которые будут изолированы от земли в нормальной установке с помощью изолятора между электронным модулем и горизонтальной пластиной, используя изоляционную пластину (см.
6.6).
В целях испытаний ТС соединяют со всеми периферийными устройствами, необходимыми для функциональных испытаний. Длина проводов должна быть от 1,5 до 2,5 м.
Если нет периферийного оборудования для автомобиля, используют заменяющие периферийные устройства, а точки подачи электростатических разрядов указывают в программе испытаний.
Все компоненты на испытательном столе должны находиться на расстоянии не менее 0,2 м друг от друга. Провода должны быть уложены параллельно краям горизонтальной пластины связи и самой плоскости. Как и остальные компоненты, они должны находиться на расстоянии 0,1 м от краев горизонтальной пластины связи. Провода укладывают в связку в изоляционной подставке в соответствии с
6.5. Тип проводки определяется реальным применением системы и требованиями.
Батарея питания должна размещаться на испытательном столе, отрицательный терминал батареи соединяют непосредственно с горизонтальной пластиной связи. Необходимо учитывать опасность взрыва батареи и принять соответствующие меры защиты.
При прямом разряде провод заземления испытательного генератора соединяют с горизонтальной пластиной связи, как показано на
рисунке 4.
Испытательный стенд (испытательная поверхность) должен находиться на расстоянии не менее 0,1 м от других проводящих элементов, например, поверхностей экранированной камеры.
Для верификации и испытаний используют один и тот же провод заземления испытательного генератора, соединенный с горизонтальной пластиной связи. При подаче разряда провод заземления испытательного генератора должен находиться на расстоянии 0,2 м от ТС и всех кабелей, соединенных с ТС (чтобы уменьшить помехи от этого кабеля, которые могут повлиять на результаты испытания).
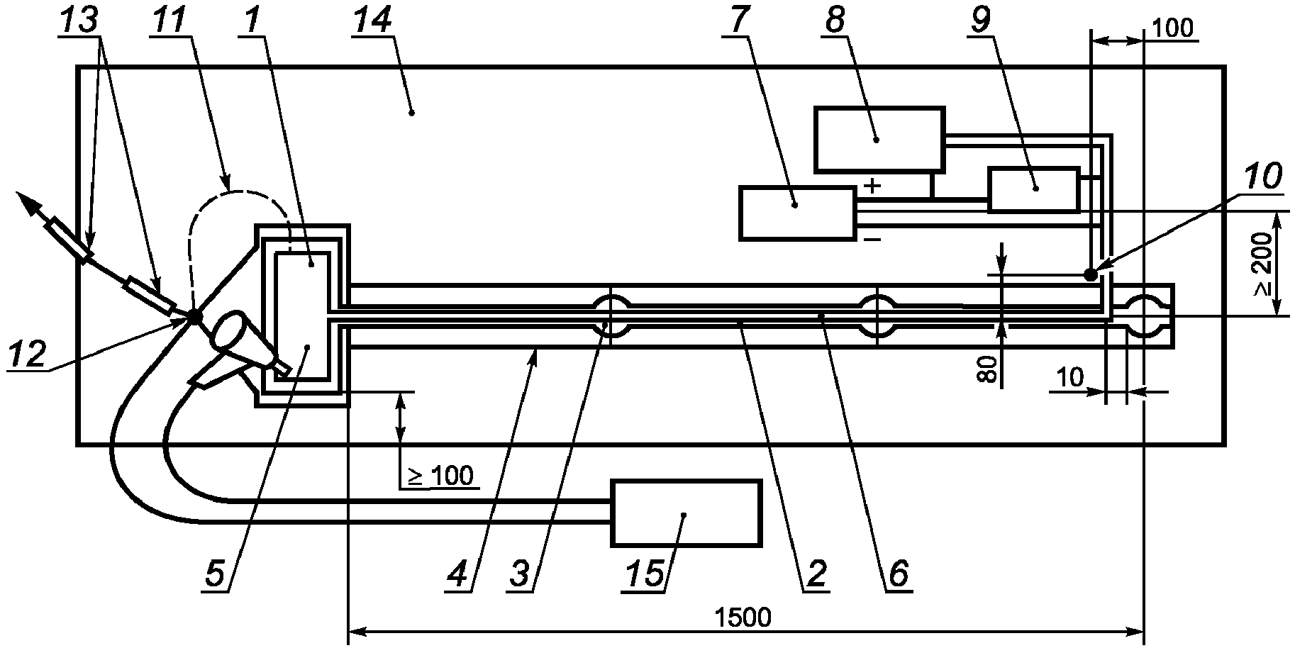
1 - ТС; 2 - испытательный генератор; 3 - основной
блок испытательного генератора; 4 - непроводящий стол;
5 - горизонтальная пластина связи; 6 - точка заземления;
7 - соединение с землей; 8 - удаленные для доступа части ТС;
9 - периферийные устройства; 10 - батарея; 11 - изоляционная
пластина (если требуется); 12 - изоляционные подставки;
13 - резисторы 470 кОм; 14 - пластина заземления
(дополнительная); 15 - соединение горизонтальной
пластины связи с землей
Рисунок 4. Пример рабочего места
для испытания ТС на устойчивость к воздействию прямым
электростатическим разрядом
8.3.3. Соединения электродов для метода прямого разряда
8.3.3.1. Режим контактного разряда
В режиме контактного разряда разрядный наконечник электрода (см.
рисунок 1) должен касаться проводящей точки на ТС до активизации разрядного ключа.
Там, где окрашенные поверхности покрывают проводящую поверхность, применяется следующая процедура. Если изготовителем оборудования покрытие не заявлено как изолирующее, то направляющий наконечник генератора проникает через покрытие, чтобы создать контакт с проводящей поверхностью.
8.3.3.2. Режим воздушного разряда
В режиме воздушного разряда разрядный наконечник электрода (см.
рисунок 2) должен быть приближен к ТС как можно быстрее после активизации разрядного ключа (см.
7.3).
Там, где окрашенные поверхности закрывают проводящую или диэлектрическую поверхность, применяется следующая процедура. Если покрытие заявлено как изолирующее покрытие для диэлектрических поверхностей, то поверхность испытывается как изолирующая с помощью метода воздушного разряда.
8.3.4. Ориентация испытательного генератора
При прямом разряде разрядный наконечник испытательного генератора, если возможно, держат перпендикулярно к поверхности ТС, если невозможно, рекомендуется соблюдать угол не менее 45° к поверхности ТС.
8.3.5. Число разрядов и время между разрядами
Каждая точка прямого разряда должна подвергаться не менее трем воздействиям разрядов для каждого заданного уровня испытательного напряжения и каждой полярности (см.
Приложение C). Время между последовательными единичными разрядами должно быть достаточным, чтобы исчезли разряды, созданные во время испытаний, но не менее 1 с, что позволит убрать заряды до проявления новых разрядов. Применяют методы, описанные ниже.
Можно предотвратить возникновение разрядов путем быстрого соединения кабеля с резистором (>= 1 МОм) в следующей последовательности:
1) между местом разряда и землей;
2) между точкой заземления ТС и землей.
Если известно, что наличие кабеля с резисторами не оказывает влияния на результаты испытаний, можно оставить его подключенным к ТС.
Если

интервалы между двумя последовательными разрядами очень большие, созданный заряд исчезает благодаря естественной природе разряда.
Для ускорения естественного исчезновения заряда на испытуемом ТС могут применяться ионизаторы воздуха. Во время применения воздушного разряда ионизатор должен быть отключен.
8.3.6. Испытательное напряжение
Уровни испытательного напряжения (в соответствии с
Приложением C) увеличивают, используя не менее двух значений, до достижения максимального уровня.
Примечание. Некоторые устройства могут быть чувствительными к определенным значениям испытательного напряжения, но не обязательно к другим значениям напряжения.
8.4. Процедура испытаний с непрямыми электростатическими разрядами
8.4.1. Общие положения
Электростатические разряды на объекты и оборудование, расположенные около испытуемого ТС, имитируют подачей разрядов испытательного генератора на горизонтальную пластину связи. Контактные разряды подают на горизонтальную пластину связи в точках на всех сторонах испытуемого ТС. Электростатические разряды подают на ребра горизонтальной пластины связи. ТС размещают на горизонтальной пластине связи так, чтобы его ближайшая поверхность находилась на расстоянии 0,1 м от ребра горизонтальной пластины связи, принимающей электростатический разряд. Для того, чтобы сохранять расстояние 0,1 м между ТС и ребром горизонтальной пластины связи, может потребоваться перемещение ТС во время испытаний, когда электростатический разряд подается на ребро горизонтальной пластины связи.
Примечание. Дополнительные испытания методом прямого разряда, учитывающие поле связи см.
Приложение F.
8.4.2. Рабочее место для испытаний
Помещают ТС на горизонтальной пластине связи (см.
рисунок 5). Электронные модули, монтируемые на шасси, устанавливают и соединяют непосредственно с горизонтальной пластиной связи. Испытывают электронные модули, которые в реальных условиях применения изолированы от земли с помощью изолятора между электронным модулем и горизонтальной пластиной связи, с использованием изоляционной пластины (см.
6.6).
Для испытаний ТС соединяют со всеми периферийными устройствами, необходимыми для функциональных испытаний. Длина кабеля должна быть от 1,5 до 2,5 м.
Если периферийные устройства для транспортного средства отсутствуют, то для испытаний используют заменяющие периферийные устройства; точки приложения разрядов должны быть указаны в протоколе испытаний.
Все компоненты на испытательном столе должны находиться на расстоянии не менее 0,2 м друг от друга. Кабели укладывают параллельно ребрам горизонтальной пластины связи и самой пластине. Как и все компоненты, они должны находиться на расстоянии 0,1 м от ребер горизонтальной пластины связи. Кабели сворачивают и помещают в изоляционный блок в соответствии с
6.5. Тип проводки определяется назначением системы и требованиями.
Батарею питания размещают на испытательном столе, отрицательный полюс батареи соединяют непосредственно с горизонтальной пластиной связи. Необходимо учитывать взрывоопасность батареи и принимать соответствующие меры защиты.
Для непрямых разрядов провод заземления испытательного генератора может быть соединен с горизонтальной пластиной связи или пластиной заземления (как указано в программе испытаний) (см.
рисунок 5). Испытательный стенд (поверхность) должен находиться на расстоянии не менее 0,1 м от других проводящих поверхностей экранированной камеры.
Тот же самый провод заземления испытательного генератора, соединенный с горизонтальной пластиной связи, используют для верификации и испытаний. Во время воздействия разрядом провод заземления испытательного генератора должен находиться на расстоянии не менее 0,2 м от ТС и всех кабелей, подсоединенных к ТС (для уменьшения связи с кабелем, что может повлиять на результаты испытаний).
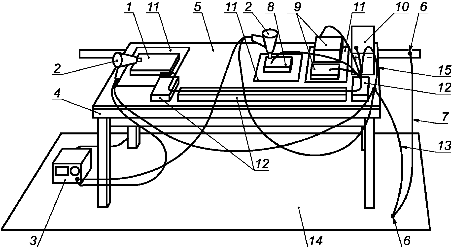
1 - ТС; 2 - испытательный генератор; 3 - основной
блок испытательного генератора; 4 - непроводящий стол;
5 - горизонтальная пластина связи; 6 - точка заземления;
7 - соединение с заземлением; 8 - удаленные части ТС;
9 - периферийные устройства; 10 - батарея; 11 - изоляционная
пластина (если необходима); 12 - изоляционные подставки;
13 - резисторы 470 кОм; 14 - пластина заземления
(дополнительно); 15 - соединение горизонтальной пластины
связи с землей; 16 - соединение заземления испытательного
генератора с горизонтальной пластиной связи или пластиной
заземления (см. программу испытаний)
Рисунок 5. Пример рабочего места для испытаний устойчивости
ТС к непрямым электростатическим разрядам
8.4.3. Число разрядов и время между разрядами
На испытательные точки непрямого разряда для каждого заданного уровня напряжения и полярности подают 50 разрядов (см.
Приложение C).
Для разрядов, подающихся на горизонтальную пластину связи, интервалы между последовательными единичными разрядами должны быть более 50 мс.
8.4.4. Ориентация испытательного генератора
При подаче разрядов на пластины связи (т.е. непрямых разрядов) разрядный наконечник находится в той же плоскости, что и горизонтальная пластина связи при контакте с ребром пластины. На плоскую поверхность горизонтальной пластины связи разряды не подаются.
8.4.5. Испытательное напряжение
Уровни испытательного напряжения (в соответствии с
Приложением C) увеличивают, используя не менее двух значений, доводя до максимального испытательного уровня.
Примечание. Некоторые виды оборудования могут быть чувствительны к отдельным значениям испытательного напряжения, но не обязательно ко всем остальным значениям испытательного напряжения.
9. Метод испытаний при упаковке компонентов и обращении
с ними (испытания без электропитания)
При данном испытании ТС имитируют разряды от человека во время процесса сборки или обслуживания. Испытание заключается в прямом воздействии разрядами на ТС.
Перед началом воздействия разрядами на ТС необходимо убедиться в том, что испытательный генератор прошел процедуру верификации (как установлено в
Приложении A) в период времени, установленный лабораторией или заказчиком.
Для испытаний, относящихся к помехоустойчивости компонентов в процессе их упаковки и обращения с ними, испытательный генератор должен иметь конденсатор емкостью 150 пФ и резистор сопротивлением, указанным в программе испытаний.
Перед началом испытаний составляется план испытаний, включающий в себя:
- подробные сведения о рабочем месте для испытаний;
- испытательные точки;
- работу электронных модулей;
- специальные инструкции и отклонения от стандартного испытания.
9.3.1. Общие положения
Испытание проводят воздействием прямым разрядом на все контакты и штыри и/или воздушным разрядом на все поверхности и точки, к которым дотрагиваются в процессе сборки или обслуживания.
Подают электростатический разряд (как минимум) на каждый штырь, корпус, выключатель, дисплей, болты и отверстия корпуса ТС, к которым есть доступ во время работы с ними. Для этой процедуры "утопленные" штыри соединений считаются доступными во время оперирования с ними.
Для доступа к "утопленным" штырям соединений используют одножильный провод с поперечным сечением от 0,5 до 2 мм2 максимальной длиной 25 мм.
Могут возникнуть трудности при подаче разряда на штыри разъема, расположенные очень близко друг к другу. В этом случае допускается использовать одножильный провод с поперечным сечением от 0,5 до 2 мм2 максимальной длиной 25 мм как для "утопленных" штырей.
Разряды подают на испытательные точки, указанные в программе испытаний. На результаты может повлиять полярность разряда. Во время испытаний используют обе полярности разряда для определения их влияния на ТС.
9.3.2. Рабочее место для испытаний
Рабочее место для испытаний на устойчивость к электростатическим разрядам при упаковке и обслуживании представлено на
рисунке 6. ТС испытывают без периферии, в том виде, в каком оно доставляется поставщиком.
Безопасное соединение с заземлением (позиция 7 на
рисунке 6) может включать в себя два резистора по 470 кОм, как для испытаний под напряжением (см.
рисунки 4 и
5).
Между испытуемым ТС и горизонтальной пластиной связи можно использовать антистатический коврик для снятия статического заряда, если это указано в плане испытаний. Коврик должен выступать за края испытуемого ТС. Поверхностное сопротивление этого материала должно быть от 107 до 109 Ом/м2.
При воздействии прямым разрядом (режим контактного разряда и/или режим воздушного разряда) кабель заземления испытательного генератора соединяют с горизонтальной пластиной связи, как показано на
рисунке 6.
Испытательный стенд (испытательная поверхность) должен(а) находиться на расстоянии не менее 0,1 м от других проводящих структур, например, от поверхностей экранированной камеры.
Тот же провод заземления испытательного генератора, соединенный с горизонтальной пластиной связи, используют для верификации. Во время воздействия разрядом провод заземления испытательного генератора должен находиться на расстоянии не менее 0,2 м от ТС.
9.3.3. Соединения с электродом для метода прямого воздействия
9.3.3.1. Режим контактного разряда
Для испытаний методом контактного разряда наконечник разрядного электрода (см.
рисунок 1) должен коснуться проводящей точки на ТС до активизации разрядного ключа.
Если проводящая подложка окрашена, применяют следующую процедуру.
Если изготовитель оборудования не указывает, что покрытие предназначено для изоляции, необходимо проколоть покрытие наконечником испытательного генератора для осуществления контакта с проводящей поверхностью.
9.3.3.2. Режим воздушного разряда
Для испытаний методом воздушного разряда наконечник разрядного электрода (см.
рисунок 2) должен быть приближен к ТС как можно быстрее после активизации разрядного ключа (см.
7.3).
Если окрашенные поверхности, покрывающие проводящую подложку или диэлектрические поверхности, используются в качестве контейнеров, применяется следующая процедура. Если изготовитель оборудования указывает, что покрытие предназначено для изоляции диэлектрических поверхностей, поверхность испытывают как изолирующую поверхность методом воздушного разряда.
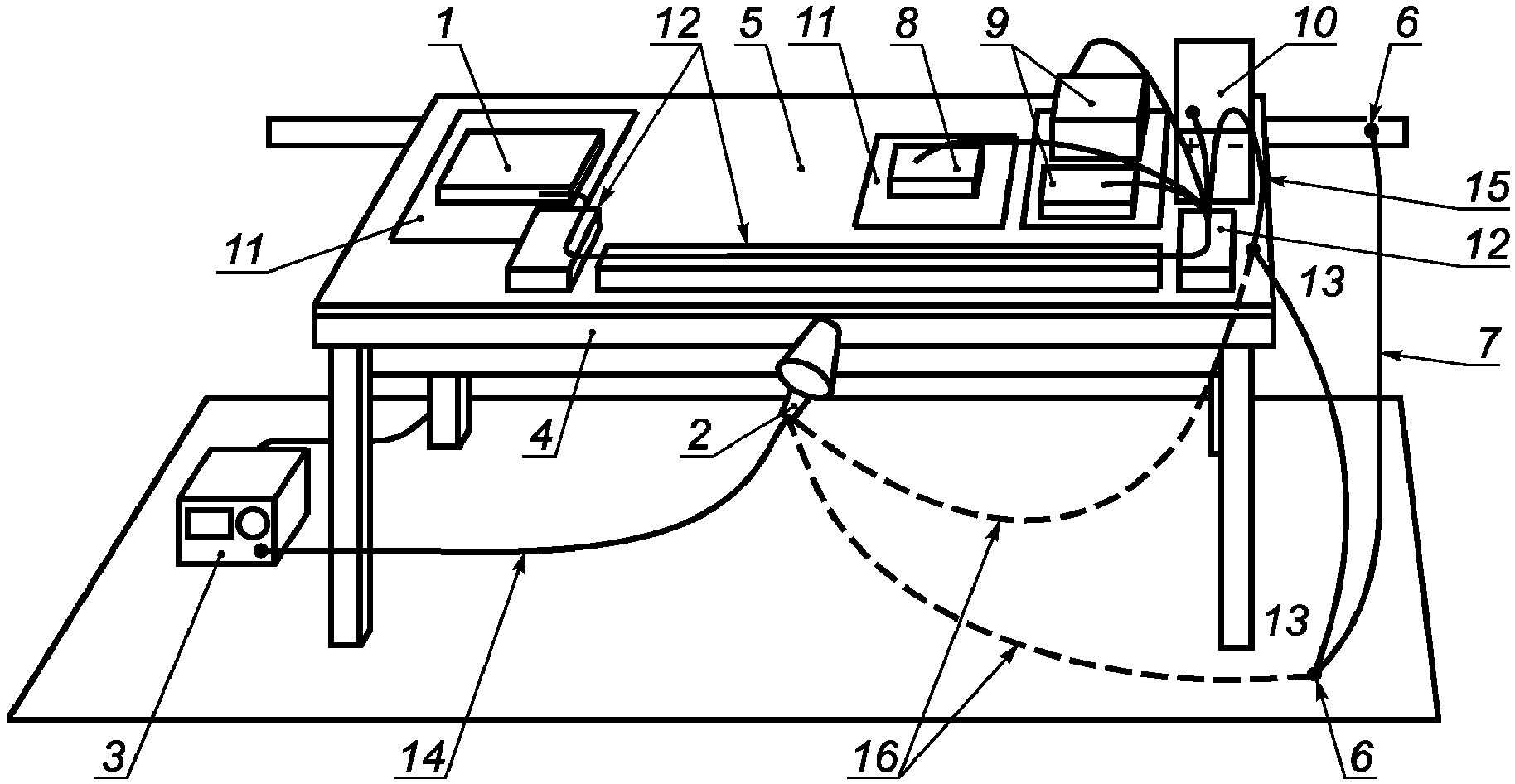
1 - ТС; 2 - испытательный генератор; 3 - основной
блок испытательного генератора; 4 - непроводящий стол;
5 - горизонтальная пластина связи; 6 - точка заземления;
7 - соединение с заземлением; 8 - антистатический коврик
для снятия статического заряда (если требуется)
Рисунок 6. Пример рабочей установки для классификации
чувствительности упаковки
9.3.4. Ориентация испытательного генератора
При применении метода прямого разряда разрядный наконечник испытательного генератора располагают (по возможности) перпендикулярно к поверхности ТС, если это невозможно, рекомендуется угол к поверхности не менее 45°.
9.3.5. Число разрядов и время между разрядами
Каждая точка прямого разряда должна подвергаться не менее чем трем воздействиям на каждом уровне напряжения при обеих полярностях (см.
Приложение C). Длительность интервала между последовательными одиночными разрядами должна позволять зарядам, полученным во время испытаний, исчезнуть, но она должна быть менее 1 с, чтобы заряды успели исчезнуть до появления каждого нового разряда. Применяют методы, описанные ниже.
Можно избежать появления зарядов путем короткого соединения резистора сопротивлением >= 1 МОм в следующей последовательности:
1) между местом разряда и землей;
2) между точкой заземления ТС и землей. Если известно, что провод не влияет на результаты испытаний, он может оставаться подсоединенным к ТС.
Если интервал между двумя последовательными разрядами удлиняется, созданный заряд исчезает благодаря естественному затуханию заряда.
Ионизаторы воздуха могут использоваться для ускорения процесса естественного разряда ТС. Ионизатор выключают при применении метода воздушного разряда.
9.3.6. Испытательное напряжение
Уровни испытательного напряжения (в соответствии с
Приложением C) увеличивают, используя не менее двух значений, доводя до максимального испытательного уровня.
Примечание. Некоторые виды оборудования чувствительны к отдельным значениям испытательного напряжения, но не обязательно ко всем остальным значениям испытательного напряжения.
После завершения всех испытаний ТС подвергают полной проверке на функционирование. Не должно быть необратимых повреждений. Кроме того необходимо проверить эффективность защитных цепей на ЭМС (например, входные конденсаторы, обеспечивающие устойчивость к электромагнитным помехам и ограничение эмиссии помех) после воздействия электростатическими разрядами (в соответствии с
Приложением C).
10. Метод испытаний автомобиля
Для частей, доступ к которым возможен только изнутри автомобиля, используют генератор с емкостью 330 пФ и сопротивлением 330 Ом или 2 кОм. Максимальный уровень испытательного напряжения ограничивают до 15 кВ для данного случая. Для точек, доступ к которым возможен только снаружи автомобиля, выбирают генератор с емкостью 150 пФ и сопротивлением 330 Ом или 2 кОм. В этом случае максимальный уровень испытательного напряжения должен быть равен 25 кВ. Части, доступ к которым возможен как изнутри, так и снаружи, испытывают с обоими значениями емкости генератора при максимальных уровнях напряжения 15 и 25 кВ соответственно.
Перед подачей электростатических разрядов на ТС необходимо проверить, что испытательный генератор прошел процедуру верификации, как указано в
Приложении A, в период времени, установленный лабораторией или заказчиком.
Проводящие поверхности испытывают с применением метода контактных разрядов. Для контактного разряда используют контактный разрядный наконечник (см.
рисунок 1). Воздушный разряд допускается также подавать на проводящие поверхности, если это установлено в программе испытаний.
Непроводящие поверхности испытывают методом воздушного разряда. Для воздушного разряда используют воздушный разрядный наконечник (см.
рисунок 2).
Перед началом испытаний составляется план испытаний, включающий в себя:
- подробные сведения о рабочем месте для испытаний;
- испытательные точки;
- работу электронных модулей;
- специальные инструкции и отклонения от стандартного испытания.
10.3. Процедура испытаний
10.3.1. Общие положения
Испытания проводят в режиме контактного и воздушного разрядов.
Разряды подают на заданные точки оборудования, работающего в нормальном режиме. Полярность заряда может влиять на результат испытаний. Во время испытаний используют обе полярности заряда для определения их влияния на испытуемое ТС.
10.3.2. Рабочее место для испытаний
Для испытания частей, доступ к которым возможен только изнутри автомобиля, провод заземления испытательного генератора должен быть соединен напрямую с заземленной металлической частью корпуса (например, полозья сидения, защелка двери и т.д.). Пример рабочего места для испытаний внутренних точек представлен на
рисунке 7a).
Для испытания частей, доступ к которым возможен снаружи автомобиля, провод заземления испытательного генератора должен быть соединен напрямую с ближайшей металлической частью корпуса автомобиля или с металлической пластиной, размещенной под колесом, ближайшим к точке приложения (как определено в программе испытаний). Пример рабочего места для внешней точки представлен на
рисунке 7b).
При стандартной последовательности испытаний мотор автомобиля работает в режиме движения или в холостом режиме. Если план испытаний включает в себя испытания систем (например, круиз-контроль) со скоростью движения с использованием динамометра, скорость движения указывают в программе испытаний.
10.3.3. Соединения электродов (для метода прямого воздействия электростатическими разрядами)
10.3.3.1. Режим контактного разряда
Для испытаний методом контактного разряда наконечник разрядного электрода (см.
рисунок 1) должен коснуться проводящей точки на ТС до начала активизации разрядного ключа.
Там, где окрашенные поверхности покрывают проводящую подложку, применяют следующую процедуру. Если изготовитель оборудования не указывает, что покрытие предназначено для изоляции, необходимо проколоть покрытие наконечником испытательного генератора для осуществления контакта с проводящей поверхностью.
10.3.3.2. Режим воздушного разряда
Для испытаний методом воздушного разряда наконечник разрядного электрода (см.
рисунок 2) должен быть приближен к ТС как можно быстрее после активизации разрядного ключа (см.
7.3).
Если окрашенные поверхности, покрывающие проводящую подложку или диэлектрические поверхности, используются в качестве контейнеров, применяется следующая процедура.
Если изготовитель оборудования указывает, что покрытие предназначено для изоляции диэлектрических поверхностей, поверхность испытывают как изолирующую поверхность методом воздушного разряда.
10.3.4. Ориентация испытательного генератора
При прямом воздействии разрядом разрядный наконечник испытательного генератора располагают, по возможности, перпендикулярно к поверхности ТС, если это невозможно, рекомендуется соблюдать угол к поверхности не менее 45°.
10.3.5. Число разрядов и время между разрядами
Каждая точка прямого разряда должна подвергаться не менее чем трем воздействиям на каждом уровне напряжения при обеих полярностях (см.
Приложение C). Длительность интервала между последовательными одиночными разрядами должна позволять зарядам, полученным во время испытаний, исчезнуть, но он должен быть менее 1 с, чтобы заряды успели исчезнуть до появления каждого нового разряда. Применяют методы, описанные ниже.
Можно избежать появления зарядов путем короткого соединения резистора сопротивлением >= 1 МОм в следующей последовательности:
1) между местом разряда и землей;
2) между точкой заземления ТС и землей.
Если известно, что провод не влияет на результаты испытаний, он может оставаться подсоединенным к ТС.
Если временной интервал между двумя последовательными разрядами удлиняется, созданный заряд исчезает благодаря естественному затуханию заряда.
Для ускорения процесса естественной разрядки ТС могут применяться ионизаторы воздуха. Ионизатор выключают при применении метода воздушного разряда.
10.3.6. Испытательное напряжение
Уровни испытательного напряжения (в соответствии с
Приложением C) увеличивают, используя не менее двух значений, доводя до максимального испытательного уровня.
Примечание. Некоторые виды оборудования чувствительны к особым значениям испытательного напряжения, но не обязательно ко всем остальным значениям испытательного напряжения.
10.3.7. Выбор точек воздействия
Испытания проводят как снаружи автомобиля, так и внутри, подавая воздушные или контактные разряды (как указано в программе испытаний) на все части, к которым может прикасаться человек, пользующийся автомобилем (например, переключатели, дисплеи, поверхности, замок рулевого колеса, средства управления, антенны).
1 - ТС; 2 - испытательный генератор; 3 - основной блок
испытательного генератора (внутри или снаружи автомобиля);
4 - соединение с заземлением испытательного генератора
a) Внутренние точки воздействия
1 - ТС; 2 - испытательный генератор; 3 - основной блок
испытательного генератора; 4 - соединение с заземлением
испытательного генератора
b) Внешние точки воздействия
Рисунок 7. Пример рабочего места для испытаний автомобиля
электростатическими разрядами
11. Протокол испытаний
Протокол испытаний должен включать в себя подробную информацию, необходимую для проведения испытаний (в частности, значения разрядной цепи), степени жесткости испытаний, область испытаний, испытуемые системы, разрядные точки, условия окружающей среды, условия заземления, режимы работы ТС, условия мониторинга ТС, взаимодействия системы и другую информацию, относящуюся к испытаниям.
(обязательное)
ТРЕБОВАНИЯ К ДАТЧИКУ ТОКА И ВЕРИФИКАЦИЯ
ИСПЫТАТЕЛЬНОГО ГЕНЕРАТОРА
A.1. Требования к датчику тока; входное сопротивление
Датчик тока, использующийся для измерения разрядного тока испытательных генераторов, который измеряют между внутренним электродом и землей, должен иметь входное полное сопротивление не более 2,1 Ом при постоянном токе.
Примечания. 1. Датчик тока предназначен для обеспечения измерения тока разряда, подаваемого на идеальную проводящую пластину заземления. Для уменьшения погрешности измерения, вызываемой различием между полным сопротивлением пластины заземления с высокой проводимостью и входным полным сопротивлением датчика тока, установлен для входного полного сопротивления предел, равный 2,1 Ом. Следует учитывать, что при слишком низком входном полном сопротивлении датчика тока выходной сигнал будет очень слабым, что приведет к погрешности измерений из-за связи с кабелями и осциллографом. Кроме того, при использовании очень малого значения полного сопротивления возрастает влияние паразитной индуктивности.
2. Рисунки стандартного датчика тока приведены в
Приложении B.
A.2. Калибровка испытательного генератора электростатических разрядов
A.2.1. Общие положения
Повторяемость результатов калибровки испытательных генераторов электростатических разрядов имеет большое значение. Особенно это касается испытаний, проводимых с применением испытательных генераторов различных изготовителей и испытаний, проводимых в течение длительного времени. Важно отметить, что повторяемость результатов измерений является решающим фактором при калибровке. Генератор электростатических разрядов подлежит калибровке в определенные промежутки времени с учетом действующей системы менеджмента качества.
Генераторы электростатических разрядов должны соответствовать всем требованиям при любой скорости повторения при проведении испытаний на соответствие.
A.2.2. Средства испытаний, необходимые для калибровки генератора электростатических разрядов
Для калибровки генератора электростатических разрядов используют следующее оборудование:
- осциллограф с шириной полосы частот не менее 1 ГГц;
- датчик тока;
- высоковольтный измерительный прибор для измерения напряжения не менее 25 кВ с точностью не менее 5%; для исключения влияния измерителя на выходное напряжение может потребоваться применение электростатического вольтметра;
- пластина калибровки размером не менее 1,2 x 1,2 м с коаксиальным датчиком тока, установленным на пластине так, чтобы расстояния от датчика до каждой грани пластины были не менее 0,6 м;
- аттенюатор (при необходимости).
A.2.3. Процедура калибровки для работы испытательного генератора в режиме контактного разряда
A.2.3.1. До начала калибровки разрядного тока необходимо определить амплитуду испытательного напряжения генератора электростатических разрядов. Точность измерений испытательного напряжения установлена в
таблице A.1.
A.2.3.2. Во время калибровки необходимо учитывать следующие климатические условия:
- температуру;
- относительную влажность.
Эти условия должны соответствовать нормам, указанным в
разделе 4.
A.2.3.3. Датчик тока располагают в центре вертикальной пластины калибровки размером не менее 1,2 x 1,2 м (см.
рисунок A.1). Соединение провода заземления испытательного генератора электростатических разрядов с пластиной калибровки должно быть выполнено непосредственно под центром датчика тока на 0,5 м ниже датчика тока. Провод заземления должен быть отведен назад в середине кабеля, образуя равнобедренный треугольник. Не допускается размещать провод заземления во время калибровки на полу.
A.2.3.4. Измеряют следующие параметры для проверки соответствия формы тока испытательного генератора установленным значениям:

- пиковое значение разрядного тока, А;

- значение разрядного тока при

, А (по
таблице 2);

- значение разрядного тока при

, А (по
таблице 2);

- время нарастания тока, нс.
Среднее значение параметра

указано, как

Пример -
обозначает среднее значение пикового тока.
A.2.3.5. Допускается не использовать экранированную камеру с вертикальной пластиной связи размером не менее 1,2 x 1,2 м, на которой монтируется датчик тока для экранирования осциллографа, если измерениями можно доказать, что непрямые пути связи с системой измерения не влияют на результаты измерений.
Если уровень переключений осциллографа установлен <= 10% по сравнению с результирующим пиковым выходным напряжением, а генератор электростатических разрядов разряжают на внешнее кольцо датчика тока (вместо внутреннего электрода) и не происходит переключения показаний осциллографа, система калибровки может быть заявлена как достаточно устойчивая и экранирование не требуется.
Таблица A.1
Последовательность операций калибровки испытательного
генератора в режиме контактного разряда
Операция | Сопротивление | Пояснения |
330 Ом | 2 кОм |
Емкость, пФ | Емкость, пФ |
150 | 330 | 150 | 330 |
Разряжают испытательный генератор 10 раз при заданном выходном напряжении, каждый результат записывают | | | | | Многочисленные измерения необходимы, поскольку критерии оценки даются для параметров, полученных в среднем при 10 разрядах. Это необходимо, потому что между разрядами возможны расхождения |
Проводят измерения  ,  ,  ,  для каждой волны тока | | | | | Параметры проверяют при каждом испытательном уровне |
Вычисляют средние значения  ,  ,  ,  измеренных значений  ,  ,  ,  | | | | | Среднее значение получают из параметров, а не путем усреднения волны тока. В этом случае любое дрожание переключателя не будет влиять на среднее значение |
Проверяют ток при  /напряжении заряда, А/кВ | Проверяют, что значение  | Проверяют, что значение  | Проверяют, что значение  | Проверяют, что значение  | Соответствие генератора проверяют по среднему значению параметра |
Проверяют ток при  /напряжении заряда, А/кВ | Проверяют, что значение  | Проверяют, что значение  | Проверяют, что значение  | Проверяют, что значение  | Соответствие генератора проверяют по среднему значению параметра |
Проверяют пиковый ток/напряжение заряда, А/кВ | Проверяют, что значение  | Проверяют, что значение  | Соответствие генератора проверяют по среднему значению параметра |
Проверяют время нарастания импульса | Проверяют, что  . | - |

1 - испытательный генератор, установленный
перпендикулярно пластине калибровки; 2 - датчик тока;
3 - пластина калибровки; 4 - точка заземления; 5 - провод
заземления отведен назад в середине кабеля;
6 - экранированный корпус для осциллографа
и соединительных кабелей; 7 - основной
фильтр; 8 - основной провод
Рисунок A.1. Типовое размещение оборудования при калибровке
испытательного генератора электростатических разрядов
(справочное)
РИСУНКИ СТАНДАРТНОГО ДАТЧИКА ТОКА И МЕТОД ЕГО КАЛИБРОВКИ
B.1. Детали конструкции датчика тока, который соответствует требованиям Приложения B, приведены на
рисунках B.1 -
B.5.
Примечание. Датчик тока, представленный в настоящем стандарте, отличается от датчика, приведенного в
[3].
Конструкция датчика тока обеспечивает получение плоской кривой вносимого затухания при использовании отрезка кабеля RG 400 длиной 1 м. Для того, чтобы избежать множественных отражений, следует соединить аттенюатор затуханием не менее 6 дБ или непосредственно с выходным портом. Датчик тока не обязательно должен быть идентичен датчику, показанному на рисунках B.1 -
B.5.
a) Вид сверху
b) Вид снизу
c) Вид сбоку в разрезе
1 - область резисторов, состоящая приблизительно
из 25 резисторов (только для сектора 90°)
Рисунок B.1. Коаксиальный датчик; центральная латунная часть
1 - область резисторов, состоящая приблизительно
из 25 резисторов (показана только для сектора 90°):
a) Печатная плата
1 - отверстие диаметром 3,3 мм; 2 - vias
b) Увеличенная область резисторов
Примечание. Размер резистора 0805; сопротивление резистора - 51 Ом; размещение - симметричное (использовать шаблон); материал - 0,5 мм FR-4, позолоченный; vias - два кольца на каждой стороне резистора, плюс одно кольцо рядом с выходной гранью печатной платы.
Рисунок B.2. Датчик тока. Печатная схема
Примечание. Симметрично вращающаяся часть, часть I
a) Пластик полифторопрен (тефлон) (PTFE)
Примечание. Симметрично вращающаяся часть
b) Центральный проводник из латуни
Рисунок B.3. Датчик тока, лист 1
Примечание. Симметрично вращающаяся часть.
c) Верхняя часть центрального проводника
из нержавеющей стали
d) Вид сверху, часть II
e) Вид сбоку в разрезе, часть II
1 - центральный проводник
Примечание. Вместо него может использоваться аналогичный соединитель типа N.
f) Миниатюрная версия A - коаксиальный соединитель (SMA)
Рисунок B.3, лист 2
a) Вид сверху
b) Вид сбоку в разрезе
Рисунок B.4. Коаксиальный датчик. Покрытие: нержавеющая
сталь
1 - PTFE часть II; 2 - верхняя часть центрального
проводника; 3 - крышка; 4 - центральный проводник;
5 - PTFE часть I; 6 - центральная латунная часть;
7 - соединитель; 8 - резисторы
Рисунок B.5. Коаксиальный датчик
B.2. Требования к датчику тока
B.2.1. Требования к датчику тока: вносимое затухание
Вместо значения вносимого затухания датчика тока устанавливают значение вносимого затухания измерительной цепи, состоящей из датчика тока, аттенюатора и кабеля, что упрощает анализ системы измерений, т.к. требуются оценка характеристик измерительной цепи и осциллографа, а не каждого элемента в отдельности.
Отклонения значения вносимого затухания цепи "датчик тока - аттенюатор - кабель" не должны превышать +/- 0,5 дБ на частотах до 1 ГГц.
Примечания. 1. Если отклонения значения вносимого затухания превышают нормы, то для компенсации используют прямое быстрое преобразование Фурье (FFT) и обратное быстрое преобразование Фурье. Однако это не рекомендуется.
2. Временные интервалы калибровки при измерениях значений передаточного сопротивления постоянного тока и вносимых потерь могут быть различными. Если результат измерения значения передаточного сопротивления постоянного тока отличается от результата исходных измерений менее чем на 1%, считают, что вносимое затухание цепи "датчик тока - аттенюатор - кабель" не изменилось, если используются те же кабель и аттенюатор, и других изменений (например, потери или разрушения соединителей) не было.
3. Цепь "датчик тока - аттенюатор - кабель" всегда должна рассматриваться как единое целое. Если проводятся замена/демонтаж одного элемента и (или) повторная сборка, необходимо вновь провести калибровку всей цепи с подтверждением соответствия требованиям настоящего стандарта.
B.2.2. Адаптер "датчик тока - линия"
Адаптер "датчик тока - линия", представленный на
рисунке B.6, соединяет коаксиальный кабель 50 Ом с входом датчика тока. Геометрически адаптер плавно переходит от диаметра коаксиального кабеля к диаметру датчика. Если для конкретного датчика тока сопротивление, вычисляемое из отношения диаметров d и D (см.
рисунок B.7), не равно 50 Ом, конструкция адаптера "датчик тока - линия" должна быть такой, чтобы внешний диаметр его внутреннего проводника был равен диаметру внутреннего электрода датчика тока. Сопротивление вычисляют с учетом диэлектрической постоянной материала, который заполняет конусообразный адаптер (обычно - воздух). Адаптер "датчик тока - линия" должен поддерживать сопротивление 50 Ом +/- 2% в полосе частот до 1 ГГц. Коэффициент отражения двух адаптеров "датчик тока - линия", соединенных "лицом к лицу", должен быть более 30 дБ на частотах до 1 ГГц. Значение вносимого затухания двух адаптеров "датчик тока - линия", соединенных "лицом к лицу", должно быть менее +/- 0,3 дБ постоянного тока на частотах до 1 ГГц.
Примечание. Возможно взаимодействие с другими соединителями, соответствующими требованиям к сопротивлению и вносимым потерям.
1 - коаксиальная линия адаптера; 2 - датчик тока
Рисунок B.6. Пример адаптера "датчик тока - линия",
соединенного с датчиком тока
1 - внутренний электрод; 2 - резистивный промежуток;
3 - заземление; d - внешний диаметр внутреннего электрода;
D - внутренний диаметр внешнего электрода
Рисунок B.7. Датчик тока: вид спереди
B.2.3. Определение вносимого затухания цепи "датчик тока - аттенюатор - кабель"
Вносимое затухание цепи "датчик тока - аттенюатор - кабель" измеряют с помощью векторного анализатора цепей (см.
рисунок B.8). Допускается также использовать анализатор спектра с генератором слежения и другие системы для измерения значения вносимого затухания.
Для того, чтобы избежать множественных отражений между умеренно совпадающими источниками сигналов и датчиком тока с большим отражением, следует использовать хорошо согласованные аттенюаторы между источником сигнала и датчиком тока. Обычно достаточно применить аттенюатор затуханием 20 дБ на каждой стороне. Важно также не использовать коаксиальные адаптеры между аттенюатором и датчиком тока или линией датчика тока, т.к. они могут создавать отражения. Изменяя длину кабеля между измерительной системой и датчиком тока, можно установить, успешно ли подавляются отражения. Эти отражения проявляются как периодические волны изменения вносимого затухания в зависимости от частоты.
a - анализатор цепей должен калиброваться в этих точках;
1 - анализатор цепей; 2 - датчик тока; 3 - конусообразный
адаптер 50 Ом; 4 - аттенюатор A; 5 - аттенюатор B;
6 - коаксиальный кабель; 7 - выходной соединитель
анализатора цепей; 8 - входной соединитель
анализатора цепей
Примечание. Датчик тока, аттенюатор A и коаксиальный кабель составляют цепь "датчик тока - аттенюатор - кабель", которую проверяют с использованием данной установки для испытаний.
Рисунок B.8. Схема измерения анализатором цепей вносимого
затухания цепи "датчик тока - аттенюатор - кабель"
Процедура измерения значения вносимого затухания состоит в калибровке анализатора цепей в точках, показанных на
рисунке B.8 (между аттенюатором и датчиком тока, между аттенюатором и адаптером "датчик тока - линия").
Примечания. 1. Если анализатор цепей не применяется, процедуру изменяют соответствующим образом:
- соединяют "датчик тока - линия" с цепью "датчик тока - аттенюатор - кабель" и подключают, как показано на
рисунке B.8;
- измеряют вносимое затухание.
Отклонения значения вносимого затухания цепи "датчик тока - аттенюатор - кабель" должны быть менее +/- 0,5 дБ на частотах между постоянным током и 1 ГГц.
2. Вместо постоянного тока в анализаторе цепей должна использоваться наименьшая частота. Характеристики при постоянном токе измеряют отдельно.
3. Временные интервалы калибровки при измерениях значений передаточного сопротивления постоянного тока и вносимых потерь могут быть различными. Если результат измерения значения передаточного сопротивления постоянного тока отличается от результата исходных измерений менее чем на 1%, считают, что вносимое затухание цепи "датчик тока - аттенюатор - кабель" не изменилось, если используются те же кабель и аттенюатор, и других изменений (например, потери или разрушения соединителей) не было.
B.2.4. Определение передаточного сопротивления постоянного тока цепи "датчик тока - аттенюатор - кабель"
Низкочастотное передаточное сопротивление цепи "датчик тока - аттенюатор - кабель" системы измерения тока определяют как отношение значения тока, поданного на вход датчика, к значению напряжения на нагрузке 50 Ом, подключенной на выходе кабеля (т.е. помещенной в конце кабеля вместо осциллографа). Схема цепи представлена на
рисунке B.9.
При измерении электростатических разрядов на дисплее осциллографа отображается напряжение

, если подается ток

на датчик тока. Для расчета неизвестного тока необходимо значение напряжения, отображенное на дисплее, разделить на передаточное низкочастотное сопротивление постоянного тока

.
1 - датчик тока; 2 - пример внутренней схемы датчика
тока; 3 - аттенюатор; 4 - внутренняя схема аттенюатора;
5 - источник постоянного тока; 6 - амперметр;
7 - нагрузка 50 Ом; 8 - цифровой вольтметр
Рисунок B.9. Схема определения низкочастотного передаточного
сопротивления системы измерения тока
Низкочастотное передаточное сопротивление цепи "датчик тока - аттенюатор - кабель" определяют следующим образом.
Подают ток

силой 1 А на переднюю сторону датчика тока (сторону подачи электростатического разряда). Допустимые отклонения силы тока должны быть +/- 1%. Более высокие токи могут использоваться, если они термически не влияют на датчик тока. Измеряют выходное напряжение V на нагрузке сопротивлением 50 Ом.
Вычисляют передаточное сопротивление по формуле

. (B.1)
Примечание. Для того, чтобы проверить тот факт, что внешние напряжения не влияют на результат измерения, проводят измерения с положительным и отрицательным токами. Результаты измерений должны отличаться не более чем на 0,5%.
Допускается применение других методов определения передаточных характеристик цепи "датчик тока - аттенюатор - кабель".
(справочное)
КЛАССИФИКАЦИЯ КАЧЕСТВА ФУНКЦИОНИРОВАНИЯ
C.1. Общие положения
В настоящем Приложении приводится общий метод, определяющий допустимое качество выполнения электрических/электронных функций электрической системой автомобиля во время испытаний на устойчивость к электростатическим разрядам. Метод основан на следующих положениях:
a) испытуемое ТС/автомобиль может выполнять одну или несколько функций (например, электронный блок может управлять стеклоочистителями, проблесковыми маячками, фарами ближнего света);
b) функция может иметь несколько рабочих режимов (например, ближний свет включен, ближний свет выключен, проблесковый маячок включен, проблесковый маячок выключен);
c) рабочий режим может иметь несколько состояний (I, II, III, IV) (например, в режиме включенного ближнего света состояние II может ассоциироваться с выключенным ближним светом во время воздействия помехой с автоматическим восстановлением после подавления помехи).
Классификация уровней качества функционирования применяется к каждой функции.
C.2. Метод классификации
Метод основывается на следующих принципах:
a) уровень качества выполнения относится к каждой отдельной функции, и если транспортное средство может иметь много функций, то испытуемое ТС должно как правило, выполнять несколько функций (например, электронный блок может управлять стеклоочистителями, проблесковыми маячками, фарами ближнего света);
b) функция может быть простой - такой как операция включения-выключения или сложной как, например, передача данных по шине данных.
Необходимо отметить, что компоненты или системы должны испытываться в условиях, имитирующих электромагнитную обстановку автомобиля, воздействию которой подвергаются устройства. Это помогает создать экономически и технически оптимизированную конструкцию компонентов и систем, потенциально подверженных воздействию помех.
Настоящее Приложение не предназначено для спецификации продукта. Его применяют совместно с процедурой испытания в соответствии с настоящим стандартом. Поэтому в настоящем Приложении не установлены особые значения степеней жесткости испытаний, т.к. они должны устанавливаться изготовителями автомобилей и поставщиками запасных частей. Тем не менее настоящее Приложение можно использовать для описания требований к функциональному состоянию конкретного устройства при условии следования принципам настоящего Приложения и при наличии соглашения между изготовителем и поставщиком. Такое описание регламентирует, как отдельные устройства должны вести себя при воздействии определенных испытательных сигналов.
C.3. Основные элементы классификации
C.3.1. Общие положения
Для описания качества функционирования необходимы два элемента в соответствии с
C.3.2 и
C.3.3.
C.3.2. Качество выполнения функции
Данный элемент описывает ожидаемое выполнение функции ТС, подвергаемого испытаниям. Ниже перечислены четыре состояния функционирования (ожидаемое поведение функции, наблюдаемое во время испытаний):
Примечания. 1. Данный элемент применим к каждой отдельной функции ТС и описывает рабочее состояние определенной функции во время и после испытания.
2. Минимальное состояние выполнения функции устанавливается для каждого испытания. Дополнительные требования могут быть согласованы между изготовителем и поставщиком.
a) состояние I - нормальное функционирование в соответствии с требованиями во время и после испытания;
b) состояние II - функционирование не соответствует заданному во время испытания, но автоматически переходит к нормальному функционированию после окончания испытания;
c) состояние III - функционирование не соответствует заданному во время испытания и не восстанавливается без вмешательства водителя/пассажира, например, включение/выключение ТС для заданного испытания или включение зажигания после окончания воздействия;
d) состояние IV - функционирование не соответствует заданному во время испытания или после него и не может восстановиться без более интенсивных мер, таких как отсоединение и подсоединение батареи или провода питания. Функция не должна приводить к постоянным поломкам в результате испытаний.
C.3.3. Степень жесткости испытаний
Данный элемент определяет степень жесткости испытаний основных параметров сигнала. Степень жесткости испытаний - это уровень воздействия на ТС для данного метода испытаний. Степени жесткости испытаний должны устанавливаться изготовителем в зависимости от рабочих характеристик функции.
C.4. Пример состояния функционирования
C.4.1. Общий пример состояния функционирования
Отношение между степенями жесткости испытаний и соответствующей классификацией состояния выполнения функции показано на
рисунке C.1.
a) функцией должно быть номинальное событие N 1 (состояние I) до степени жесткости испытаний

;
b) неожиданное событие N 2 допускается выше степени жесткости

;
c) неожиданное событие N 3 допускается выше степени жесткости

.
Пользователь может сгруппировать функции в категории, чтобы иметь возможность использовать различные степени жесткости испытаний.
Состояние выполнения функции | Степени жесткости испытаний |
Неожиданное событие N 4 (состояние IV, допускаются состояния I, II и III) | ........................................  |
Неожиданное событие N 3 (состояние III, допускаются состояния I и II) | ........................................  |
Неожиданное событие N 2 (состояние II, допускается состояние 1) | ........................................  |
Номинальная функция - событие N 1 (состояние типа I) | ........................................  |
Рисунок C.1. Пример классификации состояния выполнения
функции
C.4.2. Предлагаемые степени жесткости испытаний
Примеры установления степени жесткости испытаний приведены в таблицах C.1 -
C.7.
Таблица C.1
Испытания компонентов; пример степени жесткости испытаний
при воздействии прямыми контактными разрядами
Степень жесткости испытаний | Категория 1 | Категория 2 | Категория 3 |
| +/- 8 кВ | +/- 8 кВ | +/- 15 кВ |
| +/- 6 кВ | +/- 8 кВ | +/- 8 кВ |
| +/- 4 кВ | +/- 4 кВ | +/- 6 кВ |
| +/- 2 кВ | +/- 2 кВ | +/- 4 кВ |
Таблица C.2
Испытания компонентов; пример степени жесткости испытаний
при воздействии прямыми воздушными разрядами
Степень жесткости испытаний | Категория 1 | Категория 2 | Категория 3 |
| +/- 15 кВ | +/- 15 кВ | +/- 25 кВ |
| +/- 8 кВ | +/- 8 кВ | +/- 15 кВ |
| +/- 4 кВ | +/- 6 кВ | +/- 8 кВ |
| +/- 2 кВ | +/- 4 кВ | +/- 6 кВ |
Таблица C.3
Испытания компонентов; пример степени жесткости испытаний
при воздействии прямыми контактными разрядами
Степень жесткости испытаний | Категория 1 | Категория 2 | Категория 3 |
| +/- 8 кВ | +/- 15 кВ | +/- 20 кВ |
| +/- 6 кВ | +/- 8 кВ | +/- 15 кВ |
| +/- 4 кВ | +/- 4 кВ | +/- 8 кВ |
| +/- 2 кВ | +/- 2 кВ | +/- 4 кВ |
Таблица C.4
Испытания транспортного средства; пример степени
жесткости испытаний при воздействии контактными разрядами
(точки, доступные только внутри автомобиля)
Степень жесткости испытаний | Категория 1 | Категория 2 | Категория 3 |
| +/- 6 кВ | +/- 8 кВ | +/- 8 кВ |
| +/- 4 кВ | +/- 4 кВ | +/- 6 кВ |
| +/- 2 кВ | +/- 2 кВ | +/- 2 кВ |
| Не применяется | Не применяется | Не применяется |
Таблица C.5
Испытания транспортного средства; пример степени
жесткости испытаний при воздействии воздушными разрядами
(точки, доступные только внутри автомобиля)
Степень жесткости испытаний | Категория 1 | Категория 2 | Категория 3 |
| +/- 8 кВ | +/- 15 кВ | +/- 15 кВ |
| +/- 6 кВ | +/- 8 кВ | +/- 8 кВ |
| +/- 4 кВ | +/- 4 кВ | +/- 6 кВ |
| +/- 2 кВ | +/- 2 кВ | +/- 4 кВ |
Таблица C.6
Испытания транспортного средства; пример степени
жесткости испытаний при воздействии контактными разрядами
(точки, доступные только внутри автомобиля)
Степень жесткости испытаний | Категория 1 | Категория 2 | Категория 3 |
| +/- 6 кВ | +/- 8 кВ | +/- 8 кВ |
| +/- 4 кВ | +/- 6 кВ | +/- 6 кВ |
| +/- 2 кВ | +/- 2 кВ | +/- 4 кВ |
| Не применяется | Не применяется | Не применяется |
Таблица C.7
Испытания транспортного средства; пример степени
жесткости испытаний при воздействии воздушными разрядами
(точки, доступные только снаружи автомобиля)
Степень жесткости испытаний | Категория 1 | Категория 2 | Категория 3 |
| +/- 15 кВ | +/- 15 кВ | +/- 25 кВ |
| +/- 8 кВ | +/- 8 кВ | +/- 15 кВ |
| +/- 4 кВ | +/- 6 кВ | +/- 8 кВ |
| +/- 2 кВ | +/- 4 кВ | +/- 6 кВ |
(справочное)
РУКОВОДСТВО К МЕТОДАМ ИСПЫТАНИЙ. ЗНАЧЕНИЕ СОПРОТИВЛЕНИЯ
РЕЗИСТОРА ГЕНЕРАТОРА И ВОЗДУШНЫЙ ИЛИ КОНТАКТНЫЙ РАЗРЯД
D.1. Выбор значения резистора
Испытания, проводимые с резисторами сопротивлением 2 кОм, имитируют разряд непосредственно от человека через кожу. Испытания, проводимые с резисторами сопротивлением 330 Ом, имитируют разряд на тело человека через металлический предмет (например, инструмент, ключ, кольцо). Испытания с резистором сопротивлением 330 Ом являются более жесткими, чем с резистором сопротивлением 2 кОм.
Выбор сопротивления разряда для испытаний должен быть указан в плане испытаний.
D.2. Метод выбора испытаний
Выбор метода испытаний (подача воздушного или контактного разряда) для оценки соответствия ТС зависит от того, какую информацию необходимо получить при испытаниях электростатическим разрядом. В
разделах D.3 -
D.5 представлен обзор двух подходов с оценкой преимуществ и недостатков каждого метода.
D.3. Метод воздушного разряда
D.3.1. Общие положения
Метод воздушного разряда воспроизводит электростатический разряд, возникающий в реальных условиях. Это значит, что форма волны импульсного тока, подаваемого на ТС, может значительно изменяться от импульса к импульсу.
D.3.2. Преимущества метода воздушного разряда
Основное преимущество данного метода заключается в том, что любые изолирующие поверхности или воздушные зазоры в ТС могут быть проверены на пробой напряжения. Другим преимуществом метода воздушного разряда является то, что реакция ТС вызывается реальными воздействиями электростатическими разрядами. Это значит, что для данного испытательного напряжения один импульс может оказывать воздействие на ТС, а другой - нет. Когда ТС реагирует на воздействие, эта реакция может отличаться от разряда к разряду. И наконец, воздушный разряд имитирует нелинейные отношения между амплитудами напряжения и тока, присутствующие в реальных электростатических разрядах.
D.3.3. Недостатки метода воздушного разряда
Основным недостатком метода воздушного разряда является то, что на практике применение этого метода может потребовать целой серии длительных испытаний. Испытания методом воздушного разряда могут затянуться на несколько часов из-за необходимости подавать (возможно) сотни разрядов на ТС, чтобы полностью (адекватно) оценить и понять реакцию ТС и вероятность ее появления. Кроме этого недостатка ТС может неустойчиво реагировать на воздействие электростатическими разрядами. Это создает серьезные проблемы воспроизводимости результатов испытаний, при которых требуется проведение дальнейших испытаний для определения качества функционирования ТС.
D.4. Метод контактного разряда
D.4.1. Общие положения
Метод контактного разряда имитирует электростатический разряд, но не воспроизводит все характеристики реального явления электростатического разряда. Метод контактного разряда обладает большей воспроизводимостью результатов испытаний электростатическими разрядами. Это значит, что формы импульсного тока на ТС будут оставаться относительно постоянными от импульса к импульсу.
Во время воздействия электростатическим разрядом можно избежать отклонений, вызванных воздушным зазором, при этом характеристики поверхностей ТС не имеют значения, если поверхности не являются непроводящими в конструкции ТС.
D.4.2. Преимущества метода контактного разряда
Основным преимуществом метода контактного разряда является то, что постоянство и воспроизводимость формы волны тока электростатических разрядов обычно приводят к более постоянному и воспроизводимому функционированию ТС. Метод контактного разряда является менее длительным по сравнению с методом воздушного разряда, так как его можно применять в автоматическом режиме с подачей импульсов на ТС с относительно высокой скоростью повторения (при условии, что заряд, полученный между двумя разрядами, может исчезать). На практике применение метода контактного разряда позволяет оценить устойчивость ТС к электростатическим разрядам при одновременном сокращении времени испытаний.
D.4.3. Недостатки метода контактного разряда
Основным недостатком метода контактного разряда является то, что для него требуется проводимость поверхности в точке приложения заряда. Кроме того, испытание контактным разрядом может не позволить оценить реакцию ТС на реальное напряжение, поскольку произвольные изменения формы волны электростатического разряда, которые существуют в природе, не воспроизводятся. И, наконец, напряжение электростатического разряда и ток являются прямо пропорциональными во время этих испытаний, тогда как отношение между напряжением и током в естественно возникающих электростатических разрядах является нелинейным.
D.5.1. Общие положения
Выбор метода испытаний может быть частично основан на наличии проводящих или непроводящих поверхностей ТС.
D.5.2. Проводящие поверхности
Проводящие поверхности и пластины связи могут подвергаться испытаниям методом воздушного или контактного разряда.
Для проводящих поверхностей рекомендуется использовать метод контактного разряда из-за лучшей воспроизводимости.
D.5.3. Непроводящие поверхности
Для изолированных поверхностей предпочтительно применять метод воздушного разряда (благодаря присущей ему природе). Метод воздушного разряда используется при определении напряжения пробоя поверхностей, которые имеют проводящую подложку (поверхность) с изолирующим поверхностным слоем. Если в этой ситуации использовать метод контактного разряда путем пробивания изолирующего поверхностного слоя, это может привести к проявлению избыточного тока, подаваемого на ТС, по сравнению с током воздушного разряда, т.к. будет отсутствовать сопротивление дуги. Для полностью изолированных поверхностей можно применять метод контактного разряда, но в виде непрямого испытания, заключающегося в подаче электростатических разрядов на проводящую пластину, расположенную рядом с непроводящей поверхностью, которая испытывается.
D.5.4. Непрямое воздействие
При проведении испытаний с непрямым воздействием электростатических разрядов применяют метод воздушного или контактного разряда в зависимости от метода испытаний с целями имитации, указанными в
D.3 и
D.4. В настоящем стандарте для непрямых испытаний используются только контактные разряды. Это объясняется тем, что результаты испытаний контактными разрядами являются более воспроизводимыми.
(справочное)
ТЕХНИЧЕСКОЕ ОБОСНОВАНИЕ КАЛИБРОВКИ ГЕНЕРАТОРА
ВОЗДУШНЫХ РАЗРЯДОВ
E.1. Существует возможность охарактеризовать приблизительное поведение испытательного генератора воздушных разрядов.
Получение предсказуемых и воспроизводимых результатов зависит от условий применения воздушного разряда, как указано в
D.3. Основная проблема заключается в скорости приближения разрядного электрода генератора к проверяемой незаряженной мишени. Даже если остальные критические параметры (например, влажность, температура и скорость приближения) остаются постоянными, стохастическая природа статистического временного интервала может привести к большим изменениям во времени нарастания и в пиковом токе. Многие не приемлют установление больших допусков по измеренному току. Для воздушного разряда ток определяется:
a) сопротивлением дуги в зависимости от времени;
b) электрической и механической конструкцией генератора.
Поскольку физика пробоя не зависит от конструкции генератора, нет необходимости проверять ее. Это дает две возможности учесть сопротивление дуги в зависимости от времени:
1) выбрать параметры разряда (напряжение, скорость приближения, влажность и т.д.) и параметры измерения (измерение во временной области, измерение в частотной области, ширину полосы частот и т.д.) так, чтобы оставшееся влияние дуги было настолько мало, что его можно игнорировать (т.е. использовать приближение к идеальному переключателю), или
2) выбрать параметры, чтобы влияние дуги на разрядный ток было известно.
В обоих случаях возможно изучить электрическую и механическую конструкции генератора.
E.2. Существует много методов определения характеристик конструкции генераторов при ограниченном или известном влиянии дуги. Ниже приведены три метода:
a) генератор держат над большой пластиной заземления в режиме воздушного разряда, полное сопротивление его наконечника может быть измерено, например, с помощью анализатора цепей. После определения полного сопротивления оно может быть преобразовано во временную область для получения импульсной характеристики. Путем интегрирования импульсной характеристики получают переходную характеристику. Переходная характеристика равна разрядному току при сопротивлении дуги 0 Ом. По мере приближения времени нарастания к нулю для идеально переключаемой дуги нельзя получить полезное время нарастания тока;
b) если испытательное напряжение достаточно низкое (например, 500 В), поведение дуги приближается к идеальному переключателю, как это видно для ширины полосы 1,5 ГГц. Если генератор разряжают над датчиком тока при таком низком напряжении, форма тока будет зависеть от измерительной системы (время нарастания и пиковое значение) и конструкции генератора. Используя этот метод, разряжают генератор 500 В над датчиком тока с высокой скоростью приближения дважды и выбирают форму волны тока, имеющую самое быстрое время нарастания (во время этого разряда дуга приближается к идеальному переключателю). Затем полученную волну тока сравнивают с контрольной волной разрядного тока при условии, что время нарастания на дисплее может зависеть от измерительной системы, но не от конструкции генератора;
c) воздушный разряд может быть воспроизведен очень эффективно, если испытательное напряжение, давление воздуха и длина дуги (т.е. расстояние зазора в момент пробоя) остаются постоянными. Этого можно достичь с помощью постоянного воздушного зазора, медленно увеличивая (с медленной скоростью 20 В/с) испытательное напряжение. Пробой возникает при напряжении, установленном законом Пашена, т.е. время нарастания тока будет меньше, чем при большинстве воздушных разрядов, имеющих более высокую скорость приближения. Для применения этого метода устанавливают зазор размером 0,2 мм и медленно увеличивают напряжение. Разрядный ток можно сравнить с контрольным током, принимая во внимание, что сопротивление дуги оказывает соответствующее влияние на время нарастания, определяемое дугой и пиковым значением.
Из-за сложности воздушного разряда не был разработан приемлемый метод проверки. Поэтому было принято решение не требовать проверки воздушного разряда. Оператор должен знать, что при использовании генератора контактного разряда в режиме воздушного разряда может произойти небольшое или очень большое изменение разрядного тока между разрядами (для одного и того же напряжения зарядного электрода генератора). Такие изменения происходят в реальных условиях возникновения воздушных электростатических разрядов.
(справочное)
ДОПОЛНИТЕЛЬНОЕ РАБОЧЕЕ МЕСТО И ПРОЦЕДУРА ИСПЫТАНИЙ
ЭЛЕКТРОННЫХ МОДУЛЕЙ (ИСПЫТАНИЕ ПОД НАПРЯЖЕНИЕМ)
F.1. Основные положения
В настоящем Приложении приводится дополнительный метод испытаний электростатическими разрядами под напряжением. Этот метод предназначен для получения более воспроизводимых результатов испытаний и лучшей корреляции с испытаниями транспортных средств и реальными условиями по сравнению с испытаниями горизонтальной пластины связи. Метод испытаний является новым, находящимся в стадии интенсивного обсуждения. Испытание является дополнительным, пользователи могут применять его вместе со стандартным методом в соответствии с
разделом 8.
F.2. Общие сведения
До проведения испытаний необходимо составить план испытаний, включающий в себя:
- подробности рабочего места для испытаний;
- испытательные точки;
- режимы работы ТС;
- специальные инструкции и отклонения от стандартного испытания.
Примечание. Если из-за сложности ТС экономически нецелесообразно испытывать его во всех режимах работы, рекомендуется проводить испытания в тех режимах, которые наиболее уязвимы. При выборе режимов испытаний требуется технический опыт инженеров. Эти режимы должны быть указаны в плане испытаний, а обоснование их использования заносят в протокол испытаний.
Испытание состоит в подаче прямых и непрямых разрядов на ТС. Прямые разряды подают непосредственно на ТС. Непрямые разряды имитируют разряды, возникающие в проводящих объектах вблизи ТС/ремнях безопасности, которые подаются через металлические элементы, например, проводящий ремень, как описано в настоящем Приложении.
F.3. Рабочее место для испытаний (прямые и непрямые разряды)
Горизонтальная пластина связи должна находиться на расстоянии более 0,5 м от других проводящих поверхностей, например поверхностей экранированной камеры, и должна быть соединена с заземлением соединением, содержащим два высоковольтных резистора по 470 кОм, по одному на каждом конце проводника заземления, один конец заканчивается на разрядной пластине в позиции 3, показанной на
рисунках F.2 и
F.3.
Перед началом испытаний разрядное выходное напряжение испытательного генератора проверяют в соответствии с
6.1.
Испытательный генератор должен иметь точку заземления 3, показанную на
рисунках F.2 и
F.3.
ТС помещают на пластину связи, и жгут проводов длиной (1700 +/- 300) мм должен соединять ТС с источником питания и поддерживающим оборудованием по проводящей трассе в верхней части ленты связи. Жгут проводов должен отходить от ленты связи на расстоянии 10 мм от края разрядной площадки, наиболее удаленной от ТС.
Пластина связи должна быть достаточно большой и выступать за пределы ТС не менее чем на 10 мм с каждой стороны.
Заземление ТС должно быть выполнено в соответствии с конфигурацией заземления в автомобиле (для местного заземления соединить напрямую с позицией 3, а для удаленного заземления - с точкой 10 через жгут проводов на
рисунках F.2 и
F.3).
Если ТС является проводящим и заземляется в автомобиле, оно должно заземляться на пластину связи или в точке 3 на
рисунках F.2 и
F.3.
Заземление батареи соединяют с горизонтальной пластиной связи в точке 10 на
рисунках F.2 и
F.3.
Все переключатели, дисплеи, сенсоры, активаторы и т.д., необходимые для работы ТС, должны быть частью испытательной конфигурации. При возможности необходимо использовать запасные части и проводку.
Периферийное оборудование должно быть отделено от ленты соединения на расстояние не менее 200 мм.
1 - пластина связи, выступающая на 10 мм со всех
сторон ТС, минимального размера 160 x 350 мм, конусообразная
секция для соединения с горизонтальной пластиной связи;
2 - соединительная лента (шириной 40 мм) для поддержки ремней
безопасности; 3 - разрядные площадки, кондуктивно соединенные
с лентой связи диаметром 80 мм; 4 - ТС и изоляционный жгут
проводов из непроводящего материала

,
высотой 50 мм (вспененный полипропилен или пенопласт)
Примечание. Пластина связи и лента связи изготовлены из меди или латуни толщиной 0,5 - 2 мм. Допуск в размерах составляет +/- 5%
Рисунок F.1. Испытание электростатическими разрядами.
Испытательный стенд
1 - пластина связи; 2 - лента связи; 3 - разрядная
площадка; 4 - ТС и изолирующий блок жгута проводов;
5 - ТС; 6 - жгут проводов ТС; 7 - батарея; 8 - периферийное
или сопутствующее оборудование; 9 - эквивалент сети (если
используется); 10 - точка заземления для батареи
и поддерживающего оборудования; 11 - местное заземление ТС
(если требуется); 12 - точка заземления для пластины связи,
испытательный генератор и соединение с землей; 13 - два
высоковольтных резистора 470 Ом, соединенные с землей;
14 - горизонтальная пластина связи; 15 - основной
блок испытательного генератора
Примечание. Допуск для размеров составляет +/- 5%.
Рисунок F.2. Рабочее место для испытаний. Воздействие
прямыми разрядами
1 - пластина связи; 2 - лента связи; 3 - разрядная
площадка; 4 - ТС и изолирующий блок жгута проводов;
5 - ТС; 6 - жгут проводов ТС; 7 - батарея; 8 - периферийное
или сопутствующее оборудование; 9 - эквивалент сети (если
используется); 10 - точка заземления для батареи
и поддерживающего оборудования; 11 - местное заземление ТС
(если требуется); 12 - точка заземления для пластины связи,
испытательный генератор и соединение с землей; 13 - два
высоковольтных резистора 470 Ом, соединенные с землей;
14 - горизонтальная пластина связи; 15 - основной
блок испытательного генератора
Примечание. Допуск для размеров составляет +/- 5%.
Рисунок F.3. Рабочее место для испытаний. Воздействие
непрямыми разрядами
F.4. Процедура испытаний
F.4.1. Программное обеспечение ТС/рабочее состояние ТС
ТС должно активироваться во всех режимах, указанных в плане испытаний.
F.4.2. Испытание под напряжением. Прямой разряд
Рабочая установка для испытаний представлена на
рисунке F.2. Разряды подают на все доступные точки ТС, к которым возможно прикасаться во время обычной эксплуатации (поверхности, выключатели, соединители, антенны, дисплеи и т.д., а также на диагностические разъемы со штырьками). Незаземленные проводящие поверхности испытывают на пробой при соответствующем испытательном напряжении. Отдельные разрядные точки должны быть указаны в плане испытаний.
ТС, доступ к которым возможен внутри транспортного средства, должны испытываться с помощью генератора электростатических разрядов с разрядной цепью 330 пФ и 330 Ом или 150 пФ и 330 Ом. Предлагаемые режим разряда и степени жесткости испытаний представлены в
C.4 Приложения C.
Для каждой полярности и испытательного напряжения подают 10 контактных разрядов на каждую проводящую точку на ТС, как указано в плане испытаний.
В этом процессе генератор электростатических разрядов с электродом контактного разряда должен быть размещен на устройстве и затем разряжен.
Для каждой полярности и испытательного напряжения подают 10 воздушных разрядов на каждую проводящую точку на ТС, как указано в плане испытаний. В этом процессе генератор электростатических разрядов с электродом воздушного разряда перемещают к точке разряда как можно быстрее, пока не возникнет разряд.
Между двумя отдельными разрядами подаваемый заряд должен быть удален через заземленный разрядный резистор сопротивлением около 1 МОм (например, два последовательных резистора по 470 Ом) путем касания разрядной точки и корпуса, или интервал времени между двумя разрядами должен быть не менее 2 с.
Функционирование ТС должно контролироваться и регистрироваться в соответствии с планом испытаний.
F.4.3. Испытание под напряжением. Непрямой разряд
Рабочая установка для испытаний представлена на
рисунке F.3.
Генератор электростатических разрядов должен иметь разрядную цепь емкостью 330 пФ и сопротивлением 330 Ом; используют контактный разрядный электрод.
Для каждой полярности и каждого уровня испытательного напряжения подают по 10 контактных разрядов в центр свободной зоны без жгута проводки в каждой из трех разрядных площадок. Разрядные зоны указаны в позиции 3 на
рисунках F.1 и
F.3.
Для ТС с многочисленными жгутами проводки (т.е. отдельными соединителями) ответвления испытывают отдельно и как пучок.
Не допускается подавать разряд непосредственно на жгут. Если в пучке более 40 проводов, пучок проводов необходимо повернуть на 180° и повторить испытание с непрямым разрядом.
Во время этого испытания ТС необходимо контролировать. Минимальный временной интервал между разрядами должен быть 2 с.
F.4.4. Предлагаемые степени жесткости испытаний
Примеры степеней жесткости испытаний приведены в
C.4 Приложения C.
| ИСО 7637-1:2002 | Дорожные транспортные средства. Электрические помехи, вызванные проводимостью и связью. Часть 1. Определения и общее рассмотрение |
| (ISO 7637-1:2002) | (Road vehicles - Electrical disturbances from conduction and coupling - Part 1: Definitions and general considerations) |
| ИСО 11452-1:2005 | Дорожные транспортные средства. Методы испытаний компонентов для электрических помех от узкополосной излучаемой электромагнитной энергии. Часть 1. Общие принципы и терминология |
| (ISO 11452-1:2005) | (Road vehicles - Component test methods for electrical disturbances from narrowband radiated electromagnetic energy - Part 1: General principles and terminology) |
| ИСО 10605:2001 | Дорожные транспортные средства. Методы испытаний для электрических помех от электростатических разрядов |
| (ISO 10605:2001) | (Road vehicles - Test methods for electric disturbance from electrostatic discharge) |