Скачать Пособие к СНиП 3.06.03-85 Пособие по строительству покрытий и оснований автомобильных дорог и аэродромов из грунтов, укрепленных вяжущими материалами, к СНиП 3.06.03-85 и СНиП 3.06.06-88

Дата актуализации: 01.01.2021

Пособие к СНиП 3.06.03-85

Пособие по строительству покрытий и оснований автомобильных дорог и аэродромов из грунтов, укрепленных вяжущими материалами, к СНиП 3.06.03-85 и СНиП 3.06.06-88

Обозначение: Пособие к СНиП 3.06.03-85
Обозначение англ: SNIP Handbook 3.06.03-85
Статус:действует
Название рус.:Пособие по строительству покрытий и оснований автомобильных дорог и аэродромов из грунтов, укрепленных вяжущими материалами, к СНиП 3.06.03-85 и СНиП 3.06.06-88
Дата добавления в базу:01.09.2013
Дата актуализации:01.01.2021
Дата введения:22.05.1990
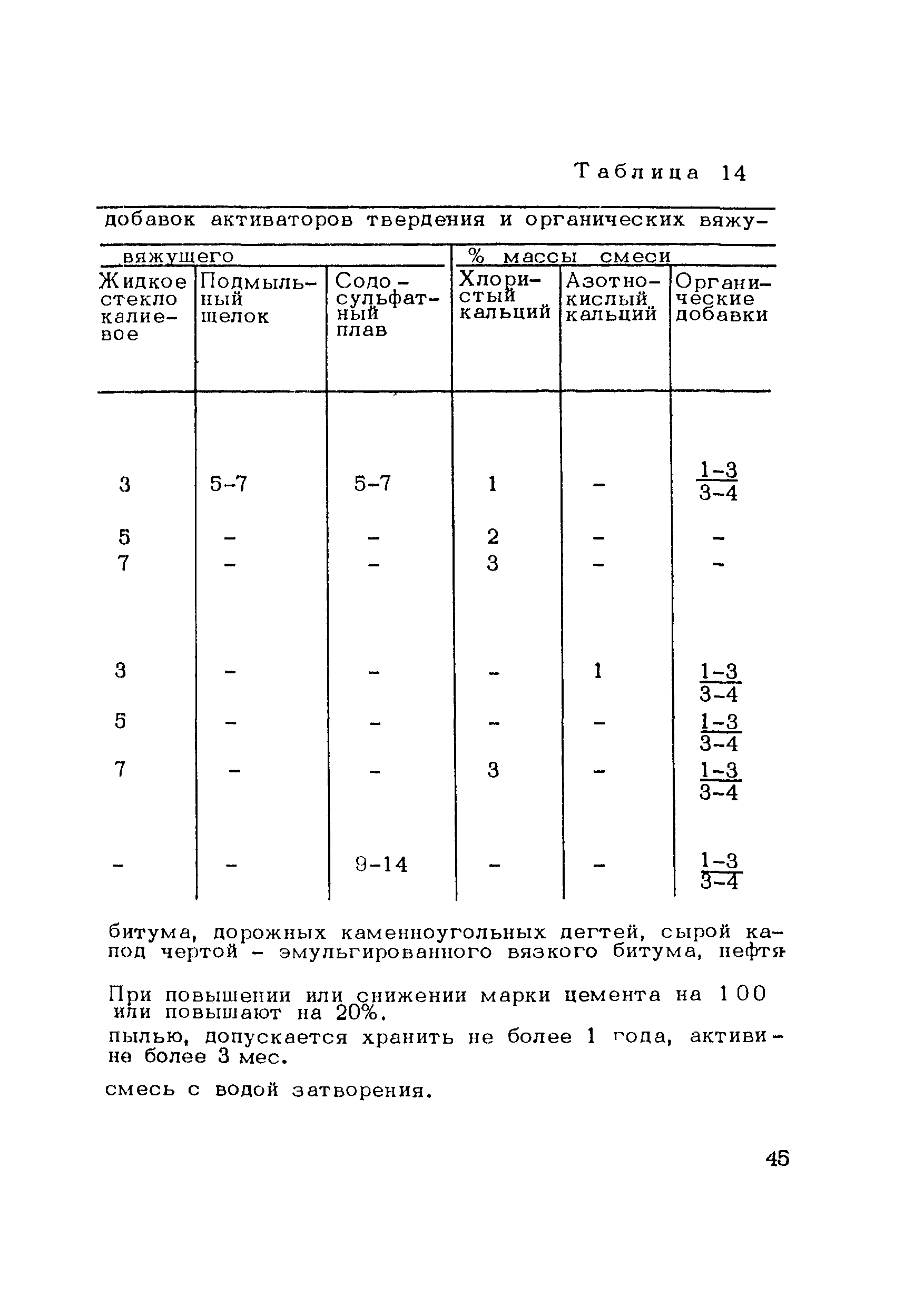
Область применения:Пособие содержит справочные и вспомогательные материалы, необходимые при строительстве автомобильных дорог и аэродромов из грунтов, укрепленных вяжущими материалами.
Оглавление:Предисловие
1 Материалы
2 Подбор составов смесей и методы лабораторных испытаний
3 Основные принципы конструирования дорожных и аэродромных одежд с конструктивными слоями из укрепленных грунтов
4 Основные принципы организации работ при укреплении грунтов
5 Технология работ, средств механизации и оборудование для приготовления смесей из крупнообломочных, песчаных и легких супесчаных грунтов в грунтосмесительных установках. Распределение и уплотнение смесей. Уход за поверхностью уложенного слоя
6 Технология работ, средства механизации и оборудование для приготовления смесей на дороге. Профилирование и уплотнение смесей. Уход за поверхностью уложенного слоя
7 Устройство оснований дорожных одежд из сухих цементогрунтовых смесей
8 Полевые методы контроля за качеством производства работ по укреплению грунтов вяжущими материалами
Приложение 1 Смолы каменноугольные сырые
Приложение 2 Смолы каменноугольные препарированные
Приложение 3 Смолы тяжелые улавливания
Приложение 4 Расчет показателей качества гранулированных доменных шлаков
Приложение 5 Расчет показателей качества дисперсных металлургических шлаков
Приложение 6 Расчет показателей качества пыли уноса цементных заводов
Приложение 7 Методика ускоренного определения оптимальной влажности и максимальной плотности смеси грунта с цементом
Приложение 8 Методика ускоренного определения предела прочности при сжатии образцов, приготовленных из смеси грунта с цементом
Приложение 9 Методика ускоренного определения свойств шлакогрунтов
Приложение 10 Расчетные характеристики материалов и грунтов, укрепленных вяжущими
Приложение 11 Ориентировочные составы смесей для устройства морозозащитных слоев в I-III дорожно-климатических зонах
Приложение 12 Расчетные значения деформационных и прочностных характеристик теплоизоляционных материалов
Приложение 13 Теплофизические характеристики укрепленных грунтов и материалов
Приложение 14 Выбор средств иеханизации для устройства оснований и покрытий из грунтов и гравийно-песчаных смесей, укрепленных вяжущими
Приложение 15 Технологическая схема № 1 устройства основания толщиной 20 см из песчаного грунта, укрепленного цементом, с использованием установки ДС-50А
Приложение 16 Технологическая схема № 2 устройства основания толщиной 20 см из песчаного грунта, укрепленного цементом с добавкой золы уноса, с использованием установки ДС-50Б
Приложение 17 Технологическая схема № 3 устройства основания толщиной 20 см из суглинистого грунта, укрепленного цементом сдобавками извести и ПАВ, с использованием фрезы ДС-74А
Приложение 18 Технологическая схема № 4 устройства основания толщиной 20 см из супесчаного грунта, укрепленного цементом, с использованием однопроходной грунтосмесительной машины ДС-152
Приложение 19 Технологическая схема № 5 устройства основания толщиной 20 см из песчаного грунта, укрепленного цементом, с использованием профилировщика ДС-108
Разработан: СоюздорНИИ
Утверждён:22.05.1990 Союздорнии (Soyuzdornii )
Издан: Союздорнии (1990 г. )
Нормативные ссылки:
Пособие к СНиП 3.06.03-85Пособие к СНиП 3.06.03-85Пособие к СНиП 3.06.03-85Пособие к СНиП 3.06.03-85Пособие к СНиП 3.06.03-85Пособие к СНиП 3.06.03-85Пособие к СНиП 3.06.03-85Пособие к СНиП 3.06.03-85Пособие к СНиП 3.06.03-85Пособие к СНиП 3.06.03-85Пособие к СНиП 3.06.03-85Пособие к СНиП 3.06.03-85Пособие к СНиП 3.06.03-85Пособие к СНиП 3.06.03-85Пособие к СНиП 3.06.03-85Пособие к СНиП 3.06.03-85Пособие к СНиП 3.06.03-85Пособие к СНиП 3.06.03-85Пособие к СНиП 3.06.03-85Пособие к СНиП 3.06.03-85Пособие к СНиП 3.06.03-85Пособие к СНиП 3.06.03-85Пособие к СНиП 3.06.03-85Пособие к СНиП 3.06.03-85Пособие к СНиП 3.06.03-85Пособие к СНиП 3.06.03-85Пособие к СНиП 3.06.03-85Пособие к СНиП 3.06.03-85Пособие к СНиП 3.06.03-85Пособие к СНиП 3.06.03-85Пособие к СНиП 3.06.03-85Пособие к СНиП 3.06.03-85Пособие к СНиП 3.06.03-85Пособие к СНиП 3.06.03-85Пособие к СНиП 3.06.03-85Пособие к СНиП 3.06.03-85Пособие к СНиП 3.06.03-85Пособие к СНиП 3.06.03-85Пособие к СНиП 3.06.03-85Пособие к СНиП 3.06.03-85Пособие к СНиП 3.06.03-85Пособие к СНиП 3.06.03-85Пособие к СНиП 3.06.03-85Пособие к СНиП 3.06.03-85Пособие к СНиП 3.06.03-85Пособие к СНиП 3.06.03-85Пособие к СНиП 3.06.03-85Пособие к СНиП 3.06.03-85Пособие к СНиП 3.06.03-85Пособие к СНиП 3.06.03-85Пособие к СНиП 3.06.03-85Пособие к СНиП 3.06.03-85Пособие к СНиП 3.06.03-85Пособие к СНиП 3.06.03-85Пособие к СНиП 3.06.03-85Пособие к СНиП 3.06.03-85Пособие к СНиП 3.06.03-85Пособие к СНиП 3.06.03-85Пособие к СНиП 3.06.03-85Пособие к СНиП 3.06.03-85Пособие к СНиП 3.06.03-85Пособие к СНиП 3.06.03-85Пособие к СНиП 3.06.03-85Пособие к СНиП 3.06.03-85Пособие к СНиП 3.06.03-85Пособие к СНиП 3.06.03-85Пособие к СНиП 3.06.03-85Пособие к СНиП 3.06.03-85Пособие к СНиП 3.06.03-85Пособие к СНиП 3.06.03-85Пособие к СНиП 3.06.03-85Пособие к СНиП 3.06.03-85Пособие к СНиП 3.06.03-85Пособие к СНиП 3.06.03-85Пособие к СНиП 3.06.03-85Пособие к СНиП 3.06.03-85Пособие к СНиП 3.06.03-85Пособие к СНиП 3.06.03-85Пособие к СНиП 3.06.03-85Пособие к СНиП 3.06.03-85Пособие к СНиП 3.06.03-85Пособие к СНиП 3.06.03-85Пособие к СНиП 3.06.03-85Пособие к СНиП 3.06.03-85Пособие к СНиП 3.06.03-85Пособие к СНиП 3.06.03-85Пособие к СНиП 3.06.03-85Пособие к СНиП 3.06.03-85Пособие к СНиП 3.06.03-85Пособие к СНиП 3.06.03-85Пособие к СНиП 3.06.03-85Пособие к СНиП 3.06.03-85Пособие к СНиП 3.06.03-85Пособие к СНиП 3.06.03-85Пособие к СНиП 3.06.03-85Пособие к СНиП 3.06.03-85Пособие к СНиП 3.06.03-85Пособие к СНиП 3.06.03-85Пособие к СНиП 3.06.03-85Пособие к СНиП 3.06.03-85Пособие к СНиП 3.06.03-85Пособие к СНиП 3.06.03-85Пособие к СНиП 3.06.03-85Пособие к СНиП 3.06.03-85Пособие к СНиП 3.06.03-85Пособие к СНиП 3.06.03-85Пособие к СНиП 3.06.03-85Пособие к СНиП 3.06.03-85Пособие к СНиП 3.06.03-85Пособие к СНиП 3.06.03-85Пособие к СНиП 3.06.03-85Пособие к СНиП 3.06.03-85Пособие к СНиП 3.06.03-85Пособие к СНиП 3.06.03-85Пособие к СНиП 3.06.03-85Пособие к СНиП 3.06.03-85Пособие к СНиП 3.06.03-85Пособие к СНиП 3.06.03-85Пособие к СНиП 3.06.03-85Пособие к СНиП 3.06.03-85Пособие к СНиП 3.06.03-85Пособие к СНиП 3.06.03-85Пособие к СНиП 3.06.03-85Пособие к СНиП 3.06.03-85Пособие к СНиП 3.06.03-85Пособие к СНиП 3.06.03-85Пособие к СНиП 3.06.03-85Пособие к СНиП 3.06.03-85Пособие к СНиП 3.06.03-85Пособие к СНиП 3.06.03-85Пособие к СНиП 3.06.03-85Пособие к СНиП 3.06.03-85Пособие к СНиП 3.06.03-85Пособие к СНиП 3.06.03-85Пособие к СНиП 3.06.03-85Пособие к СНиП 3.06.03-85Пособие к СНиП 3.06.03-85Пособие к СНиП 3.06.03-85Пособие к СНиП 3.06.03-85Пособие к СНиП 3.06.03-85Пособие к СНиП 3.06.03-85Пособие к СНиП 3.06.03-85Пособие к СНиП 3.06.03-85Пособие к СНиП 3.06.03-85Пособие к СНиП 3.06.03-85Пособие к СНиП 3.06.03-85Пособие к СНиП 3.06.03-85Пособие к СНиП 3.06.03-85Пособие к СНиП 3.06.03-85Пособие к СНиП 3.06.03-85Пособие к СНиП 3.06.03-85Пособие к СНиП 3.06.03-85Пособие к СНиП 3.06.03-85Пособие к СНиП 3.06.03-85Пособие к СНиП 3.06.03-85Пособие к СНиП 3.06.03-85Пособие к СНиП 3.06.03-85Пособие к СНиП 3.06.03-85Пособие к СНиП 3.06.03-85Пособие к СНиП 3.06.03-85Пособие к СНиП 3.06.03-85Пособие к СНиП 3.06.03-85Пособие к СНиП 3.06.03-85Пособие к СНиП 3.06.03-85Пособие к СНиП 3.06.03-85Пособие к СНиП 3.06.03-85Пособие к СНиП 3.06.03-85Пособие к СНиП 3.06.03-85Пособие к СНиП 3.06.03-85Пособие к СНиП 3.06.03-85Пособие к СНиП 3.06.03-85Пособие к СНиП 3.06.03-85Пособие к СНиП 3.06.03-85Пособие к СНиП 3.06.03-85Пособие к СНиП 3.06.03-85Пособие к СНиП 3.06.03-85Пособие к СНиП 3.06.03-85Пособие к СНиП 3.06.03-85Пособие к СНиП 3.06.03-85Пособие к СНиП 3.06.03-85Пособие к СНиП 3.06.03-85Пособие к СНиП 3.06.03-85Пособие к СНиП 3.06.03-85Пособие к СНиП 3.06.03-85Пособие к СНиП 3.06.03-85Пособие к СНиП 3.06.03-85Пособие к СНиП 3.06.03-85Пособие к СНиП 3.06.03-85Пособие к СНиП 3.06.03-85Пособие к СНиП 3.06.03-85Пособие к СНиП 3.06.03-85Пособие к СНиП 3.06.03-85Пособие к СНиП 3.06.03-85Пособие к СНиП 3.06.03-85Пособие к СНиП 3.06.03-85Пособие к СНиП 3.06.03-85Пособие к СНиП 3.06.03-85Пособие к СНиП 3.06.03-85Пособие к СНиП 3.06.03-85Пособие к СНиП 3.06.03-85Пособие к СНиП 3.06.03-85Пособие к СНиП 3.06.03-85Пособие к СНиП 3.06.03-85Пособие к СНиП 3.06.03-85Пособие к СНиП 3.06.03-85