Скачать Серия 1.812.1-6с Выпуск 1. Материалы для проектирования. Технические условия. Рабочие чертежиДата актуализации: 01.01.2021
|
| Обозначение: | Серия 1.812.1-6с |
| Обозначение англ: | Series 1.812.1-6с |
| Статус: | не определен законодательством |
| Название рус.: | Выпуск 1. Материалы для проектирования. Технические условия. Рабочие чертежи |
| Дата добавления в базу: | 01.09.2013 |
| Дата актуализации: | 01.01.2021 |
| Дата введения: | 15.03.1991 |
| Дата окончания срока действия: | 30.06.2003 |
| Область применения: | Настоящая серия 1.812.1-6с содержит материалы для проектирования, технические условия и рабочие чертежи сборных железобетонных фундаментов под трехшарнирные железобетонные рамы пролетами 12, 18 и 21 м с шагом 6 м однопролетных сельскохозяйственных зданий для строительства в районах сейсмичностью 7, 8 и 9 баллов |
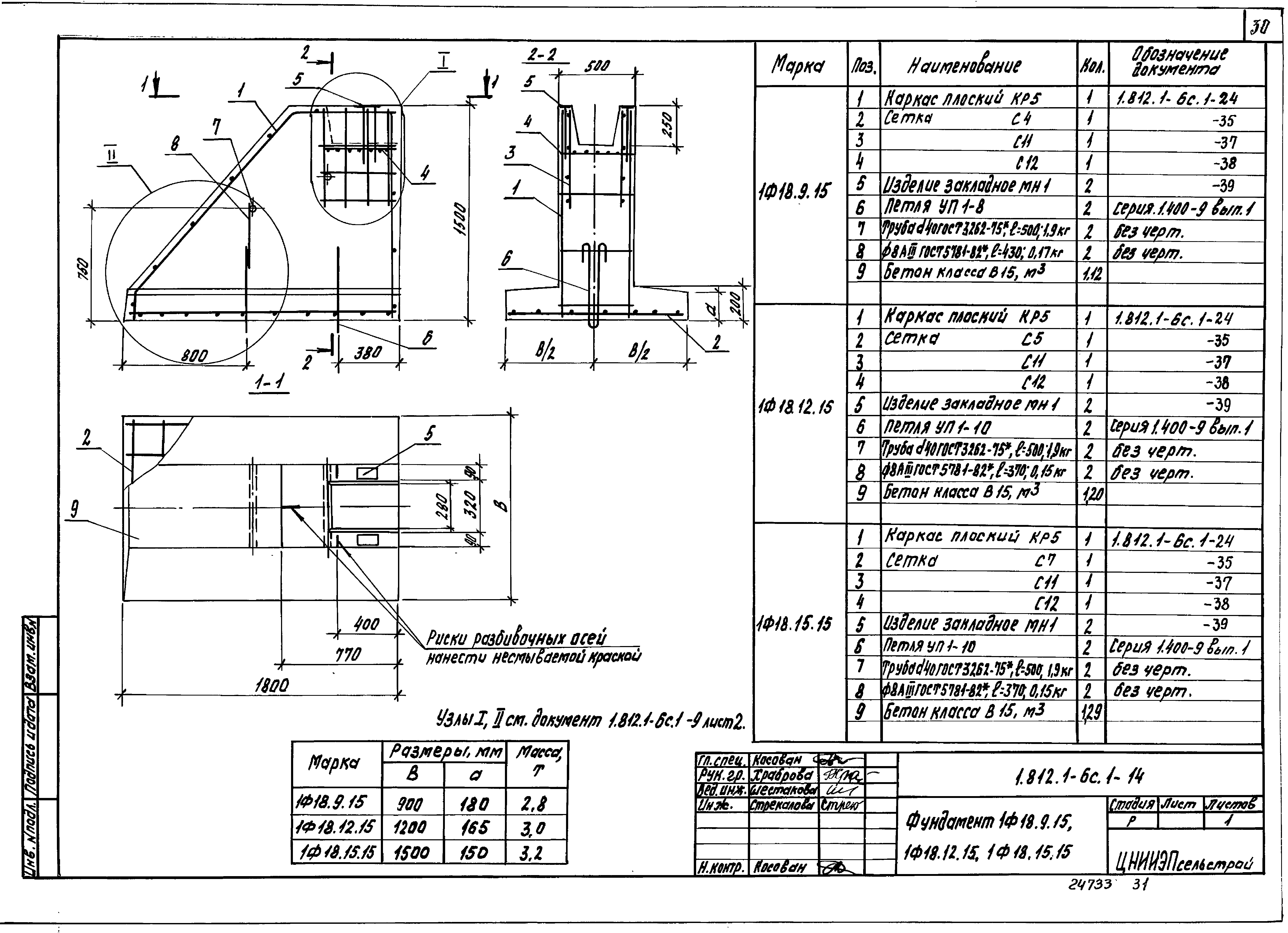
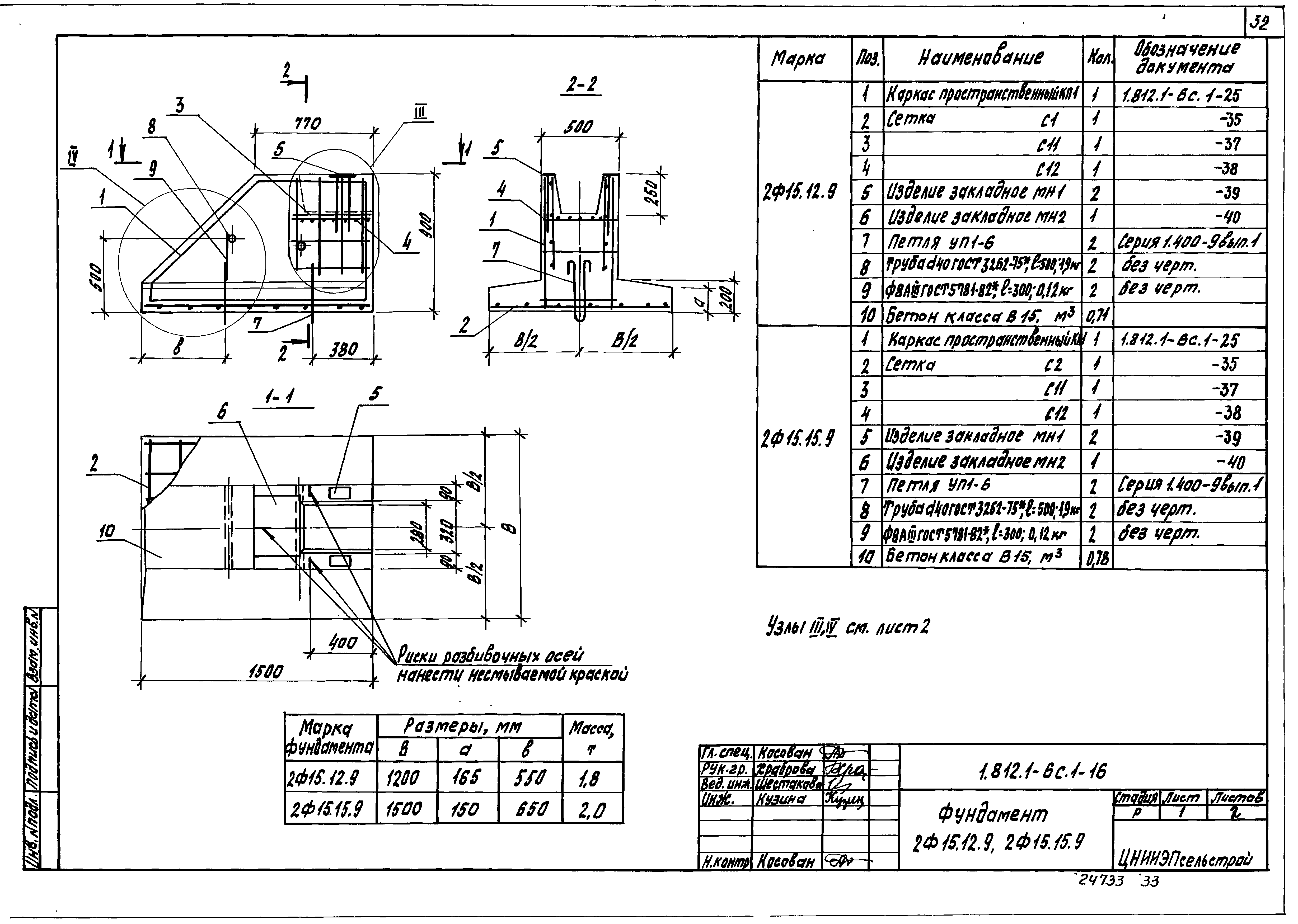
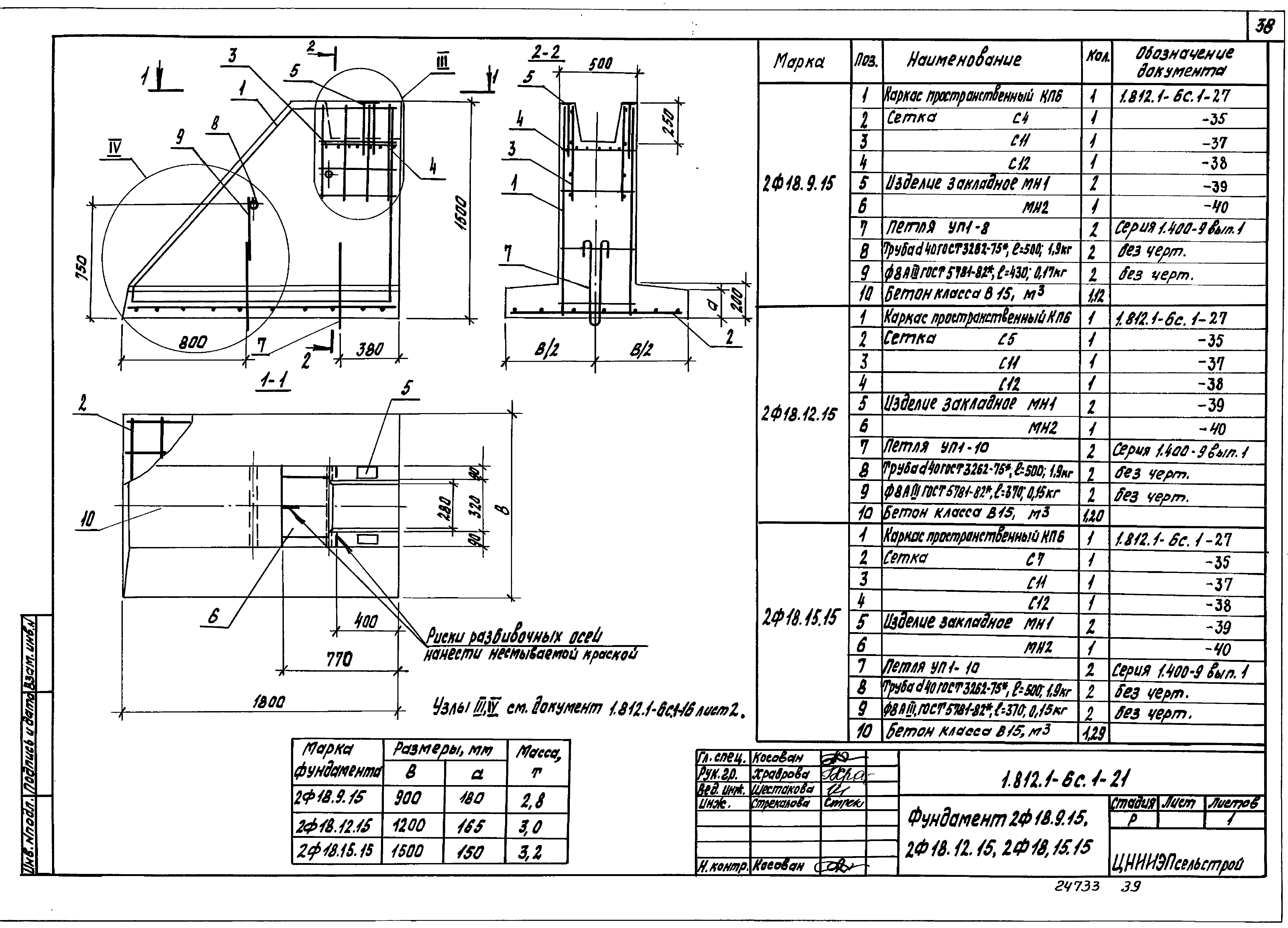
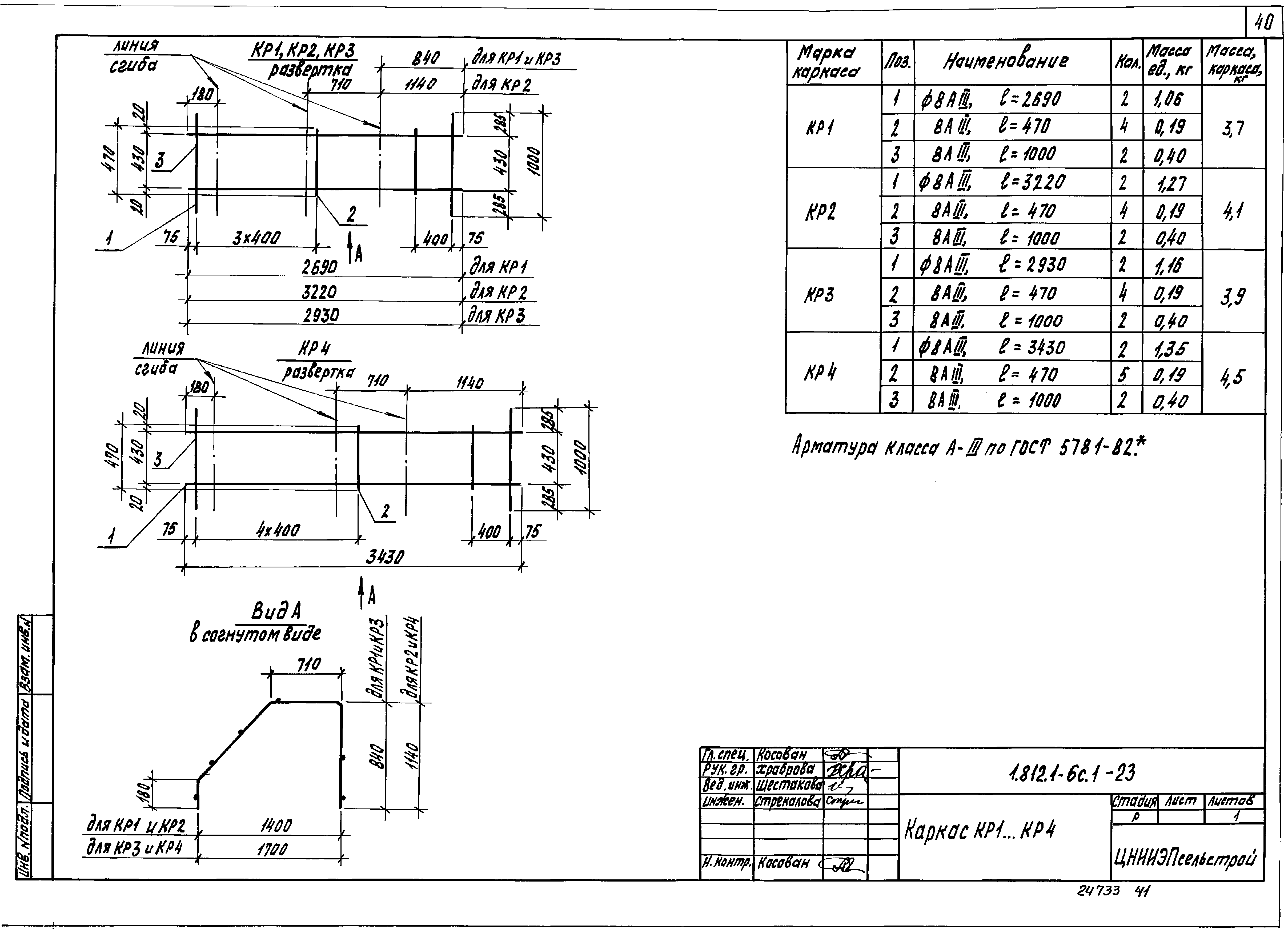
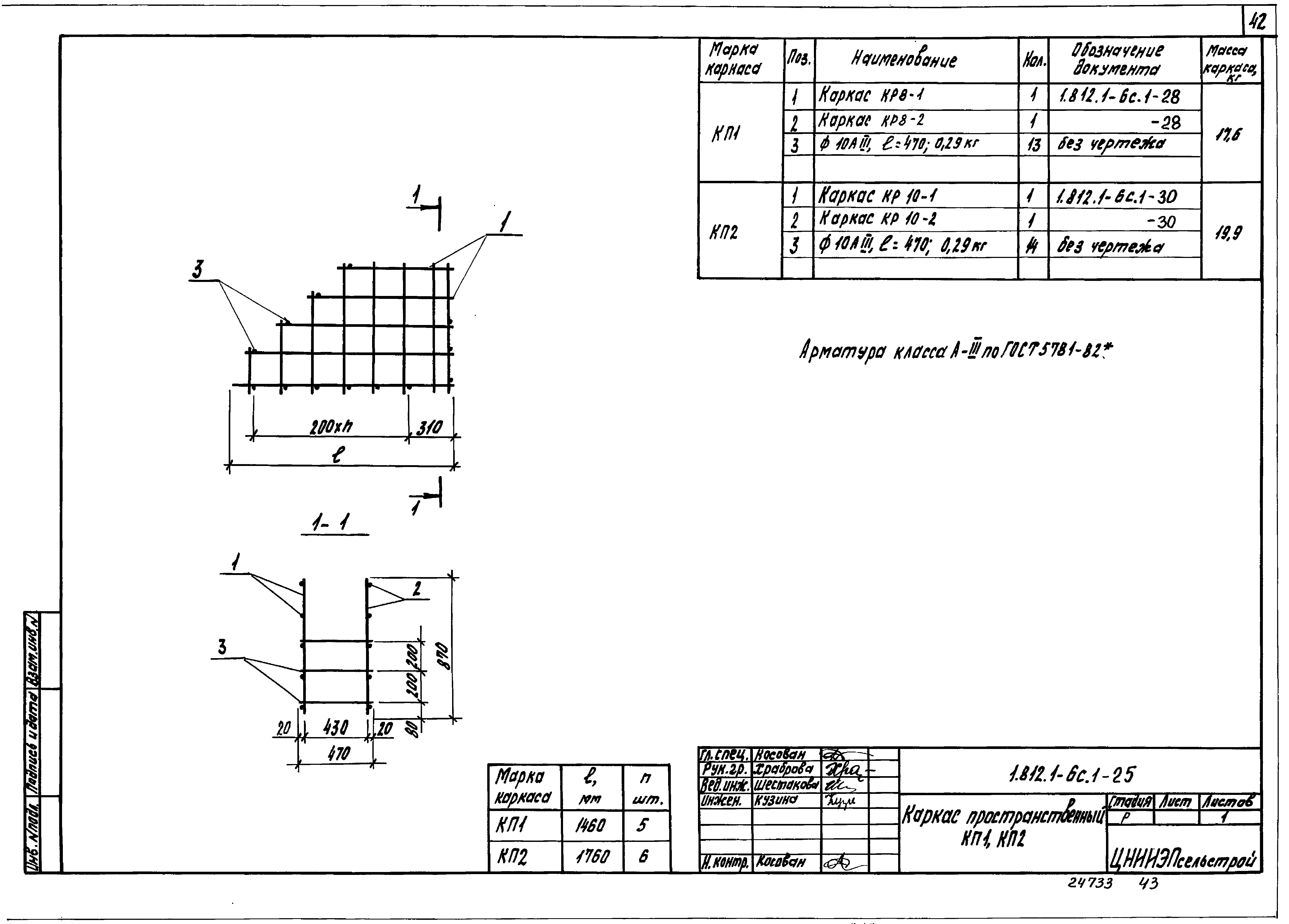
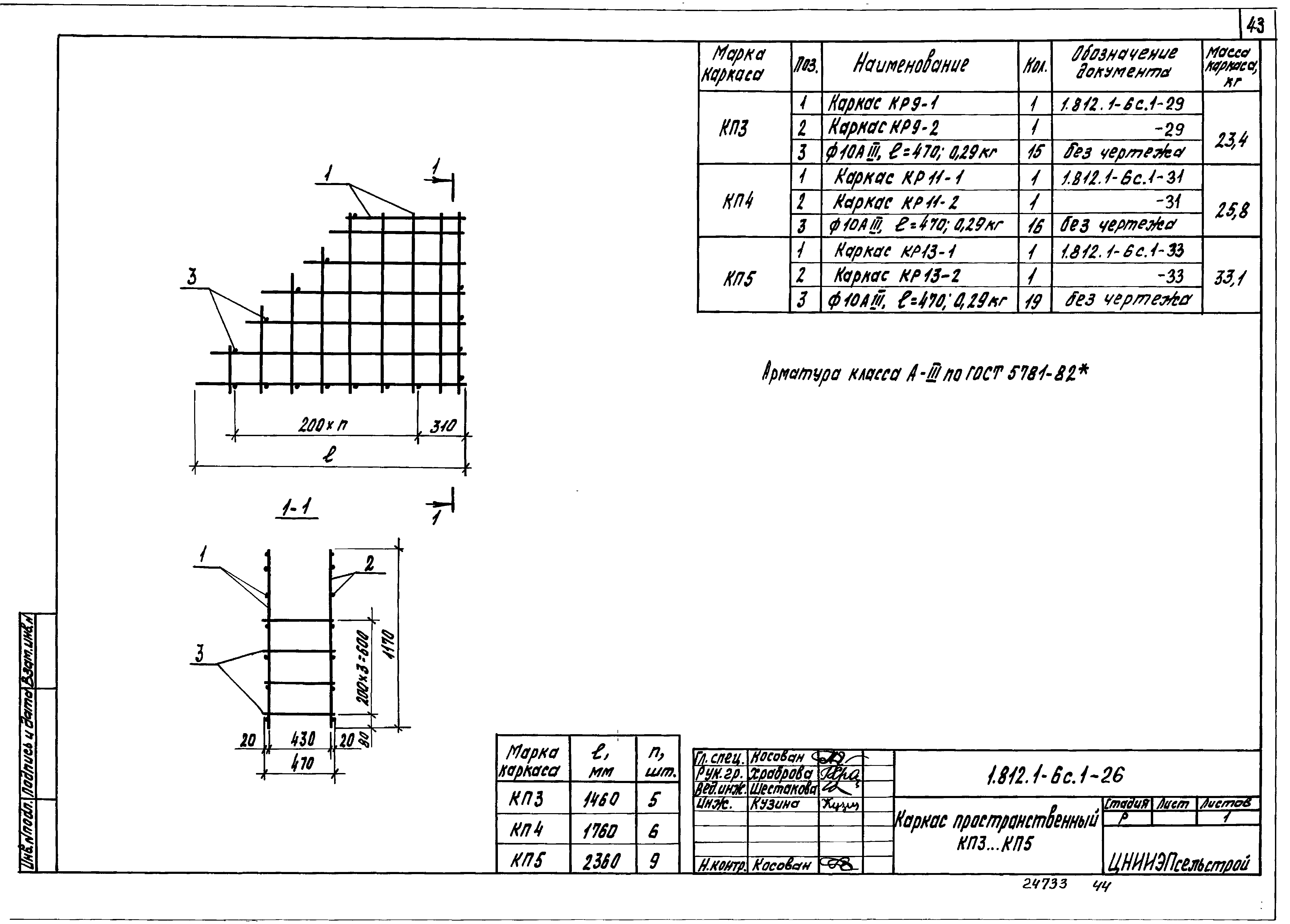
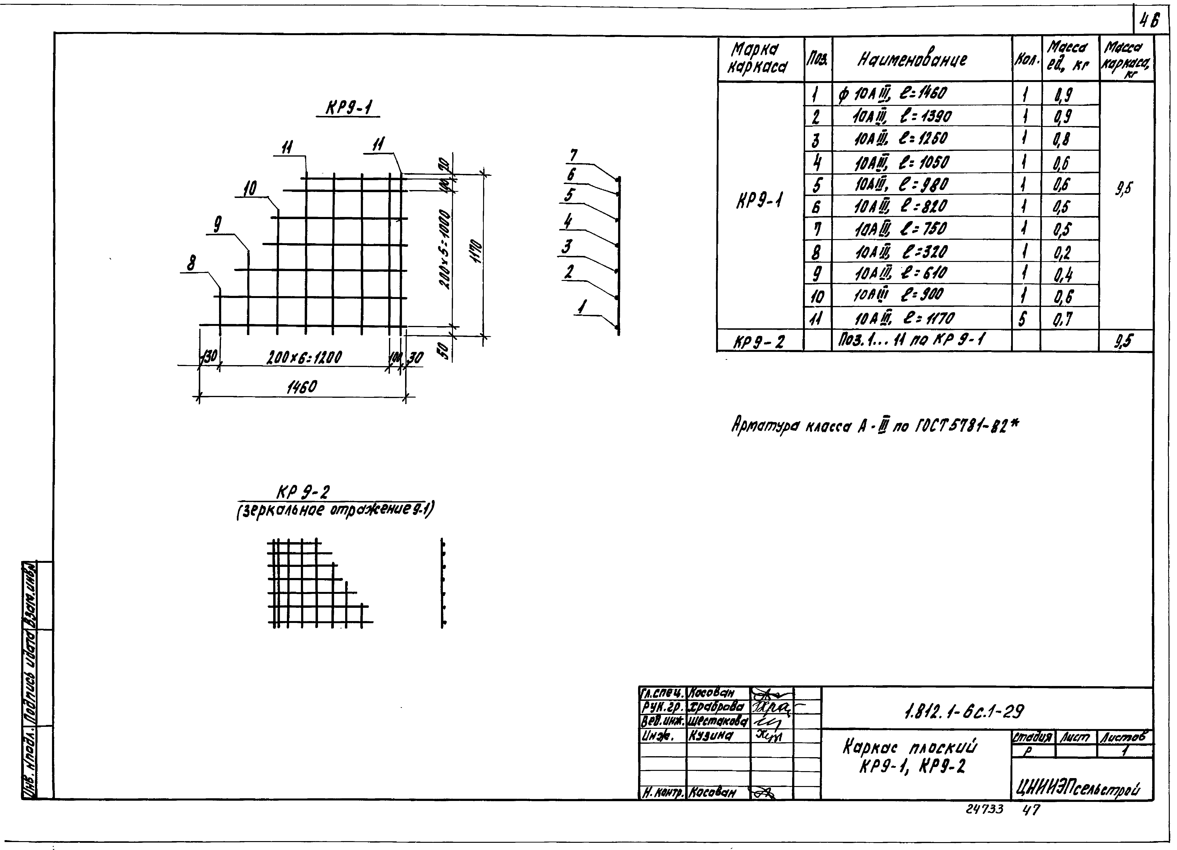
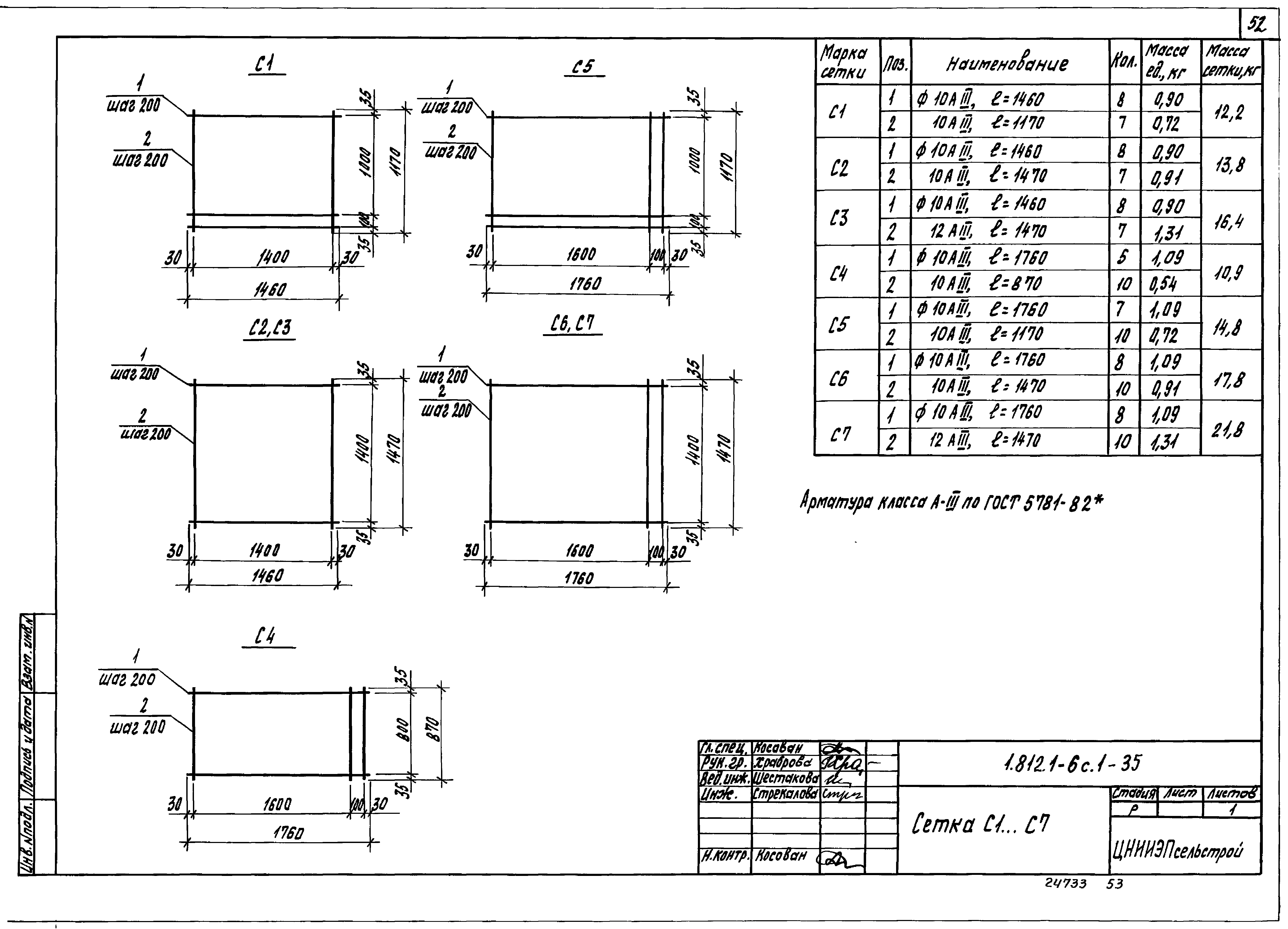
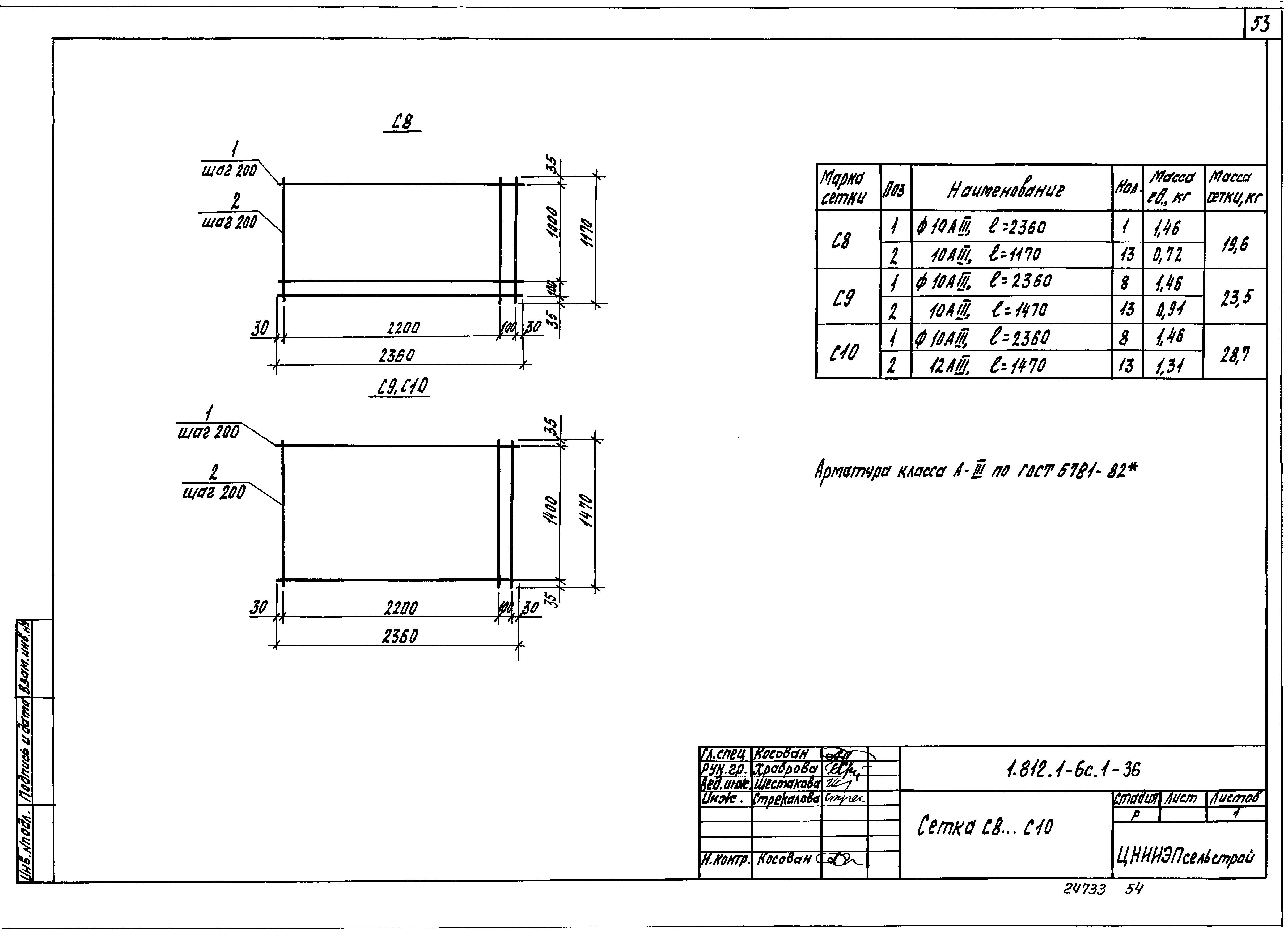
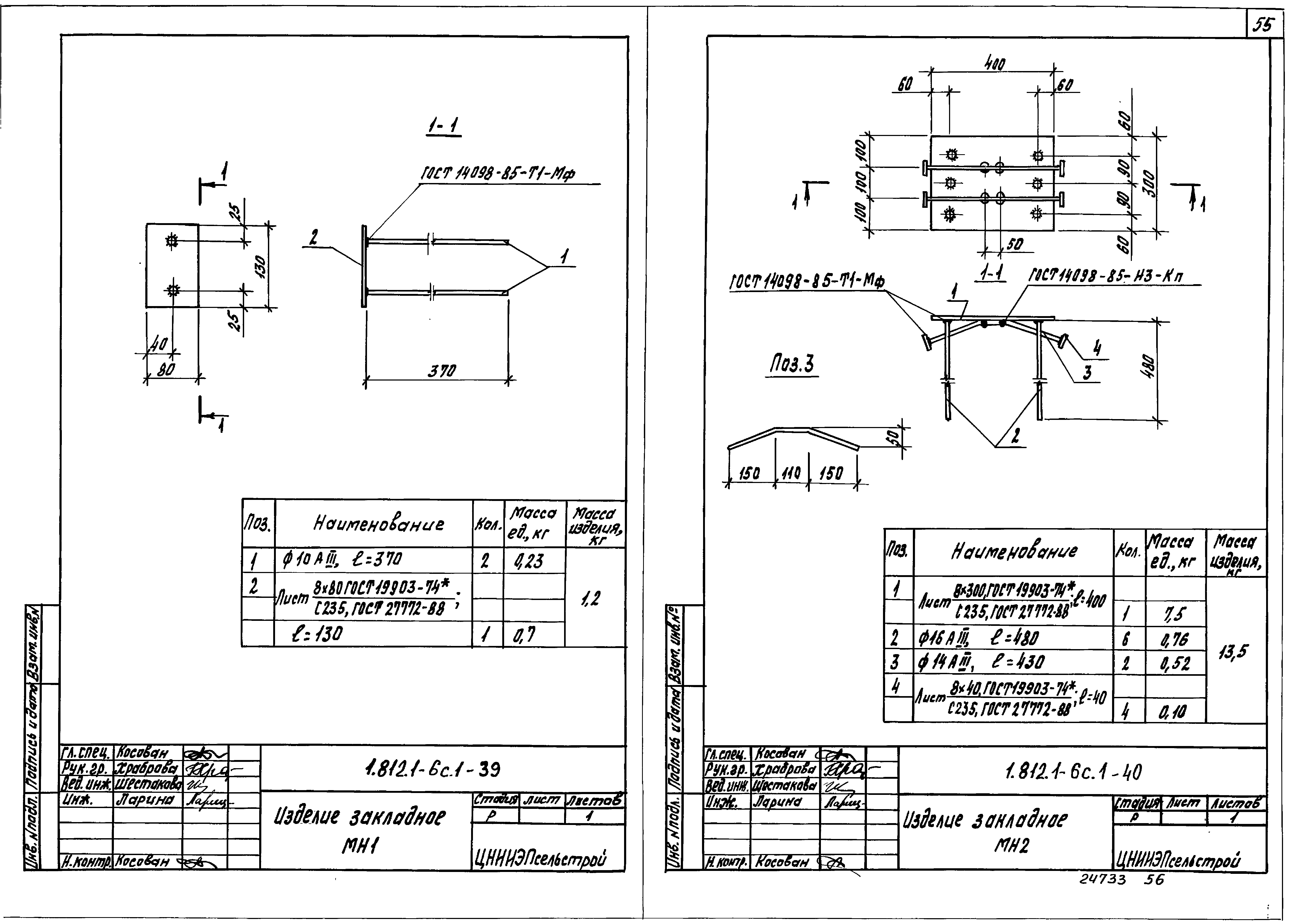
| Оглавление: | 1.812.1-3.2-6.с.1-ПЗ Пояснительная записка 1.812.1-3.2-6.с.1-1НИ Номенклатура фундаментов типа 1Ф 1.812.1-3.2-6.с.1-2НИ Номенклатура фундаментов типа 2Ф 1.812.1-3.2-6.с.1-1 Ключ для подбора фундаментов в песках средней крупности для районов сейсмичностью 7,8 баллов 1.812.1-3.2-6.с.1-2 Ключ для подбора фундаментов в песках средней крупности для районов сейсмичностью 9 баллов 1.812.1-3.2-6.с.1-3 Ключ для подбора фундаментов в песках пылеватых для районов сейсмичностью 7 баллов 1.812.1-3.2-6.с.1-4 Ключ для подбора фундаментов в песках пылеватых для районов сейсмичностью 7,8 баллов 1.812.1-3.2-6.с.1-5 Ключ для подбора фундаментов в суглинках тугопластичных для районов сейсмичностью 7,8 баллов 1.812.1-3.2-6.с.1-6 Ключ для подбора фундаментов в суглинках тугопластичных для районов сейсмичностью 9 баллов 1.812.1-3.2-6.с.1-7 Схема расположения фундаментов 1.812.1-3.2-6.с.1-8 Схема расположения и таблица подбора закладных изделий для крепления связей в фундаментах марок 2Ф… 1.812.1-3.2-6.с.1-Т9 Технические условия 1.812.1-3.2-6.с.1-9 Фундамент 1Ф15.12.9, 1Ф15.15.9 1.812.1-3.2-6.с.1-10 Фундамент 1Ф18.15.9 1.812.1-3.2-6.с.1-11 Фундамент 1Ф15.12.12, 1Ф15.15.12 1.812.1-3.2-6.с.1-12 Фундамент 1Ф18.12.12, 1Ф18.15.12 1.812.1-3.2-6.с.1-13 Фундамент 1Ф24.12.12, 1Ф24.15.12 1.812.1-3.2-6.с.1-14 Фундамент 1Ф18.9.15, 1Ф18.12.15, 1Ф18.15.15 1.812.1-3.2-6.с.1-15 Фундамент 1Ф24.12.15, 1Ф24.15.15 1.812.1-3.2-6.с.1-16 Фундамент 2Ф15.12.9, 2Ф15.15.9 1.812.1-3.2-6.с.1-17 Фундамент 2Ф18.15.9 1.812.1-3.2-6.с.1-18 Фундамент 2Ф15.12.12, 2Ф15.15.12 1.812.1-3.2-6.с.1-19 Фундамент 2Ф18.12.12, 2Ф15.15.12 1.812.1-3.2-6.с.1-20 Фундамент 2Ф24.12.12, 2Ф24.15.12 1.812.1-3.2-6.с.1-21 Фундамент 2Ф18.9.15, 2Ф18.12.15, 2Ф18.15.15 1.812.1-3.2-6.с.1-22 Фундамент 2Ф24.12.15, 2Ф24.15.15 1.812.1-3.2-6.с.1-23 Каркас КР1… КР4 1.812.1-3.2-6.с.1-24 Каркас КР5… КР7 1.812.1-3.2-6.с.1-25 Каркас пространственный КП1, КП2 1.812.1-3.2-6.с.1-26 Каркас пространственный КП3… КП5 1.812.1-3.2-6.с.1-27 Каркас пространственный КП6, КП7 1.812.1-3.2-6.с.1-28 Каркас плоский КР8-1, КР8-2 1.812.1-3.2-6.с.1-29 Каркас плоский КР9-1, КР9-2 1.812.1-3.2-6.с.1-30 Каркас плоский КР10-1, КР10-2 1.812.1-3.2-6.с.1-31 Каркас плоский КР11-1, КР11-2 1.812.1-3.2-6.с.1-32 Каркас плоский КР12-1, КР12-2 1.812.1-3.2-6.с.1-33 Каркас плоский КР13-1, КР13-2 1.812.1-3.2-6.с.1-34 Каркас плоский КР14-1, КР14-2 1.812.1-3.2-6.с.1-35 Сетка С1… С7 1.812.1-3.2-6.с.1-36 Сетка С8… С10 1.812.1-3.2-6.с.1-37 Сетка С11 1.812.1-3.2-6.с.1-38 Сетка С12 1.812.1-3.2-6.с.1-39 Изделие закладное МН1 1.812.1-3.2-6.с.1-40 Изделие закладное МН2 1.812.1-3.2-6.с.1-41 Изделие закладное МН3-1… МН3-4 1.812.1-3.2-6.с.1-РС Ведомость расхода стали |
| Разработан: | НИИЖБ ЦНИИЭПсельстрой |
| Утверждён: | 18.09.1990 Госстрой СССР (Государственный комитет Совета Министров СССР по делам строительства) (USSR Gosstroy 5/6-791) |
| Нормативные ссылки: |
|


























































