Скачать Серия 1.832.5-11 Выпуск 3. Панели с внутренней обшивкой из ДВП и наружной обшивкой из волнистых асбестоцементных листов УВ, устанавливаемых при монтаже стен. Рабочие чертежиДата актуализации: 01.01.2021
|
| Обозначение: | Серия 1.832.5-11 |
| Обозначение англ: | Series 1.832.5-11 |
| Статус: | не определен законодательством |
| Название рус.: | Выпуск 3. Панели с внутренней обшивкой из ДВП и наружной обшивкой из волнистых асбестоцементных листов УВ, устанавливаемых при монтаже стен. Рабочие чертежи |
| Дата добавления в базу: | 01.09.2013 |
| Дата актуализации: | 01.01.2021 |
| Дата введения: | 01.03.1987 |
| Дата окончания срока действия: | 30.06.2003 |
| Область применения: | Настоящий выпуск содержит рабочие чертежи утепленных вентилируемых стеновых панелей с деревянным каркасом, внутренней обшивкой из ДВП и наружной обшивкой из волнистых асбестоцементных листов УВ, устанавливаемой при монтаже стен |
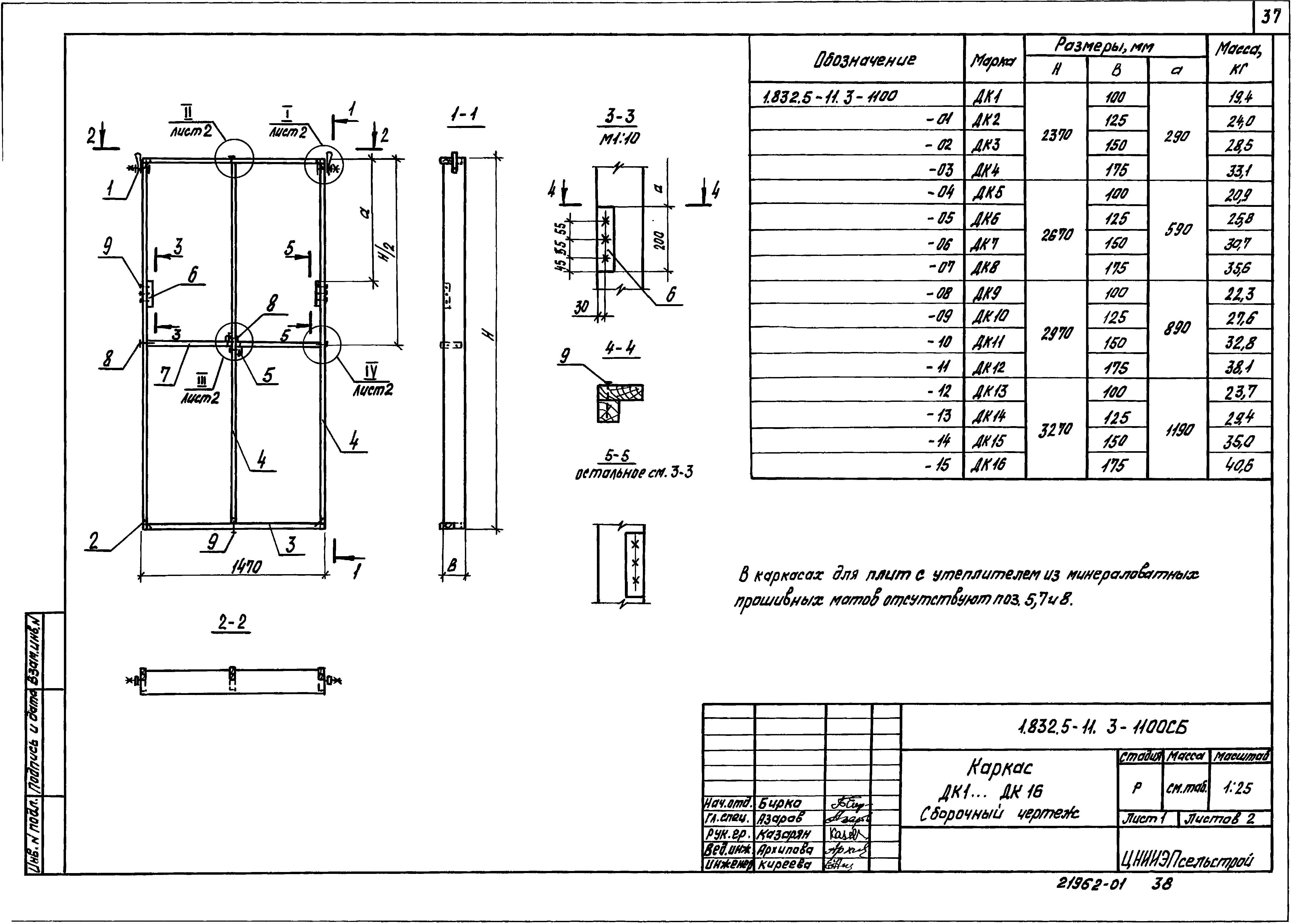
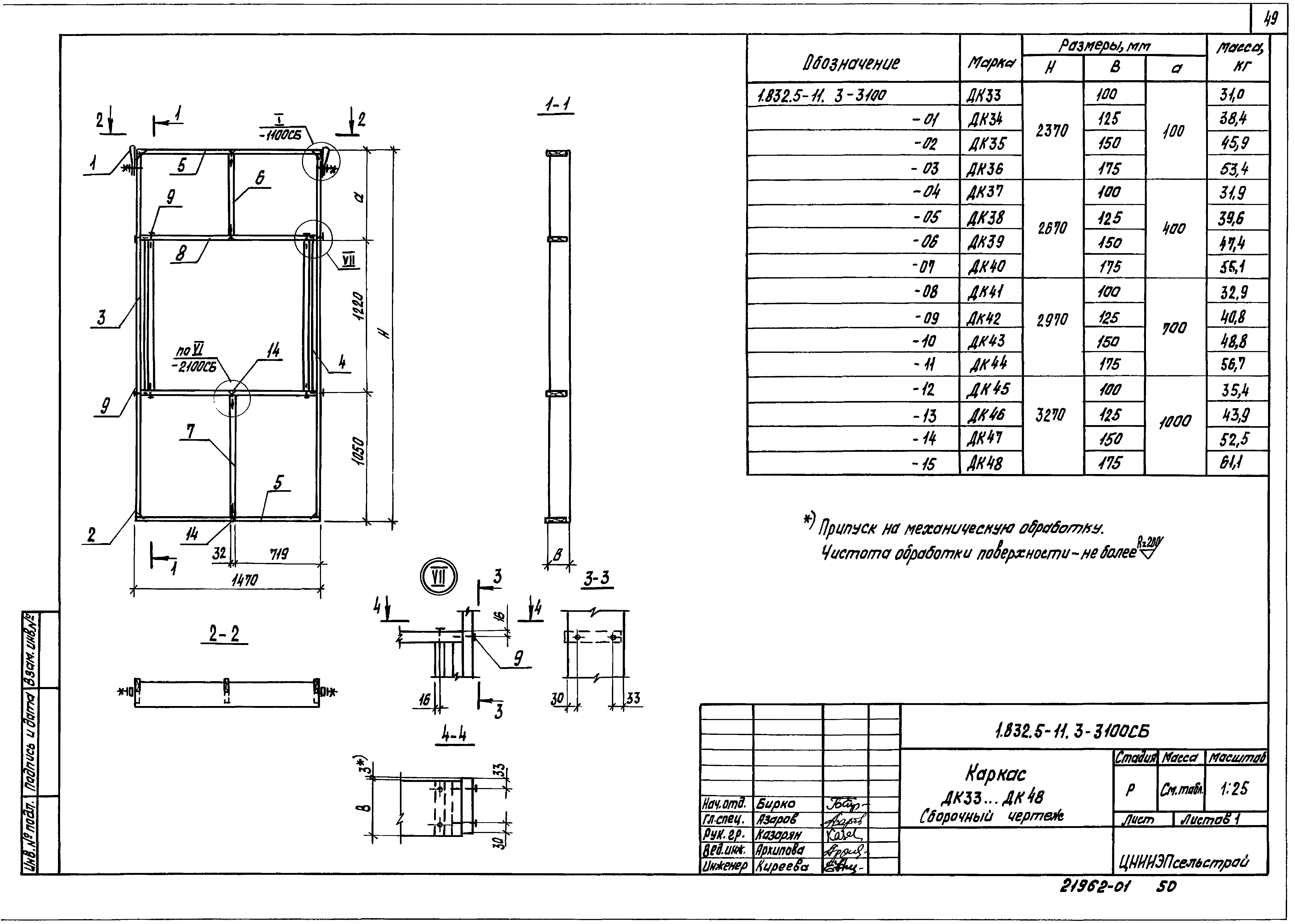
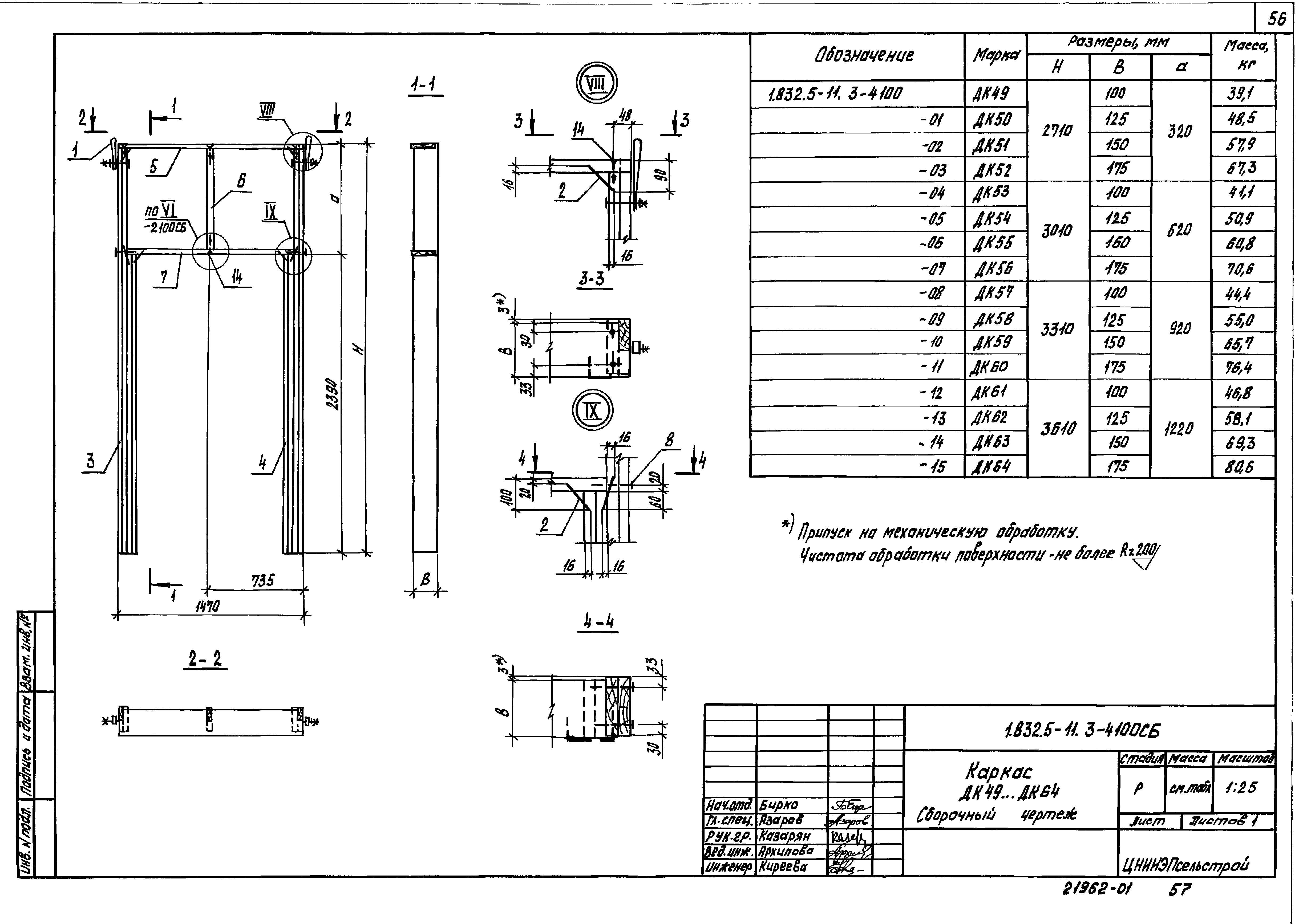
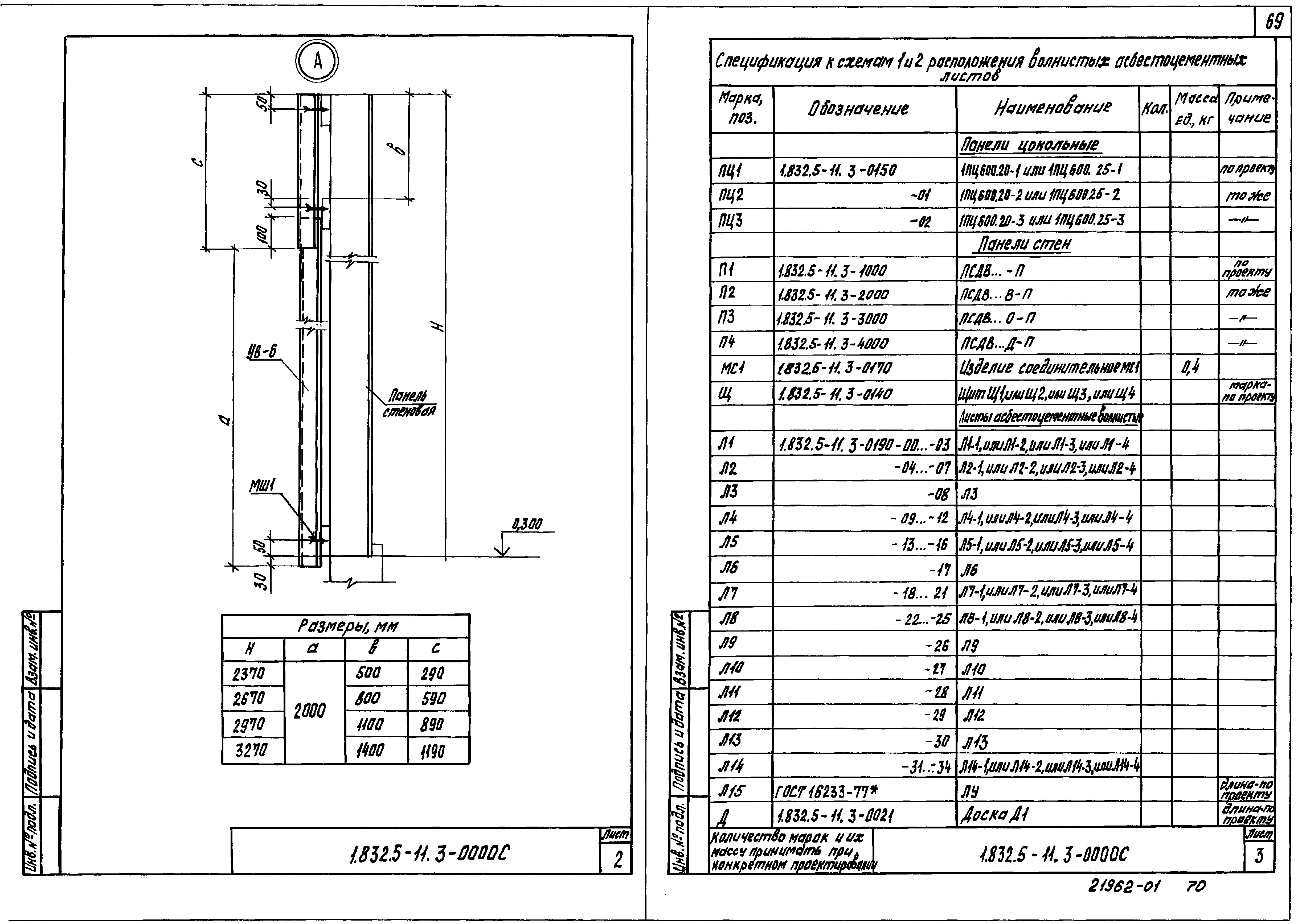
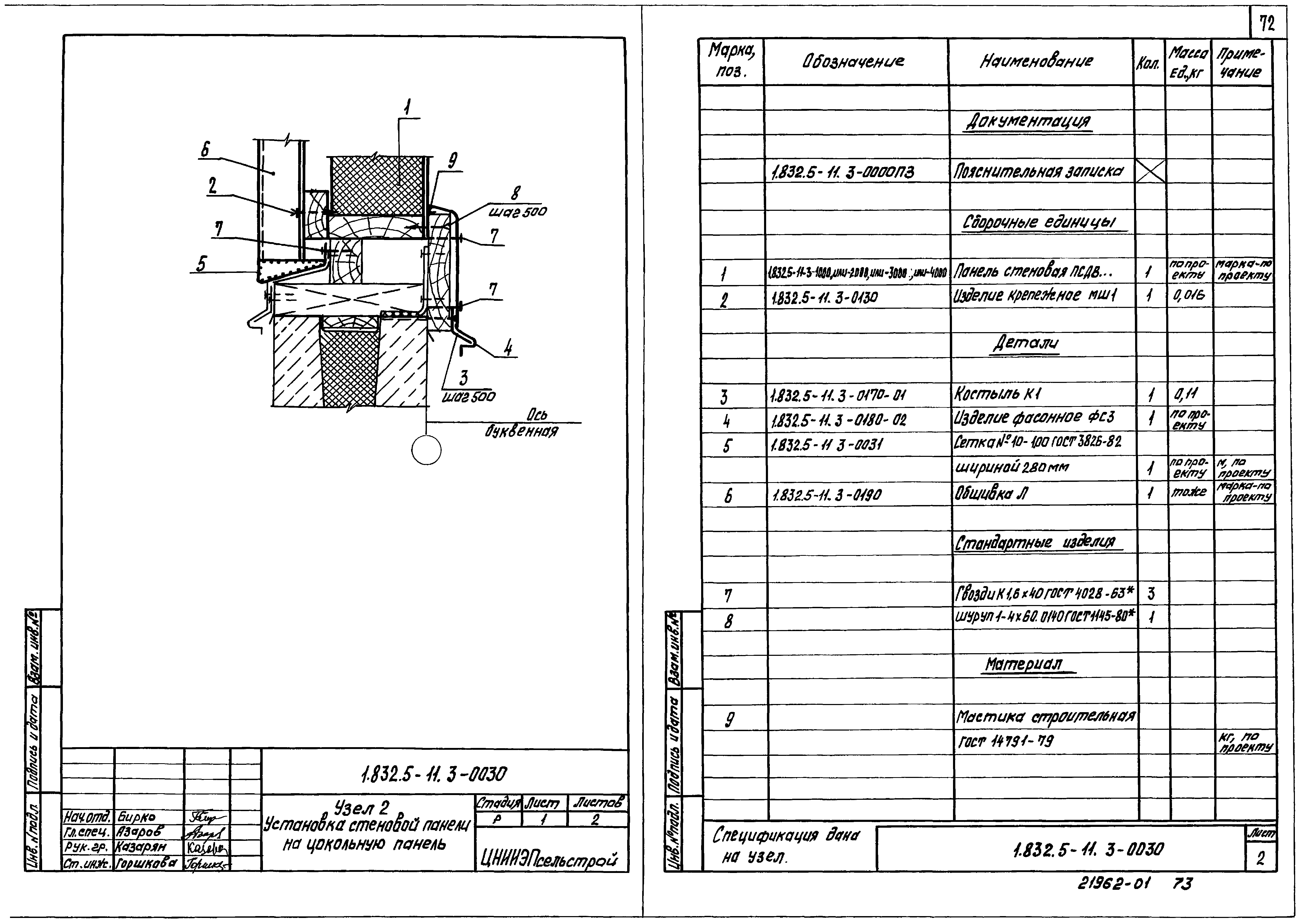
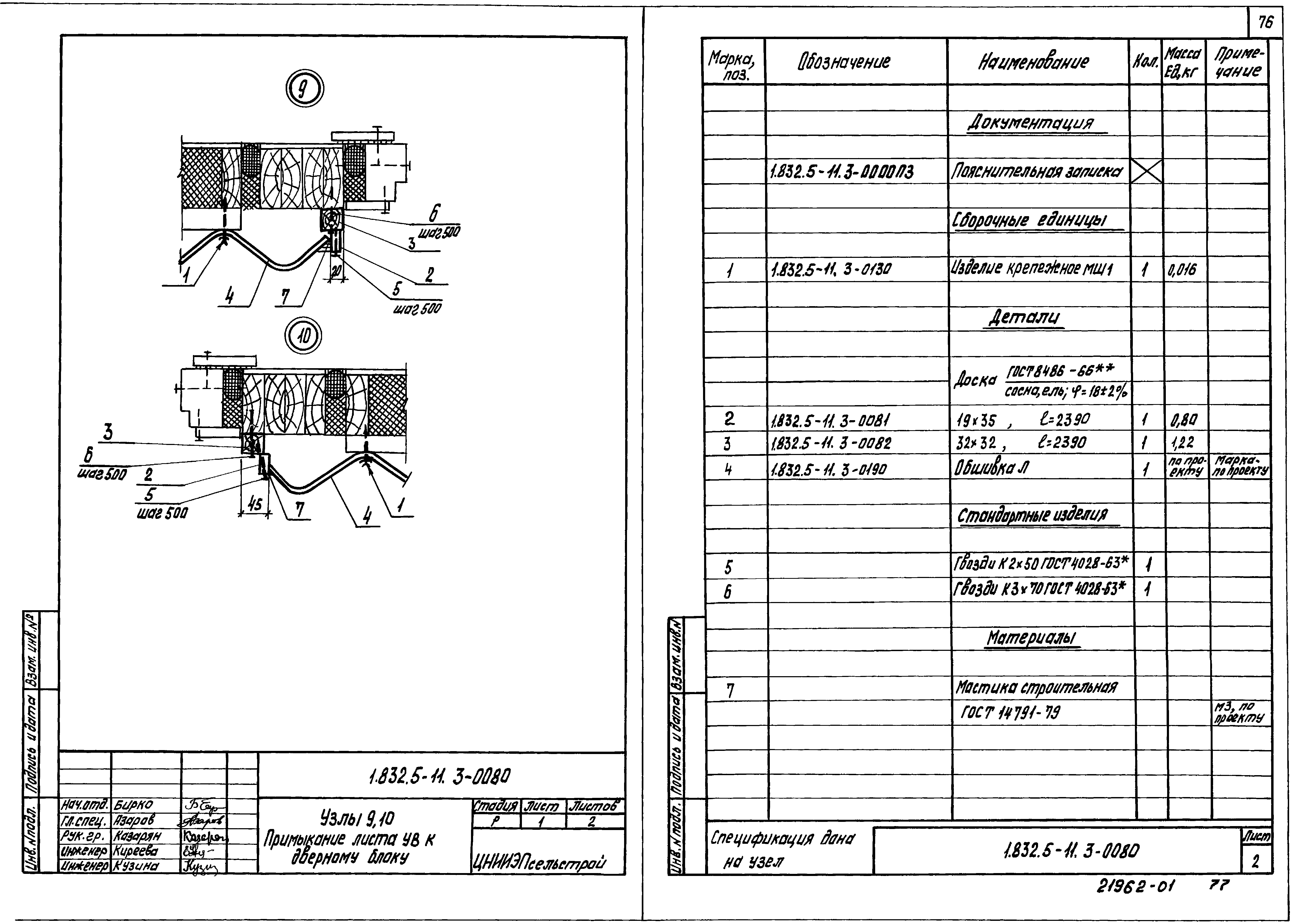
| Оглавление: | 1.832.5-11.3-0000 ПЗ Пояснительная записка 1.832.5-11.3-0000 ТУ Технические условия 1.832.5-11.3-0000 Н Номенклатура панелей 1.832.5-11.3-1000 Панели ПСДВ… 1.832.5-11.3-1000 СБ Панели ПСДВ… Сборочный чертеж 1.832.5-11.3-2000 Панели ПСДВ… В 1.832.5-11.3-2000 СБ Панели ПСДВ… В. Сборочный чертеж 1.832.5-11.3-3000 Панели ПСДВ… О 1.832.5-11.3-3000 СБ Панели ПСДВ… О. Сборочный чертеж 1.832.5-11.3-4000 Панели ПСДВ… Д 1.832.5-11.3-4000 СБ Панели ПСДВ… Д. Сборочный чертеж 1.832.5-11.3-1100 Каркас ДК1… ДК16 1.832.5-11.3-1100 СБ Каркас ДК1… ДК16. Сборочный чертеж 1.832.5-11.3-1110 Петля М1, М2 1.832.5-11.3-2100 Каркас ДК17… ДК32 1.832.5-11.3-2100 СБ Каркас ДК17… ДК32. Сборочный чертеж 1.832.5-11.3-2110 Ребро Р1… Р16 1.832.5-11.3-2110 СБ Ребро Р1… Р16. Сборочный чертеж 1.832.5-11.3-2120 Ребро Р17… Р20 1.832.5-11.3-2120 СБ Ребро Р17… Р20. Сборочный чертеж 1.832.5-11.3-3100 Каркас ДК33… ДК48 1.832.5-11.3-3100 СБ Каркас ДК33… ДК48. Сборочный чертеж 1.832.5-11.3-3110 Ребро Р21… Р52 1.832.5-11.3-3110 СБ Ребро Р21… Р52. Сборочный чертеж 1.832.5-11.3-4100 Каркас ДК49… ДК64 1.832.5-11.3-4100 СБ Каркас ДК49… ДК64. Сборочный чертеж 1.832.5-11.3-4100 Ребро Р53… Р84 1.832.5-11.3-4100 СБ Ребро Р53… Р84. Сборочный чертеж 1.832.5-11.3-0001 Скоба 1.832.5-11.3-0002 Ребро Р85… Р148 1.832.5-11.3-5000 Ведомость потребности в материалах для панелей ПСДВ… 1.832.5-11.3-6000 Ведомость потребности в материалах для панелей ПСДВ… В 1.832.5-11.3-7000 Ведомость потребности в материалах для панелей ПСДВ… О 1.832.5-11.3-8000 Ведомость потребности в материалах для панелей ПСДВ… Д 1.832.5-11.3-0000 С Схемы расположения 1, 2 расположения волнистых асбестоцементных листов 1.832.5-11.3-0010 Фрагмент 1 1.832.5-11.3-0020 Узел 1. Установка щита на цокольную панель 1.832.5-11.3-0030 Узел 2. Установка щита на цокольную панель 1.832.5-11.3-0040 Узел 3. Заделка цокольного шва 1.832.5-11.3-0050 Узел 4. Заделка шва между панелями 1.832.5-11.3-0060 Узел 5, 6. Примыкание листа УВ к вентиляционному отверстию 1.832.5-11.3-0070 Узел 7, 8. Примыкание листа УВ к оконному блоку 1.832.5-11.3-0080 Узел 9, 10. Примыкание листа УВ к дверному блоку 1.832.5-11.3-0090 Узлы 11, 12, 13. Установка листа УВ над дверным и оконным блоками и вентиляционным отверстием 1.832.5-11.3-0100 Узлы 14. Установка листа УВ под оконным блоком 1.832.5-11.3-0110 Узел 15. Деформационный шов в обшивке из листов УВ 1.832.5-11.3-0120 Узел 16. Заделки карниза 1.832.5-11.3-0130 Изделие крепежное МШ1, МШ2 1.832.5-11.3-0130 СБ Изделие крепежное МШ1, МШ2. Сборочный чертеж 1.832.5-11.3-0140 Щит Щ1… Щ4 1.832.5-11.3-0140 СБ Щит Щ1… Щ4. Сборочный чертеж 1.832.5-11.3-0150 Панель цокольная 1ПЦ 600… -1, 1ПЦ 600… -2, 1ПЦ 600… -3 1.832.5-11.3-0160 Деталь крепежная Ш1, ПМ1, ПМ2 1.832.5-11.3-0170 Изделие соединительное МС1. Костыль К1… К5 1.832.5-11.3-0180 Изделие фасонное ФС1… ФС7 1.832.5-11.3-0190 Обшивка Л1… Л14 |
| Разработан: | ЦНИИСК им. В.А. Кучеренко ЦНИИЭПсельстрой |
| Утверждён: | 05.12.1986 Госстрой СССР (Государственный комитет Совета Министров СССР по делам строительства) (USSR Gosstroy А4-90) |
| Нормативные ссылки: |
|





















































































