Скачать ГОСТ Р 52863-2007 Защита информации. Автоматизированные системы в защищенном исполнении. Испытания на устойчивость к преднамеренным силовым электромагнитным воздействиям. Общие требованияДата актуализации: 01.01.2021
|
| Обозначение: | ГОСТ Р 52863-2007 |
| Обозначение англ: | GOST R 52863-2007 |
| Статус: | введен впервые |
| Название рус.: | Защита информации. Автоматизированные системы в защищенном исполнении. Испытания на устойчивость к преднамеренным силовым электромагнитным воздействиям. Общие требования |
| Название англ.: | Protection of information. Protective automatically systems. Testing for stability to intentional power electromagnetic influence. General requirements |
| Дата добавления в базу: | 01.09.2013 |
| Дата актуализации: | 01.01.2021 |
| Дата введения: | 01.07.2008 |
| Область применения: | Стандарт распространяется на автоматизированные системы в защищенном исполнении, предназначенные для защиты от преднамеренных воздействий на информацию в целях ее уничтожения, искажения или блокирования при разработке, изготовлении и эксплуатации таких систем. Стандарт входит в комплекс стандартов «Информационная технология. Автоматизированные системы» и устанавливает дополнительные требования и положения в части создания и применения автоматизированных систем в защищенном от преднамеренных силовых электромагнитных воздействий исполнении. |
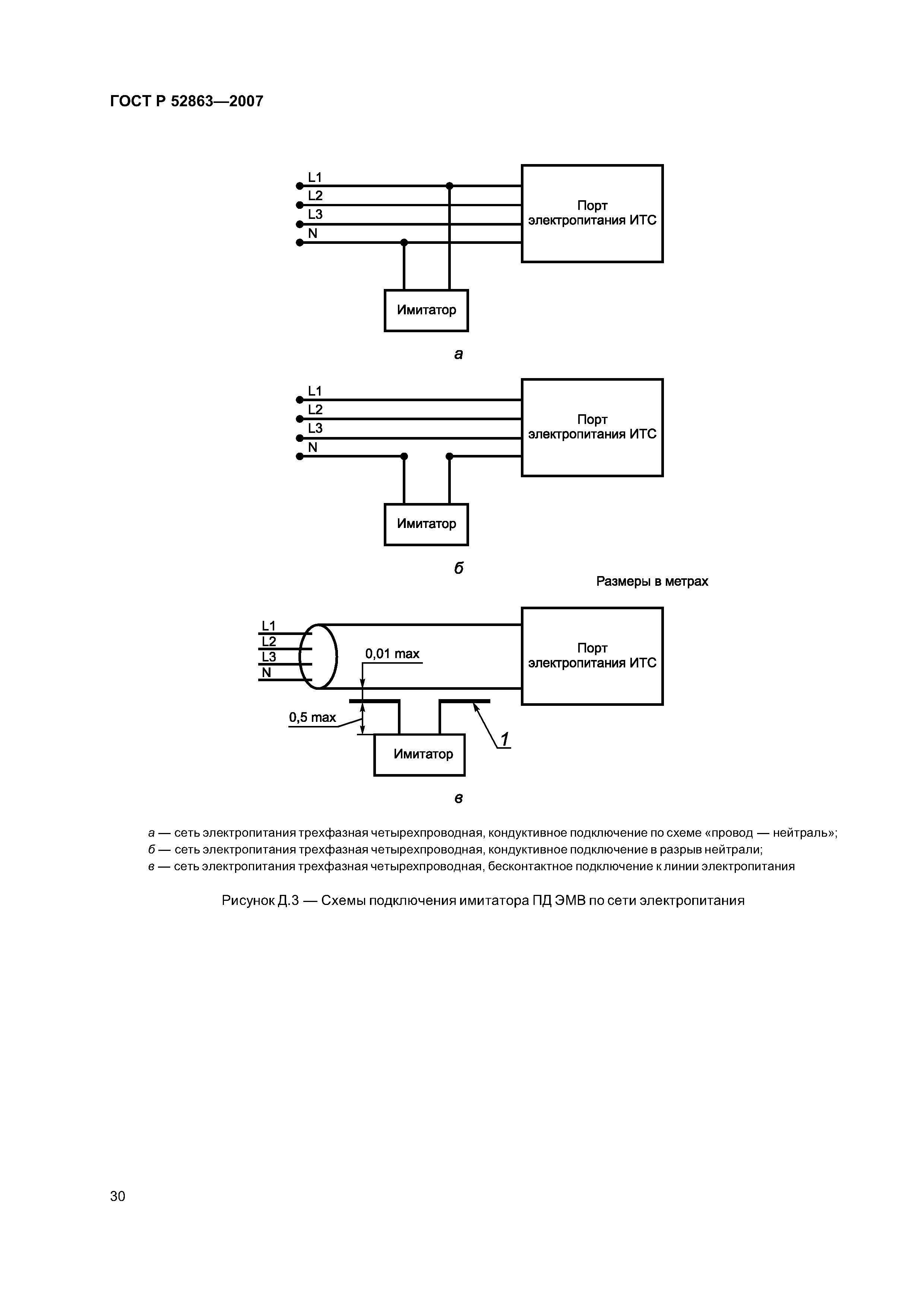
| Оглавление: | 1 Область применения 2 Нормативные ссылки 3 Термины, определения и сокращения 4 Требования устойчивости к преднамеренным силовым электромагнитным воздействиям 5 Степени жесткости испытаний 6 Требования к испытаниям автоматизированных систем в защищенном исполнении 6.1 Общие положения 6.2 Объект испытаний 6.3 Испытательное оборудование 6.4 Порядок и условия проведения испытаний 6.5 Методы испытаний 6.6 Результаты испытаний Приложение А (обязательное) Качественные признаки классификации условий эксплуатации автоматизированных систем в защищенном исполнении Приложение Б (рекомендуемое) Основные характеристики имитаторов преднамеренного силового электромагнитного воздействия Приложение В (рекомендуемое) Основные характеристики устройств связи/развязки имитаторов преднамеренного силового электромагнитного воздействия Приложение Г (обязательное) Порядок проведения испытаний технических средств Приложение Д (рекомендуемое) Схемы испытаний на устойчивость к преднамеренным силовым электромагнитным воздействиям Приложение Е (обязательное) Критерии оценки качества функционирования автоматизированных систем в защищенном исполнении |
| Разработан: | ФГУП ВНИИОФИ СПбФ ФГУП НТЦ Атлас ФГУ ГНИИИ ПТЗИ ФСТЭК России ЗАО ЭМСОТЕХ ФГУП НИИИТ ФГУП Проектный институт ФСБ России МГИЭМ ЗАО НПО ФИД-Техника |
| Утверждён: | 27.12.2007 Федеральное агентство по техническому регулированию и метрологии (515-ст) |
| Издан: | Стандартинформ (2008 г. ) |
| Нормативные ссылки: |
|





































