Скачать Руководство по возведению тепловых агрегатов из жаростойкого бетонаДата актуализации: 01.01.2021
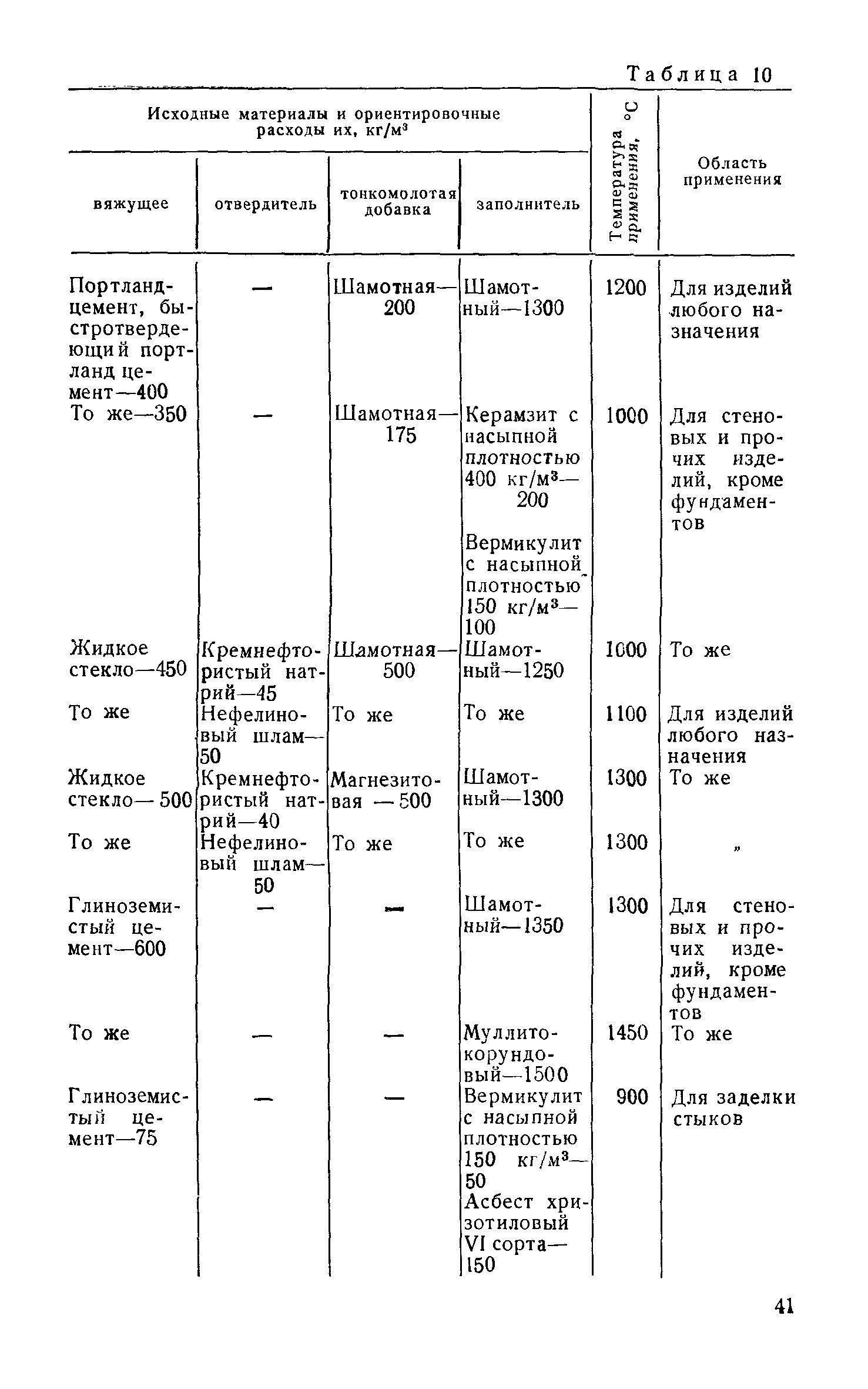
Руководство по возведению тепловых агрегатов из жаростойкого бетона| Статус: | не действует | | Название рус.: | Руководство по возведению тепловых агрегатов из жаростойкого бетона | | Дата добавления в базу: | 01.09.2013 | | Дата актуализации: | 01.01.2021 | | Область применения: | Руководство разработано к главе СНиП III-15-76 "Бетонные и железобетонные конструкции монолитные", "Инструкции по технологии приготовления жаростойких бетонов" (СН 156-79) и рекомендуется для проведения работ по возведению футеровок тепловых агрегатов из жаростойкого монолитного и сборного бетона, по сушке и первому разогреву их, а также ремонту футеровок после эксплуатации. | | Оглавление: | Предисловие 1 Общие положения 2 Составы и основные свойства жаростойких бетонов 3 Требования к исходным материалам, заготовка, хранение и контроль качества материалов 4 Подбор состава жаростойкого бетона 5 Приготовление бетонной смеси 6 Изготовление конструкций из жаростойких бетона и железобетона 7 Изготовление изделий из бетона и железобетона. Приемка готовых изделий 8 Жаростойкие растворы 9 Возведение конструкций и футеровок тепловых агрегатов из сборных бетонных изделий 10 Производство работ в зимних условиях 11 Сушка и первый разогрев тепловых агрегатов 12 Контроль качества работ 13 Ремонт футеровки тепловых агрегатов 14 Техника безопасности Приложения | | Разработан: | НИИЖБ Госстроя СССР Трест Союзтеплострой Минмонтажспецстроя СССР
| | Утверждён: | 24.11.1983 НИИЖБ Госстроя РФ (NIIZhB, Russian Federation Gosstroy )
| | Издан: | Стройиздат (1983 г. )
| | Нормативные ссылки: |  ГОСТ 10178-76 «Портландцемент и шлакопортландцемент. Технические условия» СН 482-76 «Инструкция по проектированию бетонных и железобетонных конструкций, предназначенных для работы в условиях воздействия повышенных и высоких температур» СНиП III-15-76 «Бетонные и железобетонные конструкции монолитные» ГОСТ 2081-2010 «Карбамид. Технические условия»  ГОСТ 10832-2009 «Песок и щебень перлитовые вспученные. Технические условия» ГОСТ 2642.1-71 «Материалы и изделия огнеупорные. Методы химического анализа огнеупорных глин, каолинов, шамотных, графитошамотных и полукислых изделий, кварцитов и динасовых изделий» ГОСТ 2642.3-71 «Материалы и изделия огнеупорные. Методы химического анализа доломитов, магнезитов и изделий из них, талько-магнезитов, дунитов, форстеритовых огнеупоров» ГОСТ 2642.4-71 «Материалы и изделия огнеупорные. Методы химического анализа хромитовых руд и хромсодержащих огнеупорных материалов, масс и изделий из них» ГОСТ 10678-76 «Кислота ортофосфорная термическая. Технические условия» ГОСТ 12170-85 «Огнеупоры. Стационарный метод измерения теплопроводности» ГОСТ 13079-81 «Силикат натрия растворимый. Технические условия» ГОСТ 19906-74 «Нитрит натрия технический. Технические условия» ГОСТ 21907-76 «Циркония двуокись. Технические условия»  ГОСТ 310.1-76 «Цементы. Методы испытаний. Общие положения»  ГОСТ 310.3-76 «Цементы. Методы определения нормальной густоты, сроков схватывания и равномерности изменения объема»  ГОСТ 969-91 «Цементы глиноземистые и высокоглиноземистые. Технические условия»  ГОСТ 5802-86 «Растворы строительные. Методы испытаний»  ГОСТ 10180-90 «Бетоны. Методы определения прочности по контрольным образцам»  ГОСТ 10181.0-81 «Смеси бетонные. Общие требования к методам испытаний»  ГОСТ 12730.1-78 «Бетоны. Методы определения плотности»  ГОСТ 20910-90 «Бетоны жаростойкие. Технические условия»  ГОСТ 23732-79 «Вода для бетонов и растворов. Технические условия» ГОСТ 4142-77 «Реактивы. Кальций азотнокислый 4-водный. Технические условия» ГОСТ 4689-74 «Изделия огнеупорные периклазовые. Технические условия»  ГОСТ 2642.0-86 «Огнеупоры и огнеупорное сырье. Общие требования к методам анализа»  ГОСТ 2228-81 «Бумага мешочная. Технические условия»  ГОСТ 13078-81 «Стекло натриевое жидкое. Технические условия» СНиП III-4-80* «Техника безопасности в строительстве»
|
                                                                 
|