Скачать ГОСТ Р 51318.20-2012 Совместимость технических средств электромагнитная. Приемники звукового и телевизионного вещания и связанное с ними оборудование. Характеристики помехоустойчивости. Нормы и методы измеренийДата актуализации: 01.01.2021
|
| Обозначение: | ГОСТ Р 51318.20-2012 |
| Обозначение англ: | GOST R 51318.20-2012 |
| Статус: | действует |
| Название рус.: | Совместимость технических средств электромагнитная. Приемники звукового и телевизионного вещания и связанное с ними оборудование. Характеристики помехоустойчивости. Нормы и методы измерений |
| Название англ.: | Electromagnetic compatibility of technical equipment. Sound and television broadcast receivers and associated equipment. Immunity characteristics. Limits and methods of measurement |
| Дата добавления в базу: | 01.10.2014 |
| Дата актуализации: | 01.01.2021 |
| Дата введения: | 01.01.2013 |
| Область применения: | Стандарт устанавливает требования помехоустойчивости к приемникам телевизионного вещания (далее – телевизионные приемники), приемникам звукового вещания (звуковые приемники) и связанному с ними оборудованию, предназначенным для применения в жилых, коммерческих зонах и производственных зонах с малым энергопотреблением. Стандарт устанавливает методы измерения и нормы помехоустойчивости в отношении воздействия мешающих сигналов, применимые к телевизионным приемникам, звуковым приемникам и связанному с ними оборудованию. Стандарт устанавливает также требования к помехоустойчивости наружных устройств систем индивидуального приема спутниковых программ непосредственно на бытовой телевизионный приемник. Стандарт устанавливает требования к проведению испытаний на помехоустойчивость телевизионных приемников, звуковых приемников и связанного с ними оборудования (применительно к ним в тексте стандарта применяются также термины «оборудование» или «техническое средство») при воздействии кондуктивных и излучаемых помех (непрерывного и переходного характера) и электростатических разрядов. Требования стандарта распространяются на телевизионные приемники, звуковые приемники и связанное с ними оборудование, применяемые в жилых, коммерческих зонах и производственных зонах с малым энергопотреблением, как в зданиях, так и вне зданий. |
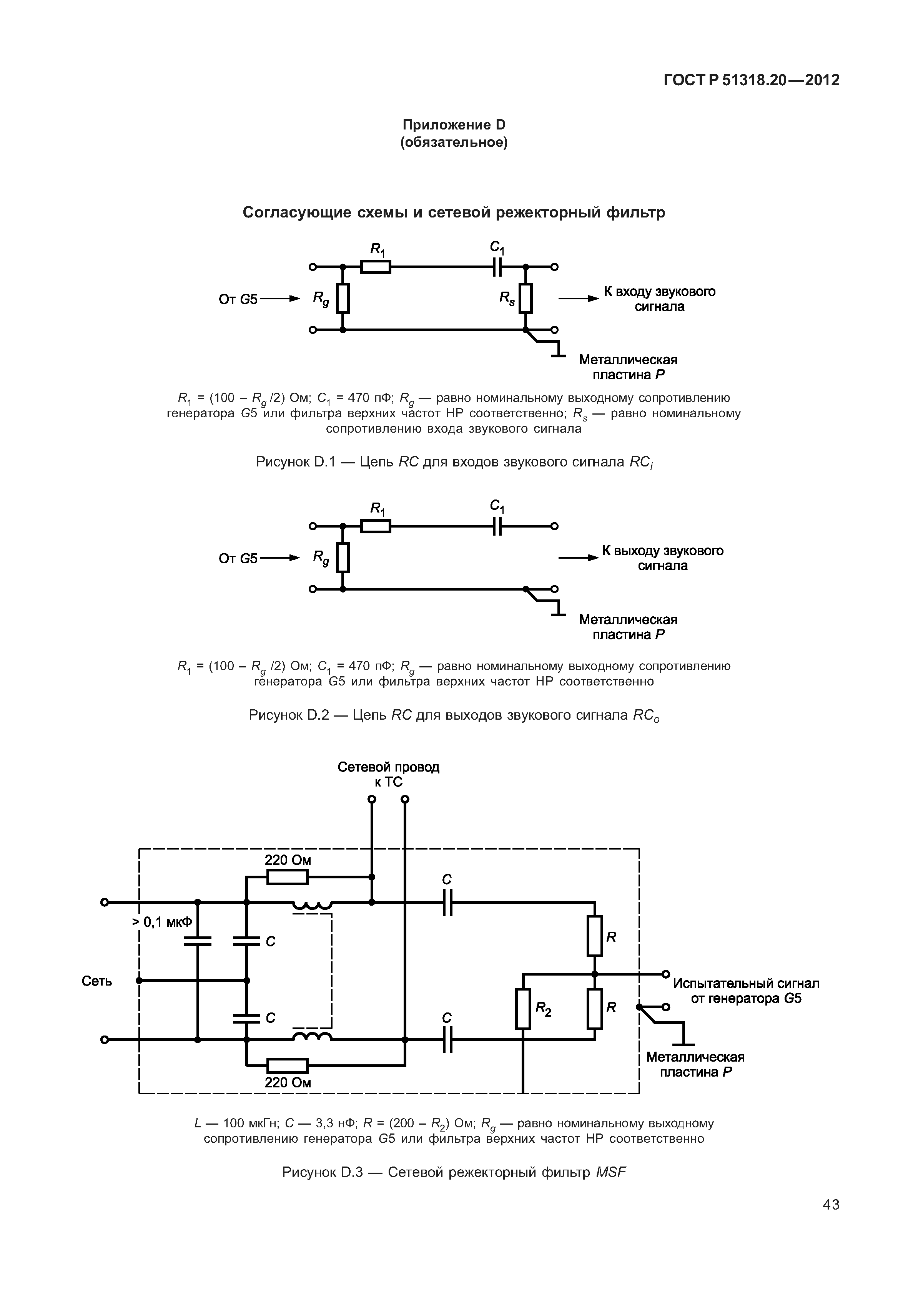
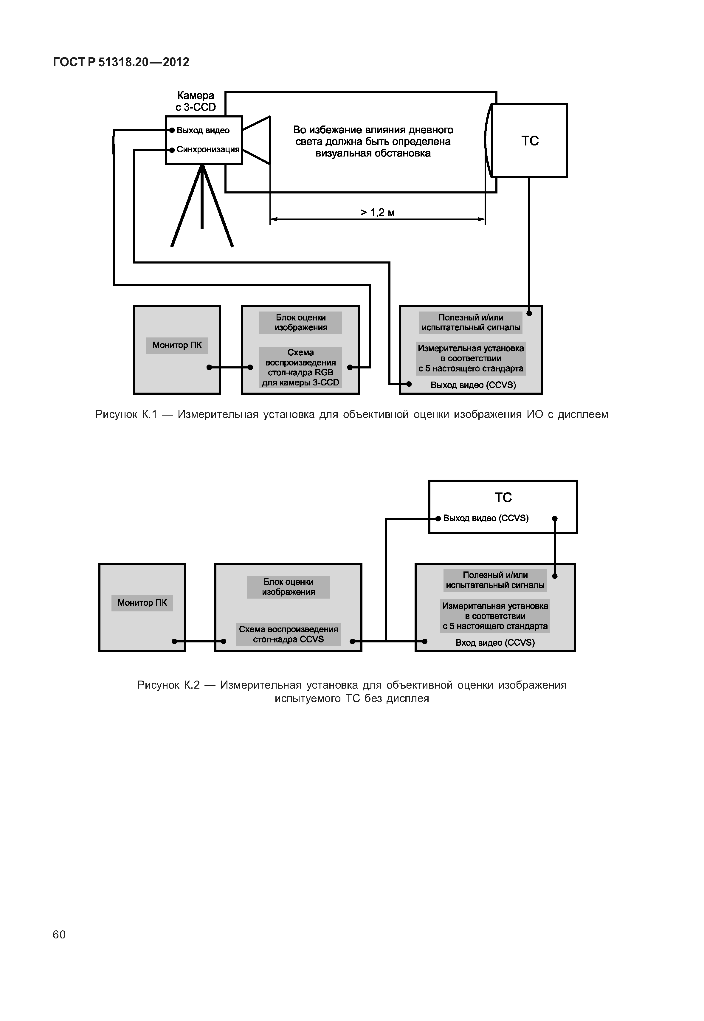
| Оглавление: | 1 Область применения 2 Нормативные ссылки 3 Термины, определения и сокращения 3.1 Термины и определения 3.2 Сокращения 4 Требования помехоустойчивости 4.1 Критерии качества функционирования 4.2 Применимость испытаний 4.3 Требования помехоустойчивости для порта антенны 4.4 Требования помехоустойчивости для разъемов звуковых сигналов 4.5 Требования помехоустойчивости для зажимов сети питания 4.6 Требования устойчивости к наведенным радиочастотным напряжениям 4.7 Требования помехоустойчивости порта корпуса 5 Измерение помехоустойчивости 5.1 Основные условия проведения испытаний 5.2 Оценка качества функционирования 5.3 Измерение помехоустойчивости по входу 5.4 Измерение устойчивости к наведенным токам 5.5 Измерение эффективности экранирования 5.6 Измерение устойчивости к наносекундным импульсным помехам 5.7 Измерение устойчивости к наведенным напряжениям 5.8 Измерение устойчивости к радиочастотному электромагнитному полю 5.9 Измерение устойчивости к электростатическим разрядам 6 Интерпретация норм помехоустойчивости СИСПР 6.1 Значение норм СИСПР 6.2 Соответствие нормам на статистической основе Приложение А (обязательное) Технические требования к телевизионной испытательной установке Приложение В (обязательное) Технические требования к фильтрам и схемам взвешивания Приложение С (обязательное) Технические требования к блокам связи-развязки (УСР) и фильтру нижних частот Приложение D (обязательное) Согласующие схемы и сетевой режекторный фильтр Приложение Е (обязательное) Конструкции открытой полосковой линии, режекторных фильтров сети и громкоговорителя Приложение F (обязательное) Калибровка открытой полосковой линии Приложение G (обязательное) Размеры и материалы ферритовых сердечников Приложение Н (справочное) Диапазоны вещания Приложение I (обязательное) Вещательные приемники цифровых сигналов Приложение J (справочное) Технические требования к полезному сигналу Приложение К (справочное) Объективная оценка качества изображения Приложение ДА (справочное) Сведения о соответствии ссылочных национальных стандартов международным стандартам, использованным в качестве ссылочных в примененном международном стандарте Библиография |
| Разработан: | ТК 30 Электромагнитная совместимость технических средств Филиал ФГУП НИИР-ЛОНИИР |
| Утверждён: | 15.11.2012 Федеральное агентство по техническому регулированию и метрологии (861-ст) |
| Издан: | Стандартинформ (2013 г. ) |
| Заменяет собой: | |
| Нормативные ссылки: |
|


































































