ФЕДЕРАЛЬНОЕ АГЕНТСТВО
ПО ТЕХНИЧЕСКОМУ РЕГУЛИРОВАНИЮ И МЕТРОЛОГИИ
|
|
НАЦИОНАЛЬНЫЙ |
ГОСТ Р (МЭК 61000-4-2:2008) |
Совместимость
технических средств
электромагнитная
УСТОЙЧИВОСТЬ
К ЭЛЕКТРОСТАТИЧЕСКИМ
РАЗРЯДАМ
Требования и методы испытаний
IEC 61000-4-2:2008
Electromagnetic compatibility (EMC) -
Part 4-2: Testing and measurement techniques -
Electrostatic discharge immunity test
(MOD)
|
|
Москва Стандартинформ 2011 |
Предисловие
Цели и принципы стандартизации в Российской Федерации установлены Федеральным законом от 27 декабря 2002 г. № 184-ФЗ «О техническом регулировании», а правила применения национальных стандартов Российской Федерации - ГОСТ Р 1.0-2004 «Стандартизация в Российской Федерации. Основные положения»
Сведения о стандарте
1 ПОДГОТОВЛЕН ЗАО «Научно-испытательный центр «САМТЭС» и Техническим комитетом по стандартизации ТК 30 «Электромагнитная совместимость технических средств» на основе собственного аутентичного перевода стандарта, указанного в пункте 4
2 ВНЕСЕН Техническим комитетом по стандартизации ТК 30 «Электромагнитная совместимость технических средств»
3 УТВЕРЖДЕН И ВВЕДЕН В ДЕЙСТВИЕ Приказом Федерального агентства по техническому регулированию и метрологии от 30 ноября 2010 г. № 681-ст
4 Настоящий стандарт является модифицированным по отношению к международному стандарту МЭК 61000-4-2:2008 «Электромагнитная совместимость (ЭМС). Часть 4-2. Методы испытаний и измерений. Испытания на устойчивость к электростатическим разрядам» [IEC 61000-4-2:2008 «Electromagnetic compatibility (EMC) - Part 4-2: Testing and measurement techniques - Electrostatic discharge immunity test»]. При этом дополнительные положения и требования, включенные в текст стандарта для учета потребностей национальной экономики Российской Федерации и особенностей российской национальной стандартизации, выделены в тексте стандарта курсивом.
Наименование настоящего стандарта изменено относительно наименования указанного международного стандарта для приведения в соответствие с ГОСТ Р 1.5-2004 (пункт 3.5)
5 ВЗАМЕН ГОСТ Р 51317.4.2-99
Информация об изменениях к настоящему стандарту публикуется в ежегодно издаваемом информационном указателе «Национальные стандарты», а текст изменений и поправок - в ежемесячно издаваемых информационных указателях «Национальные стандарты». В случае пересмотра (замены) или отмены настоящего стандарта соответствующее уведомление будет опубликовано в ежемесячно издаваемом информационном указателе «Национальные стандарты». Соответствующая информация, уведомления и тексты размещаются также в информационной системе общего пользования - на официальном сайте Федерального агентства по техническому регулированию и метрологии в сети Интернет
СОДЕРЖАНИЕ
Предисловие к МЭК 61000-4-2:2008
Международный стандарт МЭК 61000-4-2:2008 разработан подкомитетом 77 В «Высокочастотные электромагнитные явления» Технического комитета МЭК ТК 77 «Электромагнитная совместимость».
МЭК 61000-4-2:2008 (второе издание) отменяет и заменяет первое издание МЭК 61000-4-2:1995 и изменения 1 (1998) и 2 (2000) к первому изданию.
Настоящий стандарт МЭК 61000-4-2:2008 является частью 4-2 серии стандартов МЭК 61000.
Основными изменениями стандарта МЭК 61000-4-2:2008 по сравнению с МЭК 61000-4-2:1995 (с изменениями) являются:
- установление требований к датчику тока при расширении полосы частот до 4 ГГц с примером датчика тока, соответствующего установленным требованиям;
- включение сведений об излучаемых полях при электростатических разрядах, создаваемых человеком, держащим металлический предмет, и генератором электростатических разрядов;
- рассмотрение вопросов неопределенности измерений с примерами бюджетов неопределенности.
Введение к МЭК 61000-4-2:2008
Стандарты серии МЭК 61000 публикуются отдельными частями в соответствии со следующей структурой:
- часть 1. Основы:
общее рассмотрение (введение, фундаментальные принципы),
определения, терминология;
- часть 2. Электромагнитная обстановка:
описание электромагнитной обстановки,
классификация электромагнитной обстановки,
уровни электромагнитной совместимости;
- часть 3. Нормы:
нормы эмиссии электромагнитных помех,
нормы помехоустойчивости (в той степени, в какой они не являются предметом рассмотрения техническими комитетами, разрабатывающими стандарты на продукцию);
- часть 4. Методы испытаний и измерений:
методы измерений,
методы испытаний;
- часть 5. Руководства по установке и помехоподавлению:
руководства по установке,
руководства по помехоподавлению;
- часть 6. Общие стандарты;
- часть 9. Разное.
Каждая часть подразделяется на разделы, которые могут быть опубликованы как международные стандарты либо как технические условия или технические отчеты. Некоторые из указанных разделов опубликованы. Другие будут опубликованы с указанием номера части, за которым следует дефис, а затем второй номер, указывающий раздел (например, 61000-6-1).
Настоящая часть МЭК 61000 является международным стандартом, устанавливающим требования помехоустойчивости и методы испытаний, относящиеся к электростатическим разрядам.
НАЦИОНАЛЬНЫЙ СТАНДАРТ РОССИЙСКОЙ ФЕДЕРАЦИИ
Совместимость технических средств электромагнитная
УСТОЙЧИВОСТЬ К ЭЛЕКТРОСТАТИЧЕСКИМ РАЗРЯДАМ
Требования и методы испытаний
Electromagnetic compatibility of technical equipment.
Electrostatic discharge immunity. Requirements and test methods
Дата введения - 2011-01-01
Настоящий стандарт распространяется на электротехнические, электронные и радиоэлектронные изделия и оборудование (далее - технические средства) и устанавливает требования и методы испытаний технических средств (ТС) на устойчивость к электростатическим разрядам как при прямом воздействии электростатических разрядов от оператора, так и непрямом воздействии от оператора на предметы и оборудование, расположенные вблизи ТС. Стандарт устанавливает степени жесткости испытаний, учитывающие различные условия окружающей среды и эксплуатации ТС, а также устанавливает процедуры испытаний.
Целью настоящего стандарта является установление общих правил оценки качества функционирования оборудования, подвергающегося воздействию электростатических разрядов.
Настоящий стандарт устанавливает:
- типовую форму тока разряда;
- степени жесткости испытаний;
- испытательное оборудование;
- рабочее место для испытаний;
- методы испытаний;
- процедуры калибровки;
- неопределенность измерений.
В настоящем стандарте приведены методы проведения испытаний в лабораторных условиях и на месте эксплуатации оборудования после его окончательной установки.
Настоящий стандарт не устанавливает испытаний конкретной аппаратуры или систем. Его главной задачей является обеспечение всех заинтересованных технических комитетов по стандартизации, разрабатывающих стандарты на продукцию, общими ссылочными данными. Технические комитеты по стандартизации (пользователи или изготовители ТС) несут ответственность за выбор видов и степеней жесткости испытаний, применяемых для ТС.
В настоящем стандарте использована ссылка на следующий стандарт:
ГОСТ 30372-95/ГОСТ Р 50397-92 Совместимость технических средств электромагнитная. Термины и определения (МЭК 60050-161:1990 «Международный электротехнический словарь - Глава 161: Электромагнитная совместимость», NEQ)
В настоящем стандарте применены термины по ГОСТ 30372, [1], а также следующие термины с соответствующими определениями:
3.1 метод воздушного разряда (air discharge method): Метод испытаний, при котором разрядный наконечник испытательного генератора, находящийся под напряжением, постепенно приближают к испытуемому ТС (ИТС) до возникновения разряда в воздухе между испытательным генератором и ИТС.
3.2 антистатический материал (antistatic material): Материал для защиты от статического электричества, минимизирующий накопление заряда при соприкосновении или отделении от такого же или другого подобного материала.
3.3 калибровка (calibration): Совокупность операций, устанавливающих посредством ссылки на требования стандартов зависимость, существующую при определенных условиях, между показанием и результатом измерения.
3.4 испытания на соответствие требованиям (conformance test): Испытания представительного образца ТС с целью определения соответствия разработанного и изготовленного ТС требованиям настоящего стандарта.
3.5 метод контактного разряда (contact discharge method): Метод испытаний, при котором разрядный наконечник испытательного генератора во время разряда находится в соприкосновении с ИТС и разряд производится при помощи разрядного ключа внутри испытательного генератора.
3.6 пластина связи (coupling plane): Металлический лист или пластина, которые подвергаются электростатическому разряду для имитации воздействия электростатических разрядов на объекты, находящиеся рядом с ИТС. При испытаниях применяют горизонтальную и вертикальную пластины связи.
3.7 ухудшение качества функционирования (degradation of performance): Нежелательное изменение качества функционирования ТС в сравнении с уровнем качества функционирования, установленным изготовителем.
Примечание - Термин «ухудшение» может применяться как к временным, так и постоянным нарушениям работы.
3.8 прямое воздействие (direct application): Электростатический разряд непосредственно на ИТС.
3.9 электромагнитная совместимость (electromagnetic compatibility): Способность ТС функционировать с заданным качеством в заданной электромагнитной обстановке и не создавать недопустимых электромагнитных помех другим ТС.
3.10 электростатический разряд (electrostatic discharge): Импульсный перенос электростатического заряда между телами с разными электростатическими потенциалами.
3.11 накопительный конденсатор (energy storage capacitor): Конденсатор испытательного генератора, емкость которого соответствует электрической емкости тела человека.
Примечание - Может представлять собой дискретный элемент или распределенную емкость.
3.12 пластина заземления [ground reference plane (GRP)]: Плоская проводящая пластина, потенциал которой используется в качестве общего заземляющего проводника.
3.13 время удержания заряда (holding time): Промежуток времени, в течение которого снижение испытательного напряжения, вызванное утечкой в накопительном конденсаторе, не превышает 10 %.
3.14 устойчивость к электромагнитной помехе [immunity (to disturbance)]: Способность ТС сохранять заданное качество функционирования при воздействии на них электромагнитных помех.
3.15 непрямое воздействие (indirect application): Электростатический разряд на пластину связи, размещенную вблизи ИТС, имитирующий разряд от обслуживающего персонала на объекты, расположенные вблизи ИТС.
3.16 время нарастания (rise time): Промежуток времени между моментами, когда мгновенное значение импульса достигает установленных низкого и высокого предельных значений.
Примечание - Если не установлены иные значения, в качестве низкого и высокого предельных значений принимают 0,1 и 0,9 пикового значения импульса.
3.17 верификация (verification): Комплекс операций для проверки испытательного оборудования (например, испытательного генератора и соединительных кабелей), а также для демонстрации того, что испытательная система функционирует.
Примечание - Методы, используемые для верификации, отличаются от методов калибровки.
Настоящий стандарт распространяется на ТС (оборудование, системы, подсистемы и периферийные устройства), которые могут подвергаться воздействию электростатических разрядов в реальных условиях окружающей среды и эксплуатации, таких, например, как низкая относительная влажность воздуха, использование покрытий с низкой проводимостью (искусственное волокно), одежды из винила и т.п. (подробная информация приведена в приложении А, подраздел А.1).
Примечание - Более точным термином, отражающим данный процесс, является термин «импульсный разряд статического электричества». Тем не менее, термин «электростатический разряд» широко применяется и поэтому используется в наименовании настоящего стандарта.
Для испытаний оборудования на устойчивость к электростатическим разрядам устанавливают степени жесткости испытаний, указанные в таблице 1.
Предпочтительным методом испытаний является метод контактного электростатического разряда. Метод воздушного электростатического разряда используют в случаях, когда невозможно применить контактный разряд. Степени жесткости испытаний и значения испытательного напряжения для каждого вида разрядов приведены в таблице 1. Для каждого метода испытаний приведены различные значения напряжения ввиду различия методов испытаний. Однако это не означает, что жесткость испытаний будет одинаковой для разных методов.
Подробные сведения, касающиеся различных параметров, которые могут влиять на уровни напряжений, до которых может быть заряжено тело человека, приведены в приложении А, раздел А.2. В приложении А, раздел А.4, приведены примеры применения степеней жесткости испытаний, соответствующих различным условиям эксплуатации ТС.
При применении метода воздушного электростатического разряда испытания проводят со всеми степенями жесткости, приведенными в таблице 1, включая заданную степень жесткости. При применении метода контактного электростатического разряда испытания проводят с заданной степенью жесткости, если только иное не установлено техническими комитетами по стандартизации, разрабатывающими стандарты на продукцию.
Таблица 1 - Степени жесткости испытаний
|
Воздушный разряд |
|||
|
Степень жесткости |
Испытательное напряжение, кВ |
Степень жесткости |
Испытательное напряжение, кВ |
|
1 |
2 |
1 |
2 |
|
2 |
4 |
2 |
4 |
|
3 |
6 |
3 |
8 |
|
4 |
8 |
4 |
15 |
|
Х1) |
Специальное |
Х1) |
Специальное |
|
1) X - открытая степень жесткости испытаний. Испытательное напряжение должно быть указано в технической документации на ТС конкретного вида. Если установлено более высокое испытательное напряжение, чем указано для степеней жесткости, необходимо использовать специальное испытательное оборудование. |
|||
Основными элементами испытательного генератора являются:
- зарядный резистор Rc;
- накопительный конденсатор Cs;
- распределенная емкость Cd;
- разрядный резистор Rd;
- индикатор испытательного напряжения;
- разрядный ключ;
- зарядный ключ;
- сменные наконечники разрядного электрода (см. рисунок 3);
- провод заземления испытательного генератора;
- источник электропитания.
Упрощенная схема испытательного генератора приведена на рисунке 1. Детали конструкции испытательного генератора на рисунке 1 не показаны.
Примечания
1 Сd - распределенная емкость между испытательным генератором и его окружением.
2 Значение Cd + Cs должно быть равно 150 пФ.
3 Значение Rd должно быть равно 330 Ом.
Рисунок 1 - Упрощенная схема испытательного генератора
Схема испытательного генератора, представленная на рисунке 1, не детализирована, и требования к элементам генератора не установлены, учитывая, что испытательный генератор должен соответствовать требованиям 6.2 при оценке в соответствии с процедурами, установленными в приложении В.
Испытательный генератор должен соответствовать требованиям, установленным в таблицах 2 и 3. Идеальная форма разрядного тока испытательного генератора представлена на рисунке 2 и там же приведены измерительные точки, применительно к которым установлены требования таблиц 2 и 3.
Соответствие испытательного генератора требованиям таблиц 2 и 3 должно быть подтверждено методами, установленными в приложении В.
Таблица 2 - Общие требования
|
Значение |
|
|
Выходное (испытательное) напряжение, контактный разряд (см. примечание 1) |
По меньшей мере, от 1 до 8 кВ (номинальное) |
|
Выходное (испытательное) напряжение, воздушный разряд (см. примечание 1) |
По меньшей мере, от 2 до 15 кВ (номинальное) (см. примечание 3) |
|
Погрешность индикации выходного напряжения |
±5 % |
|
Полярность выходного напряжения |
Положительная и отрицательная |
|
Время удержания заряда |
≥ 5 с |
|
Вид разряда |
Одиночный разряд (см. примечание 2) |
|
Примечания 1 Выходное (испытательное) напряжение измеряют на разрядном электроде испытательного генератора. 2 Испытательный генератор должен обеспечивать для исследовательских целей частоту последовательных импульсов не менее 20 разрядов в секунду. 3 В применении испытательного генератора напряжением воздушного разряда 15 кВ нет необходимости, если максимальное используемое испытательное напряжение ниже этого значения. |
|
Таблица 3 - Параметры импульса разрядного тока при контактном разряде
|
Испытательное напряжение, кВ |
Ток первого максимума (± 15 %), А |
Время нарастания tr (± 25 %), нс |
Ток разряда при 30 нс (± 30 %), А |
Ток разряда при 60 нс (± 30 %), А |
|
|
1 |
2 |
7,5 |
0,8 |
4 |
2 |
|
2 |
4 |
15 |
0,8 |
8 |
4 |
|
3 |
6 |
22,5 |
0,8 |
12 |
6 |
|
4 |
8 |
30 |
0,8 |
16 |
8 |
|
Примечания 1 Опорной точкой измерения времени 30 и 60 не для разрядного тока является момент, когда разрядный ток впервые достигает 10 % значения первого максимума разрядного тока. 2 Время нарастания tr - промежуток времени между моментами, когда разрядный ток достигает 10 % и 90 % значения первого максимума разрядного тока. |
|||||
Рисунок 2 - Форма разрядного тока испытательного генератора (контактный разряд, испытательное напряжение 4 кВ)
Уравнение для идеальной формы разрядного тока I(t) (рисунок 2):

где 

τ1 = 1,1 нс;
τ2 = 2 нс;
τ3 = 12 нс;
τ4 = 37 нс;
I1 = 16,6 А (при 4 кВ);
I2 = 9,3 А (при 4 кВ);
n = 1,8.
В конструкции испытательного генератора должны быть предусмотрены устройства, предотвращающие создание непреднамеренных излучаемых или кондуктивных электромагнитных помех импульсного или непрерывного характера с тем, чтобы паразитные эффекты не оказывали влияния на испытуемое или вспомогательное оборудование (см. приложение D).
Форма и размеры разрядных электродов испытательного генератора должны соответствовать приведенным на рисунке 3.
Допускается применение изолирующего покрытия электродов, при этом должны соблюдаться требования, предъявляемые к форме разрядного тока.
Рисунок 3 - Разрядные наконечники испытательного генератора
Для испытаний методом воздушного разряда используют испытательный генератор, применяемый при проведении испытаний методом контактного разряда, при этом разрядный ключ должен быть замкнут. Испытательный генератор должен быть снабжен закругленным наконечником в соответствии с рисунком 3а). Поскольку используется один и тот же испытательный генератор, требования, относящиеся к методу воздушного разряда, дополнительно не приводятся.
Длина провода заземления испытательного генератора должна быть (2 ± 0,05) м, а его конструкция должна обеспечивать выполнение требований к форме генерируемых импульсов разрядного тока. Длину провода заземления измеряют от корпуса генератора до конца точки соединения. Изоляция провода заземления испытательного генератора должна исключать утечку разрядного тока на обслуживающий персонал или через проводящие поверхности при испытаниях на устойчивость к электростатическим разрядам.
Провод заземления, использующийся при испытаниях, должен быть тем же самым или идентичным проводу, использующемуся во время калибровки.
При недостаточной длине провода заземления испытательного генератора (например, при значительной высоте испытуемых ТС) допускается использовать провод заземления испытательного генератора длиной до 3 м при обеспечении выполнения требований к форме генерируемых импульсов разрядного тока.
Целью верификации является подтверждение того, что оборудование, установленное на рабочем месте для испытаний на устойчивость к электростатическим разрядам, функционирует. Оборудование, установленное на рабочем месте для испытаний на устойчивость к электростатическим разрядам, включает в себя:
- испытательный генератор электростатических разрядов;
- провод заземления;
- резисторы сопротивлением 470 кОм;
- пластину заземления;
- все соединения, образующие путь разрядного тока.
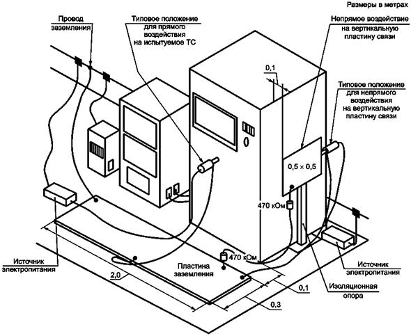
Примеры рабочего места для испытаний настольных ТС приведены на рисунке 4, напольных ТС - на рисунке 5.
Одним из методов верификации оборудования для создания электростатических разрядов является наблюдение искрового разряда, подаваемого на пластину связи методом воздушного разряда. Проверяется создание небольших искровых разрядов при низком напряжении и больших искровых разрядов при более высоком напряжении. До проведения данной проверки важно провести проверку контакта провода заземления и его размещение.
Применение такого метода верификации имеет следующее обоснование. Поскольку форма импульса разрядного тока испытательного генератора обычно существенно не изменяется внезапно во время эксплуатации (например, время нарастания и длительность импульса, как правило, не изменяются), то сбои в испытательном генераторе наиболее вероятны из-за того, что напряжение на разрядный электрод не подается или отсутствует контроль напряжения. Любой из кабелей, сопротивлений или соединений может быть поврежден или утрачен, что приводит к отсутствию разряда.
Верификацию оборудования для создания электростатических разрядов проводят до начала испытаний.
Рабочее место для испытаний состоит из испытательного генератора, испытуемого ТС и вспомогательного испытательного оборудования, необходимого для воздействия следующими прямыми и непрямыми электростатическими разрядами:
a) контактными разрядами на проводящие поверхности испытуемого ТС и пластины связи;
b) воздушными разрядами на изолированные поверхности испытуемого ТС.
В зависимости от места проведения испытания разделяют на проводимые в испытательных лабораториях и на месте эксплуатации оборудования.
Предпочтительным видом испытаний являются типовые испытания на соответствие требованиям, проводимые в испытательной лаборатории.
Испытуемое ТС должно быть установлено и смонтировано в соответствии с технической документацией изготовителя.
7.2.1 Требования к испытаниям
При проведении испытаний в испытательных лабораториях и выполнении условий по 8.1 должны соблюдаться следующие правила.
На полу лаборатории должна быть установлена пластина заземления - металлический лист (медный или алюминиевый) толщиной не менее 0,25 мм. Допускается использовать другие материалы, при этом толщина листа должна быть не менее 0,65 мм.
Пластина заземления должна выступать за контур испытуемого ТС или горизонтальной пластины связи (если таковая имеется) с каждой стороны не менее чем на 0,5 м и должна быть соединена с системой защитного заземления.
Испытуемое ТС должно быть установлено и подключено в соответствии с функциональными требованиями.
Расстояние между испытуемым ТС и стенами помещения, а также любыми металлическими предметами должно быть не менее 0,8 м.
Испытуемое ТС и испытательный генератор (включая любой внешний источник питания) должны быть подключены к системе защитного заземления в соответствии с требованиями по эксплуатации, установленными изготовителем. Дополнительные соединения с защитным заземлением не допускаются.
Силовой и сигнальный кабели должны быть размещены в соответствии с условиями установки ТС.
Провод заземления испытательного генератора должен быть соединен с пластиной заземления. В случае, если длина провода превышает длину, необходимую для подачи разрядов на выбранные точки, то излишнюю часть провода заземления необходимо разместить на непроводящей пластине за пределами пластины заземления. Провод заземления должен располагаться не ближе 0,2 м к другим проводящим частям, за исключением пластины заземления.
Примечание - Допускается соединять провод заземления с металлической стеной испытательной лаборатории, если стена электрически подсоединена к пластине заземления.
Соединения заземляющих проводов с пластиной заземления, а также все другие соединения должны обладать возможно более низким сопротивлением, что достигается, например, с помощью механических клещей для высокочастотного соединения.
Если требуются пластины связи, например, для непрямого применения разрядов, они должны быть изготовлены из металлических листов (медных или алюминиевых) толщиной не менее 0,25 мм (допускается использовать другие материалы, при этом толщина листа должна быть не менее 0,65 мм) и подключены к пластине заземления с помощью провода, имеющего на каждом конце резисторы сопротивлением 470 кОм. Резисторы должны выдерживать напряжение электростатического разряда. Резисторы и провода должны быть изолированы, чтобы избежать короткого замыкания, когда провод прикасается к пластине заземления.
Примечание - Резисторы сопротивлением 470 кОм, применяемые в проводах заземления вертикальной и горизонтальной пластин связи (см. рисунки 4 - 8), используются для того, чтобы предотвратить исчезновение заряда, поданного на пластину, сразу же после разряда испытательного генератора. Сохранение зарядов увеличивает влияние электростатических разрядов на испытуемые ТС. Резисторы должны выдерживать максимальное напряжение электростатического разряда, подаваемого на испытуемое оборудование во время испытания. Резисторы должны быть размещены близко к концу провода заземления, чтобы создать распределенное сопротивление.
Для имитации непрямого воздействия электростатических разрядов на расположенные рядом ТС, корпусы которых имеют защитное заземление, дополнительно должны быть проведены испытания при подключении вертикальной пластины связи к пластине заземления проводом заземления длиной 2 м без резисторов.
Дополнительные требования для различных видов оборудования приведены ниже.
Рабочее место для испытаний представляет из себя стол из непроводящего материала высотой (0,8 ± 0,08) м, установленный на пластину заземления.
На столе должна быть размещена горизонтальная пластина связи размерами (1,6 ± 0,02)×(0,8 ± 0,02) м. Испытуемое ТС и кабели должны быть изолированы от плоскости связи изоляционной опорой толщиной (0,5 ± 0,05) мм.
Примечание - Рекомендуется обеспечивать постоянство изолирующих свойств изоляционной опоры.
Если испытуемое ТС слишком велико, чтобы его можно было располагать на расстоянии не менее 0,1 м от всех сторон горизонтальной пластины связи, должна быть использована дополнительная идентичная горизонтальная пластина связи, размещенная на расстоянии (0,3 ± 0,02) м от первой горизонтальной пластины связи. В этом случае должен использоваться стол большего размера или допускается использовать два стола. Горизонтальные пластины связи не должны касаться друг друга и должны быть соединены с пластиной заземления проводами с резисторами.
Съемные монтажные ножки испытуемого оборудования следует оставлять на местах.
Пример рабочего места для испытаний настольных ТС в условиях испытательной лаборатории приведен на рисунке 4.
Рисунок 4 - Пример рабочего места для испытаний настольных ТС в условиях испытательной лаборатории
Испытуемое ТС должно быть изолировано от пластины заземления изолирующей пластиной толщиной 0,05 - 0,15 м. Кабели испытуемого ТС должны быть изолированы от пластины заземления изоляционной подставкой толщиной (0,5 ± 0,05) мм. Изоляция кабелей должна выступать за край изоляции испытуемого ТС.
Пример рабочего места для испытаний напольных ТС в условиях испытательной лаборатории приведен на рисунке 5.
Съемные монтажные ножки испытуемого ТС следует оставлять на местах.
7.2.4.1 Общие сведения
Рабочее место для испытаний, описанное в настоящем подпункте, применяют при испытаниях ТС (оборудования или частей оборудования), которые по своим техническим характеристикам или конструкции не могут быть подключены к системе заземления. К таким ТС относят портативные устройства с питанием от батарей (внутренних или внешних), с зарядным устройством или без него (незаземленный кабель электропитания), а также оборудование с двойной изоляцией (оборудование класса II).
Рисунок 5 - Пример рабочего места для испытаний напольных ТС в условиях испытательной лаборатории
Обоснование
Электростатический заряд, передаваемый незаземленному ТС или незаземленной его части, не может исчезнуть сам по себе, как у оборудования класса I с электропитанием от электрической сети. Если заряд не снят до приложения следующего электростатического импульса, существует вероятность того, что напряжение оборудования возрастет в два раза по сравнению с заданным. Следовательно, такой тип оборудования или его части могут получить сверхвысокий заряд путем накопления электростатических разрядов.
Обычное рабочее место для испытаний незаземленных ТС должно быть идентично указанным в 7.2.2 и 7.2.3.
Для имитации единичного электростатического разряда (воздушного или контактного) заряд на испытуемом ТС должен быть снят до каждого приложения электростатического разряда.
При этом заряд необходимо снять с металлической точки или той части испытуемого ТС, на которую будет подан импульс электростатического разряда, например, разъема, штырька зарядного устройства батарей, металлических антенн, до подачи каждого очередного импульса электростатического разряда.
Если воздействию электростатического разряда подвергаются одна или несколько доступных металлических частей, необходимо снять заряд с той точки, на которую будет подаваться электростатический разряд, т.к. ничего не известно о сопротивлении между этой частью и другими доступными частями оборудования.
Для снятия разряда рекомендуется использовать кабель с резисторами сопротивлением 470 кОм, аналогичный тому, который используется с вертикальной и горизонтальной пластинами связи (см. 7.2).
Поскольку емкость между испытуемым ТС и горизонтальной пластиной связи (для настольных ТС) и между испытуемым ТС и пластиной заземления (для напольных ТС) зависит от размера испытуемого ТС, кабель с резисторами может оставаться установленным во время испытания, если это возможно. В кабеле с резисторами один резистор должен быть подсоединен как можно ближе к точке подачи электростатического разряда. Второй резистор должен быть подсоединен ближе к концу кабеля, соединенного с горизонтальной пластиной связи для настольного ТС (см. рисунок 6) или с пластиной заземления для напольного ТС (см. рисунок 7). Наличие кабеля с резисторами может повлиять на результаты испытаний некоторых видов испытуемых ТС. Предпочтительней проводить испытания воздействием электростатического разряда при отсоединенном кабеле, если в достаточной степени уменьшается заряд между подачей последовательных разрядов.
Рисунок 6 - Пример рабочего места для испытаний незаземленных настольных ТС
Рисунок 7 - Пример рабочего места для испытаний незаземленных напольных ТС
В качестве вариантов допускается использовать следующие процедуры:
- увеличение временных интервалов между подачей последовательных разрядов для обеспечения естественного исчезновения заряда на испытуемом ТС;
- принудительное снятие заряда с испытуемого ТС с применением проводящей щетки с дополнительными нагрузочными резисторами (например, 2×470 кОм) в заземленном кабеле.
Примечание - При сомнении в исчезновении заряда, полученного испытуемым ТС, целесообразно применять для мониторинга заряда неконтактный измеритель электрического поля. Повторное воздействие электростатическим разрядом считают допустимым, если заряд на испытуемом ТС уменьшился до 10 % первоначального значения.
7.2.4.2 Настольные ТС
Настольное ТС без металлических соединений с пластиной заземления должно быть установлено, как указано в 7.2.2 и на рисунке 4.
Если в испытуемом ТС имеется металлическая доступная часть, на которую подается электростатический разряд, эта часть должна быть соединена с горизонтальной пластиной связи кабелем с резисторами (см. рисунок 6).
7.2.4.3 Напольные ТС
Напольное ТС без металлических соединений с пластиной заземления должно быть установлено, как указано в 7.2.3 и на рисунке 5.
Если в испытуемом ТС имеется металлическая доступная часть, на которую подается электростатический разряд, эта часть должна быть соединена с горизонтальной пластиной связи кабелем с резисторами (см. рисунок 7).
Испытания ТС на месте эксплуатации проводят только по согласованию между изготовителем и потребителем. При этом необходимо учитывать тот факт, что расположенное рядом оборудование может быть непреднамеренно подвергнуто воздействию.
Примечание - При испытаниях на устойчивость к электростатическим разрядам на месте эксплуатации испытуемое ТС может подвергнуться старению. Среднее время работы на отказ многих современных электронных схем значительно сокращается, если они подвергаются воздействию электростатических разрядов. Сбои могут не возникать сразу после воздействия электростатических разрядов. Однако такие электронные устройства могут быть чаще подвержены сбоям, чем устройства, на которые не оказывалось воздействие. Поэтому может быть принято решение не проводить на месте эксплуатации испытания воздействием электростатических разрядов.
При проведении данных испытаний следует испытывать ТС на последнем этапе их установки после монтажа и окончательной наладки.
Для того, чтобы упростить подсоединение заземляющего провода ИГ, пластину заземления укладывают на пол вблизи испытуемого ТС на расстоянии около 0,1 м. Пластина заземления должна быть медной или алюминиевой толщиной не менее 0,25 мм. Допускается использование других металлов, при этом толщина листа должна быть не менее 0,65 мм. Пластина заземления должна быть шириной 0,3 м и длиной 2 м, если ее применение возможно с учетом характеристик места размещения испытуемого ТС.
Пластину заземления соединяют с защитным заземлением. Там, где это невозможно, пластину заземления следует соединять с клеммой заземления испытуемого оборудования (при наличии).
Заземляющий провод испытательного генератора должен быть соединен с пластиной заземления в точке, ближайшей к испытуемому ТС. Если испытуемое ТС установлено на металлическом столе, стол должен быть соединен с пластиной заземления проводом, имеющим на каждом конце резисторы 470 кОм для предотвращения накопления заряда.
Незаземленные металлические части ТС испытывают в соответствии с 7.2.4. Кабель с резисторами должен быть соединен с пластиной заземления в точке, ближайшей к испытуемому оборудованию.
Пример рабочего места для испытаний напольных ТС на месте эксплуатации приведен на рисунке 8.
Рисунок 8 - Пример рабочего места для испытаний напольных ТС на месте эксплуатации
8.1.1 Условия окружающей среды
Для уменьшения влияния параметров окружающей среды на результаты испытаний их следует проводить в климатических условиях и условиях электромагнитной обстановки в соответствии с 8.1.2 и 8.1.3.
Испытания при воздействии воздушных электростатических разрядов следует проводить при следующих климатических условиях:
- температуре окружающей среды 15 °С - 35 °С;
- относительной влажности 30 % - 60 %;
- атмосферном давлении 86,0 - 106 кПа (860 - 1060 мбар).
Примечание - Испытания ТС, эксплуатируемых в особых климатических условиях, допускается проводить при других климатических условиях.
8.1.3 Электромагнитная обстановка
Электромагнитная обстановка в лаборатории не должна влиять на функционирование испытуемого ТС и результаты испытаний.
Программа и программные средства испытаний должны обеспечивать функционирование испытуемого ТС в основных режимах работы. Допускается использование при испытаниях специального программного обеспечения. При этом должна быть установлена правильность функционирования испытуемого ТС.
При проведении испытаний на соответствие требованиям испытуемое ТС должно функционировать непрерывно в режиме (при программном цикле) наибольшей восприимчивости к электростатическим разрядам, который должен быть определен во время предварительных испытаний.
Если необходимо применение средств контроля, они должны быть отсоединены от испытуемого ТС с тем, чтобы снизить вероятность некорректных показаний.
8.3.1 Воздействие электростатическими разрядами
Испытания должны быть проведены при прямом и непрямом воздействиях электростатическими разрядами на испытуемое ТС в соответствии с программой испытаний, которая должна включать в себя:
- условия работы испытуемого ТС;
- условия испытаний ИТС в качестве настольного или напольного оборудования;
- точки, к которым должны быть приложены разряды;
- указание о том, какой разряд (контактный или воздушный) должен быть приложен к каждой точке;
- степень жесткости испытаний;
- число разрядов, приложенных к каждой точке для полного выполнения испытания;
- необходимость проведения испытаний на месте эксплуатации.
Допускается проведение исследовательских испытаний для определения отдельных положений программы испытаний.
Примечания
1 При необходимости предоставить значения неопределенности измерений см. приложение Е.
2 Способ определения источника расхождения для случаев расхождений результатов испытаний приведен в приложении F.
8.3.2 Прямое воздействие электростатическими разрядами
Электростатические разряды должны быть поданы только к тем точкам и поверхностям испытуемого ТС, которые доступны обслуживающему персоналу при эксплуатации испытуемого ТС. Установлены следующие исключения, согласно которым электростатические разряды не подают на точки, указанные ниже:
а) точки и поверхности, доступные только при техническом обслуживании. В этом случае в технической документации должны быть указаны процедуры исключения влияния электростатических разрядов;
b) точки и поверхности, доступные только при проведении обслуживания испытуемого ТС конечным пользователем. Примером таких точек (точек редкого доступа) могут служить контакты батарей при зарядке батарей, кассета в телефонном аппарате с автоответчиком и т.д.;
c) точки и поверхности испытуемого ТС, не доступные после окончания монтажа оборудования и указанные в эксплуатационных документах, например, нижняя часть ТС или часть, прилегающая к стене, или зоны за установленными соединителями;
d) контакты коаксиальных и многоштырьковых соединителей с металлическим патроном соединителя. При этом доступные контакты в непроводящем соединителе (например, в пластиковом) должны испытываться только воздушным электростатическим разрядом;
e) контакты соединителей или другие доступные части, восприимчивые по своим функциональным характеристикам к электростатическим разрядам, которые имеют предупреждающие надписи, например, радиочастотные входы для проведения измерений, выполнения функции приема и других функций связи.
Обоснование - многие порты соединителей, предназначенные для обработки высокочастотных цифровых или аналоговых сигналов, не могут иметь устройства, эффективно защищающие от перенапряжения при электростатических разрядах. В ряде случаев для защиты аналоговых сигналов могут применяться полосовые фильтры. Однако во многих случаях диоды, защищающие от перенапряжений, имеют большую паразитную емкость, препятствующую их применению на частотах работы испытуемого оборудования.
При подаче электростатических разрядов на соединители должны рассматриваться шесть случаев их подачи, указанных в таблице 4.
Таблица 4 - Случаи подачи электростатических разрядов на соединители
|
Материал покрытия |
Воздушный разряд |
Контактный разряд |
|
|
1 Металлический |
Нет |
Не применяют |
На патрон |
|
2 Металлический |
Изолированный |
На покрытие |
На патрон |
|
3 Металлический |
Металлический |
Не применяют |
На патрон и покрытие |
|
4 Изолированный |
Нет |
а) |
Не применяют |
|
5 Изолированный |
Изолированный |
На покрытие |
Не применяют |
|
6 Изолированный |
Металлический |
Не применяют |
На покрытие |
|
а) Если в стандарте на конкретную продукцию установлено требование испытания отдельных штырьков изолированного соединения, применяют метод воздушного разряда. Примечание - Если используется покрытие для экранирования штырьков соединителей от электростатических разрядов, на покрытии или на устройстве, которое находится рядом с соединителем, на котором используется покрытие, должна быть нанесена предупреждающая информация относительно электростатических разрядов. |
|||
Если ТС содержит точки и поверхности, на которые электростатические разряды не подают, то в сопроводительной документации должны быть предусмотрены специальные процедуры уменьшения влияния электростатических разрядов. Степень жесткости испытаний не должна превышать значения, указанного в технической документации с тем, чтобы избежать повреждения ТС.
Испытание должно проводиться подачей одиночных разрядов. На каждую выбранную точку должно быть подано не менее 10 одиночных разрядов с полярностью, соответствующей наибольшей восприимчивости испытуемого ТС.
Примечание - Минимальное число подаваемых разрядов зависит от вида испытуемого ТС. Для ТС с синхронизированными схемами число разрядов должно быть больше.
Рекомендуется устанавливать временной интервал длительностью 1 с между последовательными одиночными разрядами. Более длительные интервалы используют при определении нарушений функционирования испытуемого ТС.
Примечание - Точки, на которые должны подаваться разряды, могут быть установлены с помощью исследования, проведенного при частоте повторения 20 разрядов в секунду или более.
Испытательный генератор располагают перпендикулярно к поверхности, на которую подают разряд, что улучшает повторяемость результатов испытаний. Если невозможно расположить испытательный генератор перпендикулярно к поверхности при подаче разряда, условия испытания электростатическим разрядом должны быть отражены в протоколе испытаний.
Провод заземления испытательного генератора должен располагаться на расстоянии не менее 0,2 м от испытуемого ТС во время подачи разряда, причем оператор не должен держать провод заземления в руках.
При контактных разрядах следует сначала прикоснуться наконечником разрядного электрода к испытуемому оборудованию, а затем замкнуть разрядный ключ.
В случае, если проводящие поверхности испытуемого оборудования окрашены, необходимо выполнять следующие требования.
Если изготовитель оборудования не указывает, что покрытие предназначено для изоляции, необходимо проколоть покрытие наконечником испытательного генератора для осуществления контакта с проводящей поверхностью. Покрытие, указанное изготовителем как изолирующее, должно подвергаться испытанию только воздушными разрядами. Испытания контактными разрядами на таких поверхностях не проводят.
При воздушных разрядах испытательный генератор следует, по возможности, быстрым движением приблизить до прикосновения к испытуемому ТС (не вызывая механических повреждений поверхности). После каждого воздействия разрядом наконечник разрядного электрода испытательного генератора необходимо удалять от испытуемого ТС. Затем испытательный генератор настраивают для подготовки к следующему единичному разряду. Эту процедуру повторяют до завершения подачи всех разрядов. При испытаниях воздушным разрядом разрядный ключ, который используется для контактного разряда, должен быть замкнут.
8.3.3 Непрямое воздействие электростатическими разрядами
8.3.3.1 Электростатические разряды на ТС, расположенные рядом с испытуемым ТС
Электростатические разряды на объекты и оборудование, расположенные около испытуемого ТС, имитируют подачей разрядов испытательного генератора на пластины связи по методу контактного разряда.
В дополнение к испытаниям, описанным в 8.3.2, должно быть установлено соответствие требованиям 8.3.3.2 и 8.3.3.3.
Для имитации непрямого воздействия электростатических разрядов на расположенные рядом ТС дополнительно проводят испытания при подключении вертикальной пластины связи к пластине заземления проводом заземления без резисторов.
8.3.3.2 Горизонтальная пластина связи
Разряды на горизонтальную пластину связи подают на ребро пластины связи при горизонтальном расположении оси разрядного электрода испытательного генератора.
На переднее ребро горизонтальной пластины связи, напротив центральной точки каждого блока испытуемого ТС (если возможно) и на расстоянии 0,1 м от лицевой стороны испытуемого ТС должны быть поданы не менее 10 одиночных разрядов (с полярностью, соответствующей наибольшей восприимчивости испытуемого ТС). Во время подачи разряда ось разрядного электрода должна быть перпендикулярной к переднему ребру пластины связи. Разрядный электрод должен контактировать с ребром горизонтальной пластины связи при включении разрядного ключа (см. рисунок 4).
В стандартах на ТС конкретного вида может быть установлено требование, чтобы при подаче разрядов на горизонтальную пластину связи были подвергнуты воздействию все стороны испытуемого ТС.
8.3.3.3 Вертикальная пластина связи
На центр вертикального ребра пластины связи (см. рисунки 4 и 5) должны быть поданы не менее 10 одиночных разрядов (с полярностью, соответствующей наибольшей восприимчивости испытуемого ТС). Пластину связи размерами 0,5×0,5 м устанавливают параллельно испытуемому ТС на расстоянии 0,1 м от него.
Электростатические разряды должны подаваться на пластину связи при ее размещении против каждой из четырех сторон испытуемого ТС. Считают, что вертикальная пластина связи в одном положении может воздействовать на поверхность испытуемого ТС размерами 0,5×0,5 м.
Результаты испытаний должны быть классифицированы, исходя из прекращения выполнения функций или ухудшения качества функционирования испытуемого ТС в сравнении с установленным уровнем функционирования, определенным изготовителем ТС или заказчиком испытаний или согласованным между изготовителем и пользователем ТС.
Рекомендуется следующая классификация критериев качества функционирования ТС при испытаниях на помехоустойчивость:
А - нормальное функционирование в соответствии с требованиями, установленными изготовителем, заказчиком испытаний или пользователем;
В - временное прекращение выполнения функции или ухудшение качества функционирования, которые исчезают после прекращения помехи и не требуют вмешательства оператора для восстановления работоспособности;
С - временное прекращение выполнения функции или ухудшение качества функционирования, восстановление которых требует вмешательства оператора;
D - прекращение выполнения функции или ухудшение качества функционирования, которые не могут быть восстановлены из-за повреждения ТС (компонентов) или программного обеспечения, или потери данных.
В документах изготовителя могут быть указаны нарушения функционирования ТС при воздействии помех, которые рассматриваются как незначительные и допустимые.
Настоящая классификация может быть использована в качестве руководства при установлении критериев качества функционирования ТС при испытаниях на устойчивость к электростатическим разрядам техническими комитетами по стандартизации, ответственными за разработку общих стандартов, стандартов на группы ТС и ТС конкретного вида, а также в качестве основы для соглашений между изготовителями и пользователями, касающихся критериев качества функционирования (например, в случаях отсутствия соответствующих общих стандартов, стандартов на группы ТС или ТС конкретного вида).
Протокол испытаний должен включать в себя информацию, необходимую для проведения испытаний. В протоколе указывают:
- элементы, указанные в программе испытаний, в соответствии с разделом 8;
- идентификацию испытуемого ТС и любого связанного с ним оборудования, например, марку изготовителя, тип ТС, серийный номер;
- идентификацию средств испытаний, например, фабричное клеймо, тип продукции, серийный номер;
- специальные условия окружающей среды, в которых проводились испытания, например, сведения об экранированной камере;
- любые специальные условия, необходимые для проведения испытаний;
- степень жесткости испытаний, определенную изготовителем, заказчиком или покупателем;
- критерии качества функционирования при испытаниях на помехоустойчивость, установленные в общих стандартах, стандартах на группы ТС и ТС конкретного вида;
- эффекты воздействия электростатических разрядов на испытуемое ТС во время и после прекращения воздействий, а также длительность сохранения этих эффектов;
- заключение о соответствии или несоответствии ИТС требованиям устойчивости к электромагнитной помехе (на основе критерия качества функционирования, установленного в общих стандартах, стандартах на группы ТС и ТС конкретного вида или согласованного изготовителем и пользователем);
- любые специальные условия эксплуатации, например, относящиеся к длинам или типам кабелей, экранированию или заземлению или условиям функционирования ТС, необходимые для обеспечения соответствия ТС требованиям устойчивости к электромагнитной помехе;
- климатические условия при испытаниях;
- схемы и/или фотографию рабочего места для испытаний и размещения испытуемого оборудования.
Защита ТС от разрядов статического электричества имеет большое значение для изготовителей и потребителей.
Широкое использование микроэлектронных компонентов усиливает необходимость исследования различных проблем надежности ТС, поиска путей повышения надежности.
Проблема импульсных разрядов статического электричества становится более значимой для неконтролируемых условий окружающей среды и расширяющегося применения оборудования и систем.
ТС также могут быть подвержены воздействию электромагнитного поля, если возникают разряды от обслуживающего персонала на близлежащие предметы. Кроме того, разряды могут возникнуть между металлическими предметами, такими, например, как стулья и столы, находящиеся поблизости от оборудования. Считается, что испытания, приведенные в настоящем стандарте, достаточно точно моделируют эффекты от воздействия описанных явлений.
Электростатические разряды от оператора могут привести к сбоям функционирования ТС или повреждению электронных компонентов. Эти явления зависят от параметров импульса разрядного тока (амплитуда, время нарастания, длительность и т.д.).
Важность проблемы и необходимость разработки защитных мер, помогающих предотвратить нежелательные эффекты из-за разряда статического электричества на ТС, потребовало разработки стандартизованных методов испытаний, описанных в настоящем стандарте.
А.2 Влияние условий окружающей среды на уровни заряда
Возникновению электростатических зарядов в наибольшей степени способствуют использование синтетических покрытий и низкая относительная влажность воздуха в помещениях. Существует много способов возникновения электростатических разрядов. Обычной является ситуация, когда оператор передвигается по ковру из синтетического материала и с каждым его шагом электроны передаются из его тела на ковер. Трение между одеждой оператора и стулом может вызвать накопление электростатических зарядов. Оператор может заряжаться непосредственно или при помощи электростатической индукции, в последнем случае проводящий коврик не обеспечит защиты до тех пор, пока оператор не будет заземлен на него.
Максимальные значения напряжения, до которого могут быть заряжены различные ткани в зависимости от относительной влажности воздуха, приведены на рисунке А.1.
ТС могут подвергаться воздействию электростатических разрядов напряжением до нескольких киловольт в зависимости от типа синтетической ткани и относительной влажности окружающего воздуха.
А.3 Влияние условий окружающей среды на разрядный ток
Для определения требований помехоустойчивости при воздействии электростатических разрядов в качестве основного параметра используются значения электростатического напряжения, устанавливаемые в соответствии с условиями окружающей среды у потребителя. Однако установлено, что передача энергии испытуемому ТС зависит не только от значения электростатического напряжения, вызывающего разряд, но в большей степени, от значения импульсного разрядного тока.
Рисунок А.1 - Максимальные значения напряжения, до которого могут быть заряжены операторы при контакте с материалами, приведенными в разделе А.2
Также установлено, что пропорциональность значения разрядного тока по отношению к значению напряжения перед разрядом нарушается при более высоких значениях напряжения.
Вероятными причинами нарушения пропорциональности между значением напряжения перед разрядом и значением разрядного тока при более высоких значениях напряжения могут быть:
- влияние разряда через длинную дугу при высоких значениях напряжения, что приводит к увеличению времени нарастания импульса разрядного тока и, следовательно, к уменьшению пропорциональности более высокочастотных спектральных компонентов разрядного тока напряжению перед разрядом;
- влияние процесса развития разрядного тока через небольшие емкости при высоких значениях напряжения в предположении, что объем заряда будет оставаться постоянным для типичных случаев генерации заряда.
Исходя из вышеизложенного, требования помехоустойчивости для окружающей среды у потребителя должны быть определены в значениях амплитуды разрядного тока.
Использование данной концепции облегчает проектирование испытательного генератора. Компромисс в выборе зарядного напряжения испытательного генератора и разрядного сопротивления позволяет обеспечить требуемые значения амплитуды разрядного тока.
А.4 Выбор степеней жесткости испытаний
Степени жесткости испытаний, выбираемые в соответствии с типовым размещением и условиями окружающей среды, приведены в таблице А.1.
Таблица А.1 - Выбор степеней жесткости испытаний
|
Относительная влажность, %, не более |
Антистатический материал |
Синтетический материал |
Максимальное напряжение, кВ |
|
|
1 |
35 |
X |
2 |
|
|
2 |
10 |
X |
4 |
|
|
3 |
50 |
X |
8 |
|
|
4 |
10 |
X |
15 |
Рекомендуемые степени жесткости испытаний должны соответствовать указанным в разделе 5.
Для некоторых материалов, например, дерево, бетон и керамика, степень жесткости испытаний должна быть не выше 2.
При выборе степени жесткости испытаний для конкретной обстановки необходимо учитывать воздействия наиболее существенных параметров электростатического разряда.
Наиболее существенным параметром, возможно, является скорость изменения разрядного тока, которая может быть различной при различных комбинациях значений зарядного напряжения, пикового разрядного тока и времени нарастания импульса.
Например, требуемое воздействие электростатического разряда напряжением 15 кВ в среде с применением синтетического материала более чем достаточно перекрывается при использовании контактного разряда испытательного генератора со степенью жесткости 4 (8 кВ/30 А) в соответствии с требованиями настоящего стандарта.
Вместе с тем, при крайне низкой влажности среды и применении синтетических материалов возникают более высокие напряжения, чем 15 кВ. Поэтому в случае испытаний ТС с изолированными поверхностями целесообразно применять метод воздушного разряда при напряжении не более 15 кВ.
А.5 Выбор точек воздействия
Испытательные точки для воздействия электростатическими разрядами могут включать в себя, например:
- точки на металлических частях корпуса, которые электрически изолированы от земли;
- любые точки на панели управления или на клавиатурах ТС и любые другие точки связи «человек - машина», такие как переключатели, рукоятки, кнопки, индикаторы, светодиоды, щели, решетки, корпуса соединителей и другие, доступные для оператора места.
А.6 Техническое обоснование использования метода контактного разряда
Результаты испытаний методом воздушного разряда во многом зависят от влияния скорости приближения разрядного наконечника, влажности воздуха и конструкции испытательного оборудования, что приводит к изменениям времени нарастания импульса и силы тока разряда.
В приведенной в настоящем стандарте конструкции испытательного оборудования электростатический разряд моделировался посредством разряда заряженного конденсатора через разрядный наконечник на испытуемое ТС, при котором разрядный наконечник через зазор создает искру на поверхности испытуемого оборудования.
Искровой разряд - сложное физическое явление. Было установлено, что при изменяющемся до возникновения искрового разряда зазоре результирующее время нарастания (или нарастающий фронт) разрядного тока может изменяться от менее 1 нс до более 20 нс в зависимости от изменения скорости приближения.
Сохранение постоянной скорости приближения не приводит к стабилизации времени нарастания. Для некоторых комбинаций напряжение/скорость приближения время нарастания импульса разрядного тока может иметь разброс до 30 раз.
Примечание - При высоких напряжениях воздушный разряд может представлять собой последовательность разрядов.
Единственным переключающим устройством, которое в состоянии стабильно создавать быстро нарастающие разрядные токи, является реле. Реле должно функционировать при достаточно высоких напряжениях и обеспечивать одиночный контакт (для избежания двойных разрядов на фронте нарастания). Для более высоких напряжений предпочтительными являются вакуумные реле. Опыт показывает, что при использовании реле в качестве переключающего элемента не только форма импульса разрядного тока является намного более стабильной в своей нарастающей части, но также и результаты испытаний реальных ТС являются более воспроизводимыми.
Следовательно, импульсное управляемое реле является устройством, обеспечивающим создание требуемого импульса тока с заданными амплитудой и временем нарастания. Этот ток соотносится с реальным напряжением электростатического разряда, как указано в А.3.
А.7 Выбор элементов испытательного генератора
Для того, чтобы отобразить емкость человеческого тела, используют накопительную емкость номинальным значением 150 пФ.
Для имитации сопротивления человека, держащего в руке металлический предмет, например, ключ или инструмент, должен быть использован резистор сопротивлением 330 Ом. Установлено, что эта ситуация достаточно типична, чтобы отобразить все разряды от человека.
А.8 Техническое обоснование выбора характеристик испытательного генератора
При испытаниях реальных ТС на устойчивость к электростатическим разрядам был выявлен ряд причин, влияющих на воспроизводимость результатов испытаний конкретных ТС. Рассматривались характеристики рабочих мест для испытаний при использовании контактного разряда и способы калибровки. В текст настоящего стандарта были введены уточнения, относящиеся к рабочим местам для испытаний и к калибровке. Рассматривался также вопрос об изменении технических характеристик испытательного генератора, однако в настоящем стандарте данные характеристики остались без изменения. Ниже приводится обоснование такого решения.
Существуют две причины, влияющие на воспроизводимость результатов испытаний при использовании метода контактного разряда, связанные с характеристиками испытательного генератора:
- форма разрядного тока испытательного генератора после первого пика, т.е. в интервале времени от 2 до 60 нс;
- излучаемое электромагнитное поле испытательного генератора, создаваемое при подаче электростатического разряда на испытуемое ТС.
Были проведены испытания с модифицированными испытательными генераторами, форма разрядного тока которого соответствует требованиям настоящего стандарта. Результаты испытаний показали:
- жесткость испытаний, влияющая на функционирование испытуемых ТС, изменялась при использовании различных испытательных генераторов;
- изменение требований привело к улучшению форм разрядного тока испытательных генераторов во временной и частотной областях;
- новая форма разрядного тока не обеспечила существенного улучшения воспроизводимости результатов испытаний конкретных испытуемых ТС.
Исследование влияния излучаемого импульсного электромагнитного поля требует значительных ресурсов для проведения серии испытаний, при этом необходимо провести углубленный технический анализ с тем, чтобы понять, как контролировать соответствующие параметры, влияющие на воспроизводимость результатов испытаний.
Считается, что изменения, внесенные в настоящий стандарт, приведут к улучшению воспроизводимости результатов испытаний. Вместе с тем, для включения в последующие издания стандарта результатов оценки влияния излучаемых импульсных полей на воспроизводимость результатов испытаний потребуются дополнительные исследования.
Калибровка системы измерения тока и измерение разрядного тока
В.1 Требования к датчику тока: входное сопротивление
Входное полное сопротивление, измеряемое между внутренним электродом и землей, коаксиального датчика тока, используемого для измерения разрядного тока испытательного генератора электростатических разрядов, должно быть не более 2,1 Ом при постоянном токе.
Примечания
1 Датчик тока предназначен для обеспечения измерения тока разряда, подаваемого на проводящую пластину заземления. Для уменьшения погрешности измерения, вызываемой различием между полным сопротивлением пластины заземления с высокой проводимостью и входным полным сопротивлением датчика тока, установлен для входного полного сопротивления предел, равный 2,1 Ом. Следует учитывать, что при слишком низком входном полном сопротивлении датчика тока выходной сигнал будет очень слабым, что приведет к погрешности измерений из-за связи с кабелями и осциллографом. Кроме того, при использовании очень малого значения полного сопротивления возрастает влияние паразитной индуктивности.
2 Значения входного сопротивления и передаточного полного сопротивления системы измерения тока Zsys (см. В.3) могут быть измерены с высокой точностью при постоянном токе или на низкой частоте.
В.2 Требования к датчику тока: вносимое затухание
В.2.1 Измерительная цепь
Вместо значения вносимого затухания коаксиального датчика тока устанавливают значение вносимого затухания измерительной цепи, состоящей из датчика тока, аттенюатора и кабеля, что упрощает анализ системы измерений, т.к. требуется оценка характеристик измерительной цепи и осциллографа, а не каждого элемента в отдельности.
Отклонения значения вносимого затухания цепи «датчик тока - аттенюатор - кабель» не должны превышать:
±0,5 дБ - на частотах до 1 ГГц;
±1,2 дБ - на частотах от 1 до 4 ГГц.
Номинальное значение вносимого затухания S21, дБ, определяют по формуле
S21 = 20log[2Zsys/Rin + 50 Ом],
где Rin - входное полное сопротивление постоянного тока в цепочке датчик - аттенюатор - кабель при нагрузке 50 Ом.
Примечания
1 Временные интервалы калибровки при измерениях значений передаточного сопротивления постоянного тока и вносимых потерь могут быть различными. Если результат измерения значения передаточного сопротивления постоянного тока отличается от результата исходных измерений менее чем на 1 %, считают, что вносимое затухание цепи датчик тока - аттенюатор - кабель не изменилось, если используется тот же кабель и аттенюатор и других изменений (например, потери или разрушения соединителей) не было.
2 Цепь «датчик тока - аттенюатор - кабель» всегда должна рассматриваться как единое целое. Если проводится замена одного элемента, демонтаж и/или повторная сборка, необходимо вновь провести калибровку всей цепи с подтверждением соответствия требованиям.
В.2.2 Адаптер «датчик тока - линия»
Адаптер «датчик тока - линия», представленный на рисунке В.1, соединяет коаксиальный кабель с входом датчика тока. Геометрически адаптер плавно переходит от диаметра коаксиального кабеля к диаметру датчика. Если для конкретного датчика тока сопротивление, вычисляемое из отношения диаметров d и D (см. рисунок В.2), не равно 50 Ом, конструкция адаптера «датчик тока - линия» должна быть такой, чтобы внешний диаметр его внутреннего проводника был равен диаметру внутреннего электрода датчика тока. Сопротивление вычисляют с учетом диэлектрической постоянной материала, который заполняет конусообразный адаптер (обычно - воздух). Адаптер «датчик тока - линия» должен поддерживать сопротивление (50 ± 1) Ом в полосе частот до 4 ГГц. Затухание двух адаптеров «датчик тока - линия», соединенных «лицом к лицу», должно быть более 30 дБ на частотах до 1 ГГц и более 20 дБ - на частотах до 4 ГГц, при этом общее значение вносимого затухания должно быть менее 0,3 дБ на частотах до 4 ГГц.
Примечание - Допускаются и другие формы адаптера, кроме конусообразной.
Рисунок В.1 - Пример адаптера «датчик тока - линия», соединенного с датчиком тока
Æ d - внешний диаметр внутреннего электрода; Æ D - внутренний диаметр структуры заземления
Рисунок В.2 - Пример датчика тока: вид спереди
В.2.3 Определение вносимого затухания цепи «датчик тока - аттенюатор - кабель»
Вносимое затухание цепи «датчик тока - аттенюатор - кабель» измеряют с помощью векторного анализатора цепей. Для измерения вносимого затухания допускается применять другие средства, обеспечивающие достаточную точность измерений. Процедура измерения значения вносимого затухания состоит в следующем:
Анализатор цепей калибруют в точках, показанных на рисунке В.3 (между аттенюатором и датчиком тока, между аттенюатором и адаптером «датчик тока - линия»).
Рисунок В.3 - Схема измерения вносимого затухания цепи «датчик тока - аттенюатор - кабель»
Примечания
1 В анализаторе цепей должна использоваться наименьшая частота. Характеристики при постоянном токе измеряют отдельно.
2 Стабильность соединений двух адаптеров «датчик тока - линия» («лицом к лицу») или адаптера «датчик тока - линия» с датчиком тока проверяют проведением повторяющихся измерений после соединения и разъединения устройств при различных углах поворота.
Соединяют адаптер «датчик тока - линия» с цепью «датчик тока - аттенюатор (затухание более 20 дБ) - кабель» и подключают ее, как показано на рисунке В.3. Измеряют вносимое затухание. Отклонения значения вносимого затухания должны соответствовать требованиям В.2.
В.3 Определение низкочастотного передаточного сопротивления цепи «датчик тока - аттенюатор - кабель»
При измерении формы тока электростатического разряда осциллограф отображает форму волны напряжения в результате инжекции тока в датчик тока.
Низкочастотное передаточное сопротивление цепи «датчик тока - аттенюатор - кабель» системы измерения тока определяют как отношение значения напряжения на нагрузке 50 Ом, подключенной на выходе кабеля (вместо осциллографа), к значению тока, поданного на вход датчика.
Для расчета неизвестного тока необходимо значение напряжения, отображенное на дисплее, разделить на передаточное низкочастотное сопротивление Zsys (см. рисунок В.4).
А - измеритель тока; V - измеритель напряжения
Примечание - Внутренняя схема датчика тока приведена в качестве примера.
Рисунок В.4 - Схема определения низкочастотного передаточного сопротивления системы измерения тока
Низкочастотное передаточное сопротивление цепи «датчик тока - аттенюатор - кабель» определяют следующим образом. Подают ток Isys силой 1 А на переднюю сторону датчика тока (сторону подачи электростатического разряда). Измеряют напряжение V50 на нагрузке сопротивлением 50 Ом. Допустимые отклонения сопротивления нагрузки 50 Ом не должны превышать ±1 %. Вычисляют передаточное сопротивление Zsys, Ом, по формуле
![]()
Примечание - Для того, чтобы проверить тот факт, что внешние напряжения не влияют на результат измерения, проводят измерения с положительным и отрицательным током. Результаты измерений должны отличаться не более чем на 0,5 %.
Допускается применение других методов определения передаточных характеристик цепи «датчик тока - аттенюатор - кабель».
В.4 Калибровка испытательного генератора электростатических разрядов
В.4.1 Результат калибровки
Повторяемость результатов калибровки испытательных генераторов электростатических разрядов имеет большое значение. Особенно это касается испытаний, проводимых с применением испытательных генераторов различных изготовителей и испытаний, проводимых в течение длительного времени.
Генератор электростатических разрядов подлежит калибровке в определенные промежутки времени с учетом действующей системы менеджмента качества.
Примечание - Данный метод применяют для калибровки генератора электростатических разрядов. При верификации оборудования для создания электростатических разрядов перед испытаниями применяют процедуру, указанную в 6.3.
Калибровку испытательного генератора проводят при климатических условиях, указанных в В8.1.2.
В.4.2 Средства испытаний, необходимые для калибровки генератора электростатических разрядов
Для калибровки генератора электростатических разрядов используют следующее оборудование:
- осциллограф с достаточной шириной полосы частот (аналоговая полоса частот не менее 2 ГГц);
- измерительная цепь «датчик тока - аттенюатор - кабель»;
- высоковольтный измерительный прибор для измерения напряжения не менее 15 кВ. Для исключения влияния измерителя на выходное напряжение может потребоваться применение электростатического вольтметра;
- вертикальная пластина калибровки с коаксиальным датчиком тока, установленным на пластине так, чтобы расстояния от датчика до каждой грани пластины были не менее 0,6 м;
- аттенюатор достаточной мощности (при необходимости).
Примечание - Пример конструкции коаксиального датчика тока, соответствующего требованиям настоящего стандарта, приведен в приложении С.
В.4.3 Процедура калибровки для работы испытательного генератора в режиме контактного разряда
Датчик тока располагают в центре вертикальной пластины калибровки в соответствии с требованиями В.4.2 (см. рисунок В.5). Соединение провода заземления испытательного генератора электростатических разрядов должно быть выполнено под центром пластины калибровки на 0,5 м ниже датчика тока. Провод заземления должен быть отведен в середине кабеля назад, образуя равнобедренный треугольник. Не допускается размещать провод заземления во время калибровки на полу.
Проводят проверку соответствия формы тока испытательного генератора установленным требованиям (см. 6.2). Фиксируют форму разрядного тока и измеряют следующие параметры:
Iр - пиковое значение разрядного тока, А;
I30 - значение разрядного тока через 30 нс после того, как разрядный ток достигает значения 0,1Iр, А;
I60 - значение разрядного тока через 60 нс после того, как разрядный ток достигает значения 0,1Iр, А;
tr - время нарастания тока, нс.
Последовательность операций калибровки испытательного генератора в режиме контактного разряда приведена в таблице В.1.
Таблица В.1 - Последовательность операций калибровки испытательного генератора (режим контактного разряда)
|
Пояснения |
|
|
Разряжают испытательный генератор пять раз при каждой степени жесткости испытаний, установленной в таблице 1 для каждой полярности. Записывают каждый результат |
Испытательный генератор должен соответствовать установленным требованиям для всех пяти разрядов |
|
Проводят измерения Ip, I30, I60, tr для каждой волны тока |
Параметры проверяют при каждом испытательном уровне |
|
Ток при 30 нс Проверяют, что значение I30 равно 2 А ± 30 % |
Параметры проверяют при каждом испытательном уровне*) |
|
Ток при 60 нс Проверяют, что значение I60 равно 1 А ± 30 % |
Параметры проверяют при каждом испытательном уровне*) |
|
Пиковый ток 1р Проверяют, что значение Iр равно 3,75 А ± 15 % |
Параметры проверяют при каждом испытательном уровне*) |
|
Время нарастания импульса tr Проверяют, что значение tr равно 0,8 нс ± 25 % |
Параметры проверяют при каждом испытательном уровне |
|
*) Значение тока, приведенное в таблице в качестве примера, соответствует испытательному напряжению 1 кВ. Измеренное значение изменяется пропорционально напряжению испытательного генератора. |
|
Примечания
1 Испытательный генератор устанавливают на треноге или эквивалентной неметаллической подставке перпендикулярно к пластине калибровки.
2 Электропитание испытательного генератора должно быть таким же, как при испытаниях.
3 Допускается размещение оборудования, обратное представленному на рисунке.
Рисунок В.5 - Типовое размещение оборудования при калибровке испытательного генератора электростатических разрядов
Осциллограф допускается не экранировать, если измерениями можно доказать, что непрямые пути связи с системой измерения не влияют на результаты измерений.
Система калибровки может быть заявлена как достаточно устойчивая (т. е. камера Фарадея не требуется), если не происходит переключений показаний осциллографа в случае, если:
- уровень переключений осциллографа < 10 % испытательного напряжения, соответствующего низшей степени жесткости испытаний;
- генератор электростатических разрядов разряжают на внешнее кольцо датчика тока (вместо внутреннего электрода) при наивысшей степени жесткости испытаний.
Пример датчика тока, соответствующего требованиям приложения В
Детали конструкции датчика тока, который соответствует требованиям приложения В, приведены на рисунках С.1 - С.5. Конструкция этого датчика тока обеспечивает получение плоской кривой вносимого затухания при использовании отрезка кабеля RG 400 длиной 1 м. Для того, чтобы избежать множественных отражений, следует соединить аттенюатор затуханием 20 дБ или более непосредственно с выходным портом.
Примечание - Примеры конструкции приведены на рисунках С.1 - С.5 без указания допусков.
Примечание - Центральная латунная часть. Размеры 1:1.
Рисунок С.1 - Чертеж коаксиального датчика (лист 1 из 5)

Примечание - Размер резистора - 0805; сопротивление резистора - 51 Ом; размещение - симметричное (использовать шаблон); материал - 0,5 мм FR-4, позолоченный; Vias - два кольца на каждой стороне резистора плюс одно кольцо рядом с выходной гранью печатной платы. Необходимо около 25 резисторов
Рисунок С.2 - Чертеж коаксиального датчика (лист 2 из 5)

Рисунок С.3 - Чертеж коаксиального датчика (лист 3 из 5)

Примечание - Покрытие: нержавеющая сталь. Приблизительно 1:1.
Рисунок С.4 - Чертеж коаксиального датчика (лист 4 из 5)
Рисунок С.5 - Чертеж коаксиального датчика (лист 5 из 5)
D.1 Обзор процессов, вызывающих электромагнитные поля
D.1.1 Общие сведения
Форма импульса тока в настоящем стандарте, а также в его предыдущих изданиях установлена, исходя из того, что происходит электростатический разряд от человека, держащего в руке небольшой металлический предмет. Электростатический разряд от человека, а также разряд от испытательного генератора электростатических разрядов создают сильные электромагнитные поля.
Ниже рассмотрены подача разряда от человека, а также процесс, происходящий в испытательном генераторе электростатических разрядов.
D.1.2 Электростатический разряд от человека
При подаче электростатического разряда от человека на испытуемое ТС происходят следующие события:
a) при приближении металлического предмета, который держат в руке, к металлической поверхности испытуемого ТС до появления разрядного тока уже существует электростатическое поле. Тока нет (или есть очень небольшой), нет и магнитного поля;
b) при возникновении разряда между металлическим предметом в руке и испытуемым ТС электростатическое поле между ними ослабевает. Напряжение в дуге уменьшается от своего исходного значения до 25 - 40 В в течение 50 пс - 5 нс. Время уменьшения напряжения в дуге зависит от исходного значения напряжения, параметров дуги и других факторов. Первым шагом в череде событий, вызывающих сильные переходные электромагнитные поля, является первоначальное уменьшение напряженности электрического поля;
c) в металлическом предмете, находящемся в руке человека, и в ТС начинает возникать ток. Основной фронт тока распространяется со скоростью света и в течение времени, равного 0,8 нс, достигает руки человека. По мере дальнейшего распространения тока в испытуемом ТС и руке человека возникают отражения и потери из-за излучения и сопротивления, что приводит к сложной модели плотности тока как в испытуемом ТС, так и в теле человека;
d) по мере продолжения процесса передачи электростатического разряда составляющие тока с наивысшей частотой быстро затухают, в основном из-за излучения. Форма разрядного тока с увеличением времени становится более гладкой (с меньшим уровнем высокочастотных составляющих), и, наконец, тело человека входит в электростатическое равновесие с испытуемым ТС. Однако остаточный заряд на теле человека не может быть нулевым, т.к. дуга должна исчезнуть до того, как тело человека полностью разрядится. Если рука человека и металлический предмет продолжают приближаться к испытуемому ТС, может возникнуть повторный разряд при меньшем напряжении. Этот процесс приводит к последовательным электростатическим разрядам, каждый из которых характеризуется меньшим напряжением и более быстрым временем нарастания (частично из-за низкого напряжения);
e) во время каждого из последовательности разрядов наблюдатель будет отмечать повышенную плотность заряда в какой-либо точке руки, тела или испытуемого ТС до появления разряда, быстрое изменение разрядного тока во время фазы разряда и небольший остаточный заряд после разряда;
f) изменяющаяся плотность заряда и изменяющиеся токи приводят к возникновению излучаемого электромагнитного поля. Характеристики поля в ближней зоне определяются непосредственно током и зарядом, для больших расстояний характеристики поля определяются производными тока и заряда. Измерения показывают, что переходные поля электростатического разряда для первых наносекунд возмущения достигнут условий поля в дальней зоне на расстоянии 10 см от дуги;
g) производные по времени тока и заряда будут оказывать большое влияние на нарушение функционирования электронных систем;
h) необходимо отметить, что при электростатическом разряде от человека производные тока и заряда определяются временем уменьшения напряжения в дуге. Таким образом, время нарастания тока электростатического разряда определяет высокочастотные компоненты электромагнитного поля.
Из вышесказанного следует, что переходные поля электростатического разряда «человек - металл» являются важной частью процесса электростатического разряда. При конструировании идеального испытательного генератора электростатических разрядов данные поля должны быть воспроизведены.
D.1.3 Испытательный генератор электростатических разрядов
Ниже рассмотрены процессы, происходящие в испытательном генераторе электростатических разрядов.
Поскольку большинство испытаний проводят в контактном режиме, обеспечивающем большую воспроизводимость, ниже рассматриваются испытательные генераторы, работающие в контактном режиме.
При подаче электростатического разряда имеют место следующие события:
a) разрядный наконечник испытательного генератора прикладывают к заземленной (в большинстве случаев) части испытуемого ТС;
b) конденсатор в генераторе электростатических разрядов заряжают до подачи разряда. Во многих моделях испытательных генераторов большая часть электростатического поля, появляющегося в результате процесса заряда, формируется внутри испытательного генератора. В результате электростатическое поле до разряда значительно меньше электростатического поля, измеренного в той же точке от человека, заряженного тем же напряжением;
c) разряд создается при замыкании реле внутри генератора электростатических разрядов. Конструкция специальных реле обеспечивает хорошую воспроизводимость форм разрядного тока. Однако из-за того, что реле является внутренним и не является точкой, в которой испытательный генератор соприкасается с испытуемым ТС, появление разрядного тока отличается от возникновения разряда от человека;
d) напряжение в реле уменьшается очень быстро (менее чем за 100 пс), что приводит к распространению тока от реле по всем направлениям и на все контактирующие металлические части и другие металлические части, находящиеся поблизости. Ток распространяется со скоростью света (в диэлектриках с меньшей скоростью). Время нарастания тока равно времени уменьшения напряжения;
f) время уменьшения напряжения составляет менее 100 пс, но в настоящем стандарте требуется, чтобы время нарастания тока было равно (0,8 ± 0,2) нс при измерении в точке контакта с целью. Для этого испытательные генераторы электростатических разрядов конструируют так, чтобы увеличить время нарастания тока от очень небольшого в реле до стандартизованного значения в разрядном наконечнике;
g) переходные электромагнитные поля вызываются производными по времени всех токов и производными по времени плотности заряда. Необходимо отметить принципиальную разницу электростатических разрядов от испытательного генератора и от человека с металлическим предметом в руке. Для разряда от человека нарастание тока в дуге представляет собой кратковременный процесс, который и определяет спектр переходных электромагнитных полей. Однако для испытательного генератора электростатических разрядов в контактном режиме высокочастотный спектр определяется не временем нарастания тока в разрядном наконечнике, а временем уменьшения напряжения в реле;
h) учитывая то, что все изменяющиеся токи в испытательном генераторе вызывают появление переходных электромагнитных полей, следует отличать переходные поля, создаваемые изменяющимися токами в реле длительностью 100 пс, от переходных полей, вызываемых изменяющимися токами в точке разряда длительностью (0,8 ± 0,2) нс. Переходные поля, вызываемые быстрыми токами в испытательном генераторе, являются, как правило, нежелательными, т.к. они приводят к появлению высокочастотных составляющих поля, отсутствующих при эквивалентном разряде от человека с теми же значениями времени возрастания тока в точке разряда.
Вклад быстрых процессов в образование переходных электромагнитных полей в значительной степени зависит от конструкции испытательного генератора. Данные электромагнитные поля могут быть подавлены или могут доминировать при испытаниях в зависимости от применяемого испытательного генератора. К сожалению, требования к данным переходным электромагнитным полям в настоящем стандарте не установлены, в результате чего влияние переходных полей на функционирование испытуемого ТС может сильно зависеть от конкретного испытательного генератора.
D.2 Реакции испытуемых ТС на воздействие электростатических разрядов
Во время испытаний на устойчивость к электростатическим разрядам проверяют реакции испытуемых ТС при различных электрических воздействиях.
К ним относятся:
- напряжение, способное вызвать пробой диэлектрика;
- явления вторичного пробоя в зазорах, удаленных от точки инжекции;
- падения напряжения, вызванные протеканием токов в сопротивлениях;
- магнитные поля, вызываемые изменениями тока (пропорциональные Ldi/dt);
- магнитные поля, вызывающие наведенные напряжения;
- электрические поля, вызывающие наведенные напряжения, которые могут быть полями дальней и ближней зон.
Учитывая, что электростатический разряд представляет собой совокупность воздействующих факторов, испытания на устойчивость к ЭСР отличаются в этом отношении от испытаний на устойчивость к электромагнитному полю.
Ниже приведены некоторые примеры нарушений функционирования испытуемых ТС в результате воздействия электростатических разрядов:
- разряд на разъем соединителя, вызывающий разрушение интегральной схемы.
В данном случае порог разрушения определяется энергией, передаваемой интегральной схеме, максимальным током или зарядом передающимся через интегральную схему;
- разряд через зазор в пластиковом корпусе, в результате которого искра достигает интегральной схемы.
В данном случае испытание электростатическим разрядом определяет возможность пробоя диэлектрика через трещину в пластике;
- разряд на шасси, вызывающий сбой в системе, установленной в шасси. В данном случае переходные поля при электростатическом разряде, воздействующие на провода, разводку или непосредственно на интегральные схемы, вызывают появление напряжений или токов, которые могут нарушить логические функции оборудования.
Связь разрядного тока в испытательном генераторе электростатических разрядов с возникающими при этом электромагнитными полями определяется, прежде всего, значением производной разрядного тока по времени. В дальнейшем связь между возникшими электромагнитными полями и проводом, разводкой или интегральной схемой в испытуемом ТС будет зависеть от скорости изменений электрического и магнитного полей. При этом влияние производных по времени процессов, протекающих при создании электромагнитных полей и индукции, приводит к различию форм импульса разрядного тока и наведенных напряжений в проводах и разводке. Как правило, наведенные напряжения имеют меньшую ширину полосы частот в сравнении с полосой частот разрядного тока испытательного генератора.
Из-за зависимости характеристик переходных электромагнитных полей от конструкции отдельных испытательных генераторов электростатических разрядов (особенно в части составляющих поля на частотах свыше 300 МГц) можно полагать, что наведенные токи в разводке, проводах или в интегральных схемах также будут в значительной степени зависеть от конструкции испытательного генератора. Различия параметров наведенных токов могут привести к разбросу результатов испытаний (связанных в большинстве случаев с нарушением функционирования систем, но не с их разрушением), если одно и то же испытуемое ТС испытывают с применением различных испытательных генераторов электростатических разрядов и если изготовитель испытательного генератора не предпринял мер по уменьшению нежелательной составляющей электромагнитных полей, вызываемых быстрым снижением напряжения в реле. Необходимо отметить, что различия результатов испытаний могут быть, прежде всего, при восприимчивости испытуемых ТС к высокочастотным электромагнитным полям (на частотах свыше 1 ГГц).
D.3 Переходные поля при воздействии электростатических разрядов
В настоящем подразделе приведены результаты измерений переходных электрических и магнитных полей электростатических разрядов от металлического предмета в руке человека при напряжении 5 кВ. Идеальный испытательный генератор электростатических разрядов должен создавать такие же поля при испытаниях в контактном режиме с напряжением 5 кВ. Результаты измерений получены с применением широкополосных сенсоров поля (при неравномерности частотной характеристики ±1 дБ в полосе частот 1,5 МГц - 1,5 ГГц), размещенных на вертикальной опорной пластине на расстоянии 0,1 м от точки разряда (положения цели).
Результаты измерений напряженности электрического поля представлены на рисунке D.1.
|
Рисунок D.1 - Зависимость от времени напряженности электрического поля при электростатическом разряде от человека, держащего металлический предмет, заряженный до напряжения 5 кВ. Измерения на расстоянии 0,1 м при длине дуги 0,7 мм и времени нарастания силы тока 850 пс |
Рисунок D.2 - Зависимость от времени напряженности магнитного поля при электростатическом разряде от человека, держащего металлический предмет, заряженный до напряжения 5 кВ. Измерения на расстоянии 0,1 м при длине дуги 0,5 мм и времени нарастания силы тока 500 пс |
Время уменьшения напряженности электрического поля на рисунке D.1 соответствует времени нарастания тока разряда.
Результаты измерений напряженности магнитного поля представлены на рисунке D.2.
Зависимость напряженности магнитного поля от времени на рисунке D.2 повторяет форму тока разряда.
Возможной проблемой испытательных генераторов электростатических разрядов являются колебания при возрастании тока разряда (называемые также «звоном»). Кроме того, переходные поля от испытательных генераторов электростатического разряда могут отличаться от полей, вызванных разрядом «человек - металл», в зависимости от ориентации датчика поля относительно испытательного генератора и заземляющего провода.
D.4 Наведенное напряжение в малой петле
При возникновении переходных полей электростатического разряда происходит процесс наведения напряжения в трассировке печатных плат. Для измерения наведенных напряжений применяют метод «малой петли». При использовании малой петли, размещаемой на пластине заземления, измерения высокочастотной составляющей переходных полей можно провести так, чтобы не потребовалась калибровка широкополосных сенсоров поля и результаты измерения отражали процесс индукции напряжений в проводниках более четко, чем результаты измерения параметров электромагнитного поля. Испытательная установка представлена на рисунке D.3.
|
Рисунок D.3 - Полукруглая петля на пластине заземления |
Рисунок D.4 - Зависимость от времени напряжения, наведенного электростатическим разрядом в полукруглой петле |
Зависимость от времени наведенного напряжения, вызванного электростатическим разрядом «человек - металл» при напряжении 5 кВ с временем нарастания силы тока 850 пс, представлена на рисунке D.4. При измерениях применялась полукруглая петля радиусом 14 мм, диаметром провода 0,7 мм, размещенная на расстоянии 0,1 м от испытательного генератора электростатических разрядов. Длина дуги равна 0,8 мм; полукруглая петля нагружена сопротивлением 50 Ом.
D.5 Измерение излучаемых полей, вызванных электростатическими разрядами, с помощью коммерческих сенсоров поля
Измерения излучаемых электрических и магнитных полей, вызванных электростатическими разрядами, могут быть проведены с помощью коммерческих сенсоров поля.
Пример установки для измерения излучаемых полей приведен на рисунке D.5.
Рисунок D.5 - Пример установки для измерения излучаемых электрических и магнитных полей электростатических разрядов
Для измерения электрических и магнитных полей с применением установки по рисунку D.5 используют:
- цифровой запоминающий осциллограф шириной полосы не менее 2 ГГц;
- набор коммерческих сенсоров магнитного поля (малая петля с экраном для исключения влияния электрических полей) и электрического поля (несимметричный однополюсный вибратор);
- коаксиальный кабель сопротивлением 50 Ом;
- испытательный генератор электростатических разрядов.
Измерения следует проводить в экранированном помещении (если окружающая обстановка не создает существенных помех, применение экранированного помещения не требуется). Напряжение испытательного генератора должно быть 5 кВ. Разрядный ток измеряют с использованием датчика тока, соответствующего требованиям приложения В. Разрядный ток сравнивают с опорной формой тока. Цифровой осциллограф располагают в экранированной камере.
Сенсоры поля соединяют с осциллографом коаксиальным кабелем сопротивлением 50 Ом, проходящим через ребро экранированного кожуха, как показано на рисунке D.5. Коаксиальный кабель должен быть расположен так, чтобы не подвергаться влиянию излучаемых полей (для этого неэкранированный коаксиальный кабель размещают возможно ближе к экранированному кожуху, экран экранированного кабеля соединяют с кожухом).
С использованием осциллографа измеряют напряжение на сопротивлении 50 Ом. Электростатический разряд подают в контактном режиме на большую поверхность экранированного корпуса. Испытательный генератор электростатических разрядов сдвигают при подаче разрядов, с тем, чтобы измерить излучаемые поля на различных расстояниях от сенсоров.
Электрическое и магнитное поле, вызванное электростатическими разрядами, рассчитывают с учетом измеренного наведенного напряжения в нагрузке сенсора. Для этого:
- измеряют с помощью цифрового осциллографа напряжение v(t) на нагрузке 50 Ом, наведенное излучаемыми полями, создаваемыми испытательным генератором;
- с использованием преобразования Фурье рассчитывают спектральную плотность V(ω) напряжения v(t);
- рассчитывают или измеряют передаточную функцию V(ω) используемого сенсора тока;
- рассчитывают зависимость от времени напряженности электрического E(t) и магнитного H(t) полей как обратное преобразование Фурье V(ω)/T(ω).
Некоторые результаты вычислений приведены на рисунках D.6 и D.7. Данные числового моделирования используют для проверки процедуры вычисления напряженности магнитного поля исходя из данных измерения напряжения в петлевом сенсоре.
|
Рисунок D.6 - Сравнение измеренного (сплошная линия) и вычисленного (пунктирная линия) напряжений в петлевом сенсоре (электростатический разряд на расстоянии 45 см от сенсора) |
Рисунок D.7 - Сравнение значений напряженности магнитного поля, вычисленных по результатам измерений напряжения в петлевом сенсоре (сплошная линия) и методом числового моделирования (пунктирная линия) (электростатический разряд на расстоянии 45 см от сенсора) |
Обсуждение вопросов неопределенности измерений
Е.1 Общие сведения
Повторяемость результатов испытаний в области электромагнитной совместимости зависит от многих воздействующих факторов, влияющих на результаты испытаний. Воздействующие факторы вызывают ошибки при создании (генерации) физической величины, применяемой при испытаниях (свойства электромагнитной помехи). Эти ошибки могут быть классифицированы как случайные или систематические. Соответствие созданной с применением испытательного оборудования величины, применяемой при испытаниях в области электромагнитной совместимости, количественным параметрам данной величины, установленным в настоящем стандарте, подтверждают проведением ряда измерений (например, измерением времени нарастания импульса осциллографом с аттенюаторами). Результат каждого измерения представляет собой приближение к измеряемой величине, измеренное значение величины может отличаться от истинного значения из-за неопределенности измерений. При испытаниях в области электромагнитной совместимости критическим элементом при определении неопределенности измерений является неопределенность измерений, связанная с калибровкой испытательного оборудования.
Для достижения высокой надежности результатов калибровки необходимо установить источники неопределенности в измерительном оборудовании и заявить о неопределенности измерений.
Е.2 Категории неопределенности
Неопределенность измерений обычно включает в себя две составляющие: составляющую, обусловленную случайными эффектами (далее - составляющая, оцениваемая по типу А), и составляющую, обусловленную систематическими эффектами (далее - составляющая, оцениваемая по типу В). Составляющая неопределенности измерений, вызываемая случайными эффектами, связана с непредсказуемыми воздействиями. Составляющая неопределенности измерений, вызываемая систематическими эффектами, обычно связана с измерительными приборами. Систематические составляющие неопределенности измерений могут быть скорректированы или уменьшены. Случайные составляющие изначально не могут быть скорректированы или уменьшены. В рамках конкретной измерительной системы могут проявляться воздействующие факторы, влияющие на любую из этих составляющих.
Возможны случаи, когда составляющая неопределенности измерений, вызываемая случайными эффектами, связанная с одним методом испытаний, может стать составляющей неопределенности измерений, вызываемой систематическими эффектами для другого метода, в котором применяются результаты первого метода испытаний.
Для того, чтобы избежать путаницы, вместо разделения составляющих неопределенности измерений на вызываемые случайными и систематическими эффектами, применяют разделение составляющих неопределенности на категории А и В по способу оценки их вкладов в неопределенность измерений.
Для оценки вкладов составляющих по типу А в неопределенность измерений применяют статистические методы оценки стандартного отклонения для серии испытаний, учитывая, что эти составляющие обычно подчиняются нормальному распределению вероятностей (см. таблицу Е.1).
Таблица Е.1 - Оценка вкладов составляющих по типу А в неопределенность измерений
|
Формула расчета суммарной стандартной неопределенности |
Пояснения |
|
|
Нормальное |
|
Данные для применения статистических методов оценки определяют, как правило, по результатам верификации испытательного оборудования |
|
Uc(y) -
суммарная стандартная неопределенность, uj - результат
j-го испытания, |
||
Для оценки вкладов составляющих неопределенности измерений по типу В используют другие способы. Эти составляющие обычно связаны с такими эффектами, как рассогласования, потери в кабелях, нелинейные характеристики измерительного оборудования. При анализе значений и распределения вероятностей составляющих типа В неопределенность измерений может оцениваться на основе данных калибровки, технических характеристик измерительного оборудования, установленных изготовителем, или на основании опыта и знаний.
Разделение составляющих неопределенности измерений на оцениваемые по типам А и В не означает, что различается сама природа этих составляющих. Данная классификация основана на оценке их природы. Оба типа составляющих могут оцениваться на основе предположений о распределении вероятностей, и составляющие неопределенности любого типа могут быть охарактеризованы стандартным отклонением.
Е.3 Ограничения
В контексте требований настоящего стандарта применяют следующие ограничения и условия:
- бюджет неопределенности измерений ограничивают составляющими неопределенности, оцениваемыми по типу В (вызываемыми измерительными приборами). Это не означает, что следует игнорировать влияние составляющих неопределенности по типу А, которые должны оцениваться испытательными и калибровочными лабораториями по отдельности для получения более полной картины неопределенности измерений;
- все вклады в неопределенность измерений считают некоррелированными;
- доверительную вероятность принимают равной 95 %.
Примечание - Примеры бюджета неопределенности измерений по типу В приведены в таблицах Е.3 - Е.5.
Е.4 Расчет неопределенности измерений при оценке по типу В
Стандартную неопределенность для составляющей рассчитывают делением полученного значения составляющей на коэффициент (делитель), зависящий от распределения вероятностей этой составляющей. Для отдельных случаев распределения вероятностей применяют делители, указанные в таблице Е.2.
Таблица Е.2 - Делители для отдельных случаев распределения вероятностей
|
Делитель |
Пояснения |
|
|
Нормальное |
Коэффициент охвата k |
Для доверительной вероятности 95 % принимают k = 2. Значение составляющей получают обычно из сертификатов калибровки |
|
Равномерное |
|
Значение величины получают обычно из данных изготовителя о приборе |
|
U-образное |
|
Неопределенность рассогласования. Вклады в неопределенность наиболее вероятны в пределах нормы |
Для случаев, когда распределение вероятности неизвестно, по умолчанию принимают равномерное распределение.
Суммарную стандартную неопределенность измерений вычисляют с применением значений стандартной неопределенности составляющих. Для этого необходимо убедиться, что значения всех составляющих выражены в одинаковых единицах, составляющие являются некоррелированными и при расчетах в логарифмическом масштабе объединяются суммированием (выражаются обычно в децибелах).
Однако при калибровке испытательных генераторов электростатических разрядов и измерениях значения составляющих должны быть представлены в процентах.
Значения составляющих рассчитывают по формуле
(Е.1)
Значение суммарной стандартной неопределенности измерений ис(у) рассчитывают по формуле
(Е.2)
где ui(y) - стандартная неопределенность i-й составляющей.
t - распределение Стьюдента дает коэффициент охвата k (т.е. множитель для суммарной стандартной неопределенности), предполагая, что выходная переменная у подчиняется нормальному распределению.
Умножая ис(у) на коэффициент охвата к, получаем значение расширенной неопределенности измерений, обеспечивающей больший доверительный интервал. Коэффициент охвата зависит от числа степеней свободы, вычисленного из отношения неопределенностей, оцениваемого по типам А и В.
Е.5 Составление бюджета неопределенности
Бюджет неопределенности измерений представляет собой список возможных источников ошибок измерений с оценкой их распределения вероятностей.
Вычисление бюджета неопределенности состоит из следующих этапов:
a) определение параметров физической величины, применяемой при испытаниях в области ЭМС (свойства электромагнитной помехи), создаваемой испытательным оборудованием при проведении испытаний на помехоустойчивость;
b) идентификация составляющих неопределенности измерений (вкладов в неопределенность) и их значений;
c) определение распределения вероятности каждой составляющей;
d) вычисление значения стандартной неопределенности u(хi) для каждой составляющей;
e) вычисление суммарной стандартной неопределенности измерений ис(у), коэффициента охвата k и расширенной неопределенности измерений Uc = uc(y)k;
f) учет влияния значения расширенной неопределенности измерений при проведении испытаний на помехоустойчивость;
g) указание значения расширенной неопределенности измерений в документах системы менеджмента качества (при необходимости).
В протоколах испытаний на помехоустойчивость, проведенных испытательной лабораторией, значение расширенной неопределенности измерений указывают в тех случаях, если это требуется нормативными документами.
Примеры бюджетов неопределенности измерений с идентификацией составляющих (вкладов) и установлением их значений приведены в Е.6.
Следует отметить, что примеры бюджетов неопределенности измерений приводятся для общего сведения. Калибровочная или испытательная лаборатория должна определить действительный перечень составляющих (вкладов) и их реальные значения для своих установок. Окончательный бюджет неопределенности измерений может включать в себя ограниченный перечень составляющих, принимаемых во внимание без учета дополнительных вкладов, что при сравнении значений неопределенности измерений в различных испытательных лабораториях обеспечивает лучшие результаты.
Е.6 Составляющие неопределенности измерений при подаче электростатических разрядов
Расчеты неопределенности измерений при калибровке испытательных генераторов электростатических разрядов, а также при испытаниях на устойчивость к электростатическим разрядам не должны проводиться тем же способом, что и расчеты неопределенности измерений параметров эмиссии электромагнитных помех, т.к. результаты испытаний на помехоустойчивость представляют не в числовой форме, а в виде заключения «соответствует»/«не соответствует».
В процессе испытаний на устойчивость к электростатическим разрядам на испытуемое ТС подают воздействующую физическую величину (представляющую собой свойство электромагнитной помехи), характеризуемую рядом параметров. Одновременно проводят мониторинг одного или нескольких сигналов, получаемых от испытуемого ТС, или осуществляют визуальное наблюдение за состоянием испытуемого ТС. Результаты мониторинга (визуального наблюдения за состоянием) контролируют и сравнивают с установленным критерием, что позволяет получить результат испытания «соответствует»/«не соответствует».
Примечания
1 При калибровке термин «испытуемое ТС» относят к испытательному генератору электростатических разрядов, подлежащему калибровке.
2 В контексте требований настоящего стандарта термин «измерительный прибор» относят к измерительным приборам, используемым при калибровке.
При обсуждении вопросов неопределенности измерений применительно к испытаниям технических средств на помехоустойчивость необходимо установить, применительно к каким измеряемым величинам должны проводиться расчеты неопределенности измерений. Классические расчеты неопределенности измерений могут быть применены к измерениям сигналов, получаемых от испытуемого ТС в процессе испытаний на помехоустойчивость. Однако измерения при контроле помехоустойчивости являются специфичными для конкретных испытуемых ТС и не относятся к области применения настоящего стандарта.
Поэтому требования к неопределенности измерений должны быть установлены в отношении параметров конкретной физической величины, создаваемой и применяемой при испытаниях в области электромагнитной совместимости. Неопределенность измерений в данном случае отражает степень соответствия определенных образцов испытательного оборудования требованиям, установленным в стандарте на методы испытаний.
Значения неопределенности измерений, полученные для конкретного образца оборудования, не отражают степень соответствия имитируемых электромагнитных помех, установленных в стандарте на методы испытаний, реальной электромагнитной обстановке в местах эксплуатации технических средств. Следовательно, вопросы, касающиеся уточнения параметров физической величины при ее подаче на испытуемое ТС (например, позиционирование «искрового пистолета» по отношению к пластине с датчиком тока), к неопределенности измерительного оборудования не относят.
Поскольку влияние конкретного параметра воздействующей физической величины (свойства электромагнитной помехи) на испытуемое ТС априори неизвестно и в большинстве случаев воздействие помехи на испытуемое ТС связано с нелинейными системными эффектами, для воздействующей физической величины не может быть установлено единое значение неопределенности измерений, учитывающее значения неопределенности измерений всех ее параметров. Каждый параметр электромагнитной помехи должен сопровождаться специфическим значением неопределенности измерений, связанной с влиянием более чем одной составляющей.
Примечание - Значения неопределенности измерений при калибровке испытательного генератора электростатических разрядов приведены в настоящем разделе в качестве примера.
В перечне, приведенном ниже, указаны составляющие неопределенности (вклады), учитываемые при оценке влияний на измерительные приборы и испытательные установки:
- показания пикового значения разрядного тока (тока первого максимума);
- показания при 10 %-ном значении разрядного тока;
- показания при 90 %-ном значении разрядного тока;
- показания значения разрядного тока при времени 30 и 60 нс;
- значение низкочастотного передаточного сопротивления Zsys;
- значение статического (испытательного) напряжения;
- рассогласование цепи «датчик тока - аттенюатор - кабель - осциллограф»;
- составляющая неопределенности при горизонтальном измерении осциллографом;
- составляющая неопределенности при вертикальном измерении осциллографом;
- составляющая неопределенности за счет цепи «датчик тока - аттенюатор - кабель»;
- повторяемость измерений (оценка по типу А);
- ориентация генератора электростатических разрядов (оценка по типу А);
- размещение генератора электростатических разрядов (оценка по типу А);
- варианты испытательной установки (оценка по типу А);
- составляющие неопределенности за счет калибровки датчика тока, осциллографа, аттенюатора.
Необходимо учитывать, что составляющие (вклады), относящиеся к калибровке и к испытаниям на помехоустойчивость, не могут быть теми же. Это приводит к различиям (незначительным) бюджетов неопределенности для каждого их этих процессов.
В настоящем стандарте не рассмотрены аспекты, относящиеся к составляющим, оцениваемым по типу А, таким как позиционирование «искрового пистолета» по отношению к пластине с датчиком тока. Исключения из этого правила сделаны в отношении повторяемости результатов при проведении измерений и при калибровке.
Е.7 Неопределенность результатов калибровки
Рекомендуется создавать независимые бюджеты неопределенности измерений для каждого элемента калибровки, т.е. для Ip, I30, I60, tr. Физической величиной, воздействующей на испытуемое ТС при испытаниях на устойчивость к электростатическим разрядам, считают разрядный ток, создаваемый испытательным генератором электростатических разрядов. Элементами калибровки этой физической величины являются значения Iр, I30, I60, tr. Как указано в Е.6, независимый бюджет неопределенности измерений должен быть рассчитан для каждого из этих параметров.
Примеры вычисления бюджетов неопределенности измерений для этих параметров приведены в таблицах Е.3 - Е.5.
В таблицы включены составляющие (вклады в бюджет неопределенности), которые считаются наиболее значимыми для этих примеров, а также сведения (числовые значения, вид распределения вероятности и т.д.) для каждой составляющей и результаты вычислений, необходимые для определения каждого бюджета неопределенности.
Таблица Е.3 - Пример бюджета неопределенности измерений при калибровке (измерение времени нарастания импульса разрядного тока)
|
Распределение вероятностей |
Значение, пс |
иi(у), пс |
ui(y)2, пс2 |
Пояснение |
|
|
Показание пикового значения |
Нормальное, k = 2 |
50 |
25 |
625 |
Неопределенность измерения пикового значения 6,3 % времени нарастания тока 800 пс (см. таблицу Е.4) |
|
Показание времени при 90 % разрядного тока |
Равномерное,
делитель |
25 |
14 |
196 |
Частота дискретизации осциллографа 20 ГГц |
|
Показание времени при 10 % разрядного тока |
Равномерное,
делитель |
25 |
14 |
196 |
Частота дискретизации осциллографа 20 ГГц |
|
Суммарный вклад в измерение при горизонтальной развертке осциллографа (см. примечание 1) |
Нормальное, k = 2 |
36 |
18 |
324 |
По данным калибровочной лаборатории осциллографа |
|
Составляющая за счет цепи «датчик тока - аттенюатор - кабель» |
Нормальное, k = 2 |
30 |
15 |
225 |
По данным калибровочной лаборатории осциллографа (см. примечание 2) |
|
Повторяемость измерений |
Нормальное, делитель = 1 |
45 |
45 |
2025 |
Получено из оценки по типу А (см. примечание 3) |
|
- |
- |
- |
Сумма |
3951 |
- |
|
Суммарная стандартная неопределенность ис времени нарастания |
60 пс (квадратный корень) |
||||
|
Расширенная неопределенность U времени нарастания |
Нормальное, k = 2 |
120 пс (15 %) |
Доверительная вероятность 95 % |
||
|
Примечания 1 Суммарный вклад в измерение при горизонтальной развертке осциллографа включает в себя вклады неопределенности горизонтального разрешения осциллографа, интерполяции разрешения, разрешения по времени, частотного измерения, коррекции времени нарастания и т.д. 2 Сертификат калибровки цепи содержит только частотную характеристику затухания. Предполагается, что калибровочная лаборатория также предоставила значение вклада в неопределенность измерения времени нарастания, поэтому k = 2. 3
Оценка повторяемости по типу А основана на пяти последовательных измерениях.
Формула для стандартного отклонения
где qj - результат j-го измерения;
|
|||||
Таблица Е.4 - Пример бюджета неопределенности при калибровке (измерение пикового значения разрядного тока)
|
Распределение вероятностей |
Значение, % |
иi(y), % |
иi(у)2, %2 |
Пояснение |
|
|
Суммарный вклад в измерение при горизонтальной развертке осциллографа (см. примечание 1) |
Нормальное, k = 2 |
3,2 |
1,6 |
2,56 |
По данным калибровочной лаборатории осциллографа |
|
Составляющая за счет цепи «датчик тока - аттенюатор - кабель» |
Нормальное, k = 2 |
3,62 |
1,8 |
3,24 |
По данным калибровочной лаборатории осциллографа |
|
Рассогласование цепи «датчик тока - аттенюатор - кабель - осциллограф» |
U-образное делитель |
2 |
1,4 |
2 |
Из данных калибровки или технических характеристик (см. примечание 2) |
|
Низкочастотное передаточное сопротивление |
Нормальное, k = 2 |
6×10-6 |
3×10-6 |
9×10-12 |
Внутренняя калибровка (см. примечание 3) |
|
Повторяемость измерений |
Нормальное, делитель = 1 |
1,5 |
1,5 |
2,25 |
Получено из оценки по типу А (см. примечание 4) |
|
- |
- |
- |
Сумма |
10,05 |
- |
|
Суммарная стандартная неопределенность ис измерения пикового тока |
3,17 (квадратный корень) |
||||
|
Расширенная неопределенность U измерения пикового тока |
k = 2 |
6,3 % |
Доверительная вероятность 95 % |
||
|
Примечания 1 Суммарный вклад в измерение при вертикальной развертке осциллографа включает в себя вклады неопределенности вертикального разрешения осциллографа, нарушения линейности по НЧ и ВЧ, разрешения сдвига и т.д. Калибровка должна охватывать всю полосу частот, т.е. f ≤ 2 ГГц. Однако сглаженность не должна превышать обеспечиваемую фильтром первого порядка с частотой среза fc = 2 ГГц, т.е. A(f) ~ |1 + (f/fc)2|-1/2. 2 Вклад за счет
рассогласования вызван коэффициентом выходного отражения (ГС) в цепи «датчик тока - аттенюатор - кабель» и коэффициентом
входного отражения (ГО) осциллографа. Эти
данные получают из сертификатов калибровки или технических характеристик с
учетом полосы частот. Если данные по осциллографам не учитывают всей полосы
частот, необходимы дополнительные измерения. Вклад рассогласования
рассчитывают как произведение ГС ∙ ГО. Учитывая U-образное
распределение вероятностей, применяют делитель 3 Предполагается, что калибровочная лаборатория имеет отдельную инструкцию по калибровке с оценкой неопределенности измерений, позволяющую оценить расширенную неопределенность U данной калибровки. 4
Оценка повторяемости по типу А основана на пяти последовательных измерениях.
Формула для стандартного отклонения
где qj - результат j-го измерения;
|
|||||
Таблица Е.5 - Пример бюджета неопределенности при калибровке (измерение пикового значения разрядного тока при времени 30 и 60 нс)
|
Распределение вероятностей |
Значение, % |
иi(y), % |
иi(у)2, %2 |
Пояснения |
|
|
Неопределенность измерения пикового значения тока |
Нормальное, k = 2 |
6,3 |
3,15 |
9,926 |
Неопределенность измерения пикового значения тока - по таблице Е.4 |
|
Показание времени при 30 или 60 нс |
Равномерное,
делитель |
0,17 |
0,098 |
0,0096 |
Чувствительность показаний силы тока при 30 или 60 нс (при измерениях в интервале времени от момента, соответствующего 10 % пикового тока, до 30 или 60 нс). Частота дискретизации осциллографа 20 ГГц (неопределенности 50 нс соответствуют два считывания) |
|
- |
- |
- |
Сумма |
9,93 |
- |
|
Суммарная стандартная неопределенность ис измерения разрядного тока при времени 30 и 60 нс |
3,15 (квадратный корень) |
||||
|
Расширенная неопределенность U измерения разрядного тока при времени 30 и 60 нс |
Нормальное, k = 2 |
6,3 % |
Доверительная вероятность 95 % |
Допускается установление техническими комитетами по стандартизации и органами по аккредитации иного порядка определения бюджетов неопределенности измерения Ip, I30, I60, tr, отличающегося от установленного в настоящем стандарте.
Е.8 Применение значений неопределенности измерений параметров в критерии соответствия испытательного генератора электростатических разрядов
Для того чтобы удостовериться в соответствии испытательного генератора электростатических разрядов требованиям, установленным в настоящем стандарте, значения неопределенности измерения параметров Iр, I30, I60, tr по результатам калибровки не должны превышать следующих предельных значений для калибровочных лабораторий:
- расширенная неопределенность измерения времени нарастания разрядного тока tr - ≤ 15 %;
- расширенная неопределенность измерения пикового значения разрядного тока Iр и значений разрядного тока при 30 нс I30 и 60 нс I60 - ≤ 7 %.
Указанные предельные значения неопределенности измерения Ip, I30, I60, tr не изменяют установленных в настоящем стандарте допустимых отклонений значений параметров импульса разрядного тока при контактном разряде (см. таблицу 3).
Различия в результатах испытаний и применение расширенной стратегии
F.1 Различия в результатах испытаний
При проведении испытаний на устойчивость к электростатическим разрядам возможны некоторые различия в результатах испытаний, учитывая сложную природу электростатических разрядов и допустимые отклонения при установлении параметров испытательного оборудования. Часто различия результатов испытаний вызываются изменениями жесткости проведения испытаний, влияющими на нарушения функционирования испытуемых ТС, или различиями нарушений функционирования, возникающих в испытуемых ТС во время испытаний. В зависимости от степени жесткости испытаний такие различия в результатах могут повлиять на решение о том, соответствует ли испытуемое ТС требованиям устойчивости к электростатическим разрядам.
При различиях в результатах испытаний необходимо предпринять следующие шаги для определения причин имеющихся различий:
- шаг 1 - проверить испытательную установку, проанализировать ее элементы, включая расположение каждого кабеля и состояние испытуемого ТС (положение органов управления, люков, крышек);
- шаг 2 - проверить порядок проведения испытаний, включая режим работы испытуемого ТС, размещение и местоположение вспомогательного оборудования, положение оператора, порядок подачи разрядов на испытуемое ТС;
- шаг 3 - проверить испытательный генератор электростатических разрядов, правильность его работы, дату последней калибровки, применение испытательного генератора в соответствии с требованиями настоящего стандарта. Убедиться в том, что различия в результатах испытаний не связаны с использованием разных испытательных генераторов.
Если различия в результатах испытаний вызваны использованием разных испытательных генераторов электростатических разрядов для определения соответствия требованиям настоящего стандарта, то необходимо использовать результаты, полученные при применении испытательного генератора, соответствующего требованиям 6.2.
F.2 Применение расширенной стратегии
Если различия в результатах испытаний возникают при одинаковых условиях испытаний, включая параметры испытательного генератора, то для определения соответствия испытуемого ТС требованиям устойчивости к электростатическим разрядам применяют расширенную стратегию, как указано ниже. Расширенная стратегия должна применяться по отдельности для каждой испытательной точки, в которой наблюдаются различные результаты испытаний:
a) при первом испытании подают на испытательную точку при заданной степени жесткости испытаний заданное число разрядов (например, 50 разрядов) в соответствии с 8.3. Если после применения первой серии разрядов не возникает недопустимых эффектов, считают, что испытуемое ТС выдержало испытание в этой испытательной точке с заданной степенью жесткости испытаний. Если в этой серии разрядов возникает один недопустимый эффект, то проводят следующее испытание в соответствии с перечислением b). Если в этой серии разрядов возникает несколько недопустимых эффектов, считают, что испытуемое ТС не выдержало испытание в данной испытательной точке;
b) при втором испытании подают на ту же испытательную точку при заданной степени жесткости испытаний удвоенное число разрядов в соответствии с 8.3. Если с применением этой серии разрядов не возникает недопустимых эффектов, считают, что испытуемое ТС выдержало испытание в этой испытательной точке с заданной степенью жесткости испытаний. Если возникает один недопустимый эффект в этой серии разрядов, то проводят следующее испытание в соответствии с перечислением с). Если возникает несколько недопустимых эффектов в этой серии разрядов, считают, что испытуемое ТС не выдержало испытание в этой испытательной точке;
c) при третьем испытании на ту же испытательную точку подают такое же число разрядов, что и по перечислению b), с заданной степенью жесткости испытаний. Если с применением этой серии разрядов недопустимых эффектов не возникает, считают, что ТС испытание в этой испытательной точке с заданной степенью жесткости испытаний выдержало. Если возникают недопустимые эффекты в этой серии разрядов, то считают, что испытуемое ТС не выдержало испытание в этой испытательной точке.
[1] МЭК 60050-161:1990 Международный электротехнический словарь - Глава 161: Электромагнитная совместимость
Ключевые слова: электромагнитная совместимость, технические средства, устойчивость к электромагнитным помехам, электростатические разряды, требования, методы испытаний