Скачать ГОСТ 31603-2012 Устройства защитного отключения переносные бытового и аналогичного назначения, управляемые дифференциальным током, без встроенной защиты от сверхтоков (УЗО-ДП). Общие требования и методы испытанийДата актуализации: 01.01.2021
|
| Обозначение: | ГОСТ 31603-2012 |
| Обозначение англ: | GOST 31603-2012 |
| Статус: | введен впервые |
| Название рус.: | Устройства защитного отключения переносные бытового и аналогичного назначения, управляемые дифференциальным током, без встроенной защиты от сверхтоков (УЗО-ДП). Общие требования и методы испытаний |
| Название англ.: | Portable residual current devices without integral overcurrent protection for household and similar use (PRCDs). General requirements and test methods |
| Дата добавления в базу: | 01.10.2014 |
| Дата актуализации: | 01.01.2021 |
| Дата введения: | 01.01.2014 |
| Область применения: | Стандарт распространяется на устройства защитного отключения бытового и аналогичного назначения (УЗО), управляемые дифференциальным (остаточным) током (УЗО-Д), предназначенные для использования в качестве переносных устройств защитного отключения (далее - УЗО-ДП) в однофазных цепях переменного тока с номинальным напряжением не более 250 В и номинальным током не более 16 А или номинальным напряжением не более 130 В и номинальным током не более 32 А без встроенной защиты от сверхтоков. Устройства предназначены для защиты людей от поражения электрическим током в случае прямого контакта, помимо защиты цепи, обеспечиваемой стационарными установками (например, автоматическими выключателями, управляемые дифференциальным током и установленные в квартирных щитках с номинальным дифференциальным управляющим током от 0,03 А). Стандарт распространяется на УЗО-ДП, выполняющие одновременно функции обнаружения дифференциального тока, измерения и сравнения его величины с заданной величиной тока отключения, а также для отключения защищаемой цепи при превышении величины дифференциального тока отключения исполнительным органом (разъединителем). |
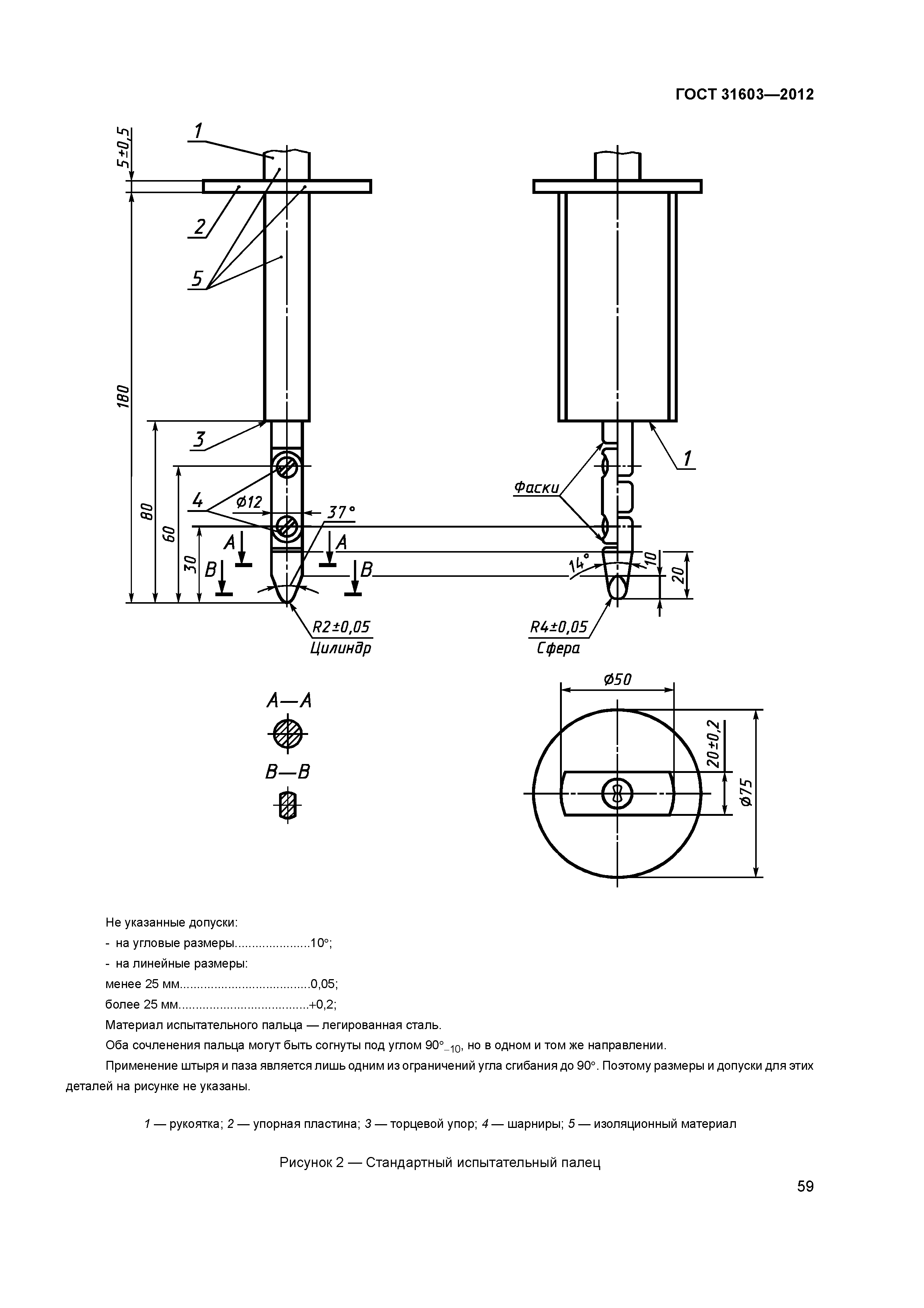
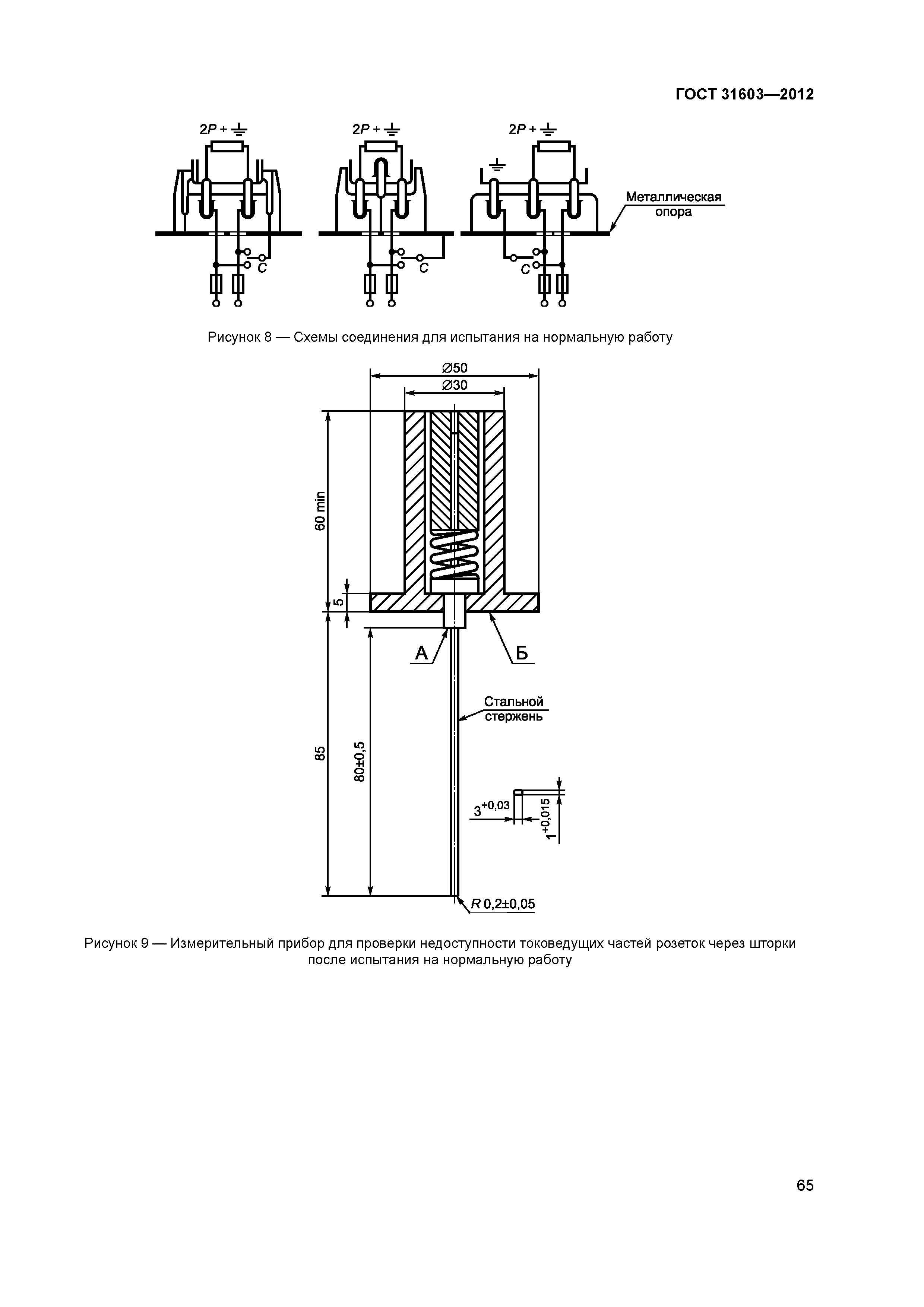
| Оглавление: | 1 Область применения 2 Нормативные ссылки 3 Определения 4 Классификация 5 Характеристики УЗО-ДП 6 Маркировка и другая информация об изделии 7 Нормальные условия эксплуатации и монтажа 8 Требования к конструкции и функционированию 9 Испытания Рисунки Приложение А (обязательное) Порядок испытаний и число образцов, подвергаемых проверке на соответствие требованиям настоящего стандарта Приложение В (обязательное) Приемо-сдаточные испытания Приложение С (обязательное) Определение воздушных зазоров и путей утечки тока Приложение D (обязательное) Перечень испытаний, дополнительные последовательности испытаний и число образцов для проверки соответствия УЗО-ДП требованиям электромагнитной совместимости (ЭМС) Приложение ДА (информационное) Сведения о соответствии межгосударственных стандартов ссылочным международным стандартам Библиография |
| Разработан: | ООО ВНИИэлектроаппарат |
| Утверждён: | 24.05.2012 Межгосударственный Совет по стандартизации, метрологии и сертификации (Inter-Governmental Council on Standardization, Metrology, and Certification 41) 15.11.2012 Федеральное агентство по техническому регулированию и метрологии (862-ст) |
| Издан: | Стандартинформ (2014 г. ) |
| Нормативные ссылки: |
|































































































