Скачать ГОСТ 30324.2.47-2012 Изделия медицинские электрические. Часть 2-47. Частные требования безопасности с учетом основных функциональных характеристик к амбулаторным электрокардиографическим системамДата актуализации: 01.01.2021
|
| Обозначение: | ГОСТ 30324.2.47-2012 |
| Обозначение англ: | GOST 30324.2.47-2012 |
| Статус: | введен впервые |
| Название рус.: | Изделия медицинские электрические. Часть 2-47. Частные требования безопасности с учетом основных функциональных характеристик к амбулаторным электрокардиографическим системам |
| Название англ.: | Medical electrical equipment. Part 2-47. Particular requirements for the safety, including essential performance, of ambulatory electrocardiographic systems |
| Дата добавления в базу: | 01.10.2014 |
| Дата актуализации: | 01.01.2021 |
| Дата введения: | 01.01.2015 |
| Область применения: | Частный стандарт устанавливает требования безопасности к амбулаторным электрокардиографическим системам по 2.101. Частный стандарт распространяется на изделия следующих категорий: а) изделия, обеспечивающие непрерывную запись и непрерывный анализ потенциалов действия сердца — электрокардиосигнала (ЭКС) и обеспечивающие проведение повторных анализов полного ЭКС. Изделия хранят первичную запись ЭКС и первичный анализ, позволяя повторно проводить анализ в отдельном блоке системы. Настоящий стандарт не устанавливает тип использованной среды для хранения ЭКС; b) изделия, обеспечивающие непрерывный анализ и только фрагментарную или сжатую запись ЭКС без возможности проведения ее полного повторного анализа. Требования безопасности настоящего стандарта распространяются на все типы изделий, подпадающих под одну из вышеупомянутых категорий. Если амбулаторные электрокардиографические системы включают средства для автоматического анализа ЭКС, применяются минимальные требования по характеристикам измерения и анализа. Частный стандарт не распространяется на системы, которые не осуществляют непрерывную запись и анализ ЭКС (например, регистраторы перемежающихся событий), а также на медицинские электрические изделия по ГОСТ 30324.25 и ГОСТ 30324.27. |
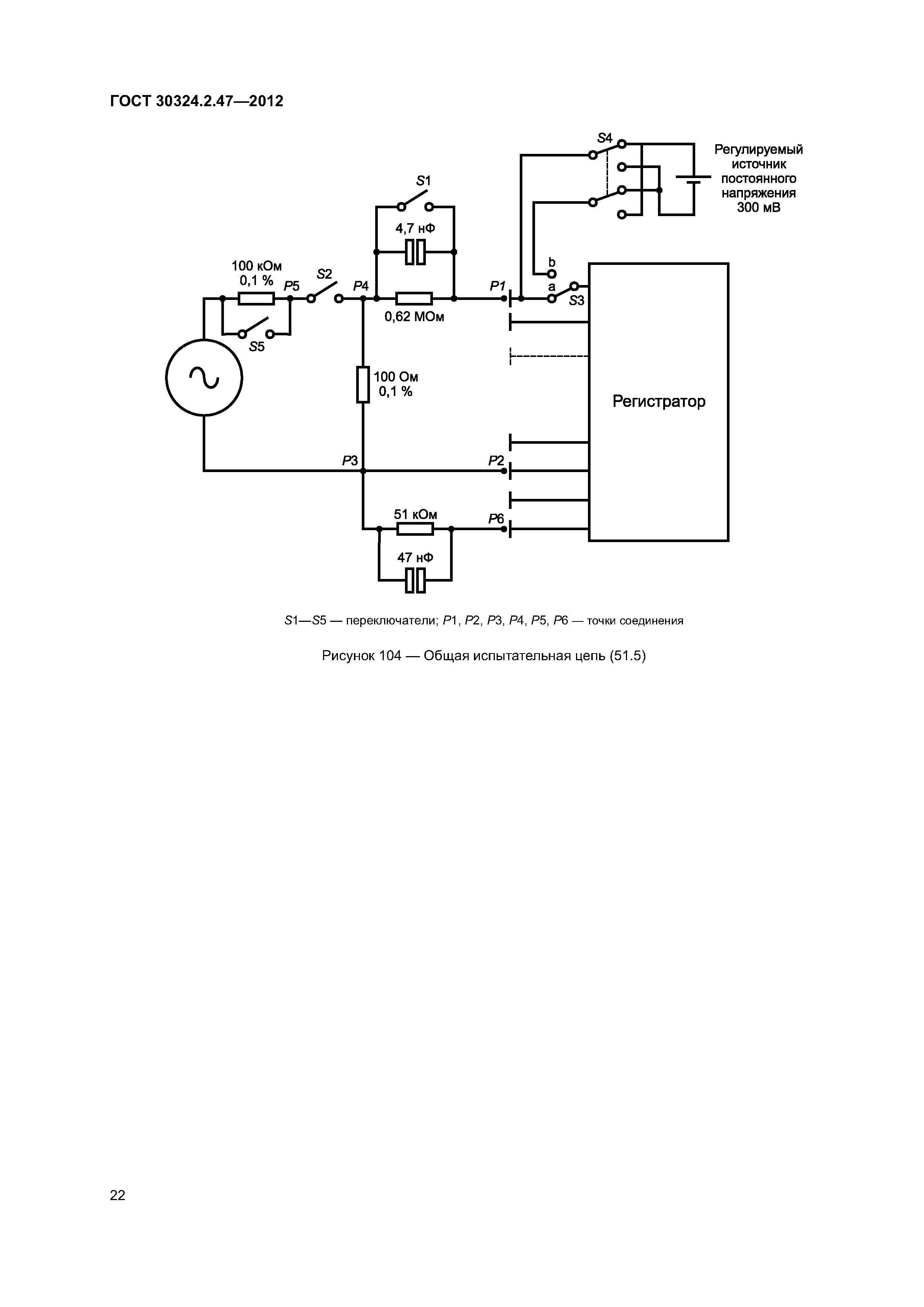
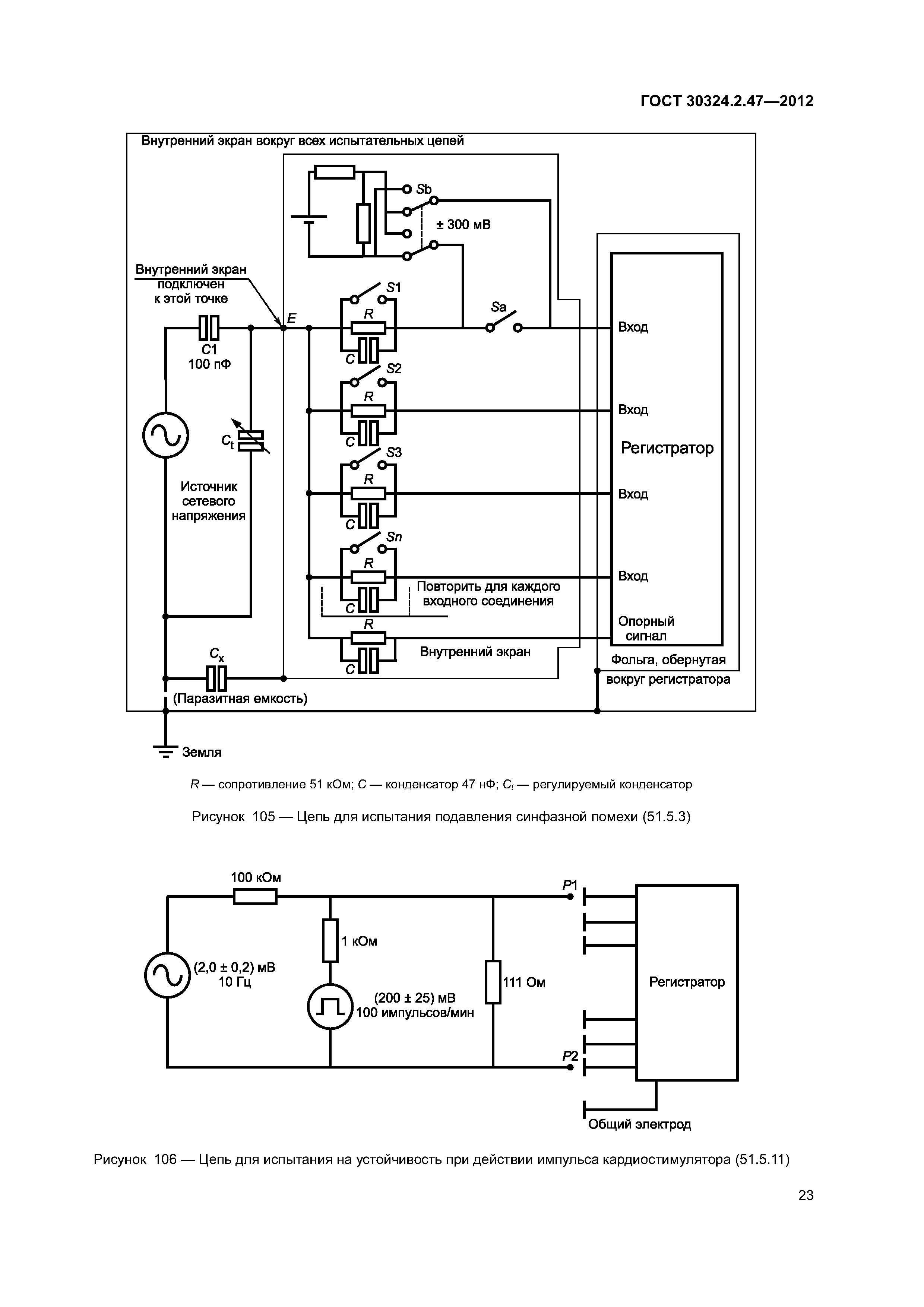
| Оглавление: | РАЗДЕЛ ПЕРВЫЙ. ОБЩИЕ ПОЛОЖЕНИЯ 1 Область распространения и цель 2 Термины и определения 5 Классификация 6 Идентификация, маркировка и документация РАЗДЕЛ ВТОРОЙ. УСЛОВИЯ ОКРУЖАЮЩЕЙ СРЕДЫ 10 Условия окружающей среды РАЗДЕЛ ТРЕТИЙ. ЗАЩИТА ОТ ОПАСНОСТЕЙ ПОРАЖЕНИЯ ЭЛЕКТРИЧЕСКИМ ТОКОМ 20 Электрическая прочность изоляции РАЗДЕЛ ЧЕТВЕРТЫЙ. ЗАЩИТА ОТ МЕХАНИЧЕСКИХ ОПАСНОСТЕЙ 21 Механическая прочность РАЗДЕЛ ПЯТЫЙ. ЗАЩИТА ОТ ОПАСНОСТЕЙ НЕЖЕЛАТЕЛЬНОГО ИЛИ ЧРЕЗМЕРНОГО ИЗЛУЧЕНИЯ 36 Электромагнитная совместимость РАЗДЕЛ ШЕСТОЙ. ЗАЩИТА ОТ ОПАСНОСТЕЙ ВОСПЛАМЕНЕНИЯ ГОРЮЧИХ СМЕСЕЙ АНЕСТЕТИКОВ РАЗДЕЛ СЕДЬМОЙ. ЗАЩИТА ОТ ЧРЕЗМЕРНЫХ ТЕМПЕРАТУР И ДРУГИХ ОПАСНОСТЕЙ РАЗДЕЛ ВОСЬМОЙ. ТОЧНОСТЬ РАБОЧИХ ХАРАКТЕРИСТИК И ЗАЩИТА ОТ ПРЕДСТАВЛЯЮЩИХ ОПАСНОСТЬ ВЫХОДНЫХ ХАРАКТЕРИСТИК 50 Точность рабочих характеристик 51 Защита от представляющих опасность выходных характеристик РАЗДЕЛ ДЕВЯТЫЙ. НЕНОРМАЛЬНАЯ РАБОТА И УСЛОВИЯ НАРУШЕНИЯ; ИСПЫТАНИЯ НА ВОЗДЕЙСТВИЕ ВНЕШНИХ ФАКТОРОВ РАЗДЕЛ ДЕСЯТЫЙ. ТРЕБОВАНИЯ К КОНСТРУКЦИИ 56 Компоненты и общая компоновка Рисунок 101 - Установка для испытания эмиссионных излучений (36.201.1) Рисунок 102 - Установка для испытаний на излучение и защищенность от излучения (36.201.1 и 36.202.2) Рисунок 103 - Сигнал для испытания динамического диапазона входных сигналов (51.5.1) Рисунок 104 - Общая испытательная цепь (51.5) Рисунок 105 - Цепь для испытания подавления синфазной помехи (51.5.3) Рисунок 106 - Цепь для испытания на устойчивость при действии импульса кардиостимулятора (51.5.11) Приложение L (обязательное) Нормативные ссылки Приложение АА (справочное) Общие положения и обоснования Алфавитный указатель терминов Библиография |
| Разработан: | ФГУП ВНИИНМАШ |
| Утверждён: | 24.05.2012 Межгосударственный Совет по стандартизации, метрологии и сертификации (Inter-Governmental Council on Standardization, Metrology, and Certification 41) 01.11.2012 Федеральное агентство по техническому регулированию и метрологии (617-ст) |
| Издан: | Стандартинформ (2013 г. ) |
| Список изменений: |
|
| Нормативные ссылки: |
|





































Текстовое изменение Поправка от 23.10.2018