Скачать ОСТ 95 10439-2002 Оборудование для работы с радиоактивными средами. Общие технические требования. Приемка. Эксплуатация и ремонт

Дата актуализации: 01.01.2021

ОСТ 95 10439-2002

Оборудование для работы с радиоактивными средами. Общие технические требования. Приемка. Эксплуатация и ремонт

Обозначение: ОСТ 95 10439-2002
Обозначение англ: OST 95 10439-2002
Статус:действует
Название рус.:Оборудование для работы с радиоактивными средами. Общие технические требования. Приемка. Эксплуатация и ремонт
Дата добавления в базу:01.10.2014
Дата актуализации:01.01.2021
Дата введения:01.06.2002
Область применения:Стандарт распространяется на разрабатываемое и модернизируемое технологическое оборудование (сосуды, аппараты, реакторы, боксы) и трубопроводы, предназначенные для работы с радиоактивными средами в производствах, на которые не распространяются требования НРБ-99 "Ионизирующее излучение. Радиационная безопасность. Нормы радиационной безопасности" и ОСПОРБ-99 "Основные санитарные правила обеспечения радиационной безопасности"
Оглавление:1 Область применения
2 Нормативные ссылки
3 Термины и определения
4 Технические требования
   4.1 Общие требования
   4.2 Требования надежности
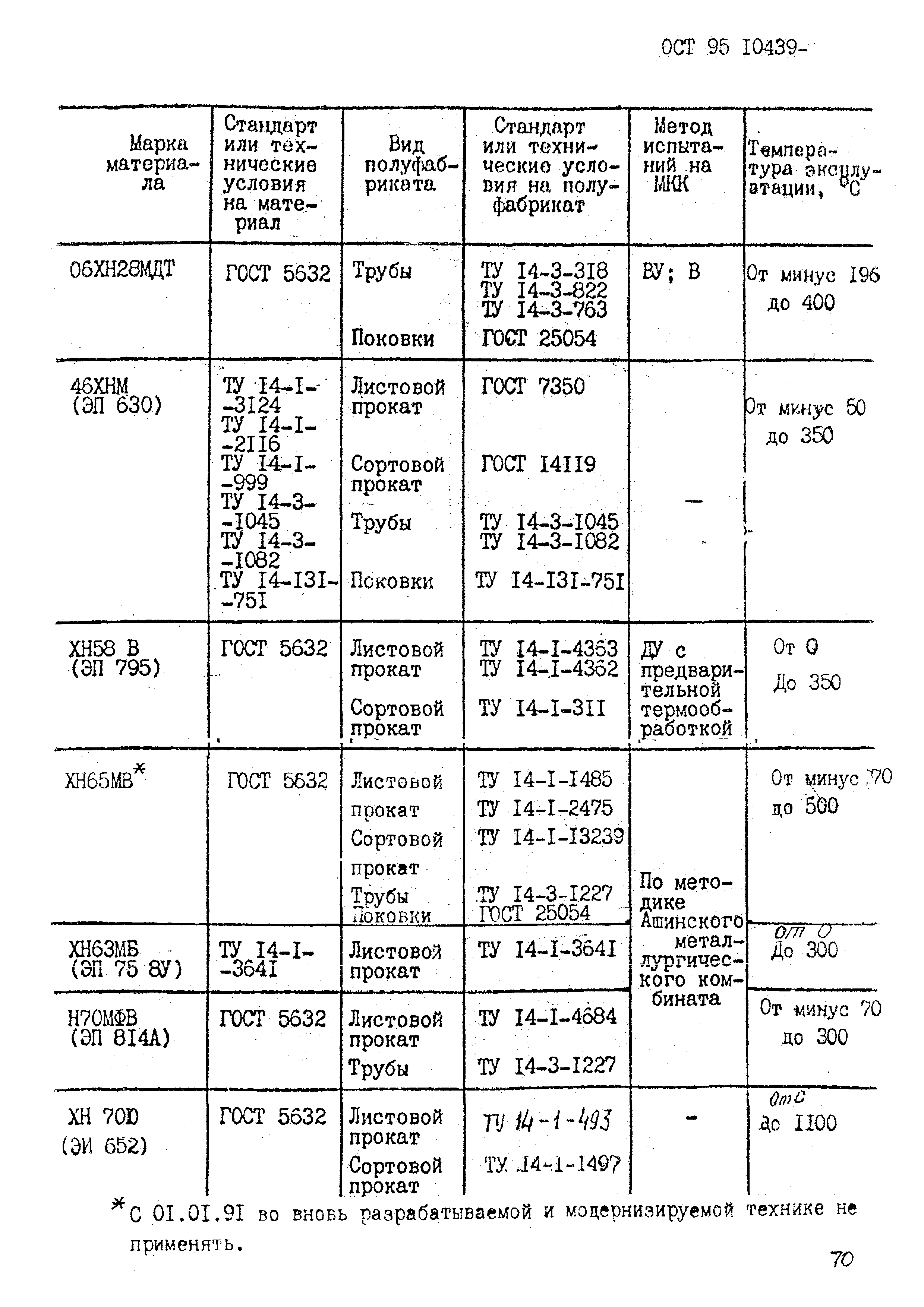
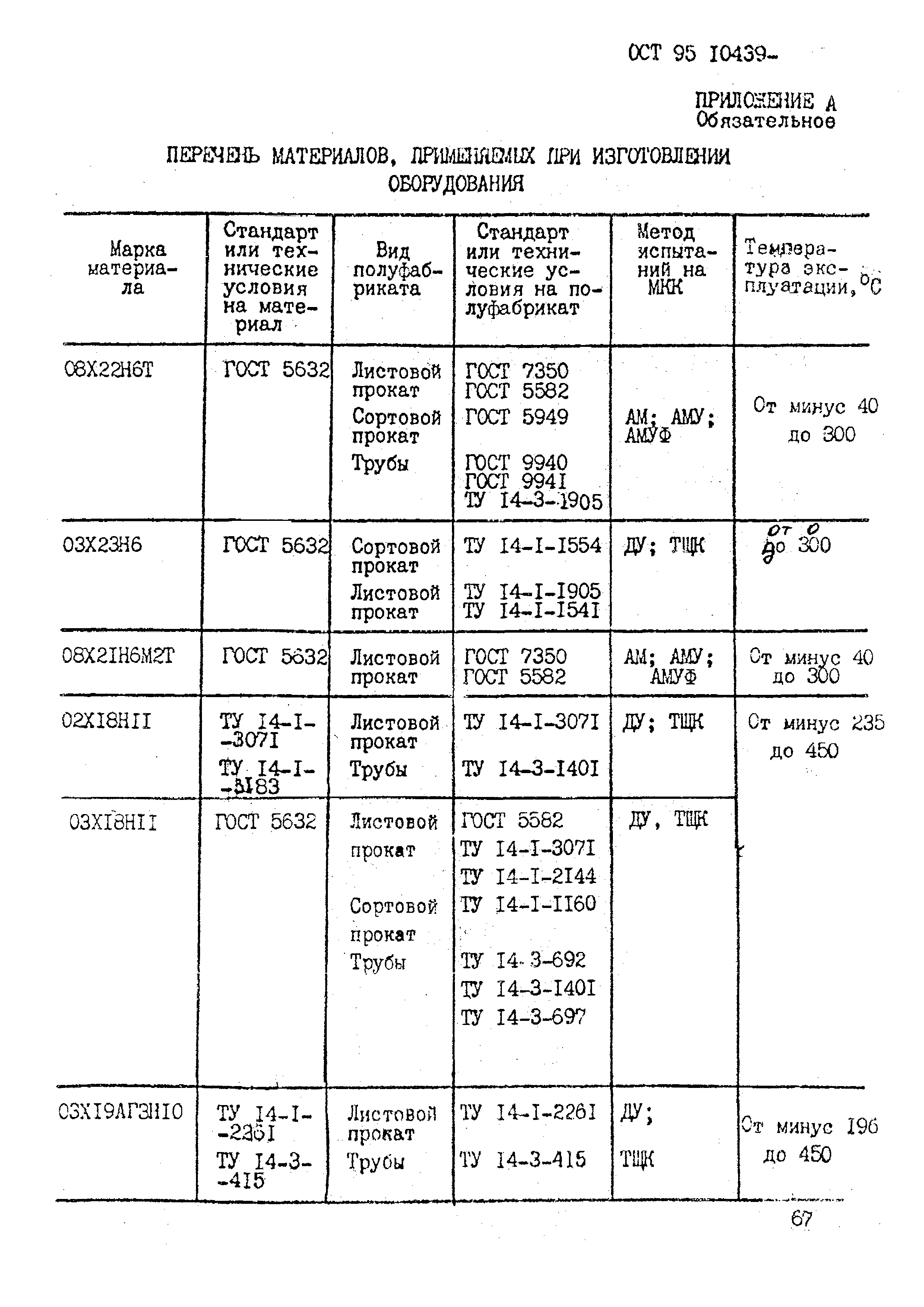
   4.3 Требования к материалам
   4.4 Конструктивные требования
   4.5 Требования к изготовлению
   4.6 Маркирование
   4.7 Упаковывание и транспортирование
5 Приемка и методы испытаний
6 Монтаж, эксплуатация и ремонт
   6.1 Монтаж
   6.2 Регистрация и техническое освидетельствование
   6.3 Технические обслуживание и ремонт
7 Требования безопасности
8 Требования охраны окружающей среды
Приложение А. Перечень материалов, применяемых при изготовлении оборудования
Приложение Б. Перечень материалов, применяемых при изготовлении крепежных деталей
Приложение В. Паспорт сосуда, работающего под давлением
Разработан: ОАО СвердНИИхиммаш
Утверждён:08.02.2002 Минатом Российской Федерации
Принят:29.05.2002 ГУП ГП НИКИМГ (30430-03/639)
21.06.2001 ПО Маяк (ГМ-1785)
Заменяет собой:
  • ОСТ 95 10439-91
Нормативные ссылки:
ОСТ 95 10439-2002ОСТ 95 10439-2002ОСТ 95 10439-2002ОСТ 95 10439-2002ОСТ 95 10439-2002ОСТ 95 10439-2002ОСТ 95 10439-2002ОСТ 95 10439-2002ОСТ 95 10439-2002ОСТ 95 10439-2002ОСТ 95 10439-2002ОСТ 95 10439-2002ОСТ 95 10439-2002ОСТ 95 10439-2002ОСТ 95 10439-2002ОСТ 95 10439-2002ОСТ 95 10439-2002ОСТ 95 10439-2002ОСТ 95 10439-2002ОСТ 95 10439-2002ОСТ 95 10439-2002ОСТ 95 10439-2002ОСТ 95 10439-2002ОСТ 95 10439-2002ОСТ 95 10439-2002ОСТ 95 10439-2002ОСТ 95 10439-2002ОСТ 95 10439-2002ОСТ 95 10439-2002ОСТ 95 10439-2002ОСТ 95 10439-2002ОСТ 95 10439-2002ОСТ 95 10439-2002ОСТ 95 10439-2002ОСТ 95 10439-2002ОСТ 95 10439-2002ОСТ 95 10439-2002ОСТ 95 10439-2002ОСТ 95 10439-2002ОСТ 95 10439-2002ОСТ 95 10439-2002ОСТ 95 10439-2002ОСТ 95 10439-2002ОСТ 95 10439-2002ОСТ 95 10439-2002ОСТ 95 10439-2002ОСТ 95 10439-2002ОСТ 95 10439-2002ОСТ 95 10439-2002ОСТ 95 10439-2002ОСТ 95 10439-2002ОСТ 95 10439-2002ОСТ 95 10439-2002ОСТ 95 10439-2002ОСТ 95 10439-2002ОСТ 95 10439-2002ОСТ 95 10439-2002ОСТ 95 10439-2002ОСТ 95 10439-2002ОСТ 95 10439-2002ОСТ 95 10439-2002ОСТ 95 10439-2002ОСТ 95 10439-2002ОСТ 95 10439-2002ОСТ 95 10439-2002ОСТ 95 10439-2002ОСТ 95 10439-2002ОСТ 95 10439-2002ОСТ 95 10439-2002ОСТ 95 10439-2002ОСТ 95 10439-2002ОСТ 95 10439-2002ОСТ 95 10439-2002ОСТ 95 10439-2002ОСТ 95 10439-2002ОСТ 95 10439-2002ОСТ 95 10439-2002ОСТ 95 10439-2002ОСТ 95 10439-2002ОСТ 95 10439-2002ОСТ 95 10439-2002ОСТ 95 10439-2002ОСТ 95 10439-2002ОСТ 95 10439-2002ОСТ 95 10439-2002ОСТ 95 10439-2002ОСТ 95 10439-2002ОСТ 95 10439-2002ОСТ 95 10439-2002ОСТ 95 10439-2002ОСТ 95 10439-2002ОСТ 95 10439-2002ОСТ 95 10439-2002ОСТ 95 10439-2002ОСТ 95 10439-2002ОСТ 95 10439-2002ОСТ 95 10439-2002ОСТ 95 10439-2002ОСТ 95 10439-2002