Скачать ГОСТ 8617-2018 Профили прессованные из алюминия и алюминиевых сплавов. Технические условия

Дата актуализации: 01.01.2021

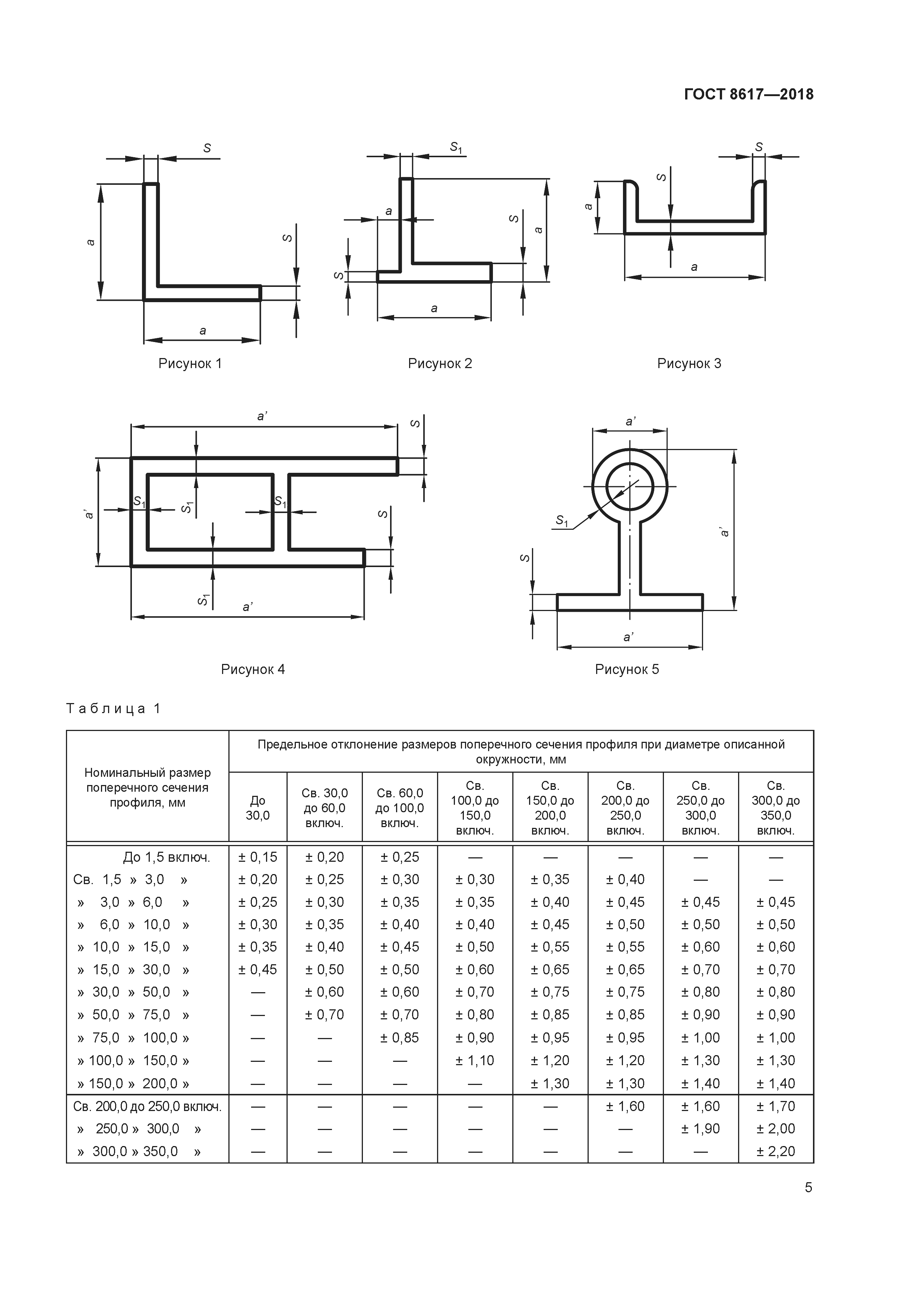
ГОСТ 8617-2018

Профили прессованные из алюминия и алюминиевых сплавов. Технические условия

Обозначение: ГОСТ 8617-2018
Обозначение англ: GOST 8617-2018
Статус:взамен
Название рус.:Профили прессованные из алюминия и алюминиевых сплавов. Технические условия
Название англ.:Pressed sections of aluminium and aluminium alloys. Specifications
Дата добавления в базу:01.01.2019
Дата актуализации:01.01.2021
Дата введения:01.03.2019
Область применения:Стандарт распространяется на прессованные профили из алюминия и алюминиевых сплавов, предназначенные для нужд народного хозяйства и для экспорта.
Оглавление:1 Область применения
2 Нормативные ссылки
3 Термины и определения
4 Классификация
5 Сортамент
6 Технические требования
7 Правила приемки
8 Методы испытаний
9 Маркировка, упаковка, транспортирование и хранение
Разработан: ОАО Всероссийский институт легких сплавов
Утверждён:30.04.2018 Межгосударственный Совет по стандартизации, метрологии и сертификации (Inter-Governmental Council on Standardization, Metrology, and Certification 108-П)
25.09.2018 Федеральное агентство по техническому регулированию и метрологии (642-ст)
Издан: Стандартинформ (2018 г. )
Стандартинформ (2019 г. )
Заменяет собой:
Нормативные ссылки:
ГОСТ 8617-2018ГОСТ 8617-2018ГОСТ 8617-2018ГОСТ 8617-2018ГОСТ 8617-2018ГОСТ 8617-2018ГОСТ 8617-2018ГОСТ 8617-2018ГОСТ 8617-2018ГОСТ 8617-2018ГОСТ 8617-2018ГОСТ 8617-2018ГОСТ 8617-2018ГОСТ 8617-2018ГОСТ 8617-2018ГОСТ 8617-2018ГОСТ 8617-2018ГОСТ 8617-2018ГОСТ 8617-2018ГОСТ 8617-2018ГОСТ 8617-2018ГОСТ 8617-2018ГОСТ 8617-2018