Скачать СТБ 11.13.18-2010 Система стандартов пожарной безопасности. Головки соединительные для пожарного оборудования. Общие технические условия

Дата актуализации: 01.01.2021

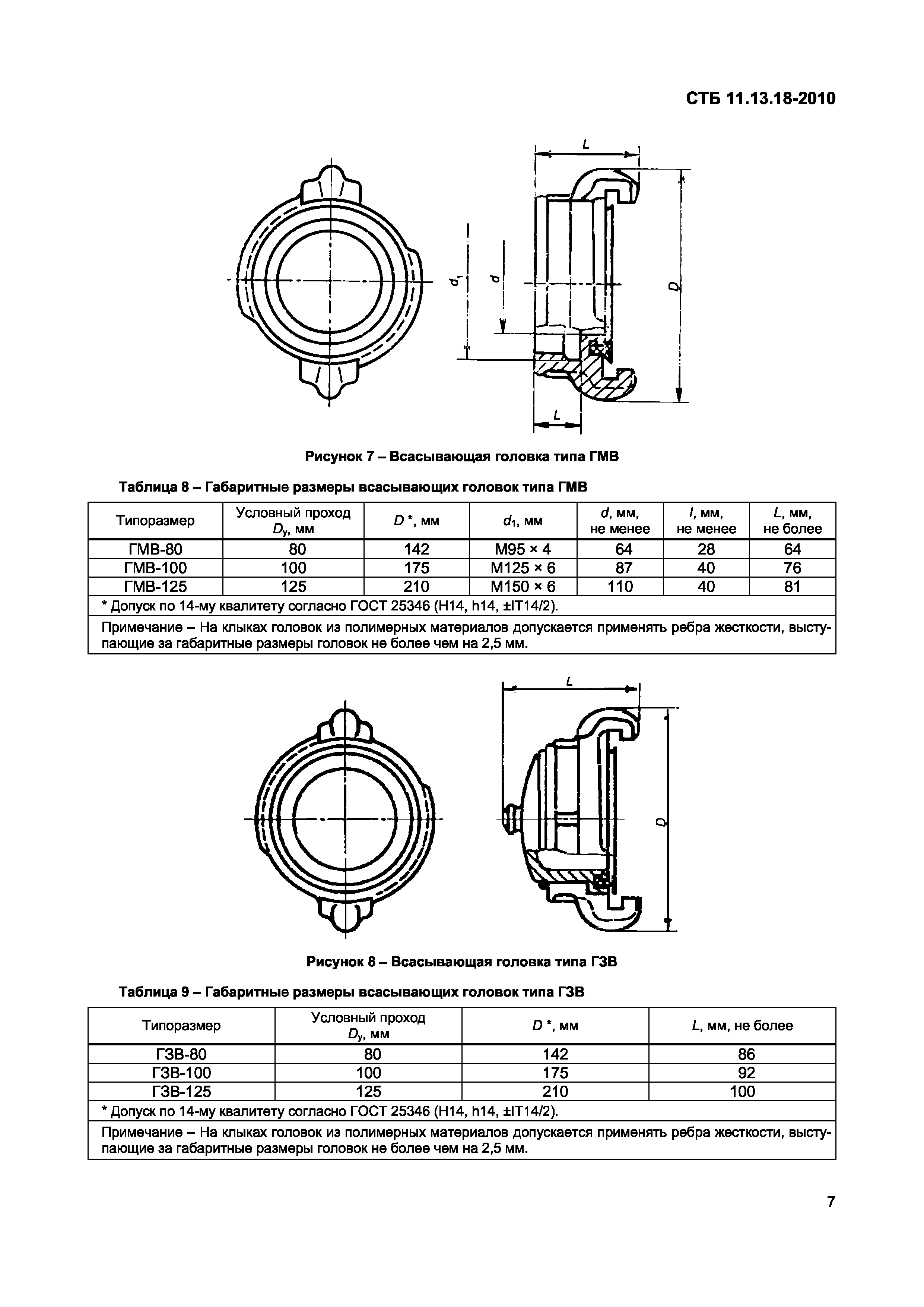
СТБ 11.13.18-2010

Система стандартов пожарной безопасности. Головки соединительные для пожарного оборудования. Общие технические условия

Обозначение: СТБ 11.13.18-2010
Обозначение англ: 11.13.18-2010
Статус:применяется в еаэс
Название рус.:Система стандартов пожарной безопасности. Головки соединительные для пожарного оборудования. Общие технические условия
Название англ.:Fire safety standards system. Connective heads for fire-extinguishing equipment. General specifications
Дата добавления в базу:01.02.2020
Дата актуализации:01.01.2021
Дата введения:01.07.2011
Область применения:Стандарт распространяется на соединительные головки для пожарного оборудования, предназначенные для соединения пожарных рукавов в рукавные линии, присоединения их к пожарному оборудованию и насосам для подачи воды (кроме морской) и растворов пенообразователей к месту пожара.
Оглавление:1 Область применения
2 Нормативные ссылки
3 Термины и определения
4 Классификация
5 Технические требования
6 Правила приемки
7 Методы испытаний
   7.1 Условия проведения испытаний
   7.2 Методы контроля
Приложение А (справочное) Структура условного обозначения
Разработан: Учреждение Минское областное управление Министерства по чрезвычайным ситуациям Республики Беларусь
Утверждён:28.04.2010 Госстандарт Республики Беларусь (18)
Издан: БелГИСС (2010 г. )
Нормативные ссылки:
СТБ 11.13.18-2010СТБ 11.13.18-2010СТБ 11.13.18-2010СТБ 11.13.18-2010СТБ 11.13.18-2010СТБ 11.13.18-2010СТБ 11.13.18-2010СТБ 11.13.18-2010СТБ 11.13.18-2010СТБ 11.13.18-2010СТБ 11.13.18-2010СТБ 11.13.18-2010СТБ 11.13.18-2010СТБ 11.13.18-2010СТБ 11.13.18-2010СТБ 11.13.18-2010СТБ 11.13.18-2010СТБ 11.13.18-2010СТБ 11.13.18-2010СТБ 11.13.18-2010СТБ 11.13.18-2010СТБ 11.13.18-2010СТБ 11.13.18-2010СТБ 11.13.18-2010