ФЕДЕРАЛЬНОЕ АГЕНТСТВО
ПО ТЕХНИЧЕСКОМУ РЕГУЛИРОВАНИЮ И МЕТРОЛОГИИ
|
|
НАЦИОНАЛЬНЫЙ |
ГОСТ Р |
Совместимость технических
средств
электромагнитная
ЭЛЕКТРОННЫЕ СИСТЕМЫ
УПРАВЛЕНИЯ
ЖИЛЫХ ПОМЕЩЕНИЙ И ЗДАНИЙ
Требования и методы испытаний
|
|
Москва Стандартинформ 2018 |
Предисловие
1 РАЗРАБОТАН Закрытым акционерным обществом «Научно-испытательный центр «САМТЭС» и Техническим комитетом по стандартизации ТК 30 «Электромагнитная совместимость технических средств»
2 ВНЕСЕН Техническим комитетом по стандартизации ТК 30 «Электромагнитная совместимость технических средств»
3 УТВЕРЖДЕН И ВВЕДЕН В ДЕЙСТВИЕ Приказом Федерального агентства по техническому регулированию и метрологии от 30 декабря 2005 г. № 551-ст
4 Настоящий стандарт соответствует европейскому стандарту ЕН 50090-2-2:1996 «Электронные системы жилых помещений и зданий. Часть 2-2. Обзор систем - Общие технические требования (EN 50090-2-2:1996 «Home and building electronic systems. Part 2-2: Systems overview - General technical requirements») в части требований электромагнитной совместимости
5 В настоящем стандарте реализованы требования общего технического регламента об электромагнитной совместимости
6 ВВЕДЕН ВПЕРВЫЕ
7 ПЕРЕИЗДАНИЕ. Октябрь 2018 г.
Правила применения настоящего стандарта установлены в статье 26 Федерального закона от 29 июня 2015 г. № 162-ФЗ «О стандартизации в Российской Федерации». Информация об изменениях к настоящему стандарту публикуется в ежегодном (по состоянию на 1 января текущего года) информационном указателе «Национальные стандарты», а официальный текст изменений и поправок - в ежемесячном информационном указателе «Национальные стандарты». В случае пересмотра (замены) или отмены настоящего стандарта соответствующее уведомление будет опубликовано в ближайшем выпуске ежемесячного информационного указателя «Национальные стандарты». Соответствующая информация, уведомление и тексты размещаются также в информационной системе общего пользования - на официальном сайте Федерального агентства по техническому регулированию и метрологии в сети Интернет (www.gost.ru)
ГОСТ Р 52507-2005
НАЦИОНАЛЬНЫЙ СТАНДАРТ РОССИЙСКОЙ ФЕДЕРАЦИИ
Совместимость технических средств электромагнитная
ЭЛЕКТРОННЫЕ СИСТЕМЫ УПРАВЛЕНИЯ ЖИЛЫХ ПОМЕЩЕНИЙ И ЗДАНИЙ
Требования и методы испытаний
Electromagnetic compatibility of
technical equipment. Dwelling-house and building electronic systems.
Requirements and
test methods
Дата введения - 2007-01-01
Настоящий стандарт распространяется на электронные системы управления жилых помещений и зданий, выполняющие функции управления, контроля и передачи информации (далее - электронные системы управления), включающие распределенные в жилых помещениях или в зданиях электронные устройства (контроллеры, датчики, сенсоры, исполнительные механизмы, блоки связи, блоки питания, блоки доступа к сети и др.) (далее - устройства) и физическую среду передачи сигналов, в качестве которой могут применяться кабельные линии, радиолинии, волоконно-оптические и инфракрасные линии. Электропитание устройств может осуществляться от источников электропитания (включая батареи), которые могут быть отдельно применяемыми устройствами (блоками питания) или встраиваемыми в другие устройства. Устройства могут непосредственно подключаться к низковольтной электрической сети переменного тока. Электропитание может осуществляться через кабельные линии передачи сигналов между устройствами.
Настоящий стандарт распространяется также на интерфейсы оборудования, применяемого в жилых помещениях и зданиях (средств вычислительной техники, радиоэлектронных изделий, бытовых электрических приборов, световых приборов, устройств кондиционирования, вентиляции, охранной и пожарной сигнализации и т. д.), обеспечивающие сопряжение указанного оборудования с электронной системой управления.
Настоящий стандарт не распространяется на технические средства, не предназначенные для подключения к электронным системам управления. Для указанных технических средств применяются соответствующие национальные стандарты на электромагнитную совместимость (ЭМС).
Стандарт устанавливает требования ЭМС для электронных систем управления в части ограничения эмиссии электромагнитных помех от устройств (нормы индустриальных радиопомех, гармонических составляющих тока, потребляемого из электрической сети и колебаний напряжения электропитания фликера, вызываемых устройствами) и обеспечения устойчивости устройств к внешним электромагнитным помехам (параметры испытательных воздействий и критерии качества функционирования при испытаниях на помехоустойчивость), а также соответствующие методы испытаний.
Требования по ограничению помехоэмиссии и обеспечению устойчивости к электромагнитным помехам установлены в настоящем стандарте таким образом, чтобы обеспечить нормальное функционирование электронных систем управления в жилых, коммерческих зонах и производственных зонах с малым энергопотреблением в соответствии с порядком отнесения мест размещения технических средств к указанным зонам, установленным ГОСТ 30804.6.1. Примерами указанных мест размещения являются объекты жилищного хозяйства (дома, квартиры), предприятия торговли, учреждения (офисы, банки), объекты здравоохранения (больницы, госпитали), производственные и хозяйственные объекты.
С учетом распределенной установки устройств в жилых помещениях и зданиях, их подключения к физической среде передачи сигналов и возможности расположения различных источников электро-магнитных помех в непосредственной близости к устройствам необходимо, в определенных случаях, устанавливать более жесткие требования устойчивости к электромагнитным помехам, чем для оборудования, предназначенного для применения в жилых, коммерческих зонах и производственных зонах с малым энергопотреблением. Вместе с тем применение устройств в условиях связей с другими устройствами и физической средой передачи сигналов требует их детальной конфигурации при испытаниях на помехоустойчивость и помехоэмиссию.
В настоящем стандарте использованы нормативные ссылки на следующие стандарты:
ГОСТ 30372/ГОСТ Р 50397 (IEC 60050-161:1990) Совместимость технических средств электромагнитная. Термины и определения
ГОСТ 30804.3.2-99 (IEC 61000-3-2:2009) Совместимость технических средств электромагнитная. Эмиссия гармонических составляющих тока техническими средствами с потребляемым током не более 16А (в одной фазе). Нормы и методы испытаний
ГОСТ 30804.3.3 (IEC 61000-3-3:2008) Совместимость технических средств электромагнитная. Ограничение изменений напряжения, колебаний напряжения и фликера в низковольтных системах электроснабжения общего назначения. Технические средства с потребляемым током не более 16А (в одной фазе), подключаемые к электрической сети при несоблюдении определенных условий подключения. Нормы и методы испытаний
ГОСТ 30804.4.2 (IEC 61000-4-2:2008) Совместимость технических средств электромагнитная. Устойчивость к электростатическим разрядам. Требования и методы испытаний
ГОСТ 30804.4.3 (IEC 61000-4-3:2008) Совместимость технических средств электромагнитная. Устойчивость к радиочастотному электромагнитному полю. Требования и методы испытаний
ГОСТ 30804.4.4 (IEC 61000-4-4:2004) Совместимость технических средств электромагнитная. Устойчивость к наносекундным импульсным помехам. Требования и методы испытаний
ГОСТ 30804.4.11 (IEC 61000-4-11:2004) Совместимость технических средств электромагнитная. Устойчивость к провалам, кратковременным прерываниям и изменениям напряжения электропитания. Требования и методы испытаний
ГОСТ 30804.6.1 (IEC 61000-6-1:2005) Совместимость технических средств электромагнитная. Устойчивость к электромагнитным помехам технических средств, применяемых в жилых, коммерческих зонах и производственных зонах с малым энергопотреблением. Требования и методы испытаний
ГОСТ 30804.6.3 (IEC 61000-6-3:2006) Совместимость технических средств электромагнитная. Электромагнитные помехи от технических средств, применяемых в жилых, коммерческих зонах и производственных зонах с малым энергопотреблением. Нормы и методы испытаний
ГОСТ 30805.22 (CISPR 22:2006) Совместимость технических средств электромагнитная. Оборудование информационных технологий. Радиопомехи индустриальные. Нормы и методы измерений
ГОСТ Р 51317.4.5 (МЭК 61000-4-5-95) Совместимость технических средств электромагнитная. Устойчивость к микросекундным импульсным помехам большой энергии. Требования и методы
ГОСТ Р 51317.4.6 (МЭК 61000-4-6-96) Совместимость технических средств электромагнитная. Устойчивость к кондуктивным помехам, наведенным радиочастотными электромагнитными полями. Требования и методы испытаний
ГОСТ Р 55055 Радиопомехи индустриальные. Термины и определения
Примечание - При пользовании настоящим стандартом целесообразно проверить действие ссылочных стандартов в информационной системе общего пользования - на официальном сайте Федерального агентства по техническому регулированию и метрологии в сети Интернет или по ежегодному информационному указателю «Национальные стандарты», который опубликован по состоянию на 1 января текущего года, и по выпускам ежемесячного информационного указателя «Национальные стандарты» за текущий год. Если заменен ссылочный стандарт, на который дана недатированная ссылка, то рекомендуется использовать действующую версию этого стандарта с учетом всех внесенных в данную версию изменений. Если заменен ссылочный стандарт, на который дана датированная ссылка, то рекомендуется использовать версию этого стандарта с указанием выше года утверждения (принятия). Если после утверждения настоящего стандарта в ссылочный стандарт, на который дана датированная ссылка, внесено изменение, затрагивающее положение, на которое дана ссылка, то это положение рекомендуется применять без учета данного изменения. Если ссылочный стандарт отменен без замены, то положение, в котором дана ссылка на него, рекомендуется применять в части, не затрагивающей эту ссылку.
В настоящем стандарте использованы термины, установленные ГОСТ Р 55055, ГОСТ 30372, ГОСТ 30804.3.2, ГОСТ 30804.3.3, ГОСТ 30804.1.1 и ГОСТ 30804.6.3.
4.1 Устройства должны соответствовать требованиям устойчивости к электромагнитным помехам и ограничения эмиссии электромагнитных помех, установленным соответственно ГОСТ 30804.6.1 и ГОСТ 30804.6.3, если иные требования не установлены в настоящем стандарте.
4.2 Если устройство одновременно подключается к физической среде передачи сигналов и другому оборудованию, сопряженному с электронной системой управления, то устройство должно соответствовать требованиям устойчивости к электромагнитным помехам, установленным в 6.1, применительно ко всем доступным портам устройства (рисунок 1). Для данных условий использования устройства порты, применительно к которым должны быть выполнены требования, установленные в 6.1, выделены на рисунке 1 пунктирной линией.
Рисунок 1
4.3 Если устройство (блок доступа к сети) подключено только к физической среде передачи сигналов, используемой электронной системой управления, и к дополнительному источнику питания, например, к электрической сети (при наличии), то требования устойчивости к электромагнитным помехам, установленные в 6.1, должны быть выполнены только для портов подключения к физической среде передачи сигналов и порта внешнего электропитания (рисунок 2). Порты устройства, применительно к которым должны быть выполнены требования, установленные в 6.1, выделены на рисунке 2 пунктирной линией.
Рисунок 2
4.4 Конфигурация устройств при испытаниях на помехоустойчивость установлена в 6.2, на индустриальные радиопомехи - в 7.1, 7.2.
Для устройств, которые должны соответствовать требованиям устойчивости к электромагнитным помехам, установленным в 6.1, предъявляют к критериям качества функционирования А и В при испытаниях на устойчивость к электромагнитным помехам, установленным ГОСТ 30804.6.1, дополнительно требования, приведенные в таблице 1.
Таблица 1 - Критерии качества функционирования
|
Применимость требований |
Критерий качества функционирования А |
Критерий качества функционирования В |
|
|
Условий применения устройства по рисунку 1 |
Порты ввода-вывода сигналов, подключаемые к другому оборудованию |
В период воздействия и после прекращения помехи не допускается возникновение ошибок при передаче сигналов в линиях |
В период воздействия помехи допускается возникновение ошибок при передаче сигналов в линиях |
|
Порты ввода-вывода сигналов, подключаемые к физической среде передачи сигналов |
В период воздействия и после прекращения помехи не допускается возникновения ошибок при передаче сигналов в линиях |
В период воздействия помехи допускается возникновение ошибок при передаче сигналов в линиях |
|
|
|
Порт корпуса, дополнительный порт внешнего электропитания |
|
|
|
Примечания 1 При критерии качества функционирования А не считается ошибкой передачи, если с помощью коррекции ошибок, повторной передачи сообщений или другими методами обеспечен правильный прием информации. 2 При критерии качества функционирования В допускается возникновение ошибок передачи в период воздействия помехи, но после испытаний оборудование должно функционировать в соответствии с назначением. |
|||
6.1 Требования помехоустойчивости
Учитывая распределенную установку устройств в жилых помещениях и зданиях, подключение устройств к линиям передачи сигналов, в качестве которых могут применяться кабельные линии, радиолинии, волоконно-оптические и инфракрасные линии, и возможность близкого расположения источников электромагнитных помех, для портов устройств, указанных в 4.2, 4.3, устанавливают повышенные требования помехоустойчивости, приведенные в таблицах 2 - 5.
Таблица 2 - Порт ввода-вывода, подключаемый к физической среде передачи сигналов
|
Электромагнитная помеха |
Основополагающий стандарт |
Параметр испытательного воздействия |
Критерий качества функционирования |
|
Наносекундные импульсные помехи1) |
0,5 кВ, степень жесткости 2 |
А |
|
|
|
|
1 кВ, степень жесткости 3 |
В |
|
Микросекундные импульсные помехи большой энергии, подаваемые по схемам: |
|
|
|
|
«провод - земля» |
|
2 кВ, степень жесткости 3 |
В |
|
«провод - провод», в том числе: |
|
|
|
|
для симметричных линии |
|
Требование не устанавливают |
В |
|
для несимметричных линии |
|
1 кВ, степень жесткости 2 |
|
|
Кондуктивные помехи, наведенные радиочастотными электромагнитными полями |
3 В, степень жесткости 2 |
А |
|
|
10 В, степень жесткости 3 |
В |
||
|
1) Подача помехи с применением емкостных клещей связи. |
|||
Таблица 3 - Порт ввода-вывода сигналов, подключаемый к другому оборудованию
|
Электромагнитная помеха |
Основополагающий стандарт |
Параметр испытательного воздействия |
Критерий качества функционирования |
|
Наносекундные импульсные помехи1) |
0,5 кВ, степень жесткости 2 |
А |
|
|
|
1 кВ, степень жесткости 32) |
В |
|
|
Микросекундные импульсные помехи большой энергии3), подаваемые по схемам: |
|
||
|
«провод - земля» |
|
2 кВ, степень жесткости 32) |
В |
|
«провод - провод», в том числе: |
|
|
|
|
для симметричных линий |
|
Требование не устанавливают |
|
|
для симметричных линий |
|
0,5 кВ, степень жесткости 1 |
В |
|
Кондуктивные помехи, наведенные радиочастотными электромагнитными полями |
3 В, степень жесткости 2 |
А |
|
|
|
10 В, степень жесткости 3 |
В |
|
|
1) Подача помехи с применением емкостных клещей связи. 2) Степень жесткости испытаний зависит от электромагнитной обстановки. Учитывая виды кабелей, которые могут быть применены в электронной системе управления (экранированные, в оболочке и др.), разнесение сигнальных кабелей от сетевых может не потребоваться. В таком случае должна применяться степень жесткости испытаний 3. Если требования к разнесению кабелей установлены изготовителем, может быть применена степень жесткости испытаний 2. 3) Применяют только для портов, к которым подключают кабели, полная длина которых превышает 10 м. Приведенные в таблице уровни применимы только для портов, которым подключают кабели, полная длина которых не превышает 30 м. Если длина кабелей составляет от 10 до 30 м, применяют степень жесткости испытаний, уменьшенную на одну ступень. |
|||
Таблица 4 - Порт электропитания переменного тока (220 В)
|
Электромагнитная помеха |
Основополагающий стандарт |
Параметр испытательного воздействия |
Критерий качества функционирования |
|
Наносекундные импульсные помехи |
1 кВ, степень жесткости 2 |
А |
|
|
|
2 кВ, степень жесткости 3 |
В |
|
|
Микросекундные импульсные помехи большой энергии, подаваемые по схемам: |
|||
|
«провод - земля» |
|
2 кВ, степень жесткости 3 |
В |
|
«провод - провод» |
|
1 кВ, степень жесткости 2 |
В |
|
Динамические изменения напряжения электропитания |
∆U = 30 %, ∆t = 0,3c |
В |
|
|
|
∆U = 100 %, ∆t = 0,05c |
А |
|
|
|
∆U = 100 %, ∆t = 0,1 с |
В |
|
|
Кондуктивные помехи наведенные радиочастотными электромагнитными полями |
3 В, степень жесткости 2 |
А |
|
|
|
10 В, степень жесткости 3 |
В |
Таблица 5 - Порт корпуса1), 2)
|
Электромагнитная помеха |
Основополагающий стандарт |
Параметр испытательного воздействия |
Критерий качества функционирования |
|
Электростатические разряды: |
|||
|
контактный разряд |
|
6 кВ, степень жесткости 3 |
В |
|
воздушный разряд |
|
8 кВ, степень жесткости 3 |
В |
|
Радиочастотное электромагнитное поле |
3 В/м, степень жесткости 2 |
А |
|
|
|
10 В, степень жесткости 3 |
В |
|
|
1) Если устройство имеет разъем, к которому при нормальных условиях эксплуатации не подключается кабель или другое устройство, то контактные электростатические разряды должны быть поданы непосредственно на контакты указанного разъема. 2) Воздушные электростатические разряды применяются, если устройство имеет изолированные поверхности, к которым пользователь прикасается при нормальных условиях эксплуатации (например, выключатель освещения). |
|||
6.2 Конфигурация испытуемых устройств
6.2.1 Испытания устройств на помехоустойчивость осуществляют при минимальной конфигурации, указанной в 6.2.2 - 6.2.7. Минимальная конфигурация представляет собой комплект технических средств, обеспечивающих выполнение испытуемых устройством установленной функции.
Функционирование испытуемого устройства должно инициироваться, по крайней мере, один раз в секунду, для чего через шину должны передаваться соответствующие сигналы. Если при испытаниях в тракт передачи сигналов вводится затухание, величина затухания должна быть отражена в протоколе испытаний.
Применение фильтров для ослабления испытательных сигналов не является обязательным, но указанные фильтры могут быть необходимыми для исключения нарушений в работе блоков связи, вызванных испытательными сигналами. Применение фильтров должно быть отражено в протоколе испытаний.
При проведении отдельных испытаний для обеспечения определенного полного сопротивления по отношению к земле применяют последовательно соединенные резистор 50 Ом и конденсатор 0,47 мкФ. Указанное полное сопротивление (на схемах испытаний, приведенных ниже, обозначается Z) подключают к каждому проводу кабеля, соединенного с испытуемым устройством, в точках, указанных на схемах.
Пунктирные линии на схемах испытаний, проведенные от испытуемого устройства к пластине заземления (заземлению), означают, что максимальная емкость испытуемого устройство по отношению к пластине заземления или его удаление от пластины заземления должны быть отражены в протоколе испытаний и в случае, если испытуемое устройство имеет металлический корпус или экран, испытания должны быть проведены дважды: при подключении металлического корпуса (экрана) к пластине заземления и без подключения.
6.2.2 Наносекундные импульсные помехи (НИП)
Испытания проводят в соответствии с ГОСТ 30804.4.4. Минимальную конфигурацию устройств устанавливают в соответствии с рисунками 3 - 7. Испытуемые устройства должны функционировать совместно с блоком (блоками) связи. Длина кабеля между испытуемым блоком и устройством связи/ развязки не должен превышать 1 м. В тракте передачи сигналов дополнительно применяют емкостные клещи связи по ГОСТ 30804.4.4, соединенные с пластиной заземления через резистор 50 Ом, что уменьшает отражения, которые могут привести к ошибочным результатам испытаний.
|
1 - сеть
электропитания переменного тока 220 В, 50 Гц; 2 - устройство
связи/развязки; 3 - испытательный генератор НИП; Примечание - Длина кабеля шины между двумя блоками связи должна составлять 2 м. Рисунок 3 - Схема испытаний блока питания при подаче НИП на порт электропитания переменного тока |

|
1 - сеть электропитания переменного тока 220 В, 50 Гц; 2 - испытуемый блок питания; 3 - напряжение на выходе блока питания, подаваемое в шину; 4 - фильтр; 5 - передатчик/приемник; 6 - блок связи; 7 - пластина заземления; 8 - емкостные клещи связи; 9 - испытательный генератор НИП Примечание - Длина кабеля шины между блоками связи должна составлять 2 м. Рисунок 4 - Схема испытаний блока питания при подаче НИП на порт подключения к шине |

|
1 - сеть
электропитания переменного тока 220 В, 50 Гц; 2 - блок питания; 3
- фильтр; 4 - передатчик/приемник; Рисунок
5 - Схема испытаний блока, входящего в состав шины, при подаче НИП |

|
1 - сеть
электропитания переменного тока 220 В, 50 Гц; 2 - блок питания; 3
- фильтр; 4 - передатчик/ Примечание - Длина кабеля шины между блоком связи и испытуемым устройством должна составлять 2 м. Рисунок 6 - Схема испытаний блока, входящего в состав шины, при подаче НИП на порт ввода-вывода, связанный с физической средой передачи сигналов |
|
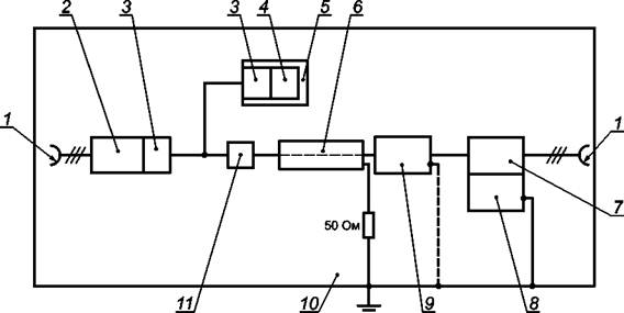
1 - сеть электропитания переменного тока 220 В, 50 Гц; 2 - блок питания; 3 - фильтр; 4 - передатчик/приемник; 5 - блок связи; 6 - емкостные клещи связи; 7 - испытуемый блок; 8 - устройство контроля функционирования испытуемого блока; 9 - емкостные клещи связи; 10 - испытательный генератор НИП; 11 - аттенюатор; 12 - пластина заземления Примечание - Длина кабеля между испытуемым блоком связи и устройством контроля функционирования испытуемого блока должна составлять 2 м. Рисунок 7 - Схема испытаний блока, входящего в состав шины, при подаче НИП на порт ввода-вывода сигналов, связанный с внешним оборудованием |
Если испытуемое устройство имеет металлические монтажные элементы, испытания проводят при подключении указанных металлических элементов к пластине заземления шиной с малым полным сопротивлением на высоких частотах, а также без подключения.
При испытаниях блоков питания через одну секунду после прекращения воздействия помехи напряжения U на выходе блока, подаваемое в шину, должно находиться в пределах, установленных в технической документации на блок питания.
6.2.3 Микросекундные импульсные помехи большой энергии (МИП)
Испытания проводят в соответствии с ГОСТ Р 51317.4.5. Минимальную конфигурацию испытуемых устройство устанавливают в соответствии с рисунками 8 - 11. Длина кабеля между испытуемым блоком и устройством связи/развязки не должна превышать 1 м. Если испытуемое устройство имеет металлические монтажные элементы, испытания проводят при подключении указанных металлических элементов к пластине заземления. При испытаниях блоков питания через одну секунду после прекращения воздействия помехи напряжение U на выходе блока, подаваемое в шину, должно находиться в пределах, установленных в технической документации на блок питания.
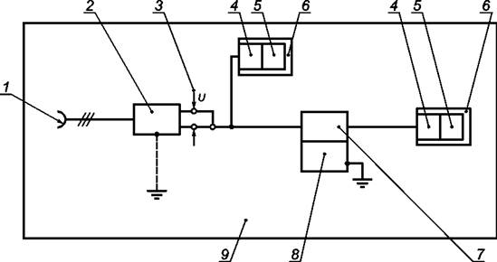
|
1 - сеть электропитания переменного тока 220 В, 50 Гц; 2 - устройство связи/развязки; 3 - испытательный генератор; 4 - испытуемый блок питания; 5 - напряжение на выходе блока питания, подаваемое в шину; 6 - фильтр; 7 - передатчик/приемник; 8 - блок связи; 9 - непроводящая поверхность (например, деревянный стол) Примечания 1 При подаче МИП по схеме «провод-земля» испытательное напряжение должно быть приложено отдельно между каждым проводом кабеля электропитания и заземления в соответствии с рисунком 7 ГОСТ Р 51317.4.5. 2 При подаче МИП по схеме «провод-провод» испытательное напряжение должно быть приложено между проводами кабеля электропитания в соответствии с рисунком 6 ГОСТ Р 51317.4.5. Рисунок
8 - Схема испытаний блока питания при подаче МИП на порт электропитания |

|
1 - сеть электропитания переменного тока 220 В, 50 Гц; 2 - испытуемый блок питания; 3 - напряжение на выходе блока питания, подаваемое в шину; 4 - фильтр; 5 - передатчик/приемник; 6 - блок связи; 7 - устройство связи/развязки; 8 - испытательный генератор МИП; 9 - непроводящая поверхность Примечания 1 При подаче МИП по схеме «провод-земля» на неэкранированный кабель шины испытательное напряжение должно быть приложено отдельно между каждым проводом кабеля шины и заземлением в соответствии с рисунком 11 ГОСТ Р 51317.4.5. Если кабель шины экранированный, МИП подают на экран кабеля. 2 При подаче МИП по схеме «провод-провод» испытательное напряжение должно быть приложено между проводами кабеля шины в соответствии с рисунком 10 ГОСТ Р 51317.4.5. Параметры устройства развязки устанавливают в соответствии с рисунком 12 ГОСТ Р 51317.4.5. Рисунок 9 - Схема испытаний блока питания при подаче МИП на порт подключения к шине |

|
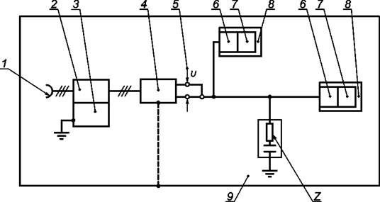
1 - сеть электропитания переменного тока 220 В, 50 Гц; 2 - блок питания; 3 - фильтр; 4 - передатчик/приемник; 5 - блок связи; 6 - испытуемый блок; 7 - устройство связи/развязки; 8 - испытательный генератор МИП; 9 - непроводящая поверхность Рисунок 10 - Схема испытаний блока, входящего в состав шины, при подаче МИП на порт электропитания переменного тока |
|
1 - сеть электропитания переменного тока 220 В, 50 Гц; 2 - блок питания; 3 - фильтр; 4 - передатчик/приемник; 5 - блок связи; 6 - испытуемое устройство; 7 - устройство связи/развязки; 8 - испытательный генератор МИП; 9 - непроводящая поверхность Рисунок 11 - Схема испытаний устройства при подаче МИП на порт ввода-вывода, связанный с физической средой передачи сигналов |
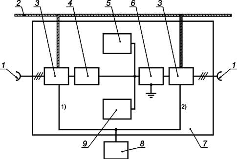
6.2.4 Электростатистические разряды (ЭСР)
Испытания проводят в соответствии с ГОСТ 30804.4.2. Испытуемые устройства размещают в соответствии с рисунком 12.
Если испытуемое устройство имеет два порта ввода-вывода, связанных с физической средой передачи сигналов, дополнительные блоки, обеспечивающие функционирование испытуемого устройства (блок связи и блок питания), должны быть подключены к обоим портам.
|
1) Контактный разряды. 2) Воздушные разряды. 1 - сеть
электропитания переменного тока 220 В, 50 Гц; 2 - блок питания; 3
- фильтр; Примечание - Длина кабеля шины между двумя блоками связи и испытуемым устройством должна составлять 2 м. Рисунок 12 - Схема испытаний устройства при воздействии электростатических разрядов |
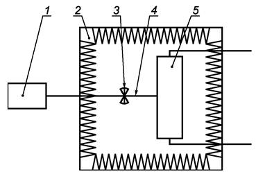
6.2.5 Радиочастотное электромагнитное поле
Испытания проводят в соответствии с ГОСТ 30804.4.3. Общая схема испытаний в безэховой камере приведена на рисунке 13. Проходные и развязывающие фильтры должны быть изготовлены для полосы частот от 80 до 1000 МГц. Вносимое затухание должно составлять: проходного фильтра - более 100 дБ; развязывающего фильтра - более 10 дБ. На симметричные линии помеха, как правило, существенного влияния не оказывает. С учетом характеристик испытуемого устройства необходимо осуществлять согласование уровней сигналов ввода-вывода.
Для уменьшения отражения от пола целесообразно применять радиопоглощающий материал. Проведение испытаний на открытой испытательной площадке возможно в малонаселенных районах при выполнении требований администрации связи.
|
1 - сеть электропитания переменного тока 220 В, 50 Гц; 2 - измерительная аппаратура; 3 - оборудование для управления и оценки; 4 - блок связи (передатчик/приемник); 5 - генератор сигналов высокой частоты и усилитель; 6 - безэховая камера; 7 - изучающая антенна; 8 - место размещения испытуемых устройств; 9 - проходной фильтр; 10 - аттенюатор; 11 - кабель ввода-вывода сигналов; 12 - кабель шины; 13 - блок питания; 14 - помещение для измерительной аппаратуры Примечание - Экранированная измерительная аппаратура может быть размещена внутри безэховой камеры. В этом случае в применении проходных фильтров (9) нет необходимости. Рисунок 13 - Общая схема испытаний устройства при воздействии излучаемого радиочастотного электромагнитного поля в безэховой камере |
Общая схема расположения излучающей антенны и испытуемого устройства в безэховой камере приведена на рисунке 14, детальные схемы размещения типовых испытуемый устройств - на рисунках 15 - 17. Удаление излучающей антенны от испытуемых устройств должно обеспечить нахождение плоскости однородного поля 1,5 ´ 1,5 м в пределах ширины главного луча диаграммы направленности антенны. Если размеры лицевой стороны реального комплекта испытуемых устройств превышают 1,5 ´ 1,5 м, то калибровку плоскости однородного поля проводят таким образом, чтобы воздействие поля на испытуемое устройство осуществлялось в серии испытаний (по ГОСТ 30804.4.3).
|
1 -
расстояние между излучающей антенной и испытуемыми устройствами; 2 -
место размещения Примечание - Следует применять удаление излучающей антенны от испытуемых устройств 3 м. Возможно меньшее расстояние, но не менее 1 м. В спорных случаях испытания проводят при расстоянии 3 м. Рисунок 14 - Общая
схема расположения излучающей антенны и испытуемого устройства при
воздействии излучаемого радиочастотного электромагнитного поля в безэховой
камере |
|
1 - непроводящая поверхность (деревянный стол высотой 0,8 - 1 м); 2 - испытуемый блок; 3 - кабель шины; 4 - развязывающий фильтр; 5 - соединения кабеля шины с блоком связи и измерительной аппаратурой; 6 - пол безэховой камеры Примечание - Длина отрезка кабеля шины, расположенного на непроводящей поверхности, должна составлять 1 м. Рисунок 15 - Размещение блока, входящего в состав шины, при воздействии излучаемого радиочастотного электромагнитного поля в безэховой камере (вид сбоку) |

|
1 -
соединения кабеля шины с блоком связи и измерительной аппаратурой; 2 -
развязывающий фильтр; Примечание - Длины отрезков кабеля шины и кабеля электропитания, расположенных на непроводящей поверхности, должны составлять 1 м. Рисунок 16 - Размещение блока питания при воздействии излучаемого радиочастотного электромагнитного поля в безэховой камере (вид сбоку) |
|
1 - соединения кабеля шины или ввода-вывода сигналов с блоком связи, внешним устройством или измерительной аппаратурой; 2 - развязывающий фильтр; 3 - непроводящая поверхность (деревянный стол); 4 - кабель шины; 5 - испытуемое устройство; 6 - кабель ввода-вывода сигналов; 7 - пол безэховой камеры Примечание -Длины отрезков кабеля шины и кабеля ввода-вывода сигналов, расположенных на непроводящей поверхности, должны составлять 1 м. Рисунок 17 - Размещение устройства, подключаемого к двум кабелям (шины и ввода-вывода сигналов) при воздействии излучаемого радиочастотного электромагнитного поля в безэховой камере (вид сбоку) |
6.2.6 Кондуктивные помехи, наведенные радиочастотными электромагнитными полями Испытания проводят в соответствии с ГОСТ Р 51317.4.6. Минимальную конфигурацию испытуемых устройств устанавливают в соответствии с рисунком 18. Испытуемые устройства устанавливают на опоре из непроводящего материала толщиной 10 см, размещаемой на пластине заземления.
Кабель шины размещают на непроводящей опоре и подключают к испытуемому устройству. С помощью устройства связи/развязки по ГОСТ Р 51317.4.6 с общим несимметричным сопротивлением, равным 150 Ом, вводят общее несимметричное радиочастотное напряжение в кабель шины. Высокочастотный генератор должен иметь выходное сопротивление, равное 150 Ом. Испытательная установка калибруется для получения немодулированного испытательного напряжения, соответствующего установленной степени жесткости испытаний.
|
1 - сеть
электропитания переменного тока 220 В, 50 Гц; 2 - блок питания; 3 -
фильтр; Рисунок 18 - Схема испытаний устройства при воздействии кондуктивных радиопомех, наведенных радиочастотными электромагнитными полями на сигнальные кабели |
6.2.7 Динамические изменения напряжения электропитания
Испытания проводят в соответствии с ГОСТ 30804.4.11. Минимальную конфигурацию испытуемых устройств устанавливают в соответствии с рисунком 19. Испытания проводят при полной нагрузке шины. Характеристики нагрузки должны быть отражены в протоколе испытаний.
|
1 - сеть электропитания переменного тока 220 В, 50 Гц; 2 - испытательный генератор динамических изменений напряжения электропитания; 3 - испытуемый блок питания; 4 - напряжение на выходе блока питания, подаваемое в шину; 5 - передатчик/приемник; 6 - блок связи; 7 - кабель шины; 8 - устройство нагрузки шины Рисунок 19 - Схема испытаний блока питания на устойчивость к динамическим изменениям напряжения |
Нормы индустриальных радиопомех, создаваемых устройствами, гармонических составляющих тока, потребляемого устройствами из сети электропитания, и колебаний напряжения и фликера, вызываемых устройствами, устанавливают в соответствии с ГОСТ 30805.6.3. Испытания проводят: на индустриальные радиопомехи - в соответствии с ГОСТ 30805.22; гармонические составляющие потребляемого тока - ГОСТ 30805.3.3; колебания напряжения электропитания и фликер - ГОСТ 30805.3.3. Испытания устройств на индустриальные радиопомехи осуществляют при минимальной конфигурации, установленной в 7.1 и 7.2.
7.1 Излучаемые индустриальные радиопомехи
Общая схема испытаний в безэховой камере приведена на рисунке 20, детальные схемы размещения типовых испытуемых устройств - на рисунках 21 - 24. При испытаниях должны быть приняты меры для обеспечения наибольшего уровня эмиссии путем изменения расположения испытуемого устройства.
|
1 - измерительная аппаратура; 2 - безэховая камера; 3 - измерительная антенна; 4 - измерительное расстояние; 5 - место размещения испытуемых устройств Рисунок 20 - Общая схема испытаний устройства при измерении излучаемых индустриальных радиопомех в безэховой камере |
|
1 - металлический пол безэховой камеры; 2 - непроводящая поверхность (деревянный стол высотой 0,8 - 1 м); 3 - испытуемый блок; 4 - кабель шины; 5 - развязывающий фильтр; 6 - соединения кабеля шины с блоком связи и измерительной аппаратурой Примечание - Длина отрезка кабеля шины, расположенного на непроводящей поверхности, должна составлять 2 м. Рисунок 21 - Размещение блока, входящего в состав шины при измерении излучаемых индустриальных радиопомех в безэховой камере (вид сбоку) |

|
1 - металлический пол безэховой камеры; 2 - непроводящая поверхность (деревянный стол); 3 - блок связи; 4 - дополнительная нагрузка; 5 - кабель шины; 6 - испытуемый блок питания; 7 - кабель электропитания; 8 - развязывающий фильтр; 9 - подключение к сети электропитания Примечание - Длина отрезка кабели электропитания, расположенного на непроводящей поверхности, должна составлять 1 м. Рисунок 22 - Размещение блока питания при измерении излучаемых индустриальных радиопомех в безэховой камере (вид сбоку) |

|
1 -
металлический пол безэховой камеры; 2 - непроводящая поверхность
(деревянный стол); Примечания 1 Расстояние между испытуемым устройством и блоком питания должно составлять 2 м. 2 Длина отрезка кабеля электропитания, расположенного на непроводящей поверхности, должна составлять 1м. Рисунок 23 - Размещение испытуемого устройства, подключаемого к одному кабелю (шины), при измерении излучаемых индустриальных радиопомех в безэховой камере (вид сбоку) |
|
1 -
металлический пол безэховой камеры; 2 - развязывающий фильтр; 3 -
непроводящая поверхность (деревянный стол); 4 - кабель ввода-вывода
сигналов; 5 - испытуемое устройство; 6 - блок связи; Примечания 1 Расстояние между испытуемым устройством и блоком питания должно составлять 2 м. 2 Длины отрезков кабеля ввода-вывода сигналов и кабеля электропитания, расположенных на непроводящей поверхности, должны составлять 1 м. Рисунок
24 - Размещение испытуемого устройства, подключаемого к двум кабелям (шины и
ввода-вывода сигналов) при измерении излучаемых индустриальных радиопомех в
безэховой |
7.2 Кондуктивные индустриальные радиопомехи
Испытания проводят в соответствии с ГОСТ 30805.22. Минимальную конфигурацию испытуемых устройств при измерении напряжения индустриальных радиопомех, создаваемых в электрической сети переменного тока блоком питания устройством, входящим в состав шины, подключенным к электрической сети, устанавливают в соответствии с рисунком 25. Испытания проводят при полной нагрузке шины. Характеристики нагрузки должны быть отражены в протоколе испытаний.
|
1) Подключение измерительной аппаратуры в случае, когда испытуемым устройством является блок питания. 2) Подключение измерительной аппаратуры в случае, когда испытуемым устройством является блок, входящий в состав шины. 1 - сеть электропитания переменного тока 220 В, 50 Гц; 2 - горизонтальная пластина заземления (размеры не менее чем 2´2м) (стена экранированного помещения); 3 - V-образный эквивалент сети; 4 - блок питания (испытуемое устройство); 5 - блок связи; 6 - блок, входящий в состав шины (испытуемое устройство); 7 - деревянный стол высотой 90 см; 8 - измерительная аппаратура; 9 - устройство нагрузки шины Примечания 1 Эквивалент сети размещают на расстоянии не менее 80 см от испытуемого устройства. 2 Испытуемое устройство размещают на расстоянии 40 см от горизонтальной пластины заземления. Рисунок 25 - Схема испытаний устройства при измерении напряжения индустриальных радиопомех на порте электропитания переменного тока |
Ключевые слова: электромагнитная совместимость; электронные системы управления жилых помещений и зданий; контроллеры, датчики, сенсоры, блоки доступа в сети, исполнительные механизмы; электромагнитные помехи; нормы помехоэмиссии; индустриальные радиопомехи; гармонические составляющие тока, потребляемого из сети электропитания; колебания напряжения и фликер; требования устойчивости к электромагнитным помехам; степени жесткости испытаний; методы испытаний