ФЕДЕРАЛЬНОЕ АГЕНТСТВО
ПО ТЕХНИЧЕСКОМУ РЕГУЛИРОВАНИЮ И МЕТРОЛОГИИ
|
|
НАЦИОНАЛЬНЫЙ |
ГОСТ
Р МЭК |
Машины ручные электрические
БЕЗОПАСНОСТЬ И МЕТОДЫ ИСПЫТАНИЙ
Часть 1
Общие требования
IEC 60745-1:2006
Hand-held motor-operated electric tools - Safety -
Part 1: General requirements
(IDT)
|
|
Москва Стандартинформ 2011 |
Предисловие
Цели и принципы стандартизации в Российской Федерации установлены Федеральным законом от 27 декабря 2002 г. № 184-ФЗ «О техническом регулировании», а правила применения национальных стандартов Российской Федерации - ГОСТ Р 1.0-2004 «Стандартизация в Российской Федерации. Основные положения»
Сведения о стандарте
1 ПОДГОТОВЛЕН Открытым акционерным обществом «Институт механизированного инструмента» (ОАО «ВНИИСМИ») на основе собственного аутентичного перевода на русский язык международного стандарта, указанного в пункте 4
2 ВНЕСЕН Техническим комитетом по стандартизации ТК 262 «Инструмент механизированный и ручной»
3 УТВЕРЖДЕН И ВВЕДЕН В ДЕЙСТВИЕ Приказом Федерального агентства по техническому регулированию и метрологии от 11 декабря 2009 г. № 752-ст
4 Настоящий стандарт идентичен международному стандарту МЭК 60745-1:2006 «Электроинструменты ручные с приводом от двигателя. Безопасность. Часть 1: Общие требования» (IEC 60745-1:2006 «Hand-held motor-operated electric tools - Safety - Part 1: General requirements»).
Наименование настоящего стандарта изменено относительно наименования указанного международного стандарта для приведения в соответствие с ГОСТ Р 1.5-2004 (пункт 3.5).
При применении настоящего стандарта рекомендуется использовать вместо ссылочных международных стандартов соответствующие им национальные стандарты Российской Федерации, сведения о которых приведены в дополнительном приложении ДА
5 ВВЕДЕН ВПЕРВЫЕ
Информация об изменениях к настоящему стандарту публикуется в ежегодно издаваемом информационном указателе «Национальные стандарты», а текст изменений и поправок - в ежемесячно издаваемых информационных указателях «Национальные стандарты». В случае пересмотра (замены) или отмены настоящего стандарта соответствующее уведомление будет опубликовано в ежемесячно издаваемом информационном указателе «Национальные стандарты». Соответствующая информация, уведомление и тексты размещаются также в информационной системе общего пользования - на официальном сайте Федерального агентства по техническому регулированию и метрологии в сети Интернет
СОДЕРЖАНИЕ
Введение
Настоящий стандарт относится к комплексу стандартов, устанавливающих требования безопасности для ручных электрических машин и методы их испытаний. Кроме настоящего стандарта в указанный комплекс входят стандарты, устанавливающие частные требования к ручным электрическим машинам конкретных видов.
Настоящий стандарт содержит нормы, правила и методы испытаний, являющиеся общими для всех электрических ручных машин.
При отсутствии стандарта на конкретный вид ручной электрической машины допускается распространять действие настоящего стандарта (насколько это применимо) на ручную электрическую машину данного конкретного вида.
Настоящий стандарт идентичен международному стандарту МЭК 60745-1:2006 «Электроинструменты ручные с приводом от двигателя. Безопасность. Часть 1: Общие требования».
Номера разделов, пунктов, таблиц и рисунков соответствуют приведенным в МЭК 60745-1:2006.
В настоящем стандарте требования к методам испытаний выделены курсивом.
Изменение наименования раздела 3 вызвано необходимостью приведения в соответствие с ГОСТ Р 1.5-2004.
ГОСТ Р МЭК 60745-1-2009
НАЦИОНАЛЬНЫЙ СТАНДАРТ РОССИЙСКОЙ ФЕДЕРАЦИИ
Машины ручные электрические
БЕЗОПАСНОСТЬ И МЕТОДЫ ИСПЫТАНИЙ
Часть 1
Общие требования
Hand-held motor-operated electric tools. Safety and test methods. Part 1. General requirements
Дата введения - 2011-01-01
Настоящий стандарт устанавливает требования безопасности ручных электрических машин (далее - машины), приводимых в действие электрическим или электромагнитным приводом, номинальное напряжение которого не превышает 250 В для однофазных машин переменного или постоянного тока и 400 В - для трехфазных машин переменного тока.
Настоящий стандарт распространяется на часто встречающиеся источники опасности, возникающие как при нормальном применении ручных машин, так и в случаях их неправильного использования, что, вероятно, может произойти при эксплуатации.
Машины с электрическим нагревательным элементом относятся к области распространения настоящего стандарта. Они должны также отвечать требованиям МЭК 60335-1.
Требования к двигателям, не изолированным от сети питания и имеющим основную изоляцию, не рассчитанную на номинальное напряжение машины, приведены в приложении В. Требования к аккумуляторным машинам, то есть машинам с электрическими или электромагнитными приводами с питанием от перезаряжаемых аккумуляторных батарей, а также требования к самим аккумуляторным батареям - в соответствии с приложением К. Требования к аккумуляторным машинам, которые приводятся в действие и (или) заряжаются непосредственно от сети или от неизолированного источника питания, - в соответствии с приложением L. Машины, которые могут быть установлены на опорную стойку или на рабочую опору в целях использования в качестве стационарных без каких-либо их изменений, подпадают под действие настоящего стандарта. Требования к подобным рабочим опорам - в соответствии с приложением М.
Настоящий стандарт не распространяется:
- на ручные машины, предназначенные для применения во взрывоопасной атмосфере (пыль, пар или газ);
- ручные инструменты для приготовления или обработки пищи;
- ручные инструменты для медицинских целей по МЭК 60601;
- ручные инструменты по МЭК 60335-2-45.
Для машин, предназначенных для использования на транспортных средствах или на борту кораблей или самолетов, могут быть предусмотрены дополнительные требования.
Для машин, предназначенных для использования в странах с тропическим климатом, могут быть предусмотрены специальные требования.
Примечание - В соответствии с национальным законодательством органы здравоохранения и охраны труда, органы водоснабжения и др. могут предъявлять к машинам дополнительные требования.
Для документов, содержащих обозначение даты их принятия, действительным является приведенное в настоящем разделе издание. Для документов без указания даты действительным является последнее издание документа (со всеми поправками и изменениями).
В настоящем стандарте использованы нормативные ссылки на следующие стандарты:
МЭК 60061-DB:2005 Цоколи и патроны ламп вместе с датчиками для контроля взаимозаменяемости и безопасности (IEC 60061-DB:2005, Lamp caps and holders together with gauges for the control of interchangeability and safety)
МЭК 60065:2001 Аудио-, видео- и аналогичная электронная аппаратура. Требования техники безопасности (IEC 60065:2001, Audio, video and similar electronic apparatus - Safety requirements)
МЭК 60068-2-75:1997 Испытания на воздействие внешних факторов. Часть 2. Испытания. Испытание Eh: Ударные испытания (IEC 60068-2-75:1997, Environmental testing - Part 2: Tests - Test Eh: Hammer tests)
МЭК 60085 Электрическая изоляция. Классификация по термическим свойствам (IEC 60085, Electrical insulation - Thermal classification)
МЭК 60112:2003 Материалы электроизоляционные твердые. Методы определения нормативного и сравнительного индексов трекингостойкости (IEC 60112:2003, Method for the determination of the proof and the comparative tracking indices of solid insulating materials)
МЭК 60127-3 Предохранители плавкие миниатюрные. Часть 3. Микроформатные плавкие вставки (IEC 60127-3, Miniature fuses - Part 3: Sub-miniature fuse-links)
МЭК 60204-1 Безопасность машин и механизмов. Электрооборудование промышленных машин. Часть 1. Общие требования (IEC 60204-1, Safety of machinery - Electrical equipment of machines - Part 1: General requirements)
МЭК 60227 (все части) Кабели с поливинилхлоридной изоляцией на номинальные напряжения до 450/750 В включительно (IEC 60227 (all parts), Polyvinyl chloride insulated cables of rated voltages up to and including 450/750 V)
МЭК 60245 (все части) Кабели с резиновой изоляцией на номинальное напряжение до 450/750 В включительно (IEC 60245 (all parts), Rubber insulated cables - Rated voltages up to and including 450/750 V)
МЭК 60309 (все части) Вилки, розетки и соединители промышленного назначения (IEC 60309 (all parts), Plugs, socket-outlets and couplers for industrial purposes)
МЭК 60320 (все части) Соединители для электроприборов бытового и аналогичного общего назначения (IEC 60320 (all parts), Appliance couplers for household and similar general purposes)
МЭК 60335-1:2001 Приборы электрические бытового и аналогичного назначения. Часть 1. Общие требования (с поправкой 1 (2004)) (IEC 60335-1:2001, Safety of household and similar electrical appliances - Part 1: General requirements Amendment 1 (2004))
МЭК 60384-14 Конденсаторы постоянной емкости для электронной аппаратуры. Часть 14: Групповые технические условия. Конденсаторы постоянной емкости для подавления радиопомех и подключения к питающей магистрали (IEC 60384-14, Fixed capacitors for use in electronic equipment - Part 14: Sectional specification: Fixed capacitors for electromagnetic interference suppression and connection to the supply mains)
МЭК 60417-DB:2002 Обозначения графические для аппаратуры (IEC 60417-D83):2002, Graphical symbols for use on equipment)
МЭК 60529:1989 Степени защиты, обеспечиваемые корпусами (Код IP) (IEC 60529:1989, Degrees of protection provided by enclosures (IP Code) Amendment 1 (1999))
МЭК 60695-2-11 Испытания на пожароопасность. Часть 2-11. Методы испытаний раскаленной/горячей проволокой. Метод испытания конечной продукции на воспламеняемость под действием раскаленной проволоки (IEC 60695-2-11, Fire hazard testing - Part 2-11: Glowing/hot-wire based test methods - Glow wire flammability test method for end-products)
МЭК 60695-11-5:2004 Испытание на пожароопасность. Часть 11-5. Испытательное пламя. Метод испытания с применением игольчатого пламени. Приборы, подтверждающее расположение при испытании и руководство (IEC 60695-11-5:2004, Fire hazard testing - Part 11-5: Test flames - Needle-flame test method - Apparatus, confirmatory test arrangement and guidance)
МЭК 60695-11-10 Испытания на пожароопасность. Часть 11-10. Пламя для испытания. Методы испытания горизонтальным и вертикальным пламенем мощностью 50 Вт (IEC 60695-11-10, Fire hazard testing - Part 11-10: Test flames - 50 W horizontal and vertical flame test methods)
МЭК 60730-1 Устройства управления автоматические электрические бытового и аналогичного назначения. Часть 1. Общие требования (IEC 60730-1:1999, Automatic electrical controls for household and similar use - Part 1: General requirements)
МЭК 60760 Наконечники плоские быстросочленяемые (IEC 60760, Flat, quick connect terminations)
МЭК 60825-1 Безопасность лазерных устройств. Часть 1. Классификация и требования к аппаратуре (IEC 60825-1, Safety of Laser Products - Part 1: Equipment classification, requirements and users guide)
МЭК 60884 (все части) Вилки и розетки бытового и аналогичного назначения (IEC 60884 (all parts), Plugs and socket-outlets for household and similar purposes)
МЭК 60998-2-1 Устройства соединительные для низковольтных цепей бытового и аналогичного назначения. Часть 2-1: Частные требования к соединительным устройствам как отдельным элементам с винтовыми зажимами (IEC 60998-2-1, Connecting devices for low-voltage circuits for household and similar purposes - Part 2-1: Particular requirements for connecting devices as separate entities with screw-type clamping units)
МЭК 60998-2-2 Устройства соединительные для низковольтных цепей бытового и аналогичного назначения. Часть 2-2. Частные требования к соединительным устройствам как отдельным элементам с невинтовыми зажимами (IEC 60998-2-2, Connecting devices for low-voltage circuits for household and similar purposes - Part 2-2: Particular requirements for connecting devices as separate entities with screwlesstype clamping units)
МЭК 60999-1:1999 Устройства соединительные. Медные электропровода. Требования безопасности к винтовым и безвинтовым зажимам. Часть 1. Общие и частные требования к зажимам для проводов сечением от 0,2 мм2 до 35 мм2 (включительно) (IEC 60999-1:1999, Connecting devices - Electrical copper conductors - Safety requirements for screw-type and screwless-type clamping units - Part 1: General requirements and particular requirements for clamping units for conductors from 0,2 mm2 up to 35 mm2 (included))
МЭК 61058-1:2000 Выключатели для электроприборов. Часть 1: Общие требования (с поправкой 1 (2001)) (IEC 61058-1:2000, Switches for appliances - Part 1: General requirements Amendment 1 (2001))
МЭК 61540:1997 Электроаппаратура вспомогательная. Переносные устройства защиты от токов замыкания на землю без встроенной максимальной токовой защиты бытового и аналогичного назначения (с поправкой 1 (1998)) (IEC 61540:1997, Electrical accessories - Portable residual current devices without integral overcurrent protection for household and similar use (PRCDs) Amendment 1 (1998))
МЭК 61558-1 Трансформаторы силовые, блоки питания, реакторы и аналогичные изделия. Безопасность. Часть 1. Общие требования и испытания (IEC 61558-1, Safety of power transformers, power supplies, reactors and similar products - Part 1: General requirements and tests)
МЭК 61558-2-6:1997 Трансформаторы силовые, блоки питания и аналогичная продукция. Безопасность. Часть 2. Частные требования к изолирующим трансформаторам общего назначения (IEC 61558-2-6:1997, Safety of power transformers, power supply units and similar - Part 2: Particular requirements for safety isolating transformers for general use)
ИСО 1463 Покрытия металлические и оксидные. Измерение толщины покрытия. Метод с использованием микроскопа (ISO 1463, Metallic and oxide coatings - Measurement of coating thickness - Microscopical method)
ИСО 2178 Покрытия немагнитные на магнитных основных металлах. Измерение толщины покрытия. Магнитный метод (ISO 2178, Non-magnetic coatings on magnetic substrates - Measurement of coating thickness - Magnetic method)
ИСО 3864-2 Символы графические. Цвета и знаки безопасности. Часть 2. Принципы конструирования этикеток безопасности на изделиях (ISO 3864-2, Graphical symbols - Safety colours and safety signs - Part 2: Design principles for product safety labels)
ИСО 7010 Символы графические. Цвета и знаки безопасности. Знаки безопасности, используемые на рабочих и в общественных местах (ISO 7010, Graphical symbols - Safety colours and safety signs - Safety signs used in workplaces and public areas)
ИСО 9772 Поропласты. Определение характеристик горения горизонтально расположенных небольших образцов под действием небольшого пламени (ISO 9772, Cellular plastics - Determination of horizontal burning characteristics of small specimens subjected to a small flame)
В настоящем стандарте использованы следующие термины с соответствующими определениями: Под терминами «напряжение» и «ток» понимают их среднеквадратические значения, если нет других указаний.
В настоящем стандарте при использовании выражений «с применением инструмента», «без применения инструмента» и «требует применения инструмента» термин «инструмент» означает ручной инструмент, например отвертку, которая может быть использована для отвинчивания или завинчивания винта или другого крепежного средства.
3.1 доступная часть (accessible part): Часть, к которой можно прикоснуться с помощью стандартного испытательного пальца, изображенного на рисунке 1, включая (для доступных металлических частей) любую проводящую часть, соединенную с ней.
3.2 вспомогательные принадлежности (accessory): Устройство, закрепленное только на выходном механизме машины.
3.3 отключение всех полюсов (all-pole disconnection): Отключение одновременным действием всех питающих проводов, за исключением защитного заземляющего провода.
3.4 оснастка (attachment): Устройство, которое присоединяют к корпусу или другому элементу машины и которое при необходимости может быть закреплено на выходном механизме машины. Присоединение оснастки не приводит к изменению нормального использования машины в пределах области распространения настоящего стандарта.
3.5 основная изоляция (basic insulation): Изоляция (необязательно включающая изоляцию, применяемую исключительно для функциональных целей) частей, находящихся под напряжением, обеспечивающая основную защиту от поражения электрическим током.
3.6 машины класса I (class I tool): Машины, в которых защита от поражения электрическим током не только обеспечена основной, двойной или усиленной изоляцией, но и включает в себя дополнительные меры безопасности, при которых проводящие доступные части соединены с проводом защитного заземления в стационарной проводке установки таким образом, что не могут оказаться под напряжением в случае повреждения основной изоляции. К машинам класса I относят также машины с двойной и (или) усиленной изоляцией, имеющие заземляющий зажим или заземляющий контакт.
3.7 машины класса II (class II tool): Машины, в которых защита от поражения электрическим током не только обеспечена основной изоляцией, но и предусмотрены дополнительные меры безопасности, такие как двойная или усиленная изоляция, при этом не предусмотрено защитное заземление (защитный заземляющий провод или защитный контакт заземления), а условия подключения не являются дополнительной гарантией.
3.8 машины класса III (class III tool): Машины, в которых защита от поражения электрическим током обеспечена питанием безопасным сверхнизким напряжением и в которых не возникают напряжения, превышающие безопасные сверхнизкие напряжения.
3.9 конструкция класса II (class II construction): Часть машины, в которой защита от поражения электрическим током обеспечена двойной или усиленной изоляцией.
3.10 конструкция класса III (class III construction): Часть машины, в которой защита от поражения электрическим током обеспечена за счет питания безопасным сверхнизким напряжением и в которой не возникают напряжения, превышающие безопасные сверхнизкие напряжения.
3.11 воздушный зазор (clearance): Кратчайшее расстояние, измеренное по воздуху, между двумя токопроводящими частями или между токопроводящей частью и наружной поверхностью, рассматриваемой так, как будто к ней прижата металлическая фольга, контактирующая с доступными поверхностями изоляционного материала.
Примечание - Примеры воздушных зазоров приведены в приложении А.
3.12 пути утечки (creepage distance): Кратчайший путь, измеренный по поверхности изоляционного материала между двумя токопроводящими путями или между токопроводящей частью и наружной поверхностью, рассматриваемой так, как будто к ней прижата металлическая фольга, контактирующая с доступными поверхностями изоляционного материала.
Примечание - Примеры путей утечки приведены в приложении А.
3.13 съемный шнур (detachable cord): Гибкий шнур для питания машин, предназначенный для подсоединения к ним при помощи соответствующего приборного соединительного устройства.
3.14 съемная часть (detachable part): Часть, которая может быть снята или открыта без помощи инструмента, или часть, которая может быть снята в соответствии с инструкцией по эксплуатации (кроме случаев технического обслуживания пользователем), даже если снятие этой части требует использования инструмента.
3.15 двойная изоляция (double insulation): Система изоляции, включающая основную изоляцию и дополнительную изоляцию.
3.16 электронная цепь (electronic circuit): Цепь, включающая минимум одно электронное комплектующее.
3.17 электронное комплектующее (electronic component): Часть, в которой проводимость обеспечивается в основном электронами, движущимися в вакууме, газе или полупроводнике, за исключением неоновых индикаторов.
3.18 заменяемая машина (exchange type tool): Машина, которую не ремонтируют или ремонтирует только сервисная служба изготовителя.
3.19 сверхнизкое напряжение (extra-low voltage): Напряжение, получаемое от источника, встроенного в машину, которое при работе машины на номинальном напряжении не превышает 50 В между проводниками, а также между проводниками и землей.
3.20 сверхжесткий режим работы изоляционного материала (extra-severe duty conditions of insulating material): Режим, при котором имеют место значительное отложение токопроводящего материала и длительный период электрической нагрузки либо чрезмерное отложение токопроводящего материала и короткий период электрической нагрузки.
3.21 ручная машина (в настоящем стандарте используется сокращенное название: машина) (hand-held tool): Электрическая машина, приводимая в действие электрическим двигателем или электромагнитным приводом в целях выполнения механической работы и сконструированная таким образом, чтобы двигатель и инструмент представляли собой блок, который можно легко перенести на место эксплуатации и который держат или поддерживают рукой или подвешивают в процессе эксплуатации. Может быть предусмотрена установка машины на рабочую опору.
3.22 повторно-кратковременный режим работы (intermittent operation): Работа при последовательном чередовании установленных одинаковых циклов, каждый из которых включает период работы при нормальной нагрузке, за которым следует период отдыха, при котором машина функционирует на холостом ходу или выключается.
3.23 система с использованием жидкости (liquid system): Система, использующая воду или жидкость на основе воды из внешнего или выполненного за одно целое с машиной источника, которая необходима для выполнения машиной установленной функции.
3.24 токоведущая часть (live part): Любой проводник или токопроводящая часть, предназначенная для пропускания тока при нормальной эксплуатации, включающая нейтральный провод (но в общепринятом понимании не PEN-проводник).
3.25 потребляемая мощность (ток) холостого хода (no load input/current): Максимальная величина потребляемой мощности или тока, когда машина приводится в действие при номинальных напряжении и частоте без внешней нагрузки. Машина эксплуатируется вместе с комплектующими, отрегулированными в соответствии с инструкциями изготовителя и готовыми к использованию.
3.26 несъемная часть (non-detachable part): Часть, которая может быть снята или открыта только с помощью инструмента, или часть, выдерживающая испытания по 21.22.
3.27 термовыключатель без самовозврата (non-self-resetting thermal cut-out): Термовыключатель, в котором для возобновления подачи тока и возврата в исходное положение необходимо произвести действие вручную или провести замену его части.
3.28 нормальный режим работы изоляционного материала (normal duty conditions of insulating material): Режим работы изоляционного материала, при котором фактически отсутствует отложение токопроводящего материала при продолжительном периоде электрической нагрузки или имеет место легкое отложение токопроводящего материала при кратковременной электрической нагрузке.
3.29 нормальная нагрузка (normal load): Нагрузка, приложенная к машине при номинальном напряжении или при верхнем значении диапазона номинальных напряжений, в целях получения номинальной потребляемой мощности или номинального тока при соблюдении данных, указанных в любой маркировке машины, характеризующих работу в кратковременном или повторно-кратковременном режиме и при работе нагревательных элементов (при их наличии) как при обычной эксплуатации, если нет иного указания.
3.30 нормальная эксплуатация (normal use): Использование машины для целей, для которых она предназначена, с учетом инструкций изготовителя.
3.31 защитное устройство (protective device): Устройство, работа которого исключает создание опасной ситуации в условиях ненормальной работы.
3.32 защитный импеданс (protective impedance): Полное электрическое сопротивление, включенное между токопроводящими частями и доступными проводящими частями и имеющее величину, благодаря которой ток ограничен до безопасной величины.
3.33 номинальный ток (rated current): Ток, определенный для машины изготовителем. Если данный параметр для машины не установлен, то под номинальным током для целей настоящего стандарта понимают ток, измеренный при работе машины при нормальной нагрузке.
3.34 номинальная частота (rated frequency): Частота, установленная для машины изготовителем.
3.35 диапазон номинальных частот (rated frequency range): Диапазон частот, установленный для машины изготовителем и выраженный нижним и верхним пределами.
3.36 номинальная потребляемая мощность (rated input): Мощность в ваттах, установленная для машины изготовителем. Если потребляемая мощность для машины не установлена, то под номинальной потребляемой мощностью для целей настоящего стандарта понимают потребляемую мощность, измеренную при работе машины под нормальной нагрузкой.
3.37 диапазон номинальных потребляемых мощностей (rated input range): Диапазон потребляемых мощностей в ваттах, установленный для машины изготовителем и выраженный нижним и верхним пределами.
3.38 номинальная скорость на холостом ходу (rated no-load speed): Скорость на холостом ходу при номинальном напряжении или при верхнем пределе диапазона номинальных напряжений, установленная для машины изготовителем.
3.39 номинальная продолжительность работы (rated operating time): Продолжительность работы, установленная для машины изготовителем.
3.40 номинальное напряжение (rated voltage): Напряжение, установленное для машины изготовителем. При трехфазном питании - напряжение между фазами.
3.41 диапазон номинальных напряжений (rated voltage range): Диапазон напряжений, установленный для машины изготовителем и выраженный нижним и верхним пределами.
3.42 усиленная изоляция (reinforced insulation): Изоляция опасных токоведущих частей, обеспечивающая степень защиты от поражения электрическим током, эквивалентную двойной изоляции.
Примечание - Примерами усиленной изоляции являются один или несколько слоев, которые не могут быть испытаны отдельно как основная изоляция и дополнительная изоляция.
3.43 устройство защитного отключения; УЗО (residual current device (RCD): Устройство, размыкающее электрическую цепь в случае повышения тока в цепи до величины, которая может привести к поражению пользователя электрическим током.
Примечание - Данное устройство известно также под названием «переносное устройство защитного отключения» (ПУЗО).
3.44 техническое обслуживание (routine servicing): Периодическое обслуживание, требующее разборки машин в соответствии с указаниями, приведенными в руководстве, и осуществляемое уполномоченным сервисным центром.
3.45 безопасное сверхнизкое напряжение (safety extra-low voltage): Номинальное напряжение, не превышающее 42 В между проводниками и между проводниками и землей, при этом напряжение холостого хода не превышает 50 В. Если безопасное сверхнизкое напряжение получают от сети, то оно должно поступать через безопасный разделительный трансформатор или преобразователь с раздельными обмотками, изоляция которых соответствует требованиям к двойной или усиленной изоляции.
3.46 безопасный разделительный трансформатор (safety isolating transformer): Трансформатор, входная обмотка которого электрически отделена от выходной обмотки изоляцией, эквивалентной минимум двойной или усиленной изоляции, предназначенный для питания распределительной цепи, машин и другого оборудования безопасным сверхнизким напряжением.
3.47 термовыключатель с самовозвратом (self-resetting thermal cut-out): Термовыключатель, который автоматически восстанавливает подачу тока после того, как соответствующая часть машины будет достаточно охлаждена.
3.48 тяжелый режим работы изоляционного материала (severe duty conditions of insulating material): Режим работы изоляционного материала, при котором имеют место небольшое отложение токопроводящего материала и длительный период электрической нагрузки или значительные отложения токопроводящего материала и короткий период электрической нагрузки.
3.49 кратковременный режим работы (short-time operation): Работа при нормальной нагрузке в течение установленного периода времени, начиная с холодного состояния. При этом интервалы между каждым периодом работы дают возможность машине остыть приблизительно до температуры окружающей среды.
3.50 дополнительная изоляция (supplementary insulation): Независимая изоляция, дополняющая основную изоляцию в целях обеспечения защиты от поражения электрическим током в случае повреждения основной изоляции.
3.51 шнур питания (supply cord): Гибкий шнур, предназначенный для подачи питания, который закреплен на машине.
3.52 термоограничитель (temperature limiter): Термочувствительное устройство, рабочая температура которого может быть либо установленной, либо регулируемой и которое при нормальной эксплуатации срабатывает путем размыкания и замыкания цепи, когда температура контролируемой части достигает заданного значения.
3.53 термовыключатель (thermal cut-out): Устройство, которое ограничивает температуру контролируемой части при ненормальном режиме работы путем автоматического размыкания цепи или уменьшения значения тока и которое сконструировано так, что его уставка не может быть изменена потребителем.
3.54 термозвено (thermal link): Термовыключатель, который срабатывает только один раз, а затем требует частичной или полной замены.
3.55 терморегулятор (thermostat): Термочувствительное устройство, рабочая температура которого может быть либо установленной, либо регулируемой и которое при нормальной эксплуатации поддерживает эту температуру контролируемой части в определенных пределах путем автоматического размыкания и замыкания цепи.
3.56 крепление типа X (type X attachment): Такой способ крепления шнура питания, при котором он может быть легко заменен.
3.57 крепление типа Y (type Y attachment): Такой метод крепления шнура питания, при котором он может быть заменен только изготовителем, представителем сервисной службы или другим квалифицированным специалистом.
3.58 крепление типа Z (type Z attachment): Такой способ крепления шнура питания, при котором он не может быть заменен без разрушения или повреждения машины.
3.59 обслуживание потребителем (user maintenance): Любая работа, указанная в инструкциях по эксплуатации или непосредственно на машине, которая предусмотрена изготовителем для выполнения потребителем.
3.60 рабочее напряжение (working voltage): Максимальное напряжение (исключая переходные напряжения), которому подвергается рассматриваемая часть машины, когда она работает при номинальном напряжении и в условиях нормальной эксплуатации.
Машины должны быть сконструированы таким образом, чтобы при нормальной эксплуатации обеспечивалась их надежная работа и не создавалась опасность для людей или окружающей среды даже в случае возможного небрежного обращения с ними.
В основном этот принцип действует путем выполнения соответствующих требований настоящего стандарта, а проверку осуществляют путем проведения всех соответствующих испытаний.
Примечание - В приложении N приведены правила, касающиеся приемо-сдаточных испытаний.
5.1 Испытания, проводимые в соответствии с настоящим стандартом, являются типовыми.
5.2 Если нет других указаний, испытания проводят на одном образце, который должен выдержать все предусмотренные для него испытания. Однако любое испытание, требующее доработки машины или ее демонтажа после проведения испытания, может быть проведено на отдельном образце.
Дополнительные образцы могут потребоваться, например, в том случае, если образец предназначен для использования при разных напряжениях источника питания. Испытания комплектующих изделий могут потребовать использования дополнительных образцов этих комплектующих изделий.
Следует избегать накопления нагрузок на электронные цепи от проведения последовательных испытаний. Может возникнуть необходимость замены комплектующих изделий или использования дополнительных образцов. Количество дополнительных образцов должно быть минимальным, что определяется оценкой соответствующих электронных цепей.
5.3 Если нет других указаний, испытания проводят в порядке следования пунктов. Если из конструкции машины очевидно, что определенное испытание неприменимо, данное испытание не проводят.
5.4 Испытания проводят на машине или любой его подвижной части, установленной в наиболее неблагоприятное положение, которое возможно при нормальной эксплуатации.
5.5 Машины, снабженные управляющими и переключающими устройствами, уставка которых может быть изменена потребителем, испытывают при самых неблагоприятных уставках этих устройств.
Если средства регулирования управляющего устройства доступны без инструмента, настоящий пункт применяется независимо от того, может ли уставка быть изменена вручную или с помощью инструмента. Если средства регулирования недоступны без помощи инструмента и если не предусмотрено изменение уставки потребителем, настоящий пункт не применяют.
Соответствующее пломбирование рассматривают как способ предотвращения изменения уставки потребителем.
5.6 Испытания проводят в местах, защищенных от сквозняков, и, как правило, при температуре окружающей среды (20 ± 5) °С.
Если температура какой-либо части ограничивается устройством, чувствительным к температуре, или на нее влияет температура, то комнатную температуру в случае сомнения поддерживают в пределах (23 ± 2) °С.
5.7.1 Машины, предназначенные для работы только на переменном токе, испытывают переменным током на номинальной частоте, если она указана в маркировке, а машины, предназначенные для работы, как на переменном, так и на постоянном токах, - при наиболее неблагоприятном роде тока.
Машины, предназначенные для работы на переменном токе, на которых не указана номинальная частота или указан диапазон частот 50 - 60 Гц, испытывают при частоте 50 или 60 Гц в зависимости от того, при какой частоте возникают наиболее неблагоприятные условия.
5.7.2 Машины, предназначенные для работы при более чем одном номинальном напряжении, испытывают при наиболее неблагоприятном напряжении.
Если для машин, предназначенных для работы в диапазоне номинальных напряжений, указано, что питающее напряжение равно номинальному, умноженному на коэффициент, то питающее напряжение должно быть равно:
- верхнему пределу диапазона номинальных напряжений, умноженному на этот коэффициент, если он превышает 1;
- нижнему пределу диапазона номинальных напряжений, умноженному на этот коэффициент, если он меньше 1.
Если коэффициент не указан, выбирается наиболее неблагоприятное напряжение питания в пределах диапазона номинальных напряжений.
Для машин, рассчитанных более чем на одно номинальное напряжение или более чем на один диапазон номинальных напряжений, может возникнуть необходимость в проведении некоторых испытаний при минимальном, среднем или максимальном значении номинального напряжения или диапазона номинальных напряжений, с тем чтобы использовать наиболее неблагоприятное напряжение.
5.7.3 Если для машин, маркированных диапазоном номинальных напряжений и номинальной потребляемой мощностью, соответствующей среднему значению диапазона номинальных напряжений, указано, что потребляемая мощность равна номинальной, умноженной на коэффициент, то потребляемая мощность равна:
- значению мощности, рассчитанному по верхнему пределу диапазона номинальных напряжений, умноженному на этот коэффициент, если последний больше 1;
- значению мощности, рассчитанному по нижнему пределу диапазона номинальных напряжений, умноженному на этот коэффициент, если последний меньше 1.
Если коэффициент не указан, потребляемая мощность соответствует потребляемой мощности при наиболее неблагоприятном номинальном напряжении в пределах диапазона.
5.8 Если изготовитель снабжает машину сменными насадками, ее испытывают вместе с теми насадками, при которых получают наиболее неблагоприятные результаты.
5.9 Если нет других указаний, машину испытывают вместе с соответствующим гибким шнуром, подсоединенным к ней.
5.10 Если машины класса I имеют доступные металлические части, которые не присоединены к заземляющему зажиму или заземляющему контакту и не отделены от токоведущих частей промежуточной металлической частью, соединенной с заземляющим зажимом или заземляющим контактом, то такие части необходимо испытывать на соответствие требованиям, установленным для машин класса II.
Если машины класса I имеют недоступные металлические части, эти части необходимо испытывать на соответствие требованиям, установленным для машин класса II, если эти части не отделены от токоведущих частей промежуточной металлической частью, соединенной с заземляющим зажимом или заземляющим контактом.
5.11 Если машины класса I или II имеют части, работающие при безопасном сверхнизком напряжении, то такие части необходимо испытывать согласно соответствующим требованиям, установленным для машин класса III.
5.12 При испытании электронных цепей необходимо, чтобы источник питания не подвергался таким внешним помехам, которые могут оказать влияние на результаты испытаний.
5.13 Если при нормальной эксплуатации нагревательный элемент не может функционировать при неработающем двигателе, этот элемент испытывают при работающем двигателе. Если нагревательный элемент может функционировать при неработающем двигателе, этот элемент испытывают при работающем или неработающем двигателе в зависимости от того, что является наиболее неблагоприятным условием. Нагревательные элементы, встроенные в машину, подключают к отдельному источнику питания, если нет других указаний.
5.14 Испытания с насадками, выполняющими функции, установленные областью применения соответствующего стандарта на машины конкретных видов, проводят в соответствии с этим стандартом.
Остальные насадки испытывают в соответствии с инструкциями изготовителя; при отсутствии таких инструкций машины испытывают при непрерывном режиме работы с нагрузкой, соответствующей номинальной потребляемой мощности или номинальному току.
5.15 Если используется крутящий момент, способ нагрузки выбирают таким образом, чтобы избежать дополнительных напряжений, создаваемых за счет бокового давления. Однако следует учитывать дополнительные нагрузки в целях обеспечения правильной эксплуатации машины.
Если для подачи нагрузки используют тормоз, его следует использовать постепенно, с тем чтобы пусковой ток не оказывал влияния на испытание. В целях подсоединения к тормозу допускается модификация выходных устройств, используемых в целях подачи нагрузки.
5.16 Машину, предназначенную для эксплуатации при безопасном сверхнизком напряжении, испытывают вместе с силовым трансформатором, если его продают вместе с ней.
7.1 По типу защиты от поражения электрическим током приборы классифицируют на классы I, II, III. Проверку требования осуществляют осмотром и соответствующими испытаниями.
7.2 Машины должны иметь соответствующую степень защиты от вредного проникновения воды в соответствии с МЭК 60529. Если требуется степень защиты, отличная от IP X0, это должно быть указано в соответствующем стандарте на машины конкретного вида.
Проверку требования проводят осмотром и соответствующими испытаниями.
8.1 На машинах должны быть нанесены следующие данные:
- номинальное (номинальные) напряжение (напряжения) или диапазон (диапазоны) номинальных напряжений в вольтах. На машинах с соединением «звезда-треугольник» должны быть отчетливо обозначены два номинальных напряжения (например, 230D/400Y);
- условное обозначение рода тока, если не указана номинальная частота. Условное обозначение рода тока должно быть размещено рядом с маркировкой, обозначающей номинальное напряжение;
- номинальная потребляемая мощность в ваттах или номинальный ток в амперах. Номинальная потребляемая мощность или номинальный ток, указываемые на машине, определяют общую потребляемую мощность или ток, которые могут потребляться одновременно от сети. Если машина имеет переменно действующие комплектующие изделия, которые могут быть выбраны устройством управления, номинальная потребляемая мощность или номинальный ток должны соответствовать максимальной возможной нагрузке;
- наименование или товарный знак, или условное обозначение и адрес (или обозначение страны) изготовителя или любого другого агента, ответственного за выпуск машины на рынок;
- обозначение модели или типа;
- условное обозначение класса II (только для машин класса II);
- индекс IP в соответствии со степенью защиты от проникновения воды, если он отличается от IP Х0. Если первая цифра в индексе IP отсутствует, отсутствующая цифра должна быть заменена буквой «X», например IP X5;
- предупреждение «ВНИМАНИЕ! В целях предотвращения риска получения повреждения ознакомьтесь с руководством, содержащим инструкции» или обозначение М002 в соответствии с ИСО 7010.
Если используется слово «ВНИМАНИЕ», оно должно состоять из букв высотой не менее 2,4 мм и не должно быть отделено от предупреждения.
Предупреждение должно полностью соответствовать приведенному выше примеру, за исключением того, что вместо термина «Руководство, содержащее инструкции» допускается использовать термины «Руководство оператора» или «Руководство пользователя».
Допускается использовать дополнительные маркировочные данные при условии, что они не приведут к неправильному пониманию.
Проверку требования осуществляют осмотром.
Маркировка кратковременного или повторно-кратковременного режима работы должна соответствовать условиям нормальной эксплуатации.
Повторно-кратковременный режим работы обозначают номинальным рабочим периодом времени, за которым следует номинальный период отключения или холостого хода, при этом обозначения должны быть разделены наклонной чертой.
Проверку требования проводят осмотром.
Верхний и нижний пределы номинального диапазона величин должны быть разделены знаком «-» (дефис).
Разные номинальные величины должны быть отделены наклонной чертой.
Примеры
115 - 230 В - машина пригодна для использования в пределах диапазона, указанного в маркировке.
115/230 В - машина пригодна для использования только при значениях, указанных в маркировке.
Проверку требования проводят осмотром.
8.4 Если машина может быть отрегулирована на различные номинальные напряжения, то напряжение, на которое регулируют машину, должно быть четко различимо.
Данное требование не распространяется на машины с соединением «звезда-треугольник».
Для машин, не требующих частых изменений установки напряжения, это требование считают выполненным, если номинальное напряжение, на которое регулируют машину, можно определить из схемы соединений, прикрепленной к машине. Схема соединений может быть на внутренней стороне крышки, которую надо снять, чтобы присоединить питающие провода. Схема соединений не должна быть размещена на этикетке, свободно прикрепленной к машине.
Проверку требования проводят осмотром.
Верхний и нижний пределы номинальной потребляемой мощности должны быть обозначены на машине так, чтобы ясно было видно соотношение между мощностью и напряжением; если разница между пределами диапазона номинальных напряжений не превышает 10 % среднего значения диапазона, то маркировка, обозначающая номинальную потребляемую мощность, может быть отнесена к средней величине диапазона.
Проверку требования проводят осмотром.
8.6 Если единицы измерения или технические данные имеют условные обозначения, эти обозначения должны быть следующими:
В (V) - вольт;
А (А) - ампер;
Гц (Hz) - герц;
Вт (W) - ватт;
кВт (kW) - киловатт;
Ф (F) - фарада;
мкФ (mF) - микрофарада;
л (l) - литр;
г (g) - грамм;
кг (kg) - килограмм;
бар (bar) - бар;
Па (Ра) - паскаль;
ч (h) - час;
мин (min) - минута;
с (s) - секунда;
п0 - скорость (обороты, колебания и т.п.) на холостом ходу;
.../min или min-1 - число оборотов или возвратно-поступательных (колебательных) движений в минуту;
= или d.с. - постоянный ток;
~ или а.с. - переменный ток;
2~ - двухфазный переменный ток;
2N~ - двухфазный переменный ток с нейтралью;
3~ - трехфазный переменный ток;
3N~ - трехфазный переменный ток с нейтралью;
-
номинальный ток, соответствующий плавкой вставке, в амперах;
-
замедленная миниатюрная плавкая вставка, где X -
условное обозначение амперсекундной характеристики согласно МЭК 60127-3;
-
защитное заземление;
-
машина класса II;
-
символ IP (степени защиты).
Размеры условного обозначения машин класса II должны быть такими, чтобы длина сторон внешнего квадрата равнялась приблизительно двойной длине сторон внутреннего квадрата. Длина сторон внешнего квадрата должна быть не менее 5 мм, кроме случая, когда максимальный размер машины не превышает 15 см: тогда размеры условного обозначения могут быть уменьшены, однако длина сторон внешнего квадрата должна быть не менее 3 мм.
Условное обозначение машин класса II должно быть расположено таким образом, чтобы было ясно, что оно является частью технической информации, и чтобы его нельзя было спутать с какой-либо другой маркировкой.
Если используют другие единицы, то эти единицы и их условные обозначения должны соответствовать принятым в международной системе стандартизации.
Допускается использовать дополнительные условные обозначения помимо принятых в международной системе стандартизации при условии, что они не приведут к неправильному пониманию.
Соответствие требованию проверяют осмотром и измерением.
8.7 Машины, которые должны быть присоединены к более чем двум питающим проводам, должны быть снабжены схемой соединений, закрепленной на машине, если правильный способ присоединения не является очевидным.
Правильный способ присоединения считается очевидным, если зажимы для питающих проводов обозначены стрелками, направленными в сторону зажимов. Заземляющий провод не является питающим проводом. Для машин с соединением «звезда-треугольник» в схеме проводки должен быть указан способ соединения.
Соответствие требованию проверяют осмотром.
8.8 За исключением креплений шнуров типа Z, используют следующие обозначения зажимов:
- зажимы, предназначенные только для нейтрального провода, следует обозначать буквой N;
- зажимы заземления следует обозначать условным знаком
.
Эти обозначения не следует помещать на винтах, съемных шайбах или других частях, которые могут быть сняты при присоединении проводов.
Соответствие требованию проверяют осмотром.
8.9 Выключатели, функционирование которых может вызвать опасность, должны быть маркированы или расположены так, чтобы было ясно, для управления какой частью машины они предназначены, за исключением тех случаев, когда в этом нет явной необходимости.
Обозначения, используемые для этой цели (когда это практически осуществимо), должны быть понятны без знания языка, национальных стандартов и т.д.
Соответствие требованию проверяют осмотром.
8.10 У машин, которые могут создать опасность при неожиданном срабатывании, сетевой выключатель должен иметь обозначение положения «Отключено», если это положение не является очевидным; если это требуется, данное положение должно быть обозначено знаком «О», как это предусмотрено МЭК 60417.
Знак «О» не следует использовать в качестве каких-либо других обозначений.
Положение подвижных контактов сетевого выключателя должно служить обозначением их разных рабочих положений.
Примечание - Знак «О» может быть использован, например, на клавишах устройств числового программного управления.
Соответствие требованию проверяют осмотром.
8.11 На регулирующих устройствах и других аналогичных устройствах, предназначенных для регулирования во время установки, должны быть указаны направления регулировки в целях увеличения или уменьшения значения регулируемой величины. Обозначения знаками «+» и «-» считают достаточными.
Данное требование не распространяется на регулирующие устройства, снабженные средствами регулировки, если положение «Включено» находится с противоположной стороны относительно положения «Отключено».
Если для обозначения разных положений используют цифры, положение «Отключено» должно быть обозначено знаком «О», а другие положения должны быть обозначены цифрами, соответствующими большей выходной мощности, потребляемой мощности, скорости и т.д.
Обозначение разных положений рабочих устройств органов управления допускается не располагать на самом устройстве.
Соответствие требованию проверяют осмотром.
8.12 Инструкция по эксплуатации и инструкция по безопасности должны быть приложены к машине и упакованы таким образом, чтобы их можно было заметить при извлечении машины из упаковки. Инструкции по безопасности могут находиться отдельно от инструкций по применению. Объяснение условных обозначений, предусмотренных настоящим стандартом, должно быть дано в инструкции по эксплуатации или в инструкции по безопасности.
Они должны быть написаны на официальном (официальных) языке (языках) страны, в которой машина продается.
Они должны быть разборчивы и контрастны относительно фона.
Они должны включать наименование и адрес изготовителя или поставщика, или любого другого агента, ответственного за размещение машины на рынке.
8.12.1 Инструкция по безопасности включает предупреждения по безопасности общего характера, относящиеся к электрическим машинам и приведенные в 12.1.1, предупреждения по безопасности, относящиеся к определенным машинам и приведенные в соответствующем стандарте на машины конкретного вида, а также любые дополнительные указания мер безопасности, которые изготовитель считает необходимым включить в данную инструкцию. Указания мер безопасности общего характера, а также относящиеся к определенным видам машин, если они изложены на английском языке, должны быть дословно и эквивалентно изложены на официальном языке страны обращения продукта.
Формат всех указаний мер безопасности должен различаться в зависимости от контекста пунктов за счет использования различных начертаний, как показано ниже.
Примечания к приводимым здесь указаниям по безопасности не должны включаться в текст инструкций, а предназначены лишь для составителей инструкций по безопасности.
8.12.1.1 Общие указания мер безопасности электрических машин
ВНИМАНИЕ!
Прочтите все предупреждения и указания мер безопасности и все инструкции. Невыполнение
предупреждений и инструкций может привести к поражению электрическим током,
пожару и (или) серьезным повреждениям.
Сохраните все предупреждения и инструкции, для того чтобы можно было обращаться к ним в дальнейшем.
Термин «электрическая машина» используется для обозначения вашей машины с электрическим приводом, работающим от сети (снабженного шнуром), или машины с электрическим приводом, работающим от аккумуляторных батарей.
1) Безопасность рабочего места
a) Содержите рабочее место в чистоте и обеспечьте его хорошее освещение. Если рабочее место загромождено или плохо освещено, это может привести к несчастным случаям;
b) не следует эксплуатировать электрические машины во взрывоопасной среде (например, в присутствии воспламеняющихся жидкостей, газов или пыли). Машины с электрическим приводом являются источником искр, которые могут привести к возгоранию пыли или паров;
c) не подпускайте детей и посторонних лиц к электрической машине в процессе ее работы. Отвлечение внимания может привести к потере контроля.
2) Электрическая безопасность
a) Штепсельные вилки электрических машин должны подходить под розетки. Никогда не изменяйте конструкцию штепсельной вилки каким-либо образом. Не используйте каких-либо переходников для машин с заземляющим проводом. Использование неизмененных вилок и соответствующих розеток уменьшит риск поражения электрическим током;
b) не допускайте контакта тела с заземленными поверхностями, такими, как трубы, радиаторы, плиты и холодильники. Существует повышенный риск поражения электрическим током, если ваше тело заземлено;
c) не подвергайте электрическую машину воздействию дождя и не держите ее во влажных условиях. Вода, попадая в электрическую машину, увеличивает риск поражения электрическим током;
d) обращайтесь аккуратно со шнуром. Никогда не используйте шнур для переноса, перетаскивания электрической машины и вытаскивания вилки из розетки. Исключите воздействие на электрическую машину тепла, масла, острых кромок или движущихся частей. Поврежденные или скрученные шнуры увеличивают риск поражения электрическим током;
e) при эксплуатации электрической машины на открытом воздухе пользуйтесь удлинителем, пригодным для использования на открытом воздухе. Применение шнура, предназначенного для использования на открытом воздухе, уменьшает риск поражения электрическим током;
f) если нельзя избежать эксплуатации электрической машины во влажных условиях, используйте источник питания, снабженный устройством защитного отключения (УЗО). Использование УЗО уменьшает риск поражения электрическим током.
Примечание - Термин «устройство защитного отключения (УЗО)» может быть заменен терминами «устройство полного отключения при неисправности цепи заземления» или «устройство отключения при утечке в цепи заземления».
3) Личная безопасность
а) Будьте бдительны, следите за своими действиями и руководствуйтесь здравым смыслом при эксплуатации электрических машин. Не пользуйтесь электрическими машинами, если вы устали, находитесь под действием наркотических средств, алкоголя или лекарственных препаратов. Кратковременная потеря концентрации внимания при эксплуатации электрических машин может привести к серьезным повреждениям;
b) пользуйтесь индивидуальными защитными средствами. Всегда пользуйтесь средствами для защиты глаз. Защитные средства - такие, как маски, предохраняющие от пыли, обувь, предохраняющая от скольжения, каска или средства защиты ушей, используемые в соответствующих условиях, уменьшат опасность получения повреждений;
c) не допускайте случайного включения машин. Обеспечьте, чтобы выключатель находился в положении «Отключено» перед подсоединением к сети и (или) к аккумуляторной батарее и при подъеме и переноске электрической машины. Если при переноске электрической машины палец находится на выключателе или происходит подключение к сети электрической машины, у которой выключатель находится в положении «Включено», это может привести к несчастному случаю;
d) перед включением электрической машины удалите все регулировочные или гаечные ключи. Ключ, оставленный во вращающей части электрической машины, может привести к травмированию оператора;
e) при работе не пытайтесь дотянуться до чего-либо, всегда сохраняйте устойчивое положение. Это позволит обеспечить наилучший контроль над электрической машиной в экстремальных ситуациях;
f) одевайтесь надлежащим образом. Не носите свободной одежды или ювелирных изделий. Не приближайте свои волосы, одежду и перчатки к движущимся частям электрической машины. Свободная одежда, ювелирные изделия и длинные волосы могут попасть в движущиеся части;
g) если предусмотрены средства для подсоединения к оборудованию для отсоса и сбора пыли, обеспечьте их надлежащее присоединение и эксплуатацию. Сбор пыли может уменьшить опасности, связанные с пылью.
4) Эксплуатация и уход за электрической машиной
a) Не перегружайте электрическую машину. Используйте электрическую машину соответствующего назначения для выполнения необходимой вам работы. Лучше и безопаснее выполнять с помощью электрической машины ту работу, на которую она рассчитана;
b) не используйте электрическую машину, если ее выключатель неисправен (не включает или не выключает). Любая электрическая машина, которая не может управляться с помощью выключателя, представляет опасность и подлежит ремонту;
c) отсоедините вилку от источника питания и (или) аккумуляторную батарею от электрической машины перед выполнением каких-либо регулировок, заменой принадлежностей или помещением ее на хранение. Подобные превентивные меры безопасности уменьшают риск случайного включения электрической машины;
d) храните неработающую электрическую машину в месте, недоступном для детей, и не разрешайте лицам, не знакомым с электрической машиной или настоящей инструкцией, пользоваться электрической машиной. Электрические машины представляют опасность в руках неквалифицированных пользователей;
е) обеспечьте техническое обслуживание электрических машин. Проверьте электрическую машину на предмет правильности соединения и закрепления движущихся частей, поломки деталей и иных несоответствий, которые могут повлиять на работу. В случае неисправности отремонтируйте электрическую машину перед использованием. Часто несчастные случаи происходят из-за плохого обслуживания электрической машины;
f) храните режущие инструменты в заточенном и чистом состоянии. Режущие инструменты с острыми кромками, обслуживаемые надлежащим образом, реже заклинивают, ими легче управлять;
g) используйте электрические машины, приспособления, инструмент и пр. в соответствии с настоящей инструкцией с учетом условий и характера выполняемой работы. Использование электрической машины для выполнения операций, на которые она не рассчитана, может создать опасную ситуацию.
5) Обслуживание
а) Ваша электрическая машина должна обслуживаться квалифицированным персоналом, использующим только оригинальные запасные части. Это обеспечит безопасность электрической машины.
8.12.1.2 Порядок изложения указаний мер безопасности должен соответствовать пункту А) или В) и пункту С):
A) После указаний, установленных в настоящем стандарте, должны следовать указания, установленные в соответствующих стандартах на машины конкретных видов.
B) Указания, приведенные в настоящем стандарте и соответствующих стандартах на машины конкретных видов, могут быть распределены по разделам с пронумерованными подзаголовками и связанными с ними предупреждениями под нумерованным подзаголовком. Порядок следования предупреждений в пределах каждого раздела должен оставаться таким, как указано выше и в соответствующем стандарте на машины конкретного вида.
Когда предупреждения представлены указанным образом, заголовок «Общие указания мер безопасности электрических машин» должен быть исключен и первое предложение указаний из пунктов 8.12.1.1 и 8.12.2, если они применимы, должно быть изменено следующим образом:
ВНИМАНИЕ!
Прочтите все указания мер безопасности и предупреждения, обозначенные знаком ![]()
Разделы, содержащие указания мер безопасности, должны быть приведены в соответствующей части руководства по эксплуатации. Заголовки разделов руководства по эксплуатации, содержащих предупреждения, указанные в настоящем стандарте, должны иметь следующий вид:
Общие указания мер
безопасности электрических машин - [Подзаголовок раздела]
Например:
Общие указания мер
безопасности электрических машин - Личная безопасность
Заголовки разделов руководства по эксплуатации, содержащих предупреждения, указанные в стандартах на машины конкретных видов, должны иметь следующий вид:
Указания
мер безопасности для [название вида машин] - [Подзаголовок раздела]
Например:
Указания
мер безопасности для дисковых пил - Правила пользования пилой
Если указания мер безопасности, приведенные в соответствующих стандартах на машины конкретных видов, не содержат нумерованных подзаголовков, тогда все указания, установленные в них, должны быть приведены в указанном порядке, и вышеуказанные правила следует выполнять без указания подзаголовка раздела.
С) Любые дополнительные указания, которые изготовитель считает необходимыми, не должны содержаться среди предупреждений, предусмотренных настоящим стандартом или стандартом на машину конкретного вида. Они могут быть добавлены к разделу (разделам), предусмотренному (предусмотренным) в указанных стандартах согласно их содержанию, либо быть приведены в любой другой части руководства по эксплуатации.
ВНИМАНИЕ! Ознакомьтесь
со всеми указаниями мер безопасности и инструкциями.
Несоблюдение указаний и инструкций может привести к поражению электрическим током, пожару и (или) серьезным повреждениям.
Сохраните все предупреждения и инструкции, чтобы можно было обращаться к ним в дальнейшем.
Руководство по эксплуатации должно содержать приведенную ниже информацию, насколько она применима:
а) Инструкция по подготовке к эксплуатации
1) Установка или закрепление машины в устойчивом положении, предусмотренном для электрических машин, которые могут быть установлены на опоре.
2) Сборка.
3) Подсоединение к источнику питания, укладка кабелей, установка предохранителей, тип розеток и требования к заземлению.
4) Иллюстрированное описание функций.
5) Ограничения для условий окружающей среды.
6) Оглавление.
b) Инструкция по эксплуатации
1) Регулировка и проверка.
2) Замена инструмента.
3) Закрепление обрабатываемого изделия.
4) Предельные размеры обрабатываемого изделия.
5) Общие указания по использованию.
c) Обслуживание и ремонт.
1) Регулярная чистка, уход, заточка инструмента и смазка.
2) Технический сервис изготовителя или агента, список адресов.
3) Перечень деталей, заменяемых пользователем.
4) Специальный инструмент, который может потребоваться.
5) Для электрических машин с креплением шнура типа X: поврежденный шнур питания должен быть заменен специальным шнуром, приобретаемым в сервисной сети.
6) Для электрических машин с креплением шнура типа Y: замена шнура питания должна выполняться изготовителем или агентом в целях предупреждения нарушения безопасности.
7) Для электрических машин с креплением шнура типа Z: шнур питания данной машины не подлежит замене, а сама машина не подлежит дальнейшему использованию.
d) Для электрических машин с использованием жидкостей должна быть указана, насколько это применимо, следующая информация:
1) инструкции по:
- подсоединению к источнику жидкости;
- использованию жидкости и насадок в целях выполнения требований 14.4, с тем чтобы избежать влияния жидкости на работу электрической машины;
- осмотру шлангов и других критических деталей, которые могут быть повреждены;
- максимально допустимому давлению источника жидкости;
2) для электрических машин с УЗО:
- предупреждение и указание никогда не использовать электрическую машину без УЗО, поставляемого с машиной;
- предупреждение и указание всегда начинать работу с проверки правильного функционирования УЗО, если оно не имеет функции самоконтроля;
3) для машин, предназначенных для работы с изолирующим трансформатором: предупреждение и указание никогда не использовать машину без трансформатора, поставляемого вместе с машиной, либо без трансформатора, тип которого указан в инструкции;
4) предупреждение и указание о том, что замену вилки или шнура питания должны выполнять только изготовитель электрической машины или уполномоченная сервисная организация;
5) предупреждение и указание о необходимости исключить контакт жидкости с деталями машины и людьми, находящимися в рабочей зоне.
8.13 Маркировка, установленная настоящим стандартом, должна быть разборчивой и прочной. Знаки должны контрастировать сточки зрения цвета, текстуры или рельефа с фоном, с тем чтобы информация или инструкции, передаваемые этими знаками, были разборчивы при изучении их невооруженным глазом на расстоянии не менее 500 мм. Нет необходимости в том, чтобы знаки были голубого цвета, как требует стандарт ИСО 3864-2.
Проверку требования проводят осмотром и ручной протиркой маркировки в течение 15 с куском ткани, смоченной в воде, и затем в течение 15 с - куском ткани, смоченной уайт-спиритом.
После всех испытаний по настоящему стандарту маркировка должна быть легкоразличимой; таблички с маркировкой не должны быть легкоудаляемыми и не должны деформироваться.
При оценке долговечности маркировки учитывают условия нормальной эксплуатации. Так, например, маркировка, нанесенная краской или эмалью (за исключением стекловидной эмали) на корпусах, которые с большой вероятностью будут часто подвергаться чистке, не считается долговечной.
Уайт-спирит, используемый при испытании, представляет собой алифатический раствор гексана; максимальное содержание ароматических соединений - 0,1 % по объему, значение каурибутанола равно 29; начальная точка кипения - около 65 °С, точка испарения - около 69 °С; удельная масса - около 0,689 кг/л.
8.14 Маркировки, указанные в 8.1 - 8.5, должны быть расположены на основной части машины. Маркировки, указанные в 8.1 - 8.3 и 8.5, должны быть приведены совместно.
Маркировка на машине должна быть легко различимой снаружи, а при необходимости - и после снятия крышки. Конструкция крышки должна позволять снимать или открывать эту крышку без помощи инструмента.
Указания для выключателей и устройств управления должны быть расположены на или около этих частей; их нельзя помещать на частях, которые могут быть перемещены или расположены таким образом, что маркировка введет в заблуждение пользователя.
Соответствие требованию проверяют осмотром.
8.15 Если соответствие требованиям настоящего стандарта зависит от функционирования заменяемого термоэлемента или плавкой вставки, то их каталожный номер или иной вид идентификации должен быть маркирован на этом элементе или в таком месте, где он четко виден после разборки машины до уровня, необходимого для замены элемента.
Данное требование не распространяется на элементы, которые можно заменить только вместе с частью машины.
Соответствие требованию проверяют осмотром.
Конструкция машины и ее внешние оболочки должны обеспечивать соответствующую защиту от случайного контакта с токоведущими частями.
Соответствие требованию проверяют осмотром и испытаниями по 9.2 - 9.4 в зависимости от того, что применимо.
9.1 Доступную часть не считают токоведущей, если:
- часть питается безопасным сверхнизким напряжением при условии, что:
- для переменного тока пиковое напряжение не превышает 42 В;
- для постоянного тока напряжение не превышает 42 В или
- часть отделена от токоведущих частей защитным импедансом.
При наличии защитного импеданса ток между этой частью и источником питания не должен превышать 2 мА для постоянного тока и пиковое значение не должно превышать 0,7 мА для переменного тока и, кроме того:
- для напряжений с пиковым значением свыше 42 до 450 В включительно электрическая емкость не должна превышать 0,1 мкФ;
- для напряжений с пиковым значением свыше 450 В до 15 кВ включительно электрический разряд не должен превышать 45 мкКл.
Соответствие требованию проверяют при работе машин при номинальном напряжении. Напряжения и токи измеряют между соответствующими частями и каждым полюсом источника питания. Значения величин, характеризующих разряд, измеряют непосредственно после прекращения подачи питания.
9.2 Требование 9.1 распространяется на все положения машин, работающих как в условиях нормальной эксплуатации даже после удаления съемных частей.
Лампы, размещенные за съемной крышкой, не снимают, если машины могут быть изолированы от источника питания с помощью штепсельной вилки или выключателя всех полюсов. Однако должна быть обеспечена защита от прикосновения к токопроводящим частям цоколя лампы при установке или удалении лампы, размещенной за съемной крышкой.
Это требование исключает использование предохранителей с плавкими винтами и миниатюрных прерывателей винтового типа, доступных без применения инструмента.
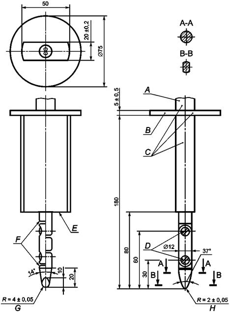
Стандартный испытательный палец, изображенный на рисунке 1, прикладывают без заметного усилия во всех возможных положениях машин.
Через отверстия испытательный палец вводят на возможную глубину и вращают или изгибают до, во время и после вставления в любом положении.
Если палец не входит в отверстие, усилие, прикладываемое к пальцу в несогнутом положении, увеличивают до 20 Н и повторяют испытание пальцем в изогнутом положении.
Не допускается возможность прикасания испытательным пальцем к токоведущим частям или к токоведущим частям, защищенным только лаком, эмалью, обычной бумагой, хлопчатобумажной тканью, окисной пленкой, изоляционными бусами или заливочной массой. Считается, что лак, эмаль, обычная бумага, хлопчатобумажная ткань, окисная пленка на металлических частях, изоляционные бусы и заливочная масса, за исключением самоотвердевающих смол, не обеспечивают требуемую защиту от прикосновения к токоведущим частям.
9.3 Отверстия в машинах класса II или конструкциях класса II, за исключением отверстий, открывающих доступ к цоколям ламп или к частям в приборных розетках, находящимся под напряжением, у машин класса I проверяют испытательным стержнем (рисунок 2), который прикладывают без заметного усилия. Не допускается возможность прикасания испытательного стержня к токоведущим частям.
9.4 Кроме того, машины класса II и конструкции класса II должны быть сконструированы и закрыты таким образом, чтобы была обеспечена соответствующая защита от случайного контакта с основной изоляцией и с металлическими частями, отделенными от токоведущих частей только основной изоляцией.
Части, которые не отделены от токоведущих частей двойной изоляцией или усиленной изоляцией, не должны быть доступными.
Соответствие требованию проверяют осмотром и стандартным испытательным пальцем, приведенным на рисунке 1.
Данное требование распространяется на все положения машин, работающих, как в условиях нормальной эксплуатации, даже после удаления съемных крышек.
Соответствие требованию проверяют, включая машины на холостом ходу 10 раз на напряжение, равное 0,85 номинального напряжения, при этом регулирующие устройства (при их наличии) устанавливают, как при нормальной эксплуатации.
Во всех случаях работа машины должна быть безопасной и нормальной.
Машины с центробежными или другими автоматическими пусковыми выключателями включают дополнительно 10 раз на напряжение, равное 1,1 номинального напряжения. Интервалы между последовательными пусками должны быть достаточными для предотвращения недопустимого перегрева.
Во всех случаях работа машин должна быть безопасной и нормальной.
10.3 Устройства защиты от перегрузки не должны срабатывать в условиях нормального пуска. Соответствие данному требованию проверяют испытаниями по 10.1 и 10.2.
Номинальная потребляемая мощность или номинальный ток должны быть равны минимум 110 % номинальной мощности или тока, измеренных на холостом ходу.
Для машин, на которых указан один или более диапазонов номинальных напряжений, испытание проводят как при верхнем, так и при нижнем значении диапазона. Если же маркированная номинальная потребляемая мощность соответствует среднему значению соответствующего диапазона, то испытания проводят при напряжении, равном среднему значению этого диапазона.
Соответствие требованию проверяют измерением мощности и тока, потребляемых машиной, после их стабилизации, при этом все цепи, которые могут работать одновременно, включены.
12.1 Машины не должны чрезмерно нагреваться при нормальной эксплуатации.
Соответствие требованию проверяют путем определения превышения температуры различных частей машины в условиях, указанных в 12.2 - 12.5, после чего сразу же проводят испытание по разделу 13, при этом машина находится во включенном положении и соблюдаются следующие условия.
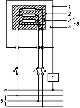
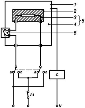
У машин с однофазным питанием и машин с трехфазным питанием, которые могут использоваться при однофазном источнике питания, выключатель S1 на рисунке 3 находится в положении «Включено», а три секции машин с трехфазным питанием соединены параллельно.
У машин с трехфазным питанием, которые не могут использоваться при однофазном источнике питания:
- выключатели а, b и с на рисунке 4 находятся в положении «Включено» и повторно, когда каждый из выключателей а, b и с поочередно находится в положении «Отключено», при этом другие два выключателя находятся в положении «Включено»;
- нагревательные элементы подвергают повторным измерениям, при этом каждый из выключателей а, b и с находится поочередно в положении «Отключено», в то время как другие два выключателя находятся в положении «Включено».
12.2 Машина работает в помещении, свободном от посторонних источников движущихся потоков воздуха при нормальной нагрузке. Поддерживая тормозной момент постоянным, напряжение устанавливают на 0,94 или 1,06 номинального напряжения или среднего значения диапазона номинальных напряжений в зависимости от того, какое условие является наиболее неблагоприятным.
Нагревательные элементы, если они имеются, должны работать в условиях, указанных в МЭК 60335-1, когда машина работает при напряжении, равном 1,06 номинального напряжения.
12.3 Превышения температуры помимо обмоток измеряют тонкопроволочными термопарами, которые выбраны и расположены таким образом, чтобы они оказывали минимальное воздействие на температуру испытуемой детали.
Превышение температуры электрической изоляции (кроме изоляции обмоток) определяют на поверхности изоляции в местах, где повреждение может привести к короткому замыканию, контакту между частями под напряжением и доступными металлическими частями, образованию токопроводящих мостиков или уменьшению путей утечки по сравнению со значениями, указанными в 28.1.
Превышение температуры обмоток определяют методом сопротивления, за исключением случаев, когда обмотки неоднородны или затруднительно выполнить соединения, требуемые для измерения сопротивления. В этом случае измерение проводят с помощью термопар. Указанные превышения температуры измеряют с помощью тонкопроволочных термопар, которые выбраны и расположены таким образом, чтобы они оказывали минимальное воздействие на температуру испытуемой детали.
При определении превышения температуры рукояток, кнопок, ручек и т.п. необходимо учитывать все детали, к которым при нормальной эксплуатации прикасаются руками, а если они изготовлены из изоляционных материалов, то и к тем частям, которые соприкасаются с горячим металлом.
Примечание 1 - Если для установки термопар необходимо демонтировать машину, снова измеряют потребляемую мощность в целях проверки правильности повторной сборки.
Примечание 2 - Точка разделения жил у многожильного шнура является примером места установки термопар.
- в течение номинального периода времени - для машин с кратковременным режимом работы;
- при последовательном чередовании циклов работы до достижения установившегося режима работы - для машин с повторно-кратковременным режимом работы, причем периоды включения и отключения являются номинальными;
- до достижения установившегося режима - для машин с продолжительным режимом работы.
12.5 Во время данного испытания защитные устройства не должны срабатывать. Превышения температуры не должны быть больше величин, приведенных в таблице 1, за исключением случаев, допускаемых в соответствии с 12.6.
Заливочная масса не должна вытекать.
Таблица 1 - Максимальное нормальное превышение температуры
|
Превышение температуры |
|
|
Обмоткиa), если их изоляция выполнена в соответствии с МЭК 60085 из материала: |
|
|
- класса 105 |
75 (65) |
|
- класса 120 |
90 (80) |
|
- класса 130 |
95 (85) |
|
- класса 155 |
115 |
|
- класса 180 |
140 |
|
- класса 200 |
160 |
|
- класса 220 |
180 |
|
- класса 250 |
210 |
|
Штыри приборных выводов: |
|
|
- для горячих условий |
95 |
|
- для холодных условий |
40 |
|
Окружающая среда выключателей, термоограничителейb): |
|
|
- без маркировки Т |
30 |
|
- с маркировкой Т |
Т-25 |
|
Резиновая или поливинилхлоридная изоляция внутренних и внешних проводов, включая шнуры питания: |
|
|
- без маркировки Тс) |
50 |
|
- с маркировкой Т |
Т-25 |
|
Оболочка шнуров, используемая в качестве дополнительной изоляции |
35 |
|
Резина, кроме синтетической, применяемая для сальников или других частей, повреждение которых может повлиять на безопасность: |
|
|
- применяемая в качестве дополнительной или усиленной изоляции |
40 |
|
- в других случаях |
50 |
|
Патроны серий Е14 и В15: |
|
|
- металлические или керамические |
130 |
|
- из некерамического изоляционного материала |
90 |
|
- с маркировкой Т |
Т-25 |
|
Материал, используемый в качестве изоляции, кроме изоляции проводов и обмотокd): |
|
|
- пропитанная или лакированная ткань, бумага или прессованный картон |
70 |
|
- слоистые материалы, пропитанные: |
|
|
- меламинформальдегидной, фенолформальдегидной или фенолфурольной смолой |
85 (175) |
|
- карбамидформальдегидной смолой |
65 (150) |
|
- печатные платы, пропитанные эпоксидной смолой |
120 |
|
- прессованные материалы из: |
|
|
- фенолформальдегида с наполнителем из целлюлозы |
85 (175) |
|
- фенолформальдегида с минеральным наполнителем |
100 (200) |
|
- меламинформальдегида |
75 (175) |
|
- карбамидформальдегида |
65 (150) |
|
- полиэстер, армированный стекловолокном |
110 |
|
- силиконовый каучук |
145 |
|
- политетрафлуороэтилен |
265 |
|
- чистая слюда и плотноспекаемый керамический материал, если они используются как дополнительная или усиленная изоляция |
400 |
|
- термопластические материалые) |
- |
|
Древесинаf) |
65 |
|
Внешние поверхности конденсаторовg): |
|
|
- с маркировкой максимальной рабочей температуры Т |
Т-25 |
|
- без маркировки максимальной рабочей температуры: |
|
|
- малогабаритные керамические конденсаторы для подавления радио- и телепомех |
50 |
|
- конденсаторы, соответствующие требованиям МЭК 60384-14 или МЭК 60065 (пункт 14.2) |
50 |
|
- другие конденсаторыg) |
20 |
|
Внешний кожух машин без нагревательных элементов, за исключением ручек, которые при нормальной эксплуатации держат в руке |
60 |
|
Рукоятки, кнопки, ручки и т.п., которые при нормальной эксплуатации постоянно держат в руке: |
|
|
- из металла |
30 |
|
- из фарфора или стекловидного материала |
40 |
|
- из прессованного материала, резины или древесины |
50 |
|
Рукоятки, кнопки, ручки и т.п., которые при нормальной эксплуатации держат в руке только кратковременно (например, выключатели): |
|
|
- из металла |
35 |
|
- из фарфора или стекловидного материала |
45 |
|
- из прессованного материала, резины или древесины |
60 |
|
Части, соприкасающиеся с маслом, температура воспламенения которого t °C |
t - 50 |
|
a) Учитывая, что средняя температура обмоток универсальных двигателей, реле, соленоидов и т.п. обычно выше температур в точках обмоток, где расположены термопары, значения превышения температур, указанные без скобок, применимы, когда используется метод сопротивления, а значения, приведенные в скобках, - при использовании термопар. Для обмоток катушек вибраторов и двигателей переменного тока в обоих случаях применимы значения превышения температуры, приведенные без скобок. Для двигателей, сконструированных таким образом, что отсутствует циркуляция воздуха между внутренним и внешним пространством двигателя, но не закрытых до такой степени, чтобы их можно было считать герметичными, предельные превышения температур можно увеличить на 5 К. b) «T» означает максимальную рабочую температуру. Под температурой окружающей среды у выключателей, терморегуляторов и ограничителей температуры понимают температуру воздуха в наиболее нагретой точке на расстоянии 5 мм от поверхности рассматриваемого выключателя и соответствующего комплектующего изделия. Для этого испытания выключатели и терморегуляторы, имеющие индивидуальную маркировку номинальных данных, допускается считать не имеющими маркировку максимальной рабочей температуры, если на это имеется указание изготовителя машины. c) Этот предел применим к кабелям, шнурам и проводам, отвечающим требованиям соответствующих стандартов МЭК; в других случаях он может быть иным. d) Значения в скобках действительны для материалов, используемых для ручек, кнопок, рукояток и т.п., находящихся в контакте с горячим металлом. e) Не установлен специальный предел для термопластических материалов, которые должны выдерживать испытания по 29.1, и в этом случае должно быть определено превышение температуры. f) Указанный предел касается повреждения древесины и не учитывает повреждения ее покрытия. g) Не нормируется предельное превышение температуры для конденсаторов, которые замыкают накоротко при испытаниях по 18.10. В случае применения указанных или других материалов они не должны подвергаться воздействию температур, превышающих их нагревостойкость, определенную испытанием на старение, проведенным на этих материалах. Значение превышения температуры обмотки Dt рассчитывают по формуле
где Dt - превышение температуры; R1 - сопротивление обмотки в начале испытания; R2 - сопротивление обмотки в конце испытания; k = 234,5 для медной обмотки и k = 225 для алюминиевой обмотки; t1 - температура окружающей среды в начале испытания; t2 - температура окружающей среды в конце испытания. В начале испытания обмотки должны иметь температуру окружающей среды. Рекомендуется измерить сопротивление обмотки в конце испытания как можно скорее после отключения машины, а затем через короткие интервалы времени для того, чтобы построить кривую зависимости сопротивления от времени для определения сопротивления на момент отключения. |
|
12.6 Если обмотки классифицируют в соответствии с МЭК 60085 и превышение температуры не более значения, указанного в таблице 1, то нет необходимости проводить приведенное ниже испытание.
Три дополнительных образца подвергают следующим испытаниям.
a) Образцы разбирают, насколько это возможно, не повреждая каких-либо частей. Обмотки выдерживают в течение 10 сут (240 ч) в камере тепла, температура которой на (80 ± 1) °С выше превышения температуры у обмоток, определенного в соответствии с 12.3;
b) образцы снова собирают и проверяют на отсутствие межвитковых коротких замыканий. Эти замыкания могут быть обнаружены прибором для испытания обмоток;
c) затем образцы подвергают воздействию влаги по 14.3;
d) после данного испытания образцы должны выдержать испытания по разделам 13 и 15.
Неисправности, которые могут появиться в изоляции, не имеющей чрезмерного превышения температуры при испытании по 12.3, не учитывают и в случае необходимости устраняют в целях завершения испытания по настоящему разделу.
13.1 Ток утечки не должен быть чрезмерно большим.
Соответствие требованию проверяют указанным ниже испытанием при напряжении питания, равном 1,06 номинального напряжения.
Ток утечки измеряют на переменном токе, за исключением случая, когда машина предназначена только для постоянного тока. В последнем случае испытание не проводят.
Перед проведением испытаний защитный импеданс отсоединяют от токопроводящих частей.
Рекомендуется подавать питание на машину через изолирующий трансформатор, в противном случае машина должна быть изолирована от земли.
13.2 Ток утечки измеряют с помощью цепи, приведенной на рисунке 10, между любым полюсом источника питания и доступными металлическими частями, соединенными с металлической фольгой площадью не более 20´10 см, контактирующей с доступными поверхностями изоляционного материала, соединенными между собой.
Металлическая фольга должна занимать по возможности наибольшую площадь на испытуемой поверхности без превышения установленных размеров. Если площадь металлической фольги меньше, чем испытуемая поверхность, то фольгу перемещают так, чтобы испытать все части поверхности. Металлическая фольга не должна влиять на теплорассеяние машины.
Машины с трехфазным питанием, которые могут работать также с однофазным источником питания, испытывают как машины с однофазным питанием с тремя соединенными параллельно секциями. У машин с однофазным питанием и машин с трехфазным питанием, которые необходимо испытывать как машины с однофазным питанием, ток утечки измеряют с помощью селективного переключателя, указанного на рисунке 3, в каждом из положений a u b u выключателя S1 в положении «Включено».
У машин с трехфазным питанием, которые не могут быть использованы с однофазным источником питания, ток утечки измеряют в соответствии с рисунком 4 с помощью выключателей а, b и с, установленных в положение «Включено». Для машин, подключаемых только соединением «звезда», нейтральный провод не подключают.
Ток утечки измеряют в течение 5 с после подачи испытательного напряжения, и он не должен превышать следующих величин [к доступным металлическим частям и (или) металлической фольге]:
- 0,75 мА - для машин класса I;
- 0,25 мА - для машин класса II;
- 0,5 мА - для машин класса III.
Если машина включает один конденсатор или более и имеет однополюсный выключатель, измерения проводят повторно, при этом выключатель находится в положении «Отключено».
14.1 Кожух машины должен обеспечивать степень защиты от влаги в соответствии с классификацией машины.
Соответствие требованию проверяют с помощью испытания согласно 14.1.2 с соблюдением условий, указанных в 14.1.1.
14.1.1 Машину не подсоединяют к источнику питания.
В процессе данного испытания машины непрерывно разворачивают во всех наиболее неблагоприятных положениях.
Машины с креплением шнура типа X оснащают самым легким из числа допустимых гибким шнуром с наименьшей площадью поперечного сечения в соответствии с 25.2; другие испытывают в состоянии поставки.
Электрические компоненты, крышки и другие части, которые могут быть удалены без применения инструмента, удаляют и подвергают при необходимости данному испытанию вместе с основной частью.
14.1.2 Приборы, кроме исполнения IP X0, подвергают указанным ниже испытаниям в соответствии с пунктами МЭК 60529:
- IP Х1 - по 14.2.1;
- IP Х2 - по 14.2.2;
- IP Х3 - по 14.2.3;
- IP Х4 - по 14.2.4;
- IP Х5 - по 14.2.5;
- IP Х6 - по 14.2.6;
- IP Х7 - по 14.2.7.
При последнем испытании машины погружают в воду, содержащую 1,0 %-ный раствор NaCl.
Непосредственно после такой обработки машина должна выдержать испытание на электрическую прочность изоляции по разделу 15, и осмотр должен показать отсутствие следов воды на изоляции, что может повлечь за собой уменьшение путей утечки и воздушных зазоров ниже значений, указанных в 28.1.
Машины, у которых при нормальной эксплуатации не происходит перелива жидкости, следует выдерживать 24 ч в нормальной атмосфере помещения, в котором проводят испытания, перед проведением испытания по 14.3.
14.2 Машины, у которых при нормальной эксплуатации возможен перелив жидкости, должны быть сконструированы таким образом, чтобы это не оказывало влияния на электрическую прочность их изоляции.
Соответствие требованию проверяют следующим испытанием.
Машины, оснащенные приборным вводом, снабжают соответствующим соединителем и гибким шнуром, машины с креплением шнура типа Х - гибким шнуром, самым легким из числа допустимых, с наименьшей площадью поперечного сечения по 25.2; другие машины испытывают в состоянии поставки.
Электрические компоненты, крышки и другие части, которые могут быть удалены без применения инструмента, удаляют, за исключением тех деталей, которые отвечают требованиям 21.22.
Сосуд для жидкости, сочлененный с машиной, наполняют полностью водой, содержащей примерно 1 %-ный раствор NaCl, а затем доливают постепенно в течение 1 мин, дополнительным количеством воды, равным 15 % вместимости сосуда или 0,25 л в зависимости от того что больше.
Непосредственно после этого машина должна выдержать испытание на электрическую прочность изоляции в соответствии с разделом 15, и осмотр должен показать отсутствие следов воды на изоляции, что может повлечь за собой уменьшение путей утечки и воздушных зазоров ниже значений, указанных в 28.1.
Машины выдерживают в течение 24 ч в нормальной атмосфере помещения, в котором проводят испытания, перед проведением испытания по 14.3.
Соответствие требованию проверяют проведением следующего испытания на влажность.
Вводы кабелей, если они имеются, оставляют открытыми; если есть заглушённые отверстия, то одно из них открывают.
Электрические компоненты, крышки и другие части, которые могут быть удалены с помощью инструмента, удаляют и при необходимости подвергают влажной обработке вместе с основной частью.
Испытание проводят в камере влажности, содержащей воздух с относительной влажностью (93 ± 2) %, которая может быть достигнута путем помещения в камеру влажности насыщенного раствора сернокислого натрия Na2SO4 или азотнокислого калия KNO3 в воде, имеющего достаточно большую поверхность контакта с воздухом. Температуру воздуха во всех местах возможного расположения образцов поддерживают с точностью 1 °С от любого удобного значения t, находящегося в пределах между 20 °С и 30 °С. Для того чтобы создать указанные условия в камере влажности, необходимо обеспечить в ней постоянную циркуляцию воздуха (например, применить камеру с тепловой изоляцией).
Перед помещением образца в камеру влажности его приводят в состояние, при котором его температура будет в пределах от t до (t + 4) °С. Считается, что образец должен быть приведен к установленному значению температуры путем выдерживания его при этой температуре в течение минимум 4 ч перед влажной обработкой.
Машину выдерживают в камере влажности в течение 48 ч.
Сразу же после этого испытания машина должна выдержать испытания по разделу 13 при номинальном напряжении или при среднем значении диапазона номинальных напряжений, при этом выключатель машины должен быть в положении «Включено» и должны быть соблюдены следующие условия.
У машин с однофазным питанием и с трехфазным питанием, которые должны испытываться как машины с однофазным питанием, выключатель S1 на рисунке 3 должен быть в положении «Отключено».
У машин с трехфазным питанием, которые не могут использоваться с однофазным источником питания, выключатель а на рисунке 4 должен быть в положении «Включено», а выключатели b и с - в положении «Отключено».
В этом случае машина должна выдержать испытание по разделу 15 в камере влажности или в помещении, в котором машина была приведена к установленной температуре после повторной сборки тех частей, которые могли быть удалены.
Соответствие требованию проверяют путем проведения следующего испытания.
Устройство защитного отключения (при его наличии) должно быть отключено при данном испытании.
Машину включают при номинальном напряжении с использованием приблизительно 1 %-ного раствора NaCl при следующих режимах, если они применимы:
- сосуд для жидкости полностью заполняют водой, а затем доливают количеством воды, равным 15 % вместимости сосуда или 0,25 л в зависимости от того, что больше;
- удаление пользователем прокладки или другой съемной части;
- неправильная сборка соединений у сосуда для жидкости, осуществляемая обычно пользователем.
При каждом режиме машину включают на 1 мин во всех положениях согласно требованиям соответствующего стандарта на машины конкретного вида и инструкциям изготовителя, контролируя ток утечки в соответствии с разделом 13 настоящего стандарта. В процессе испытания ток утечки не должен превышать:
- 2 мА для класса II;
- 5 мА для класса I.
После данного испытания машина должна отвечать требованиям испытания по 13.1 после сушки в течение 24 ч при температуре окружающей среды.
Соответствие требованиям проверяют путем проведения следующего испытания.
Систему, использующую жидкость, закрывают и в течение 1 ч подают примерно 1 %-ный раствор NaCl при гидростатическом давлении, в два раза превышающем давление, указанное в 1) перечисления d) 8.12.2. Ток утечки у доступных частей измеряют в соответствии с разделом 13. Во время испытания ток утечки не должен превышать:
- 2 мА для класса II;
- 5 мА для класса I.
После данного испытания машина должна отвечать требованиям испытания по 13.1 после сушки в течение 24 ч при температуре окружающей среды.
Устройство защитного отключения (при его наличии) должно быть отключено при данном испытании.
a) Устройство защитного отключения должно отключить оба сетевых проводника, но не проводник заземления (при его наличии), если ток утечки превышает 10 мА, а максимальная скорость срабатывания равна 300 мс.
Соответствие требованию проверяют осмотром и проведением испытания по МЭК 61540 (пункт 9.9.2). Кроме того, во время данного испытания проводник заземления не должен отсоединяться;
b) устройство защитного отключения должно быть надежным и правильно функционировать в процессе выполнения возложенных на него функций.
Соответствие проверяют при номинальном напряжении путем использования устройства защитного отключения в условиях имитации утечки в соответствии с приведенным выше перечислением а) при заблокированном роторе машины в течение 50 циклов. Устройство защитного отключения должно правильно функционировать в течение всех циклов;
c) устройство защитного отключения должно быть установлено таким образом, чтобы было маловероятным его удаление в процессе эксплуатации и обычного технического обслуживания.
Данное требование считают выполненным, если устройство защитного отключения закреплено на машине или на шнуре питания, соединенном с машиной.
Если устройство защитного отключения закреплено на шнуре питания, оно должно предусматривать крепление типа Y или Z в целях соединения его со шнуром питания и шнуром для соединения с машиной.
Соответствие требованию проверяют осмотром.
15.1 Электрическая прочность должна быть достаточной.
Соответствие требованию проверяют путем проведения испытаний по 15.2. Защитный импеданс отсоединяют от токоведущих частей перед проведением испытаний. Испытания проводят при комнатной температуре на машине, не подключенной к сети питания.
15.2 К изоляции прикладывают в течение 1 мин напряжение практически синусоидальной формы частотой 50 или 60 Гц. Значение испытательного напряжения и точки его приложения указаны в таблице 2, если не оговорено иное.
Доступные части из изоляционного материала покрывают металлической фольгой.
Таблица 2 - Испытательные напряжения
|
Испытательное напряжение, В |
|||
|
Машины и конструкции класса III |
Машины и конструкции класса II |
Другие машины |
|
|
1 Между токоведущими частями и доступными частями, которые отделены от токоведущих частей: |
|||
|
- только основной изоляцией |
500 |
1250 |
|
|
- усиленной изоляцией |
- |
3750 |
3750 |
|
2 Для частей с двойной изоляцией между металлическими частями, отделенными от токоведущих частей только основной изоляцией, и: |
|||
|
- токоведущими частями |
- |
1250 |
1250 |
|
- доступными частями |
- |
2500 |
2500 |
|
3 Между металлическими кожухами или крышками, покрытыми изоляционным материалом и металлической фольгой, соприкасающейся с внутренней стороной изоляционного покрытия, если расстояние между токоведущими частями и этими металлическими кожухами или крышками, измеренное через покрытие, меньше требуемого воздушного зазора, указанного в 28.1 |
- |
2500 |
1250 |
|
4 Между металлической фольгой, соприкасающейся с ручками, кнопками, рукоятками и т.п. и их осями, если эти оси могут оказаться под напряжением в случае повреждения изоляции |
- |
2500 |
2500 |
|
5 Между доступными частями и металлической фольгой, обернутой вокруг внутреннего диаметра входной втулки шнура |
- |
2500 |
1250 |
|
6 Между точкой соединения обмотки и конденсатора, если между этой точкой и любым из зажимов для внешних проводов возникает резонансное напряжение U, и: |
|||
|
- доступными частямиa) |
- |
- |
2U + 1000 |
|
- металлическими частями, отделенными от токоведущих частей только основной изоляцией |
- |
2U + 1000 |
- |
|
а) Испытание между точкой соединения обмотки и конденсатора и доступными частями или металлическими частями проводят только там, где на изоляцию в нормальных условиях эксплуатации воздействует резонансное напряжение. Другие части отсоединяют, а конденсатор замыкают накоротко. |
|||
Первоначально прикладывают не более половины установленного напряжения, которое затем быстро повышают до полного значения.
Во время испытания не должно быть пробоя.
Трансформатор высокого напряжения, применяемый при испытании, должен быть таким, чтобы при закороченных выходных зажимах после регулировки выходного напряжения до достижения соответствующего испытательного напряжения выходной ток составлял не менее 200 мА.
Реле максимального тока, включенное в цепь, не должно срабатывать от выходного тока менее 100 мА.
Следует обеспечить, чтобы среднеквадратическое значение испытательного напряжения измерялось с точностью ±3 %.
Необходимо обеспечить такое расположение металлической фольги, чтобы на ее краях или на краях изоляции не происходило перекрытия.
Для конструкции класса II, имеющей усиленную и двойную изоляцию, необходимо следить за тем, чтобы напряжение, подводимое к усиленной изоляции, не перегружало основную или дополнительную изоляцию.
В тех случаях, когда основная и дополнительная изоляции не могут быть испытаны раздельно, изоляцию подвергают испытанию напряжением, указанным для усиленной изоляции.
При испытании изоляционных покрытий металлическая фольга может быть прижата к изоляции мешочком с песком такого размера, чтобы давление составляло 5 кПа (0,5 Н/см2). Испытание может быть ограничено только теми местами, где предполагается слабая изоляция, например там, где под изоляцией находятся острые металлические кромки.
Если это возможно, изоляционные прокладки испытывают отдельно.
У машин со встроенными нагревательными элементами испытательные напряжения, указанные в МЭК 60335-1, подают только на нагревательные элементы, а не на другие части машины.
Машины, которые содержат цепи, питающиеся от трансформатора, должны быть сконструированы так, чтобы в случае короткого замыкания цепей, которое может возникнуть при нормальной эксплуатации, не происходил чрезмерный нагрев трансформатора или связанных с ним цепей.
Примерами коротких замыканий, которые могут произойти при нормальной эксплуатации, являются короткие замыкания оголенных или недостаточно изолированных проводов доступных цепей с безопасным сверхнизким напряжением и короткие замыкания внутри нитей накаливания ламп.
С точки зрения данного требования считается маловероятным, что в процессе нормальной эксплуатации может произойти пробой изоляции, соответствующей требованиям, установленным для основной изоляции конструкций классов I и II.
Соответствие требованиям проверяют путем создания самого неблагоприятного короткого замыкания или перегрузки, которые возможны при нормальной эксплуатации, при этом машина должна работать при напряжении, равном 1,06 или 0,94 номинального напряжения, в зависимости от того, какое из них является более неблагоприятным.
Следует определить превышение температуры изоляции проводов цепей безопасного сверхнизкого напряжения, и оно не должно быть более чем на 15 °С выше значений, указанных в таблице 1.
Температура обмоток трансформатора не должна превышать значений, указанных для обмоток в 18.9, за исключением трансформаторов, отвечающих требованиям МЭК 61558-1.
Примечание - Защита обмоток трансформатора может быть, например, обеспечена полным собственным сопротивлением обмоток или с помощью плавких предохранителей, автоматических выключателей, автоматических термических предохранителей или подобных устройств, встроенных в трансформатор или расположенных внутри машины и доступных только с помощью инструмента.
17.1 Машины должны быть сконструированы таким образом, чтобы при длительной эксплуатации в нормальных условиях не возникали электрические или механические неисправности, нарушающие их соответствие требованиям настоящего стандарта. Изоляция не должна иметь повреждений, а контакты и соединения не должны ослабляться вследствие нагревания, вибрации и т.д.
Кроме того, устройства защиты от перегрузок не должны срабатывать при нормальных условиях эксплуатации.
Соответствие требованию проверяют испытанием по 17.2, а для машин, снабженных центробежным или другим автоматическим пусковым выключателем, - также испытанием по 17.3.
Непосредственно после этих испытаний машина должна выдержать испытание на электрическую прочность изоляции по разделу 15, но при испытательных напряжениях, сниженных до 75 % указанных в разделе 15 величин.
Допускается включение и отключение машины проводить другим выключателем, отличным от встроенного в машину.
Каждый рабочий цикл состоит из периода положения «Включено» в течение 100 с и периода положения «Отключено» в течение 20 с, при этом периоды положения «Отключено» входят в предписанное время работы.
Рабочий период для машин с кратковременным или повторно-кратковременным режимом работы должен быть равен продолжительности работы, ограниченной конструкцией машины; в противном случае он должен соответствовать значениям, приведенным в стандарте на машины конкретного вида или маркировке машин, в зависимости от того, что является более неблагоприятным условием.
Во время испытания машину ставят в три различные положения. Время функционирования при каждом испытательном напряжении равно приблизительно 8 ч для каждого положения.
Во время данного испытания допускается замена щеток и смазка, которую производят также, как и в условиях нормальной эксплуатации.
Если превышение температуры любой части машины больше превышения температуры, измеренного во время испытания по 12.1, то предусматривают принудительное охлаждение или периоды отключения, которые не включают в указанное время работы.
Во время этих испытаний защитные устройства от перегрузок не должны срабатывать.
Примечание - Изменение положения необходимо для предотвращения ненормального накопления угольной пыли в любой определенной части машины. Примерами трех положений, в которые устанавливают машину, являются горизонтальное, вертикальное с направлением вверх и вертикальное с направлением вниз.
17.3 Машины с центробежным или другим автоматическим пусковым выключателем запускают 10000 раз при нормальной нагрузке и напряжении, равном 0,9 номинального напряжения, при этом рабочий цикл должен соответствовать указанному в 17.2.
В целях обеспечения необходимой защиты можно использовать плавкие предохранители, термовыключатели, устройства защиты от сверхтоков и подобные устройства, встроенные в машину. Соответствие требованиям проверяют проведением испытаний по 18.2 - 18.9.
18.2 Машины с нагревательными элементами подвергают испытаниям по 18.3 и 18.4. Кроме того, машины, оснащенные устройствами, ограничивающими температуру в процессе испытаний по разделу 12 (если они специально не исключены в соответствии с требованиями стандарта на машины конкретного вида), подвергают испытаниям по 18.5, а там, где это применимо, - по 18.6.
Каждый раз имитируют только одно ненормальное условие. Если одна и та же машина должна быть подвергнута нескольким испытаниям, то эти испытания проводят последовательно.
Если нет других указаний, испытания проводят до срабатывания термовыключателей без самовозврата или до достижения установившегося состояния. Если во время данного испытания нагревательный элемент или преднамеренно ослабленная часть постоянно разомкнуты, соответствующее испытание повторяют на втором образце. Это второе испытание завершают аналогичным образом, если нет другого способа положительного завершения данного испытания.
Преднамеренно ослабленная часть - это часть, спроектированная так, чтобы она разрушалась в условиях ненормальной работы, с тем чтобы предотвратить возникновение условия, которое приведет к несоответствию требованиям настоящего стандарта. Такой частью может быть заменяемый элемент, например резистор, конденсатор, термовставка, или часть элемента, которая должна быть заменена, как, например, недоступный термовыключатель или термовыключатель без самовозврата, встроенный в двигатель.
18.3 Машины с нагревательными элементами испытывают в условиях, указанных в разделе 12, но с ограниченным теплорассеянием.
Напряжение питания, определенное перед испытанием, должно быть таким, чтобы обеспечивалась потребляемая мощность, соответствующая 0,85 номинальной потребляемой мощности при нормальной работе, когда установились стабильные условия. Это напряжение поддерживают в течение всего испытания.
Машину охлаждают приблизительно до комнатной температуры перед проведением испытания по 18.4.
18.4 Повторно проводят испытание по 18.3, но при напряжении питания, значение которого определяют перед испытанием; оно должно быть таким, чтобы потребляемая мощность составляла 1,24 номинальной потребляемой мощности при нормальной работе и стабильных условиях.
18.5 Машину испытывают в условиях, указанных в разделе 12, при нормальной работе, при этом напряжение питания таково, что потребляемая мощность составляет 1,15 номинальной потребляемой мощности, но при этом любое контрольное устройство, позволяющее ограничивать температуру при испытании по разделу 12, должно быть замкнуто накоротко.
Если машина оснащена несколькими регулирующими устройствами, то их замыкают накоротко поочередно.
18.6 Машины класса I со встроенными трубчатыми или запрессованными нагревательными элементами повторно испытывают по 18.5. Однако устройства, ограничивающие температуру, не замыкают накоротко, а один конец элемента присоединяют к земле. Испытание повторяют, изменив полярность питания и присоединив другой конец элемента к земле. Испытанию не подвергают машины, предназначенные для постоянного подключения к стационарной проводке, и машины, в которых при испытании по 18.5 отключают все полюса.
Машины с коллекторным двигателем испытывают в течение 1 мин при напряжении, равном 1,3 номинального напряжения, или при максимальном напряжении диапазона напряжений на холостом ходу.
После испытаний по 18.2 - 18.7 не должна быть нарушена безопасность машины, в особенности обмотки и соединения не должны быть ослаблены. После проведения этих испытаний машину не следует использовать в дальнейшем.
18.8 Указанные ниже категории машин со встроенными асинхронными двигателями и:
a) с пусковым крутящим моментом, который меньше крутящего момента при полной нагрузке, или
b) запускаемые вручную, или
c) с подвижными частями, которые могут быть заклинены, или с подвижными частями, которые могут быть остановлены рукой, при этом в процессе работы двигатель остается во включенном состоянии, подсоединяют, начиная с холодного состояния, до подачи номинального напряжения или максимального значения из диапазона напряжений, при этом подвижные части находятся в заблокированном состоянии:
- в течение 30 с для машин, которые в процессе эксплуатации приводят в действие вручную;
- в течение 5 мин для машин, работу которых в процессе эксплуатации контролируют время от времени.
В конце указанного периода испытания или в момент срабатывания предохранителей, термовыключателей, защитных устройств двигателя и т.п. температура обмоток не должна превышать величин, приведенных в таблице 3.
- 30 с, если они вручную поддерживаются во включенном состоянии или если они непрерывно нагружаются вручную, или
- в противном случае, в течение 5 мин при одной отсоединенной фазе и при крутящем моменте, создающем нормальную нагрузку.
В конце указанного периода испытания или в момент срабатывания предохранителей, термовыключателей, защитных устройств двигателя и т.п. температура обмоток не должна превышать величин, приведенных в таблице 3.
Таблица 3 - Максимальная температура обмоток
|
Предельная температура, °С |
||||||||
|
Класс |
||||||||
|
105 |
120 |
130 |
155 |
180 |
200 |
220 |
250 |
|
|
Защита с помощью импеданса |
150 |
165 |
175 |
190 |
210 |
230 |
250 |
280 |
|
Защита с помощью защитных устройств, которые срабатывают во время испытания |
200 |
215 |
225 |
240 |
260 |
280 |
300 |
330 |
Соответствие требованиям проверяют, оценивая условия неисправности, указанные в 18.10.2 для всех цепей или частей цепей, если они не соответствуют условиям, указанным в 18.10.1.
Если безопасность машины при любом условии неисправности зависит от работы миниатюрной плавкой вставки, отвечающей требованиям МЭК 60127-3, проводят испытание по 18.10.3.
Если проводник на печатной плате размыкается, машину считают выдержавшей определенное испытание при условии одновременного выполнения всех трех указанных ниже условий:
- материал платы печатной схемы выдерживает испытание в соответствии с приложением F;
- любое ослабление проводника не приводит к уменьшению путей утечки и воздушных зазоров между токоведущими частями и доступными металлическими частями по сравнению со значениями, указанными в разделе 28;
- машину выдерживают, испытывая по 18.10.2, при размыкании проводника мостовой схемы.
Примечание - Изучение машины и ее схемы соединений дает возможность заранее определить те повреждения, которые нужно имитировать, чтобы при испытании можно было ограничиться теми случаями, которые дают наиболее неблагоприятный результат.
18.10.1 Повреждения, указанные в перечислениях a) - f) 18.10.2, не применяют для схем или частей схем, если в них выполняются одновременно следующие условия:
- электронная цепь является маломощной, как описано ниже;
- защита от поражения электрическим током, ударов, возникновения пожара, появления механической опасности или неправильного срабатывания других частей машины не зависит от нормального функционирования электронной цепи.
Пример электронной цепи с маломощными точками приведен на рисунке 11.
Прибор работает при номинальном напряжении или при верхнем значении диапазона номинальных напряжений, и переменный резистор, установленный в положение, соответствующее максимальному сопротивлению, подключают между исследуемой точкой и противоположным полюсом источника питания. Затем сопротивление уменьшают до тех пор, пока мощность, потребляемая резистором, не достигнет своего максимального значения. Любая наиболее близкая к источнику питания точка, в которой потребляемая мощность по отношению к этому резистору не превысит 15 Вт в конце периода длительностью 5 с, называется маломощной точкой. Часть цепи, расположенная от источника питания дальше маломощной точки, считается маломощной цепью.
Измерение проводят только от одного полюса источника питания, причем предпочитают тот, у которого наименьшее количество маломощных точек.
Примечание - При определении маломощных точек рекомендуется начинать с точек, расположенных наиболее близко к источнику питания.
a) закорачивание путей утечки и воздушных зазоров между токоведущими частями с разной полярностью, если эти расстояния меньше значений, установленных в разделе 28, при условии, что токоведущая часть соответствующим образом не загерметизирована;
b) размыкание зажимов любого элемента;
c) короткое замыкание конденсаторов, если они не соответствуют требованиям МЭК 60384-14;
d) короткое замыкание любых двух выводов электронных элементов, кроме интегральных схем. Это повреждение не применяется между двумя цепями оптических соединителей;
e) повреждение симметричных триодных тиристоров в диодной цепи;
f) повреждение интегральной схемы. В этом случае оценивают возможные опасные условия повреждения, в которых может оказаться машина, с тем чтобы гарантировать, что безопасность не зависит от правильного функционирования такого компонента.
Рассматривают все возможные выходные сигналы внутри интегральной схемы при работе в условиях повреждения. Если доказано, что определенный выходной сигнал маловероятен, соответствующее повреждение не рассматривают. Такие комплектующие изделия, как тиристоры и симметричные триодные тиристоры, не подвергают проверке на повреждение в соответствии с перечислением f).
Условие повреждения в соответствии с перечислением f) применяют к комплектующим изделиям, заключенным в капсулу, и аналогичным комплектующим изделиям, если цепь не может быть оценена другими методами.
Примечание - Микропроцессоры являются примерами интегральных схем.
Резисторы с положительным температурным коэффициентом не замыкают накоротко, если используются в соответствии с характеристиками, указанными изготовителем этих комплектующих изделий.
Кроме того, каждую маломощную цепь замыкают накоротко путем подключения маломощной точки к тому полюсу источника питания, от которого производилось измерение.
Для имитации повреждений машину включают в работу в условиях, указанных в разделе 12, но при номинальном напряжении или при самом неблагоприятном напряжении из диапазона номинальных напряжений.
При имитации любого из условий повреждения продолжительность испытаний будет равна:
- указанной в 12.4, но только в том случае, если повреждение не может быть определено пользователем, например изменение температуры;
- указанной в 18.8, если повреждение может быть определено пользователем, например при остановке двигателя;
- до достижения установившегося состояния для цепей, постоянно подключенных к сети питания, например для резервных цепей.
В каждом случае испытание заканчивают, если внутри машины происходит прекращение питания.
18.10.3 Если безопасность машины зависит от срабатывания миниатюрной плавкой вставки, отвечающей требованиям МЭК 60127-3, при любом повреждении, указанном в 18.10.2, испытание повторяют, заменив миниатюрную плавкую вставку амперметром. Если измеренный ток:
- не превышает номинальный ток плавкой вставки в 2,1 раза, цепь не считают достаточно защищенной и испытание повторяют с закороченной плавкой вставкой;
- составляет не менее 2,75 номинального тока плавкой вставки, цепь считают достаточно защищенной;
- более 2,1, но менее 2,75 номинального тока плавкой вставки, плавкую вставку закорачивают, а испытание проводят:
- для быстродействующих плавких вставок: в течение указанного периода или 30 с в зависимости от того, что короче;
- для замедленных плавких вставок: в течение указанного периода или 2 мин в зависимости от того, что короче.
В случае сомнения при определении значения тока следует учитывать максимальное сопротивление плавкой вставки.
Другие плавкие предохранители считают преднамеренно ослабленной частью в соответствии с 18.2.
Примечание - Проверка, осуществляемая в целях определения, является ли плавкая вставка защитным устройством, основана на характеристиках плавления, указанных в МЭК 60127-3, в котором приведена также информация, необходимая для расчета максимального сопротивления плавкой вставки.
Соответствие требованию проверяют включением машины на холостом ходу в течение 1 мин при напряжении, равном номинальному напряжению или среднему значению диапазона напряжений, при этом электронное устройство закорочено.
Затем испытание повторяют при разомкнутой цепи электронного устройства.
После испытаний по 18.10.1 - 18.10.4 машина не должна иметь повреждений в результате возгорания, механических повреждений, влияющих на безопасность и степень защиты от поражения электрическим током. Ток любой величины, протекающий через защитный импеданс, не должен превышать пределов, указанных в 9.1.
Когда машина снабжена устройством для ограничения скорости, при отказе электронного устройства считают, что машина выдержала испытание, если указанное устройство для ограничения скорости срабатывает во время испытания.
18.11 Переключатели или другие устройства для реверсирования двигателя должны выдержать нагрузки, возникающие при изменении направления вращения на ходу, если такое изменение возможно при нормальной эксплуатации.
Соответствие требованию проверяют следующим испытанием.
Машину включают на холостом ходу при напряжении, равном номинальному напряжению или верхнему пределу диапазона номинальных напряжений, при этом устройство реверсирования направления вращения находится в положении, при котором ротор вращается в одном направлении с максимальной скоростью.
Затем направление вращения реверсируют без задержки в промежуточном положении «Отключено».
Эту последовательность срабатывания повторяют 25 раз.
После испытания выключатель не должен иметь электрических или механических повреждений.
18.12 Машина класса I, использующая конструкцию класса II (см. 5.10), или класса II должна работать в условиях чрезвычайной перегрузки без нарушения степени защиты от поражения электрическим током.
Соответствие требованию проверяют на одном образце путем проведения следующего испытания.
Все предохранители, термовыключатели, устройства защиты от сверхтоков и аналогичные устройства, про которые в 18.1 указано, что они доступны для пользователя без использования инструмента, должны быть закорочены.
Образец подсоединяют к сети мощностью минимум 12 кВА. Машину нагружают на 160 % тока, потребляемого при нормальной нагрузке, в течение 15 мин или до размыкания цепей машины, или до появления пламени. Если машина не сработает при 160 %, ее заклинивают на 15 мин или до размыкания цепей машины, или до появления пламени. Если происходит и то, и другое, сразу же следует отключить машину и при появлении пламени погасить его с помощью углекислотного огнетушителя. Ток утечки между токоведущими и доступными частями, измеренный в соответствии с разделом 13, контролируют на протяжении всего испытания и после испытания до его стабилизации или до уменьшения его величины. Ток утечки не должен превышать 2 мА.
После охлаждения машины до комнатной температуры проводят испытание по проверке электрической прочности изоляции в соответствии с разделом 15 между токоведущими и доступными частями, как указано ниже:
- если машина не работает по истечении 15 мин, следует подать напряжение 1500 В для проверки электрической прочности изоляции;
- если машина работает по истечении 15 мин, следует подать напряжение 2500 В для проверки электрической прочности изоляции.
19.1 Движущиеся и другие опасные части машины должны быть, насколько это совместимо с применением и работой машины, расположены или ограждены так, чтобы при нормальной эксплуатации была обеспечена достаточная защита персонала от травм.
Защитные оболочки, крышки, ограждения и т.п. должны обладать достаточной механической прочностью исходя из предполагаемого их использования. Конструкция этих деталей должна исключать возможность удаления их без использования инструмента.
При использовании ограждения, обеспечивающего защиту рабочего элемента, должен быть предусмотрен легкий доступ в целях точной регулировки, позволяющей свести к минимуму доступ к опасным частям.
Использование и регулировка ограждения не должны создавать других опасностей, например за счет сокращения или создания препятствий для обзора со стороны оператора.
Все рабочие элементы, включая специальные детали и насадки, являющиеся частью машины, должны быть закреплены, с тем чтобы они не могли создавать опасность при нормальной эксплуатации в результате перемещения или разъединения сверх нормальных рабочих пределов, предусмотренных конструкцией машины.
Примечание 1 - Указанная опасность может быть вызвана вибрацией, реверсированием двигателя или электрическим торможением.
Соответствие проверяют осмотром, испытаниями по разделу 20 и с помощью стандартного испытательного пальца (см. рисунок 1). Нельзя касаться этим пальцем опасных движущихся частей. Данному испытанию не подвергают отверстия для сбора пыли с удаленными устройствами для сбора пыли, так как их испытывают в соответствии с 19.3.
Примечание 2 - В некоторых случаях, оговоренных в соответствующем стандарте на машины конкретного вида, используют негнущийся испытательный палец, имеющий те же размеры, что и стандартный испытательный палец (см. рисунок 1), но без каких-либо сочленений.
19.2 Доступные части, к которым могут прикоснуться при нормальной эксплуатации, не должны иметь острых кромок, заусенцев и т.п.
Соответствие требованию проверяют осмотром.
Соответствие проверяют с помощью негнущегося испытательного пальца (см. рисунок 1). Должна отсутствовать возможность прикосновения к опасным движущимся частям испытательным пальцем через отверстия для сбора пыли после удаления съемных устройств.
19.4 Части машины, соприкасающиеся с руками оператора в процессе эксплуатации, должны отвечать эргономическим требованиям (иметь удобный обхват).
Соответствие требованию проверяют осмотром.
19.5 Конструкция машины должна позволять в необходимых случаях осуществлять внешний осмотр контакта режущего инструмента с обрабатываемым изделием.
Соответствие требованию проверяют осмотром.
19.6 Все машины, в отношении которых в стандарте на машины конкретного вида указано, чтобы их маркировка включала номинальную скорость на холостом ходу, скорость вала на холостом ходу при номинальном напряжении или при максимальном значении диапазона номинальных напряжений не должна превышать 110 % номинальной скорости на холостом ходу.
Соответствие требованию проверяют измерением скорости вала после работы машины в течение 5 мин на холостом ходу.
20.1 Машины должны обладать достаточной механической прочностью и быть сконструированы таким образом, чтобы они могли выдержать небрежное обращение, которому могут быть подвергнуты при нормальной эксплуатации.
Соответствие требованию проверяют испытаниями, указанными в 20.2 - 20.4.
После этих испытаний образец должен выдержать испытание на электрическую прочность изоляции в соответствии с разделом 15 и не должен иметь повреждений, в результате которых он не будет соответствовать требованиям настоящего стандарта; в частности, токопроводящие части не должны стать доступными, как указано в разделе 9.
Повреждения покрытий, небольшие вмятины, не вызывающие уменьшение путей утечки и воздушных зазоров ниже значений, указанных в 28.1, или небольшие сколы, не оказывающие неблагоприятного влияния на защиту от поражения электрическим током или от проникновения влаги, не принимают во внимание.
Не должна быть нарушена функция механических устройств, обеспечивающих безопасность.
Трещины, невидимые невооруженным глазом, и поверхностные трещины в армированных волокнах и т.п. не учитывают.
Если под декоративным кожухом имеется еще внутренний кожух, то появление трещин на декоративном кожухе не учитывают при условии, что внутренний кожух выдержит данное испытание после снятия декоративного кожуха.
Пружину регулируют таким образом, чтобы ударный конус под ее воздействием наносил удар с энергией, приведенной в таблице 4.
Таблица 4 - Энергии удара
|
Энергия удара, Нм |
|
|
Колпачки щеткодержателей |
0,5 ± 0,05 |
|
Остальные части |
1,0 ± 0,05 |
В каждую точку кожуха, которая предположительно является слабой, наносят три удара. Если необходимо, удары наносят также по защитным устройствам, ручкам, рычагам, кнопкам и т.п.
20.3 Ручные машины должны выдерживать трехкратный сброс на бетонную поверхность с высоты 1 м. Образец следует располагать таким образом, чтобы менять точку удара.
20.4 Щеткодержатели и их колпачки должны обладать достаточной механической прочностью.
Соответствие требованию проверяют осмотром и (в случае сомнения) посредством снятия и установки щеток 10 раз, при этом приложенный крутящий момент для затягивания колпачков щеткодержателей должен соответствовать значениям, указанным в таблице 5.
Таблица 5 - Крутящий момент
|
Крутящий момент, Нм |
|
|
До 2,8 включ. |
0,4 |
|
Св. 2,8 до 3,0 » |
0,5 |
|
» 3,0 » 4,1 » |
0,6 |
|
» 4,1 » 4,7 » |
0,9 |
|
» 4,7 » 5,3 » |
1,0 |
|
» 5,3 » 6,0 » |
1,25 |
После данного испытания щеткодержатель не должен иметь повреждений, не позволяющих использовать его в дальнейшем, резьба (при ее наличии) не должна быть повреждена, а на колпачке не должно быть трещин.
Ширина лезвия испытательной отвертки должна быть большой, насколько это возможно, но она не должна превышать длину шлица в колпачке. Если, однако, диаметр резьбы меньше длины шлица, ширина лезвия не должна превышать этот диаметр. Крутящий момент не следует прикладывать рывками.
Соответствие требованию проверяют следующим испытанием.
Отдельный образец по усмотрению изготовителя должен быть подвергнут одному удару по каждой рукоятке и каждой рекомендуемой поверхности, которой касается рука. Образец сбрасывают с высоты 1 м на бетонную поверхность, а затем проводят испытание на электрическую прочность изоляции в соответствии с разделом 15, подавая напряжение 1250 В переменного тока между поверхностями, которых касается рука и которые контактируют с фольгой и выходным валом машины.
21.1 Машины, которые можно устанавливать на различные напряжения или скорости вращения, должны иметь конструкцию, исключающую случайное изменение уставки, если это может привести к возникновению опасности.
Проверку требования проводят осмотром и ручным опробованием.
21.2 Машины должны быть исполнены таким образом, чтобы изменение уставки регулирующих устройств не было возможным.
Соответствие требованию проверяют ручным опробованием.
21.3 Удаление частей, обеспечивающих требуемую степень защиты от проникновения воды, должно быть невозможным без применения инструмента.
Соответствие требованию проверяют ручным опробованием.
21.4 Если рукоятки, кнопки и т.п. используют для указания положения выключателей или подобных устройств, то должна быть исключена возможность установки их в неправильном положении, если это может привести к опасности.
Соответствие требованию проверяют осмотром и ручным опробованием.
21.5 Если замена гибкого кабеля или шнура требует временного перемещения выключателя, содержащего клеммы для наружных проводников, необходимо, чтобы внутренняя проводка не подвергалась недопустимому натяжению. После установки выключателя в начальное положение и перед окончательной сборкой должна быть обеспечена возможность проверки правильного положения внутренней проводки.
Соответствие требованию проверяют осмотром и ручным опробованием.
21.6 Древесина, хлопчатобумажные материалы, шелк, обычная бумага и подобные волокнистые и гигроскопические материалы могут быть применены в качестве изоляции только в пропитанном состоянии.
Изоляционный материал считают пропитанным, если промежутки между волокнами практически заполнены подходящим изоляционным материалом.
Соответствие требованию проверяют осмотром.
21.7 Недопустимо использовать в конструкции асбест.
Соответствие требованию проверяют осмотром.
21.8 Для целей настоящего стандарта принято, что приводные ремни не обеспечивают требуемый уровень электрической изоляции.
Данное требование не предъявляется, если машина содержит ремень специальной конструкции, исключающей неправильную замену.
Соответствие требованию проверяют осмотром.
21.9 Изоляционные барьеры машин класса II и части машин этого класса, которые служат дополнительной или усиленной изоляцией и могут быть забыты при повторной сборке после эксплуатационного обслуживания, должны быть:
- закреплены так, чтобы их нельзя было снять без серьезных повреждений, или
- сконструированы таким образом, чтобы их нельзя было установить в неправильное положение, а если они забыты, то машина должна быть неработоспособной или должно быть совершенно очевидно, что машина укомплектована не полностью.
Соответствие требованию проверяют осмотром и ручным опробованием.
Эксплуатационное обслуживание включает замену комплектующих изделий, например шнуров питания и выключателей.
Данное требование считают выполненным, если барьер закреплен таким образом, что его можно удалить, только сломав или спилив.
Крепление с помощью заклепок допускается в том случае, когда нет необходимости удалять их при замене щеток, конденсаторов, выключателей, несъемных гибких кабелей и шнуров и т.п.
Крепление приклеиванием допустимо только в том случае, если механическая прочность соединения эквивалентна барьерам.
Внутренняя облицовка из изоляционного материала или подходящее внутреннее изоляционное покрытие на металлических кожухах считают изоляционным барьером при условии, что его нельзя легко удалить соскабливанием.
У машин класса II втулку на изолированном внутреннем проводнике, за исключением жилы наружного гибкого кабеля или шнура, считают достаточным изоляционным барьером, если ее можно удалить, только разорвав или разрезав, или если она закреплена с обоих концов.
Обычное нанесение лака на внутреннюю облицовку металлических кожухов (электроизоляционная лакоткань, гибкая склеенная смолой изоляционная бумага и т.п.) не считают изоляционным барьером.
21.10 Внутри машины оболочку гибкого кабеля или шнура следует применять только в качестве дополнительной изоляции в тех случаях, когда она не подвергается чрезмерным механическим или тепловым воздействиям.
Соответствие требованию проверяют осмотром.
21.11 Любой монтажный зазор шириной более 0,3 мм в дополнительной изоляции не должен совпадать с любым таким зазором в основной изоляции, а также любой такой зазор в усиленной изоляции не должен открывать прямой доступ к токопроводящим частям.
Соответствие требованию проверяют осмотром и измерением.
21.12 Машины класса I должны быть сконструированы таким образом, чтобы в случае ослабления какого-либо провода, гайки, шайбы, пружины или аналогичной детали или выпадения их они не могли занять положение, при котором доступная металлическая часть окажется под напряжением.
Машины класса II или конструкции класса II должны быть сконструированы таким образом, чтобы в случае ослабления или выпадения из занимаемого положения любой такой детали она не могла бы занять положение, при котором пути утечки и воздушные зазоры в дополнительной или усиленной изоляции снизились бы до значения менее 50 % величин, установленных в 28.1.
Машины класса II или конструкции класса II, за исключением полностью изолированных машин и конструкций, должны быть снабжены изоляционными барьерами между доступными металлическими частями и частями двигателя и другими токопроводящими частями.
Для машин класса I это требование может быть соблюдено за счет разъединительных изоляционных барьеров или соответствующего закрепления деталей и обеспечения достаточно больших путей утечки и воздушных зазоров.
Маловероятно, что две независимые части одновременно будут ослаблены или выпадут из занимаемого положения. Не считают достаточным использование пружинных шайб, с тем чтобы не допустить ослабления деталей у электрических соединителей.
Считают вероятным отсоединение проводов от зажимов или соединений пайкой, если они не закреплены в месте, близком к зажиму или выводу, способом, независимым от присоединения к зажиму или пайке.
Считают маловероятным, что короткие жесткие провода могут выпасть из зажима, если они сохраняют свое положение после ослабления зажимного винта.
Соответствие требованию проверяют осмотром, измерением и ручным опробованием.
21.13 Дополнительная и усиленная изоляции должны быть спроектированы или защищены таким образом, чтобы их качество не ухудшалось под воздействием загрязнения или пыли, выделяющейся в результате износа частей машин, до такой степени, чтобы пути утечки и воздушные зазоры не уменьшались ниже значений, указанных в 28.1.
Неплотно спеченные керамические и аналогичные материалы, а также одни лишь изоляционные бусы не следует использовать в качестве дополнительной или усиленной изоляции.
Детали из натуральной или синтетической резины, используемые в качестве дополнительной изоляции, должны быть устойчивы к старению или расположены так и иметь такие размеры, чтобы пути утечки были не меньше значений, указанных в 28.1, даже при появлении трещин.
Изоляционный материал, в который вмонтированы нагревательные проводники, служит в качестве основной изоляции и не должен быть использован в качестве усиленной изоляции.
Соответствие требованию проверяют осмотром, измерением и в случае использования резины - проведением следующего испытания.
Части из резины подвергают старению при температуре (100 ± 2) °С в течение 70 ч. После испытания проводят осмотр образцов; они не должны иметь трещин, видимых невооруженным глазом.
Примечание - В случае сомнения в отношении материала, за исключением резины, могут быть проведены специальные испытания.
21.14 Машины должны быть сконструированы таким образом, чтобы внутренняя проводка, обмотки, коллекторы, контактные кольца и другие подобные детали, а также изоляция в целом не подвергались воздействию масла, смазки и аналогичных веществ.
Если конструкция предполагает воздействие на изоляцию масла, смазки или аналогичных веществ (в приводе и аналогичных частях), то масло или смазка, или аналогичное вещество должно обладать достаточными изоляционными свойствами, обеспечивающими соответствие требованиям настоящего стандарта, и не должно оказывать влияние на прочность изоляции.
Соответствие требованию проверяют осмотром и проведением испытаний, предусмотренных настоящим стандартом.
21.15 Доступ к щеткам без применения инструмента должен быть невозможен.
Винтовые колпачки щеткодержателей должны быть сконструированы таким образом, чтобы при их затягивании две поверхности прижимались одна к другой.
Щеткодержатели, удерживающие щетки в нужном положении с помощью запирающего устройства, должны быть сконструированы таким образом, чтобы запирание не зависело от натяжения пружины, если ослабление запирающего устройства может привести к тому, что доступные металлические части окажутся под напряжением.
Винтовые колпачки щеткодержателей, доступные с внешней стороны машины, должны быть изготовлены из изоляционного материала, имеющего достаточную электрическую и механическую прочность; они не должны выступать за наружную поверхность машины.
Соответствие требованию проверяют осмотром и ручным опробованием. Свойства изоляционного материала проверяют:
- испытаниями в соответствии с 20.2 и 20.4 винтовых щеткодержателей, доступных с внешней стороны машины;
- испытаниями, установленными для дополнительной изоляции у машин классов I и II;
- испытаниями, установленными для усиленной изоляции у машин класса II.
21.16 Машины, использующие системы, содержащие жидкость, должны защищать пользователя от повышенного риска поражения электрическим током из-за присутствия жидкости в условиях нормальной эксплуатации и неисправностей системы, содержащей жидкость.
Машины, которые используют системы, содержащие жидкость, должны быть одного из классов, указанных ниже:
- конструкция класса III;
- конструкция класса I или II с наличием устройства защитного отключения и соответствующая требованиям, предусмотренным в 14.4 - 14.6, или
- конструкция класса I или II, спроектированная для использования совместно с изолирующим трансформатором и соответствующая 14.4 и 14.5.
Соответствие требованию проверяют осмотром.
21.17 Выключатели и кнопки повторного пуска на органах управления, не предусматривающих автоматического возврата в исходное положение, должны быть расположены таким образом, чтобы исключить случайное срабатывание.
Соответствие требованию проверяют осмотром и проведением следующего испытания. Машину подсоединяют к источнику питания, устанавливают в любое возможное положение и тянут по горизонтальной поверхности.
Не должно произойти случайного срабатывания выключателя.
21.18 Машины, за исключением имеющих гибкий вал, должны быть снабжены сетевым выключателем, который пользователь мог бы выключить, не ослабляя захвата машины руками. Если у выключателя имеется стопорное устройство, позволяющее зафиксировать его в положении «Включено», требование настоящего пункта считается выполненным при условии, что произойдет автоматическое отключение при нажатии на курок или на приводную часть выключателя.
Соответствие требованию проверяют осмотром и ручным опробованием.
21.18.1 Если существует опасность, связанная с продолжительной эксплуатацией, выключатель не должен иметь какого-либо стопорного устройства, предусматривающего его фиксацию в положении «Включено», и он не должен оставаться в положении «Включено» при отпускании курка. Это должно быть оговорено в соответствующем стандарте на машины конкретного вида.
21.18.2 Если существует риск, связанный со случайным пуском, выключатель должен быть снабжен стопорным устройством для фиксации его в положении «Отключено». Это должно быть оговорено в соответствующем стандарте на машины конкретного вида.
21.19 Машины должны быть сконструированы таким образом, чтобы не ухудшалась защита от поражения электрическим током, когда винты, предназначенные для замены снаружи в процессе текущего обслуживания, заменяют винтами большей длины.
Соответствие требованию проверяют вводом более длинных винтов без значительного усилия, после чего пути утечки и зазоры между токопроводящими частями и доступными металлическими частями не должны уменьшаться ниже значений, указанных в 28.1.
21.20 Если маркировка машины содержит первую характеристическую цифру в системе IP, должны быть выполнены соответствующие требования МЭК 60529.
Соответствие требованию проверяют проведением соответствующих испытаний.
21.21 Машины должны быть сконструированы таким образом, чтобы при нормальной эксплуатации не было опасности поражения электрическим током от заряженных конденсаторов при прикосновении к штырькам вилки. Принято, что конденсаторы с номинальной емкостью менее или равной 0,1 мкФ не могут создать опасность поражения электрическим током. Данное требование не распространяют на конденсаторы, отвечающие требованиям к защитному импедансу, указанным в 9.1 и 21.36.
Соответствие требованию проверяют указанным ниже испытанием, которое проводят 10 раз.
Машину приводят в действие при номинальном напряжении.
Затем выключатель машины (при его наличии) устанавливают в положение «Отключено» и отсоединяют от источника питания с помощью вилки.
Через секунду после отсоединения замеряют напряжение между штырьками вилки, при этом измеритель не должен оказывать значительного влияния на измеряемую величину.
Напряжение не должно превышать 34 В.
Защелкивающиеся устройства, используемые для фиксации несъемных частей, должны иметь очевидное положение запирания. Фиксирующие свойства защелкивающихся устройств, используемых для частей, которые могут быть сняты в процессе технического обслуживания, не должны ухудшаться.
Соответствие требованию проверяют проведением следующих испытаний.
Перед проведением испытания несъемные части, которые могут быть сняты в процессе технического обслуживания, разбирают и собирают 10 раз.
Под техническим обслуживанием понимают замену шнура питания.
Машина находится при комнатной температуре. Однако в тех случаях, когда на результат испытания может повлиять температура, испытание проводят сразу же после того, как машина проработала в условиях, указанных в разделе 12.
Испытанию подвергают все несъемные части, которые могут быть демонтированы независимо от того, зафиксированы они винтами, заклепками или аналогичными деталями или нет.
Силу прикладывают в течение 10 с без рывков в наиболее неблагоприятном направлении относительно тех участков крышки или частей, которые предположительно являются слабыми. Значения силы указаны ниже:
- толкающая сила - 50 Н;
- растягивающая сила:
a) если форма несъемной части такова, что кончики пальцев не могут легко соскользнуть, - 50 Н;
b) если захватываемая часть выступает в направлении демонтирования части менее чем на 10 мм - 30 Н.
Толкающую силу прикладывают с помощью негнущегося испытательного пальца, аналогичного по размерам стандартному испытательному пальцу, приведенному на рисунке 1.
Растягивающую силу прикладывают с помощью подходящего устройства (например, присоска) таким образом, чтобы исключить влияние на результаты испытания.
При проведении испытания с приложением растягивающей силы в соответствии с перечислениями а) и b) испытательный подпружиненный палец, приведенный на рисунке 7, вставляют в любое отверстие или место соединения с усилием 10 Н. Затем подпружиненный палец смещают вбок с усилием 10 Н, причем его нельзя разворачивать или использовать в качестве рычага.
Если форма части такова, что осевое растягивающее усилие маловероятно, растягивающую силу не прикладывают, однако испытательный подпружиненный палец, приведенный на рисунке 7, вставляют в любое отверстие или место соединения с усилием 10 Н и затем тянут в течение 10 с с помощью петли с усилием 30 Н в направлении смещения.
Если существует вероятность того, что крышка или часть могут подвергаться скручивающему усилию, крутящий момент, указанный ниже, прикладывают одновременно с растягивающей или толкающей силой:
- для основных размеров до 50 см включительно - 2 Нм;
- для основных размеров свыше 50 см - 4 Нм.
Крутящий момент прикладывают также, когда испытательный подпружиненный палец тянут с помощью петли.
Если захватываемая несъемная часть выступает менее чем на 10 мм, указанный крутящий момент снижают до 50 % значений, приведенных выше.
Несъемные части машины не должны сниматься и должны оставаться в заблокированном положении.
21.23 Рукоятки, кнопки, ручки, рычаги и т.п. должны быть надежно закреплены так, чтобы при нормальной эксплуатации они не ослаблялись, если это может привести к опасности.
Соответствие требованию проверяют осмотром, испытанием вручную и попыткой снять рукоятку, кнопку, ручку или рычаг путем приложения осевого усилия 30 Н в течение 1 мин за счет толкания или вытягивания.
21.24 Крюки и аналогичные устройства, используемые для укладки гибких шнуров, должны быть гладкими и иметь хорошо закругленную форму.
Соответствие требованию проверяют осмотром.
21.25 Токопроводящие и другие части, коррозия которых может привести к опасности, должны быть устойчивы к коррозии при нормальных условиях эксплуатации.
Соответствие требованию устанавливают, проверяя, не появились ли следы коррозии на соответствующих частях после проведения испытаний по разделу 30. Нержавеющую сталь, аналогичные сплавы, устойчивые к коррозии, и сталь с покрытиями считают удовлетворяющими данному требованию.
Примечание - Примерами причин, вызывающих коррозию, являются несовместимость материалов и воздействие нагревания.
21.26 В стадии рассмотрения.
21.27 Машины, помимо машин класса II, содержащие части, в которых защита от поражения электрическим током обеспечена безопасным сверхнизким напряжением, должны быть сконструированы таким образом, чтобы изоляция между частями, работающими при безопасном сверхнизком напряжении, и другими токопроводящими частями отвечала требованиям, предъявляемым к двойной или усиленной изоляции.
Соответствие требованию проверяют проведением испытаний, установленных для двойной или усиленной изоляции.
21.28 Части, разделенные защитным импедансом, должны соответствовать требованиям, предъявляемым к двойной или усиленной изоляции.
Соответствие требованию проверяют проведением испытаний, установленных для двойной или усиленной изоляции.
21.29 В стадии рассмотрения.
21.30 Оси рабочих кнопок, рукояток, рычагов и т.п. должны быть нетоковедущими, если ось не является недоступной при удалении кнопки, рукоятки, рычага и т.п.
Соответствие требованию проверяют осмотром и применением стандартного испытательного пальца, как указано в 9.2, после удаления кнопки, рукоятки, рычага и т.п., даже если для этого необходимо использовать инструмент.
21.31 В конструкциях, кроме класса III, рукоятки, рычаги и кнопки, которые берут в руки или нажимают при нормальной эксплуатации, не должны стать токоведущими при повреждении изоляции. Если эти рукоятки, рычаги и кнопки металлические или если есть вероятность, что их оси и крепежные детали могут стать токоведущими при повреждении основной изоляции, то они должны быть соответствующим образом покрыты изоляционным материалом или их доступные части должны быть отделены изоляцией от их осей или крепежных деталей.
Покрытие или изоляционный материал должны соответствовать требованиям испытания на электрическую прочность изоляции согласно показателю 4 таблицы 2 раздела 15, но нет необходимости в дополнительной изоляции.
Соответствие проверяют осмотром, а при необходимости - испытанием изоляции.
21.32 У всех машин, если существует вероятность того, что они могут разрезать скрытую проводку или собственный шнур, рукоятки и поверхности, которых касается рука, в соответствии с руководством по эксплуатации должны быть изготовлены из изоляционного материала или (если они изготовлены из металла) соответствующим образом покрыты изоляционным материалом или же их доступные части должны быть отделены изоляционным (изоляционными) барьером (барьерами) от доступных металлических частей, которые могут стать токоведущими. Эти изоляционные барьеры не следует рассматривать в качестве основной, дополнительной или усиленной изоляции.
Изолированные вспомогательные ручки в виде стержня должны быть снабжены фланцем высотой не менее 12 мм над захватываемой поверхностью между захватываемым участком и доступными частями, которые могут стать токоведущими, от выходной оси.
Соответствие требованию проверяют осмотром и проведением испытаний в соответствии с 20.5.
21.33 У машин класса II конденсаторы не должны быть соединены с доступными металлическими частями, и их оболочки, если они изготовлены из металла, должны быть отделены от доступных металлических частей дополнительной изоляцией.
Данное требование не распространяют на конденсаторы, отвечающие требованиям к защитному импедансу, которые приведены в 9.1 и 21.36.
Соответствие требованию проверяют осмотром и проведением испытаний, установленных для дополнительной изоляции.
21.34 Конденсатор не должен быть подсоединен между контактами термовыключателя.
Соответствие требованию проверяют осмотром.
21.35 Ламповые патроны необходимо использовать только для подключения ламп. Соответствие требованию проверяют осмотром.
21.36 Защитный импеданс должен состоять не менее чем из двух отдельных компонентов, изменение полного сопротивления каждого из которых в течение срока службы машин маловероятно. Если один из компонентов замыкается накоротко или размыкается, не должно быть превышения значений параметров, указанных в 9.1.
Резисторы, соответствующие МЭК 60065 (подраздел 14.1), и конденсаторы, соответствующие МЭК 60065 (подраздел 14.2), считают отвечающими данному требованию.
Соответствие требованию проверяют осмотром и измерением.
21.37 Входные вентиляционные отверстия не должны допускать попадания в машину инородных тел, нарушающих безопасность.
Соответствие требованию проверяют проведением следующего испытания.
Должно быть невозможно ввести стальной шарик диаметром 6 мм в отверстия для забора воздуха, кроме отверстий, расположенных рядом с вентилятором.
22.1 Канавки для проводов должны быть гладкими и без острых кромок.
Провода должны быть защищены так, чтобы они не соприкасались с заусенцами, охлаждающими ребрами и т.п., которые могут вызвать повреждение их изоляции.
Отверстия в металле, через которые проходят изолированные провода, должны иметь втулки или, если иное не указано в стандарте на машины конкретного вида, гладкую поверхность с хорошо закругленными кромками.
Провода должны быть надежно защищены от соприкосновения с движущимися частями.
Соответствие требованию проверяют осмотром.
22.2 Внутренняя проводка и электрические соединения между различными частями машины должны быть в достаточной степени защищены или закрыты.
Соответствие требованию проверяют осмотром.
22.3 Внутренняя проводка должна быть или достаточно жесткой и хорошо закрепленной или изолированной таким образом, чтобы при нормальной эксплуатации пути утечки и воздушные зазоры не уменьшались ниже значений, указанных в 28.1. Изоляция (при ее наличии) должна быть такой, чтобы она не могла быть повреждена при нормальной эксплуатации.
Соответствие требованию проверяют осмотром, измерением и ручным опробованием.
У изолированной внутренней проводки проверяют, соответствует ли ее изоляция по электрическим характеристикам изоляции шнуров, отвечающих требованиям МЭК 60227 или МЭК 60245, или она отвечает требованиям следующего испытания на электрическую прочность изоляции.
Напряжение 2000 В прикладывают в течение 15 мин между проводником и металлической фольгой, обернутой вокруг изоляции. Не должно быть пробоя.
Если в качестве дополнительной изоляции на внутренней проводке используется трубка, она должна быть прочно закреплена. Трубку считают надежно закрепленной, если ее можно снять, только разорвав или разрезав, или если она закреплена с обоих концов.
Соответствие требованию проверяют осмотром и ручным опробованием.
22.4 Провода, обозначенные комбинацией желтого и зеленого цветов, должны быть использованы только в качестве заземляющего проводника.
Соответствие требованию проверяют осмотром.
22.5 Алюминиевые провода не следует использовать для внутренней проводки. Обмотку двигателя не считают внутренней проводкой.
Соответствие требованию проверяют осмотром.
22.6 Многопроволочные проводники не следует соединять свинцово-оловянным припоем в местах, где они подвергаются контактному давлению, если зажимные устройства не сконструированы способом, исключающим плохой контакт из-за хладотекучести припоя.
Соединение многопроволочного проводника свинцово-оловянным припоем допускают при использовании пружинных зажимов; закрепление только зажимными винтами не считают достаточным. Допускают пропайку концов многопроволочного проводника.
Соответствие требованию проверяют осмотром.
23.1 Комплектующие изделия должны отвечать требованиям по безопасности, установленным в соответствующих стандартах МЭК, в такой мере, насколько это целесообразно.
Если маркировка комплектующих изделий содержит рабочие характеристики, то условия их применения в машине должны соответствовать этой маркировке, если нет других указаний.
23.1.1 Маркировка конденсаторов в составе вспомогательных обмоток двигателей должна включать номинальное напряжение и их номинальную емкость.
23.1.2 Конденсаторы постоянной емкости для подавления радиопомех должны соответствовать требованиям МЭК 60384-14.
23.1.3 Малогабаритные патроны, аналогичные патронам серии Е10, должны соответствовать требованиям, предъявляемым к патронам Е10. Они могут не применяться для лампы с цоколем Е10, соответствующим МЭК 60061-1 (действующая редакция стандартного листа 7004-22).
23.1.4 Изолирующие трансформаторы и изолирующие трансформаторы, обеспечивающие безопасность, должны соответствовать требованиям МЭК 61558-1.
23.1.5 Штепсельные соединители для машин, помимо тех, которые используются в машинах исполнения IP X0, должны соответствовать требованиям МЭК 60309. Штепсельные соединители, используемые в машинах исполнения IP X0, должны соответствовать требованиям МЭК 60320.
Если используют штепсельные соединители, не стандартизованные МЭК, изготовитель должен сообщить пользователю в инструкции по эксплуатации, что последний должен подсоединять машины только с помощью штепсельного соединителя, указанного изготовителем.
23.1.6 Устройства автоматического регулирования, не отвечающие требованиям, установленным в МЭК 60730-1, следует испытывать на соответствие настоящему стандарту и дополнительно на соответствие МЭК 60730-1 (пункты 11.3.5 - 11.3.8 и раздел 17). Устройства автоматического регулирования допускается испытывать отдельно от машины.
Испытания по МЭК 60730-1 проводят при условиях, возникающих в машине.
При испытании по МЭК 60730-1 (раздел 17) количество циклов работы составляет:
- для терморегуляторов - 10000;
- для термоограничителей - 7000;
- для термовыключателей с самовозвратом - 300;
- для термовыключателей без самовозврата (возврат осуществляется вручную) - 10.
Устройства автоматического регулирования, соответствующие требованиям МЭК 60730-1 и используемые в соответствии с их маркировкой, считают соответствующими требованиям настоящего стандарта (термин «маркировка» включает документацию и декларацию в соответствии с разделом 17 МЭК 60730-1).
Испытаниям в соответствии с МЭК 60730-1 (раздел 17) не подвергают устройства автоматического регулирования, которые работают в соответствии с разделом 12 настоящего стандарта, если машина отвечает требованиям настоящего стандарта при их закорачивании.
Специальное исключение в части испытания терморегуляторов и термоограничителей предусмотрено в сноске b) таблицы 1 и разделе 12.
23.1.7 Испытание комплектующих изделий, которые должны соответствовать требованиям других стандартов, проводят отдельно согласно соответствующему стандарту, как указано ниже.
Если комплектующее изделие имеет маркировку и используется в соответствии с этой маркировкой, его испытывают в соответствии с маркировкой, при этом количество образцов определено соответствующим стандартом.
В частности, комплектующие изделия, не включенные в таблицу 1 раздела 12, испытывают как часть этой машины.
23.1.8 Если на соответствующее комплектующее изделие существует стандарт МЭК или если комплектующее изделие не имеет маркировки или используется не в соответствии со своей маркировкой, его испытывают в условиях, возникающих в машине, при этом количество образцов определяют, в основном, аналогичными техническими условиями.
23.1.9 У конденсаторов, соединенных последовательно с обмоткой двигателя, проверяют, чтобы при работе машины при 1,1 номинального напряжения и минимальной нагрузке напряжение на конденсаторе не превышало 1,1 номинального напряжения конденсаторов.
23.1.10 Сетевые выключатели должны обладать соответствующей коммутационной способностью и быть рассчитаны на 50000 циклов срабатывания.
Соответствие требованию проверяют осмотром и проведением следующего испытания.
Сетевые выключатели испытывают вместе с машиной при номинальном напряжении или при верхнем значении диапазона номинального напряжения машины.
Затем электродвигатель застопоривают, а выключатель включают 50 раз, причем продолжительность каждого периода положения «Включено» не должна превышать 0,5 с, а продолжительность каждого периода положения «Отключено» - не менее 10 с.
Если при нормальной эксплуатации электронное регулирующее устройство отключает ток перед размыканием главных контактов, число циклов уменьшают до пяти при короткозамкнутом электронном регулирующем устройстве.
После испытания выключатель не должен иметь электрических или механических повреждений.
Сетевые выключатели с маркировкой, содержащей индивидуальные номинальные данные, испытывают также в соответствии с МЭК 61058-1.
23.1.11 Выключатели, которые не испытывались отдельно и в отношении которых было установлено, что они соответствуют требованиям МЭК 61058-1 в условиях, возникающих в машине, должны соответствовать приложению I.
Испытание в соответствии с МЭК 61058-1 (пункт 17.2.4.4) проводят в течение 50000 циклов срабатывания.
Выключатели, предназначенные для работы без нагрузки, которые могут срабатывать только с помощью инструмента, не подвергают испытаниям в соответствии с МЭК 61058-1 (раздел 17). Этим испытаниям не подвергают также выключатели, включаемые рукой и имеющие блокировку, препятствующую включению под нагрузкой, однако выключатели без блокировки подвергают испытанию в соответствии с МЭК 61058-1 (пункт 17.2.4.4) в течение 100 циклов срабатывания.
Выключатель не подвергают испытанию в соответствии с МЭК 61058-1 (пункт 17.2.4.4), если машина соответствует требованиям настоящего стандарта при закорачивании выключателя.
23.2 Машины не должны иметь:
- выключателей или устройств автоматического регулирования в гибких шнурах;
- устройств, которые приводят к срабатыванию защитных устройств в фиксированной проводке в случае повреждений в машине;
- термовыключателей, которые могут быть возвращены в исходное состояние посредством пайки.
Соответствие требованию проверяют осмотром.
23.3 Устройства защиты от перегрузок не должны предусматривать самовозврат в исходное состояние.
Соответствие требованию проверяют осмотром.
23.4 Штепсельные вилки и розетки, используемые для присоединения нагревательных элементов, и вилки и розетки для цепей сверхнизкого напряжения не должны быть взаимозаменяемыми со штепсельными вилками и розетками, перечисленными в МЭК 60884, и с соединителями и вводами машин, соответствующими стандартным листам МЭК 60320.
Соответствие требованию проверяют осмотром.
23.5 Двигатели, подключаемые к сети питания и имеющие основную изоляцию, не рассчитанную на номинальное напряжение машин, должны соответствовать требованиям приложения В.
Соответствие требованию проверяют проведением испытаний по приложению В.
24.1 Машины должны быть снабжены одним из следующих средств присоединения к сети питания:
- шнуром питания, оснащенным вилкой, для машин с номинальными напряжением и частотой для подсоединения к бытовым источникам питания;
- шнуром питания без вилки, если машины предназначены для подсоединения к не бытовым источникам питания;
- приборным вводом, имеющим, как минимум, ту же степень защиты от влаги, что и машина, и снабженным стопорным устройством, исключающим случайное отсоединение;
- шнуром питания, длина которого не превышает 0,5 м, закрепленным с кабельным соединителем и с его сочленяющейся частью. Кабельный соединитель должен иметь по крайней мере ту же степень защиты от влаги, что и машина.
Соответствие требованию проверяют осмотром и испытанием стопорных устройств на вытягивание в соответствии с 24.14.
24.2 Способы крепления шнуров питания машин должны соответствовать одному из следующих типов:
- крепление типа X;
- крепление типа Y;
- крепление типа Z.
Шнуры питания с креплениями типов X и Y могут быть обычными гибкими шнурами или специальными шнурами и могут быть получены только от изготовителя или его агента по обслуживанию. Специальный шнур может также включать часть машины.
Соответствие требованию проверяют осмотром и при необходимости ручным опробованием.
24.3 Вилки должны быть снабжены не более чем одним гибким шнуром.
Соответствие требованию проверяют осмотром.
24.4 Шнуры питания не должны быть легче, чем:
- обычный гибкий шнур с прочной резиновой оболочкой (кодовое обозначение 60245 МЭК 53);
- обычный гибкий шнур с оболочкой из поливинилхлорида (кодовое обозначение 60227 МЭК 53).
Гибкие шнуры с изоляцией из поливинилхлорида не должны быть использованы для машин с наружными металлическими частями, превышение температуры у которых превосходит 75 °С во время испытания по разделу 12.
Соответствие требованию проверяют осмотром и измерением.
Шнуры питания, снабженные вилкой и предназначенные для однофазных машин с номинальным током не более 16 А, должны иметь вилку, соответствующую требованиям МЭК 60884 или МЭК 60309.
Если шнуры имеют вилки, соответствующие МЭК 60309, то следует использовать следующие стандартные листы:
- Лист 2 - I - для машин класса I;
- Лист 2 - для машин класса II;
- Лист 2 - I - для машин класса III.
Корпус вилки должен быть изготовлен из резины, поливинилхлорида или материала, имеющего не меньшую механическую прочность.
Шнуры питания у однофазных машин с номинальным током свыше 16 А, но не более 63 А, и у многофазных машин с номинальным током не более 63 А должны быть снабжены вилкой, отвечающей требованиям МЭК 60309, при этом применяемые стандартные листы должны быть следующими:
- Лист 2 - III - для машин класса I (в зависимости от величины тока);
- Лист 2 - для машин класса II;
- Лист 2 - III - для машин класса III.
Двухполюсные вилки, приборные вводы и соединители для кабельных соединителей и вилок в соответствии со стандартным листом 2 можно использовать для машин класса II.
24.5 Шнуры питания должны иметь номинальное поперечное сечение не менее величин, приведенных в таблице 6.
Таблица 6 - Минимальное поперечное сечение шнуров питания
|
Номинальное поперечное сечение, мм2 |
|
|
До 6 включ. |
0,75 |
|
Св. 6 до 10 » |
1 |
|
» 10 до 16 » |
1,5 |
|
» 16 до 25 » |
2,5 |
|
» 25 до 32 » |
4 |
|
» 32 до 40 » |
6 |
|
» 40 до 63 » |
10 |
Соответствие требованию проверяют измерением.
24.6 У машин класса I шнур питания должен иметь желто-зеленую жилу; она должна быть соединена с внутренним зажимом заземления машины и с контактом заземления штепсельной вилки.
Соответствие требованию проверяют осмотром.
24.7 Жилы шнуров питания не должны скрепляться пайкой свинцово-оловянным припоем в тех местах, где на них действует контактное давление, если конструкция зажимного устройства исключает опасность плохого контакта в результате хладотекучести припоя.
Соответствие требованию проверяют осмотром.
Данное требование может быть выполнено за счет использования пружинных зажимов. Закрепление только зажимными винтами считается недостаточным.
24.8 Для всех типов крепления шнура питания вместе с кожухом или его частью они не должны влиять на изоляцию шнура.
Соответствие требованию проверяют осмотром.
24.9 Вводные отверстия должны быть снабжены такими входными втулками или должны быть сконструированы таким образом, чтобы защитная оболочка шнура питания могла быть введена без риска повреждения.
Соответствие требованию проверяют осмотром и испытанием вручную.
24.10 Входные втулки должны:
- иметь такую форму, чтобы было предотвращено повреждение шнура питания;
- быть надежно закреплены;
- удаляться только с помощью инструмента.
Соответствие требованию проверяют осмотром и испытанием вручную.
24.11 В стадии рассмотрения.
24.12 Защитные устройства шнуров должны обладать достаточной механической прочностью и сохранять эти свойства в течение продолжительного нормального использования.
Соответствие требованию проверяют, проводя следующее испытание.
Часть машины, включая вход для кабеля, снабженный защитным устройством и гибким кабелем или шнуром, на которую рассчитана машина, крепят к качающемуся элементу устройства для испытания на изгиб, аналогичного изображенному на рисунке 9. Образец устанавливают таким образом, чтобы ось качания проходила по касательной к наружной поверхности части, в которой закреплено защитное устройство шнура, и, когда качающийся элемент находится в середине своего перемещения, ось кабеля или шнура в том месте, где они входят в защитное устройство, была вертикальной.
Груз, равный массе машины, но не менее 2 кг и не более 6 кг прикрепляют к кабелю или шнуру.
Качающийся элемент перемещается назад и вперед на 90° (45° в каждую сторону от вертикали) так, чтобы количество изгибов было равно 20000 с частотой 60 изгибов в минуту. Под изгибом понимают одно движение назад или вперед. После 10000 изгибов образец разворачивают на 90° вокруг центра защитного устройства шнура.
После проведения испытания защитное устройство шнура не должно быть ослаблено. Защитное устройство шнура или гибкий кабель, или шнур не должны иметь каких-либо повреждений, нарушающих соответствие настоящему стандарту, за исключением того, что могут быть повреждены не более 10 % проволок в каждой жиле.
Сразу же после данного испытания устройство крепления шнура и винты зажимов ослабляют, не удаляя при этом проводники гибкого кабеля или шнура. Однако, если защитное устройство шнура охватывается устройством крепления шнура, последнее не ослабляют.
Затем машину поднимают с помощью защитного устройства шнура без рывков на высоту приблизительно 500 мм в течение приблизительно 1 с и ставят обратно на подставку.
Эту операцию повторяют 10 раз.
Во время данного испытания защитное устройство шнура не должно выскальзывать из места установки.
24.13 Гибкие кабели или шнуры машин должны быть защищены от чрезмерного изгиба в вводном отверстии машины при помощи защитного устройства шнура из изоляционного материала.
Защитные устройства должны быть надежно закреплены и должны иметь такую конструкцию, при которой они выступают из входного отверстия машины на расстояние, равное не менее чем 5-кратному диаметру кабеля или шнура, поставляемого с машиной.
Соответствие требованию проверяют осмотром, измерением и проведением следующего испытания.
Машину, предназначенную для использования со шнуром питания, снабжают защитным устройством шнура, при этом гибкий кабель или шнур должен быть приблизительно на 100 мм длиннее защитного устройства.
Машину держат таким образом, чтобы ось защитного устройства шнура в том месте, где кабель или шнур выходит из него, была направлена вверх под углом 45° относительно горизонтали, когда к кабелю или шнуру не прикладывают нагрузку. Затем к свободному концу кабеля или шнура прикрепляют груз, масса которого равна 10D2 г, где D - внешний диаметр, мм, гибкого кабеля, поставляемого вместе с машиной.
Если защитное устройство шнура чувствительно к температуре, его испытывают при температуре (23 ± 2) °С. Непосредственно после закрепления груза радиус кривизны кабеля или шнура в любом месте должен быть не менее 1,5D.
Не должно быть возможности проталкивания шнура вовнутрь машины настолько, чтобы шнур или внутренние части машины могли быть повреждены.
Соответствие требованию проверяют осмотром, измерением и проведением следующего испытания.
Шнур подвергают 25 натяжениям с усилием, величина которого указана в таблице 7. Натяжение проводят в наиболее неблагоприятном направлении без рывков; каждое натяжение должно длиться 1 с.
Непосредственно после этого шнур, кроме шнуров с автоматической намоткой на бобину, подвергают кручению в течение 1 мин с усилием, величина которого указана в таблице 7.
Таблица 7 - Сила натяжения и крутящий момент
|
Натяжение, Н |
Крутящий момент, Нм |
|
|
До 1 включ. |
30 |
0,1 |
|
Св. 1 до 4 » |
60 |
0,25 |
|
» 4 |
100 |
0,35 |
Во время испытания кабель или шнур не должны быть повреждены.
После испытаний шнур не должен смещаться в продольном направлении более чем на 2 мм, провода в зажимах - более чем на 1 мм, а в местах соединения не должно быть заметного натяжения.
Пути утечки и воздушные зазоры не должны уменьшаться ниже значений, указанных в 28.1.
Перед тем как начать испытания, для измерения смещения в продольном направлении на шнуре, который подвергают натяжению, делают отметку на расстоянии приблизительно 2 см от устройства крепления шнура или другой подходящей точки.
После испытаний измеряют смещение отметки на шнуре относительно устройства крепления или другой точки в результате натяжения шнура.
24.15 Устройства крепления шнура или должны быть расположены таким образом, чтобы они были доступны только с помощью инструмента, или должны быть сконструированы таким образом, чтобы шнур мог быть установлен с помощью инструмента.
Соответствие требованию проверяют осмотром.
24.16 Для крепления типа X устройство крепления шнура должно быть сконструировано или расположено таким образом, чтобы:
- была обеспечена легкая замена шнура;
- было очевидно, как достигается разгрузка шнура от натяжения и предотвращается скручивание;
- оно подходило к различным типам шнуров, которые могут быть присоединены, если конструкция машины не предусматривает установку только одного типа шнура;
- шнур не мог касаться зажимных винтов устройства крепления шнура, если эти винты доступны и не отделены от доступных металлических частей дополнительной изоляцией;
- шнур не закреплялся металлическими винтами, которые опираются непосредственно на шнур;
- по крайней мере одна часть устройства крепления шнура была надежно закреплена на машине, если она не является частью специально подготовленного шнура;
- винты (при их наличии), которыми необходимо манипулировать при замене шнура, не служили для крепления других комплектующих изделий, при этом настоящее требование не применяют, когда в случае их отсутствия или неправильной установки машина становится неработоспособной или явно неукомплектованной или когда части, которые должны быть скреплены этими винтами, не могут быть удалены без применения инструмента во время замены шнура;
- при наличии лабиринтов их нельзя было обойти, не нарушая при этом требования испытания по 24.14;
- сальники не использовались в качестве устройств крепления шнура для шнуров питания;
- для машин класса I оно было изготовлено из изоляционного материала или имело изоляционную прокладку, с тем чтобы при повреждении изоляции шнура исключить доступ к металлическим частям, находящимся под напряжением;
- для машин класса II оно было изготовлено из изоляционного материала или в случае изготовления его из металла оно было изолировано от доступных металлических частей с помощью изоляции, отвечающей требованиям, предъявляемым к дополнительной изоляции.
Если для крепления типа X устройство крепления шнура содержит один зажимной элемент или более, давление к которому (которым) прикладывается посредством одной или более гаек, находящихся в зацеплении со шпильками, которые жестко прикреплены к машине, то считают, что устройство крепления шнура имеет одну часть, которая надежно прикреплена к машине даже в том случае, если зажимной (зажимные) элемент (элементы) может (могут) быть снят (сняты) со шпилек.
Если давление к зажимному (зажимным) элементу (элементам) прикладывается посредством одного винта или более, находящегося (находящихся) в зацеплении либо с отдельными гайками, либо с резьбой в части, которая составляет единое целое с машиной, то считают, что такое крепление шнура не имеет одной части, которая надежно прикреплена к машине. Это требование не применяют, когда один из зажимных элементов сам прикреплен к машине или поверхность машины выполнена из изоляционного материала и имеет такую форму, что очевидно, что эта поверхность является одним из зажимных элементов (см. рисунок 6).
Соответствие требованию проверяют осмотром и проведением испытания по 24.14 при следующих условиях.
Испытания проводят вначале с наиболее легким из допустимых типов шнуром с наименьшей площадью поперечного сечения, указанной в 25.2, и затем с ближайшим из более тяжелых типов шнура с наибольшей установленной площадью поперечного сечения, если машина не имеет такую конструкцию, при которой может быть установлен шнур только одного типа.
Машины, с которыми используется специально подготовленный шнур, испытывают вместе с поставляемым шнуром.
Провода вводят в зажимы и винты затягивают настолько, чтобы провода не могли легко изменить свое положение. Устройство крепления шнура используют обычным способом, при этом зажимные винты (при их наличии) затягивают крутящим моментом, равным 2/3 момента, указанного в 27.1.
Винты из изоляционного материала, которые опираются непосредственно на шнур, затягивают крутящим моментом, равным 2/3 момента, указанного в показателе 1 таблицы 9; длина шлица в головке принимается равной номинальному диаметру винта.
24.17 Для креплений типов Y и Z устройство крепления шнура должно быть выполнено соответствующим образом.
Соответствие требованию проверяют испытанием по 24.14, которое проводят со шнуром, поставляемым с инструментом.
24.18 Для крепления типа X не разрешается использовать такие производственные методы, как завязывание шнура узлом или завязывание концов с веревкой.
Соответствие требованию проверяют осмотром.
24.19 Изолированные провода шнура питания должны быть изолированы от доступных металлических частей с помощью изоляции, отвечающей требованиям, предъявляемым к основной изоляции машин класса I, и требованиям, предъявляемым к дополнительной изоляции машин класса II. Эта изоляция должна состоять:
- из отдельной изоляционной прокладки, закрепленной на устройстве крепления шнура;
- втулки или прокладочного кольца, прикрепленных к шнуру;
- оболочки шнура питания - для машин класса I.
Соответствие требованию проверяют осмотром.
24.20 Конструкция внутреннего отсека, предназначенного для кабелей питания или шнура питания или являющегося частью машины с креплением типа X, должна:
- перед установкой крышки (при ее наличии) допускать проверку правильности подсоединения и расположения проводов;
- обеспечить установку крышек, если они предусмотрены, без риска повреждения проводов питания или их изоляции;
- исключать случайный контакт неизолированного конца провода в случае выпадения из зажима с доступными металлическими частями, если шнур не снабжен концами, исключающими выскальзывание провода.
Соответствие требованию проверяют осмотром и при креплении типа X пробным монтажом с кабелями или гибкими шнурами с наибольшей площадью поперечного сечения, указанной в 25.2, и следующим дополнительным испытанием.
У зажимов колонкового типа, в которых проводники не закреплены отдельно на расстоянии 30 мм или менее от зажима, и у других зажимов с винтовым креплением винты крепления или гайки поочередно ослабляют. Не вытаскивая проводник из отсека, к проводу прикладывают усилие 2 Н в произвольном направлении и рядом с зажимом, винтом или шпилькой. В этом случае неизолированный конец провода не должен касаться доступных металлических частей или любой другой металлической части, соединенной с ними.
При использовании зажимов колонкового типа, в которых проводники закреплены отдельно на расстоянии 30 мм или менее от зажима, машина считается отвечающей требованию, согласно которому неизолированный конец провода не должен касаться доступных металлических частей.
24.21 Штепсельный разъем должен быть:
- расположен и закрыт так, чтобы токоведущие части не были доступными при введении или удалении соединителя;
- расположен таким образом, чтобы соединитель мог быть введен без затруднений;
- расположен таким образом, чтобы после введения соединителя машина не опиралась бы на соединитель, находясь в любом положении, возможном при нормальном использовании на плоской поверхности.
Соответствие требованию проверяют осмотром и в части первого требования с помощью стандартного испытательного пальца, приведенного на рисунке 1, если вводы машины отличаются от стандартизованных в МЭК 60320.
Машины, снабженные вводами, отвечающими требованиям МЭК 60320, считают отвечающими первому требованию.
25.1 Машины с креплением типа X, за исключением имеющих специальный шнур, должны иметь зажимы, в которых соединение осуществляется с помощью винтов, гаек или аналогичных по эффективности средств. Винтовые зажимы в соответствии с МЭК 60998-2-1, невинтовые зажимы в соответствии с МЭК 60998-2-2 и зажимные устройства в соответствии с МЭК 60999-1 считают аналогичными по эффективности средствами.
Винты и гайки не должны служить для крепления любых других элементов, за исключением того, что они могут также служить для зажима внутренних проводов, если эти провода ограждены так, что их смещение при подсоединении проводов питания маловероятно.
Соответствие требованию проверяют осмотром.
В машинах с креплением типа X для присоединения внешних проводов могут быть использованы соединения пайкой при условии, что провод расположен или закреплен так, что фиксация его в определенном положении зависит не только от одной пайки. Однако можно использовать только пайку, если перегородки выполнены так, что при отсоединении провода в месте пайки пути утечки и воздушные зазоры между токоведущими частями и другими металлическими частями не станут меньше 50 % значений, указанных в 28.1.
В машинах с креплением типов Y и Z для присоединения внешних проводов могут быть использованы соединения пайкой, сваркой, обжимкой и т.п.; кроме того, у машин класса I провод должен быть расположен или закреплен так, чтобы фиксация его в определенном положении зависела не только от пайки, сварки или обжимки. Однако можно использовать только пайку, сварку или обжимку, если перегородки выполнены так, чтобы при отсоединении провода в месте пайки или сварки или при его выскальзывании из соединения обжимкой пути утечки и воздушные зазоры между токоведущими частями и другими металлическими частями не станут меньше 50 % значений, указанных в 28.1.
Не предполагают одновременное ослабление двух независимых креплений.
Провода, присоединенные только пайкой, не считают достаточно закрепленными, если они не поддерживаются вблизи зажима независимо от пайки. Однако закрепление «скобой» перед местом пайки рассматривается как подходящий способ поддержания проводов шнура питания (кроме многожильного шнура) в необходимом положении при условии, что отверстие, через которое проходит провод, не является чрезмерно большим.
Зажимы комплектующего изделия (например, зажимы выключателя), встроенного в машину, могут быть использованы для зажима внешних проводов.
Провода, присоединенные к зажиму другими средствами, не считают достаточно закрепленными, если рядом с зажимом нет дополнительного крепления; это дополнительное крепление при использовании многожильного провода зажимает как изоляцию, так и провод.
Соответствие требованию проверяют осмотром и измерением.
25.2 Зажимы для крепления типа X (кроме использования специальных шнуров) должны обеспечивать соединение проводов с номинальными площадями поперечного сечения в соответствии с таблицей 8. Если машина рассчитана на подсоединение только одного типа шнура, зажимы должны обеспечивать подсоединение этого шнура.
Таблица 8 - Номинальная площадь поперечного сечения проводов
|
Номинальная площадь поперечного сечения гибких кабелей и шнуров, мм2 |
|
|
До 6 включ. |
0,75 и 1 |
|
Св. 6 до 10 » |
1 и 1,5 |
|
» 10 » 16 » |
1,5 и 2,5 |
|
» 16 » 25 » |
2,5 и 4 |
|
» 25 » 32 » |
4 и 6 |
|
» 32 » 40 » |
6 и 10 |
|
» 40 » 63 » |
10 и 16 |
Соответствие требованию проверяют осмотром, измерением и подсоединением кабелей или шнуров с наименьшей и наибольшей из указанных площадей поперечного сечения.
Зажимы для шнуров питания должны соответствовать своему назначению.
Соответствие требованию проверяют осмотром и натяжением соединения с усилием 5 Н.
После испытания соединения не должны иметь повреждений, нарушающих соответствие требованиям настоящего стандарта.
25.3 У машин с креплением типа X зажимы должны быть закреплены таким образом, чтобы при затягивании и ослаблении зажимного устройства крепление зажимов не ослаблялось, внутренняя проводка не подвергалась натяжению, а пути утечки и воздушные зазоры не уменьшались по сравнению со значениями, указанными в 28.1.
Соответствие требованию проверяют осмотром и с помощью испытания по МЭК 60999-1 (пункт 9.6), однако прикладываемый крутящий момент должен быть равным 2/3 момента, указанного в таблице 4 МЭК 60999-1.
Для предотвращения ослабления зажимов можно закреплять их одним винтом, расположенным в углублении, с тем чтобы не было значительных зазоров, или использовать другой подходящий способ.
Требование фиксации зажимов не исключает установки зажимов питания на выключателях или аналогичном устройстве, расположенном в углублении, если после подсоединения кабеля питания и после изменения положения выключателя или аналогичного устройства, расположенного в углублении, можно подтвердить путем осмотра, что эти комплектующие изделия и кабель питания после повторной сборки машины занимают правильное положение.
Покрытие зажима заливочной массой без других фиксирующих средств считают недостаточной защитой от ослабления крепления. Однако допускается использование самотвердеющей смолы для фиксации зажимов, которые при нормальной эксплуатации не подвергаются кручению.
25.4 У машин с креплением типа X зажимы должны быть сконструированы таким образом, чтобы они зажимали провод между металлическими поверхностями с достаточным контактным давлением, но без повреждения провода.
Соответствие требованию проверяют осмотром зажимов и проводов после испытания в соответствии с 25.3.
25.5 У машин с креплением типа X, кроме машин, использующих специально подготовленные шнуры, зажимы не должны требовать специальной подготовки провода для получения правильного соединения, и они должны быть сконструированы и расположены так, чтобы провод не мог выскользнуть при затягивании зажимных винтов или гаек.
Соответствие требованию проверяют осмотром зажимов и проводов после испытания в соответствии с 25.3.
Термин «специальная подготовка провода» означает пайку жил, использование кабельных наконечников, образование петелек и т.п., но без изменения формы провода перед его введением в зажим или закручивания многожильного провода, с тем чтобы сделать его конец более прочным.
Провода считают поврежденными, если на них обнаружены глубокие или острые вмятины.
25.6 Зажимы колонкового типа должны быть расположены таким образом, чтобы был виден конец провода, вставленного в отверстие, или чтобы он мог проходить за пределы отверстия с резьбой на расстояние, равное по крайней мере половине номинального диаметра винта или 2,5 мм в зависимости от того, что больше.
Соответствие требованию проверяют осмотром и измерением.
25.7 У машин с креплением типа X зажимы должны быть четко опознаваемы и доступны после открытия машины. Все зажимы должны быть расположены за одной крышкой или одной частью кожуха.
Соответствие требованию проверяют осмотром.
25.8 Зажимные устройства не должны быть доступны без помощи инструмента, даже если их токоведущие части не являются доступными.
Соответствие требованию проверяют осмотром и испытанием вручную.
25.9 Зажимные устройства у машин с креплением типа X должны быть расположены или защищены так, чтобы провод многожильного проводника не мог выскользнуть после закрепления проводников и не было опасности случайного контакта между токоведущими частями и доступными металлическими частями, а в случае машин класса II - между токоведущими частями и металлическими частями, отделенными от доступных металлических частей только дополнительной изоляцией.
Соответствие требованию проверяют следующим испытанием.
С конца гибкого провода, имеющего номинальную площадь поперечного сечения, указанную в 24.5, удаляют изоляцию на длине 8 мм.
Одну проволоку многожильного провода оставляют свободной, а остальные проволоки вставляют в зажим и зажимают.
Свободную проволоку изгибают, не задирая назад изоляцию, во всех возможных направлениях, но без острых изгибов вокруг перегородок.
Свободная проволока провода, подсоединенного к зажиму под напряжением, не должна касаться доступной металлической части или в случае машин класса II - любой металлической части, которая отделена от доступных металлических частей только дополнительной изоляцией. Свободная проволока провода, соединенного с защитным зажимом, не должна касаться любой токоведущей части.
26.1 Доступные металлические части машин класса I, которые могут оказаться под напряжением в случае повреждения изоляции, должны быть постоянно и надежно присоединены к зажиму заземления или контакту заземления внутри машин или контакту заземления штепсельного соединителя машины.
Проводники печатных плат недопустимо использовать для обеспечения электропроводности защитной цепи заземления.
Зажимы заземления и контакты заземления не должны быть соединены с зажимом нейтрального провода.
Машины классов II и III не должны иметь устройств для заземления.
Если доступные металлические части отделены от токоведущих частей металлическими частями, которые соединены с зажимом или контактом заземления, то в соответствии с требованиями настоящего пункта их не считают частями, которые могут попасть под напряжение при повреждении изоляции.
Металлические части под декоративным кожухом, не выдерживающие испытание в соответствии с разделом 20, считают доступными металлическими частями.
Соответствие требованию проверяют осмотром.
26.2 Зажимные устройства зажимов заземления должны быть в достаточной степени зафиксированы от случайного ослабления, и должна быть исключена возможность их ослабления без помощи инструмента. Винтовые зажимы, соответствующие требованиям раздела 25, и невинтовые зажимы, соответствующие требованиям МЭК 60998-2-2, считают соответствующими требованиям настоящего пункта.
У специально подготовленных шнуров зажимы, соответствующие требованиям МЭК 60760, считают соответствующими требованиям настоящего пункта
Соответствие требованию определяют осмотром, испытанием вручную и для невинтовых зажимов - испытаниями, приведенными в МЭК 60998-2-2.
26.3 Если съемные части соединены с землей, то при установлении части на место это соединение должно быть осуществлено до установления токопроводящих соединений, а при удалении части токопроводящие соединения должны быть отключены до отключения соединения с землей.
У машин со шнурами питания расположение зажимов или длина проводов между устройством крепления шнуров и зажимами должны быть такими, чтобы токопроводящие провода натягивались раньше заземляющего проводника при выскальзывании шнура из устройства крепления.
Соответствие требованию проверяют осмотром и испытанием вручную.
26.4 Все части зажима заземления, предназначенные для присоединения внешних проводников, должны быть такими, чтобы отсутствовала опасность коррозии в результате контакта между этими частями и медью заземляющего проводника или любого другого металла, контактирующего с этими частями.
Части, которые могут пропускать ток в случае повреждения изоляции, кроме частей металлической рамы или кожуха, должны быть изготовлены из плакированного или неплакированного металла, обладающего соответствующей стойкостью к коррозии. Если такие части изготовлены из стали, они должны иметь значительную площадь с гальваническим покрытием, имеющим толщину минимум 5 мкм.
Части из плакированного и неплакированного металла, которые предназначены только для обеспечения или передачи контактного давления, должны обладать соответствующей стойкостью к коррозии.
Примеры частей, которые могут пропускать ток при повреждении изоляции, или частей, которые предназначены для обеспечения или передачи контактного давления, приведены на рисунке 8.
Если корпус зажима заземления является частью рамы или кожуха, изготовленных из алюминия или алюминиевых сплавов, должны быть приняты меры для избежания коррозии из-за контакта между медью и алюминием или его сплавами. Части из меди или медных сплавов, содержащих не менее 58 % меди для частей, работающих в холодных условиях, и не менее 50 % меди для других частей, и части из нержавеющей стали, содержащей не менее 13 % хрома, считают обладающими соответствующей стойкостью к коррозии. Части, подвергнутые такой обработке, как, например, хромирование, обычно не считают защищенными соответствующим образом от коррозии, однако их допускается использовать для обеспечения или передачи контактного давления.
Важными участками частей из стали являются те, которые пропускают ток. При оценке таких участков следует учитывать отношение толщины покрытия к форме части. В случае сомнения толщину покрытия измеряют по ИСО 2178 или ИСО 1463.
Соответствие требованию проверяют осмотром, измерением, испытанием вручную и проведением испытания в соответствии с 30.1.
26.5 Соединение между зажимом заземления или контактом заземления и металлическими частями, которые должны быть присоединены к ним, должно иметь небольшое сопротивление.
Соответствие требованию проверяют следующим испытанием.
Ток, составляющий 1,5 номинального тока или 25 А в зависимости от того, что больше, полученный от источника переменного тока, напряжение которого без нагрузки не больше 12 В, пропускают между зажимом заземления или контактом заземления и каждой из доступных металлических частей по очереди.
Измеряют падение напряжения между зажимом заземления или контактом заземления штепсельного соединителя и доступной металлической частью, а также сопротивление, рассчитанное по значениям тока и данного падения напряжения.
Ни в коем случае сопротивление не должно превышать 0,1 Ом.
В случае сомнения испытание проводят до достижения установившегося состояния.
Сопротивление шнура питания не учитывают в измеренном сопротивлении.
Обращают внимание на то, чтобы переходное сопротивление между концом измерительного щупа и испытуемой металлической частью не оказывало влияния на результаты испытания.
Винты, используемые для этой цели, недопустимо изготовлять из мягкого металла или металла, склонного к текучести, такого, как цинк или алюминий.
Если такие винты изготовлены из изоляционного материала, они должны иметь номинальный диаметр не менее 3 мм и не должны быть использованы для каких-либо электрических соединений.
Винты, передающие электрическое контактное давление, должны ввинчиваться в металл.
Винты не должны быть изготовлены из изоляционного материала, если их замена металлическими винтами может повредить дополнительную или усиленную изоляцию.
Винты, которые могут быть удалены при замене шнура питания с креплением типа X или при проведении текущего ремонта потребителем, недопустимо изготовлять из изоляционного материала, если их замена металлическими винтами может повредить основную изоляцию.
Примечание - Соединения заземляющих проводов считают электрическими соединениями.
Соответствие требованию проверяют осмотром и следующим испытанием.
Винты или гайки завинчивают и отвинчивают:
- 10 раз - для винтов, завинчиваемых в резьбу из изоляционного материала;
- 5 раз - для гаек и других винтов.
Винты, завинчиваемые в резьбу из изоляционного материала, каждый раз полностью вывинчивают и снова завинчивают.
При испытании винтов и гаек для зажимов в зажим вводят гибкий проводник с наибольшей площадью поперечного сечения, указанного в 25.2.
Испытание проводят с помощью соответствующей испытательной отвертки или гаечного ключа с приложением крутящего момента, указанного в таблице 9:
- показатель 1 применяют для металлических винтов без головки, если они не выступают из отверстия после завинчивания;
- показатель 2 применяют для:
- других металлических винтов и гаек;
- винтов из изоляционного материала:
- с шестигранной головкой, расстояние между противоположными гранями которой превышает наружный диаметр резьбы;
- с цилиндрической головкой и гнездом под ключ, расстояние между противоположными вершинами которого превышает наружный диаметр резьбы;
- с головкой, имеющей прямой или крестообразный шлиц, длина которого в 1,5 раза превышает наружный диаметр резьбы;
- показатель 3 применяют для других винтов из изоляционного материала.
Таблица 9 - Крутящий момент для испытания винтов и гаек
|
Крутящий момент, Нм |
|||
|
1 |
2 |
3 |
|
|
До 2,8 включ. |
0,2 |
0,4 |
0,4 |
|
Св. 2,8 до 3 » |
0,25 |
0,5 |
0,5 |
|
» 3 » 3,2 » |
0,3 |
0,6 |
0,5 |
|
» 3,2 » 3,6 » |
0,4 |
0,8 |
0,6 |
|
» 3,6 » 4,1 » |
0,7 |
1,2 |
0,6 |
|
» 4,1 » 4,7 » |
0,8 |
1,8 |
0,9 |
|
» 4,7 » 5,3 » |
0,8 |
2,0 |
1,0 |
|
» 5,3 |
- |
2,5 |
1,25 |
Проводник сдвигают каждый раз после ослабления винта или гайки.
Во время испытания не допускаются повреждения, ухудшающие дальнейшее использование крепежных или электрических соединений.
Форма лезвия испытательной отвертки должна соответствовать шлицу испытуемого винта. Винты и гайки следует завинчивать без рывков.
27.2 Электрические соединения должны быть сконструированы так, чтобы контактное давление не передавалось через изоляционный материал, который имеет тенденцию к усадке или деформации, кроме тех случаев, когда металлические части обладают достаточной упругостью, чтобы скомпенсировать возможную усадку или деформацию изоляционного материала. Керамический материал не имеет тенденции к усадке и деформации.
Соответствие требованию проверяют осмотром.
27.3 Винты с крупной резьбой (для листового металла) недопустимо использовать для соединения токоведущих частей, если они не прижимают эти части плотно друг к другу и не снабжены соответствующим устройством фиксации.
Самонарезающие винты недопустимо использовать для электрического соединения токоведущих частей, если они не образуют полную резьбу стандартного крепежного винта. Однако такие винты нельзя использовать, если существует вероятность того, что они будут завинчиваться и отвинчиваться потребителем или сборщиком, кроме случаев, когда их резьба выполнена высадкой в штампе. Самонарезающие винты и винты с крупной резьбой могут быть использованы для обеспечения непрерывности заземления при условии, что нет необходимости нарушать данное соединение при нормальной эксплуатации и для каждого соединения использовано не менее двух винтов.
Соответствие требованию проверяют осмотром.
27.4 Винты, предназначенные для механического соединения различных частей машины, должны быть зафиксированы, с тем чтобы исключить их ослабление, если это соединение является одновременно электрическим.
Данное требование не распространяется на винты в цепи заземления, если для соединения используют не менее двух винтов или если предусмотрена дополнительная цепь заземления.
Пружинные шайбы и подобные им детали могут обеспечить удовлетворительное фиксирование против ослабления. Заливочная масса, которая размягчается при нагревании, обеспечивает удовлетворительную фиксацию только тех винтовых соединений, которые не подвергаются крутящему моменту при нормальной эксплуатации.
Заклепки, используемые для электрических соединений, следует предохранять от ослабления, если эти соединения подвергают кручению в процессе нормальной эксплуатации. Некруглую форму стержня заклепок или соответствующий паз считают достаточной защитой от ослабления.
Это требование не означает, что для обеспечения непрерывности заземления требуется более одной заклепки.
Соответствие требованию проверяют осмотром и испытанием вручную.
28.1 Пути утечки и воздушные зазоры не должны быть меньше значений, приведенных в таблице 10. Значения, указанные в таблице, не относятся к точкам пересечения обмоток двигателя.
Если между точкой, в которой соединены обмотка и конденсатор, и металлическими частями, которые отделены от токоведущих частей только основной изоляцией, возникает резонансное напряжение, то пути утечки и воздушные зазоры должны быть не меньше значений, соответствующих резонансному напряжению; в случае усиленной изоляции эти значения должны быть увеличены на 4 мм.
Соответствие требованию проверяют измерением.
Для машин, снабженных приборным вводом, измерения проводят с вмонтированным в приборный ввод соответствующим соединителем; для машин с креплением типа X их проводят с использованием проводов питания, имеющих наибольшую площадь поперечного сечения, указанную в 25.2, а также без проводов; для других машин измерения проводят в состоянии их поставки.
Для машин, снабженных ремнями, измерения проводят с установленными на место ремнями и устройствами для изменения натяжения ремня, установленными в наиболее неблагоприятное положение в пределах диапазона их регулирования, а также со снятыми ремнями.
Подвижные части помещают в наиболее неблагоприятное положение; гайки и винты с некруглыми головками затягивают так, чтобы они занимали самое неблагоприятное положение.
Воздушные зазоры между зажимами и доступными металлическими частями измеряют также при отвинченных, насколько возможно, винтах или гайках; при этом воздушные зазоры должны быть не менее 50 % значений, указанных в таблице 10.
Расстояния через щели или отверстия в наружных частях изоляционного материала измеряют до металлической фольги, соприкасающейся с доступной поверхностью; фольгу вталкивают в углы и другие подобные места стандартным испытательным пальцем, приведенным на рисунке 1, но не вталкивают в отверстия.
При необходимости во время измерений усилие прикладывают к любой точке оголенных проводов и к наружной поверхности металлических кожухов в целях уменьшения путей утечки и воздушных зазоров.
Таблица 10 - Минимальные пути утечки и воздушные зазоры
|
Машины класса III |
Другие машины |
|||||||
|
Рабочее напряжение £ 130 В |
Рабочее напряжение > 130 и £ 250 В |
Рабочее напряжение > 250 и £ 440 В |
||||||
|
ПУ |
ВЗ |
ПУ |
ВЗ |
ПУ |
ВЗ |
ПУ |
ВЗ |
|
|
Между токоведущими частями различной полярностиа): |
||||||||
|
- защищенными от осаждения грязиb) |
1,0 |
1,0 |
1,0 |
1,0 |
2,0 |
2,0 |
2,0 |
2,0 |
|
- незащищенными от осаждения грязи |
2,0 |
1,5 |
2,0 |
1,5 |
3,0 |
2,5 |
4,0 |
3,0 |
|
- если обмотки покрыты лаком или эмалью |
1,0 |
1,0 |
1,5 |
1,5 |
2,0 |
2,0 |
3,0 |
3,0 |
|
- для резисторов с положительным температурным коэффициентом, включая их соединительные провода, если они защищены от осаждения влаги или грязиb) |
- |
- |
1,0 |
1,0 |
1,0 |
1,0 |
- |
- |
|
Между токоведущими и другими металлическими частями по основной изоляции: |
||||||||
|
- защищенной от осаждения грязиb) и |
||||||||
|
- выполненной из керамики, чистой слюды и т.п. |
1,0 |
1,0 |
1,0 |
1,0 |
2,5c) |
2,5c) |
- |
- |
|
- выполненной из других материалов |
1,5 |
1,0 |
1,5 |
1,0 |
3,0 |
2,5c) |
- |
- |
|
- незащищенной от осаждения грязи |
2,0 |
1,5 |
2,0 |
1,5 |
4,0 |
3,0 |
- |
- |
|
- если токоведущими частями являются обмотки, покрытые лаком или эмалью |
1,0 |
1,0 |
1,5 |
1,5 |
2,0 |
2,0 |
- |
- |
|
- на конце трубчатых нагревательных элементов с оболочкой |
- |
- |
1,0 |
1,0 |
1,0e) |
1,0d) |
- |
- |
|
Между токоведущими и другими частями по усиленной изоляции: |
||||||||
|
- если токоведущими частями являются обмотки, покрытые лаком или эмалью или защищенные от осаждения грязи |
- |
- |
5,0 |
5,0 |
6,0 |
6,0 |
- |
- |
|
- для других токоведущих частей, не защищенных от осаждения грязи |
- |
- |
8,0 |
5,0 |
8,0 |
8,0 |
- |
- |
|
Между металлическими частями, разделенными дополнительной изоляцией |
- |
- |
2,5 |
2,5 |
4,0 |
4,0 |
- |
- |
|
a) Указанные расстояния не распространяются на воздушные зазоры между контактами устройств терморегулирования, устройств защиты от перегрузок, выключателей, конструкция которых предусматривает микрозазоры и т.п., или на воздушные зазоры между токоведущими элементами этих устройств, изменяющиеся при перемещении контактов. b) Обычно внутренняя часть машины, имеющая достаточно пылезащищенный кожух, считается защищенной от осаждения грязи при условии, что при работе машины в ней самой не образуется пыли; герметичное уплотнение не требуется. c) Если части являются жесткими и запрессованными или если конструкция исключает возможность уменьшения расстояния вследствие деформации или перемещения этих частей, указанное значение может быть уменьшено до 2,0 мм. d) Для защищенных от осаждения грязи. e) По керамике, чистой слюде и другим подобным материалам, защищенным от осаждения грязи. |
||||||||
Усилие прикладывают с помощью стандартного испытательного пальца, приведенного на рисунке 1, значение этого усилия составляет:
- 2 Н - для оголенных проводников и неизолированных капиллярных трубок терморегуляторов и аналогичных устройств;
- 30 Н - для кожухов.
Методы измерения путей утечки и воздушных зазоров приведены в приложении А.
При наличии перегородки, состоящей из двух частей, не склеенных между собой, пути утечки измеряют через соединение этих частей.
Для машин с двойной изоляцией в тех местах, где между основной изоляцией и дополнительной изоляцией отсутствуют металлические части, измерение проводят так, как будто между двумя изоляциями находится металлическая фольга.
При определении путей утечки и воздушных зазоров учитывают влияние внутренних изоляционных покрытий на металлических кожухах или крышках.
Средства, предназначенные для крепления машин к опоре, считают доступными.
Для проводящих схем на печатной плате, за исключением углов, значения, указанные в таблице 10, между частями с разным потенциалом могут быть уменьшены, если пиковое значение напряжения не превышает:
- 150 В на 1 мм при минимальном расстоянии 0,2 мм, если они защищены от осаждения грязи;
- 100 В на 1 мм при минимальном расстоянии 0,5 мм, если они не защищены от осаждения грязи.
Если указанные выше пределы приближаются к более высоким значениям по сравнению с указанными в таблице 10, то применяют табличные значения.
Для пиковых напряжений, превышающих 50 В, уменьшение путей утечки допускается только в том случае, если контрольный индекс трекингостойкости (КИТ) печатной платы, измеренный в соответствии с приложением G, больше 175.
Эти расстояния могут быть еще уменьшены при условии, что машины соответствуют требованиям раздела 18 при поочередном закорачивании этих расстояний.
Пути утечки и воздушные зазоры внутри оптических соединителей не измеряют при достаточной герметизации отдельных изоляций и при удалении воздуха между отдельными слоями материала.
Для токоведущих частей различной полярности, отделенных только основной изоляцией, допускаются меньшие по сравнению с указанными в таблице 10 значениями пути утечки и воздушные зазоры, если выполняются требования раздела 18 при поочередном закорачивании этих путей утечки и воздушных зазоров.
28.2 Для рабочих напряжений до 130 В включительно расстояния по изоляции между металлическими частями должны быть не менее 1 мм, если они разделены дополнительной изоляцией, и не менее 1,5 мм, если они разделены усиленной изоляцией. Для усиленной изоляции, используемой между обмотками и доступными металлическими частями, расстояния через изоляцию должны быть не менее 1,0 мм.
Для рабочих напряжений свыше 130 В до 250 В включительно расстояние через изоляцию между металлическими частями должно быть не менее 1,0 мм, если они разделены дополнительной изоляцией, и не менее 2,0 мм, если они разделены усиленной изоляцией.
Данное требование не распространяется на изоляцию, которая имеет вид тонкого листа, за исключением слюды или аналогичного чешуйчатого материала, и состоит:
- в случае дополнительной изоляции по крайней мере из двух слоев при условии, что один из слоев выдерживает испытание на электрическую прочность, установленное для дополнительной изоляции;
- в случае усиленной изоляции по крайней мере из трех слоев, когда любые два из них, приложенные друг к другу, выдерживают испытание на электрическую прочность, установленное для усиленной изоляции.
Испытательное напряжение прикладывают между наружными поверхностями слоя или двух слоев в зависимости от того, что применимо.
Кроме того, требования настоящего пункта также не распространяются на недоступную дополнительную или усиленную изоляцию, если при этом выполняются следующие условия:
- максимальное превышение температуры в процессе испытаний по разделу 12 не превышает допустимое значение, указанное в 12.5;
- изоляция после выдержки в течение семи суток (168 ч) в тепловой камере при температуре на 50 °С выше максимального превышения температуры, измеренного при испытании по разделу 12, выдерживает испытание на электрическую прочность изоляции в соответствии с разделом 15, при этом изоляцию подвергают данному испытанию как при температуре, поддерживаемой в камере, так и после охлаждения до комнатной температуры.
Установленное расстояние не должно быть только по твердой изоляции; оно может состоять из толщины твердого материала и одного или нескольких воздушных промежутков.
Соответствие требованию проверяют осмотром и измерением.
Для оптических соединителей процедуру кондиционирования проводят при температуре на 50 К выше максимального превышения температуры, измеренного на оптическом соединителе в процессе испытаний по разделам 12 и 18 при работе оптических соединителей в наиболее неблагоприятных условиях, возникающих при этих испытаниях.
Примечание - В приложении J указано, как выбирать и в каком порядке проводить испытания, приведенные в настоящем разделе.
Соответствие требованию проверяют, подвергая части испытанию воздействию давлением шарика с помощью устройства, приведенного на рисунке 5.
Перед началом проведения испытания образец выдерживают в течение 24 ч в атмосфере, имеющей температуру от 15 °С до 35 °С и относительную влажность от 45 % до 75 %. Часть размещают на подставке таким образом, чтобы ее верхняя поверхность располагалась горизонтально, а сферическая поверхность испытательного устройства давила на нее с силой 20 Н. Подвергаемая испытанию часть должна иметь толщину не менее 2,5 мм.
При необходимости для достижения требуемой толщины используют две или несколько секций части.
Испытание проводят в термокамере при температуре (40 ± 2) °С плюс максимальное превышение температуры, достигнутое при испытании по разделу 12, но не менее:
- (75 ± 2) °С - для наружных частей;
- (125 ± 2) °С - для частей, поддерживающих токоведущие части в нужном положении.
Перед началом испытания испытательное устройство доводят до указанной выше температуры.
Через 1 ч устройство удаляют, а часть охлаждают до комнатной температуры в течение 10 с путем немедленного погружения ее в холодную воду. Диаметр отпечатка не должен превышать 2 мм.
У сердечников обмоток испытанию подвергают только те части, которые служат опорой или поддерживают в определенном положении зажимы.
Если не оговорено иное, части, работающие при безопасном сверхнизком напряжении, не превышающем 24 В, не считают токоведущими частями.
Испытанию не подвергают части, изготовленные из керамического материала.
29.2 Части из неметаллического материала должны быть достаточно устойчивы к воспламенению и к распространению огня. Данное требование не распространяется на декоративные украшения, кнопки и на другие части, воспламенение которых маловероятно или не приведет к распространению огня внутри машины.
Соответствие требованию проверяют, подвергая части из неметаллического материала испытанию тлеющей проволокой в соответствии с МЭК 60695-2-11, которое проводят при температуре 550 °С.
Испытанию раскаленной проволокой не подвергают части из материала, который в соответствии с МЭК 60695-11-10 классифицирован, по крайней мере, как НВ40, при этом испытательный образец должен быть не толще соответствующей части.
Части, которые не могут быть подвергнуты испытанию раскаленной проволокой, такие, как части, изготовленные из мягкого и пенистого материала, должны отвечать требованиям ИСО 9772 для материала категории HBF, при этом испытательный образец должен быть не толще соответствующей части.
29.3 Изоляционный материал, через который возможно образование токоведущего мостика, должен быть достаточно трекингостойким с учетом жесткости условий эксплуатации этих материалов.
Токоведущий мостик может образоваться:
- между токоведущими частями различной полярности;
- между токоведущими частями и заземленными металлическими частями;
- через изоляционный материал коллекторов и щеткодержателей.
Все машины считают относящимися к нормальным условиям работы, если иное не оговорено в соответствующем стандарте на машины конкретного вида.
Части из изоляционного материала, работающие в жестких или сверхжестких условиях, проверяют, проводя испытание на устойчивость к образованию токопроводящих мостиков в соответствии с приложением G.
Части из изоляционного материала, работающие в нормальных условиях, и части из керамического материала не подвергают испытанию на устойчивость к образованию токопроводящих мостиков.
Части из изоляционного материала, работающие в жестких условиях, испытывают при напряжении 175 В. Если образцы не выдерживают это испытание, но нет другой опасности, кроме опасности возгорания, близлежащие изоляционные части машины подвергают испытанию игольчатым пламенем по приложению F.
Части из изоляционного материала, работающие в сверхжестких условиях, испытывают при напряжении 250 В. Если образцы не выдерживают данное испытание, но выдерживают испытание при напряжении 175 В и не возникает никакой другой опасности, кроме опасности возгорания, близлежащие изоляционные части машины подвергают испытанию игольчатым пламенем по приложению F.
Испытанию игольчатым пламенем подвергают все части из неметаллических материалов, расположенные на расстоянии не более 50 мм от любого места, где возможно образование токопроводящих мостиков, если эти части не защищены отдельной перегородкой или кожухом. При наличии такой защиты испытанию игольчатым пламенем подвергают перегородку или кожух.
Соответствие требованию проверяют проведением следующего испытания.
С испытываемых частей удаляют смазку путем погружения их на 10 мин в соответствующий обезжиривающий состав.
Затем части погружают на 10 мин в 10 %-ный водный раствор хлористого аммония при температуре (20 ± 5) °С.
Без высушивания, но после стряхивания капель части помещают на 10 мин в камеру, содержащую воздух с насыщенной влажностью при температуре (20 ± 5) °С.
После того как части просушат в течение 10 мин в сушильном шкафу при температуре (100 ± 5) °С, на их поверхности не должно быть следов коррозии.
При использовании жидкостей, предусмотренных для проведения испытания, необходимо принять соответствующие меры предосторожности, предотвращающие вдыхание их паров.
Следы ржавчины на острых краях и желтоватую пленку, которую можно снять протиркой, не принимают во внимание.
Для небольших спиральных пружин и для частей, подвергаемых истиранию, слой смазки может обеспечить соответствующую защиту от коррозии. Такие части подвергают испытанию только в том случае, если есть сомнение относительно эффективности смазки, и испытание в этом случае проводят без предварительного снятия смазки.
31.1 Машины не должны излучать радиацию и не должны быть источником токсичности или аналогичных опасностей.
Соответствие требованию проверяют проведением испытания.
Примечание - Там, где это необходимо, методы испытаний приводят в соответствующих стандартах на машины конкретных видов.
31.2 Если машина снабжена лазером в целях индикации линии разреза или с аналогичной целью, в соответствии с МЭК 60825-1 лазер должен быть категории II или ниже.
Соответствие требованию проверяют осмотром.
А - ручка; B - ограждение; С - изоляционный материал; D - соединения
(шарниры);
Е - упорная поверхность; F - фаски (на всех
углах); G - сферическая часть; Н - цилиндрическая часть
Материал: металл, если не указано другое.
Неуказанные допустимые отклонения:
- на угловые размеры: минус 10°;
- на линейные размеры: до 25 мм включ.: минус 0,05 мм; св. 25 мм: ±0,2 мм.
Оба соединения D должны допускать перемещение в одной плоскости и в одном направлении на 90° с допуском от 0° до +10°
Рисунок 1 - Стандартный испытательный палец
Рисунок 2 - Испытательный стержень
С - схема, приведенная на рисунке 10, для измерения токов утечки; S1 - сетевой
выключатель
испытываемого изделия; 1 - доступная часть; 2 - недоступная
металлическая часть;
3 - основная изоляция; 4 - дополнительная изоляция; 5 -
усиленная изоляция; 6 - двойная изоляция;
а, b - положения селективного переключателя; N - нейтральный
провод
Рисунок 3 - Схема измерения тока утечки при рабочей температуре
для
однофазных и трехфазных машин, пригодных для однофазного подключения
С - схема, приведенная на рисунке 10, для измерения тока утечки; 1 - доступная
часть;
2 - недоступная металлическая часть; 3 - основная изоляция; 4
- дополнительная изоляция;
5 - трехфазное питание; 6 - двойная изоляция; N - нейтральный провод;
а, b, с - выключатели
Рисунок 4 - Схема измерения тока утечки при рабочей температуре для трехфазного подключения
А - сферическая часть; B - испытуемый образец
Рисунок 5 - Испытательное устройство для вдавливания шарика
Допустимые конструкции

Часть машины выполнена из изоляционного материала и имеет форму, являющуюся частью зажимного устройства шнура.
Один из крепежных элементов закреплен на машине.
Недопустимые конструкции
Винты, проходящие через резьбовые отверстия в машине (винты, проходящие через отверстия без резьбы в машине и закрепленные гайками), в одинаковой степени неприемлемы
Рисунок 6 - Примеры конструктивных исполнений крепления шнура
А - изоляционный материал; B - пружина; С - петля
Рисунок 7 - Испытательный подпружиненный палец
А - токопроводящая часть, обеспечивающая непрерывность заземления;
B - часть, обеспечивающая или передающая контактное давление
Рисунок 8 - Примеры частей заземляющих зажимов
А - ось качания; B - качающийся элемент; С - противовес; D - образец;
Е - регулируемая несущая плита; F - регулируемый
кронштейн; G - груз
Рисунок 9 - Устройство для испытания на изгиб
А, В - испытательные зажимы
RS = 1500 Ом, RB = 500 Ом, CS = 0,22 мкФ, R1 = 10000 Ом, С1 = 0,022 мкФ
Взвешенный ток
прикосновения (восприятие/реакция) =
(пиковое значение)
Рисунок 10 - Схема для измерения токов утечки
A и B - наиболее близкие к источнику питания точки, в которых максимальная мощность, подаваемая на внешнюю нагрузку, не превышает 15 Вт. Это маломощные точки.
D - наиболее удаленная от источника питания точка, в которой максимальная мощность, подаваемая на внешнюю нагрузку, превышает 15 Вт.
Точки A и B раздельно накоротко соединяют с точкой С.
Условия повреждения в соответствии с перечислениями а) - f) 18.10.2 рассматривают отдельно в цепях Z1, Z2, Z3, Z6 и Z7 в зависимости от их применяемости
Рисунок 11 - Пример электронной цепи с маломощными точками
Измерение путей утечки тока и воздушных зазоров
А.1 Измерение путей утечки тока и воздушных зазоров
Методы измерения путей утечки тока и воздушных зазоров, указанных в 28.1, приведены в примерах 1 - 10 (см. рисунки А.1а - А.1d).
Предполагаются следующие допущения:
- паз может иметь параллельные, сходящиеся или расходящиеся стенки;
- любой паз с расходящимися стенками, имеющий минимальную ширину больше 0,25 мм, глубину больше 1,5 мм и ширину у дна, равную 1 мм или более, считают воздушным зазором, вдоль которого нет пути утечки (пример 8);
- любой уголок с внутренним углом менее 80° считают шунтированной деталью из изоляционного материала шириной 1 мм (0,25 мм в местах, защищенных от осаждения грязи), помещенной в самое неблагоприятное положение (пример 3);
- если расстояние между верхними кромками паза равно 1 мм (0,25 мм в местах, защищенных от осаждения грязи) или более, то расстояние по воздуху между этими кромками не считают путем утечки (пример 2);
- пути утечки и воздушные зазоры между частями, перемещающимися друг относительно друга, измеряют тогда, когда эти части находятся в самом неблагоприятном стационарном положении;
- при расчете суммарного воздушного зазора любой воздушный зазор шириной менее 1 мм (0,25 мм для мест, защищенных от осаждения грязи) не учитывают.

Условие - Рассматриваемый путь включает паз шириной 1 мм с параллельными или сходящимися стенками любой глубины.
Правило - Путь утечки и воздушный зазор измеряют поперек паза, как показано на рисунке

Условие - Рассматриваемый путь включает паз шириной 1 мм или более с параллельными стенками любой глубины.
Правило - Воздушным зазором считают расстояние по визирной линии (т. е. прямой). Путь утечки совпадает с контуром паза.

Условие - Рассматриваемый путь включает V-образный паз шириной более 1 мм с внутренним углом менее 80°.
Правило - Воздушным зазором считают расстояние по визирной линии (т.е. прямой). Пути утечки совпадают с контуром паза, однако шунтируют дно паза отрезком длиной 1 мм (0,25 мм - в местах, защищенных от загрязнения)
Рисунок А.1а - Путь утечки и воздушный зазор для пазов с параллельными стенками и пазов V-образной формы

Условие - Рассматриваемый путь включает ребро.
Правило - Воздушным зазором считают наикратчайшее расстояние по воздуху через ребро. Путь утечки проходит по контуру ребра
Пример 4

Условие - Рассматриваемый путь включает несклеенное соединение с пазами шириной менее 1 мм (0,25 мм в местах, защищенных от оседания грязи) с каждой стороны.
Правило - Путь утечки и воздушный зазор равны расстоянию по визирной линии, как показано на рисунке
Пример 5

Условие - Рассматриваемый путь включает несклеенное соединение с пазами шириной 1 мм и более с каждой стороны.
Правило - Воздушным зазором считают длину визирной линии. Путь утечки проходит по контурам пазов
Пример 6
![]()
Рисунок А.1b - Путь утечки и воздушный зазор для ребра и несклеенного соединения с пазом

Условие - Рассматриваемый путь включает несклеенное соединение, с одной стороны которого имеется паз шириной менее 1 мм, с другой - 1 мм и более.
Правило - Воздушный зазор и путь утечки измеряют, как указано на рисунке
Пример 7

Условие - Рассматриваемый путь включает паз с расходящимися боковыми стенками глубиной 1,5 мм или более, шириной в самом узком месте более 0,25 мм и шириной у дна паза 1 мм и более.
Правило - Воздушным зазором считают длину визирной линии. Путь утечки проходит по контуру паза. Для внутренних углов менее 80° применяют также пример 3
![]()
Рисунок А.1с - Путь утечки и воздушный зазор для несклеенного соединения и паза с расходящимися стенками
Зазор между головкой винта и стенкой впадины слишком мал, и его не принимают во внимание
Пример 9

Зазор между головкой винта и стенкой впадины достаточно велик, и его принимают во внимание.
![]()
Рисунок A.1d - Путь утечки и воздушный зазор между стенкой и винтом
В.1 Область применения
В.1.1 Данное приложение распространяется на двигатели, рабочее напряжение которых не превышает 42 В, подключаемые к источнику питания и имеющие основную изоляцию, не рассчитанную на номинальное напряжение машины.
Все пункты настоящего стандарта распространяются на эти двигатели, если иное не указано в данном приложении.
В.9 Защита от доступа к токопроводящим частям
В.9.1 Металлические части двигателя считают оголенными токопроводящими частями.
В.12 Нагрев
В.12.3 Повышение температуры у корпуса двигателя определяют вместо повышения температуры обмоток.
В.12.5 Повышение температуры у корпуса двигателя в тех случаях, когда он контактирует с изоляционным материалом, не должно превышать величин, приведенных в таблице 1 настоящего стандарта для соответствующего изоляционного материала.
В.15 Электрическая прочность
В.15.3 Изоляция между токопроводящими частями двигателя и его другими частями не подвергается данному испытанию.
В.18 Ненормальный режим работы
В.18.1 Испытание по 18.7 не проводят.
Машины подвергают также испытанию в соответствии с В.18.201.
В.18.201 Машина работает при номинальном напряжении при имитации каждой из следующих неисправностей:
- короткое замыкание зажимов двигателя, включая любой конденсатор, встроенный в цепь двигателя;
- размыкание цепи у сети питания двигателя;
- размыкание цепи любого шунтирующего резистора во время работы двигателя. Одновременно имитируют только одну неисправность, при этом испытания проводят последовательно.
В.21 Конструкция
В.21.201 У машин класса I, имеющих двигатель, питание на который подается от цепи выпрямителя, цепь постоянного тока должна быть изолирована от доступных частей машины двойной или усиленной изоляцией.
Соответствие требованию проверяют проведением испытаний, указанных для двойной или усиленной изоляции.
В.28 Пути утечки тока, воздушные зазоры и расстояния по изоляции
В.28.1 Величины, указанные в таблице 10, не распространяются на расстояния между токопроводящими частями двигателя и его другими металлическими частями.

А - короткое замыкание зажимов двигателя;
B - короткое замыкание зажимов выпрямителя;
С - разомкнутая цепь между источником питания и двигателем;
D - разомкнутая цепь шунтирующего резистора;
Ср - конденсатор;
М - двигатель
Рисунок В.1 - Имитация дефектов
В стадии рассмотрения
В стадии рассмотрения
В стадии рассмотрения
Испытание игольчатым пламенем проводят по МЭК 60695-11-5.
Применительно к настоящему стандарту в разделы и пункты МЭК 60695-11-5 были внесены следующие изменения.
5 Описание испытательной аппаратуры
5.4 Используемый слой бумаги
Первый абзац заменен следующим текстом:
В тех случаях, когда горящие или раскаленные частицы могут отделяться от образца и падать на наружную поверхность под машиной, для проведения испытания используют белую сосновую доску толщиной приблизительно 10 мм, покрытую одним слоем папиросной бумаги. Доску располагают под образцом на расстоянии (200 ± 5) мм ниже того места, где испытательное пламя прикладывают к образцу. Если испытательный образец представляет собой машину в сборе, то его размещают в нормальном эксплуатационном положении над сосновой доской, покрытой одним слоем папиросной бумаги.
7 Параметры испытания
Время воздействия пламенем составляет 30 с.
9 Методика испытания
Заменить текст, приведенный в 9.3, следующим текстом:
9.3 Количество испытуемых образцов
Испытание проводят на одном образце. Если образец не выдержит испытания, то испытание повторяют на двух дополнительных образцах, которые должны выдержать испытание.
11 Оценка результатов испытания
Дополнить абзацем:
Если при испытании используют слой папиросной бумаги, то не должно быть ее возгорания или прогорания сосновой доски. Незначительное изменение цвета сосновой доски во внимание не принимают.
Испытание на образование токоведущих мостиков
Испытание на образование токоведущих мостиков проводят в соответствии с МЭК 60112. Применительно к настоящему стандарту в разделы и пункты МЭК 60112 были внесены следующие изменения.
5 Испытуемый образец
Второй абзац после примечания 2 не применяется.
7 Испытательная аппаратура
Используют испытательный раствор А, описанный в 7.3.
8 Основная методика испытания
Испытательное напряжение, упомянутое в 8.2, регулируют до значений 175 В или 250 В в зависимости от того, что применимо.
9 Определение наличия коррозии
Данный раздел не применяется.
10 Определение контрольного индекса трекингостойкости (КИТ)
Используют пять образцов.
11 Определение сравнительного индекса трекингостойкости (СИТ)
Данный раздел не применяется.
В стадии рассмотрения
Выключатели, испытываемые вместе с машиной, должны соответствовать требованиям настоящего стандарта и приведенным ниже разделам и пунктам МЭК 61058-1 с внесенными в них изменениями.
Если не оговорено иное, испытание проводят на выключателе, встроенном в машину. До испытания в составе машины выключатели приводят в действие 20 раз без нагрузки.
8 Маркировка и документация
Выключатели, не требующие маркировки, за исключением встроенных выключателей, должны иметь название изготовителя или торговый знак и тип.
Примечание - В соответствии с МЭК 61058-1 встроенный выключатель может испытываться отдельно от машины.
13 Механизм
Данный раздел применяется.
Примечание - Испытания могут быть проведены на отдельном образце.
15 Сопротивление изоляции и электрическая прочность
15.1 Выключатели должны обладать достаточной электрической прочностью.
Соответствие требованию проверяют, проводя испытание по 15.3, при этом данное испытание проводят сразу же после испытания на влагостойкость по 14.3 настоящего стандарта.
У механических выключателей испытание проводят только при полном отключении и при микроотключении.
У электронных выключателей с механическими отключающими устройствами, соединенными последовательно с полупроводниковым отключающим устройством, испытание проводят только при полном отключении и при микроотключении.
У электронных выключателей испытание проводят с защитными импедансами и полюсами, соединенными с помощью комплектующих изделий.
15.2 Данный пункт не применяется.
17 Срок службы
17.1.1 Испытания выключателей в машине проводятся в соответствии с декларированными нагрузками.
17.1.2 Устанавливается такая последовательность проведения испытаний для всех выключателей, за исключением электронных выключателей:
- ускоренное испытание в соответствии с 17.2.4.4;
- испытание на превышение температуры в соответствии с 16.2, за исключением того, что испытание на превышение температуры у зажимов проводят при номинальном токе и при температуре окружающей среды, равной (25 ± 10) °С;
- испытание на электрическую прочность в соответствии с 15.3, за исключением того, что до подачи испытательного напряжения образцы не подвергают воздействию влаги. Испытательное напряжение должно составлять 75 % соответствующего испытательного напряжения, указанного в 15.3.
17.2.1.1 На выключатель следует подать нагрузку при номинальном напряжении в условиях, возникающих в машине.
Цепи и контакты, не предназначенные для внешних нагрузок, приводят в действие при указанной нагрузке.
Выключатели не испытываются на коммутационную износостойкость при нагрузке 20 мА, как указано в 7.1.2.6.
Примечание - Для специальной ламповой нагрузки рекомендуется приводить образец в действие при нагрузках, используемых скорее в рабочих условиях, чем при искусственных нагрузках. Рекомендуется применять принудительное охлаждение специальной ламповой нагрузки, с тем чтобы обеспечить холодное сопротивление при каждом рабочем цикле и сократить время испытания.
У электронных выключателей испытательная цепь должна соответствовать указанной на рисунке 19. Заявленная нагрузка должна быть установлена при номинальном напряжении до включения электронного выключателя в цепь.
17.2.1.2 Данный подпункт не применяется.
17.2.2.1 Все испытания проводят при температуре (25 ± 10) °С.
17.2.3.1 Перечисления а) и b) не применяются.
17.2.3.3 Данный подпункт не применяется.
17.2.3.4.2 Данный подпункт не применяется.
17.2.3.4.3 Данный подпункт не применяется.
17.2.4.1 Данный подпункт не применяется.
17.2.4.2 Данный подпункт не применяется.
17.2.4.3 Данный подпункт не применяется.
17.2.4.4 Ускоренное испытание (ТК4)
У всех выключателей, за исключением электронных выключателей, электрические параметры должны соответствовать указанным в 17.2.1.
У электронных выключателей электрические параметры должны соответствовать указанным в таблице 15.
Тепловые условия должны соответствовать указанным в 17.2.2.
Общее количество переключений должно равняться 50000.
Метод коммутации должен соответствовать ускоренному испытанию согласно 17.2.3.
17.2.4.9 Данный подпункт не применяется.
20 Воздушные зазоры, пути утечки тока, сплошная изоляция и покрытия жестких узлов печатных плат
Данный раздел применяется для путей утечки тока и воздушных зазоров только у токопроводящих частей с разным потенциалом, у рабочей изоляции и при полном отключении и микроотключении.
Порядок проведения испытаний по разделу 29
Теплостойкость и огнестойкость

Трекингостойкость
(стойкость к образованию токопроводящих мостиков)

Аккумуляторные машины и аккумуляторные батареи
К.1 Область применения
Данное приложение распространяется на аккумуляторные машины, т.е. машины с электрическими или магнитными приводами с питанием от перезаряжаемых аккумуляторных батарей, и на аккумуляторные батареи к машинам подобного типа. Данное приложение распространяется на съемные, встроенные и автономные аккумуляторные батареи. Максимальное номинальное напряжение машины и аккумуляторных батарей должно составлять 75 В постоянного тока.
Машины, работающие от аккумуляторных батарей, на которые распространяется данное приложение, не считают машинами классов I, II или III, и поэтому не требуется, чтобы они имели основную, дополнительную или усиленную изоляцию. Считают, что опасность поражения электрическим током существует только между частями с различной полярностью.
Аккумуляторные батареи для машин, на которые распространяется данное приложение, предназначенные для зарядки от неизолированного зарядного устройства, следует испытывать в соответствии с требованиями данного приложения и настоящего стандарта. При испытаниях аккумуляторных батарей с точки зрения защиты от поражения электрическим током, путей утечки тока, воздушных зазоров и расстояний через изоляцию эти батареи должны соответствовать используемому зарядному устройству.
Применяются все пункты настоящего стандарта, если иное не оговорено в данном приложении. Если пункт оговаривается, то изложенные в нем требования заменяют и (или) дополняют требования основного стандарта.
Применительно к машинам, на которые распространяется данное приложение, под термином «сетевой выключатель», который используется в настоящем стандарте, понимают силовой выключатель машины, коммутирующий электропитание от аккумуляторной батареи.
Данное приложение не распространяется на машины, которые питаются от аккумуляторных батарей общего назначения, установленных пользователем, и только одного данного приложения недостаточно для учета всех рисков применительно к данным изделиям.
Данное приложение не распространяется на зарядные устройства для батарей, рассматриваемые в МЭК 60335-2-29.
К.2 Нормативные ссылки
Данный раздел применяется с дополнительной нормативной ссылкой:
МЭК 61558-2-6:1997 Трансформаторы силовые, блоки питания и аналогичная продукция. Безопасность. Часть 2. Частные требования к изолирующим трансформаторам общего назначения
К.3 Термины и определения
Применительно к данному приложению используют следующие термины с соответствующими определениями:
К.3.201 аккумуляторная батарея (battery pack): Сборка, состоящая из одного или нескольких элементов (аккумуляторов), предназначенная для электропитания аккумуляторной машины.
К.3.201.1 съемная аккумуляторная батарея (detachable battery pack): Аккумуляторная батарея, имеющая корпус, отдельный от корпуса машины, и которую можно удалить из машины в целях зарядки.
К.3.201.2 встроенная аккумуляторная батарея (integral battery pack): Аккумуляторная батарея, находящаяся в машине и не удаляемая из нее в целях зарядки. Аккумуляторную батарею, которую следуют удалять из машины только в целях изъятия ее из использования или переработки, считают батареей, составляющей единое целое с машиной.
К.3.201.3 автономная аккумуляторная батарея (separable battery pack): Аккумуляторная батарея, имеющая отдельный корпус от аккумуляторной машины и соединенная с ней с помощью шнура.
К.3.202 полностью заряженные аккумуляторные батареи (fully charged battery pack): Аккумуляторная батарея, прошедшая минимум два цикла разрядки и зарядки в соответствии с инструкциями изготовителя, причем интервал между циклами должен быть не менее двух часов.
К.3.203 неизолированный источник питания (non-insolated source): Источник напряжения, у которого выход не изолирован от сети с помощью разделительного трансформатора, соответствующего МЭК 61558-1 и МЭК 61558-2-6.
К.3.204 опасное напряжение (hazardous voltage): Напряжение между частями, среднее значение которого превышает 60 В постоянного тока или 42,4 В пикового значения, когда пульсация (размах) превышает 10 % своего среднего значения.
К.3.205 силовой выключатель (power switch): Выключатель, управляющий приводом машины.
К.5 Общие условия проведения испытаний
К.5.7.1 Данный пункт не применяется.
К.5.7.2 Машины с несколькими номинальными напряжениями испытывают, используя наиболее неблагоприятное напряжение.
К.5.7.3 Данный пункт не применяется.
К.5.10 Данный пункт не применяется.
К.5.11 Данный пункт не применяется.
К.5.14 Данный пункт не применяется.
К.5.15 Данный пункт не применяется.
К.5.16 Данный пункт не применяется.
К.5.201 Если не указано иное, для каждого испытания следует использовать полностью заряженную аккумуляторную батарею.
К.5.202 При измерении напряжения следует включать максимальное значение любой наложенной пульсации, превышающее 10 % средней величины. Напряжения, возникающие при переходных процессах, не учитывают; сюда следует относить временное превышение напряжения, например после извлечения аккумуляторной батареи из зарядного устройства.
К.7 Классификация
Данный раздел не применяется.
К.8 Маркировка и инструкции
К.8.1 Аккумуляторные машины и аккумуляторные батареи должны иметь следующую маркировку:
- номинальное (номинальные) напряжение (напряжения) или диапазон (диапазоны) номинальных напряжений, В;
- условное обозначение характера источника питания;
- название или торговый знак, или идентификационный знак изготовителя или ответственного поставщика;
- указание модели или типа;
- адрес изготовителя или страна-изготовитель;
Дополнительные маркировки не должны вызывать неправильное понимание.
Соответствие требованию проверяют осмотром.
К.8.2 Данный пункт не применяется.
К.8.5 Данный пункт не применяется.
К.8.7 Данный пункт не применяется.
К.8.8 Данный пункт не применяется.
К.8.12.1.1 Данный подпункт применяется со следующим изменением перечислений 5) и 6):
5) Эксплуатация и уход за аккумуляторной машиной
a) Перезарядку следует осуществлять, используя зарядное устройство, указанное изготовителем. Зарядное устройство, которое годится для одного типа аккумуляторной батареи, может вызвать пожар при использовании другого типа батареи;
b) питание машин следует осуществлять только от аккумуляторных батарей, имеющих специальное обозначение. Использование любых других батарей может привести к повреждениям и пожару;
c) если аккумуляторная батарея не используется, ее следует хранить отдельно от других металлических предметов, таких, как скрепки для бумаг, монеты, ключи, гвозди, винты и т.п., которые могут закоротить контактные выводы. Короткое замыкание контактных выводов может вызвать ожоги или пожар;
d) в случае неправильной эксплуатации жидкий электролит может вытечь из аккумуляторной батареи; избегайте контакта с электролитом. При случайном контакте с электролитом смойте его водой. Если электролит попадет в глаза, кроме промывки глаз водой обратитесь за медицинской помощью. Течь электролита из аккумуляторной батареи может вызвать раздражение или ожоги.
6) Обслуживание
а) Обслуживание вашей машины должно быть поручено квалифицированному ремонтнику, использующему только идентичные сменные детали. Это позволит сохранить безопасность вашей машины.
К.9 Защита от поражения электрическим током
Примечание - Название данного раздела отличается от названия соответствующего раздела основной части настоящего стандарта.
Аккумуляторные машины и аккумуляторные батареи должны быть сконструированы таким образом и иметь такую внешнюю оболочку (корпус), чтобы была обеспечена достаточная защита от поражения электрическим током.
К.9.1 Данный пункт не применяется.
К.9.2 Не должно быть двух проводящих, одновременно доступных частей, напряжение между которыми является опасным, если они не имеют защитного импеданса.
При наличии защитного импеданса ток короткого замыкания между частями не должен превышать 2 мА постоянного тока или 0,7 мА (пиковое значение) переменного тока и емкость непосредственно между частями должна быть не больше 0,1 пФ.
Соответствие требованию в части доступности проверяют путем приложения стандартного испытательного пальца, приведенного на рисунке 1, к каждой токопроводящей части.
Стандартный испытательный палец, приведенный на рисунке 1, прикладывают без чрезмерного усилия через отверстия на любую глубину, на которую позволяет проникнуть палец, и его вращают или наклоняют под углом до, во время и после вставления пальца в любом положении.
Если отверстие не позволяет вставить палец, усилие, прикладываемое к пальцу, когда он находится в прямом положении, увеличивают до 20 Н, и испытание повторяют с согнутым пальцем.
При определении контакта с испытательным пальцем все съемные части удаляют, а аккумуляторную машину приводят в действие в любом возможном положении, характерном для нормальной эксплуатации.
Лампы, находящиеся под съемными крышками, не удаляют при условии, что лампа может быть отключена с помощью вилки, приводимой в действие пользователем, путем отсоединения аккумуляторной батареи или с помощью выключателя.
К.9.3 Данный пункт не применяется.
К.9.4 Данный пункт не применяется.
К.10 Пуск
Данный раздел не применяется.
К.11 Потребляемая мощность и ток
Данный раздел не применяется.
К.12.1 Аккумуляторные машины и аккумуляторные батареи не должны достигать чрезмерных температур.
Соответствие требованию проверяют путем определения превышения температуры разных частей при указанных ниже условиях:
- машина работает без нагрузки до достижения максимальной температуры или машина больше не работает из-за разрядки аккумуляторной батареи;
- в процессе испытания термовыключатели и механизмы, размыкающие цепь при перегрузке, не должны срабатывать. Превышения температуры не должны быть больше величин, приведенных в таблице К.1.
Таблица К.1 - Максимальные нормальные превышения температуры для машин, питающихся от батарей
|
Превышение температуры, °С |
|
|
Наружный кожух, за исключением рукояток, которые держат в руках при нормальной эксплуатации |
60 |
|
Рукоятки, кнопки, ручки и т.п., которые в условиях нормальной эксплуатации постоянно держат в руках: |
|
|
- из металла |
30 |
|
- из фарфора или стекловидного материала |
40 |
|
- из прессованного материала, резины или древесины |
50 |
|
Рукоятки, кнопки, ручки и т.п., которые в условиях нормальной эксплуатации держат в руках в течение коротких периодов времени (например, выключатели): |
|
|
- из металла |
35 |
|
- из фарфора или стекловидного материала |
45 |
|
- из прессованного материала, резины или древесины |
60 |
|
Части, соприкасающиеся с маслом, имеющим температуру вспышки 1 °С |
t - 50 |
К.12.2 - К.12.6 Данные пункты не применяются.
К.13 Ток утечки
Данный раздел не применяется.
К.14 Влагостойкость
Данный раздел не применяется.
К.15 Электрическая прочность
К.15.1 Должны быть использованы соответствующие материалы изоляции, обеспечивающие электрическую прочность.
Соответствие требованию проверяют, подвергая изоляционный материал в течение 1 мин испытанию напряжением 750 В практически синусоидальной формы частотой 50 или 60 Гц. Это не исключает испытания материала, находящегося внутри машины, при условии, что приняты меры предосторожности, гарантирующие, что иные материалы, за исключением рассматриваемых, не подвергаются воздействию испытательного напряжения.
Данному испытанию подвергают только те материалы, в результате пробоя которых пользователь окажется под угрозой поражения электрическим током в результате воздействия опасного напряжения. Данное испытание не распространяют на материалы, которые создают только физическое препятствие для контакта. Поэтому неизолированная часть, находящаяся под напряжением, должна быть на расстоянии 1 мм от поверхности материала, рассматриваемого с точки зрения данного требования.
К.15.2 Данный пункт не применяется.
К.16 Защита трансформаторов и соединенных с ними цепей от перегрузки
Данный раздел не применяется.
К.17 Надежность
Данный раздел не применяется.
К.18 Ненормальный режим работы
Соответствие требованию проверяют проведением следующих испытаний.
Аккумуляторные машины и аккумуляторные батареи в зависимости от того, что используется, должны быть помещены на мягкую деревянную поверхность, покрытую двумя слоями папиросной бумаги; машины, работающие от аккумуляторных батарей, и аккумуляторные батареи должны быть покрыты одним слоем необработанной 100 %-ной медицинской марли. Испытание следует проводить до появления повреждения или до тех пор, пока испытываемый образец не будет опять иметь комнатную температуру. Для каждой неисправности, перечисленной ниже, можно использовать новый образец. Должна быть обеспечена достаточная защита от поражения электрическим током в соответствии с К.9 и не должно быть обугливания или выгорания марли или папиросной бумаги в результате того, что машина, работающая от собственной аккумуляторной батареи, и сама батарея подвергаются любому из перечисленных ниже условий неисправности при проведении испытаний от а) до f).
Обугливание определяется как почернение в результате горения. Допускается обесцвечивание марли.
Во время указанных испытаний могут срабатывать термовыключатели и возникать тепловые перегрузки. В этом случае данное испытание следует повторить еще три раза, используя три дополнительных образца. Сопротивление при коротком замыкании при испытаниях a), b), d), e) и f) не должно превышать 10 мОм.
a) Клеммы аккумуляторной батареи с наружными клеммами закорачивают. Контакт с клеммами аккумуляторной батареи можно обеспечить, используя стандартный испытательный палец, приведенный на рисунке 1, и (или) испытательный стержень, приведенный на рисунке 2. Устройства, создающие короткое замыкание, не должны нагреваться до чрезмерных температур, вызывающих обугливание или загорание папиросной бумаги или марли;
b) клеммы двигателя закорачивают;
c) ротор двигателя стопорят;
d) шнур между аккумуляторной батареей и машиной, которая питается от батареи, закорачивают в точке, в которой существует вероятность возникновения самых неблагоприятных явлений;
e) шнур между машиной и зарядным устройством следует закоротить в точке, в которой существует вероятность возникновения самых неблагоприятных явлений;
f) у машин, которые питаются от батарей, короткое замыкание создают между любыми двумя неизолированными частями, имеющими различную полярность и расположенными друг от друга на расстояниях, не соответствующих указанным в К.28.
К.18.2 - К.18.9 Данные пункты не применяются.
К.18.12 Данный пункт не применяется.
К.19 Механическая безопасность
К.19.201 Если машина содержит маркировку с указанием направления, то должна быть исключена возможность подсоединения аккумуляторной батареи способом, который противоречит маркировке.
К.20 Механическая прочность
К.20.1 Аккумуляторные машины и аккумуляторные батареи должны обладать механической прочностью и быть сконструированы таким образом, чтобы они выдерживали небрежное обращение, которому они могут подвергаться в условиях нормальной эксплуатации.
Соответствие требованию проверяют испытаниями по 20.2 и К.20.3.
После данного испытания аккумуляторная машина и батарея должны отвечать требованиям К.9, К.19 и (или) перечислению f) К.18.1 или К.28.1.
У аккумуляторных машин со съемными или автономными батареями испытание проводят еще три раза, не подсоединяя аккумуляторные батареи.
Кроме того, для съемных или автономных аккумуляторных батарей испытание повторяют еще три раза, подвергая их данному испытанию отдельно от машины.
Для каждой серии, состоящей из трех падений, могут быть использованы новые образцы.
К.20.4 Данный пункт не применяется.
К.21 Данный раздел не применяется.
К.21.5 Данный пункт не применяется.
К.21.6 Данный пункт не применяется.
К.21.8 - К.21.16 Данные пункты не применяются.
К.21.21 Данный пункт не применяется.
К.21.25 - К.21.34 Данные пункты не применяются.
К.21.201 Батареи общего назначения (гальванические или перезаряжаемые) не должны легко вставляться в машины.
Примечание - Примерами батарей общего назначения являются АА, С, D и т.п.
К.22 Внутренняя проводка
К.22.3 Данный пункт применяется только для опасных напряжений.
К.22.4 Данный пункт не применяется.
К.23 Комплектующие изделия
К.23.1.10 Выключатель должен обладать достаточной разрывной мощностью.
Соответствие требованию проверяют путем 50-кратного замыкания и размыкания тока при застопоренном выходном механизме у машины, которая питается от полностью заряженной аккумуляторной батареи. Каждый период положения «Включено» должен иметь продолжительность не более 0,5 с, а каждый период положения «Отключено» - продолжительность не менее 10 с.
После данного испытания выключатель не должен иметь ни электрических, ни механических неисправностей. Если выключатель работает нормально в положениях «Включено» и «Отключено» в конце данного испытания, считают, что он не имеет ни механических, ни электрических неисправностей.
К.23.1.11 Выключатели должны выдерживать без чрезмерного износа или других вредных воздействий механические, электрические и тепловые нагрузки, возникающие при нормальной эксплуатации.
Соответствие требованию проверяют путем испытания выключателя в течение 6000 циклов работы, включая и прерывая ток в машине с полностью заряженной батареей на холостом ходу. Выключатель приводят в действие с одной и той же скоростью, составляющей 30 операций в минуту. В процессе испытания выключатель должен срабатывать правильно. После испытания осмотр выключателя не должен выявить чрезмерного износа, расхождения между положением рабочих устройств и подвижных контактов, ни ослабления электрических или механических соединений, ни просачивания заливочной массы.
К.24 Присоединение к источнику питания и внешние гибкие шнуры
Данный раздел не применяется, за исключением следующего:
К.24.201 У аккумуляторных машин, снабженных аккумуляторными батареями, внешний гибкий кабель или шнур должны иметь средства присоединения, которые не допускали бы натяжения проводников (включая скручивание) в тех местах, где соединение проводников выполнено внутри машин и защищено от абразивного износа.
Соответствие требованию проверяют осмотром.
К.25 Зажимы для внешних проводов
Данный раздел не применяется.
К.26 Заземление
Данный раздел не применяется.
К.27 Винты и соединения
К.27.1 Данный пункт применяется, за исключением следующего: шестой абзац и сопроводительное примечание, относящееся к заземлениям, не применяются.
К.28 Пути утечки тока, воздушные зазоры и расстояния по изоляции
К.28.1 Пути утечки тока и воздушные зазоры не должны быть меньше значений, приведенных в таблице К.2. Указанные воздушные зазоры не распространяются на воздушные промежутки между контактами устройств автоматического регулирования, защитных устройств от перегрузки, микровыключателей и подобных элементов или на воздушные промежутки между токоведущими элементами таких устройств, воздушные зазоры которых изменяются при перемещении контактов. Указанные пути утечки тока и воздушные зазоры не распространяются также на конструкции элементов батарей или на соединения между элементами аккумуляторных батарей. Значения, указанные в таблице К.2, не распространяются на точки пересечения обмоток двигателя.
У частей с опасным напряжением между ними общая сумма измеренных расстояний между каждой из этих частей и ближайшей к ним доступной поверхностью не должна быть меньше 1,5 мм у воздушных зазоров и 2,0 мм - у путей утечки тока.
Примечание - Рисунок К.1 уточняет метод измерения.
Соответствие требованию проверяют измерением.
Метод измерения путей утечки тока и воздушных зазоров приведен в приложении А.
У частей, находящихся под напряжением разной полярности, допускаются меньшие, чем в таблице К.2, пути утечки и воздушные зазоры при условии, что при пуске машин не происходит закорачивания двух частей.
Примечание - Опасность пожара из-за меньших промежутков по сравнению с требуемыми величинами исключается при соблюдении требований, приведенных в 18.1.
Таблица К.2 - Минимальные пути утечки тока и воздушные зазоры между частями, находящимися под напряжением разной полярности
Размеры в миллиметрах
|
Напряжение £ 15 В |
> 15 В напряжение £ 32 В |
Напряжение > 32 В |
|||
|
Пути утечки тока |
Воздушные зазоры |
Пути утечки тока |
Воздушные зазоры |
Пути утечки тока |
Воздушные зазоры |
|
- |
0,8 |
- |
1,5 |
2,0 |
1,5 |
Расстояния через щели или отверстия в наружных частях изоляционного материала измеряют до металлической фольги, соприкасающейся с доступной поверхностью; фольгу вталкивают в углы и другие подобные места стандартным испытательным пальцем, показанным на рисунке 1, но не вдавливают в отверстия.
Общую сумму расстояний, измеренных между частями, работающими при опасных напряжениях, и доступными поверхностями, определяют, измеряя расстояние от каждой части до доступной поверхности. Для получения общей суммы расстояний их следует сложить (см. рисунок К.1).
Для того чтобы определить общее расстояние, одно из расстояний должно быть равно 1 мм или более (см. приложение А, примеры 1 - 10).
При необходимости во время измерения прикладывают силу к любой точке оголенных проводов и к внешней поверхности металлических кожухов, с тем чтобы уменьшить пути утечки тока и воздушные зазоры в процессе измерений.
Усилие прикладывают посредством стандартного испытательного пальца (см. рисунок 1), а значение этого усилия составляет:
- 2 Н для оголенных проводов;
- 30 Н для кожухов.
При наличии промежуточной перегородки, состоящей из двух частей, не склеенных между собой, пути утечки тока измеряют через соединение этих частей.
При наличии промежуточной перегородки воздушные зазоры измеряют поверх перегородки или, если перегородка состоит из двух частей, соприкасающиеся поверхности которых не склеены между собой, через соединение этих частей.
При определении путей утечки тока и воздушных зазоров учитывают влияние внутренних изоляционных покрытий на металлических кожухах или крышках.
Средства, предназначенные для крепления машин к опоре, считают доступными.
К.28.2 Данный пункт не применяется.
К.29 Теплостойкость, огнестойкость и стойкость к образованию токоведущих мостиков
К.29.1 Наружные части из неметаллических материалов, повреждение которых может привести к несоответствию машины или аккумуляторной батареи требованиям данного приложения, должны быть достаточно теплостойкими.
Соответствие требованию проверяют, подвергая соответствующие части воздействию давлением шарика с помощью устройства, приведенного на рисунке 5.
Перед началом проведения испытания образец выдерживают в течение 24 ч в атмосфере, имеющей температуру от 15 °С до 35 °С и относительную влажность от 45 % до 75 %.
Часть размещают на подставке таким образом, чтобы ее верхняя поверхность располагалась горизонтально, и давят на эту поверхность силой 20 Н сферической частью испытательного устройства. Толщина части, подвергаемой испытанию, должна быть не менее 2,5 мм. Для достижения требуемой толщины можно использовать две или несколько секций части.
Испытание проводят в термокамере при температуре (40 ± 2) °С плюс максимальное превышение температуры, достигнутое при испытании в соответствии с К.12, но не менее (75 ± 2) °С.
Перед началом испытания испытательное устройство доводят до указанной выше температуры.
Через 1 ч устройство удаляют, а часть охлаждают приблизительно до температуры помещения путем немедленного погружения ее на 10 с в холодную воду. Диаметр отпечатка не должен превышать 2 мм. Части из керамических материалов данному испытанию не подвергают.
К.29.2 Данный пункт распространяется только на наружные кожухи, закрывающие токопроводящую часть машин или кожухи аккумуляторных батарей.
К.29.3 Данный пункт не применяется.
а - расстояние от положительного оголенного проводника детали до наружной поверхности натянутой фольги, установленной через расщелины (отверстия, щели и т.п.); b - расстояние от отрицательного оголенного проводника детали (части) до наружной поверхности натянутой (обтянутой) фольги, установленной через расщелины (отверстия, щели и т.п.); а + b - общая сумма значений, установленных в К.28.1
Рисунок К.1 - Измерение воздушных зазоров
L.1 Область применения
Данное приложение распространяется на аккумуляторные машины, т.е. машины с электрическими или магнитными приводами с питанием от перезаряжаемых аккумуляторных батарей, которые также приводятся в действие непосредственно от сети или неизолированного источника питания и (или) заряжаются от них, включая машины, снабженные зарядными устройствами для аккумуляторных батарей, составляющими единое целое. Данное приложение распространяется на съемные, встроенные и автономные аккумуляторные батареи. Максимальные номинальные напряжения машин равны 250 В для однофазных сетевых источников питания переменного и постоянного токов и 75 В постоянного тока для аккумуляторных батарей.
Аккумуляторные батареи, на которые распространяется данное приложение, предназначенные для зарядки от неизолированного зарядного устройства, следует испытывать в соответствии с требованиями данного приложения и настоящего стандарта. При испытаниях аккумуляторных батарей с точки зрения защиты от поражения электрическим током, путей утечки тока, воздушных зазоров и расстояний через изоляцию аккумуляторная батарея должна быть снабжена зарядным устройством, предназначенным для данной цели.
Применяются все пункты настоящего стандарта, если иное не оговорено в данном приложении. Если пункт оговаривается, то изложенные в нем требования заменяют и (или) дополняют требования основного стандарта.
Применительно к машинам, на которые распространяется данное приложение, под термином «сетевой выключатель», который используется в настоящем стандарте, понимают силовой выключатель машины, коммутирующий электропитание от аккумуляторной батареи.
Данное приложение не распространяется на машины, использующие батареи общего назначения, устанавливаемые пользователем, и недостаточно использовать только это приложение, чтобы учесть все опасности, связанные с эксплуатацией этих изделий.
Данное приложение не распространяется на зарядные устройства батарей, предусмотренные МЭК 60335-2-29.
L.2 Нормативные ссылки
Данный пункт применяется с дополнительной нормативной ссылкой:
МЭК 61558-2-6:1997 Трансформаторы силовые, блоки питания и аналогичная продукция. Безопасность. Часть 2. Частные требования к изолирующим трансформаторам общего назначения
L.3 Термины и определения
Применительно к данному приложению используются следующие термины с соответствующими определениями:
L.3.201 аккумуляторная батарея (battery pack): Узел, состоящий из одного или нескольких элементов и предназначенный для подачи электрического тока на машину.
L.3.201.1 съемная аккумуляторная батарея (detachable battery pack): Аккумуляторная батарея, имеющая корпус, отдельный от машины, и которую возможно удалить из машины в целях ее зарядки.
L.3.201.2 встроенная аккумуляторная батарея (integral battery pack): Батарея, находящаяся в машине и не удаляемая из нее в целях зарядки. Аккумуляторную батарею, которую следует удалять из машины только в целях изъятия из использования или переработки, считают батареей, составляющей единое целое с машиной.
L.3.201.3 автономная аккумуляторная батарея (separable battery pack): Батарея, имеющая отдельный корпус от машины и соединенная с ней с помощью шнура.
L.3.202 автономная аккумуляторная батарея с полной зарядкой (fully charged battery pack): Батарея, прошедшая минимум два цикла разрядки и зарядки с минимум двухчасовым интервалом после каждого цикла в соответствии с инструкциями изготовителя.
L.3.203 неизолированный источник питания (non-insolated source): Источник напряжения, у которого выход не изолирован от сети с помощью разделительного трансформатора, соответствующего МЭК 61558-1 и МЭК 61558-2-6.
L.3.204 опасное напряжение (hazardous voltage): Напряжение между частями, среднее значение которого превышает 60 В постоянного тока или 42,4 В пикового значения, когда пульсация (размах) превышает 10 % своего среднего значения.
L.3.205 силовой выключатель (power switch): Выключатель, управляющий приводом машины.
L.3.206 шнур для межсоединений (interconnecting cord): Внешний гибкий шнур, являющийся частью машины в собранном виде и не предназначенный для подсоединения к сети питания.
Примечание - Примерами шнура для межсоединений являются дистанционный коммутационный прибор, который держат в руке, внешнее межсоединение между двумя частями машины, соединяющее комплектующую деталь с машиной или с отдельной сигнальной цепью.
L.5 Общие условия проведения испытаний
L.5.201 Если не указано иное, для каждого испытания следует использовать полностью заряженную аккумуляторную батарею.
L.5.202 При измерении напряжения следует включать максимальное значение любой наложенной пульсации, превышающей 10 % средней величины. Переходные напряжения не учитывают, сюда следует относить временное превышение номинального напряжения, например после извлечения батареи из зарядного устройства.
L.7 Классификация
L.7.1 Данный пункт применяется, за исключением того, что машины класса III в данном приложении не рассматриваются.
L.8 Маркировка и инструкции
L.8.1 Первый абзац данного пункта заменен следующим текстом:
Неизолированные источники, от которых может получать питание машина, или машины, которые могут получать питание непосредственно от сети, должны иметь маркировку приведенную ниже. В тех случаях, когда машины получают питание непосредственно от сети, эта маркировка должна содержать данные, относящиеся как к сети, так и к работе при питании от батареи:
- номинальное (номинальные) напряжение (напряжения) или диапазон (диапазоны) номинальных напряжений, В;
- условное обозначение характера источника питания;
- номинальная потребляемая мощность, Вт, или номинальный ток, А;
- название или торговый знак, или идентификационный знак изготовителя или ответственного поставщика;
- указание модели или типа;
- условное обозначение конструкции класса II (только у машин класса II);
- адрес изготовителя или страна-изготовитель;
- любой обязательный знак, свидетельствующий о соответствии законодательству.
Соответствие требованию проверяют осмотром.
L.8.1.201 Машины, помимо тех, которые получают питание непосредственно от сети, а также съемные или автономные аккумуляторные батареи должны иметь следующую маркировку:
- номинальное (номинальные) напряжение (напряжения) или диапазон (диапазоны) номинальных напряжений, В;
- условное обозначение характера источника питания;
- название или торговый знак, или идентификационный знак изготовителя или ответственного поставщика;
- указание модели или типа;
- адрес изготовителя или страна-изготовитель;
- любой обязательный знак, свидетельствующий о соответствии. Дополнительные маркировки не должны вызывать неправильное понимание.
Соответствие требованию проверяют осмотром.
L.8.12.1.1 Данный подпункт применяется со следующим изменением перечислений 5) и 6):
5) Эксплуатация и уход за аккумуляторными машинами
a) Перезарядку аккумуляторных батарей следует осуществлять, используя зарядное устройство, указанное изготовителем. Зарядное устройство, которое годится для одного типа батареи, может вызвать пожар при использовании другого типа;
b) силовые машины следует использовать только с батареями, имеющими специальные обозначения. Использование любых других батарей может привести к получению повреждений и пожару;
c) если аккумуляторная батарея не используется, храните ее отдельно от других металлических предметов, таких, как скрепки для бумаг, монеты, ключи, гвозди, винты или другие малогабаритные металлические предметы, которые могут соединить одну клемму с другой. Закорачивание клемм аккумуляторной батареи может вызвать ожоги или пожар;
d) в случае пренебрежения нормами эксплуатации электролит может вылиться из аккумуляторной батареи; избегайте с ним контакта. При случайном контакте с электролитом смойте его водой. Если электролит попадет в глаза, кроме промывки глаз водой обратитесь за медицинской помощью. Электролит, пролитый из батареи, может вызвать раздражение или ожоги.
6) Обслуживание
а) Обслуживание ваших машин должно быть поручено квалифицированному ремонтнику, использующему только идентичные сменные детали. Это позволит сохранить безопасность машин.
L.9 Защита от поражения электрическим током
Примечание - Название данного раздела отличается от названия соответствующего раздела основной части стандарта.
Требования, которые приводятся в 9.1 - 9.4, применяются со следующим дополнением:
Аккумуляторные машины и батареи должны быть сконструированы таким образом и помещены в корпус, чтобы была обеспечена достаточная защита от поражения электрическим током.
Пункт стандарта распространяется на машины в том случае, когда они соединены с сетью или с неизолированным источником питания. При оценке в данных условиях батарея должна быть соединена с машиной обычным образом. Машину оценивают при удаленной батарее, если эту операцию можно выполнить, не используя какой-либо инструмент.
L.9.1.201 У аккумуляторных батарей, которые могут быть отсоединены от машины, и у машин не должно быть двух проводящих одновременно доступных частей, напряжение между которыми является опасным, если они не обеспечены защитным импедансом.
При наличии защитного импеданса ток короткого замыкания между частями не должен превышать 2 мА постоянного тока или пиковое значение 0,7 мА переменного тока и емкость непосредственно между частями должна быть не больше 0,1 пФ.
Соответствие требованию в части доступности проверяют путем приложения стандартного испытательного пальца, приведенного на рисунке 1, к каждой токопроводящей части.
Стандартный испытательный палец, приведенный на рисунке 1, прикладывают без чрезмерного усилия через отверстия на любую глубину, на которую позволяет проникнуть палец, и его вращают или наклоняют под углом до, во время и после вставления пальца в любом положении.
Если отверстие не позволяет вставить палец, усилие, прикладываемое к пальцу, когда он находится в прямом положении, увеличивают до 20 Н и испытание повторяют с согнутым пальцем.
При определении контакта с испытательным пальцем все съемные части удаляют, а машину приводят в действие в любом возможном положении, характерном для нормальной эксплуатации.
Лампы, находящиеся под съемными крышками, не удаляют при условии, что лампа может быть отключена с помощью вилки, приводимой в действие пользователем, путем отсоединения батареи или с помощью выключателя.
L.10 Пуск
Данный раздел применяется только в том случае, если машина имеет такую конструкцию, при которой она соединяется непосредственно с сетью или с неизолированным источником питания.
L.11 Потребляемая мощность и ток
Данный раздел применяется только в том случае, если машина имеет такую конструкцию, при которой она соединяется непосредственно с сетью или с неизолированным источником питания. В тех случаях, когда машины могут также заряжать батарею при выполнении своей функции, испытание проводят в процессе зарядки ранее разряженной батареи.
L.12 Нагрев
Данный раздел применяется только в том случае, когда машина имеет конструкцию, обусловливающую ее соединение непосредственно с сетью или с неизолированным источником питания. В тех случаях, когда машины могут также заряжать батарею в процессе выполнения ими своей функции, их испытывают вместе с подсоединенным зарядным устройством в режиме без нагрузки до тех пор, пока они не прекращают свою работу из-за разрядки батареи или до достижения тепловой стабильности в зависимости от того, что происходит первым. Испытание повторяют, давая возможность батареи зарядиться в течение времени, пока машина не работает.
L.13 Ток утечки
Данный раздел применяется только в том случае, когда машина имеет конструкцию, обусловливающую ее соединение непосредственно с сетью или с неизолированным источником питания.
L.14 Влагостойкость
Данный раздел применяется только в том случае, когда машина имеет конструкцию, обусловливающую ее соединение непосредственно с сетью или с неизолированным источником питания.
L.15 Электрическая прочность
Данный раздел применяется только в том случае, когда машина имеет конструкцию, обусловливающую ее соединение непосредственно с сетью или с неизолированным источником питания. Следует принять меры предосторожности, с тем чтобы преждевременное повреждение электронных устройств не препятствовало подаче испытательного напряжения через изоляцию. Если дело обстоит именно так, электронные устройства шунтируют, с тем чтобы можно было продолжить испытание.
L.16 Защита трансформаторов и соединенных с ними цепей от перегрузки
Данный раздел применяется только в том случае, когда машина имеет конструкцию, обусловливающую ее соединение непосредственно с сетью или с неизолированным источником питания.
L.17 Надежность
Данный раздел распространяется на машины, которые могут работать в течение длительного периода времени, когда они получают питание от сети или от неизолированного источника питания. Машины, которые не могут работать в течение длительного периода времени, должны приводиться в действие от батарей в течение испытания, но при этом следует оценивать электрическую прочность изоляции при подсоединенном зарядном устройстве.
L.18 Ненормальный режим работы
Данный раздел применяется только в том случае, когда машина имеет конструкцию, обусловливающую ее соединение непосредственно с сетью или с неизолированным источником питания.
L.18.201 Все машины, когда они работают только от аккумуляторных батарей, должны быть сконструированы таким образом, чтобы опасность возникновения пожара или поражения электрическим током в результате ненормального режима работы была исключена, насколько это возможно с практической точки зрения.
Соответствие требованию проверяют проведением следующих испытаний.
Аккумуляторные машины и батареи в зависимости от того, что используется, должны быть помещены на мягкую деревянную поверхность, покрытую двумя слоями папиросной бумаги. Машины и батареи должны быть покрыты одним слоем необработанной 100 %-ной медицинской марли. Испытание следует проводить до появления повреждения или до тех пор, пока испытываемый образец не будет опять иметь комнатную температуру. Для каждой неисправности, перечисленной ниже, можно использовать новый образец. Должна быть обеспечена достаточная защита от поражения электрическим током в соответствии с L.9 и L.13 и не должно быть обугливания или выгорания марли или папиросной бумаги в результате того, что машина и батарея подвергаются любому из перечисленных ниже условий неисправности при проведении испытаний а) - f).
Обугливание определяется как почернение в результате горения. Допускается обесцвечивание марли.
Во время указанных испытаний могут срабатывать термовыключатели и действовать тепловые перегрузки. В этом случае данное испытание следует повторить еще три раза, используя три дополнительных образца. Сопротивление при коротком замыкании при испытаниях a), b), d), e) и f) не должно превышать 10 мОм.
a) Клеммы батареи с наружными клеммами закорачивают. Контакт с клеммами батареи можно обеспечить, используя испытательный палец, приведенный на рис. 1, и (или) испытательный стержень, приведенный на рис. 2. Устройства, создающие короткое замыкание, не должны нагреваться до чрезмерных температур, вызывающих обугливание или загорание папиросной бумаги или марли;
b) зажимы двигателя закорачивают;
c) ротор двигателя стопорят;
d) шнур между батареей и аккумуляторной машиной следует закоротить в точке, в которой существует вероятность возникновения самых неблагоприятных явлений;
e) шнур между машиной и зарядным устройством следует закоротить в точке, в которой существует вероятность возникновения самых неблагоприятных явлений;
f) у машин короткое замыкание создают между любыми двумя неизолированными частями, имеющими различную полярность и расположенными друг от друга на расстояниях, не соответствующих указанным в L.28.201.
L.19 Механическая безопасность
L.19.201 Если машина содержит маркировку с указанием направления движения, то должна быть исключена возможность подсоединения батареи способом, который противоречит маркировке.
L.20 Механическая прочность
Данный раздел применяется только в том случае, когда машина имеет конструкцию, обусловливающую ее соединение непосредственно с сетью или с неизолированным источником питания.
L.20.201 Машины вместе с аккумуляторными батареями, от которых они питаются, и батареи должны обладать механической прочностью и быть сконструированы таким образом, чтобы они выдерживали небрежное обращение, которому они могут подвергаться в условиях нормальной эксплуатации.
Аккумуляторная машина с установленной батареей должна выдержать трехкратное сбрасывание на бетонную поверхность с высоты 1 м. Образец следует располагать таким образом, чтобы изменялась точка соприкосновения с бетонной поверхностью.
У машин со съемными или автономными батареями испытание проводят еще три раза, не подсоединяя батарею.
Кроме того, для съемных или автономных батарей данное испытание повторяют еще три раза, подвергая данному испытанию отдельно батареи.
Для каждой серии, состоящей из трех падений, могут быть использованы новые образцы.
После данного испытания машины и батареи должны отвечать требованиям L.9, L.19, L.28.1 и (или) перечислению f) L.18.201 или L.28.201.
L.21 Конструкция
Данный раздел применяется только в том случае, когда машина имеет конструкцию, обусловливающую ее соединение непосредственно с сетью или с неизолированным источником питания.
L.22 Внутренняя проводка
Данный раздел применяется только в том случае, когда машина имеет конструкцию, обусловливающую ее соединение непосредственно с сетью или с неизолированным источником питания.
L.23 Комплектующие изделия
L.23.1.10 Данный пункт стандарта распространяется только на машины, способные выполнять свою функцию, будучи питаемыми от аккумуляторной батареи или от сети, или от неизолированного источника питания, для тех выключателей, которые управляют основными рабочими устройствами машины.
L.23.1.10.201 Выключатели, кроме тех, которые используются в машинах по L.23.1.10 и управляют основными рабочими устройствами машины, должны иметь достаточную разрывную мощность.
Соответствие требованию проверяют путем 50-кратного замыкания и размыкания тока при застопоренном выходном механизме у машины, которая питается от полностью заряженной батареи. Каждый период положения «Включено» должен иметь продолжительность не более 0,5 с, а каждый период положения «Отключено» - продолжительность не менее 10 с.
После данного испытания выключатель не должен иметь ни электрических, ни механических неисправностей. Если выключатель работает нормально в положениях «Включено» и «Отключено» в конце данного испытания, считают, что он не имеет ни механических, ни электрических неисправностей.
L.23.1.11 Данный пункт стандарта распространяется только на машины, которые могут выполнять свою функцию, будучи соединенными с сетью или с неизолированным источником питания, в части тех выключателей, которые управляют основными рабочими устройствами машины.
L.23.1.11.201 Выключатели, кроме тех, которые используются в машинах по L.23.1.11 и управляют основными рабочими устройствами машин, должны выдерживать без чрезмерного износа или других вредных воздействий механические, электрические и тепловые нагрузки, возникающие при нормальной эксплуатации.
Соответствие требованию проверяют путем испытания выключателя в течение 6000 циклов работы, включая и прерывая ток в машинах с полностью заряженной батареей на холостом ходу. Выключатель приводят в действие с одной и той же скоростью, составляющей 30 операций в минуту. В процессе испытания выключатель должен срабатывать правильно. После испытания осмотр выключателя не должен выявить чрезмерного износа, расхождения между положением рабочих устройств и подвижных контактов, ни ослабления электрических или механических соединений, ни просачивания заливочной массы.
L.24 Присоединение к источнику питания и внешние гибкие шнуры
L.24.1 Данный пункт распространяется также на гибкий шнур между неизолированным источником питания и машиной.
L.24.3 Данный пункт распространяется также на гибкий шнур между неизолированным источником питания и машиной.
L.24.4 Данный пункт применяется, за исключением того, что гибкий шнур между неизолированным источником питания и машиной не должен иметь вилки, которая может быть подсоединена непосредственно к сети питания.
L.24.5 Данный пункт не распространяется на гибкий шнур между неизолированным источником питания и машиной.
L.24.21 Данный пункт применяется, за исключением того, что гибкий шнур между неизолированным источником питания и машиной не должен иметь приборного входа, который может быть подсоединен непосредственно к сети питания.
L.24.201 У машин, снабженных батареей, внешний гибкий кабель или шнур должен иметь средства присоединения, которые не допускали бы натяжения проводников (включая скручивание) в тех местах, где соединение проводников выполнено внутри машин и защищено от абразивного износа.
Соответствие требованию проверяют осмотром.
L.25 Зажимы для внешних проводов
Данный раздел не распространяется на шнуры для межсоединений.
L.26 Заземление
Данный раздел применяется только в том случае, когда машина имеет конструкцию, обусловливающую ее соединение непосредственно с сетью или с неизолированным источником питания.
L.28 Пути утечки тока, воздушные зазоры и расстояния по изоляции
Данный раздел стандарта применяется со следующими изменениями:
L.28.1 Дополнение:
Данный пункт применяется только в том случае, когда машина имеет такую конструкцию, при которой она непосредственно соединена с сетью питания или с неизолированным источником питания. При оценке машины с учетом данного условия аккумуляторные батареи должны быть соединены с машиной. Оценку машины проводят также при удаленной батарее, если это удаление можно выполнить без помощи инструмента.
L.28.201 Пути утечки тока и воздушные зазоры не должны быть меньше значений в миллиметрах, приведенных в таблице L.1. Указанные воздушные зазоры не распространяются на воздушные промежутки между контактами устройств автоматического регулирования, защитных устройств от перегрузки, микровыключателей и подобных элементов или на воздушные промежутки между токоведущими элементами таких устройств, воздушные зазоры которых изменяются при перемещении контактов. Пути утечки тока и воздушные зазоры не распространяются также на конструкции элементов батарей или на соединения между элементами батареи. Значения, указанные в таблице L.1, не распространяются на точки пересечения обмоток двигателя.
У частей с опасным напряжением между ними общая сумма измеренных расстояний между каждой из этих частей и ближайшей к ним доступной поверхностью должна быть не меньше 1,5 мм у воздушных зазоров и 2,0 мм - у путей утечки тока.
Примечание - Рисунок L.1 уточняет метод измерения.
Соответствие требованию проверяют измерением.
Пути утечки тока и воздушные зазоры измеряют, как указано в приложении А.
У частей, находящихся под напряжением различной полярности, допускаются меньшие, чем в таблице L.1, пути утечки и воздушные зазоры при условии, что при пуске машины не происходит закорачивания двух частей.
Примечание - Опасность пожара из-за меньших промежутков по сравнению с требуемыми величинами исключается при соблюдении требований, приведенных в 18.1.
Таблица L.1 - Минимальные пути утечки тока и воздушные зазоры между частями, находящимися под напряжением различной полярности
Размеры в миллиметрах
|
Напряжение £ 15 В |
> 15 В напряжение £ 32 В |
Напряжение > 32 В |
|||
|
Пути утечки тока |
Воздушные зазоры |
Пути утечки тока |
Воздушные зазоры |
Пути утечки тока |
Воздушные зазоры |
|
- |
0,8 |
- |
1,5 |
2,0 |
1,5 |
Расстояния через щели или отверстия в наружных частях изоляционного материала измеряют до металлической фольги, соприкасающейся с доступной поверхностью; фольгу вталкивают в углы и другие подобные места стандартным испытательным пальцем, показанным на рисунке 1, но не вдавливают в отверстия.
Общую сумму расстояний, измеренных между частями, работающими при опасных напряжениях, и доступными поверхностями, определяют, измеряя расстояние от каждой части до доступной поверхности. Для получения общей суммы расстояний их следует сложить (см. рисунок L.1).
Для того чтобы определить общее расстояние, одно из расстояний должно быть равно 1 мм или более (см. приложение А, примеры 1 - 10).
При необходимости во время измерения прикладывают силу к любой точке оголенных проводов и к внешней поверхности металлических кожухов, с тем чтобы уменьшить пути утечки тока и воздушные зазоры в процессе измерений.
Усилие прикладывают посредством стандартного испытательного пальца, показанного на рисунке 1, а значение этого усилия составляет:
- 2 Н для оголенных проводов;
- 30 Н для кожухов.
При наличии промежуточной перегородки, состоящей из двух частей, не склеенных между собой, пути утечки тока также измеряют через соединение этих частей.
При наличии промежуточной перегородки воздушные зазоры измеряют поверх перегородки или, если перегородка состоит из двух частей, соприкасающиеся поверхности которых не склеены между собой, через соединение этих частей.
При определении путей утечки тока и воздушных зазоров учитывают влияние внутренних изоляционных покрытий на металлических кожухах или крышках.
Средства, предназначенные для крепления машин к опоре, считают доступными.
L.29 Теплостойкость, огнестойкость и стойкость к образованию токоведущих мостиков
L.29.1 Изменение:
Данный пункт применяется только в том случае, когда машина имеет такую конструкцию, при которой она непосредственно соединена с сетью питания или с неизолированным источником питания.
В том случае, когда машины могут также заряжать батарею при выполнении своей функции, ее оценку проводят с зарядным устройством, соединенным с сетью питания, и батареей в таких условиях, при которых создаются наиболее неблагоприятные температуры.
Кроме того, оценка машин, которые могут осуществлять зарядку батарей и могут также выполнять свои функции, должна осуществляться при питании только от батареи, если это может привести к созданию более неблагоприятных температур. Для целей, изложенных в данном пункте, часть, питание на которую подается только от батареи, не считается находящейся под напряжением.
а - расстояние от положительного оголенного проводника детали до наружной поверхности натянутой фольги, установленной через расщелины (отверстия, щели и т.п.);
b - расстояние от отрицательного оголенного проводника детали (части) до наружной поверхности натянутой (обтянутой) фольги, установленной через расщелины (отверстия, щели и т.п.);
а + b - общая сумма значений, установленных в L.28.1
Рисунок L.1 - Измерение воздушных зазоров
М.1 Область применения
Данное приложение распространяется на рабочие опоры с питанием от сети и без него и предназначено для использования вместе с ручными электрическими машинами, но не предназначено для применения в условиях непрерывного производства или на поточных линиях.
Применяются все пункты основного стандарта, насколько это допустимо с учетом типа рабочей опоры, если иное не оговорено в данном приложении.
Исходя из целей данного приложения следует понимать, что термин «машина», используемый в основном стандарте, относится к рабочей опоре.
М.2 Нормативные ссылки
Данный раздел применяется с дополнительной нормативной ссылкой:
МЭК 60204-1 Безопасность машин и механизмов. Электрооборудование промышленных машин - Часть 1. Общие требования
М.3 Термины и определения
Данный раздел применяется с дополнительными терминами с соответствующими определениями:
М.3.201 рабочая опора (working stand): Устройство, на котором закреплена ручная электрическая машина, приводимая в действие двигателем, в целях использования его в качестве стационарного электропривода. Некоторые рабочие опоры включают в себя зажимные устройства, защитное оборудование и устройства, удерживающие приспособления (диски пил, лезвия, сверла и т.п.).
М.3.202 регулирующее (управляющее) устройство (adjusting/control device): Устройство, используемое для регулирования (управления) функции, выполняемой рабочей опорой или машиной.
М.3.203 устройство для сбора пыли (dust collection equipment): Устройство, предназначенное для удаления и сбора пыли и стружек и составляющее единое целое с внешним отсасывающим оборудованием или подсоединяемое к нему по желанию пользователя.
М.5 Общие условия проведения испытаний
Данный раздел применяется с дополнением:
М.5.201 Если результаты испытаний рабочей опоры в соответствии с любым пунктом настоящего стандарта зависят от машины, установленной на рабочую опору, тогда испытанию следует подвергнуть комбинацию машина/рабочая опора, указанную в перечислении а) М.8.12.2 и дающую наиболее неблагоприятные результаты.
Для комбинации машина/рабочая опора, указанной в перечислении а) М.8.12.2, рабочая опора не должна отрицательно влиять на машину, когда она используется в комбинации с этой опорой.
М.7 Классификация
Данный раздел применяется с изменением:
М.7.1 Замена:
Если рабочая опора сконструирована для использования:
- с машинами класса I или
- с машинами класса I и класса II, части электрической системы, подающей питание на машину, должны быть класса I.
Если рабочая опора сконструирована для использования с машинами класса II, части электрической системы, подающей питание на инструмент, должны быть класса I или II.
Соответствие требованию проверяют осмотром или проведением соответствующих испытаний.
М.8 Маркировка и инструкции
Данный раздел применяется со следующими дополнениями и изменениями:
М.8.1 Дополнение:
Маркировка рабочей опоры должна содержать такие характеристики, как мощность, вес, размеры, указанные в соответствующем стандарте на машины конкретного вида.
М.8.12.1.1 Замена:
Предупреждения по безопасности общего характера, касающиеся рабочей опоры
ВНИМАНИЕ! Прочтите все предупреждающие надписи по безопасности и все инструкции, касающиеся рабочей опоры и силовой машины. Несоблюдение предупреждающих надписей и инструкций может привести к поражению электрическим током, пожару и (или) серьезным повреждениям.
Сохраните все предупреждающие надписи и инструкции, с тем чтобы обращаться к ним в дальнейшем.
Под термином «электрическая машина» в предупреждающих надписях имеется в виду машина, питающаяся от сети (снабженная шнуром), или машина, работающая от батареи (без шнура).
Примечание - Термины «рабочая опора» и «электрическая машина» могут быть заменены специальными терминами, например «стол для фасонно-фрезерного станка» и «фасонно-фрезерный станок».
Отсоединить вилку от источника питания и (или) портативный батарейный источник питания от силовой машины перед тем, как осуществлять какие-либо регулировки или замены приспособлений. Случайный пуск электрической машины может стать причиной несчастного случая.
Осуществите надлежащим образом сборку рабочей опоры до установки машины. Надлежащая сборка позволяет исключить падение и поломку.
Перед эксплуатацией надежно закрепите электрическую машину на рабочей опоре. Смещение машины на рабочей опоре может привести к потере управления.
Установите рабочую опору на твердую, плоскую и уровненную поверхность. Если рабочая опора может смещаться или качаться, нельзя будет обеспечить постоянный и надежный контроль над электрической машиной или обрабатываемой деталью.
Не перегружайте рабочую опору, не пользуйтесь ей в качестве стремянки или лесов. Повышенная нагрузка на рабочую опору приводят к ее перегрузке и, как следствие, к опрокидыванию.
Примечание - Приведенные выше предупреждения могут не приводиться в том случае, если маловероятно, что рабочая опора будет использована в качестве стремянки или лесов, например, из-за ее небольших габаритов.
М.8.12.2, перечисление а) Дополнение:
201) Информация об электрических машинах, предназначенных для установки на рабочую опору, и предупреждение относительно опасностей, которые могут возникнуть при установке электрических машин, которые не предназначены для использования с рабочей опорой.
202) Если это применимо, руководство по эксплуатации должно содержать информацию относительно того, как устанавливать и закреплять опору на полу, верстаке и т.п.
М.10 Пуск
Данный раздел не применяется.
М.11 Потребляемая мощность и ток
Данный раздел не применяется.
М.17 Надежность
Данный раздел применяется со следующим изменением:
М.17.2 Замена пятого абзаца:
Испытание проводят при нормальном рабочем положении рабочей опоры.
М.19 Механическая безопасность
Данный раздел применяется со следующим дополнением:
М.19.201 Рабочие опоры, которые могут быть использованы без закрепления на полу или на столе, должны иметь достаточную устойчивость.
Соответствие требованию проверяют следующим испытанием.
Рабочие опоры с приборным входом снабжены соответствующим соединителем и гибким кабелем или шнуром.
Рабочую опору вместе с отключенной электрической машиной устанавливают в любое нормальное рабочее положение на плоскости, наклоненной под углом 10° относительно горизонтали, при этом кабель или шнур расположен в плоскости, наклоненной в самом неблагоприятном положении. Однако, если используют такую расположенную в горизонтальной плоскости рабочую опору, при наклоне которой под углом 10° ее часть, обычно не контактирующая с опорной поверхностью, будет касаться горизонтальной плоскости, рабочую опору устанавливают в горизонтальной плоскости и наклоняют в наиболее неблагоприятном направлении под углом 10°.
Рабочие опоры с дверцами испытывают при открытых или закрытых дверцах в зависимости от того, какое положение является наиболее неблагоприятным.
Рабочие опоры, предназначенные для заполнения пользователем жидкостью при нормальной эксплуатации, испытывают, не заполняя жидкостью или заполняя самым неблагоприятным количеством воды или рекомендуемой жидкости до номинальной вместимости.
Рабочая опора не должна опрокидываться.
М.19.202 Винты, обеспечивающие механическое соединение между различными частями рабочей опоры, не должны ослабляться при нормальной эксплуатации.
М.19.203 Любые защитные устройства, такие, как ограждения, которые необходимы для использования сочетания рабочей опоры и машины, должны поставляться вместе с рабочей опорой. В соответствующих стандартах на конкретные виды машин указывают, какие защитные устройства необходимо поставлять вместе с рабочей опорой.
Соответствие требованию проверяют осмотром.
М.19.204 Использование машины вместе с рабочей опорой не должно нарушать безопасность машины при ее отсоединении от опоры и использовании без опоры.
Соответствие проверяют осмотром.
М.21 Конструкция
Данный раздел применяется со следующими дополнениями и изменениями:
М.21.17 Замена:
Выключатели должны быть расположены таким образом, чтобы исключить вероятность их случайного срабатывания.
Соответствие требованию проверяют, прикладывая к выключателю сферу с диаметром (100 ± 1) мм. Должна быть исключена возможность запуска электрической машины с помощью сферы.
М.21.18 Замена:
Сетевой выключатель рабочей опоры или электрических машин, приводимых в действие двигателем, должен быть расположен таким образом, чтобы пользователь мог включать и выключать его с места расположения оператора. В тех случаях, когда выключатель имеет устройство блокировки, позволяющее зафиксировать его в положении «Включено», можно считать, что требование настоящего пункта выполняется при условии, что выключатель автоматически снимает блокировку при приведении в действие приводного элемента (курка).
В соответствующем стандарте на машины конкретных видов указано, имеет ли рабочая опора выключатель для включения и отключения установленной электрической машины.
Соответствие требованию проверяют осмотром и испытанием вручную.
М.21.201 Рукоятка, ручка, кнопка или другое устройство управления, которые могут быть приведены в действие в процессе работы машины, должны быть расположены таким образом относительно места нахождения оператора, чтобы не было необходимости проходить по участку с риском получить повреждение при попытке приведения их в действие.
Если участок, связанный с возможностью получения повреждения, расположен рядом с устройством управления, тогда этот участок должен быть огражден или расположен таким образом, чтобы на него нельзя было попасть случайно.
Соответствие требованию проверяют осмотром.
М.21.202 Рабочие опоры должны иметь устройства, необходимые для фиксации ручных электрических машин, предназначенных для установки на эти опоры.
Соответствие требованию проверяют осмотром.
М.21.203 После восстановления подачи напряжения вслед за отключением источника питания повторное включение электрической машины (рабочей опоры) не должно создавать опасности.
В соответствующем стандарте на машины конкретных видов должно быть указано, применяется ли данный пункт.
Соответствие требованию проверяют осмотром.
М.21.204 Если машина снабжена системой для сбора пыли, рабочая опора должна иметь такую конструкцию, при которой в условиях нормальной эксплуатации устройства для сбора пыли, которые имеют машины, могут использоваться без каких-либо ограничений.
И наоборот, сама рабочая опора может иметь устройства для сбора пыли, составляющие с ней единое целое или подсоединяемые к наружному оборудованию для сбора пыли, функционирующему аналогичным образом.
Если необходимы дополнительные меры для сбора пыли, это указывают в соответствующем стандарте на машины конкретных видов.
Соответствие требованию проверяют осмотром и испытанием вручную.
М.23 Комплектующие изделия
Данный раздел применяется со следующими изменениями:
М.23.1.10 Замена:
Сетевые выключатели должны быть рассчитаны, как минимум, для использования в машине с максимальной номинальной потребляемой мощностью или номинальным током, рекомендуемыми изготовителем, и на 10000 циклов срабатываний.
Соответствие требованию проверяют осмотром и проведением указанного ниже испытания с использованием электрической машины, приводимой в действие двигателем и имеющей максимальную потребляемую мощность и номинальный ток, рекомендуемые изготовителем.
Сетевой выключатель рабочей опоры испытывают при номинальном напряжении или при максимальном значении диапазона номинальных напряжений машины.
Затем двигатель стопорят и выключатель приводят в действие в течение 50 циклов срабатываний, при этом каждый период «Включено» не превышает 0,5 с, а каждый период «Отключено» равен минимум 10 с.
Если в условиях нормальной эксплуатации электронное устройство управления отключает ток до размыкания основных контактов, количество срабатываний уменьшают до 5 при замыкании накоротко электронного устройства управления.
После испытания выключатель не должен иметь электрических или механических повреждений.
Сетевые выключатели, маркировка которых содержит индивидуальные параметры, также испытывают в соответствии с МЭК 61058-1.
М.23.1.11 Замена:
Выключатели, которые не испытывались отдельно и в отношении которых было установлено, что они соответствуют требованиям МЭК 61058-1 в условиях, возникающих в машине, должны отвечать требованиям приложения I.
Испытание по МЭК 61058-1 (пункт 17.2.4.4) проводят в течение 10000 циклов срабатываний.
Выключатели, предназначенные для работы на холостом ходу и которые могут работать только с помощью инструмента, подвергают испытаниям по МЭК 61058-1 (раздел 17). Это относится также к выключателям, приводимым в действие вручную, которые подвергаются блокировке, с тем чтобы они не могли быть приведены в действие под нагрузкой, однако выключатели, которые не подвергаются блокировке, испытывают в соответствии с МЭК 61058-1 (пункт 17.2.4.4) в течение 100 циклов срабатываний.
Выключатель не подвергают испытаниям в соответствии с МЭК 61058-1 (пункт 17.2.4.4), если рабочая опора отвечает требованиям настоящего стандарта при замыкании выключателя накоротко.
М.24 Присоединение к источнику питания и внешние гибкие шнуры
Данный раздел применяется со следующим исключением:
М.24.12 Данный пункт не применяется.
М.25 Зажимы для внешних проводов
Данный раздел применяется со следующим дополнением:
М.25.201 Зажимы должны отвечать требованиям МЭК 60204-1.
Соответствие требованиям проверяют осмотром.
Правила, касающиеся приемо-сдаточных испытаний
N.1 Общие положения
Испытания, приведенные в данном приложении, предназначены для выявления неприемлемых с точки зрения надежности изменений, касающихся материала или технологии изготовления. Эти производственные испытания не ухудшают свойств и надежности машины и должны проводиться изготовителем на каждой машине.
Как правило, изготовитель, исходя из собственного опыта, должен проводить большее количество испытаний, таких, как повторные типовые испытания и выборочные испытания, с тем чтобы гарантировать, что каждая машина соответствует образцам, которые выдержали испытания, приведенные в настоящем стандарте.
Изготовитель может использовать методику испытания, которая больше подходит для его производственных условий, и проводить испытания на соответствующей стадии в процессе производства при условии, что может быть продемонстрировано, что машины, выдержавшие испытания, проводимые изготовителем, обладают той же степенью надежности, что и машины, испытанные в соответствии с настоящим стандартом.
N.2 Испытание в целях установления правильной работы
Следует проверить надежную работу машины, например с помощью электрических измерений, путем проверки функциональных устройств, таких, как выключатели и ручные органы управления и направления вращения двигателя.
N.3 Испытание на электрическую прочность изоляции
Изоляция машин должна быть проверена с помощью следующего испытания.
Напряжение практически синусоидальной формы частотой 50 или 60 Гц и величиной, которая указана в таблице N.1, прикладывают в течение 3 с между токоведущими частями и:
a) доступными металлическими частями, которые могут стать токоведущими в случае повреждения изоляции или в результате неправильной сборки;
b) недоступными металлическими частями.
Испытания по перечислению а) проводят на собранной машине; испытание по перечислению b) проводят или на полностью собранной машине, или на сборочных узлах производственной линии.
Испытанию по перечислению а) подвергают все машины, а испытанию по перечислению b) - только машины класса II.
Высоковольтный трансформатор, используемый при данных испытаниях, должен иметь конструкцию, при которой при закорачивании накоротко наружных зажимов после того, как выходное напряжение было отрегулировано до соответствующего испытательного значения, выходной ток должен равняться минимум 200 мА.
Максимальное реле должно срабатывать, когда выходной ток превышает 5 мА.
Необходимо принять меры к тому, чтобы эффективное значение испытательного напряжения измерялось с точностью ±3 % и чтобы устройство для измерения напряжения или другой индикатор реагировали на входное напряжение трансформатора.
Необходимо обратить внимание на тот факт, что описанное испытание не может использоваться во всех случаях, если машина включает комплектующие изделия постоянного тока; в таких случаях могут потребоваться испытания на постоянном токе.
Сопротивление, присущее источнику постоянного тока, должно допускать ток короткого замыкания минимум 200 мА.
Во время испытаний не должно быть перекрытия по изоляции или пробоя.
Таблица N.1 - Испытательные напряжения при испытаниях на электрическую прочность изоляции
|
Испытательное напряжение, В |
|||
|
Машина класса III |
Машина класса II |
Машина класса I |
|
|
По основной изоляции |
400 |
1000 |
1000 |
|
По двойной изоляции или по усиленной изоляции |
- |
2500 |
- |
N.4 Испытание на целостность заземления
У машин класса I ток, равный минимум 10 А и полученный от источника переменного тока, напряжение которого без нагрузки не превышает 12 В, пропускают между защитным зажимом или защитным контактом и каждой из доступных металлических частей (по очереди), которые необходимо заземлить с учетом безопасности.
Измеряют падение напряжения между защитным контактом штепсельного разъема или наружным концом заземляющего проводника или приборного ввода и доступной металлической частью и вычисляют сопротивление, исходя из тока и данного падения напряжения. Сопротивление никогда не должно превышать 0,3 Ом. Эта величина применима для кабеля питания длиной до 5 м. Если длина кабеля питания превышает 5 м, сопротивление увеличивают на 0,12 Ом для каждого дополнительного отрезка, равного 5 м.
Необходимо обратить внимание на то, чтобы переходное сопротивление между концом измерительного щупа и испытуемой металлической частью не оказывало влияния на результаты испытания.
Таблица ДА.1
|
Обозначение ссылочного международного стандарта |
Степень соответствия |
Обозначение и наименование соответствующего национального стандарта (и действующего в этом качестве межгосударственного стандарта) |
|
МЭК 60061-DB:2005 |
- |
* |
|
МЭК 60065:2001 |
IDT |
ГОСТ Р МЭК 60065-2005 «Аудио-, видео- и аналогичная электронная аппаратура. Требования безопасности» |
|
МЭК 60068-2-75:1997 |
- |
* |
|
МЭК 60085:2004 |
- |
* |
|
МЭК 60112:2003 |
- |
* |
|
МЭК 60127-3:1988 (с изм. 1, 2, попр. 1, 2) |
MOD |
ГОСТ Р 50539-93 (МЭК 127-3-88) «Миниатюрные плавкие предохранители. Субминиатюрные плавкие вставки» (с изм. 1) |
|
МЭК 60204-1:2005 |
IDT |
ГОСТ Р МЭК 60204-1-2007 «Безопасность машин. Электрооборудование машин и механизмов. Часть 1. Общие требования» |
|
МЭК 60227-1:2007 |
IDT |
ГОСТ Р МЭК 60227-1-99 «Кабели с поливинилхлоридной изоляцией на номинальное напряжение до 450/750 В включительно. Общие требования» |
|
МЭК 60227-2:1997 |
IDT |
ГОСТ Р МЭК 60227-2-99 «Кабели с поливинилхлоридной изоляцией на номинальное напряжение до 450/750 В включительно. Методы испытаний» |
|
МЭК 60227-3:1997 |
IDT |
ГОСТ Р МЭК 60227-3-2002 «Кабели с поливинилхлоридной изоляцией на номинальное напряжение до 450/750 В включительно. Кабели без оболочки для стационарной прокладки» |
|
МЭК 60227-4:1992 |
IDT |
ГОСТ Р МЭК 60227-4-2002 «Кабели с поливинилхлоридной изоляцией на номинальное напряжение до 450/750 В включительно. Кабели в оболочке для стационарной прокладки» |
|
МЭК 60227-5:1997 |
IDT |
ГОСТ Р МЭК 60227-5-2002 «Кабели с поливинилхлоридной изоляцией на номинальное напряжение до 450/750 В включительно. Гибкие кабели (шнуры)» |
|
МЭК 60227-6:1985 |
IDT |
ГОСТ Р МЭК 60227-6-2002 «Кабели с поливинилхлоридной изоляцией на номинальное напряжение до 450/750 В включительно. Лифтовые кабели и кабели для гибких соединений» |
|
МЭК 60227-7:1995 |
IDT |
ГОСТ Р МЭК 60227-7-98 «Кабели с поливинилхлоридной изоляцией на номинальное напряжение до 450/750 В включительно. Кабели гибкие экранированные и неэкранированные с двумя и более токопроводящими жилами» |
|
МЭК 60245-1:2003 |
IDT |
ГОСТ Р МЭК 60245-1-2006 «Кабели с резиновой изоляцией на номинальное напряжение до 450/750 В включительно. Общие требования» |
|
МЭК 60245-2:1994 |
IDT |
ГОСТ Р МЭК 60245-2-2002 «Кабели с резиновой изоляцией на номинальное напряжение до 450/750 В включительно. Методы испытаний» |
|
МЭК 60245-3:1994 |
IDT |
ГОСТ Р МЭК 60245-3-97 «Кабели с резиновой изоляцией на номинальное напряжение до 450/750 В включительно. Кабели с нагревостойкой кремнийорганической изоляцией» |
|
МЭК 60245-4:1994 |
IDT |
ГОСТ Р МЭК 60245-4-2002 «Кабели с резиновой изоляцией на номинальное напряжение до 450/750 В включительно. Часть 4. Шнуры и гибкие кабели» |
|
МЭК 60245-6:1994 |
IDT |
ГОСТ Р МЭК 60245-6-97 «Кабели с резиновой изоляцией на номинальное напряжение до 450/750 В включительно. Кабели для электродной дуговой сварки» |
|
МЭК 60245-7:1994 |
IDT |
ГОСТ Р МЭК 60245-7-97 «Кабели с резиновой изоляцией на номинальное напряжение до 450/750 В включительно. Кабели с нагревостойкой этиленвинилацетатной резиновой изоляцией» |
|
МЭК 60245-8:2004 |
- |
* |
|
МЭК 60309-1:1999 |
MOD |
ГОСТ Р 51323.1-99 (МЭК 60309-1-99) «Вилки, штепсельные розетки и соединители промышленного назначения. Часть 1. Общие требования» |
|
МЭК 60309-2:1999 |
MOD |
ГОСТ Р 51323.2-99 (МЭК 60309-2-99) «Вилки, штепсельные розетки и соединители промышленного назначения. Часть 2. Требования к взаимозаменяемости размеров штырей и контактных гнезд соединителей» |
|
МЭК 60320-1:1994 |
MOD |
ГОСТ Р 51325.1-99 (МЭК 60320-1-94) «Соединители электрические бытового и аналогичного назначения. Часть 1. Общие требования и методы испытаний» |
|
МЭК 60320-2-2:1998 |
MOD |
ГОСТ Р 51325.2.2-99 (МЭК 60320-2-2-98) «Соединители электрические бытового и аналогичного назначения. Часть 2-2. Дополнительные требования к вилкам и розеткам для взаимного соединения в приборах и методы испытаний» |
|
МЭК 60320-2-3:1998 |
MOD |
ГОСТ Р 51325.2.3-2002 (МЭК 60320-2-3-98) «Соединители электрические бытового и аналогичного назначения. Часть 2-3. Дополнительные требования к соединителям степени защиты свыше 1РХО и методы испытаний» |
|
МЭК 60335-1:2001 |
MOD |
ГОСТ Р 52161.1-2004 (МЭК 60335-1:2001) «Безопасность бытовых и аналогичных электрических приборов. Часть 1. Общие требования» |
|
МЭК 60384-14:1993 |
IDT |
ГОСТ МЭК 60384-14-2004 «Конденсаторы постоянной емкости для электронной аппаратуры. Часть 14. Групповые технические условия на конденсаторы постоянной емкости для подавления электромагнитных помех и соединения с питающими магистралями» |
|
МЭК 60417-DB:2002 |
- |
* |
|
МЭК 60529:1989 |
MOD |
ГОСТ 14254-96 (МЭК 60529-89) «Изделия электротехнические. Степени защиты, обеспечиваемые оболочками (код IP)» |
|
МЭК 60695-2-11:2000 |
- |
* |
|
МЭК 60695-11-5:2004 |
- |
* |
|
МЭК 60695-11-10:2003 |
- |
* |
|
МЭК 60730-1:1999 |
IDT |
ГОСТ Р МЭК 60730-1-2002 «Автоматические электрические управляющие устройства бытового и аналогичного назначения. Общие требования и методы испытаний» |
|
МЭК 60760:1989 |
- |
* |
|
МЭК 60825-1:2001 |
- |
* |
|
МЭК 60884-1:1994 |
MOD |
ГОСТ Р 51322.1-99 (МЭК 60884-1-94) «Соединители электрические штепсельные бытового и аналогичного назначения. Часть 1. Общие требования и методы испытаний» |
|
МЭК 60884-2-1:1987 |
MOD |
ГОСТ 7396.2-91 (МЭК 60884-2-1-87) «Соединители электрические штепсельные бытового и аналогичного назначения. Частные требования к вилкам с предохранителями. Общие технические условия» |
|
МЭК 60884-2-2:1989 |
MOD |
ГОСТ Р 51322.2.2-99 (МЭК 60884-2-2-89) «Соединители электрические штепсельные бытового и аналогичного назначения. Часть 2. Дополнительные требования к розеткам для приборов и методы испытаний» |
|
МЭК 60884-2-4:1999 |
MOD |
ГОСТ Р 51322.2.4-99 (МЭК 60884-2-4-93) «Соединители электрические штепсельные бытового и аналогичного назначения. Часть 2. Дополнительные требования к вилкам и розеткам для системы БСНН и методы испытаний» |
|
МЭК 60884-2-5:1995 |
MOD |
ГОСТ Р 51322.2.5-99 (МЭК 60884-2-5-95) «Соединители электрические штепсельные бытового и аналогичного назначения. Часть 2. Дополнительные требования к переходникам (адаптерам) и методы испытаний» |
|
МЭК 60884-2-6:1997 |
MOD |
ГОСТ Р 51322.2.6-99 (МЭК 60884-2-6-97) «Соединители электрические штепсельные бытового и аналогичного назначения. Часть 2-6. Дополнительные требования к розеткам с выключателями с блокировкой для стационарных установок и методы испытаний» |
|
МЭК 60998-2-1:2002 |
MOD |
ГОСТ Р 50043.2-92 (МЭК 60998-2-90) «Соединительные устройства для низковольтных цепей бытового и аналогичного назначения. Часть 2-1. Частные требования для соединительных устройств с винтовыми зажимами» |
|
МЭК 60998-2-2:1991 |
MOD |
ГОСТ Р 50043.3-2000 (МЭК 60998-2-2-91) «Соединительные устройства для низковольтных цепей бытового и аналогичного назначения. Часть 2-2. Дополнительные требования к безвинтовым контактным зажимам для присоединения медных проводников» |
|
МЭК 60999-1:1999 |
MOD |
ГОСТ Р 51686.1-2000 (МЭК 60999-1-99) «Соединительные устройства. Требования безопасности к контактным зажимам. Часть 1. Требования к винтовым и безвинтовым контактным зажимам для соединения медных проводников с номинальным сечением от 0,2 до 3,5 мм2» |
|
МЭК 61058-1:2000 |
- |
* |
|
МЭК 61540:1997 |
- |
* |
|
МЭК 61558-1:1997 |
- |
* |
|
МЭК 61558-2-6:1997 |
- |
* |
|
ИСО 1463:2003 |
- |
* |
|
ИСО 2178:1982 |
MOD |
ГОСТ 9.302-88 (ИСО 1463-82, ИСО 2178-82) «Единая система защиты от коррозии и старения. Покрытия металлические и неметаллические неорганические. Методы контроля» |
|
ИСО 3864-2:2004 |
- |
* |
|
ИСО 7010:2003 |
- |
* |
|
ИСО 9772:2001 |
- |
* |
|
* Соответствующий национальный стандарт отсутствует. До его утверждения рекомендуется использовать перевод на русский язык данного международного стандарта. Перевод данного международного стандарта находится в Федеральном информационном фонде технических регламентов и стандартов. Примечание - В настоящей таблице использованы следующие условные обозначения степени соответствия стандартов: - IDT - идентичные стандарты; - MOD - модифицированные стандарты. |
||
|
[1] |
Международный стандарт МЭК 60335-2-29 |
Безопасность бытовых и аналогичных электрических приборов. Часть 2.29. Частные требования для зарядных устройств батарей |
|
[2] |
Международный стандарт МЭК 60335-2-45 |
Бытовые и аналогичные электрические приборы. Безопасность. Часть 2. Частные требования к портативным электронагревательным инструментам и аналогичным приборам |
|
[3] |
Международный стандарт МЭК 60601 (все части) |
Медицинские электрические инструменты |
|
[4] |
Международный стандарт МЭК 61000-3-2 |
Электромагнитная совместимость (ЕМС). Часть 3-2: Нормы - нормы эмиссии гармонических составляющих тока (потребляемый ток оборудования £ 16 А в одной фазе) |
|
[5] |
Международный стандарт МЭК 61000-3-3 |
Электромагнитная совместимость (ЕМС). Часть 3: Нормы. Раздел 3: Ограничение колебаний напряжения и фликера в низковольтных системах электроснабжения для оборудования с номинальным потребляемым током £ 16 А |
|
[6] |
Международный стандарт СИСПР 11 |
Индустриальные радиопомехи от промышленных, научных и медицинских (ИСМ) высокочастотных устройств. Нормы и методы измерения |
|
[7] |
Международный стандарт СИСПР 14-1 |
Электромагнитная совместимость. Требования для бытовых приборов, электрических инструментов и аналогичных устройств. Часть 1. Помехоэмиссия |
|
[8] |
Международный стандарт СИСПР 14-2 |
Электромагнитная совместимость. Требования для бытовых приборов, электрических инструментов и аналогичных устройств. Часть 2. Помехоустойчивость. Результат системы стандарта |
Ключевые слова: машины ручные электрические, безопасность, методы испытаний