Главная // Актуальные документы // Актуальные документы (обновление с 03.11.2025 по 29.11.2025) // ГОСТ (Государственный стандарт)СПРАВКА
Источник публикации
М.: ФГБУ "Институт стандартизации", 2025
Примечание к документу
Документ
вводится в действие с 01.06.2026.
Название документа
"ГОСТ 8269.0-2025. Межгосударственный стандарт. Щебень и гравий из плотных горных пород и отходов промышленного производства для строительных работ. Методы физико-механических испытаний"
(введен в действие Приказом Росстандарта от 15.09.2025 N 1047-ст)
"ГОСТ 8269.0-2025. Межгосударственный стандарт. Щебень и гравий из плотных горных пород и отходов промышленного производства для строительных работ. Методы физико-механических испытаний"
(введен в действие Приказом Росстандарта от 15.09.2025 N 1047-ст)
агентства по техническому
регулированию и метрологии
от 15 сентября 2025 г. N 1047-ст
МЕЖГОСУДАРСТВЕННЫЙ СТАНДАРТ
ЩЕБЕНЬ И ГРАВИЙ ИЗ ПЛОТНЫХ ГОРНЫХ ПОРОД И ОТХОДОВ
ПРОМЫШЛЕННОГО ПРОИЗВОДСТВА ДЛЯ СТРОИТЕЛЬНЫХ РАБОТ
МЕТОДЫ ФИЗИКО-МЕХАНИЧЕСКИХ ИСПЫТАНИЙ
Mauntainous rock road-metal and gravel,
industrial waste products for construction works.
Methods of physical and mechanical tests
ГОСТ 8269.0-2025
Дата введения
1 июня 2026 года
Цели, основные принципы и общие правила проведения работ по межгосударственной стандартизации установлены
ГОСТ 1.0 "Межгосударственная система стандартизации. Основные положения" и
ГОСТ 1.2 "Межгосударственная система стандартизации. Стандарты межгосударственные, правила и рекомендации по межгосударственной стандартизации. Правила разработки, принятия, обновления и отмены"
1 РАЗРАБОТАН Федеральным государственным бюджетным учреждением "Российский институт стандартизации" (ФГБУ "Институт стандартизации") совместно с Акционерным обществом "Научно-исследовательский центр "Строительство" (АО "НИЦ "Строительство") - Научно-исследовательским, проектно-конструкторским и технологическим институтом бетона и железобетона им. А.А. Гвоздева (НИИЖБ им. А.А. Гвоздева)
2 ВНЕСЕН Техническим комитетом по стандартизации ТК 144 "Строительные материалы и изделия"
3 ПРИНЯТ Межгосударственным советом по стандартизации, метрологии и сертификации (протокол от 29 августа 2025 г. N 188-П)
За принятие проголосовали:
Краткое наименование страны по МК (ИСО 3166) 004-97 | Код страны по МК (ИСО 3166) 004-97 | Сокращенное наименование национального органа по стандартизации |
Армения | AM | ЗАО "Национальный орган по стандартизации и метрологии" Республики Армения |
Беларусь | BY | Госстандарт Республики Беларусь |
Киргизия | KG | Кыргызстандарт |
Россия | RU | Росстандарт |
Таджикистан | TJ | Таджикстандарт |
Узбекистан | UZ | Узбекское агентство по техническому регулированию |
4
Приказом Федерального агентства по техническому регулированию и метрологии от 15 сентября 2025 г. N 1047-ст межгосударственный стандарт ГОСТ 8269.0-2025 введен в действие в качестве национального стандарта Российской Федерации с 1 июня 2026 г.
Информация о введении в действие (прекращении действия) настоящего стандарта и изменений к нему на территории указанных выше государств публикуется в указателях национальных стандартов, издаваемых в этих государствах, а также в сети Интернет на сайтах соответствующих национальных органов по стандартизации.
В случае пересмотра, изменения или отмены настоящего стандарта соответствующая информация будет опубликована на официальном интернет-сайте Межгосударственного совета по стандартизации, метрологии и сертификации в каталоге "Межгосударственные стандарты"
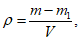
Настоящий стандарт распространяется на щебень и гравий из плотных горных пород по
ГОСТ 8267 (в том числе попутно добываемых вскрышных и вмещающих пород и некондиционных отходов горных предприятий) и отходов промышленного производства (в том числе из шлаков черной и цветной металлургии и тепловых электростанций по
ГОСТ 5578) со средней плотностью зерен свыше 2,0 г/см
3, применяемых в качестве заполнителей для бетона, а также других видов строительных работ, и устанавливает порядок выполнения физико-механических испытаний.
Положения настоящего стандарта распространяются также на песчано-гравийные смеси, выпускаемые по
ГОСТ 23735.
Настоящий стандарт не распространяется на щебень и гравий из плотных горных пород по
ГОСТ 32703, применяемый при проведении работ по проектированию, строительству, реконструкции, капитальному ремонту, ремонту и содержанию автомобильных дорог общего пользования.
Область применения физико-механических испытаний при геологической разведке приведена в
приложении А.
В настоящем стандарте использованы нормативные ссылки на следующие межгосударственные стандарты:
ГОСТ 166 (ИСО 3599-76) Штангенциркули. Технические условия
ГОСТ 310.3 Цементы. Методы определения нормальной густоты, сроков схватывания и равномерности изменения объема
ГОСТ 427 Линейки измерительные металлические. Технические условия
ГОСТ 450 Кальций хлористый технический. Технические условия
ГОСТ 1770 (ИСО 1042-83, ИСО 4788-80) Посуда мерная лабораторная стеклянная. Цилиндры, мензурки, колбы, пробирки. Технические условия
ГОСТ 2184 Кислота серная техническая. Технические условия
ГОСТ 3749 Угольники поверочные 90°. Технические условия
ГОСТ 4166 Реактивы. Натрий сернокислый. Технические условия
ГОСТ 4171 Реактивы. Натрия сульфат 10-водный. Технические условия
ГОСТ 4328 Реактивы. Натрия гидроокись. Технические условия
ГОСТ 5578 Щебень и песок из шлаков черной и цветной металлургии для бетонов. Технические условия
ГОСТ 6613 Сетки проволочные тканые с квадратными ячейками. Технические условия
--------------------------------
ГОСТ 8030 Иглы для шитья вручную. Технические условия
ГОСТ 8267-93 Щебень и гравий из плотных горных пород для строительных работ. Технические условия
ГОСТ 8269.1-97 Щебень и гравий из плотных горных пород и отходов промышленного производства для строительных работ. Методы химического анализа
ГОСТ 8711 Приборы аналоговые показывающие электроизмерительные прямого действия и вспомогательные части к ним. Часть 2. Особые требования к амперметрам и вольтметрам
ГОСТ 9147 Посуда и оборудование лабораторные фарфоровые. Технические условия
ГОСТ 11042 <2> Молотки стальные строительные. Технические условия
--------------------------------
ГОСТ 12026 Бумага фильтровальная лабораторная. Технические условия
ГОСТ 14838 Проволока из алюминия и алюминиевых сплавов для холодной высадки. Технические условия
ГОСТ 19904 Прокат листовой холоднокатаный. Сортамент
ГОСТ 22524 Пикнометры стеклянные. Технические условия
ГОСТ 22698 Красители органические. Основной фиолетовый К. Технические условия
ГОСТ 23732 Вода для бетонов и строительных растворов. Технические условия
ГОСТ 23735 Смеси песчано-гравийные для строительных работ. Технические условия
ГОСТ 24638 Сверла алмазные кольцевые для железобетонных конструкций. Технические условия
ГОСТ 25336 Посуда и оборудование лабораторные стеклянные. Типы, основные параметры и размеры
ГОСТ 25639 Магниты литые постоянные. Технические условия
ГОСТ 25706 Лупы. Типы, основные параметры. Общие технические требования
ГОСТ 28840 Машины для испытания материалов на растяжение, сжатие и изгиб. Общие технические требования
ГОСТ 29227 Посуда лабораторная стеклянная. Пипетки градуированные. Часть 1. Общие требования
ГОСТ 29228 Посуда лабораторная стеклянная. Пипетки градуированные. Часть 2. Пипетки градуированные без установленного времени ожидания
ГОСТ 32703 Дороги автомобильные общего пользования. Щебень и гравий из горных пород. Технические требования
ГОСТ 32820 Дороги автомобильные общего пользования. Щебень и песок шлаковые. Определение активности шлаков
ГОСТ 32833 Круги алмазные отрезные. Технические условия
ГОСТ 32861 Дороги автомобильные общего пользования. Щебень и песок шлаковые. Определение содержания слабых зерен и примесей металла
ГОСТ 33026 Дороги автомобильные общего пользования. Щебень и гравий из горных пород. Определение содержания глины в комках
ГОСТ 33028 Дороги автомобильные общего пользования. Щебень и гравий из горных пород. Определение влажности
ГОСТ 33029 Дороги автомобильные общего пользования. Щебень и гравий из горных пород. Определение гранулометрического состава
ГОСТ 33030 Дороги автомобильные общего пользования. Щебень и гравий из горных пород. Определение дробимости
ГОСТ 33031 Дороги автомобильные общего пользования. Щебень и гравий из горных пород. Определение минералого-петрографического состава
ГОСТ 33046 Дороги автомобильные общего пользования. Щебень и гравий из горных пород. Определение наличия органических примесей в гравии и щебне из гравия
ГОСТ 33047 Дороги автомобильные общего пользования. Щебень и гравий из горных пород. Определение насыпной плотности и пустотности
ГОСТ 33048 Дороги автомобильные общего пользования. Щебень и гравий из горных пород. Отбор проб
ГОСТ 33049 Дороги автомобильные общего пользования. Щебень и гравий из горных пород. Определение сопротивления дроблению и износу
ГОСТ 33050 Дороги автомобильные общего пользования. Щебень и гравий из горных пород. Определение реакционной способности горной породы и щебня (гравия)
ГОСТ 33051 Дороги автомобильные общего пользования. Щебень и гравий из горных пород. Определение содержания дробленых зерен в гравии и щебне из гравия
ГОСТ 33053 Дороги автомобильные общего пользования. Щебень и гравий из горных пород. Определение содержания зерен пластинчатой (лещадной) и игловатой формы
ГОСТ 33054 Дороги автомобильные общего пользования. Щебень и гравий из горных пород. Определение содержания зерен слабых пород в щебне (гравии)
ГОСТ 33055 Дороги автомобильные общего пользования. Щебень и гравий из горных пород. Определение содержания пылевидных и глинистых частиц
ГОСТ 33056 Дороги автомобильные общего пользования. Щебень и гравий из горных пород. Определение устойчивости структуры зерен щебня (гравия) против распадов
ГОСТ 33057 Дороги автомобильные общего пользования. Щебень и гравий из горных пород. Определение средней и истинной плотности, пористости и водопоглощения
ГОСТ 33109 Дороги автомобильные общего пользования. Щебень и гравий из горных пород. Определение морозостойкости
ГОСТ OIML R 76-1 Государственная система обеспечения единства измерений. Весы неавтоматического действия. Часть 1. Метрологические и технические требования. Испытания
ГОСТ 35301 Заполнители для бетонов и строительных растворов. Методы определения реакционной способности
Примечание - При пользовании настоящим стандартом целесообразно проверить действие ссылочных стандартов и классификаторов на официальном интернет-сайте Межгосударственного совета по стандартизации, метрологии и сертификации (www.easc.by) или по указателям национальных стандартов, издаваемым в государствах, указанных в предисловии, или на официальных сайтах соответствующих национальных органов по стандартизации. Если на документ дана недатированная ссылка, то следует использовать документ, действующий на текущий момент, с учетом всех внесенных в него изменений. Если заменен ссылочный документ, на который дана датированная ссылка, то следует использовать указанную версию этого документа. Если после принятия настоящего стандарта в ссылочный документ, на который дана датированная ссылка, внесено изменение, затрагивающее положение, на которое дана ссылка, то это положение применяется без учета данного изменения. Если ссылочный документ отменен без замены, то положение, в котором дана ссылка на него, применяется в части, не затрагивающей эту ссылку.
В настоящем стандарте применены следующие термины с соответствующими определениями.
3.1 проба: Определенное количество материала, отобранное для испытаний от партии горной породы, щебня (гравия).
3.2 точечная проба: Проба материала, взятая единовременно из установленных нормативными документами мест партии.
3.3 объединенная проба: Проба материала, состоящая из точечных проб и характеризующая партию в целом.
3.4 лабораторная проба: Проба материала, приготовленная из объединенной пробы и предназначенная для всех лабораторных испытаний, предусмотренных для данного вида горной породы, щебня (гравия).
3.5 аналитическая проба: Проба материала, приготовленная из лабораторной пробы и предназначенная для нескольких видов испытаний, из которой отбирают отдельные навески в соответствии с методом испытаний.
Примечание - Допускается использование одной аналитической пробы для проведения нескольких видов испытаний, если в процессе предшествующих испытаний другие свойства материала не подвергаются изменению.
4 Методы физико-механических испытаний
4.1.1 Пробы взвешивают с погрешностью до 0,1% массы, если в стандарте на щебень (гравий) не даны другие указания.
4.1.2 Пробы, образцы и навески в воздушно-сухом состоянии (состоянии естественной влажности) высушивают до постоянной массы в сушильном шкафу при температуре (105 +/- 5) °C до тех пор, пока разность между результатами двух последовательных взвешиваний будет не более 0,1% массы навески. Каждое последующее взвешивание проводят после высушивания в течение не менее 1 ч и охлаждения не менее 45 мин.
4.1.3 Образцы горной породы для испытаний изготавливают цилиндрической или кубической формы. Линейные размеры образцов измеряют штангенциркулем по
ГОСТ 166 с погрешностью до 0,1 мм.
Площадь каждого из оснований образца цилиндрической формы вычисляют по среднеарифметическому значению двух взаимно перпендикулярных диаметров.
Для определения площади нижней и верхней граней образца кубической формы определяют среднеарифметические значения длины каждой пары параллельных ребер данной грани.
Высоту образца цилиндрической формы определяют как среднеарифметическое значение результатов измерений четырех образующих цилиндра, расположенных в четвертях его окружности.
Высоту образца кубической формы определяют как среднеарифметическое значение результатов измерений четырех вертикальных ребер.
Площадь поперечного сечения образца определяют как среднеарифметическое значение площадей нижнего и верхнего оснований.
Объем образца определяют как произведение площади поперечного сечения на высоту.
Грани образцов, к которым прикладывают нагрузку пресса, обрабатывают на шлифовальном станке (круге), при этом должна быть обеспечена их параллельность. Правильность формы образцов проверяют стальным угольником, измеряя линейкой или щупом образовавшийся просвет, величина которого не должна превышать 2 мм на 100 мм грани образца.
4.1.4 Результаты испытаний рассчитывают с точностью до второго знака после запятой, если не даны другие указания относительно точности вычисления.
4.1.5 В качестве норм точности результатов испытаний используют ошибку повторяемости Rmax, характеризующую возможные расхождения между результатами испытаний одного материала одним методом в одной лаборатории.
Для вычисления ошибки повторяемости используют не менее 20 пар результатов испытаний в данной лаборатории за последнее время.
Среднеквадратическую (стандартную) ошибку повторяемости Sn определяют по формуле

(1)
где

- средний размах по всем парам параллельных результатов испытаний.
Средний размах

определяют по формуле

(2)
где Ri - абсолютное значение разности между результатами параллельных испытаний i-й пары (размах);
n - общее число пар результатов испытаний (n >= 20).
Размах Ri определяют по формуле
Ri = X1i - X2i, (3)
где X1i и X2i - соответственно первый и второй результаты испытаний в i-й паре.
Правильность определения единичных результатов испытаний оценивают по расхождению между двумя параллельными результатами испытаний Rmax при доверительной вероятности 95%, которое определяют по формуле

(4)
Значения Sn и Rmax для соответствующего метода испытаний зависят от конкретной величины результатов испытаний. При попадании результатов испытаний в смежные интервалы для данного метода испытаний Rmax принимают как среднеарифметическое значение величин расхождений.
4.1.6 Зерновой состав щебня (гравия) должен определяться путем рассева пробы на стандартном наборе сит. Стандартный набор сит должен включать сито с квадратными отверстиями 1,25 мм по
ГОСТ 6613 и сита с круглыми отверстиями диаметрами 2,5; 5; 7,5; 10; 12,5; 15; 17,5; 20; 22,5; 25; 30; 40; 50; 60; 80 (70) мм на круглых или квадратных обечайках с диаметром или стороной не менее 300 мм.
Зерновой состав щебня (гравия) с наибольшим номинальным размером зерен крупнее 80 (70) мм должен определяться с применением проволочных калибров диаметром 90; 100; 110; 120 мм и более в зависимости от ожидаемой крупности щебня (гравия).
При определении зернового состава щебня (гравия) на ситах с квадратной формой ячеек применяются сита со следующими размерами ячеек: 2; 4; 5,6; 8; 11,2; 16; 22,4; 31,5; 45; 63; 90 мм.
Сита, укомплектованные крышкой и приемником, должны быть собраны так, чтобы предотвратить потери пробы в процессе просеивания. Обечайки должны иметь гладкую поверхность и легко комплектоваться с другими ситами, крышками и приемниками одного и того же номинального размера обечайки. Заделка металлической перфорированной пластины с обечайкой должна быть сконструирована таким образом, чтобы предотвратить попадание туда просеиваемого материала. Соединение проволочной ткани и рамки должно быть спроектировано таким образом, чтобы предотвратить застревание просеиваемого материала. Номинальные размеры отверстий сит не должны превышать установленные значения для соответствующего размера либо ближайшего (при его отсутствии) (см.
[1] <1>),
[2] и
[3]).
--------------------------------
<1> В Российской Федерации действует
ГОСТ Р 51568-99 (ИСО 3310-1-90) "Сита лабораторные из металлической проволочной сетки. Технические условия".
4.1.7 При определении показателей качества смеси фракций испытывают отдельно каждую фракцию и определяют средневзвешенное значение
X определяемого показателя в соответствии с содержанием фракции в смеси по формуле

(5)
где x1, x2, ..., xi - значения определяемого показателя;
a1, a2, ..., ai - содержание данной фракции, %.
4.1.8 Испытания на сжатие образцов горной породы или щебня (гравия) на дробимость в цилиндре должны проводиться на гидравлических прессах по
ГОСТ 28840.
Предельная нагрузка пресса Pmax должна быть такой, чтобы ожидаемое значение максимального усилия в процессе испытания укладывалось на шкале пресса от 0,3 до 0,8Pmax.
4.1.9 Температура помещения, в котором проводят испытания, должна быть (20 +/- 5) °C. Перед началом испытания горная порода, щебень (гравий) и вода должны иметь температуру, соответствующую температуре воздуха в помещении.
4.1.10 Воду для проведения испытаний применяют по
ГОСТ 23732, если в стандарте не даны указания по использованию дистиллированной воды по
ГОСТ 6709 или других жидкостей.
4.1.11 При использовании в качестве реактивов опасных (едких, токсичных) веществ следует руководствоваться требованиями безопасности, изложенными в нормативных и технических документах на эти реактивы.
4.1.12 Допускается применять средства измерений, лабораторное и вспомогательное оборудование, материалы и реактивы, отличные от указанных в настоящем стандарте, с характеристиками не хуже установленных настоящим стандартом и обеспечивающие получение достоверных результатов определения.
4.1.13 Результаты испытаний документируют в установленном порядке и при необходимости оформляют в виде протокола, в котором указывают сведения об объекте испытаний, применяемых методах, средствах и условиях испытаний, а также результаты испытаний, представленные в соответствии с требованиями настоящего стандарта.
4.1.14 Приемку щебня и гравия, выпускаемого в соответствии с
ГОСТ 32703, проводят согласно правилам и с применением методов контроля, установленных в
ГОСТ 32703.
4.2.1 Пробы отбирают с целью проведения приемочного контроля на предприятии (карьере)-изготовителе, входного контроля на предприятии-потребителе, а также для определения свойств горных пород и получаемых из них щебня и гравия при геологической разведке.
4.2.2 Если в правилах приемки конкретного вида продукции не предусмотрен иной порядок отбора проб, то при приемочном контроле на предприятии-изготовителе отбирают точечные пробы, из которых путем смешивания получают одну объединенную пробу от сменной продукции каждой технологической линии.
4.2.3 Отбор точечных проб с технологических линий, транспортирующих продукцию на склад или непосредственно в транспортные средства, осуществляют путем пресечения потока материала на ленточном конвейере или в местах перепада потока материала с помощью пробоотборника или вручную.
При ручном способе пробы отбирают на перепаде потока материала с помощью ручного пробоотборника или с ленты конвейера совком или совковой лопатой при его остановке.
Места отбора проб выбирают для каждого предприятия в зависимости от условий технологического процесса и соблюдения требований техники безопасности.
4.2.4 Точечные пробы отбирают каждый час. Интервал отбора точечных проб при ручном отборе может быть увеличен, если предприятие-изготовитель выпускает продукцию стабильного качества.
Для установления допустимого интервала отбора проб ежеквартально определяют коэффициент вариации показателей зернового состава и содержания пылевидных и глинистых частиц в течение смены. Для этого отбирают через каждые 15 мин в течение смены точечные пробы массой не менее указанной в
4.2.5. Определяют зерновой состав (полный остаток на контрольном сите с отверстиями диаметром
D и содержание зерен размером менее
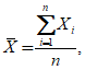
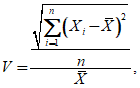
d, равное разности между 100% и полным остатком на контрольном сите с отверстиями диаметром
d), содержание пылевидных и глинистых частиц и определяют среднеарифметическое значение показателя

и коэффициента вариации
V каждого показателя по формулам:

(6)

(7)
где Xi - результат испытания точечной пробы;
n - число испытаний.
В зависимости от полученного значения коэффициента вариации устанавливают следующие интервалы отбора точечных проб в течение смены:
- для коэффициента вариации св. 10% до 15% - 2 ч;
- для коэффициента вариации до 10% - 3 ч.
4.2.5 Масса точечной пробы должна быть не менее:
- для щебня (гравия) с наибольшим номинальным
размером зерен 10 мм и менее ................................ 2,5 кг;
- для щебня (гравия) с наибольшим номинальным
размером зерен 20 мм и более ................................. 5,0 кг.
Примечания
1 Если при использовании для отбора проб механического пробоотборника масса точечной пробы окажется меньше указанного значения, то необходимо увеличить число отбираемых проб.
2 При увеличении интервала отбора проб, указанного в
4.2.4, масса отбираемой точечной пробы должна быть увеличена:
- при интервале 2 ч - в два раза;
- при интервале 3 ч - в четыре раза.
При ручном отборе проб точечную пробу массой не более 10 кг отбирают частями с интервалом не более 1 мин.
4.2.6 После отбора точечные пробы объединяют, тщательно перемешивают и перед отправкой в лабораторию сокращают методом квартования. Для квартования пробы (после ее перемешивания) конус материала разравнивают и делят взаимно перпендикулярными линиями, проходящими через центр, на четыре части. Две любые противоположные четверти берут в пробу. Последовательным квартованием сокращают пробу в два, четыре раза и т.д. до получения такой массы пробы, которая была бы представительной для усредненного качества всей партии, но не менее указанной в
таблице 1.
Таблица 1
Минимальная масса лабораторных проб
Наибольший номинальный размер зерен Д, мм | Масса пробы, кг |
До 10 | 5,0 |
до 20 | 10,0 |
до 40 | 20,0 |
св. 40 | 40,0 |
4.2.7 Масса лабораторной пробы при приемочном контроле на предприятии (карьере)-изготовителе должна быть не менее указанной в
таблице 1.
Указанную пробу используют для всех испытаний, предусмотренных при приемочном контроле.
4.2.8 При входном контроле точечные пробы щебня (гравия) отбирают от проверяемой партии при разгрузке железнодорожных вагонов, судов или автомобилей в соответствии с требованиями
ГОСТ 8267.
4.2.9 При арбитражной проверке качества щебня (гравия) на складах отбор проб рекомендуется проводить из внутренней части штабеля, применяя ковшовый погрузчик или экскаватор. Допускается производить отбор при помощи совка или лопаты из лунки глубиной 0,2 - 0,4 м. Лунки должны размещаться в шахматном порядке. Расстояние между лунками не должно превышать 10 м. Отбор проб проводят по партиям в соответствии с программой, согласованной с предприятием-изготовителем.
4.2.10 При проведении арбитражной проверки качества продукции на проверяемых технологических линиях отбирают в течение смены точечные пробы и получают объединенную пробу в соответствии с
4.2.4 -
4.2.6.
При неудовлетворительных результатах испытаний этой пробы отбирают таким же способом вторую объединенную пробу. При неудовлетворительных результатах испытаний второй пробы партия бракуется.
При удовлетворительных результатах испытаний второй пробы отбирают и испытывают третью пробу, результаты испытаний которой являются окончательными. Оценку качества щебня (гравия) проводят по двум положительным результатам, полученным последовательно.
4.2.11 При проведении периодических испытаний, предусмотренных приемочным контролем, а также при входном контроле и при определении свойств горных пород и получаемых из них щебня и гравия при геологической разведке масса лабораторной пробы должна обеспечивать проведение всех предусмотренных стандартом испытаний, при этом масса лабораторной пробы должна быть не менее чем в два раза больше суммарной массы, необходимой для проведения испытаний.
4.2.12 После отбора точечные пробы объединяют, тщательно перемешивают и перед отправкой в лабораторию сокращают методом квартования. Для квартования пробы (после ее перемешивания) конус материала разравнивают и делят взаимно перпендикулярными линиями, проходящими через центр, на четыре части. Две любые противоположные четверти берут в пробу. Последовательным квартованием сокращают пробу в два, четыре раза и т.д. до получения такой массы пробы, которая была бы представительной для усредненного качества всей партии.
4.2.13 На каждую лабораторную пробу, предназначенную для периодических испытаний, а также для контрольных испытаний у потребителя составляют акт отбора проб, включающий наименование и обозначение материала, место и дату отбора пробы, наименование и обозначение предприятия-изготовителя, обозначение пробы, способ отбора пробы и ее усреднения и подпись ответственного за отбор пробы лица.
Отобранные пробы упаковывают таким образом, чтобы масса и свойства материалов не изменялись до проведения испытаний.
Каждую пробу снабжают двумя этикетками с обозначением пробы. Одну этикетку помещают внутрь упаковки, другую - на видном месте упаковки.
При транспортировании должна быть обеспечена сохранность упаковки от механического повреждения и намокания.
4.2.14 Отбор проб щебня, предназначенного для определения показателей с применением сит с квадратной формой ячеек, осуществляется по
ГОСТ 33048.
4.3 Определение зернового состава
4.3.1 Зерновой состав щебня (гравия) определяют путем рассева пробы на стандартном наборе сит.
Определение данного показателя с применением сит с квадратной формой ячеек осуществляется по
ГОСТ 33029.
4.3.2 Средства контроля и вспомогательное оборудование
Шкаф сушильный, обеспечивающий циркуляцию воздуха и поддержание температуры в интервале (105 +/- 5) °C.
Сита и проволочные круглые калибры с отверстиями, соответствующими номинальным размерам зерен данной фракции: 1,25D; D; 0,5(D + d); d, а также 2,5 и 1,25 мм.
4.3.3 Порядок подготовки и проведения испытания
Для испытания используют лабораторную пробу без ее сокращения по
таблице 1, высушенную до постоянной массы.
Пробу просеивают ручным или механическим способом через сита с отверстиями указанных выше размеров, собранные последовательно в колонку, начиная снизу с сита с отверстиями наименьшего размера, при этом толщина слоя щебня (гравия) на каждом из сит не должна превышать наибольшего размера зерен щебня (гравия).
Продолжительность просеивания должна быть такой, чтобы при контрольном интенсивном ручном встряхивании каждого сита в течение 1 мин через него проходило не более 0,1% общей массы просеиваемой пробы. При механическом просеивании его продолжительность для применяемого прибора устанавливают в соответствии с указанным выше условием.
При ручном просеивании допускается определять окончание просеивания следующим способом: каждое сито интенсивно трясут над листом бумаги. Просеивание считают законченным, если при этом не наблюдается падение зерен щебня (гравия).
4.3.4 Обработка результатов испытания
По результатам просеивания определяют частный остаток на каждом сите ai, %, по формуле

(8)
где mi - масса остатка на данном сите, г;
m - масса пробы, г.
Определяют полные остатки на каждом сите в процентах массы пробы, равные сумме частных остатков на данном сите и всех ситах с большими размерами отверстий.
Примечание - После рассева пробу вновь объединяют и используют для приготовления аналитических проб для проведения остальных испытаний.
Рассев несортированного щебня (гравия), а также песчано-гравийной смеси проводят с применением полного набора стандартных сит в соответствии с
4.1.6 в порядке, установленном в
4.3.3.
При испытании гравия, загрязненного глиной, рассев проводят после предварительной промывки с определением содержания пылевидных и глинистых частиц по
4.5. Содержание пылевидных и глинистых частиц включают при расчете результатов рассева в массу частиц, проходящих через сито с размером отверстий 1,25 мм.
4.4 Определение содержания дробленых зерен в щебне из гравия
Содержание дробленых зерен в щебне из гравия оценивают количеством зерен, поверхность которых отколота более чем наполовину.
Определение данного показателя с применением сит с квадратной формой ячеек осуществляется по
ГОСТ 33051.
4.4.1 Средства контроля
4.4.2 Порядок подготовки и проведения испытания
Из лабораторной пробы от каждой фракции испытываемого щебня берут аналитические пробы массой не менее:
- для щебня размером фракции от 5 (3) до 10 мм ............... 0,25 кг;
- для щебня размером фракции св. 10 до 20 мм ................. 1,0 кг;
- для щебня размером фракции св. 20 до 40 мм ................. 5,0 кг;
- для щебня размером фракции св. 40 до 80 (70) мм ............ 10,0 кг.
Пробу в воздушно-сухом состоянии просеивают через сита с отверстиями размерами равными D и d и взвешивают остаток на сите с отверстиями равными d.
Визуальным осмотром (применяя в необходимых случаях лупу) определяют дробленые зерна, поверхность которых отколота более чем наполовину.
4.4.3 Обработка результатов испытания
Дробленые зерна взвешивают и определяют их содержание Щ, %, с точностью до 1% по формуле

(9)
| | ИС МЕГАНОРМ: примечание. Обозначение дано в соответствии с официальным текстом документа. | |
где m1 - масса дробленых зерен, г;
m - масса остатка на сите с отверстиями, равными d, г.
Содержание дробленых зерен в смеси фракций вычисляют в соответствии с
4.1.7.
4.5 Определение содержания пылевидных и глинистых частиц
При разногласиях в оценке содержания пылевидных и глинистых частиц применяют результаты, полученные методом отмучивания, являющимся арбитражным. Методы, указанные в
4.5.1 -
4.5.4 являются сопоставимыми. Метод, указанный в
4.5.5, допускается использовать при необходимости определения содержания пылевидных и глинистых частиц в зависимости от исходной горной породы.
Определение содержания пылевидных и глинистых с применением сит с квадратной формой ячеек осуществляется по
ГОСТ 33055.
Содержание пылевидных и глинистых частиц в щебне (гравии) определяют по изменению массы пробы после отмучивания пылевидных и глинистых частиц (размер частиц менее 0,05 мм).
4.5.1.1 Средства контроля и вспомогательное оборудование
Шкаф сушильный, обеспечивающий циркуляцию воздуха и поддержание температуры в интервале (105 +/- 5) °C.
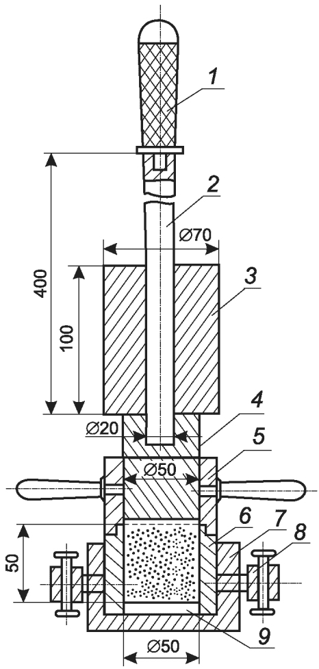
Сосуд для отмучивания (см.
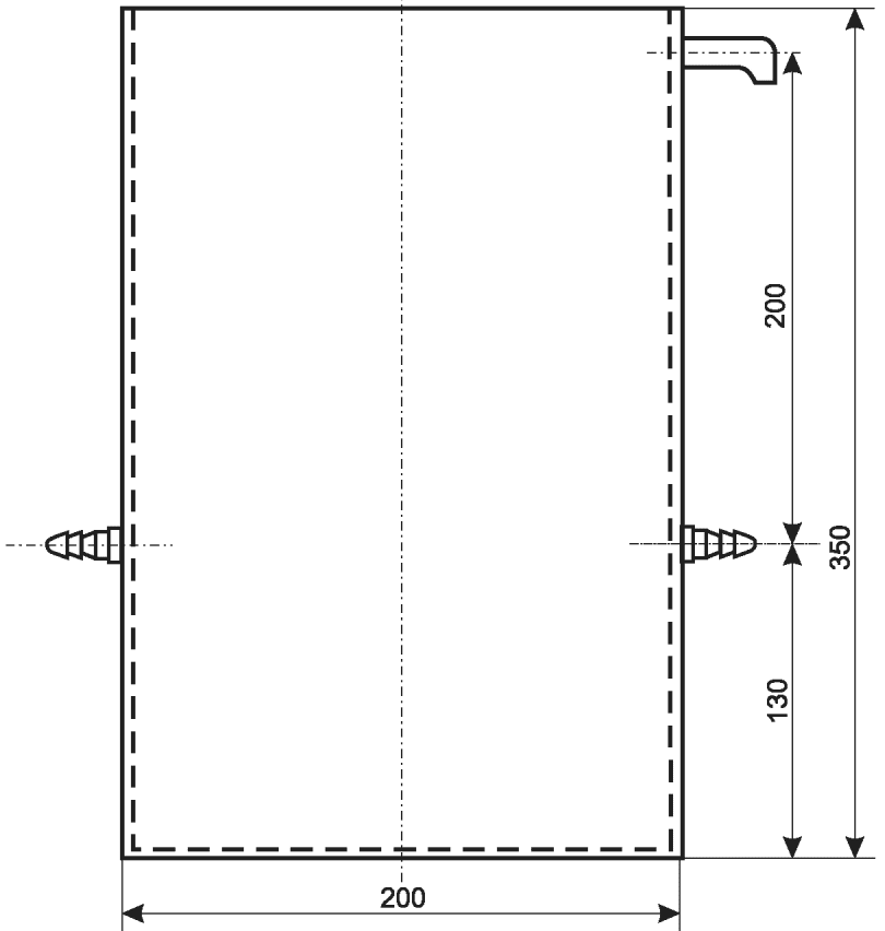
рисунок 1) или цилиндрическое ведро высотой не менее 300 мм с сифоном.
Рисунок 1 - Сосуд для отмучивания
4.5.1.2 Порядок подготовки и проведения испытания
Берут аналитическую пробу щебня (гравия) массой не менее 5000 г, высушенную до постоянной массы. При этом для испытания щебня (гравия) фракции от 5 (3) до 10 мм используют целиком пробу, применяемую при определении зернового состава.
Пробу щебня (гравия) помещают в сосуд для отмучивания или ведро, заливают водой несколько выше уровня щебня (гравия) и оставляют в таком состоянии до полного размокания глинистой пленки (определяют визуально) на зернах щебня (гравия) или комков глины, если они имеются в пробе.
После этого в сосуд для отмучивания или ведро со щебнем (гравием) доливают воду в таком количестве, чтобы высота слоя воды над щебнем (гравием) была (200 +/- 5) мм; содержимое сосуда перемешивают деревянной мешалкой и оставляют в покое на 2 мин. Через 2 мин сливают полученную суспензию. При сливе суспензии необходимо оставлять ее слой над щебнем (гравием) высотой не менее 30 мм.
Затем щебень (гравий) вновь заливают водой до указанного выше уровня. Промывку щебня (гравия) в указанной последовательности повторяют до тех пор, пока вода после промывки не будет оставаться прозрачной.
Воду в сосуд для отмучивания щебня (гравия) наливают до верхнего сливного отверстия. Суспензию сливают через два нижних отверстия.
Из ведра суспензию сливают с помощью сифона, конец которого должен быть на расстоянии не менее 30 мм от поверхности щебня (гравия).
После окончания отмучивания промытую пробу высушивают до постоянной массы.
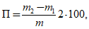
4.5.1.3 Обработка результатов испытания
Содержание в щебне (гравии) пылевидных и глинистых частиц П, % по массе, определяют с точностью до 0,1% по формуле

(10)
где m - первоначальная масса пробы, г;
m1 - масса пробы после отмучивания, г.
4.5.2 Пипеточный метод
Содержание пылевидных и глинистых частиц определяют путем выпаривания отобранной пипеткой пробы суспензии, полученной при промывке щебня (гравия), и взвешивания остатка.
4.5.2.1 Средства контроля и вспомогательное оборудование
Сосуд цилиндрический с двумя метками (поясами) на внутренней стенке, соответствующими объему 5 и 10 л.
Сосуд цилиндрический без меток.
Шкаф сушильный, обеспечивающий циркуляцию воздуха и поддержание температуры в интервале (105 +/- 5) °C.
Сита с отверстиями размером 5 (3) и 0,315 мм.
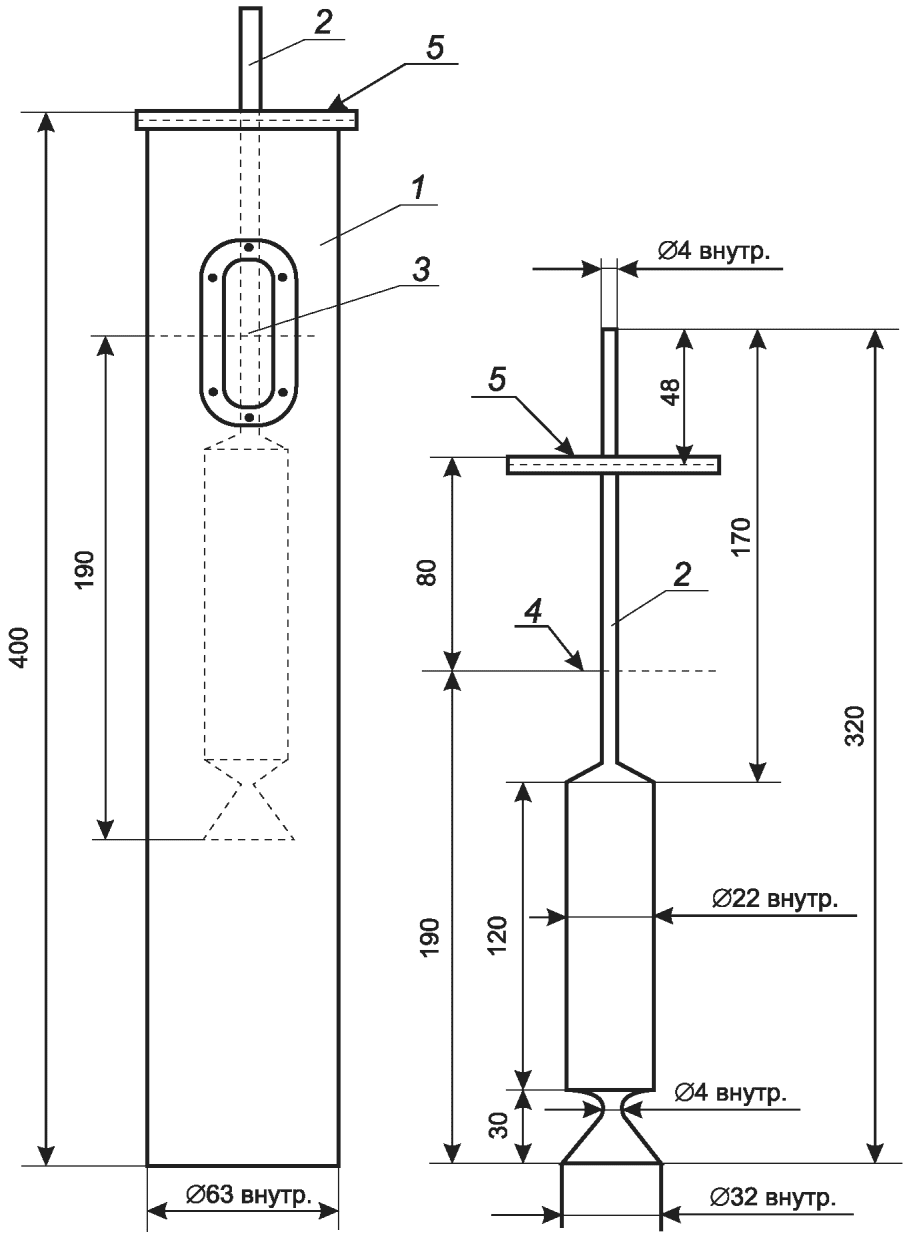
Цилиндры металлические вместимостью до 1000 мл со смотровым окном (см.
рисунок 2) - 2 шт.
1 - цилиндр; 2 - пипетка; 3 - метка на цилиндре (1000 мл);
4 - уровень суспензии в цилиндре; 5 - опорная крышка пипетки
Рисунок 2 - Металлический цилиндр и мерная пипетка
Пипетка мерная металлическая вместимостью 50 мл (см.
рисунок 2).
4.5.2.2 Порядок подготовки и проведения испытания
Аналитическую пробу щебня (гравия) массой не менее 5000 г, высушенную до постоянной массы, взвешивают, помещают в сосуд без меток и заливают (4,5 +/- 0,1) л воды, оставляя около 500 мл воды для последующего ополаскивания ведра.
Залитый водой щебень (гравий) выдерживают в воде 10 - 15 мин, перемешивая несколько раз деревянной мешалкой, после чего тщательно отмывают его в той же воде от приставших к зернам глинистых частиц. Затем содержимое сосуда осторожно выливают на два сита: верхнее - с отверстиями диаметром 5 (3) мм, нижнее - с сеткой N 0315, поставленные на второе ведро с метками. Суспензии в сосуде с метками дают отстояться и осторожно сливают осветленную воду в первый сосуд. Слитой водой вторично промывают щебень (гравий) на ситах над сосудом с метками, после чего первое ведро ополаскивают оставленной водой и эту воду сливают также во второй сосуд. При этом используют такое количество оставленной воды, чтобы уровень суспензии во втором сосуде не превышал метки 5 л.
Если объем суспензии меньше 5 л, то в нее добавляют воду, доводя объем точно до 5 л (до отметки).
После этого суспензию тщательно перемешивают в сосуде и немедленно наполняют ею два металлических цилиндра вместимостью до 1000 мл. Уровень суспензии в каждом цилиндре должен соответствовать метке на смотровом окне.
Суспензию в каждом цилиндре перемешивают стеклянной или металлической палочкой и несколько раз опрокидывают их, закрывая крышкой для лучшего перемешивания.
После перемешивания оставляют цилиндр в покое на (1,5 +/- 0,5) мин. За 5 - 10 с до окончания этого срока в цилиндр опускают мерную пипетку так, чтобы опорная крышка пипетки опиралась на верхний обод цилиндра, при этом низ воронки пипетки будет находиться на уровне отбора суспензии - 190 мм от поверхности. По истечении 5 - 10 с открывают трубку пипетки и после ее заполнения закрывают трубку пальцем, извлекают пипетку из цилиндра и, открыв трубку, выливают содержимое пипетки в предварительно взвешенные чашку или стакан. Наполнение пипетки контролируют по изменению уровня суспензии в смотровом окне.
Суспензию в чашке (стакане) выпаривают в сушильном шкафу при температуре (105 +/- 5) °C. Чашку (стакан) с остатком порошка взвешивают с погрешностью до 0,1 г. Аналогично отбирают и обрабатывают пробу из второго цилиндра.
4.5.2.3 Обработка результатов испытания
Содержание пылевидных и глинистых частиц П, % по массе, вычисляют с точностью до 0,1% по формуле

(11)
где m - масса аналитической пробы щебня (гравия), г;
m1 - масса чашки (стакана) для выпаривания суспензии, г;
m2 - масса чашки (стакана) с остатком порошка после выпаривания суспензии, г.
Примечания
1 В случае испытания сильно загрязненного щебня (гравия) пылевидными и глинистыми частицами объем воды для промывки берут равным 10 л. Соответственно увеличивают до 10 л объем суспензии в ведре с метками. При этом П, % по массе, определяют по формуле

(12)
где m - масса аналитической пробы щебня (гравия), г;
m1 - масса чашки (стакана) для выпаривания суспензии, г;
m2 - масса чашки (стакана) с остатком порошка после выпаривания суспензии, г.
2 Вместо металлических цилиндров со смотровым окном и специальной пипетки допускается применять стеклянные мерные цилиндры вместимостью 1 л по
ГОСТ 1770 и стеклянную пипетку вместимостью 50 мл по
ГОСТ 29227 или
ГОСТ 29228, которую опускают в цилиндр на глубину 190 мм.
3 Допускается массу остатка порошка после выпаривания суспензии m2 - m1 определять по плотности суспензии по формуле

(13)
где m3 - масса пикнометра с суспензией, г;
m4 - масса пикнометра с водой, г;

- плотность суспензии, г/см
3 (принимается равной 2,65 г/см
3).
Результаты определения массы остатка порошка после выпаривания суспензии вносят в
формулу (11) или
(12).
4.5.3 Метод мокрого просеивания
Содержание пылевидных и глинистых частиц в щебне (гравии) определяют процеживанием через сито суспензии, полученной при промывке щебня (гравия), и вычислением разности в массе пробы до и после испытания.
4.5.3.1 Средства контроля и вспомогательное оборудование
Сосуд для получения суспензии или цилиндрическое ведро высотой не менее 300 мм с сифоном.
Противень.
Шкаф сушильный, обеспечивающий циркуляцию воздуха и поддержание температуры в интервале (105 +/- 5) °C.
4.5.3.2 Порядок подготовки и проведения испытания
Подготовку к испытанию проводят по
4.5.1.2.
Высушенную до постоянной массы пробу щебня (гравия) помещают в сосуд и заливают водой так, чтобы она покрывала пробу. Содержимое сосуда интенсивно перемешивают, чтобы пылевидные и глинистые частицы образовали суспензию.
Полученную суспензию осторожно сливают с помощью сифона на набор сит. Щебень (гравий), оставшийся в сосуде, промывают водой и образовавшуюся суспензию также сливают на набор сит. Процесс повторяют до тех пор, пока вода не станет прозрачной. После этого щебень (гравий), находящийся в сосуде для промывки, соединяют с частицами, оставшимися на обоих ситах, и высушивают на противне в сушильном шкафу до постоянной массы.
4.5.3.3 Обработка результатов испытания
Содержание в щебне (гравии) пылевидных и глинистых частиц П, % по массе, определяют с точностью до 0,1% по формуле

(14)
где m - масса пробы до промывки, г;
m1 - масса пробы после промывки, г.
4.5.4 Ускоренный фотоэлектрический метод
Метод основан на сравнении степени прозрачности чистой воды и суспензии, полученной при промывке щебня (гравия).
4.5.4.1 Средства контроля и вспомогательное оборудование
Прибор фотоэлектрический - концентратомер взвешенных частиц в суспензиях с относительной погрешностью измерения не более 10%.
Сосуд без меток.
Шкаф сушильный, обеспечивающий циркуляцию воздуха и поддержание температуры в интервале (105 +/- 5) °C.
Секундомер с ценой деления не менее 0,2 с.
4.5.4.2 Порядок подготовки и проведения испытания
До проведения измерений прибор типа КЗМ должен быть откалиброван по воде, используемой для испытания, в соответствии с инструкцией по его эксплуатации.
Суспензию приготавливают по
4.5.2.2 или по следующему ускоренному методу. От аналитической пробы щебня (гравия) массой не менее 5000 г, высушенной до постоянной массы, после ее усреднения отбирают две навески массой по (1000 +/- 5) г каждая. Навеску помещают в сосуд и заливают (5 +/- 0,1) л воды температурой (20 +/- 5) °C. Залитый водой щебень (гравий) непрерывно перемешивают деревянной мешалкой в течение (2,0 +/- 0,5) мин или оставляют для размокания пылевидных и глинистых частиц на (40,0 +/- 0,5) мин.
По истечении заданного времени крупные фракции щебня (гравия) извлекают с помощью совка с отверстиями, входящего в комплект КЗМ, дополнительно промывая материал в верхних слоях суспензии.
Полученную суспензию перемешивают в течение (60 +/- 5) с и через (30 +/- 5) с после окончания перемешивания отбирают пробу суспензии пипеткой, входящей в комплект КЗМ. Для этого трубку пипетки закрывают пальцем, погружают пипетку до верхней поверхности ее крышки (глубина погружения 60 мм) в суспензию и открывают трубку пипетки. Через 5 - 6 с снова закрывают пальцем трубку пипетки и выливают содержимое пипетки в измерительную кювету прибора. Фотоэлектрическое измерение проводят согласно инструкции по эксплуатации прибора КЗМ.
Отбор пробы суспензии и фотоэлектрическое измерение повторяют еще раз, перемешивая суспензию в течение 10 с перед отбором пробы.
4.5.4.3 Обработка результатов испытания
Содержание пылевидных и глинистых частиц в щебне (гравии) П, % по массе, определяют по формуле
П = KПср, (15)
где
K - переводной коэффициент, определяемый по
4.5.4.4;
П - среднеарифметическое значение фотоэлектрических измерений для двух проб.
4.5.4.4 Определение переводного коэффициента
K
Значение переводного коэффициента K устанавливают экспериментально для щебня (гравия) каждого предприятия (карьера)-изготовителя и проверяют при изменении свойств горной породы, но не реже одного раза в год.
Для установления значения переводного коэффициента
K испытывают две пробы щебня (гравия). Суспензию, полученную промывкой каждой пробы щебня (гравия), испытывают на приборе КЗМ, проведя десять фотоэлектрических измерений по
4.5.4.2. После каждого измерения суспензию из кюветы прибора КЗМ сливают в лоток, входящий в комплект прибора КЗМ. Содержание пылевидных и глинистых частиц определяют выпариванием в лотке суспензии, полученной после десяти фотоэлектрических измерений.
Значение переводного коэффициента Ki для каждой испытываемой пробы щебня (гравия) определяют по формуле

(16)
где m1 - масса лотка для выпаривания суспензии, г;
m2 - масса лотка с осадком после выпаривания суспензии, г;
V - вместимость пипетки, указанная в паспорте прибора КЗМ, мл;
Пср - среднеарифметическое значение десяти фотоэлектрических измерений содержания пылевидных и глинистых частиц.
Если для двух параллельных проб щебня (гравия) отношение значения большего переводного коэффициента к меньшему

, то значение переводного коэффициента
K определяют по формуле

(17)
где

- сумма последних (десятых) показаний прибора КЗМ по каждой из двух испытываемых проб щебня (гравия),

;

- сумма первых показаний прибора КЗМ по каждой из двух испытываемых проб щебня (гравия),

;
K1,
K2 - переводные коэффициенты для первой и второй проб, определенные по
формуле (16).
Если отношение

более 1,20 для двух проб щебня (гравия), определение содержания пылевидных и глинистых частиц ускоренным фотоэлектрическим методом не допускается.
Если отношение

находится в пределах от 1,10 до 1,15, то проводят испытание третьей пробы.
Если отношение

находится в пределах св. 1,15 до 1,20, то проводят испытание четвертой пробы. Значение переводного коэффициента
K для каждой испытываемой пробы определяют по формуле

(18)
4.5.5 Определение содержания пылевидных и глинистых частиц в щебне (гравии) по расходу красителя (факультативный метод)
Метод основан на определении расхода красителя, адсорбирующегося на поверхности пылевидных и глинистых частиц в суспензии, полученной от промывки щебня (гравия). Расход красителя является косвенным показателем содержания глинистых частиц.
4.5.5.1 Средства контроля и вспомогательное оборудование
Цилиндры стеклянные вместимостью 100 мл по
ГОСТ 1770.
Мешалка для перемешивания растворов.
Секундомер с ценой деления не менее 0,2 с.
Стеклянные палочки диаметром 8 мм и длиной 250 - 300 мм.
Фильтровальная бумага средней фильтрации по
ГОСТ 12026.
Краситель фиолетовый (основной) по ГОСТ 22698.
4.5.5.2 Порядок подготовки к испытанию
До проведения испытания приготавливают 1%-ный раствор фиолетового красителя. Для этого порошок красителя массой (5,0 +/- 0,5) г вводят в 0,5 л дистиллированной воды в одну из стеклянных емкостей механической мешалки. Емкость закрывают резиновой пробкой и вставляют в зажимное устройство. Зажимные винты закручивают до упора, чтобы при вращении механической мешалки емкость не выпала и не было утечки жидкости. Раствор перемешивают (15,0 +/- 0,5) мин, что обеспечивает полное растворение порошка красителя в воде. Полученный раствор переливают в емкость из темного стекла с плотно притертой пробкой. Хранят раствор в темном месте, срок хранения - не более 1 мес.
Суспензию от промывки щебня (гравия), приготовленную по
4.5.2.2 и
4.5.2.3, тщательно перемешивают в ведре и немедленно наполняют ею две мерные колбы вместимостью 0,5 л каждая. Суспензию, не допуская потерь, переливают в стеклянную емкость механической мешалки.
4.5.5.3 Порядок проведения испытания
Мерной пипеткой отбирают 1, 2 и 3 мл раствора фиолетового красителя в зависимости от загрязненности щебня (гравия): при содержании пылевидных и глинистых частиц до 1% - пипеткой вместимостью 1 мл, св. 1% до 3% - 2 мл, св. 3% - 3 мл. Раствор вводят в одну емкость с суспензией, а затем содержимое емкости перемешивают с помощью механической мешалки. Время перемешивания суспензии с раствором красителя в механической мешалке: при содержании пылевидных и глинистых частиц до 1% - 5 мин, св. 1% до 3% - 10 мин, св. 3% - 15 мин.
По истечении указанного срока перемешивания емкости вынимают из механической мешалки, снимают пробку и устанавливают на столе. С помощью стеклянной палочки отбирают пять контрольных капель - проб суспензии и наносят на фильтровальную бумагу. От каждой капли на фильтровальной бумаге образуется пятно, вид которого зависит от того, поглощается ли вводимый в суспензию краситель полностью глинистыми частицами или, при их насыщении, остается в свободном состоянии. До наступления полного насыщения глинистые частицы, окрашиваясь в фиолетовый цвет, образуют темное пятно с четким контуром: при насыщении глинистых частиц красителем вокруг пятна образуется фиолетовый ореол из свободного красителя. Если пятно имеет четкий контур, то в емкость с опробованной суспензией вводят следующую дозу раствора красителя, соответствующую по объему первой, и перемешивают. Введение доз раствора красителя в суспензию, перемешивание в механической мешалке и отбор проб-капель проводят до того момента, когда вокруг контрольных пятен на фильтровальной бумаге проявится контур - ореол фиолетового оттенка.
При опробовании суспензии из второй емкости первоначальный расход красителя рекомендуется назначать в пределах 0,5 мл от полученного общего расхода красителя по первой пробе, но не более 10 мл, а далее вводить минимальные дозы, зависящие от загрязненности щебня (гравия), до появления контура фиолетового цвета вокруг контрольного пятна.
4.5.5.4 Обработка результатов испытания
Количество 1%-ного раствора красителя Kр, необходимое для полного покрытия молекулами красителя глинистых частиц (предельной адсорбции), в пересчете на 1000 г щебня (гравия) определяют по формуле

(19)
где Kр - предельный расход красителя, мл/кг;
Vк1, Vк2 - расход раствора красителя соответственно для первой и второй стеклянных емкостей механической мешалки, мл;
m - масса навески щебня (гравия);
a - соотношение между полным объемом суспензии (10 л) и объемом, необходимым для испытания (0,5 л), a = 20.
Щебень (гравий) по содержанию глинистых частиц считается пригодным для строительных работ без проведения дополнительных исследований, если расход раствора красителей не превышает значений, приведенных в
таблице 2.
Таблица 2
Допустимые значения расхода раствора красителей
Щебень | Расход красителя, мл/кг |
Из изверженных и метаморфических горных пород | 180 |
Из осадочных горных пород марок: | |
- от 600 до 1200 | 360 |
- от 200 до 400 | 540 |
Из гравия и гравий марок: | |
- от Др 8 до Др 16 | 180 |
- Др 24 | 360 |
4.6 Определение содержания глины в комках
Содержание глины в комках в щебне (гравии) определяют путем отбора из проб каждой фракции частиц, отличающихся пластичностью.
Определение данного показателя с применением сит с квадратной формой ячеек осуществляется по
ГОСТ 33026.
4.6.1 Средства контроля и вспомогательное оборудование
Шкаф сушильный, обеспечивающий циркуляцию воздуха и поддержание температуры в интервале (105 +/- 5) °C.
Сита с круглыми отверстиями диаметром 5 (3), 10, 20, 40 и 80 (70) мм.
4.6.2 Порядок подготовки и проведения испытания
Аналитические пробы щебня (гравия) готовят путем рассева лабораторной пробы на ситах стандартного набора или берут из остатков на ситах, полученных рассевом пробы при определении зернового состава. Массу проб принимают по
4.4.2.
Каждую аналитическую пробу щебня (гравия), высушенную до постоянной массы, насыпают тонким слоем на металлический лист и увлажняют с помощью пипетки. Из пробы выделяют комки глины, отличающиеся пластичностью от зерен щебня (гравия). Допускается применять лупу.
Выделенные комки глины высушивают до постоянной массы и взвешивают.
4.6.3 Обработка результатов испытания
Содержание комков глины в каждой пробе щебня (гравия) Пгл, %, определяют по формуле

(20)
где m - масса аналитической пробы щебня (гравия), кг;
mi - масса глины в комках, высушенной до постоянной массы, кг.
Содержание комков глины в смеси фракций вычисляют в соответствии с
4.1.7.
4.7 Определение содержания зерен пластинчатой (лещадной) и игловатой форм
4.7.1 Метод визуальной разборки (арбитражный)
Содержание в щебне (гравии) зерен пластинчатой (лещадной) и игловатой форм оценивают количеством зерен, толщина которых менее длины в три раза и более.
При разногласиях в оценке содержания зерен пластинчатой (лещадной) и игловатой форм применяют результаты, полученные методом определения на щелевидных ситах, являющимся арбитражным. Методы, указанные в
4.7.1 -
4.7.2, являются сопоставимыми.
Определение данного показателя с применением сит с квадратной формой ячеек осуществляется по
ГОСТ 33053.
4.7.1.1 Средства контроля и вспомогательное оборудование
Рисунок 3 - Передвижной шаблон
Сита из стандартного набора по
4.1.6.
4.7.1.2 Порядок подготовки и проведения испытания
Из лабораторной пробы от каждой фракции испытываемого щебня (гравия) берут аналитические пробы массой по
4.4.2.
Содержание зерен пластинчатой (лещадной) или игловатой формы определяют отдельно для каждой фракции щебня (гравия).
При наличии в испытываемом щебне (гравии) какой-либо фракции в количестве менее 5% по массе содержание зерен пластинчатой (лещадной) и игловатой форм в этой фракции не определяют.
Аналитическую пробу взвешивают и из нее выбирают зерна, толщина которых меньше длины в три раза и более.
Соотношение размеров зерен определяют при помощи передвижного шаблона или штангенциркуля. При использовании шаблона измеряемое зерно вкладывают наибольшим размером между губками, положение шаблона фиксируют стопорным винтом и измеряют размер зерна, затем зерно пропускают наименьшим размером между губками шаблона, установленными на расстоянии в три раза меньшем. Если зерно пройдет между губками, то его относят к зернам пластинчатой (лещадной) или игловатой формы.
Зерна пластинчатой (лещадной) и игловатой форм взвешивают.
4.7.1.3 Обработка результатов испытания
Содержание в каждой фракции щебня (гравия) зерен пластинчатой (лещадной) и игловатой форм Ппл, %, определяют по формуле

(21)
где m - масса аналитической пробы, г;
mi - масса зерен пластинчатой (лещадной) и игловатой форм, г.
Содержание зерен пластинчатой (лещадной) и игловатой форм в смеси фракций определяют в соответствии с
4.1.7.
4.7.2 Определение на щелевидных ситах
Метод основан на просеивании щебня (гравия) через щелевидные сита.
Определение данного показателя с применением сит с квадратной формой ячеек осуществляется по
ГОСТ 33053.
4.7.2.1 Средства контроля и вспомогательное оборудование
Набор щелевидных сит, изготовленных из листового проката по
ГОСТ 19904, в соответствии с
таблицей 3 на круглых или квадратных обечайках с диаметром или стороной не менее 300 мм.
4.7.2.2 Порядок подготовки и проведения испытания
От каждой фракции испытываемого щебня (гравия) берут аналитическую пробу массой по
4.4.2.
Пробу каждой фракции просеивают через щелевидные сита с отверстиями согласно
таблице 3.
Таблица 3
Размеры отверстий щелевидных сит
в зависимости от фракции щебня
В миллиметрах
Номинальные размеры зерен щебня (гравия) | Размеры отверстий щелевидных сит |
Наим. | Наиб. | Длина | Ширина |
5 (3) | 10 | 10 | 2,5 |
10 | 20 | 20 | 5,0 |
20 | 40 | 40 | 10,0 |
40 | 70 | 70 | 20,0 |
80 (70) | 120 | 120 | 35,0 |
Зерна, прошедшие через щелевидное сито, относят к пластинчатым (лещадным) и игловатым.
4.7.2.3 Обработка результатов испытания
Содержание в каждой фракции щебня (гравия) пластинчатых (лещадных) и игловатых зерен П
пл, %, определяют по
формуле (21).
Содержание зерен пластинчатой (лещадной) и игловатой форм в смеси фракций определяют в соответствии с
4.1.7.
4.8 Определение дробимости
Дробимость щебня (гравия) определяют по степени разрушения зерен при сжатии (раздавливании) в цилиндре.
Определение данного показателя с применением сит с квадратной формой ячеек осуществляется по
ГОСТ 33030.
4.8.1 Средства контроля и вспомогательное оборудование
Пресс гидравлический с максимальным усилием до 500 кН по
ГОСТ 28840.
Цилиндры стальные с внутренними диаметрами (75 +/- 1) и (150 +/- 2) мм и высотой соответственно (75 +/- 1) и (150 +/- 2) мм со съемным дном и плунжером (см.
рисунок 4).
В миллиметрах
D | d | d1 | H | H1 |
87 | 75 +/- 1 | 73 +/- 1 | 75 +/- 1 | 70 +/- 1 |
170 | 150 +/-2 | 148 +/- 2 | 150 +/- 2 | 120 +/- 2 |
Рисунок 4 - Цилиндры стальные
Дробилка щековая лабораторная.
Сита из стандартного набора по
4.1.6.
Шкаф сушильный, обеспечивающий циркуляцию воздуха и поддержание температуры в интервале (105 +/- 5) °C.
Сосуд для насыщения щебня (гравия) водой.
4.8.2 Порядок подготовки к испытанию
При испытании щебня (гравия), состоящего из смеси двух или более смежных фракций, исходный материал рассеивают на стандартные фракции и каждую фракцию испытывают отдельно. Щебень (гравий) фракций от 5 (3) до 10, св. 10 до 20 или св. 20 до 40 мм просеивают через два сита с отверстиями, соответствующими наибольшей (D) и наименьшей (d) крупности испытываемой фракции. От остатков на сите с отверстиями размером, равным d, отбирают две аналитические пробы массой не менее 500 г каждая при испытании в цилиндре диаметром (75 +/- 1) мм и не менее 4000 г - при испытании в цилиндре диаметром (150 +/- 2) мм. Щебень (гравий) крупнее 40 мм предварительно дробят и испытывают фракции св. 10 до 20 мм или св. 20 до 40 мм.
При одинаковом петрографическом составе щебня (гравия) фракций св. 20 до 40 мм и св. 40 до 80 (70) мм прочность последней допускается характеризовать результатами испытаний фракции св. 20 до 40 мм. Щебень (гравий) допускается испытывать как в сухом, так и в насыщенном водой состоянии.
Аналитические пробы для испытания в сухом состоянии высушивают до постоянной массы, а для испытания в насыщенном водой состоянии погружают в воду на (120 +/- 5) мин.
После насыщения водой с поверхности зерен щебня (гравия) удаляют влагу мягкой влажной тканью.
4.8.3 Порядок проведения испытания
При определении марки щебня (гравия) применяют цилиндр диаметром (150 +/- 2) мм. Для приемочного контроля качества щебня (гравия) фракций от 5 (3) до 10 мм и св. 10 до 20 мм допускается применять цилиндр диаметром (75 +/- 1) мм.
Пробу щебня (гравия) насыпают в цилиндр с высоты (55 +/- 10) мм так, чтобы после разравнивания верхний уровень материала примерно на 15 мм не доходил до верхнего края цилиндра. Затем в цилиндр вставляют плунжер так, чтобы плита плунжера была на уровне верхнего края цилиндра. Если верх плиты на плунжере не совпадает с краем цилиндра, то удаляют или добавляют несколько зерен щебня (гравия). После этого цилиндр помещают на нижнюю плиту пресса.
Увеличивая силу нажатия пресса на 1 - 2 кН (100 - 200 кгс) в секунду, доводят ее при испытании щебня (гравия) в цилиндре диаметром 75 мм до 50 кН (5000 кгс), при испытании в цилиндре диаметром 150 мм - до 200 кН (20000 кгс).
После сжатия испытываемую пробу высыпают из цилиндра и взвешивают. Затем ее просеивают в зависимости от размера испытываемой фракции через сито с отверстиями размером:
- для щебня (гравия) размером фракции от 5 (3) до 10 мм ...... 1,25 мм;
- для щебня (гравия) размером фракции св. 10 до 20 мм ........ 2,5 мм;
- для щебня (гравия) размером фракции св. 20 до 40 мм ........ 5,0 мм.
Остаток щебня (гравия) на сите после просеивания взвешивают.
При испытании щебня (гравия) в насыщенном водой состоянии навеску на сите тщательно промывают водой и удаляют поверхностную влагу с зерен щебня (гравия) мягкой влажной тканью.
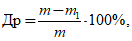
4.8.4 Обработка результатов испытания
Дробимость Др, %, определяют с точностью до 1% по формуле

(22)
где m - масса испытываемой пробы щебня (гравия), г;
m1 - масса остатка на контрольном сите после просеивания раздробленной в цилиндре пробы щебня (гравия), г.
За результат принимают среднеарифметическое значение двух параллельных испытаний.
При испытании щебня (гравия), состоящего из смеси фракции, потерю массы определяют в соответствии с
4.1.7 как средневзвешенное значение результатов испытаний отдельных фракций.
4.8.5 Испытание щебня из валунов
При испытании щебня из валунов, состоящего из смеси пород различных генетических типов, его подвергают петрографической разборке в соответствии с
4.12 и определяют процентное содержание в нем щебня, сложенного изверженными интрузивными породами, щебня, сложенного изверженными эффузивными породами, и щебня, сложенного смесью осадочных и метаморфических пород. Из щебня, сложенного каждой из этих групп пород, отбирают представительные пробы и испытывают их на дробимость в соответствии с
4.8.2 -
4.8.4.
По результатам испытаний устанавливают марку по дробимости щебня каждой испытанной пробы по ГОСТ 8267-93 (
таблицы 3 и
4) и определяют промежуточную средневзвешенную марку по дробимости щебня из валунов М
пр по формуле

(23)
где Миз - марка по дробимости щебня изверженных интрузивных пород;
Мэф - марка по дробимости щебня изверженных эффузивных пород;
Мо.м - марка по дробимости щебня осадочных и метаморфических пород;
Сиз - содержание в щебне из валунов зерен изверженных интрузивных пород, %;
Сэф - содержание в щебне из валунов зерен изверженных эффузивных пород, %;
Со.м - содержание в щебне из валунов зерен осадочных и метаморфических пород, %.
Марку по дробимости щебня из валунов определяют по значению промежуточной марки по дробимости по ГОСТ 8267-93
(таблица 5а).
4.9 Определение содержания зерен слабых пород в щебне (гравии) и слабых разностей в горной породе
4.9.1 Определение содержания зерен слабых пород
Содержание в щебне (гравии) зерен слабых пород определяют путем их выделения по характерным признакам.
Определение данного показателя с применением сит с квадратной формой ячеек осуществляется по
ГОСТ 33054.
4.9.1.1 Средства контроля и вспомогательное оборудование
Шкаф сушильный, обеспечивающий циркуляцию воздуха и поддержание температуры в интервале (105 +/- 5) °C.
Сита из стандартного набора по
4.1.6.
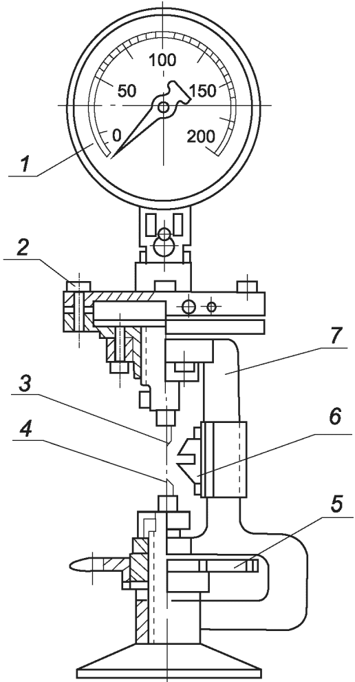
Индикатор прочности камня механический типа Т-3 (см.
рисунок 5).
1 - манометр; 2 - гидравлическая мессдоза; 3 - верхний зуб;
4 - нижний зуб; 5 - диск винтового механизма;
6 - щелевой упор; 7 - корпус прибора
Рисунок 5 - Механический индикатор
прочности камня типа Т-3
Игла стальная по
ГОСТ 8030 и игла алюминиевая из проволоки по
ГОСТ 14838.
4.9.1.2 Порядок подготовки к испытанию
От каждой фракции щебня (гравия) берут аналитическую пробу массой по
4.4.2. Пробу высушивают до постоянной массы.
Содержание в щебне (гравии) зерен слабых пород определяют отдельно для каждой фракции щебня (гравия).
При наличии в испытываемом щебне (гравии) какой-либо фракции в количестве, меньшем 5% по массе, содержание зерен слабых пород в этой фракции не определяют.
4.9.1.3 Порядок проведения испытания
Проводят разборку пробы каждой фракции щебня (гравия), выделяя зерна слабых пород с пределом прочности при сжатии в насыщенном водой состоянии менее 20 МПа (200 кгс/см2).
При выделении зерен слабых пород руководствуются следующими отличительными признаками: зерна слабых пород легко разламываются руками и разрушаются легкими ударами молотка с высоты (4 +/- 1) мм под действием его силы тяжести. При царапании иглой по поверхности зерна остается след (на поверхности зерен изверженных и метаморфических пород оставляет след стальная игла, на поверхности зерен осадочных карбонатных пород - алюминиевая).
Кроме того, слабые зерна карбонатных пород обычно имеют окатанную форму.
В целях уточнения содержания зерен слабых пород в щебне (гравии) допускается использование механического индикатора прочности камня типа Т-3 (см.
рисунок 5).
В зависимости от размера испытываемой фракции щебня (гравия) на приборе устанавливают сменный щелевой упор с шириной щели 2,9 мм для зерен фракции св. 10 до 20 мм, 4,2 мм - для более крупных зерен. При этом расстояние между краем ребер щелевого упора и осью, проходящей через острие зубьев прибора, должно быть равно ширине щели.
Каждое выделенное при разборке пробы щебня (гравия) сомнительное по прочности зерно вставляют клиновидным концом между зубьями прибора до щелевого упора. После этого вращением диска винтового механизма прибора сжимают зубья и "откусывают" кусочек камня. По контрольной стрелке манометра определяют предел прочности камня. Шкала манометра градуирована для случая применения упора со щелью шириной 4,2 мм; при применении упора со щелью 2,9 мм показания манометра удваивают.
Для перехода от показаний прибора к пределу прочности при сжатии предварительно устанавливают переходной коэффициент по данным испытания зерен щебня (гравия) механическим индикатором прочности камня типа Т-3 и определяют прочность образцов породы правильной формы сжатием на прессе по
4.19.
4.9.1.4 Обработка результатов испытания
Выделенные из пробы зерна слабых пород взвешивают и определяют их содержание Xсл, %, по формуле

(24)
где m - масса аналитической пробы, г;
mi - масса зерен слабых пород, г.
При испытании щебня (гравия), состоящего из смеси фракций, содержание зерен слабых пород определяют в соответствии с
4.1.7.
4.10 Определение истираемости в полочном барабане
Истираемость (износ) щебня (гравия) определяют по потере массы зерен при испытании пробы в полочном барабане с шарами.
Определение данного показателя с применением сит с квадратной формой ячеек осуществляется по
ГОСТ 33049.
4.10.1 Средства контроля и вспомогательное оборудование
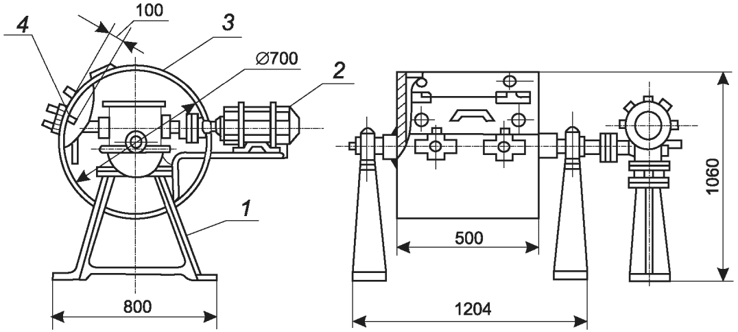
Барабан полочный диаметром (700 +/- 5) мм, длиной (500 +/- 5) мм, снабженный на внутренней поверхности полкой шириной (100 +/- 5) мм (см.
рисунок 6).
1 - станина; 2 - двигатель; 3 - барабан; 4 - полка барабана
Рисунок 6 - Схема полочного барабана
Шары стальные или чугунные диаметром (48 +/- 2) мм, массой (405 +/- 10) г каждый - 12 шт.
Шкаф сушильный, обеспечивающий циркуляцию воздуха и поддержание температуры в интервале (105 +/- 5) °C.
Сита из стандартного набора по
4.1.6.
4.10.2 Порядок подготовки к испытанию
Испытываемый щебень (гравий) не должен содержать пылевидных и глинистых частиц более 1% по массе. В противном случае щебень (гравий) предварительно промывают и высушивают.
Щебень (гравий) фракций от 5 до 10 мм, св. 10 до 20 мм и св. 20 до 40 мм в состоянии естественной влажности просеивают через два сита с отверстиями размерами, соответствующими наибольшему D и наименьшему d, номинальным размерам зерен данных фракций. Из остатка на сите с отверстиями размером d отбирают две аналитические пробы по (5000 +/- 10) г с предельной крупностью зерен до 20 мм и две пробы по (10000 +/- 10) г фракции св. 20 до 40 мм.
При испытании щебня (гравия), состоящего из смеси двух или более смежных фракций, аналитические пробы готовят рассеиванием исходного материала на стандартные фракции и каждую фракцию испытывают отдельно. Щебень (гравий) крупнее 40 мм дробят до получения зерен мельче 40 мм и испытывают щебень (гравий) фракции св. 20 до 40 мм.
В случае одинакового петрографического состава фракций щебня (гравия) св. 20 до 40 мм и св. 40 до 80 (70) мм истираемость последней допускается характеризовать результатами испытаний фракции св. 20 до 40 мм.
4.10.3 Порядок проведения испытания
Подготовленную пробу загружают в полочный барабан вместе с чугунными или стальными шарами, закрепляют крышку барабана и приводят его во вращение со скоростью 30 - 33 об/мин.
Число чугунных или стальных шаров и общее число оборотов барабана в процессе одного испытания щебня (гравия) принимают по
таблице 4.
Таблица 4
Число чугунных или стальных шаров
в зависимости от фракции щебня
Размер фракции щебня (гравия), мм | Число чугунных или стальных шаров, необходимое для испытания пробы, шт. | Число оборотов полочного барабана, необходимое для испытания пробы |
От 5 (3) до 10 | 8 | 500 |
св. 5 (3) до 15 | 9 | 500 |
" 10 " 20 | 11 | 500 |
" 20 " 40 | 12 | 1000 |
По окончании испытания содержимое полочного барабана просеивают через сито с отверстиями диаметром 5 мм и контрольное сито с сеткой N 1,25. Остатки на ситах соединяют и взвешивают.
4.10.4 Обработка результатов испытания
Истираемость щебня (гравия) И, %, определяют по формуле

(25)
где m - масса пробы щебня (гравия), г;
m1 - суммарная масса остатков на сите с отверстиями диаметром 5 мм и контрольном сите с сеткой N 1,25, г.
За результат испытания принимают среднеарифметическое значение двух параллельных испытаний.
При испытании щебня (гравия), состоящего из смеси двух и более смежных фракций, истираемость определяют в соответствии с
4.1.7.
4.11 Определение морозостойкости
При разногласиях в оценке морозостойкости применяют результаты, полученные методом замораживания, являющимся арбитражным. Методы, указанные в
4.11.1 -
4.11.2, являются сопоставимыми.
4.11.1 Метод замораживания
Морозостойкость щебня (гравия) определяют по потере массы пробы при попеременном замораживании и оттаивании.
Определение данного показателя с применением сит с квадратной формой ячеек осуществляется по
ГОСТ 33109.
4.11.1.1 Средства контроля и вспомогательное оборудование
Камера морозильная, обеспечивающая достижение и поддержание температуры до минус (20 +/- 2) °C.
Шкаф сушильный, обеспечивающий циркуляцию воздуха и поддержание температуры в интервале (105 +/- 5) °C.
Сита из стандартного набора по
4.1.6.
Ванна для насыщения водой и оттаивания щебня (гравия).
Сосуд металлический.
4.11.1.2 Порядок подготовки к испытанию
Каждую фракцию щебня (гравия) испытывают на морозостойкость отдельно. Фракции, содержащиеся в щебне (гравии) в количестве менее 5% по массе, на морозостойкость не испытывают.
Для испытания берут от каждой фракции две аналитические пробы. Масса каждой пробы должна быть не менее:
- для щебня (гравия) размером фракции от 5 (3) до 10 мм ....... 1,0 кг;
- для щебня (гравия) размером фракции св. 10 до 20 мм ......... 1,5 кг;
- для щебня (гравия) размером фракции св. 20 до 40 мм ......... 2,5 кг;
- для щебня (гравия) размером фракции св. 40 до 80 (70) мм .... 5,0 кг.
Зерна крупнее 80 (70) мм дробят и испытывают фракцию размером св. 40 до 80 (70) мм.
Полученные пробы щебня (гравия) промывают и высушивают до постоянной массы.
4.11.1.3 Порядок проведения испытания
Аналитическую пробу щебня (гравия) данной фракции равномерно насыпают в металлический сосуд и заливают водой, имеющей температуру (20 +/- 5) °C. Через (48,0 +/- 0,5) ч сливают воду из сосуда, помещают щебень (гравий) в морозильную камеру и доводят температуру в камере до минус (18 +/- 2) °C. Продолжительность цикла замораживания щебня (гравия) в камере при установившейся температуре не выше минус 16 °C должна составлять (240 +/- 10) мин. После этого сосуд со щебнем (гравием) помещают в ванну с проточной или сменяемой водой с температурой (20 +/- 5) °C и выдерживают в ней при этой температуре до полного оттаивания щебня (гравия), но не менее 120 мин. Далее циклы испытания повторяют.
После 15, 25 и каждых последующих 25 циклов попеременного замораживания и оттаивания пробу щебня (гравия) высушивают до постоянной массы, просеивают через контрольное сито, на котором она полностью оставалась перед испытанием.
Зерна щебня (гравия) фракции св. 40 до 80 (70) мм, имеющие свежую поверхность раскола и оставшиеся на сите с размером отверстий 40 мм, относят к неморозостойким. Их массу не включают в массу остатка на контрольном сите.
4.11.1.4 Обработка результатов испытания
Потерю массы пробы

, %, определяют по формуле

(26)
где m - масса пробы до испытания, г;
m1 - масса остатка на сите после соответствующего цикла замораживания и оттаивания, г.
За результат испытания принимают среднеарифметическое значение двух параллельных испытаний.
При испытании щебня (гравия), состоящего из смеси фракций, значение

вычисляют в соответствии с
4.1.7.
Если потеря массы при данном числе циклов замораживания и оттаивания не превышает допускаемую по
ГОСТ 8267, испытания продолжают в течение последующих 25 циклов.
Если потеря в массе превысила допускаемый предел, испытание прекращают и морозостойкость данной фракции щебня (гравия) характеризуют предыдущим числом циклов замораживания и оттаивания, при котором потеря массы щебня (гравия) не превышает допускаемую.
4.11.2 Ускоренное определение морозостойкости
Морозостойкость щебня (гравия) определяют по потере массы пробы при погружении в насыщенный раствор сульфата натрия и последующем высушивании.
Определение данного показателя с применением сит с квадратной формой ячеек осуществляется по
ГОСТ 33109.
4.11.2.1 Средства контроля и вспомогательное оборудование
Шкаф сушильный, обеспечивающий циркуляцию воздуха и поддержание температуры в интервале (105 +/- 5) °C.
Сита из стандартного набора по
4.1.6.
Сосуд металлический для насыщения щебня (гравия) раствором сульфата натрия.
4.11.2.2 Порядок подготовки к испытанию
Каждую фракцию щебня (гравия) испытывают отдельно. Аналитическую пробу готовят по
4.11.1.2.
Раствор сульфата натрия готовят следующим образом. Отвешивают (185 +/- 2) г безводного сернокислого натрия по
ГОСТ 4166 или (420 +/- 3) г кристаллического сернокислого натрия по
ГОСТ 4171 и растворяют в 1 л подогретой до (40 +/- 2) °C дистиллированной воды путем постепенного добавления в нее сульфата натрия при тщательном перемешивании до насыщения раствора, охлаждают раствор до комнатной температуры, сливают в емкость и оставляют на не менее 2 сут.
4.11.2.3 Порядок проведения испытания
Аналитическую пробу щебня (гравия) насыпают в сосуд в один слой, заливают раствором сульфата натрия так, чтобы щебень (гравий) был погружен полностью в раствор, и выдерживают в нем в течение (20,0 +/- 0,5) ч при комнатной температуре.
Затем раствор сливают (используют повторно), а сосуд со щебнем (гравием) помещают на (4,0 +/- 0,5) ч в сушильный шкаф, в котором поддерживают температуру (105 +/- 5) °C. После этого щебень (гравий) охлаждают до комнатной температуры и вновь заливают раствором.
Последующие циклы испытания включают выдерживание щебня (гравия) в течение (4,0 +/- 0,5) ч в растворе сульфата натрия, сушку в течение (4,0 +/- 0,5) ч и охлаждение до комнатной температуры.
После 3, 5, 10 и 15 циклов пробу щебня (гравия) промывают горячей водой для удаления сульфата натрия, высушивают до постоянной массы и просеивают через сито с отверстиями размером d.
Зерна щебня (гравия) фракции св. 40 до 80 (70) мм, имеющие свежую поверхность раскола и оставшиеся на сите с отверстиями диаметром 40 мм, относят к неморозостойким. Их массу не включают в массу остатка на контрольном сите.
4.11.2.4 Обработка результатов испытания
Остаток на сите взвешивают и определяют потерю массы щебня (гравия)

, %, по формуле

(27)
где m - масса пробы до испытания, г;
m1 - масса остатка на сите после соответствующего цикла испытания, г.
За результат принимают среднеарифметическое значение двух параллельных испытаний.
При испытании щебня (гравия), состоящего из смеси фракций, потерю массы определяют в соответствии с
4.1.7 как средневзвешенное значение результатов испытаний отдельных фракций.
4.12 Определение минералого-петрографического состава
Содержание минералов в щебне (гравии) определяют методами петрографической разборки и минералогического анализа.
Определение данного показателя с применением сит с квадратной формой ячеек осуществляется по
ГОСТ 33031.
4.12.1 Средства контроля и вспомогательное оборудование
Шкаф сушильный, обеспечивающий циркуляцию воздуха и поддержание температуры в интервале (105 +/- 5) °C.
Сита из стандартного набора по
4.1.6.
Игла стальная по ГОСТ 8030 или нож.
Магнит по нормативным документам, действующим на территории государства, принявшего настоящий стандарт
<1>.
--------------------------------
<1> В Российской Федерации действует
ГОСТ Р 58885-2020 "Магниты постоянные общепромышленного применения. Классификация. Общие технические требования. Контроль магнитных параметров".
4.12.2 Порядок подготовки к испытанию
Щебень (гравий) рассеивают на стандартные фракции и от каждой из них отбирают аналитическую пробу массой по
4.4.2.
При наличии в испытываемом щебне (гравии) какой-либо фракции в количестве, меньшем 5% по массе, минералого-петрографический состав этой фракции не определяют.
Пробу промывают и высушивают до постоянной массы.
4.12.3 Порядок проведения испытания
Петрографическую разборку щебня (гравия) выполняют визуальным осмотром зерен с помощью лупы, используя набор реактивов для минералогического анализа, а также другими, принятыми в петрографии методами (с изготовлением в необходимых случаях прозрачных шлифов).
Зерна пробы каждой фракции разделяют по генетическим типам:
- изверженные интрузивные - гранит, габбро, диорит и др.;
- изверженные эффузивные - базальт, андезит, липарит и др.;
- метаморфические - кварцит, кристаллические сланцы и др.;
- осадочные - известняк, доломит, песчаник, кремень и др.
Зерна карбонатных пород, подвергшиеся процессам окремнения более чем на 40% своего объема, относят к группе кремния. Зерна кварца выделяют в самостоятельную группу. Кроме этого, выделяют зерна, представленные породами и минералами, наличие которых ограничено нормативными документами на щебень (гравий) или требует проведения специальных исследований возможности применения щебня (гравия) в качестве заполнителя для различных видов бетона и строительных работ.
К указанным породам и минералам относят включения следующих пород и минералов, содержащих: активно растворимый в щелочах кремнезем (халцедон, опал, кремень и др.); серу; сульфиды (пирит, марказит, пирротин и др.); сульфаты (гипс, ангидрит и др.); слоистые силикаты (слюды, гидрослюды, хлориты и др.); магнетит; оксиды железа (гетит и др.); апатит; нефелин; фосфорит; галоидные соединения асбеста (галит, сильвин и др.); цеолиты; хризотил; графит; уголь, горючие сланцы.
Щебень, изготовленный из одной горной породы, характеризуют петрографическим составом данной горной породы с указанием содержания включений, относимых к вредным примесям пород и минералов, перечисленных выше.
Для характеристики состава щебня, изготовленного из различных горных пород, а также гравия и щебня из гравия проводят петрографическую разборку щебня (гравия).
При наличии минералов, содержащих серу, количество сернистых и сернокислых соединений в пересчете на SO
3 определяют по ГОСТ 8269.1-97
(подраздел 4.7).
При наличии галоидных соединений (галит, сильвин и др., включая водорастворимые хлориды) общее содержание хлоридов и легкорастворимых хлоридов определяют по ГОСТ 8269.1-97
(подраздел 4.10).
Содержание растворимого в щелочи аморфного кремнезема определяют по ГОСТ 35301.
4.12.4 Обработка результатов испытания
Петрографически разобранные по породам (или минералам) зерна щебня (гравия) взвешивают раздельно и определяют их содержание Xi, %, по формуле

(28)
где mi - масса зерен данной породы или минерала, г;
m - масса пробы, г.
4.13 Определение наличия органических примесей в гравии (щебне из гравия)
Наличие органических примесей (гумусовых веществ) в гравии (щебне из гравия) определяют сравнением окраски щелочного раствора над пробой с окраской эталона.
Определение данного показателя с применением сит с квадратной формой ячеек осуществляется по
ГОСТ 33046.
4.13.1 Средства контроля и вспомогательное оборудование
Сито с отверстиями размером 20 мм.
Цилиндры мерные вместимостью 250 мл по
ГОСТ 1770.
Баня водяная.
Натрия гидроокись (гидроксид натрия) по
ГОСТ 4328, 3%-ный раствор.
Фотоколориметр или спектрофотометр с держателем кювет толщиной 10 мм.
Танин, 2%-ный раствор в 1%-ном растворе этанола.
4.13.2 Порядок подготовки к испытанию
Испытывают фракцию гравия (щебня из гравия) с наибольшим номинальным размером зерен 20 мм.
Отбирают аналитическую пробу гравия (щебня из гравия) массой (1000 +/- 10) г высушенную до постоянной массы и просеянную через сито с отверстиями диаметром 20 мм.
Готовят эталонный раствор, растворяя 2,5 мл 2%-ного раствора танина в 97,5 мл 3%-ного раствора гидроксида натрия. Приготовленный раствор перемешивают и оставляют на (24 +/- 0,5) ч.
Оптическая плотность раствора танина, определяемая на фотоколориметре или спектрофотометре в области длин волн 450 - 500 нм, должна составлять 0,60 - 0,68.
4.13.3 Порядок проведения испытания
Гравием (щебнем из гравия) заполняют мерный цилиндр до уровня 130 мм и заливают его 3%-ным раствором гидроксида натрия до уровня 200 мл. Содержимое цилиндра перемешивают и оставляют на (24,0 +/- 0,5) ч, повторяя перемешивание через (4,0 +/- 0,5) ч после начала испытания. Затем сравнивают окраску жидкости, отстоявшейся над пробой, с цветом эталонного раствора.
Гравий (щебень из гравия) пригоден для использования в бетонах или растворах, если жидкость над пробой бесцветна или окрашена значительно слабее эталонного раствора.
При окраске жидкости незначительно светлее эталонного раствора содержимое сосуда подогревают в течение 2 - 3 ч на водяной бане при температуре 60 °C - 70 °C и, сравнивая цвет жидкости над пробой с цветом эталонного раствора, решают вопрос о пригодности заполнителя для приготовления бетона или раствора.
При окраске жидкости, одинаковой или более темной, чем цвет эталонного раствора, проводят испытания заполнителя в бетонах или растворах по ГОСТ 35301.
При необходимости допускается уточнение результата при помощи спектрофотометра. Для этого определяют оптическую плотность полученного после прогрева на водяной бане раствора на спектрофотометре.
Гравий (щебень из гравия) пригоден для использования в бетонах или растворах, если в области длин волн 450 - 500 нм оптическая плотность ниже диапазона 0,60 - 0,68. Если оптическая плотность находится в диапазоне 0,60 - 0,68 или более, проводят испытания заполнителя в бетонах или растворах по ГОСТ 35301.
4.14 Определение истинной плотности горной породы и зерен щебня (гравия)
При разногласиях в оценке истинной плотности применяют результаты, полученные методом замораживания, являющимся арбитражным. Методы, указанные в
4.14.1 -
4.14.2, являются сопоставимыми.
4.14.1 Пикнометрический метод
Истинную плотность горной породы и зерен щебня (гравия) определяют путем измерения массы единицы объема измельченного высушенного материала.
Определение данного показателя с применением сит с квадратной формой ячеек осуществляется по
ГОСТ 33057.
4.14.1.1 Средства контроля и вспомогательное оборудование
Ступка чугунная или фарфоровая.
Кальций хлористый (хлорид кальция) безводный по
ГОСТ 450.
Шкаф сушильный, обеспечивающий циркуляцию воздуха и поддержание температуры в интервале (105 +/- 5) °C.
Баня песчаная или водяная.
Дробилка щековая лабораторная ДЛЩ 60x100 (ДЛЩ 80x150).
Щетка металлическая.
4.14.1.2 Порядок подготовки к испытанию
Для определения истинной плотности горной породы из исходной геологической пробы готовят лабораторную пробу путем дробления горной породы в лабораторной дробилке и дальнейшего рассева продуктов дробления.
Для определения истинной плотности зерен щебня (гравия) отбирают аналитическую пробу массой по
4.11.1.2.
При использовании кусков камня неправильной формы или зерен щебня (гравия) их очищают металлической щеткой от пыли, измельчают на лабораторной дробилке до крупности менее 5 мм, после чего перемешивают и сокращают пробу примерно до 150 г. Полученную пробу вновь измельчают до крупности менее 1,25 мм, после чего перемешивают и сокращают до (30 +/- 1) г. Подготовленную пробу измельчают до порошкообразного состояния (размер зерен менее 0,125 мм) в чугунной или фарфоровой ступке, насыпают в стаканчик для взвешивания или фарфоровую чашку, высушивают до постоянной массы и охлаждают до комнатной температуры в эксикаторе над концентрированной серной кислотой или над безводным хлоридом кальция, после чего отвешивают две навески массой (10 +/- 1) г каждая.
4.14.1.3 Порядок проведения испытания
Каждую навеску всыпают в чистый сухой пикнометр и наливают дистиллированную воду комнатной температуры в таком количестве, чтобы пикнометр был заполнен не более чем на половину своего объема. Пикнометр в слегка наклонном положении ставят на песчаную или водяную баню и кипятят его содержимое в течение 15 - 20 мин для удаления пузырьков воздуха (пузырьки воздуха могут быть удалены путем выдерживания пикнометра под вакуумом в эксикаторе). После удаления воздуха пикнометр обтирают, охлаждают до комнатной температуры, доливают до метки дистиллированную воду и взвешивают. Затем пикнометр освобождают от содержимого, промывают, наполняют до метки дистиллированной водой комнатной температуры и взвешивают.
4.14.1.4 Обработка результатов испытания
Истинную плотность

, г/см
3, определяют по формуле

(29)
где m - масса навески порошка, высушенного до постоянной массы, г;

- плотность воды, принимаемая равной 1 г/см
3;
m1 - масса пикнометра с дистиллированной водой, г;
m2 - масса пикнометра с навеской и дистиллированной водой после удаления пузырьков воздуха, г.
Расхождение между результатами двух определений не должно быть более 0,02 г/см3. В случае больших расхождений проводят третье определение и принимают для расчета два ближайших значения.
За результат принимают среднеарифметическое значение двух параллельных испытаний.
В случае необходимости определения истинной плотности зерен щебня (гравия), состоящего из смеси фракций, ее значение определяют по
4.1.7.
4.14.2 Ускоренное определение истинной плотности
Истинную плотность горной породы и зерен щебня (гравия) определяют путем измерения массы единицы объема измельченного высушенного материала с использованием прибора Ле Шателье.
Определение данного показателя с применением сит с квадратной формой ячеек осуществляется по
ГОСТ 33057.
4.14.2.1 Средства контроля и вспомогательное оборудование
Рисунок 7 - Прибор Ле Шателье
Шкаф сушильный, обеспечивающий циркуляцию воздуха и поддержание температуры в интервале (105 +/-5) °C.
Хлористый кальций (хлорид кальция) безводный по
ГОСТ 450.
Щетка металлическая.
4.14.2.2 Порядок подготовки к испытанию
Подготовленную пробу всыпают в стаканчик для взвешивания или в фарфоровую чашку, высушивают до постоянной массы и охлаждают до комнатной температуры в эксикаторе над концентрированной серной кислотой или над безводным хлоридом кальция.
После этого отвешивают две навески массой по (50 +/- 5) г каждая.
4.14.2.3 Порядок проведения испытания
Прибор Ле Шателье заполняют водой до нижней отметки, уровень воды определяют по нижнему мениску.
Каждую навеску через воронку прибора всыпают небольшими порциями до тех пор, пока уровень жидкости в приборе, определяемый по нижнему мениску, не поднимется до риски с делением 20 мл или с другим делением в пределах верхней градуированной части прибора.
Для удаления пузырьков воздуха прибор Ле Шателье рекомендуется слегка встряхнуть.
4.14.2.4 Обработка результатов испытания
Остаток измельченной пробы щебня (гравия), не вошедший в прибор, взвешивают и определяют истинную плотность порошка

, г/см
3, по формуле

(30)
где m - масса высушенной навески порошка, г;
m1 - масса остатка, г;
V - объем воды, вытесненной порошком, определяемый по градуированной шкале, см3.
Расхождение между результатами двух определений истинной плотности не должно быть более 0,02 г/см3. В случае больших расхождений проводят третье определение и принимают для расчета два ближайших значения.
За результат принимают среднеарифметическое значение двух параллельных испытаний.
В случае необходимости определения истинной плотности щебня (гравия), состоящего из смеси фракций, ее значение определяют по
4.1.7.
4.15 Определение средней плотности и пористости горной породы и зерен щебня (гравия)
4.15.1 Определение средней плотности
Среднюю плотность горной породы и зерен щебня (гравия) определяют путем измерения массы единицы объема кусков горной породы или зерен щебня (гравия) с использованием весов с приспособлением для гидростатического взвешивания.
Определение данного показателя с применением сит с квадратной формой ячеек осуществляется по
ГОСТ 33057.
4.15.1.1 Средства контроля и вспомогательное оборудование
1 - сетчатый (перфорированный) стакан; 2 - сосуд со сливом
для воды; 3 - стаканчик с дробью для уравновешивания массы
сетчатого стакана в воде; 4 - разновесы
Рисунок 8 - Весы с приспособлением
для гидростатического взвешивания
Шкаф сушильный, обеспечивающий циркуляцию воздуха и поддержание температуры в интервале (105 +/- 5) °C.
Сосуд для насыщения щебня (гравия) и образцов водой или для парафинирования образцов.
Сита из стандартного набора по
4.1.6.
Щетка металлическая.
4.15.1.2 Порядок подготовки к испытанию
Для определения средней плотности горной породы отбирают пять образцов правильной формы по
4.1.3 или пять кусков произвольной формы размером св. 40 до 80 (70) мм. Каждый образец очищают металлической щеткой от рыхлых частиц, пыли и высушивают до постоянной массы.
Для определения средней плотности зерен щебня (гравия) фракции с наибольшим номинальным размером до 40 мм берут аналитическую пробу массой не менее 2500 г. При испытании щебня (гравия) фракции с наибольшим номинальным размером св. 40 мм берут аналитическую пробу массой не менее 5000 г, зерна крупнее 40 мм дробят до получения частиц размером не более 40 мм и пробу сокращают вдвое.
Пробу высушивают до постоянной массы, просеивают через сито с размером отверстий, соответствующим наименьшему номинальному размеру зерен данной фракции щебня (гравия), и из остатка на сите отвешивают две пробы по (1000 +/- 10) г каждая.
4.15.1.3 Порядок проведения испытания
Образцы горной породы произвольной формы или навеску щебня (гравия) насыщают водой, погружая их в воду комнатной температуры на 2 ч так, чтобы уровень воды в сосуде был выше поверхности образцов или щебня (гравия) не менее чем на 20 мм.
Насыщенные образцы горной породы или пробу щебня (гравия) вынимают из воды, удаляют влагу с их поверхности мягкой влажной тканью и сразу же взвешивают. Пробу помещают в сетчатый (перфорированный) стакан, погруженный в воду и взвешивают на весах с приспособлением для гидростатического взвешивания.
Образцы горной породы произвольной формы с мелкими открытыми порами вместо насыщения допускается покрывать пленкой парафина толщиной около 1 мм. Для этого высушенный до постоянной массы образец погружают в разогретый парафин и охлаждают на воздухе. В случае обнаружения при остывании на парафиновой пленке пузырьков или повреждений их заглаживают с помощью горячей металлической пластинки, ножа или проволоки.
Подготовленный образец взвешивают на воздухе, после чего - на весах с приспособлением для гидростатического взвешивания.
Для определения средней плотности образцов горной породы правильной формы измеряют их размеры, определяют объем по
4.1.3 и среднюю плотность.
4.15.1.4 Обработка результатов испытания
Среднюю плотность образцов горной породы произвольной формы или щебня (гравия)

, г/см
3, определяют по формуле

(31)
где m - масса образца или пробы в сухом состоянии, г;
m1 - масса образца или пробы в насыщенном водой состоянии на воздухе, г;
m2 - масса образца или пробы в насыщенном водой состоянии в воде, г;

- плотность воды, принимаемая равной 1 г/см
3.
Среднюю плотность запарафинированных образцов горной породы произвольной формы

, г/см
3, определяют по формуле

(32)
где m - масса образца в сухом состоянии, г;

- масса запарафинированного образца на воздухе, г;

- масса запарафинированного образца в воде, г;

- плотность воды, принимаемая равной 1 г/см
3;

- плотность парафина (может быть принята равной 0,93 г/см
3).
Среднюю плотность образцов горной породы правильной формы

, г/см
3, определяют по формуле

(33)
где m - масса образца, г;
V - объем образца, см3.
За результат принимают среднеарифметическое значение результатов испытания пяти образцов горной породы или двух параллельных испытаний проб щебня (гравия). При этом расхождение между результатами двух определений средней плотности не должно превышать 0,02 г/см3. При больших расхождениях проводят третье определение и вычисляют среднеарифметическое двух ближайших значений.
4.15.2 Определение пористости
Пористость горной породы или зерен щебня (гравия) определяют расчетным путем на основании предварительно установленных значений истинной и средней плотности.
Определение данного показателя с применением сит с квадратной формой ячеек осуществляется по
ГОСТ 33057.
Пористость горной породы или зерен щебня (гравия) Vпор, % по объему, определяют по формуле

(34)
где

- средняя плотность горной породы или зерен щебня (гравия), г/см
3 (в соответствии с
4.15.1);

- истинная плотность горной породы или зерен щебня (гравия), г/см
3 (в соответствии с
4.14).
4.16 Определение насыпной плотности и пустотности щебня (гравия)
4.16.1 Определение насыпной плотности
Насыпную плотность щебня (гравия) определяют взвешиванием определенного объема щебня (гравия) данной фракции (или смеси фракций), высушенного до постоянной массы. Метод, указанный в
4.16.2, применяется при переводе количества щебня (гравия) из единиц массы в объемные единицы.
Определение данного показателя с применением сит с квадратной формой ячеек осуществляется по
ГОСТ 33047.
4.16.1.1 Средства контроля и вспомогательное оборудование
Шкаф сушильный, обеспечивающий циркуляцию воздуха и поддержание температуры в интервале (105 +/- 5) °C.
Таблица 5
Размеры цилиндра в зависимости от фракции щебня
Объем мерного цилиндра, л | Внутренние размеры цилиндра, мм | Фракции щебня (гравия), мм |
Диаметр | Высота |
5 | 185 | 185 | От 5 (3) до 10 |
10 | 234 | 234 | св. 10 " 20 |
20 | 294 | 294 | " 20 " 40 |
50 | 400 | 400 | " 40 |
4.16.1.2 Порядок подготовки и проведения испытания
Щебень (гравий) в объеме, обеспечивающем проведение испытания, высушивают до постоянной массы. При определении насыпной плотности смеси фракций рассев смеси на соответствующие фракции не допускается.
Щебень (гравий) насыпают в предварительно взвешенный цилиндр с высоты (10 +/- 1) см до образования конуса, который снимают металлической линейкой вровень с краями (без уплотнения) движением к себе, от себя или от середины влево и вправо, после чего цилиндр со щебнем (гравием) взвешивают.
В зависимости от наибольшего номинального размера щебня (гравия) применяют цилиндры в соответствии с
таблицей 5.
4.16.1.3 Обработка результатов испытания
Насыпную плотность щебня (гравия)

, кг/м
3, определяют с точностью до 10 кг/м
3 по формуле

(35)
где m - масса мерного цилиндра, кг;
m1 - масса мерного цилиндра со щебнем (гравием), кг;
V - объем мерного цилиндра, м3.
Насыпную плотность определяют два раза, при этом каждый раз берут новую порцию щебня (гравия).
За результат принимают среднеарифметическое значение двух параллельных испытаний.
4.16.2 Определение насыпной плотности для перевода количества щебня (гравия) из единиц массы в объемные
Насыпную плотность определяют путем взвешивания определенного объема щебня (гравия) в воздушно-сухом состоянии.
4.16.2.1 Средства контроля и вспомогательное оборудование
Весы платформенные или почтовые с пределом взвешивания 50 кг, погрешностью +/- 10 г.
Сосуды мерные (цилиндры или ящик) с размерами в соответствии с
таблицей 6.
Таблица 6
Параметры мерных сосудов в зависимости от фракции щебня
Мерный сосуд | Объем, л | Внутренние размеры сосуда, мм | Фракция щебня (гравия), мм |
Диаметр | Сторона основания | Высота |
Цилиндр | 10 | 234 | - | 234 | От 5 (3) до 10 |
20 | 294 | - | 294 | св. 10 " 20 |
50 | 400 | - | 400 | " 20 " 40 |
Ящик | 100 | - | 465 | 465 | " 40 |
4.16.2.2 Порядок подготовки и проведения испытания
Щебень (гравий) насыпают с высоты (10 +/- 3) см в предварительно взвешенный мерный сосуд до образования над верхом сосуда конуса, который снимают металлической линейкой вровень с краями сосуда (без уплотнения) движением к себе, от себя или от середины влево и вправо. Сосуд со щебнем (гравием) взвешивают.
В зависимости от наибольшего номинального размера щебня (гравия) применяют мерные сосуды в соответствии с
таблицей 6.
Примечание - Допускается использовать мерные сосуды, изготовленные по нормативным документам, действующим на территории государства, принявшего настоящий стандарт. При этом емкости сосудов допускается тарировать путем заполнения водой и определения ее объема в сосуде.
4.16.2.3 Обработка результатов испытания
Насыпную плотность щебня (гравия)

, кг/м
3, определяют с точностью до 10 кг/м
3 по формуле

(36)
где m - масса мерного сосуда, кг;
m1 - масса мерного сосуда со щебнем (гравием), кг;
V - объем мерного сосуда, м3.
Насыпную плотность определяют два раза, при этом каждый раз берут новую порцию щебня (гравия).
За результат принимают среднеарифметическое значение двух параллельных испытаний.
Примечания
1 Значение насыпной плотности щебня (гравия) с наибольшим номинальным размером зерен 40 мм и более, определенное указанным выше способом в малых емкостях (мерных сосудах), для расчета насыпной плотности щебня (гравия) в транспортных средствах грузоподъемностью более 10 т должно быть увеличено на 5%.
2 Допускается определять насыпную плотность щебня (гравия) непосредственно в транспортных средствах путем взвешивания в них материала и определения занимаемого им объема.
3 Насыпную плотность песчано-гравийной смеси определяют без предварительного разделения на гравийную и песчаную составляющие, используя мерные сосуды в соответствии с наибольшим номинальным размером гравия.
4.16.3 Определение пустотности
Пустотность щебня (гравия) определяют расчетным путем на основании предварительно установленных значений средней плотности зерен и насыпной плотности щебня (гравия).
Определение данного показателя с применением сит с квадратной формой ячеек осуществляется по
ГОСТ 33047.
Пустотность щебня (гравия) Vп, % по объему, определяют по формуле

(37)
где

- насыпная плотность щебня (гравия), кг/м
3 (по
4.16.1);

- средняя плотность зерен щебня (гравия), г/см
3 (по
4.15.1).
Примечание - В зависимости от назначения щебня (гравия) его пустотность можно определить в уплотненном состоянии, подставив в
формулу (37) насыпную плотность в уплотненном состоянии.
4.17 Определение водопоглощения горной породы и щебня (гравия)
Водопоглощение определяют путем сравнения массы образцов горной породы или проб щебня (гравия) в насыщенном водой состоянии и после высушивания.
Определение данного показателя с применением сит с квадратной формой ячеек осуществляется по
ГОСТ 33057.
4.17.1 Средства контроля и вспомогательное оборудование
Шкаф сушильный, обеспечивающий циркуляцию воздуха и поддержание температуры в интервале (105 +/- 5) °C.
Сосуд для насыщения образцов водой.
Щетка металлическая.
4.17.2 Порядок подготовки и проведения испытания
Для определения водопоглощения горной породы из геологической пробы отбирают пять образцов правильной формы или пять образцов произвольной формы размером от 40 до 80 (70) мм. Образцы очищают металлической щеткой от рыхлых частиц и пыли и высушивают до постоянной массы.
Для определения водопоглощения щебня (гравия) берут аналитическую пробу в соответствии с
4.11.1.2, которую промывают и высушивают до постоянной массы.
Образцы горной породы или щебня (гравия) укладывают в сосуд с водой комнатной температуры так, чтобы уровень воды в сосуде был выше верха образцов или пробы щебня (гравия) не менее чем на 20 мм. В таком положении образцы или пробу выдерживают в течение (48,0 +/- 0,5) ч, после чего их вынимают из сосуда, удаляют влагу с поверхности отжатой влажной мягкой тканью и каждый образец или пробу взвешивают, при этом масса воды, вытекающей из образца или щебня (гравия) на чашку весов, должна включаться в массу образца (пробы).
4.17.3 Обработка результатов испытания
Водопоглощение Wпогл, % по массе, определяют по формуле

(38)
где m - масса образца или пробы в сухом состоянии, г;
m1 - масса образца или пробы в насыщенном водой состоянии, г.
Примечание - В зависимости от назначения щебня (гравия) образцы допускается выдерживать в воде до насыщения их до постоянной массы.
За результат принимают среднеарифметическое значение пяти параллельных испытаний горной породы и двух параллельных испытаний щебня (гравия).
При испытании щебня (гравия), состоящего из смеси фракций, значение водопоглощения определяют в соответствии с
4.1.7.
4.18 Определение влажности
Влажность щебня (гравия) определяют путем сравнения массы пробы во влажном состоянии и после высушивания.
Определение данного показателя с применением сит с квадратной формой ячеек осуществляется по
ГОСТ 33028.
4.18.1 Средства контроля
Шкаф сушильный, обеспечивающий циркуляцию воздуха и поддержание температуры в интервале (105 +/- 5) °C.
4.18.2 Порядок подготовки и проведения испытания
Из щебня (гравия) испытываемой фракции берут аналитическую пробу массой по
4.11.1.2.
Пробу щебня (гравия) насыпают в сосуд и взвешивают, высушивают до постоянной массы и вновь взвешивают.
Примечание - Влажность горной породы определяют на образцах правильной или произвольной формы по
4.17.2.
4.18.3 Обработка результатов испытания
Влажность щебня (гравия) W, % по массе, определяют по формуле

(39)
где mв - масса пробы во влажном состоянии, г;
m - масса пробы в сухом состоянии, г.
4.19 Определение предела прочности при сжатии горной породы
Прочность горной породы определяют путем сжатия и доведения до разрушения образцов (кубов или цилиндров) на прессе.
4.19.1 Средства контроля и вспомогательное оборудование
Пресс гидравлический с усилием от 100 до 500 кН по
ГОСТ 28840.
Станок сверлильный с алмазным кольцевым сверлом для железобетонных конструкций по
ГОСТ 24638 (для изготовления цилиндров).
Станок камнерезный с алмазным отрезным кругом по
ГОСТ 32833 (для изготовления кубов).
Сосуд для насыщения образцов водой.
4.19.2 Порядок подготовки к испытанию
Из пробы горной породы, отобранной при геологической разведке и представленной керном или штуфом, при помощи сверлильного или камнерезного станка изготавливают пять образцов в виде цилиндра диаметром и высотой 40 - 50 мм или куба с ребром 40 - 50 мм.
Допускается испытывать керны, полученные в процессе разведочного бурения из одного слоя породы, диаметром от 40 до 110 мм и высотой, равной диаметру, с пришлифованными торцами, если керны не имеют внешних повреждений.
Грани образцов, к которым прикладывают нагрузку пресса, обрабатывают на шлифовальном станке (круге), при этом должна быть обеспечена параллельность указанных граней. Правильность формы образцов проверяют угольником. Отклонение от перпендикулярности смежных граней кубов, а также опорных и боковых поверхностей цилиндров не должно превышать 1 мм на 100 мм длины образца.
Направление приложения нагрузки должно быть нормальным к опорным поверхностям образцов и слоистости породы. В необходимых случаях образцы испытывают при приложении нагрузки параллельно слоистости породы.
Перед определением прочности образцы измеряют штангенциркулем и высушивают до постоянной массы. Допускается испытывать образцы горной породы в насыщенном водой состоянии.
4.19.3 Порядок проведения испытания
Образец устанавливают в центре опорной плиты пресса.
Нагрузка на образец при испытании должна возрастать непрерывно и равномерно со скоростью 0,5 МПа (5 кгс/см
2) в секунду. Предельная нагрузка пресса должна соответствовать требованиям
4.1.8.
4.19.4 Обработка результатов испытания
Предел прочности при сжатии образца Rсж, МПа (кгс/см2), определяют с точностью до 1 МПа (10 кгс/см2) по формуле

(40)
где P - разрушающее усилие, Н (кгс);
F - площадь поперечного сечения образца, см2.
За результат принимают среднеарифметическое значение пяти параллельных испытаний.
4.20 Определение реакционной способности горной породы и щебня (гравия)
Реакционную способность (РС) горной породы, щебня (гравия) характеризуют наличием минералов, содержащих растворимый в щелочах кремнезем и определяют в соответствии с ГОСТ 35301.
Определение данного показателя с применением сит с квадратной формой ячеек осуществляется по
ГОСТ 33050.
4.21 Определение устойчивости структуры щебня (гравия) против распадов
Устойчивость структуры щебня (гравия) против всех видов распадов определяют путем выдержки щебня (гравия) в дистиллированной воде в течение 30 сут (сульфидный и железистый распад) и последующего испытания в автоклаве в среде насыщенного пара (силикатный и известковый распад).
Определение данного показателя с применением сит с квадратной формой ячеек осуществляется по
ГОСТ 33056.
4.21.1 Средства контроля и вспомогательное оборудование
Шкаф сушильный, обеспечивающий циркуляцию воздуха и поддержание температуры в интервале (105 +/- 5) °C.
Автоклав на 200 кПа (2 ат).
Набор сит с отверстиями диаметром 5, 10, 20 и 40 мм.
Емкость для погружения проб щебня в дистиллированную воду.
Щетка металлическая.
Мешочки из плотной ткани или формы из оцинкованной жести с круглыми отверстиями диаметром не более 5 (3) мм.
Плитка электрическая.
4.21.2 Порядок подготовки к испытанию
Из лабораторных проб щебня (гравия) фракций от 5 (3) до 10 мм, св. 10 до 20 мм и св. 20 до 40 мм отбирают аналитические пробы массой по (5000 +/- 10) г - для первых двух фракций, (7000 +/- 10) г - для третьей фракции. Пробы очищают щеткой от рыхлых частиц и пыли, промывают и высушивают до постоянной массы.
Для проведения испытания отбирают по 2 лабораторные пробы массой по (2000 +/- 5) г каждая для щебня (гравия) фракций от 5 (3) до 10 мм и св. 10 до 20 мм и массой по (3000 +/- 5) г - для фракций св. 20 до 40 мм.
4.21.3 Порядок проведения испытания
Подготовленные пробы щебня (гравия) помещают в мешочки или формы и погружают в емкость с дистиллированной водой на 30 сут.
По истечении указанного срока пробы высушивают до постоянной массы.
Высушенные пробы помещают в формы (без мешочков) и ставят в автоклав. В течение (30 +/- 1) мин давление в автоклаве постепенно поднимают до 200 кПа (2 ати). При этом давлении щебень (гравий) выдерживают (360 +/- 5) мин, после чего давление в течение (20 +/- 1) мин постепенно снижают до атмосферного.
Пробы щебня (гравия) вынимают из автоклава, каждую в отдельности промывают, высушивают до постоянной массы, просеивают через сито с отверстиями диаметром, соответствующим нижнему размеру испытываемой фракции. Остаток на сите взвешивают.
Испытание в автоклаве может быть заменено пропариванием в сосуде с закрывающейся крышкой. Высушенную пробу помещают в сосуд над слоем воды высотой 20 - 30 мм. Сосуд закрывают крышкой и ставят на электроплитку. С момента закипания воды в сосуде щебень (гравий) пропаривают в течение (180 +/- 5) мин. Затем щебень (гравий) извлекают из сосуда, помещают на (180 +/- 5) мин в ванну с водой комнатной температуры. Попеременное пропаривание и охлаждение до комнатной температуры повторяют три раза. После окончания испытания пробы щебня (гравия) высушивают до постоянной массы и просеивают через сито с отверстиями диаметром, соответствующим нижнему размеру испытываемой фракции. Остаток на сите взвешивают. При вынужденных перерывах в испытании допускается оставлять пробу в ванне с водой (не более 24 ч).
4.21.4 Обработка результатов испытания
Потерю массы данной фракции

, %, определяют по формуле

(41)
где m1 - масса пробы до испытания, г;
m2 - масса пробы после испытания, г.
За результат принимают среднеарифметическое двух параллельных определений.
Потерю массы

, %, щебня (гравия), состоящего из смеси нескольких фракций, определяют по формуле

(42)
где n - число фракций;

- потеря массы данной фракции, определенная по
формуле (41), % по массе;
x - содержание данной фракции, % по массе.
4.22 Определение содержания свободного волокна хризотила в щебне из отходов хризотилсодержащих пород
Содержание свободного волокна хризотила в щебне из отходов хризотилсодержащих пород определяют на фракции крупностью от 5 (3) до 20 мм путем отбора из пробы щебня свободных волокон хризотила.
4.22.1 Средства контроля и вспомогательное оборудование
Сита с размером отверстий 5 (3), 20 и 0,5 мм.
Щетка волосяная.
4.22.2 Порядок проведения испытания
Определение массовой доли свободного волокна хризотила проводят одновременно с определением зернового состава.
При определении зернового состава, после просеивания лабораторной пробы на ситах визуально контролируют материал на каждом сите на наличие свободных волокон хризотила. В случае, когда на сите обнаружено свободное волокно хризотила, материал перемещают обратно на данное сито, снизу устанавливают контрольное тканое сито с размером стороны ячейки в свету 0,5 мм и отбирают свободное волокно хризотила с обоих сит вручную волосяной щеткой.
Продукт из поддона (дна), при определении зернового состава, после взвешивания помещают на сито с размером стороны ячейки в свету 0,5 мм и просеивают. При просеивании свободное волокно хризотила "всплывает" над вмещающей породой (гали) и хорошо отбирается волосяной щеткой.
Для отделения от вмещающей породы (гали) и удаления пыли свободное волокно хризотила, отобранное с каждого сита и поддона, объединяют и снова помещают на сито с размером стороны ячейки в свету 0,5 мм. Просеивают, "всплывшее" волокно хризотила отбирают волосяной щеткой, данную процедуру повторяют несколько раз до полного отделения свободного волокна хризотила от вмещающей породы (гали). Операцию повторяют несколько раз до полной очистки свободного волокна хризотила от гали и пыли. Очищенное волокно хризотила, оставшееся на сите с размером отверстий 0,5, взвешивают с точностью до 0,1 г.
4.22.3 Обработка результатов испытания
Массовую долю свободного волокна хризотила A, %, определяют по формуле

(43)
где a - масса отобранного свободного волокна хризотила в пробе, г;
m - масса лабораторной (точечной) пробы при определении зернового состава, г.
Результат испытания рассчитывают с точностью до 0,01%.
За результат принимают среднеарифметическое значение содержания хризотила в щебне, полученное по двум навескам.
4.23 Определение содержания слабых зерен и примесей металла в щебне из шлаков черной и цветной металлургии
Сущность метода заключается в выделении из щебня из шлаков примесей металла и слабых зерен.
Определение данного показателя с применением сит с квадратной формой ячеек осуществляется по
ГОСТ 32861.
4.23.1 Средства контроля и вспомогательное оборудование
Шкаф сушильный, обеспечивающий циркуляцию воздуха и поддержание температуры в интервале (105 +/- 5) °C.
Сита с отверстиями диаметром 5, 10, 20, 40 и 70 мм.
4.23.2 Порядок подготовки и проведения испытания
Щебень рассеивают на ситах на фракции. От каждой фракции отбирают навеску массой, указанной в
таблице 7.
Таблица 7
Минимальная масса навески щебня в зависимости от фракции
Размер фракции, мм | 5 (3) - 10 | 10 - 20 | 20 - 40 | 40 - 80 (70) | Св. 80 (70) |
Масса навески, кг, не менее | 0,5 | 1,0 | 5,0 | 15,0 | 35,0 |
Навески высушивают до постоянной массы m, насыпают в один слой и выделяют из каждой фракции слабые зерна и примеси металла.
Для выделения примесей металла допускается использовать магнит, которым несколько раз проводят над слоем щебня на высоте не более 10 мм.
К слабым зернам относят зерна, которые разламываются руками и разрушаются от легких ударов молотка с высоты (4 +/- 1) мм под действием его силы тяжести. К слабым зернам в щебне из шлаков черной металлургии в том числе относятся бой огнеупорного кирпича и другие примеси типа флюсов.
4.23.3 Обработка результатов испытания
Выделенные из пробы слабые зерна и примеси металла взвешивают (раздельно) и определяют их содержание Xi, %, по формуле

(44)
где mi - масса слабых зерен или примесей металла, кг;
m - общая масса навески, кг.
Содержание слабых зерен и примесей металла вычисляют как среднеарифметическое результатов трех определений.
При испытании щебня, состоящего из смеси фракций, содержание слабых зерен и примесей металла определяют в соответствии с
4.1.7.
4.24 Определение активности шлаков
Сущность метода заключается в определении активности шлаков по значению предела прочности при сжатии образцов в водонасыщенном состоянии в возрасте 28 сут.
Определение данного показателя с применением сит с квадратной формой ячеек осуществляется по
ГОСТ 32820.
4.24.1 Средства контроля и вспомогательное оборудование
Мельница шаровая лабораторная, вибромельница или барабан с металлическими шарами.
Прибор для измерения удельной поверхности и среднемассового размера частиц порошков с аппаратурной погрешностью не более +/- 1% (диапазон измеряемых величин в следующих интервалах: удельная поверхность 200 - 50000 см2/г, среднемассовый размер частиц порошков 0,5 - 200 мкм).
Прибор малый для стандартного уплотнения (см.
рисунок 9).
1 - рукоятка; 2 - направляющий стержень;
3 - гиря; 4 - плунжер; 5 - направляющий насадный
цилиндр; 6 - разъемный цилиндр; 7 - подстаканник;
8 - закрепляющие винты; 9 - металлическая пластинка
Рисунок 9 - Малый прибор для стандартного уплотнения
Пресс гидравлический с усилием от 50 до 500 кН.
Шкаф сушильный, обеспечивающий циркуляцию воздуха и поддержание температуры в интервале (105 +/- 5) °C.
Мешалка лабораторная для приготовления шлакового теста.
Сито с отверстиями размером 0,071 мм по
ГОСТ 6613.
Чаша сферическая фарфоровая или металлическая для затворения.
Ванна с гидравлическим затвором для хранения образцов по
ГОСТ 310.3.
Мастерок или лопатка для перемешивания по
ГОСТ 310.3.
4.24.2 Порядок подготовки и проведения испытания
Аналитическую пробу шлакового щебня массой не менее 5000 г высушивают до постоянной массы и размалывают в шаровой мельнице, вибромельнице или барабане с металлическими шарами так, чтобы остаток на сите с размером отверстий 0,071 мм был не более 6% - 10% или удельная поверхность была равна (3000 +/- 100) см
2/г. Удельную поверхность определяют в приборе ПСХ в соответствии с
ГОСТ 310.3. Размолотый шлак выдерживают в воздушно-сухих условиях в течение 24 ч.
Активность шлака определяют на образцах-цилиндрах, изготовленных из шлакового теста максимальной плотности при оптимальном количестве добавляемой воды. Максимальную плотность шлакового теста устанавливают путем подбора.
Навеску размолотого шлака массой 720 - 750 г помещают в чашу, предварительно протертую влажной тканью, добавляют воду в количестве от 6% до 8% массы шлака и тщательно перемешивают мастерком или лопаткой для перемешивания в течение 5 мин. Из приготовленной смеси отбирают контрольную навеску, взвешивают, высушивают до постоянной массы при температуре (105 +/- 5) °C, охлаждают и вновь взвешивают, затем по
формуле (38) определяют фактическую влажность.
Из приготовленной смеси в малом приборе (см.
рисунок 9) для стандартного уплотнения формуют три образца диаметром и высотой (50 +/- 1) мм. Образцы уплотняют 40 ударами гири массой (2500 +/- 25) г, падающей с высоты (300 +/- 3) мм. После уплотнения плунжер и насадку осторожно снимают, тщательно срезают ножом излишки шлакового теста. Сразу после изготовления образцы освобождают от формы и взвешивают с погрешностью до 0,1 г. Подготовку шлакового теста, изготовление серии образцов и взвешивание повторяют несколько раз, каждый раз увеличивая количество воды на 2%. Воду прекращают добавлять после получения средней плотности образцов, значение которой закономерно снижается с каждым последующим определением.
Для определения оптимальной влажности и максимальной плотности для каждой серии образцов (различной влажности) определяют среднюю плотность образца

, г/см
3, по формуле

(45)
где W - фактическая влажность смеси, % массы сухого молотого шлака;

- средняя плотность образцов, г/см
3, определяемая по формуле

(46)
где n - число образцов;
mi - масса образца данной серии при данной влажности, г;
V - объем образцов, см3.
По результатам определений строят график, откладывая по оси ординат значения средней плотности образцов

, а по оси абсцисс - фактическую влажность. Наивысшая точка полученной кривой соответствует оптимальной влажности и максимальной плотности образцов.
Для определения прочности образцы изготавливают из шлакового теста с оптимальной влажностью и максимальной плотностью. Для этого в молотый шлак вводят воду в количестве, соответствующем оптимальной влажности и максимальной плотности, перемешивают в течение 2,5 мин в лабораторной мешалке. При отсутствии мешалки шлак с водой перемешивают мастерком или лопаткой в сферической чаше в течение 10 мин.
Из шлаковой смеси массой не менее 3000 г изготавливают по указанному выше методу при помощи малого прибора (см.
рисунок 9) для стандартного уплотнения десять образцов-цилиндров высотой и диаметром (50 +/- 1) мм. Допускается уплотнять образцы на прессе при давлении 20 МПа (200 кгс/см
2), обеспечивающем плотность образца, равную плотности, получаемой на приборе стандартного уплотнения с выдержкой в течение 3 мин. Отклонение фактической влажности смеси от оптимальной допускается до +/- 0,5%. При разногласиях в оценке активности шлаков, применяют результаты, полученные при изготовлении шлаковой смеси при помощи малого прибора.
Образцы хранят 7 сут на воздухе при температуре 18 °C - 20 °C, после чего измеряют размеры образцов штангенциркулем, помещают их на 18 сут в камеру с влажностью не менее 95%, затем в течение 2 сут насыщают водой комнатной температуры, при этом уровень воды над образцами должен быть не менее 20 мм.
Насыщенные водой образцы испытывают в возрасте 28 сут на гидравлическом прессе, повышая давление на 0,3 - 0,5 МПа (3 - 5 кгс/см2) в секунду до разрушения образцов.
4.24.3 Обработка результатов испытания
Предел прочности образца при сжатии Rсж, МПа (кгс/см2), определяют с точностью до 0,1 МПа (1 кгс/см2) по формуле

(47)
или по формуле

(48)
где P - разрушающее усилие пресса, Н (кгс);
F - площадь поперечного сечения образца, см2.
За показатель активности шлаков принимают предел прочности при сжатии, вычисленный как среднеарифметическое результатов испытания десяти образцов.
Примечание - Допускается определение активности проводить на образцах, изготовленных из смеси с водошлаковыми отношениями 0,12; 0,14 и 0,16. Из каждой смеси готовят 10 образцов.
За показатель активности в этом случае принимают наибольшее значение из трех средних пределов прочности при сжатии десяти образцов.
4.25 Определение электроизоляционных свойств щебня для балластного слоя железнодорожного пути
Электроизоляционные свойства щебня определяют по удельной электрической проводимости насыщенного раствора, получаемого при перемешивании размельченного щебня с дистиллированной водой.
4.25.1 Средства контроля и вспомогательное оборудование
Амперметр переменного тока класса точности 1 со шкалой до 300 мА по
ГОСТ 8711.
Вольтметр переменного тока класса точности 1 со шкалой до 50 В по
ГОСТ 8711.
Трансформатор лабораторный регулировочный 250 В Х2А (ЛАТР).
Трансформатор разделительный 220/24 В.
Куб измерительный, изготовленный из изолирующего материала (органического стекла) с внутренними размерами сторон 50 x 50 x 50 мм.
Электроды размером 50 x 50 x 1 мм в количестве 2 шт.
Сито с отверстиями размером 5 (3) мм.
Шкаф сушильный, обеспечивающий циркуляцию воздуха и поддержание температуры в интервале (105 +/- 5) °C.
Сосуд цилиндрический оцинкованный или пластмассовый без меток объемом 10 л.
Сосуд цилиндрический с двумя метками (поясами) на внутренней стенке, соответствующими объему 3,5 и 4 л.
Сосуд для выпаривания раствора с двумя метками, соответствующими объему 0,5 и 2 л.
Воронка.
Штыковка деревянная.
4.25.2 Порядок подготовки к испытанию
Пробу щебня массой (6000 +/- 10) г измельчают в лабораторной дробилке и просеивают через сито с отверстиями размером 5 (3) мм.
Прошедшую через сито измельченную пробу засыпают в цилиндрический сосуд до отметки 4 л равномерными слоями, уплотняя деревянной штыковкой каждый слой до постоянного объема.
Отмеренный объем измельченной пробы высыпают в цилиндрический оцинкованный сосуд объемом 10 л, заливают 3,5 л дистиллированной воды и тщательно перемешивают.
Перемешивание и определение электрической проводимости раствора проводят в измерительном кубе до тех пор, пока его электрическая проводимость не стабилизируется. Постоянная электрическая проводимость раствора свидетельствует о том, что раствор стал насыщенным.
Насыщенный раствор объемом 2 л наливают в сосуд для выпаривания и выпаривают его до объема 0,5 л. Охлаждают раствор до комнатной температуры, выливают в измерительный куб и определяют электрическую проводимость.
4.25.3 Порядок проведения испытания
Электроды зачищают до блеска и устанавливают на двух противоположных боковых стенках измерительного куба. Куб промывают дистиллированной водой и наливают в него полученный насыщенный раствор, электрическую проводимость которого необходимо определить. Уровень раствора должен совпадать с верхними краями электродов. Выводы электродов подключают к измерительной схеме (см.
рисунок 10).
1 - лабораторный регулировочный трансформатор (ЛАТР);
2 - электрод; 3 - измерительный куб
Рисунок 10 - Измерительная схема
Вращением рукоятки лабораторного регулировочного трансформатора устанавливают напряжение между электродами 5 - 10 В и измеряют ток, протекающий через измерительный куб при одном и том же напряжении между электродами.
4.25.4 Обработка результатов испытаний
Электрическую проводимость S, См, определяют по формуле

(49)
где I - сила тока при фиксированном напряжении, А;
U - напряжение между электродами, В.
Для получения значений удельной электрической проводимости раствора необходимо вычисленные по
формуле (49) значения электрической проводимости умножить на постоянный для измерительного куба коэффициент 20.
За результат принимают среднеарифметическое значение трех параллельных определений.
4.26 Определение сопротивления удару на копре ПМ
Сопротивление щебня (гравия) удару на копре ПМ определяют по степени разрушения зерен, оцениваемой изменением зернового состава пробы.
4.26.1 Средства контроля и вспомогательное оборудование
Сита с круглыми отверстиями диаметрами 5 (3); 25 (20) и 40 мм и с сетками N 0,5 и 1 по
ГОСТ 6613.
4.26.2 Порядок подготовки к испытанию
Испытываемый щебень (гравий) не должен содержать пылевидных и глинистых частиц более 1% по массе, в противном случае щебень (гравий) предварительно промывают и высушивают по
4.5.
Испытанию на копре ПМ подвергают щебень (гравий) фракции от 25 (20) до 40 мм. Пробу щебня (гравия) массой не менее 3000 г, высушенную до постоянной массы, просеивают через сита с отверстиями 40 и 25 (20) мм. Зерна крупнее 40 мм предварительно дробят до получения зерен указанных размеров. Из щебня (гравия), оставшегося на сите с отверстиями 25 (20) мм, готовят две пробы. Испытываемый щебень (гравий) всыпают в специальный мерный сосуд с внутренним диаметром (105 +/- 5) мм и высотой (58 +/- 5) мм. Лишний щебень (гравий) снимают вровень с краями сосуда. Сосуд с щебнем (гравием) взвешивают. Массу аналитической пробы m, г, определяют по формуле
m = m1 - m2, (50)
где m1 - масса пробы щебня (гравия) с мерным сосудом, г;
m2 - масса мерного сосуда, г.
4.26.3 Порядок проведения испытания
Каждую пробу щебня (гравия) высыпают из мерного цилиндра в стальную ступку копра ПМ и разравнивают его поверхность для достижения одного уровня расположения зерен в ступке. Пробу подвергают ударам бойка массой (5000 +/- 50) г, падающего с высоты (500 +/- 10) мм.
Копер должен быть установлен вертикально на прочном фундаменте. Пластинку с зубьями бойка изготавливают из углеродистой стали и подвергают закалке в масле с последующим отпуском на твердость, равную 57,0 - 59,0 HRGэ. Износ по высоте зубьев бойка не должен быть более 1 мм.
После каждого удара бойка ступку с помощью рукоятки поворачивают на 45° и устанавливают по направлению указателей, сделанных на подставке копра ПМ.
После 40 ударов бойка все содержимое ступки просеивают через сита с отверстиями 5 (3); 1 и 0,5 мм, остатки на каждом сите взвешивают и определяют полные остатки на каждом сите.
4.26.4 Обработка результатов испытания
Сопротивление щебня (гравия) удару на копре У определяют по формуле

(51)
где A - показатель крупности пробы после испытания, определяемый по формуле

(52)
где m1, m2, m3 - полные остатки на ситах с отверстиями диаметрами 5 (3); 1 и 0,5 мм, г;
m - первоначальная масса пробы, г.
За результат испытания принимают среднеарифметическое значение сопротивления удару двух параллельных определений.
(справочное)
ОБЛАСТЬ ПРИМЕНЕНИЯ ФИЗИКО-МЕХАНИЧЕСКИХ ИСПЫТАНИЙ
Таблица А.1
Область применения физико-механических испытаний
Наименование испытаний | Область применения |
Определение свойств горных пород и получаемых из них щебня и гравия при геологической разведке |
Определение зернового состава щебня (гравия) | + |
Определение содержания дробленых зерен в щебне из гравия | - |
Определение содержания в щебне (гравии) пылевидных и глинистых частиц | + |
Определение содержания в щебне (гравии) глины в комках | + |
Определение содержания в щебне (гравии) зерен пластинчатой (лещадной) и игловатой формы | + |
Определение дробимости щебня (гравия) при сжатии (раздавливании) в цилиндре | + |
Определение содержания в щебне (гравии) зерен слабых пород | + |
Определение истираемости щебня (гравия) в полочном барабане | + |
Определение морозостойкости щебня (гравия) | + |
Определение минералого-петрографического состава щебня (гравия) | + |
Определение наличия органических примесей в щебне (гравии) | + |
Определение истинной плотности горной породы и зерен щебня (гравия) | + |
Определение средней плотности и пористости горной породы и зерен щебня (гравия) | + |
Определение насыпной плотности и пустотности щебня (гравия) | - |
Определение водопоглощения горной породы и щебня (гравия) | + |
Определение влажности щебня (гравия) | - |
Определение предела прочности при сжатии горной породы | + |
Определение реакционной способности горной породы, щебня и гравия: | |
а) минералого-петрографический метод; | + |
б) химический метод; | + |
в) ускоренный метод; | - |
г) метод непосредственных испытаний образцов бетона | + |
Определение устойчивости структуры против распада щебня (гравия) из попутно добываемых пород и отходов промышленного производства | + |
Определение содержания свободного волокна хризотила в щебне из отходов хризотилсодержащих пород | + |
Определение содержания слабых зерен и примесей металла в щебне из шлаков черной и цветной металлургии | - |
Определение активности шлаков | + |
Определение электроизоляционных свойств щебня для балластного слоя железнодорожного пути | + |
Примечание - "+" означает, что испытания проводят; "-" - не проводят. |
| ISO 3310-1:2016 | Test sieves - Technical requirements and testing - Part 1: Test sieves of metal wire cloth (Сита лабораторные. Технические требования и испытания. Часть 1. Сита из проволочной ткани) |
| ISO 3310-2:2013 | Test sieves - Technical requirements and testing - Part 2: Test sieves of perforated metal plate (Сита лабораторные. Технические требования и испытания. Часть 2. Сита из металлической перфорированной пластины) |
| ISO 565:1990 | Test sieves - Metal wire cloth, perforated metal plate and electroformed sheet - Nominal sizes of openings (Сита контрольные. Проволочная ткань, перфорированные пластины и листы, изготовленные гальваническим методом. Номинальные размеры отверстий) |
УДК [69+691.224:54](084.74):006.354 | |
Ключевые слова: щебень, гравий, горные породы, отходы промышленного производства, физико-механические испытания |