Главная // Актуальные документы // Актуальные документы (обновление 2025.01.06-2025.02.01) // Ведомость (форма)
СПРАВКА
Источник публикации
М.: ФГБУ "Институт стандартизации", 2024
Примечание к документу
Документ введен в действие с 01.11.2024.
Название документа
"ГОСТ Р 71658-2024. Национальный стандарт Российской Федерации. Система проектной документации для строительства. Правила оформления проектной документации линейных объектов. Тепловые сети"
(утв. и введен в действие Приказом Росстандарта от 03.10.2024 N 1366-ст)

"ГОСТ Р 71658-2024. Национальный стандарт Российской Федерации. Система проектной документации для строительства. Правила оформления проектной документации линейных объектов. Тепловые сети"
(утв. и введен в действие Приказом Росстандарта от 03.10.2024 N 1366-ст)


Содержание


Утвержден и введен в действие
Приказом Федерального
агентства по техническому
регулированию и метрологии
от 3 октября 2024 г. N 1366-ст
НАЦИОНАЛЬНЫЙ СТАНДАРТ РОССИЙСКОЙ ФЕДЕРАЦИИ
СИСТЕМА ПРОЕКТНОЙ ДОКУМЕНТАЦИИ ДЛЯ СТРОИТЕЛЬСТВА
ПРАВИЛА ОФОРМЛЕНИЯ ПРОЕКТНОЙ ДОКУМЕНТАЦИИ ЛИНЕЙНЫХ ОБЪЕКТОВ.
ТЕПЛОВЫЕ СЕТИ
System of design documents for construction.
Rules for the design documentation of linear objects.
Thermal networks
ГОСТ Р 71658-2024
ОКС 91.140.10
Дата введения
1 ноября 2024 года
Предисловие
1 РАЗРАБОТАН Обществом с ограниченной ответственностью "СанТехПроект" (ООО "СанТехПроект")
2 ВНЕСЕН Техническим комитетом по стандартизации ТК 465 "Строительство"
3 УТВЕРЖДЕН И ВВЕДЕН В ДЕЙСТВИЕ Приказом Федерального агентства по техническому регулированию и метрологии от 3 октября 2024 г. N 1366-ст
4 ВВЕДЕН ВПЕРВЫЕ
Правила применения настоящего стандарта установлены в статье 26 Федерального закона от 29 июня 2015 г. N 162-ФЗ "О стандартизации в Российской Федерации". Информация об изменениях к настоящему стандарту публикуется в ежегодном (по состоянию на 1 января текущего года) информационном указателе "Национальные стандарты", а официальный текст изменений и поправок - в ежемесячном информационном указателе "Национальные стандарты". В случае пересмотра (замены) или отмены настоящего стандарта соответствующее уведомление будет опубликовано в ближайшем выпуске ежемесячного информационного указателя "Национальные стандарты". Соответствующая информация, уведомление и тексты размещаются также в информационной системе общего пользования - на официальном сайте Федерального агентства по техническому регулированию и метрологии в сети Интернет (www.rst.gov.ru)
Введение
В основу настоящего стандарта положены результаты экспертного рассмотрения проектной документации, получившей положительные заключение органов государственной и негосударственной экспертизы. Целью разработки настоящего стандарта является установление единых правил выполнения и оформления проектной документации на линейный объект "Тепловая сеть" для оптимизации процесса разработки проектной документации и проведения экспертизы проектной документации на соответствие требованиям Федерального закона от 30 декабря 2009 г. N 384-ФЗ "Технический регламент о безопасности зданий и сооружений".
Настоящий стандарт разработан авторским коллективом: ПАО "Мосэнерго" [И.Б. Новиков (руководитель разработки), Е.В. Емельянова], ООО "СанТехПроект" (канд. техн. наук А.Я. Шарипов, К.В. Шевляков).
1 Область применения
1.1 Настоящий стандарт устанавливает правила выполнения и оформления разделов проектной документации для строительства и реконструкции линейных объектов тепловых сетей.
Настоящий стандарт может использоваться при подготовке документации для капитального ремонта тепловых сетей.
1.2 Настоящий стандарт распространяется на проектирование тепловых сетей (со всеми сопутствующими конструкциями) от выходных запорных задвижек (исключая их) коллекторов источника теплоты или от наружных стен источника теплоты до выходных запорных задвижек (включая их) центральных тепловых пунктов и до входных запорных органов индивидуальных тепловых пунктов (узлов вводов) зданий (секции зданий) и сооружений, транспортирующих горячую воду с температурой до 200 °C и давлением до 2,5 МПа включительно, водяной пар с температурой до 440 °C и давлением до 6,3 МПа включительно, конденсат водяного пара.
1.3 Настоящий стандарт не распространяется на правила выполнения подраздела "Отопление, вентиляция и кондиционирование воздуха, тепловые сети" раздела 5 "Сведения об инженерном оборудовании, о сетях и системах инженерно-технического обеспечения" для объектов капитального строительства производственного и непроизводственного назначения, требования к составу и содержанию которых определены [1] (раздел II).
2 Нормативные ссылки
В настоящем стандарте использованы нормативные ссылки на следующие документы:
ГОСТ 2.302 Единая система конструкторской документации. Масштабы
ГОСТ 2.303 Единая система конструкторской документации. Линии
ГОСТ 21.201 Система проектной документации для строительства. Условные графические изображения элементов зданий, сооружений и конструкций
ГОСТ 21.204-2020 Система проектной документации для строительства. Условные графические обозначения и изображения элементов генеральных планов и сооружений транспорта
ГОСТ 21.206 Система проектной документации для строительства. Условные обозначения трубопроводов
ГОСТ Р 21.001 Система проектной документации для строительства. Общие положения
ГОСТ Р 21.101 Система проектной документации для строительства. Основные требования к проектной и рабочей документации
ГОСТ Р 21.302 Система проектной документации для строительства. Условные графические обозначения в документации по инженерно-геологическим изысканиям
ГОСТ 30732 Трубы и фасонные изделия стальные с тепловой изоляцией из пенополиуретана с защитной оболочкой. Технические условия
СП 22.13330 "СНиП 2.02.01-83* Основания зданий и сооружений"
СП 124.13330.2012 "СНиП 41-02-2003 Тепловые сети"
Примечание - При пользовании настоящим стандартом целесообразно проверить действие ссылочных стандартов (сводов правил) в информационной системе общего пользования - на официальном сайте Федерального агентства по техническому регулированию и метрологии в сети Интернет или по ежегодному информационному указателю "Национальные стандарты", который опубликован по состоянию на 1 января текущего года, и по выпускам ежемесячного информационного указателя "Национальные стандарты" за текущий год. Если заменен ссылочный документ, на который дана недатированная ссылка, то рекомендуется использовать действующую версию этого документа с учетом всех внесенных в данную версию изменений. Если заменен ссылочный документ, на который дана датированная ссылка, то рекомендуется использовать версию этого документа с указанным выше годом утверждения (принятия). Если после утверждения настоящего стандарта в ссылочный документ, на который дана датированная ссылка, внесено изменение, затрагивающее положение, на которое дана ссылка, то это положение рекомендуется применять без учета данного изменения. Если ссылочный документ отменен без замены, то положение, в котором дана ссылка на него, рекомендуется применять в части, не затрагивающей эту ссылку. Сведения о действии сводов правил целесообразно проверить в Федеральном информационном фонде стандартов.
3 Термины и определения
В настоящем стандарте применены термины по ГОСТ Р 21.001, ГОСТ Р 21.101, [2], [3], [4].
4 Общие положения
4.1 Требования к составу проектной документации на линейные объекты установлены в [1], [2].
4.2 Необходимость разработки и требования к содержанию разделов проектной документации, наличие которых согласно [1] не является обязательным, определяется по согласованию между проектной организацией и заказчиком такой документации.
4.3 В составе проектной документации разрабатывают текстовую и графическую части.
Текстовая часть содержит сведения в отношении объекта проектирования, описание принятых технических и иных решений, пояснения, ссылки на нормативные и (или) технические документы, используемые при подготовке проектной документации, и результаты расчетов, обосновывающие принятые решения.
Графическая часть отображает принятые технические и иные решения и выполняется в виде принципиальных схем, планов наружных сетей и других документов в графической форме [5].
4.4 Общие правила выполнения текстовой и графической частей, оформления и комплектования проектной документации приведены в ГОСТ Р 21.101, ГОСТ Р 21.001, ГОСТ 21.201.
4.5 Проектную документацию комплектуют в тома, соответствующие разделам, установленным в [1]. При большом объеме тома допускается разделять его на части, а части, в случае необходимости, - на книги. Отдельные разделы делят на подразделы, установленные [1]. Каждому тому (разделу), части (подразделу) и книге, скомплектованным в том, присваивают самостоятельное обозначение, которое указывают на обложке и титульном листе. Тома нумеруют арабскими цифрами.
5 Состав и структура проектной документации для линейного объекта "Тепловые сети"
5.1 Пояснительная записка
5.1.1 Общие требования к составу и содержанию текстовой части раздела "Пояснительная записка" установлены в [1] [пункт 34, подпункты а) - л)].
5.1.1.1 В качестве реквизитов документов, на основании которых принято решение о подготовке проектной документации на линейный объект - тепловую сеть - указывают федеральную целевую программу, программу развития субъекта Российской Федерации, комплексную программу развития муниципального образования, ведомственную целевую программу, решения Президента Российской Федерации, Правительства Российской Федерации, органов государственной власти субъектов Российской Федерации и органов местного самоуправления в соответствии с их полномочиями, инвестиционную программу или программу капитального ремонта эксплуатационной организации (собственника сети), решение частного заказчика-инвестора, перечень нормативных документов, на основании которых выполнен проект.
5.1.1.2 Исходными данными и условиями для подготовки проектной документации на тепловую сеть являются:
- задание на проектирование с указанием инвестора (при наличии) или владельца тепловой сети, застройщика (технического заказчика), источника финансирования, в том числе: федеральный бюджет, региональный бюджет, местный бюджет, внебюджетные средства, включая инвестиционные программы теплоснабжающих организаций, - и вида работ (строительство, реконструкция, капитальный ремонт);
- техническое задание с указанием границ проектирования, объемов и видов работ, разрабатываемых разделов и требований к проектным решениям;
- условия для подключения объектов капитального строительства;
- перечень изысканий, используемых при проектировании линейного объекта.
Примечание - Копии указанных документов, оформленные в установленном порядке, должны быть приложены к проектной документации в полном объеме.
5.1.1.3 В тексте пунктов, содержащих сведения о климатической, географической и инженерно-геологической характеристике района, на территории которого предполагается осуществлять строительство, реконструкцию, капитальный ремонт линейного объекта, указывают:
- глубину заложения водоносного горизонта;
- тип грунта основания траншеи и его расчетное сопротивление по СП 22.13330;
- неблагоприятные факторы, влияющие на выбор проектных решений (коррозионная активность грунтов, пучение, возможность карстовых процессов, подтопляемость территории и т.д.).
5.1.1.4 Описание маршрутов прохождения тепловой сети следует выполнять как для основной трассы, так и для байпаса тепловой сети (при наличии).
При наличии в составе проекта перекладок сетей и проектировании сетей водоудаления пункт следует дополнять соответствующим описанием маршрутов для других сетей.
При описании маршрутов трассы и байпаса тепловой сети следует указывать обоснование выбранного маршрута и проектных решений, диаметры трубопроводов, вид изоляции и тип прокладки трубопроводов.
5.1.1.5 В описании маршрутов прохождения тепловой сети по территории района строительства указывают начальные и конечные точки трассы, виды земель, по которым проложена трасса, и правообладателей пересекаемых земельных участков, а также рациональность выбранного направления трассы.
5.1.1.6 В сведениях о линейном объекте с указанием наименования, назначения и месторасположения начального и конечного пунктов линейного объекта указывают наименование источников теплоснабжения и потребителей, к которым присоединена тепловая сеть, эксплуатационные наименования камер и технологических узлов - начала и конца трассы.
5.1.1.7 В описание технико-экономических характеристик тепловой сети, кроме сведений, указанных в [1] [пункт 34, подпункт е)], следует указывать:
- классификацию трубопроводов тепловой сети в соответствии с СП 124.13330;
- класс опасности в соответствии с [4];
- параметры теплоносителя, как расчетные, так и фактические, в точках подключения;
- тип системы теплоснабжения;
- в случае реконструкции и капитального ремонта тепловой сети - возможность и способы обеспечения бесперебойного теплоснабжения потребителей.
В качестве технико-экономических характеристик тепловой сети следует указывать расчетные тепловые потоки. Сведения о тепловых потоках следует оформлять в табличном виде по форме таблицы 1.
Для магистральных сетей следует указывать суммарные тепловые потоки с разбивкой по видам потребления.
Таблица 1
Форма представления сведений о тепловых потоках
Позиция по плану
Наименование потребителя
Расчетные тепловые потоки, Гкал/ч
Отопление
Вентиляция
ГВС
Технологические нужды
Всего
5.1.1.8 В текстовой части раздела также указывают сведения:
а) о земельных участках, изымаемых для государственных или муниципальных нужд, о земельных участках, в отношении которых устанавливается сервитут, публичный сервитут и (или) заключается договор аренды (субаренды), - в случае изъятия земельного участка для государственных или муниципальных нужд, установления сервитута, публичного сервитута, заключения договора аренды (субаренды).
При составлении сведений о земельных участках, изымаемых во временное или постоянное пользование, указываются в том числе размеры участков, используемых для строительства байпасов и подъездных дорог;
б) о категории земель, на которых планируется разместить (размещен) линейный объект - тепловую сеть.
При описании сведений о категории земель, на которых прокладывается или реконструируется тепловая сеть, следует указывать владельцев территории и кадастровые номера земельных участков, по которым проложена или прокладывается тепловая сеть;
в) об использованных в проекте изобретениях и о результатах проведенных патентных исследований при условии их применения в проекте;
г) о наличии разработанных и согласованных специальных технических условий в случае необходимости разработки специальных технических условий;
д) о компьютерных программах, которые использовались при выполнении гидравлических и прочностных расчетов трубопроводов тепловых сетей.
5.1.1.9 В описание принципиальных проектных решений, обеспечивающих надежность линейного объекта следует включать следующие сведения:
а) информацию о прочностных свойствах трубопроводов с указанием количества полных циклов нагружения и наличия повреждаемости;
б) решения по защите подземных конструкций и фундаментов, в том числе тип и объем гидроизоляции;
в) информацию о продолжительности и последовательности строительства, реконструкции, капитального ремонта линейного объекта, намечаемые этапы строительства, реконструкции (при разделении на этапы) и планируемые сроки ввода объекта в эксплуатацию.
5.1.1.10 В текстовой части приводят перечень технических регламентов и документов по стандартизации, используемых полностью или частично на добровольной основе для соблюдения требований технических регламентов (из числа документов по стандартизации, включенных в перечни документов в области стандартизации, в результате применения которых на добровольной основе обеспечивается соблюдение требований технических регламентов).
5.1.1.11 При проектировании тепловых сетей, попадающих под действие [4], в текстовой части раздела следует приводить перечень мероприятий, обеспечивающих промышленную безопасность объекта, в том числе методы контроля, испытаний и промывки трубопроводов тепловых сетей.
5.1.2 Раздел должен содержать паспорт проекта, включающий в себя общие данные проекта, технико-экономические показатели трассы и байпаса тепловой сети, а также сопутствующих работ. Данные сведения приводят в табличной форме в соответствии с приложением А.
5.1.3 В объем раздела включается перечень согласований (при наличии), который оформляется в табличной форме в соответствии с приложением Б.
5.2 Проект полосы отвода
5.2.1 В описание характеристики трассы линейного объекта, кроме сведений, указанных в [1] [пункт 35, подпункты а) - а_1)], включаются следующие данные:
- абсолютные отметки поверхности земли по линии трасс, их максимальные и минимальные значения;
- сведения о неблагоприятных факторах, влияющих на выбор проектных решений (коррозионная активность грунтов, пучение, возможность карстовых процессов, подтопляемость территории и т.д.);
- информация о наличии блуждающих токов;
- сведения о глубине заложения основания трассы теплосети с указанием несущей способности;
- информация о наличии растительного покрова, редких и исчезающих видов животных, а также необходимости разработки специальных мер по их охране.
В описании указываются наличие зон с особыми условиями использования территорий и протяженность участков сетей по таким зонам.
5.2.2 Сведения о балансодержателях, на территории которых реконструируется или прокладывается трасса тепловой сети, а также площади временного отвода земли допускается представлять в табличном виде по форме таблицы 2.
Таблица 2
Форма представления сведений о балансодержателях
и площади временного отвода земли
N
Адрес
Кадастровый номер з/у
Балансодержатель/правообладатель
Площадь временного отвода
5.2.3 В расчете размеров земельных участков, предоставляемых для размещения линейного объекта, величина полосы отвода рассчитывается для основной трассы и для байпаса с учетом охранной зоны теплосети, определяемой в соответствии с [6].
5.2.4 Сведения о пересечениях проектируемой основной трассы и байпаса тепловой сети с инженерными коммуникациями допускается представлять в табличном виде по форме таблицы 3.
Таблица 3
Форма представления сведений о пересечениях
проектируемой основной трассы и байпаса тепловой сети
с инженерными коммуникациями
Местоположение пересечения, примыкания
Пересекаемая коммуникация
Характеристика коммуникации, режим использования
Мероприятия для выполнения пересечения
5.2.5 В объем раздела включаются сведения о всех коммуникациях, прокладываемых или переустраиваемых в объеме работ по линейному объекту; объем сведений для других линейных коммуникаций аналогичен приведенному в 5.2.1 - 5.2.4.
5.2.6 При описании сведения о радиусах и углах поворота, длине прямых и криволинейных участков, продольных и поперечных уклонах, преодолеваемых высотах следует выделять:
- протяженность участков между характерными точками (углами поворота, ответвлениями, узлами);
- продольный уклон участков тепловой сети, указываемый в промилле.
5.2.7 При прокладке тепловых сетей на землях сельскохозяйственного назначения, лесного, водного фондов, землях особо охраняемых природных территорий в текстовой части раздела приводят обоснование.
5.2.8 Общие требования к составу и содержанию графической части раздела "Проект полосы отвода" установлены в [1] [пункт 35, подпункты и) - к)].
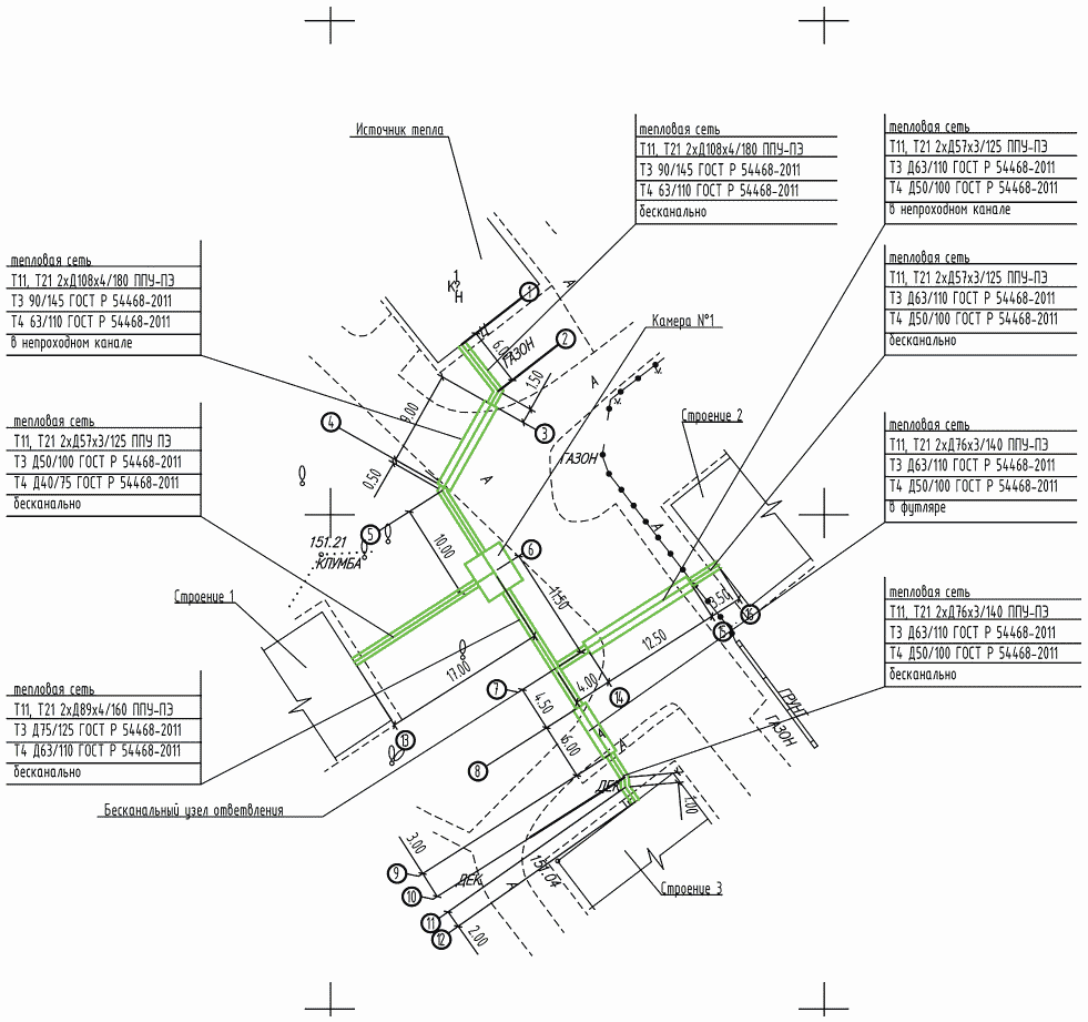
5.2.9 Топографическую карту-схему оформляют, как правило, без масштаба, а при выполнении с масштабом его указывают на чертеже.
При оформлении топографической карты схемы тепловой сети на ней указывают начальные и конечные точки с привязками к эксплуатационным наименованиям тепловых камер и технологических узлов, а также делают выноски с указанием диаметра трубопровода и типа прокладки.
5.2.10 План трассы должен содержать полный состав элементов тепловой сети, в том числе указание точек присоединения, камер, технологических узлов и углов поворота.
5.2.11 Степень детализации на плане, необходимость его разделения на фрагменты определяет лицо, осуществляющее подготовку проектной документации, в зависимости от сложности и специфики тепловой сети.
5.2.12 План трассы тепловой сети следует размещать на опорном плане, выполненном с учетом решений по планировке и благоустройству территории в масштабе М 1:500. Допускается применение иных масштабов по ГОСТ 2.302.
5.2.13 На плане тепловой сети (см. приложение В) указывают:
- элементы тепловой сети, включая сооружения (колодцы, камеры, футляры и пр.);
- номера и наименование характерных точек;
- контуры плоскостных сооружений;
- диаметры трубопроводов, тип изоляции;
- тип прокладки;
- мероприятия по пересечению с другими инженерными коммуникациями.
Обозначения трубопроводов приводятся по ГОСТ 21.206, выделение цветом элементов тепловой сети и контуров плоскостных сооружений должно соответствовать требованиям ГОСТ 21.204-2020 (пункт 7.7).
5.2.14 Продольный профиль тепловой сети (см. приложение Г) выполняют в виде разверток по осям трубопровода, при этом по горизонтали выбирают масштаб М 1:500 (1:200, 1:1000), а по вертикали М 1:100 (1:50).
5.2.15 На профиле тепловой сети указывают:
- габариты каналов, тоннелей, футляров, камер при канальной прокладке;
- габариты оболочки трубопроводов при бесканальной прокладке;
- поверхность земли (проектную - сплошной тонкой линией, натурную - штриховой), включая пересекаемые автомобильные дороги, железнодорожные и трамвайные пути, кюветы, а также другие подземные и надземные коммуникации и сооружения, влияющие на прокладку проектируемых сетей, с указанием их габаритных размеров;
- фрагменты геологического разреза (скважины) с указанием грунтов по - ГОСТ Р 21.302;
- уровень грунтовых вод;
- эстакады, отдельно стоящие опоры, павильоны - при наземной прокладке;
- неподвижные опоры в каналах - условным графическим изображением, если их габарит не превышает габаритов канала, при превышении габаритов или бесканальной и наземной прокладке с указанием габаритов строительных конструкций опоры;
- используемые искусственные основания для прокладки тепловой сети.
5.2.16 На профиле тепловой сети трубопроводы в каналах, тоннелях, футлярах, камерах изображают осевой линией по ГОСТ 2.303.
На профилях надземной прокладки сетей трубопроводы каждого яруса изображают в масштабе с обозначением верха и низа изоляции сплошными основными линиями, а ось трубопроводов - осевой линией по ГОСТ 2.303.
5.3 Технологические и конструктивные решения линейного объекта. Искусственные сооружения
5.3.1 Общие требования к составу и содержанию текстовой части раздела "Технологические и конструктивные решения линейного объекта. Искусственные сооружения" (далее - ТКР.ИС) установлены в [1] [пункт 36, подпункты а) - о)].
5.3.2 В текстовую часть раздела ТКР.ИС следует также включать сведения в соответствии с 5.1.2, 5.1.3.
5.3.3 Раздел ТКР.ИС содержит сведения о категории потребителей, подключенных к линейному объекту в соответствии с СП 124.13330.2012 (пункт 4.2).
5.3.4 Сведения о показателях и характеристиках технологического оборудования и устройств тепловой сети (в том числе возможность автоматического регулирования таких оборудования и устройств), обеспечивающие соблюдение требований технических регламентов, должны содержать следующие данные:
- принятые расчетные и фактические параметры теплоносителя в точках подключения;
- сведения об общей протяженности тепловой сети и байпаса тепловой сети, при наличии, а также протяженности каждого из типов прокладки, виде изоляции и способе компенсации температурных деформаций;
- информацию о местах установки регулирующей и запорной арматуры с указанием эксплуатационных наименований камер и сетей;
- сведения о типах приводов и управлении ими;
- информацию о местах установки устройств для спуска воздуха и теплоносителя с описанием способа водоудаления и продолжительности спуска воды из секционируемого участка тепловой сети;
- сведения о подтверждении прочностных характеристик трубопроводов тепловых сетей, методах расчета трубопроводов на прочность, исходных данных для расчета на прочность и принятых проектных решениях по компенсации температурных деформаций, в том числе толщине амортизационных матов при бесканальной прокладке.
5.3.5 Описание сведений о мероприятиях по энергосбережению должно включать:
- данные о типах примененной изоляции и ее теплопроводности.
- данные о методах изоляции стыковых соединений при использовании предизолированных трубопроводов.
5.3.6 При использовании сборных железобетонных элементов в текстовой части раздела следует указывать типы, марки и серии этих элементов.
5.3.7 При использовании монолитных железобетонных конструкций для каждого из элементов следует указывать используемые марки бетона с соответствующими характеристиками и применяемый класс проката.
5.3.8 Для подземных сооружений следует указывать наличие гидроизоляции, ее тип и место, а также вид нанесения.
5.3.9 Для предизолированных трубопроводов с использованием системы оперативного дистанционного контроля (ОДК) в текстовой части раздела приводят сведения:
- о типе и месте установки терминалов;
- необходимости и способах передачи данных на диспетчерские пункты;
- перечне документации, оформляемой для сдачи системы ОДК в работу;
- способах маркировки терминалов;
- требованиях к монтажу системы ОДК.
5.3.10 В объем раздела включают сведения о всех коммуникациях, прокладываемых или переустраиваемых в объеме работ по теплосети. Объем сведений для других линейных коммуникаций аналогичен приведенному в 5.3.1 - 5.3.8.
5.3.11 Допускается выделение сведений о системе ОДК и перекладках других коммуникаций в отдельные книги раздела ТКР.ИС.
ИС МЕГАНОРМ: примечание.
В официальном тексте документа, видимо, допущена опечатка: имеются в виду пп. у) - э) п. 36 Положения о составе разделов проектной документации и требованиях к их содержанию, утв. Постановлением Правительства РФ от 16.02.2008 N 87, а не п. 35.
5.3.12 Общие требования к составу и содержанию графической части раздела ТКР.ИС установлены в [1] [пункт 35, подпункты у) - э)].
5.3.13 Схемы, планы и профили, включаемые в состав раздела ТКР.ИС, выполняются в соответствии с требованиями 5.2.7 - 5.2.16.
5.3.14 Монтажную схему трубопроводов (см. приложение Д) выполняют без масштаба, при этом на ней следует указывать:
- наименование характерных точек и узлов, в том числе эксплуатационные наименования камер и узлов;
- диаметры, вид изоляции и тип прокладки для каждого линейного участка трубопроводов;
- стыковые соединения трубопроводов;
- места установки фасонных элементов и запорной арматуры;
- направление и величину уклона трубопроводов по профилю;
- места установки элементов системы ОДК и количество устанавливаемых амортизационных матов - для трубопроводов бесканальной прокладки;
- расстояния между опорами, стыковыми соединениями трубопроводов, углами поворотов, расстояния между характерными точками и другие характерные привязки;
- легенду условных обозначений, принятых на монтажной схеме.
5.3.15 При проектировании тепловых сетей из предизолированных трубопроводов по ГОСТ 30732 в разделе следует приводить схему системы ОДК.
Схему ОДК выполняют без масштаба и указывают на ней:
- расположение проводников системы ОДК;
- места установки (в том числе указывают размещение в ковере или настенное) и тип терминала, наличие антенн для передачи данных на диспетчерский пункт;
- направление уклона и направление потока;
- схемы подключения терминалов;
- необходимую информацию для монтажа системы ОДК;
- легенду условных обозначений, принятых на схеме.
На листе со схемой ОДК приводится таблица длин участков по форме таблицы 4.
Таблица 4
Форма представления длин участков
Характерные точки
Диаметр труб и изоляции
Длина труб по проекту
Длина подающего трубопровода (факт)
Длина обратного трубопровода (факт)
Примечание
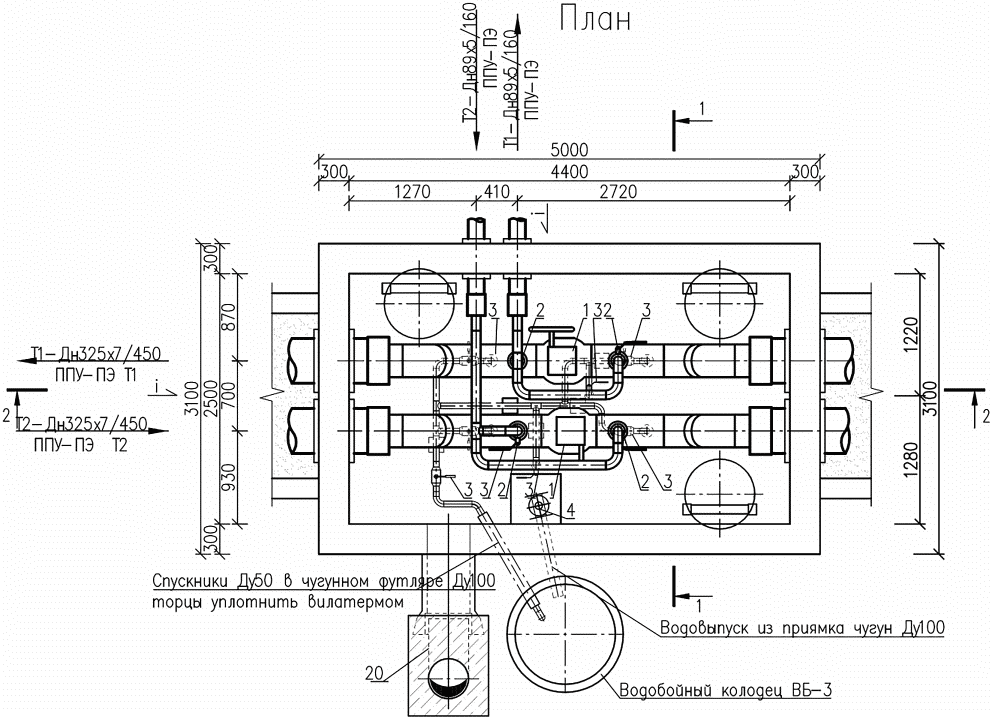
5.3.16 Чертежи камер и узлов трубопроводов (см. приложение Е) тепловых сетей следует оформлять в масштабах 1:10, 1:20, 1:25, 1:50, 1:100. На чертежах камер и узлов трубопроводов указывают:
- место характерной точки с привязками к осям трубопроводов и строительным конструкциям камер и узлов;
- прямой и обратный трубопровод (допускается маркировать Т1 и Т2 с направлением теплоносителя);
- направление потока от источника;
- направление уклона трубопроводов;
- привязку характерной точки к ближайшим опорам с обеих сторон.
5.4 Здания, строения и сооружения, входящие в инфраструктуру линейного объекта
5.4.1 Общие требования к составу и содержанию текстовой и графической части раздела "Здания, строения и сооружения, входящие в инфраструктуру линейного объекта" установлены в [1] [пункт 37, подпункты а) - д)].
В сведениях о строительстве новых, реконструкции, капитальном ремонте существующих объектов капитального строительства производственного и непроизводственного назначения, обеспечивающих функционирование линейного объекта, указываются данные по строительству насосных, дренажных насосных, павильонов и тепловых пунктов.
В перечне зданий, строений и сооружений, проектируемых в составе линейного объекта, указываются в том числе и временные павильоны байпасов, при наличии, и их характеристики.
5.4.2 Чертежи павильонов тепловых сетей следует оформлять в масштабах 1:10, 1:20, 1:25, 1:50, 1:100. На чертежах павильонов и других объектов капитального строительства производственного и непроизводственного назначения, обеспечивающих функционирование тепловой сети, указывают:
- место характерной точки с привязками к осям трубопроводов и строительным конструкциям камер и узлов;
- прямой и обратный трубопровод (допускается маркировать Т1 и Т2 с направлением теплоносителя);
- направление потока от источника;
- направление уклона трубопроводов;
- привязку характерной точки к ближайшим опорам с обеих сторон.
5.5 Проект организации строительства
5.5.1 Общие требования к составу и содержанию текстовой части раздела "Проект организации строительства" установлены в [1] [пункт 38, подпункты а) - р)].
5.5.2 Описание характеристики тепловой сети следует выполнять как для основной трассы, так и для байпаса тепловой сети (при наличии).
При наличии в составе проекта перекладок сетей и проектировании сетей водоудаления пункт следует дополнять соответствующим описанием маршрутов для других сетей.
При описании характеристики тепловой сети следует указывать диаметры трубопроводов с толщиной стенки, вид изоляции и тип прокладки трубопроводов основной трассы и байпаса тепловой сети.
При прокладке тепловой сети в каналах или коллекторах в описании обязательно указывают наружный габарит строительных конструкций канала и конструкцию канала (сборный, монолитный).
5.5.3 В описание характеристик тепловой сети следует вносить сведения об основаниях, естественных или искусственных, выполняемых согласно требованиям СП 124.13330.
5.5.4 В сведениях о размерах земельных участков, временно отводимых на период строительства, реконструкции, капитального ремонта, приводятся размеры, занимаемые бытовыми городками, подъездными дорогами, отвалами грунта, и места складирования оборудования и материалов. Размеры земельных участков указываются как для основной трассы, так и для байпасов тепловых сетей.
5.5.5 В сведения о местах размещения баз материально-технического обеспечения, производственных организаций и объектов энергетического обеспечения, обслуживающих строительство, реконструкцию, капитальный ремонт на отдельных участках трассы, а также о местах проживания, санитарно-бытовом и медицинском обслуживании, питании, водоснабжении и стирке спецодежды персонала, участвующего в строительстве, реконструкции, капитальном ремонте, приводятся данные о способах водо- и энергоснабжения, расчет потребности во временных зданиях и сооружениях, в том числе постах охраны, туалетах, пунктах мойки колес и пожарных щитах.
5.5.6 Описание транспортной схемы (схем) доставки материально-технических ресурсов выполняется как для основной трассы, так и для байпаса тепловой сети.
5.5.7 Обоснование потребности в основных строительных машинах, механизмах, транспортных средствах, а также расчет ресурсов в общем случае приводятся в следующем составе:
а) потребность в строительных машинах и механизмах в табличной или текстовой форме с указанием наименование машины, типа или марки, количества и вида работ;
б) потребность в электроэнергии и воде - с указанием источников и точек присоединения; для расчета потребности в воде учитываются как питьевая вода, так и вода на технические нужды, включая пожаротушение;
в) расчет затрат на пусковые операции с учетом расхода теплоносителя, используемого для опорожнения и заполнения тепловой сети;
г) обоснование потребности во временных зданиях и сооружениях, в том числе расчета их площади. Результаты расчетов потребности во временных зданиях и сооружениях оформляют по форме таблицы 5.
Таблица 5
Форма представления результатов расчетов потребности
во временных зданиях и сооружениях
Наименование
Ед. изм.
Кол-во
Примечание
Здания и сооружения санитарно-бытового назначения
.....
Здания административного назначения
.....
Здания и сооружения складского назначения
.....
ИТОГО
5.5.8 Сведения об объеме и трудоемкости основных строительных и монтажных работ по участкам трассы приводятся в ведомостях объемов работ. Пример оформления ведомостей объемов работ приведен в приложении Ж.
5.5.9 В обосновании организационно-технологической схемы приводятся описания этапов работ (подготовительный и основной) и описание захваток производства работ (при выполнении работ захватками).
5.5.10 В перечне основных видов строительных и монтажных работ, дополнительно к сведениям, указанным в [1] [пункт 38, подпункт и)], для тепловых сетей при использовании предизолированных или гибких полимерных трубопроводов, приводятся сведения о методах изоляции стыковых соединений и методах их испытаний.
5.5.11 При описании технических решений по возможному использованию отдельных участков проектируемого линейного объекта для нужд строительства, реконструкции, капитального ремонта, в том числе для использования частей построенных тепловых сетей в качестве источников тепла, приводятся сведения о подготовительных мероприятиях перед пуском их в эксплуатацию и сроках использования этих участков до ввода всего построенного объекта в эксплуатацию.
5.5.12 При обосновании продолжительности строительства, реконструкции и капитального ремонта в сроке работ приводят расчет времени как на основную трассу, так и на байпас тепловой сети, кроме того необходимо приводить расчет времени на промывку и гидравлические испытания смонтированных участков тепловой сети.
5.5.13 Общие требования к составу и содержанию графической части раздела "Проект организации строительства" установлены в [1] [пункт 38, подпункты с) - ф)].
5.5.14 Ситуационный план и план полосы отвода тепловой сети, приводимые в разделе "Проект организации строительства", следует оформлять, учитывая требования 5.2.8 - 5.2.12.
5.5.15 Организационно-технологические схемы следует оформлять с указанием захваток как для основной трассы, так и для байпаса.
5.6 Мероприятия по охране окружающей среды
5.6.1 Общие требования к составу и содержанию текстовой и графической части раздела "Мероприятия по охране окружающей среды" установлены в [1] [пункт 40, подпункты а) - д)].
5.6.2 Перечень мероприятий по предотвращению и (или) снижению возможного негативного воздействия намечаемой хозяйственной деятельности на окружающую среду и рациональному использованию природных ресурсов приводится как для периода строительства и эксплуатации основной трассы, так и для периода строительства и эксплуатации байпаса теплосети.
5.6.3 Ситуационный план и план полосы отвода тепловой сети, приводимые в разделе "Мероприятия по охране окружающей среды", следует оформлять, учитывая требования 5.2.8.
ИС МЕГАНОРМ: примечание.
В официальном тексте документа, видимо, допущена опечатка: имеется в виду пп. б) п. 40 Положения о составе разделов проектной документации и требованиях к их содержанию, утв. Постановлением Правительства РФ от 16.02.2008 N 87, а не п. 4.
5.6.4 Для разработки мероприятий, предусмотренных [1] [пункт 4, подпункт б)], следует использовать организационно-технологические схемы, разрабатываемые в разделе "Проект организации строительства", с учетом захваток, определенных для строительства теплосети и байпаса.
5.7 Мероприятия по обеспечению пожарной безопасности
5.7.1 Общие требования к составу и содержанию текстовой и графической части раздела "Мероприятия по обеспечению (ПБ)" установлены в [1] [пункт 41, подпункты а) - н)].
5.7.2 Перечень мероприятий по обеспечению ПБ приводится как для периода строительства и эксплуатации основной трассы, так и для периода строительства и эксплуатации байпаса теплосети.
5.7.3 Ситуационный план, приводимый в разделе "Мероприятия по обеспечению ПБ" следует оформлять, учитывая требования 5.2.8; при этом на нем следует указывать привязки к существующим пожарным гидрантам и маршрутам движения пожарной техники.
5.8 Требования к обеспечению безопасной эксплуатации линейного объекта
5.8.1 Общие требования к составу и содержанию раздела "Требования к обеспечению безопасной эксплуатации линейного объекта" установлены в [1] [пункт 41_1, подпункты а) - з)].
5.8.2 Перечень мероприятий по обеспечению безопасной эксплуатации приводится для основной трассы, для байпаса теплосети и для всех коммуникаций, перекладываемых в составе проекта.
5.8.3 В текстовой части приводятся в том числе следующие сведения:
- периодичность и методы проведения испытаний трубопроводов на прочность и плотность;
- периодичность проведения температурных испытаний с учетом данных по прилегающим участкам тепловых сетей;
- информация о наличии и организации ремонтного хозяйства в соответствии с требованиями СП 124.13330;
- перечень оборудования и материалов, включаемый в неснижаемый ремонтный запас, используемый для ремонта тепловой сети.
5.9 Смета на строительство, реконструкцию, капитальный ремонт, снос объекта капитального строительства и Иная документация в случаях, предусмотренных законодательными и иными нормативными правовыми актами Российской Федерации
Общие требования к составу и содержанию разделов "Смета на строительство, реконструкцию, капитальный ремонт, снос объекта капитального строительства и Иная документация в случаях, предусмотренных законодательными и иными нормативными правовыми актами Российской Федерации" установлены в [1] (пункт 42).
Приложение А
(рекомендуемое)
Паспорт проекта
Наименование показателей
Единицы измерения
Количество
1
2
3
1 Общие данные
Заказчик:
Подрядчик:
Наименование объекта:
Вид строительства:
Место расположения строительства:
Продолжительность строительства:
мес.
Максимальное число работающих:
чел.
2 Технико-экономические показатели по трассе
Приложение Б
(рекомендуемое)
Ведомость согласований
Наименование организации
Согласование
N тома, чертежа
Номер
Дата
Приложение В
(рекомендуемое)
ПРИМЕР ПЛАНА ТЕПЛОВОЙ СЕТИ
Приложение Г
(рекомендуемое)
ПРИМЕР ПРОФИЛЯ ТЕПЛОВОЙ СЕТИ
Приложение Д
(рекомендуемое)
ПРИМЕР МОНТАЖНОЙ СХЕМЫ ТРУБОПРОВОДОВ
Приложение Е
(рекомендуемое)
ПРИМЕР УЗЛА ТРУБОПРОВОДОВ
Приложение Ж
(рекомендуемое)
ПРИМЕР ОФОРМЛЕНИЯ ВЕДОМОСТЕЙ ОБЪЕМОВ РАБОТ
ДЛЯ ПРОКЛАДКИ ТЕПЛОВЫХ СЕТЕЙ
Ведомость объемов работ
N п/п
N в ЛСР
Наименование вида работ
Ед. изм.
Кол-во
Ссылка на чертежи, спецификации
Формула расчета. Расчет объемов работ и расхода материалов. Пояснения по размерам и количеству согласно проектным данным
1
2
3
4
5
6
7
1
2
3
4
5
...
Ведомость объемов и методов производства
земляных работ по участкам
Позиция
Длина
Глуб.
Шир. тран. пон.
Шир. тран. пов.
Выемка
В том числе мокр.
Объем замещения
Обратная засыпка
Разб. и вост. А/Б покр.
труб.
осн.
кам.
всего
местн. грунт
песок
всего
1
2
3
4
5
6
7
8
9
10
11
12
13
14
15
Наименование участка (захватки)
1
...
...
...
...
...
...
...
...
...
...
...
...
...
...
Примечания.....
БИБЛИОГРАФИЯ
[1]
Постановление Правительства Российской Федерации от 16 февраля 2008 г. N 87 "О составе разделов проектной документации и требованиях к их содержанию"
[2]
Градостроительный кодекс Российской Федерации от 29 декабря 2004 г. N 190-ФЗ
[3]
Федеральный закон от 27 июля 2010 г. N 190-ФЗ "О теплоснабжении"
[4]
Федеральный закон от 21 июля 1997 г. N 116-ФЗ "О промышленной безопасности опасных производственных объектов"
[5]
Постановление Правительства Российской Федерации от 27 мая 2022 г. N 963 "О внесении изменений в Положение о составе разделов проектной документации и требованиях к их содержанию и признании утратившими силу отдельных положений некоторых актов Правительства Российской Федерации"
[6]
Приказ Министерства архитектуры, строительства и жилищно-коммунального хозяйства Российской Федерации от 17 августа 1992 г. N 197 "О Типовых правилах охраны коммунальных тепловых сетей"
УДК 69+697.34:006.354
ОКС 91.140.10
Ключевые слова: правила, проектная документация, тепловые сети, линейные объекты, наружные сети теплоснабжения