Главная // Актуальные документы // Журнал (форма)СПРАВКА
Источник публикации
М.: Стандартинформ, 2019
Примечание к документу
Документ утратил силу с 01.04.2022 в связи с истечением срока действия, установленного
Приказом Росстандарта от 25.12.2018 N 66-пнст. Взамен введен в действие
ГОСТ Р 59866-2022, утв.
Приказом Росстандарта от 10.03.2022 N 125-ст.
Документ
введен в действие с 01.04.2019 на период по 01.04.2022 (
Приказ Росстандарта от 25.12.2018 N 66-пнст).
Название документа
"ПНСТ 311-2018. Предварительный национальный стандарт Российской Федерации. Дороги автомобильные общего пользования. Показатели деформативности конструктивных слоев дорожной одежды из несвязных материалов и грунтов земляного полотна. Технические требования и методы определения"
(утв. и введен в действие Приказом Росстандарта от 25.12.2018 N 66-пнст)
"ПНСТ 311-2018. Предварительный национальный стандарт Российской Федерации. Дороги автомобильные общего пользования. Показатели деформативности конструктивных слоев дорожной одежды из несвязных материалов и грунтов земляного полотна. Технические требования и методы определения"
(утв. и введен в действие Приказом Росстандарта от 25.12.2018 N 66-пнст)
Утвержден и введен в действие
агентства по техническому
регулированию и метрологии
от 25 декабря 2018 г. N 66-пнст
ПРЕДВАРИТЕЛЬНЫЙ НАЦИОНАЛЬНЫЙ СТАНДАРТ РОССИЙСКОЙ ФЕДЕРАЦИИ
ДОРОГИ АВТОМОБИЛЬНЫЕ ОБЩЕГО ПОЛЬЗОВАНИЯ
ПОКАЗАТЕЛИ ДЕФОРМАТИВНОСТИ КОНСТРУКТИВНЫХ СЛОЕВ ДОРОЖНОЙ
ОДЕЖДЫ ИЗ НЕСВЯЗНЫХ МАТЕРИАЛОВ И ГРУНТОВ ЗЕМЛЯНОГО ПОЛОТНА
ТЕХНИЧЕСКИЕ ТРЕБОВАНИЯ И МЕТОДЫ ОПРЕДЕЛЕНИЯ
Automobile roads of general use. Flexible pavement indexes
of deformation of structural layers of loose materials
and soils. Technical requirements and methods
of determination
ПНСТ 311-2018
Срок действия
с 1 апреля 2019 года
до 1 апреля 2022 года
1 РАЗРАБОТАН Научно-образовательным центром автомобильных дорог (НОЦ АвтоДор) Федерального государственного бюджетного образовательного учреждения высшего образования "Российский университет транспорта (МИИТ)" ["РУТ (МИИТ)"] при участии Автономной некоммерческой организации "Научно-исследовательский институт транспортно-строительного комплекса" (АНО "НИИ ТСК")
2 ВНЕСЕН Техническим комитетом по стандартизации ТК 418 "Дорожное хозяйство"
3 УТВЕРЖДЕН И ВВЕДЕН В ДЕЙСТВИЕ
Приказом Федерального агентства по техническому регулированию и метрологии от 25 декабря 2018 г. N 66-пнст
Правила применения настоящего стандарта и проведения его мониторинга установлены в ГОСТ Р 1.16-2011 (разделы 5 и 6).
Федеральное агентство по техническому регулированию и метрологии собирает сведения о практическом применении настоящего стандарта. Данные сведения, а также замечания и предложения по содержанию стандарта можно направлять не позднее, чем за 4 мес до истечения срока его действия, разработчику настоящего стандарта по адресу: tk418@bk.ru и/или в Федеральное агентство по техническому регулированию и метрологии по адресу: 109074 Москва, Китайгородский проезд, д. 7, стр. 1.
В случае отмены настоящего стандарта соответствующее уведомление будет опубликовано в ежемесячном информационном указателе "Национальные стандарты". Уведомление также будет размещено на официальном сайте Федерального агентства по техническому регулированию и метрологии в сети Интернет (www.gost.ru)
Определение показателей деформативности конструктивных слоев и грунтов земляного полотна дополняет существующие методы контроля, нормируемые действующими нормативно-техническими документами в области дорожного хозяйства.
Определение показателей деформативности позволяет поэтапно контролировать несущую способность, качество и однородность уплотнения конструктивных слоев дорожной одежды и грунтов рабочего слоя земляного полотна, а также, при несоблюдении требований к показателям, заложенным в настоящем стандарте, эффективно и своевременно применять необходимые мероприятия до устройства вышележащих конструктивных слоев дорожных одежд.
Настоящий стандарт распространяется на показатели деформативности конструктивных слоев дорожных одежд из несвязных материалов и на показатели деформативности грунтов рабочего слоя земляного полотна автомобильных дорог общего пользования.
Настоящий стандарт устанавливает требования к показателям деформативности конструктивных слоев дорожных одежд из несвязных материалов и к показателям деформативности грунтов рабочего слоя земляного полотна и методы их определения с целью оценки несущей способности, качества и однородности уплотнения на стадии строительного контроля при строительстве, реконструкции, капитальном ремонте автомобильных дорог общего пользования с использованием статического и динамического методов нагружения.
В настоящем стандарте использованы нормативные ссылки на следующие стандарты:
ГОСТ 577 Индикаторы часового типа с ценой деления 0,01 мм. Технические условия
ГОСТ 32758 Дороги автомобильные общего пользования. Временные технические средства организации дорожного движения. Технические требования и правила применения
Примечание - При пользовании настоящим стандартом целесообразно проверить действие ссылочных стандартов в информационной системе общего пользования - на официальном сайте Федерального агентства по техническому регулированию и метрологии в сети Интернет или по ежегодному информационному указателю "Национальные стандарты", который опубликован по состоянию на 1 января текущего года, и по выпускам ежемесячного информационного указателя "Национальные стандарты" за текущий год. Если заменен ссылочный стандарт, на который дана недатированная ссылка, то рекомендуется использовать действующую версию этого стандарта с учетом всех внесенных в данную версию изменений. Если заменен ссылочный стандарт, на который дана датированная ссылка, то рекомендуется использовать версию этого стандарта с указанным выше годом утверждения (принятия). Если после утверждения национального стандарта в ссылочный стандарт, на который дана датированная ссылка, внесено изменение, затрагивающее положение, на которое дана ссылка, то это положение рекомендуется применять без учета данного изменения. Если ссылочный стандарт отменен без замены, то положение, в котором дана ссылка на него, рекомендуется применять в части, не затрагивающей эту ссылку.
В настоящем стандарте применены следующие термины с соответствующими определениями:
3.1 нагрузочная плита: Плоский стальной элемент штамповой установки определенной площади, имеющий круглое поперечное сечение и равномерно распределяющий нагрузку от воздействия внешних сил на поверхность испытуемого объекта.
3.2 несвязный материал: Материал для устройства конструктивных слоев дорожной одежды, обладающий сыпучестью в сухом состоянии.
Примечание - К несвязным материалам относятся фракционированный щебень, щебеночно-песчаные смеси (ЩПС), щебеночно-гравийно-песчаные смеси (ЩГПС), песчано-гравийные смеси (ПГС), песок и т.д.
3.3 (общий) модуль упругости (на поверхности конструктивного слоя [грунта земляного полотна]) Eу: Показатель, определяемый величиной обратимой деформации от прилагаемой нагрузки, используемый для характеристики несущей способности на поверхности конструктивного слоя дорожной одежды [грунта земляного полотна], измеряемый в МН/м2.
3.4 модули деформации (при первичном и повторном нагружении) Ev1, Ev2: Показатели, определяемые величиной общей деформации от прилагаемой нагрузки при проведении измерений методом статического нагружения при первичном и повторном циклах нагружения, измеряемые в МН/м2.
3.5 модуль деформации при динамическом нагружении Evd: Показатель, определяемый величиной деформации от прилагаемой нагрузки при проведении измерений методом динамического нагружения, измеряемый в МН/м2.
3.6 показатели деформативности: Комплекс показателей, применяемых для характеристики несущей способности на поверхности конструктивного слоя или грунта земляного плотна (Eу) и косвенной оценки качества уплотнения конструктивных слоев или грунта земляного полотна (Ev1, Ev2, Evd и KE).
3.7 условный показатель уплотнения KE: Показатель, определяемый при проведении измерений методом статического нагружения как отношение модулей деформации при повторном и первичном нагружениях, характеризующий качество уплотнения и служащий для косвенной оценки степени уплотнения конструктивных слоев дорожной одежды или грунта земляного полотна.
3.8 характерный участок: Участок автомобильной дороги, на протяжении которого конструкция дорожной одежды, материалы и толщины конструктивных слоев, грунт земляного полотна и проектное значение модуля упругости на поверхности остаются неизменными.
3.9 штамповая установка статического нагружения: Техническое устройство, измеряющее деформацию конструктивного слоя под воздействием статической нагрузки, передаваемой на конструктивный слой дорожной одежды через нагрузочную плиту.
3.10 штамповая установка динамического нагружения: Техническое устройство, измеряющее деформацию конструктивного слоя под воздействием динамической нагрузки, передаваемой на конструктивный слой через нагрузочную плиту.
Требования к показателям деформативности и однородности уплотнения представлены в таблице 1.
Таблица 1
Требования к показателям деформативности
и однородности уплотнения
Материал слоя | Конструктивный элемент | Показатели деформативности | Коэффициент вариации модуля деформации, V ( Evd), не более <2> |
при статическом нагружении | при динамическом нагружении |
| | | |
ЩПС, ЩГПС | Слои покрытия автомобильных дорог с переходным видом покрытий | Не ниже проектного значения <3> | Для набора статистических данных | 2,5 | Для набора статистических данных | 0,12 |
ЩПС, ЩГПС, ГПС, фракционированный щебень | Верхний несущий слой основания автомобильных дорог I технической категории | 2,2 | 0,12 |
Верхний несущий слой основания автомобильных дорог II - IV технической категории | 2,5 | 0,12 |
Нижний несущий слой основания | 0,12 |
Дополнительный слой основания | 0,15 |
Песок | Нижний несущий слой основания | 0,18 |
Дополнительный слой основания | 0,18 |
Грунт | Рабочий слой земляного полотна | 0,18 |
<1> Допускается отклонение KE не более чем для 20% измерений от общего числа на измерительном участке не более чем на 10% в большую сторону от максимально допустимого значения, представленного в таблице 1. <2> Для слоев, устроенных из фракционированного щебня, коэффициент вариации должен составлять не более 0,18. <3> Проектное значение - величина модуля упругости на поверхности конструктивного слоя или грунта земляного полотна, рассчитанная при проектировании дорожной одежды по критерию упругого прогиба. Допускают отклонение значений Eу не более чем для 20% измерений от общего числа на измерительном участке не более чем на 10% в меньшую сторону. |
5.1 Требования к средствам измерений, вспомогательным устройствам и материалам
5.1.1 При выполнении измерений методом статического нагружения применяют следующие средства измерений и вспомогательные устройства и материалы:
а) штамповая установка статического нагружения, включающая:
1) механизм нагружения - гидравлический насос с гидроцилиндром и
поршнем или механический домкрат, развивающий усилие не менее 100 кН и
обеспечивающий длину хода поршня не менее 150 мм.
Монтажная высота штамповой установки статического нагружения в рабочем состоянии должна быть не более 0,6 м. Для компенсации расстояния от гидроцилиндра до противовеса применяют удлиняющие элементы (металлические насадки), которые должны обеспечивать возможность упора гидравлического цилиндра в противовес на высоту до 1 м. Металлические насадки не должны деформироваться под создаваемой нагрузкой. Допускают применение магнитных шарниров с плоской подошвой для упора гидроцилиндра в противовес;
2) нагрузочные плиты, выполненные из стали. Допускают применение
нагрузочных плит диаметром (300,00 +/- 0,25), (600,0 +/- 0,5), (762,0 +/-
0,5) мм.
Нагрузочная плита диаметром 300 мм должна иметь толщину не менее 25 мм. Нагрузочные плиты диаметром 600 мм и 762 мм изготовляют с ребрами жесткости, расположенными симметрично по радиусу, и их толщина должна быть не менее 20 мм.
Нагрузочные плиты диаметром 600 мм и 762 мм должны иметь центрирующие упоры (штифты) для установки и удерживания плиты диаметром 300 мм.
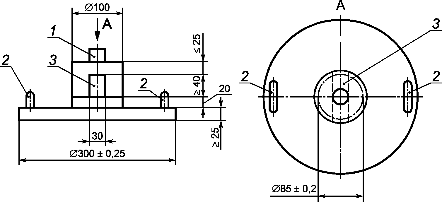
Нагрузочная плита диаметром 300 мм представлена на рисунке 1.
1 - центрирующая цапфа с поворотной головкой
для гидроцилиндра; 2 - ручка для переноса плиты; 3 - туннель
для измерения осадки
Рисунок 1 - Нагрузочная плита диаметром 300 мм
Нагрузочные плиты диаметром 600 мм и 762 мм представлены на рисунке 2.
1 - центрирующие упоры для установки нагрузочной плиты
диаметром 300 мм; 2 - нагрузочная плита диаметром 300 мм;
3 - ребра жесткости, толщиной не менее 20 мм; 4 - отверстия
для переносящего устройства; 5 - зажим
Рисунок 2 - Нагрузочные плиты диаметром 600 мм и 762 мм
3) нагрузочное устройство. Нагрузочное устройство состоит из
гидравлического насоса, связанного с гидравлическим цилиндром с
использованием шланга высокого давления. Нагрузочное устройство должно
обеспечивать нагрузку и разгрузку нагрузочной плиты на отдельных ступенях
нагружения;
4) устройство для измерения нагрузки (динамометр) с допускаемой
относительной погрешностью не более 1%. Допускается применять манометр с
допускаемой относительной погрешностью не более 1%, который градуирован по
создаваемым усилиям в зависимости от диаметра применяемой нагрузочной
плиты;
5) устройство для измерения осадки нагрузочной плиты (прогибомер),
состоящее:
- из несущего каркаса, расположенного на трех опорах;
- вертикально перемещаемого щупа, устойчивого к кручению и изгибу;
- индикатора часового типа ИЧ по
ГОСТ 577 класса точности 1.
Допускается применять прогибомеры с поворотным щупом и прогибомеры с перемещающимся по оси щупом в линейном подшипнике.
Прогибомер с поворотным щупом применяют для измерений в котлованах глубиной до 0,3 м. Прогибомер с перемещающимся по оси щупом допускается применять для изменений в более глубоких котлованах. При применении прогибомера с поворотным щупом измерения осадки проводят при изменяющемся соотношении рычагов L1:L2. При применении прогибомера с перемещающимся по оси щупом измерения осадки плиты проводят при фиксированном соотношении длины рычагов 1:1.
Соотношение длин рычагов
L1:
L2 (см.
рисунок 3) должно быть отрегулировано и зафиксировано во избежание изменения в процессе измерения. Соотношение длин рычагов
L1:
L2 должно быть не более 2,0.
1 - измеритель деформации; 2 - несущий каркас; 3 - точка
вращения; 4 - щуп; 5 - нагрузка; 6 - считывающее устройство;
7 - опоры; S1 - фактическая осадка, мм; L1 - расстояние
от центра нагрузочной плиты до точки вращения, м;
L2 - расстояние от точки вращения до измерителя деформации,
м; L3 - расстояние от центра нагрузочной плиты ближайшей
опоры, м; h - максимальная глубина выемки, 0,3 м
Рисунок 3 - Схема прогибомера с поворотным щупом
Расстояние от центра нагрузочной плиты до оси ближайших к нагрузочной плите опор
L3 (см.
рисунки 3,
4), должно составлять от 1,5 до 1,6 м.
1 - индикатор или датчик перемещения; 2 - несущий каркас;
3 - считывающее устройство; 4 - щуп; 5 - нагрузка;
6 - линейный подшипник; 7 - опоры; S - расчетная осадка
нагрузочной плиты, мм; L3 - расстояние от центра нагрузочной
плиты ближайшей опоры, м
Рисунок 4 - Схема прогибомера с перемещающимся по оси щупом
в линейном подшипнике
Прогибомер с поворотным щупом представлен на
рисунке 3.
Прогибомер со щупом, перемещаемым по оси, представлен на
рисунке 4.
б) противовес. В качестве противовеса допускают использовать строительную технику или иные устройства, нагрузка от которых не менее чем на 10 кН больше максимальной нагрузки, создаваемой штамповой установкой статического нагружения в процессе измерения;
в) горизонтальный водяной уровень;
д) шпатель;
е) песок сухой без включения частиц размером более 2 мм.
Допускается применять иные средства измерения, вспомогательные устройства и материалы с аналогичными или лучшими метрологическими и техническими характеристиками.
5.1.2 При выполнении измерений методом динамического нагружения применяют следующие средства измерений, вспомогательные устройства и материалы:
а) штамповая установка динамического нагружения, включающая:
1) механизм нагружения - падающий по направляющей штанге груз весом
(10,0 +/- 0,1) кг, создающий импульс нагружения величиной (7,07 +/- 0,05)
кН и обеспечивающий давление под штампом на поверхность испытуемого слоя
(0,10 +/- 0,01) МН/м2;
2) нагрузочную плиту с ручками для переноски, выполненную из стали
диаметром (300,00 +/- 0,25) мм толщиной не менее 20 мм;
3) переходный упругий элемент (амортизатор) между нагрузочной
плитой и нагрузочным устройством;
4) датчик измерения деформаций с диапазоном измерения от 0,1 до
10,0 мм с погрешностью не более 2%;
5) регистрирующая аппаратура, обеспечивающая регистрацию деформации
во времени, а также максимальное значение деформации;
Штамповая установка динамического нагружения представлена на
рисунке 5.
1 - рукоятка; 2 - механизм фиксации и освобождения груза;
3 - направляющая штанга; 4 - ручка падающего груза;
5 - падающий груз; 6 - упругий элемент; 7 - шаровая опора;
8 - разъем для датчика; 9 - ручки для переноски;
10 - электронный регистрирующий блок; 11 - нагрузочная плита
Рисунок 5 - Схема штамповой установки
динамического нагружения
Допускается применять иные средства измерения, вспомогательные устройства и материалы с аналогичными или лучшими метрологическими и техническими характеристиками.
5.2 Методы измерений
5.2.1 Метод измерений статическим нагружением
Сущность метода заключается в проведении статического нагружения двумя циклами, с неполной разгрузкой после первого цикла, на поверхности конструктивных слоев дорожных одежд или грунта земляного полотна с определением осадки нагрузочной плиты от прилагаемой нагрузки и последующим расчетом показателей деформативности.
5.2.2 Метод измерений динамическим нагружением
Сущность метода заключается в проведении динамического нагружения на поверхности конструктивных слоев дорожных одежд или грунта земляного полотна с определением осадки нагрузочной плиты от прилагаемой нагрузки и последующим расчетом показателей деформативности.
5.3 Требования к безопасности
5.3.1 В случае если во время проведения измерений автомобильная дорога используется для передвижения строительной или иной техники, места выполнения работ должны быть огорожены временными техническими средствами организации дорожного движения в соответствии с
ГОСТ 32758.
5.3.2 Специалисты, выполняющие измерения, должны соблюдать инструкции по охране труда, иметь спецодежду, обеспечивающую повышенную видимость в условиях проведения работ.
5.3.3 Специалисты, выполняющие измерения, должны знать устройство средств измерений и вспомогательных устройств, представленных в
разделе 4, правила обращения с ними, а также правила их эксплуатации.
5.4 Требования к условиям измерений
5.4.1 Измерения должны проводиться при температуре окружающего воздуха выше 0 °C.
5.4.2 Материалы слоев дорожной одежды и грунты рабочего слоя земляного полотна не должны находиться в замерзшем состоянии.
5.4.3 При проведении измерений на расстоянии не менее 5 м не должно находиться движущейся строительной техники, штамповая установка и противовес не должны испытывать вибрацию во время измерений.
5.5 Подготовка к выполнению измерений
5.5.1 Общие положения
5.5.1.1 С целью накопления статистических данных рекомендуется определять и регистрировать дополнительные параметры испытываемого участка (влажность грунта, толщины конструктивных слоев и т.п.), оказывающие влияние на показатели деформативности конструктивных слоев.
5.5.1.2 На участке автомобильной дороги, протяженностью менее 500 м, количество измерений методом статического нагружения должно быть не менее 5. Количество измерений методом динамического нагружения - не менее 30. Измерения методами статического и динамического нагружения проводят через равное расстояние по длине контролируемого участка в соответствии со схемами, представленными на
рисунках 6 и
7.
Примечание - При необходимости допускают иное расположение точек и дополнительное количество измерений.
1 - точки проведения измерений; L - протяженность участка
Рисунок 6 - Схема расположения точек измерения методом
статического нагружения
1 - точки проведения измерений; L - протяженность участка
Рисунок 7 - Схема расположения точек измерения методом
динамического нагружения
На участке автомобильной дороги, протяженностью свыше 500 м, измерения методом статического нагружения проводятся через каждые 100 м, методом динамического нагружения через каждые 50 м в соответствии со схемами, представленными на
рисунках 6 и
7.
Примечание - При необходимости допускают иное расположение точек и дополнительное количество измерений.
Измерения проводят на участках автомобильных дорог шириной не более 20 м. Участки шириной более 20 м следует делить на равные части и назначать количество измерений в соответствии с требованиями, указанными выше. При наличии разделительной полосы измерения проводят по каждому направлению движения отдельно.
5.5.2 Подготовка к выполнению измерений методом статического нагружения
5.5.2.1 Подготовку к выполнению измерений методом статического нагружения выполняют в следующей последовательности:
- подготовка поверхности слоя к проведению измерений;
- подготовка и установка нагрузочной плиты и штамповой установки статического нагружения;
- установка противовеса.
Примечание - Допускается устанавливать противовес на место измерения перед подготовкой поверхности и установкой нагрузочной плиты и штамповой установки статического нагружения.
5.5.2.2 Подготовка поверхности слоя к проведению измерений
Перед установкой нагрузочной плиты необходимо подготовить поверхность слоя для проведения измерений. Поверхность слоя в месте установки нагрузочной плиты необходимо выровнять соответствующими вспомогательными средствами (лопата, шпатель и т.п.). Неуплотненные зерна материала удаляют.
При необходимости, для устранения неровностей, на поверхности испытываемого слоя создают горизонтальную выравнивающую площадку из сухого песка, превышающую площадь нагрузочной плиты. Песок тщательно выравнивают без нарушения сложившейся структуры материала слоя. Толщина слоя песка не должна превышать 5 мм.
Перед проведением измерений на песках, грунтах, на поверхности которых образуется корка или поверхность которых замочена, а также на грунтах, имеющих неоднородную поверхность в верхней зоне, верхнюю часть слоя (не менее 10 см) необходимо удалить. Поверхность слоя в месте установки нагрузочной плиты необходимо выровнять соответствующими вспомогательными средствами (лопата, шпатель и т.п.). Неуплотненные зерна материала удаляются.
5.5.2.3 Подготовка и установка нагрузочной плиты и штамповой установки статического нагружения
При проведении измерений конструктивных слоев дорожной одежды и грунтов земляного полотна применяют нагрузочные плиты диаметром (300,00 +/- 0,25) мм. При проведении измерений на слабых или крупнообломочных грунтах земляного полотна с включением крупноразмерных частиц более 90 мм применяют нагрузочные плиты диаметром (600,0 +/- 0,5) мм или (762,0 +/- 0,5) мм.
На поверхность измеряемого слоя устанавливают нагрузочную плиту. Для обеспечения ее неподвижности, горизонтального положения и полного прилегания к поверхности допускается притирание или легкое постукивание по нагрузочной плите. На поверхности уплотненного слоя под нагрузочной плитой не должно быть зерен каменного материала размером более 1/4 диаметра нагрузочной плиты. Наличие зерен определяют по результатам визуальной оценки слоя.
Гидравлический цилиндр устанавливают в середине нагрузочной плиты, перпендикулярно к ней под противовесом, и фиксируют во избежание опрокидывания. Гидравлический цилиндр должен упираться в противовес, для этого могут применять металлические насадки для удлинения штока.
Примечание - В отдельных моделях оборудования гидравлический цилиндр упирается в магнитный шарнир с плоской подошвой, который установлен под противовесом.
Устанавливают манометр или динамометр.
Примечание - В отдельных моделях оборудования динамометр или манометр и нагрузочное устройство являются неразъемными.
Прогибомер устанавливают в рабочем положении для измерения осадки нагрузочной плиты. Устанавливают считывающее устройство в середине нагрузочной плиты. Копирное острие считывающего устройства для измерения осадки должно свободно вводиться в измерительный туннель цоколя нагрузочной плиты и размещаться в центре нагрузочной плиты.
Устанавливают измеритель осадки вертикально по отношению к испытуемой поверхности.
5.5.2.4 Установка противовеса
Противовес устанавливают над местом проведения измерений, блокируют тормозами и, при наличии, закрепляют на месте при помощи тормозных башмаков. Место проведения измерений выбирается в соответствии с
5.6.1.
5.5.3 Подготовка к выполнению измерений методом динамического нагружения
При подготовке к выполнению измерений методом динамического нагружения проводят подготовку поверхности слоя к проведению измерений в соответствии с
5.5.2.2.
На поверхность измеряемого слоя устанавливают нагрузочную плиту. Для обеспечения ее неподвижности, горизонтального положения и полного прилегания к поверхности допускается притирание или легкое постукивание по нагрузочной плите. На поверхности уплотненного слоя под нагрузочной плитой не должно быть зерен каменного материала размером более 1/4 диаметра нагрузочной плиты. Наличие зерен определяют по результатам визуальной оценки.
На нагрузочную плиту устанавливают штангу с падающим грузом и присоединяют к нагрузочной плите электронный блок.
5.6 Порядок проведения измерений
5.6.1 Порядок проведения измерений методом статического нагружения
5.6.1.1 Выполнение измерений проводят в следующей последовательности:
- предварительное нагружение;
- первичное нагружение;
- разгрузка;
- повторное нагружение.
5.6.1.2 Предварительное нагружение
Для устранения возможных случайных деформаций и смещений штампа выполняют предварительное нагружение.
Предварительное нагружение выполняют в следующей последовательности:
- при помощи нагрузочного устройства создается нагрузка, обеспечивающая для плит диаметром 300 мм и 600 мм давление 0,01 МН/м2, а для плиты диаметром 762 мм - 0,005 МН/м2;
- показания измерителя осадки устанавливают на значение "0" при измерениях на конструктивных слоях дорожных одежд - по прошествии не менее чем 60 с с момента достижения предварительной нагрузки, при измерениях на грунтах земляного полотна - по прошествии не менее чем 120 с с момента достижения предварительной нагрузки.
Примечание - Допускается не устанавливать измеритель осадки на значение "0", а вместо этого зафиксировать отсчет после проведения предварительного нагружения. В этом случае в дальнейшем величина осадки определяется как разница в отсчетах до и после нагружения или разгрузки.
5.6.1.3 Первичное нагружение
Первичное нагружение проводят в шесть ступеней (не менее) при одинаковых интервалах нагрузки до достижения предварительно выбранной максимальной нагрузки.
Максимальное давление для нагрузочной плиты диаметром 300 мм составляет 0,50 МН/м2. При измерениях на конструктивных слоях из песка и на грунтах земляного полотна при применении нагрузочной плиты диаметром 300 мм допускают снижение максимального давления до 0,25 МН/м2.
Максимальное давление для нагрузочной плиты диаметром 600 мм составляет 0,25 МН/м2.
Максимальное давление для нагрузочной плиты диаметром 762 мм составляет 0,20 МН/м2.
Изменение нагрузки от ступени к ступени должно быть закончено в течение 60 с.
Величина деформации на каждой ступени регистрируется с точностью до 0,01 мм. Время выдержки на каждой ступени при измерениях на конструктивных слоях дорожных одежд должно составлять не менее 60 с, но до достижения интенсивности изменения деформаций не более 0,02 мм/мин, на грунтах земляного полотна - не менее 120 с, но до достижения интенсивности изменения деформаций не более 0,02 мм/мин.
Первичное нагружение выполняют до достижения максимального давления в зависимости от диаметра нагрузочной плиты ступенями в соответствии с таблицей 2.
Таблица 2
Значения нагрузки и давления в зависимости от диаметра
нагрузочной плиты при проведении первичного нагружения
Ступень нагружения | Диаметр нагрузочной плиты |
300 мм | | 600 мм | 762 мм |
Нагрузка, кН | Расчетное давление для создания требуемой нагрузки, МН/м2 | Нагрузка, кН | Расчетное давление для создания требуемой нагрузки, МН/м2 | Нагрузка, кН | Расчетное давление для создания требуемой нагрузки, МН/м2 | Нагрузка, кН | Расчетное давление для создания требуемой нагрузки, МН/м2 |
0 | 0,71 | 0,01 | 0,71 | 0,01 | 2,82 | 0,01 | 2,28 | 0,005 |
1 | 5,65 | 0,08 | 2,84 | 0,04 | 11,31 | 0,04 | 9,12 | 0,02 |
2 | 11,31 | 0,16 | 5,65 | 0,08 | 22,62 | 0,08 | 18,24 | 0,04 |
3 | 17,67 | 0,25 | 8,52 | 0,12 | 33,93 | 0,12 | 36,48 | 0,08 |
4 | 23,33 | 0,33 | 11,31 | 0,16 | 45,24 | 0,16 | 54,72 | 0,12 |
5 | 29,69 | 0,42 | 14,20 | 0,20 | 56,65 | 0,20 | 76,96 | 0,16 |
6 | 35,35 | 0,50 | 17,67 | 0,25 | 70,69 | 0,25 | 91,21 | 0,20 |
<1> Допускают при измерениях на конструктивных слоях из песка и на грунтах земляного полотна. |
5.6.1.4 Разгрузка
Выполняют плавную разгрузку ступенями в соответствии с таблицей 3.
Таблица 3
Значения нагрузки и давления в зависимости от диаметра
нагрузочной плиты при разгрузке
Ступень разгрузки | Диаметр нагрузочной плиты |
300 мм | | 600 мм | 762 мм |
Нагрузка, кН | Расчетное давление для создания требуемой нагрузки, МН/м2 | Нагрузка, кН | Расчетное давление для создания требуемой нагрузки, МН/м2 | Нагрузка, кН | Расчетное давление для создания требуемой нагрузки, МН/м2 | Нагрузка, кН | Расчетное давление для создания требуемой нагрузки, МН/м2 |
1 | 17,67 | 0,25 | 8,52 | 0,12 | 33,93 | 0,12 | 45,61 | 0,10 |
2 | 8,52 | 0,12 | 4,26 | 0,06 | 16,96 | 0,06 | 22,80 | 0,05 |
3 | 0,71 | 0,01 | 0,01 | 0,01 | 0,28 | 0,01 | 2,28 | 0,005 |
<1> Допускают при измерениях на конструктивных слоях из песка и на грунтах земляного полотна. |
Время выдержки на каждой ступени принимается в соответствии с
5.6.1.3.
5.6.1.5 Повторное нагружение
Выполняют повторное нагружение с доведением давления до значения на ступень меньше максимального давления при первичном нагружении в соответствии с таблицей 4.
Таблица 4
Значения нагрузки и давления в зависимости от диаметра
нагрузочной плиты при проведении повторного нагружения
Ступень нагружения | Диаметр нагрузочной плиты |
300 мм | | 600 мм | 762 мм |
Нагрузка, кН | Расчетное давление для создания требуемой нагрузки, МН/м2 | Нагрузка, кН | Расчетное давление для создания требуемой нагрузки, МН/м2 | Нагрузка, кН | Расчетное давление для создания требуемой нагрузки МН/м2 | Нагрузка, кН | Расчетное давление для создания требуемой нагрузки, МН/м2 |
0 | 0,71 | 0,01 | 0,71 | 0,01 | 2,82 | 0,01 | 2,28 | 0,005 |
1 | 5,65 | 0,08 | 2,84 | 0,04 | 11,31 | 0,04 | 9,12 | 0,02 |
2 | 11,31 | 0,16 | 5,65 | 0,08 | 22,62 | 0,08 | 18,24 | 0,04 |
3 | 17,67 | 0,25 | 8,52 | 0,12 | 33,93 | 0,12 | 36,48 | 0,08 |
4 | 23,33 | 0,33 | 11,31 | 0,16 | 45,24 | 0,16 | 54,72 | 0,12 |
5 | 29,69 | 0,42 | 14,20 | 0,20 | 56,65 | 0,20 | 76,96 | 0,16 |
<1> Допускают при измерениях на конструктивных слоях из песка и на грунтах земляного полотна. |
Время выдержки на каждой ступени принимается в соответствии с
5.6.1.3.
5.6.2 Порядок проведения измерений методом динамического нагружения
Выполнение измерений проводят в следующей последовательности:
- выполняют предварительное нагружение тремя сбросами груза без регистрации деформаций для устранения возможных случайных деформаций;
- выполняют три сбрасывания груза с регистрации деформации при каждом из сбрасываний.
5.7 Обработка результатов измерений
5.7.1 Расчет осадки плиты в зависимости от типа штамповой установки
Расчетная осадка нагрузочной плиты S, мм, определяется для прогибомеров:
- с перемещающимся по оси щупом в линейном подшипнике (см.
рисунок 4) - фактическим показанием измерителя осадки;
- с поворотным щупом (см.
рисунок 3) - по формуле

(1)
где S1 - фактическая осадка нагрузочной плиты при измерениях прогибомером с поворотным щупом, мм;
L1 - расстояние от центра нагрузочной плиты до точки вращения прогибомера (см.
рисунок 3), мм;
L2 - расстояние от точки вращения прогибомера до измерителя осадки (см.
рисунок 3), мм.
5.7.2 Расчет модулей деформации при первичном и повторном нагружениях
Модули деформации при первичном и повторном нагружениях Ev, МН/м2, рассчитывают по формуле

(2)
где 0,75 - коэффициент, учитывающий специфику проведения измерений нагрузочными плитами и усредненный коэффициент Пуассона;
D - диаметр нагрузочной плиты, мм;

- максимальное давление при измерении, МН/м
2;
a1 - постоянная многочлена второй степени, мм/(МН/м2);
a2 - постоянная многочлена второй степени, мм/(МН2/м4).
Модули деформации рассчитываются по значениям осадки, определенным при нагрузке

и

.
Для определения модулей деформации при первичном и повторном нагружениях за основу принимаются компенсирующие линии установления давления. Компенсирующие линии установления давления рассчитывают с помощью многочлена второй степени, постоянные которых определяются путем приведения в соответствие измеренных значений осадки по методу наименьших квадратных погрешностей, по формуле

(3)
где S - расчетная осадка нагрузочной плиты, мм;

- максимальное давление на ступени нагружения, МН/м
2;
a0 - постоянная многочлена второй степени, мм;
a1 - постоянная многочлена второй степени, мм/(МН/м2);
a2 - постоянная многочлена второй степени, мм/(МН2/м4).
Для расчета постоянных многочлена первичной нагрузки не учитывают ступень нагрузки: "0".
Уравнения для расчета многочлена второй степени представлены в
приложении А.
Пример расчета модулей деформации при первичном и повторном нагружениях приведен в
приложении Б.
При использовании специальных программ для расчета модулей деформации, программы проверяют при помощи расчетов, приведенных в
приложении Б.
5.7.3 Расчет условного показателя качества уплотнения конструктивного слоя и грунта земляного полотна
Показатель KE, рассчитывают по формуле

(4)
где Ev1 - модуль деформации при первичном нагружении, МН/м2;
Ev2 - модуль деформации при повторном нагружении, МН/м2.
5.7.4 Расчет модуля упругости на поверхности конструктивного слоя и грунта земляного полотна
Модуль упругости, МН/м2, рассчитывают по формуле

(5)
где 0,75 - коэффициент, учитывающий специфику проведения измерений нагрузочными плитами и усредненный коэффициент Пуассона;
D - диаметр нагрузочной плиты, мм;

- максимальная нагрузка при первичном нагружении, МН/м
2;
Sу - упругая деформация при первичном нагружении, мм.
Упругую деформацию при первичном нагружении Sу, мм, рассчитывают по формуле
Sу = S(1) - Sост, (6)
где S(1) - полная деформация при максимальной нагрузке при первичном нагружении, мм;
Sост - деформация после проведения разгрузки, мм.
5.7.5 Расчет модуля деформации при динамическом нагружении
Модуль деформации при динамическом нагружении Evd, МН/м2, рассчитывается по формуле

(7)
где 0,75 - коэффициент, учитывающий специфику проведения измерений нагрузочными плитами и усредненный коэффициент Пуассона;
D - диаметр нагрузочной плиты, мм;

- нагрузка, МН/м
2;

- средняя величина деформации, рассчитываемая как среднеарифметическое деформаций при трех сбрасываниях груза, мм.
5.7.6 Расчет однородности модуля деформации
Однородность модуля деформации рассчитывается по формуле

(8)
где

- среднеарифметическое значение модуля деформации на поверхности конструктивного слоя или грунта земляного полотна при динамическом нагружении, МН/м
2;
Evdi - i-е значение модуля деформации на поверхности конструктивного слоя или грунта земляного полотна при динамическом нагружении, МН/м2;
n - количество измерений.
5.8 Оформление результатов измерений
Результаты измерений оформляют в виде протокола.
Пример протокола измерений методами статического и динамического нагружения приведен в
приложении В.
Примеры журналов измерений методами статического и динамического нагружения приведены в
приложении Г.
5.9 Последовательность проведения оценки параметров деформативности и однородности уплотнения методами статического и динамического нагружения на участках автомобильных дорог
На исходном характерном участке определение параметров деформативности и однородности уплотнения выполняют комплексно методами статического и динамического нагружения. Порядок проведения оценки параметров деформативности и однородности уплотнения методами статического и динамического нагружения приведен в
приложении Д.
После определения параметров деформативности и однородности уплотнения на исходном характерном участке, при соответствии параметров требованиям
таблицы 1, дальнейшие измерения на характерных участках автомобильных дорог допускается проводить только методом динамического нагружения.
При проведении измерений только методом динамического нагружения в случае несоответствия
V(
Evd) требованиям
таблицы 1 или снижении

на характерном участке относительно

, определенного на исходном характерном участке более чем на 10%, необходимо провести доуплотнение слоя до достижения соответствия
V(
Evd) требованиям
таблицы 1 и соответствующего значения

на исходном характерном участке или повторно провести комплексные измерения в соответствии с
приложением Д.
В спорных ситуациях определение параметров деформативности проводят комплексно в соответствии с
приложением Д.
Пример оценки параметров деформативности представлен в
приложении Е.
5.10 Контроль точности результатов измерений
Точность результатов измерений обеспечивается:
- соблюдением требований настоящего стандарта;
- проведением периодической оценки метрологических характеристик средств измерений;
- проведением периодической аттестации испытательного оборудования.
(справочное)
УРАВНЕНИЯ ДЛЯ РАСЧЕТА ПОСТОЯННЫХ МНОГОЧЛЕНА ВТОРОЙ СТЕПЕНИ
ДЛЯ ОПРЕДЕЛЕНИЯ ЛИНИЙ ОСАДКИ И ВЫВОД ФОРМУЛЫ РАСЧЕТА
МОДУЛЕЙ ДЕФОРМАЦИИ
А.1 Для определения постоянных многочлена второй степени и расчета
формулы (3) по результатам испытания составляют систему линейных уравнений (А.1):

(А.1)
где Si - расчетная осадка нагрузочной плиты, мм;

- максимальное давление на ступени нагружения, МН/м
2;
a0 - постоянная многочлена второй степени, мм;
a1 - постоянная многочлена второй степени, мм/(МН/м2);
a2 - постоянная многочлена второй степени, мм/(МН2/м4);
n - количество ступеней нагружения.
По результатам решения системы линейных
уравнений (А.1) определяют параметры
a0,
a1 и
a2.
А.2 Модуль деформации
Ev рассчитывается на основании теории упругого полупространства как секущий модуль. Секущая определяется точками квадратичной параболы, соответствующими значениям деформации при нагрузке

и

.
Модуль деформации
Ev рассчитывают по
формуле (2) следующим образом:
где 0,75 - коэффициент, учитывающий специфику проведения измерений нагрузочными плитами и усредненный коэффициент Пуассона;
D - диаметр нагрузочной плиты, мм;

- максимальное давление при измерении, МН/м
2;

- прирост давления в интервале от 30% до 70% от максимального давления МН/м
2;

- прирост осадки нагрузочной плиты при давлении в интервале от 30% до 70% от максимального давления, мм;

- давление, соответствующее 30% от максимального давления, МН/м
2;

- давление, соответствующее 70% от максимального давления, МН/м
2;
S1 - осадка при давлении 30% от максимального давления, мм;
S2 - осадка при давлении 70% от максимального давления, мм;
a0 - постоянная многочлена второй степени, мм;
a1 - постоянная многочлена второй степени, мм/(МН/м2);
a2 - постоянная многочлена второй степени, мм/(МН2/м4).
(обязательное)
ПРИМЕР РАСЧЕТА ПОКАЗАТЕЛЕЙ ДЕФОРМАТИВНОСТИ ПРИ ПРОВЕДЕНИИ
ИЗМЕРЕНИЙ МЕТОДОМ СТАТИЧЕСКОГО НАГРУЖЕНИЯ
Б.1 Пример 1
В результате проведения измерений штамповой установкой статического нагружения с поворотным щупом с нагрузочной плитой диаметром 300 мм получают данные, представленные в
таблицах Б.1 -
Б.3.
Соотношение рычагов

составляет 1,333.
Таблица Б.1
Результаты измерения при первичном нагружении
Ступень нагружения | Нагрузка, кН | Давление, МН/м2 | Фактическая осадка нагрузочной плиты, S1, мм | Расчетная осадка нагрузочной плиты, S, мм |
0 | 0,71 | 0,01 | 0 | 0 |
1 | 5,65 | 0,08 | 0,86 | 1,15 |
2 | 11,31 | 0,16 | 1,57 | 2,09 |
3 | 17,67 | 0,25 | 2,15 | 2,87 |
4 | 23,33 | 0,33 | 2,44 | 3,25 |
5 | 29,69 | 0,42 | 2,85 | 3,80 |
6 | 35,35 | 0,50 | 3,16 | 4,21 |
Таблица Б.2
Результаты измерения при разгрузке
Ступень разгрузки | Нагрузка, кН | Давление, МН/м2 | Фактическая осадка нагрузочной плиты, S1, мм | Расчетная осадка нагрузочной плиты, S, мм |
1 | 17,67 | 0,25 | 2,97 | 3,96 |
2 | 8,52 | 0,12 | 2,78 | 3,71 |
3 | 0,71 | 0,01 | 1,94 | 2,59 |
Таблица Б.3
Результаты измерения при повторном нагружении
Ступень нагружения | Нагрузка, кН | Давление, МН/м2 | Фактическая осадка нагрузочной плиты, S1, мм | Расчетная осадка нагрузочной плиты, S, мм |
1 | 5,65 | 0,08 | 2,42 | 3,23 |
2 | 11,31 | 0,16 | 2,65 | 3,53 |
3 | 17,67 | 0,25 | 2,84 | 3,79 |
4 | 23,33 | 0,33 | 2,99 | 3,99 |
5 | 29,69 | 0,42 | 3,10 | 4,13 |
Примечание - Значение нагрузки необходимо указывать только в случае применения приборов, оборудованных динамометром.
На основании данных, представленных в
таблицах Б.1 -
Б.3, построен график с кривыми осадки при первичном нагружении, разгрузки осадки при повторном нагружении, представленный на
рисунке Б.1.
| | ИС МЕГАНОРМ: примечание. Текст дан в соответствии с официальным текстом документа. | |

- точки измерения деформации при первичном нагружении;

- точки измерения деформации разгрузке;

- точки
измерения деформации при повторном нагружении;
1 - соединительная линия между деформацией при 0,01 МН/м2
и деформацией при первой ступени нагрузки; 2 - первая
ступень нагрузки при первичном нагружении; 3 - секущая линия
между деформацией, соответствующей

и деформацией,
соответствующей

;
4 - квадратичная парабола, построенная
по первичному нагружению; 5 - квадратичная парабола,
построенная по повторному нагружению; 6 - начальная точка
повторного нагружения; 7 - ветвь разгрузки
Рисунок Б.1 - График измерений методом статического
нагружения с нагрузочной плитой диаметром 300 мм
На основании данных, представленных в
таблицах Б.1 -
Б.3 рассчитываются показатели
Ev1,
Ev2 и
KE. Результаты расчета представлены в таблице Б.4.
Таблица Б.4
Результаты расчета показателей деформативности
Параметр | Единицы измерения | Первичное нагружение | Повторное нагружение |
| МН/м2 | 0,5 | 0,5 |
a0 | мм | 0,285 | 2,595 |
a1 | мм/(МН/м2) | 12,261 | 7,120 |
a2 | мм/(МН2/м4) | -9,034 | -8,451 |
| МН/м2 | 29,0 | 77,7 |
KE | - | 2,68 |
На основании данных, представленных в
таблице Б.1 рассчитывается значение модуля упругости по формуле

(Б.1)
По результатам измерений методом статического нагружения значения показателей деформативности составляют: Ev1 = 29,0 МН/м2; Ev2 = 77,7 МН/м2; KE = 2,6; Eу = 69,4 МН/м2.
Б.2 Пример 2
В результате проведения измерений штамповой установкой статического нагружения с перемещающимся по оси щупом в линейном подшипнике с нагрузочной плитой диаметром 300 мм получены данные, представленные в
таблицах Б.5 -
Б.7.
Таблица Б.5
Результаты измерения при первичном нагружении
Ступень нагружения | Нагрузка, кН | Давление, МН/м2 | Расчетная осадка нагрузочной плиты, S, мм |
0 | 0,71 | 0,01 | 0 |
1 | 5,65 | 0,08 | 0,30 |
2 | 11,31 | 0,16 | 0,62 |
3 | 17,67 | 0,25 | 0,85 |
4 | 23,33 | 0,33 | 1,10 |
5 | 29,69 | 0,42 | 1,39 |
6 | 35,35 | 0,50 | 1,51 |
Таблица Б.6
Результаты измерения при разгрузке
Ступень разгрузки | Нагрузка, кН | Давление, МН/м2 | Расчетная осадка нагрузочной плиты, S, мм |
1 | 17,67 | 0,25 | 1,38 |
2 | 8,52 | 0,12 | 1,28 |
3 | 0,71 | 0,01 | 1,04 |
Таблица Б.7
Результаты измерения при повторном нагружении
Ступень нагружения | Нагрузка, кН | Давление, МН/м2 | Расчетная осадка нагрузочной плиты, S, мм |
1 | 5,65 | 0,08 | 1,09 |
2 | 11,31 | 0,16 | 1,16 |
3 | 17,67 | 0,25 | 1,24 |
4 | 23,33 | 0,33 | 1,33 |
5 | 29,69 | 0,42 | 1,51 |
На основании данных, представленных в
таблицах Б.5 -
Б.7 рассчитываются показатели
Ev1,
Ev2 и
KE. Результаты расчета представлены в таблице Б.8.
Таблица Б.8
Результаты расчета показателей деформативности
Параметр | Единицы измерения | Первичное нагружение | Повторное нагружение |
| МН/м2 | 0,5 | 0,5 |
a0 | мм | -0,001 | 1,044 |
a1 | мм/(МН/м2) | 4,001 | 0,362 |
a2 | мм/(МН2/м4) | -1,883 | 1,713 |
| МН/м2 | 73,5 | 184,55 |
KE | - | 2,51 | |
На основании данных, представленных в
таблице Б.5, рассчитывают значение модуля упругости по формуле

(Б.2)
По результатам измерений методом статического нагружения значения показателей деформативности составляют: Ev1 = 73,5 МН/м2; Ev2 = 184,5 МН/м2; KE = 2,5; Eу = 239,4 МН/м2.
(рекомендуемое)
ФОРМА ПРОТОКОЛА ИЗМЕРЕНИЯ ПАРАМЕТРОВ ДЕФОРМАТИВНОСТИ
И ОДНОРОДНОСТИ УПЛОТНЕНИЯ
Наименование организации | |
Наименование объекта строительства | |
Местоположение измерительного участка | |
Протяженность измерительного участка | |
Наименование конструктивного слоя | |
Материал конструктивного слоя | |
Толщина конструктивного слоя, см | |
Влажность грунта земляного полотна | |
Расчетное значение модуля упругости на поверхности конструктивного слоя, МН/м2 | |
Штамповая установка статического нагружения | Наименование | |
Серийный номер | |
Информация о соответствии метрологических характеристик (вид и дата документа) | |
Диаметр нагрузочной плиты, мм | |
Параметры деформативности при статическом нагружении | Точка измерения 1 | Ev1(1), МН/м2 | |
Ev2(1), МН/м2 | |
KE(1) | |
Eу(1), МН/м2 | |
Точка измерения 2 | Ev1(2), МН/м2 | |
Ev2(2), МН/м2 | |
KE(2) | |
Eу(1), МН/м2 | |
Точка измерения m | Ev1(m), МН/м2 | |
Ev2(m), МН/м2 | |
KE(m), МН/м2 | |
Eу(m), МН/м2 | |
Штамповая установка динамического нагружения | Наименование | |
Серийный номер | |
Информация о соответствии метрологических характеристик (вид и дата документа) | |
Параметры деформативности при динамическом нагружении | Evd 1, МН/м2 | |
Evd 2, МН/м2 | |
Evd n, МН/м2 | |
 , МН/м 2 | |
Однородность модуля деформации | V(Evd) | |
Ф.И.О ответственных лиц | | |
Дата проведения измерений | | |
Примечания |
(рекомендуемое)
ФОРМЫ ЖУРНАЛОВ ИЗМЕРЕНИЙ МЕТОДАМИ СТАТИЧЕСКОГО
И ДИНАМИЧЕСКОГО НАГРУЖЕНИЯ
Г.1 Форма журнала измерений методом статического нагружения в точке измерения
Наименование объекта строительства | |
Наименование конструктивного слоя | |
Материал конструктивного слоя | |
Место проведения измерений | |
Дата проведения измерений | |
Ступень нагружения-разгружения | Нагрузка, кН | Давление, МН/м2 | Деформация, мм |
Первичное нагружение |
0 | | | |
1 | | | |
2 | | | |
3 | | | |
4 | | | |
5 | | | |
6 | | | |
Разгрузка |
1 | | | |
2 | | | |
3 | | | |
Повторное нагружение |
1 | | | |
2 | | | |
3 | | | |
4 | | | |
5 | | | |
Примечания |
Г.2 Форма журнала измерений методом статического нагружения на участке измерений
Точка измерения | Место проведения измерений | Результаты измерений |
Ev1, МН/м2 | Ev2, МН/м2 | KE | Eу, МН/м2 |
1 | | | | | |
2 | | | | | |
... | | | | | |
m | | | | | |
Среднее значение по участку | | | | | |
Г.3 Форма журнала измерений методом динамического нагружения
Наименование объекта строительства | |
Наименование конструктивного слоя | |
Материал конструктивного слоя | |
Место проведения измерений | |
Нагружение | S, мм |  , мм | Evd, МН/м2 |
1 | | | |
2 | |
3 | |
(рекомендуемое)
ПОСЛЕДОВАТЕЛЬНОСТЬ ПРОВЕДЕНИЯ ОЦЕНКИ ПАРАМЕТРОВ
ДЕФОРМАТИВНОСТИ И ОДНОРОДНОСТИ УПЛОТНЕНИЯ МЕТОДАМИ
СТАТИЧЕСКОГО И ДИНАМИЧЕСКОГО НАГРУЖЕНИЯ НА ИСХОДНОМ
ХАРАКТЕРНОМ УЧАСТКЕ
Д.1 Оценку параметров деформативности и однородности уплотнения проводят на исходном характерном участке, как правило, при проведении пробного уплотнения. Количество и места точек измерения принимаются в соответствии с
5.5.1.2. Допускается проведение оценки параметров деформативности в каждом технологическом слое. Оценка параметров деформативности и однородности уплотнения проводится в следующем порядке:
а) определяют влажность грунта земляного полотна;
б) проводят измерение
Ev1 и
Ev2 и рассчитывают
KE. В случае если
KE не соответствует требованиям, заложенным в
таблице 1, проводят доуплотнение слоя. После доуплотнения слоя проводят повторное измерение
Ev1 и
Ev2 и расчет
KE. Данную процедуру повторяют до тех пор, пока значение
KE не будет соответствовать требованиям
таблицы 1;
в) в случае проведения измерений на поверхности конструктивного слоя с заданным проектным
Eу на поверхности, рассчитывают фактический
Eу. В случае послойной отсыпки конструктивного слоя при проведении испытаний на промежуточных слоях (в промежуточных отметках), допускается не рассчитывать
Eу.
Если
Eу не соответствует требованиям, заложенным в
таблице 1, проводят доуплотнение слоя или иные мероприятия по достижению
Eу. После этого повторно проводят действия в соответствии с
перечислениями а) -
в) Д.1;
г) проводят измерение
Evd и рассчитывают
V(
Evd) и среднеарифметическое

на участке. В случае если
V(
Evd) не соответствует требованиям, заложенным в
таблице 1, проводят доуплотнение слоя. После доуплотнения слоя проводят повторное измерение
Evd и рассчитывают
V(
Evd) и

на участке;
д) в случае соответствия параметров деформативности требованиям
таблицы 1 принимают решение о приемке конструктивного слоя на участке автомобильной дороги.
(справочное)
ПРИМЕР ПРОВЕДЕНИЯ ОЦЕНКИ ПАРАМЕТРОВ ДЕФОРМАТИВНОСТИ
И ОДНОРОДНОСТИ
Е.1 Необходимо определить параметры деформативности и однородность уплотнения нижнего несущего слоя основания из ЩПС на автомобильной дороге категории IБ. Длина участка составляет 300 м. Проектный модуль упругости на поверхности конструктивного слоя составляет 145 МН/м2.
Согласно акту пробного уплотнения выполнено 14 проходов по одному следу.
Е.1.1 Проводят определение параметров деформативности методом статического нагружения в пяти точках в соответствии с
5.5.2. Определяют величины показателей
Ev1,
Ev2,
KE и
Eу. Результаты измерений показателей деформативности методом статического нагружения представлены в таблице Е.1.
Таблица Е.1
Результаты измерений показателей деформативности методом
статического нагружения
| | ИС МЕГАНОРМ: примечание. Шапка таблицы дана в соответствии с официальным текстом документа. | |
Точка измерения | Ev1, МН/м2 | Ev1, МН/м2 | KE | Eу, МН/м2 |
1 | 55,7 | 139,2 | 2,5 | 158,3 |
2 | 64,5 | 148,3 | 2,3 | 166,2 |
3 | 61,9 | 136,2 | 2,2 | 151,4 |
4 | 50,5 | 131,3 | 2,6 | 138,5 |
5 | 68,6 | 157,8 | 2,3 | 170,4 |
Е.1.2 Проверяют условие соблюдения требований к показателям деформативности, приведенных в
таблице 1:
- из пяти значений показателя уплотнения
KE четыре соответствуют требованиям
таблицы 2, одно значение (20%) превышает требуемое значение (2,5) на 4%, что допускается
таблицей 1;
- из пяти значений модуля упругости
Eу четыре значения превышают проектное, одно значение (20%) ниже проектного модуля на 4%, что допускается
таблицей 1;
- среднеарифметическое значение Eу на участке составляет 157,0 МН/м2.
Е.1.3 Проводят определение параметров деформативности методом динамического нагружения в 10 равномерно распределенных поперечниках по трем измерениям на каждом в соответствии с
5.5.2. Результаты измерений представлены в таблице Е.2.
Таблица Е.2
Результаты измерений показателей деформативности методом
динамического нагружения
Точка измерения | Evd, МН/м2 | Точка измерения | Evd, МН/м2 | Точка измерения | Evd, МН/м2 |
1 | 76 | 11 | 70 | 21 | 64 |
2 | 80 | 12 | 62 | 22 | 81 |
3 | 71 | 13 | 57 | 23 | 88 |
4 | 80 | 14 | 53 | 24 | 83 |
5 | 58 | 15 | 63 | 25 | 81 |
6 | 55 | 16 | 61 | 26 | 75 |
7 | 73 | 17 | 73 | 27 | 64 |
8 | 86 | 18 | 64 | 28 | 61 |
9 | 91 | 19 | 60 | 29 | 65 |
10 | 84 | 20 | 62 | 30 | 67 |
Е.1.4 Проверяют условие соблюдения требований к показателю однородности параметра деформативности
V(
Evd)
, приведенных в
таблице 1 - фактическая однородность составляет 0,15, что не соответствует требованиям
таблицы 2.
Принимаются решения о доуплотнении конструктивного слоя. После проведения двух дополнительных проходов катка по одному следу, повторно проводят измерение модулей деформации при динамическом нагружении.
Результаты измерений представлены в таблице Е.3.
Таблица Е.3
Результаты измерений показателей деформативности методом
динамического нагружения после доуплотнения слоя
Точка измерения | Evd, МН/м2 | Точка измерения | Evd, МН/м2 | Точка измерения | Evd, МН/м2 |
1 | 78 | 11 | 70 | 21 | 78 |
2 | 71 | 12 | 68 | 22 | 80 |
3 | 83 | 13 | 65 | 23 | 88 |
4 | 82 | 14 | 63 | 24 | 83 |
5 | 76 | 15 | 68 | 25 | 81 |
6 | 65 | 16 | 64 | 26 | 75 |
7 | 72 | 17 | 73 | 27 | 76 |
8 | 86 | 18 | 64 | 28 | 72 |
9 | 88 | 19 | 65 | 29 | 69 |
10 | 84 | 20 | 71 | 30 | 66 |
Проверяется условие соблюдения требований к показателю однородности параметра деформативности
V(
Evd), приведенных в
таблице 1 - фактическая однородность составляет 0,10, что соответствует требованиям
таблицы 1.
После доуплотнения параметры деформативности и однородности отвечают требованиям настоящего стандарта.
Рассчитывают среднеарифметическое значение модуля деформации при динамическом нагружении

.