Главная // Актуальные документы // ПравилаСПРАВКА
Источник публикации
М., 2017
Примечание к документу
Документ включен в
Перечень документов в области стандартизации, в результате применения которых на добровольной основе обеспечивается соблюдение требований Федерального
закона от 30.12.2009 N 384-ФЗ "Технический регламент о безопасности зданий и сооружений" (
Приказ Росстандарта от 02.04.2020 N 687).
Документ включен в
Перечень документов в области стандартизации, в результате применения которых на добровольной основе обеспечивается соблюдение требований Федерального
закона от 30.12.2009 N 384-ФЗ "Технический регламент о безопасности зданий и сооружений" (
Приказ Росстандарта от 17.04.2019 N 831).
Документ
введен в действие с 22 октября 2017 года.
Название документа
"СП 289.1325800.2017. Свод правил. Сооружения животноводческих, птицеводческих и звероводческих предприятий. Правила проектирования"
(утв. Приказом Минстроя России от 21.04.2017 N 721/пр)
"СП 289.1325800.2017. Свод правил. Сооружения животноводческих, птицеводческих и звероводческих предприятий. Правила проектирования"
(утв. Приказом Минстроя России от 21.04.2017 N 721/пр)
Приказом Министерства строительства
и жилищно-коммунального хозяйства
Российской Федерации
от 21 апреля 2017 г. N 721/пр
СВОД ПРАВИЛ
СООРУЖЕНИЯ ЖИВОТНОВОДЧЕСКИХ,
ПТИЦЕВОДЧЕСКИХ И ЗВЕРОВОДЧЕСКИХ ПРЕДПРИЯТИЙ.
ПРАВИЛА ПРОЕКТИРОВАНИЯ
Constructions cattle-breeding, poultry-breeding
and beast-breeding. Design rules
СП 289.1325800.2017
Дата введения
22 октября 2017 года
Сведения о своде правил
1 ИСПОЛНИТЕЛЬ - Общество с ограниченной ответственностью Научно-технический центр "Ферммаш" (ООО НТЦ "Ферммаш")
2 ВНЕСЕН Техническим комитетом по стандартизации ТК 465 "Строительство"
3 ПОДГОТОВЛЕН к утверждению Департаментом градостроительной деятельности и архитектуры Министерства строительства и жилищно-коммунального хозяйства Российской Федерации (Минстрой России)
4 УТВЕРЖДЕН приказом Министерства строительства и жилищно-коммунального хозяйства Российской Федерации от 21 апреля 2017 г. N 721/пр и введен в действие с 22 октября 2017 г.
5 ЗАРЕГИСТРИРОВАН Федеральным агентством по техническому регулированию и метрологии (Росстандарт)
6 ВВЕДЕН ВПЕРВЫЕ
В случае пересмотра (замены) или отмены настоящего свода правил соответствующее уведомление будет опубликовано в установленном порядке. Соответствующая информация, уведомление и тексты размещаются также в информационной системе общего пользования - на официальном сайте разработчика (Минстрой России) в сети Интернет
В своде правил установлены требования в соответствии с Федеральным
законом от 30 декабря 2009 г. N 384-ФЗ "Технический регламент о безопасности зданий и сооружений", учтены требования международных и европейских нормативных документов, применены единые методы определения эксплуатационных характеристик и методов оценки. Учтены также требования Федерального
закона от 22 июля 2008 г. N 123-ФЗ "Технический регламент о требованиях пожарной безопасности" и сводов правил системы противопожарной защиты.
Работа выполнена авторским коллективом Общества с ограниченной ответственностью Научно-технический центр "Ферммаш" (ООО НТЦ "Ферммаш"): (канд. техн. наук, руководитель проекта В.И. Стяжкин, канд. с.-х. наук, П.Н. Виноградов, исполнители: зам. генер. директора Г.Л. Забелин, вед. инженер В.В. Мысин, инженер Е.С. Янова).
Настоящий свод правил распространяется на проектирование вновь строящихся, реконструируемых и технически перевооружаемых сооружений животноводческих, птицеводческих и звероводческих предприятий:
- силосные и сенажные траншеи;
- сооружения для обработки кожного покрова животных;
- площадки для погрузки и выгрузки животных;
- секционные навозохранилища и пометохранилища;
- площадки для компостирования навоза и помета;
- въездные дезбарьеры с подогревом и без подогрева дезраствора;
- ограждения;
- сооружения для утилизации трупов животных и птицы (биотермические ямы);
- сооружения консервации скотомогильников.
В настоящем своде правил использованы нормативные ссылки на следующие документы:
ГОСТ 10178-85 Портландцемент и шлакопортландцемент. Технические условия
ГОСТ 23732-2011 Вода для бетонов и строительных растворов. Технические условия
ГОСТ 31384-2008 Защита бетонных и железобетонных конструкций от коррозии. Общие технические требования
СП 4.13130.2013 Системы противопожарной защиты. Ограничение распространения пожара на объектах защиты. Требования к объемно-планировочным и конструктивным решениям
СП 5.13130.2009 Системы противопожарной защиты. Установки пожарной сигнализации и пожаротушения автоматические. Нормы и правила проектирования (с изменением N 1)
СП 8.13130.2009 Системы противопожарной защиты. Источники наружного противопожарного водоснабжения. Требования пожарной безопасности (с изменением N 1)
СП 12.13130.2009 Определение категорий помещений, зданий и наружных установок по взрывопожарной и пожарной опасности
СП 14.13330.2014 "СНиП II-7-81* Строительство в сейсмических районах" (с изменением N 1)
СП 19.13330.2011 "СНиП II-97-76 Генеральные планы сельскохозяйственных предприятий" (с изменением N 1)
| | ИС МЕГАНОРМ: примечание. В официальном тексте документа, видимо, допущена опечатка: свод правил "Здания и сооружения на подрабатываемых территориях и просадочных грунтах" имеет номер СП 21.13330.2012, а не СП 21.13330.2011. | |
СП 21.13330.2011 "СНиП 2.01.09-91 Здания и сооружения на подрабатываемых территориях и просадочных грунтах"
СП 28.13330.2012 "СНиП 2.03.11-85 Защита строительных конструкций от коррозии" (с изменениями N 1, N 2)
СП 63.13330.2012 "СНиП 52-01-2003 Бетонные и железобетонные конструкции. Основные положения" (с изменениями N 1, 2)
СП 70.13330.2012 "СНиП 3.03.01-87 Несущие и ограждающие конструкции" (с изменением N 1)
СП 72.13330.2016 "СНиП 3.04.03-85 Защита строительных конструкций и сооружений от коррозии"
Примечание - При пользовании настоящим сводом правил целесообразно проверить действие ссылочных документов в информационной системе общего пользования - на официальном сайте федерального органа исполнительной власти в сфере стандартизации в сети Интернет или по ежегодному информационному указателю "Национальные стандарты", который опубликован по состоянию на 1 января текущего года, и по выпускам ежемесячного информационного указателя "Национальные стандарты" за текущий год. Если заменен ссылочный документ, на который дана недатированная ссылка, то рекомендуется использовать действующую версию этого документа с учетом всех внесенных в данную версию изменений. Если заменен ссылочный документ, на который дана датированная ссылка, то рекомендуется использовать версию этого документа с указанным выше годом утверждения (принятия). Если после утверждения настоящего свода правил в ссылочный документ, на который дана датированная ссылка, внесено изменение, затрагивающее положение на которое дана ссылка, то это положение рекомендуется применять без учета данного изменения. Если ссылочный документ отменен без замены, то положение, в котором дана ссылка на него, рекомендуется применять в части, не затрагивающей эту ссылку. Сведения о действии сводов правил целесообразно проверить в Федеральном информационном фонде стандартов.
3. Термины, определения и обозначения
3.1 В настоящем своде правил применены следующие термины с соответствующими определениями.
3.1.1 абсорбция: Поглощение какого-либо вещества из газообразной среды или раствора поверхностным слоем жидкости или твердого тела.
3.1.2 абсорбенты: Высокодисперсные природные или искусственные материалы с большой удельной поверхностью, на которой происходит адсорбция веществ из соприкасающихся с ней газов или жидкостей.
3.1.3 биотермический процесс: Процесс самовозгорания, происходящий в результате роста и развития разнообразных, в основном теплолюбивых (термофильных) микроорганизмов в аэробных условиях, т.е. при достаточном доступе воздуха.
3.1.4 биотермическая яма: Сооружение ветеринарного профиля, обеспечивающее обеззараживание трупов павших животных и их утилизацию.
3.1.5 въездной дезбарьер: Ванна с подогревом или без подогрева дезраствора, обеспечивает дезинфекцию колес въезжающего автотранспорта на территорию животноводческого, птицеводческого или звероводческого предприятия и предотвращает попадание отработанного дезраствора в почву.
3.1.6 жижесборник: Емкость для сбора, хранения и обеззараживания навозной жижи; входит в состав площадки компостирования навоза и помета.
3.1.7 компост: Органическое удобрение, полученное в результате разложения органических отходов растительного или животного происхождения.
3.1.8 купочная ванна: Сооружение для обработки кожного покрова животных; предназначается для обработки кожного покрова животных противопаразитарными и дезинфицирующими препаратами.
3.1.9 навозохранилище (пометохранилище) секционного типа (открытое или закрытое): Сооружение из железобетона, обеспечивающее хранение и обеззараживание навоза, помета, навозных и пометных стоков перед внесением их в поле в качестве органических удобрений.
3.1.10 площадка компостирования навоза и помета: Площадка, предназначенная для обеззараживания с помощью компостирования и подготовки навозных и пометных масс для внесения на поля.
3.1.11 площадки для погрузки и выгрузки животных: Сооружения, конструктивно обеспечивающие безопасность животных в процессе вышеуказанных операций.
3.1.12 раскол: Узкий, тесный, ограниченный с боковых сторон прогон для отбивки отдельных животных, идущих один за другим и их фиксации.
3.1.13 силосная (сенажная) траншея: Сооружение, предназначенное для хранения силоса и сенажа, как правило, из железобетонных плит наземного, полузаглубленного или заглубленного типа.
3.1.14 скотомогильник: Сооружение для захоронения трупов животных.
Примечание - В России с 1996 г. захоронение трупов животных в землю запрещено.
3.1.15 сокоприемник: Специальный резервуар, предназначенный для сбора силосного сока, образующегося в процессе закладки силосной массы и ее усадки, с последующей его откачкой и вывозом.
3.1.16 сооружение консервации скотомогильника: Конструкция, обеспечивающая после окончания функционирования скотомогильника предотвращение проникновения людей к "могилам", а также предотвращение контакта содержимого скотомогильника с подземными и паводковыми водами и отсутствие контакта с внешней средой в случае возникновения чрезвычайных ситуаций (например, затопления).
3.2 В настоящем своде правил применены следующие обозначения.
Кд - коэффициент бокового давления силосуемой массы;
Кн - коэффициент надежности по назначению, учитывающий ответственность сооружений;
Кп - коэффициент, учитывающий уменьшение давления вследствие податливости ограждений;

- вертикальное нормативное давление;

- горизонтальное нормативное давление на стены траншеи;

- горизонтальное нормативное давление на стены вертикальные и наклонные;

- давление, поперечное к наклонной поверхности стены;

- давление, продольное к наклонной поверхности стены;

- расчетное значение вертикального давления;

- расчетное значение горизонтального давления;
Pв - вертикальное давление нормативное и расчетное;
Pг - горизонтальное давление нормативное и расчетное;
h - высота от верха силосуемой массы до уровня днища траншеи;
hж - высота от расчетного уровня силосного сока (жидкости) до поверхности днища сооружения;
q - временная приведенная нагрузка на 1 м2 горизонтальной поверхности силосуемой массы от трамбующего средства;

- нормируемая объемная плотность силосуемой массы;

- плотность силосного сока (жидкости);

- нормируемый угол внутреннего трения силосуемой массы.
4.1 При проектировании сооружений следует:
- принимать конструктивные схемы, обеспечивающие необходимую прочность, жесткость и пространственную неизменяемость сооружения в целом, а также его отдельных элементов на всех стадиях возведения (монтажа) и эксплуатации;
- соблюдать при выборе конструкций, строительных изделий и материалов для сооружений, размещаемых на одной площадке, требования общеплощадочной унификации;
- применять конструкции и материалы, согласованные с заказчиком, в том числе конструкции, разработанные для зданий и по номенклатуре других сооружений;
- увязывать с архитектурой окружающей застройки материалы ограждающих конструкций сооружений, их отделку и окраску;
- принимать оптимальные конструктивные решения по экономичности с учетом полной стоимости строительства и стоимости эксплуатации, приведенной к году окончания строительства;
- соблюдать требования по охране окружающей среды принимая меры для уменьшения загрязнения атмосферы выбросами с поверхности навозохранилищ и пометохранилищ, а также проникание в грунт утечек жидкости из навозохранилищ, силосных и сенажных траншей, купочных ванн, биотермических ям.
4.3 Категории помещений сооружений, сооружений по взрывопожарной опасности определяют на стадии проектирования в соответствии с
СП 12.13130 и устанавливают в подразделе проекта "Технологические решения"
[17].
4.4 Сооружения животноводческих, птицеводческих и звероводческих предприятий следует проектировать нормального уровня ответственности II, не ниже степени огнестойкости III, класса конструктивной пожарной опасности C0 и C1:
- силосные и сенажные траншеи;
- площадки для погрузки и выгрузки животных;
- секционные навозохранилища и пометохранилища;
- площадки для компостирования навоза и помета;
- въездные дезбарьеры с подогревом и без подогрева дезраствора;
- сооружения консервации скотомогильников.
Сооружения для обработки кожного покрова животных, ограждения на территории предприятий, сооружения для утилизации трупов животных и птицы (биотермические ямы) при применении отдельных конструктивных элементов из металла и дерева следует проектировать нормального уровня ответственности, степени огнестойкости IV - V.
При проектировании следует учитывать возможность воздействия попеременного замораживания и оттаивания на конструкции в соответствии с
ГОСТ 31384.
4.5 Размещение сооружений должно обеспечивать минимальные расстояния перевозки сырья, готовой продукции, отходов.
4.6 Силосные и сенажные траншеи следует, как правило, располагать с наветренной стороны (ветров преобладающего направления) по отношению к зданиям для содержания животных, зверей и птицы; навозохранилища и пометохранилища, площадки для компостирования навоза, помета - с подветренной стороны (по отношению к перечисленным выше зданиям).
4.7 Санитарные разрывы между сооружениями для утилизации трупов животных и птицы, сооружений консервации скотомогильников и селитебной зоной определяют в соответствии с требованиями
СанПиН 2.2.1/2.1.1.1200.
4.8 При проектировании силосных и сенажных траншей, сооружений для обработки кожного покрова животных, въездных дезбарьеров, ограждений при технико-экономическом обосновании и экономической целесообразности допускается применять оклеечную и наплавляемую гидроизоляцию.
5. Требования к проектированию территории
5.1 Сооружения животноводческих и звероводческих предприятий на территории предприятия размещают в соответствии с требованиями
СП 19.13330 с соблюдением принципа зонирования.
5.2 Силосные и сенажные траншеи размещают в зоне хранения и подготовки кормов (сырья) выше по рельефу по отношению к производственным зданиям. Расстояние до зданий содержания животных определяют в соответствии с технологическими требованиями с соблюдением противопожарных разрывов.
5.3 Сооружения для обработки кожного покрова животных размещают на территории животноводческих, птицеводческих и звероводческих предприятий на расстоянии не менее противопожарных разрывов от производственных зданий.
В зоне отгонного животноводства данные сооружения размещают как объект общехозяйственного назначения по обслуживанию всех или нескольких ферм хозяйства на скотопрогонах к пастбищу или на участках, где организуют стрижку овец и коз по заданию на проектирование.
5.4 Площадки для приема и погрузки животных располагают по линии внешнего ограждения вблизи обслуживаемых производственных цехов (зданий) на расстоянии, определяемом технологией производства и соблюдением противопожарных разрывов.
5.5 Открытые секционные навозохранилища и площадки для компостирования навоза и помета располагают в зоне хранения, обеззараживания и переработки отходов производства ниже по рельефу по отношению к производственным зданиям с соблюдениям следующих минимальных зооветеринарных расстояний:
- открытые хранилища и накопители полужидкого и жидкого навоза для животноводческих ферм и комплексов - 60 м;
- открытые пометохранилища всех направлений и типоразмеров птицеводческих предприятий и комплексов на 54 тыс. свиней и более в год - 300 м;
- площадки для буртования подстилочного навоза и твердой фракции бесподстилочного навоза - 15 м;
- площадки для буртования подстилочного помета, твердой фракции бесподстилочного помета - 300 м;
- площадки для подготовки компостов:
- на основе навоза - 15 м;
- на основе помета - 300 м.
5.6 Въездные дезбарьеры с подогревом дезраствора размещают на главном въезде на территорию животноводческих, птицеводческих и звероводческих предприятий.
Дезбарьер без подогрева дезраствора размещают при въезде в зону хранения кормов животноводческих предприятий, в зону содержания птицы, инкубатория, цеха убоя птицы, убойно-санитарного пункта птицефабрик и птицеводческих ферм.
5.7 Животноводческие, птицеводческие и звероводческие предприятия работают в режиме закрытого типа. Их территория должна быть огорожена сплошным забором от несанкционированного проникновения на территорию домашних и диких животных, людей и транспорта.
Каждая зона (площадка) птицеводческих предприятий также должна быть огорожена сплошным забором.
Карантин и убойно-санитарный пункт, предназначенные для обслуживания одного предприятия, допускается размещать на одной площадке с этим предприятием. При этом они должны быть расположены отдельно друг от друга на расстоянии не менее 50 м, огорожены сплошным забором высотой 2 м с цоколем, заглубленным в землю не менее чем 0,2 м.
Ограждения биотермических ям и скотомогильников рассматривают в
6.8 и
6.9.
Размещение ограждений выгульных площадок и скотоперегонов определено в задании на проектирование.
Высота ограждений животноводческих, птицеводческих и звероводческих предприятий приведена в
[3] -
[10].
5.8 Сооружения для утилизации трупов животных и птицы (биотермические ямы) размещаются не менее чем в 1000 м от животноводческих, птицеводческих и звероводческих предприятий.
5.9 Утилизация трупов павших животных и птицы путем возведения скотомогильников в соответствии с
[14] не допускается.
Все скотомогильники, находящиеся на территории Российской Федерации, подлежат консервации.
Сооружения консервации скотомогильников рассматривают в
6.9.
6. Сооружения животноводческих, птицеводческих
и звероводческих предприятий
6.1. Силосные и сенажные траншеи
6.1.1 Траншеи для хранения силоса и сенажа проектируют трех типов: наземные, полузаглубленные (при заглублении меньше
1/
2 высоты траншей) и заглубленные (с высотой стен над уровнем земли 50 - 70 см)
[12].
Наземные и полузаглубленные траншеи проектируют проездными или тупиковыми с одной торцовой стеной.
Заглубленные траншеи проектируют только тупиковыми.
Траншеи проектируют с обязательным применением гидроизоляции от проникновения сока в почву. Они оборудуются сокоприемником; конструкции траншей должны выдерживать трамбовку силосной массы тракторами.
6.1.2 Строительные конструкции траншей должны быть прочными, долговечными, огнестойкими и экономичными.
Они должны быть устойчивыми к воздействию кормов, моющих и дезинфицирующих средств, не должны выделять вредных веществ, а антикоррозийные покрытия и обработка осуществляются безвредными средствами для животных и кормов
[12].
6.1.3 Несущие и ограждающие конструкции траншей должны быть рассчитаны на восприятие нагрузок от кормов, снега, ветра, трамбующих механизмов и транспортных средств. Днища траншей проектируют с учетом нагрузок от кормов, трамбующих механизмов и транспортных средств. Днища должны иметь уклоны от 1% до 3% для отвода атмосферных осадков и сока.
6.1.3.1 Определение давления силосуемой массы и трамбующих механизмов на конструкции траншей
Вертикальное нормативное давление на днище наземного траншейного хранилища от силосуемой массы и трамбующих средств следует вычислять по формуле

(1)
где

- нормируемая объемная плотность силосуемой массы, принимается равной: для силоса - 750 кгс/м
3, для сенажа - 550 кгс/м
3;
h - высота от верха силосуемой массы до уровня днища траншеи, м;
q - временная приведенная нагрузка на 1 м2 горизонтальной поверхности силосуемой массы от трамбующего средства, кгс/м2.
Для траншейных хранилищ рекомендуется q = 1000 кгс/м2, что соответствует нагрузке от трактора весом 15 т;
Кn - коэффициент, учитывающий уменьшение давления вследствие податливости ограждений (для стен из каменной, бетонной и бутобетонной кладки Кn = 1, для железобетонных стен Кn = 0,9 и для деревянных стен Кn = 0,8);
Кн - коэффициент надежности по назначению, учитывающий ответственность сооружений, Кн = 0,9.
Горизонтальное нормативное давление на стены траншеи следует вычислять как часть вертикального давления по формуле строительной механики сыпучих тел:
| | ИС МЕГАНОРМ: примечание. Формула дана в соответствии с официальным текстом документа. | |

(2)
где Кд - коэффициент бокового давления силосуемой массы, вычисляемый по формуле

(3)
где

- нормируемый угол внутреннего трения силосуемой массы, принимаемый равным для силоса 32°, для сенажа - 36°.
Расчетные значения вертикального и горизонтального давления принимают с учетом коэффициентов перегрузки nс = 1,4 для силосуемой массы, nн = 1,2 для трамбующих механизмов.

(4)

(5)
При наклонных стенах траншей нормативное и расчетное давление на поверхности наклонных стен определяют с учетом отклонения стены от вертикали на угол

.
При этом

принимают в пределах отклонения стены от вертикали (
i <= 1:10). Давление, поперечное к наклонной поверхности стены, вычисляют по формуле

(6)
Давление, продольное к наклонной поверхности стены, вычисляют по формуле

(7)
где
Pг - горизонтальное давление нормативное и расчетное по
формулам (2) и
(5);
6.1.3.2 Определение давления силосной (сенажной) массы в заглубленных и полузаглубленных траншеях, в которых возможно скопление силосного сока.
Вертикальное нормативное давление на днище заглубленных и полузаглубленных траншей вычисляют по формуле

(8)
где

,
h,
q,
Кn и
Кн - имеют значения, приведенные в
формуле (1);
hж - высота от расчетного уровня силосного сока (жидкости) до поверхности днища сооружения, принимаемая в соответствии с запроектированными устройствами для удаления силосного сока, но не менее 0,25 высоты стен в сооружениях для силоса, м;

- плотность силосного сока (жидкости), принимаемая равной 1000 кг/м
3.
Горизонтальное нормативное давление на стены вертикальные и наклонные (с уклоном от вертикали в пределах до 1:10) принимается равным:

(9)
где
Кд - коэффициент бокового давления силосной массы, вычисляемый по
формуле (3);

- вертикальное нормативное давление, вычисляемое по
формуле (8).
Расчетное значение вертикального и горизонтального давлений вычисляют по
формулам (4) -
(7) с учетом коэффициентов перегрузки для силосной массы (
nс = 1,4), трамбующих механизмов (
nн = 1,2) и силосного сока (жидкости) (
nж = 1,0).
Примечание - Поверхность массы во всех типах траншей должна иметь поперечные уклоны от середины к продольным стенам для стока атмосферных вод. Траншеи следует заполнять до верхнего обреза стен.
6.1.4 Стены и днища заглубленных траншей для силоса и сенажа, кроме того, следует рассчитывать на воздействия от грунта.
Наклон стен в зависимости от вида грунта следует принимать:
- глина и суглинок | - 1:10 - 1:5; |
- супесь, песок влажный | - 1:5 - 1:3; |
- песок сухой | - 1:2 - 1:1,3. |
6.1.5 При проектировании траншей силоса и сенажа для строительства в районах, подверженных сейсмическим воздействиям, в районах с вечномерзлыми или просадочными грунтами, следует соблюдать требования
СП 14.13330,
СП 21.13330.
6.1.6 Траншеи для хранения силоса и сенажа рекомендуется проектировать с несущими и ограждающими конструкциями из железобетона, бетона или местных строительных материалов.
6.1.7 Конструктивные решения стенового ограждения наземных траншей для силоса и сенажа могут быть с применением:
- контрфорсов и стеновых плит;
- Т-образных или Г-образных железобетонных элементов;
- стоек, заделанных в фундаменты, и стеновых плит;
- мелкоштучных каменных материалов.
6.1.8 Внутренние поверхности стен траншей должны быть гладкими, без выступов, углублений и щелей, препятствующих осадке силосной или сенажной массы.
6.1.9 Поверхности стен и днищ траншей для силоса должны быть стойкими или защищены покрытиями против воздействия на них молочной (до 2,5% и масляной до 0,5%) кислот и водородного показателя pH 3,7 - 4,8.
6.1.10 Температурные швы в стеновых ограждениях наземных траншей следует выполнять в соответствии с требованиями
СП 50.13330 и с учетом примененных материалов.
6.1.11 Температурные швы в монолитных днищах траншей всех типов выполняют с учетом требований
СП 29.13330.
6.1.12 Днища в наземных траншеях следует устраивать на 15 - 20 см выше проектных отметок поверхности земли. Для сопряжения днищ с поверхностью земли делают наружные пандусы.
6.1.13 Перед въездами в траншеи следует устраивать площадки с твердым покрытием.
Размеры площадки должны обеспечивать нормальную работу механизмов при загрузке и выгрузке кормов.
6.1.14 Для утепления стен наземных и полузаглубленных траншей следует применять обваловку стен местным насыпным грунтом. Насыпь делают по углу естественного откоса грунта и укрепляют посевом трав.
6.1.15 Для бетонных и железобетонных конструкций стен и днищ траншей силоса и сенажа следует применять бетон класса прочности на сжатие не ниже B25, марки по морозостойкости F200, марки по водонепроницаемости W6.
6.1.16 Основания днищ хранилищ силоса и сенажа следует выполнять из уплотненного местного грунта с втрамбованным в него щебнем или гравием.
6.1.17 В стенах и днищах хранилищ для силоса (сенажа) не допускается образование трещин. Внутренние поверхности стен в зависимости от степени агрессивного воздействия силосного сока должны иметь защитные покрытия в соответствии с
СП 72.13330. При этом покрытия должны быть безвредными для животных и кормов.
6.1.18 Траншеи каждого вида могут быть одиночными и блочными.
6.1.19 Силосные (сенажные) траншеи устраивают на участке с непучинистыми и непросадочными грунтами. Для обваловывания траншей следует применять смеси из суглинков и супеси.
Стены траншей выполняют из сборных железобетонных панелей. Контрфорсы устанавливают на сборные железобетонные плиты. Днище выполняют монолитным или сборно-монолитным.
В проездных траншеях длиной более 40 м в стенах между панелями устраивается температурный шов на одном из контрфорсов.
6.1.20 При возведении фундаментов под контрфорсы необходимо выполнять следующие условия:
- общее заглубление основания фундаментов должно быть не менее 500 мм от отметки днища;
- фундаментные плиты следует устанавливать на подготовленное основание в виде утрамбованного в грунт щебня, толщина которого должна быть не менее 100 мм и должна выступать за грани подошвы не менее чем на 100 мм;
- перед устройством фундаментов необходимо удалить растительный слой грунта и основание фундамента заглубить в материковый грунт не менее 100 мм, при этом общее заглубление от верха пола днища должно быть не менее 500 мм.
6.1.21 Днище выполняют с уклоном 0,010 в сторону въезда в траншеи. После снятия растительного слоя следует выполнить уплотненную подсыпку из местного грунта с уклоном 0,010 в сторону въезда в траншеи. Отметки верха подсыпки следует принимать ниже днища из монолитного бетона на 200 мм и для сборно-монолитного днища - ниже 240 мм. Сверху подсыпки следует уложить слой щебня или гравия, пропитанного битумом, толщиной 60 мм.
6.1.22 Сокоприемник выполняют из сборных железобетонных конструкций на цементном растворе марки 200. Отверстия в кольцах для пропуска сокопровода заполняют бетоном на мелком щебне класса B15.
Размеры сокоприемника приведены в
[12]. Сокоприемник располагается у въезда в траншею, сок в него поступает по сокопроводу, который размещается поперек въезда в траншею.
6.1.23 Для защиты силоса от промерзания и нагрева вдоль наружных стен предусматривается обваловывание грунтом. По верху обваловывания устраивают водонепроницаемую отмостку из жирной глины по уплотненному основанию.
6.1.24 В соответствии с требованиями
СП 29.13330 непосредственный контакт бетонных и цементных конструкций с кислотами, содержащимися в силосном соке, не допускается.
6.1.25 Для герметизации и защиты стен и днищ от коррозии их внутренние поверхности, соприкасающиеся с силосом, окрашиваются тремя слоями горячего битума по слою холодной битумной грунтовки. Общая толщина защитного покрытия должна быть не менее 600 мкм.
Наружные поверхности сокоприемника и сокосборника окрашиваются горячим битумом за два раза по холодной битумной грунтовке. Общая толщина покрытия не менее 300 мкм.
6.1.26 Для бетонных и железобетонных конструкций предусматривается один из видов цемента: портландцемент, портландцемент с минеральными добавками, шлакопортландцемент, соответствующие требованиям
ГОСТ 10178.
6.1.27 В качестве заполнителей следует предусматривать кварцевый песок, щебень, гравий, соответствующие требованиям
ГОСТ 8736.
6.1.28 Воду для затворения бетонной смеси необходимо принимать в соответствии с требованиями
ГОСТ 23732.
6.1.29 Монтаж сборных железобетонных конструкций следует проводить в соответствии с требованиями
СП 70.13330 и
[2].
6.1.30 Обвалование наружных стен траншей необходимо производить только после устройства бетонного днища, путем укладки грунта оптимальной влажности с послойным уплотнением. Применение бульдозеров, катков и других механизмов, создающих дополнительное давление на стены, не допускается. Срезанный растительный грунт следует использовать для укрепления откосов обвалования.
6.1.31 Подсыпку под днище необходимо выполнять из местного грунта оптимальной влажности с уплотнением грунта бульдозерами, катками или другими механизмами в соответствии с требованиями
СП 45.13330.
6.1.32 На рисунках 1 и
2 представлена сблокированная траншея (план и разрез).
СС - сокосборник; СК - сокоприемник;
СП - сокопровод (полиэтиленовая труба)
Рисунок 1 - План наземного типа тупиковой сблокированной
траншеи, состоящей из двух расположенных рядом траншей
Рисунок 2 - Продольный разрез 1-1 наземного типа тупиковой
сблокированной траншеи, состоящей из двух
расположенных рядом траншей
На рисунках 3 и
4 представлены план и разрез проездной траншеи однорядной наземного типа.
СС - сокосборник; СК - сокоприемник;
СП - сокопровод (полиэтиленовая труба)
Рисунок 3 - План проездной траншеи наземного типа
Рисунок 4 - Продольный разрез 1-1 проездной траншеи
наземного типа
6.2. Сооружения для обработки кожного покрова животных
6.2.1 Купочную ванну проектируют в виде бассейна с дезраствором, который не должен проникать в почву; оборудуется с двух сторон пологим спуском и выходом, позволяющими животным заходить и выходить из ванной. Неотъемлемой частью сооружения являются накопительные площадки для обработки животных аэрозолями и отжимными устройствами после купки животных.
Их необходимо размещать на участках с непросадочными грунтами и глубиной залегания грунтовых вод не менее 2,5 м (сооружения для обработки кожного покрова крупного рогатого скота и лошадей) и 1,5 м (сооружения для обработки кожного покрова овец, коз, свиней).
6.2.2 В состав сооружений для обработки кожного покрова животных должны входить:
- накопительный загон;
- раскол;
- коридор;
- бассейн (ванна);
- отжимная площадка;
- площадка для обработанных животных.
6.2.3 Накопительный загон для крупного рогатого скота должен иметь твердое покрытие. Загон проектируется квадратной формы из расчета 2,5 - 3,0 м2 на голову. Вместимость накопительного загона определяется заданием на проектирование.
Накопительный загон должен переходить в раскол конусообразной формы с твердым покрытием площадью 18 - 20 м2 из расчета на 8 - 10 голов; узкой стороной раскол переходит в коридор с твердым покрытием из асфальтобетона длиной 550 - 600 см и шириной 80 - 90 см, раскол заканчивается площадкой длиной 50 см с крутым откосом в сторону купочной ванны.
Купочную ванну проектируют в виде бетонной траншеи с входным и выходным пандусами в торцах.
Днище траншеи должно иметь уклон в сторону входного пандуса.
Входной пандус должен иметь гладкую поверхность с уклоном 1:1.
Размеры элементов купочной ванны:
- длина 1350 см, в которую входит входная площадка 50 см, длина плавания 700 см и выход 600 см;
- ширина по верху 135 см, по уровню вод или раствора 110 см и по дну 50 см;
- глубина у входной площадки 235 см и у начала выхода 200 см.
Ванну наполняют на 180 см у входной площадки. Выходной пандус должен иметь поверхность с уклоном не более 1:4 с выступами (планками) для предупреждения обратного соскальзывания животных.
На дне купочной ванны перед входным пандусом проектируют выпуск для жидкости в канализационный колодец (сборный или поглощающий).
Сбоку купочной ванны проектируют навес, под которым устанавливают два бака для воды, водонагреватель. Под навесом проектируют небольшое помещение, отделенное стеной от размещенного оборудования для приготовления концентрированных (маточных) растворов и определения пригодности растворов в купочной ванне.
Отжимную площадку с твердым покрытием проектируют площадью 35 - 40 м2 квадратной формы из расчета на 10 - 12 голов. Покрытие отжимной площади должно иметь уклон 1:1,5 в сторону купочной ванны.
После отжимной площадки необходимо проектировать площадку с твердым покрытием для обработанных животных, площадь которой определяется заданием на проектирование.
Ограждение площадок, раскола и коридора высотой 100 - 110 см выполняется по железобетонным стойкам из жердей или брусков.
6.2.4 Сооружения для обработки кожного покрова овец и коз конструктивно аналогичны сооружениям для обработки кожного покрова крупного рогатого скота и отличаются размерами.
Накопительный загон для овец и коз проектируют из расчета 1,0 - 1,2 м2 на голову.
Раскол проектируют из расчета 0,75 - 0,9 м2 на голову. Раскол площади 18 - 20 м2.
Размеры коридора: длина 450 - 500 см, ширина 40 - 50 см, высота 60 - 70 см. Длина купочной ванны с площадками 2185 см; входная площадка 115 см, длина плавания 1700 см; выход 225 см и выходная площадка 145 см, ширина купальной ванны по верху 62 см, по дну 45 см. Глубина купальной ванны у входной площадки 125 см, у начала выхода 95 см.
Купочную ванну для овец и коз наполняют на глубину 100 см у входной площадки. К выходной площадке примыкает отжимная площадка площадью 10 x 7 м. На ней животных задерживают и отжимают жидкость (руками).
6.2.5 Размеры отдельных элементов сооружений для обработки кожного покрова свиней и лошадей определяются заданием на проектирование.
6.2.6 Схема сооружений для обработки кожного покрова животных приведена на рисунке 5.
I - купочная ванна; II - накопительный загон
с расколом; III - отжимная площадка; IV - площадка
для обработанных животных
1 - паровой котел; 2 - бак приготовления
маточного раствора; 3 - бочка для креолина
Рисунок 5 - Схема сооружений для обработки
кожного покрова животных
6.2.7 Купочную ванну следует проектировать из сборных железобетонных лотков.
Ограждение купочной ванны, предкупочного и послекупочного загонов выполняется из сборных железобетонных стоек. Фундаменты - из монолитного бетона класса B7,5. Полы (покрытие) выполняют из сборных железобетонных плит по подстилающему слою - песчаной подготовке из песка средней крупности толщиной 100 мм; основание - уплотненный спланированный грунт, монолитные участки - из бетона класса по прочности на сжатие B7,5.
Швы между сборными железобетонными плитами и лотками следует зачеканивать цементным раствором марки М50. Внутреннюю поверхность ванны затирают цементным раствором и железнят. Переходы полов и стенок выхода из ванны необходимо закруглить радиусом в пределах 5 см. Гидроизоляцию стенок и днища канализационного колодца для сбора отработанного раствора необходимо выполнять горячим битумом за два раза.
Разрез купочной ванны приведен на рисунке 6.
Рисунок 6 - Разрез купочной ванны
6.2.8 На рисунке 7 приведена конструкция колодца для сбора отработанного раствора.
Рисунок 7 - Колодец для сбора отработанного раствора
Канализационный колодец для отвода стоков (гексахлоранокреолиновых) размещают по направлению в сторону понижения местности. В колодце устанавливают задвижку с выносной колонкой управления. Отработанные стоки собирают в жижесборник, обезвреживают и утилизируют согласно требованиям ветеринарно-санитарной службы.
6.3. Площадки для приема и погрузки животных
6.3.1 Площадки для приема и погрузки животных (переводимых из одного в другой период выращивания, поступающих из хозяйств, отправляемых в другие хозяйства, и на убой) следует проектировать в составе: эстакады погрузки/выгрузки животных, предвесового накопителя, весовой, послевесового накопителя, рампы.
6.3.2 Накопители и весовую следует проектировать прямоугольной формы, их площади определены в задании на проектирование.
6.3.3 На рисунках 8,
9 приведены план и разрезы площадки для приема и отгрузки животных.
1 - предвесовые накопители; 2 - весовая с двумя весами;
3 - послевесовой накопитель
Рисунок 8 - Площадка приема и отгрузки свиней
Рисунок 9 - Разрез 1-1 площадки приема и отгрузки свиней
6.3.4 На рисунках 10 -
12 представлены план и разрезы примыкающей к площадке эстакады для прохождения животных на погрузку (выгрузку).
Рисунок 10 - План эстакады для прохождения животных
на погрузку (выгрузку)
Рисунок 11 - Разрез 1-1 разгрузочной платформы рампы
Рисунок 12 - Разрез 2-2 трапа для прохода животных
на площадку рампы
6.3.5 Рампа необходима для погрузки животных на машину с накопительной площадки. Уровень разгрузочной платформы рампы необходимо проектировать на высоте 1,2 м, соответствующей уровню пола скотовоза. Поперечный уклон пола рампы следует принимать равным 1%.
6.3.6 Рампа состоит из площадки с трапом для прохода животных. На трапе закрепляют специализированное резиновое покрытие, препятствующее скольжению или падению животных. Резиновое покрытие должно быть толщиной 30 мм, морозостойким, должно препятствовать образованию льда и не впитывать воду.
6.3.7 Борта рампы и трапа должны быть подняты на высоту 1000 мм для предотвращения падения животных; внутренняя часть бортов выполняется из гладкого листа металла. Стойки, удерживающие борта рампы, должны быть вынесены наружу бортов - для предотвращения травм животных. В верхней части рампы устроена откидная аппарель, при погрузке/разгрузке ее укладывают на пол кузова автомобиля. Для более надежной фиксации аппарель следует крепить цепными фиксаторами к бортам кузова автомобиля.
В площадке рампы предусматривают две распашные двери с ручным устройством закрывания/открывания. Угол открывания дверей - 270°.
6.4. Секционные навозохранилища и пометохранилища
6.4.1 Хранилища навоза и помета могут быть заглубленными, полузаглубленными и наземными. Конструкция хранилищ зависит от консистенции поступающих в них навоза и помета и гидрогеологических условий строительства.
6.4.2 В целях совмещения процессов карантинирования и хранения навоза и помета количество секций хранилищ в соответствии с
[13] должно быть не менее двух.
6.4.3 Для бесподстилочного навоза и помета хранилища устраивают заглубленными или наземными траншейного типа.
Они должны иметь ограждения, устройства для забора жидкого навоза или навозной жижи насосами. Вдоль одной из стенок хранилища должны иметь съезды с уклоном 0,20.
6.4.4 Глубину хранилищ назначают в соответствии с техническими характеристиками применяемых средств для выгрузки заданием на проектирование, но не более 5 м. Ширина навозохранилища (пометохранилища) должна быть не менее 18 м.
Днища и стены хранилищ должны иметь твердое гидроизоляционное покрытие.
Объем одного хранилища не должен превышать 50000 м3.
6.4.5 При обосновании для бесподстилочного помета допускается проектировать крытые заглубленные, полузаглубленные и наземные хранилища. Для бесподстилочного навоза в районах выпадения повышенного количества осадков допускается проектирование крытых хранилищ.
6.4.6 Для хранения подстилочного навоза и помета, твердой фракции жидкого навоза следует предусматривать хранилища глубиной 1,5 - 2,0 м.
Для сбора и удаления жижи из хранилищ следует предусматривать жижесборники. Дно хранилищ должно иметь уклон 0,003 в сторону хранилища.
6.4.7 Конструктивные решения навозохранилищ, пометохранилищ в соответствии с требованиями
СП 2.1.5.1059 должны исключать фильтрацию навоза, помета и навозных стоков.
6.4.8 Емкости единичных секций следует принимать 500, 1000 и 2000 т. Из этих секций компонуют навозохранилища емкостью 1000, 1500, 2000, 2500, 3000, 3500, 4000 и 6000 т.
6.4.9 Навозохранилища и пометохранилища следует устраивать из монолитного или сборного бетона или железобетона или их комбинаций.
Как правило, стены секционных навозохранилищ выполняют из сборных железобетонных плит с бетоном класса по прочности на сжатие B25 по железобетонным контрфорсам и фундаментным плитам из бетона класса по прочности на сжатие B15, днища - из монолитного бетона класса по прочности на сжатие B25. В качестве вяжущего принимается портландцемент, мелкого заполнителя - чистый песок с модулем крупности 2,0 - 2,5, крупного заполнителя - фракционированный щебень. Воду для затворения бетонной смеси принимают по
ГОСТ 23732.
6.4.10 На рисунках 13 и
14 представлены план и разрез секционного навозохранилища емкостью 2500 т. На
рисунке 15 представлены возможные варианты компоновки секционных навозохранилищ.
Рисунок 13 - План секционного навозохранилища
емкостью 2500 т
Рисунок 14 - Разрез 1-1 секционного навозохранилища
емкостью 2500 т
Рисунок 15 - Схемы компоновки секционных навозохранилищ
6.4.11 Загрузку навоза в секции хранилища допускается проводить по трубам мобильными средствами или бульдозерами. В целях предотвращения замерзания напорного навозопровода и исключения намораживания подачу жидкого навоза в навозохранилища следует предусматривать, как правило, снизу навозохранилища.
6.4.12 Днища навозохранилищ следует устраивать на грунтах, исключающих возможность деформации днищ.
6.5. Площадки для компостирования навоза и помета
6.5.1 Конструкция компостной площадки должна обеспечивать предотвращение попадания навозной жижи в почву и безопасное хранение наполнителей, добавляемых в компостируемый навоз в качестве адсорбентов. Производство компостных смесей осуществляют на прифермских открытых гидроизолированных площадках или в процессе уборки подстилочного навоза и помета из помещений.
6.5.2 Площадки для компостирования подстилочного навоза и помета в процессе уборки его из помещений проектируют секционного типа при количестве секций не менее двух.
6.5.3 Открытые водонепроницаемые площадки для компостирования окаймляются по всему периметру отводными канавами (лотками).
6.5.4 Для сбора и отвода жидкости, атмосферных осадков открытые гидроизолированные площадки должны оборудоваться жижесборниками. Сами площадки должны иметь уклон 0,002 - 0,003 в сторону жижесборников.
6.5.5 Площадь площадок приготовления компостной смеси, компостирования и хранения водопоглощающих компонентов в каждом конкретном случае определяют в задании на проектирование.
6.5.6 План и разрез секционной площадки для компостирования твердой фракции навоза приведен на рисунке 16.
Рисунок 16 - Секционная площадка для компостирования
твердой фракции навоза площадью 3860 м2
6.6. Въездные дезбарьеры с подогревом и без подогрева дезраствора
6.6.1 Въездной дезбарьер с подогревом дезраствора предназначен для дезинфекции колес транспортных средств при въезде их на территорию животноводческих предприятий и их обратном выезде в любое время года.
6.6.2 Въездной дезбарьер, как правило, размещается под навесом и представляет собой бетонную ванну, заполненную дезраствором.
Габариты ванны:
- длина по зеркалу дезраствора не менее 9 м;
- длина по днищу не менее 6 м;
- ширина ванны должна быть не менее ширины ворот;
- глубина ванны не менее 0,2 м.
Для откачки дезраствора в дне ванны предусматривается углубление, в котором размещается всасывающая труба насоса. Углубление предусматривается по середине днища.
6.6.3 В днище ванны монтируют устройство для подогрева дезраствора (трубы с теплоносителем или теплоэлектронагреватели).
Колодец для размещения оборудования подогрева (электроподогрева) размещается рядом с ванной.
6.6.4 План въездного дезбарьера с подогревом дезраствора приведен на рисунке 17.
Рисунок 17 - Въездной дезбарьер
с электроподогревом дезраствора
6.6.5 По продольным сторонам навеса необходимо выполнить отмостку.
6.6.6 Окраску поверхностей конструкций дезбарьера следует предусматривать известковой побелкой с последующей гидрофобизацией.
6.6.7 Въездной дезбарьер без подогрева дезраствора устраивают на запасных въездах животноводческих предприятий и въездах в их отдельные зоны. Дезбарьер предназначен для дезинфекции колес транспортных средств и конечностей животных в теплое время года.
Дезбарьер представляет собой бетонную ванну, которая периодически наполняется дезинфицирующим раствором или опилками, пропитанными дезраствором.
Габариты ванны:
- длина по днищу не менее 6 м;
- ширина днища ванны не менее 2,4 м;
- уровень дезраствора (толщина слоя опилок) 0,2 м;
- пандусы перед и после ванны должны иметь уклон не более 1:4.
6.6.8 План и разрез дезбарьера без подогрева дезраствора приведены на рисунке 18.
Рисунок 18 - План и разрез 1-1 дезбарьера
без подогрева дезраствора
6.7.1 Территория животноводческих, птицеводческих и звероводческих предприятий должна быть огорожена в соответствии с требованиями
СП 19.13330.
Высота и конструктивные особенности ограждений приведены в
[3] -
[10].
6.7.2 Для защиты от проникновения грызунов на территорию предприятий в нижней части ограждения применяют железобетонные цокольные блоки высотой 600 мм, заглубленные в грунт на 300 мм.
На рисунке 19 представлены конструктивные узлы металлического ограждения территории предприятия из сетчатых панелей.
а) узел примыкания панели к стене; б) разрез II-II
1 - металлическая панель ограждения; 2 - железобетонная
цокольная панель; 3 - железобетонная стойка
Рисунок 19 - Конструктивные узлы ограждения территории
животноводческих предприятий. Металлическое ограждение
из сетчатых панелей
6.7.3 Поверхности железобетонных конструкций, соприкасающихся с грунтом, должны иметь гидроизоляцию из битума.
6.7.4 На территории предприятий, как правило, отдельные элементы ограждения выгульных площадок и скотопрогонов должны быть сборными из изделий заводского изготовления. Стойки ограждений - железобетонные, заделанные в буронабивные фундаменты. Бетон фундаментов должен быть не менее М150. Между стойками устраивается ограждение из деревянных жердей для содержания на выгульных площадках крупного рогатого скота, а для свиней - из железобетонных панелей.
На рисунках 20 и
21 представлены конструктивные узлы ограждения выгульных площадок и скотопрогонов.
1 - телята; 2 - молодняк; 3 - взрослое поголовье;
4 - железобетонные стойки для выгулов
Рисунок 20 - Ограждение выгульных площадок
и скотопрогонов для крупного рогатого скота
1 - поросята-отъемыши; 2 - остальное поголовье; 3 - хряки;
4 - железобетонные стойки для выгулов; 5 - железобетонные
панели ограждения
Рисунок 21 - Ограждение выгульных площадок
и скотопрогонов для свиней
6.7.5 Объекты ветеринарного назначения (карантин, убойно-санитарный пункт, изолятор) расположенные на территории предприятия, в соответствии с
[11], должны быть огорожены сплошным забором высотой 1,9 - 2,0 м с цоколем, заглубленным в грунт не менее чем на 0,3 м. Эти объекты должны иметь самостоятельный выезд на дорогу общего пользования.
На рисунке 22 представлены конструктивные узлы ограждений ветеринарных объектов.
а) узел крепления панели ограждения
к железобетонной стойке; б) разрез I-I;
в) узел сопряжения двух панелей ограждения
1 - железобетонная панель ограждения;
2 - железобетонные фундаменты
Рисунок 22 - Железобетонное ограждение
ветеринарных объектов
На рисунке 23 представлен фрагмент деревянной глухой ограды ветеринарных объектов.
а) узел стыка двух панелей; б) разрез III-III
1 - деревянная панель ограждения; 2 - железобетонные
цокольные панели; 3 - железобетонная стойка
Рисунок 23 - Деревянная глухая ограда с цоколем
по железобетонным столбам ветеринарных объектов
6.7.6 Применение стальных труб и металлопроката для ограждений мест содержания животных (выгульных и других площадок, скотопрогонов), а также территорий животноводческих предприятий не допускается.
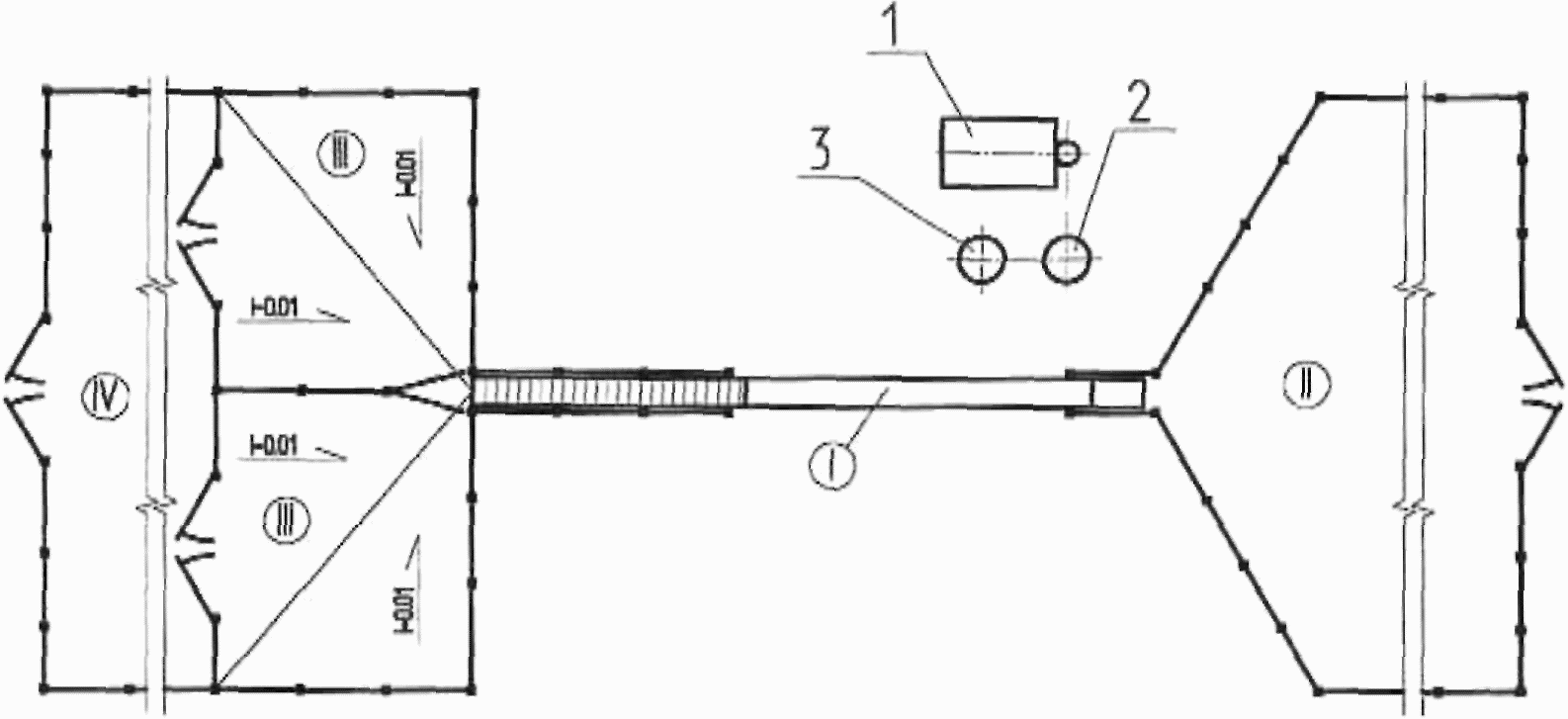
6.7.7 Территорию биотермической ямы огораживают глухим забором высотой не менее 2 м с заглублением не менее 80 см с въездными воротами. С внутренней стороны забора по периметру участка выкапывают траншею глубиной 0,8 - 1,4 м. Вынутый из траншеи грунт укладывают между траншеей и забором.
Через траншею перед воротами перекидывают мост. Разрез ограждения территории биотермической ямы представлен на рисунке 24.
I - при песчаных грунтах; II - при глинистых грунтах
Рисунок 24 - Разрез ограждения территории
биотермической ямы
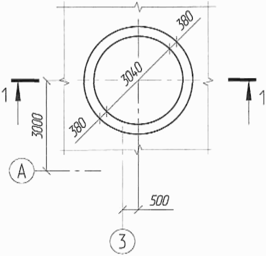
6.8. Сооружения для утилизации трупов животных и птицы (биотермические ямы)
6.8.1 Биотермическая яма представляет собой сооружение, заглубленное на 10 метров в землю, диаметром или сечением 3 x 3 м. Дно биотермической ямы устраивают таким образом, чтобы жидкость, образующаяся при биотермическом процессе, не попадала в почву; стены выполняют из кирпича и изнутри гидроизолируются, снаружи устраивают глиняный замок. Наземную часть биотермической ямы оборудуют двойной крышкой с вентиляционной системой; неотъемлемой частью сооружения является помещение вскрывочной.
Биотермические ямы в соответствии с
[11] размещают на сухом возвышенном участке земли площадью не менее 600 м
2. Уровень стояния грунтовых вод должен быть не менее 2 м от поверхности земли.
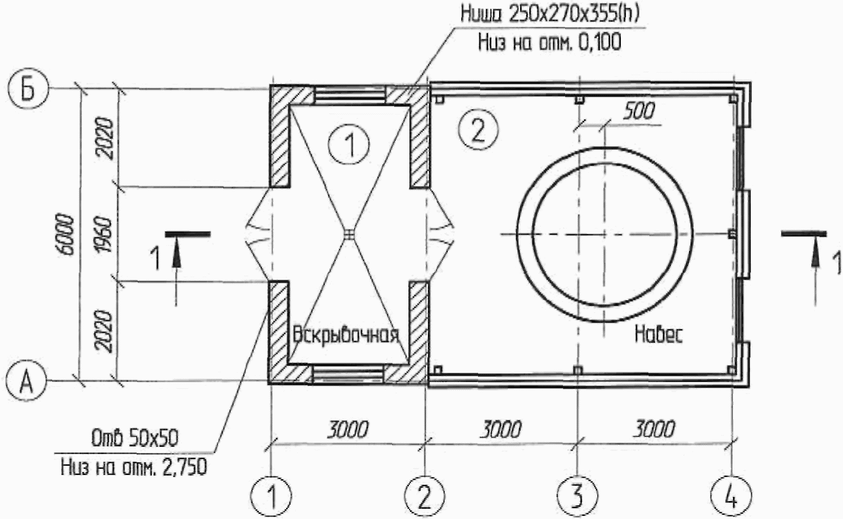
6.8.2 Сооружение, состоящее из собственно биотермической ямы, навеса над ней и примыкающей к биотермической яме вскрывочной, следует размещать в центре участка.
6.8.3 За условную отметку следует принимать отметку чистого пола вскрывочной.
Фундаменты под здание вскрывочной следует проектировать монолитными бетонными ленточными; под стойки навеса - монолитными бетонными.
Наружные стены вскрывочной следует проектировать из керамического кирпича. Толщину стен определяют в зависимости от зимней расчетной температуры наружного воздуха. Стены навеса следует проектировать из хризотилцементных листов. Фронтоны обшивают доской толщиной 25 мм.
На рисунках 25,
26 представлены план и разрезы вскрывочной с навесом для биотермической ямы.
1 - помещение вскрывочной; 2 - навес с биотермической ямой
Рисунок 25 - План вскрывочной с навесом
для биотермической ямы
Рисунок 26 - Разрез 1-1 вскрывочной с навесом
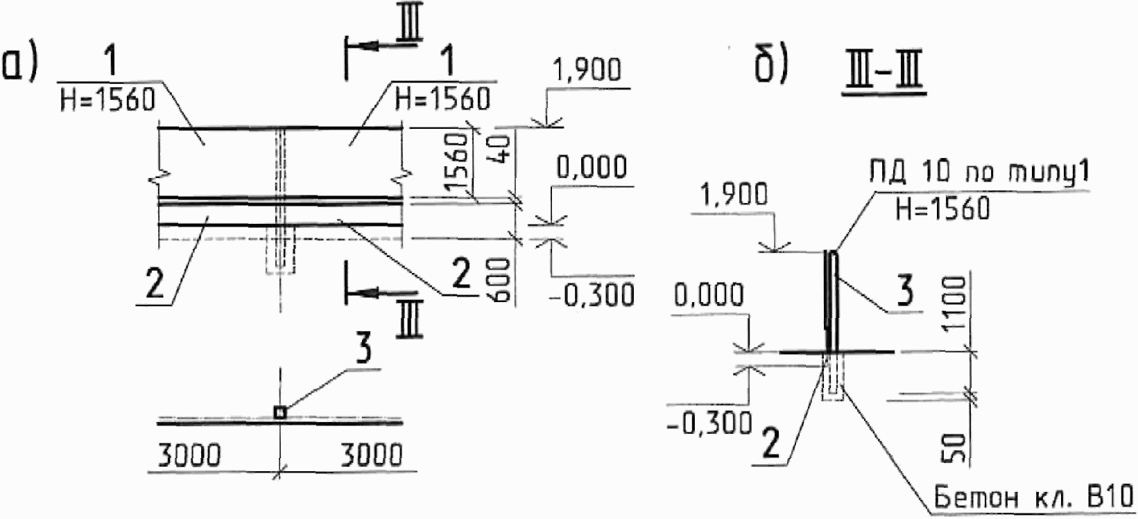
для биотермической ямы
6.8.4 В проекте необходимо предусматривать следующие требования по организации строительства. Для биотермической ямы выкапывают котлован глубиной 10 м с размером в плане 3 x 3. Работы проводят открытым способом с креплением стен котлована. При наличии грунтовых вод забивают шпунтованные ряды из досок или брусков, под защитой которых проводят земляные работы. В пределах грунтовых вод выкладывают стены круглой формы из керамического кирпича или квадратной формы из другого водонепроницаемого материала и выводят их выше уровня земли на 40 см с устройством отмостки.
6.8.5 Для обеспечения водонепроницаемости ограждения вокруг стен биотермической ямы устраивают глиняный замок.
Для устройства замка применяют жирную, хорошо промятую глину, которую укладывают слоями не более 15 см высотой с уплотнением тяжелыми трамбовками.
На дно биотермической ямы укладывают слой щебня и заливают бетонной смесью. Стены штукатурят цементным раствором.
6.8.6 Над одной половиной биотермической ямы устраивают покрытие из двух настилов (из досок толщиной 6 см, соединенных в четверть). Расстояние между настилами должно быть не менее 20 см.
Над другой половиной монтируют две крышки из досок толщиной 6 см на планках. Размер крышек принимают: верхней 150 x 310 см; нижней 140 x 300 см (в случае возведения биотермической ямы квадратной формы).
В холодный период года пространство между настилами и крышками следует заполнять утеплителем - соломенными матами или мешками с опилками, торфяной крошкой или торфяным порошком.
Крышки должны быть укреплены на петлях и должны закрываться на замок.
6.8.7 В покрытии биотермической ямы необходимо предусматривать вытяжную трубу сечением в свету 25 x 25 см и высотой 3 м для отвода выделяющихся при гниении газов.
6.8.8 Для защиты биотермической ямы от осадков над ней необходимо запроектировать навес длиной 6 м и шириной 3 м. Допускается устройство навеса 5 x 5 м в плане. Высота навеса 2,5 м.
На рисунках 27,
28 представлены план и разрез биотермической ямы.
Рисунок 27 - План биотермической ямы
Рисунок 28 - Разрез 1-1 биотермической ямы
6.8.9 Пол в помещении вскрывочной следует предусматривать с уклоном 1% в сторону трапа. Тип полов следует принимать по
СП 29.13330, применяя железнение поверхности пола.
6.9. Сооружения консервации скотомогильников
6.9.1 Для осуществления ветеринарной защиты животноводческих предприятий большое значение имеют меры по консервации недействующих скотомогильников.
6.9.2 Участок консервируемого скотомогильника должен иметь тройное ограждение, аналогичное по конструкции ограждению биотермических ям. Могильные холмы должны располагаться на расстоянии 1 м от канавы третьего (внутреннего) ограждения.
6.9.3 Размеры могил следует принимать длиной 3 м и шириной 2 м для всех видов животных (крупных и мелких), между рядами могил и между могилами в ряду следует соблюдать расстояние в 50 см.
6.9.4 При консервации осевшие насыпи старых могильных холмов подлежат обязательному восстановлению. Высота кургана над могилой после восстановления должна быть не менее 0,5 м над поверхностью земли.
6.9.5 При подготовке к консервации территорию скотомогильника в пределах третьей (внутренней) стены ограждения окантовывают траншеей глубиной не менее 2 м. Вынутую при рытье траншеи землю размещают на территории скотомогильника между могильными холмами, затем всю территорию скотомогильника разравнивают и прикатывают. Траншею и всю территорию скотомогильника бетонируют. При бетонировании толщина бетонного слоя на территории скотомогильника и над траншеей должна быть не менее 0,4 м.
РАСЧЕТ ПРОПУСКНОЙ СПОСОБНОСТИ БИОТЕРМИЧЕСКИХ ЯМ
При проектировании биотермических ям, обслуживающих близлежащие животноводческие, птицеводческие и звероводческие предприятия, необходимо определить количество поступающих из этих предприятий павших животных.
Для этого необходимо определить планируемое количество поступающих из предприятий трупов животных в течение года в соответствии с нормами в виде потерь от падежа птицы и животных
[15] и нормами расходов в виде потерь от вынужденного убоя птицы и животных
[16].
При проектировании количества биотермических ям следует пользоваться расчетом, по которому трупы крупных животных (лошадей, коров, быков) весом 400 - 500 кг занимают объем 1,5 м3, следовательно, в круглую яму диаметром 3 м и объемом 75 м3 можно одновременно загрузить 45 - 47 трупов, а в квадратную яму размером в плане 3 x 3 и объемом 90 м3 - 57 - 60 трупов.
С момента начала разложения труп уменьшается в объеме:
- к концу первого месяца до 20%;
- к концу второго месяца до 50%;
- к концу третьего месяца до 80%.
В дальнейшем уменьшение объема происходит медленнее и становится менее значительным.
При использовании биотермических ям для утилизации трупов мелких животных и птицы следует исходить из объемов, занимаемых трупами этих животных и птицы.
Такие исходные данные указывают в задании на проектирование.
ПРАВИЛА ПОДСЧЕТА ПЛОЩАДИ И СТРОИТЕЛЬНОГО ОБЪЕМА СООРУЖЕНИЙ
Б.1 Подсчет объема силосных и сенажных траншей
Полезный объем силосной (сенажной) траншеи определяют:
- в пределах днища - умножением его площади поперечного геометрического сечения (прямоугольника или трапеции) на длину днища;
- в пределах каждого пандуса - умножением площади этого сечения на половину длины пандуса, считая ее по горизонтали.
При этом следует учитывать полезный объем призмы, получающейся в результате придания поверхности силоса и сенажа поперечного уклона к продольным стенам. Объем такой призмы определяют: в пределах днища - умножением площади треугольника (с основанием, равным ширине траншеи по верху) на длину днища, а в пределах каждого пандуса - умножением площади треугольника на половину длины пандуса, считая по горизонтали.
Подсчет площадей и строительных объемов других сооружений осуществляют по
[3] -
[11],
[13].
[1] Федеральный
закон РФ от 22 июля 2008 г. N 123-ФЗ "Технический регламент о требованиях пожарной безопасности"
| | ИС МЕГАНОРМ: примечание. В официальном тексте документа, видимо, допущена опечатка: строительные нормы и правила "Безопасность труда в строительстве. Часть 2. Строительное производство" имеют номер СНиП 12-04-2002, а не СНиП 12-03-2001. | |
[2]
СНиП 12-03-2001 Безопасность труда в строительстве. Часть 2. Строительное производство
[3]
РД-АПК 1.10.01.02-10 Методические рекомендации по технологическому проектированию ферм и комплексов крупного рогатого скота
[4]
РД-АПК 1.10.02.04-12 Методические рекомендации по технологическому проектированию свиноводческих ферм и комплексов
[5]
РД-АПК 1.10.01.03-12 Методические рекомендации по технологическому проектированию ферм крупного рогатого скота крестьянских (фермерских) хозяйств
[6]
РД-АПК 1.10.03.02-12 Методические рекомендации по технологическому проектированию овцеводческих объектов
[7]
РД-АПК 1.10.03.01-11 Методические рекомендации по технологическому проектированию козоводческих ферм и комплексов
[8]
РД-АПК 1.10.04.03-13 Методические рекомендации по технологическому проектированию коневодческих предприятий
[9]
РД-АПК 1.10.05.04-13 Методические рекомендации по технологическому проектированию птицеводческих предприятий
[11]
РД-АПК 1.10.07.01-12 Методические рекомендации по технологическому проектированию ветеринарных объектов для животноводческих, звероводческих, птицеводческих предприятий и крестьянских (фермерских) хозяйств
[13]
РД-АПК 1.10.15.02-08 Методические рекомендации по технологическому проектированию систем удаления и подготовки к использованию навоза и помета
[14] Ветеринарно-санитарные
правила сбора, утилизации и уничтожения биологических отходов
[15]
Постановление Правительства РФ от 15.07.2009 г. N 560 "О нормах расходов в виде потерь от падежа птицы и животных"
[16]
Постановление Правительства РФ от 10.06.2010 г. N 431 "О нормах расходов в виде потерь от вынужденного убоя птицы и животных"
[17]
Постановление Правительства РФ от 16.02.2008 г. N 87 "О составе разделов проектной документации и требованиях к их содержанию"