Главная // Актуальные документы // ПНСТ (Предварительный национальный стандарт)СПРАВКА
Источник публикации
М.: ФГБУ "РСТ", 2022
Примечание к документу
Документ
введен в действие с 01.04.2022 на период по 01.04.2025 (
Приказ Росстандарта от 17.12.2021 N 70-пнст).
Название документа
"ПНСТ 564-2021. Предварительный национальный стандарт Российской Федерации. Нефтяная и газовая промышленность. Системы подводной добычи. Детали трубопроводов. Общие положения"
(утв. и введен в действие Приказом Росстандарта от 17.12.2021 N 70-пнст)
"ПНСТ 564-2021. Предварительный национальный стандарт Российской Федерации. Нефтяная и газовая промышленность. Системы подводной добычи. Детали трубопроводов. Общие положения"
(утв. и введен в действие Приказом Росстандарта от 17.12.2021 N 70-пнст)
Утвержден и введен в действие
агентства по техническому
регулированию и метрологии
от 17 декабря 2021 г. N 70-пнст
ПРЕДВАРИТЕЛЬНЫЙ НАЦИОНАЛЬНЫЙ СТАНДАРТ РОССИЙСКОЙ ФЕДЕРАЦИИ
НЕФТЯНАЯ И ГАЗОВАЯ ПРОМЫШЛЕННОСТЬ
СИСТЕМЫ ПОДВОДНОЙ ДОБЫЧИ
ДЕТАЛИ ТРУБОПРОВОДОВ. ОБЩИЕ ПОЛОЖЕНИЯ
Petroleum and natural gas industry. Subsea production
systems. Piping details. General principles
ПНСТ 564-2021
Срок действия
с 1 апреля 2022 года
по 1 апреля 2025 года
1 РАЗРАБОТАН Обществом с ограниченной ответственностью "Газпром 335" (ООО "Газпром 335")
2 ВНЕСЕН Техническим комитетом по стандартизации ТК 023 "Нефтяная и газовая промышленность"
3 УТВЕРЖДЕН И ВВЕДЕН В ДЕЙСТВИЕ
Приказом Федерального агентства по техническому регулированию и метрологии от 17 декабря 2021 г. N 70-пнст
Правила применения настоящего стандарта и проведения его мониторинга установлены в ГОСТ Р 1.16-2011 (разделы 5 и 6).
Федеральное агентство по техническому регулированию и метрологии собирает сведения о практическом применении настоящего стандарта. Данные сведения, а также замечания и предложения по содержанию стандарта можно направить не позднее чем за 4 мес до истечения срока его действия разработчику настоящего стандарта по адресу: inf@gazprom335.ru и/или в Федеральное агентство по техническому регулированию и метрологии по адресу: 123112 Москва, Пресненская набережная, д. 10, стр. 2.
В случае отмены настоящего стандарта соответствующая информация будет опубликована в ежемесячном информационном указателе "Национальные стандарты" и также будет размещена на официальном сайте Федерального агентства по техническому регулированию и метрологии в сети Интернет (www.rst.gov.ru)
Создание и развитие отечественных технологий и техники для освоения шельфовых нефтегазовых месторождений должно быть обеспечено современными стандартами, устанавливающими требования к проектированию, строительству и эксплуатации систем подводной добычи. Для решения данной задачи Министерством промышленности и торговли Российской Федерации и Федеральным агентством по техническому регулированию и метрологии реализуется "Программа по обеспечению нормативной документацией создания отечественной системы подводной добычи для освоения морских нефтегазовых месторождений". В объеме работ программы предусмотрена разработка национальных и предварительных национальных стандартов, областью применения которых являются системы подводной добычи углеводородов.
Целью разработки настоящего стандарта является установление единых правил и общих требований к проектированию и изготовлению специальных деталей трубопроводов систем подводной добычи.
Требования настоящего стандарта распространяются на специальные детали трубопроводов систем подводной добычи и устанавливают общие принципы их проектирования и изготовления.
В настоящем стандарте использованы нормативные ссылки на следующие стандарты:
ГОСТ 7512 Контроль неразрушающий. Соединения сварные. Радиографический метод
ГОСТ 16037 Соединения сварные стальных трубопроводов. Основные типы, конструктивные элементы и размеры
ГОСТ 23055 Контроль неразрушающий. Сварка металлов плавлением. Классификация сварных соединений по результатам радиографического контроля
ГОСТ 32388 Трубопроводы технологические. Нормы и методы расчета на прочность, вибрацию и сейсмические воздействия
| | ИС МЕГАНОРМ: примечание. В официальном тексте документа, видимо, допущена опечатка: ГОСТ 32569 имеет название "Трубопроводы технологические стальные. Требования к устройству и эксплуатации на взрывопожароопасных и химически опасных производствах". | |
ГОСТ 33259 Фланцы арматуры, соединительных частей и трубопроводов на номинальное давление до PN 250. Конструкция, размеры и общие технические требования
ГОСТ Р 54382 Подводные трубопроводные системы. Общие технические требования
ГОСТ Р 55724 Контроль неразрушающий. Соединения сварные. Методы ультразвуковые
Примечание - При пользовании настоящим стандартом целесообразно проверить действие ссылочных стандартов в информационной системе общего пользования - на официальном сайте Федерального агентства по техническому регулированию и метрологии в сети Интернет или по ежегодному информационному указателю "Национальные стандарты", который опубликован по состоянию на 1 января текущего года, и по выпускам ежемесячного информационного указателя "Национальные стандарты" за текущий год. Если заменен ссылочный стандарт, на который дана недатированная ссылка, то рекомендуется использовать действующую версию этого стандарта с учетом всех внесенных в данную версию изменений. Если заменен ссылочный стандарт, на который дана датированная ссылка, то рекомендуется использовать версию этого стандарта с указанным выше годом утверждения (принятия). Если после утверждения настоящего стандарта в ссылочный стандарт, на который дана датированная ссылка, внесено изменение, затрагивающее положение, на которое дана ссылка, то это положение рекомендуется применять без учета данного изменения. Если ссылочный стандарт отменен без замены, то положение, в котором дана ссылка на него, рекомендуется применять в части, не затрагивающей эту ссылку.
В настоящем стандарте применены следующие термины с соответствующими определениями:
3.1 барьер: Конструктивный элемент оборудования, работающего под давлением, обеспечивающий герметичность.
3.2 заказчик: Организация, заинтересованная в выполнении работ, по заявке с которой производится разработка и производство продукции.
3.3 изготовитель: Организация, осуществляющая производство продукции в установленном порядке.
3.4 класс трубопровода: Комбинация обозначений группы среды (зависит от класса опасности транспортируемого вещества) и категории трубопровода (зависит от расчетного давления и расчетной температуры).
3.5 марка комплекта рабочих чертежей: Буквенный или буквенно-цифровой индекс, входящий в обозначение рабочей документации и определяющий ее отношение к определенному виду строительно-монтажных работ или обозначающий основные отличительные особенности строительных конструкций и их элементов.
3.6 разработчик: Организация, осуществляющая разработку продукции в установленном порядке.
3.7 специальные детали трубопроводов: Детали трубопроводов систем подводной добычи, конструкция которых представлена в настоящем стандарте.
3.8 трубопровод: Сооружение из труб, деталей трубопровода, арматуры, соединений, обладающее прочностью и герметичностью, которое предназначено для транспортирования газообразных и жидких продуктов.
3.9 трубопроводная арматура: Техническое устройство, устанавливаемое на трубопроводах, оборудовании и емкостях и предназначенное для управления потоком рабочей среды посредством изменения площади проходного сечения.
3.10 штуцер: Деталь трубопровода с отверстием, к которой присоединяется трубопровод, трубопроводная арматура, контрольно-измерительный прибор, заглушка и т.п. с помощью сварки, фланцевого соединения, резьбы или резьбовых деталей и т.д.
4 Обозначения и сокращения
В настоящем стандарте применены следующие обозначения и сокращения:
КИП - контрольно-измерительный прибор;
ASME - американское общество инженеров-механиков;
DN - номинальный диаметр;
ID - внутренний диаметр;
NPT - трубная коническая резьба;
OD - наружный диаметр;
R - радиус;
RTJ - уплотнительная поверхность под прокладку овального сечения;
WN - сварной стык.
5.1 Конструктивные решения деталей трубопровода в проектной документации должны соответствовать требованиям настоящего стандарта.
5.2 Допускаются отступления от требований настоящего стандарта в случае, если конструктивные решения деталей трубопроводов улучшают требования и рекомендации, содержащиеся в настоящем стандарте.
5.3 Для конструктивных решений, имеющих отступления от требований настоящего стандарта, разрабатывают соответствующие чертежи и спецификации.
5.4 Информация о деталях трубопроводов и их использовании содержится в марке комплекта рабочих чертежей, относящейся к трубопроводам.
5.5 При проектировании отдельных деталей трубопровода допускается применение требований смежных областей:
- к технологическому процессу;
- промышленной безопасности;
- КИП;
- материалам;
- иное.
6.1 Требования к конструкции
6.1.1 Конструктивное исполнение штуцера для термопары должно соответствовать
рисунку 1.
6.1.1.1 Работоспособность конструкции штуцера в условиях подводного применения необходимо подтверждать расчетом.
Рисунок 1 - Конструктивное исполнение штуцера для термопары
Примечания
1 Термопара, подходящая к ID специального фланцевого патрубка.
2 Местоположение штуцера для термопары, учтенное в прочностных расчетах трубопровода.
3 Зона монтажа-демонтажа термопары, определенная ее габаритами и конструктивными параметрами.
6.1.2 Конструктивное исполнение штуцера для датчика давления на трубопроводе должно соответствовать
рисунку 2.
6.1.2.1 Работоспособность конструкции штуцера в условиях подводного применения необходимо подтверждать расчетом.
6.1.2.2 Наличие трубопроводной арматуры и пробки на линии КИП необходимо для выполнения ремонтных работ и замены КИП (в частности при подъеме на сервисное судно). При наличии соответствующего обоснования в проекте допускается исключить данные элементы из компоновки узла.
Рисунок 2 - Конструктивное исполнение штуцера
для датчика давления на трубопроводе
Примечания
1 Одиночный клапан без спуска, применяемый с КИП, обеспечивающим стравливание в трубопроводную систему ниже по ходу движения потока.
2 Фланцевая система соединения, применяемая при работе в загрязненной среде. Размеры фланца и использование промывочных каналов соответствуют КИП и технологическому процессу.
3 Пробка, устанавливаемая на штуцер датчика давления в случае использования портативных датчиков давления.
6.1.3 Конструктивное исполнение штуцера для датчика давления на сосуде должно соответствовать
рисунку 3.
6.1.3.1 Работоспособность конструкции штуцера в условиях подводного применения необходимо подтверждать расчетом.
Рисунок 3 - Конструктивное исполнение штуцера
для датчика давления на сосуде
Примечания
1 Пробка, устанавливаемая на штуцер датчика давления в случае использования портативных датчиков давления. Штуцер располагается со стороны газовой среды.
2 Фланцевая система соединения, применяемая при работе в загрязненной среде. Размеры фланца и использование промывочных каналов соответствуют КИП и технологическому процессу.
6.1.4 Конструктивное исполнение трубопроводной обвязки указателя уровня на сосуде должно соответствовать
рисунку 4.
6.1.4.1 Технические решения по типу дренажа (открытый или закрытый), барьерам, типу и количеству трубопроводной арматуры, размерам дренажных линий, теплоизоляции и электрообогреву принимают при проектировании. В случае использования закрытого дренажа дренажные линии, ведущие из различных источников в дренажную емкость, прокладывают по отдельности и они имеют нормально закрытую трубопроводную арматуру вблизи дренажного коллектора до их соединения.
Рисунок 4 - Конструктивное исполнение трубопроводной обвязки
указателя уровня на сосуде
Примечания
1 Дренажная система, проектируемая в соответствии с технологической схемой, принятым классом трубопроводной обвязки и
ГОСТ Р 54382,
ГОСТ 32569 (а также см.
[1] и
[9]).
2 Применяемая шиберная задвижка или шаровой кран.
3 Опора, установка которой определяется прочностным расчетом при проектировании трубопроводной обвязки.
6.1.5 Конструктивное исполнение трубопроводной обвязки камеры уровнемера на сосуде должно соответствовать
рисунку 5.
6.1.5.1 Технические решения по типу дренажа (открытый или закрытый), барьерам, типу и количеству трубопроводной арматуры, размерам дренажных линий, теплоизоляции и электрообогреву принимают при проектировании. В случае использования закрытого дренажа дренажные линии, ведущие из различных источников в дренажную емкость, прокладывают по отдельности и они имеют нормально закрытую трубопроводную арматуру вблизи дренажного коллектора до их соединения.
Рисунок 5 - Конструктивное исполнение трубопроводной обвязки
камеры уровнемера на сосуде
Примечания
1 Дренажная система, проектируемая в соответствии с технологической схемой, принятым классом трубопроводной обвязки и
ГОСТ Р 54382,
ГОСТ 32569 (а также см.
[1] и
[9]).
2 Применяемая шиберная задвижка или шаровой кран.
3 Зона демонтажа элементов трубопроводной обвязки, обеспечивающая расстояние между центрами крепежных фланцев с дополнительным запасом около 500 мм.
4 Опора, установка которой определяется прочностным расчетом при проектировании трубопроводной обвязки.
6.1.6 Конструктивное исполнение трубопроводной обвязки уровнемера по перепаду давления на сосуде должно соответствовать
рисунку 6.
6.1.6.1 Технические решения по типу дренажа (открытый или закрытый), барьерам, типу и количеству трубопроводной арматуры, размерам дренажных линий, теплоизоляции и электрообогреву принимают при проектировании. В случае использования закрытого дренажа дренажные линии, ведущие из различных источников в дренажную емкость, прокладывают по отдельности и они имеют нормально закрытую трубопроводную арматуру вблизи дренажного коллектора до их соединения.
Рисунок 6 - Конструктивное исполнение трубопроводной обвязки
уровнемера по перепаду давления на сосуде
Примечания
2 Дренажная система, проектируемая в соответствии с технологической схемой, принятым классом трубопроводной обвязки и
ГОСТ Р 54382,
ГОСТ 32569 (а также см.
[1] и
[9]).
3 Применяемая шиберная задвижка или шаровой кран.
4 Фланцевая система соединения, применяемая при работе в загрязненной среде. Размеры фланца и использование промывочных каналов соответствуют КИП и технологическому процессу.
6.1.7 Конструктивное исполнение успокоительной трубы для датчика уровня в резервуаре должно соответствовать рисунку 7.
Рисунок 7 - Конструктивное исполнение успокоительной трубы
для датчика уровня в резервуаре
Примечания
1 Болты (шпильки) и уплотнительная прокладка, соответствующие присвоенному классу трубопровода.
2 Успокоительная труба, имеющая гладкую внутреннюю поверхность.
3 Зона монтажа-демонтажа, размеры которой определены исходя из размеров КИП.
4 Успокоительная труба, имеющая поверхность с вырезами, в случае, если среда в резервуаре склонна к вспениванию.
5 Штуцер, высота которого принята с учетом параметров КИП.
6.1.8 Конструктивное исполнение диафрагмы фланцевой должно соответствовать рисунку 8.
Рисунок 8 - Конструктивное исполнение фланцевой диафрагмы
Примечания
1 Патрубок, длиной 100 мм, привариваемый встык, и фланец по
ГОСТ 33259.
2 Для нестандартных подсоединений КИП трубопровод оснащают защитной заглушкой. Характеристики заглушек, работающих под давлением, представлены в
[3], а материал заглушек по устойчивости к коррозии соответствует материалу фланца или клапана.
3 Вариант 2 применяется при использовании фланца под овальную прокладку, компактного фланца или фланца по стандарту API. Вариант 3 применяется при использовании соединительных втулок.
4 Информация о диафрагмах в компактных фланцах изложена в
[4].
5 Информация о диафрагмах в соединительных втулках изложена в
[5],
[6].
6.1.9 Конструктивное исполнение газовыпускного узла для возможности дренажа трубопроводной системы при эксплуатации должно соответствовать рисунку 9.
Рисунок 9 - Конструктивное исполнение газовыпускного узла
для возможности дренажа трубопроводной системы
при эксплуатации
6.1.9.1 В случае если расстояние в свету между клапаном и близлежащей конструкцией менее 300 мм, необходимо располагать газовыпускной узел на отводе.
6.1.10 Конструктивное исполнение воздушника для возможности дренажа трубопроводной системы при гидравлических испытаниях должно соответствовать рисунку 10.
Рисунок 10 - Конструктивное исполнение воздушника
для возможности дренажа трубопроводной системы
при гидравлических испытаниях
6.1.10.1 Необходимость усиления узла обосновывают прочностным расчетом. Конструктивное исполнение элементов подкрепления необходимо принять в соответствии с 6.1.11.
6.1.11 Конструктивное исполнение элементов подкрепления должно соответствовать рисунку 11.
Рисунок 11 - Конструктивное исполнение
элементов подкрепления
Примечания
1 Накладки на трубопровод, обеспечивающие приварку подкреплений.
2 Подкрепление трубопроводов DN 50 обеспечивается угловыми профилями размером 60 x 60 x 6 мм, подкрепления трубопроводов меньшего диаметра - угловым профилем размером 40 x 40 x 4 мм, 25 x 25 x 4 мм или полосовой сталью размером 60 x 8 мм.
6.1.12 Конструктивное исполнение узла подсоединения расходомера типа "трубка Пито" должно соответствовать рисунку 12.
Рисунок 12 - Конструктивное исполнение узла подсоединения
расходомера типа "трубка Пито"
Примечания
1 Место приварки опорного стакана к расходомеру.
2 Материал опорного стакана расходомера, соответствующий материалу трубопровода для обеспечения свариваемости.
3 Опорный стакан расходомера, применяемый в соответствии с технической документацией на расходомер.
4 Зона монтажа-демонтажа, размеры которой определены исходя из размеров КИП.
5 Штуцер, длина которого обеспечивает монтаж теплоизоляции трубопровода.
6 Прямые участки трубопровода после расходомера, длина которых согласовывается с разработчиком (изготовителем) расходомера.
7 Трубопроводная арматура, тип которой рекомендуется разработчиком (изготовителем) расходомера.
6.1.13 Конструктивное исполнение фланцевого узла доступа должно соответствовать рисунку 13.
Рисунок 13 - Конструктивное исполнение
фланцевого узла доступа
Примечания
1 Специальный фланцевый патрубок, используемый в соответствии с
6.1.21, или узел доступа, разработанный в рамках конкретного проекта.
2 Зона монтажа-демонтажа, размеры которой определены исходя из размеров КИП.
6.1.14 Конструктивное исполнение узла отбора проб должно соответствовать рисунку 14.
Рисунок 14 - Конструктивное исполнение узла отбора проб
Примечания
1 Угол среза трубки 45 градусов.
2 Барьер и трубопроводная арматура, проектируемые в соответствии с технологической схемой, принятым классом трубопроводной обвязки и
ГОСТ Р 54382,
ГОСТ 32569 (а также см.
[1] и
[9]).
3 Правильную ориентацию трубки обеспечивает отметка направления потока на рукоятке заглушки.
4 Поддерживающее кольцо, обработанное после приварки для обеспечения размера описанной окружности.
5 Заглушка, приваренная непосредственно к корпусу арматуры.
6.1.15 Конструктивное исполнение съемного конического сетчатого фильтра должно соответствовать рисунку 15.
Рисунок 15 - Конструктивное исполнение
съемного конического сетчатого фильтра
Примечания
1 Верхняя грань рукоятки фильтра с нанесенными на нее размером трубопровода и маркой фланца.
2 Боковая перфорированная стенка конуса.
3 Уплотнительная поверхность с размерами, соответствующими
ГОСТ 33259 (а также см.
[7]).
4 Толщина, принятая в соответствии с
ГОСТ 33259 (а также см.
[8]).
6.1.16 Конструктивное исполнение съемного U-образного сетчатого фильтра должно соответствовать рисунку 16.
Рисунок 16 - Конструктивное исполнение
съемного U-образного сетчатого фильтра
Примечания
1 Временно устанавливаемый фильтр на период пусконаладочных работ или запуска системы.
2 Применяемая марка стали AISI 316 или аналог.
3 Дренажный штуцер, соответствующий присвоенному классу трубопровода.
4 Фильтр, характеристики сетки которого соответствуют расчетным параметрам и требованиям подсоединяемого оборудования.
6.1.17 Конструктивное исполнение поворотного устройства для крышки люка должно соответствовать рисунку 17. Размеры, зависящие от исполнения поворотного устройства, сведены в
таблицу 1.
Рисунок 17 - Конструктивное исполнение
поворотного устройства для крышки люка
Примечание - Дренажный штуцер предусматривается по необходимости.
Таблица 1
Размеры, зависящие от исполнения поворотного устройства
Номинальное давление, МПа | Номинальный диаметр люка, мм | Величина размера, мм |
A | B | C | D | E | F (d x t) |
1,6 | 250 | 406 | 300 | 573 | 42 | 85,0 | 68 x 11 |
300 | 483 | 340 | 613 | 42 | 81,0 | 68 x 11 |
350 | 533 | 365 | 638 | 42 | 79,6 | 68 x 11 |
400 | 597 | 397 | 670 | 42 | 77,9 | 68 x 11 |
450 | 635 | 415 | 688 | 42 | 77,1 | 68 x 11 |
500 | 698 | 447 | 720 | 44 | 69,6 | 76 x 14 |
600 | 813 | 505 | 778 | 44 | 68,0 | 76 x 14 |
750 | 984 | 592 | 862 | 48 | 74,6 | 68 x 8 |
900 | 1168 | 685 | 954 | 58 | 57,2 | 89 x 14 |
4,0 | 250 | 444 | 322 | 593 | 44 | 76,4 | 76 x 7 |
300 | 521 | 360 | 630 | 44 | 73,7 | 76 x 14 |
350 | 584 | 392 | 663 | 44 | 71,9 | 76 x 14 |
400 | 648 | 425 | 695 | 44 | 70,5 | 76 x 14 |
450 | 711 | 457 | 728 | 44 | 60,8 | 76 x 14 |
500 | 775 | 487 | 758 | 44 | 68,5 | 76 x 14 |
600 | 915 | 557 | 828 | 48 | 73,3 | 68 x 8 |
750 | 1092 | 648 | 916 | 72 | 57,6 | 95 x 8 |
6,3 | 250 | 508 | 360 | 624 | 48 | 80,3 | 68 x 8 |
300 | 559 | 385 | 650 | 48 | 78,9 | 68 x 8 |
350 | 603 | 408 | 673 | 48 | 77,8 | 68 x 8 |
400 | 686 | 448 | 713 | 48 | 76,2 | 68 x 8 |
450 | 743 | 479 | 743 | 48 | 75,3 | 68 x 8 |
500 | 813 | 515 | 778 | 48 | 74,4 | 68 x 8 |
600 | 940 | 580 | 840 | 58 | 58,8 | 89 x 14 |
10 | 250 | 546 | 378 | 643 | 58 | 65,0 | 89 x 14 |
300 | 610 | 412 | 675 | 58 | 63,4 | 89 x 14 |
350 | 641 | 430 | 690 | 58 | 62,7 | 89 x 14 |
400 | 705 | 462 | 723 | 58 | 61,6 | 89 x 14 |
450 | 787 | 505 | 763 | 58 | 60,4 | 89 x 14 |
500 | 857 | 540 | 798 | 58 | 59,6 | 89 x 14 |
600 | 1041 | 640 | 890 | 72 | 58,0 | 95 x 8 |
25 | 250 | 584 | 410 | 663 | 72 | 63,9 | 95 x 8 |
300 | 673 | 460 | 708 | 72 | 62,1 | 95 x 8 |
350 | 749 | 500 | 745 | 72 | 60,9 | 95 x 8 |
400 | 825 | 542 | 783 | 72 | 59,9 | 95 x 8 |
450 | 914 | 590 | 828 | 72 | 59,0 | 95 x 8 |
500 | 984 | 628 | 863 | 85 | 52,0 | 108 x 9 |
600 | 1168 | 726 | 955 | 90 | 50,8 | 108 x 8 |
42 | 150 | 483 | 360 | 562 | 48 | 81,3 | 68 x 8 |
250 | 675 | 480 | 708 | 72 | 62,1 | 95 x 8 |
300 | 760 | 527 | 750 | 72 | 60,8 | 95 x 8 |
6.1.18 Конструктивное исполнение спускного кольца должно соответствовать рисунку 18. Размеры, зависящие от исполнения спускного кольца, сведены в
таблицу 2.
Рисунок 18 - Конструктивное исполнение спускного кольца
Примечания
1 Подъемная проушина с маркировкой, указывающей размер, класс прочности и тип материала.
2 Уплотнительная поверхность с размерами, соответствующими
ГОСТ 33259 (а также см.
[7]).
3 Сварной шов между привариваемым штуцером, спускным кольцом и корпусом с полным проплавлением.
Таблица 2
Размеры, зависящие от исполнения спускного кольца
Номинальное давление, МПа | Номинальный диаметр люка, мм | Величина размера, мм |
A | B | C | E | F | G | H | ID | OD | I |
1,6 | 50 | 102 | 60 | 60 | 180 | 58 | 4 | 10 | 15,6 | 26,7 | 33,4 |
80 | 133 | 89 | 60 | 185 | 58 | 4 | 10 | 15,6 | 26,7 | 33,4 |
100 | 171 | 114 | 60 | 190 | 58 | 4 | 10 | 15,6 | 26,7 | 33,4 |
150 | 219 | 168 | 75 | 200 | 72 | 7 | 16 | 15,6 | 26,7 | 33,4 |
200 | 276 | 220 | 75 | 210 | 72 | 7 | 16 | 15,6 | 26,7 | 33,4 |
250 | 337 | 273 | 75 | 235 | 72 | 7 | 16 | 15,6 | 26,7 | 33,4 |
300 | 406 | 324 | 75 | 248 | 72 | 7 | 16 | 20,7 | 33,4 | 41,0 |
350 | 448 | 356 | 75 | 260 | 72 | 7 | 16 | 20,7 | 33,4 | 41,0 |
400 | 511 | 406 | 80 | 267 | 76 | 7 | 16 | 20,7 | 33,4 | 41,0 |
450 | 546 | 457 | 80 | 279 | 76 | 7 | 16 | 20,7 | 33,4 | 41,0 |
500 | 603 | 508 | 80 | 286 | 76 | 7 | 16 | 20,7 | 33,4 | 41,0 |
600 | 714 | 610 | 80 | 317 | 88 | 7 | 16 | 20,7 | 33,4 | 41,0 |
4,0 | 50 | 108 | 60 | 60 | 180 | 58 | 4 | 10 | 15,6 | 26,7 | 33,4 |
80 | 146 | 89 | 60 | 185 | 58 | 4 | 10 | 15,6 | 26,7 | 33,4 |
100 | 178 | 114 | 60 | 190 | 58 | 4 | 10 | 15,6 | 26,7 | 33,4 |
150 | 247 | 168 | 75 | 200 | 72 | 7 | 16 | 15,6 | 26,7 | 33,4 |
200 | 305 | 220 | 75 | 210 | 72 | 7 | 16 | 15,6 | 26,7 | 33,4 |
250 | 359 | 273 | 75 | 235 | 72 | 7 | 16 | 15,6 | 26,7 | 33,4 |
300 | 419 | 324 | 75 | 248 | 72 | 7 | 16 | 20,7 | 33,4 | 41,0 |
350 | 483 | 356 | 75 | 260 | 72 | 7 | 16 | 20,7 | 33,4 | 41,0 |
400 | 536 | 406 | 80 | 267 | 76 | 7 | 16 | 20,7 | 33,4 | 41,0 |
450 | 594 | 457 | 80 | 279 | 76 | 7 | 16 | 20,7 | 33,4 | 41,0 |
500 | 641 | 508 | 80 | 286 | 76 | 7 | 16 | 20,7 | 33,4 | 41,0 |
600 | 772 | 610 | 80 | 317 | 88 | 7 | 16 | 20,7 | 33,4 | 41,0 |
6,3 | 50 | 108 | 57 | 60 | 180 | 58 | 4 | 10 | 15,6 | 26,7 | 33,4 |
80 | 148 | 89 | 60 | 185 | 58 | 4 | 10 | 15,6 | 26,7 | 33,4 |
100 | 189 | 112 | 60 | 190 | 58 | 4 | 10 | 15,6 | 26,7 | 33,4 |
150 | 260 | 168 | 75 | 200 | 72 | 7 | 16 | 15,6 | 26,7 | 33,4 |
200 | 316 | 220 | 75 | 210 | 72 | 7 | 16 | 15,6 | 26,7 | 33,4 |
250 | 393 | 265 | 75 | 235 | 72 | 7 | 16 | 15,6 | 26,7 | 33,4 |
300 | 450 | 315 | 75 | 248 | 72 | 7 | 16 | 20,7 | 33,4 | 41,0 |
350 | 485 | 352 | 75 | 260 | 72 | 7 | 16 | 20,7 | 33,4 | 41,0 |
400 | 552 | 397 | 80 | 267 | 76 | 7 | 16 | 20,7 | 33,4 | 41,0 |
450 | 606 | 458 | 80 | 279 | 76 | 7 | 16 | 20,7 | 33,4 | 41,0 |
500 | 670 | 503 | 80 | 286 | 76 | 7 | 16 | 20,7 | 33,4 | 41,0 |
600 | 783 | 603 | 80 | 317 | 88 | 7 | 16 | 20,7 | 33,4 | 41,0 |
10 | 50 | 138 | 59 | 60 | 180 | 58 | 4 | 10 | 15,6 | 26,7 | 33,4 |
80 | 161 | 89 | 60 | 185 | 58 | 4 | 10 | 15,6 | 26,7 | 33,4 |
100 | 193 | 108 | 60 | 190 | 58 | 4 | 10 | 15,6 | 26,7 | 33,4 |
150 | 266 | 162 | 75 | 200 | 72 | 7 | 16 | 15,6 | 26,7 | 33,4 |
200 | 336 | 207 | 75 | 210 | 72 | 7 | 16 | 15,6 | 26,7 | 33,4 |
250 | 392 | 261 | 75 | 235 | 72 | 7 | 16 | 15,6 | 26,7 | 33,4 |
300 | 466 | 307 | 75 | 248 | 72 | 7 | 16 | 20,7 | 33,4 | 41,0 |
350 | 504 | 340 | 75 | 260 | 72 | 7 | 16 | 20,7 | 33,4 | 41,0 |
400 | 560 | 391 | 80 | 267 | 76 | 7 | 16 | 20,7 | 33,4 | 41,0 |
450 | 627 | 443 | 80 | 279 | 76 | 7 | 16 | 20,7 | 33,4 | 41,0 |
500 | 688 | 491 | 80 | 286 | 76 | 7 | 16 | 20,7 | 33,4 | 41,0 |
600 | 815 | 583 | 80 | 317 | 88 | 7 | 16 | 20,7 | 33,4 | 41,0 |
25 | 50 | 139 | 55 | 60 | 180 | 58 | 4 | 10 | 15,6 | 26,7 | 33,4 |
80 | 171 | 93 | 60 | 185 | 58 | 4 | 10 | 15,6 | 26,7 | 33,4 |
100 | 206 | 112 | 60 | 190 | 58 | 4 | 10 | 15,6 | 26,7 | 33,4 |
150 | 275 | 154 | 75 | 200 | 72 | 7 | 16 | 15,6 | 26,7 | 33,4 |
200 | 343 | 202 | 75 | 210 | 72 | 7 | 16 | 15,6 | 26,7 | 33,4 |
250 | 402 | 255 | 75 | 235 | 72 | 7 | 16 | 15,6 | 26,7 | 33,4 |
300 | 478 | 301 | 75 | 248 | 72 | 7 | 16 | 20,7 | 33,4 | 41,0 |
350 | 525 | 331 | 75 | 260 | 72 | 7 | 16 | 20,7 | 33,4 | 41,0 |
400 | 579 | 379 | 80 | 267 | 76 | 7 | 16 | 20,7 | 33,4 | 41,0 |
450 | 662 | 427 | 80 | 279 | 76 | 7 | 16 | 20,7 | 33,4 | 41,0 |
500 | 723 | 467 | 80 | 286 | 76 | 7 | 16 | 20,7 | 33,4 | 41,0 |
600 | 849 | 580 | 80 | 317 | 88 | 7 | 16 | 20,7 | 33,4 | 41,0 |
6.1.19 Конструктивное исполнение конденсатного кармана для паровых коллекторов должно соответствовать рисунку 19.
Рисунок 19 - Конструктивное исполнение конденсатного кармана
для паровых коллекторов
Примечания
1 Концевой карман коллектора, требуемый на тупиковых участках паропроводов диаметром DN 80, 100 и 150.
2 Конденсатоотводчик, необходимость наличия которого указывается в технологической схеме.
3 Предусматривается клапан, необходимый для обслуживания конденсатоотводчика.
6.1.20 Конструктивное исполнение типовой станции систем инженерного обеспечения должно соответствовать рисунку 20.
Рисунок 20 - Конструктивное исполнение типовой станции
систем инженерного обеспечения
Примечание - В случае открытого расположения станции необходимо использовать защитный короб и теплообогрев.
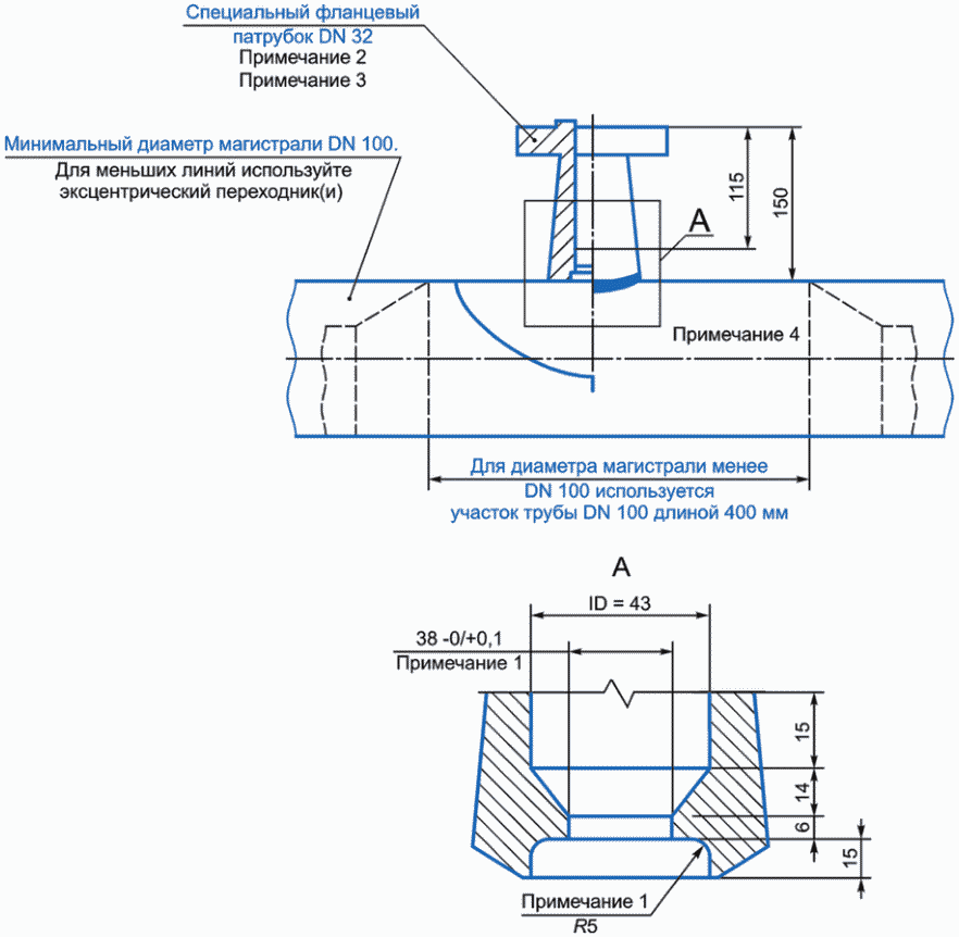
6.1.21 Конструктивное исполнение соединения специального фланцевого патрубка должно соответствовать рисунку 21.
Рисунок 21 - Конструктивное исполнение соединения
специального фланцевого патрубка
Примечания
1 Размеры, проверяемые после приварки.
2 Специальный фланцевый патрубок, изготовленный по отдельному чертежу изготовителя.
3 Сортамент ответвления, принятый в соответствии с используемым классом трубопровода.
4 Сварной шов с минимальными размерами, выполняемый в соответствии с
ГОСТ 16037 (а также см.
[9]).
6.1.22 Конструктивное исполнение узла ввода химических реагентов должно соответствовать рисунку 22.
Рисунок 22 - Конструктивное исполнение узла ввода
химических реагентов
Примечания
1 Угол среза трубки 45 градусов.
2 Барьер и трубопроводная арматура, проектируемые в соответствии с технологической схемой, принятым классом трубопроводной обвязки и
ГОСТ Р 54382,
ГОСТ 32569 (а также см.
[1] и
[9]).
3 Заглушка, OD и толщина которой соответствуют принятому классу трубопровода.
4 Правильную ориентацию трубки обеспечивает отметка направления потока на рукоятке заглушки.
5 Поддерживающее кольцо, обработанное после приварки для обеспечения размера описанной окружности.
6 Заглушка, приваренная непосредственно к корпусу арматуры.
6.1.23 Конструктивное исполнение защитной сетки открытого конца трубопровода должно соответствовать рисунку 23.
Рисунок 23 - Конструктивное исполнение защитной сетки
открытого конца трубопровода
6.1.24 Конструктивное исполнение дренажного узла должно соответствовать рисунку 24.
| |
Сливная воронка |
| |
Дренажный узел, воспринимающий нагрузку от присоединяемого трубопровода | Дренажный узел |
| |
Дренажный узел с гидрозатвором | Дренажный узел со сливом |
Рисунок 24 - Конструктивное исполнение дренажного узла
6.1.25 Конструктивное исполнение узла контроля протечки арматуры с двойным барьером и стравливанием должно соответствовать рисунку 25.
Рисунок 25 - Конструктивное исполнение узла контроля
протечки арматуры с двойным барьером и стравливанием
Примечания
1 Схему дренажной системы с соединительной секцией применяют в качестве альтернативной. Конструктивное исполнение элементов подкрепления представлено в
6.1.11.
2 Фланцевое подсоединение к закрытому дренажу.
3 Барьер и трубопроводная арматура, проектируемые в соответствии с технологической схемой, принятым классом трубопроводной обвязки и
ГОСТ Р 54382,
ГОСТ 32569 (а также см.
[1] и
[9]).
4 Предохранительная пробка, применяемая в период, когда шланг не подключен.
5 Местоположение дренажного штуцера, определенное изготовителем арматуры.
6.1.26 Конструктивное исполнение косынок для поддержки трубопровода в условиях эксплуатации при высокочастотных вибрациях должно соответствовать рисунку 26.
Рисунок 26 - Конструктивное исполнение косынок
для поддержки трубопровода в условиях эксплуатации
при высокочастотных вибрациях
Примечание - Конфигурация косынок, соответствующая фланцевому патрубку, приварной бобышке, фланцу и трубопроводу.
6.1.27 Конструктивное исполнение расходомера Вентури должно соответствовать рисунку 27.
Рисунок 27 - Конструктивное исполнение расходомера Вентури
Рисунок 27, лист 2
Примечания
1 КИП, необходимые для проверки функции стравливания.
2 Пробку подсоединяют до подключения КИП к клапану.
3 Барьер и трубопроводная арматура, проектируемые в соответствии с технологической схемой, принятым классом трубопроводной обвязки и
ГОСТ Р 54382,
ГОСТ 32569 (а также см.
[1] и
[9]).
6.1.28 Для подключения термопар на вертикальных трубопроводах рекомендуется использовать концентрические переходные тройники и отводы 45 градусов.
6.1.29 С целью оптимизации расположения датчиков давления на вертикальных трубопроводах рекомендуется использовать отводы под 90 градусов.
6.1.30 Оценка необходимости установки элементов подкрепления выполняется в соответствии с
ГОСТ 32388. Допускается учитывать соответствующие рекомендации, представленные в
[10].
6.1.31 КИП на трубопроводы устанавливают работники специализированной монтажной организации с использованием болтов и прокладок, соответствующих присвоенному классу трубопровода.
6.1.32 Информацию о трубопроводной системе и динамических машинах (насосах, компрессорах) следует учитывать, если место сопряжения штуцера и трубопровода подвержено воздействию вибрации, внешних сил и моментов вследствие температурного расширения трубопроводов.
6.1.33 При размещении труб и трубопроводных опор следует учитывать марки комплектов рабочих чертежей, относящиеся к трубопроводам и КИП.
6.1.34 Обвязку сосудов и аппаратов необходимо выполнять так, чтобы система выдерживала требуемые нагрузки, включая случайные нагрузки.
6.1.35 Размеры штуцеров для подключения КИП согласовывают с производителями (разработчиками) соответствующих КИП.
6.1.36 В случае необходимости установки на диафрагме двух пар отборов вторую пару необходимо сместить или удлинить с целью ее беспрепятственного размещения.
6.1.37 Расположение и размер воздушников должны соответствовать требованиям к проведению испытаний.
6.1.38 В случае недопустимости приварки элементов подкрепления к трубопроводам и деталям трубопроводов используют подкрепления на болтах.
6.1.39 Для подкреплений деталей трубопроводов на трубопроводах DN 300 и более используют дополнительные элементы подкрепления в поперечном направлении.
6.1.40 При выявлении недопустимых напряжений в ходе проведения прочностных расчетов трубопроводов диаметром менее DN 300 также необходимо использовать подкрепления.
6.1.41 Все сварные швы на фланцах располагают на расстоянии минимум 5 мм от лицевой грани фланца. Качество сварных соединений необходимо проверять методом ультразвукового или радиографического контроля в соответствии с
ГОСТ Р 55724 и
ГОСТ 7512.
6.1.42 Угловые сварные швы должны иметь катет не менее 5 мм. Качество сварных соединений необходимо проверять методом ультразвукового или радиографического контроля в соответствии с
ГОСТ Р 55724 и
ГОСТ 7512.
6.1.43 Трубопровод, подверженный вибрации, закрепляют при помощи полностью охватывающих трубу опорных накладок.
6.1.44 В прочностных расчетах трубопроводов учитывают места расположения всех специальных фланцевых патрубков для подключения КИП, пробоотборников и узлов ввода химических реагентов.
6.1.45 Фланцевый узел доступа используют для датчиков контроля эрозии, коррозии, песка.
6.1.46 Датчик песка рекомендуется располагать сверху трубопровода.
6.1.47 Положение датчика контроля коррозии не регламентируется.
6.1.48 Длину прямых участков до и после КИП согласовывают с производителем (разработчиком) КИП.
6.1.49 Узел отбора проб необходимо проектировать в соответствии с
ГОСТ 32388. Допускается учитывать соответствующие рекомендации, представленные в
[10].
6.1.50 Съемные фильтры устанавливаются на период пусконаладочных работ или запуска системы.
6.1.51 Конструкция фильтров должна выдерживать пульсирующий и обратный потоки.
6.1.52 Максимальный перепад давления на фильтре указывают в технической документации на фильтр.
6.1.53 Спускное дренажное кольцо рекомендуется использовать только в случае нехватки места для реализации традиционного дренажа.
6.2 Требования к материалам
6.2.1 Класс прочности и марка материала деталей трубопровода должны соответствовать присвоенному классу трубопровода, а классификация трубопроводов -
ГОСТ 32569.
6.2.2 Необходимо, чтобы материал деталей трубопровода был совместим с материалом трубопровода.
6.2.3 Детали, привариваемые к фланцам (направляющие штоки, пластины), изготавливают из материала, идентичного материалу фланцев.
6.2.4 Марка материала спускного кольца должна соответствовать межфланцевым заглушкам для присвоенного класса трубопровода.
6.2.5 Необходимо соответствие материала прокладок присвоенному классу трубопровода.
6.4 Требования к маркировке
КИП должны иметь маркировку, содержащую информацию, как минимум, о размере, материале, классе фланцев и арматуры.
6.5 Требования к испытаниям под давлением
| NORSOK P-002 | Проектирование технологической системы (Process system design) |
| NORSOK I-001 | Промысловая контрольно-измерительная аппаратура (Field instrumentation) |
| ASME B16.11 | Цельнокованые, приварные и резьбовые фитинги (Forged Fittings, Socket-Welding and Threaded) |
| ISO 27509:2012 | Нефтяная и газовая промышленность. Компактные фланцевые соединения с уплотнительным кольцом типа IX (Petroleum and natural gas industries - Compact flanged connections with IX seal ring) |
| ISO 5167-1:2003 | Измерение потока жидкости посредством устройств перепада давлений, встроенных в наполненные трубопроводы круглого сечения. Часть 1. Общие принципы и требования (Measurement of fluid flow by means of pressure differential devices inserted in circular cross-section conduits running full - Part 1: General principles and requirements) |
| ISO 5167-2:2003 | Измерение потока жидкости посредством устройств перепада давлений, встроенных в наполненные трубопроводы круглого сечения. Часть 2. Измерительные диафрагмы (Measurement of fluid flow by means of pressure differential devices inserted in circular cross-section conduits running full - Part 2: Orifice Plates) |
| ASME B16.5 | Фланцы для труб и фланцевые фитинги (Pipe Flanges and Flanged Fittings) |
| NORSOK L-001 | Трубопроводы и трубопроводная арматура (Piping and valves) |
| ASME B31.3 | Технологические трубопроводы (Process Piping) |
| NORSOK L-002 | Компоновка трубопроводной системы, проектирование и прочностной расчет (Piping design, layout and stress analysis) |
| NORSOK M-601 | Сварка и инспекция трубопроводов (Welding and Inspection of piping) |
| | Морские трубопроводы. Правила проектирования и строительства |
| NORSOK L-004 | Изготовление трубопровода, установка, промывка и испытание (Piping fabrication, installation, flushing and testing) |
УДК 622.646.9 | |
Ключевые слова: нефтяная и газовая промышленность, системы подводной добычи, детали трубопроводов, общие положения |