Главная // Актуальные документы // Перечень
СПРАВКА
Источник публикации
М.: Стандартинформ, 2019
Примечание к документу
Документ утратил силу с 01.06.2022 в связи с истечением срока действия, установленного Приказом Росстандарта от 13.02.2019 N 6-пнст. Взамен введен в действие ГОСТ Р 71330-2024, утв. Приказом Росстандарта от 09.04.2024 N 430-ст.

Документ введен в действие с 01.06.2019 на период до 01.06.2022 (Приказ Росстандарта от 13.02.2019 N 6-пнст).
Название документа
"ПНСТ 353-2019. Предварительный национальный стандарт Российской Федерации. Дороги автомобильные общего пользования. Швы деформационные с резиновым компенсатором пролетных строений автодорожных мостов. Общие технические условия"
(утв. и введен в действие Приказом Росстандарта от 13.02.2019 N 6-пнст)

"ПНСТ 353-2019. Предварительный национальный стандарт Российской Федерации. Дороги автомобильные общего пользования. Швы деформационные с резиновым компенсатором пролетных строений автодорожных мостов. Общие технические условия"
(утв. и введен в действие Приказом Росстандарта от 13.02.2019 N 6-пнст)


Содержание


Утвержден и введен в действие
Приказом Федерального
агентства по техническому
регулированию и метрологии
от 13 февраля 2019 г. N 6-пнст
ПРЕДВАРИТЕЛЬНЫЙ НАЦИОНАЛЬНЫЙ СТАНДАРТ РОССИЙСКОЙ ФЕДЕРАЦИИ
ДОРОГИ АВТОМОБИЛЬНЫЕ ОБЩЕГО ПОЛЬЗОВАНИЯ
ШВЫ ДЕФОРМАЦИОННЫЕ С РЕЗИНОВЫМ КОМПЕНСАТОРОМ
ПРОЛЕТНЫХ СТРОЕНИЙ АВТОДОРОЖНЫХ МОСТОВ
ОБЩИЕ ТЕХНИЧЕСКИЕ УСЛОВИЯ
Automobile roads of general use.
Expansion joints with rubber compensator of flights
of road bridges. General specifications
ПНСТ 353-2019
ОКС 93.080.30
93.040
Срок действия
с 1 июня 2019 года
до 1 июня 2022 года
Предисловие
1 РАЗРАБОТАН Обществом с ограниченной ответственностью "Инновационный технический центр" (ООО "ИТЦ")
2 ВНЕСЕН Техническим комитетом по стандартизации ТК 418 "Дорожное хозяйство"
3 УТВЕРЖДЕН И ВВЕДЕН В ДЕЙСТВИЕ Приказом Федерального агентства по техническому регулированию и метрологии от 13 февраля 2019 г. N 6-пнст
Правила применения настоящего стандарта и проведения его мониторинга установлены в ГОСТ Р 1.16-2011 (разделы 5 и 6).
Федеральное агентство по техническому регулированию и метрологии собирает сведения о практическом применении настоящего стандарта. Данные сведения, а также замечания и предложения по содержанию стандарта можно направить не позднее чем за 4 мес до истечения срока его действия разработчику настоящего стандарта по адресу: tk418@bk.ru и в Федеральное агентство по техническому регулированию и метрологии по адресу: 109074 Москва, Китайгородский проезд, д. 7, стр. 1.
В случае отмены настоящего стандарта соответствующая информация будет опубликована в ежемесячном информационном указателе "Национальные стандарты" и также будет размещена на официальном сайте Федерального агентства по техническому регулированию и метрологии сети Интернет (www.gost.ru)
1 Область применения
Настоящий стандарт распространяется на конструкции деформационных швов с резиновым компенсатором для автодорожных и пешеходных мостовых сооружений.
Настоящий стандарт не распространяется на деформационные швы волнообразной формы.
2 Нормативные ссылки
В настоящем стандарте использованы нормативные ссылки на следующие документы:
ГОСТ 9.024 Единая система защиты от коррозии и старения. Резины. Методы испытаний на стойкость к температурному старению
ГОСТ 9.026 Единая система защиты от коррозии и старения. Резины. Методы ускоренных испытаний на стойкость к озонному старению и термосветоозонному старению
ГОСТ 9.029 Единая система защиты от коррозии и старения. Резины. Методы испытаний на стойкость к старению под действием статической деформации сжатия
ГОСТ 9.401 Единая система защиты от коррозии и старения. Покрытия лакокрасочные. Общие требования и методы ускоренных испытаний на стойкость к воздействию климатических факторов
ГОСТ 9.407 Единая система защиты от коррозии и старения. Покрытия лакокрасочные. Метод оценки внешнего вида
ГОСТ 15.309 Система разработки и постановки продукции на производство. Испытания и приемка выпускаемой продукции. Основные положения
ГОСТ 166 Штангенциркули. Технические условия
ГОСТ 262 (ИСО 34) Резина. Определение сопротивления раздиру (раздвоенные, угловые и серповидные образцы)
ГОСТ 263 Резина. Метод определения твердости по Шору A
ГОСТ 270 Резина. Метод определения упругопрочностных свойств при растяжении
ГОСТ 380 Сталь углеродистая обыкновенного качества. Марки
ГОСТ 427 Линейки измерительные металлические. Технические условия
ГОСТ 5378 Угломеры с нониусом. Технические условия
ГОСТ 5582 Прокат тонколистовой коррозионно-стойкий, жаростойкий и жаропрочный. Технические условия
ГОСТ 5781 Сталь горячекатаная для армирования железобетонных конструкций. Технические условия
ГОСТ 7502 Рулетки измерительные металлические. Технические условия
ГОСТ 7912 Резина. Метод определения температурного предела хрупкости
ГОСТ 13808 Резина. Метод определения морозостойкости по эластическому восстановлению после сжатия
ГОСТ 15150 Машины, приборы и другие технические изделия. Исполнения для различных климатических районов. Категории, условия эксплуатации, хранения и транспортирования в части воздействия климатических факторов внешней среды
ИС МЕГАНОРМ: примечание.
В официальном тексте документа, видимо, допущена опечатка: ГОСТ 19281-2014 имеет название "Прокат повышенной прочности. Общие технические условия".
ГОСТ 19281 Прокат из стали повышенной прочности. Общие технические условия
ГОСТ 23118 Конструкции стальные строительные. Общие технические условия
ГОСТ 30893.1 (ИСО 2768.1) Основные нормы взаимозаменяемости. Общие допуски. Предельные отклонения линейных и угловых размеров с неуказанными допусками
ГОСТ 33178 Дороги автомобильные общего пользования. Классификация мостов
ГОСТ 33390 Дороги автомобильные общего пользования. Мосты. Нагрузки и воздействия
ГОСТ Р 55374 Прокат из стали конструкционной легированной для мостостроения. Общие технические условия
СП 28.13330.2017 Защита строительных конструкций от коррозии
СП 35.13330.2011 Мосты и трубы
СП 131.13330.2012 Строительная климатология
Примечание - При пользовании настоящим стандартом целесообразно проверить действие ссылочных стандартов и сводов правил в информационной системе общего пользования - на официальном сайте Федерального агентства по техническому регулированию и метрологии в сети Интернет или по ежегодному информационному указателю "Национальные стандарты", который опубликован по состоянию на 1 января текущего года, и по выпускам ежемесячного информационного указателя "Национальные стандарты" за текущий год. Если заменен ссылочный документ, на который дана недатированная ссылка, то рекомендуется использовать действующую версию этого документа с учетом всех внесенных в данную версию изменений. Если заменен ссылочный документ, на который дана датированная ссылка, то рекомендуется использовать версию этого документа с указанным выше годом утверждения (принятия). Если после утверждения настоящего стандарта в ссылочный документ, на который дана датированная ссылка, внесено изменение, затрагивающее положение, на которое дана ссылка, то это положение рекомендуется применять без учета данного изменения. Если ссылочный документ отменен без замены, то положение, в котором дана ссылка на него, рекомендуется применять в части, не затрагивающей эту ссылку.
3 Термины и определения
В настоящем стандарте применены следующие термины с соответствующими определениями:
3.1 анкер: Элемент конструкции деформационного шва, служащий для жесткого соединения конструкции деформационного шва с бетоном элемента пролетного строения или шкафной стенки.
3.2 крайняя балка: Элемент конструкции деформационного шва, служащий для восприятия нагрузки от транспортных средств и передачи ее через анкеровку конструкции деформационного шва на конструкции пролетного строения (устоя), а также для крепления компенсатора.
3.3 промежуточная балка: Элемент конструкции модульного деформационного шва, служащий для восприятия нагрузки от транспортных средств и передачи ее на траверсы, а также для крепления компенсатора.
3.4 бетон омоноличивания: Бетон, заполняющий участок плиты проезжей части мостового сооружения (шкафной стенки, плит сопряжения), используемый для размещения в его пределах анкерных элементов конструкции деформационного шва.
3.5 вертикальные смещения: Смещения в конструкции деформационного шва в перпендикулярном направлении или в направлении, близком к перпендикулярному, относительно поверхности проезда.
3.6 гидроизоляция мостового полотна: Элемент конструкции мостового полотна проезжей части и тротуара (служебного прохода), защищающий нижерасположенные несущие конструкции от воздействия воды.
3.7 деформационный зазор: Зазор в верхней части конструкции мостового сооружения, соответствующий требованиям по компенсации всех учтенных взаимных перемещений сопрягаемых мостовых конструкций.
3.8 рабочий диапазон температур: Интервал температур, определяемый для конкретного района местности, в котором конструкция деформационного шва должна сохранять свои потребительские свойства.
3.9 зазор установочный: Величина раскрытия деформационного шва, соответствующая требуемой величине при заданной температуре пролетного строения на момент его монтажа.
3.10 переходная (пришовная) зона: Участок мостового полотна, непосредственно примыкающий к конструкции деформационного шва, устраиваемый для предотвращения преждевременного разрушения сопрягаемых конструкций дорожной одежды мостового полотна и деформационного шва.
3.11 компенсатор: Элемент конструкции деформационного шва, закрепляемый на балках деформационного шва, выполненный из резины и за счет собственной деформации не препятствующий перемещениям пролетного строения.
3.12 конструкция деформационного шва: Конструкция, состоящая из резинового компенсатора, устанавливаемого в деформационный зазор мостового сооружения, и крайних (при необходимости крайних и промежуточных) стальных балок, обеспечивающая плавность движения по нему автомобилей и удовлетворяющая требованиям к деформациям пролетных строений мостового сооружения без нарушения герметичности за счет деформации резинового компенсатора (компенсаторов), закрепленного на крайних балках (или промежуточных и крайних).
3.13 однопрофильная конструкция деформационного шва: Конструкция деформационного шва с компенсатором, состоящая из крайних балок и находящегося между ними компенсатора.
3.14 модульная конструкция деформационного шва: Конструкция деформационного шва с компенсаторами, состоящая из деформационных модулей (или крайних и промежуточных балок), конструктивно аналогичных однопрофильной конструкции деформационного шва, допускаемые перемещения которой равны сумме допускаемых перемещений составляющих ее деформационных модулей.
3.15 короб: Элемент конструкции модульного деформационного шва, представляющий собой полую коробчатую конструкцию, служащую для размещения и крепления траверс.
3.16 лоток водоотводный: Элемент конструкции мостового сооружения, представляющий собой лоток, установленный с уклоном и служащий для отвода воды, проникающей с проезжей части.
Примечание - В общем случае лотки изготавливают из металла по чертежам, разработанным авторами проекта мостового сооружения. Допускается изготовление лотков из полимерных и композитных материалов.
3.17 деформационный модуль: Конструктивный элемент (совокупность элементов) модульной конструкции деформационного шва, обеспечивающий восприятие некоторой части ее полных перемещений.
3.18 обойма: Элемент конструкции модульного деформационного шва, охватывающий траверсу, способный свободно скользить вдоль нее, а также обеспечивающий передачу нагрузки с промежуточной балки на траверсу.
3.19 одежда мостового полотна: Совокупность элементов (конструкций), укладываемых на плиту проезжей части пролетного строения в пределах проезжей части и тротуаров, обеспечивающая защиту несущих конструкций от воздействия воды, комфортность и безопасность движения транспортных средств и пешеходов и передающая нагрузку от транспортных средств на плиту проезжей части.
3.20 окаймление деформационного шва: Элементы конструкции деформационного шва, окаймляющие концы сопрягаемых конструкций, соединенные с ними и предназначенные для предохранения окаймляемых конструкций от разрушения при воздействии транспортных средств.
Примечание - Окаймление деформационного шва может быть выполнено в виде металлических профильных элементов, крайних балок конструкций деформационных швов, а также в виде бетонных или полимербетонных приливов.
3.21 покрытие проезжей части (мостового сооружения): Верхний конструктивный слой одежды мостового полотна.
3.22 поперечные смещения деформационного шва: Горизонтальные смещения балок деформационного шва относительно друг друга в направлении, параллельном (близком к параллельному) осевой линии мостового сооружения.
3.23 продольные смещения деформационного шва: Горизонтальные смещения деформационного шва относительно друг друга в направлении, перпендикулярном (близком к перпендикулярному) осевой линии мостового сооружения.
3.24 проезжая часть мостового сооружения: Часть мостового полотна, предназначенная для размещения полос движения транспортных средств.
3.25 пролетное строение: Несущая конструкция мостового сооружения, перекрывающая пространство между опорами, воспринимающая нагрузку от мостового полотна, транспортных средств и пешеходов и передающая ее на опоры.
3.26 дренаж: Элемент мостового полотна, предназначенный для вывода воды из одежды мостового полотна, проникшей на уровень гидроизоляции, включающий систему продольных и поперечных каналов из пористого материала и дренажные трубки.
3.27 система регулирования перемещений: Комплекс взаимосвязанных элементов модульной конструкции деформационного шва, служащий для распределения полных перемещений конструкции деформационного шва между составляющими его деформационными модулями пропорционально их допускаемым перемещениям.
Примечание - Различают кинематическую систему регулирования перемещений и систему регулирования перемещений на упругих связях.
3.28 кинематическая система регулирования перемещений: Система регулирования перемещений в модульных деформационных швах, распределение перемещений в которой производится механизмом с жесткими элементами, соединенными между собой шарнирными связями и ползунами.
3.29 система регулирования перемещений на упругих связях: Система регулирования перемещений в модульных деформационных швах, распределение перемещений в которой производится пропорционально жесткостям упругих элементов, соединяющих между собой балки крайние и промежуточные.
3.30 выравнивающий слой: Нижний бетонный слой конструкции мостового полотна, укладываемый на поверхность железобетонной плиты проезжей части для придания поперечных и продольных уклонов, служащий поверхностью под устройство гидроизоляции.
3.31 слой защитно-сцепляющий: Элемент одежды мостового полотна на ортотропной плите металлического пролетного строения, обеспечивающий совместную работу покрытия с листом настила.
3.32 слой защитный: Элемент одежды мостового полотна из бетона или асфальтобетона, укладываемых на гидроизоляцию для предохранения ее от повреждений.
3.33 суммарное перемещение: Суммарное значение величины расширения (обозначается знаком "-") и сужения (обозначается знаком "+") конструкции деформационного шва.
3.34 температура установки: Температура пролетных строений в момент монтажа конструкции деформационного шва.
3.35 траверса: Элемент конструкции модульного деформационного шва, представляющий собой металлическую балку, служащую опорой для промежуточных балок и для передачи нагрузки на анкерные элементы коробов.
3.36 уплотнитель зазора: Упругий материал, укладываемый в компенсатор конструкции деформационного шва для обеспечения герметичности соединения.
Примечание - Используется в системах, в которых плотность заделки (герметичность) не обеспечивается упругим материалом компенсатора.
3.37 фиксатор зазора: Вспомогательный элемент конструкции деформационного шва, фиксирующий заданную величину его раскрытия и обеспечивающий ее неизменность в процессе транспортирования и монтажа, а также демонтируемый после установки конструкции в проектное положение.
3.38 опорная часть: Элемент пролетного строения мостового сооружения, передающий опорные давления от пролетного строения на опору в заданном месте и обеспечивающий необходимые перемещения пролетного строения.
3.39 скользящая опорная часть промежуточной балки: Элемент конструкции модульного деформационного шва, передающий нагрузку от промежуточной балки на траверсу.
Примечание - Скользящая опорная часть промежуточной балки может в зависимости от конструкции деформационного шва входить в состав обоймы либо применяться как самостоятельный конструктивный элемент.
3.40 штраба деформационного шва: Недобетонированный или специально разобранный участок пролетных строений (шкафной стенки, устоя), используемый для размещения в нем анкеровки конструкции деформационного шва с последующим омоноличиванием.
4 Классификация
В настоящем стандарте определены требования к конструкциям однопрофильного и модульного деформационных швов, указанных на рисунках 1 и 2.
1 - крайняя балка; 2 - компенсатор; 3 - анкерный элемент;
4 - отверстие для выпуска воздуха
Рисунок 1 - Конструкция однопрофильного
деформационного шва с резиновым компенсатором
1 - крайняя балка; 2 - промежуточная балка; 3 - компенсатор;
4 - траверса; 5 - короб; 6 - опорная часть траверсы;
7 - скользящая опорная часть промежуточной балки;
8 - обойма; 9 - отверстие для выпуска воздуха
Рисунок 2 - Конструкция модульного
деформационного шва с резиновым компенсатором
На рисунках 1 и 2 изображены деформационные швы, подготовленные для установки в бетонные конструкции.
В случае применения деформационных швов в составе металлических пролетных строений анкерные элементы и отверстия в крайних балках для выпуска воздуха не предусматриваются.
5 Технические требования
5.1 Общие положения
5.1.1 Деформационные швы на автодорожных и пешеходных мостовых сооружениях предназначены для перекрытия деформационных зазоров в мостовых сооружениях с целью обеспечения комфортного проезда транспортных средств и прохода пешеходов, а также для исключения попадания различных жидкостей с проезжей части на нижележащие конструкции мостового сооружения.
5.1.2 Для обеспечения комфортного проезда установлены следующие требования для конструкции деформационного шва:
- ограничение максимального раскрытия;
- ограничение фактической разности отметок по высоте верхних поверхностей балок деформационного шва от отметок дорожной одежды.
5.1.3 Для исключения попадания различных жидкостей с проезжей части на нижележащие элементы мостового сооружения конструкция деформационного шва должна обеспечивать герметичное соединение резинового компенсатора с сопрягаемыми элементами (крайними и промежуточными балками) деформационного шва.
5.1.4 Конструкция деформационного шва должна быть рассчитана на восприятие нагрузок в соответствии с требованиями ГОСТ 33390.
При расчете и проектировании конструкций деформационных швов необходимо учитывать возможные перемещения торцов пролетного строения при следующих воздействиях по СП 35.13330.2011, а именно:
- изменение температуры, вызывающее расширение или сжатие и приводящее к горизонтальному перемещению;
- усадка и ползучесть бетона, приводящие к горизонтальному перемещению;
- силы торможения и ускорения при движении транспортных средств, вызывающие горизонтальное перемещение;
- постоянная и временная нагрузки, вызывающие прогиб пролетного строения, что приводит к поворотам концов пролетного строения и к горизонтальным перемещениям;
- неравномерный нагрев пролетного строения, вызывающий прогиб пролетного строения и приводящий к поворотам пролетного строения и к горизонтальным перемещениям как в вертикальной, так и в горизонтальной плоскостях;
- осадка фундамента, приводящая к повороту и вертикальному перемещению концов пролетного строения.
5.1.5 Основными элементами конструкции деформационных швов являются балки (крайние и промежуточные), компенсатор, траверсы, анкерные элементы и система регулирования перемещений для модульных деформационных швов.
5.1.6 Конфигурация балок и компенсатора разрабатывается изготовителем конструкций деформационного шва.
5.2 Основные показатели и/или характеристики (свойства)
5.2.1 Максимальное раскрытие однопрофильного деформационного шва (одного модуля модульного деформационного шва) не должно превышать 80 мм. Допускается увеличение максимального раскрытия до 100 мм при условии обеспечения вертикального ускорения, передаваемого на водителя и пассажиров транспортных средств не более 2,5 м/с2.
5.2.2 Фактическая разность отметок по высоте верхних поверхностей балок деформационного шва должна составлять не более 2 мм от отметок дорожной одежды, принятой в проектной документации в месте установки балки деформационного шва.
5.2.3 При наличии перелома профиля деформационного шва для обеспечения отвода воды рекомендуется предусматривать узел, обеспечивающий сбор и отвод жидкостей, попадающих на деформационный шов с поверхности мостового полотна. Узел, обеспечивающий сбор и отвод жидкостей, устанавливается в нижних точках деформационного шва, в местах перелома профиля, во избежание скопления жидкостей на мостовом полотне и/или неконтролируемого сброса.
5.2.4 В конструкторской документации на деформационный шов должна быть предусмотрена защита металлических деталей от коррозии в соответствии с ГОСТ 9.401.
5.2.5 В конструкции деформационного шва должны быть предусмотрены анкерные элементы, обеспечивающие надежное прикрепление деформационного шва к сопрягаемым конструкциям.
5.2.6 Анкерные элементы предназначены для закрепления конструкций деформационного шва в бетонных и железобетонных конструкциях мостовых сооружений.
Закрепление конструкций деформационного шва на металлические мостовые конструкции производят с использованием сварных соединений.
Конструкцию анкерных элементов и типы сварных соединений определяют в проектной документации на мостовое сооружение.
5.2.7 Модульные конструкции деформационных швов имеют максимальное раскрытие, кратное 80 мм, и применяются для перекрытия деформационного зазора, значение которого превышает 80 мм. Допускается увеличение максимального раскрытия до 100 мм согласно 5.2.1.
Все модули деформационного шва должны иметь одинаковую конструкцию.
Для обеспечения равномерного распределения продольного перемещения между модулями деформационного шва применяется система регулирования перемещений (на рисунке 2 не показана).
5.2.8 Конструкция системы регулирования перемещений назначается с учетом восприятия воздействий, указанных в 5.1.4. Допускается применение как кинематической системы регулирования перемещений, так и системы регулирования перемещений на упругих связях. Конструкция системы регулирования перемещений должна обеспечивать равномерное раскрытие всех модулей деформационного шва в скалярном и векторном выражениях в пределах, указанных в паспорте на деформационный шов.
5.2.9 В нижней полке крайней балки деформационного шва, подлежащей установке в бетонные конструкции, необходимо предусматривать отверстия диаметром 10 мм для исключения образования пазух в монолитном бетоне. Отверстия предусматриваются на каждом участке между вертикальными ребрами жесткости, но не менее 1 шт на 1 м длины балки.
5.3 Требования к сырью, материалам, покупным изделиям
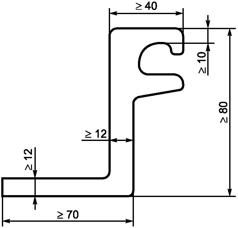
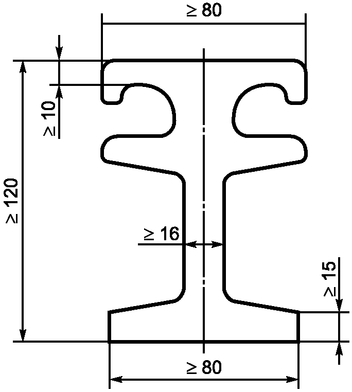
5.3.1 Балки деформационного шва должны быть изготовлены из фасонного проката. Основные требования к поперечному сечению (профилю) балок приведены в таблице 1.
Таблица 1
Наименование элемента
Геометрические размеры элемента, мм
Крайняя балка
Промежуточная балка
Допускается применение экструдированных профилей.
5.3.2 Допускается применение составных по длине балок деформационного шва из фасонного проката. Составные по длине балки должны быть заводского изготовления.
Допускается применение составных по высоте балок деформационного шва при условии проведения периодических испытаний на выносливость. Рекомендуется сварной шов выполнять с полным проваром и проводить 100%-ный ультразвуковой дефектоскопический (УЗД) контроль.
Составные по высоте балки должны быть заводского изготовления. Отдельные элементы составных по высоте балок должны быть соединены при помощи сварных швов.
Сварные швы балок деформационного шва должны обеспечивать равнопрочное соединение с основным металлом.
Все отклонения от этого требования должны подтверждаться расчетами на прочность и выносливость сварных соединений при воздействии временных нагрузок. Сварные швы подлежат зачистке и снятию усилений на поверхностях, сопрягающихся с резиновым компенсатором.
5.3.3 Допускаемые отклонения размеров балок, применяемых в конструкциях деформационного шва, должны соответствовать следующим требованиям:
- отклонения размеров сечения (профиля) балок должны соответствовать среднему классу точности по ГОСТ 30893.1;
- отклонения от прямолинейности по длине не должны превышать 1 мм/1 м и 5 мм/10 м в пределах полной длины деформационного шва;
- винтообразность не более 1 мм/1 м;
- отклонение от плоскостности верхней поверхности балки не должно превышать 0,5 мм.
Допуски на фасонный прокат распространяются на составные балки из фасонного проката.
5.3.4 Резиновый компенсатор изготавливают в виде фасонного профиля, совместимого по своей форме и размерам со стальным профилем, из которого изготовлены балки деформационного шва.
5.3.5 Физические и механические свойства резин, применяемых для резиновых компенсаторов конструкций деформационных швов, должны удовлетворять требованиям, приведенным в таблице 2. Не допускается применение регенерата резины и крошки вулканизированной резины. Компенсатор поставляют длиной не менее полной длины конструкции шва. Применение составных по длине компенсаторов допускается только при ремонте компенсаторов. Допускается соединение отдельных кусков компенсаторов только при помощи вулканизации.
Таблица 2
Наименование показателей
Значение
Метод
Твердость по Шору A, единицы Шор A
70 +/- 5
Условная прочность при растяжении, МПа (кг/см2), не менее
7,5 (75)
Относительное удлинение при разрыве, %, не менее
200
Относительная остаточная деформация при статической деформации сжатия 20% в течение 24 ч при температуре 100 °C, %, не более
50
(метод Б)
Температурный предел хрупкости, °C, не выше
-55
Диапазон рабочих температур, °C
От -55 до +80
Сопротивление раздиру, кН/м, не менее
200
Коэффициент морозостойкости по эластичному восстановлению после сжатия при температуре минус 50 °C, не менее
0,2
Озоностойкость (при 20%-ном растяжении и температуре 40 °C после 70 ч испытания под концентрацией 100 pphm)
Без трещин
Сопротивление старению резины через 72 ч при температуре 100 °C, %:
изменение твердости
Макс. +/- 15
изменение прочности при разрыве
То же
изменение относительного удлинения
< 40
5.3.6 В нормальных условиях (до установки в конструкцию) допуски размеров компенсаторов должны соответствовать требованиям, приведенным в таблице 3.
Таблица 3
Чертеж
Параметр, мм
Допуск на размер, мм
А <1> >= 80
+3,0
Б <2> >= 7
+1,0
В <3> >= 4
+1,0
<1> А - минимальное расстояние между приливами профиля резинового компенсатора, обеспечивающими защемление резинового компенсатора в балках деформационного шва.
<2> Б - минимальная толщина резинового компенсатора в месте перехода профиля резинового компенсатора от прилива к рабочей части, обеспечивающей перекрытие деформационного зазора.
<3> В - минимальная толщина резинового компенсатора.
5.3.7 В конструкции деформационного шва применяют материалы в соответствии с приложением А, с учетом климатической зоны, определяемой по СП 131.13330.2012, установки деформационного шва.
5.4 Комплектность
5.4.1 В комплект технической документации, поставляемой предприятием-изготовителем совместно с деформационным швом, должны входить:
- чертеж общего вида с габаритными и присоединительными размерами;
- спецификация на поставляемый комплект деформационного шва;
- паспорт на поставляемый деформационный шов.
5.4.2 В паспорте на деформационный шов в обязательном порядке должна быть отражена следующая информация:
- описание и фирменное наименование деформационного шва, серийный номер;
- диапазон допускаемых перемещений в горизонтальной плоскости как вдоль, так и поперек направления перекрытия деформационного зазора;
- максимальный угол раскрытия деформационного шва в горизонтальной плоскости (при повороте пролетного строения);
- диапазон допускаемых перемещений в вертикальной плоскости;
- размер поставляемых швов или сборочных единиц;
- габариты выемки в пролетном строении (устое), требуемой для установки шва;
- климатическое исполнение деформационного шва;
- изготовитель деформационного шва;
- заказчик и объект назначения;
- дата изготовления;
- марки материалов, примененных при изготовлении деформационного шва, и номера сертификатов на них (в том числе сварочных и антикоррозионных материалов);
- технические условия, по которым изготавливается деформационный шов;
- дата заполнения;
- подписи представителей предприятия-изготовителя и отдела технического контроля;
- печать предприятия-изготовителя;
- другие сведения, которые изготовитель считает необходимым указать в паспорте.
Внешний вид паспорта определяется предприятием-изготовителем.
5.5 Маркировка
5.5.1 Выпускаемые конструкции деформационных швов перед приемкой службой технического контроля предприятия-изготовителя должны быть снабжены информационной табличкой, в которой должна присутствовать следующая информация:
- наименование предприятия-изготовителя;
- наименование модели деформационного шва;
- условное обозначение деформационного шва;
- серийный номер деформационного шва;
- дата выпуска деформационного шва;
- дата приемки деформационного шва службой технического контроля предприятия-изготовителя.
5.5.2 Информационную табличку изготавливают из коррозионно-стойкого металла. Надписи наносят путем механической обработки. Допускается нанесение информационной таблички гравировкой на металлоконструкциях деформационного шва. Нанесение надписей при помощи краски не допускается.
5.5.3 Информационную табличку устанавливают при помощи неразъемного соединения на конструкцию деформационного шва в месте, доступном для визуального наблюдения и защищенном от механического воздействия внешних факторов.
6 Правила приемки
6.1 Изготовленные конструкции деформационных швов должны быть приняты службой технического контроля предприятия-изготовителя. Служба технического контроля проверяет соответствие деформационного шва технической документации, по которой изготовлена конструкция деформационного шва.
6.2 Для оценки соответствия конструкций деформационных швов требованиям технической документации производят входной и операционный контроль, а также приемо-сдаточные испытания в соответствии с ГОСТ 15.309.
6.3 При входном контроле проверяют соответствие исходного сырья и полуфабрикатов, применяемых в конструкции деформационного шва, требованиям технической документации на деформационный шов.
6.4 Операционный контроль проводят в точках, влияющих на качество производимого деформационного шва. Порядок и процедуру проведения операционного контроля устанавливает предприятие-изготовитель.
6.5 При приемо-сдаточных испытаниях проверяют следующие параметры конструкции деформационных швов: внешний вид, соответствие конструктивным размерам, указанным в проектной документации, состояние антикоррозионного покрытия, комплектность деформационного шва и комплект технической документации, поставляемой совместно с деформационным швом. Результаты оформляют актом сдачи-приемки.
6.6 Для контроля качества серийно изготавливаемых деформационных швов следует проводить периодические испытания. При освоении предприятием-изготовителем новых типов конструкций или при внесении изменений в конструкцию, выпускаемую серийно (изменение геометрии поперечного сечения балок или резинового компенсатора и прочее), следует проводить квалификационные испытания.
6.7 Квалификационные испытания проводят с целью установить:
- соответствие конкретной модели деформационного шва требованиям нормативной и конструкторской документации и заявленным характеристикам предъявляемой продукции;
- готовность предприятия-изготовителя к серийному выпуску конкретной модели деформационного шва.
6.8 Периодические испытания проводят с целью подтверждения заявленных технических характеристик выпускаемой серийной модели деформационного шва. Периодические испытания проводят один раз в три года, либо при изменении расчетных параметров конструкции деформационного шва, либо при замене материалов, предусмотренных конструкторской документацией, либо при замене поставщиков резинового компенсатора или фасонного профиля.
6.9 При проведении входного, пооперационного и приемо-сдаточных испытаний следует пользоваться стандартным измерительным инструментом:
- линейкой металлической по ГОСТ 427, 2-го класса точности;
- рулеткой металлической по ГОСТ 7502, 2-го класса точности;
- штангенциркулем по ГОСТ 166, 0 - 320 мм, нониус с ценой деления 0,1 мм;
- угломером с нониусом по ГОСТ 5378, с ценой деления 5';
- кривизну балок деформационного шва проверяют с помощью натянутой стальной струны и поверенной металлической линейкой.
7 Методы контроля (испытаний)
7.1 Визуально определяют качество поверхностей деталей деформационного шва. На них не должно быть зазубрин, неровностей.
7.2 В соответствии с ГОСТ 23118 проверяют качество сварных швов путем визуального и измерительного контроля, производимого аттестованными сотрудниками. Необходимо полностью удалить шлак со сварных швов. Местные повреждения вследствие зажигания дуги вне шва, прилипшие брызги к поверхности металла и непровары не допускаются. Также не допускаются зазоры в стыках металлоконструкций.
В случае применения составных по высоте балок деформационного шва, имеющих сварные швы с полным проваром, все 100% таких швов должны быть проверены при помощи УЗД.
7.3 Контроль состояния резинового компенсатора проводят путем визуального осмотра. Компенсатор по всей поверхности должен быть сплошным, без раковин, задиров и вздутий. Паспортные показатели характеристик резины должны соответствовать требованиям 5.3.5.
7.4 Проверку качества окрасочного покрытия контролируют визуально и при помощи толщиномера. Не допускается наличие непрокрашенных мест, трещин, морщин, пузырей и других дефектов окрасочного покрытия, регламентированных в ГОСТ 9.407.
7.5 Надежность и долговечность конструкции деформационных швов подтверждают следующими периодическими испытаниями:
- на герметичность;
- выносливость;
- работоспособность системы регулирования перемещений.
Квалификационные испытания проводят по параметрам периодических испытаний.
Сроки и периодичность испытаний определены в 6.6 - 6.8.
7.6 Испытание на герметичность фрагмента шва предусматривает заливку пространства водой между окаймлениями и нахождение фрагмента под воздействием воды в течение 12 ч. Результатом положительных испытаний конструкций деформационного шва на герметичность является отсутствие протечек под резиновым компенсатором.
7.7 Испытание на выносливость конструкций деформационного шва проводят воздействием нагрузки по ГОСТ 33390 и цикличности, с количеством циклов 2·106. При этом к испытуемому фрагменту однопрофильного деформационного шва нагрузка должна прикладываться по схеме и в местах, обеспечивающих наиболее сложные условия эксплуатации деформационного шва. При испытании модульного деформационного шва следует выбирать фрагмент такой длины, чтобы крайняя и промежуточные балки опирались на четыре и более траверсы. Результатом положительных испытаний конструкций деформационного шва на выносливость является факт отсутствия трещин в стальных элементах деформационного шва и в сварных швах.
7.8 Испытания на работоспособность системы регулирования перемещений проводят путем циклического равномерного изменения раскрытия деформационного шва от минимального до максимального паспортного значения. Указанный вид испытаний проводят отдельно для каждого перемещения, заявленного в паспорте на деформационный шов. Испытания проводят на фрагменте деформационного шва, опирающегося на четыре и более траверс. Количество циклов - 105.
7.9 Все испытания должны производиться в лаборатории, аккредитованной по соответствующим видам испытаний.
8 Транспортирование и хранение
8.1 Перед проведением приемо-сдаточных испытаний деформационного шва должен быть выставлен установочный зазор, зафиксированный транспортными приспособлениями. Резиновый компенсатор следует хранить отдельно от металлоконструкций и устанавливать в деформационный шов после монтажа конструкций деформационного шва на мостовом сооружении. Допускается поставка потребителю деформационного шва в полной заводской готовности с установленным резиновым компенсатором.
8.2 Хранение конструкций деформационного шва, прошедшего приемо-сдаточные испытания, должно осуществляться в сухом вентилируемом помещении.
8.3 Не допускается прямой контакт конструкций деформационного шва с поверхностью пола. Конструкции деформационных швов должны храниться в чистоте. Категорически запрещается контакт конструкций с кислотами и щелочами, маслом, органическими растворителями и т.п. Не допускается хранение конструкций под открытым небом.
8.4 Перед транспортированием деформационный шов должен быть упакован с целью исключения внешних механических воздействий.
8.5 Конструкции деформационных швов транспортируют всеми видами транспорта в соответствии с правилами перевозки грузов, действующими для данного вида транспорта, и техническими условиями погрузки и крепления грузов с обязательным их предохранением от механических повреждений.
8.6 Погрузку (выгрузку) конструкций деформационных швов в транспортное средство производят крановым оборудованием. Сбрасывание и перемещение конструкций волоком не допускается.
8.7 Транспортирование и хранение конструкций деформационных швов допускается только в один ряд по высоте либо в два и более ряда с применением конструкций, исключающих нагрузку на элементы деформационных швов.
8.8 Места строповки конструкций деформационного шва при погрузочно-разгрузочных работах и места опирания при хранении и транспортировании конструкций деформационного шва определяются проектной документацией и указываются в технической документации, поставляемой вместе с деформационным швом.
8.9 Условия транспортирования и хранения конструкций деформационных швов при воздействии климатических факторов Ж1 - по ГОСТ 15150.
9 Указания по монтажу конструкции деформационных швов
9.1 Конструкции деформационных швов с резиновыми компенсаторами доставляют на строительную площадку в собранном виде отдельными блоками, длина которых определена проектной документацией в зависимости от ширины пролетных строений. Установочный зазор между балками деформационного шва устанавливают для температуры пролетного строения соответствующей моменту предполагаемого монтажа и фиксируют транспортными приспособлениями из комплекта деформационного шва. Резиновые компенсаторы могут поставляться как в бухтах, так и в составе полностью собранного деформационного шва. Длина компенсатора в каждой бухте должна быть не менее длины деформационного шва, включая швы на тротуарах. При производстве работ необходимо оформлять акты на скрытые работы, перечень которых приведен в приложении Б.
9.2 Способ крепления конструкций деформационного шва к пролетным строениям и сопрягаемым с ними мостовыми конструкциями определяется проектной документацией на мостовое сооружение.
9.3 Завершающей операцией по устройству деформационного шва являются установка резинового компенсатора и его закрепление (если необходимо) в соответствии с конструкцией деформационного шва и рекомендациями предприятия-изготовителя. После установки резинового компенсатора проводят испытания на герметичность деформационного шва в порядке, приведенном в приложении В.
9.4 Конструкции деформационного шва устанавливают с использованием монтажных рам, обеспечивающих проектные отметки балок деформационного шва и соблюдение установочного зазора. До набора бетоном омоноличивания прочности в соответствии с приложением А следует исключить приложение нагрузок к конструкциям деформационного шва.
9.5 Все работы по монтажу деформационного шва должны проводиться в соответствии с регламентом по монтажу деформационного шва и проектом производства работ. Регламент по монтажу деформационного шва должен быть разработан предприятием-изготовителем и содержать особенности монтажа и транспортирования деформационного шва и поставляться совместно с конструкцией.
9.6 При производстве работ по монтажу деформационного шва должен осуществляться периодический геодезический контроль положения элементов деформационного шва (крайних и промежуточных балок). При производстве геодезического контроля необходимо оформлять документацию, перечень которой приведен в приложении Г. В обязательном порядке пространственное положение элементов деформационного шва должно быть освидетельствовано перед проведением работ по омоноличиванию окаймления деформационного шва (прикрепления деформационного шва к ортотропной плите).
10 Гарантии изготовителя
10.1 Изготовитель гарантирует соответствие конструкций деформационных швов требованиям настоящего стандарта при соблюдении потребителем условий транспортирования и хранения.
Примечание - Изготовитель продукции в соответствии с законодательством устанавливает гарантийные обязательства о соответствии выпускаемой им продукции требованиям настоящего стандарта в технических условиях на эту продукцию, эксплуатационных документах к ней, в маркировке продукции или специально оговаривает в договорах (контрактах) на ее поставку.
10.2 Гарантийный срок хранения конструкций деформационных швов до установки на объекте составляет пять лет с момента отгрузки.
10.3 Срок службы металлических конструкций деформационного шва не менее 20 лет в соответствии с ГОСТ 33178.
Приложение А
(обязательное)
МАТЕРИАЛЫ ДЛЯ ИЗГОТОВЛЕНИЯ ДЕФОРМАЦИОННЫХ ШВОВ
А.1 Перечень материалов, рекомендуемых для изготовления конструкций деформационных швов, приведен в таблице А.1.
Таблица А.1
Наименование детали
Материал
Нормативный документ
Крайняя балка, промежуточная балка, траверса, короб
Ст3сп
09Г2СД, 10ХСНД,
15ХСНД
Анкер пластинчатый
09Г2СД, 15ХСНД, 10ХСНД
Анкер стержневой
Ст3сп
Компенсатор резиновый
Резина
Транспортные приспособления
Ст3сп
Лист скольжения в составе системы регулирования перемещений
Нержавеющая сталь
Для анкерных выпусков и армирования монолитных участков у швов применяют арматуру периодического профиля класса АIII по ГОСТ 5781 и ГОСТ 380.
Допускается применение материалов других марок, физико-механические и антикоррозионные свойства которых не ниже, чем у материалов, рекомендованных к применению.
А.2 Для защиты от коррозии конструкций деформационных швов применяют антикоррозийные материалы различных фирм-изготовителей в соответствии с требованиями СП 28.13330.2017. Выбор антикоррозионной защиты производится разработчиком конструкций деформационных швов в зависимости от системы покрытий. Антикоррозийное покрытие наносится на поверхности конструкций деформационного шва, соприкасающиеся с наружным воздухом, и в местах вероятного попадания влаги. На элементы деформационного шва, подлежащие дальнейшему омоноличиванию, антикоррозийное покрытие не наносится, перед бетонированием их следует очистить от консервантов и ржавчины.
Для защиты металлоконструкций швов от коррозии необходимо применять лакокрасочные материалы для сильноагрессивной жидкой среды, IV группы лакокрасочных покрытий, суммарной толщиной не менее 300 мкм, [СП 28.13330.2017 (таблица Ц.1)]. Допускается применение цинковых или алюминиевых покрытий на профили и металлоконструкции шва, наносимых методом газотермического напыления толщиной 240...250 мкм.
Выбор характеристики лакокрасочного материала по типу пленкообразующего покрытия соответствующей группы осуществляется на основании рекомендаций СП 28.13330.2017 (таблица Ц.7) из следующих типов лакокрасочных материалов:
- перхлорвиниловые и сополимерно-винилхлоридные;
- эпоксидные;
- полиуретановые.
Прогнозируемый срок службы покрытия следует устанавливать по результатам ускоренных климатических испытаний образцов покрытий, представляющих собой фрагменты реальных конструкций с покрытиями. Ускоренные испытания покрытий проводят по ГОСТ 9.401.
Острые кромки металлоконструкций следует скруглять до радиуса не менее 2 мм. Для достижения требуемой степени очистки от прокатной окалины и ржавчины следует предусматривать абразивоструйную очистку.
А.3 Бетон окаймления и бетон приливов у деформационных швов должен иметь класс прочности не ниже B40, марку по водонепроницаемости не ниже W10 и марку по морозостойкости 300 для районов со средней температурой воздуха наиболее холодного месяца до минус 10 °C и ниже соответственно, но не ниже, чем на плите пролетного строения (устое).
Приложение Б
(рекомендуемое)
ПЕРЕЧЕНЬ
РАБОТ ПРИ МОНТАЖЕ КОНСТРУКЦИЙ ДЕФОРМАЦИОННЫХ ШВОВ
И УСТРОЙСТВЕ ПРИШОВНЫХ ПЕРЕХОДНЫХ ЗОН, ОФОРМЛЯЕМЫХ
АКТАМИ ОСВИДЕТЕЛЬСТВОВАНИЯ СКРЫТЫХ РАБОТ
Б.1 При приемке конструкций деформационных швов с резиновыми компенсаторами на объекте рекомендуется производить комиссионную приемку следующих работ с оформлением акта (актов) освидетельствования скрытых работ:
- выставление конструкции деформационного шва в проектное положение;
- установка поперечной арматуры пролетного строения;
- сварочные работы по объединению крайних балок с ортотропной плитой проезжей части металлических пролетных строений;
- работы по защите сварных швов от коррозии;
- устройство гидроизоляции мостового полотна на стыке с конструкцией деформационного шва;
- устройство дорожной одежды на стыке с деформационным швом.
Б.2 При приемке пришовных переходных зон рекомендуется производить комиссионную приемку следующих работ с оформлением акта (актов) освидетельствования скрытых работ:
- устройство защитно-сцепляющего слоя (на ортотропных плитах проезжей части металлических пролетных строений);
- устройство защитного слоя (если применяется);
- устройство дренажа (если применяется) с узлом примыкания гидроизоляции;
- подготовка поверхности под устройство приливов;
- устройство приливов;
- укладка слоев покрытия проезжей части в районе пришовной переходной зоны;
- подготовка штрабы переходной полосы и грунтовка стенок и дна штрабы;
- устройство переходной полосы.
Приложение В
(рекомендуемое)
ТРЕБОВАНИЯ
К ПОРЯДКУ ПРОВЕДЕНИЯ ИСПЫТАНИЯ НА ГЕРМЕТИЧНОСТЬ
СМОНТИРОВАННЫХ КОНСТРУКЦИЙ ДЕФОРМАЦИОННЫХ
ШВОВ С КОМПЕНСАТОРАМИ
В.1 Проведение испытаний на герметичность должно проводиться после завершения установки конструкции деформационного шва и устройства прилегающих слоев одежды мостового полотна при положительной температуре. При проведении испытаний следует соблюдать следующий порядок операций и соответствующие технические требования:
- участок проезжей части между мостовыми ограждениями, включающий установленную конструкцию деформационного шва, покрывается слоем воды. Допускается использовать как стоячую, так и проточную воду;
- глубина воды над конструкцией деформационного шва должна быть не менее 25 мм от поверхности проезжей части. Для создания необходимого слоя воды рекомендуется ограничить ее растекание по проезжей части с обеих сторон от оси деформационного шва;
- испытание проводят в течение 2 ч. На всем протяжении испытания необходимо поддерживать над деформационным швом слой воды толщиной не менее 25 мм.
В.2 По завершении испытания конструкцию деформационного шва следует тщательно проверить на наличие протечек путем осмотра конструкций, расположенных под ней, а также самой конструкции деформационного шва в нижней зоне.
В.3 При оценке результатов проведенного испытания следует использовать следующие критерии контроля:
- компенсаторы и узлы их крепления к крайним (промежуточным) балкам следует считать герметичными, если на балках деформационного шва на стыке с компенсаторами, на самих компенсаторах и на элементах конструкций мостового сооружения, прилегающих к крайним балкам, деформационных швов нет следов протечек воды;
- бетонные, полимербетонные приливы, сварные швы и участки омоноличивания под конструкцией деформационного шва могут быть влажными, что не считается признаком наличия протечек;
- допускается наличие конденсата на конструкциях, расположенных ниже уровня компенсаторов, что не считается признаком протечки, если визуально не наблюдается непрекращающееся просачивание воды.
В.4 Если по результатам испытания обнаружена негерметичность конструкции деформационного шва, то следует принять меры по устранению протечек, после чего провести повторное испытание на герметичность согласно настоящему приложению.
В.5 Результаты испытания на герметичность оформляются актом, составляемым в произвольной форме, в котором указывают условия проведения испытания, способ испытания и его результаты. Акт подписывается комиссией, участвующей в приемке смонтированных конструкций деформационных швов, и прикладывается к комплекту исполнительной документации.
Приложение Г
(рекомендуемое)
ПЕРЕЧЕНЬ
И СОДЕРЖАНИЕ ИСПОЛНИТЕЛЬНЫХ ГЕОДЕЗИЧЕСКИХ СХЕМ,
ОФОРМЛЯЕМЫХ ПРИ ПРИЕМКЕ КОНСТРУКЦИЙ ДЕФОРМАЦИОННЫХ
ШВОВ И ПРИШОВНЫХ ПЕРЕХОДНЫХ ЗОН
Г.1 Перед приемкой конструкций деформационных швов с компенсаторами должны быть оформлены следующие исполнительные геодезические схемы:
а) план и разрезы установленной в штрабу проектного положения конструкции деформационного шва с указанием:
1) размеров штрабы с учетом установленной опалубки;
2) высотных отметок дна штрабы и арматурных выпусков пролетного строения;
3) размерных привязок конструкции деформационного шва к пролетным строениям, штрабе и оси деформационного шва на разрезах и плане, включая анкерные элементы;
4) высотных привязок верхней поверхности конструкции деформационного шва (по верху крайних балок) к поверхности плиты проезжей части и поверхности проезда (в случае ее наличия на этапе монтажа конструкции деформационного шва);
5) величин защитных слоев анкерных элементов и арматуры пролетного строения в свету;
6) расстояния между пролетными строениями;
7) величины раскрытия конструкции деформационного шва;
б) чертеж конструкции деформационного шва после бетонирования с указанием:
1) высотных отметок по верху бетона омоноличивания штрабы;
2) высотных привязок верхней поверхности конструкции деформационного шва (по верху окаймлений) к верху бетона омоноличивания;
3) размерных привязок конструкции деформационного шва к пролетным строениям и оси деформационного шва на разрезах и плане;
в) сводная исполнительная схема конструкции деформационного шва после завершения всех работ.
Г.2 Перед приемкой конструкций пришовных переходных зон должны быть оформлены следующие исполнительные геодезические схемы:
а) план и разрезы участка, подготовленного к устройству приливов, с указанием:
1) размеров участка;
2) высотных отметок дна участка, поверхности прилегающей одежды и верха окаймлений конструкции деформационного шва;
3) размерных привязок участка к пролетным строениям и оси деформационного шва на разрезах и плане;
б) план и разрезы штрабы, подготовленной к устройству переходной полосы, с указанием:
1) размеров штрабы;
2) высотных отметок дна штрабы и поверхности прилегающей дорожной одежды;
3) размерных привязок штрабы к пролетным строениям и оси деформационного шва на разрезах и плане;
в) чертеж дренажа конструкции деформационного шва (при ее наличии) с указанием:
1) размерных привязок водоотводных трубок к пролетным строениям и оси деформационного шва на разрезах и плане;
2) дренажных трубок и высотных отметок начала и конца участков с уклоном одной величины и/или знака;
г) сводная исполнительная схема конструкции деформационного шва после завершения всех работ с указанием:
1) высотных отметок по верху материала пришовной переходной зоны, прилива, окаймлений конструкции деформационного шва;
2) высотных отметок прилегающей дорожной одежды;
3) размерных привязок конструкций пришовной переходной зоны к пролетным строениям и оси деформационного шва на разрезах и плане.