Главная // Актуальные документы // НормыСПРАВКА
Источник публикации
М.: ОАО "ЦНИИПромзданий", 2009
Примечание к документу
Название документа
"Каталог конструктивных решений по усилению и восстановлению строительных конструкций зданий и сооружений"
(утв. ОАО "ЦНИИПромзданий" 24.12.2008)
"Каталог конструктивных решений по усилению и восстановлению строительных конструкций зданий и сооружений"
(утв. ОАО "ЦНИИПромзданий" 24.12.2008)
Утверждаю
Зам. генерального директора
М.ГЛИКИН
24 декабря 2008 г.
ЦЕНТРАЛЬНЫЙ НАУЧНО-ИССЛЕДОВАТЕЛЬСКИЙ
И ПРОЕКТНО-ЭКСПЕРИМЕНТАЛЬНЫЙ ИНСТИТУТ
ПРОМЫШЛЕННЫХ ЗДАНИЙ И СООРУЖЕНИЙ
(ОАО "ЦНИИПРОМЗДАНИЙ")
КАТАЛОГ
КОНСТРУКТИВНЫХ РЕШЕНИЙ ПО УСИЛЕНИЮ И ВОССТАНОВЛЕНИЮ
СТРОИТЕЛЬНЫХ КОНСТРУКЦИЙ ЗДАНИЙ И СООРУЖЕНИЙ
Начальник отдела обследования
зданий и сооружений N 2
В.А.КОРОБКОВ
Руководитель группы
К.В.АВДЕЕВ
Ведущий инженер
Л.И.КОСТРОМИНА
Инженеры
Н.М.БАЕВА
М.В.УСАНОВА
Каталог содержит более 150 конструктивных решений по усилению и восстановлению железобетонных, стальных, каменных, армокаменных конструкций и фундаментов промышленных зданий.
Приведены основные положения по обеспечению эксплуатационной надежности строительных конструкций.
Основными материалами Каталога являются решения по усилению и восстановлению плит покрытий, перекрытий, ферм, колонн, подкрановых балок и узлов их соединений, а также виды повреждений каменных конструкций и способы их устранения.
Первое издание "
Каталога конструктивных решений по усилению и восстановлению строительных конструкций промышленных зданий" было выпущено ЦНИИПромзданий в 1987 г. Каталог содержал каталожные карты типовых проектных решений и рекомендации по усилению и восстановлению железобетонных, стальных, каменных, армокаменных конструкций промышленных зданий. Каталог был разработан с использованием патентной и технической отечественной и иностранной литературы по вопросам усиления и восстановления строительных конструкций, а также материалов научно-исследовательских и проектных организаций, в том числе ЦНИИПромзданий, НИИЖБа, ЛИСИ, Донецкого Промстройниипроекта, Волгоградского ПКТИ ремонтного хозяйства. Материалы Каталога предназначались для использования их инженерно-техническими работниками проектных, производственных, ремонтно-строительных организаций министерств и ведомств в качестве проектного пособия при решении вопросов усиления и восстановления строительных конструкций, при текущих и капитальных ремонтах, реконструкции объектов, включая действующие производства.
Несмотря на то, что Каталог был не единственным подобным изданием, он распространялся в течение почти двадцати лет и претерпел небольшие изменения только в 1999 г.
В связи с новыми тенденциями в строительстве, изменениями в его структуре, а также для приближения технических решений, приведенных в Каталоге, к рабочим чертежам, ЦНИИПромзданий переработал Каталог, используя все технические материалы, которые были в его распоряжении.
В данный альбом включены наиболее распространенные решения по усилению и восстановлению строительных конструкций зданий и сооружений, исходя из опыта работы ОАО "ЦНИИПромзданий", а также патентные материалы.
В составлении Каталога принимали участие к.т.н. Коробков В.А., инженеры Костромина Л.И., Баева Н.М., Усанова М.В., техник Родионов А.В.
2. ОБЩИЕ СВЕДЕНИЯ О РЕМОНТЕ И ВОССТАНОВЛЕНИИ
СТРОИТЕЛЬНЫХ КОНСТРУКЦИЙ ЗДАНИЙ И СООРУЖЕНИЙ
2.1. ТЕРМИНЫ И ОПРЕДЕЛЕНИЯ
Обследование - комплекс мероприятий по определению и оценке фактических значений контролируемых параметров, характеризующих эксплуатационное состояние, пригодность и работоспособность объектов обследования и определяющих возможность их дальнейшей эксплуатации или необходимость восстановления, усиления и проведения соответствующего ремонта.
Дефект - отдельное несоответствие конструкций какому-либо параметру, установленному проектом или нормативным документом (СНиП, ГОСТ, ТУ, СН и т.д.).
Повреждение - неисправность, полученная конструкцией при изготовлении, транспортировании, монтаже или эксплуатации.
Проверочный расчет - расчет существующей конструкции по действующим нормам проектирования с введением в расчет полученных в результате обследования или по проектной и исполнительной документации геометрических параметров конструкции, фактической прочности строительных материалов, действующих нагрузок, уточненной расчетной схемы с учетом имеющихся дефектов и повреждений.
Категория технического состояния - степень эксплуатационной пригодности строительной конструкции или здания и сооружения в целом, установленная в зависимости от доли снижения несущей способности и эксплуатационных характеристик конструкций.
Нормативный уровень технического состояния - категория технического состояния, при котором количественное и качественное значение параметров всех критериев оценки технического состояния строительных конструкций зданий и сооружений соответствуют требованиям нормативных документов (СНиП, ТСН, ГОСТ, ТУ и т.д.).
Исправное состояние - категория технического состояния строительной конструкции или здания и сооружения в целом, характеризующаяся отсутствием дефектов и повреждений, влияющих на снижение несущей способности и эксплуатационной пригодности.
Работоспособное состояние - категория технического состояния, при которой некоторые из численно оцениваемых контролируемых параметров не отвечают требованиям проекта, норм и стандартов, но имеющиеся нарушения требований, например, по деформативности, а в железобетоне и по трещиностойкости, в данных конкретных условиях эксплуатации не приводят к нарушению работоспособности, и несущая способность конструкций, с учетом влияния имеющихся дефектов и повреждений, обеспечивается.
Ограниченно работоспособное состояние - категория технического состояния конструкций, при которой имеются дефекты и повреждения, приведшие к некоторому снижению несущей способности, но отсутствует опасность внезапного разрушения и функционирование конструкции возможно при контроле ее состояния, продолжительности и условий эксплуатации.
Недопустимое состояние - категория технического состояния строительной конструкции или здания и сооружения в целом, характеризующаяся снижением несущей способности и эксплуатационных характеристик, при котором существует опасность для пребывания людей и сохранности оборудования (необходимо проведение страховочных мероприятий и усиление конструкций).
Аварийное состояние - категория технического состояния строительной конструкции или здания и сооружения в целом, характеризующаяся повреждениями и деформациями, свидетельствующими об исчерпании несущей способности и опасности обрушения (необходимо проведение срочных противоаварийных мероприятий).
Степень повреждения - установленная в процентном отношении доля потери проектной несущей способности строительной конструкцией.
Эксплуатационные показатели здания - совокупность технических, объемно-планировочных, санитарно-гигиенических, экономических и эстетических характеристик здания, обуславливающих его эксплуатационные качества.
Моральный износ здания - постепенное (во времени) отклонение основных эксплуатационных показателей от современного уровня технических требований эксплуатации зданий и сооружений.
Физический износ здания - ухудшение технических и связанных с ними эксплуатационных показателей здания, вызванное объективными причинами.
Восстановление - комплекс мероприятий, обеспечивающих повышение эксплуатационных качеств конструкций, пришедших в ограниченно работоспособное состояние, до уровня их первоначального состояния.
Усиление - комплекс мероприятий, обеспечивающих повышение несущей способности и эксплуатационных свойств строительной конструкции или здания и сооружения в целом по сравнению с фактическим состоянием или проектными показателями.
2.2. ОСНОВНЫЕ ПОЛОЖЕНИЯ ПО УСИЛЕНИЮ
И ВОССТАНОВЛЕНИЮ КОНСТРУКЦИЙ
2.2.1. Необходимость усиления и восстановления отдельных несущих и ограждающих конструкций определяется следующими факторами:
- эксплуатационным износом - потерей несущей способности от воздействия эксплуатационных нагрузок;
- изменением эксплуатационного режима, связанное с увеличением нагрузок, перестройкой помещений или надстройкой зданий;
- неправильной эксплуатацией конструкций и воздействием поражающих внешних факторов;
- случайными повреждениями - выходом из строя отдельных конструктивных элементов при демонтаже, транспортировке и установке технологического оборудования.
2.2.2. В зависимости от причин, вызывающих необходимость усиления, а также типа конструкций, характера и степени их повреждения рекомендуются определенные способы усиления.
Одни способы направлены на повышение несущей способности усиливаемого элемента без изменения его напряженного состояния и конструктивной схемы, другие - с изменением его напряженного состояния и конструктивной схемы (например, дополнительных упругих или жестких опор в пролете усиливаемой конструкции).
Существуют способы усиления конструкциями, которые полностью или частично воспринимают дополнительные нагрузки, возникающие в элементах, и передают их на конструкции здания, обладающие достаточной несущей способностью.
2.2.3. Основными методами восстановления эксплуатационной надежности конструкций являются:
- выполнение ремонтных работ с сохранением конструктивной схемы, геометрических характеристик и материалов строительных конструкций зданий и сооружений;
- увеличение сечения элементов наращиванием и устройством рубашек и односторонних накладок с добавлением и приваркой арматуры;
- изменение статической схемы конструкции или ее напряженного состояния путем разгрузки.
2.3. ОЦЕНКА НЕСУЩЕЙ СПОСОБНОСТИ ЖЕЛЕЗОБЕТОННЫХ КОНСТРУКЦИЙ
2.3.1. Перед выбором способа усиления производится оценка состояния несущей способности существующих строительных конструкций с целью:
- определения возможности и необходимости ремонта, восстановления или усиления поврежденных конструкций;
- установления степени аварийности существующих конструкций и возможности дальнейшего использования их при усилении или необходимости замены;
- определения необходимости усиления существующих конструкций при возможной дополнительной нагрузке и других воздействий. Во всех случаях оценка состояния конструкций дается в результате:
- технического обследования конструкций;
- проверочного расчета конструкций;
- испытаний (в случае необходимости) конструкций (определение марки бетона, арматуры), загружения пробной нагрузкой и т.д.
2.3.2. Техническое обследование рекомендуется проводить в соответствии с главами СНиПов, Строительными правилами (СП), другими документами, а также технической литературой. Для объектов, подконтрольных Ростехнадзору, следует выполнять требования документов ПБ и РД.
Данные, полученные в результате обследования, необходимы для оценки несущей способности обследуемой конструкции и пригодности ее к дальнейшей эксплуатации.
2.4. ОСНОВНЫЕ ПОЛОЖЕНИЯ ПО РАСЧЕТУ
И КОНСТРУИРОВАНИЮ УСИЛЕНИЙ
2.4.1. Статические расчеты строительных конструкций при изменении их первоначальной статической схемы или напряженного состояния после усиления должны проводиться с учетом новой статической схемы или напряженного состояния элемента.
2.4.2. Схема и способ усиления железобетонных балок при работе на изгиб выбираются в зависимости от соотношения между величиной относительной высоты сжатой зоны бетона

, определяемой из соответствующих условий равновесия, и от граничного значения относительной высоты сжатой зоны бетона (при котором предельное состояние элемента наступает одновременно с достижением в растянутой арматуре напряжения, равного расчетному сопротивлению) и от наличия дефектов бетона в сжатой зоне или количества и состояния арматуры в растянутой зоне балки. Поэтому при проектировании усиления необходимо, чтобы после усиления балки соблюдались условия, зависящие от высоты сжатой зоны
а) при

- из условия
M <= Rб * b * x(h0 - 0,5x) + RSC * AS(h0 - d);
б) при

- из условия
Все обозначения по документу
[6].
2.4.3. При расчете преднапряженных конструкций усиления (l >= 6 м) необходимо учитывать следующие экспериментально установленные коэффициенты условий работы m0, которые учитывают потери напряжений:
- для преднапряженных горизонтальных затяжек усиления m0 = 0,85;
- для преднапряженных шпренгельных затяжек усиления m0 = 0,8;
- для преднапряженных распорок усиления m0 = 0,9;
- для преднапряженных поперечных стержней усиления на поперечные силы m0 = 0,9.
2.4.4. При наличии в сечении усиливаемой конструкции бетонов двух или нескольких классов в расчет по прочности вводится бетон наиболее низкого класса со своим расчетным сопротивлением, а бетоны более высоких классов - с расчетным сопротивлением, соответствующим классу бетона, но не более, чем на одну степень выше наиболее низкого класса.
2.4.5. Элементы, усиливаемые железобетонными обоймами, рубашками и наращиванием, рассчитываются вместе с усилением как монолитные. При этом повреждения элементов или их дефекты учитываются снижением полученной прочности в процентном соотношении.
При усилении элементов железобетонных конструкций обоймами следует поперечное армирование конструировать замкнутым, а при усилении трехсторонними рубашками хомуты следует замыкать или соединять на сварке со специальными анкерами (уголки, полосовая сталь), располагаемыми на четвертой небетонируемой стороне элемента, принимая защитные мероприятия против их коррозии.
Рубашки следует устраивать на всей длине поврежденного участка железобетонного элемента с перепуском на неповрежденные части на длину не менее длины анкеровки рабочей арматуры рубашки, не менее пяти толщин ее стенок и не менее поперечного размера (ширины грани или диаметра) усиливаемого элемента или не менее 500 мм (принимается наибольшая величина из указанных).
Усиление конструкций односторонним или двухсторонним наращиванием производится путем приварки к существующей обнаженной арматуре новых, дополнительных арматурных стержней и хомутов, а затем бетонированием наращиваемой части.
Дополнительная арматура приваривается к стержням основной арматуры при помощи коротышей вразбежку, при этом приварка к существующей арматуре, не заведенной за опору, не допускается.
При расчетах необходимо учитывать возможность повреждения стержней пережогом при сварке, и поэтому сечение старой арматуры принимается ослабленным на 25%.
Железобетонные обоймы со спиральным армированием применяются в основном для усиления многогранных центрально-сжатых элементов (колонны, столбы). Расчет таких обойм производится по
п. 2.3.2 как комплексных монолитных элементов при классе бетона, равном фактической прочности бетона усиливаемого элемента. Существующая арматура при наличии коррозии не учитывается.
Шаг хомутов в обоймах следует принимать равным не более 300 мм.
Около опорных частей железобетонных обойм хомуты устанавливаются с шагом, уменьшенным вдвое. Стальные обоймы должны иметь опорные башмаки из уголков и швеллеров, подчеканиваемые жестким раствором.
2.4.6. Элементы усилений, являющиеся для усиливаемой конструкции разгружающими системами и с нею не замоноличиваемые, рассчитываются как самостоятельные или составные системы. При этом усилия в старой (усиливаемой) и новой (усиливающей) частях конструкции определяются по правилам строительной механики.
Элементы разгружающих систем усилений должны быть после установки надежно включены в работу, т.е. между ними и усиливаемой конструкцией должны быть введены предварительно напряженные связи, распорки, клинья, стяжки, подбетонки или другие устройства, создающие предварительное напряжение в конструкции усиления.
2.4.7. Усиление металлическими обоймами рассчитывается как самостоятельная конструкция, при этом гибкость ее определяется с учетом расположения крепления в усиливаемой железобетонной конструкции.
Усиление стальными ненапряженными обоймами осуществляется с анкеровкой концов элементов усиления. Разрешается учитывать в работе на продольную сжимающую силу часть длины этих обойм (при отсутствии конструктивной заделки) и при условии установки их на раствор, подчеканиваемый или инъецируемый между обоймой и железобетонным элементом. В этом случае, концевые части обойм, равные по длине двойной ширине усиливаемого элемента и не менее десятикратной ширины полки уголка, рассматриваются как анкерная часть, а на остальной длине конструкции усиления включаются в расчет полностью.
2.4.8. Усиление балок металлическими поддерживающими конструкциями может быть выполнено по различным схемам:
- дополнительными балками, расположенными под или поверх усиливаемой конструкции;
- подкосными системами (порталами) при одновременном разгружении подкосами колонн;
- шпренгелями, двухконсольными подпруженными балками или кронштейнами, уменьшающими пролет балок и не вызывающими в них продольных сил (как это происходит в шпренгеле);
- подвесками к вышерасположенным конструкциям, дополнительными стойками, фермами.
Выбор схемы и конструкции усиления зависит от наличия материалов, свободных габаритов, расположения конструкций, которые могут служить опорой элементов усиления, характера и степени повреждения усиливаемой конструкции и требования к ней после усиления.
При усилении балок шпренгелем сечения балки проверяются с учетом продольной силы, действующей в балке, как в ригеле шпренгельной системы, т.е. как сечение внецентренно сжатых элементов. Полученная после усиления шпренгельная система проверяется на действие несимметричной нагрузки, если такая имеет место.
2.4.9. При усилении опорных участков в балке рекомендуется применять замкнутые конструкции усиления - обоймы. Применение на опорах трехсторонних рубашек может быть допущено только в случае усиления такой рубашкой по всей длине балки. Усиление опорных участков стальными конструкциями осуществляется при помощи наружных хомутов или других элементов.
Зазоры между металлическими элементами усилений и бетоном усиливаемой конструкции должны подчеканиваться жестким цементным раствором.
При усилении обоймами, рубашками и набетонками поверхность усиливаемой конструкции подготавливается путем насечки бетона в месте контакта старого и нового бетона, а также обработкой их металлическими щетками и в некоторых случаях скалыванием защитного слоя. Перед бетонированием (за 1 - 1,5 часа) поверхность контакта промывается водой под давлением, при этом на увлажненной поверхности старого бетона не должно быть открытых лужиц воды. Новый бетон укладывается с обязательным вибрированием.
2.4.10. При проектировании усиления колонн предварительно-напряженными распорками и наращиванием могут встретиться три характерных случая:
- усиление центрально загруженных колонн и внецентренно сжатых колонн с малыми эксцентриситетами;
- усиление внецентренно сжатых колонн с большими эксцентриситетами.
При этом следует учитывать фактический эксцентриситет приложения нагрузки.
Усиление той или иной конструкции здания при увеличении нагрузки требует проверки расчетом связанных с ней элементов и часто влечет за собой усиление их. Например, усиление плиты перекрытия может повлечь за собой необходимость усиления второстепенных и главных балок, колонн, служащих опорами этих балок, фундаментов и т.д.
2.4.11. Подробно методы расчета строительных конструкций при их ремонте и усилении приведены в
[39].
2.5. ОСНОВНЫЕ МАТЕРИАЛЫ ДЛЯ УСИЛЕНИЯ И ВОССТАНОВЛЕНИЯ
СУЩЕСТВУЮЩИХ ЖЕЛЕЗОБЕТОННЫХ КОНСТРУКЦИЙ И ТРЕБОВАНИЯ К НИМ
2.5.1. Для усиления и восстановления железобетонных конструкций должны применяться бетоны не ниже класса B20, арматура класса АI, АII, АIII круглая и периодического профиля по
ГОСТ 5781-82*, а также сортовой фасонный широкополочный и листовой прокат из стали по
ГОСТ 27772-88*.
Для восстановления первоначальной монолитности железобетонных конструкций рекомендуется применять следующие бетоны:
- быстротвердеющий бетон на минеральном цементном вяжущем;
- быстротвердеющий полимерцементный бетон;
- быстротвердеющий полимербетон.
2.5.2. Для обеспечения надежного и качественного восстановления железобетонных конструкций, а также быстрого ввода их в эксплуатацию, ремонтные материалы в первую очередь должны удовлетворять следующим требованиям:
- обладать высокой адгезионной и когезионной прочностью, превышающей аналогичные показатели для бетонов восстанавливаемых конструкций;
- обладать быстрым набором прочности;
- иметь низкую ползучесть и усадку;
- быть устойчивыми, в случае необходимости, к воздействию химических реагентов, воды и атмосферных условий.
Указанные бетоны и растворы применяются для устранения следующих повреждений, возникающих в железобетонных конструкциях:
- трещин в бетоне;
- сколов бетона с обнажением или без обнажения арматуры;
- участков слабого бетона;
- обнажений арматуры;
- выщелачивания бетонов с образованием в нем каверн и пустот;
- повреждения поверхности бетона с обнажением или без обнажения арматуры.
2.6. ТРЕБОВАНИЯ К ОСНОВНЫМ МАТЕРИАЛАМ ДЛЯ ПРИГОТОВЛЕНИЯ
БЫСТРОТВЕРДЕЮЩИХ РЕМОНТНЫХ СОСТАВОВ
Портландцемент
(ГОСТ 10178-85*) для приготовления быстротвердеющих составов должен иметь удельную поверхность свыше 5000 см
2/г (по прибору ПСХ-2). При отсутствии надлежащего цемента можно домалывать его на месте.
Гипсоглиноземистый цемент должен отвечать требованиям
ГОСТ 11052-74, глиноземистый цемент
ГОСТ 969-91, напрягающий цемент ТУ 21-20-18-80.
Фуриловый спирт должен удовлетворять требованиям ТУ 89-257-62. Технический фуриловый спирт представляет собой жидкость светло-желтого цвета с объемной массой 1,12 - 1,34 г/см3, которая полностью растворяется в воде. Содержание фурфурола в спирте 1-го сорта до 1%, 2-го сорта - до 3%.
| | ИС МЕГАНОРМ: примечание. Текст дан в соответствии с официальным текстом документа. | |
Водорастворимые эпоксидные смолы ДЭГ и ТЭГ (ди- и триэтиленгликолевые) имеют молекулярный вес 240 - 260 и 300 - 320, содержат эпоксидные группы соответственно 26 - 29 и 21 - 24%, гидроксильные 4 - 4 и 6 - 7%. Жизнеспособность смол при введении в качестве отвердителя полиэтиленполиамина 2,5 - 4,0 часа. Смолы должны удовлетворять требованиям МРТУ 6-05-1223-69.
Метилметакрилат применяется по ГОСТу 16505-70.
Эпоксидные диановые смолы ЭД-5 и АД-6
(ГОСТ 10587-84*); алкилрезорциновая эпоксидная смола ЭИС-1 (ТУ 38-109-1-71*).
Олигоэфиракрилаты ТГМ-3 (ТУ 6-16-2010-76*), МГФ-9 (ТУ 6-01-450-76*), 7-1 (ТУ 6-01-948-74*).
Солянокислый анилин (ГОСТ 5822-78*) применяется для интенсификации процесса полимеризации фурилового спирта.
Хлористый кальций
(ГОСТ 450-77*) применяется для ускорения твердения цемента.
Полиэтиленполиамин (ТУ 6-02-594-70*) применяется в качестве отвердителя эпоксидных смол.
Окситерленовый растворитель (СТУ 12-110-62) применяется в качестве реакционно-способного разбавителя эпоксидных смол.
Толуол (ГОСТ 4809-87) используется в качестве растворителя эпоксидных смол.
Гидроперекись изопропилбензола (гипериз МРТУ 6-0521075-67) применяется как инициатор твердения смол ИКАС-3 и ЛКС-1.
Нафтенат кобальта (МРТУ 38-2-5-66) служит ускорителем твердения смол ИКАС-3 и ЛКС-1.
Бензосульфокислота (ТУ МХП-307-54) применяется в качестве отвердителя фурфуролацетонового мономера.
Низкомолекулярный парафин (ГОСТ 16960-71) - пластификатор, понизитель летучести метилметакрилата.
Стабилизатор АБС или эмульсионный полистирол
(ГОСТ 20282-86*) - регуляторы скорости полимеризации метилметакрилата.
Перекись бензоила (ГОСТ 14888-78*) - инициатор твердения метилметакрилата.
Диметиланилин (ГОСТ 2168-83*) применяется как ускоритель полимеризации метилметакрилата.
| | ИС МЕГАНОРМ: примечание. ГОСТ 4641-80 утратил силу на территории Российской Федерации с 1 июля 1995 года в связи с изданием Постановления Минстроя России от 07.04.1995 N 18-36. | |
Каменноугольный деготь (ГОСТ 4641-80) марок Д-3, Д-4 и Д-5 применяется в качестве модификатора эпоксидных смол.
| | ИС МЕГАНОРМ: примечание. В официальном тексте документа, видимо, допущена опечатка: имеется в виду ГОСТ 10268-80, а не ГОСТ 10268-93. | |
Заполнители для приготовления ремонтных составов применяются в соответствии с
ГОСТ 10268-93 и ГОСТ НКТП 3055 на песок кварцевый. Максимальная крупность заполнителя зависит от размеров подлежащего устранению повреждения. Она должна быть не более 1/4 глубины дефекта и не более 20 мм.
В качестве тонкомолотых наполнителей для химстойких бетонов и растворов применяются андезитовая или диабазовая мука (БТУ МПСМ-26-У11-54), молотый кварцевый песок (ОСТ ПК ТП) и др.
2.7. СОСТАВЫ БЕТОНОВ И РАСТВОРОВ, ПРЕДНАЗНАЧЕННЫХ
ДЛЯ УСИЛЕНИЯ И ВОССТАНОВЛЕНИЯ СТРОИТЕЛЬНЫХ КОНСТРУКЦИЙ
2.7.1. Быстротвердеющие цементные бетоны и растворы с добавками сульфитноспиртовой барды, триэтаноламина получаются на основе портландцемента марки 400, глиноземистого и гипсоглиноземистого цемента.
Расход материалов, необходимых для приготовления 1 м3 быстротвердеющего бетона, приведен в таблице 1.
Таблица 1
Составы цементных быстротвердеющих бетонов и растворов
Наименование материалов | Расход в кг на 1 м3 |
Номера составов |
1 | 2 | 3 | 4 |
1 | 2 | 3 | 4 | 5 |
Портландцемент М400 - 700 | 387 | 301 | 258 | 200 |
Глиноземистый цемент | 43 | 129 | 172 | 200 |
Гипсоглиноземистый цемент | - | - | - | 200 |
Вода | 161 | 161 | 161 | 250 |
Асбест | - | - | - | 70 |
Песок кварцевый | 530 | 530 | 530 | 1200 |
Щебень фракции 3 - 10 | 1290 | 1290 | 1280 | - |
ССБ + ТЭА | 0,086 | 0,086 | 0,086 | - |
Хлористый кальций (безводный) | - | - | - | 6 |
2.7.2. Быстротвердеющие цементно-полимерные бетоны и растворы с добавками солянокислого анилина и хлористого кальция получаются на основе гипсоглиноземистого цемента. Классы быстротвердеющего бетона по прочности устанавливаются 300, 400, 500 и раствора 200, 300, 400 в зависимости от количества вводимых добавок.
Расход материалов для приготовления 1 м3 бетона (раствора) в кг приведен в таблице 2.
Таблица 2
Составы быстротвердеющих мелкозернистых
цементно-полимерных бетонов, кг/м3
Материалы | Бетон с добавками |
фурилового спирта | водорастворимых смол | дисперсии полимеров |
1 | 2 | 3 | 4 |
Портландцемент М700 | - | 500 | - | 500 | 450 |
Гипсоглиноземистый цемент | 600 | 90 | 600 | 100 | 150 |
Песок строительный | 1200 | 1200 | 1200 | 1200 | 1200 |
Щебень мелкозернистый (Дмакс = 10 мм) | - | 243 | 243 | 250 | 250 |
Вода | 24,8 | - | - | - | - |
Фуриловый спирт | 29,5 | 37 | 37 | - | - |
Солянокислый анилин | 3,3 | 4,0 | 4,0 | - | - |
Смола N 89 (33%) | - | - | - | 7 | - |
Смола ДЭГ или ТЭГ | - | - | - | 4 | - |
Полиэтиленполиамин | - | - | - | - | - |
Поливинилацетатная эмульсия | - | - | - | - | 12 |
Аэросил | - | - | - | 12 | - |
Хлористый кальций | 6,0 | 6,0 | 6,0 | 6,0 | 6,0 |
2.7.3. Полимерные составы в виде клеев и бетонов на основе термопластичных инденкумароноакрилатных связующих ИКАС-3 и ЛКС-1 приведены в таблице 3, а усредненные нормы расхода материалов для их приготовления - в
таблице 4.
Таблица 3
Рекомендуемые составы полимерных клеев и полимербетонов
на основе связующих ИКАС-3 и ЛКС-1
Наименование компонентов | Количество составляющих, масс. % |
Клеи состава | Полимербетоны составов |
N 1 | N 2 | N 3 | N 4 | N 5 | N 6 | N 7 |
1 | 2 | 3 | 4 | 5 | 6 | 7 | 8 |
| | ИС МЕГАНОРМ: примечание. Текст дан в соответствии с официальным текстом документа. | |
|
Смола: ИКАС-3 | - | - | 27,78 - 23,98 или | 18,18 - 14,6 или | 12,5 - 11,7 или | 9,43 - 8,62 или | 12,5 - 10,99 или |
ЛКС | 90,92 | 62,50 - 32,26 | 27,78 - 23,98 | 18,18 - 14,6 | 12,5 - 11,7 | 9,43 - 8,62 | 12,5 - 10,99 |
Нафтенат кобальта | 4,54 | 3,13 - 1,61 | 1,39 - 1,20 | 0,91 - 0,73 | 0,63 - 0,56 | 0,47 - 0,43 | 0,63 - 0,55 |
Гипериз | 4,54 | 3,13-1,61 | 1,39-1,20 | 0,91-0,73 | 0,43-0,56 | 0,47-0,43 | 0,63-0,55 |
Наполнитель | - | 31,24 - 64,54 | 69,44 - 71,94 | 7,27 - 14,6 | 17,50 - 22,35 | 13,21 - 15,95 | 17,50 - 25,27 |
Заполнитель с размером частиц до 1,25 | - | - | - | 72,73 - 69,34 | - | - | - |
до 5,00 мм | - | - | - | - | 68,7 - 65,36 | 76,42 - 74,57 | - |
до 10,00 мм | - | - | - | - | - | - | 68,74 - 62,64 |
Тиксотропная добавка | - | - | 0 - 1,68 | - | - | - | - |
Таблица 4
Усредненные нормы расхода полимерных клеев
и полимербетонов на основе связующих ИКАС-3 и ЛКС-1
Наименование материалов | Количество материалов в кг для приготовления |
1 кг клея состава | 1 м3 полимербетона состава |
N 1 | N 2 | N 3 | N 4 | N 5 | N 6 | N 7 |
1 | 2 | 3 | 4 | 5 | 6 | 7 | 8 |
Смола ИКАС-3 | 0,91 | 0,625 - 0,323 или | 0,277 - 0,244 или | 345 - 291 или | 262 - 245 или | 215 - 220 или | 262 - 245 или |
ЛКС | - | 0,625 - 0,323 | 0,277 - 0,244 | 345 - 291 | 262 - 245 | 215 - 200 | 262 - 245 |
Ускоритель НК | 0,045 | 0,031 - 0,016 | 0,014 - 0,012 | 17 - 14,5 | 13 - 12,5 | 11 - 10 | 13 - 12,5 |
Гипериз | 0,045 | 0,031 - 0,016 | 0,014 - 0,012 | 17 - 14,5 | 13 - 12,5 | 11 - 10 | 13 - 12,5 |
Наполнитель | - | 0,313 - 0,645 | 0,695 - 0,732 | 135 - 270 | 370 - 490 | 300 - 340 | 370 - 450 |
Заполнитель | - | - | - | 1350 - 1340 | 1442 - 1430 | 1743 - 1760 | 1440 - 1480 |
Итого: | 1,0 | 1,0 - 1,0 | 1,0 - 1,0 | 1864 - 1930 | 2100 - 2190 | 2280 - 2320 | 2100 - 2200 |
Объемная масса в т/м3 | 1,12 | 1,38 - 1,83 | 1,85 - 1,98 | 1,86 - 1,93 | 2,10 - 2,19 | 2,28 - 2,32 | 2,10 - 2,20 |
Состав N 1 предназначается для заделки трещин раскрытием до 0,5 мм или для грунтовки поверхности бетона, подготовленной для ремонта. В последнем случае смола ЛКС-1 может быть заменена смолой ИКАС-3.
Состав N 2 рекомендуется для инъектирования трещин раскрытием более 0,5 мм или более 0,1 мм.
2.7.4. Состав N 3 применяется для герметизации трещин или для покрытия повреждений бетона глубиной до 5 мм. Для того, чтобы состав не стекал с вертикальной поверхности и сохранил требуемую вязкость, в него вводится, кроме наполнителя, добавка (асбестовая мука, сажа, аэросил и др.) в количестве 0,8 - 1,7%.
Составы N 4 - 7 рассчитаны для ремонта повреждений бетона глубиной более 5 мм. При этом наибольший размер зерен заполнителя не должен превышать 1/3 наименьшего размера поврежденного участка конструкции.
2.7.5. Полимерные клеи и полимербетоны на основе метилметакрилата (ММА), модифицированные олигоэфиракрилатами (ОЭА), приведены в таблице 5.
Таблица 5
Рекомендуемые составы полимерных клеев и полимербетонов
на основе ММА С добавкой ОЭА
Наименование компонентов | Количество составляющих, масс. % |
Клеи составов | Полимербетоны составов |
N 1 | N 2 | N 3 | N 4 | N 5 | N 6 | N 7 |
1 | 2 | 3 | 4 | 5 | 6 | 7 | 8 |
Метилметакрилат | 64,72 | 21,83 | 17,68 | 7,50 | 8,00 | 9,00 | 10,00 |
Олигоэфиракрилат "7-1" | 6,47 | 3,27 | 3,53 | 0,40 | 1,50 | 2,00 | 2,50 |
Перекись бензола | 4,53 | 1,74 | 1,59 | 0,45 | 0,68 | 0,80 | 0,90 |
Диметиланилин | 1,64 | 0,65 | 0,61 | 0,13 | 0,25 | 0,30 | 0,36 |
Полистирол | 12,94 | 3,27 | 2,65 | 1,50 | 1,80 | 2,50 | 3,50 |
Низкомолекулярный парафин | 9,70 | 3,74 | 3,35 | 0,10 | 0,11 | 0,12 | 0,13 |
Кварцевая мука | - | 19,65 | 21,25 | 5,00 | 13,00 | 17,00 | 21,00 |
Песок строительный | - | 45,85 | 49,37 | 48,92 | 27,06 | 16,20 | 4,61 |
Щебень фракции 5 - 10 мм | - | - | - | 36,00 | 47,00 | 52,00 | 57,00 |
Составы на основе ММА с добавкой ОЭА характеризуются высокой скоростью твердения при нормальной температуре. Полимерные клеи могут в течение 24 часов набирать прочность при сжатии порядка 700 - 800 кг/см2, а полимербетоны - 900 - 1000 кг/см2.
Полимербетоны на основе ММА, модифицированные ОЭА, имеют высокие физико-механические свойства. Они обладают высокой химической стойкостью и способностью твердеть на мокрой поверхности цементного бетона и под водой.
Рекомендуемые составы полимерного раствора и полимербетона на основе фурфуролацетонового мономера ФА или ФАМ приведены в таблице 6.
Таблица 6
Рекомендуемые составы полимерного клея и полимербетона
на основе фурфуролацетонового мономера ФА или ФАМ
Наименование составляющих | Составы в массе, % |
1 | 2 |
1 | 2 | 3 |
Мономер ФА, ФАМ | 10,0 | 10,0 |
Бензосульфокислота (БСК) | 2,5 | 2,5 |
Наполнитель | 12,5 | - |
Песок | 25,0 | 37,5 |
Щебень | 50,0 | 50,0 |
2.7.6. В местах, подверженных периодическому сильному увлажнению или воздействию агрессивных сред, следует применять состав 1. В остальных случаях можно применять состав 2.
При влажном воздухе допускается увеличить количество БСК до 3,0 масс. % соответственно для составов 1 и 2. Рекомендуемые составы полимерных клеев и полимербетонов на основе эпоксидных смол приведены в таблице 7.
Таблица 7
Рекомендуемые составы полимерных клеев и полимербетонов
на основе эпоксидных смол
Наименование компонентов | Количество составляющих, масс. % |
Клеи составов | Полимербетоны составов |
N 1 | N 2 | N 3 | N 4 | N 5 | N 6 | N 7 |
1 | 2 | 3 | 4 | 5 | 6 | 7 | 8 |
Смола: ЭД-5 | 50,00 или | 16,66 или | - | 26,88 | - | - | 9,52 или |
ЭД-6 | 50,00 или | 16,66 или | 29,58 | - | 9,0 | 7,0 | 9,52 или |
ЭИС-1 | 50,00 | 16,66 | - | - | - | - | 9,52 |
Полиэфир МГФ-9 | - | - | 8,87 | - | - | - | - |
Деготь | 35,00 | 11,66 | - | - | - | - | 6,66 |
Окситерпеновый растворитель | - | - | - | 2,68 | - | - | - |
Пластификатор (фуриловый спирт или дибутилфталат) | 10,00 | 2,34 | - | - | 2,3 | 1,3 | 1,9 |
Полиэтиленполиамин | 5,00 | 1,67 | 2,38 | 3,22 | 1,1 | 1,1 | 0,95 |
Наполнитель | - | - | 59,17 | 67,22 | 28,0 | 12,0 | - |
Песок | - | 66,67 | - | - | 60,0 | 37,0 | 33,33 |
Щебень | - | - | - | - | - | 34,0 | 47,64 |
Растворитель (толуол) | - | - | - | - | 2,6 | 1,6 | - |
2.8. УКАЗАНИЯ ПО ПРОВЕДЕНИЮ РЕМОНТНЫХ РАБОТ
2.8.1. Основой правильной технической эксплуатации зданий и сооружений является качественное и регулярное выполнение надзора за строительными конструкциями и своевременное проведение ремонтных работ, которые подразделяются на 2 вида: текущий и капитальный ремонты.
2.8.2. Текущий ремонт производится с целью предупреждения преждевременного износа строительных конструкций здания и инженерных систем:
все работы по текущему ремонту делятся на профилактический ремонт, планируемый заранее, и непредвиденный;
периодичность профилактического текущего ремонта не должна превышать двух лет;
ремонтные работы производятся регулярно в течение года по графику службы технического надзора, разработанному на основании материалов общих, текущих и внеочередных осмотров зданий, а также по заявкам персонала, непосредственно отвечающего за эксплуатацию здания;
непредвиденный текущий ремонт выполняется срочно для ликвидации дефектов, выявленных в процессе эксплуатации здания.
2.8.3. К капитальному ремонту зданий и сооружений относятся такие работы, в процессе которых производится: восстановление эксплуатационных качеств или замена изношенных конструкций, в том числе на более современные и экономичные; замена более 10% основных конструкций, срок службы которых является наибольшим, - фрагментов стен, слоев покрытия и т.д.
2.8.4. Наиболее эффективным способом восстановления и улучшения эксплуатационных качеств здания является проведение комплексного капитального ремонта.
Комплексный капитальный ремонт является основным видом капитального ремонта здания.
2.8.5. В случаях, когда комплексный капитальный ремонт может вызвать остановку эксплуатации здания, целесообразно провести выборочный капитальный ремонт отдельных элементов и инженерных систем, угрожающих безопасности эксплуатации здания в целом.
2.8.6. Выборочный капитальный ремонт здания в зависимости от условий эксплуатации соответствующих конструкций осуществляется по мере их износа.
2.8.7. Решение о проведении профилактического текущего ремонта на планируемый год производится комиссией. Комиссия руководствуется данными всех видов технических осмотров, проведенных в установленном порядке.
2.8.8. Решение о проведении капитального ремонта принимается с обязательным участием генеральной проектной организации. Принятию решения о капитальном ремонте предшествуют работы генеральной проектной организации по визуальному и, в необходимых случаях, инструментальному обследованию здания.
2.8.9. При выполнении технического обследования строительных конструкций здания генеральная проектная организация обязана:
изучить целесообразность проведения капитального ремонта с учетом перспективы развития здания, его реконструкции и расширения;
выявить техническое состояние здания с включением в план капитального ремонта;
выявить конструктивные изменения в период эксплуатации и их влияние на надежность строительных элементов;
рассмотреть имеющуюся проектную, исполнительную и эксплуатационную документацию (чертежи основного проекта, материалы изысканий прошлых лет, чертежи, сметы, описи работ ранее осуществленных ремонтов и др.).
По окончании технического обследования генеральный проектировщик составляет отчет, в котором систематизируются фактические данные осмотра здания, предложение о целесообразности проведения капитального ремонта, технико-экономические расчеты и другие материалы.
2.8.10. Результаты технического обследования обсуждаются комиссией, и решения комиссии оформляются актом.
2.9. ТЕХНИЧЕСКИЙ НАДЗОР (КОНТРОЛЬ)
ЗА КАЧЕСТВОМ РЕМОНТОВ ЗДАНИЙ
2.9.1. Служба технического надзора за состоянием, содержанием и ремонтом строительных конструкций здания призвана осуществлять контроль за качественным выполнением ремонта здания привлеченными подрядными строительными организациями.
2.9.2. Ответственность за состояние, содержание и ремонт строительных конструкций должна быть возложена на руководителя службы технического надзора - инженера-строителя с высшим специальным образованием и производственным стажем в области строительства или капитального ремонта зданий не менее 3-х лет.
2.9.3. Работники службы технического надзора не имеют права внесения изменений в утвержденную проектно-сметную документацию в процессе выполнения работ по капитальному ремонту.
Изменения могут вноситься только в установленном порядке.
2.9.4. В обязанности работников службы технического надзора, на которых возложен контроль за качеством капитального ремонта здания, входит:
контроль выполнения графика производства ремонтно-строительных и монтажных работ с записью замечаний и предложений в журнал учета работ;
проверка и освидетельствование подписью в соответствующих актах качества выполнения ремонтно-строительных и монтажных работ;
контроль за правильным применением строительных материалов в соответствии с проектными решениями;
контроль за периодическим взятием проб для определения годности материалов, получаемых в результате разборки элементов конструкций;
контроль за правильным режимом ремонтно-строительных и монтажных работ в зимнее время года;
контроль за правильным складированием материалов и деталей производителями работ и правильным использованием выделенных им площадей.
2.9.5. Работники службы технического надзора, осуществляющие контроль за качеством капитального ремонта, имеет право:
давать предписания на переделку отдельных видов работ;
при подрядном способе ремонтно-строительных и монтажных работ подготавливать сообщения об отступлениях от проекта, допущенном браке или нарушении технических условий с предложениями на удержание выплаченных за эти работы сумм;
ставить вопрос о привлечении к ответственности работников организации за допущенный брак в ремонтно-строительных работах или за нарушение технических условий;
в случае систематических нарушений ставить вопрос о прекращении ремонтно-строительных работ, выполняемых подрядными организациями.
2.9.6. Работники службы технического надзора за состоянием, содержанием и ремонтом строительных конструкций здания, осуществляющие контроль за качеством выполнения его капитального ремонта, несут ответственность:
за приемку строительно-монтажных работ, выполненных подрядными ремонтными строительными, строительно-монтажными организациями, их соответствие требованиям технических условий и проектно-сметной документации;
за соблюдение правил производства ремонтно-строительных работ в зимнее время;
за правильность оформления к оплате объемов и стоимости выполненных работ, за правильность отражения отступлений от проекта и технических условий.
2.9.7. В случае недобросовестного или некомпетентного отношения к выполнению своих обязанностей (при приемке к оплате неудовлетворительно выполненных работ, при грубых упущениях в работе и т.д.) работник службы технического надзора может быть отстранен от работы в установленном порядке и привлечен к административной или служебной ответственности.
2.10. ПОРЯДОК ПРИЕМКИ В ЭКСПЛУАТАЦИЮ
ПОСЛЕ КАПИТАЛЬНОГО ИЛИ ТЕКУЩЕГО РЕМОНТОВ
2.10.1. Приемку в эксплуатацию здания после капитального или текущего ремонтов надлежит производить в соответствии с настоящими указаниями и требованиями СНиП.
2.10.2. Капитально отремонтированное здание предъявляется комиссии к приемке в эксплуатацию только после окончания всех работ, предусмотренных утвержденной проектно-сметной документацией. Запрещается производить приемку в эксплуатацию здания с недоделками, препятствующими его нормальной и безопасной эксплуатации.
Ввод в эксплуатацию капитально отремонтированного здания производится только после его приемки специальной комиссией.
2.10.3. Возглавляет комиссию главный инженер (технический директор) или его заместитель, ответственный за эксплуатацию здания.
2.10.4. Комиссия по приемке капитально отремонтированного здания создается в пятидневный срок после получения письменного уведомления ремонтно-строительной организации о готовности объекта к сдаче.
2.10.5. Генпроектировщик и Подрядчик представляют комиссии следующие документы:
комплект рабочих чертежей на капитальный ремонт здания или его участков, предъявляемых к приемке в эксплуатацию;
комплект сметной документации;
акты промежуточной приемки отдельных строительных конструкций и узлов;
акты на скрытые работы;
журналы производства работ.
2.10.6. Приемка законченных работ по капитальному ремонту здания проводится на основе изучения проектно-сметной документации, актов на промежуточную приемку отдельных работ, актов на скрытые работы и др. После ознакомления с технической документацией комиссия производит осмотр выполненных работ в натуре.
2.10.7. Комиссия по приемке законченных работ по капитальному ремонту здания обязана:
установить соответствие выполненных строительно-монтажных работ проектно-сметной документации;
проверить устранение недоделок и дефектов, отмеченных ранее соответствующими службами;
дать оценку качеству выполненных ремонтно-строительных и монтажных работ.
2.10.8. Комиссия по приемке законченных работ по капитальному ремонту здания имеет право:
производить в необходимых случаях вскрытие конструкций, узлов для проверки соответствия выполненных работ актам на скрытые работы;
проверять в выборочном порядке соответствие данных, изложенных в актах, фактическому состоянию выполненных работ в натуре.
2.10.9. Если комиссия по приемке отремонтированного здания придет к выводу, что оно не может быть принято в эксплуатацию, составляется мотивированное заключение.
2.10.10. Приемка здания после капитального ремонта оформляется актом рабочей комиссии.
2.10.11. Вся техническая документация на капитальный ремонт здания и один экземпляр акта приемочной комиссии должны быть приобщены к эксплуатационной технической документации.
2.10.12. Приемка выполненных работ по текущему ремонту здания осуществляется ответственным сотрудником службы эксплуатации в присутствии представителя исполнителя ремонтных работ и оформляется актом приемки или записью в журнале технической эксплуатации.
3. МЕТОДИКА ОПРЕДЕЛЕНИЯ ЦЕЛЕСООБРАЗНОСТИ РЕМОНТА,
РЕКОНСТРУКЦИИ ИЛИ СНОСА ЗДАНИЯ
Техническое состояние строительных конструкций и уровень функционального износа нередко вызывают сомнения в целесообразности устранения имеющихся дефектов и повреждений и дальнейшего использования зданий по назначению без перестройки.
Наиболее достоверно вопрос о целесообразности дальнейшей эксплуатации здания без коренного изменения объемно-планировочного и конструктивного решений, его реконструкции или сноса с заменой новым решается прямым сопоставлением экономической эффективности каждого из возможных вариантов с учетом необходимых капитальных вложений, текущих затрат, прибыли на вложенные средства и т.д. Однако такой анализ требует разработки в том или ином виде проектных решений, их осмечивания и других работ, на выполнение которых необходимо довольно продолжительное время.
Разработанная далее упрощенная методика оценки целесообразности ремонта зданий, его реконструкции или сноса является приближенной, однако предусматриваемые ею работы могут быть выполнены в течение ограниченного промежутка времени при достижении достаточно достоверных результатов.
Методика предполагает выполнение следующих работ:
1. проведение натурных обследований и выявление дефектов и повреждений элементов зданий (строительных конструкций и систем инженерного оборудования);
2. определение процента физического износа элементов здания в соответствии с признаками и указаниями
ВСН 53-86(р) "Правила оценки физического износа жилых зданий";
3. расчет средневзвешенного по стоимости элементов общего физического износа здания в соответствии с указаниями
ВСН 53-86(р), причем доля стоимости каждого элемента в общей стоимости здания устанавливается либо по смете к проекту здания, либо по соответствующему сборнику укрупненных показателей восстановительной стоимости зданий и сооружений различного назначения и конструктивного решения, выпущенному Госстроем СССР в числе других в конце 60-х начале 70-х годов, либо по какому-либо учебнику по архитектуре или экономике строительства;
4. определение затрат на компенсацию физического износа (ремонт) здания в процентах (или как долю) от восстановительной стоимости здания, которые для жилых зданий могут быть приняты по данным
[43], а для зданий другого назначения - по имеющимся сведениям о фактических затратах; по проводившемуся институтом ЦНИИПромзданий анализу, стоимость замены или усиления строительных конструкций в процессе эксплуатации производственных зданий в 1,3 - 1,5 раза превышает стоимость их возведения при строительстве;
5. сопоставление затрат на ремонт и восстановительной стоимости здания; учет (в случае необходимости) фактических темпов нарастания физического износа здания во времени (с использованием оценок износа БТИ и др.) и темпов нарастания физического износа во времени, для жилых зданий по
ВСН 53-86(р), с определением момента, когда затраты на ремонт превысят восстановительную стоимость здания; выделение из общих для зданий физического износа и затрат на ремонт для строительных конструкций, обладающих наибольшей долговечностью и определяющих срок службы здания в целом; учет стоимости разборки здания и возврата материалов; учет потерь от временного прекращения или сокращения выпуска продукции при ремонте, реконструкции и сносе со строительством нового здания, затрат на монтаж по временной схеме, демонтаж существующего и монтаж по постоянной схеме технологического оборудования; учет дополнительной прибыли от повышения эффективности производства в реконструированном здании; учет недоамортизированной части стоимости здания и других специфических для данного здания факторов и принятие на этой основе наиболее целесообразного решения.
С позиции сопоставления затрат только на строительные и ремонтно-строительные работы без учета других факторов, факт нецелесообразности ремонта принято считать установленным, если необходимые затраты на ремонт превышают восстановительную стоимость здания.
4. УСИЛЕНИЕ ЖЕЛЕЗОБЕТОННЫХ КОНСТРУКЦИЙ
КОМПОЗИТНЫМИ МАТЕРИАЛАМИ
4.1.1. Максимальная эксплуатационная температура работы системы фиброармированных пластиков (далее ФАП) не должна превышать температуру стеклования полимерной матрицы и клея (ориентировочно 60 - 150 °C).
4.1.2. Система усиления ФАП может применяться, если фактическая прочность на сжатие бетона конструкции составляет не менее 15 МПа. Это ограничение не распространяется на усилие сжатых и внецентренно сжатых элементов горизонтальными обоймами, когда важна только механическая связь обоймами с конструкцией.
4.1.3. При наличии результатов обследования усиливаемых конструкций назначение характеристик бетона и арматуры производится с учетом требований
СП 13-102-2003 "Правила обследования несущих строительных конструкций зданий и сооружений"
[38].
4.1.4. Для армирования в системе ФАП используются стекловолокно, арамидные и углеродные волокна.
Физико-механические свойства волокон и отвержденных пластиков приведены в
[26].
4.1.5. В предельном состоянии изгибаемого элемента усилия в сжатой зоне воспринимаются бетоном и сжатой стержневой арматурой, а в растянутой - стержневой арматурой и внешней композитной арматурой.
| | ИС МЕГАНОРМ: примечание. В официальном тексте документа, видимо, допущена опечатка: имеется в виду ГОСТ 25.601-80, а не ГОСТ 25601-80. | |
Нормативные характеристики ФАП (прочность на растяжение
Rf, модуль упругости
Ef, предельная деформация растяжения

) определяются механическими испытаниями образцов по
ГОСТ 25601-80 с обеспеченностью на базе нормативных характеристик с учетом коэффициента надежности

и коэффициента условий работы
CE:
4.1.6. Расчет нормальных сечений изгибаемых элементов по прочности предполагает рассмотрение нескольких видов предельных состояний. В общем случае возможны следующие типы разрушения усиленных элементов:
- разрушение сжатой зоны бетона до достижения напряжений текучести в стержневой растянутой арматуре;
- наступление текучести в растянутой стержневой арматуре и последующий разрыв внешней арматуры ФАП без разрушения сжатой зоны бетона;
- наступление текучести в растянутой стержневой арматуре и последующее разрушение внешней арматуры ФАП и сжатой зоны бетона;
- разрушение от отслоения элементов ФАП.
4.2. Технология производства работ
4.2.1. Система усиления ФАП включает:
- грунтовки бетонных поверхностей;
- шпаклевочные составы;
- адгезивы;
- одно- или двунаправленные ткани или ламинаты.
4.2.2. Грунтовки наносят на всю оклеиваемую поверхность для пропитки бетонного основания и обеспечения необходимого сцепления адгезива и пропитывающего ткань состава с бетонной поверхностью.
Шпаклевочные составы применяют для заполнения каверн и выравнивающей поверхности.
Адгезивы - составы для пропитки и наклейки тканей и ламинатов на поверхность бетона (наиболее универсальными являются эпоксидные смолы).
4.2.3. Для наклеивания усиливающих элементов (лент, ткани, ламинатов) поверхность основания должна быть выровнена, а локальные геометрические дефекты устранены.
4.2.4. На поверхность основания мелом наносят линии разметки в соответствии с принятой проектом схемой наклейки элементов усиления.
4.2.5. Поверхность бетона должна быть очищена от краски, масла, жирных пятен, цементной пленки.
Очистка поверхности осуществляется путем пескоструйной обработки или обработки металлическими щетками с последующей высоконапорной промывкой водой (под давлением не менее 100 атм).
4.2.6. Для лучшего сцепления адгезивы с бетоном, поверхность основания должна быть шероховатой. Это достигается обработкой поверхности бетона каменотесным долотом с последующей зачисткой металлической щеткой. Обработке должен подвергаться только поверхностный слой до обнажения на поверхности крупного заполнителя.
4.2.7. После очистки поверхность бетона обрабатывается грунтовочным составом с целью упрочнения основания и улучшения сцепления адгезива с бетонной поверхностью.
4.2.8. В случае разрушения защитного слоя бетона в результате коррозии арматуры следует удалять его, очистить обнаженную арматуру до продуктов коррозии, обработать ее преобразователем ржавчины и после этого восстановить защитный слой специальными ремонтными составами.
4.2.9. При усилении на изгиб или срез прочность основания на сжатие должна быть не менее 15,0 МПа, на сжатие, например колонн - 10,0 МПа.
4.2.10. Трещины с раскрытием более 0,3 мм должны быть отремонтированы низковязкими эпоксидными или полиуретановыми составами, трещины с меньшим раскрытием могут быть затерты полимерцементным раствором.
4.3. Раскрой лент или ламината
4.3.1. Раскрой ленты или ламината производится в соответствии с принятой проектом схемой наклейки и осуществляется на гладком столе (верстаке), покрытом полиэтиленовой пленкой. При использовании ленты стол должен быть снабжен приспособлением для разматывания ленты с бобины. Для резки ленты следует использовать ножницы или острый нож, для резки ламината - специальные отрезные диски.
4.3.2. Заготовки лент каждого размера нарезаются в требуемом количестве; ленты сматываются в рулон, снабжаются этикеткой с указанием номера, размера и количества заготовок и помещаются в мешок.
4.4. Приготовление адгезива
4.4.1. При приготовлении адгезива компоненты смешиваются в соотношении, рекомендованном инструкцией поставщика. Количество приготавливаемого адгезива в одной порции не должно превышать технологические возможности его использования в течение времени жизнеспособности.
4.4.2. Приготовление адгезива производится в чистой металлической, фарфоровой, стеклянной или полиэтиленовой емкости объемом не менее 3-х литров.
4.4.3. Дозирование компонентов А и Б осуществляется взвешиванием каждого компонента отдельно, также допускается объемное их дозирование.
4.4.4. В емкость для приготовления адгезива выливается отдозированное количество компонентов. Компоненты тщательно перемешивают вручную деревянной или алюминиевой лопаткой, либо с помощью низкооборотной дрели с насадкой при оборотах до 500 в минуту (с целью ограничения аэрации смеси). Емкость с приготовленным адгезивом закрывают крышкой, снабжают этикеткой и передают к месту производства работ.
4.5. Наклейка лент (ткани)
4.5.1. Первый слой адгезива наносят на основание из расчета 0,7 - 1,0 кг/м2 с помощью шпателя, кисти, валика с коротким ворсом.
Перед нанесением на бетонное основание слоя адгезива поверхность должна быть продута сжатым воздухом.
4.5.2. Ткань (лента) должна всегда укладываться на слой адгезива. Делается это тыльной стороной руки путем постепенного размещения ткани с одного края основания до другого. В процессе укладки необходимо следить, чтобы кромка полотнища была параллельна линии разметки на основании, либо кромке предыдущего полотнища. Лента может быть предварительно нарезана на отрезки проектной длины (заготовками), либо постепенно размываться с бобины и обрезаться по месту в процессе наклейки.
Ткань (лента) должна укладываться без складок и без излишнего натяжения. После укладки осуществляется прикатка ткани (ленты), в процессе которой происходит ее пропитка. Пропитка осуществляется с помощью жесткого резинового валика или шпателя от центра к краям строго в продольном направлении (вдоль волокон). После пропитывания ткань должна быть слегка липкой на ощупь, но без явного видимого присутствия адгезива.
4.5.3. Перед укладкой второго слоя ткани (при многослойной конструкции усиления) на прикатанную ленту наносится слой адгезива из расчета 0,5 - 0,6 кг/м2. Укладка и прикатка второго и последующих слоев производится аналогичным образом.
4.5.4. После укладки последнего слоя ленты на поверхность ленты наносится финишный слой адгезива из расчета 0,5 кг/м2.
4.5.5. При многослойной конструкции усиливающего элемента наклейку всех слоев ткани (ленты) предпочтительно выполнить в течение одной рабочей смены с последующим отверждением всего сечения. В случае, если указанное не возможно по условиям производства работ (например, усиление пространственных конструкций с разным направлением лент по слоям), следует выполнить наклейку одного слоя по всей площади усиления, дождаться отверждения его, после чего таким же образом наклеить 2-ой и последующие слои.
4.5.6. По специфике производства работ можно выделить:
- наклейку на горизонтальные поверхности сверху;
- наклейку на горизонтальные поверхности снизу (на поверхность плит, балок, потолка);
- наклейку на вертикальные поверхности (стен, колонн и др.).
4.5.7. При наклейке на горизонтальные поверхности сверху лента постепенно укладывается без натяжения от центра к краям, разглаживается руками (в резиновых перчатках) и прикатывается валиком или шпателем. Укладка осуществляется двумя рабочими. Укладка каждого последующего слоя может начинаться сразу же после завершения прикатки предыдущего слоя. Технологических ограничений по количеству укладываемых слоев нет.
4.5.8. При наклейке на горизонтальные поверхности снизу (потолок) лента прижимается (фиксируется) с одного конца и затем постепенно разглаживается и фиксируется по всей длине.
В зависимости от вязкости адгезива (определяемой в значительной мере температурой окружающей среды), наклейка ленты производится непосредственно вслед за нанесением адгезива, либо после некоторой выдержки, за время которой вязкость адгезива возрастает и обеспечивается фиксация ленты на потолочной поверхности (лента не отваливается после прикатки).
Время выдержки определяется экспериментально. Продолжительность выдержки перед наклейкой каждого последующего слоя определяется аналогичным образом. Прикатка (прижатие) ленты осуществляется от центра к краям с целью предотвращения образования складок. Как правило, наклейка на потолочную поверхность осуществляется как минимум двумя рабочими.
4.5.9. Стыковка многослойной конструкции усиления должна осуществляться вразбежку по длине (в разных сечениях).
4.5.10. Ленту не желательно разрезать в продольном направлении, поскольку она распускается на отдельные пряди. При необходимости резки в продольном направлении (вдоль волокон) лента по линии резки должна быть предварительно обработана клеем БФ, предотвращающим распускание волокон в поперечном направлении.
4.5.11. При выполнении усиления на вертикальных поверхностях нанесения адгезива на основание производится сверху вниз. Наклейка вертикальных накладок осуществляется путем фиксации (прижатия) ленты в верхней части и постепенной укладки и разглаживания по высоте с последующей прикаткой. Наклейка горизонтальных полос на вертикальные поверхности производится путем фиксации ленты в крайнем (левом или правом) положении с последующей укладкой, разглаживанием и прикаткой по длине. Прикатка производится от середины к краям. Время выдержки перед наклейкой каждого последующего слоя определяется опытным путем, обеспечивая отсутствие оползания ленты и нарушения ее фиксации. При многослойном элементе усиления на вертикальных поверхностях в горизонтальном и вертикальном направлениях ("сетка") производится последовательная послойная наклейка в 2-х направлениях.
| | ИС МЕГАНОРМ: примечание. Текст дан в соответствии с официальным текстом документа. | |
4.5.12. Производство работ по устройству усиливающих накладок в значительной мере зависит от температуры и относительной влажности окружающей среды, температуры поверхности бетона и его влажности, соотношения температуры поверхности бетона и точки росы. Операции по наклейке лент могут выполняться при температуре в диапазоне +5 °C - +45 °C; при этом температура основания бетона должна быть не ниже 5 °C и выше температуры точки росы на 3 °C. Если температура поверхности бетона ниже допустимого уровня, может произойти недостаточное насыщение волокон и низкая степень отвердения смолы, что отрицательно скажется на работе системы усиления. Для повышения температуры могут быть использованы дополнительные локальные истоки тепла.
4.5.13. Грунтовые и адгезивные составы нельзя наносить на мокрую поверхность. Открытая влага должна быть удалена, поверхность бетона вытерта и продута сжатым воздухом. Допустимая влажность поверхности - не более 5%.
4.5.14. Полное отверждение адгезивных составов в естественных условиях происходит в течение нескольких суток и в значительной мере зависит от температуры окружающей среды. Как правило, время отверждения должно составлять не менее 24 часов при температуре выше 20 °C и не менее 36 часов при температуре от 5 °C до 20 °C.
4.6.1. Ламинат может быть использован как для внешнего армирования (наклейка на поверхность конструкций), так и для внутреннего (с размещением узких полос ламината в предварительно подготовленных пазах).
При внешнем армировании подготовка поверхности осуществляется так же, как и в случае наклейки ленты или ткани.
4.6.2. Перед наклейкой мерные заготовки ламината раскладываются на рабочем столе (верстаке) и тщательно протираются смоченной ацетоном ветошью. На протертую поверхность шпателем наносится тонкий (1 - 1,5 мм) слой адгезива (желательно, чтобы наносимый на ламинат слой адгезива имел бы скаты к краям полос). Аналогичный слой адгезива толщиной 1 мм наносится на предварительно подготовленное и обеспыленное основание. Затем ламинат укладывается на основание (клей к клею) и прикатывается валиком так, чтобы вытеснить избыток адгезива по обеим сторонам наклеиваемой полосы. Избыток адгезива убирается шпателем. В случае если проектом усиления предусматривается накладка из двух или нескольких слоев ламината, производится предварительное склеивание предусмотренного количества слоев на рабочем столе, выдержка в течение срока полимеризации и последующего приклеивания всего пакета к основанию.
4.6.3. Внешняя сторона усиливающего элемента может быть покрыта защитными красками или полимерцементным раствором.
4.6.4. В случае внутреннего армирования ламинат предварительно разрезается на узкие (шириной 10 - 30 мм) полосы.
В конструкции в соответствии со схемой армирования выполняются пазы шириной 3 мм и глубиной, равной ширине полос плюс 2 мм. Пазы заполняются на 2/3 адгезивом, затем в них погружаются заготовки ламината. Избыток адгезива выдавливается на поверхность и удаляется шпателем.
5. УСИЛЕНИЕ И ВОССТАНОВЛЕНИЕ ФУНДАМЕНТОВ
Усиление фундаментов оказывается необходимым в следующих случаях:
- при увеличении нагрузок на фундаменты в связи с надстройкой зданий, их реконструкцией, изменением технологических процессов или режима их работы;
- при строительстве новых сооружений, возведение которых сказывается на прочности фундаментов;
- при изменении гидрологических условий вследствие изменения уровня грунтовых вод;
- при недостаточной прочности материалов фундаментов вследствие низкого качества работ;
- при появлении недопустимых для зданий деформаций и повреждений в виде трещин и изломов.
В инженерной практике нередко сочетают различные методы усиления фундаментов. При этом область целесообразного применения каждого из этих методов может быть определена, исходя из технического состояния существующего фундамента, размера ожидаемого (после реконструкции) увеличения на него нагрузки, материала и конструкции фундамента, физико-механических свойств грунтов основания, степени стесненности рабочей площади, стоимость усиления и пр.
Предпочтение необходимо отдавать наиболее простым и дешевым методам, дающим хорошие результаты усиления.
Практика показала, что наиболее радикальным способом усиления нарушенных и ослабленных бутовых и кирпичных фундаментов является устройство одно- или двусторонних бетонных рубашек с последующим инъектированием раствора в кладку фундаментов через оболочку рубашек.
Часто необходимость усиления фундаментов вызывается увеличением нагрузки вследствие реконструкции или надстройки здания. В зависимости от того, насколько сильно возрастает нагрузка, усиление фундаментов может быть сплошным или местным (прерывистым). Для этого увеличиваются размеры подошвы фундаментов с сохранением отметки ее заложения. Наиболее сложным является усиление фундаментов в углах и пересечениях. Поэтому местное усиление следует проектировать вне углов и пересечений, на наиболее нагруженных прямых участках и в лестничных клетках. Места усиления на отдельных участках размещаются по возможности симметрично, а их размеры определяются расчетом.
5.2. СПОСОБЫ ВОССТАНОВЛЕНИЯ НЕСУЩЕЙ СПОСОБНОСТИ ФУНДАМЕНТОВ
5.2.1. Закрепление бутовой кладки фундамента
Применяется при расслоении кладки фундаментов.
Причины появления:
- воздействие агрессивной среды;
- морозное пучение грунтов и материала фундамента;
- физический износ фундаментов;
- перегрузка оснований и фундаментов.
Область применения способа:
- в маловлажных крупнообломочных, песчаных и глинистых грунтах;
- при положительной температуре окружающей среды.
Подобный способ применяется при химическом закреплении оснований фундаментов, который заключается в нагнетании в основание растворов (цементация, силикатизация и т.д.).
5.2.2. Закрепление бетонных (железобетонных) фундаментов,
имеющих трещины, синтетическими смолами
(рис. 2)
Применяется при трещине в теле фундаментов.
Причины появления:
- воздействие агрессивной среды;
- некачественное производство работ при устройстве фундаментов.
Область применения способа:
- при положительной температуре окружающей среды.
5.2.3. Устройство воздушных каналов с наружной
стороны стены (защита от замачивания)
(рис. 3)
Применяется при избыточном замачивании стен подвалов, фундаментов подземными водами.
Причины появления:
- нарушение гидроизоляции стен (вертикальной или горизонтальной);
- длительное периодическое промораживание-обтаивание материала стен и фундаментов;
- нарушение тепловлажностного режима в помещениях.
Область применения способа: без ограничений.
5.2.4. Устройство воздушных каналов с внутренней
стороны стены (защита от замачивания)
(рис. 4)
Применяется при избыточном замачивании стен подвалов, фундаментов подземными водами.
Причины появления:
- нарушение гидроизоляции стен (вертикальной или горизонтальной);
- длительное периодическое промораживание-обтаивание материала стен и фундаментов;
- нарушение тепловлажностного режима в помещениях подвала.
Область применения способа: без ограничений.
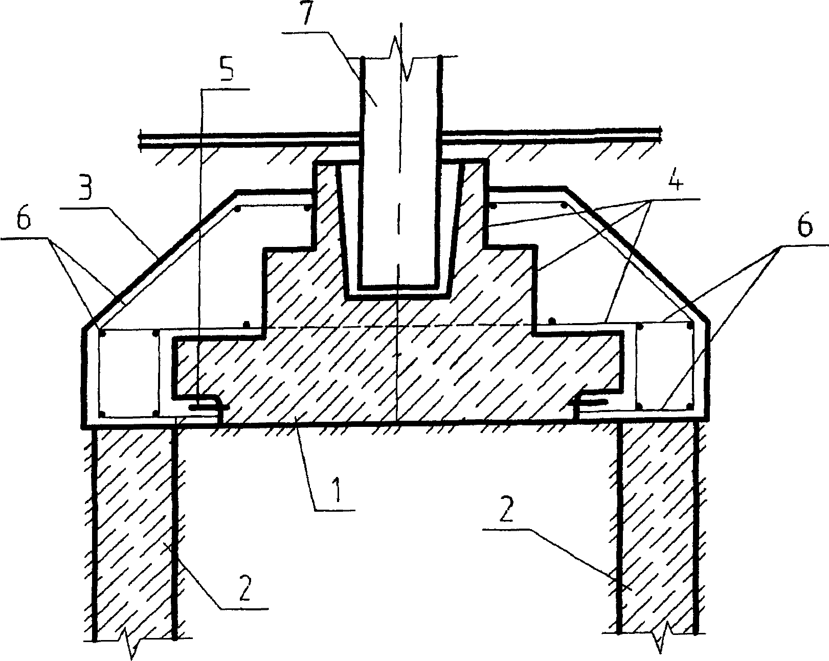
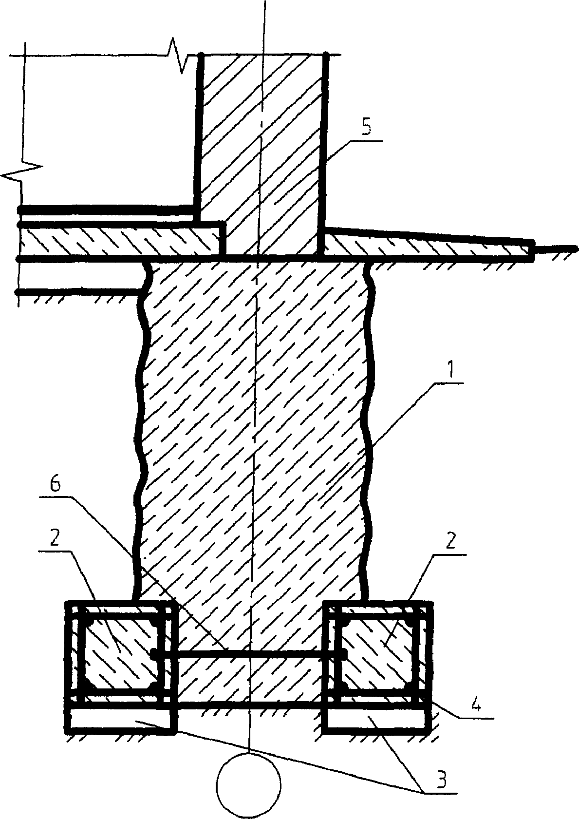
5.2.5. Уширение подошвы для ленточного сборного фундамента
(устройство железобетонной обоймы)
(рис. 5)
Применяется при недостаточных размерах опорной площади фундаментов.
Причины появления:
- перегрузка фундаментов (реконструкция или капитальный ремонт здания, замена технологического оборудования и др.);
- ослабление грунтов оснований (избыточное замачивание, промораживание-оттаивание и др.).
Область применения способа: без ограничений.
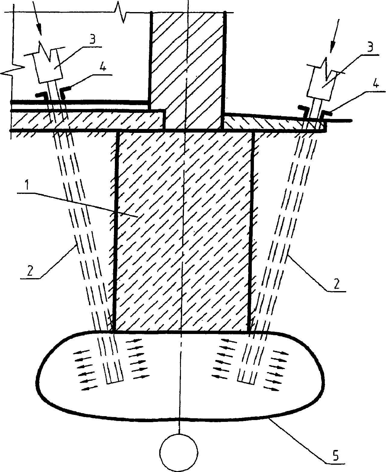
5.2.6. Устройство железобетонных приливов
(рис. 6)
Применяется при недостаточных размерах опорной площади фундаментов, трещины в стенах.
Причины появления:
- ослабление грунтов оснований (избыточное замачивание, промораживание-оттаивание и др.);
- перегрузка фундаментов (реконструкция или капитальный ремонт зданий, замена технологического оборудования и др.).
Область применения способа: без ограничения.
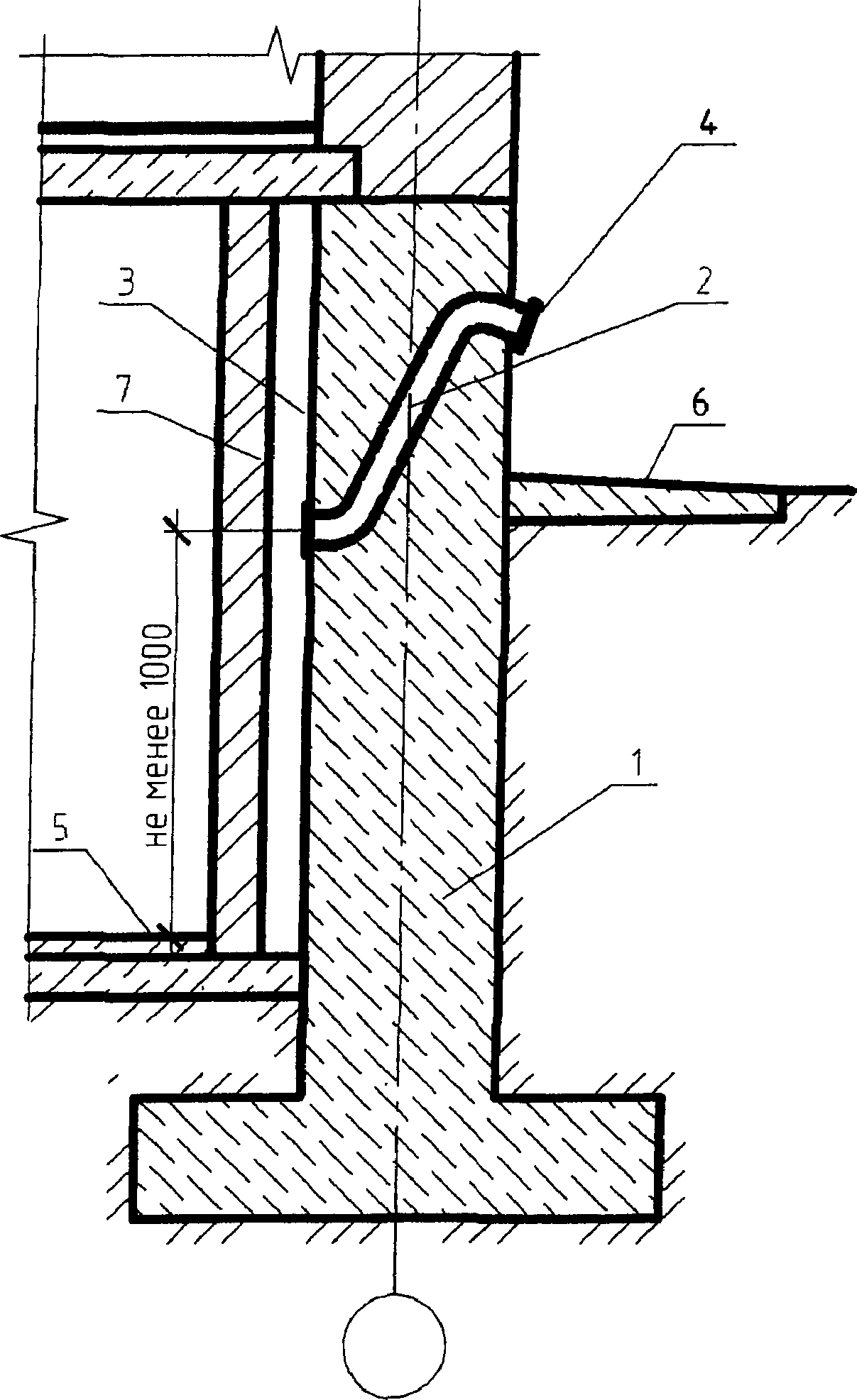
5.2.7. Уширение подошвы для отдельного фундамента
(устройство железобетонной рубашки)
(рис. 7)
Применяется при недостаточных размерах опорной площади фундаментов.
Причины появления:
- перегрузка фундаментов (реконструкция или капитальный ремонт здания, замена грузоподъемных кранов, технологического оборудования и др.);
- ослабление грунтов основания (избыточное замачивание, промораживание-оттаивание и др.).
Область применения способа: без ограничений.
5.2.8. Устройство обоймы из фибробетона
(рис. 8)
Применяется при разрушении боковых поверхностей фундаментов.
Причины появления:
- механические повреждения стен и фундаментов;
- воздействие агрессивной среды на боковые поверхности;
- периодическое длительное нарушение тепловлажностного режима в помещениях подвала.
Область применения способа: без ограничений.
5.2.9. Передача нагрузки от стены
Применяется при недостаточных размерах опорной площади фундаментов, трещины в стенах здания.
Причины появления:
- перегрузка оснований и фундаментов здания (реконструкция или капитальный ремонт здания, замена технологического оборудования и др.);
- ослабление грунтов оснований, неравномерные осадки фундаментов.
Область применения способа:
- при удовлетворительном состоянии фундаментов и цокольной части стен здания.
5.2.10. Передача нагрузки от фундамента
Применяется при разрушении наружных поверхностей фундаментов, неравномерных деформациях грунтов оснований.
Причины появления:
- воздействие агрессивной среды на фундаменты;
- ослабление грунтов оснований (избыточное замачивание, промораживание-оттаивание и др.).
Область применения способа:
- при наличии в основании фундаментов прочного подстилающего слоя.
5.2.11. Передача нагрузки от фундамента
Применяется при неравномерных деформациях оснований фундаментов.
Причины появления:
- перегрузка фундаментов (реконструкция или капитальный ремонт здания, замена грузоподъемных кранов, технологического оборудования и др.);
- ослабление грунтов оснований (избыточное замачивание, промораживание-оттаивание и др.).
Область применения способа:
- при удовлетворительном состоянии плитной части фундаментов.
5.2.12. Устройство шпунтовой стенки снаружи здания
(рис. 12)
Применяется при трещине в стенах здания.
Причины появления:
- устройство выемки (котлована, траншеи) вблизи здания с нарушениями правил производства работ.
Прокладка инженерных коммуникаций вблизи здания с нарушениями правил производства работ.
Область применения способа: без ограничений.
5.2.13. Устройства шпунтовых стенок в подвале здания
Применяется при деформации основания, трещинах в стенах цокольной части здания.
Причины появления:
- перегрузка фундаментов (реконструкция или капитальный ремонт здания, замена технологического оборудования и др.);
- ослабление грунтов оснований (избыточное замачивание, промораживание и др.).
Область применения способа:
- при наличии в основании фундаментов прочного подстилающего слоя.
5.2.14. Упрочнение пылевато-глинистых грунтов
высоконапорной инъекцией (цементным,
Применяется при нарушении условий устойчивости оснований, трещинах в стенах здания.
Причины появления:
- перегрузка оснований и фундаментов зданий;
- ослабление грунтов оснований (избыточное замачивание, промораживание-оттаивание и др.);
- техногенные воздействия на грунты оснований.
Область применения способа: пылевато-глинистые грунты.
5.2.15. Установка продольных разгружающих балок
для замены бутовых фундаментов под стены
(рис. 15)
Причина выполнения работ:
- замена бутового фундамента в результате его физического износа;
- перегрузка фундамента (реконструкция, капитальный ремонт, замена технологического оборудования и др.).
Область применения: без ограничений.
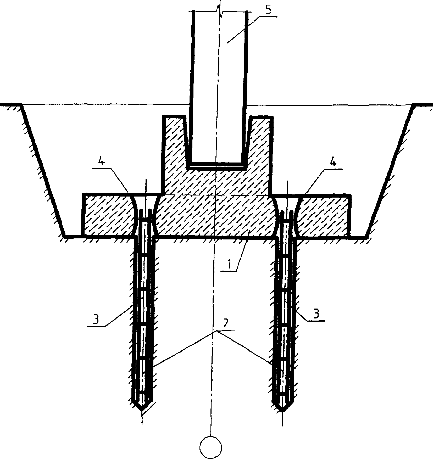
ЗАКРЕПЛЕНИЕ БУТОВОЙ КЛАДКИ ФУНДАМЕНТА ЦЕМЕНТАЦИЕЙ
1 - усиливаемый фундамент из бутовой кладки;
2 - инъекторы для нагнетания подвижного (жидкого) цементного раствора;
3 - наплывы раствора;
4 - кирпичная стена.
Рис. 1
ЗАКРЕПЛЕНИЕ БЕТОННЫХ (ЖЕЛЕЗОБЕТОННЫХ) ФУНДАМЕНТОВ,
ИМЕЮЩИХ ТРЕЩИНЫ, СИНТЕТИЧЕСКИМИ СМОЛАМИ
1 - существующий фундамент, имеющий вертикальные и горизонтальные трещины;
2 - трещины;
3 - кирпичная стена;
4 - инъектор для нагнетания компаунда из синтетических смол под давлением 0,6 - 1,2 МПа;
5 - борозда шириной 35 - 40 мм, выполненная дисковой пилой или отбойным молотком;
6 - отверстие, пробуренное перфоратором на глубину 100 - 150 мм.
Рис. 2
УСТРОЙСТВО ВОЗДУШНЫХ КАНАЛОВ С НАРУЖНОЙ СТОРОНЫ СТЕНЫ
(ЗАЩИТА ОТ ЗАМАЧИВАНИЯ)
| | ИС МЕГАНОРМ: примечание. Экспликация дана в соответствии с официальным текстом документа. | |
1 - осушаемая стена;
2 - канал, пробиваемый в стене;
3 - воздушная щель;
4 - вентиляционная решетка;
5 - пол аэрируемого этажа;
6 - отмостка;
7 - кирпичная перегородка;
8 - бетонное основание под стенку;
9 - распорки;
10 - существующая горизонтальная гидроизоляция.
Рис. 3
УСТРОЙСТВО ВОЗДУШНЫХ КАНАЛОВ С ВНУТРЕННЕЙ СТОРОНЫ СТЕНЫ
(ЗАЩИТА ОТ ЗАМАЧИВАНИЯ)
1 - фундамент и стена подвала из монолитного железобетона;
2 - труба, предусматриваемая в стене;
3 - воздушная щель между стеной подвала и перегородкой;
4 - вентиляционная решетка;
5 - пол вентилируемого подвального этажа;
6 - отмостка;
7 - кирпичная перегородка толщиной 120 мм.
Рис. 4
УШИРЕНИЕ ПОДОШВЫ ДЛЯ ЛЕНТОЧНОГО СБОРНОГО ФУНДАМЕНТА
(УСТРОЙСТВО ЖЕЛЕЗОБЕТОННОЙ ОБОЙМЫ)
1 - усиливаемый фундамент;
2 - железобетонная обойма;
3 - отверстия в швах между блоками для установки рабочей арматуры;
4 - основная рабочая арматура;
5 - отметка пола подвала;
6 - сколотая поверхность бетона;
7 - выпуски арматуры в подушке;
8 - сварка;
9 - зоны уплотненного грунта.
Рис. 5
УСТРОЙСТВО ЖЕЛЕЗОБЕТОННЫХ ПРИЛИВОВ
1 - усиливаемый фундамент;
2 - монолитные приливы из железобетона;
3 - уплотненный грунт (втрамбованный щебень);
4 - арматура усиления;
5 - кирпичная стена;
6 - затяжка из арматурной стали.
Рис. 6
УШИРЕНИЕ ПОДОШВЫ ДЛЯ ОТДЕЛЬНОГО ФУНДАМЕНТА
(УСТРОЙСТВО ЖЕЛЕЗОБЕТОННОЙ РУБАШКИ)
1 - усиливаемый фундамент;
2 - поверхность, подготовленная к бетонированию (насечка);
3 - подготовка из тощего бетона;
4 - железобетонная рубашка с уширением;
5 - колонна;
6 - арматура усиления;
7 - зоны уплотненного грунта.
Рис. 7
УСТРОЙСТВО ОБОЙМЫ ИЗ ФИБРОБЕТОНА
1 - существующий фундамент;
2 - кирпичная стена подвала;
3 - обойма из фибробетона;
4 - отверстия диаметром 20 - 30 мм и глубиной до 250 мм;
5 - металлические анкера из арматуры периодического профиля, устанавливаемые на эпоксидном клее или цементно-песчаном растворе в отверстия диаметром 20 - 30 мм и глубиной 250 мм.
Рис. 8
ПЕРЕДАЧА НАГРУЗКИ ОТ СТЕНЫ НА БУРОИНЪЕКЦИОННЫЕ СВАИ
1 - усиливаемый ленточный фундамент;
2 - буроинъекционные сваи, устраиваемые через плитную часть усиливаемого фундамента;
3 - конусные отверстия в плитной части фундамента, устраиваемые после инъекции цементно-песчаного раствора;
4 - кирпичная стена;
5 - пазухи, заполняемые грунтом после устройства стыка свай с плитной частью фундамента.
Рис. 9
ПЕРЕДАЧА НАГРУЗКИ ОТ ФУНДАМЕНТА НА БУРОНАБИВНЫЕ СВАИ
1 - усиливаемый фундамент;
2 - буронабивные сваи;
3 - железобетонная обойма;
4 - поверхность фундамента, подготовленная к бетонированию (насечка, сколы, зачистка);
5 - оголенная рабочая арматура существующего фундамента;
6 - арматура усиливаемого фундамента;
7 - железобетонная колонна.
Рис. 10
ПЕРЕДАЧА НАГРУЗКИ ОТ ФУНДАМЕНТА НА БУРОИНЪЕКЦИОННЫЕ СВАИ
1 - усиливаемый столбчатый фундамент;
2 - буроинъекционные сваи диаметром 100 - 250 мм, устраиваемые через плитную часть усиливаемого фундамента;
3 - арматурные каркасы;
4 - конусные отверстия в плитной части фундамента, устраиваемые после установки арматурных каркасов и инъекционного цементно-песчаного раствора;
5 - железобетонная колонна.
Рис. 11
УСТРОЙСТВО ШПУНТОВОЙ СТЕНКИ СНАРУЖИ ЗДАНИЯ
1 - отметка подошвы фундамента;
2 - котлован вблизи здания;
3 - отметка дна котлована;
4 - поверхность скольжения при потере устойчивости основания;
5 - трещины в стене здания;
6 - шпунтовая стенка.
Рис. 12
УСТРОЙСТВО ШПУНТОВЫХ СТЕНОК В ПОДВАЛЕ ЗДАНИЯ
1 - существующий фундамент;
2 - стенка из стального шпунта;
3 - поверхность скольжения при выпоре грунта из-под подошвы фундамента;
4 - пол подвала.
Рис. 13
УПРОЧНЕНИЕ ПЫЛЕВАТО-ГЛИНИСТЫХ ГРУНТОВ
ВЫСОКОНАПОРНОЙ ИНЪЕКЦИЕЙ (ЦЕМЕНТНЫМ, ИЛОЦЕМЕНТНЫМ,
ЦЕМЕНТНО-ПЕСЧАНЫМ РАСТВОРОМ)
1 - существующий фундамент;
2 - скважины;
3 - инъекторы для нагнетания растворов под высоким давлением (до 10 МПа);
4 - манжеты для поддержания давления;
5 - контуры упрочненного грунта.
Рис. 14
УСТАНОВКА ПРОДОЛЬНЫХ РАЗГРУЖАЮЩИХ БАЛОК
ДЛЯ ЗАМЕНЫ БУТОВЫХ ФУНДАМЕНТОВ ПОД СТЕНЫ
1 - контуры фундамента, подлежащего замене;
2 - вновь устраиваемый фундамент;
3 - разгружающие металлические балки;
4 - стяжной болт;
5 - шурф;
6 - кирпичная стена.
Рис. 15
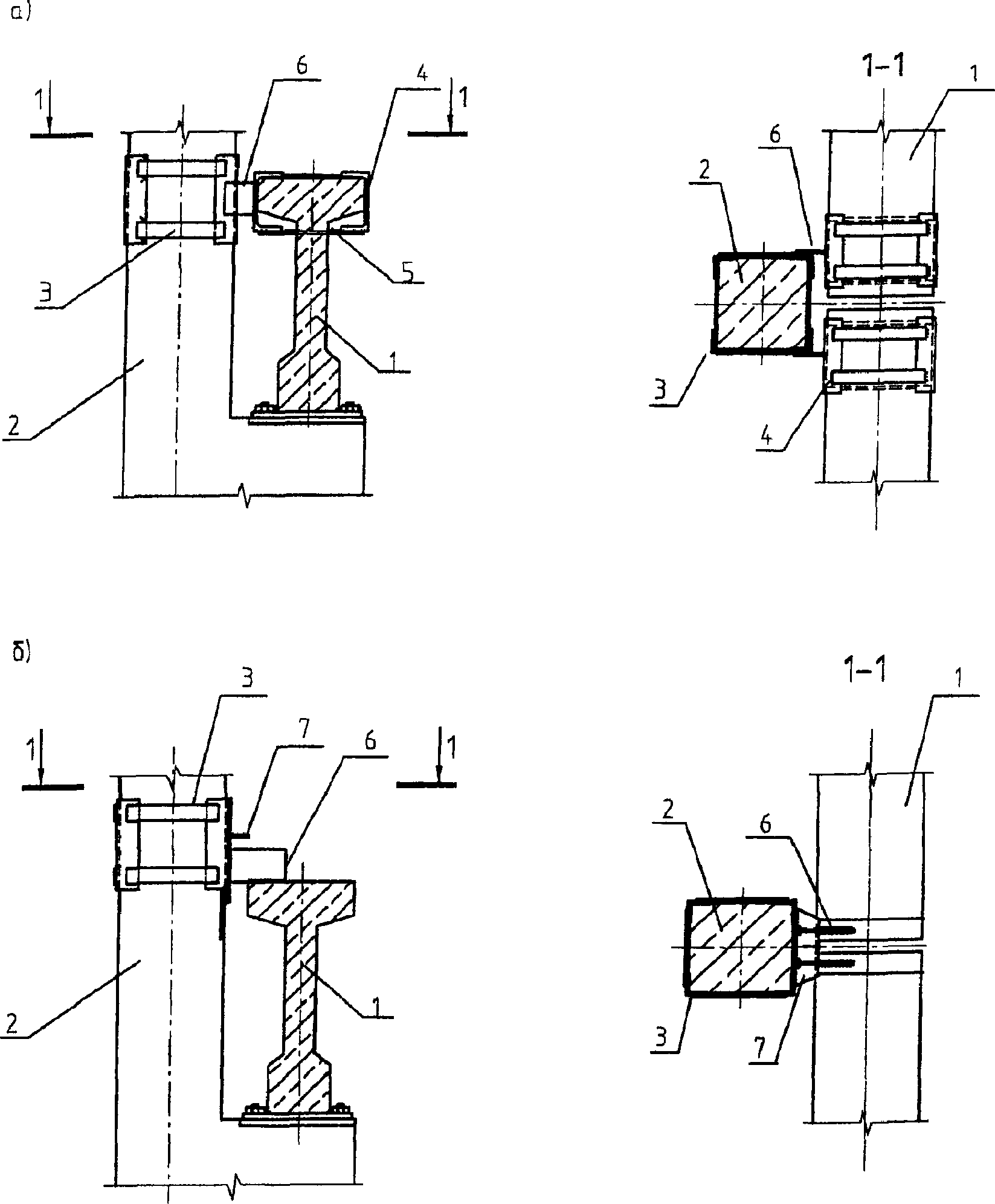
6. УСИЛЕНИЕ И ВОССТАНОВЛЕНИЕ ЖЕЛЕЗОБЕТОННЫХ КОНСТРУКЦИЙ
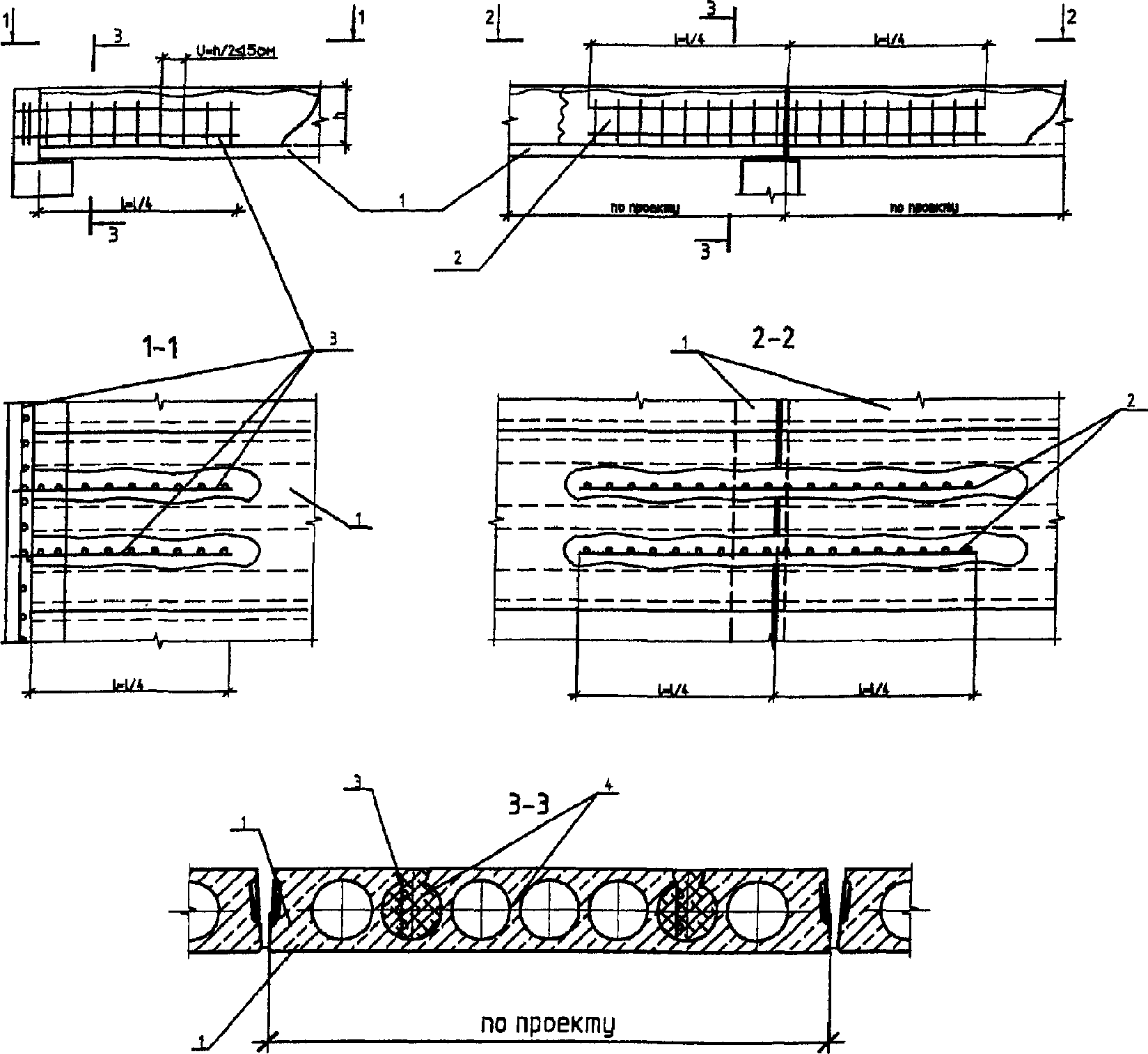
6.1. Рекомендации по усилению ребристых плит
При повреждении поверхностного слоя плиты покрытия 1 рекомендуется ее наращивание сверху (см. "а", "а1"). Для этого к обнаженной арматуре плиты приваривается дополнительная арматура 3, а затем производится укладка нового бетона 4.
В случае появления в плите пробоины (см. "б") последняя может быть перекрыта листами асбофанеры 5, на которую укладывается быстротвердеющий бетон 4.
При смещении опорных ребер плит перекрытий опора одной из плит 1 может оказаться в зазоре между балками 2. В этом случае необходимо срочно залить зазор быстротвердеющим бетоном 3 (см. "в"). После чего к обнаженной арматуре балки 2 привариваются стяжные уголки 6 (см. "г").
Опорные ребра при повреждении могут быть усилены с помощью хомутов (см. "д"). Для этого в верхней части плиты 1 пробиваются отверстия, через которые протягиваются хомуты 7 с резьбой. Между хомутами и ребрами плиты устанавливаются опорные уголки 9. В верхней части плиты укладываются подкладки в виде уголков 8. Натяжение хомутов осуществляется затягиванием болтов.
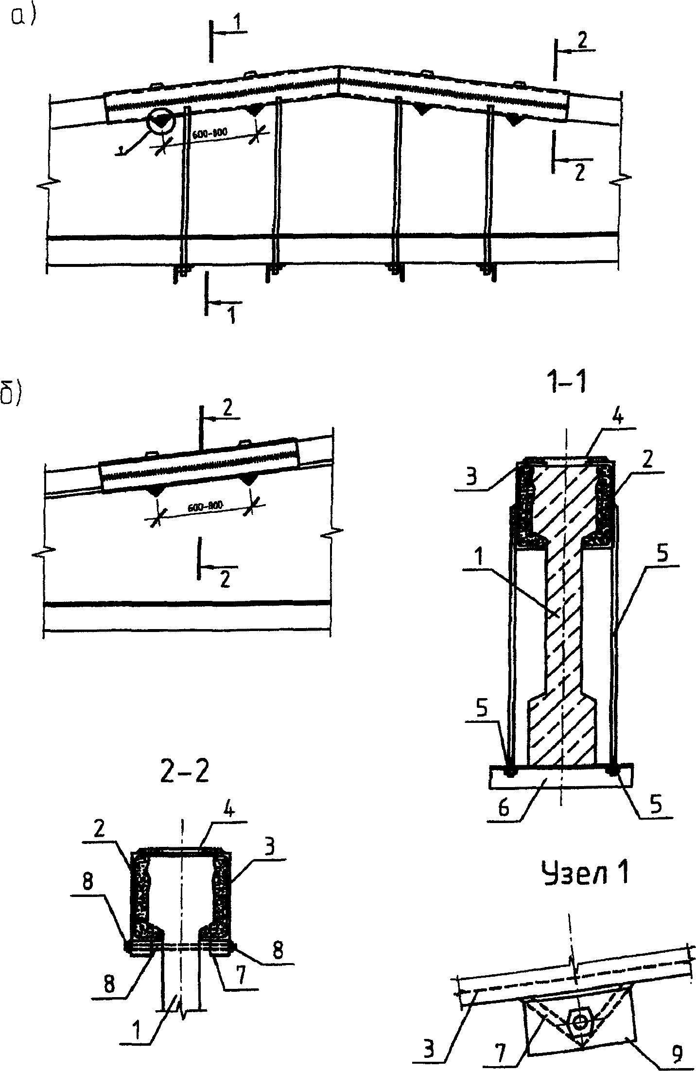
6.2. Рекомендации по усилению ребристых плит покрытия
Усиление ребер плит покрытия, вызванное разрушением последних или увеличением нагрузок на несущие конструкции промышленных зданий, можно производить следующими способами:
- наращиванием ребер снизу;
- удлинением опоры стальными консолями;
- устройством стальных балок под ребрами плит;
- устройством шпренгеля.
При наращивании ребер снизу (см. "а") поврежденные участки плиты 1 очищаются от разрушенного бетона, арматура плиты 3 - от ржавчины и грязи. К арматуре 3 с помощью коротышей приваривается дополнительная арматура 4. Устраивается временная опалубка, в которую заливается новый бетон. После достижения бетоном соответствующей прочности опалубка снимается.
Усиление плиты путем удлинения опоры стальными консолями рекомендуется проводить в следующем порядке (см. "б"). Заранее готовятся стальные двухконсольные балки 5, состоящие из двух швеллеров, соединенных уголками. Уголки усиливаются ребрами жесткости. Подготовленные балки 5 подводятся под ребра плиты 1 у опор балок покрытия или ферм. Ввод двухконсольных балок 5 в совместную работу с плитой 1 производится подклинкой под ее ребра клиновидных элементов.
Усиление плит с помощью стальных балок 6 (см. "в") осуществляется путем их установки на балки покрытия 2 под ребра плиты. Балка представляет собой сваренную из двух швеллеров конструкцию, скрепленную уголком. При смещении плит по высоте балки 6 не соединяются между собой, а усиливаются ребрами жесткости.
Устройство шпренгеля (см. "г") рекомендуется проводить в такой последовательности. В плите 1 пробиваются отверстия. По торцам плиты укладываются опорные уголки 10. Затем в отверстия пропускают шпренгель 7 с приваренными на концах упорами 8. В местах перегиба шпренгелей устраиваются упоры 9, с помощью которых производится натяжение шпренгельной системы.
6.3. Рекомендации по усилению сборной железобетонной плиты
покрытия металлической балкой с подклинкой
(рис. 18)
Усиление плит покрытия металлической балкой производится, как правило, при увеличении нагрузки на плиту или для восстановления несущей способности, утраченной в результате воздействия внешних нагрузок.
Способ усиления плит типа ПНС и ПКЖ состоит в подпруживании их металлическими прокатными балками 1. Исходя из условий прочности при таком усилении, требуются металлические балки относительно небольшой высоты и значительно меньшей жесткости, чем усиливаемые ими ребристые панели 8. Поэтому для получения соответствующего эффекта от усиления необходимо, чтобы в местах подпирания возникали реальные разгружающие воздействия, направленные снизу вверх. Это достигается подведением под ребра плиты прокладок из швеллеров 4, которые жестко закрепляются на металлической балке 1 клиньями из полос швеллера 5, что создает подпирающим металлическим балкам предварительный прогиб. Стремясь выпрямиться, они будут оказывать разгружающее давление на подпираемые ими более жесткие железобетонные плиты 8. В усилениях такого вида подклинка производится в четвертях и середине пролетов разгружающих балок, т.е. в трех местах с шагом 2 м, что удобно в конструктивном отношении, поскольку соответствует расположению поперечных ребер плит типа ПНС и ПКЖ.
Металлическая балка 1 с помощью пластинки 3, прикрепленной к ней сваркой 7, опирается на балку покрытия 9. Стыковка балок 1 производится путем прикрепления к концам балок 6 металлических пластин 2. Такое соединение создает жесткое опирание усиливающих балок.
Приведенный способ усиления плит покрытия позволяет восстановить их несущую способность без остановки производства участками с передвижных лесов в виде козел.
При данном способе усиления необходимо придерживаться следующего порядка работ:
- укладываются металлические балки (двутавры) 1 на верхние пояса покрытия 9 с помощью приваренных к ним пластинок 3;
- закрепляются между собой пластинками 2 с помощью болтов 6;
- устанавливаются прокладки и расклиниваются к ребрам плит клиньями 5.
6.4. Рекомендации по восстановлению опирания
Восстановление опирания ребристых плит покрытия на опоры рекомендуется производить в случае их смещения от проектного положения после воздействия динамических нагрузок.
При восстановлении опирания плит на среднюю балку покрытия 1 (вариант "а") под ребро жесткости плиты 2 подводят стальные балки 1. Длина стальных балок 3 определяется величиной смещения плит от первоначального положения. При сильном смещении концы балок 3 выступают за грани сечения стропильной балки 1. К образующимся при этом консолям следует приварить опорные уголки 4 с ребрами жесткости 10 для обеспечения необходимой прочности соединения.
Восстановление опирания плит на торцевую балку покрытия 1 (вариант "б") может быть произведено с помощью консольной стальной балки 3. Процесс восстановления следует производить, соблюдая такой порядок. В восстанавливаемой плите пробиваются отверстия, в которые вставляются болты 8. К болтам 8 сверху и снизу прикрепляются упорные 6 и опорные 7 уголки, на которые устанавливаются консольные балки 3. Ввод в работу усиления производится путем затягивания гаек на стяжных болтах 8.
6.5. Рекомендации по усилению ребер плит покрытия
Усиление ребер плит покрытия с помощью двухконсольных балок рекомендуется проводить при повреждении бетона на всю высоту ребра опирания и деформации арматуры, а также при разрушении бетона и арматуры ребра жесткости у опор.
Перед усилением производится восстановление разрушенного бетона и арматуры ребер или заделка трещин, если их раскрытие превысило допустимые величины.
Затем под ребро жесткости плиты 1 подводится двухконсольная балка, представляющая собой сварную конструкцию из двух швеллеров 3, соединенных уголками 4 с ребрами жесткости 5. Балка подводится под плиту покрытия 1 и устанавливается на балке покрытия 2 так, чтобы ребра плиты опирались на швеллеры 3. Длина консолей определяется по расчету. Включение их в совместную работу с плитами обеспечивается подклинкой или расчеканкой зазора между плитой и усиливаемой балкой.
6.6. Рекомендации по увеличению длины опирания
При воздействии кратковременных динамических нагрузок плиты покрытий и перекрытий могут быть смещены со своих опор, в результате чего площадь их опирания на балки покрытия может уменьшиться, что часто приводит к опасности обрушения плит.
Для увеличения длины опирания плит покрытия 1 на ферме 3 устанавливают швеллеры 2 с ребрами жесткости, скрепленные болтами 5 с швеллерами 4, плотно прилегаемыми к ферме 3. Швеллеры 4 крепятся в свою очередь к уголкам 6 болтами 7.
Увеличение длины опирания плит 8 достигается закреплением на ригеле 11 уголков с помощью хомутов 9.
6.7. Рекомендации по усилению сборных балок покрытия
Эти конструктивные решения применяются для восстановления верхнего пояса балки покрытия, получившего среднюю степень повреждения, а также для повышения ее несущей способности. Они могут быть осуществлены следующими способами:
- обоймами из швеллеров (см. "а");
- односторонним наращиванием сверху (см. "б");
- железобетонной рубашкой (см. "в").
Наращивание обоймами из швеллеров состоит в том, что к верхней части балки покрытия 1 крепятся на болтах 6 два швеллера 3. Снизу к швеллерам привариваются упоры 5 из уголков, через которые в заранее пробитые в балке 1 отверстия пропускают болты 6. В подготовленную обойму заливается новый бетон 10. К швеллерам с двух сторон приваривают уголки усиления полки швеллера 4.
Одностороннее наращивание осуществляется в следующем порядке. В верхней полке балки покрытия 1 обнажается арматура 8. Затем к последней приваривается через соединительные элементы 7 дополнительная арматура 9, устанавливается, временная опалубка и производится заливка нового бетона 10.
При усилении балки покрытия 1 железобетонной рубашкой обнажается арматура в верхней полке 8, к которой привариваются соединительные элементы 7. К соединительным элементам приваривается арматура 9 рубашки. После устройства временной опалубки в нее заливается новый бетон 10, создавая железобетонную рубашку.
6.8. Рекомендации по усилению стропильных балок
Усиление стропильных балок наращиванием снизу применяется для восстановления несущей способности при средней степени разрушения балки или повышения несущей способности балки в связи с увеличением нагрузки на перекрытие. Оно может быть осуществлено следующими способами:
- наращиванием с подвариванием дополнительных стержней;
- накладками при разрыве арматуры.
Наращивание с подвариванием дополнительных стержней рекомендуется проводить в такой последовательности (см. "а", "б"). В растянутой зоне стропильной балки 1 обнажаются стержни, очищаются от ржавчины и старого бетона. Затем к обнаженной арматуре привариваются коротыши из круглой или "флажки" из полосовой стали 6. После приваривания дополнительной арматуры 2 и 3 устраивается временная опалубка, куда заливается новый бетон 8.
При разрыве арматуры 2 и 3 нижней растянутой зоны (см. "в") сначала в зоне разрушения удаляется разрушенный бетон. Отрезаются деформированные и частично разорванные стержни. На место удаленных стержней привариваются накладки из коротышей 5, а к существующей поперечной арматуре - хомуты 7. После этого устраивается временная опалубка, в которую заливается новый бетон 8.
6.9. Рекомендации по усилению балок покрытия обоймами
Усиление балок покрытия обоймами и дополнительными хомутами рекомендуется для восстановления при средней степени разрушения или для увеличения несущей способности балки в связи с возрастанием нагрузок.
При усилении обоймами (см. "а") на полке балки 1 с помощью упоров 5, подкладок 4 и стяжек болтов 3 закрепляются швеллеры 2. Ввод обоймы в работу осуществляется одновременным стягиванием всех четырех болтов.
Для усиления дополнительными хомутами (см. "б") на полку балки 1 устанавливаются уголки 8 с ребрами жесткости 7 и заранее просверленными отверстиями, через которые пропускаются болты 9 для крепления швеллера 2 с приваренными к нему тяжами 6 из круглой стали. Тяжи закрепляются внизу балки 1 при помощи уголков 10 на болтах. Усиление балки хомутами достигается закручиванием гаек на концах тяжей 6. После стягивания хомутов гайки завариваются.
6.10. Рекомендации по усилению сжатой зоны
При разрушении сжатой зоны стропильной балки можно рекомендовать для ее восстановления стальные обоймы из уголков и швеллеров.
В случае повреждения балки 1 на коньке (см. "а") сначала удаляют разрушенный бетон 2. После затвердения нового бетона устанавливается стальная обойма из уголков 3, соединенных пластинами 4 и сваркой. К нижним уголкам привариваются тяжи 5 с опорными уголками 6 и упорами для затяжки 7, представляющими собой равнобокие уголки. Ввод обойм в рабочее состояние осуществляется затягиванием тяжей 5.
При местном повреждении стропильной балки (см. "б") не требуется устройство вертикальных тяжей, а сжим обоймы осуществляется лишь за счет затяжек 8.
В обоих случаях вместо уголков для устройства обойм могут быть использованы швеллеры.
6.11. Рекомендации по усилению сборной балки покрытия
Для усиления, в основном, сборных балок покрытия больших пролетов при увеличении нагрузок на покрытие могут быть рекомендованы шарнирно-стержневые цепи. Все элементы цепи рекомендуется изготавливать заранее в соответствии с размерами усиливаемой балки, тщательно проверенными в натурных условиях. Элементы цепи следует устанавливать в определенной последовательности. К закрепленным на балке 1 анкерным устройствам 6 подвешиваются обе ветви цепи 2 с заранее прикрепленными подвесками 5. Если кроме подвесок требуются и стойки 3, то устанавливают и их, оставляя свободное место для центральной стойки 4. Затем на подвески надевают соединительные планки и закрепляют их закручиванием гаек, при этом все соединительные планки подвесок плотно притягиваются к усиливаемой балке 1, а цепь 2 получает некоторое натяжение, вследствие которого происходит обжатие анкерных устройств 6 и смятие элементов всех промежуточных узлов, что приводит к устранению или уменьшению потерь напряжений в дальнейшем. При креплении ветвей цепи к анкерным устройствам на болтах имеется возможность регулировать длину цепи, что позволяет установить цепь в проектное положение с большой точностью.
6.12. Рекомендации по усилению сборной балки
Для балок покрытия в случае необходимости проведения работ в минимальные сроки без снятия временной нагрузки может быть рекомендован способ усиления шпренгелем. Способ состоит из следующих операций. На торцах балки 1 устраивают анкерные устройства 3, к которым подвешиваются шпренгели 2. Устанавливают прокладки, состоящие из опорных швеллеров 4 с приваренными к ним подкладками с шаровым гнездом 5. Подкладки 5 непосредственно примыкают к опорному листу 6, на котором приварен шарик, обеспечивающий шарнир опирания балки на шпренгель. Шпренгель непосредственно контактирует с подкладкой из круглых стержней 7, приваренной к опорному листу 6. Для натяжения шпренгелей 2 в опорный лист 6 вводится гайка 9, а к подкладке 7 привариваются квадратные подкладки 8. Натяжение осуществляется завинчиванием натяжных винтов 10.
6.13. Рекомендации по усилению железобетонной балки
покрытия с помощью двухветвевой шпренгельной затяжки
Усиление двухветвевой шпренгельной затяжкой рекомендуется применять для балок, имеющих сильные повреждения в сжатой зоне, сколы полок, трещины, понижающие прочность бетона, а также при искривлении всей балки на плоскости депланации. В практике эксплуатации железобетонных балок покрытия может возникнуть необходимость их усиления ввиду предполагаемого увеличения нагрузок.
Процесс усиления рекомендуется проводить в следующем порядке. В сжатой зоне балки 1 устанавливается дополнительный двухветвевой элемент из уголков 3 с ребрами жесткости 4, связанных короткими уголками 10 на сварке. Затем к дополнительному элементу 3 на торцевых балках крепится двухветвевая шпренгельная затяжка 2. В местах перегиба шпренгельной затяжки устраиваются прокладки. Для этого в нижней растянутой зоне балки обнажается арматура, к которой приваривается швеллер в соответствии с шириной балки 9. К швеллеру 9 приваривается уголок 11. Между уголком 11 и шпренгельной затяжкой 2 укладываются стержни 12. Посредине пролета шпренгельные затяжки стягиваются хомутами 7, концы которых пропускаются через пластины 6. Ввод шпренгельных затяжек в напряженное состояние производится стягиванием гайками связей 5 и шпренгельных затяжек 2 с помощью стяжного устройства 13.
Вертикальная сила в напрягаемой затяжке 2, возникающая в результате стягивания обеих ветвей затяжки устройством 13, в узле 1 раскладывается на реактивную составляющую, воспринимаемую опорой, и составляющую, воспринимаемую элементом 3. Возникающие в результате этого усилия в пролете балки служат промежуточными опорами, разгружающими балку. Величина усилия в пролете балки находится расчетом в зависимости от фактической несущей способности железобетонной балки.
6.14. Рекомендации по усилению стропильных балок
При усилении балок покрытия многопролетных зданий рекомендуется применять одновременно различные конструктивные решения подпружных систем для крайних и средних пролетов.
Для крайних пролетов можно применять предварительно напряженный шпренгель (см. "а"), состоящий из упора 4, к которому приваривается пластина с отверстием 12. Через отверстия упоров пластины 12 пропускаются концы тяжей 3 с резьбой для гаек. Между балкой 1 и тяжем 3 устанавливаются упорные уголки 5 и коротыши 8 для лучшего натяжения шпренгеля. Ввод шпренгельной системы в рабочее состояние производится натяжением гаек.
Для средних пролетов применяются двухконсольные фермы (см. "б"). Усиление с помощью двухконсольных ферм производится в следующем порядке. На опоре 2 балки 1 устраиваются по обеим сторонам опорные листы 7, а торцы балок соединяются упорами 4, закрепляемыми болтами на стойках 9. Стойки 9 привариваются затем к упорам 4. Между стойками и упорами укладываются консоли из уголков 10, которые соединяются сваркой со стойкой 9 и упором 4. К консолям 10 снизу привариваются уголки для натяжения подкоса фермы 6. Впритык к стойке сверху приваривается опора из отрезка круглой стали 11. В отверстия уголков 6 пропускаются концы тяжей 3. Затягиванием гаек двухконсольная ферма вводится в работу.
6.15. Рекомендации по усилению опорных участков
Усиление опорных участков балок хомутами рекомендуется применять при появлении наклонных трещин в четвертях пролета, вызванных возрастанием нагрузки и, следовательно, увеличением поперечных сил, например, в связи с подвеской или установкой дополнительного оборудования, ранее не предусмотренного проектом.
При усилении прямыми хомутами (см. "а") в балке 1 пробиваются отверстия, через которые пропускаются тяжи с гайками и шайбами 3. Между гайками и балкой сверху и снизу устанавливаются опорные уголки 5, 6. Ввод хомутов в работу производится затягиванием гаек.
Усиление хомутами, напрягаемыми стягиванием ветвей (см. "б"), состоит в проведении следующих операций. На верхней полке балки 1 по обеим ее сторонам с определенным шагом устанавливаются уголки 8, к которым затем привариваются пластины 7. К укрепленным таким способом уголкам привариваются тяжи 3 со стяжными устройствами 4. Другими концами тяжи привариваются к уголкам 8, примыкающим к нижней полке балки 1 и также скрепленных пластинами 7. Верхние и нижние уголки стягиваются с помощью стяжных устройств 4.
6.16. Рекомендации по усилению балок покрытия
Для усиления балок покрытия на промежуточных опорах в связи с увеличением нагрузок на несущие конструкции промышленных зданий могут быть применены двухконсольные балочные системы. Процесс усиления вышеназванным способом состоит из следующих операций. Сначала изготавливают двухконсольную балочную систему, состоящую из двух пар швеллеров 3, соединенных пластинами. Снизу к швеллерам 3 привариваются по три стойки 6. Подготовленные балки 1 устанавливаются на опоры 2. Затем к ним с обеих сторон привариваются соединительные пластины 10, на которых сваркой и на болтах крепятся подвески 4, плотно прилегающие к нижней поверхности усиливаемой балки 1. Сверху консольные балки соединяются на сварке соединительным стержнем 5. У опор 2 швеллеры 3 усилены ребрами жесткости 8.
6.17. Рекомендации по усилению верхнего пояса фермы
Усиление верхнего пояса рекомендуется для восстановления его несущей способности при наличии повреждений в виде трещин, сколов и т.д.
Процесс усиления состоит из следующих последовательно проводимых операций. На верхнем поясе фермы 4 крепятся два металлических упорных ящика 1, заполненных бетоном и два предварительно изогнутых распорных элемента из швеллеров 2 и пластин 7. Путем стягивания стяжного болта 3 распрямляют распорный элемент 2, создавая в распорках предварительное напряжение. Распорные элементы 2, упираясь в упорные ящики 1, передают нагрузку на узлы фермы и разгружают соответствующий элемент верхнего пояса 4.
При увеличении нагрузки на ферму распорки 2 воспринимают часть усилия элемента верхнего пояса.
6.18. Рекомендации по усилению нижнего пояса фермы
Усиление нижнего пояса рекомендуется для повышения его несущей способности при увеличении эксплуатационной нагрузки на фермы и для восстановления элемента нижней растянутой зоны фермы, получившего повреждения от механических и химических воздействий.
Способ усиления нижнего пояса фермы состоит в устройстве напрягаемых элементов вида тяжей 1 из круглой стали. Для этого в среднем узле и на торце фермы закрепляются с помощью стяжных болтов 3 и раствора опорные хомуты 2 из полосовой стали. К хомутам крепятся тяжи 1: в средней части на сварке, у торца - на стяжных болтах 3. Ввод тяжей 1 в совместную работу с фермой производится затягиванием болтов 3.
При натяжении тяжей 1 трещины в нижнем поясе фермы 7 могут быть частично закрыты, а часть нагрузки с нижнего пояса может быть передана на стойки 6 и раскосы 5 фермы.
6.19. Рекомендации по усилению стойки фермы
(рис. 34)
Предлагаемый способ усиления стоек ферм рекомендуется для увеличения несущей способности элемента в случае превышения нагрузки, предусмотренной проектом, или для восстановления стойки, получившей повреждения в результате механических или химических воздействий.
Усиление следует начинать с установки на стойке фермы 4 по ребрам уголков 5, скрепленных на сварке пластинами 7 в виде обоймы. Металлические уголки 5 закрепляются по концам на узлах фермы стяжками 1, пропущенными через уголки 3. К уголкам 3 в свою очередь привариваются уголки стоек 5. Ввод обойм усиления стоек фермы 4 производится затяжкой гаек тяжей 1.
6.20. Рекомендации по усилению раскоса и стойки фермы
Усиление раскосов и стоек ферм рекомендуется для восстановления их несущей способности при повреждении в виде трещин, сколов и т.д. или для повышения несущей способности этих элементов при увеличении нагрузок на ферму.
Для усиления раскосы и стойки на поясах фермы закрепляются с помощью цементного раствора, болтов 3 и уголков 9 опорные хомуты 2. К опорным хомутам 2 на верхнем поясе в узлах А и Б привариваются одним концом тяжи 1. Другими концами (с резьбой) в узле В они крепятся на уголках, приваренных к опорным хомутам 2, гайками.
Тяжи 1 изготавливаются из стали А1 диаметром 14 мм. Опорные хомуты 2 свариваются из опорной пластины и двух боковых пластин. Ввод усиливающих элементов в работу производится затягиванием гаек у опорного хомута нижнего пояса фермы.
6.21. Рекомендации по усилению ребер сборных плит
перекрытия с помощью дополнительной арматуры
(рис. 36)
Усиление ребер сборных плит перекрытия применяется для увеличения несущей способности плит при увеличении нагрузки на перекрытие или повреждении ребер.
Перед производством работ по усилению ребер необходимо сначала расчистить поврежденные участки. Существующую арматуру следует очистить от ржавчины. Бетонную поверхность обдуть сжатым воздухом или обмыть водой под давлением за 1 - 1,5 часа до торкретирования. В ребрах к нижнему существующему стержню 1 приварить коротыш 3 с шагом 0,5 м. К коротышам приваривается дополнительный стержень 2.
Восстановление поврежденных частей ребер плит рекомендуется производить бетоном марки не ниже 300, заливаемым в заранее подготовленную временную опалубку.
6.22. Рекомендации по усилению сборных плит перекрытия
Усиление плит перекрытия при помощи наклонных хомутов рекомендуется применять с целью увеличения их несущей способности в связи с увеличением нагрузки на перекрытие.
Способ усиления состоит в применении специального устройства, в которое входят наклонные хомуты, собранные из элементов 4, 5, 6, выполненных из листового материала и снабженных со стороны усиления элемента скошенными упорами 7 с крышками, изготовленными из элементов 9, 10, 11. Хомуты устанавливаются на концевых участках усиливаемой конструкции. На скошенную часть упора надевается гибкий замкнутый арматурный трос 8. Крышка через отверстие в ее днище зафиксирована на упоре с помощью болта 12 и сопряжена с ним шпоночно-шлицевым соединением.
Устройство включают в работу следующим образом. Наклонные хомуты 4, 5, 6 со скошенными упорами 7 устанавливают в соответствии с эпюрой изгибающих моментов на концевые участки ребра 2, размещая упоры со стороны усиления. На начало скошенной части каждой пары упоров 7 надевают гибкий замкнутый арматурный элемент 8 и крышки 9, 10, 11. Затем в отверстия днищ крышек пропускают болты 12, которые фиксируют крышки на торцевой части упоров 7. После установки элементов усиления болты продолжают ввинчивать в торцы упоров, сдвигая крышками арматурный элемент 8 к их основанию. Надвижкой крышек на упоры производят регулируемое натяжение арматурного элемента. Усиление в соответствии с эпюрой изгибающих моментов от вертикальной нагрузки позволяет получить эпюру изгибающих моментов противоположного знака, тем самым существенно улучшая работу усиливаемой конструкции и повышая ее несущую способность.
6.23. Рекомендации по усилению приопорных участков
Данный способ усиления рекомендуется при недостаточной прочности приопорного участка.
При усилении приопорного участка крайнего ряда плит (см. "а") поверхность плиты 1 освобождается от элементов пола. Затем вдоль плиты над пустотами пробиваются борозды шириной 70 - 100 мм. Освободившаяся полость продувается сжатым воздухом. Устанавливаются вертикальные каркасы 3. Выкладывается бетонная смесь 4 с уплотняющей виброрейкой.
Усиление среднего ряда (см. "б") производится установкой арматурного каркаса 2, общего на две смежные плиты 1, в пробитой борозде. Остальные операции проводятся аналогично варианту "а".
6.24. Рекомендации по усилению сборной многопустотной плиты
перекрытий замоноличиванием каналов пустот
(рис. 39)
Усиление сборных многопустотных плит перекрытий, замоноличивание каналов пустот рекомендуется применять при наличии продольных трещин в стенке между пустотами, а также при необходимости значительного увеличения несущей способности плиты (см. "а", "б").
Процесс усиления многопустотных плит вышеназванным способом осуществляется в следующем порядке. Сначала очищается поверхность плиты от элементов пола. Вдоль плиты над пустотами пробиваются борозды шириной b = 70 - 100 мм. Контактная поверхность продувается сжатым воздухом. Устанавливаются вертикальные каркасы 1 и дополнительная арматурная сетка 5. Выставляются маячные рейки. Закладывается бетон 3 с уплотнителем, виброрейкой.
В случае необходимости усиление может быть выполнено с помощью набетонки 5 с арматурным каркасом 6 (см. "б"). Предыдущая операция аналогична варианту "а".
6.25. Рекомендации по восстановлению железобетонных балок
путем подвешивания их к металлическим балкам
(рис. 40)
Восстановление второстепенных балок путем подвешивания их к металлическим балкам рекомендуется применять при появлении в растянутой зоне поперечных трещин, деформации верхней зоны балки, а также при недопустимости уменьшения высоты помещения под поврежденным перекрытием.
Работу по восстановлению поврежденной железобетонной балки следует начинать с укладки на верхний деформированный участок конструкции выравнивающего слоя 4. После затвердения ремонтного состава на балку укладывают два швеллера 1, опирающиеся концами на прогоны и соединенные между собой болтами 2 и деревянным брусом 6. У краев металлической балки 1 в перекрытии пробивают четыре отверстия 7, через которые пропускают изогнутые в виде хомутов подвески 5 из гладкой арматурной стали. Подвески закрепляются на металлической балке гайками через уголки 3.
6.26. Рекомендации по восстановлению железобетонной балки
с косыми трещинами при помощи уголков и хомутов
(рис. 41)
Балки, имеющие косые трещины, располагающиеся на длине не более 1/3 пролета, усиливаются при помощи металлических уголков 3, стянутых хомутами 5.
Процесс усиления производится следующим образом. В месте появления трещины в плите перекрытия пробиваются отверстия 7. К ребрам балки подводятся уголки 3, а затем они стягиваются хомутами 5, прикрепляемыми к плите гайками. Между плитой и гайками укладываются прокладки 8 из полосовой стали.
На участке от опоры до начала косой трещины следует ставить не менее двух хомутов. Остальные хомуты распределяются равномерно по всей длине поврежденного участка.
6.27. Рекомендации по усилению железобетонных плит
с помощью закрепленных сверху металлических полос
Усиление плит с помощью закрепленных сверху металлических полос может быть применено при восстановлении или в связи с увеличением эксплуатационных нагрузок на перекрытие.
Этот способ заключается в проведении следующих операций.
Стальные полосы 1 укладываются на верхнюю поверхность плиты 6 параллельно друг другу и перпендикулярно балкам с определенным шагом. Середины полос располагаются примерно над центральной осью балки, а их концы выходят в зоны плиты, лежащие за пределами балки, под прямым углом к ее оси. В местах расположения полос 1 под ними должны быть выдолблены канавки 7. Перед усилением плита поддомкрачивается любым удобным способом. Подготовленные таким способом полосы укладываются в канавки 7 и фиксируются в них клеем 3. В качестве клея можно использовать эпоксидные, полиэфирные и полиуретановые смолы. Концы полос могут быть при необходимости прикреплены к плите анкерами 2 через заранее пробитые отверстия 4. После усиления поверхность плиты покрывается выравнивающим цементно-песчаным раствором 5.
6.28. Рекомендации по усилению железобетонных плит
монолитного перекрытия металлическими полосами,
закрепленными с двух сторон (патент Японии N 57-10261)
Усиление плит перекрытий с помощью металлических полос, закрепленных с 2-х сторон применяется для повышения несущей способности при увеличении нагрузки на перекрытие.
Перед началом работ по усилению плиты 6 на ней размечается расположение металлических полос, закрепляемых сверху и снизу.
На верхней стороне плиты 6 полосы 1 располагаются симметрично относительно соседних параллельных балок. Полосы 1 нижней стороны плиты 6 размещаются между противоположными концами полос 1 верхней части плиты 6.
В отмеченных местах пробиваются канавки 7 и сквозные отверстия 4 под болты 2. Канавки 7 покрываются слоем полимерного клея 3. Затем в отверстие 4 пропускаются болты 2, которые затем затягиваются гайками. По окончании вышеописанных операций верхняя поверхность плиты покрывается выравнивающим цементно-песчаным раствором 5.
Металлические полосы могут быть заменены деревянными брусьями, асбестоцементными листами или другими имеющимися подручными материалами.
6.29. Рекомендации по усилению железобетонной балки
монолитного перекрытия преднапряженной металлической
Усиление железобетонной балки перекрытия преднапряженной металлической балкой подвешенной на хомутах, рекомендуется для повышения несущей способности балки при увеличении нагрузки на перекрытие.
Процесс усиления данным способом необходимо начать с пробивки четырех отверстий в плите перекрытия, соответствующих размеру швеллеров 5. Затем швеллеры 5 вводят в отверстия и закрепляют на перекрытии сверху приваркой швеллеров 6. Снизу швеллеры 5 соединяются привариваемым к ним швеллером 6.
На установленные в перекрытии хомуты укладывается металлическая балка 2. Подведенная под перекрытие металлическая балка 2 приводится в напряженное состояние путем подклинки клином 4 с шагом 1,5 - 2,0 м до расчетной величины прогиба. Под клином к швеллеру 2 приваривается ребро жесткости 3.
6.30. Рекомендации по усилению железобетонной балки
Усиление шпренгелем рекомендуется с целью повышения несущей способности балки в связи с увеличением нагрузки на перекрытие.
Проводить его следует в таком порядке. В монолитном перекрытии пробивают отверстия, через которые пропускают в двух местах, у колонн, тяжи 1. На колоннах устраивают обоймы, состоящие из скрепленных между собой сваркой 10 фасонок 8 и уголков 9. К обойме с двух сторон привариваются ушки, состоящие из сваренных пластин 12, через которые сначала одним концом с помощью гайки закрепляются тяжи 1. Затем тяжи подводятся к подкладкам, устанавливаемым в нижних гранях балки 7. Они состоят из обрезков швеллеров 2, к которым привариваются уголки 3. Для предотвращения смещения прокладок вдоль балки во время натяжения тяжей их приваривают к продольной арматуре 5. Между уголками 3 и тяжами 1 для большей жесткости пропускают коротыши 4.
После установки и закрепления прокладок производится натяжение стержней за один из концов тяжа 1.
По завершении работ по усилению балки отверстия замоноличиваются быстротвердеющими составами 6 и 11.
6.31. Рекомендации по усилению железобетонной
балки монолитного перекрытия дополнительной
предварительно-напряженной комбинированной затяжкой
Комбинированные затяжки применяют при значительных действующих нагрузках в случае потери балками перекрытия первоначальной несущей способности или в связи с увеличением нагрузки на перекрытие.
Затяжки комбинированного типа состоят из четырех стержней и фактически представляют собой совокупность двух затяжек - горизонтальной и шпренгельной.
Сначала устанавливают шпренгельные затяжки 3, а затем - горизонтальные 2.
Ввод горизонтальных 2 и шпренгельных 3 затяжек в напряженном состоянии осуществляется взаимным стягиванием четырех ветвей стяжными болтами 8, изготавливаемыми в виде хомута с двумя нарезными концами и общей шайбой 9. Для введения обеих затяжек в совместную работу между ними в местах перегиба стержней шпренгельной затяжки устанавливаются коротыши из круглой стали диаметром 16 - 20 мм.
6.32. Рекомендации по усилению железобетонной балки
перекрытия преднапряженной арматурой
(рис. 47)
Способ усиления балки перекрытия преднапряженной арматурой может быть применен для увеличения несущей способности конструкции в связи с увеличением нагрузки на перекрытие.
Усиление железобетонной балки производится с помощью дополнительной предварительно напряженной арматуры, устанавливаемой на сварке в растянутой зоне усиливаемого элемента.
Ввод в напряженное состояние этой арматуры может быть осуществлен термическим или электротермическим способом. Усиление балок введением преднапряженных стержней с натяжением их термическим или электротермическим способом выполняется в следующем порядке. На балке 5, предназначенной к усилению, закрепляют анкерные устройства (коротыши) 2 путем приварки их к существующей продольной арматуре 3. Затем к балке подвешивают стержни усиления 1 с использованием временных подвесок, количество которых определяют из условия недопущения провисания стержней от собственного веса.
Подвешенный стержень должен быть строго прямолинейным. После этого один конец его приваривают к коротышу 2 и подвергают нагреву до расчетной температуры. Свободный конец нагретого стержня крепится затем с помощью сварки 4 ко второму анкеру. При этом предварительное напряжение стержня может быть проконтролировано как по температуре нагрева с помощью термокарандаша, так и по его удлинению. Рекомендуемая температура нагрева усиливающих стержней составляет 100 - 400 °C.
После закрепления обоих концов усиливающими арматурными стержнями места обнажения арматуры заделываются быстротвердеющим цементным составом 6.
6.33. Рекомендации по усилению балки перекрытия
Усиление жесткими опорами применяется с целью увеличения несущей способности балки в связи с увеличением нагрузки на перекрытие.
При усилении ригеля рамы 1 металлическими подкосами 2 в верхнем и нижнем перекрытии к обнаженной арматуре 6 привариваются опорные уголки 5 (см. "а"). Снизу к металлическим накладкам приваривается затяжка 3. После подведения откосов для плотного прилегания сопрягаемых конструкций, обеспечивающих эффективность усиления, необходимо в верхнем узле произвести расклинку клиновидными прокладками 4.
В случае, когда усиливаемая конструкция не может быть предварительно разгружена, установка дополнительных жестких опор должна в обязательном порядке сопровождаться предварительным поднятием усиливаемой конструкции.
Элементы подкосной системы собираются на месте из отдельных элементов (см. "б"). Подкосную систему можно усилить установкой дополнительных распорок в уровне низа ригеля, но в этом случае обойма из уголков также устраивается до этого уровня.
При такой конструкции усиления ригеля колонны должны воспринять дополнительную горизонтальную нагрузку.
6.34. Рекомендации по усилению железобетонной балки
монолитного перекрытия с помощью металлической стойки
Усиление железобетонной балки посредством подведения металлической стойки производится в тех случаях, когда необходимо значительное увеличение нагрузки после усиления или когда конструкция пришла в такое состояние от воздействия внешних нагрузок, что не представляется возможным осуществить ее достаточное предварительное напряжение из-за опасения отрыва усиливаемой конструкции от опор и ее разрушения в процессе усиления.
Процесс усиления указанным способом состоит из проведения следующих операций.
Под срединой усиливаемой железобетонной балки 6 устраивается дополнительный фундамент 7 под металлическую стойку. На фундамент с помощью анкерных болтов 1 крепится прокладка из листовой стали 2. К прокладке привариваются четыре уголка 3, соединяемые планками 4 на сварке 5. Стойки из уголков 3 привариваются сверху к подведенным под усиливаемую балку 6 металлическими прокладками 2. Собранная из уголков 3 стойка крепится к плите перекрытия болтами 1. Для обеспечения более плотного примыкания стойки к усиливаемой балке 6 между гайкой и плитой перекрытия также укладывается прокладка из листовой стали 2.
6.35. Рекомендации по усилению балок перекрытия
Необходимость усиления балок перекрытия на восприятие поперечных сил обуславливается появлением наклонных трещин в четвертях пролета или возрастанием нагрузки и, следовательно, увеличением поперечных сил.
Усиление балок по наклонным сечениям может быть осуществлено установкой стягивающих хомутов или дополнительной поперечной арматуры.
При усилении балок вертикальными насадными хомутами (см. "а") в плите перекрытия пробиваются отверстия. Затем через пробитые отверстия пропускают хомуты из арматурной стали 4. Между ребром усиливаемой балки 1 и хомутами 4 устанавливается прокладка из уголков 3. Хомуты 4 закрепляются на балке с помощью гаек 5 и прокладок 2.
Усиление балок наклонными накладными хомутами (см. "б") производится в следующем порядке. В плите перекрытия пробиваются отверстия, а у главных балок обнажается растянутая арматура 6, к которой привариваются коротыши 4. Устанавливают наклонные накладные хомуты путем пропускания через отверстия в плите и приваркой их к коротышам 4. Хомуты вводятся в напряженное состояние затягиванием гаек 3, опирающихся на уголки 2.
В случае применения дополнительной арматуры (см. "в") к обнаженным продольным стержням 1 привариваются с определенным шагом дополнительные косые стержни 2.
При усилении балок на восприятие поперечных сил примыкающие к бетонным поверхностям усиливаемой балки уголки и прокладки устанавливаются на жестком расширяющемся или безусадочном цементе. Напряжение в дополнительных поперечных стержнях должно создаваться одновременно с обеих сторон балки во избежание ее закручивания.
6.36. Рекомендации по усилению подкрановых балок
на восприятие поперечных сил предварительно-напряженными
Данный способ применяется для усиления подкрановых балок, получивших повреждения в виде косых трещин.
Процесс усиления состоит в проведении следующих операций. К уголку 2, скрепленному посредством болтов 7 с лапкой для крепления рельса 8, привариваются поперечные стержни 3. Другим концом стержни 3 посредством сварки крепятся к уголкам 2, плотно прижатым к стойке подкрановой балки приваренными стержнями 4.
Предварительно напрягаемые стержни 3 стягиваются устройством, включающим стержень 9 с резьбой и гайкой 11 и изогнутую деталь 10 из полосовой стали. Ввод усиления в работу осуществляется затяжкой гаек 11, которые посредством детали 10 и стержня 9 стягивают поперечные стержни 3.
6.37. Рекомендации по усилению креплений подкрановой
При легком режиме работы кранов могут быть рекомендованы следующие способы усиления подкрановых балок:
- усиление приваркой к металлической обойме полки;
- усиление приваркой к закладным деталям балки.
Усиление приваркой к металлической обойме полки осуществляется путем проведения следующих операций (см. "а"). На железобетонной колонне 2 устраивается обойма из уголков и пластин 3. Полка подкрановой балки 1 заключается в металлическую обойму 4. Обойма полки 4 крепится к обойме колонны 3 с помощью листа крепления 6. Обоймы полки 4 стягиваются болтами 5.
Усиление приваркой к закладным деталям подкрановой балки состоит в следующем (см. "б"). К обойме 3, устраиваемой на колонне 2, и закладным деталям подкрановой балки 1 привариваются листы крепления 6. Для усиления обоймы колонны 3 к ней со стороны подкрановой балки приваривается ребро жесткости 7.
6.38. Рекомендации по усилению подкрановой балки
с помощью стальных консолей и обойм
(рис. 53)
Для повышения несущей способности и жесткости тавровых подкрановых балок может использоваться раздельное или совместное усиление металлической обоймой и выносными металлическими опорами (см. "а") и усиление металлической обоймой и шпренгелем (см. "б").
Усиление металлической обоймой и выносными металлическими опорами следует начинать с закрепления стальных консолей на колоннах 1 и опорных столиках 4. Консоли представляют собой металлоконструкции, состоящие из двух швеллеров, прикрепленных снизу болтами к опорным столикам 4, а сверху соединенных на сварке стержнем из круглой стали. Затем на верхней полке подкрановой балки устраивается сплошная обойма из швеллеров 5, закрепляемая на опоре 11.
К швеллерам обоймы 5 привариваются упорные уголки 9 для стяжных болтов 10. Снизу полки подкрановой балки по ее концам усилены ребрами жесткости 8. После установки обоймы 5 производится ее стягивание болтами 10.
Устройства шпренгеля и обоймы из уголков рекомендуется проводить в следующем порядке. Верхние полки балки заключаются в обоймы из уголков 8. Для этого в полках пробиваются отверстия и через них пропускаются стяжные болты 10. К уголкам обоймы 7 привариваются упорные уголки 9, через которые пропускают шпренгели 6 с резьбой по концам и там закрепляются. В местах перегиба шпренгелей 6 устраиваются подкладки из уголков и стержней. Ввод усиления в работу производится натяжением шпренгеля у опор, завинчиванием гаек и стягиванием обойм из уголков 7 стяжными болтами 10.
6.39. Усиление ствола колонны металлическими
Распространенный способ усиления несущей способности колонн. Как правило, прокатные металлические уголки применяются следующих сечений: 90 x 90 или 100 x 100 с толщиной полок 6 или 8 мм.
При установке уголков необходимо добиваться их плотного прилегания к плоскостям бетона за счет насечки и подчеканки бетоном, стягивания уголков механическими устройствами, выполнения сварочных работ с последующим остыванием и натяжением деталей. Планки около перекрытий рекомендуется заменять на опорные уголки, опирающиеся на плотные поверхности.
Несущая способность опоры при усилении обоймой из уголков может складываться из несущей способности колонны с учетом ее состояния и обоймы.
6.40. Рекомендации по восстановлению железобетонных колонн
Восстановление колонн, имеющих в зоне повреждения косые трещины (поз. "а"), производится путем устройства железобетонной обоймы, которая перекрывает повреждение в обе стороны на величину большего размера сечения колонны h. Если край трещин находится ближе, чем на величину h, то обойма доводится до перекрытия на оставшееся расстояние a.
Устройство обоймы осуществляется в следующем порядке. Трещина 3 очищается от разрушенного бетона, устанавливается арматурный каркас обоймы, состоящий из сваренных между собой продольных стержней 1 и хомутов 2 с шагом 200 мм, устанавливается временная опалубка, в которую заливается новый бетон 7 на расширяющемся цементе. После затвердения нового бетона опалубка снимается.
При повреждении колонны более чем на 1/3 сечения восстановление железобетонными обоймами производится способом, показанным на поз. б. Сначала необходимо провести подготовку поверхности зоны повреждения 3 путем тщательной очистки мест повреждения от разрушенного бетона. Разорванные стержни 4 соединяются вставками 5 сваркой 6. Затем устанавливают арматурный каркас обоймы из стержней 1 и хомутов 2, устраивают деревянную опалубку. Образовавшуюся полость заливают быстротвердеющим бетоном 7.
При повреждении колонны менее чем на 1/3 ее сечения восстановление при помощи железобетона производится путем установки хомутов на поврежденном участке колонны и покрытия места повреждения торкретбетоном или жестким бетоном толщиной не более 20 мм, зачеканиваемым без опалубки.
6.41. Рекомендации по восстановлению железобетонных
В том случае, когда колонна в результате воздействия взрывной волны получает трещины по всей высоте, восстановление ее выполняется сплошной железобетонной обоймой. Сплошные обоймы, как правило, делаются четырехсторонними.
Восстановление поврежденной колонны начинается с расчистки трещин 1, удаления разрушенного бетона и очистки обнаженной арматуры от ржавчины. В расчищенные трещины нагнетается быстротвердеющий цементный раствор. Перед устройством обоймы поверхность бетона рассекается и тщательно промывается водой для лучшего сцепления старого бетона с новым.
При устройстве железобетонной обоймы на всю длину колонны в перекрытии пробиваются отверстия для установки арматурного каркаса обоймы. Продольные стержни 2 закрепляются хомутами 3 с помощью сварки. Установку временной опалубки производят по частям по мере заливки нового бетона 4. Толщина обоймы должна составлять не менее 90 - 100 мм по обе стороны от краев колонны. После заливки бетона на всю высоту колонны отверстия в перекрытии зачеканиваются цементным раствором. Опалубка снимается по достижении бетоном необходимой прочности.
6.42. Рекомендации по восстановлению железобетонных колонн,
имеющих остаточное отклонение, сплошными обоймами
(рис. 57)
При малом отклонении колонн от вертикального положения устанавливаются сплошные железобетонные обоймы переменного сечения, которыми достигается вертикальность колонн. При этом могут встречаться два вида разрушений:
а) арматура не имеет деформаций;
б) арматура повреждена вследствие колебательных движений в момент взрыва.
На представленном чертеже показан первый вид, когда арматура не имеет повреждений.
Такой способ выправления применяется, когда колонна имеет отклонения от вертикали до 15 см. При больших отклонениях этот способ становится неэкономичным, так как получается большой расход бетона.
Процесс восстановления железобетонных колонн, имеющих сквозные трещины, сдвиги излома с выходом всей или части колонн из вертикального положения, начинается с тщательного их осмотра.
Выявляется зона повреждения колонн 1 и замеряется величина ее искривления. Удаляется разрушенный бетон и производится смачивание поверхностей контакта старого бетона с новым. Устанавливается дополнительная продольная 2 и поперечная 3 арматура. Подготовленный каркас омоноличивается бетоном 4.
Преимущества этого метода следующие:
1) нет необходимости разгружать колонну на время производства работ;
2) не нужно колонну возвращать в вертикальное положение;
3) не требуется специального крепления.
Недостатком этого метода является некоторый перерасход бетона.
6.43. Рекомендации по усилению железобетонных
Усиление колонн набетонкой применяется при средней степени их разрушения по всей высоте.
При усилении железобетонных колонн 6 одно- и двухсторонней набетонкой удаляют разрушенный бетон и обнажают арматуру 3 по всей высоте усиления, очищают от ржавчины и остатков бетона и приваривают к ней дополнительную арматуру 1 через хомуты 2. Затем производят обетонирование бетоном 5 на основе обычного или расширяющегося цемента.
Перед устройством набетонок поверхность бетона насекается и тщательно промывается водой под давлением для лучшего сцепления старого и нового бетона.
При бетонировании набетонок укладка бетона 5 ведется снизу вверх по мере установки опалубки с штыкованием.
Заполнение пространства между опалубкой и поверхностью усиливаемой колонны 6 может выполняться при помощи прямоточного диафрагмового растворонасоса агрегата "Пневмобетон", который применяется при заполнении узких пространств.
Рабочая арматура набетонок 1 определяется по расчету усиления колонны 6. Поперечная арматура 2 в виде хомутов является составной частью набетонок даже в том случае, когда по расчету она не требуется. В этом случае шаг хомутов может назначаться предельным, в 500 мм.
6.44. Рекомендации по восстановлению железобетонных колонн
Восстановление колонн сплошными металлическими корсетами применяется при средней и сильной степенях повреждения (трещины, выбоины и т.д.) по всей их высоте.
Металлические корсеты состоят из стоек уголкового профиля 2 и соединительных планок 3.
В зависимости от передаваемой нагрузки на корсет уголки могут быть заменены более мощными профилями: швеллерами, двутаврами. При отсутствии планок соединение стоек может быть выполнено с помощью обрезка труб.
Поврежденные участки железобетонной колонны 1 заделываются ремонтными составами 5. Затем устанавливаются металлические стойки 2 путем плотного примыкания их к поверхностям колонн. Это обеспечивается подливкой между стойками и колонной цементного раствора состава 1:3. Восстановление несущей способности колонны достигается после монтажа соединительных планок 3 и их соединения сваркой 4 со стойками 2.
Конструкцией верхней части корсета предусмотрена возможность передачи нагрузки колонны на корсет, а нижней части - возможность передачи нагрузки с корсета на фундамент или нижележащую конструкцию. Нагрузка, передаваемая на корсет, находится в прямой зависимости от степени разрушения колонны и учитывается расчетом в размере от 20 до 100% полной нагрузки колонны.
При устройстве корсетов в помещениях с агрессивной производственной средой металлические элементы следует защищать от коррозии.
Способ восстановления железобетонных колонн сплошными металлическими корсетами, был применен при восстановлении многих промышленных предприятий, разрушенных в годы Великой Отечественной войны и в мирное время в результате аварий и землетрясений.
6.45. Рекомендации по усилению железобетонной колонны
двухсторонними преднапряженными распорками
(рис. 60)
Двухсторонние распорки применяются для повышения несущей способности колонн с центральной нагрузкой, а также внецентренно сжатых с двухзначными моментами. Каждая распорка состоит из двух уголков 4, связанных между собой приваренными к ним соединительными планками 5.
Вверху и внизу каждой распорки укрепляются специальные планки - упоры 3, посредством которых они упираются в упорные уголки 1, устанавливаемые на ригелях, непосредственно примыкающих к усиливаемым колоннам 9.
Внутренние плоскости полок уголков - упоров 1 должны быть заделаны заподлицо с наружными боковыми поверхностями усиливаемых колонн. Для этого в местах установки уголков - упоров скалывается слой бетона и обнажается арматура ригеля 11. Упорные уголки 1 прикрепляются сваркой 8 к оголенной арматуре 11, после чего имеющиеся зазоры между полками уголков и сколотой поверхностью бетона тщательно зачеканиваются ремонтным составом.
Непосредственно к уголкам-упорам примыкают упорные планки ветвей распорок 3, которые при монтаже должны плотно соприкасаться с уголками упоров, так как это гарантирует равномерную передачу усилий на распорки, что обеспечивается креплением планок монтажными болтами 2, для которых имеются отверстия 10.
Установка распорок производится с перегибом в середине их высоты. Поэтому в боковых полках уголков предусматриваются вырезы, облегчающие такой перегиб.
Чтобы возместить потери площади поперечного сечения распорок в связи с устройством прорезей в боковых полках, в этих местах привариваются специальные планки 7, которые в дальнейшем используются для постановки натяжных болтов 6.
Смонтированные и плотно подогнанные распорки имеют наклон в сторону обоих концов, образуя зазор между боковыми гранями колонны и распоркой.
Для создания предварительного напряжения сжатия распорки выпрямляются, придавая им вертикальное положение. Это достигается натяжением болтов.
После выпрямления двухсторонних распорок и включения в совместную работу с усиливаемой колонной 9 их закрепляют приваркой планок 5, которые соединяют между собой обе распорки.
После закрепления распорок крепежные 2 и натяжные 6 болты снимаются.
6.46. Рекомендации по усилению консолей колонн с помощью
Усиление консолей колонн рекомендуется проводить при увеличении статической нагрузки на колонну или для предотвращения развития трещин при постоянном действии динамических нагрузок. Оно может быть осуществлено устройством наклонных тяжей (см. "а"). Стягивание консолей достигается следующим образом. На верхней части консоли укладываются с обеих сторон колонны уголки 9, к которым привариваются стержни 4. Затем через изготовленные таким способом подкладки пропускаются тяжи 2, закрепляемые упорами 3 на нижней стороне колонны 1.
Консоли могут быть усилены также с помощью горизонтальных затяжек, закрепляемых на консолях траверсами из швеллера 5 (см. б).
Усиление консолей стяжными хомутами может быть выполнено с помощью горизонтальных или наклонных тяжей 2 (см. в, г). Стяжные хомуты представляют собой корсеты, состоящие из уголков-упоров, стягиваемые тяжами из круглой стали. Натяжение осуществляется специальным стяжным устройством 7.
УСИЛЕНИЕ РЕБРИСТЫХ ПЛИТ ПОКРЫТИЙ НАРАЩИВАНИЕМ
а), а1) наращивание сверху;
б) перекрытие пробоины в полке листами волнистой асбофанеры;
в) бетонирование зазора между балками под опорными ребрами сместившихся плит;
г) установка стяжного уголка между опорными ребрами при смещении плиты на соседнюю балку;
д) усиление опорных ребер хомутами;
1 - плита;
2 - балка;
3, 4 - наращивание;
5 - асбофанера;
6 - стяжной уголок;
7 - хомуты d >= 10 мм;
8 - подкладки в виде уголков;
9 - опорные уголки.
Рис. 16
УСИЛЕНИЕ РЕБРИСТЫХ ПЛИТ ПОКРЫТИЯ ПРИ ПОВРЕЖДЕНИЯХ РЕБЕР
| | ИС МЕГАНОРМ: примечание. Обозначения даны в соответствии с официальным текстом документа. | |
а), а1) наращивание сверху;
б) перекрытие пробоины в полке листами волнистой асбофанеры;
в) бетонирование зазора между балками под опорными ребрами сместившихся плит;
г) установка стяжного уголка между опорными ребрами при смещении плиты на соседнюю балку;
д) усиление опорных ребер хомутами;
1 - плита;
2 - балка;
3, 4 - наращивание;
5 - асбофанера;
6 - стяжной уголок;
7 - хомуты d >= 10 мм;
8 - подкладки в виде уголков;
9 - опорные уголки.
Рис. 17
УСИЛЕНИЕ СБОРНОЙ ЖЕЛЕЗОБЕТОННОЙ ПЛИТЫ ПОКРЫТИЯ
МЕТАЛЛИЧЕСКОЙ БАЛКОЙ С ПОДКЛИНКОЙ
1 - металлическая балка I22;
2 - пластинка - 50 x 6;
3 - пластинка 110 x 6;
4 - прокладка из 8;
5 - клин из полок 22;
6 - болт М10;
7 - сварка;
8 - усиливаемая плита;
9 - балка (ферма) покрытия.
Рис. 18
ВОССТАНОВЛЕНИЕ ОПИРАНИЯ РЕБРИСТЫХ ПЛИТ ПОКРЫТИЯ НА ОПОРЫ
| | ИС МЕГАНОРМ: примечание. Обозначения даны в соответствии с официальным текстом документа. | |
а) подведение двухконсольной опоры;
б) удлинение опоры консольными стальными балками;
1 - балка;
2 - плита;
3 - стальные балки из

;
4, 6, 7 - упорные и опорные 90 x 90;
5 - плита покрытия;
8 - стяжные элементы (болт

);
9 - центрирующая прокладка 100 x 100;
10 - ребра жесткости -

.
Рис. 19
УСИЛЕНИЕ ПРОДОЛЬНЫХ РЕБЕР ПЛИТ ПОКРЫТИЯ
1 - плита покрытия;
2 - балка (ферма) покрытия;
3 - I N 14;
4 - уголки 90 x 9;
5 - ребра жесткости

.
Рис. 20
УВЕЛИЧЕНИЕ ДЛИНЫ ОПИРАНИЯ ПЛИТ ПОКРЫТИЯ
а) покрытие;
б) перекрытие;
1 - плита покрытия;
2 - швеллер

;
3 - ферма покрытия;
4 - швеллер

;
5 - болт

;
6 - уголки 63 x 5;
7 - болт

;
8 - плита перекрытия;
9 - хомут

;
10 - уголки 80 x 6;
11 - ригель.
Рис. 21
УСИЛЕНИЕ СБОРНЫХ БАЛОК ПОКРЫТИЯ НАРАЩИВАНИЕМ СВЕРХУ
а) обойма из швеллеров;
б) односторонним наращиванием сверху;
в) рубашкой;
1 - усиливаемая балка;
2 - плита покрытия;
3 - швеллер;
4 - уголки усиления выреза полки швеллера;
5 - упоры для стяжных болтов;
6 - стяжные болты;
7 - соединительные элементы на сварке;
8 - арматура балки;
9 - дополнительная арматура;
10 - новый бетон.
Рис. 22
УСИЛЕНИЕ СТРОПИЛЬНЫХ БАЛОК НАРАЩИВАНИЕМ СНИЗУ
а), б) наращивание снизу с подвариванием дополнительного стержня;
в) накладки при разрыве арматуры;
1 - усиливаемая балка;
2, 3 - арматурные стержни в растянутой зоне балок;
4 - дополнительная арматура;
5 - накладки;
6 - коротыши из круглой или "флажки" из полосовой стали;
7 - хомуты, привариваемые к поперечной арматуре;
8 - наращивание бетоном.
а) усиление балок обоймой из швеллеров;
б) усиление балок дополнительными хомутами;
1 - усиливаемая балка;
2 - швеллер;
3 - стяжной болт;
4 - пластина

;
5 - упоры для стяжных болтов;
6 - тяж;
7 - ребро жесткости;
8 -

;
9 - болт М14;
10 -

.
УСИЛЕНИЕ СЖАТОЙ ЗОНЫ СТРОПИЛЬНОЙ БАЛКИ ОБОЙМОЙ
а) сжим на коньке балки;
б) сжим при местном повреждении;
1 - балка;
2 - бетон или раствор;
3, 4 - стальная обойма (из уголка или швеллеров);
5 - тяж с гайками и шайбой;
6 - опорный уголок;
7 - упор для затяжки (равнобокий уголок);
8 - затяжка с гайками и шайбами;
9 - болт М14;
| | ИС МЕГАНОРМ: примечание. Обозначения даны в соответствии с официальным текстом документа. | |
10 - пластина

.
Рис. 25
УСИЛЕНИЕ СБОРНОЙ БАЛКИ ПОКРЫТИЯ ШАРНИРНО-СТЕРЖНЕВОЙ ЦЕПЬЮ
| | ИС МЕГАНОРМ: примечание. Обозначения даны в соответствии с официальным текстом документа. | |
1 - усиливаемый элемент;
2 - шарнирно-стержневая цепь;
3 - стойка;
4 - центральная стойка;
5 - подвеска;
6 - анкерные устройства;
7 - металлическая обойма;
8 - отверстия, заделываемые асфальтом.
Рис. 26
УСИЛЕНИЕ СБОРНОЙ БАЛКИ ПОКРЫТИЯ ШПРЕНГЕЛЕМ
1 - усиливаемый элемент;
2 - шпренгель;
3 - анкерное устройство;
4 - опорный швеллер;
5 - подкладка с шаровым гнездом;
6 - опорный лист;
7 - подкладка из круглых стержней;
8 - квадратная подкладка;
9 - гайка, вваренная в опорный лист;
10 - натяжной винт;
11 - пакет металлических прокладок.
Рис. 27
УСИЛЕНИЕ ЖЕЛЕЗОБЕТОННОЙ БАЛКИ ПОКРЫТИЯ С ПОМОЩЬЮ
ДВУХВЕТВЕВОЙ ШПРЕНГЕЛЬНОЙ ЗАТЯЖКИ
1 - усиливаемая железобетонная балка;
2 - шпренгельная затяжка из проволоки

;
3 - дополнительный элемент из уголка;
4 - ребро жесткости из пластины - d = 10 мм;
5 - связь дополнительно сжатого элемента из проволоки

;
6 - пластина - d = 10 мм;
7 - стягивающий хомут из проволоки

;
8 - пластина в стяжном устройстве - d = 10 мм;
9 - швеллер в соответствии с шириной балки;
10 - связь дополнительного сжатого элемента из

;
11 -

;
12 - стержень

;
13 - стяжное устройство.
Рис. 28
УСИЛЕНИЕ СТРОПИЛЬНЫХ БАЛОК ПОДПРУЖНЫМИ СИСТЕМАМИ
а) шпренгелем;
б) двухконсольной фермой;
1 - балка;
2 - опора;
3 - тяжи;
4 - упор;
5 - упорный уголок;
6 - уголок для натяжения подкоса фермы;
7 - опорный лист;
8 - коротыш;
9 - стойка;
10 - консоли;
11 - опора из отрезка круглой стали;
12 - соединительные стяжки.
Рис. 29
УСИЛЕНИЕ ОПОРНЫХ УЧАСТКОВ БАЛОК ПОКРЫТИЯ ХОМУТАМИ
а) прямые хомуты;
б) хомуты, напрягаемые стягиванием ветвей;
1 - балка;
2 - плита;
3 - тяжи с гайками и шайбами;
4 - стяжное устройство;
5, 6 - опорные уголки;
7 - пластины;
8 - уголки.
Рис. 30
УСИЛЕНИЕ БАЛОК ПОКРЫТИЯ ДВУХКОНСОЛЬНОЙ БАЛОЧНОЙ СИСТЕМОЙ
1 - балка;
2 - опора;
3 - стальная консоль;
4 - подвеска;
5 - соединительный стержень;
6 - стойка;
7 - опорная пластина;
8 - ребро жесткости;
9, 10 - соединительные пластины.
Рис. 31
УСИЛЕНИЕ ВЕРХНЕГО ПОЯСА ФЕРМЫ
1 - металлический упорный ящик;
2 - распорный элемент (швеллер N 14);
3 - стяжной болт с фиксаторами;
4 - верхний пояс фермы;
5 - раскос фермы;
6 - стойка фермы;
7 - пластина - 100 x 8;
8 - трещины в верхнем поясе фермы.
Рис. 32
УСИЛЕНИЕ НИЖНЕГО ПОЯСА ФЕРМЫ
1 - тяжи

;
2 - опорные хомуты;
3 - стяжные болты;
4 - нижний пояс фермы;
5 - раскос фермы;
6 - стойка фермы;
7 - трещины в верхнем поясе фермы.
Рис. 33
1 - тяжи

;
2 - нижний пояс фермы;
3 - уголки

;
4 - стойка фермы;
5 - уголки

;
6 - верхний пояс фермы;
7 - пластины - 100 x 8;
8 - трещины в стойке фермы.
Рис. 34
УСИЛЕНИЕ РАСКОСА И СТОЙКИ ФЕРМЫ
1 - тяжи

;
2 - опорные хомуты;
3 - гайки;
4 - раскос фермы;
5 - стойка фермы;
6 - верхний пояс фермы;
7 - нижний пояс фермы;
8 - трещины в раскосе и стойки фермы;
9 - уголки.
Рис. 35
УСИЛЕНИЕ РЕБЕР СБОРНЫХ ПЛИТ ПЕРЕКРЫТИЯ
С ПОМОЩЬЮ ДОПОЛНИТЕЛЬНОЙ АРМАТУРЫ
1 - существующая арматура ребра плиты;
2 - дополнительная арматура;
3 - коротыш с шагом 500 мм.
Рис. 36
УСИЛЕНИЕ СБОРНЫХ ПЛИТ ПЕРЕКРЫТИЯ ПРИ ПОМОЩИ
НАКЛОННЫХ ХОМУТОВ
1 - железобетонный ригель;
2 - ребра железобетонных плит;
3 - усиленные ребра плит;
4, 5, 6 - самозаклинивающий хомут;
7 - упор;
8 - замкнутый трос;
9, 10, 11 - крышка;
12 - болт.
Рис. 37
УСИЛЕНИЕ ПРИОПОРНЫХ УЧАСТКОВ МНОГОПУСТОТНЫХ ПЛИТ ПЕРЕКРЫТИЙ
| | ИС МЕГАНОРМ: примечание. Обозначения даны в соответствии с официальным текстом документа. | |
а) узел опирания крайнего ряда плит;
б) узел опирания среднего ряда плит;
1 - усиливаемая плита;
2 - вновь устанавливаемый арматурный каркас, общий на две смежные плиты;
3 - вновь устанавливаемый арматурный каркас (

по расчету);
4 - новый бетон.
Рис. 38
УСИЛЕНИЕ СБОРНОЙ МНОГОПУСТОТНОЙ ПЛИТЫ ПЕРЕКРЫТИЯ
ЗАМОНОЛИЧИВАНИЕМ КАНАЛОВ ПУСТОТ
а) вариант заполнения пустот;
б) вариант с применением набетонки;
1 - вновь устанавливаемый арматурный каркас по расчету (вариант "а");
2 - устанавливаемая плита;
3 - вновь устанавливаемый каркас по расчету (вариант "б");
| | ИС МЕГАНОРМ: примечание. Обозначения даны в соответствии с официальным текстом документа. | |
4 - бетон марки 200;
5 - набетонка;
6 - сетка 200 x 200

.
Рис. 39
ВОССТАНОВЛЕНИЕ ЖЕЛЕЗОБЕТОННОЙ БАЛКИ ПУТЕМ
ПОДВЕШИВАНИЯ ЕЕ К МЕТАЛЛИЧЕСКОЙ БАЛКЕ
Рис. 40
ВОССТАНОВЛЕНИЕ ЖЕЛЕЗОБЕТОННОЙ БАЛКИ С КОСЫМИ ТРЕЩИНАМИ
ПРИ ПОМОЩИ УГОЛКОВ И ХОМУТОВ
1 - металлическая балка из двух швеллеров;
2 - болты М12 через 1000 мм;
3 - уголок 63 x 5;
4 - выравнивающий слой;
5 - подвески

;
6 - деревянный брусок;
7 - отверстия

;
8 - прокладки из полосового железа

.
Рис. 41
УСИЛЕНИЕ ЖЕЛЕЗОБЕТОННОЙ ПЛИТЫ С ПОМОЩЬЮ
ЗАКРЕПЛЕННЫХ СВЕРХУ МЕТАЛЛИЧЕСКИХ ПОЛОС
(Патент Японии N 52-42960)
1 - стальная полоса - 100 x 6;
2 - анкерный болт М12;
3 - клей;
4 - отверстия под болты;
5 - цементно-песчаный раствор;
6 - усиливаемая плита;
7 - канавки.
Рис. 42
УСИЛЕНИЕ ЖЕЛЕЗОБЕТОННОЙ ПЛИТЫ МОНОЛИТНОГО ПЕРЕКРЫТИЯ
МЕТАЛЛИЧЕСКИМИ ПОЛОСАМИ, ЗАКРЕПЛЕННЫМИ С ДВУХ СТОРОН
(Патент Японии N 57-10261)
1 - стальная полоса - 100 x 6;
2 - болт М12;
3 - клей;
4 - отверстия под болты;
5 - цементно-песчаный раствор;
6 - усиливаемая плита.
Рис. 43
УСИЛЕНИЕ ЖЕЛЕЗОБЕТОННОЙ БАЛКИ МОНОЛИТНОГО
ПЕРЕКРЫТИЯ ПРЕДНАПРЯЖЕННОЙ МЕТАЛЛИЧЕСКОЙ БАЛКОЙ,
ПОДВЕШЕННОЙ НА ХОМУТАХ
1 - усиливаемая балка;
2 - I по расчету;
3 - ребро жесткости -

;
4 - клин;
5 -

;
6 - I10;
7 - сварка.
Рис. 44
УСИЛЕНИЕ ЖЕЛЕЗОБЕТОННОЙ БАЛКИ ПЕРЕКРЫТИЯ ШПРЕНГЕЛЕМ
1 - тяж d18 - 36;
2 -

;
3 - уголок

;
4 - коротыш d36;
5 - существующая арматура;
6 - цементный раствор;
7 - усиливаемая балка;
8 - фасонка -

;
9 - уголок

;
10 - сварка;
11 - новый бетон;
12 - пластина -

.
Рис. 45
УСИЛЕНИЕ ЖЕЛЕЗОБЕТОННОЙ БАЛКИ МОНОЛИТНОГО ПЕРЕКРЫТИЯ
ДОПОЛНИТЕЛЬНО ПРЕДВАРИТЕЛЬНО-НАПРЯЖЕННОЙ
КОМБИНИРОВАННОЙ ЗАТЯЖКОЙ
1 - усиливаемая балка;
2 - горизонтальные затяжки;
3 - шпренгельная затяжка;
4 - коротыши;
5 - подкладка;
6 - уголок анкера горизонтальных затяжек;
7 - вертикальные анкерные стержни;
8 - натяжной болт;
9 - шайба;
10 - швеллер анкера шпренгельных затяжек;
11 - отверстие, закладываемое после установки анкера.
Рис. 46
УСИЛЕНИЕ ЖЕЛЕЗОБЕТОННОЙ БАЛКИ ПЕРЕКРЫТИЯ
ПРЕДНАПРЯЖЕННОЙ АРМАТУРОЙ
1 - дополнительная арматура

;
2 - коротыш

;
3 - существующая продольная арматура;
4 - сварка;
5 - усиливаемая балка;
6 - цементный раствор.
Рис. 47
УСИЛЕНИЕ БАЛКИ ПЕРЕКРЫТИЯ ДОПОЛНИТЕЛЬНОЙ ЖЕСТКОЙ ОПОРОЙ
а) металлические подкосы;
б) сборная железобетонная предварительно-напряженная рама;
в) усиление главных балок жесткими опорами с подведением подкосов;
1 - усиливаемый ригель;
2 - металлические подкосы;
3 - затяжка на уровне пола;
4 - клиновидные прокладки;
5 - опорный уголок;
6 - арматура колонны;
7 - уголок 100 x 100 x 8;
8 - уголок 100 x 65 x 8;
9 - пластина 100 x 8;
10 - уголок;
11 - уголок;
12 - фасонка.
1 - усиливаемая балка;
2 - усиливаемый ригель;
3 - опорный уголок;
4 - напрягаемые затяжки;
5 - пластинка

;
6 - металлические подкосы;
7 - металлический прокатный уголок 90 x 90 x 8;
8 - планка

.
Рис. 48
УСИЛЕНИЕ ЖЕЛЕЗОБЕТОННОЙ БАЛКИ С ПОМОЩЬЮ
ПОДВЕДЕННОЙ МЕТАЛЛИЧЕСКОЙ СТОЙКИ
1 - болт М20;
2 - прокладки -

;
3 - уголки

;
4 - планки -

;
5 - сварка;
6 - усиливаемая балка;
7 - фундамент;
L - пролет колонн.
Рис. 49
УСИЛЕНИЕ БАЛОК ПЕРЕКРЫТИЯ НА ВОСПРИЯТИЕ ПОПЕРЕЧНЫХ СИЛ
а) Усиление балок на восприятие поперечных сил вертикальными накладными хомутами
1 - усиливаемая балка; 2 - прокладка; 3 - нижние прокладки из уголков; 4 - накладные хомуты из арматурной стали; 5 - гайка.
б) Усиление балок на восприятие поперечных сил наклонными накладными хомутами
1 - набетонка; 2 - опорный уголок; 3 - гайка; 4 - коротыши; 5 - наклонные накладные хомуты; 6 - существующая арматура.
Рис. 50
УСИЛЕНИЕ ПОДКРАНОВЫХ БАЛОК НА ВОСПРИЯТИЕ ПОПЕРЕЧНЫХ СИЛ
1 - усиливаемая подкрановая балка;
2 - уголки 100 x 7, L = 850;
3 - поперечные стержни

, L = 870;
4 - стержни

, L = 190;
5 - существующая колонна;
6 - упругая прокладка;
7 - болты крепления кранового рельса;
8 - лапка для крепления рельса;
9 - стержень

, L = 190;
10 - 60 x 5, L = 145.
Рис. 51
УСИЛЕНИЕ КРЕПЛЕНИЙ ПОДКРАНОВОЙ БАЛКИ К КОЛОННЕ
а) приваркой к металлической обойме полки;
б) приваркой к закладным деталям балки;
1 - подкрановая балка;
2 - колонна;
3 - обойма колонны;
4 - обойма полки балки;
5 - стяжные болты;
6 - лист крепления;
7 - ребро жесткости обоймы колонны.
Рис. 52
УСИЛЕНИЕ ПОДКРАНОВОЙ БАЛКИ С ПОМОЩЬЮ
СТАЛЬНЫХ КОНСОЛЕЙ И ОБОЙМ
а) устройство стальных консолей и сплошной обоймы;
б) устройство шпренгеля и обоймы из уголков;
1 - колонна;
2 - подкрановая балка;
3 - стальные консоли;
4 - опорный столик;
5 - сплошная обойма из швеллеров;
6 - шпренгель;
7 - обойма из уголков;
8 - ребра жесткости;
9 - упорные уголки;
| | ИС МЕГАНОРМ: примечание. Обозначения даны в соответствии с официальным текстом документа. | |
11 - упор;
10 - стяжные болты;
12 - коротыши.
Рис. 53
УСИЛЕНИЕ СТВОЛА КОЛОННЫ МЕТАЛЛИЧЕСКИМИ УГОЛКАМИ
1. Колонна ж.б.;
2. Металлический прокатный уголок 90 x 90 x 8;
3. Планка

;
4. Ригель по серии 1.020-1/83;
5. Плиты перекрытия по серии 1020-1/83.
Рис. 54
ВОССТАНОВЛЕНИЕ ЖЕЛЕЗОБЕТОННЫХ КОЛОНН МЕСТНЫМИ ОБОЙМАМИ
а) восстановление железобетонной колонны, имеющей косые трещины;
б) восстановление железобетонной колонны, имеющей выбоины;
1 - дополнительные стержни

;
2 - хомуты

шаг 200 мм;
3 - зона повреждения;
4 - разорванный стержень;
5 - стержни вставки

;
6 - сварка в местах разрыва стержней 4;
7 - новый бетон марки 300.
Рис. 55
ВОССТАНОВЛЕНИЕ ЖЕЛЕЗОБЕТОННЫХ КОЛОНН СПЛОШНЫМИ ОБОЙМАМИ
1 - зона повреждения;
2 - дополнительные стержни

;
3 - хомуты

, шаг 200;
4 - новый бетон марки 300.
Рис. 56
ВОССТАНОВЛЕНИЕ ЖЕЛЕЗОБЕТОННЫХ КОЛОНН, ИМЕЮЩИХ ОСТАТОЧНОЕ
ОТКЛОНЕНИЕ, СПЛОШНЫМИ ОБОЙМАМИ
1 - зона повреждения;
2 - дополнительные стержни d22AIII;
3 - хомуты d6AI, шаг 200;
4 - новый бетон.
Рис. 57
УСИЛЕНИЕ ЖЕЛЕЗОБЕТОННЫХ КОЛОНН НАБЕТОНКОЙ
1. Дополнительная арматура d22AIII;
2. Хомуты d16AIII;
3. Существующая арматура;
4. Сварка;
5. Новый бетон;
6. Усиливаемая колонна.
Рис. 58
ВОССТАНОВЛЕНИЕ ЖЕЛЕЗОБЕТОННЫХ КОЛОНН СПЛОШНЫМИ
МЕТАЛЛИЧЕСКИМИ КОРСЕТАМИ
1 - зона повреждения;
2 - уголок

;
3 - металлический лист

;
4 - сварка;
5 - зачеканка цементным раствором.
Рис. 59
УСИЛЕНИЕ ЖЕЛЕЗОБЕТОННОЙ КОЛОННЫ ДВУХСТОРОННИМИ
ПРЕДНАПРЯЖЕННЫМИ РАСПОРКАМИ
1. Колонна ж.б.;
2. Ригель по серии 1.020-1/83;
4. Обойма;
5. Упор;
7. Болты для стягивания обойм.
Общий вид после окончания усиления
1. Колонна ж.б.;
2. Ригель по серии 1.020-1/83;
4. Обойма;
5. Упор;
6. Соединительные планки.
Рис. 60
УСИЛЕНИЕ КОНСОЛЕЙ КОЛОНН С ПОМОЩЬЮ НАКЛОННЫХ
ГОРИЗОНТАЛЬНЫХ ТЯЖЕЙ
1. Колонна ж.б.;
2. Тяжи d20 - 25AI;
4. Стержень d40AI;
6. Упоры из

;
7. Стяжное устройство;
8. Распорная планка.
Рис. 61
7. УСИЛЕНИЕ И ВОССТАНОВЛЕНИЕ СТАЛЬНЫХ КОНСТРУКЦИЙ
Основные причины, вызывающие усиление конструкций в целом или их элементов, могут быть объединены по следующим признакам:
- увеличению действующих нагрузок, изменению условий или режима эксплуатации в связи с реконструкцией и т.п.;
- конструктивным дефектам - дефекты проектирования, изготовления и монтажа;
- эксплуатационному износу - изнашиванию, потере прочности в результате действия динамических и вибрационных нагрузок, действия высоких температур, химических реагентов и т.п.;
- повреждениям в результате воздействия взрывов, землетрясений и т.п.
Заключение о целесообразности усиления конструкций составляется при их обследовании и расчете на действительные нагрузки. Для определения несущей способности конструкций необходимо также определить механические характеристики материала, из которого они изготовлены. Старый материал проверяют на свариваемость.
Различают шесть основных способов усиления стальных конструкций:
- подведение новых конструкций и элементов;
- постановка дополнительных связей, ребер, диафрагм и распорок;
- усиление соединений элементов;
- увеличение сечений элементов;
- изменение конструктивной схемы;
- увеличение пространственной жесткости.
В большинстве случаев усиление конструкций достигается не одним из перечисленных выше способов, а их сочетанием.
7.2. Усиление подведением новых конструкций и элементов
Способ усиления подведением новых дополнительных конструкций или элементов наиболее эффективен. При этом сокращается расстояние между основными балками или уменьшается пролет. В первом случае уменьшается действующая нагрузка на балки, во втором - расчетные усилия.
Необходимо следить за тем, чтобы над вновь возводимой балкой (при железобетонном перекрытии) возникающий опорный изгибающий момент не вызвал образования трещин и разрушения плиты перекрытия.
Этот способ применяют и в случае, когда непосредственное усиление конструкции не представляется возможным.
7.3. Усиление постановкой дополнительных связей,
ребер, диафрагм и распорок
Данный способ служит для повышения жесткости отдельных элементов конструкции. Например, постановка дополнительных поперечных и продольных ребер жесткости производится в случае недостаточной местной устойчивости стенок балок. Местную жесткость составных колонн увеличивают постановкой дополнительных диафрагм.
Принципы конструирования ребер диафрагм усиления такие же, как в новых конструкциях. При изменении знака усиления в стержне фермы усиление раскосов ферм осуществляется путем постановки дополнительных прокладок.
Для увеличения жесткости нижнего сжатого пояса ригелей рам в углах примыкания ригеля к стойкам устраивают подкосы (распорки).
При усилении конструкций путем увеличения их жесткости при помощи дополнительных ребер, диафрагм, распорок и связей необходимо: разгрузить конструкции, подводя под них временные опоры; проверить устойчивость усиливаемых конструкций (если необходимо увеличить устойчивость, ставят временные или дополнительные связи); обратить особое внимание на правильный порядок сварки во избежание больших усадочных напряжений и разрыва усиливаемых или рядом расположенных элементов.
7.4. Усиление соединений элементов
Необходимость соединений (креплений) металлических конструкций может быть вызвана следующими причинами:
- увеличением несущей способности усиленной конструкции;
- увеличением несущей способности соединений элементов и самих конструкций в результате появления новых, менее благоприятных комбинаций нагрузок или значительного их увеличения;
- появлением недопустимых повреждений соединений (креплений) металлических конструкций в процессе их монтажа и эксплуатации;
- недопустимым отступлением от проекта при изготовлении конструкций.
Примерами усиления соединений могут служить усиление сварных соединений путем увеличения катетов или длины сварных швов, усиление заклепочных соединений установкой дополнительных заклепок или заменой на новые и т.п.
7.5. Увеличение сечений элементов
Таким способом усиливают стержни ферм, ветки сквозных колонн, сплошные колонны, балки сплошного сечения и решетчатые ригели рам, прогоны, элементы различных пространственных конструкций и т.п. Присоединение усиливаемых элементов к старым при помощи сварки исключает возможность производства работ под полной эксплуатационной нагрузкой и требует частичной разгрузки усиливаемых конструкций, так как нагрев элементов в процессе сварки снижает несущую способность усиливаемых элементов.
Степень снижения несущей способности зависит от тепловложения, определяемого режимом сварки, от толщины и ширины элемента, от направления сварки и может достигать 15% для продольных швов и 40% для поперечных.
До принятия решения об усилении с применением сварки материалов усиливаемых конструкций должен быть проверен на свариваемость. Оценку свариваемости производят по химическому составу через эквивалент углерода
Cэкв = C + Mn/20 + Ni/15 + (Cr + Mo + V)/10,
где C, Mn, Ni, Cr, Mo - соответственно содержание углерода, марганца, никеля, хрома, молибдена, ванадия.
При Cэкв <= 0,25 - свариваемость хорошая;
Cэкв = 0,25 - 0,35 свариваемость удовлетворительная;
Cэкв = 0,35 - 0,45 свариваемость ограниченная.
После оценки свариваемости стали по эквиваленту углерода следует провести испытание на свариваемость по
ГОСТ 23870-79. Соединения элементов конструкций из несвариваемой стали следует предусматривать на болтах.
Комбинированные соединения разной жесткости, например, заклепочные совместно со сварными, применять запрещается.
7.6. Усиление изменением конструктивной схемы
Для увеличения пространственной жесткости часто пользуются:
- постановкой дополнительных или перестановкой существующих связей;
- увеличением жесткости горизонтальных связевых дисков кровли или перекрытия;
- установкой новых или перестановкой существующих диафрагм жесткости;
- усилением существующих диафрагм жесткости.
Установка дополнительных и перестановка существующих связей при усилении производится для увеличения общей пространственной жесткости сооружения, обеспечения совместной работы всех плоских рам; уменьшения гибкости сжатых элементов конструкций при их продольном изгибе, особенно из плоскости, а также растянутых элементов, если длина их очень велика.
Создание достаточно жестких горизонтальных дисков достигается при помощи связей в нижних поясах стропильных ферм, но не в отдельных узких панелях, а по всей ширине пролетов в виде горизонтальных решетчатых рам.
7.7. Конструктивные решения по защите
металлоконструкций от воздействия огня
Конструктивные решения по защите металлоконструкций от воздействия огня приведены в серии 406-0-17. Материалы серии содержат данные по конструктивным способам защиты несущих металлоконструкций промышленных зданий и сооружений от воздействия огня с целью повышения пределов огнестойкости защищаемых конструкций в соответствии с требованиями
СНиП II-2-80 "Противопожарные нормы проектирования зданий и сооружений".
Материалы предназначаются для проектирования и устройства огнезащитных облицовок колонн, ригелей, связей и узлов их сопряжений с использованием в качестве защитных слоев штукатурки, кирпича и листовых материалов и содержат рекомендации по применению огнезащитных облицовок, конструктивные решения по их устройству и технико-экономическую оценку вариантов защиты.
7.8. Рекомендации по усилению верхнего пояса
Усиление верхнего пояса фермы, получившего искривление, может быть осуществлено следующими способами:
- устранение погнутости путем обратного выгиба механическим способом (струбцинами, домкратами, скобами и др.);
- вырезом искривленного и вставкой нового элемента;
- приваркой к искривленному элементу нового.
Сильно искривленные сжатые элементы 2 следует усилять путем выреза этого элемента и приварки на это место нового 1, состоящего, например, из сваренных в тавр трех пластин из листовой стали (см. "а").
Усиление менее искривленных стержней 2 фермы следует производить с помощью составного тавра 3, соединенного сваркой с усиливаемым элементом (см. "б"). При усилении составных тавров длина (шаг) сварных швов определяется по формуле:
где - hшв - высота сварного шва.
Высоту сварных швов следует принимать 3 - 6 мм, но не более толщины свариваемых элементов.
Усиление в обоих случаях производится без демонтажа конструкций.
7.9. Рекомендации по усилению нижнего пояса
Усиление элементов нижнего пояса фермы (растянутых стержней) производится в тех случаях, когда стрела прогиба f > (1/100)l, где l - свободная длина стержня.
Искривленные растянутые элементы могут быть усилены приваркой дополнительных стержней.
При погнутости элементов вверх в плоскости фермы (см. "а") три дополнительных коротыша 2 привариваются сверху между уголками 1 и четыре стержня снизу к полкам уголков.
В случае возникновения погнутости вниз в плоскости фермы стержни 2 привариваются по два на каждой полке уголков 1 и три коротыша - между уголками.
Площадь поперечного сечения элементов усиления определяется по формуле: Fу = 0,5F, где F - площадь поперечного сечения искривленного элемента.
Высоту сварных швов следует принимать 3 - 6 мм, но не более толщины свариваемых элементов.
Длину сварных швов следует определять по формуле:
где hшв - высота сварного шва.
Усиление производится без демонтажа конструкций.
7.10. Рекомендации по усилению раскосов и стоек
Усиление раскосов и стоек 1 фермы в сложных случаях искривления (см. "а") допустимо лишь в том случае, если величина перекоса "l" не превышает размера вертикальной полки "m". В противном случае искривленный уголок следует вырезать и заменить новым.
При усилении элементов фермы в сложных случаях искривления следует выполнять следующие требования:
- площадь поперечного сечения элемента усиления 2 должна быть не менее половины площади поперечного сечения искривленного усиливаемого элемента 1, т.е.
Fу = 0,5F;
- длина коротышей "а" определяется по формуле:
- расстояние между коротышами по длине искривленного элемента должно быть не более 300 мм;
- высоту сварных швов принимать 3 - 6 мм, но не более толщины свариваемых элементов.
Усиление допускается производить без демонтажа конструкций.
При усилении элементов фермы с местным смалкованием полки уголка (см. "б") применяется полосовая сталь.
Размеры элементов усиления определяются по формулам:
b = 3,47rx; d = KF/b;
где rx - радиус инерции относительно горизонтальной оси;
F - площадь сечения уголка стержня;
K - для равнополочных уголков - 0,50;
для неравнополочных уголков, составленных широкими полками - 0,40, а составленных узкими полками - 0,62.
7.11. Рекомендации по усилению ферм устройством
Усиление устройством несущей конструкции фонаря рекомендуется для повышения несущей способности фермы в связи с увеличением нагрузки на покрытие и позволяет подвесить подъемно-транспортное оборудование.
Для осуществления данного способа усиления заранее изготавливается фонарь - усиления 1, представляющий собой металлоконструкцию, состоящую из стоек и раскосов 6, скрепленных между собой косынками 4, болтами 5 и сваркой.
Фонарь 1 закрепляется в трех местах: на колонне 2 и на раскосах фермы 3. Крепление производится с помощью болтов и сварки.
Усиление фермы 3 создается за счет передачи части нагрузки на фонарь и далее на колонну 2.
| | ИС МЕГАНОРМ: примечание. Взамен ГОСТ 380-88 Постановлением Госстандарта России от 02.06.1997 N 205 с 1 января 1998 года введен в действие ГОСТ 380-94. | |
Материал конструкций: фасонка ферм - ВС ГСП5 ГОСТ 380-88*; элементы ферм - ВСТ 3ис6, ГОСТ 380-88*.
Сварку рекомендуется выполнять электродами Э42
ГОСТ 9467-75. Катет швов - 6 мм, но не более толщины свариваемых элементов.
7.12. Рекомендации по усилению металлических главных
балок перекрытий постановкой ребер жесткости
(рис. 66)
Усиление балок, получивших повреждения в виде погнутостей стенки в нижней растянутой (см. "а") или в верхней сжатой (см. "б") зонах, а также в виде выпучивания (см. "в") производится механической правкой или постановкой дополнительных ребер жесткости 2 на сварке 3.
Допускаемые деформации:
- при погнутости стенки в нижней растянутой зоне d <= 0,25h;
- при погнутости стенки в верхней сжатой зоне d <= 0,1h;
- при выпучивании стенки b <= 0,003h.
Толщина ребер жесткости принимается 10 - 20 мм. При затруднении в подгонке ребер жесткости ребро с вогнутой стороны повреждений балки 1 в пределах до 1/3h можно, как исключение, плотно не подгонять.
Высоту сварных швов следует принимать в пределах 6 - 8 мм.
Усиление балок ребрами жесткости допускается производить без демонтажа конструкции при условии полной разгрузки (вывешивание) балки.
7.13. Рекомендации по усилению металлических
главных балок перекрытий накладными полосами
(рис. 67)
Усиление главных балок перекрытий накладками применяется в случаях:
- искривления элемента в плоскости балки (см. "а");
- искривления элемента из плоскости балки (см. "б");
- наличия трещин в части или по всей высоте стенки (см. "в");
- наличия пробоины в стенках (см. "г").
Допускаются деформации: по случаю "а" до

пролета балки, по случаю "б"
f <= 0,2
b, по случаю "в" отклонений в размере трещин нет, по случаю "г" диаметр пробоин
d <= 75 мм.
Усиление балки 1 при наличии искривлений (см. "а", "б") производится путем разрезки в месте наибольшего выгиба, выправления и постановки стыковых накладок 2 в местах разреза.
При наличии трещин в стенке балки (см. "в") засверливают концы трещин, а затем производят их перекрытие накладками 2.
Пробоины в балках 1 (см. "г") рекомендуется заделывать накладками 2.
Усиление элементов накладками допускается проводить без демонтажа конструкций при условии полного разгружения последних.
7.14. Рекомендации по усилению центрально-сжатых колонн
сквозного сечения способом увеличения сечения
(рис. 68)
Данный способ усиления рекомендуется для повышения несущей способности колонн при увеличении нагрузок на несущие конструкции здания.
Для осуществления этого способа могут быть применены металлические пластины 2 (см. "а"), швеллеры 3 или уголки 4 (см. "б"), привариваемые с определенным шагом по высоте к колонне 1.
Профили усиления выбираются по расчету.
Сварку рекомендуется производить по
ГОСТ 5264-80 электродами типа Э-42 по
ГОСТ 9467-75. Катет швов принимается конструктивно.
УСИЛЕНИЕ ВЕРХНЕГО ПОЯСА МЕТАЛЛИЧЕСКОЙ ФЕРМЫ
а) устранение погнутости путем выреза искривленного места и вставки нового элемента;
б) усиление искривленного элемента;
1 - новый элемент;
2 - существующий искривленный элемент;
3 - элемент усиления.
Рис. 62
УСИЛЕНИЕ НИЖНЕГО ПОЯСА МЕТАЛЛИЧЕСКОЙ ФЕРМЫ
а) усиление элементов нижнего пояса при погнутости их вверх в плоскости фермы;
б) усиление элементов нижнего пояса при погнутости их вниз в плоскости фермы;
1 - существующий искривленный элемент;
2 - элемент усиления.
Рис. 63
УСИЛЕНИЕ РАСКОСОВ И СТОЕК МЕТАЛЛИЧЕСКОЙ ФЕРМЫ
а) усиление элементов в сложных случаях искривления;
б) усиление элементов с местным смалкованием полки уголка;
1 - существующий искривленный элемент;
2 - элемент усиления.
Рис. 64
УСИЛЕНИЕ ФЕРМЫ УСТРОЙСТВОМ НЕСУЩЕЙ КОНСТРУКЦИИ ФОНАРЯ
1 - фонарь;
2 - существующая колонна;
3 - существующая ферма;
4 - косынка;
5 - болт

;
6 - элементы усиления по расчету.
Рис. 65
УСИЛЕНИЕ ГЛАВНЫХ БАЛОК ПЕРЕКРЫТИЙ
ПОСТАНОВКОЙ РЕБЕР ЖЕСТКОСТИ
а) погнутость (вмятины) стенки в нижней растянутой зоне без надрывов и трещин;
б) то же, для верхней (сжатой) зоны;
в) выпучивание стенки;
1 - существующий элемент;
2 - элемент усиления;
3 - сварной шов.
Рис. 66
УСИЛЕНИЕ МЕТАЛЛИЧЕСКИХ ГЛАВНЫХ БАЛОК ПЕРЕКРЫТИЙ
НАКЛАДНЫМИ ПОЛОСАМИ
а) искривление элемента в плоскости балки;
б) искривление элемента из плоскости балки;
в) трещины в части или по всей высоте стенки;
г) пробоины в стенках;
1 - существующий элемент;
2 - элемент усиления;
3 - вспомогательная балка;
4 - колонна;
5 - главная балка.
Рис. 67
РЕКОМЕНДАЦИИ ПО УСИЛЕНИЮ ЦЕНТРАЛЬНО-СЖАТЫХ
КОЛОНН СПОСОБОМ УВЕЛИЧЕНИЯ СЕЧЕНИЯ
1 - существующая колонна;
2 - усиливающий элемент в виде пластины;
3 - элемент усиления в виде швеллера;
4 - элемент усиления в виде уголка.
Рис. 68
8. УСИЛЕНИЕ И ВОССТАНОВЛЕНИЕ КАМЕННЫХ
И АРМОКАМЕННЫХ КОНСТРУКЦИЙ
Каменные конструкции усиливают для восстановления и повышения их несущей способности и жесткости. Необходимость в усилении возникает в связи с расширением производства на существующих площадях, совершенствования технологии, внедрением новой техники и обусловленным этим увеличением нагрузки на конструкции. Такая необходимость возникает также в связи с повреждением конструкций при возведении, эксплуатации, взрывах, отвалах, пожарах, замачивании, просадке грунтов, при надстройке зданий и т.д.
Решение о технической возможности и экономической целесообразности усиления и восстановления каменных конструкций принимают в каждом конкретном случае в зависимости от эксплуатационных требований и состояния конструкций.
Виды повреждений каменных конструкций и способы их устранения
Наиболее частыми видами повреждений каменных конструкций могут быть следующие:
- пробоины в стенах;
- наклон и выпучивание стен;
- повреждения несущих столбов и простенков;
- повреждения бутовых фундаментов;
- повреждения в виде трещин.
Усиление и постоянная стабилизация каменных конструкций выполняются следующими способами:
- расчисткой трещин с частичной перекладкой разрушенной кладки;
- постановкой металлических тяжей;
- возвращением в вертикальное положение конструкций с перекладкой части разрушенной кладки;
- постановкой контрфорсов;
- устройство железобетонных корсетов.
При временном восстановлении несущих каменных конструкций основным строительным материалом является дерево, при капитальном восстановлении - каменная кладка.
В качестве временных опор под несущие конструкции перекрытий применяются деревянные стойки.
В случае, когда восстанавливаемые конструкции должны быть быстро введены в эксплуатацию и кладка должна приобрести расчетную прочность в раннем возрасте, рекомендуется применять гипсовые растворы.
При восстановленных работах вновь возводимую кладку следует вести на растворе марки не ниже, чем марка раствора, на котором сложена кладка восстанавливаемой конструкции.
Для отдельных напряженных участков кладки может быть применено сетчатое армирование.
При капитальном восстановлении несущих каменных простенков и столбов могут быть применены металлические или железобетонные обоймы.
8.2. Оценка несущей способности каменных конструкций
Несущая способность поврежденных армированных и неармированных каменных конструкций определяется методом разрушающих нагрузок на основании данных, полученных при обследовании, и фактических значений прочности (марок) кирпича, камней, растворов и предела текучести арматуры.
Поврежденные каменные и армокаменные конструкции подлежат временному усилению, если их несущая способность недостаточна для восприятия фактически действующих нагрузок на рассматриваемый элемент:
кбпF >= фктр,
где F - фактическая нагрузка на рассматриваемую конструкцию в момент обследования;
кбп - коэффициент безопасности, принимаемый для неармированной кладки равным 1,7, для кладки с сетчатым армированием - 1,5;
ф - несущая способность конструкции без учета повреждений, определяемая по фактическим значениям площади сечения, гибкости и прочности материалов кладки;
к
тр - коэффициент снижения несущей способности каменных конструкций при наличии повреждений (трещин, сколов, повреждений при пожаре и т.п.), принимаемый: при повреждении кладки стен, столбов и простенков вертикальными трещинами, исключая трещины, вызванные температурными воздействиями и неравномерными осадками основания, - по табл. 8. При повреждении кладки опор балок ферм и перемычек - по
табл. 9, при повреждении кладки стен и столбов при пожаре - по
табл. 10.
Таблица 8
Коэффициент снижения несущей способности каменных
конструкций в зависимости от характера повреждения
N п/п | Характер повреждения кладки стен, столбов и простенков | Коэффициент при кладке ктр |
неармированной | армированной |
1 | 2 | 3 | 4 |
1 | Трещины в отдельных кирпичах, не пересекающие растворные швы | 1 | 1 |
2 | Волосяные трещины, пересекающие не более двух рядов кладки (длиной 15 - 18 см) | 0,9 | 11 |
3 | То же, при пересечении не более четырех рядов кладки (длиной до 30 - 35 см) при числе трещин не более четырех на 1 м ширины (толщины) стены, столба или простенка | 0,75 | 0,9 |
4 | Трещины раскрытием до 2 мм, пересекающие не более восьми рядов кладки (длиной до 60 - 65 см) при числе трещин не более четырех на 1 м ширины (толщины) стены, столба, простенка | 0,5 | 0,7 |
5 | То же, при пересечении более восьми рядов (длиной более 65 см) | 0 | 0,5 |
Таблица 9
Коэффициент снижения несущей способности при повреждении
кладки опор балок, ферм и перемычек
N п/п | Характер повреждения кладки опор | Коэффициент при кладке ктр |
неармированной | армированной |
1 | 2 | 3 | 4 |
1 | Местное (краевое) повреждение кладки на глубину до 2 см (мелкие трещины, отслоения в виде лещадок) и образование вертикальных трещин по концам опор (или опорных подушек) балок, ферм и перемычек, пересекающих не более двух рядов кладки (длиной до 15 - 18 см) | 0,75 | 0,9 |
2 | То же, при пересечении трещинами не более четырех рядов кладки (длиной до 30 - 35 см) | 0,5 | 0,75 |
3 | Краевое повреждение кладки на глубину более 2 см и образование вертикальных и косых трещин по концам и под опорами (опорными подушками) балок и ферм, пересекающих более четырех рядов кладки (длиной более 30 см) | 0 | 0,5 |
Таблица 10
Коэффициент снижения несущей способности
при повреждении кладки стен и столбов при пожаре
Глубина повреждения кладки (без штукатурки), см | Коэффициент ктр |
Стены толщиной 38 см и более при обогреве | Столбы при наибольшем размере сечения 38 см и более |
одностороннем | двухстороннем |
1 | 2 | 3 | 4 |
До 0,5 | 1 | 0,95 | 0,9 |
До 2 | 0,95 | 0,9 | 0,85 |
До 5 - 6 | 0,9 | 0,8 | 0,7 |
Несущая способность армированной и неармированной кладки без учета повреждений следует определять в соответствии с указаниями главы
СНиП 22-81-80 путем постановки в правые части формул, характеризующих различные виды напряженного состояния, среднего предела прочности кладки и предела текучести арматуры. При известной марке кирпича и раствора средний предел прочности кладки принимается равным удвоенной величине расчетного сопротивления кладки.
При отклонении от вертикали или при выпучивании стен в пределах этажа на величину до 1/3 толщины стен их несущая способность определяется с учетом фактических эксцентриситетов от вышележащей нагрузки; при большем отклонении или выпучивании стены, столбы и перегородки подлежат разборке или обязательному усилению.
При образовании вертикальных трещин в местах пересечения стен или при разрыве поперечных связей между стенами, колоннами и перекрытиями каркаса несущая способность и устойчивость стен при действии вертикальных и горизонтальных (ветровых) нагрузок определяется с учетом фактической свободной высоты стены между точками сохранившихся закреплений (связей).
При смещении прогонов плит перекрытий и покрытий на опорах проверяется несущая способность стен на местное смятие и внецентренное сжатие по фактической величине эксцентриситетов и площади опирания прогонов и плит перекрытий на стены.
При наличии в стенах больших обвалов или обрушении одного или нескольких простенков нижележащих этажей оставшаяся часть стены может работать по схеме свода. В этом случае несущая способность крайних простенков или участков определяется с учетом перегрузки F от массы стен и перекрытий, находящихся выше обвалов, а также с учетом распора H, определяемого статическим расчетом.
8.3. Рекомендации по креплению стен
При возникновении трещин в элементах каменных конструкций крепление стен можно производить с помощью скруток, расчалок и распорок-растяжек. В случае появления трещин в поперечной стене к простенкам снаружи здания прибивают поперечины, к которым одним концом прикрепляются скрутки 2, а другим концом они укрепляются на брусках, вбитых в поперечную стену. Крепление поперечных стен к наружным осуществляется закручиванием скруток 2. Если трещины обнаружены в наружной стене, их усиление производится устройством скруток 1, закрепляемых на поперечинах, прибитых к простенкам и колоннам. Колонны дополнительно крепятся к поперечине расчалкой 3. Усиление стен производится стягиванием скруток 1 и расчалок 3.
При отклонении одной из стен высотой более 12 м от вертикали она закрепляется с помощью стальных стяжек (см. "а"). Для этого необходимо осуществлять по верху стен крепление тяжами (расчалками) 3. Тяжи 3 с натяжными муфтами 2, как правило, устанавливаются в проемах по обе стороны простенков. По концам они крепятся к стенам и стойке с помощью поперечин и скруток 1. Натяжение расчалок (тяжей) 3 производится натяжными муфтами 2.
При наклоне двух параллельных стен в противоположные стороны (см. "б") их следует скреплять деревянными сжимами (поперечинами) и горизонтальными стяжками из круглой стали через 4 - 5 м по высоте. При большей протяженности и высоте стен следует применять временные расчалки 3 с натяжными муфтами 2, прикрепляемые к нижней части соседних зданий, фундаментам или столбам 6, врытым в землю с прочной анкеровкой.
Если отсутствует возможность постановки растяжек 3 с двух сторон здания, следует осуществлять одностороннее крепление стен растяжками 3. При этом, для придания зданию большей жесткости, между продольными стенами устанавливаются диафрагмы в виде подкосно-раскосной системы.
8.4. Рекомендации по усилению рядовых
Поврежденные рядовые и клинчатые перемычки усиливаются подводкой стальных или железобетонных балок. Балки укладываются в штрабы, вырубленные с двух сторон стены 1 и стягиваются между собой болтами 3 или хомутами.
Металлические балки оштукатуриваются по металлической сетке 4 или на них наносится антикоррозионное покрытие.
8.5. Рекомендации по усилению угла стены здания
Усиление сильно поврежденных или отклонившихся от вертикальных углов стен здания осуществляется постановкой с двух сторон стены в уровне перекрытий металлических балок из швеллеров 1, оттянутых болтами 2. Балки рекомендуется укладывать в борозды, вырубленные с двух сторон или по поверхности стены, после чего их следует стянуть болтами и заделать цементным раствором по металлической сетке.
8.6. Рекомендации по усилению стен армированной
Усиление армированной растворной обоймой производится при разрушении стен в виде сквозных трещин на всю ее толщину.
Рекомендуется следующий порядок производства работ. Сначала отбивают старую штукатурку с обеих сторон стены. Затем производят расчистку трещин 1 и швов кладки на глубину 10 - 15 мм. Очищенную поверхность стен промывают водой под давлением. На поверхности стены закрепляют арматурные сетки 2 при помощи Z-образных анкеров 3, устанавливаемых в ранее просверленные отверстия в шахматном порядке с шагом 2d < S < 100 см. Сетку устанавливают на 10 см от стены. Перед торкретированием поверхность стены обильно увлажняют водой. Тщательно заполняют просверленные отверстия цементным раствором марки 50. По установленным сеткам 2 производят торкретирование стены. Толщина штукатурки должна быть 30 - 40 мм.
8.7. Рекомендации по усилению простенков железобетонными
При небольших размерах простенков и необходимости значительно увеличить на них нагрузку устраивают в вертикальных бороздах сердечник из железобетона или в виде металлического профиля.
В случае усиления железобетонными сердечниками (см. "а") в простенке 1 пробивают вертикальные борозды с одной (вариант 1) или с двух (вариант 2) сторон стены, в которые сначала закладывают пространственный арматурный каркас 2, а затем производят бетонирование образовавшейся полости бетоном 3.
При усилении стальными сердечниками (см. "б") в простенке 1 также пробиваются вертикальные борозды. В борозды сначала устанавливаются швеллеры 4, а затем производят бетонирование бетоном 3 образовавшейся полости.
В обоих случаях перед началом работ по усилению рекомендуется произвести временное крепление простенка.
8.8. Рекомендации по усилению поврежденных простенков
металлическими обоймами и бандажами
(рис. 74)
Кирпичные простенки, имеющие повреждение в виде трещин, выбоин и т.п., необходимо усилять обоймами и бандажами. Перед усилением обоймами кладку с частичными вертикальными трещинами (с раскрытием более 0,2 мм) необходимо зачеканить цементным раствором. Стальные обоймы выполняются из вертикальных уголков 1, устанавливаемых по углам простенка на растворе. К ним привариваются хомуты 2 из полосовой стали или арматуры. Зазоры зачеканиваются цементным раствором. Расстояние между хомутами должно быть не более меньшего размера сечения простенка (вариант "а"). При соотношении сторон сечения 1,5 и более (вариант "б") в середине большей стороны устанавливаются дополнительные связи 3 и стяжные болты. Все стальные элементы необходимо защитить от коррозии оштукатуриванием цементным раствором слоем 25 - 30 мм по металлической сетке.
8.9. Рекомендации по перекладке поврежденных простенков
Перекладка простенков и опор перемычек и балок производится при сильной степени разрушения кирпичной кладки.
При перекладке простенки предварительно разгружаются путем устройства в соседних проемах под перемычками 5 временных креплений в виде деревянных или металлических стоек с клиньями 3, подкладками 2 и лежнями 4.
Разгружающие стойки 1 или металлические рамы на клиньях 3 устанавливаются также под прогоны, балки 6, фермы и плиты перекрытия, опирающиеся на перекладываемый простенок.
Количество и сечение стоек и рам устанавливается расчетом. Для многоэтажных зданий стояки на разных этажах временных креплений при опирании их на перекрытия располагаются на одной вертикальной оси.
При перекладке простенков должно быть обеспечено плотное прилегание новой кладки и вышележащей старой (без зазора), зазоры плотно зачеканить раствором 100 - 150.
Разборка временных креплений производится при наборе раствором 50% расчетной прочности.
Перекладка простенков производится каменными материалами повышенной прочности (М75 и более) на быстротвердеющем растворе марки 100 - 150 с укладкой в швы в необходимых случаях арматурных сеток.
8.10. Рекомендации по усилению клинчатых и арочных
Перемычки из кирпича (клинчатые или арочные) в случае разрушения в виде трещин и повреждения кладки усиливаются подведением снизу металлических профилей.
При усилении рядовых перемычек пролетом 1,5 сначала удаляют старую кладку. Под нижний ряд кирпича и слоя раствора укладывают арматуру из круглой стали диаметром 6 мм из расчета по одному стержню на каждые полкирпича толщины стены (если по проекту не требуется сильное армирование). Стержни рядовых перемычек должны заканчиваться крюками и заделываться в кладку простенков не менее чем на 0,25 м. Кладка клинчатых перемычек 11 должна производиться с двух сторон от пят к шалюге с клинообразными швами толщиной не менее 5 мм внизу и не более 25 мм вверху перемычки. Затем в проемах устанавливают два уголка 3, скрепляемых планками с шагом 400 мм.
В случае усиления рядовых перемычек пролетом более 1,5 м (см. "б") дополнительно устанавливаются металлические подвески из полосовой стали 4, которые снизу привариваются к уголкам 5, а в верхней части крепятся к кладке стяжными болтами 6, отверстия под которые выполняются сверлением.
Для усиления арочных перемычек (см. "в") в проеме устанавливают стойки из уголков 7 на опорах 8, к которым привариваются металлические полосы 11, закрепляемые другим концом на стене посредством стяжных болтов 6. К стойкам 7 приваривается арочный лист 9.
8.11. Рекомендации по усилению столбов обоймами
(рис. 77)
Ослабленные трещинами, выбоинами столбы можно укреплять обоймами следующих типов:
- металлической;
- железобетонной;
- кирпичной из армированной кладки.
Металлические обоймы (см. "а") состоят из стальных уголков 2, устанавливаемых по углам кирпичного столба 1 и связанных на сварке хомутами из полосовой или круглой стали 3. Зазоры зачеканиваются цементным раствором. Расстояние между хомутами должно быть не более меньшего размера сечения простенка или меньше 50 мм. Для усиления кладку с частыми вертикальными трещинами (с раскрытием более 0,2 мм) необходимо зачеканить цементным раствором. Все остальные элементы следует защитить от коррозии оштукатуриванием цементным раствором толщиной 25 - 30 мм на металлической сетке.
Железобетонные обоймы (см. "б") выполняются из бетона марки 150 с армированием вертикальными стержнями 4 и сварными хомутами 5 с шагом <= 15 см. Толщина обоймы по расчету от 4 до 12 см. При соотношении сторон столбов более 1,5 в середине большей стороны устанавливаются дополнительные связи.
Армокирпичные обоймы выполняются из отборного кирпича высокой прочности (марки 100 и более) на цементном растворе марок 100 - 150 (с армированием кладки 6 сетками

или отдельными стержнями

через 2 - 3 ряда).
Зазор между новой и старой кладкой заделывается жидким цементным раствором. Толщина кладки и ее армирование принимаются по расчету. При этом несущая способность старой неповрежденной или инъектированной кладки учитывается полностью.
При значительном ослаблении старой кладки трещинами вся нагрузка передается на новую кладку, работа старой кладки при этом не учитывается.
8.12. Рекомендации по усилению пилястр обоймами
(рис. 78)
Усиление поврежденных пилястр, несущих нагрузку от подкрановых балок и ферм, производится стальными или железобетонными обоймами. Обоймы обрамляют пилястру с трех сторон с пропуском стяжных хомутов через стену.
При устройстве стальных обойм в стене пробивают отверстия и через них пропускают хомуты 6 на болтах. Затем к пилястрам подводится металлическая обойма, состоящая из сваренных между собой стальных уголков 1 и соединительных планок 2. Обоймы прикрепляются к пилястрам, пропущенными через стены болтами 3. Болты стягиваются гайками. Между гайками и наружной поверхностью стены устанавливаются упорные шайбы 4. Пространство между пилястрами и обоймами зачеканивают цементным раствором 5.
Железобетонные обоймы (см. "б") устанавливаются в следующем порядке. В стене пробиваются отверстия, в которые пропускаются через определенный шаг по высоте пилястр хомуты 6, снабженных по концам резьбой. Производят сварку хомутов с продольными стержнями 10. Между пилястрами и хомутами вбивают бетонные "сухарики" 9, после чего хомуты затягиваются снаружи с помощью гаек и стальных упорных шайб 4. К хомутам подводится арматурная сетка 7, которая закрепляется на хомутах 6. Устраивается временная опалубка и в образовавшуюся полость заливается бетон 8.
8.13. Рекомендации по усилению стальными тяжами
пересечения стен, ослабленного трещиной или швом
(рис. 79)
При появлении в месте стыковки наружной и внутренней стен трещин или при ослаблении стыковочного шва следует произвести стягивание стен между собой.
Для осуществления этого способа усиления в уровне перекрытия 4 снаружи здания выбивается штраба, в которую вводят тяжи 2 диаметром 20 - 24 мм с шайбами 1 размером 75 x 75 x 8.
Под стеной 5 пробивается проем, в который вводят уголки 3, закрепляемые на перекрытии 4 цементным раствором или с помощью дюбелей. Тяжи 2 закрепляются внутри здания уголком 3. Гайки затягивают до отказа. После чего шов инъецируется цементным раствором марки 100, а штраба снаружи закладывается кирпичом на цементном растворе.
Стальные тяжи, связи, хомуты и обвязки, находящиеся внутри помещений с влажным и мокрым режимом, должны иметь антикоррозионное покрытие.
КРЕПЛЕНИЕ СТЕН С ПОМОЩЬЮ СИСТЕМЫ ТЯЖЕЙ
а) стальными стяжками;
б) растяжками с двух сторон;
1 - проволочная скрутка

;
2 - муфта натяжения;
3 - расчалка

;
4 - натяжная муфта;
5 - растяжка

;
6 - столб h = 20 - 25 мм;
7 - упор

.
Рис. 69
УСТРОЙСТВО ПЕРЕМЫЧЕК ПРИ ОРГАНИЗАЦИИ ПРОЕМА
1 - кладка; 2 - швеллер; 3 - болт; 4 - штукатурка по сетке.
Рис. 70
УСИЛЕНИЕ УГЛА СТЕНЫ ЗДАНИЯ МЕТАЛЛИЧЕСКИМИ БАЛКАМИ
1 - металлические балки N 16 - 20; 2 - стяжные болты d = 16 - 20 мм.
Рис. 71
УСИЛЕНИЕ СТЕН АРМИРОВАННОЙ РАСТВОРНОЙ ОБОЙМОЙ
1 - трещины;
2 - арматурная сетка

;
3 - анкер из стали

.
Рис. 72
УСИЛЕНИЕ ПРОСТЕНКОВ ЖЕЛЕЗОБЕТОННЫМИ
И МЕТАЛЛИЧЕСКИМИ СЕРДЕЧНИКАМИ
а) вариант усиления железобетонными сердечниками;
б) вариант усиления стальными сердечниками;
1 - проем;
2 - пространственный арматурный каркас;
3 - бетон марки 150;
4 - швеллеры по расчету.
Рис. 73
УСИЛЕНИЕ ПОВРЕЖДЕННЫХ ПРОСТЕНКОВ МЕТАЛЛИЧЕСКИМИ
ОБОЙМАМИ И БАНДАЖАМИ
а) - при ширине простенка b < 15d;
б) - то же, при b > 1,5d;
1 - уголок L90*90*6;
2 - планка - 6*100;
3 - полоса;
4 - стальной бандаж из полосы - 6*100;
5 - ж/б перемычка;
6 - шпилька d20 (смотри узел 1).
Рис. 74
РЕКОМЕНДАЦИИ ПО ПЕРЕКЛАДКЕ ПОВРЕЖДЕННЫХ ПРОСТЕНКОВ
С ИСПОЛЬЗОВАНИЕМ ВРЕМЕННЫХ СТОЕК
1 - стойка

;
2 - подкладка;
3 - клинья;
4 - лежень;
5 - перемычка;
6 - балка.
Рис. 75
УСИЛЕНИЕ КЛИНЧАТЫХ И АРОЧНОЙ ПЕРЕМЫЧЕК
МЕТАЛЛИЧЕСКИМИ ПРОФИЛЯМИ
а) усиление клинчатой перемычки при пролете до 1,5 м;
б) усиление клинчатой перемычки при пролете 1,5 - 2,0 м;
в) усиление арочной перемычки;
1 - трещины;
2 - планка - 100*6;
3 - уголки - 100*63*10;
4 - металлические подвески - 100*6;
5 - уголки 125*80*10;
6 - стяжные болты = 20;
7 - стойки из уголков 100*8;
8 - опора 120*6;
9 - арочный лист;
10 - новая накладка арочных перемычек;
11 - металлические полосы - 100*6;
12 - арматура d40 для удержания раствора;
13 - металлические подложки.
Примечание:
Для усиления уголков под перемычками кирпичной стены необходимо выбить пазы высотой около 30 мм, заделать их жестким раствором, после чего установить уголок в эти зазоры. На рисунке а) показана кладка, состояние которой требует полной замены перемычек, слева от разрыва показано состояние повреждений клинчатой перемычки, справа - ее новая кладка (смотреть на обороте).
Рис. 76
УСИЛЕНИЕ СТОЛБОВ ОБОЙМАМИ
а) металлический;
б) железобетонный;
1 - кирпичный столб;
2 - стальные уголки;
3 - планки;
4 - продольная арматура

;
5 - хомуты;
6 - новая кладка, армированная сетками через три ряда;
7 - перекрытие.
Рис. 77
УСИЛЕНИЕ ПИЛЯСТР ОБОЙМАМИ
а) стальные;
б) железобетонные;
1 - стальные уголки;
2 - соединительные планки;
3 - болт

;
4 - упорная шайба 10 - 12 мм;
5 - зачеканка цементным раствором;
6 - хомут

;
7 - арматурная сетка

;
8 - бетон;
9 - бетонные "сухарики";
10 - продольные стержни

.
Рис. 78
УСИЛЕНИЕ СТАЛЬНЫМИ ТЯЖАМИ ПЕРЕСЕЧЕНИЯ СТЕН,
ОСЛАБЛЕННОГО ТРЕЩИНОЙ ИЛИ ШВОМ
1 - шайба 75*75*8;
2 - тяжи

;
3 - уголки 75*8 или швеллер N 10 - 12;
4 - перекрытие;
5 - стена;
6 - ниша;
7 - жесткая заделка;
8 - металлический стержень.
Рис. 79
9. РЕКОМЕНДАЦИИ ПО ПРИМЕНЕНИЮ МАТЕРИАЛОВ
И КОНСТРУКЦИЙ ДЛЯ ОГРАЖДАЮЩИХ ЭЛЕМЕНТОВ ЗДАНИЙ
9.1. Характеристика теплоизоляционных материалов
9.1.1. Традиционные однослойные стены из кирпича и легких бетонов, которые отвечали требованиям действовавших ранее нормативных документов (норм строительной теплотехники), имели толщину от 400 до 600 мм.
Из всей номенклатуры теплоизоляционных материалов наиболее распространенными в России являются минераловатные изделия (65%), пенополистирол и др. пенопласты (20%), стекловатные материалы (8%).
Доля теплоизоляционных ячеистых бетонов в общем объеме производства утеплителей не превышает 3%, встроенного перлита, вермикулита и изделий на их основе - 3%.
На область применения теплоизоляционных материалов оказывают влияние коэффициент теплопроводности, показатель их горючести и прочностные характеристики.
9.1.2. Наибольшее применение в конструкциях многослойных стен послойной сборки получили волокнистые теплоизоляционные материалы - минераловатные, стекловатные и стекловолокнистые плиты на синтетическом связующем, которые при расходе последнего до 4% относятся к группе негорючести НГ.
Номенклатура и физико-технические характеристики эффективных теплоизоляционных материалов приведены в табл. 12.
| | ИС МЕГАНОРМ: примечание. Нумерация таблиц дана в соответствии с официальным текстом документа. | |
Таблица 12
N п/п | Наименование материала | Плотность, кг/м3 | Коэффициент теплопроводности | Прочность на сжатие и изгиб, МПа Rсж/Rизг | Горючесть | Рекомендуемая область применения |
1 | 2 | 3 | 4 | 5 | 6 | 7 |
1 | Пенополистирол ПСБ, ПСБ-С | 25 - 50 | 0,037 - 0,04 | 0,15/0,25 | Г-2 | В стенах, а также покрытиях с несущими конструкциями из железобетона |
2 | Экструзионный пенополистирол | 25 - 33 | 0,027 - 0,033 | 0,25/0,45 | Г-1 - Г-4 | То же |
3 | Минераловатная плита на синтетической связке | 75 - 200 | 0,033 - 0,045 | 0,03 - 0,1 ----------- - | НГ | В стенах и покрытиях с любыми несущими конструкциями |
4 | Стекловатные и стекловолокнистые плиты | 50 - 130 | 0,03 - 0,041 | 0,008 - 0,012 --------------- - | НГ | В стенах и покрытиях с любыми несущими конструкциями |
5 | Фенольно-резольный пенопласт | 80 - 100 | 0,045 | 0,23 ----- 0,3 | Г-1 | В сэндвич- и монопанелях с металлическими обшивками |
6 | Пенополиуретан | 80 - 80 | 0,035 - 0,04 | 0,2 - 0,4 ---------- 0,2 | Г-4 | В сэндвич-панелях стен и покрытий с металлическими обшивками |
7 | Перлитофосфогелевые плиты | 200 | 0,064 | 0,4 ---- 0,2 | НГ | В покрытиях по стальному профнастилу |
8 | Пеностекло "Неопорм" | 160 | 0,045 | 1,03 ----- 1,0 | НГ | В стенах и покрытиях |
9 | Фоамглас (Бельгия) | 120 | 0,043 | 0,9 ---- 0,5 | НГ | То же |
10 | Полистиролбетон | 250 | 0,07 | 0,8 ---- - | Г-1 | В покрытиях с железобетонными несущими конструкциями |
11 | Торфодревесные блоки "Геокар" | 250 - 430 | 0,06 - 0,08 | 0,8 - 1,2 ---------- - | Г-4 | В стенах с несущей частью и облицовкой из кирпича и бетона |
12 | Пеноизол | 10 - 25 | 0,035 - 0,047 | - | Г-2 | То же |
13 | Плиты из отходов кремниевого производства | 150 - 400 | 0,045 - 0,075 | 3,5 - 6,1 ---------- - | НГ | В стенах и покрытиях с любыми несущими конструкциями |
9.2. Прогрессивные конструкции стен
9.2.1. В связи с резким ужесточением требований по теплоизолирующей способности ограждений традиционные однослойные конструкции стен из кирпича, легкобетонных блоков и панелей не могут быть использованы из-за недопустимого возрастания их толщины.
Действующие нормативные требования по теплоизоляции реально обеспечиваются, как правило, при использовании многослойных конструкций со слоем эффективной теплоизоляции, которые по способу их устройства подразделяются на две основные группы: индустриальные, выполненные из изделий (панелей) заводского изготовления и конструкций построечного изготовления
(рис. 80).
Рис. 80. Многослойные конструкции стен из индустриальных
панелей (I) и стен построечного изготовления (II)
а - 3-слойные железобетонные панели с жесткими шпонками; б - 3-слойные железобетонные панели на гибких связях; в - каркасные панели; г - панели типа "Сэндвич"; д - вентилируемая стена с установленным на относе экраном; е - многослойная каменная стена; ж - невентилируемая многослойная стена с клеевым закреплением утеплителя; з - невентилируемая многослойная стена с механическим креплением утеплителя дюбелями.
1 - железобетон; 2 - теплоизоляция; 3 - шпонка; 4 - гибкая связь; 5 - каркас; 6 - обшивка; 7 - облицовка; 8 - вентилируемая воздушная прослойка; 9 - кронштейн; 10 - подоблицовочная конструкция; 11 - несущий слой; 12 - клеевой слой; 13 - штукатурка.
9.2.2. Стены из индустриальных панелей заводского изготовления
К первой группе относятся стены из трехслойных железобетонных панелей на гибких связях или жестких шпонках, состоящие из двух железобетонных слоев с эффективной теплоизоляцией из минераловатных или пенополистирольных плит между ними, а также каркасные панели и панели типа "сэндвич" с облицовками из стального или алюминиевого профилированного листа и утеплителя между ними - заливочного пенопласта (пенополиуретан, фенольный пенопласт, пенополистирол) или жесткой минераловатной теплоизоляции с вертикально ориентированными волокнами.
9.2.3. Стены из трехслойных железобетонных панелей
Несмотря на то, что теплотехнические показатели панели толщиной 350 мм при слое эффективной теплоизоляции 200 мм характеризуются величиной приведенного сопротивления теплопередаче
[10], температурное поле на внутренней поверхности таких стен неравномерно в местах расположения теплопроводных шпонок. Это необходимо учитывать при проектировании реальных объектов.
Исследования и результаты расчетов трехслойных железобетонных панелей на силовые и природно-климатические воздействия с помощью различных программных комплексов показали также, что возникающие перемещения и напряжения в шпоночных связях приводят к образованию трещин (более 0,3 - 0,4 мм). Это вызывает необходимость либо дополнительного армирования самих шпонок и наружного слоя, либо увеличения их размера до 160 x 160 мм и более, что в обоих случаях приведет к неизбежному увеличению теплопотерь через ограждение.
Панели со шпоночными связями из легкого бетона не удовлетворяют современным требованиям теплотехники. Приведенное сопротивление теплопередаче таких панелей толщиной 350 мм из легких бетонов с ребрами и термовкладышами из различных теплоизоляционных материалов (пенопластов, жестких минераловатных плит, крупнопористого керамзитобетона, ячеистого бетона и других) плотностью

значительно меньше требуемых нормами величин и при этом коэффициент теплотехнической однородности их находится в пределах

.
Трехслойные железобетонные панели на гибких связях имеют толщину 250, 300 и 350 мм. В качестве теплоизолирующего слоя могут быть использованы пенополистирол или минераловатная плита (рис. 81).
Рис. 81. Трехслойные железобетонные панели на гибких
металлических связях с теплоизоляцией из пенополистирола
наружными слоями из керамзитобетона (а)
и мелкозернистого бетона (б)
1 - цементно-песчаный раствор; 2 - керамзитобетон; 3 - пенополистирол; 4 - мелкозернистый бетон; 5 - гибкая связь.
Необходимо отметить, что гибкие теплопроводные включения, обеспечивающие соединение между слоями, не мешают их свободной деформации и перемещениям относительно друг друга, возникающим от температурных и силовых воздействий. Однако для обеспечения надежности совместной работы железобетонных слоев металлические гибкие связи должны быть защищены от коррозии. Поэтому для них используется дорогостоящая нержавеющая сталь или арматурные стержни класса А-I, А-II и Вр-I с защитным цинковым покрытием.
Использование стеклопластиковых связей, характеризующихся низким коэффициентом теплопроводности, обеспечивает по сравнению с металлическими связями большую однородность температурного поля многослойной стены. Однако применение их связано с некоторыми технологическими трудностями при производстве панелей, так как для обеспечения совместной работы двух железобетонных оболочек недостаточно только перпендикулярно установленных распорок, а необходимы также наклонные подкосы и подвески, обеспечение проектного положения которых в процессе формирования изделий вызывает определенные осложнения.
9.2.4. Стены из панелей с листовыми обшивками
Панельные стены с металлическими (и другими) обшивками подразделяются на конструкции из каркасных панелей и панелей типа "сэндвич". В настоящее время каркасные панели стен применяются относительно редко.
Стены из панелей типа "сэндвич" с двухсторонней металлической обшивкой и эффективной теплоизоляцией из пенополиуретана, пенополистирола или минераловатных плит характеризуются высокой теплотехнической однородностью, так как в них практически отсутствуют теплопроводные включения за исключением болтов крепления, сквозная установка которых обусловлена требованием пожарной устойчивости. Требуемое сопротивление теплопередаче в таких стенах обеспечивается слоем теплоизоляции. Наиболее широкую область применения в настоящее время имеют панели с негорючими минераловатными плитами при вертикально ориентированном волокне.
Панели представляют трехслойную конструкцию с обшивками из стального оцинкованного и окрашенного листа толщиной 0,5 - 0,7 мм и средним слоем из минераловатной плиты с поперечно ориентированным волокном. Номинальная ширина панелей 1,2 м, толщина 100, 120, 150, 200 и 240 мм и длина - до 12 м.
К несущим конструкциям панели "сэндвич" крепят самонарезающими винтами, а вертикальные стыки между панелями (при горизонтальной разрезке) и горизонтальные (при вертикальной разрезке) уплотняют вкладышами из минераловатной плиты и перекрывают нащельниками на комбинированных заклепках.
9.2.5. Многослойные стены построечного изготовления
Многослойные стены построечного изготовления включают три основных части - несущую, слой эффективной теплоизоляции и отделочный слой. Такие стены могут быть двух типов: без вентилируемой прослойки и с вентилируемой воздушной прослойкой.
Несущая часть стены выполняется из штучных материалов (кирпича, легкобетонных панелей и блоков), монолитного железобетона и т.п. Функция воспринимать и передавать на фундамент действующие нагрузки (ветровую, от собственного веса и других конструктивных элементов зданий) определяет требуемую толщину несущей части стены.
Функцию теплозащиты выполняет слой эффективной теплоизоляции из материала с низким коэффициентом теплопроводности. Он располагается, как правило, с внешней стороны несущего слоя, чем обеспечивается защита стены от переменного замерзания и оттаивания, уменьшение температурных деформаций несущего слоя, перенос точки росы в утеплитель, повышение теплоаккумулирующей способности массива стены.
9.2.6. Наружный отделочный слой предназначен для защиты теплоизоляции в процессе эксплуатации от внешних климатических воздействий и для выполнения декоративных функций. В конструкциях стен без вентилируемой воздушной прослойки он преимущественно выполняется из штукатурки или кирпичной кладки.
В отличие от них в стенах с вентилируемой прослойкой отделочный слой выполняется в виде сборной облицовки, закрепленной к каркасу на относе от слоя теплоизоляции с образованием воздушной прослойки. В качестве облицовочного экрана используют цементно-волокнистые и асбестоцементные плиты, бетонные и полимербетонные плиты, натуральный камень, плитки керамического гранита, ламинированные панели, виниловый сайдинг, стальной оцинкованный и алюминиевый профилированные листы с полимерным покрытием, металлический сайдинг, фасадные панели-кассеты и т.п.
9.2.7. Влияние воздушной прослойки в стенах
На влажностный режим таких стен сказывается осушающее действие воздушной прослойки, способствующей удалению атмосферной и внутренней влаги из конструкции, что позволяет повысить температуру внутренней поверхности ограждения выше значения температуры точки росы и вывести нулевую изотерму из толщи конструкции.
В многослойных стенах с вентилируемой воздушной прослойкой для исключения возможности продуваемости теплоизоляции воздушным потоком в вентилируемом зазоре и увлажнения ее необходимо применение паропроницаемого материала "Тайвек" фирмы "Дюпон", обладающего ветро- и водозащитными свойствами или других подобных.
Наиболее распространенным является решение, когда воздушная прослойка расположена с наружной стороны ограждения и образована установкой на относе экрана. Для надежного закрепления облицовочного и теплоизоляционного слоев в данном варианте устанавливается подоблицовочная конструкция, выполненная, чаще всего, из алюминия, оцинкованной или нержавеющей стали, и состоящая из образующих каркасную систему кронштейнов и несущих профилей. Крепление плитной облицовки, так называемого защитного экрана, может быть открытым и скрытым. Утеплитель к несущей части стены фиксируется с помощью дюбелей.
Рис. 82. Конструкция многослойных кирпичных стен
с эффективной теплоизоляцией без воздушной прослойки (а),
с воздушной прослойкой (б) и вертикальный
разрез по стене (в)
1 - облицовка из кирпича; 2 - теплоизоляция; 3 - несущая часть стены; 4 - арматура; 5 - воздушная прослойка; 6 - слой алюминиевой перфорированной фольги; 7 - термовкладыш; 8 - плита перекрытия; 9 - связевая железобетонная плита.
9.2.8. Стены с облицовочным слоем из кирпичной кладки
В многослойных стенах с облицовочным слоем из кирпича такой слой без разрезки по вертикали на отдельные участки может применяться в зданиях высотой до трех этажей из-за разности осадок несущего и облицовочного слоев, а также условий устойчивости последнего. Поэтому в многоэтажных домах отделочный слой из кирпичной кладки разрезают по высоте через два-три этажа междуэтажными перекрытиями или поясами.
Слой теплоизоляции к несущей части стены может закрепляться с помощью металлопластмассовых и стеклопластиковых дюбелей или подвижными кронштейнами.
9.2.9. Многослойная стена с защитно-декоративной стенкой
В многослойной стене с защитно-декоративной стенкой из кирпича для ее устройства может использоваться лицевой кирпич и керамические камни, лицевые по
ГОСТ 7484-78 или отборные стандартные по
ГОСТ 530-95 предпочтительно полусухого прессования. Кладка должна выполняться с обязательным заполнением раствором горизонтальных и вертикальных швов и их расшивкой с фасадной стороны.
В кирпичных стенах связь с облицовочным кирпичным слоем осуществляется арматурными металлическими каркасами или стеклопластиковыми стержнями, закладываемыми в швы кладки в процессе возведения стены.
При усилении теплоизоляции эксплуатируемых однослойных кирпичных стен, а также в многослойных стенах с несущей частью из бетона связь с облицовочным кирпичным слоем обеспечивается постановкой стальных оцинкованных анкеров, проходящих через эффективную теплоизоляцию. Площадь анкеров в соответствии с требованиями
СНиП II-22-81 должна быть не менее 0,4 см
2/м
2.
Рис. 83. Общий вид фрагментов многослойной стены
с замкнутой воздушной прослойкой и схема размещения
термопар при испытании
1, 5 - кирпичная стена; 2 - минераловатная плита; 3 - воздушная прослойка; 4 - пенофол.
9.2.10. Стены с отделочным штукатурным слоем
Многослойные стены со штукатурным отделочным слоем в зависимости от способа крепления теплоизоляции к стеновому ограждению делятся на два вида:
- с креплением утеплителя к несущей части стены с помощью клеевых составов;
- с механическим креплением.
В качестве утеплителя, как правило, используются минераловатные плиты из базальтового волокна на синтетической связке, пенополистирольные плиты, а также блочное пеностекло. Использование пенополистирола, как уже отмечалось, имеет ряд ограничений связанных с требованиями пожарной безопасности.
Выравнивание по горизонтали теплоизоляционных плит может осуществляться с помощью временно закрепленной к несущей части стены деревянной рейки или с применением цокольного профиля (изготовленного из алюминия или оцинкованной стали) толщиной 1 - 1,5 мм, который закрепляют к несущей части стены дюбелями, расположенными с шагом не более 300 мм.
Для наклейки плит используются полимерные клеи типа Ceresit CT-83, которые характеризуются прочностью сцепления с теплоизоляционными плитами не менее 0,9 МПа и величиной линейной усадки не более 0,5%.
Клеевой способ крепления теплоизоляции предъявляет жесткие требования к состоянию изолируемой поверхности, зависит от климатических условий и вида теплоизоляционного материала. При этом, для обеспечения необходимой надежности крепления теплоизоляции в углах здания в связи с резким возрастанием величины ветрового отсоса, а также по всей площади стен при их высоте более 8 м она дополнительно механически закрепляется дюбелями после полного отверждения клеевого состава (обычно трое суток).
9.2.11. Механический способ крепления теплоизоляции
Механический способ крепления теплоизоляции более универсален. Его надежность определяется, главным образом, прочностными свойствами материала несущей части стены и крепежного элемента. Наиболее широко распространено крепление теплоизоляции с помощью металлических, металлопластмассовых и стеклопластиковых дюбелей, которые устанавливаются в просверленные в несущей части стены отверстия.
9.2.12. В случаях, когда недопустимо изменение фасада здания (памятники старины и т.п.) дополнительное утепление стен может быть выполнено со стороны помещения. Для этих целей наиболее целесообразно использовать комбинированные панели марки "КНАУФ-термопанель", представляющие собой изделия заводской готовности, состоящие из гипсокартонного листа с приклеенной к нему в качестве теплоизоляционного слоя пенополистирольной плитой различных марок по
ГОСТ 15588-86 и ТУ 2244-003-50934765-2002, между которыми при необходимости может быть размещен слой пароизоляции.
9.2.13. Стены колодцевой кладки с теплоизоляцией из гранулированного пеностекла
Высокие физико-технические характеристики гранулированного пеностекла "Неопорм" с замкнутыми порами являются основанием широкого применения его в качестве засыпной теплоизоляции в кирпичных стенах колодцевой кладки для малоэтажных зданий. Связь между наружными и внутренним слоями кладки обеспечивается тычковыми рядами, расположенными с максимальным шагом 1200 мм, либо армированием этих слоев сварными арматурными каркасами, с шагом по высоте 600 мм. При этом площадь поперечных стержней (связей) должна быть не менее 0,4 см2/м2. В качестве засыпной теплоизоляции используют гранулы пеностекла "Неопорм" размером от 7 до 40 мм, плотностью от 70 до 250 кг/м3 и коэффициентом теплопроводности не более 0,055 Вт/(м°C).
9.3. Многослойные конструкции стен с эффективной
теплоизоляцией и вентилируемой воздушной прослойкой
9.3.1. Конструктивные системы многослойных стен
Известно более 20 отечественных и зарубежных конструктивных систем многослойных стен с вентилируемой воздушной прослойкой и защитным экраном из плитных материалов, которые можно классифицировать по типу навесного каркаса.
Различают три основных типа навесных каркасов, состоящих из:
кронштейнов, закрепленных к несущей части стены, и профилей (вертикальных и горизонтальных), которые крепятся к кронштейнам - тип I;
из вертикальных и горизонтальных профилей, которые непосредственно закреплены к несущей части стены - тип II;
анкерных шпилек и вертикальных профилей, навешиваемых на шпильки - тип III.
В качестве облицовочного слоя в конструкциях стен с вентилируемой воздушной прослойкой используют различные плитные материалы (природный мрамор и гранит, плиты стеклофибробетона), асбестоцементные плоские листы, окрашенные или офактуренные цветной каменной крошкой, плиты керамогранита, а также стальные профилированные листы, стальные и алюминиевые кассеты, трехслойные толщиной 20 - 30 мм панели сэндвич с металлическими обшивками и сердечником из сверхжесткой минераловатной плиты, как правило, с лицевой поверхностью офактуренной цветной каменной крошкой.
9.3.2. Стены с экраном из плитных и листовых материалов
К числу наиболее известных конструктивных решений таких стен относятся системы "Мармарок", "Союз Метроспецстрой", "Интерал", "Гранитогрес", и "Каптехнострой", "Диат", "Спиди", "Бард" и другие.
В системе "Мармарок" использован каркас I типа, при этом вертикальный профиль имеет гребень, на который насаживаются специальные плиты "Мармарок".
Рихтовка положения экрана осуществляется за счет глубины установки горизонтального профиля на кронштейне.
В стенах "Союз "Метроспецстрой" также используется каркас I типа.
В стене системы "Интерал" предусмотрен каркас I типа с "C" и "L" образными кронштейнами. Рихтовка положения экрана достигается глубиной установки горизонтальных профилей. В качестве облицовки, кроме плитных изделий, могут использоваться многослойные с пластиковой или минеральной прослойками алюминиевые листы, а также кассеты из оцинкованной стали.
Рис. 84. Конструктивное решение многослойных стен
системы "Союз Метроспецстрой" (а), "Марморок" (б)
и "Интерал" (в)
1 - основание; 2 - кронштейн; 3 - анкер; 4 - вертикальный промежуточный профиль; 5 - горизонтальный профиль; 6 - плита облицовки; 7 - утеплитель; 8 - дюбель; 9 - паронитовая прокладка; 10 - ветрозащита; 11 - кляммер; 12 - уголок; 13 - кассета; 14 - заклепка.
В стенах системы "Краспан" применен каркас I типа. Рихтовка положения экрана осуществляется глубиной постановки горизонтальных профилей. Плиты облицовки закреплены к вертикальным профилям заклепками.
Конструктивное решение стен "Гранитогрес" и "Каптехнострой" базируется также на системе каркаса I типа. При этом в случаях открытого закрепления облицовочного слоя используются только вертикальные профили, а при скрытом креплении дополнительно предусматриваются горизонтальные профили.
Рихтовка положения экрана достигается глубиной установки вертикальных профилей в кронштейнах.
В отличие от других в системе "Мосрекон" отсутствуют кронштейны и горизонтальные профили. Несущий каркас включает анкерные шпильки, на которые навешиваются все остальные элементы системы, включая плиты утеплителя, вертикальные профили с крючками и облицовочную плитку, висящую на этих крючках. Достигается это за счет того, что анкерная шпилька с помощью дюбеля, надежно укрепленная в основании, имеет свободную длину, достаточную, чтобы закрепить на нее все вышеперечисленные элементы системы.
В конструкции стен системы "Диат", разработанной ОАО ЦНИИПромзданий, использован каркас I типа с кронштейнами, имеющими выдвижной шток, с помощью которого обеспечивается рихтовка положения экрана.
Кронштейн имеет Г-образную форму с вылетом из плоскости стены в 130, 170, или 180 мм в зависимости от толщины теплоизолирующего слоя и включает передвижную вставку, обеспечивающую необходимую рихтовку кронштейна из плоскости стены. Наибольший вылет может составлять 290 мм.
В конструкциях стен, применяемых ООО ПФК "Профис", используется каркас II типа, представляющий собой фактически обрешетку из деревянных брусков или двух металлических уголков, закрепленных непосредственно к несущей части стены дюбелями. Защитный экран предусмотрен из прессованных волокнистоцементных плит толщиной 8 мм, цветных или офактуренных каменной крошкой.
В конструкциях стен системы "Спиди макс" применяется каркас I типа с универсальными жесткими алюминиевыми или стальными кронштейнами вилочного типа с максимальным вылетом 340 мм.
9.3.3. Стены с экраном из металлических реек
Стены представляют собой многослойную конструкцию с несущим слоем из традиционных материалов - кирпич разного вида, бетон, блоки с теплоизоляционным слоем из негорючих минераловатных плит, влаговетрозащитным слоем из пленки "Тайвек", воздушной прослойкой номинальной шириной 40 мм и защитно-декоративным экраном, установленным по стальным шпилькам.
9.3.4. Стены с экраном из металлических кассет
Кассета представляет собой прямоугольный элемент из стального оцинкованного и окрашенного листа с отбортованными по двум длинным или по всем четырем сторонам кромками.
Последние получили наиболее широкое применение при устройстве вентилируемых стен с металлическим экраном.
| | ИС МЕГАНОРМ: примечание. Нумерация пунктов дана в соответствии с официальным текстом документа. | |
10.3.5. Стены с экраном из профлиста, кассет и кирпичной кладки с каркасом из термопрофилей.
Конструкции стен разработаны с экраном из:
- профилированных листов с лакокрасочным покрытием с вариантами горизонтального и вертикального расположения гофров;
- стальных кассет "Талдом 1000" и "Талдом 2000";
- кладки лицевым кирпичом толщиной 60 мм. Возможно также применение сайдинга (стального и винилового) и искусственного камня.
Стена включает каркас из холодноформованных стальных профилей, обшивки со стороны помещения из 2-х слоев гипсокартонных листов (ГКЛ), пароизоляцию, минераловатные плиты (МВП), располагаемые в плоскости каркаса, наружную обшивку из ГКЛ и экран из указанных выше материалов на относе.
Стены могут собираться поэлементно непосредственно на месте строительства или монтироваться из предварительно изготовленных панелей той или иной степени готовности (например, на стройплощадке на участке предварительной сборки).
9.4. Способы восстановления наружных
ограждающих конструкций
9.4.1. Наружные ограждающие конструкции рекомендуется восстанавливать по первоначальному проекту.
10. ПРИМЕРЫ КОНСТРУКТИВНЫХ РЕШЕНИЙ ПО РЕМОНТУ
И УСИЛЕНИЮ СТРОИТЕЛЬНЫХ КОНСТРУКЦИЙ
10.1. Наиболее характерные повреждения конструкций
10.1.1. Увлажнение является причиной коррозии и снижения прочности материала (бетона, арматуры), появления продольных трещин в несущих ребрах плит вследствие коррозии арматуры и т.д.
Основными повреждениями стен из каменных материалов и бетона является выветривание (разрушение материала стен) и трещины осадочного характера.
10.1.2. Важнейшая физическая первопричина, обуславливающая выветривание материала стен, - избыточное увлажнение атмосферными и талыми водами из-за неисправностей стальных свесов рулонных кровель, в том числе их смятия и пробоин вследствие механических воздействий; разрушение коррозией черной кровельной стали из-за несвоевременной ее защиты; от складирования материалов у стен зданий; при отсутствии отмосток и длительной эксплуатации разрушенных отмосток; в случае применения материала стен низкой марки по морозостойкости; невыполнения крепления стен к колоннам и т.д.
10.1.3. Для несущих настилов покрытий из различных материалов характерными повреждениями являются: коррозия материала и загнивание древесины; коррозия стали; коррозия арматуры при недостаточной толщине защитного слоя; продольные трещины в настилах покрытий вследствие коррозии арматуры. Основной причиной возникновения и развития этих повреждений в конструкциях покрытий также являются увлажнения: атмосферными осадками вследствие неисправностей кровель; конденсационное увлажнение, в том числе при недостаточном термическом сопротивлении теплопередачи конструкций покрытий; отсутствии пароизоляции и др.
Поперечные трещины в настилах покрытий, их чрезмерные прогибы являются следствием нарушений правил эксплуатации, перегрузок в результате скопления снега, пыли, строительных материалов. Обрушение балок и плит может произойти вследствие подвески непроектных грузов и дополнительного утепления покрытий. Наблюдаются отколы защитного слоя бетона на приопорных участках железобетонных плит покрытий, недостаточная величина опоры плит; снижение жесткости диска покрытия, а также ухудшение при этом теплотехнических качеств покрытия из-за невыполнения замоноличивания швов между плитами.
В отдельных случаях в местах примыкания настила к наружным стенам имеет место "мостик холода", так как утеплитель или не заведен на карнизную часть стены, или заменен слоем раствора. Над такими участками на кровле в зимнее время образуются наледи, разрушающие свесы кровли, наблюдаются увлажнения и разрушения железобетонных плит, коррозия бетона и стали несущих конструкций.
10.1.4. К характерным дефектам "мягких" кровель относится отсутствие защитной посыпки на водоизоляционном слое или окраски светлых тонов, наличие воздушных и водяных мешков, разрушение цементно-песчаной стяжки, ветхость водоизоляционного ковра, его трещины и разрывы на участках примыкания к вертикальным поверхностям, отслаивание ковра от стяжки, недостаточная величина нахлестки слоев рубероида и пр.
Часто наблюдается увлажнение железобетонных плит покрытий, особенно вокруг вентиляционных шахт, стояков от водоприемных воронок. При этом в ендовах чаще, чем на других участках кровли, имеют место течи, разрушения несущих настилов, коррозия бетона и стали ферм или балок. В ендовах, как правило, отсутствуют уклоны к водосточным воронкам. Иногда в ендовах атмосферные воды застаиваются, образуя своего рода бассейны. Кровли обычно длительное время не очищают от мусора, что нередко способствует их повреждению.
10.1.5. Характерными повреждениями всех типов полов являются выбоины, появляющиеся в основном вследствие механических воздействий падающих грузов, движения транспортных средств, пролива расплавленного металла и других воздействий, зависящих от технологических процессов, или недостаточной прочности материала покрытия пола, основания пола, поражения гнилью полов из торцевой шашки.
10.1.6. Деревянные заполнения оконных и дверных проемов в большинстве случаев поражаются гнилью вследствие увлажнения атмосферной и производственной влагой из-за отсутствия защитной окраски, или ее невозобновления периодически в процессе эксплуатации, а также из-за отсутствия подоконных отливов, конопачения коробок и антисептирования. Разрушения оконных переплетов, дверей и ворот наблюдаются как следствие нарушений правил эксплуатации, отсутствия надежного закрепления коробок.
Коробление переплетов и дверных полотен отмечается как следствие использования древесины высокой влажности без укрепления их угольниками, без достаточного закрепления в коробках и коробок к стенам. Стальные переплеты окон и фонарей в основном поражаются коррозией вследствие несвоевременной защитной окраски в процессе эксплуатации. Во многих случаях в переплетах наблюдаются разбитые окна.
10.2. Защита строительных металлических
конструкций от коррозии
10.2.1. Общие соображения
Результаты обследований зданий различных отраслей промышленности свидетельствуют о неудовлетворительном состоянии антикоррозийной защиты строительных конструкций. Практически около 70% металлоконструкций эксплуатируются либо вообще без защиты, либо с защитой, требующей замены. Это относится не только к цехам, построенным несколько десятков лет назад, но и к объектам, возведенным сравнительно недавно.
Нарушение технологии нанесения лакокрасочных покрытий при изготовлении и монтаже приводит к необходимости заменить их уже через 1,5 - 2 года, что качественно выполнить в условиях действующего производства фактически невозможно.
Долговечность металлоконструкций в значительной степени зависит от коррозионной стойкости применяемой строительной стали. Коррозионная стойкость таких марок стали, как 18Гпс, 09Г2С, 10Г2С1, 15г2СФ и 18Г2АФ в большинстве коррозийных сред близка к стойкости стали марки Ст3. Наряду с этим сталь марок 09Г2 и 14Г2, например, имеет пониженную коррозионную стойкость, склонность к избирательной коррозии и не может быть рекомендована к применению в средне- и сильноагрессивных средах. И наоборот т.н. медистую сталь, в особенности 10ХНДП, можно применять без антикоррозийной защиты для открытых конструкций предприятий, расположенных в сухой климатической зоне.
Увеличение срока долговечности зависит от условий эксплуатации конструкций, которые в значительной степени связаны с технологическим процессом и объемно-планировочным решением зданий и сооружений. Наиболее эффективным средством снижения агрессивности среды является улавливание вредных компонентов у источников их образования, что обеспечивается герметизацией оборудования, необходимым обменом воздуха с помощью принудительной или естественной вентиляции и другими методами, например в сернокислых цехах несущие конструкции часто изолируют посредством подвесного потолка. Благодаря этому фермы оказываются в хорошо проветриваемом чердачном помещении, где коррозионный процесс практически прекращается.
| | ИС МЕГАНОРМ: примечание. Нумерация пунктов дана в соответствии с официальным текстом документа. | |
10.2.3. Меры повышения долговечности стальных колонн при коррозионных повреждениях
Общие коррозионные повреждения стальных колонн, как правило, значительно меньше, чем несущих конструкций покрытий. Это можно объяснить вертикальным расположением элементов, где меньше откладывается пыль и быстрее удаляется влага, более низкой относительной влажностью воздуха в зоне колонн и более мощными их сечениями.
Коррозионные повреждения колонн носят чаще всего локальный характер. Такие повреждения наблюдаются вдоль ендов, вблизи расположения внутренних водостоков и стоков вод; в узких зазорах между элементами колонн, где происходит интенсивный процесс щелевой коррозии; в местах крепления горизонтальных диафрагм, на которых скапливается в большом количестве пыль; в месте соединения колонн с кирпичной кладкой стен.
Большие коррозионные повреждения колонн (по всей длине) обычно наблюдаются в случае их полной заделки в кирпичные стены, в толще которых в зимнее время выпадает конденсат. Осуществлять контроль за состоянием колонн и возобновлять антикоррозийное покрытие при таком конструктивном решении невозможно.
Особенно сильные повреждения происходят в местах с относительной влажностью воздуха более 65%. Скорость коррозии колонн, замурованных в кирпичные стены, превышает 0,3 мм/год.
Максимальные повреждения наблюдаются в местах сопряжения колонн с полом и с поверхностью земли.
В целях повышения долговечности стальных колонн зданий целесообразно:
- увеличивать (в соответствии с технологическими требованиями) шаг колонн, что уменьшит их количество и увеличит площади поперечного сечения;
- поперечное сечение колонн проектировать простой конфигурации без зазоров и трудноочищаемых мест.
Сильно нагруженные и внецентренно сжатые колонны рационально проектировать замкнутого коробчатого сечения с внутренним расположением диафрагм жесткости
(рис. 85). Слабо нагруженные центрально сжатые колонны могут быть трубчатого сечения с огрунтованными внутренними поверхностями. В трубчатых колоннах почти полностью исключаются горизонтальные участки, на которых скапливается пыль;
- исключать заделку колонн в кирпичные стены, особенно в наружные. Для возможности возобновления антикоррозийной защиты и контроля за состоянием колонн между стеной и колонной должен быть зазор не менее 150 мм;
- для сварных составных колонн не применять прерывистые сварные швы. Несоблюдение этого условия приводит к возникновению щелевой коррозии, что особенно опасно в местах возможного замачивания и загрязнения;
- не допускать устройство пазух в базах колонн;
- уделять особое внимание антикоррозионной защите колонн в местах заделки.
Рис. 85. Рекомендуемая конструкция колонн
1 - конструктивное армирование; 2 - закладные детали для восприятия горизонтальных усилий.
Поверхность металла должна быть подготовлена под окраску опескоструиванием, фосфатированием или металлизацией. При отсутствии возможности загрязнения и механических повреждений для антикоррозийной защиты могут быть применены перхлорвиниловые, хлоркаучуковые, эпоксидные и этинольевые лакокрасочные материалы, при этом толщина покрытия должна быть не менее 200 - 300 мкм.
При возможности загрязнения и механических повреждений защитных покрытий целесообразно применять обетонирование или футеровку колонн. Как показали обследования, высоту обетонирования следует принимать в зависимости от конкретных условий, но не менее 0,5 м от уровня пола. Перед бетонированием поверхность колонн окрашивается этинольевыми, эпоксидными, перхлорвиниловыми или хлоркаучуковыми лакокрасочными материалами. Толщина защитного слоя должна быть не менее 50 - 70 мкм. Верхний скос обетонки нужно делать под углом 30° к поверхности колонны
(рис. 85), что облегчит очистку колонн.
10.2.4. Коррозия креплений стеновых панелей промышленных зданий
Интенсивность развития коррозии креплений и столиков стеновых панелей промышленных зданий зависит от влажного режима помещений.
Исследования подтверждают необязательность специальной защиты креплений панелей в зданиях с неагрессивной средой. Однако существует потенциальная возможность развития коррозии креплений панелей в этих зданиях при незначительных, зачастую неизбежных изменениях условий эксплуатации. Особенно отчетливо это проявляется при анализе коррозионного состояния опорных столиков, которые являются мощными мостиками холода. На них конденсируется влага, происходит увлажнение бетона на опорах. Кроме того, столики являются преградой для струек дождевой воды, которая при дефектах в стыковых уплотнениях может проникать внутрь вертикальных швов и увлажнять бетон около столика. Следовательно, имеется достаточно предпосылок для интенсивной коррозии столиков даже в зданиях с нормальными температурно-влажностными условиями эксплуатации.
По абсолютной величине коррозионные потери столиков на порядок выше, чем креплений. Причем степень коррозии столиков зависит от ориентации стены (на северной стороне выше).
В зданиях со слабоагрессивной средой коррозионные потери креплений без специальной защиты в 8 - 10 раз больше, чем в зданиях с неагрессивной средой, и за десять лет могут составить 2,5 мм. В случае защиты битумной эмульсией коррозионные потери составят всего 0,4 мм.
Таким образом, крепления панелей и опорные столики необходимо специально защитить от коррозии как в зданиях с агрессивной, так и неагрессивной средой. При этом следует учитывать, что в построечных условиях трудно обеспечить качественную защиту деталей после сварки. Защитное покрытие деталей на стороне, обращенной к бетону, при сварке также повреждается и не может быть восстановлено.
Рис. 86. Вариант крепления панелей к колоннам
1 - колонна; 2 - панель; 3 - закладная деталь в колонне; 4 - закладная деталь в панели; 5 - крепежный уголок.
10.2.5. Коррозия внутренней поверхности металлических элементов замкнутого сечения
Глубина коррозии металла внутри элемента замкнутого сечения на 1 - 2 порядка меньше, чем в открытой атмосфере. При сварке прочноплотным швом внутренняя поверхность элементов замкнутого сечения, эксплуатирующихся как на открытом воздухе, так и в помещениях, может оставаться без защитных покрытий. В элементах замкнутого сечения, эксплуатирующихся на открытом воздухе, рекомендуется делать дренажное отверстие с целью предотвращения затягивания воды внутрь элемента по порам и дефектам сварного шва.
10.2.6. Защитные покрытия стальных строительных конструкций при воздействии на них органических кислот
Стальные строительные конструкции зданий, в которых размещены производства органических кислот, подвержены интенсивным коррозионным разрушениям из-за систематического воздействия кислот в виде паров и проливов.
Наиболее коррозионно-активными являются уксусная, муравьиная и пропионовая кислоты.
Для защиты стальных конструкций в указанных производствах применяются преимущественно перхлорвиниловые покрытия, срок службы которых не превышает 1,5 - 2,0 лет.
Коррозия стали в парах органических кислот зависит от относительной влажности воздуха и концентрации паров кислоты. При 60%-ной влажности коррозия стали мала даже при значительных концентрациях паров кислот и составляет после 120 сут. (при ПДК x 1000): для муравьиной кислоты - 15, уксусной - 17, пропионовой - 2,5 мг/дм2 и 0,5 мг/дм2 - в чистой атмосфере.
С повышением влажности коррозия стали увеличивается и достигает максимальных значений при 90 - 100%-ной влажности.
Для защиты стальных конструкций рекомендуется использовать защитные покрытия на основе грунта ХС-068 и эмали ХВ-785 или ХВ-774, а также покрытия из сополимера А-15-0, являющегося основой грунта ХС-068. В качестве растворителя - Р-4.
Ингибирующими добавками могут являться органические соединения - производные бензола, пиридина и аминов, а также содержащие серу соединения.
Эффективным воздействием характеризуется ингибитор ЛБ-126 с оптимальной концентрацией: для паров муравьиной и пропионовой кислот - 2 - 3%, паров уксусной кислоты - 3 - 5%.
10.3. Усиление ригелей и балок перекрытий многоэтажных
зданий и железобетонных этажерок
10.3.1. В ряде отраслей промышленности фрагменты многоэтажных зданий и этажерок эксплуатируются в агрессивных средах и имеют ярко выраженные признаки разрушения от коррозии (отслоения защитного слоя бетона, частичные местные разрушения бетона конструкций, коррозия арматуры, ее коробление, разрывы и т.д.).
Данное техническое решение предполагает восстановление колонн, ригелей и рам в целом, а также их защиту от агрессивной среды.
Для уголков в обойме вокруг колонн рекомендуется использовать предварительное напряжение, которое может создаваться в результате приварок накладок, стягивания их временными планками с болтами, специальными захватками с натяжными болтами и т.д.
10.3.2. Перед началом работ по установке элементов обойм на колоннах и балок следует удалить разрушенный бетон с помощью пневмо- и ручного инструмента с последующей очисткой поверхности песком под давлением с использованием торкретмашины или пескоструйных аппаратов и промывкой водой. Затем устанавливают обоймы вокруг колонн. Замыкание обоймы осуществляют приваркой соединительных планок к уголкам в направлении от середины колонны вверх и вниз.
10.3.3. После приварки планок монтажные и стяжные болты снимают и окончательно зачеканивают просветы между поверхностями планок, уголков и плоскостями колонн жестким цементным раствором состава 1:2. Для защиты от коррозии металлические части усиления два раза покрывают эмалью ПВХ, затем в необходимых случаях производят торкретбетонирование местных каверн и всей поверхности конструкций по сетке 60 x 60 x 4 мм, которую крепят штырями в бетон с приваркой последних к оголенной арматуре или металлическим элементам усиления.
Торкретбетонирование должно выполняться по технологическим картам с применением нормокомплекта оборудования, инструментов и приспособлений для производства работ.
Для усиления и защиты железобетонных конструкций, работающих в условиях высоких температур, кислотной и щелочной агрессии, наиболее широкое применение находят кислотостойкие бетоны на жидком стекле, силикатполимербетоны, жаростойкие бетоны.
Возможные сечения элементов усиления указаны на
рис. 87 (стр. 174, 175), и
рис. 88.
1 - уголок (L100 x 100 x 8);
2 - пластина (8 x 100);
3 - пластина (8 x 100);
4 - уголок (L 100 x 65 x 8);
5 - уголок (L 100 x 65 x 8);
6 - швеллер, например

;
7 - швеллер, например

.
10.4. Отдельные положения организации работ
по усилению строительных конструкций стальных
каркасов производственных зданий
10.4.1. В этом разделе приводятся отдельные положения по ремонту и усилению строительных конструкций покрытия одноэтажного производственного здания.
Из-за ремонтов кровли без снятия всех слоев, повышения влажности утеплителя, участков с повышенными снегоотложениями, которые ранее не учитывались или учитывались не в полной мере, напряжения в элементах стального каркаса значительно превысили расчетные сопротивления металла, в результате чего подлежат усилению фермы покрытия и прогоны.
Работы производятся в эксплуатируемом цехе (фото 1).
Фото 1
Общие требования
10.4.2. Восстановление несущей способности металлических элементов покрытия без снятия железобетонных плит, слоев утеплителя и кровли накладывает дополнительные требования к проведению строительных работ.
10.4.3. Все строительные работы проводятся с подмостей, вышек, лесов и настилов. Перед их проведением намечается план безопасного ведения работ, предусматривающий мероприятия, исключающие возможность обрушения конструкций, поражения людей электричеством и т.д.
Следует также учитывать необходимость в конкретных случаях установки разгружающих конструкций в виде, например, металлических инвентарных стоек опалубки для перекрытий, различного типа лесов и т.д.
10.4.4. Специфика проектирования с максимальным использованием существующих конструкций заключается:
в необходимости тщательного учета физического состояния каждой конструкции и отдельной ее части, что невозможно без непосредственного контакта с конструкцией;
в разнообразии фактически имеющихся несовершенств, дефектов и повреждений, которые не всегда дают возможность типизировать конструктивные решения;
в поиске таких конструктивных решений, реализация которых осуществима при конкретных условиях;
в необходимости учета фактического загружения элементов покрытия;
в разработке дополнительных мероприятий по обеспечению целостности конструкций до начала и в период проведения работ.
10.4.5. Работы по усилению элементов покрытия должны проводиться по этапам:
обеспечение доступа к конструкциям;
техническое обследование конструкций путем непосредственного контакта, выполняемое представителями проектной организации;
разработка решений по усилению данного элемента;
рекомендации по последовательности проведения работ, типам электродов, режимам сварки и т.д.;
выполнение строительных работ.
10.4.6. Выполнение строительно-монтажных работ должно проходить без спешки, с соответствующими записями в журналы производства работ, авторского надзора и др. документов. Между отдельными операциями необходимо устраивать технологические перерывы, например для остывания металла.
Сварочные работы
10.4.7. Несущая способность сварных швов, расчетные сопротивления сварных соединений:
расчетные сопротивления сварных соединений назначают с учетом марок сталей, сварочных материалов, видов сварки, положения швов и способов контроля.
10.4.8. Размеры и форма сварных угловых швов.
В проекте должны быть указаны: вид сварки, тип электродов или сварочной проволоки, положение шва при сварке.
Катеты угловых швов кf должны быть не более 1,2t, где t - наименьшая толщина соединяемых элементов.
Катеты угловых швов для ручной сварки принимаются не менее указанных в
табл. 1.
Расчетная длина углового сварного шва должна быть не менее 4кf и не менее 40 мм.
Расчетная длина флангового шва должна быть не более

(

,
табл. 34* [8]), за исключением швов, в которых усилие действует на всем протяжении шва.
Размер нахлестки должен быть не менее 5 толщин наиболее тонкого из свариваемых листов.
Соотношение размеров катетов угловых швов следует принимать, как правило, 1:1.
Таблица 12
Вид соединения | Предел текучести стали, МПа (кгс/см2) | Минимальные катеты швов кf, мм, при толщине более толстого из свариваемых элементов t, мм |
4 - 5 | 6 - 10 | 11 - 16 | 17 - 22 | 23 - 32 | 33 - 40 | 41 - 80 |
1 | 2 | 3 | 4 | 5 | 6 | 7 | 8 | 9 |
Тавровое с двусторонними угловыми швами; | До 430 (4400) | 4 | 5 | 6 | 7 | 8 | 9 | 10 |
нахлесточное и угловое | Св. 430 (4400) до 530 (5400) | 5 | 6 | 7 | 8 | 9 | 10 | 12 |
Тавровое с односторонними угловыми швами | До 380 (3800) | 5 | 6 | 7 | 8 | 9 | 10 | 12 |
10.4.9. Сварные стыковые соединения листовых деталей
Выполняются, как правило, прямыми с полным проваром с применением выводных планок.
В монтажных условиях допускается односторонняя сварка с подваркой корня шва и сварка на остающейся стальной подкладке.
10.4.10. Прерывистые сварные швы
| | ИС МЕГАНОРМ: примечание. В официальном тексте документа, видимо, допущена опечатка: таблица 50* в СНиП 2.03.11-85 [4] отсутствует. | |
В конструкциях 2-й и 3-й групп табл. 50*
[4], эксплуатируемых при расчетной температуре не ниже минус 40 °C в неагрессивных или слабоагрессивных средах, для обеспечения совместной работы деталей усиления и существующей конструкции допускается применять прерывистые фланговые швы.
Во всех случаях применения угловых швов следует назначать, как правило, минимально необходимые катеты. Допускается концевые участки швов проектировать с катетом большим, чем катет промежуточных участков, и устанавливать их размеры в соответствии с расчетом.
10.4.11. Согласно
ГОСТ 9467-75 типы электродов Э38, Э42, Э46 и Э50 должны применяться для сварки углеродистых и низколегированных конструкционных сталей с временным сопротивлением разрыву до 50 кгс/мм
2; Э42А, Э46А и Э50А - для сварки углеродистых и низколегированных конструкционных сталей с временным сопротивлением разрыву до 50 кгс/мм
2, когда к металлу сварных швов предъявляют повышенные требования по пластичности и ударной вязкости.
Электроды марки МР-3С соответствуют типу Э46 и предназначены для ручной дуговой сварки рядовых и ответственных конструкций из углеродистых сталей, когда к формированию швов в различных пространственных положениях предъявляют повышенные требования. Сварка во всех пространственных положениях осуществляется постоянным током обратной полярности и переменным током от источников питания с напряжением холостого хода (50 +/- 5) В.
Электроды марки УОНИ-13/55 соответствуют типу Э50А и предназначены для ручной дуговой сварки особо ответственных конструкций из углеродистых и низколегированных сталей, когда к металлу сварных швов предъявляют повышенные требования по пластичности и ударной вязкости. По характеристикам ОАО "Лосиноостровский электродный завод" сварка возможна во всех пространственных положениях, кроме вертикального сверху вниз постоянным током обратной полярности.
Таким образом, электроды марки МР-3С обеспечивают временное сопротивление разрыву шва не менее 46 кгс/мм2, УОНИ-13/55 - не менее 50 кгс/мм2, что превосходит необходимое значение 42 кгс/мм2, обеспечиваемое электродами типа Э42.
10.4.12. При производстве сварочных работ по усилению ферм в первую очередь выполняются работы по усилению нижнего пояса, затем - решетки и верхнего пояса.
Присоединение новых элементов сваркой следует производить в следующей последовательности:
установка нового элемента и крепление его к существующему с помощью струбцин;
приварка на сварных прихватках длиной 10 - 20 мм через 300 - 500 мм;
окончательную сварку производить от концевых участков к середине элемента.
10.4.13. Усиление ферм производится путем увеличения сечения элементов приваркой круглого проката по
ГОСТ 2590-88 из стали С235.
10.4.14. Круглый прокат, следует приваривать сварным швом, учитывая минимальную толщину элементов фермы.
Варить прерывистым швом кf = l/a,
где кf - высота шва; l - длина шва; a - расстояние между швами, равное:
80imin - для центрально-растянутых элементов,
40imin - для центрально-сжатых элементов.
Здесь imin - радиус инерции сечения усиливаемого элемента.
При этом следует круглый прокат приваривать, начиная с концов усиливаемого элемента к его середине.
10.4.15. Характеристики сварных швов и обход накладок стыков элементов ферм уточняются по месту.
Спецификация металла
N п/п | Марка элемента | Марка детали | Поз. | Профиль | Кол., шт. | Длина, мм | Масса, кг | Примечание |
1 дет. | Всех | 1 шт. | Всех | 1 шт. | Всех |
1 | 2 | 3 | 4 | 5 | 6 | 7 | 8 | 9 | 10 | 11 | |
1 | Ф1 | Э2 | 2 | О16 | 2 | 4 | 3000* | 12000* | 4,74 | 19,0 | |
Э3 | 3 | О32 | 2 | 4 | 5280* | 21120* | 33,32 | 133,3 | |
Э4 | 4 | О32 | 2 | 8 | 2500* | 20000* | 16,28 | 130,2 | |
Э5 | 5 | О16 | 2 | 4 | 5000* | 20000* | 7,9 | 31,6 | |
Э6 | 6 | О16 | 2 | 4 | 4000* | 16000* | 6,32 | 25,3 | |
Рис. 89. Пример усиления элементов фермы
(усиливаемые элементы обозначены пунктиром)
Разгрузка конструкций
10.4.16. Усиление конструкций под нагрузкой с помощью сварки возможно в том случае, если фактические напряжения

удовлетворяют условию

, где
Rу - расчетное значение предела текучести усиливаемого элемента.
10.4.17. Выполнение этого условия возможно:
при напряжениях в элементах, возникающих от действия постоянных нагрузок, меньших, чем 0,8Rу;
при установке разгружающих конструкций;
при определенной последовательности сварочных работ.
10.4.18. При усилении под нагрузкой сварные швы, расположенные поперек растянутых волокон усиливаемых элементов, следует выполнять только по согласованию с представителями проектной организации.
Усиление балок
10.4.19. Усиление балок производится следующим образом.
Рис. 90. Пример усиления балок
Из-за прогиба и выгиба из плоскости балки сечением

элементы усиления приваривается через пластины, расположенные вдоль и поперек усиливаемой балки.
Усиливаемый элемент принимается таврового сечения или вырезается из соответствующего двутавра.
Производство работ
10.4.20. При производстве работ участок кровли, с которого приходится нагрузка на ремонтируемые конструкции, должен быть полностью очищен от снега, фирна и наледей.
10.4.21. Места производства работ следует обеспечить ярким освещением, в том числе предусмотреть переносные светильники.
10.4.22. Работы условно можно разбить на три группы: усиление ферм; усиление прогонов, параллельных буквенным осям; установку дополнительных балок, параллельных цифровым осям для опирания плит перекрытия.
10.4.23. При начале работ по каждой группе конструкций необходимо вызывать представителей проектной организации.
Варианты усиления конструкций при этом решаются на месте после дополнительного согласования, в том числе использования приборов, фиксирующих деформативность конструкций.
10.5. Усиление сварных подкрановых конструкций
в зданиях, оборудованных мостовыми кранами тяжелого
и весьма тяжелого режимов работы
10.5.1. Известно, что в подкрановых балках трещины появляются после четырех - десяти лет эксплуатации.
Традиционная заварка трещин не исключает их повторного возникновения. В опорных частях таких балок наблюдаются продольные, поперечные и вертикальные перемещения, что приводит к ослаблению болтов крепления низа балок к колоннам и балок между собой. Встречаются трещины и разрушения в уровне верхних поясов балок, а также в вертикальных и горизонтальных связях в уровне нижних болтов поясов балок.
Конструктивная мера, существенно повышающая долговечность эксплуатируемых подкрановых балок, - усиление верхней зоны треугольными фасонками, установленными параллельно стенке у ребер жесткости, в дополнение к заварке трещин (рис. 91).
Рис. 91. Усиление верхней зоны балок
Рекомендуется в узлах крепления низа балок использовать болты или тяжи (рис. 92,
93).
Рис. 92
10.5.2. Для подкрановых конструкций характерны также разрушения. Для уменьшения их разрушений целесообразно подкрановые балки выполнять неразрезными, сварные стыки рельсов относить от разрезных балок при перепадах высот 0 - 2 мм на 750 мм, при перепадах до 4 мм - на 1500 мм, в температурных стыках - на 1500 - 2000 мм, располагать их на менее высокой балке. Разница высот балок на опорах должна превышать 3 мм на монтаже.
10.6. Усиление железобетонных колонн одноэтажных
промышленных зданий устройством стоек усиления
Реконструкция одноэтажных промышленных зданий в ряде случаев вызывает необходимость оборудования их мостовыми кранами. При этом требуется усиление колонн и устройство подкрановых консолей для установки подкрановых балок.
На практике используют обоймы из прокатных уголков или наращивание, но эти способы достаточно трудоемки и приводят к увеличению изгибающих моментов в колонне, усложнению ее напряженного состояния и повышению расхода арматуры.
Усиление колонн может быть решено установкой на ее фундамент сборных железобетонных стоек усиления, оси которых совмещают с проектным положением осей подкрановых балок. Стойки соединяют связями с существующей колонной. При этом стойки усиления будут воспринимать только вертикальную крановую нагрузку, а существующие колонны - все остальные нагрузки, действующие на здание.
Предполагаемый способ усиления железобетонных колонн имеет по сравнению с традиционными способами ряд преимуществ: упрощает производство и уменьшает трудоемкость работ; исключает мокрые процессы на строительной площадке; снижает стоимость работ и сокращает сроки реконструкции.
10.7. Новый тип подкрановых конструкций
Подкрановая конструкция, которая была повреждена в верхней зоне усталостными трещинами, приведена на
рисунке 94. Основным элементом восстановления этой балки являются специальные трехглавые рельсы, которые не повреждаются усталостными трещинами. Поврежденные части стенки подкрановой двутавровой балки были срезаны и заменены лоткообразным элементом. Эти срезанные части могут быть использованы в качестве затяжек между лоткообразным элементом и трехглавым рельсом.
Технические показатели балки после реконструкции лучше, чем вновь изготовленной. Повреждения балки усталостными трещинами исключаются.
Рис. 94. Поперечное сечение подкрановой конструкции
1 - рельс; 2 - затяжка (используется старый пояс балки); 3 - новый лоткообразный элемент; 4 - старая нижняя часть балки; 5 - старая тормозная балка.
10.8. Способы закрытия отверстий
| | ИС МЕГАНОРМ: примечание. Нумерация пунктов дана в соответствии с официальным текстом документа. | |
10.10.1. Способы закрытия отверстий см.
рис. 95 -
98.
Рис. 95. Закрытие отверстия, расположенного в плите
перекрытия и в монолитном участке, плоским
металлическим листом
Рис. 96. Закрытие отверстия в монолитном участке,
опирающемся на металлические балки, профилированным листом
Рис. 97. Закрытие отверстия в ребристых плитах
перекрытия профилированным листом
Рис. 98. Закрытие отверстий металлической крышкой
10.9. Восстановление промышленного здания
с кирпичными несущими стенами
10.9.1. На
рис. 99 приведен фасад и план 1-ого этажа здания, материалы по техническому обследованию строительных конструкций которого приведены в
табл. 14.
| | ИС МЕГАНОРМ: примечание. Нумерация пунктов дана в соответствии с официальным текстом документа. | |
10.9.1. Ведомость дефектов (см. табл. 14).
| | ИС МЕГАНОРМ: примечание. Нумерация таблиц дана в соответствии с официальным текстом документа. | |
N п/п | Описание дефекта конструктивного элемента | Местонахождение конструктивного элемента | Способ устранения |
1 | 2 | 3 | 4 |
1. КИРПИЧНЫЕ СТЕНЫ 1.1. Продольная по оси А (см. рис. 99) |
1 | 2 | 3 | 4 |
| | ИС МЕГАНОРМ: примечание. В официальном тексте документа, видимо, допущена опечатка: пункт 10.9.20 отсутствует. | |
|
1 | Разрушение поверхностного слоя кирпичной кладки на глубину 20 - 120 мм | Участок высотой 300 - 700 мм от пола на внутренней поверхности стены, практически по всей ее длине | Последовательность проведения ремонтных работ см. пп. 10.9.2 - 10.9.20 |
2 | Трещины длиной около 2000 мм, шириной до 2 мм и глубиной 120 - 240 мм | Нижняя часть наружной поверхности стены около оси 1 | |
3 | Увлажнение кирпичной кладки с шелушением и выкрашиванием поверхностного слоя | Верхняя часть внутренней поверхности стены в осях 1 - 3 и 5 - 8. Высота участка 1500 - 2000 мм | Просушить. Затереть цементным раствором |
4 | Выветривание швов кладки на глубину до 30 мм и разрушение поверхностного слоя отдельных кирпичей на глубину до 20 мм | Наружный карниз и подкарнизная часть наружной поверхности стены высотой до 4000 мм | Карниз отремонтировать, заменив выпавшие и потерявшие сцепление кирпичи, наружную поверхность покрыть защитным слоем штукатурки |
5 | Разрушение защитного слоя штукатурки | Наружная поверхность цоколя в осях 3 - 8 | Восстановить защитный слой штукатурки |
6 | Сквозные отверстия производственного назначения | По периметру зданий и высоте стен | При ненадобности заложить |
|
1 | Разрушение поверхностного слоя кирпичной кладки на глубину 20 - 60 мм | Участок высотой 300 - 700 мм от пола на внутренней поверхности стены, практически, по всей ее длине | Последовательность проведения ремонтных работ см. пп. 10.9.2 - 10.9.20 |
2 | Трещины длиной около 4000 мм, шириной до 5 мм и глубиной до 120 мм | На внутренней поверхности стены на расстоянии 500 - 700 мм от оси А под и над перекрытием на отм. 5,37 м | Усилить посредством металлических обойм или др. конструктивных решений |
|
1 | Разрушение поверхностного слоя кирпичной кладки на глубину 20 - 60 мм | Участок высотой 400 - 500 мм от пола по обеим сторонам стены, практически, по всей ее длине | Последовательность проведения ремонтных работ см. пп. 10.9.2 - 10.9.20 |
2 | Сквозная трещина длиной около 2000 мм и шириной раскрытия до 5 мм | В месте сопряжения со стеной по оси А. Начало трещины от площадки опирания ригеля Р-2, установленного по оси А м/о 1 - 2 | Усилить посредством металлических обойм или др. конструктивных решений |
3 | Сквозные отверстия производственного назначения | По высоте стен | При ненадобности заложить. Отверстия под ригелями Р-2 - заложить в обязательном порядке |
4 | Свободное пространство между перемычкой и верхней гранью проема в стене | Технологический проем м/о В - Г на отм. 3,9 м | Заложить кирпичом |
1.4. Поперечная стена между осей 5 и 6 (рис. 99) |
1 | Разрушение поверхностного слоя кирпичной кладки на глубину 10 - 100 мм | Участок высотой 400 - 600 мм от пола по обеим сторонам стены, практически по всей ее длине | Последовательность проведения ремонтных работ см. пп. 10.9.2 - 10.9.20 |
2 | Увлажнение кирпичной кладки с шелушением и выкрашиванием поверхностного слоя | Участки поверхности стены наверху в углах по обеим ее сторонам. Протяженность участков до 3000 мм и высота до 2000 мм | Просушить. Затереть цементным раствором |
3 | Сквозные отверстия производственного назначения | - | При ненадобности заложить |
|
1 | Разрушение поверхностного слоя кирпичной кладки на глубину 10 - 80 мм | Участок высотой 300 - 600 мм от пола. С внутренней стороны стены, практически по всей ее длине, с наружной - длиной 7500 мм от оси А | Последовательность проведения ремонтных работ см. пп. 10.9.2 - 10.9.20 |
2 | Увлажнение кирпичной кладки с шелушением и выкрашиванием поверхностного слоя | Участки поверхности стены наверху в углах с внутренней стороны. Протяженность участков до 2000 мм и высота до 1500 мм | Просушить. Затереть цементным раствором |
3 | Сквозные отверстия производственного назначения | По длине и высоте стен | При ненадобности заложить |
|
1 | Разрушение поверхностного слоя кирпичной кладки на глубину 10 - 80 мм | Участок высотой 200 - 400 мм от пола. На поверхности стены со стороны оси Б в осях 2 - 5 | Последовательность проведения ремонтных работ см. пп. 10.9.2 - 10.9.20 |
| | ИС МЕГАНОРМ: примечание. Текст в графе 2 дан в соответствии с официальным текстом документа. | |
|
2 | Разрушение поверхностного слоя бетонного цоколя на глубину до 10 - 50 | Участок высотой до 600 мм от пола. На поверхности стены со стороны оси Б в осях 1 - 2 и 6 - 8 | |
3 | Разрушение поверхностного слоя оголовка бетонного цоколя | Со стороны оси Б в осях 2 - 5 | |
4 | Увлажнение кирпичной кладки с шелушением и выкрашиванием поверхностного слоя | Участки поверхности стены наверху в осях 1 - 2 и 4 - 8. Высота участков 1500 - 2000 мм | Просушить. Затереть цементным раствором |
5 | Сквозные отверстия производственного назначения | По длине и ширине стен | При ненадобности заложить |
1.7. Продольная стена по оси Г м/о 1 - 2 (рис. 99) |
1 | Выветривание швов кладки на глубину до 20 мм и разрушение поверхностного слоя отдельных кирпичей на глубину до 10 мм | Наружный карниз и подкарнизная часть наружной поверхности стены высотой до 1000 мм | Карниз отремонтировать, заменив выпавшие и потерявшие сцепление кирпичи, наружную поверхность покрыть защитным слоем штукатурки |
Способы ремонта и восстановления строительных конструкций
10.9.2. Здание находится в техническом состоянии, которое предполагает ремонт и восстановление строительных конструкций по проекту, разработанному специализированной организацией.
10.9.3. Восстановление кладки наружных и внутренних кирпичных стен следует выполнять после высушивания влажных участков.
При проведении операций по очистке от грязи, биопоражений и осыпающихся деструктированных слоев кирпича следует выбрать такой режим и метод очистки, который позволил бы сохранить целостность кирпича. Для очистки плоских вертикальных поверхностей могут быть использованы электрические дрели с насадками в щадящем режиме. При этом помимо загрязнения удаляются все разрушающиеся, рыхлые и отторгающие поверхности кирпичной кладки.
После сухой механической очистки поверхности рекомендуется промывка поверхности специальным аммиачным моющим раствором, который помимо очистки от грязи, обладает антисептическими свойствами (рецепт на 10 л воды добавляется 250 мл раствора аммиака и 3 - 4 ложки стирального порошка "Лотос").
Для биоцидной обработки поверхности кирпича следует использовать 10 - 20% раствор гипрохлорита Ca (хлорная известь) или пенохлорида Na (жавелевая вода) - бытовая отбеливающая жидкость "Белизна". В 5 л воды добавляется 500 мл отбеливателя и 1 столовая ложка порошка "Лотос".
Более глубокая дезинфекция пораженных микроорганизмами участков кирпичной кладки и удаление колоний грибов с поверхности производится раствором: формалин - 5%, денатурат или спирт - 95%. Расход препарата на 1 м2 поверхности при кистевой обработке в одно покрытие составляет 200 мл. Производят 2-кратную обработку поверхности с интервалом в 30 минут.
10.9.4. Перед восстановлением кирпичной кладки необходимо тщательно выполнить гидроизоляционные работы как вверху (кровля, водостоки), так и снизу здания (гидроизоляция по участкам перекладки цоколя и поверху фундаментов).
| | ИС МЕГАНОРМ: примечание. Нумерация пунктов дана в соответствии с официальным текстом документа. | |
10.11.5. После окончания предварительных работ следует произвести замену, докомпоновку, переборку, вычинку утраченных или разрушенных участков кирпичной кладки. Вычинить дефектные участки кладки необходимо там, где осыпание кирпичной кладки произошло на значительную глубину более 1/3 толщины.
Восстанавливать кирпичную кладку с линейными повреждениями рекомендуется участками. При этом чем серьезнее повреждение, тем короче должен быть фронт работ.
| | ИС МЕГАНОРМ: примечание. Взамен ГОСТ 530-80 Постановлением Минстроя России от 05.12.1995 N 18-103 с 1 июля 1996 года введен в действие ГОСТ 530-95. | |
10.9.6. Для восстановления кирпичной кладки можно использовать строительный обжиговый кирпич марки не ниже 150, соответствующий ГОСТ 530-80 и цементный раствор марки "75 - 100" с соотношением компонентов (в частях по объему): цемент - 1 ч., песок - 3 - 4 ч. Вода добавляется до рабочей консистенции.
В цементно-песочный раствор, применяемый для ремонта наружных поверхностей стен (заделка трещин, раковин и пр.), рекомендуется вводить гидрофобизирующие добавки ГКЖ-10, ГКЖ-11 или ГКЖ-94. Возможный состав раствора: цемент - 10 кг, тонкозернистый песок - 30 кг, вода - 4 л, ГКЖ или ГКЖ-11 - 0,6 л.
Стабилизированные трещины заделываются с поверхности гипсовым раствором с тем, чтобы не вытекал инъекционный раствор (временное покрытие).
Инъецирование раствором производят после увлажнения трещин.
10.9.7. Для связи с существующей кладкой кирпичи следует устанавливать в гнезде в положении заменяемого кирпича - ложком или тычком на фасад.
Если облицовочный кирпич разрушился только с поверхности на глубину до 60 мм, ремонт следует выполнять путем расчистки разрушенной поверхности металлическими щетками с последующей штукатуркой раствором с молотым кирпичом и в случае необходимости добавкой красителя.
10.9.8. Сквозные и глубокие трещины в кирпичной кладке раскрытием более 4 мм устраняются, как правило, с частичной заменой кладки в зоне трещин и последующей инъекцией раствора. Кладка разбирается с двух сторон по длине трещины на глубину в полкирпича и на ширину не менее одного кирпича, после чего штраба закладывается новым кирпичом с перевязкой швов новой и старой кладки.
Трещины в кирпичной кладке до 4 мм заделываются инъецированием в трещины цементных, цементно-песочных или полимерцементных растворов. Инъецирование полимерцементных растворов рекомендуется во внутренние стены отапливаемых помещений с сухим или нормальным режимом. В наружные стены, а также во внутренние стены неотапливаемых помещений или отапливаемых помещений с влажным или мокрым режимом рекомендуется инъецировать цементные или цементно-песчаные растворы.
| | ИС МЕГАНОРМ: примечание. В официальном тексте документа, видимо, допущена опечатка: приложение Б отсутствует. | |
Методики выполнения работ по инъецированию раствора в кирпичную кладку предлагаются разными строительными фирмами, одна из них подробно изложена в приложении Б.
10.9.9. Приведем различные варианты ремонта кирпичной кладки, которые должны составить материалы проекта восстановления здания.
Разрушение поверхностного слоя кирпичной кладки на глубину до 120 мм в продольной стене и по оси А на участках высотой 300 - 700 мм от пола может быть ликвидировано несколькими основными способами:
перекладкой разрушенных участков стены при ограниченном фронте работ для обеспечения безопасности и выполнения мероприятий по закреплению неразбираемой части кладки;
наращиванием слоя бетона с внутренней стороны стены толщиной 7 - 8 см на высоту около 1,5 м с заполнением бетоном полостей разрушенных частей кладки (см. ниже);
устройством усиления участка стены способами, заимствованными из регламентов буроинъекционных свай.
10.9.10. При наращивании слоя бетона необходимо высверлить в неразрушенных слоях кладки отверстия, заполнить их бетоном на мелком гравии или раствором, вставить арматурные стержни, на которые закрепить арматурную сетку между опалубкой и гранью стены.
Несмотря на разные относительные деформации кладки и бетона, способ был опробован на довольно многих объектах без каких-либо негативных последствий. По нашему мнению, такое усиление все же лучше выполнять с обеих сторон стены.
10.9.11. Угол наружных стен по осям 1 и А из-за образовавшихся в нем трещин рекомендуется усилить системой местных металлических накладок. Накладки из листовой стали устанавливаются по углам с наружной и внутренней сторон стен, стягиваются шпильками или анкерами, пропущенными через отверстия в кладке. Для удовлетворения эстетических требований они могут быть утоплены в специально проделанных штрабах или скрыты в слое штукатурного покрытия.
Усиление узлов сопряжения кирпичных стен, а также участков кладки с трещинами может осуществляться стальными скобами, отстоящими друг от друга на 500 мм. Скобы должны входить в кладку не менее чем на 10 см и отстоять от трещины не менее чем на 1,5 кирпича. Отверстия для скоб должны быть заполнены бетоном или раствором.
10.9.12. Пояски и другие архитектурные элементы в здании практически полностью разрушены. Рекомендуется или отказаться от них, или выполнить заново.
Пояски на отм. кровли связаны с организацией отвода атмосферных осадков. Конструкция верха стены должна быть решена на основе типовых узлов.
10.9.13. Следует обратить внимание, что качество кирпича и раствора в здании разное. С наружной стороны стен кирпич имеет множество мелких или волосяных трещин (до 100 трещин на 1 м2); прочность кирпича в наружных стенах соответствует марке 40 - 50 (в среднем 50), за исключением участков внутри здания, разрушенных коррозией, где марка 35. Качество цементного раствора также не отличается единообразием. Встречается раствор, который крошится, но не режется, что соответствует марке 50, и в то же время на поврежденных участках раствор легко режется ножом и даже рыхлится и высыпается (марка от 0 до 10).
Во внутренних стенах на поврежденных участках марка кирпича не выше 35, раствора - от 0 до 10.
10.9.14. На рядовом участке наружных стен напряжения в кладке составляют примерно 2,7 кгс/см2, по оси 2 - 5,33 кгс/см2 или 7,23 кгс/см2.
Отсюда следует, что замена кирпичей должна быть выполнена на всех поврежденных участках стен, швы кирпичной кладки должны быть очищены от грязи, вычищены, промыты водой и плотно заделаны бетоном.
10.9.15. В связи с низким качеством кирпича наружные поверхности стен необходимо оштукатурить. Ремонт швов кирпичной кладки проводится перед штукатуркой и независимо от нее, но в этом случае необходимо оставлять в швах незаполненные участки глубиной до 1 см для связи со штукатурным покрытием.
10.9.16. Железобетонные перемычки над оконными проемами, перечисленные в
табл. 1 раздел 2, находятся в предаварийном состоянии.
При их ремонте должны быть приняты меры по временному опиранию кирпичной кладки, расположенной над перемычками.
Оконные, дверные и воротные проемы рекомендуется окантовать металлическими уголками, не допуская мостиков холода.
10.9.17. Работы по восстановлению плит должны проводиться с гарантированным качеством.
10.9.18. Основными дефектами и повреждениями железобетонных плит покрытия являются разрушение защитного слоя, обнажение и коррозия арматуры.
Регламент работ по восстановлению железобетонных конструкций, в том числе плит покрытия, разработан в
[54].
Основные операции этого регламента следующие:
удаление дефектных и поврежденных участков бетона до неповрежденного бетона, имеющего pH среды не менее 12;
выправление, сращивание, замена поперечных хомутов в случае их повреждения;
очистка от ржавчины и окалины продольной рабочей арматуры;
непосредственно перед бетонированием поверхность бетона покрыть слоем пластичного цементно-песчаного раствора состава 1:1,5 - 1:2,0 или крупного цементного теста в виде пленки толщиной 2 - 1,5 мм (цемент марки не ниже 400).
Ремонт защитного слоя рекомендуется выполнять торкретированием, соблюдая строго все требования технологии работ
[54]. Бетонирование в опалубке не исключается и производится там, где особенности работы позволяют обеспечить высокое качество, эксплуатационную надежность и долговечность конструкции.
10.9.19. Для ремонта, восстановления и усиления железобетонных конструкций, включая замоноличивание стыков, рекомендуется применять расширяющиеся безусадочные бетоны и растворы на обычном цементе и напрягающие бетоны и растворы на напрягающем цементе.
10.10. Техническое состояние панелей наружных стен
Восстановление герметичности стыков стеновых панелей
10.10.1. Восстановление герметичности стыков стеновых панелей необходимо производить в сухую погоду по сухим поверхностям панелей.
Герметизация стыков может быть выполнена в двух вариантах: в первом - с введением герметика в полость стыка между гранями панелей и во втором - с нанесением герметика на наружные кромки панелей. Во втором варианте при сохранившемся растворе в стыках изоляция выполняется с использованием отверждающихся мастик (толщиной 2 - 4 мм) или самоклеящейся ленты типа "Герлен".
10.10.2. Восстановление герметичности стыков производится в следующей последовательности (табл. 15).
Таблица 15
Последовательность выполнения операций при восстановлении
герметичности стыков стеновых панелей
N п/п | Последовательность операций | Вариант 1 | Вариант 2 | Примечание |
1 | 2 | 3 | 4 | 5 |
1. | Расчистка основания под герметизирующие и уплотняющие материалы | + | + | |
2. | Грунтовка кромок панелей | + | + | |
3. | Укладка уплотняющих прокладок | + | - | |
4. | Перемешивание компонентов отверждающих герметиков | + | + | |
5. | Нанесение герметиков | + | + | |
6. | Укладка самоклеящейся ленты | - | + | |
7. | Нанесение защитного слоя на неотверждающийся герметик | + | - | |
8. | Нанесение защитно-декоративного слоя на ленту "Герлен" | - | + | |
10.10.3. При подготовке основания под герметик растрескавшийся, отслоившийся или потерявший прочность раствор удаляется из стыка скарпелями, лопатками или другим ручным инструментом на глубину 60 - 70 мм. Мелкие частицы раствора и грязи счищаются металлическими щетками, шпателями и т.п. Старый разрушенный неотверждающий герметик извлекается изогнутыми металлическими лопатками или шпателями, периодически смачиваемыми в воде для исключения прилипания герметика. Уплотняющие прокладки извлекаются изогнутыми лопатками только в случае их значительного повреждения. Расчистка основания под герметик завершается его обеспыливанием сжатым воздухом или кистями-ручниками. Влажное основание перед производством работ необходимо просушивать.
10.10.4. Грунтовочное покрытие основания под уплотняющие прокладки и герметики выполняется в два слоя, причем второй слой наносится после высыхания первого.
10.10.5. Новые уплотняющие прокладки, заменяющие изношенные, устанавливаются насухо с обжатием на 30 - 50% с помощью закругленных деревянных лопаток. Соединение уплотняющих прокладок выполняется под углом 45° на расстоянии не менее 0,4 м от места пересечения вертикального и горизонтального стыков панелей.
10.10.6. Мастичные герметики наносятся с помощью электро- и пневмогерметизаторов. Отверждающие герметики могут наноситься шпателями. Вогнутую поверхность герметику, введенному между внутренними гранями панелей, придают с помощью деревянной расшивки, смачиваемой в воде.
10.10.7. При герметизации уширенных стыков мастика наносится в два-три приема: сначала вдоль граней стыкуемых панелей, затем посередине. Для образования требуемой ширины и толщины полосы отверждающегося герметика, наносимого на наружные кромки панелей, применяется калибровочный шпатель.
10.10.8. Для герметизации стыков используются пористые резиновые прокладки ПРП-40 и ПРП-60, полиэтиленовые прокладки ППЭ, прокладки "Вилатерм C", мастика герметизирующая нетвердеющая морозостойкая строительная "Тегерон", отверждающие мастики: тиоколовая строительного назначения АМ-0,5, "Геростон" (обычная марки "0" и морозостойкая марки "М"), бутилкаучуковые "Гермабутил" различных модификаций, "Тиопрол-2", ЛТ-1, лента герметизирующая самоклеящаяся "Герлен-Д" и др.
В качестве грунтовочных составов применяются герметик высыхающий 51-Г-18, универсальный праймер УПБ-1 (под "Гермабутил"), кремнийорганическая жидкость 141-50 (ГКЖ-8м под "Эластосил") и др. Для неотверждающихся герметиков грунтовка обязательна.
Защита неотверждающихся герметиков осуществляется нанесением на их наружную поверхность перхлорвиниловой краски ХВ-161 марки А, эмали ХВ-179 в два слоя по одному слою грунтовки ХВ-079, эмали КО-168, эмали КО-174, краски МА-015, эмали К4-136 и др.
Перейдем теперь к рассмотрению материалов по ремонту панелей из ячеистых бетонов (стеновые панели и блоки) и из железобетона (карнизные панели).
Рекомендации по ремонту панелей из ячеистых бетонов
10.10.9. Ремонт стеновых панелей из ячеистого бетона выполняется в следующем порядке: удаляется отслоившийся или поврежденный бетон; арматура диаметром 8 мм и более очищается от ржавчины до блеска или после предварительной очистки обрабатывается преобразователем ржавчины и защищается противокоррозионными покрытиями; арматура диаметром до 5 мм с глубокими коррозионными поражениями удаляется; поверхность ремонтируемых участков обеспыливается и огрунтовывается, например, латексом СКС-65ГП или 50%-ной пластифицированной дисперсией ПВА, разведенными водой в соотношении 1:3 по объему, восстанавливаются поврежденные или удаленные участки бетона.
10.10.10. Единичные трещины раскрытием более 0,5 мм заполняются штукатурным раствором состава 1:0,2:4 (цемент; известь; песок) с добавлением 10% от массы цемента поливинилацетатной 50%-ной пластифицированной дисперсии ПВА или стабилизированного латекса СКС-65ГП. Консистенция раствора должна быть 13 - 14 см по стандартному конусу. Трещины предварительно необходимо расширить на глубину 5 - 15 мм.
Тем же составом могут быть заделаны выбоины и околы, а также разрушения поверхностного слоя на глубину до 10 мм.
10.10.11. При повреждениях на глубину от 10 до 20 мм на очищенную и огрунтованную поверхность наносят поризованный раствор. Поризованный раствор можно приготовить путем перемешивания цемента и песка в соотношении 1:3 с введением порообразующих добавок в виде СНВ (0,8% от массы сухих компонентов) и ПО-6 (0,6% от массы сухих компонентов) с сернокислым железом в виде 15%-ного водного раствора в количестве 30% от массы ПО-6, либо путем введения отдельно приготовленной пены.
Пена приготавливается в смесителях, оснащенных электродрелью с насадкой, путем перемешивания в воде сульфанола, тринатрийфосфата и жидкого стекла. Для приготовления 10 л пены расходуется 50 мл воды, 40 г сульфанола, 40 г тринатрийфосфата, 80 г жидкого стекла.
Пену добавляют в цементно-песчаный раствор до получения объемной массы раствора 1500 кг/м3 (определяется взвешиванием раствора в литровой кружке).
10.10.12. При повреждениях ячеистого бетона на глубину от 20 до 50 мм и площадью до 0,5 м2 в очищенную и огрунтованную часть панели в шахматном порядке на расстоянии 150 - 200 мм один от другого с наклоном 75 - 85° к вертикальной плоскости вбивают гвозди длиной 150 - 200 мм диаметром 5 мм с противокоррозионной защитой так, чтобы крайний ряд отстоял от кромки панели на 50 мм (если разрушен участок от края панели).
Гвозди должны быть заглублены в неразрушенную часть бетона не менее чем на 100 мм, а шляпки гвоздей - утоплены на 30 мм от плоскости неповрежденной поверхности панели. На гвозди навивают проволоку и наносят поризованный раствор указанного выше состава.
10.10.13. При повреждениях ячеистого бетона на глубину более 50 мм и площадью более 0,5 м на гвозди, вбитые в ремонтируемую часть панели, надевают полотна металлической сетки, площадь которой соответствует площади ремонтируемого участка. На армированный таким образом участок наносят поризованный раствор.
10.10.14. Поверхность поризованного раствора во всех случаях его применения в течение первых двух суток после нанесения следует смачивать водой через каждые 4 часа.
10.10.15. Повреждения больших участков стеновых панелей из ячеистого бетона, включая сквозные отверстия и проемы, можно устранять заполнением кладкой из мелких ячеистобетонных блоков, выполняя работы в следующем порядке: расчистка поврежденных участков; заготовка штучных элементов (блоков) необходимых размеров; очистка арматуры от продуктов коррозии и нанесение противокоррозионных покрытий; закладка поврежденных участков штучными элементами на цементно-известковом растворе с добавкой поризованного заполнителя (молотого шлака, керамзита и т.п.) или на поризованном растворе.
10.10.16. Сквозные отверстия в панелях можно также устранять замоноличиванием их керамзитобетоном с устройством опалубки из дерева или металлических листов.
Следует обратить внимание на необходимость насечки старого неповрежденного бетона и устройство дополнительных анкеров. При этом центр отверстия для установки анкера должен отстоять не менее чем на 70 мм от наружного края панели.
Непосредственно перед бетонированием обнаженные участки арматуры и поверхность бетона рекомендуется покрыть слоем пластичного цементно-песчаного раствора состава 1:1,5 - 1:2 или жирного цементного теста в виде планки толщиной 1 - 1,5 мм. Для такого покрытия допускается цемент марки не ниже 400.
Способы восстановления стеновых панелей см.
рис. 95,
96.
Рекомендации по ремонту карнизных панелей
10.10.17. Ремонт и восстановление железобетонных карнизных панелей производится при необходимости:
- увеличения сечения рабочей арматуры, ослабленной в результате дефектов изготовления или эксплуатационных повреждений (коррозионных, механических);
- усиления анкеровки рабочей арматуры;
- усиления рабочего сечения бетона, ослабленного в результате коррозионных повреждений (трещин, выкрашивания, снижения прочности);
- ликвидации дефектов или повреждений в сопряжениях элементов, ухудшающих условия заделки или опирания.
| | ИС МЕГАНОРМ: примечание. Нумерация пунктов дана в соответствии с официальным текстом документа. | |
10.10.17. Дефектные и поврежденные участки бетона необходимо тщательно расчистить и удалить.
В целях обеспечения лучшего сцепления нового бетона со старым после расчистки и (при необходимости) термохимической обработки поверхности бетона, правки, восстановления и очистки от ржавчины и окалины арматуры следует:
- ремонтируемые поверхности дополнительно очистить от мусора и промыть струей воды под давлением;
- в местах, где бетон удаляется частично, в том числе в защитном слое, перед обработкой поверхности металлической щеткой произвести насечку бетона;
- поверхность старого бетона до нанесения слоя нового бетона поддерживать во влажном состоянии;
| | ИС МЕГАНОРМ: примечание. В официальном тексте документа, видимо, допущена опечатка: пункт 10.12.8 отсутствует. | |
- так же как и при восстановлении стеновых панелей, непосредственно перед бетонированием карнизных панелей с их горизонтальных поверхностей удалить лужицы воды, после чего обнаженные участки арматуры и поверхность бетона обработать как было уже сказано в 10.12.8.
10.10.18. Новый бетон следует укладывать не позднее чем через 1 - 1,5 ч после нанесения раствора.
Класс по прочности на сжатие (марку) нового бетона рекомендуется принимать на ступень выше проектного класса (марки) ремонтируемой конструкции, но не ниже B15 (М200). В качестве крупного заполнителя для нового бетона следует применять щебень мелких фракций (от 5 до 10 мм) или гравий.
Распалубку необходимо производить не ранее чем через 14 суток, твердение бетона должно протекать при температуре не ниже 15 °C. В течение этого периода не реже двух раз в день следует производить увлажнение бетона.
10.10.19. Для ремонта и восстановления карнизных панелей рекомендуется применять расширяющиеся безусадочные бетоны и растворы на обычном цементе и напрягающие бетоны и растворы на напрягающем цементе. Бетонирование выполняется как в опалубке, так и торкретированием, а нанесение раствора - торкретированием. Марка раствора для торкретирования должна быть не ниже М150; для приготовления раствора используется крупнозернистый песок.
Возможные составы расширяющегося безусадочного бетона и раствора на обычном цементе, напрягающих бетонов и растворов на напрягающем цементе приведены в специальной литературе, например, (
54,
55).
10.10.20. Крепление опалубки для ремонта защитных слоев железобетонных конструкций следует производить путем подвешивания к арматуре конструкций или путем опирания на специально устанавливаемые временные устройства.
Щиты опалубки должны быть плотно прижаты к поверхности железобетонных элементов и плотно законопачены. Внутренние полости между телом бетона и опалубкой следует тщательно очистить от стружки, щепы и опилок.
При восстановлении защитных слоев на нижней плоскости элементов железобетонных конструкций опалубку в местах ее сопряжения с вертикальными гранями ремонтируемого элемента следует выполнять с уклоном от вертикальной грани элемента с образованием поверх зазоров шириной от 0,2 до 1 см, обеспечивающих выход воздуха и контроль качества работ при бетонировании.
10.10.21. Ремонт защитного слоя и других участков в железобетонных конструкциях торкретированием выполняется с соблюдением следующих условий:
- поверхность бетона и арматуры подготавливается согласно указаниям, изложенным выше;
- перед торкретированием поверхность бетона промывается водой, как правило, под давлением;
- в зависимости от требуемой толщины торкретирование ведется послойно при толщине каждого слоя от 2 до 20 мм, при этом требуется каждый последующий слой наносить после схватывания предыдущего, но не позднее чем через сутки после нанесения предыдущего слоя; поверхность каждого предыдущего слоя перед нанесением последующего слоя смачивается водой;
- при длительных перерывах в нанесении слоев поверхность ранее нанесенного слоя очищается с помощью пескоструйного аппарата или стальной щетки и промывается водой под давлением;
- все наносимые слои, за исключением последнего, оставляются без затирки;
- готовая поверхность торкретбетона должна находиться во влажном состоянии в течение 10 - 14 сут., для чего ее периодически смачивают водой.
10.10.22. В случаях, когда цементные композиции не могут быть использованы для восстановления карнизных панелей вследствие недостаточной адгезии к ремонтируемой поверхности, необходимости повышения стойкости материалов конструкций к химическим воздействиям, применяются более дорогие полимерные составы
[56].
Восстановление элементов опирания и крепления наружных стен
10.10.23. Основными методами восстановления узлов крепления стеновых и карнизных панелей является их ремонт с приближением фактической конструкции как можно ближе к проектному решению.
10.10.24. Кроме проектного решения, могут быть следующие способы обеспечения их надежности:
- приварка дополнительной арматуры параллельно существующим стержням;
- крепление элементов узла к витражам;
- устройство анкеров в "теле" панели и т.д.
Для всех узлов, имеющих болтовое соединение, необходимо проверить затяжку болтов.
10.10.25. При анкерном креплении необходимо просверлить отверстия в плите, заполнить их бетоном на мелком гравии или раствором и, пока они не застыли, вставить металлический стержень, к которому прикрепить остальные элементы узла.
Восстановление армирования стеновых панелей
| | ИС МЕГАНОРМ: примечание. Взамен ГОСТ 14098-85 Постановлением Госстроя СССР от 28.11.1991 N 19 с 1 июля 1992 года введен в действие ГОСТ 14098-91. | |
10.10.26. На
рис. 100 показано восстановление элементов сеток стеновых панелей. Соединения замененных и существовавших стержней арматуры производятся при помощи привязки их между собой, применением крюков и пр. В монтажных условиях крестообразные, стыковые, нахлесточные и тавровые соединения арматуры допускается выполнять, применяя приведенные в ГОСТ 14098-85 и в нормативных документах на сварную арматуру способы дуговой, в том числе и ручной, сварки. Не допускается применять дуговую сварку прихватками в крестообразных стержнях рабочей арматуры класса А-III марки 35ГС.
Рис. 100. Восстановление армирования панелей
Применяя ручную дуговую сварку при выполнении сварных соединений, рассчитываемых по прочности, в сетках и каркасах, следует устанавливать дополнительные конструктивные элементы в местах соединения стержней продольной и поперечной арматуры (прокладки, косынки, крючки и т.д.).
10.10.27. Стыки ненапрягаемой рабочей арматуры внахлестку применяются при стыковании сварных и вязаных каркасов и сеток. Правила устройства стыков ненапрягаемой арматуры внахлестку (без сварки) приведены в
[6].
10.11. Ограждающие конструкции
Окна
10.11.1. Контроль за состоянием окон в процессе эксплуатации и проведение работ по их ремонту осуществляется службами эксплуатации зданий.
10.11.2. На персонал службы эксплуатации зданий, ответственный за состояние и ремонт окон, должны возлагаться следующие обязанности:
- систематическое наблюдение за состоянием конструкций;
- выявление возможных отклонений в конструкциях от проектных решений, требующих устранения;
- выявление работ по регулярной очистке элементов остекления;
- проведение работ по текущему и капитальному ремонту конструкций;
- ведение технического журнала эксплуатации окон и внесение в него отметок о выявленных отклонениях в конструкциях от проектных решений и принятых мерах по их устранению.
10.11.3. Работы по ремонту или реконструкции окон должны выполняться специализированной организацией, имеющей соответствующие лицензии.
10.11.4. Контроль за состоянием окон должен проводиться путем их осмотров не реже 3 раз в год - в зимний, весенний периоды, а также в случае возникновения чрезвычайных обстоятельств.
10.11.5. Осмотры конструкций окон ставят своей целью выявление:
- состояния элементов остекления и наличия в них дефектов (трещин, сколов, пробоин и др.);
- мест образования конденсата и наледей;
- мест наиболее интенсивного загрязнения;
- состояния уплотнителей и герметизации стыков;
- состояния коробок и створок;
- состояния крепежных элементов, приборов и механизмов открывания;
- состояния сливов, нащельников.
10.11.6. Во время зимних осмотров окон основное внимание должно быть уделено выявлению состояния стыков, мест образования конденсата и наледей на поверхности конструкций, проверке надежности работы механизмов открывания при отрицательных температурах наружного воздуха.
При весенних осмотрах должны быть выявлены дефекты конструкций, требующие их устранения, и определены объемы работ по текущему и капитальному ремонту.
При осенних осмотрах должно быть проверено состояние и готовность конструкций к эксплуатации в зимний период с учетом результатов выполненных работ по ремонту и реконструкции.
10.11.7. Для очистки окон должны применяться моющие средства, не оказывающие агрессивного воздействия на несущие элементы окон, остекление, уплотнители и герметики.
10.11.8. Работы по окраске окон, замене остекления, ремонту стыков, замене уплотнительных прокладок и т.п. следует, как правило, производить в теплый период года.
Фонари для естественного освещения помещений
| | ИС МЕГАНОРМ: примечание. Нумерация пунктов дана в соответствии с официальным текстом документа. | |
10.11.15. Для устройства верхнего естественного освещения и вентиляции помещений, избытки явного тепла в которых превышают 23 Вт/м
3, как правило, должны применяться прямоугольные одноярусные светоаэрационные фонари
(фото 3). Техническая документация на эти конструкции представлена в альбомах серий 1.464.2-25.93, 1.464-11/82, 1.464-13/82 и 1.464.3-22. Двухъярусные светоаэрационные фонари (серия 1.464-13/82) могут применяться только при соответствующем технико-экономическом обосновании целесообразности их использования.
Светоаэрационные фонари должны располагаться по оси пролетов здания. Длина фонарей не должна превышать 120 м. Расстояние между торцами фонарей, а также от торца фонаря до наружной стены должно быть не менее 6 м.
Фото 2. Зенитные фонари
Фото 3. Светоаэрационные фонари
10.11.9. Контроль за эксплуатацией и ремонтом фонарей должен осуществляться службой эксплуатации зданий совместно с руководителями производственных подразделений, расположенных в данных помещениях.
10.11.10. На службу эксплуатации зданий, ответственную за состояние фонарей, возлагаются следующие обязанности:
осуществление контроля за соблюдением производственным персоналом правил эксплуатации фонарей;
организация периодических осмотров фонарей не реже двух раз в год - весной и осенью с выявлением причин возникновения дефектов;
организация внеочередных осмотров, осуществляемых совместно со специальной комиссией, в случае техногенных катастроф или стихийных бедствий;
составление смет на ремонтно-восстановительные работы;
составление заявок на материалы и механизмы для выполнения ремонтных работ;
хранение документов по эксплуатации и периодическому ремонту фонарей.
10.11.11. В обязанности лиц, на которых возлагается ответственность за эксплуатацию и ремонт фонарей, входит:
систематическое наблюдение за состоянием фонарей и, в том числе, светопропускающих элементов;
ведение технического журнала по эксплуатации фонарей с указанием неисправностей, требующих устранения;
оказание необходимой помощи в работах по ремонту фонарей;
составление заявок на проведение очистки и ремонтно-восстановительных работ светопропускающих элементов фонарей;
приемка текущих ремонтных работ;
участие в работах комиссии по приемке и сдаче в эксплуатацию фонарей и их отдельных элементов после их ремонта.
10.11.12. Служба эксплуатации зданий может приглашать специализированные организации для проведения обследования фонарей, а также подрядные ремонтно-строительные организации для выполнения ремонтных работ с осуществлением контроля за качеством их выполнения.
| | ИС МЕГАНОРМ: примечание. Нумерация пунктов дана в соответствии с официальным текстом документа. | |
10.13.13. При периодических весенних осмотрах фонарей должны устанавливаться объемы основных работ по ремонту конструкций. Осенние осмотры фонарей должны ставить своей целью выявление готовности конструкций к эксплуатации в зимних условиях и необходимости проведения дополнительных ремонтных работ.
10.11.14. При проведении периодического осмотра фонарей должны быть выявлены:
дефекты элементов остекления;
состояние уплотнительных прокладок и герметизирующих мастик в швах между отдельными элементами конструкций;
места и причины образования конденсата на поверхности элементов остекления;
состояние и работоспособность механизмов открывания створных элементов.
| | ИС МЕГАНОРМ: примечание. Нумерация пунктов дана в соответствии с официальным текстом документа. | |
10.11.14. Если при осмотре или текущей эксплуатации фонарей выявляются неисправности конструкций фонарей, угрожающие безопасности людей или сохранности имуществ, они должны быть немедленно устранены.
10.11.15. Основными видами и причинами возникновения дефектов в фонарях являются:
снижение светопропускания элементов остекления вследствие нерегулярной и некачественной их очистки от загрязнений, а также образования на поверхности остекления капельного конденсата, инея и наледей;
протечки дождевых вод через дефектные либо поврежденные участки фонарей;
повышенная воздухопроницаемость вследствие разрушения остекления, деформации створок, отсутствия уплотняющих прокладок;
разрушение остекления - трещины, выколы и другие механические повреждения светопропускающих элементов, образовавшиеся при монтаже, ремонте и очистке от загрязнений, накопления и замерзания влаги во внутренних полостях остекления, температурные деформации несущих элементов;
образование инея или наледей на обращенных в помещение поверхностях вследствие низких теплотехнических качеств конструкций или их отдельных узлов;
дефекты и повреждения уплотняющих прокладок и герметизирующих мастик;
дефекты и повреждения приборов открывания.
10.11.16. При эксплуатации фонарей основное внимание должно уделяться элементам светопропускающего заполнения и предохранению их от механических повреждений и разрушающего воздействия климатических факторов.
Скалывание наледей или смерзшегося снега с элементов фонарей не допускается.
| | ИС МЕГАНОРМ: примечание. Нумерация пунктов дана в соответствии с официальным текстом документа. | |
10.13.17. Ремонт фонарей должен включать выполнение комплекса мероприятий, направленных на поддержание или восстановление первоначальных эксплуатационных характеристик конструкций.
10.11.18. Разрушенные стекла или стеклопакеты должны быть удалены, а световые проемы до их замены закрыты щитами.
При разгерметизации стеклопакетов или светопропускающих элементов из полимерных материалов (в случае невозможности их замены) влага, скопившаяся в воздушной прослойке, может быть удалена путем устройства отверстий в торцах. При проведении ремонта разгерметизированные или имеющие трещины стеклопакеты или светопропускающие элементы из полимерных материалов должны быть заменены новыми.
Светопропускающие элементы из полимерных материалов с незначительными механическими повреждениями допускается ремонтировать.
10.11.19. При выполнении работ по ремонту конструкций фонарей должны обеспечиваться выполнение правил техники безопасности, охрана труда, а также бесперебойная работа размещенных в помещениях производств.
10.11.20. До выполнения ремонтных работ по замене поврежденных светопропускающих элементов необходимо оградить зоны возможного падения осколков.
10.11.21. Ремонт конструкций фонарей должен, как правило, производиться в теплое время года. При выполнении ремонтных работ необходимо выполнять мероприятия по защите помещений и оборудования от атмосферных осадков и предотвращению случайного падения элементов светопропускающего заполнения, вспомогательных материалов и инструмента.
10.11.22. Светопропускающие элементы фонарей должны регулярно очищаться от загрязнений.
Очистка остекления может производиться сухим, полусухим и мокрым способами. При сухой очистке используются специальные пасты, которые наносятся на остекление и удаляются с него без последующей промывки. При полусухом способе после нанесения пасты остекление промывается. Мокрую очистку выполняют чистой водой или специальными растворителями.
Не допускается применение моющих средств, являющихся агрессивными к материалу светопропускающего заполнения и герметизирующих элементов.
В качестве инструмента и приспособлений для очистки остекления могут использоваться:
- аппараты высокого давления с нагревом воды;
- щетки с электрическим или пневматическим приводом;
- скребки с резиновыми насадками, поролоновые или резиновые губки, швабры, полотенца и т.п.
При выполнении работ по очистке или ремонту зенитных фонарей не допускается класть или опирать на остекление инструменты и приспособления.
10.11.23. Устанавливаемые при ремонте фонарей новые элементы конструкций по своим размерам и физико-техническим характеристикам должны соответствовать заменяемым.
10.11.24. В тех случаях, когда в процессе осмотра выявлены конструкции с дефектами, которые не могут быть устранены, они должны быть заменены на новые с такими же характеристиками.
Дефекты светопрозрачных конструкций
10.11.25. Зенитные фонари
К числу недостатков конструкций зенитных фонарей следует отнести недостаточный уклон элементов остекления, который составляет 3%. Это приводит к образованию больших отложений снега на поверхности остекления и более интенсивному загрязнению наружной поверхности стеклопакетов, затрудняет сток воды при таянии снега.
К конструктивным недостаткам зенитных фонарей следует отнести и сложность их эксплуатации. Очистка стеклопакетов со стороны помещения затруднительна из-за сложности загрязнения. Недостатком зенитных фонарей является относительно малая высота опорного стакана и незначительное возвышение остекления над кровлей. Этот недостаток фонарей усугубляется многочисленными наслоениями водоизоляционного ковра при ремонте кровли. В ряде случаев остекления фонарей возвышается над кровлей на 15 - 20 см, что затрудняет сброс атмосферных осадков с фонаря на кровлю, а в зимнее время конструкции заносятся снегом.
10.11.26. Светоаэрационные фонари
Дефекты фонарей, в основном, объясняются недостатками их конструктивного решения.
Результаты натурных обследований показывают, что стекла переплетов имеют трещины и выколы. Эти повреждения остекления, как правило, концентрируются по концам открывающихся панелей фонарей, что обусловлено недостаточной жесткостью переплетов и их перекосами из-за несинхронности работы механизмов открывания. Разрушения отмечены и в местах крепления стекол кляммерами к элементам переплета. Переплеты имеют значительные повреждения коррозией. Регулярная очистка остекления фонарей не производится и они сильно загрязнены.
Ремонт и реконструкция светопрозрачных ограждений
10.11.27. Комплекс мероприятий по ремонту и реконструкции светопрозрачных ограждений, следует разделить на два независимых друг от друга вида работ.
1-й вид работ. Ремонтно-восстановительные.
2-й вид работ. Работы по реконструкции светопрозрачных ограждений с частичной заменой их на новые.
10.11.28. Зенитные фонари
1-й вид работ. Работы по ремонту и частичной реконструкции существующих зенитных фонарей предусматривают сохранение их несущей конструкции, замену светопропускающих элементов (стеклопакетов), демонтаж защитных сеток, установленных под остеклением, установку нащельников и герметизацию стыков между стеклопакетами и нащельниками.
2-й вид работ. Работы по реконструкции зенитных фонарей предусматривают полную замену их несущих конструкций и светопропускающих элементов. Это объясняется необходимостью увеличения уклона элементов остекления и превышения их над кровлей.
Приведены 4 варианта проектных решений:
1. Фонарь треугольного поперечного сечения с глухими светопропускающими элементами из однокамерных стеклопакетов и вентиляторов, встроенных в один из торцов опорного стакана (рис. 101).
Рис. 101
2. Фонарь треугольного поперечного сечения с глухими светопропускающими элементами из многослойных панелей из поликарбоната и вентилятором, встроенным в один из торцов опорного стакана (рис. 102).
Рис. 102
3. Фонарь арочного поперечного сечения с глухими светопропускающими элементами из гнутых многослойных панелей из поликарбоната и вентилятором, встроенным в один из торцов опорного стакана (рис. 103).
Рис. 103
4. Фонарь треугольного поперечного сечения с открывающимися светопропускающими элементами из многослойных панелей из поликарбоната (рис. 104).
Поперечный разрез фонаря
Рис. 104
10.11.29. Светоаэрационные фонари
1-й вид работ. Работы по ремонту фонарей должны включать замену стекол.
2-й вид работ. Выполнение работ с целью повышения теплотехнических качеств.
Для повышения теплотехнических качеств фонарей необходимо заменить переплеты фонарей с однослойным остеклением на новые переплеты с двухслойным остеклением. Стыки между переплетами уплотнить резиновыми профилями и перекрыть нащельниками.
В качестве элементов светопропускающего заполнения переплетов фонарей могут быть использованы однокамерные стеклопакеты или многослойные панели из поликарбоната.
10.12. Метод ремонта многослойных кровель
и оборудование для его осуществления
10.12.1. Метод основан на регенерации материалов водоизоляционного ковра, его термомеханической обработке с помощью гибких поверхностных электронагревателей (ГПЭН) и специального прикаточного устройства, когда последовательно выполняют разогрев, разравнивание и уплотнение водоизоляционного ковра. Он также включает в себя технологические операции по высокоэффективной защите водоизоляционного ковра от вздутий, расслоений и трещин. При этом монолитность и водонепроницаемость поврежденной кровли восстанавливаются без устройства новых и замены существующих слоев.
10.12.2. Комплект переносного оборудования для термомеханической обработки кровель ("ПОТОЛОК") состоит из двух гибких поверхностных электронагревателей с токопроводящей углеродной тканью площадью по 1 м2 каждый, прикаточного устройства, передающего давление на кровлю до 0,5 МПа (5 кгс/см2), и понижающего трансформатора.
Применение оборудования не менее эффективно также при устройстве новой кровли из наплавляемых рулонных материалов, наклейке дополнительного слоя из обычного рубероида поверх ранее отремонтированной кровли (в обоих случаях клеящая мастика не требуется).
10.12.3. Специально для проверки состояния многослойной кровли до и после ее ремонта Ростовским и Санкт-Петербургским НИИ АКХ разработан дефектоскоп, принцип работы которого основан на выявлении скрытых дефектов и повреждений по скоплениям влаги, образующимся в толще многослойной кровли в местах нарушения ее герметичности, расслоения и отслоения. Дефектоскоп позволяет обнаруживать влагу в толще покрытия на глубину до 60 мм без вскрытия водоизоляционного ковра. Им можно определять толщину водоизоляционного ковра, а также вид материала стяжки.
10.13. Содержание и ремонт полов
10.13.1. В процессе обследований полов регистрируются характер и расположение возникших дефектов.
К числу типичных дефектов относятся:
- наличие скопившейся жидкости на поверхности пола,
- выбоины, сколы, вмятины, истирание покрытия,
- отслоение или отрыв покрытия от нижних слоев,
- вспучивание или просадка пола,
- трещины в покрытии, выкрашивание,
- наличие пустых или частично заполненных швов между штучными материалами,
- низкая прочность, размягчение,
- изменение структуры или химического состава материала покрытия и др.
Причины образования дефектов могут быть следующие:
- усадочные напряжения, приводящие к возникновению трещин в бетонных полах (с поднятием кромок на 3 - 5 мм) в течение первых 2 - 3 мес. после изготовления, могут образоваться в результате нарушения состава бетона, из-за повышенного водоцементного отношения, нарушения технологии твердения бетонной смеси (отсутствие увлажнения в первые 7 - 10 сут.);
- в зимний период в неотапливаемых помещениях наиболее вероятной причиной вспучивания бетонных полов являются деформации грунта;
- просадка полов чаще всего вызвана недостаточным уплотнением насыпного грунта основания и образованием под полом воздушных полостей;
- вспучивание деревянных покрытий вызвано замачиванием полов;
- трещины на покрытиях из плиток возникают вследствие ударных воздействий на пол, причем трещины имеют звездчатый характер;
- образование пузырей на монолитных полимерных покрытиях, при прокалывании которых появляется вода, объясняется поступлением воды снизу через бетонную стяжку к покрытию;
- повышенное истирание покрытия пола обусловлено, как правило, применением типа покрытия, не соответствующего условиям эксплуатации;
- неправильность лотков, трапов или других элементов систем отвода жидкостей приводит к застаиванию жидкости на поверхности пола;
- наличие пустых или частично заполненных швов между штучными материалами объясняется недостаточной химической стойкостью к жидкостным средам мастик, использованных для крепления штучных материалов.
Характерные дефекты и повреждения:
- износ и выпадение клепок из-за слабого основания или непрочной древесины;
- проседание отдельных клепок, уложенных на мастике, под сосредоточенной нагрузкой.
Порядок ремонта:
- паркетные полы ремонтировать путем перестилки поврежденных участков и замены пришедших в негодность щитов, отдельных клепок той же формы и породы древесины. При этом поверхность подстилающего слоя очистить от мусора и при необходимости в деревянном основании заменить сгнившие доски, а бетонные и цементно-песчаные поверхности выровнять шпаклевкой;
- на подготовленное основание уложить паркетные клетки, произвести циклевку и покрыть их лаком.
1 - паркетные клетки;
2 - доски основания;
3 - лаги;
4 - прокладки из рубероида;
5 - бетонное основание или железобетонное перекрытие.
Характерные дефекты и повреждения:
- отслоение и вспучивание линолеума из-за плохой мастики и попадания под него воды;
- истирание участками, особенно при неровном основании.
Если дефекты и повреждения составляют более 25% площади пола, то производят полную его замену.
Порядок ремонта:
- снять кусок или лист вспученного линолеума и вырезать новый кусок несколько больших размеров. Восстановить, если требуется, основание. Оно должно быть ровным и жестким, из раствора или плит;
- основание тщательно очистить. Перед наклейкой за 4 - 5 дней линолеум раскатать. Наклеить новый кусок линолеума так, чтобы его кромки не приклеились по всему контуру шириной 1,5 - 2,0 см. На следующий день кромки прирезать и приклеить. После этого на весь отремонтированный участок положить фанеру и прижать ее грузом.
Для наклейки линолеума применяют кумароно-каучуковую мастику КН-2, КН-3 или холодную резинобитумную мастику. Линолеум на войлочной основе настилается насухо.
1 - линолеум глифталевый или поливинилхлоридный, на мастике;
2 - основание - стяжка;
3 - бетонное основание или железобетонное покрытие.
Характерные дефекты и повреждения:
- истирание при недостаточной прочности древесины;
- усушка древесины и образование в полу щелей;
- коробление и выпирание досок при избыточном увлажнении;
- гниение досок при использовании сырой древесины, увлажнении ее в процессе эксплуатации или недостаточной вентиляции подполья;
- зыбкость пола.
Порядок ремонта:
- пораженные грибом доски, лаги или их части вырезать и сжечь, усилить, укрепить основание (заменить лаги, поставить накладки на лаги и т.п.);
- устранить, при необходимости, источник увлажнения и обеспечить вентиляцию подполья, перестелить пол сухими досками из более прочной древесины;
- сколоть пол с пристрожкой и подгонкой старых и постановкой новых досок, покрасить пол.
1 - дощатый пол;
2 - лаги;
3 - прокладки из рубероида;
4 - бетонное основание или железобетонное перекрытие.
10.13.5. Пол из метлахских (керамических) плиток
(рис. 108)
Характерные дефекты и повреждения:
- отслоение, разрушение, истирание отдельных клепок при механических воздействиях на пол или низком качестве материалов.
Порядок ремонта:
- при местном разрушении пола из метлахских плиток плитки разобрать;
- основание очистить от раствора, пыли, смочить;
- уложить новые или очищенные плитки на цементном растворе 1:3 (цемент:песок) слоем 15 мм.
Отремонтированный участок оградить на время твердения раствора.
1 - метлахские плитки;
2 - цементный раствор;
3 - бетонное основание или железобетонное, перекрытие.
Характерные дефекты и повреждения:
- разрушение пола при просадке основания;
- истирание, разрушение пола при механических воздействиях или низком качестве материалов.
Порядок ремонта:
- в месте разрушения пола поврежденное основание разобрать, грунтовое основание уплотнить трамбованием, по нему уложить бетон, после его твердения восстановить цементный пол;
- при восстановлении только пола поврежденный участок удалить, бетонное основание смочить и нанести на него слой цементного раствора, выровнять этот слой металлической рейкой.
Отремонтированный участок оградить на время твердения раствора.
1 - цементный пол;
2 - бетонное основание.
Характерные дефекты и повреждения:
- разрушение пола при просадке основания;
- истирание, разрушение пола при механических воздействиях или низком качестве материалов.
Порядок ремонта:
- в месте разрушения пола поврежденное основание, грунтовое основание уплотнить трамбованием, по нему послойно уложить бетон, после его твердения восстановить металлоцементный пол;
- при восстановлении только пола поврежденный участок удалить, бетонное основание смочить и нанести на него слой цементного раствора. После твердения основания уложить слой цементного раствора и через сутки затереть его цементным порошком.
Отремонтированный участок оградить на время твердения раствора.
1 - металлоцемент;
2 - раствор;
3 - бетонное основание.
Характерные дефекты и повреждения:
- истирание, разрушение пола при механических воздействиях или низком качестве материалов.
Порядок ремонта:
- при восстановлении пола поврежденный участок удалить, бетонное основание очистить от пыли и грязи;
- уложить новую гидроизоляцию и кислотостойкий бетон (такие, какие применялись по проекту) послойно, выравнивая с общим уровнем металлической рейкой.
Отремонтированный участок оградить на время твердения бетона.
1 - бетон кислотостойкий;
2 - гидроизоляция;
3 - бетонное основание.
10.14. Техническое состояние конструкций балконов
Результатами визуального осмотра балконов являются:
10.14.1. В железобетонных плитах балконов могут быть обнаружены разрушения бетона по краям и около закладных деталей. В остальной своей части плиты находятся в удовлетворительном состоянии.
10.14.2. Стяжка из цементно-песчаного раствора имеет, как правило, разрушенные и поврежденные участки.
10.14.3. Из других вероятных повреждений балконов необходимо отметить следующие:
- закладные детали плиты покрыты коррозионными отложениями;
- на металлических элементах балконов - стойках, ограждениях, закладных деталях и т.д. - отсутствует краска и имеется коррозия различных видов.
10.14.4. Для ремонта балконов необходимо выполнить следующие мероприятия:
- пустые швы между кирпичами вокруг балконных плит необходимо инъецировать цементным раствором;
- очистить от наружного покрытия поверхность балконов и удалить разрушенные или непрочные участки цементно-песчаного покрытия, в том числе вокруг стоек ограждения;
- зачистить закладные детали плиты и все металлические элементы ограждения. Обнаженные стержни и полосы должны быть тщательно очищены от ржавчины и окалины скребками и металлическими щетками.
10.14.5. Ремонт железобетонной балконной плиты необходимо начинать с расчистки и удаления дефектных и поврежденных участков бетона.
Все намеченные к удалению и расчистке дефектные или поврежденные участки следует оконтурить (мелом, краской). Бетон удаляется острым зубилом до глубины, где он не выкрашивается и не издает глухого звука при простукивании молотком. Обнаженные стержни арматуры, как и элементы ограждений должны быть тщательно очищены от грязи, ржавчины и окалины скребками или металлическими щетками.
10.14.6. В целях обеспечения лучшего сцепления нового бетона плиты со старым после расчистки и термохимической обработки (при замасленной поверхности) старого бетона, правки, восстановления и очистки от ржавчины и окалины арматуры следует:
- рекомендуемые поверхности дополнительно очистить от мусора, обработать металлической щеткой, обеспылить и пролить водой;
- в местах, где зачищенный слой или участок бетона удаляется частично, перед обработкой поверхности металлической щеткой произвести насечку бетона;
- поверхность старого бетона до нанесения слоя нового бетона поддерживать во влажном состоянии;
- непосредственно перед бетонированием с горизонтальных поверхностей старого бетона удалить лужицы воды, после чего обнаженные участки арматуры и поверхность бетона покрыть слоем пластичного цементно-песчаного раствора состава 1:1,5 - 1:2 или жирного цементного теста в виде пленки толщиной 1 - 1,5 мм (цемент марки не ниже 400);
- новый бетон следует укладывать не позднее чем через 1 - 1,5 ч после нанесения раствора.
Класс по прочности на сжатие (марку) нового бетона рекомендуется принимать на ступень выше проектного класса (марки) ремонтируемой конструкции, но не ниже B15.
Распалубку следует производить не ранее чем через 14 суток, твердение бетона должно протекать при температуре не ниже 15 °C. В течение этого периода не реже двух раз в день необходимо производить увлажнение бетона.
Термическая обработка заключается в обработке 0,1%-ным раствором ПАВ (ОП-7 или ОП-10) в течение 1 - 1,5 ч; прогрев при температуре около 180 °C в течение 1 ч; обработка органическим растворителем - трихлорэтиленом, перхлорэтиленом в течение 1 ч; сушка при температуре около 100 °C в течение 0,5 ч.
10.14.7. Цементно-песчаную стяжку на железобетонную плиту балкона рекомендуется укладывать с металлической сеткой d3 с ячейками 100*100 мм.
10.14.8. При необходимости дополнительного крепления ограждения в кирпичной стене высверливается отверстие глубиной более 20 см и диаметром 20 мм и заполняется раствором или бетоном на мелком гравии. После чего в него устанавливается анкер из периодического арматурного стержня d14, служащий для крепления боковых ограждений.
10.14.9. Покрытие пола балкона рекомендуется устраивать из керамической плитки.
10.14.10. После проведения всех восстановительных работ надежность крепления балконных ограждений необходимо проверить.
10.14.11. Металлические элементы ограждений следует огрунтовать и окрасить масляными красками.
10.14.12. При наличии козырька над балконом его бетонную плиту следует ремонтировать так, как указано в
пп. 4,
5. На козырьке рекомендуется устраивать кровлю из рулонных материалов.
10.15. Определение просадки пола
10.15.1. На
рис. 113 показаны горизонтальные емкости, опирающиеся на металлические или железобетонные фундаменты, установленные непосредственно на полу цеха. Горизонтальные емкости обозначены номерами от 1 до 35.
Условные обозначения

- замеры с точки положения лазерного уровня N 1
а) план расположения емкостей
б) фрагмент расположения этих емкостей
Рис. 113. Графические иллюстрации к просадкам
строительных конструкций пола
Определение относительных осадок точек пола, вызванных давлением фундаментов емкостей, можно выполнить с помощью лазерных приборов.
Для этого в помещении выбирается произвольная точка (в данном примере - точка 1), где устанавливается лазерный уровень, создающий горизонтальную плоскость. От нее обычной или лазерной рулеткой измеряется расстояние до выбранных точек пола. Поскольку с одного положения лазерного уровня невозможно определить все расстояния до пола из-за препятствий в виде емкостей, столбов, колонн и пр., лазерный прибор переносится в другую произвольную точку и измерения производятся с учетом разности положения плоскостей.
На каждой из емкостей приведена дробь, в числителе которой указан номер емкости, а в знаменателе - расстояние от первой из лазерных плоскостей. Разность между этими расстояниями является относительными осадками точек пола.
При разных осадках пола в случаях слабых грунтов, а также изменения нагрузок от заполнения горизонтальных емкостей конструкции здания могут деформироваться и, следовательно, представлять опасность из-за возможности повреждений и даже обрушения, включая фрагменты перекрытия.
10.15.2. Для ликвидации последствий осадок пола, рекомендуется использовать методы закрепления грунтов.
Силикатизация применяется для мелкозернистых сухих и водонасыщенных песков. Глинистые грунты, суглинки можно уплотнять способом электроосмоса и закреплять электрохимическим способом.
При закреплении грунтов силикатизацией в шахматном порядке забивают инъекторы, т.е. перфорированные цельнотянутые трубы с внутренним диаметром от 19 до 38 мм, через которые затем последовательно нагнетают растворы жидкого стекла и раствора хлористого кальция.
10.15.3. Электроосмотическое обезвоживание под действием постоянного тока применимо в грунтах с коэффициентом фильтрации менее 0,1 м/сутки, т.е. в водонасыщенных пылеватых песках, супесях, суглинках и особенно эффективно в разжиженных глинах.
Электроосушение повышает несущую способность глинистого грунта, который при этом теряет свойства пучения и размокания.
10.15.4. Цементацию применяют для закрепления рыхлых среднезернистых песков, песчано-гравийных, а также любых обломочных грунтов. Цементацию осуществляют нагнетанием цементных растворов в закрепляемый грунт.
Частицы грунта сцепляются между собой цементным раствором, а заполнение им пор грунта увеличивает его прочность и значительно уменьшает величину коэффициента фильтрации. В пределах распространения раствора происходит окаменение грунта.
При закреплении грунтов основания цементацией используют инжекторы такого же типа как при силикатизации грунта.
10.16. Осадки оснований зданий при устройстве
рядом расположенных котлованов
10.16.1. Взаимное влияние инженерно-геологических процессов и построенных зданий обычно проявляется в большом многообразии форм и явлений. Поэтому необходимо проводить всестороннее изучение указанного взаимного влияния для данных конкретных условий, прогнозируя в отдельных случаях возможные изменения направления инженерно-геологических процессов.
Работы по устройству оснований, возведению фундаментов, а также эксплуатация зданий значительно изменяют скорость и направление геологических процессов, и недоучет этих изменений может иногда привести к нарушению устойчивости грунтов основания, изменению режима эксплуатации подземных помещений и пр.
Например, неравномерное уменьшение влажности глинистых пород приводит к уменьшению объема пор в грунтах основания и неравномерной осадке зданий с неглубоко заложенными фундаментами.
Грунты, состоящие из глинистых частиц, маловодопроницаемы, они поглощают количество воды большее, чем объемы их пор, при насыщении водой набухают. Физические и механические свойства их во многом зависят от количества воды, содержащейся в порах. В результате изменения содержания связанной или свободной воды в грунтах происходит их набухание или усадка, перераспределение влаги и т.д.
Воздух может быть защемленным в порах грунта. Давление защемленного воздуха зависит от давления окружающей воды. Защемленный воздух придает грунтам дополнительную упругость при сжатии и потому его следует учитывать при оценке свойств грунта.
Под действием внешней нагрузки в грунте происходит уплотнение - уменьшение объема пор за счет более плотной упаковки минеральных частиц, их взаимное перемещение и сдвиги.
В песках гравелистых, крупных и средней крупности наличие воды в порах или увлажнение грунтов практически не влияют на их механическую прочность. С насыщением грунтов водой следует считаться лишь в мелких и пылеватых песках. В последних сжимаемость и сопротивление сдвигу в значительной степени зависит от влажности. С увеличением влажности глинистый грунт набухает, сжимаемость его увеличивается, и сопротивление сдвигу уменьшается. С уменьшением влажности его объем уменьшается, а сопротивление сдвигу увеличивается.
10.16.2. Неравномерные осадки фундаментов вызывают дополнительные усилия и деформации в надземной конструкции, которые могут достигать в отдельных случаях предельного состояния. Программы совместных расчетов оснований и конструкций до сих пор практически не разработаны, и наиболее надежным путем определения допустимых деформаций оснований являются наблюдение и изучение в натуре деформаций выстроенных зданий.
10.16.3. Деформации зданий, прежде всего, происходят вследствие вертикальных деформаций грунта - их осадки или просадки.
Осадки - это деформации, которые происходят главным образом за счет уменьшения объема пор и не сопровождаются коренным изменением сложения грунта, что возможно характерно для здания электроподстанции.
Просадки - это деформации, которые происходят вследствие перемещения части грунта и сопровождаются коренным изменением строения грунта.
10.16.4. Деформации оснований в результате их неравномерных осадок характеризуются:
- абсолютной величиной осадки основания отдельного фундамента;
- средней величиной осадки основания здания;
- величиной разности осадок оснований двух соседних опор - перекосом, отнесенной к расстоянию между ними, или величиной разности осадок основания двух крайних точек фундамента - креном, отнесенной к одной из сторон;
- величиной относительного прогиба, отнесенной к длине изогнувшейся части здания.
Средние величины осадок основания вызывают только равномерное опускание всего здания или отдельных опор на одинаковую величину и, следовательно, не вызывают дополнительных усилий и деформаций в самом здании и в отдельных его конструкциях.
Крен (поворот) происходит в тех случаях, когда поверхность основания в двух крайних точках опускается неравномерно. В зданиях опускание двух крайних точек основания вызывает перекос всей конструкции или отдельных его элементов. Для таких зданий величину наклона назначают как из эксплуатационных условий, так из условий прочности конструкций.
Прогиб (перегиб) здания происходит в результате деформации поверхности основания под всем сооружением (зданием) или под отдельными опорами по закону, выраженному кривой линией. Если в результате деформации поверхность основания имеет выпуклость вниз, то возникает прогиб, если выпуклостью вверх - то перегиб.
В основании здания может быть как один, так и несколько видов перечисленных выше деформаций, но все они не должны превышать соответствующие предельные деформации, установленные нормами и техническими условиями для проектируемых конструкций или всего здания.
Фото 4. Трещина по линии сопряжения перегородок с колонной
Фото 5. Раскрытие осадочного шва
Фото 6. Трещина в покрытии пола
Фото 7. Трещина в подстилающем слое и в покрытии пола
10.17. Отделка внутренних помещений
10.17.1. Отделочные покрытия при отсутствии требований проекта должны выполняться согласно эталону.
Устройство отделочных покрытий следует выполнять после проверки правильности выполнения соответствующего нижележащего элемента с составлением акта освидетельствования скрытых работ. В этой связи выполнение отделочных работ на одной стороне кирпичной стены, в то время как на другой стороне имеются повреждения, не отвечает этому требованию.
10.17.2. Отделочные работы, за исключением отделки фасадов, должны выполняться при положительной температуре окружающей среды и отделываемых поверхностей не ниже 10 °C и влажности воздуха не более 60%.
Такую температуру в помещении необходимо поддерживать круглосуточно, не менее чем за 2 суток до начала и 12 суток после окончания работ.
10.17.3. Среди требований к подготовке и приготовлению отделочных составов указываются следующие:
- штукатурные растворы должны проходить без остатка через сетку с ячейками 3 мм для обрызга и грунта, с ячейками 1,5 мм - для накрывного слоя и однослойных покрытий;
- крупность заполнителей для декоративной отделки интерьеров и фасадов цементно-известковыми, известково-песчаными и цементными составами с кварцевым песком - 0,5 мм.
10.17.4. Обеспыливание поверхностей следует производить перед нанесением каждого слоя огрунтованных, штукатурных, малярных и др. составов.
10.17.5. Основания, подготовленные под окраску и оклейку должны удовлетворять некоторым требованиям, указанным в табл. 16.
Таблица 16
N п/п | Технические требования | Предельные отклонения | Контроль (метод, объем, вид регистрации) |
1 | 2 | 3 | 4 |
1. | Оштукатуренные поверхности. Отклонения от горизонтали и вертикали (мм на 1 м) не должны превышать, мм | | Измерительный, не менее 5 измерений контрольной двухметровой рейкой на 50 - 70 м2 поверхности или на отдельном участке меньшей площади в местах, выявленных сплошным визуальным осмотром, журнал работ |
| При простой штукатурке - 3 мм | Не более 15 мм на всю высоту помещения |
| То же, улучшенной - 2 | То же, не более 10 мм |
| То же, высококачественной - 1 | То же, не более 5 мм |
2. | Допускаемая влажность: Кирпичных поверхностей при оштукатуривании | не более 8% | Измерительный, не менее 3 измерений на 10 м2 поверхности |
10.17.6. Улучшенную и высококачественную штукатурку (при простой штукатурке толщина штукатурного намета составляет не более 12 мм, улучшенной - не более 15 мм, высококачественной - не более 20 мм) следует выполнять по маякам, толщина которых должна быть равна толщине штукатурного покрытия без накрывочного слоя.
10.17.7. При устройстве многослойного штукатурного покрытия каждый слой необходимо наносить после схватывания предыдущего (накрывочный слой - после схватывания раствора). Разравнивание грунта следует выполнять до начала схватывания раствора.
10.17.8. Допускается толщина однослойной штукатурки при применении всех видов растворов, кроме гипсового, - до 20 мм, из гипсовых растворов - 15 мм.
Допускаемая толщина каждого слоя при устройстве многослойных штукатурок, мм:
- обрызга по кирпичным, бетонным поверхностям - до 5;
- обрызга по деревянным поверхностям (включая толщину драни) - 9;
- грунта из цементных растворов - до 5;
- грунта из известковых, известково-гипсовых растворов - до 7;
- покрывочного слоя штукатурного покрытия - 2;
- накрывочного слоя декоративной отделки - до 7.
10.17.9. При производстве малярных работ сплошное шпатлевание поверхности следует выполнять только при высококачественной окраске, а улучшенной - по металлу и дереву.
10.17.10. Шпатлевку из малоусадочных составов с полимерными добавками необходимо разравнивать сразу после нанесения; при нанесении других видов составов поверхность шпатлевки следует отшлифовать после ее высыхания.
10.17.11. Огрунтовка поверхностей должна производиться перед окраской малярными составами, кроме кремнийорганических.
Огрунтовку необходимо выполнять сплошным равномерным слоем, без пропусков и разрывов. Высохшая грунтовка должна иметь прочное сцепление с основанием при растяжении, на приложенном к ней тампоне не должно оставаться следов вяжущего. Окраску следует производить после высыхания грунтовки.
10.17.12. Малярные составы необходимо наносить также сплошным слоем. Нанесение каждого окрасочного состава должно начинаться после полного высыхания предыдущего.
10.17.13. Некоторые причины появления трещин в новой штукатурке следующие: шелушение, растрескивание, отслаивание окрашенных покрытий вследствие деформаций и разрушения материалов стен, их повышенной влажности, несоответствия лакокрасочного покрытия условиям его выполнения или эксплуатации, различия в усадочных или температурных деформациях штукатурного слоя и материалов стены под ним, увлажнения (промокания) кладки, нарушений правил производства работ или подготовки поверхностей и т.д.
10.17.14. Допускаются следующие отклонения для различных поверхностей.
Отклонения углов кладки от вертикали на один этаж - не более 10 мм, а на всю высоту здания - не более 30 мм.
Неровности на вертикальных поверхностях кирпичной кладки, которые будут оштукатуриваться, допускаются для стен из кирпича не более 10 мм. Отклонение рядов от горизонтали на 10 м длины стены может быть до 20 мм.
10.17.15. Новые кирпичные поверхности, выполненные впустошовку, имеют достаточную шероховатость, поэтому перед оштукатуриванием их следует обмести или обдуть сжатым воздухом от пыли и обильно смочить водой.
Если кирпичная кладка выполнена под штукатурку с расшитыми швами, последние необходимо выбрать на глубину не менее 1 см, поверхность очистить, обмести и смочить водой.
Старые кирпичные поверхности требуют тщательной насечки, выборки швов, прочистки стальными щетками, очистки от пыли и смачивания водой.
Новые перегородки из гипсовых плит прочищают стальными щетками, чтобы они стали шероховатыми и нанесенный раствор прочно сцеплялся с поверхностью. Если имеются неровности, их срубают, а поверхности насекают и только после этого штукатурят.
10.17.16. При оштукатуривании по сетке, прикрепленной к кирпичной стене, рекомендуется использовать два каркаса - несущий и распределительный. Концы несущего каркаса прочно крепятся в стенах, для чего просверливают отверстия необходимой глубины и диаметра, заполняют их раствором и вставляют в них анкера.
| | ИС МЕГАНОРМ: примечание. Нумерация пунктов дана в соответствии с официальным текстом документа. | |
10.17.20. Выполнение указанных выше правил обеспечивает необходимую точность и отсутствие дефектов в штукатурном покрытии.
10.18. Материалы серии "ЭМАКО" для ремонта
бетонных и железобетонных конструкций
10.18.1. В обеспечении качества ремонта бетонных и железобетонных конструкций особая роль принадлежит изготовлению и использованию сухих смесей, номенклатура которых включает более 100 различных видов в зависимости от области применения. Практика строительства и ремонта сооружений с использованием цементобетона показывает, что даже самые незначительные отклонения в составе цементобетонных смесей и нарушения технологии производства работ с их использованием приводит к непрогнозируемым разрушениям.
Сухие строительные смеси серии "Эмако", выпускаемые ЗАО "Ирмаст-Холдинг" по лицензии итальянской фирмы "MAC", зарекомендовали себя в российской практике ремонта любых бетонных и железобетонных конструкций и сооружений гражданского и промышленного назначения как надежный, эффективный и экономичный материал.
По своему составу смеси серии "ЭМАКО" относятся к дисперсно-армированным цементным бетонам с характерными для них показателями растяжимости, трещиностойкости и др. При этом разработчикам данной серии удалось решить задачу обеспечения равномерности распределения фибры за счет специальных технологических приемов, а также обеспечить низкую водопотребность сухих смесей, благодаря использованию эффективного суперпластификатора.
Сухая смесь "ЭМАКО S88" (тиксотропный тип) представляет собой смесь цемента с пластифицирующими и микрокремнеземнистыми добавками, песка средней крупности и полимерной фибры. Она предназначена для ремонта вертикальных стен и внутренних поверхностей сводов и потолочных элементов перекрытий.
Смесь "ЭМАКО S88" (наливной тип) предназначена для заливки без вибрирования густоармированных или труднодоступных конструкций.
Дисперсно-армированная смесь "ЭМАКО SFR" содержит помимо полимерной оцинкованную стальную фибру. Последняя представляет собой гальванизированные стальные обрезки проволоки длиной до 2 см, склеенные растворимым клеем в пачки по 15 - 20 шт., которые распускаются в водно-щелочной среде и равномерно распределяют при перемешивании бетонной смеси.
11. ПЕРЕЧЕНЬ КОНСТРУКТИВНЫХ РЕШЕНИЙ УСИЛЕНИЯ
И ВОССТАНОВЛЕНИЯ СТРОИТЕЛЬНЫХ КОНСТРУКЦИЙ
ПО МАТЕРИАЛАМ ТЕХНИЧЕСКОЙ ЛИТЕРАТУРЫ И ВСЕРОССИЙСКОЙ
ПАТЕНТНО-ТЕХНИЧЕСКОЙ БИБЛИОТЕКИ
Материалы из журналов "Промышленное строительство"
и "Промышленное и гражданское строительство"
за период с 1989 г. по 2008 г.
1. Михалко В.Р. Усиление сборного железобетонного покрытия.//Промышленное строительство. 1989. N 9. Стр. 20 - 21.
2. Лазовский Д.Н., Авдошка А.В., Серяков Г.Н. Устройство для усиления железобетонных балочных конструкций.//Промышленное строительство. 1991. N 5. Стр. 29.
3. Лазовский Д.Н., Масленников С.Д., Серяков Г.Н. Усиление сборного железобетонного перекрытия с заменой плит.//Промышленное и гражданское строительство. 1992. N 8. Стр. 9 - 10.
4. Лазовский Д.Н., Лелюго Г.А., Кремнева Е.Г., Серяков Г.Н. Усиление сборных многопустотных панелей перекрытий.//Промышленное и гражданское строительство. 1993. N 10. Стр. 9 - 10.
5. Белов С.А. Усиление несущих конструкций здания зрелищного назначения, поврежденного во время пожара.//Промышленное и гражданское строительство. 2000. N 9. Стр. 35 - 36.
6. Чернявский В.Л., Аксельрод Е.З. Применение углепластиков для усиления железобетонных конструкций промышленных зданий.//Промышленное и гражданское строительство. 2004. N 3. Стр. 35 - 36.
7. Карпенко С.Н., Чепизубов И.Г. Способ усиления и расчета усиленных монолитных железобетонных перекрытий.//Промышленное и гражданское строительство. 2005. N 8. Стр. 27.
8. Богатина А.Ю., Моргун Л.В. Фибробетон для перекрытий каркасных зданий.//Промышленное и гражданское строительство. 2005. N 2. Стр. 34 - 35.
9. Домбаев И.А., Шагин А.Л. Конструкторско-технологические аспекты восстановления зданий и сооружений в Чеченской Республике.//Промышленное и гражданское строительство. 1997. N 2. Стр. 61 - 63.
10. Кудишин В.И. Некоторые способы усиления балочных стальных конструкций.//Промышленное и гражданское строительство. 2003. N 6. Стр. 30 - 31.
11. Бобылев Л.М., Бобылев А.Л. Новый способ усиления основания фундамента.//Промышленное и гражданское строительство. 1994. N 11 - 12. Стр. 31 - 32.
12. Быков В.И., Никишов А.П. Усиление оснований и фундаментов при реконструкции здания.//Промышленное и гражданское строительство. 2005. N 7. Стр. 54.
Таблица 17
Материалы из отделения ВПТБ Федерального института
промышленной собственности
N п/п | Страна Подкласс Номер изобретения | Название изобретения | Краткое описание изобретения |
1 | 2 | 3 | 4 |
Класс E04G |
1. | Россия 23/02 1162929 | Способ восстановления капителей и колонн | Опорные стенки прикрепляют к неповрежденной части арматуры колонны снизу и к арматуре плиты перекрытия, а между опорным столиком, прикрепленным к неповрежденной части арматуры колонны, и обоймой установленного каркаса колонны размещают распорное устройство, с помощью которого осуществляют напряжение усиливающего каркаса, разгружая арматуру восстанавливаемой конструкции |
2. | -"- 1189975 | Устройство для усиления сжатых железобетонных элементов | Арматурный каркас образован П-образными полукаркасами, сжатые арматурные элементы которых выполнены из гибких стержней, а прижимное приспособление - в виде шарнирно соединенных съемных щитов с направляющими для фиксации арматурных стержней |
3. | -"- 1196481 | Устройство для усиления сжатых элементов | Металлическая обойма в верхней части по высоте консолей снабжена жестко соединенными с ней металлическими пластинами, а устройство - самозатягивающимся анкерным узлом, состоящим из пластин обрамления наклонных граней консолей и коротышей, соединяющих пластины обрамления пластинами обоймы |
4. | -"- 1679018 | Конструкция усиления здания | В стенах пробивают отверстия выше и ниже уровня перекрытий, а армирование осуществляют замкнутыми сетками, замыкая их путем пропуска стержней сеток в отверстия и их сварки, при этом каждая замкнутая сетка охватывает нижнюю грань перекрытия нижележащего этажа, а после установки армирующих сеток стены бетонируются |
5. | -"- 1203220 | Устройство для усиления кирпичных простенков | Пара накладных уголков размещена внутри проемов в четвертях и каждый из них соединен одной полкой посредством наклонных анкеров, заделанных в теле простенка и пересекающих кладку простенка по высоте не менее чем 3-х рядов |
6. | -"- 1229292 | Устройство для усиления балочных конструкций | Каждая опора выполнена в виде обхватывающего полку балочной конструкции разъемного захвата, жестко соединенного с опорными ребрами, которым захват оперт на полку балки |
7. | -"- 1300133 | Устройство для усиления перекрытия из ж.б. ребристых панелей | Устройство состоит из балок усиления, охватывающих продольные ребра смежных панелей снизу, верхнего элемента усиления и стяжек, пропущенных в стыке между смежными панелями и соединяющих верхний элемент усиления с балкой усиления |
8. | -"- 1352026 | Устройство для усиления балочного элемента | Устройство состоит из балки усиления, расположенной с нижней стороны усиливаемого балочного элемента и жестко закрепленной на нем концами, и элемента для включения ее в работу |
9. | -"- 1393894 | Способ усиления двутавровых составных балок подкрановых путей | Установка наклонных ламелей между ребрами жесткости в зоне верхних колесных свайных швов с прикреплением их сварными швами к стенке и верхнему поясу балки после создания предварительного прогиба балки, обратного направлению эксплуатационного |
10. | -"- 1470910 | Способ усиления колонны | На ребра колонны устанавливаются уголки, соединяются поперечными связями, на каждом уголке устанавливаются распорные устройства, а после создания одновременно во всех уголках напряжения производят соединение уголков с примыкающими к колонне верхними и нижними конструкциями |
11. | -"- 1539295 | Способ усиления балочных элементов | С обеих сторон каждого элемента устанавливаются металлические балки, объединенные между собой и усиливаемым элементом поверху поперечными гибкими связями. Балки соединяют снизу жесткими поперечными траверсами, на которых устанавливают домкраты |
12. | -"- 1576682 | Устройство для усиления ж.б. подкрановой балки таврового сечения | Элементы усиления, выполненные в виде соединенных между собой 2-х арок, Z-образных подвесок, вертикальных стоек и расположенной на полке сверху подкрановой балки горизонтальной фермы |
13. | -"- 1680912 | Способ усиления строительных конструкций | Включает выполнение первого отверстия перпендикулярно поверхности усиливаемой конструкции, установку П-образного тяжа отгибом в это отверстие, заполненное его клеевым составом. После твердения его в тяже создают напряжение забивкой отгиба |
14. | -"- 1733601 | Усиление жесткого узла железобетонной рамы | Устройство состоит из стальных пластин крестообразной формы с перекрывающимися наклонными ребрами. Боковые кромки пластин приварены к оголенной продольной арматуре ригелей и колонн непосредственно или через арматурные коротыши |
15. | -"- 1733602 | Способ усиления металлических строительных ферм каркаса здания | С наружной стороны каркаса устанавливают вертикальные элементы с отгибами верхних концов в уровне верхних поясов ферм, притягивают отгибы к каркасу и закрепляют |
16. | -"- 1740495 | Способ усиления многопролетных железобетонных элементов | Расчищаем швы между их торцами, а обратный выгиб осуществляем путем установки под опорами смежных балочных конструкций предварительно термически напряженных пластин и жестко соединяем их с верхом балок. Выгиб фиксируют, соединяя пластины металлическими элементами |
17. | -"- 1754862 | Способ установки плиты перекрытия при ремонте здания | По всему периметру перекрываемого помещения выставляют опалубку и освобождают гнезда в стене от балок старого перекрытия, затем в гнезда и на опалубку устанавливают арматуру. Бетонируют гнезда. После набора бетоном необходимой прочности на опорную площадку укладывают сборную панель перекрытия и замоноличивают зазор между стеной и панелью |
18. | -"- 1763616 | Способ восстановления конструкции, имеющей пробоину | Очищаются края пробоины, устанавливаются и закрепляются заплаты (листовой материал), которые предварительно изгибают до получения его асимметричного прогиба |
19. | -"- 1812289 | Способ усиления сборных железобетонных многопустотных панелей перекрытия | Щели в пустотах панелей выполняют в приопорных зонах и местах перегиба арматуры, далее в приопорные зоны вводят арматурные стержни с выводом их концов наружу, а в щели в местах перегиба, устанавливают упорные встречно-наклонные пластины с вырезом для арматуры, между которых укладывают бетонную смесь |
20. | -"- 2015275 | Способ усиления сборных ж.б. многопустотных панелей перекрытий | Способ усиления включает выполнение прерывистых щелей вдоль пустот, установку и закрепление арматуры и ограничительных пластин с последующим заполнением участков пустот бетоном |
21. | -"- 2020234 | Способ усиления ж.б. многопустотных панелей перекрытия | Выполняют отверстия в приопорных зонах сверху панелей и снизу в пролете панелей. Устанавливают арматуру и напрягают ее за счет упоров на верхней поверхности плиты и борозды на нижней поверхности |
22. | -"- 2020235 | Способ усиления сборных ж.б. многопустотных панелей перекрытий | В приопорных зонах многопустотных железобетонных плит устраиваются отверстия вдоль пустот, в которые укладываются металлические листы с рифленой поверхностью и замоноличиваются бетоном |
23. | -"- 2023838 | Способ усиления изгибаемых ж.б. балок и устройство для его осуществления | На концах балки закрепляют металлическую мембрану шириной, соответствующей ширине балки. По боковым сторонам балки устанавливают съемные щиты, а полость между балкой, мембраной и щитами заполняют расширяющимся бетоном |
24. | -"- 2023839 | Способ усиления сборных железобетонных многопустотных панелей перекрытий | Способ усиления включает выполнение щелей вдоль пустот, установку в пустоты арматуры, укладку бетонной смеси в пустоты приопорных зон, натяжение арматуры натяжными болтами |
| | ИС МЕГАНОРМ: примечание. Нумерация пунктов дана в соответствии с официальным текстом документа. | |
|
27. | -"- 2087653 | Способы восстановления поврежденных изгибаемых железобетонных элементов (в условиях аварии, при пожаре) | Способ восстановления путем нанизывания дополнительной арматуры в виде отдельных гнутых сеток на стержни существующей арматуры, последующего прикрепления их к поперечной и/или продольной арматуре и обетонирование поврежденных мест без изменения первоначального сечения восстанавливаемого элемента |
28. | -"- 2106461 | Устройство для усиления ребер плит | Дополнительно устанавливается металлическая сетка, которая зафиксирована по длине боковых граней с их противоположных сторон в пределах зоны бетона ребер, где растягивающие напряжения не превышают по величине половины сопротивления бетона осевому растяжению, металлическими планками, прикрепленными к ребрам дюбелями |
29. | -"- 2116416 | Способ восстановления сжатых ж.б. элементов (при пожаре) | Разгруженные полностью или частично сжатые элементы железобетонных конструкций, в рабочей арматуре которых образовались продольные остаточные термические напряжения |
30. | -"- 2140510 | Устройство для усиления опорного узла пролетных конструкций | Состоит из коротких двухконсольных прогонов, напрягаемого тяжа между прогонами и траверсы, прогоны и траверсы выполнены из металлопроката |
31. | -"- 2140511 | Устройство для усиления опорного узла балочной конструкции | Устройство включает пару прогонов из прокатного металла в виде коротких балочек, пролетная часть которых установлена на опоре, соединительный стержень в виде напрягаемого тяжа между прогонами, траверсу в виде симметричной балочки с двумя консолями, подпирающую нижнюю грань исправляемой конструкции |
32. | -"- 2181824 | Устройство для усиления ребристых ж.б. плит | Усиление за счет обеспечения совместной работы усиливаемой конструкции и элемента усиления на всем пролете усиливаемой конструкции |
33. | -"- 2197585 | Способы усиления реконструируемых зданий (повышение сейсмостойкости здания) | Под пустотами в плитах перекрытия со стороны потолка вблизи стен здания прорезают короткие щели. В щели вводят и разворачивают на 90° металлические анкерные элементы и прикрепляют плиты к стенам с помощью уголков и болтовых соединений |
34. | -"- 2250325 | Конструкция усиления изгибаемых ж.б. элементов | Устройство снабжено телескопической стойкой с пружиной, шпренгельной затяжкой и дополнительно сжатым элементом, причем концы шпренгельных затяжек прикреплены к сжатому элементу |
35. | -"- 2308582 | Анкерное устройство для закрепления напрягаемых распорок усиления | Устройство состоит из упорного элемента для напрягаемых распорок усиления в виде стальной обоймы обжатия, которая выполнена из составных скоб с упорными ребрами на концевых участках, оборудованных стяжными болтами |
36. | -"- 2308583 | Устройство для восстановления сжатых элементов | Устройство состоит из 2-х обойм обжатия, которые являются анкерами предварительно напрягаемых распорок, разгружающих с помощью грузовых винтов и динамометрических ключей частично или полностью восстанавливаемый элемент несущей конструкции |
37. | -"- 2308584 | Способ усиления сжатых элементов (после пожара) | Способ включает в себя укрепление опорных устройств, которые выполняются в виде пары натяжных обойм, устанавливаемых внатяг на усиливаемый железобетонный элемент для повышения статического коэффициента трения опорных обойм в 2 - 3 раза, а также установку распорок усиления с предварительным их напряжением |
38. | -"- 2308585 | Способ восстановления ж.б. колонны и ее оголовков (после взрыва, пожара, аварии) | Установку прижимаемого нормальной силой опорного столика, упорного башмака, предварительно напрягаемой распорки с регулированием усилия, нанесение огнезащитного покрытия на стальные элементы восстановления колонны |
39. | -"- 2311517 | Способ усиления ж/б изделий | Способ усиления заключается в натяжении арматурных элементов |
40. | -"- 2321709 | Устройство для усиления ребристой плиты | Устройство включает шпренгельные затяжки, которые закреплены в анкерах, установленных на верхней грани в торцах плит, и пропущены через отверстия, образованные в полках плит. При этом натяжение натяжек может осуществляться с помощью распорного домкрата в середине пролета или винтового соединения |
41. | -"- 2321710 | Устройство для усиления сборных ж.б. ребристых плит | Устройство включает элементы усиления, выполненные с упором в виде охватывающего продольные ребра смежных плит швеллера, полки которого жестко связаны с пластинами, закрепленными в продольных ребрах плит анкерными болтами. Усиление осуществляется дополнительной арматурой с винтовым натяжным устройством |
42. | -"- 2324039 | Устройство для усиления ригеля связевого каркаса | В устройстве усиливающие элементы выполнены в виде предварительно напряженных тяг, устанавливаемых под нижней гранью ригеля и прикрепленных одними концами жестко к опорному швеллеру, а другими - с помощью винтовых соединений к упорному устройству на другой стороне ригеля |
43. | -"- 607932 | Способ усиления колонн | На колонну устанавливается металлическая обойма и ее предварительно напрягают, для этого в верхней части обоймы закрепляют упорный элемент, после чего обойму в продольном направлении обжимают распорным устройством с одновременным замером усилия обжатия и при достижении расчетного напряжения его жестко соединяют с опираемыми на колонны конструкциями |
44. | -"- 631632 | Устройство для усиления несущих конструкций | Элементы усиления, расположенные вне усиливаемой конструкции, элементы выполнены в виде наклонно установленных на усиляемой конструкции хомутов из листового материала, снабженных со стороны ее усиления скошенными упорами и крышками с гибкой замкнутой арматурой |
45. | -"- 742564 | Способ усиления бетонных элементов, поврежденных трещинами | Перпендикулярно трещинам прорезают пазы, глубиной не более 1/3 толщины элемента и на клеящих составах в них устанавливают металлические пластины, повторяющие форму паза |
46. | -"- 815236 | Способ усиления изгибаемого железобетонного элемента | К элементу прикрепляются и натягиваются дополнительные металлические стержни, на усиливаемом участке оголяют арматуру, к которой в краевых зонах участка прикрепляют переходные стержни, затем к одному из переходных стержней прикрепляют конец дополнительного усиливающего стержня, удлиняют стержень до требуемых размеров, прикрепляют второй конец усиливающего стержня к другому переходному стержню |
47. | -"- 80318 | Способ усиления железобетонных элементов несущих конструкций | Затяжка усиления (из круглого или прокатного профиля) состоит из трех основных частей - затяжки, опорных анкерных устройств и натяжного устройства |
48. | -"- 88388 | Способ надстройки здания | Сначала производят наращивание стен со вскрытием расположенного над ними участка кровли и оставлением проемов в местах расположения опорных узлов ферм. На вновь возведенные участки стен над проемами укладывают балки, к которым при помощи винтовых домкратов подвешивают фермы. Подъем ферм осуществляется вращением домкратов |
49. | -"- 90824 | Способ восстановления разрушенных железобетонных перекрытий | Плиту перекрытия подпирают выпуклой опалубкой до получения вспарушенности ее, после чего все разрушенные места заполняют бетоном |
50. | -"- 125664 | Усиление металлических подкрановых балок по среднему ряду цеха | Подкрановые балки соединены горизонтальными листами, приваренными к верхним полкам балок, к нижней полке меньшей балки и к стене второй балки (большей высоты) при помощи уголка |
| | ИС МЕГАНОРМ: примечание. Нумерация пунктов дана в соответствии с официальным текстом документа. | |
|
47. | 23/00 1652490 | Усиление верхней зоны сварной подкрановой балки | Усиление подкрановых балок треугольными фасонками, установленными под углом к стенке балки |
48. | 23/03 2250326 | Способ усиления консолей структурных плит покрытия зданий | Способ заключается в устройстве системы несущих канатов с подвесками, закрепленными в узлах нижнего пояса структурных плит типа "Кисловодск", "МАРХИ", оттяжки которых пропущены через оголовки пилонов, установленных на колоннах здания и закрепленных на их фундаментах |
49. | JP 23/02 3515744B2 2002070325A | Способ ремонта деревянного здания | Нижний брус ремонтируемого здания, сооруженного на ленточном фундаменте, срезают за исключением участков под существующими колоннами, например, колоннами обрамления балкона и стойки. Затем от основания фундамента до высоты выше основания колонн выполняют уточняющий фундамент Г-образного поперечного сечения, который стыкуется с одной поверхностью ленточного фундамента из железобетона, вместо выраженного нижнего бруса. В другом варианте Г-образный упрочняющий фундамент и плита, проходящая по всему участку под полом здания, выполнены совместно из железобетона. Таким образом обычный фундамент может быть значительно упрочнен. Существующая колонна крепится к новому фундаменту с помощью Т-образного металлического фитинга |
50. | JP 23/02 3526029B2 2002129755A | Способ ремонта здания без ограждений | Заново сооруженный вход устанавливают на стороне главного входа или веранды каждого жилого блока всех этажей или на втором и верхних этажах, сохраняя существующую лестницу и главный вход существующего здания с используемым лестничным холлом. Снаружи от входа устанавливают устройства входа для быстрого и безопасного движения обитателей между грунтом и входом. Устройство входа содержит лифт, который установлен неподвижно в одном месте каждого дома, и устройство с клетью для перемещения людей, которое движется горизонтально по направляющей, уложенной на каждом ярусе реечной опорной конструкции |
51. | JP 23/02 3582613B2 8277638A | Способ ремонта поверхности стены, поврежденной коррозией | Материал эпоксидного покрытия наносят слоем на поврежденную коррозией часть стальной пластины, образующей стеновую поверхность устройства. Пока слой покрытия отверждается, стальную пластину прижимают к нему и в процессе отверждения материал покрытия проникает в поры поверхности для удержания пластины. Слой отверждается без образования зазора с пластиной и газ, выделяемый при отверждении, выходит наружу через поры |
52. | JP 2000 2000138417 | Способ ремонта поверхности пола | При заполнении поврежденной секции пола полиуретановым раствором после смешивания его двух составляющих, время на твердение смеси не требуется, а хождение и движение транспортных средств по отремонтированной поверхности можно начинать сразу после заполнения поврежденной секции данной смеси, так как она твердеет очень быстро |
53. | JP 23/02 3400419B2 2002106179A | Способ ремонта/отделки бетона | Первую специальную отделочную краску предварительно набрызгивают на поверхность свежеуложенного бетона, существующего окрашенного бетона или обновляемого цемента и разглаживают мастерком сразу после набрызгивания. Вторую специальную отделочную краску набрызгивают таким же образом. Третьей краской произвольного цвета покрывают вторую краску с помощью валика или мастерка или путем разбрызгивания с помощью компрессора. Непосредственно после этого на окрашенную часть наносят рисунок. Эти операции может выполнять группа рабочих с общей подготовкой |
54. | JP 23/02 3425272B2 8333900A | Способ и конструкция для ремонта каркаса бетонного здания | Нижнюю часть каркаса бетонного здания срубают и анкерный элемент забивают почти перпендикулярно в нижнюю часть каркаса. Затем по всей срубленной поверхности укладывают решетку и шестигранную гайку с лопастью крепят параллельно и навинчивают на выступающую часть элемента. Балку из бетона и древесины привинчивают к нижнему концу анкерного элемента. После этого устанавливают опалубку, прижимая ее к нижней стороне балки, и укладывают ремонтный материал, такой как бетон или цементный раствор, в пространство между опалубкой и поверхностью. После отверждения ремонтного материала опалубку удаляют и балку удаляют после срезания излишней длины анкерного элемента. Затем выполняют соответствующую обработку поверхности |
55. | DE 23/02 10140391C1 | Способ восстановления поверхности облицовочных плит | Предложен способ восстановления облицовочных плит, расположенных по периметру здания. Согласно способу, непосредственно на лицевую поверхность облицовочных плит наносят армирующую массу, служащую в качестве выравнивающего слоя; на еще не отвердевшем выравнивающем слое фиксируют армирующую ткань и вводят ее в массу, причем переходящую через край избыточную массу используют для выравнивания поверхности или аккуратно отводят; после отверждения армирующей массы на нее наносят штукатурный грунт; после просушивания штукатурного грунта на него наносят устойчивое к атмосферным воздействиям замыкающее покрытие |
56. | JP 23/02 3300762B2 2001193288A | Способ ремонта изношенного бетона, основной электрод для реализации данного способа и электродная панель | Короткую электропроводную деталь с заостренным концом соединяют с электрическим проводом, уложенным так, чтобы он образовывал ячейки сети. Основную деталь формируют, накладывая на основу оцинкованную деталь или нанося цинковый краситель. Затем на деталь накладывают циновку для приема влаги. Далее соединяют секцию и циновку и закрепляют их на поверхности изношенного бетона. На циновку наносят воду для организации электролиза, внутреннюю часть детали подключают к аноду источника постоянного тока, а стальной пруток бетона подключают к катоду |
57. | JP 23/02 3312202B2 2001164761A | Способ ремонта стальной колонны посредством использования специального покрытия | Способ предусматривает нанесение на нижнюю часть стальной колонны тяжелого антикоррозионного ламинирующего покрытия, состоящего преимущественно из слоя стекловолокна и поверхностного слоя, пропитанного раствором полимера на основе винила. Поврежденное покрытие колонны соскабливают и на внешней поверхности делают проточку, на дне которой устанавливают крепежные стержни. Проточку заливают цементом. Цемент и нижняя часть колонны образуют прочное соединение. Далее цемент наносят на нижнюю часть колонны и фиксируют с его помощью ламинирующее покрытие, основание и нижнюю часть колонны, получая единый конструктивный элемент, обладающий высокой прочностью и водонепроницаемостью |
58. | JP 23/02 3244266B2 2000345717A | Способ ремонта высоких сооружений | Гондолу, открытую только со стороны ремонтируемой поверхности, подвешивают на кране для ее перемещения по высоте сооружения. Работа выполняется оператором в огражденном пространстве, образованном посредством плотного прилегания краев открытой части гондолы к поверхности сооружения. Во время работы пыль, образующаяся в огражденном пространстве, всасывается шлангами, выступающими из гондолы наружу для удаления пыли без использования пропитанной дегтем мембраны, предотвращающей распространение пыли вокруг гондолы |
59. | JP 23/02 3248454B2 10176424A | Способ и материал для обработки поверхности бетона | Водорастворимый эпоксидный полимер и цементный раствор смешивают и получают для поверхностной обработки. Предпочтительно смешать эпоксидный полимер в виде эмульсии с отверждающим веществом, таким как водорастворимый эпоксидный полимер. После нанесения полученного водного раствора на поверхность бетонного основания, на него укладывают смесь водорастворимого эпоксидного полимера и цементного раствора. Когда материал поверхностной обработки используют как основу для ремонтного материала или окраски недостающей части бетона, может быть получен слой составного материала очень высокой прочности и адгезива к основанию. Период сушки после выполнения операции до отделки составляет один или два дня, после чего обеспечивается высокая непроницаемость и адгезива к отделочным материалам |
60. | JP 23/02 3261113B2 2001027047A | Способ ремонта поверхности бетонного пола | При восстановлении поврежденных участков поверхности бетонного пола и в частности участков с выемками или с трещинами, дефекты поверхности заполняют невспененным полимером на основе уретана. В качестве такого полимера возможно применение вещества, содержащего два типа жидких компонентов и, в частности, силикатное стекло и уретан. В процессе ремонта полимер вводят в дефектные участки полуторными дозами. Кроме того вдоль периферийных кромок предусматривают сквозные отверстия, которые также заполняют полимером |
61. | JP 23/02 7000950B4 | Способ ремонта отслоившихся участков наружного покрытия стены бетонного сооружения | Для ремонта используют упругий анкер из пластика, у которого внешняя боковая поверхность на длине, соответствующей заглублению анкера в остов, покрыта резьбой с пилообразным профилем зубьев. Этот участок боковой поверхности анкера переходит в другой участок, покрытый резьбой с зубьями треугольного профиля и имеющий длину, соответствующую толщине отслаивающегося покрытия. На участке отслоения в стене пробуривают скважину, проходящую сквозь покрытие и заглубленную в остов. Диаметр скважины чуть меньше внешнего диаметра анкера, который в нее забивают, чтобы закрепить отслоившийся участок покрытия |
62. | JP 23/02 6084688B4 | Способ восстановления растрескавшихся или отслоившихся участков железобетонного сооружения | К арматурным стержням, открытым на растрескавшемся или отслоившемся участке бетонного сооружения, с помощью крюков подвешивают верхние концы стержней, на нижних концах которых закрепляют опалубку. Зазоры между опалубкой и бетонным сооружением заполняют под давлением бетонной смесью. После схватывания бетонной смеси удаляют опалубку |
63. | JP 23/02 2809085B2 7217226A | Способ упрочнения плиты перекрытия из железобетона | Механический анкерный болт забивают в нижнюю поверхность плиты перекрытия из железобетона, а в боковых поверхностях балок выполняют сквозные отверстия для установки арматуры. В угловых частях армируемой плиты выполняют вертикальные прессовые отверстия и отверстия для выпуска воздуха. Главную арматуру, имеющую резьбовые части на обоих концах, вставляют в сквозные отверстия, которые выполнены в боковых поверхностях балок, и пропускают между противоположными балками. Главную арматуру приваривают к анкерному болту. Нижняя поверхность места установки стержней и боковая поверхность, не прикрытые балками, покрываются опалубками. Неуплотненный бетон нагнетают через отверстие на верхней поверхности существующей плиты. Когда бетон начинает вытекать из отверстий в боковых поверхностях балок, главную арматуру крепят к балкам с помощью болтов. Затем отверстия перекрывают, нагнетание продолжают до тех пор, когда бетон начнет вытекать через отверстие |
64. | JP 23/02 2821959B2 6129114A | Способ ремонта существующих колонн | После установки и закрепления имеющего паз элемента на балке нижнего пола между соседними колоннами, к нему прикрепляют верхний элемент, имеющий соединительный паз на обеих сторонах арочной части, объединяющий стойки и квадратную железобетонную опорную раму. После прикрепления стоек к левой и правой существующим колоннам и установки временного основания между частью опорной рамы и верхней балкой, верхнюю часть существующей колонны и полудужье арки удаляют. Стальные стержни размещают между соседними пазами рам, на правой и левой сторонах колонны и отформованную раму размещают на периферии и за ней. Из бетона изготавливают полудужья, объединяя опорную раму и балку верхнего пола |
65. | US 23/02 5778624A | Ремонтный элемент для заделки отверстия в стене, обшитой листами сухой штукатурки | Ремонтный элемент содержит плоскую центральную секцию, на который закреплен один конец пружинного шарнира. Ко второму концу этого шарнира прикреплена поворотная створка ремонтного элемента, поворачиваемая из первого углового положения относительно центральной секции во второе для расположения в одной плоскости с центральной секцией. Пружина прижимает створку из первого положения во второе. На центральной секции имеется приспособление для перемещения ремонтного элемента через отверстие в стене для его заделки |
66. | JP 23/02 2775330B2 3241172A | Способ реконструкции здания с использованием стальных колонн из фасонного проката | Когда при реконструкции здания с целью повышения его этажности требуется удаление таких базовых элементов конструкции, как, например стальные колонны каркаса, и усиление существующего фундамента на небольшом расстоянии от существующих независимых фундаментов. К нижним концам новых стальных колонн из фасонного проката прочно крепят стальные балки, после чего колонны опираются на фундаменты и одновременно через балки крепят к фундаментам. После этого приступают к реконструкции здания. Такой способ позволяет отказаться от необходимости удаления существующих фундаментов и повысить экономичность реконструкции |
67. | JP 23/02 2976791B2 7197670A | Способ обработки бетонного основания пола | В местах отслоения и вздутия удаляют пол вместе с подстилающим слоем, а поверхность бетонного основания отмывают водой. Мокрую поверхность основания покрывают полимербетонной смесью, в которой заполнитель смешан с эмульгированной синтетической смолой. Через определенное время на слой смеси наносят слой гидрофильной эпоксидной смолы или слой эпоксидной смолы и мелкозернистого заполнителя. Гидрофильную эпоксидную смолу выбирают из эмульсии или эмульгированной эпоксидной смолы реактивного типа, либо из эпоксидной смолы, реагирующей на присутствие щелочной воды. Поверхность гидрофильной эпоксидной смолы покрывают краской, использующей смолу в качестве твердеющего вещества. Таким образом, может быть получен подстилающий слой с хорошими адгезивными свойствами |
68. | JP 23/02 2941611B2 7062893A | Способ ремонта конструкции | Когда невозможно определить предварительно длину непроникающего дефекта в строительном элементе, толщину стенки элемента прорезают по форме участка дефекта. При этом предпочтительно срезать толщину элемента, но лучше вырезать элемент на ту же глубину и прекратить резку для последующего наплавления сваркой и заделки вырезанного участка. Затем конструктивный элемент срезают до глубины направленного участка с противоположной поверхности и заделывают наплавлением вырезанный участок. Если можно захватить длину непроникающего дефекта, допустимо заделать только дефектную поверхность. Когда дефект проникающий, но трудно заделать дефектный участок с обеих поверхностей, толщину стенки элемента прорезают с одной поверхности. Затем выполняют наплавление сваркой таким образом, что оно закрывает проникающее отверстие |
69. | JP 23/02 2888402B2 6346607A | Здание и способ реконструирования здания | Анкерный болт забивается через существующую стену в каркас для крепления несущего кронштейна, к которому крепится горизонтальный элемент. К элементу крепится вертикальный элемент с элементом для кронштейнов, на которые опираются панели новой стены. Под элементом устанавливается сетка для задерживания падающих со старой стены элементов |
70. | JP 23/02 2867166B2 4027076A | Способ ремонта наружной поверхности стены, в которой образованы трещины | В наружной стене здания на месте образования трещины просверливают отверстие, внутрь которого вставляют промывочную трубку. При включении компрессора для набора воды в лубрикатор промывается внутреннее пространство трещины струей воды под напором и сжатым воздухом, подаваемыми в эту трещину через промывочную трубку воздушным пистолетом. Мелкие частицы и пыль, находящиеся внутри трещины, вымываются наружу. В трещину вставляют измерительный шаблон для определения глубины и ширины трещины с целью последующего расчета объема смолы, заполняющей трещину. Внутрь трещины вставляют инъецирующую трубку и с помощью инъецируемого пистолета заполняют эту трещину смолой |
71. | FR 23/02 2792353A1 | Способ ремонта элементов кирпичной кладки | Способ ремонта элементов кирпичной кладки, элементы из камня которой соединены строительным раствором и могут быть частично разрушены, предусматривает извлечение разрушенной части до тех пор, пока не останется только неповрежденная часть, закрепление на неповрежденной части нового камня вместо поврежденного с помощью специальных соединителей, заполнение строительным раствором пространства между новым камнем и неповрежденной частью так, чтобы получить жесткий узел, и заполнение этим раствором пространства между новым камнем и смежными камнями |
72. | FR 23/02 2786216A1 | Способ ремонта или усиления существующих железобетонных конструкций | Способ ремонта или усиления железобетонных конструкций, к которым предусматривается крепление металлических листов к конструкции, отличается тем, что крепление осуществляется с помощью крепежных стержней. Промежуточное пространство между листами и конструкцией заполняется выравнивающим материалом, после затвердевания которого стержни подвергают моменту затяжки, порождающему усилие предварительного напряжения, обеспечивающее мобилизацию необходимых сил трения. Устройство, применяемое при реализации этого способа, приспособлено в особенности, для усиления плит и балок из железобетона |
73. | JP 23/02 3022318B2 9279857A | Способ выполнения ремонта существующей конструкции | Когда стену существующей конструкции удаляют для ремонта, ее вырезают вдоль границ между колоннами и балками для отделения от конструкции и удаления без разборки. Для использования режущего устройства, например проволочной пилы, в угловых частях удаляемой стены выполняют отверстия, в которые вставляют пилу |
74. | JP 23/02 3023474B2 7091081A | Способ ремонта железобетонного каркаса здания с трещинами, облицованного листовым материалом для предотвращения коррозии каркаса | В листовой или рулонной облицовке каркаса здания, предотвращающей коррозию этого каркаса, просверливают на местах расположения трещин отверстия. Через эти отверстия инъецируют в каждую трещину ремонтный материал, после чего отверстие изолируют материалом, однородным с материалом облицовки |
75. | JP 23/02 3220540B2 06193280A | Способ ремонта бетона с помощью листа, армированного однонаправленными волокнами | Пазы выполняют в поверхности бетона на некотором расстоянии и заполняют полимером. Затем обе кромки листа, армированного волокном, помещают в пазы и лист накладывают на поверхность бетона |
76. | JP 23/02 3225818B2 09170335A | Способ ремонта бетонных элементов в местах образования трещин | В местах образования трещин устанавливают трубки для инъецирования жидкой строительной смеси. Один конец каждой трубки закрыт вкладышем, а сами трубки установлены наклонно. Нижние концы трубок открыты. После установки пластины и трубок, размещают элемент для образования паза, и опалубку заполняют бетонной смесью, образуя бетонный элемент. Когда образуются трещины, вкладыши удаляют, и жидкая строительная смесь поступает к образовавшимся трещинам по трубкам |
77. | JP 23/02 3185620B2 09041675A | Способ проведения ремонта поверхности стыка | При проведении ремонта на первом этапе производят отбивку поверхности существующего бетонного каркаса и на отбитую поверхность через заданные интервалы укладывают опалубки, а промежутки между опалубками заполняют материалом для ремонта, например, бетоном или цементным раствором, соединяя ремонтный материал с каркасом. Под приспособлением для впуска материала для ремонта размещают генератор пузырьков, который функционирует до укладки материала для ремонта. Гофрированный шланг, связанный с генератором, подключают к приспособлению и включают генератор, обеспечивая генерацию пузырьков в опалубках. Пузырьки вступают в контакт с внутренними поверхностями опалубок и с отбитой поверхностью, прилипая к этим поверхностям за счет их увлажнения вследствие взаимной активации. В результате, пузырьки поддерживают указанные поверхности в увлажненном состоянии. По завершении подготовительных работ через впускное приспособление подают материал для ремонта и легкие пузырьки следуют через выпускное приспособление за счет их вытеснения материалом с большим удельным весом |
78. | JP 23/02 3202448B2 07102791A | Здание и способ его реконструкции | Новую наружную стену устанавливают на старую наружную стену каркаса здания с помощью опорного элемента для образования вентиляционного пространства. На верхнюю часть устанавливают новую крышу для создания вентиляционного пространства. В этом пространстве могут быть размещены трубы или проводка. Главное оборудование и устройства, установленные на крыше, могут быть соединены с внутренним оборудованием и устройствами с помощью труб или проводки. Вентиляционное отверстие выполнено в нижней части новой стены или, более определенно, в верхней части оконного блока второго этажа для впуска воздуха по стрелке. Воздух выпускается из пространства между старой и новой стенами через пространство между новой крышей и верхней частью. Конструкция позволяет предотвратить проникновение внутрь в летнее время тепла, отобранного от поверхности стены, и перекрыть вентиляционное отверстие зимой. Таким образом предотвращается возникновение воздушного потока |
79. | Япония (JP) 23/02 4-70456 | Способ ремонта покрытия на внешней стене здания | Полость, образующаяся при вздутии покрытия и его отслоении от внешней стены здания, заполняют раствором на основе сополимера акрилата. В 50%-ный раствор сополимера акрилата добавлены портландцемент и заполнитель - кварцевый песок, порошок кремнезема и т.п. Соотношение по массе между компонентами раствора соответствует 1:3. Вязкость раствора регулируют добавлением воды до 4%. Вдоль трещины в покрытии прорезают щель, которую заполняют раствором, содержащим сополимер акрилата и портландцемент в соотношении 1:1 по массе |
80. | Япония (JP) 23/02 443537 | Способ ремонта бетонных конструкций | В смесь эпоксидной смолы и отвердителя вводят пенообразующую добавку, вступающую в реакцию со смесью. В результате реакции в емкости повышается давление, посредством которого вспененный состав заполняет трещину |
81. | Япония (JP) 23/02 443538 | Способ ремонта бетонных конструкций | В швах между облицовочными элементами сверлят отверстия. После заполнения отверстий клеем в них вставляют стержни. Стержни имеют изогнутые под прямым углом фиксирующие части, которые размещают в швах. Затем швы заполняют клеем, который вместе с клеем, заполняющим отверстия, образует единое целое |
82. | Япония (JP) 23/02 47787 | Устройство, впрыскивающее смолу в трещины, для ремонта наружных стен | Устройство содержит соединение крепежной рамы, рабочего рычага и впрыскивателя. Рама имеет вставные горизонтальные стержни, трубчатые кольца которых, свободно передвигаясь, надеваются на оба конца основного вертикального стержня. Кроме этого, стержни соединены винтовой стяжкой. Рычаг имеет основной горизонтальный вал, соединенный со стержнем рамы с возможностью свободного передвижения вверх и вниз и, кроме того, вращения в горизонтальном и вертикальном направлении, а также рукоятку, имеющую возможность передвижения в осевом направлении с помощью крепежного элемента, скользящего относительно вала, и возможность вращения вокруг оси. Впрыскиватель прикреплен с возможностью свободного отделения ортогонально внутренней стороне элемента, соединенного воедино с рычагом. Его конец оборудован впрыскивающей насадкой с резиновым кольцом |
83. | Япония (JP) 23/02 42153 | Способ ремонта бетонных конструкций | К поверхности бетонной стены прикрепляют сетку из стекловолокна, на которую наносят слой синтетической смолы, имеющей модуль упругости не менее 1·103 кг/см2. На слой наносят кварцевый песок. После твердения синтетической смолы на ее поверхность наносят слой бетонной смеси с полимерным связующим и упрочняющими волокнами |
84. | Япония (JP) 23/02 42154 | Способ ремонта легких пенобетонных панелей | На частично разрушенной поверхности панели выполняют несколько прорезей, достигающих неразрушенного слоя. Затем на всю поверхность панели наносят пропитывающий ее неорганический состав, основным компонентом которого является раствор силиката щелочного металла. После этого прорези заполняют строительным раствором |
85. | Великобритания (GB) 23/02 2255585 | Приспособление для заделки отверстия | Приспособление закрывает отверстие с двух его противоположных сторон, одна из которых недоступна для обычной заделки. Это приспособление содержит нижний элемент, выполненный из двух секций, каждая из которых имеет удлинитель. Первая секция прикреплена к стержню и вторая секция свободно может быть повернута относительно этого стержня. Эти секции в совмещенном положении перемещают через заделываемое отверстие, диаметр которого меньше максимальной длины первой или второй секции. В раскрытом положении секций они полностью перекрывают отверстие. На стержень насаживают верхний элемент, прижимая его к поверхности, примыкающей к отверстию. При прижатии обоих элементов они расправляются и плотно прилегают к противоположным сторонам заделываемого отверстия по всему периметру этого отверстия |
86. | US 23/02 5452558 | Способ ремонта и повышение гидроизоляционных качеств кровли | При ремонте кровли укладывают на ремонтируемый участок кровли материал толщиной 1,6 - 6,35 мм, набухающий при смачивании его водой. Сверху этого уложенного слоя материала закрепляют полотнище из гидроизоляционного материала толщиной 0,25 - 2,54 мм, примыкающего к слою из набухающего материала |
87. | JP 23/02 5-45747 | Способ ремонта бетонной конструкции | Требующий ремонта участок в нижней части бетонной конструкции окружают опалубкой с отверстием в боковой стенке для выпуска воды, расположенным выше нижней поверхности этой конструкции. Опалубку заполняют ремонтным материалом, например цементным раствором. Сразу после начала схватывания ремонтного материала к опалубке прикладывают давление в направлении снизу вверх |
88. | JP 23/02 56052010B4 | Способ ремонта железобетонных конструкций | Способ ремонта отличается тем, что из поврежденных мест конструкции удаляют бетон, оголяя арматуру. В образованные углубления с помощью трубки вводят клей, после чего углубления заполняют антикоррозионным составом, например, полимербетоном. После этого места ремонта зачищают |
89. | PCT (WO) 23/02 94/24391 | Ремонт и укрепление несущих элементов | Описан способ бокового армирования несущего строительного элемента. Последний полностью или частично обматывают удлиненной полосой, обладающей высокой прочностью на растяжение и жесткостью. К полосе прилагают усилие натяжения |
90. | JP 23/02 3860947B2 2001214617A | Способ заполнения клеем трещин и каверн в бетоне | В предложенном способе выполняется цилиндрический пропил, пересекающий трещину, при помощи сверления района нахождения трещины в бетонном здании. В образовавшееся углубление заливается клей с помощью выпускающего инструмента |
91. | JP 23/02 3862700B2 2005213899A | Ремонт конструкций и способ усиления | Предложенный способ предусматривает использование тканого материала, получаемого путем склеивания воздухонепроницаемой пленки, ткани или плетеного материала, получаемого путем переплетения волокон, на поверхность основы. Затем тканый материал закрепляется на строении, выполненном из бетона, кирпича или стали, стороной, не закрытой воздухонепроницаемой пленкой при помощи смолы, отверждающейся в естественных условиях, после чего воздухонепроницаемая пленка удаляется |
92. | JP 23/02 3779806B2 11159152A | Способ упрочнения бетонной колонны | Для упрочнения колонны сборную опалубку с криволинейной наружной поверхностью и заданной длиной устанавливают вокруг упрочняемой бетонной колонны прямоугольного поперечного сечения. Угловые части наружной поверхности колонны удаляются после установки опалубок. Непрерывные упрочняющие волокна наматывают на наружную поверхность колонны, на которой установлена опалубка, и покрывают полимером, пропитывающим волокна и затвердевающим |
93. | JP 21/02 3398716B2 11117530A | Способ отделки бетона | Вещество, снижающее усадку, наносят на поверхность бетона непосредственно после удаления излишней воды и воздуха вакуумным насосом через фильтрированный мат с верхней поверхности уложенного бетона и поверхность обрабатывают мастерком или другим инструментом. Для осушения поверхности и удаления воздуха предпочтительно использовать в качестве фильтровального мата ткань из синтетических волокон, через которую не проходят частицы цемента. Анионное поверхностно-активное вещество с поверхностным натяжением не более 50 дин/см в одном растворе и противоусадочным отношением 3%, фиксирующая эмульсия синтетического полимера, раствор водорастворимого высокомолекулярного полимера могут быть, предпочтительно, использованы как противоусадочное вещество. Это повышает поверхностную прочность, снижает усадку при сушке и позволяет предотвратить образование трещин |
94. | JP 23/02 3427273B2 7269130A | Способ очистки и удаления загрязненной бетонной поверхности | Вода из загрязненного бетона после высыхания испаряется и высыхает. Пыль и налет на поверхности бетона удаляется. Затем, после сушки поверхности лазерным излучением низкой мощности, органический или неорганический очищающий загрязнения материал распределяют по поверхности или пропитывают ее. После этого поверхность бетона отверждается или остекловывается лазерным излучением высокой мощности, глянцевые частицы распыляют и удаляют |
| | ИС МЕГАНОРМ: примечание. Нумерация разделов дана в соответствии с официальным текстом документа. | |
| | ИС МЕГАНОРМ: примечание. В официальном тексте документа, видимо, допущена опечатка: имеется в виду СНиП 2.01.07-85, а не СНиП 2.02.07-85. | |
6.
СНиП 52-01-2003 Бетонные и железобетонные конструкции. Основные положения.
| | ИС МЕГАНОРМ: примечание. Нумерация пунктов дана в соответствии с официальным текстом документа. | |
| | ИС МЕГАНОРМ: примечание. В официальном тексте документа, видимо, допущена опечатка: имеется в виду СНиП 2.01.01-82, а не СНиП II-01.01.82. | |
| | ИС МЕГАНОРМ: примечание. В официальном тексте документа, видимо, допущена опечатка: имеется в виду СНиП II-3-79, а не СНиП II-3-85. | |
14. ВСН 425-81 Инструкция по противокоррозионной защите стальных конструкций эксплуатируемых зданий и сооружений/ММСС СССР/Стальконструкция, Лакокраскопокрытие. - М., ЦБНТИ, 1982.
15.
ВСН 53-86 Правила оценки физического износа жилых зданий/АКХ им. К.Д. Панфилова. - М., 1987.
16. Головное проектно-конструкторское технологическое бюро ремонтного производства (ГПКТБ). Примеры конструктивных решений по ремонту и усилению строительных конструкций производственных зданий и сооружений. Альбом I, II, III. Волгоград, 1975.
17. Проектно-конструкторский технологический институт ремонтного производства. Конструктивные решения по усилению строительных конструкций промышленных зданий. Волгоград, 1985.
18. Донецкий Промстройниипроект Госстроя СССР. Рекомендации по усилению монолитных железобетонных конструкций зданий и сооружений предприятий горнодобывающей промышленности. М.: Стройиздат, 1974.
19. Госстрой СССР, Главпромстройпроект, Союзметаллургстройниипроект, Харьковский Промстройниипроект, Госстрой УССР, НИИСП (Ворошиловградский филиал). Методические рекомендации по усилению железобетонных конструкций зданий и сооружений (на основе анализа и обобщения существующего опыта). Харьков, 1984.
20. Министерство транспортного строительства СССР. Всесоюзный научно-исследовательский институт транспортного строительства (ЦНИИС). Рекомендации по восстановлению монолитности бетонных и железобетонных конструкций путем инъектирования полимерных составов. М., 1973.
21. Министерство строительства и эксплуатации автомобильных дорог РСФСР. Гипродорнии. Рекомендации по ремонту поверхностных дефектов железобетонных мостов. М., 1975.
22. Всесоюзный научно-исследовательский институт по строительству магистральных трубопроводов. Инструкция по приготовлению и применению специальных растворов и бетонов на фурановых смолах. Минск, изд-во "Полымя", 1973.
23. Производственное объединение "Техэнергохимпром", (Минский филиал). Цементно-полимерные растворы и бетоны в ремонтных работах. М., 1977.
| | ИС МЕГАНОРМ: примечание. Текст дан в соответствии с официальным текстом документа. | |
24. Госстрой СССР, Главпромстройпроект, Союзметаллургстройниипроект, Харьковский Промстройниипроект, Госстрой УССР, НИИСП (Ворошиловградский филиал).
25.
Рекомендации по усилению каменных конструкций зданий и сооружений. ЦНИИСК им. Кучеренко. М., Стройиздат, 1984.
26. Руководство по проектированию каменных и армокаменных конструкций. М.: Стройиздат, 1977.
27. НИИСК, ЦНИИСК, НИИЖБ. Руководство по ускоренной оценке состояния строительных конструкций промышленных зданий и сооружений и их усилению и восстановлению после воздействия на них взрыва и пожара. Москва, "Стройиздат", 1984.
28. Металлические конструкции. Справочник проектировщика/ЦНИИпроектстальконструкция им. Н.П. Мельникова - М., 1998.
29.
Пособие по методам контроля качества сварных соединений металлических конструкций и трубопроводов, выполняемых в строительстве (к СНиП III-18-75)/ЦНИИпроектстальконструкции им. Мельникова. - М.: Стройиздат, 1988.
30.
Пособие по проектированию защиты от коррозии бетонных и железобетонных конструкций (к СНиП 2.03.11-85)/НИИЖБ. - М.: ЦИТП, 1989.
31.
Пособие по обследованию строительных конструкций зданий/АО "ЦНИИПромзданий". - М., 1997.
32. Правила оценки физического износа жилых зданий/Госстрой России. - М.: ГУП ЦПП, 2003.
33.
Руководство по эксплуатации строительных конструкций производственных зданий промышленных предприятий/ЦНИИПромзданий. - М., 2004.
34. Руководство по усилению железобетонных конструкций композитными материалами/М., 2006 г.
35. Бедов А.И., Сапрыкин В.Ф. Обследование и реконструкция железобетонных и каменных конструкций эксплуатируемых зданий и сооружений. - М.: АСВ, 1995.
36. Руководство по эксплуатации строительных конструкций производственных зданий промышленных предприятий. - М.: Стройиздат, 1995.
37.
Рекомендации по проектированию, устройству и эксплуатации светопрозрачных конструкций промышленных зданий. - М., Стройиздат, 1985.
38.
СП 13-102-2003. Правила обследования несущих строительных конструкций зданий и сооружений.
39. Усиление железобетонных конструкций. Пособие П1-98 к СНиП 2.03.01-84*. Минск, 2000.
40. Совершенствование объемно-планировочных и конструктивных решений зданий и сооружений/АО "ЦНИИПромзданий", 1996.
41. Полищук А.И. Основы проектирования и устройства фундаментов реконструируемых зданий. - 2-е изд. - Нортхэмптон: STT; Томск: STT, 2005.
42. С.М. Гликин. Энергосбережение в зданиях, прогрессивные ограждающие конструкции и практические методы их расчета. ФГУП ЦПП, 2005.
43. В.И. Бабакин. Переустройство жилищного фонда. М.: Стройиздат, 1981.
44. В.А. Зурнаджи, М.П. Филатова. Усиление оснований и фундаментов при ремонте зданий. М., Стройиздат, 1970.
45. Журнал. Промышленное строительство, 1983, N 8, с. 1 - 48.
46. Журнал. Промышленное строительство, 1987, N 1, с. 1 - 48.
47. Журнал. Промышленное строительство, 1982, N 1, с. 1 - 48.
48. Журнал. Промышленное строительство, 1988, N 1, с. 1 - 48.
49. Журнал. Промышленное и гражданское строительство, 2000, N 11.
50. Журнал. Промышленное и гражданское строительство, 2000, N 10.
51. Журнал. Промышленное и гражданское строительство, 2003, N 2.
52. Рекомендации по выбору и устройству современных конструкций окон.
МДС 56-1.2000/АО "ЦНИИПромзданий". - ГУП ЦПП, 2000. - 64 с.
53. Рекомендации по проектированию и устройству фонарей для естественного освещения помещений.
МДС 31-8.2002/ОАО "ЦНИИПромзданий". - ГУП ЦПП, 2002. - 60 с.
54. Руководство по эксплуатации строительных конструкций производственных зданий промышленных предприятий/ЦНИИПромзданий. - 2-е изд., перераб. и доп. - М., 1995. - 90 с.
55. Михайлов В.В. Восстановление железобетонных конструкций с применением расширяющегося цемента/ЦНИПС. - М., 1945.
56.
Рекомендации по ремонту и восстановлению железобетонных конструкций полимерными составами/НИИЖБ. - М., 1986.