Главная // Актуальные документы // ГОСТ (Государственный стандарт)СПРАВКА
Источник публикации
М.: Издательство стандартов, 1995
Примечание к документу
С 1 июля 2003 года до вступления в силу технических регламентов акты федеральных органов исполнительной власти в сфере технического регулирования носят рекомендательный характер и подлежат обязательному исполнению только в части, соответствующей целям, указанным в
пункте 1 статьи 46 Федерального закона от 27.12.2002 N 184-ФЗ.
Введен в действие с 1 июля 1983 года (
Постановление Госстроя СССР от 31.12.1982 N 342).
Название документа
"ГОСТ 19804.7-83. "Сваи-колонны железобетонные двухконсольные для сельскохозяйственных зданий. Конструкция и размеры"
(введен Постановлением Госстроя СССР от 31.12.1982 N 342)
"ГОСТ 19804.7-83. "Сваи-колонны железобетонные двухконсольные для сельскохозяйственных зданий. Конструкция и размеры"
(введен Постановлением Госстроя СССР от 31.12.1982 N 342)
Утвержден и введен в действие
от 31 декабря 1982 г. N 342
ГОСУДАРСТВЕННЫЙ СТАНДАРТ СОЮЗА ССР
СВАИ-КОЛОННЫ ЖЕЛЕЗОБЕТОННЫЕ ДВУХКОНСОЛЬНЫЕ
ДЛЯ СЕЛЬСКОХОЗЯЙСТВЕННЫХ ЗДАНИЙ
КОНСТРУКЦИЯ И РАЗМЕРЫ
Two-console reinforced concrete pile-pillars for
agricultural buildings. Construction and dimensions
ГОСТ 19804.7-83
Постановлением Государственного комитета СССР по делам строительства от 31 декабря 1982 г. N 342 срок введения установлен с 1 июля 1983 года.
Переиздание. Май 1995 г.
Настоящий стандарт распространяется на забивные железобетонные двухконсольные сваи-колонны квадратного сечения и устанавливает их конструкцию и размеры.
Сваи-колонны предназначены для применения в одноэтажных сельскохозяйственных зданиях, расположенных в I, II, III районах СССР по скоростному напору ветра и весу снегового покрова с сейсмичностью не выше 6 баллов, с неагрессивной средой, а также слабо- и среднеагрессивными газовыми средами.
Сваи-колонны должны отвечать требованиям
ГОСТ 19804-91 и настоящего стандарта.
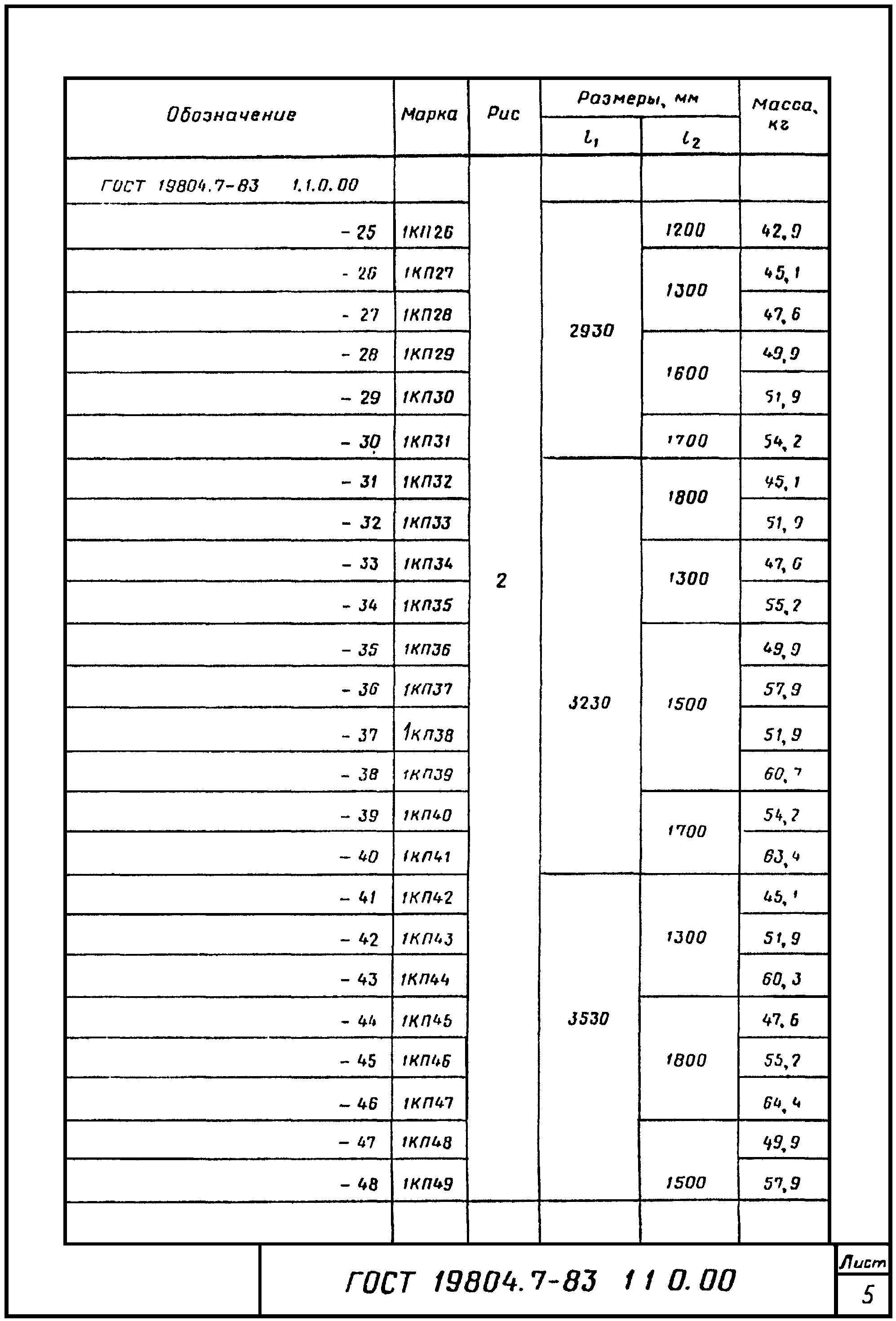
1. МАРКИ И ОСНОВНЫЕ РАЗМЕРЫ
1.1. Марки, форма свай-колонн, основные размеры и показатели должны соответствовать указанным в табл. 2.
Схема обозначения марок
Х СД ХХ ХХ ХХ- Х- П ГОСТ 19804.7-83
─┬─ ─┬─ ─┬─ ─┬─ ─┬─ ─┬─ ─┬─
│ │ │ │ │ │ │
│ │ │ │ │ │ │ Обозначение типа конструкции:
│ │ │ │ │ │ │ 1 - крайняя (без уширения верха);
│ │ │ │ │ │ │ 2 - средняя (с уширением верха)
└───┼───┼───┼───┼───┼───┼────────────────────────────────────
│ │ │ │ │ │
│ │ │ │ │ │ Обозначение вида конструкции:
│ │ │ │ │ │ СД - свая-колонна двухконсольная
└───┼───┼───┼───┼───┼────────────────────────────────────
│ │ │ │ │
│ │ │ │ │ Длина, дм
└───┼───┼───┼───┼────────────────────────────────────
│ │ │ │
│ │ │ │ Размер от верха сваи-колонны до
│ │ │ │ ее консолей, дм
└───┼───┼───┼────────────────────────────────────
│ │ │
│ │ │ Размер стороны поперечного
│ │ │ сечения, см
└───┼───┼────────────────────────────────────
│ │
│ │ Условное обозначение по несущей
│ │ способности: 1, 2, 3, 4, 5
│ │ (см. табл. 1)
└───┼────────────────────────────────────
│
│ Дополнительные характеристики
│ П - при слабо- или
│ среднеагрессивной степени
│ воздействия газовых сред
└────────────────────────────────────
Таблица 1
─────────────┬────────────────────────────────────────────────────
Условное │ Кол., диаметр и класс продольной арматуры
обозначение ├─────────────────┬─────────────────┬────────────────
по несущей │1СД XX. XX. 20- │1СД XX. XX. 30- │2СД XX. XX. 30-
способности │ │ │
─────────────┼─────────────────┼─────────────────┼────────────────
1 │4 Диаметр 12АIII │4 Диаметр 12АIII │4 Диаметр 12АIII
2 │4 Диаметр 14АIII │4 Диаметр 14АIII │4 Диаметр 16АIII
3 │4 Диаметр 16АIII │4 Диаметр 16АIII │4 Диаметр 18АIII
4 │4 Диаметр 18АIII │4 Диаметр 20АIII │-
5 │4 Диаметр 20АIII │4 Диаметр 25АIII │-
Пример условного обозначения (марки) крайней (без уширения верха) сваи-колонны двухконсольной, длиной 5500 мм, размером от верха сваи-колонны до ее консолей 3400 мм, размером стороны поперечного сечения 200 мм, несущей способности 2:
1СД 55.34.20-2 ГОСТ 19804.7-83
То же, крайней (без уширения верха) сваи-колонны двухконсольной, длиной 7500 мм, размером от верха сваи-колонны до ее консолей 3500 мм, размером стороны поперечного сечения 300 мм, несущей способности 3, для зданий с агрессивной степенью воздействия газовой среды:
1СД 75.35.30-3-П ГОСТ 19804.7-83
Таблица 2
──────────────┬────────────┬─────────────────────┬─────────────┬──────
Марка │ Код ОКП │ Размеры, мм │ Расход │Спра-
сваи-колонны │ │ │ материалов │вочная
│ ├────┬────┬───┬───┬───┼─────┬───────┤масса,
│ │ L │ l │ b │h │h │Бе- │Сталь, │т
│ │ │ 1 │ │ 1 │ 2 │тон │ кг │
│ │ │ │ │ │ │М250,│ │
│ │ │ │ │ │ │м3 │ │
──────────────┴────────────┴────┴────┴───┴───┴───┴─────┴───────┴──────
──────────────┬────────────┬────┬────┬───┬───┬───┬─────┬───────┬──────
1СД 50.28.20-1│58 1721 2752│5000│2800│200│200│200│0,22 │31,7 │0,56
──────────────┼────────────┤ │ │ │ │ │ ├───────┤
1СД 50.28.20-2│58 1721 2753│ │ │ │ │ │ │38,1 │
──────────────┼────────────┼────┤ │ │ │ ├─────┼───────┼──────
1СД 55.28.20-1│58 1721 2754│5500│ │ │ │ │0,24 │33,9 │0,61
──────────────┼────────────┤ │ │ │ │ │ ├───────┤
1СД 55.28.20-2│58 1721 2755│ │ │ │ │ │ │40,7 │
──────────────┼────────────┼────┤ │ │ │ ├─────┼───────┼──────
1СД 60.28.20-1│58 1721 2756│6000│ │ │ │ │0,26 │35,8 │0,66
──────────────┼────────────┤ │ │ │ │ │ ├───────┤
1СД 60.28.20-2│58 1721 2757│ │ │ │ │ │ │43,4 │
──────────────┼────────────┼────┼────┤ │ │ ├─────┼───────┼──────
1СД 55.31.20-1│58 1721 2758│5500│3100│ │ │ │0,24 │33,9 │0,61
──────────────┼────────────┤ │ │ │ │ │ ├───────┤
1СД 55.31.20-2│58 1721 2759│ │ │ │ │ │ │40,7 │
──────────────┼────────────┤ │ │ │ │ │ ├───────┤
1СД 55.31.20-3│58 1721 2760│ │ │ │ │ │ │49,1 │
──────────────┼────────────┼────┤ │ │ │ ├─────┼───────┼──────
1СД 60.31.20-1│58 1721 2761│6000│ │ │ │ │0,26 │35,8 │0,66
──────────────┼────────────┤ │ │ │ │ │ ├───────┤
1СД 60.31.20-2│58 1721 2762│ │ │ │ │ │ │43,4 │
──────────────┼────────────┤ │ │ │ │ │ ├───────┤
1СД 60.31.20-3│58 1721 2763│ │ │ │ │ │ │52,4 │
──────────────┼────────────┼────┼────┤ │ │ ├─────┼───────┼──────
1СД 55.34.20-1│58 1721 2764│5500│3400│ │ │ │0,24 │33,9 │0,61
──────────────┼────────────┤ │ │ │ │ │ ├───────┤
1СД 55.34.20-2│58 1721 2765│ │ │ │ │ │ │40,7 │
──────────────┼────────────┤ │ │ │ │ │ ├───────┤
1СД 55.34.20-3│58 1721 2766│ │ │ │ │ │ │49,1 │
──────────────┼────────────┤ │ │ │ │ │ ├───────┤
1СД 55.34.20-4│58 1721 2767│ │ │ │ │ │ │59,3 │
──────────────┼────────────┼────┤ │ │ │ ├─────┼───────┼──────
1СД 60.34.20-1│58 1721 2768│6000│ │ │ │ │0,26 │35,8 │0,66
──────────────┼────────────┤ │ │ │ │ │ ├───────┤
1СД 60.34.20-2│58 1721 2769│ │ │ │ │ │ │43,4 │
──────────────┼────────────┤ │ │ │ │ │ ├───────│
1СД 60.34.20-3│58 1721 2770│ │ │ │ │ │ │52,4 │
──────────────┼────────────┤ │ │ │ │ │ ├───────┤
1СД 60.34.20-4│58 1721 2771│ │ │ │ │ │ │63,6 │
──────────────┼────────────┤ ├────┤ │ │ ├─────┼───────┤
1СД 60.37.20-1│58 1721 2772│ │3700│ │ │ │0,24 │35,8 │
──────────────┼────────────┤ │ │ │ │ │ ├───────┤
1СД 60.37.20-2│58 1721 2773│ │ │ │ │ │ │43,4 │
──────────────┼────────────┼────┤ │ │ │ │ ├───────┤
1СД 60.37.20-3│58 1721 2774│6000│ │ │ │ │ │52,4 │
──────────────┼────────────┤ │ │ │ │ │ ├───────┤
1СД 60.37.20-4│58 1721 2775│ │ │ │ │ │ │63,6 │
──────────────┼────────────┤ │ │ │ │ │ ├───────┤
1СД 60.37.20-5│58 1721 2776│ │ │ │ │ │ │74,8 │
──────────────┼────────────┼────┼────┼───┼───┼───┼─────┼───────┼──────
1СД 50.29.30-1│58 1721 2777│5000│2000│300│150│300│0,50 │42,9 │1,26
──────────────┼────────────┼────┤ │ │ │ ├─────┼───────┼──────
1СД 55.29.30-1│58 1721 2778│5500│ │ │ │ │0,55 │45,1 │1,37
──────────────┼────────────┼────┤ │ │ │ ├─────┼───────┼──────
1СД 60.29.30-1│58 1721 2779│6000│ │ │ │ │0,59 │47,6 │1,49
──────────────┼────────────┼────┤ │ │ │ ├─────┼───────┼──────
1СД 65.29.30-1│58 1721 2780│6500│ │ │ │ │0,64 │49,9 │1,60
──────────────┼────────────┼────┤ │ │ │ ├─────┼───────┼──────
1СД 70.29.30-1│58 1721 2781│7000│ │ │ │ │0,68 │51,9 │1,73
──────────────┼────────────┼────┤ │ │ │ ├─────┼───────┼──────
1СД 75.29.30-1│58 1721 2782│7500│ │ │ │ │0,73 │54,2 │1,82
──────────────┼────────────┼────┼────┤ │ │ ├─────┼───────┼──────
1СД 55.32.30-1│58 1721 2783│5500│3200│ │ │ │0,55 │45,1 │1,37
──────────────┼────────────┤ │ │ │ │ │ ├───────┤
1СД 55.32.30-2│58 1721 2784│ │ │ │ │ │ │51,9 │
──────────────┼────────────┼────┤ │ │ │ ├─────┼───────┼──────
1СД 60.32.30-1│58 1721 2785│6000│ │ │ │ │0,59 │47,6 │1,49
──────────────┼────────────┤ │ │ │ │ │ ├───────┤
1СД 60.32.30-2│58 1721 2786│ │ │ │ │ │ │55,2 │
──────────────┼────────────┼────┤ │ │ │ ├─────┼───────┼──────
1СД 65.32.30-1│58 1721 2787│6500│ │ │ │ │0,64 │49,9 │1,60
──────────────┼────────────┤ │ │ │ │ │ ├───────┤
1СД 65.32.30-2│58 1721 2788│ │ │ │ │ │ │57,9 │
──────────────┼────────────┼────┤ │ │ │ ├─────┼───────┼──────
1СД 70.32.30-1│58 1721 2789│7000│ │ │ │ │0,68 │51,9 │1,73
──────────────┼────────────┤ │ │ │ │ │ ├───────┤
1СД 70.32.30-2│58 1721 2790│ │ │ │ │ │ │60,7 │
──────────────┼────────────┼────┤ │ │ │ ├─────┼───────┼──────
1СД 75.32.30-1│58 1721 2791│7500│ │ │ │ │0,73 │54,2 │1,82
──────────────┼────────────┤ │ │ │ │ │ ├───────┤
1СД 75.32.30-2│58 1721 2792│ │ │ │ │ │ │63,4 │
──────────────┼────────────┼────┼────┤ │ │ ├─────┼───────┼──────
1СД 55.35.30-1│58 1721 2793│5500│3500│ │ │ │0,55 │45,1 │1,37
──────────────┼────────────┤ │ │ │ │ │ ├───────┤
1СД 55.35.30-2│58 1721 2794│ │ │ │ │ │ │51,9 │
──────────────┼────────────┤ │ │ │ │ │ ├───────┤
1СД 55.35.30-3│58 1721 2795│ │ │ │ │ │ │60,3 │
──────────────┼────────────┼────┤ │ │ │ ├─────┼───────┼──────
1СД 60.35.30-1│58 1721 2796│6000│ │ │ │ │0,59 │47,6 │1,49
──────────────┼────────────┤ │ │ │ │ │ ├───────┤
1СД 60.35.30-2│58 1721 2797│ │ │ │ │ │ │55,2 │
──────────────┼────────────┤ │ │ │ │ │ ├───────┤
1СД 60.35.30-3│58 1721 2798│ │ │ │ │ │ │64,4 │
──────────────┼────────────┼────┤ │ │ │ ├─────┼───────┼──────
1СД 65.35.30-1│58 1721 2799│6500│ │ │ │ │0,64 │49,9 │1,60
──────────────┼────────────┤ │ │ │ │ │ ├───────┤
1СД 65.35.30-2│58 1721 2800│ │ │ │ │ │ │57,9 │
──────────────┼────────────┤ │ │ │ │ │ ├───────┤
1СД 65.35.30-3│58 1721 2801│ │ │ │ │ │ │67,5 │
──────────────┼────────────┼────┤ │ │ │ ├─────┼───────┼──────
1СД 70.35.30-1│58 1721 2802│7000│ │ │ │ │0,68 │51,9 │1,73
──────────────┼────────────┤ │ │ │ │ │ ├───────┤
1СД 70.35.30-2│58 1721 2803│ │ │ │ │ │ │60,7 │
──────────────┼────────────┤ │ │ │ │ │ ├───────┤
1СД 70.35.30-3│58 1721 2804│ │ │ │ │ │ │71,1 │
──────────────┼────────────┼────┤ │ │ │ ├─────┼───────┼──────
1СД 75.35.30-1│58 1721 2805│7500│ │ │ │ │0,73 │54,2 │1,82
──────────────┼────────────┤ │ │ │ │ │ ├───────┤
1СД 75.35.30-2│58 1721 2806│ │ │ │ │ │ │63,4 │
──────────────┼────────────┤ │ │ │ │ │ ├───────┤
1СД 75.35.30-3│58 1721 2807│ │ │ │ │ │ │74,6 │
──────────────┼────────────┼────┼────┤ │ │ ├─────┼───────┼──────
1СД 65.41.30-1│58 1721 2808│6500│4100│ │ │ │0,64 │49,9 │1,60
──────────────┼────────────┤ │ │ │ │ │ ├───────┤
1СД 65.41.30-2│58 1721 2809│ │ │ │ │ │ │57,9 │
──────────────┼────────────┤ │ │ │ │ │ ├───────┤
1СД 65.41.30-3│58 1721 2810│ │ │ │ │ │ │67,5 │
──────────────┼────────────┤ │ │ │ │ │ ├───────┤
1СД 65.41.30-4│58 1721 2811│ │ │ │ │ │ │93,5 │
──────────────┼────────────┼────┤ │ │ │ ├─────┼───────┼──────
1СД 70.41.30-1│58 1721 2812│7000│ │ │ │ │0,68 │51,9 │1,73
──────────────┼────────────┤ │ │ │ │ │ ├───────┤
1СД 70.41 30-2│58 1721 2813│ │ │ │ │ │ │60,7 │
──────────────┼────────────┤ │ │ │ │ │ ├───────┤
1СД 70.41.30-3│58 1721 2814│ │ │ │ │ │ │71,1 │
──────────────┼────────────┤ │ │ │ │ │ ├───────┤
1СД 70.41.30-4│58 1721 2815│ │ │ │ │ │ │98,7 │
──────────────┼────────────┼────┤ │ │ │ ├─────┼───────┼──────
1СД 75.41.30-1│58 1721 2816│7500│ │ │ │ │0,73 │54,2 │1,82
──────────────┼────────────┤ │ │ │ │ │ ├───────┤
1СД 75.41.30-2│58 1721 2817│ │ │ │ │ │ │63,4 │
──────────────┼────────────┤ │ │ │ │ │ ├───────┤
1СД 75.41.30-3│58 1721 2818│ │ │ │ │ │ │74,6 │
──────────────┼────────────┤ │ │ │ │ │ ├───────┤
1СД 75.41.30-4│58 1721 2819│ │ │ │ │ │ │104,6 │
──────────────┼────────────┤ ├────┤ │ │ │ ├───────┤
1СД 75.53.30-1│58 1721 2820│ │5300│ │ │ │ │54,2 │
──────────────┼────────────┤ │ │ │ │ │ ├───────┤
1СД 75.53.30-2│58 1721 2821│ │ │ │ │ │ │63,4 │
──────────────┼────────────┤ │ │ │ │ │ ├───────┤
1СД 75.53.30-3│58 1721 2822│ │ │ │ │ │ │74,6 │
──────────────┼────────────┤ │ │ │ │ │ ├───────┤
1СД 75.53.30-4│58 1721 2823│ │ │ │ │ │ │104,6 │
──────────────┼────────────┤ │ │ │ │ │ ├───────┤
1СД 75.53.30-5│58 1721 2824│ │ │ │ │ │ │155,6 │
──────────────┴────────────┴────┴────┴───┴───┴───┴─────┴───────┴──────
──────────────┬────────────┬────┬────┬───┬───┬───┬─────┬───────┬──────
2СД 50.29.30-1│58 1721 2825│5000│2900│300│150│300│0,51 │46,6 │1,29
──────────────┼────────────┼────┤ │ │ │ ├─────┼───────┼──────
2СД 65.29.30-1│58 1721 2826│5500│ │ │ │ │0,56 │48,8 │1,40
──────────────┼────────────┼────┤ │ │ │ ├─────┼───────┼──────
2СД 65.29.30-1│58 1721 2827│6600│ │ │ │ │0,65 │53,6 │1,63
──────────────┼────────────┼────┤ │ │ │ ├─────┼───────┼──────
2СД 75.29.30-1│58 1721 2828│7500│ │ │ │ │0,74 │57,9 │1,85
──────────────┼────────────┼────┼────┼───┼───┼───┼─────┼───────┼──────
2СД 55.35.30-1│58 1721 2829│5500│3500│300│150│300│0,56 │48,8 │1,40
──────────────┼────────────┼────┤ │ │ │ ├─────┼───────┼──────
2СД 65.35.30-1│58 1721 2830│6500│ │ │ │ │0,65 │53,6 │1,63
──────────────┼────────────┼────┤ │ │ │ ├─────┼───────┼──────
2СД 75.35.30-1│58 1721 2831│7500│ │ │ │ │0,74 │57,9 │1,85
──────────────┼────────────┼────┼────┤ │ │ ├─────┼───────┼──────
2СД 65.41 30-1│58 1721 2832│6500│4100│ │ │ │0,65 │53,6 │1,63
──────────────┼────────────┼────┤ │ │ │ ├─────┼───────┼──────
2СД 75.41.30-1│58 1721 2833│7500│ │ │ │ │0,74 │57,9 │1,85
──────────────┼────────────┤ ├────┤ │ │ │ │ │
2СД 75.47.30-1│58 1721 2834│ │4700│ │ │ │ │ │
──────────────┼────────────┼────┼────┼───┼───┼───┼─────┼───────┼──────
2СД 75.53.30-1│58 1721 2835│7500│5300│300│150│300│0,74 │57,9 │1,85
──────────────┼────────────┤ │ │ │ │ │ ├───────┤
2СД 75.53.30-2│58 1721 2836│ │ │ │ │ │ │78,3 │
──────────────┼────────────┤ │ │ │ │ │ ├───────┤
2СД 75.53.30-3│58 1721 2837│ │ │ │ │ │ │94,5 │
2. ТЕХНИЧЕСКИЕ ТРЕБОВАНИЯ
2.1. Сваи-колонны должны изготовляться в соответствии с требованиями настоящего стандарта по рабочим чертежам, приведенным в
Приложении.
2.2. Бетон
2.2.1. Для изготовления свай-колонн должен применяться тяжелый бетон марки по прочности на сжатие М250.
2.2.2. Материалы, применяемые для приготовления бетона, должны отвечать требованиям следующих стандартов:
щебень, гравий - ГОСТ 20268-83 (максимальная крупность заполнителя не должна превышать 20 мм);
песок - ГОСТ 8736-85.
2.2.3. Бетон свай-колонн, предназначенных для работы в условиях воздействия слабо- или среднеагрессивных газовых сред, должен быть повышенной плотности (П) и удовлетворять требованиям
СНиП II-28-73.
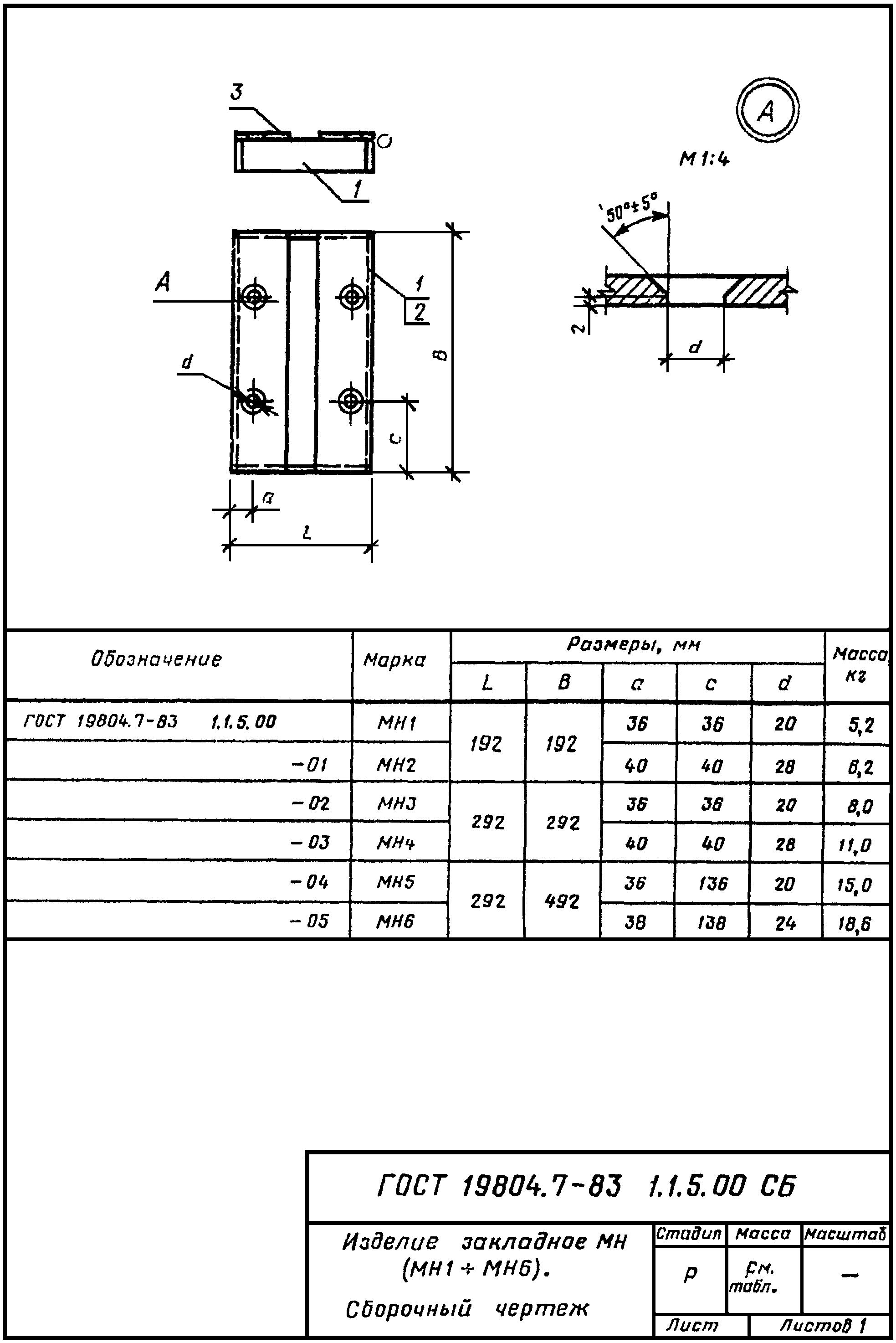
2.3. Арматура и закладные изделия
2.3.1. Сваи-колонны армируют пространственными каркасами.
2.3.2. В качестве продольной арматуры и арматуры консолей свай-колонн следует применять горячекатаную арматурную сталь класса А-III по
ГОСТ 5781-82.
2.3.3. В качестве поперечной арматуры (спираль сваи-колонны) следует применять проволоку класса Вр-I по
ГОСТ 6727-80 или горячекатаную арматурную сталь класса А-I по
ГОСТ 5781-82.
2.3.4. Марки арматурной стали должны приниматься с учетом условий возведения и эксплуатации конструкций согласно
приложению 3 главы СНиП II-21-75.
2.3.5. Поперечную арматуру приварить к продольным стержням в каждом пересечении контактной сваркой в соответствии с
ГОСТ 14098-91.
2.3.6. Допускается заменять спиральную арматуру поперечными стержнями диаметром и шагом, равными диаметру и шагу спирали.
2.3.7. Для закладных изделий свай-колонн должна применяться углеродистая сталь класса С38/23.
Марки прокатной стали следует принимать с учетом действующей на закладное изделие нагрузки и условий эксплуатации свай-колонн согласно
приложению 4 главы СНиП II-21-75.
2.3.8. Закладные изделия следует изготовлять с применением дуговой полуавтоматической сварки порошковой проволокой типов ПП-АН2, ПП-АН4, ПП-АН8 или в углекислом газе проволокой Св-08Г2С. Сварные соединения должны выполняться в соответствии с
ГОСТ 14771-76.
Допускается изготовлять закладные изделия с применением ручной дуговой сварки в соответствии с
ГОСТ 5264-80 с электродами типа Э42А-Ф.
2.3.9. Закладное изделие сваи-колонны при сборке пространственного каркаса надеть на продольные стержни и приварить к этим стержням, используя зазор между стержнем и раззенковкой, ручной дуговой сваркой в соответствии с
ГОСТ 5264-80 электродами типа Э42А-Ф.
Сварку следует выполнять с учетом требований
СН 393-78.
2.4. Требования к изготовлению
2.4.1. Сваи-колонны должны изготовляться в стальных формах, удовлетворяющих требованиям
ГОСТ 25781-83.
Допускается изготовлять сваи-колонны в неметаллических формах, обеспечивающих соблюдение требований настоящего стандарта к качеству и точности изготовления свай-колонн.
2.4.2. Проектное положение арматурных изделий и толщину защитного слоя бетона следует фиксировать прокладками из плотного цементно-песчаного раствора или пластмассовыми фиксаторами. Применение стальных фиксаторов не допускается.
2.4.3. По четырем граням сваи-колонны должны быть нанесены риски разбивочных осей.
2.4.4. Подъем свай-колонн на копер следует производить с помощью стропа, закрепленного за сваю-колонну у верхней подъемной петли.
Строповка свай-колонн при подъеме на копер непосредственно за подъемную петлю запрещается.
2.5. Точность изготовления
2.5.1. Отклонения фактических размеров свай-колонн от проектных размеров не должны превышать, мм:
- по длине ............................................ +/- 22
- по длине от верха сваи-колонны до ее консолей ........ +/- 7
- по длине от консолей до низа сваи-колонны ........... +/- 15
- по размерам поперечного сечения и размерам консолей .. +/- 5
2.5.2. Отклонение от прямой линии (непрямолинейность) боковых граней на длине от верха сваи-колонны до ее консолей не должно превышать 3 мм на длине 2 м.
2.5.3. Отклонения от проектного положения стальных закладных изделий не должны превышать, мм:
- в плоскости поверхности сваи-колонны ..................... 5
- из плоскости поверхности сваи-колонны .................... 3
3.1. Приемку свай-колонн осуществляют в соответствии с требованиями
ГОСТ 13015.1-81 и настоящего стандарта.
3.2. Приемочный контроль для каждой партии свай-колонн следует проводить неразрушающими методами.
3.3. При приемке свай-колонн по показателям точности геометрических размеров, отклонению от прямолинейности боковых граней, толщины защитного слоя бетона, расположения арматуры, качества бетонной поверхности применяют выборочный одноступенчатый контроль по
ГОСТ 13015.1-81.
4.3. Водонепроницаемость бетона следует определять по величине коэффициента фильтрации

согласно
ГОСТ 12730.5-84.
Величины коэффициента фильтрации

, соответствующие маркам бетона по водонепроницаемости, следует принимать по главе
СНиП II-21-75.
4.4. Водопоглощение бетона свай-колонн, предназначенных для применения в условиях воздействия агрессивной среды, следует определять по
ГОСТ 12730.0-78 и
ГОСТ 12730.3-78.
| | ИС МЕГАНОРМ: примечание. Взамен ГОСТ 22904-78 с 1 января 1995 года введен в действие ГОСТ 22904-93. | |
4.5. Толщину защитного слоя бетона и положение арматуры в бетоне свай-колонн следует определять по
ГОСТ 17625-83 или ГОСТ 22904-78.
При отсутствии необходимых приборов допускается вырубка борозд и обнажение арматуры сваи-колонны с последующей заделкой борозд.
4.6. Методы контроля и испытаний арматурных и закладных изделий установлены в
ГОСТ 10922-90.
Обязательное