Главная // Актуальные документы // ГОСТ (Государственный стандарт)
СПРАВКА
Источник публикации
М.: Стандартинформ, 2005
Примечание к документу
С 1 июля 2003 года до вступления в силу технических регламентов акты федеральных органов исполнительной власти в сфере технического регулирования носят рекомендательный характер и подлежат обязательному исполнению только в части, соответствующей целям, указанным в пункте 1 статьи 46 Федерального закона от 27.12.2002 N 184-ФЗ.

Документ введен в действие с 1 января 1996 года.

Взамен ГОСТ 10605-72.
Название документа
"ГОСТ 10605-94 (ИСО 4032-86). Межгосударственный стандарт. Гайки шестигранные с диаметром резьбы свыше 48 мм класса точности B. Технические условия"
(введен в действие Постановлением Госстандарта России от 10.10.1995 N 524)

"ГОСТ 10605-94 (ИСО 4032-86). Межгосударственный стандарт. Гайки шестигранные с диаметром резьбы свыше 48 мм класса точности B. Технические условия"
(введен в действие Постановлением Госстандарта России от 10.10.1995 N 524)


Содержание


Введен в действие
Постановлением Комитета
Российской Федерации
по стандартизации,
метрологии и сертификации
от 10 октября 1995 г. N 524
МЕЖГОСУДАРСТВЕННЫЙ СТАНДАРТ
ГАЙКИ ШЕСТИГРАННЫЕ С ДИАМЕТРОМ РЕЗЬБЫ СВЫШЕ 48 мм
КЛАССА ТОЧНОСТИ B
ТЕХНИЧЕСКИЕ УСЛОВИЯ
Hexagon nuts with thread diameter over 48 mm.
Product grade B. Specifications
ГОСТ 10605-94
(ИСО 4032-86)
Группа Г33
МКС 21.060.20
ОКП 12 8300
Дата введения
1 января 1996 года
Предисловие
1. Разработан Всероссийским научно-исследовательским институтом стандартизации и сертификации в машиностроении Госстандарта России.
Внесен Госстандартом России.
2. Принят Межгосударственным советом по стандартизации, метрологии и сертификации (Протокол N 6 от 21 октября 1994 г.).
За принятие проголосовали:
┌───────────────────────────────────┬─────────────────────────────────────┐
│ Наименование государства │ Наименование национального органа │
│ │ по стандартизации │
├───────────────────────────────────┼─────────────────────────────────────┤
│Азербайджанская Республика │Азгосстандарт │
│Республика Армения │Армгосстандарт │
│Республика Беларусь │Белстандарт │
│Республика Грузия │Грузстандарт │
│Республика Казахстан │Госстандарт Республики Казахстан │
│Кыргызская Республика │Кыргызстандарт │
│Республика Молдова │Молдовастандарт │
│Российская Федерация │Госстандарт России │
│Республика Узбекистан │Узгосстандарт │
│Украина │Госстандарт Украины │
└───────────────────────────────────┴─────────────────────────────────────┘
Настоящий стандарт представляет собой полный аутентичный текст ИСО 4032-86 "Гайки шестигранные типа I классов A и B" в части гаек с диаметром резьбы 52, 56 и 64 мм класса точности B и содержит дополнительные требования, отражающие потребности народного хозяйства.
3. Постановлением Комитета Российской Федерации по стандартизации, метрологии и сертификации от 10 октября 1995 г. N 524 межгосударственный стандарт ГОСТ 10605-94 (ИСО 4032-86) введен в действие в качестве государственного стандарта Российской Федерации с 1 января 1996 г.
4. Взамен ГОСТ 10605-72.
5. Переиздание. Сентябрь 2005 г.
1. Область применения
Настоящий стандарт распространяется на шестигранные гайки с диаметром резьбы от 52 до 150 мм, класса точности B.
2. Нормативные ссылки
В настоящем стандарте использованы ссылки на следующие стандарты:
ГОСТ 9.301-86. Единая система защиты от коррозии и старения материалов и изделий. Покрытия металлические и неметаллические неорганические. Общие требования
ГОСТ 9.303-84. Единая система защиты от коррозии и старения материалов и изделий. Покрытия металлические и неметаллические неорганические. Общие требования к выбору
ГОСТ 1759.1-82. Болты, винты, шпильки, гайки и шурупы. Допуски. Методы контроля размеров и отклонений формы и расположения поверхностей
ГОСТ 9150-2002 (ИСО 68-1-98). Основные нормы взаимозаменяемости. Резьба метрическая. Профиль
ГОСТ 16093-2004 (ИСО 965-1:1998, ИСО 965-3:1998). Основные нормы взаимозаменяемости. Резьба метрическая. Допуски. Посадки с зазором
ИС МЕГАНОРМ: примечание.
ГОСТ 17769-83 утратил силу на территории Российской Федерации с 1 января 2011 года в связи с введением в действие ГОСТ Р ИСО 3269-2009 (Приказ Ростехрегулирования от 10.12.2009 N 696-ст).
ГОСТ 17769-83 (ИСО 3269-88). Изделия крепежные. Правила приемки
ИС МЕГАНОРМ: примечание.
Взамен ГОСТ 18126-72 Постановлением Госстандарта РФ от 10.10.1995 N 526 с 1 января 1996 года введен в действие ГОСТ 18126-94.
ГОСТ 18126-72. Болты и гайки с диаметром резьбы свыше 48 мм. Общие технические условия
ГОСТ 18160-72. Изделия крепежные. Упаковка. Маркировка. Транспортирование и хранение
ГОСТ 24705-2004 (ИСО 724:1993). Основные нормы взаимозаменяемости. Резьба метрическая. Основные размеры.
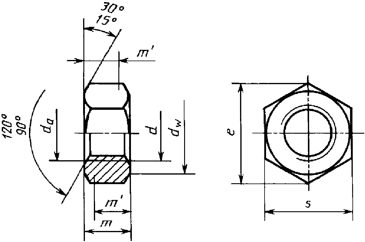
3. Размеры
Конструкция и размеры гаек должны соответствовать указанным на рисунке 1 и в таблице 1.
Рисунок 1
Таблица 1
мм
┌──────────────┬─────┬─────┬──────┬──────┬──────┬──────┬──────┬──────┬──────┬──────┬──────┬──────┐
│ Резьба d │(52) │ 56 │ 64 │ 72 │ (76) │ 80 │ 90 │ 100 │ 110 │ 125 │ 140 │ 150 │
├──────────────┼─────┼─────┼──────┼──────┼──────┼──────┼──────┼──────┼──────┼──────┼──────┼──────┤
│ крупный │ 5,0 │ 5,5 │ 6,0 │ - │ - │ - │ - │ - │ - │ - │ - │ - │
│P ───────────┼─────┼─────┴──────┼──────┴──────┴──────┴──────┴──────┴──────┴──────┴──────┴──────┤
│ мелкий │ 3,0 │ 4,0 │ 6,0 и 4,0 │
├──────────────┼─────┼─────┬──────┼──────┬──────┬──────┬──────┬──────┬──────┬──────┬──────┬──────┤
│d мин. │ 52 │ 56 │ 64 │ 72 │ 76 │ 80 │ 90 │ 100 │ 110 │ 125 │ 140 │ 150 │
│ a ───────────┼─────┼─────┼──────┼──────┼──────┼──────┼──────┼──────┼──────┼──────┼──────┼──────┤
│ макс. │56,2 │60,5 │ 69,1 │ 77,8 │ 82,1 │ 86,4 │ 97,2 │108,0 │118,8 │135,0 │151,2 │162,0 │
├──────────────┼─────┼─────┼──────┼──────┼──────┼──────┼──────┼──────┼──────┼──────┼──────┼──────┤
│ d мин. │74,2 │78,7 │ 88,2 │ 97,7 │102,4 │107,2 │121,1 │135,4 │144,9 │168,6 │187,2 │211,0 │
│ w │ │ │ │ │ │ │ │ │ │ │ │ │
├──────────────┼─────┼─────┼──────┼──────┼──────┼──────┼──────┼──────┼──────┼──────┼──────┼──────┤
│ e мин. │88,25│93,56│104,86│116,16│121,81│127,46│144,08│161,03│172,33│200,58│222,72│250,97│
├──────────────┼─────┼─────┼──────┼──────┼──────┼──────┼──────┼──────┼──────┼──────┼──────┼──────┤
│ макс. │ 42 │ 45 │ 51 │ 58 │ 61 │ 64 │ 72 │ 80 │ 88 │ 100 │ 112 │ 128 │
│m ───────────┼─────┼─────┼──────┼──────┼──────┼──────┼──────┼──────┼──────┼──────┼──────┼──────┤
│ мин. │40,4 │43,4 │ 49,1 │ 56,1 │ 59,1 │ 62,1 │ 70,1 │ 78,1 │ 85,8 │ 97,8 │109,8 │125,5 │
├──────────────┼─────┼─────┼──────┼──────┼──────┼──────┼──────┼──────┼──────┼──────┼──────┼──────┤
│ m' мин. │32,3 │34,7 │ 39,3 │ 44,9 │ 47,3 │ 49,7 │ 56,1 │ 62,5 │ 68,6 │ 78,2 │ 87,8 │100,4 │
├──────────────┼─────┼─────┼──────┼──────┼──────┼──────┼──────┼──────┼──────┼──────┼──────┼──────┤
│ ном.-макс.│ 80 │ 85 │ 95 │ 105 │ 110 │ 115 │ 130 │ 145 │ 155 │ 180 │ 200 │ 225 │
│S ───────────┼─────┼─────┼──────┼──────┼──────┼──────┼──────┼──────┼──────┼──────┼──────┼──────┤
│ мин. │78,1 │82,8 │ 92,8 │102,8 │107,8 │112,8 │127,5 │142,5 │152,5 │177,5 │197,1 │222,1 │
├──────────────┴─────┴─────┴──────┴──────┴──────┴──────┴──────┴──────┴──────┴──────┴──────┴──────┤
│ Примечание. Размеры гаек, заключенные в скобки, применять │
│не рекомендуется. │
└────────────────────────────────────────────────────────────────────────────────────────────────┘
Пример условного обозначения гайки диаметром резьбы 56 мм, с крупным шагом резьбы с полем допуска 6Н, из материала группы 05, с цинковым покрытием толщиной 9 мкм, хроматированным:
Гайка М 56.05.019 ГОСТ 10605-94
То же, с мелким шагом резьбы с полем допуска 6Н, из материала группы 21, из стали марки 12Х18Н9Т без покрытия:
Гайка М 56 x 4.21.12Х18Н9Т ГОСТ 10605-94.
4. Технические требования
Таблица 2
┌───────────────────────────────┬────────────────────┬────────────────────┐
│ Материал │ Углеродистая сталь │Коррозионно-стойкая │
│ │ │ сталь │
├───────────────────────────────┼────────────────────┴────────────────────┤
ИС МЕГАНОРМ: примечание.
Взамен ГОСТ 18126-72 Постановлением Госстандарта РФ от 10.10.1995 N 526
с 1 января 1996 года введен в действие ГОСТ 18126-94.
│ Общие технические требования │ ГОСТ 18126 │
├───────────────────────────────┼─────────────────────────────────────────┤
│ Размеры │ Профиль и основные размеры │
│ ─────────────────────┼─────────────────────────────────────────┤
│ Стандарт │ ГОСТ 9150, ГОСТ 24705
│ Резьба ─────────────────────┼─────────────────────────────────────────┤
│ Допуски │ 6Н │
│ ─────────────────────┼─────────────────────────────────────────┤
│ Стандарт │ ГОСТ 16093
├───────────────────────────────┼────────────────────┬────────────────────┤
│ Механи- Группа │ 02, 04, 05, 06, 07 │ 11, 21, 23, 25 │
│ческие ─────────────────────┼────────────────────┴────────────────────┤
│свойства Стандарт │ ГОСТ 18126 │
├───────────────────────────────┼─────────────────────────────────────────┤
│ Класс точности │ B │
│ Допуски ─────────────────────┼─────────────────────────────────────────┤
│ Стандарт │ ГОСТ 1759.1
├───────────────────────────────┼─────────────────────────────────────────┤
│ Окончательная обработка │Требования к гальванопокрытиям │
│поверхности изделия │по ГОСТ 9.301, ГОСТ 9.303. │
│ │Покрытия - по ГОСТ 18126 │
├───────────────────────────────┼─────────────────────────────────────────┤
ИС МЕГАНОРМ: примечание.
ГОСТ 17769-83 утратил силу на территории Российской Федерации
с 1 января 2011 года в связи с введением в действие ГОСТ Р ИСО 3269-2009
(Приказ Ростехрегулирования от 10.12.2009 N 696-ст).
│ Приемка │ ГОСТ 17769 │
├───────────────────────────────┼─────────────────────────────────────────┤
│ Маркировка и упаковка │ ГОСТ 18126, ГОСТ 18160
└───────────────────────────────┴─────────────────────────────────────────┘
Теоретическая масса стальных болтов указана в Приложении А.
Приложение А
(справочное)
МАССА СТАЛЬНЫХ ГАЕК
Шаг резьбы,
мм
Теоретическая масса гайки, кг ~=, при номинальном диаметре
резьбы d, мм
(52)
56
64
72
(76)
80
90
100
110
125
140
150
Крупный 5,0;
5,5 и 6,0
1,21
1,45
1,99
-
-
-
-
-
-
-
-
-
Мелкий 3,0
и 4,0
1,18
1,42
1,94
2,63
2,99
3,39
4,88
6,76
8,12
12,79
17,43
24,51
Мелкий 6,0
-
-
-
2,69
3,06
3,47
4,98
6,88
8,27
12,99
17,67
24,83