Главная // Актуальные документы // ГОСТ (Государственный стандарт)СПРАВКА
Источник публикации
М.: ИПК Издательство стандартов, 2003
Примечание к документу
Документ
введен в действие с 1 января 2004 года.
Взамен ГОСТ 9150-81.
Название документа
"ГОСТ 9150-2002 (ИСО 68-1-98). Межгосударственный стандарт. Основные нормы взаимозаменяемости. Резьба метрическая. Профиль"
(введен в действие Постановлением Госстандарта России от 23.06.2003 N 200-ст)
"ГОСТ 9150-2002 (ИСО 68-1-98). Межгосударственный стандарт. Основные нормы взаимозаменяемости. Резьба метрическая. Профиль"
(введен в действие Постановлением Госстандарта России от 23.06.2003 N 200-ст)
Введен в действие
от 23 июня 2003 г. N 200-ст
МЕЖГОСУДАРСТВЕННЫЙ СТАНДАРТ
ОСНОВНЫЕ НОРМЫ ВЗАИМОЗАМЕНЯЕМОСТИ.
РЕЗЬБА МЕТРИЧЕСКАЯ. ПРОФИЛЬ
Basic norms of interchangeability.
Metric screw threads. Profile
ГОСТ 9150-2002
(ИСО 68-1-98)
1. Разработан Научно-исследовательским и конструкторским институтом средств измерения в машиностроении (ОАО "НИИизмерения").
2. Внесен Госстандартом России.
3. Принят Межгосударственным советом по стандартизации, метрологии и сертификации (Протокол N 22 от 6 ноября 2002 г.).
За принятие проголосовали:
Наименование государств | Наименование национального органа по стандартизации |
Азербайджан | Азгосстандарт |
Армения | Армгосстандарт |
Беларусь | Госстандарт Республики Беларусь |
Грузия | Грузстандарт |
Казахстан | Госстандарт Республики Казахстан |
Кыргызстан | Кыргызстандарт |
Молдова | Молдова-Стандарт |
Российская Федерация | Госстандарт России |
Таджикистан | Таджикстандарт |
Туркменистан | Главгосслужба "Туркменстандартлары" |
Узбекистан | Узгосстандарт |
4. Настоящий стандарт представляет собой идентичный текст международного стандарта ИСО 68-1-98 "Резьбы ИСО общего назначения. Основной профиль. Часть 1. Метрическая резьба" и содержит дополнительные требования, отражающие потребности экономики страны.
5.
Постановлением Государственного комитета Российской Федерации по стандартизации и метрологии от 23 июня 2003 г. N 200-ст межгосударственный стандарт ГОСТ 9150-2002 (ИСО 68-1-98) введен в действие непосредственно в качестве государственного стандарта Российской Федерации с 1 января 2004 г.
6. Взамен ГОСТ 9150-81.
Настоящий стандарт распространяется на метрические резьбы общего назначения и устанавливает для них основной профиль.
Диаметры и шаги метрической резьбы - по
ГОСТ 8724.
| | ИС МЕГАНОРМ: примечание. Взамен ГОСТ 24705-81 Приказом Ростехрегулирования от 02.03.2005 N 36-ст с 1 июля 2005 года введен в действие ГОСТ 24705-2004. | |
Основные размеры метрической резьбы - по ГОСТ 24705.
| | ИС МЕГАНОРМ: примечание. Взамен ГОСТ 16093-81 Приказом Ростехрегулирования от 02.03.2005 N 39-ст с 1 июля 2005 года введен в действие ГОСТ 16093-2004. | |
Допуски резьбы - по ГОСТ 16093 и 9000.
Дополнительные требования, отражающие потребности экономики страны, выделены курсивом.
В настоящем стандарте использованы ссылки на следующие стандарты:
ГОСТ 8724-2002 Основные нормы взаимозаменяемости. Резьба метрическая. Диаметры и шаги
ГОСТ 9000-81 Основные нормы взаимозаменяемости. Резьба метрическая для диаметров менее 1 мм. Допуски
ГОСТ 11708-82 Основные нормы взаимозаменяемости. Резьба. Термины и определения.
ГОСТ 16093-81 Основные нормы взаимозаменяемости. Резьба метрическая. Допуски. Посадки с зазором.
ГОСТ 24705-81 Основные нормы взаимозаменяемости. Резьба метрическая. Основные размеры
3 Определения и обозначения
3.2 В настоящем стандарте приняты следующие обозначения:
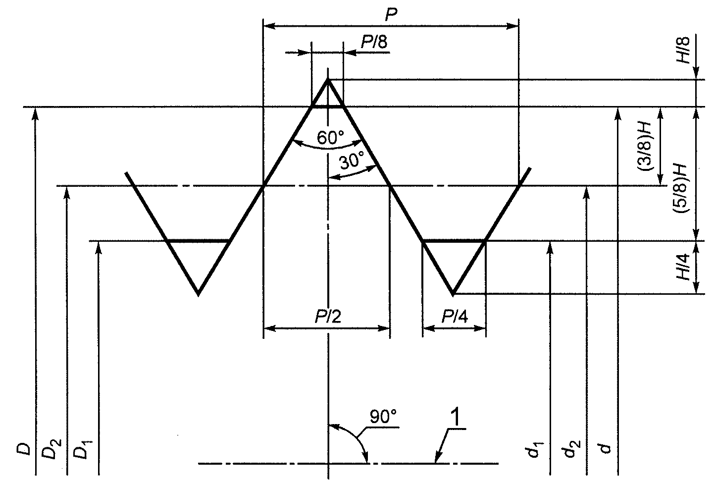
D - номинальный наружный диаметр внутренней резьбы (номинальный диаметр резьбы);
d - номинальный наружный диаметр наружной резьбы (номинальный диаметр резьбы);

- номинальный средний диаметр внутренней резьбы;

- номинальный средний диаметр наружной резьбы;

- номинальный внутренний диаметр внутренней резьбы;

- номинальный внутренний диаметр наружной резьбы;
H - высота исходного треугольника;
P - шаг резьбы.
4.1 Основной профиль метрической резьбы, общий для наружной и внутренней резьбы, должен соответствовать указанному на рисунке 1. Основной профиль показан утолщенной линией.
1 - ось резьбы
Рисунок 1
| | ИС МЕГАНОРМ: примечание. Взамен ГОСТ 16093-81 Приказом Ростехрегулирования от 02.03.2005 N 39-ст с 1 июля 2005 года введен в действие ГОСТ 16093-2004. | |
4.2 Номинальный профиль наружной и внутренней резьбы определяется основным профилем и дополнительными требованиями к форме впадины резьбы, устанавливаемыми ГОСТ 9000 (для резьб диаметром менее 1 мм) и ГОСТ 16093 (для резьб диаметром от 1 мм и более).
4.3 Размеры элементов основного профиля метрической резьбы должны соответствовать таблице 1.
Таблица 1
В миллиметрах
Шаг P | H | 5/8 H | 3/8 H | H/4 | H/8 |
0,075 | 0,064952 | 0,040595 | 0,024357 | 0,016238 | 0,008119 |
0,08 | 0,069282 | 0,043301 | 0,025981 | 0,017321 | 0,008660 |
0,09 | 0,077942 | 0,048714 | 0,029228 | 0,019486 | 0,009743 |
0,1 | 0,086603 | 0,054127 | 0,032476 | 0,021651 | 0,010825 |
0,125 | 0,108253 | 0,067658 | 0,040595 | 0,027063 | 0,013532 |
0,15 | 0,129904 | 0,081190 | 0,048714 | 0,032476 | 0,016238 |
0,175 | 0,151554 | 0,094722 | 0,056833 | 0,037889 | 0,018944 |
0,2 | 0,173205 | 0,108253 | 0,064952 | 0,043301 | 0,021651 |
0,225 | 0,194856 | 0,121785 | 0,073071 | 0,048714 | 0,024357 |
0,25 | 0,216506 | 0,135316 | 0,081190 | 0,054127 | 0,027063 |
0,3 | 0,259808 | 0,162380 | 0,097428 | 0,064952 | 0,032476 |
0,35 | 0,303109 | 0,189443 | 0,113666 | 0,075777 | 0,037889 |
0,4 | 0,346410 | 0,216506 | 0,129904 | 0,086603 | 0,043301 |
0,45 | 0,389711 | 0,243570 | 0,146142 | 0,097428 | 0,048714 |
0,5 | 0,433013 | 0,270633 | 0,162380 | 0,108253 | 0,054127 |
0,6 | 0,519615 | 0,324760 | 0,194856 | 0,129904 | 0,064952 |
0,7 | 0,606218 | 0,378886 | 0,227332 | 0,151554 | 0,075777 |
0,75 | 0,649519 | 0,405949 | 0,243570 | 0,162380 | 0,081190 |
0,8 | 0,692820 | 0,433013 | 0,259808 | 0,173205 | 0,086603 |
1 | 0,866025 | 0,541266 | 0,324760 | 0,216506 | 0,108253 |
1,25 | 1,082532 | 0,676582 | 0,405949 | 0,270633 | 0,135316 |
1,5 | 1,299038 | 0,811899 | 0,487139 | 0,324760 | 0,162380 |
1,75 | 1,515544 | 0,947215 | 0,568329 | 0,378886 | 0,189443 |
2 | 1,732051 | 1,082532 | 0,649519 | 0,433013 | 0,216506 |
2,5 | 2,165063 | 1,353165 | 0,811899 | 0,541266 | 0,270633 |
3 | 2,598076 | 1,623798 | 0,974279 | 0,649519 | 0,324760 |
3,5 | 3,031089 | 1,894431 | 1,136658 | 0,757772 | 0,378886 |
4 | 3,464102 | 2,165063 | 1,299038 | 0,866025 | 0,433013 |
4,5 | 3,897114 | 2,435696 | 1,461418 | 0,974279 | 0,487139 |
5 | 4,330127 | 2,706329 | 1,623798 | 1,082532 | 0,541266 |
5,5 | 4,763140 | 2,976962 | 1,786177 | 1,190785 | 0,595392 |
6 | 5,196152 | 3,247595 | 1,948557 | 1,299038 | 0,649519 |
8 | 6,928203 | 4,330127 | 2,598076 | 1,732051 | 0,866025 |
Размеры элементов определены по следующим формулам
H = 0,866025404 Р; (1)

= 0,541265877
Р; (2)

= 0,324759526
Р; (3)

= 0,216506351
Р; (4)

= 0,108253175
Р. (5)