Главная // Актуальные документы // ГОСТ (Государственный стандарт)СПРАВКА
Источник публикации
М.: ИПК Издательство стандартов, 2001
Примечание к документу
С 1 июля 2003 года до вступления в силу технических регламентов акты федеральных органов исполнительной власти в сфере технического регулирования носят рекомендательный характер и подлежат обязательному исполнению только в части, соответствующей целям, указанным в
пункте 1 статьи 46 Федерального закона от 27.12.2002 N 184-ФЗ.
Введен в действие с 1 июля 2002 года.
Взамен ГОСТ 20859.1-89 в части модулей.
Название документа
"ГОСТ 30617-98. Модули полупроводниковые силовые. Общие технические условия"
(введен в действие Постановлением Госстандарта РФ от 11.04.2001 N 172-ст)
"ГОСТ 30617-98. Модули полупроводниковые силовые. Общие технические условия"
(введен в действие Постановлением Госстандарта РФ от 11.04.2001 N 172-ст)
от 11 апреля 2001 г. N 172-ст
МЕЖГОСУДАРСТВЕННЫЙ СТАНДАРТ
МОДУЛИ ПОЛУПРОВОДНИКОВЫЕ СИЛОВЫЕ
ОБЩИЕ ТЕХНИЧЕСКИЕ УСЛОВИЯ
Power semiconductor modules.
General specifications
ГОСТ 30617-98
1. Разработан Украинским научно-исследовательским институтом силовой электроники "Преобразователь" (НИИ "Преобразователь").
Внесен Комитетом Украины по стандартизации, метрологии и сертификации.
2. Принят Межгосударственным Советом по стандартизации, метрологии и сертификации (Протокол N 14 от 12 ноября 1998 г.).
За принятие проголосовали:
┌──────────────────────────┬──────────────────────────────────────┐
│ Наименование государства │ Наименование национального │
│ │ органа по стандартизации │
├──────────────────────────┼──────────────────────────────────────┤
│Азербайджанская Республика│Азгосстандарт │
│Республика Армения │Армгосстандарт │
│Республика Беларусь │Госстандарт Республики Беларусь │
│Республика Казахстан │Госстандарт Республики Казахстан │
│Республика Молдова │Молдовастандарт │
│Российская Федерация │Госстандарт России │
│Республика Таджикистан │Таджикгосстандарт │
│Туркменистан │Главгосинспекция "Туркменстандартлары"│
│Республика Узбекистан │Узгосстандарт │
│Украина │Госстандарт Украины │
└──────────────────────────┴──────────────────────────────────────┘
3.
Постановлением Государственного комитета Российской Федерации по стандартизации и метрологии от 11 апреля 2001 г. N 172-ст межгосударственный стандарт ГОСТ 30617-98 введен в действие непосредственно в качестве государственного стандарта Российской Федерации с 1 июля 2002 г.
4. Взамен ГОСТ 20859.1-89 в части модулей.
Настоящий стандарт распространяется на силовые полупроводниковые модули общего назначения (далее - модули), состоящие из полупроводниковых приборов и (или) структур: диодов, биполярных (в том числе составных) транзисторов, полевых транзисторов и тиристоров всех видов (далее - приборов) на максимально допустимые средние, действующие, импульсные или постоянные токи 5 А и более, предназначенные для применения в полупроводниковых преобразователях электроэнергии, а также в других цепях постоянного и переменного токов различных силовых электротехнических установок.
Настоящий стандарт не распространяется на модули, работающие:
- в средах с токопроводящей пылью;
- в агрессивных средах при концентрациях, разрушающих металлы и изоляцию в недопустимых пределах в течение срока службы;
- во взрывоопасной среде;
- в условиях воздействия различных излучений, повреждающих модули.
Требования
разделов 5,
6,
7 настоящего стандарта являются обязательными, требования остальных разделов являются рекомендуемыми.
В настоящем стандарте использованы ссылки на следующие стандарты:
ГОСТ 12.1.004-91 Система стандартов безопасности труда. Пожарная безопасность. Общие требования
ГОСТ 12.2.007.0-75 Система стандартов безопасности труда. Изделия электротехнические. Общие требования безопасности
ГОСТ 20.39.312-85 Комплексная система общих технических требований. Изделия электротехнические. Требования надежности
ГОСТ 20.57.406-81 Комплексная система контроля качества. Изделия электронной техники, квантовой электроники и электротехнические. Методы испытаний
ГОСТ 8032-84 Предпочтительные числа и ряды предпочтительных чисел
| | ИС МЕГАНОРМ: примечание. ГОСТ 15133-77 утратил силу на территории Российской Федерации с 1 августа 2017 года в связи с введением в действие ГОСТ Р 57436-2017 (Приказ Росстандарта от 04.04.2017 N 249-ст). | |
ГОСТ 15133-77 Приборы полупроводниковые. Термины и определения
ГОСТ 15150-69 Машины, приборы и другие технические изделия. Исполнения для различных климатических районов. Категории, условия эксплуатации, хранения и транспортирования в части воздействия климатических факторов внешней среды
ГОСТ 15543.1-89 Изделия электротехнические. Общие требования в части стойкости к климатическим внешним воздействующим факторам
ГОСТ 17516.1-90 Изделия электротехнические. Общие требования в части стойкости к механическим внешним воздействующим факторам
ГОСТ 19095-73 Транзисторы полевые. Термины, определения и буквенные обозначения параметров
ГОСТ 20003-74 Транзисторы биполярные. Термины, определения и буквенные обозначения параметров
ГОСТ 20332-84 Тиристоры. Термины, определения и буквенные обозначения параметров
ГОСТ 23216-78 Изделия электротехнические. Хранение, транспортирование, временная противокоррозионная защита, упаковка. Общие требования и методы испытаний
ГОСТ 24461-80 Приборы полупроводниковые силовые. Методы измерений и испытаний
ГОСТ 24566-86 Соединители плоские втычные. Основные размеры, технические требования и методы испытаний
ГОСТ 25529-82 Диоды полупроводниковые. Термины, определения и буквенные обозначения параметров
ГОСТ 27264-87 Транзисторы силовые биполярные. Методы измерений
ГОСТ 27591-88 Модули полупроводниковые силовые. Габаритные и присоединительные размеры
СТ СЭВ 1657-79 Приборы полупроводниковые силовые. Охладители воздушных систем охлаждения. Габаритные и присоединительные размеры
| | ИС МЕГАНОРМ: примечание. ГОСТ 15133-77 утратил силу на территории Российской Федерации с 1 августа 2017 года в связи с введением в действие ГОСТ Р 57436-2017 (Приказ Росстандарта от 04.04.2017 N 249-ст). | |
В настоящем стандарте применены термины с соответствующими определениями по ГОСТ 15133, ГОСТ 19095; ГОСТ 20003, ГОСТ 20332, ГОСТ 25529, а также приведенные ниже:
мостовая схема: Двухпутевая схема соединения, содержащая только пары плечей, средние выводы которых являются выводами переменного тока, а наружные выводы с одинаковой полярностью, соединенные вместе, являются выводами постоянного тока;
полупроводниковый модуль (модуль): Совокупность двух или более структур полупроводниковых приборов, средств электрического и механического соединений, а также вспомогательных элементов системы охлаждения, при ее наличии, соединенных между собой по определенной схеме в единую конструкцию, которая с точки зрения функционального назначения, технических требований, испытаний, торговли и эксплуатации рассматривается как отдельное изделие;
беспотенциальный модуль: Модуль с изолированным (беспотенциальным) основанием, служащим для отвода тепла и крепления модуля;
потенциальный модуль: Модуль с неизолированным (потенциальным) основанием, служащим для отвода тепла и крепления модуля и являющимся электрическим (силовым) контактом.
4.1. Модули подразделяют на виды:
- МП - модуль потенциальный;
- М - модуль беспотенциальный.
4.2. Модули подразделяют в зависимости от вида применяемых силовых полупроводниковых приборов и от вида схемы соединения силовых полупроводниковых приборов. Виды силовых полупроводниковых приборов (далее - приборов) и их обозначения приведены в таблице 1. Виды схем соединения приборов (далее - схем) и их обозначения приведены в
таблице 2.
┌──────────────────────────────────────────────────┬─────────────┐
│ Вид прибора │ Обозначение │
│ │ прибора │
├──────────────────────────────────────────────────┼─────────────┤
│ Выпрямительный диод (диод) │ Д │
│ Быстровосстанавливающийся диод │ ДЧ │
│ Лавинный выпрямительный диод (лавинный диод) │ ДЛ │
│ Триодный тиристор, не проводящий в обратном │ Т │
│направлении (тиристор) │ │
│ Тиристор быстродействующий │ ТБ │
│ Тиристор быстровключающийся │ ТИ │
│ Тиристор быстровыключающийся │ ТЧ │
│ Триодный тиристор, проводящий в обратном │ ТОП │
│направлении (тиристор, проводящий в обратном │ │
│направлении, или тиристор-диод) │ │
│ Симметричный триодный тиристор (триак) │ ТС │
│ Асимметричный триодный тиристор │ ТА │
│ Лавинный тиристор │ ТЛ │
│ Запираемый тиристор │ ТЗ │
│ Запираемый тиристор асимметричный │ ТЗА │
│ Запираемый тиристор с обратным диодом │ ТЗД │
│ Оптронный тиристор │ ТО │
│ Симметричный оптотиристор (оптотриак) │ ТСО │
│ Биполярный транзистор │ ТК │
│ Биполярный составной транзистор (транзистор │ ТКД │
│Дарлингтона) │ │
│ Биполярный транзистор с изолированным затвором │ ТКИ │
│ Полевой транзистор │ ТКП │
│ Транзистор с электростатической индукцией │ СИТ │
└──────────────────────────────────────────────────┴─────────────┘
┌──────────────────────────────────────────────────┬─────────────┐
│ Вид схемы │ Обозначение │
│ │ вида схемы │
├──────────────────────────────────────────────────┼─────────────┤
│ Одиночный полупроводниковый прибор │ 1 │
│ Два гальванически развязанных полупроводниковых │ 2 │
│прибора │ │
│ Два полупроводниковых прибора, включенных после- │ 3 │
│довательно (соответственно) с выводом средней │ │
│точки │ │
│ Два полупроводниковых прибора, включенных │ 4 │
│встречно-последовательно с выводом средней точки │ │
│соединенных вместе катодов (коллекторов, истоков) │ │
│ Два полупроводниковых прибора, включенных │ 5 │
│встречно-последовательно с выводом средней точки │ │
│соединенных вместе анодов (эмиттеров, стоков) │ │
│ Два полупроводниковых прибора, включенных │ 6 │
│встречно-параллельно │ │
│ Три полупроводниковых прибора с общими катодами │ 7 │
│(коллекторами, истоками) │ │
│ Три полупроводниковых прибора с общими анодами │ 8 │
│(эмиттерами, стоками) │ │
│ Два последовательно включенных тиристора или │ 9 │
│транзистора, каждый из которых зашунтирован │ │
│диодом обратного тока │ │
│ Однофазный мост на диодах │ 10 │
│ Однофазный мост на диодах и тиристорах │ 11 │
│ Однофазный мост на управляемых приборах │ 12 │
│ Трехфазный мост на диодах │ 13 │
│ Трехфазный мост на диодах и тиристорах │ 14 │
│ Трехфазный мост на управляемых приборах │ 15 │
│ Другие виды схем, указанные в технических усло- │ 16 - 20 │
│виях на модули конкретных типов │ │
└──────────────────────────────────────────────────┴─────────────┘
4.3. Модули подразделяют на типы по признакам, указанным в
4.1,
4.2, и значениям максимально допустимого тока модуля в соответствии с
5.1.1.1.
Максимально допустимый ток определяется:
- для модулей на основе диодов, тиристоров, оптотиристоров, симметричных тиристоров, симметричных оптотиристоров - максимально допустимым средним прямым током либо максимально допустимым средним током в открытом состоянии, либо максимально допустимым действующим током в открытом состоянии;
- для модулей на основе запираемых тиристоров - максимально допустимым повторяющимся импульсным запираемым током;
- для модулей на основе биполярных транзисторов - максимально допустимым постоянным током коллектора, а для полевых транзисторов - током стока;
- для модулей со схемой однофазных и трехфазных мостов - максимально допустимым средним значением выпрямленного тока;
- для модулей со встречно-параллельной схемой соединения - максимально допустимым эффективным током нагрузки.
4.4. Модули одного типа подразделяют на классы в соответствии с указанным ниже:
- модули на основе диодов - по значениям повторяющегося импульсного обратного напряжения;
- модули на основе тиристоров (в том числе запираемых), непроводящих в обратном направлении, - по значениям повторяющегося импульсного обратного напряжения и повторяющегося импульсного напряжения в закрытом состоянии;
- модули на основе тиристоров (в том числе запираемых), проводящих в обратном направлении, - по значениям повторяющегося импульсного напряжения в закрытом состоянии (для симметричных тиристоров - по значениям напряжений для обоих направлений);
- модули на основе биполярных транзисторов - по максимально допустимому напряжению коллектор - эмиттер;
- модули на основе полевых транзисторов - по максимально допустимому напряжению сток - исток.
Классы модулей должны обозначаться цифрами в соответствии с
5.1.1.2.
4.5. Модули одного типа и класса подразделяют на группы по значениям времени обратного восстановления, времени выключения или времени выключения по управляющему электроду, времени включения, критической скорости нарастания напряжения в закрытом состоянии и критической скорости нарастания коммутационного напряжения в закрытом состоянии, установленным в
5.1.1.3 -
5.1.1.9.
4.6. Модули с одинаковыми параметрами могут подразделяться на модификации в зависимости от конструктивного исполнения. Обозначение модификаций модулей приводят в технических условиях (далее - ТУ) на модули конкретных типов.
4.7. Условное обозначение модулей должно состоять из:
- типа модуля;
- класса модуля;
- группы модуля;
- модификации (при необходимости);
Структура условного обозначения модуля приведена на рисунке 1.
┌──┐ ┌──┐ ┌──┐ ┌──┐ ┌──┐ ┌──┐ ┌──┐ ┌──┐ ┌──┐
│ │ │ │/│ │ │ │-│ │- │ │-│ │- │ │ │ │
└┬─┘ └┬─┘ └┬─┘ └┬─┘ └┬─┘ └┬─┘ └┬─┘ └┬─┘ └┬─┘
│ │ │ │ │ │ │ │ │Вид климатического
│ │ │ │ │ │ │ │ │исполнения по
│ │ │ │ │ │ │ │ └───────────────────────
│ │ │ │ │ │ │ │ Модификация (устанавли-
│ │ │ │ │ │ │ │ вается при необходи-
│ │ │ │ │ │ │ │ мости) по
4.6
│ │ │ │ │ │ │ └────────────────────────────
│ │ │ │ │ │ │ Группа (группы) модуля
│ │ │ │ │ │ │ (кроме небыстровосста-
│ │ │ │ │ │ │ навливающихся диодов)
│ │ │ │ │ │ └──────────────────────────────────
│ │ │ │ │ │ Класс модуля по
4.4
│ │ │ │ │ └───────────────────────────────────────
│ │ │ │ │ Значение максимально
│ │ │ │ │ допустимого тока по
4.3
│ │ │ │ └─────────────────────────────────────────────
│ │ │ │ Обозначение вида схемы
│ │ │ │ соединения приборов по
│ │ │ └──────────────────────────────────────────────────
│ │ │ Обозначение прибора
│ │ │ второго вида (при его
│ │ │ при обозначении вида
│ │ │ схемы 1 - 9
│ │ └───────────────────────────────────────────────────────
│ │ Обозначение прибора
│ │ первого вида по
│ │ чении вида схемы 1 - 9
│ └────────────────────────────────────────────────────────────
│ Модули:
│ М - беспотенциальный;
│ МП - потенциальный
└─────────────────────────────────────────────────────────────────
Рисунок 1. Структура условного обозначения модулей
При использовании в модуле приборов двух видов в обозначении вида модуля первым ставят обозначение прибора, присоединяемого к положительному потенциалу цепи, в других случаях первым ставят обозначение прибора, осуществляющего функцию управления. Обозначение приборов разделяют знаком "/" (косая черта).
Примеры условных обозначений модулей:
- силовой полупроводниковый потенциальный модуль, состоящий из тиристоров и диодов, соединенных по схеме "два полупроводниковых прибора, включенных встречно-последовательно с выводом средней точки соединенных вместе катодов", максимально допустимый ток 80 А, повторяющееся импульсное напряжение в закрытом состоянии 600 В, время выключения 63 мкс (группа С3), номер модификации 5, вид климатического исполнения УХЛ2 по
ГОСТ 15150:
МПТ/Д4 - 80 - 6 - С3 - 5 УХЛ2
- силовой полупроводниковый беспотенциальный модуль, состоящий из двух биполярных транзисторов Дарлингтона, соединенных по схеме "два полупроводниковых прибора, включенных последовательно (согласно) с выводом средней точки", максимально допустимый ток 40 А, максимально допустимое напряжение коллектор - эмиттер 600 В, время выключения 16 мкс (группа Т3), критическая скорость нарастания напряжения в закрытом состоянии 50 В/мкс (группа Е3), номер модификации 1, вид климатического исполнения Т3 по
ГОСТ 15150:
МТКД3 - 40 - 6 - Т3Е3 - 1 Т3
- силовой полупроводниковый беспотенциальный модуль, состоящий из тиристоров и выполненный по однофазной мостовой схеме, максимально допустимый ток 80 А, повторяющееся импульсное напряжение в закрытом состоянии 800 В, время выключения 500 мкс (группа Е2 или 1), вид климатического исполнения УХЛ2 по
ГОСТ 15150:
М12 - 80 - 8 - 1 - УХЛ2
или М12 - 80 - 8 - Е2 - УХЛ2
При заказе модулей следует указывать обозначение ТУ на модули конкретных типов.
5. Общие технические требования
5.1.1. Требования назначения
5.1.1.1. Значения максимально допустимых токов модулей выбирают из ряда: 5; 6,3; 10; 12,5; 16; 20; 25; 32; 40; 50; 63; 80; 100 А. Значения токов более 100 А устанавливают умножением значений данного ряда на 10.
5.1.1.2. Значения максимально допустимых напряжений и соответствующие им классы должны соответствовать приведенным в таблице 3.
Таблица 3
┌────────────────────────┬───────────────────────────────────────┐
│ Наименование │ Значение для класса │
│ параметра ├────┬────┬────┬────┬────┬────┬────┬────┤
│ │0,2 │0,3 │0,4 │0,5 │0,6 │0,7 │0,8 │0,9 │
├────────────────────────┼────┼────┼────┼────┼────┼────┼────┼────┤
│Повторяющееся импульсное│ 20 │ 30 │ 40 │ 50 │ 60 │ 70 │ 80│ 90 │
│напряжение в закрытом │ │ │ │ │ │ │ │ │
│состоянии или повторяю- │ │ │ │ │ │ │ │ │
│щееся импульсное обрат- │ │ │ │ │ │ │ │ │
│ное напряжение, или │ │ │ │ │ │ │ │ │
│максимально допустимое │ │ │ │ │ │ │ │ │
│напряжение коллектор - │ │ │ │ │ │ │ │ │
│эмиттер, или напряжение │ │ │ │ │ │ │ │ │
│сток - исток, В, не │ │ │ │ │ │ │ │ │
│менее │ │ │ │ │ │ │ │ │
└────────────────────────┴────┴────┴────┴────┴────┴────┴────┴────┘
Окончание таблицы 3
┌─────────────┬─────────────────────────────────────────────────────────────────┐
│Наименование │ Значение для класса │
│ параметра ├───┬────┬───┬────┬───┬────┬───┬──────┬────┬────┬────┬───────┬────┤
│ │ 1 │1,5 │ 2 │2,5 │ 3 │3,5 │ 4 │ 5... │ 15 │ 16 │ 18 │ 20... │ 80 │
├─────────────┼───┼────┼───┼────┼───┼────┼───┼──────┼────┼────┼────┼───────┼────┤
│Повторяющееся│100│150 │200│250 │300│350 │400│500...│1500│1600│1800│2000...│8000│
│импульсное │ │ │ │ │ │ │ │ │ │ │ │ │ │
│напряжение │ │ │ │ │ │ │ │ │ │ │ │ │ │
│в закрытом │ │ │ │ │ │ │ │ │ │ │ │ │ │
│состоянии или│ │ │ │ │ │ │ │ │ │ │ │ │ │
│повторяющееся│ │ │ │ │ │ │ │ │ │ │ │ │ │
│импульсное │ │ │ │ │ │ │ │ │ │ │ │ │ │
│обратное │ │ │ │ │ │ │ │ │ │ │ │ │ │
│напряжение, │ │ │ │ │ │ │ │ │ │ │ │ │ │
│или макси- │ │ │ │ │ │ │ │ │ │ │ │ │ │
│мально │ │ │ │ │ │ │ │ │ │ │ │ │ │
│допустимое │ │ │ │ │ │ │ │ │ │ │ │ │ │
│напряжение │ │ │ │ │ │ │ │ │ │ │ │ │ │
│коллектор - │ │ │ │ │ │ │ │ │ │ │ │ │ │
│эмиттер, или │ │ │ │ │ │ │ │ │ │ │ │ │ │
│напряжение │ │ │ │ │ │ │ │ │ │ │ │ │ │
│сток - исток,│ │ │ │ │ │ │ │ │ │ │ │ │ │
│В, не менее │ │ │ │ │ │ │ │ │ │ │ │ │ │
├─────────────┴───┴────┴───┴────┴───┴────┴───┴──────┴────┴────┴────┴───────┴────┤
│ <*> Только для модулей на основе быстровосстанавливающихся │
│диодов. │
│ <**> Устанавливают по согласованию с потребителем. │
└───────────────────────────────────────────────────────────────────────────────┘
5.1.1.3. Значения времени обратного восстановления для модулей на основе быстровосстанавливающихся диодов и соответствующие им группы должны соответствовать приведенным в таблице 4.
Таблица 4
Наимено- вание параметра | Значение для группы |
А4 | В4 | С4 | Е4 | Н4 | К4 | М4 | Р4 | Т4 | Х4 | А5 |
- | - | - | 1 | 2 | 3 | 4 | 5 | 6 | - | 7 |
Время обратного восста- новления, мкс, не более | 10 | 8 | 6,3 | 5 | 4 | 3,2 | 2,5 | 2 | 1,6 | 1,25 | 1 |
Наимено- вание параметра | Значение для группы |
В5 | С5 | Е5 | Н5 | К5 | М5 | Р5 | Т5 | Х5 | А6 |
- | 8 | - | 9 | - | - | - | - | - | - |
Время обратного восста- новления, мкс, не более | 0,8 | 0,63 | 0,5 | 0,4 | 0,32 | 0,25 | 0,2 | 0,16 | 0,125 | 0,1 |
Наимено- вание параметра | Значение для группы |
В6 | С6 | Е6 | Н6 | К6 | М6 | Р6 | Т6 | Х6 | А7 |
- | - | - | - | - | - | - | - | - | - |
Время обратного восста- новления, мкс, не более | 0,08 | 0,063 | 0,05 | 0,04 | 0,032 | 0,025 | 0,02 | 0,016 | 0,0125 | 0,01 |
<*> Только для модулей на основе быстровосстанавливающихся диодов 40-го и более классов. |
5.1.1.4. Значения времени выключения для модулей на основе быстровыключающихся и быстродействующих тиристоров и времени выключения по управляющему электроду для запираемых тиристоров, а также соответствующие им группы должны соответствовать приведенным в таблице 5.
Таблица 5
┌──────────────┬─────────────────────────────────────────────────┐
│ Наименование │ Значение для группы │
│ параметра ├──────┬──────┬─────┬──────┬───────┬───────┬──────┤
│ │ С3 │ Е3 │ Н3 │ К3 │ М3 │ Р3 │ Т3 │
│ ├──────┼──────┼─────┼──────┼───────┼───────┼──────┤
│ │ 1 │ 2 │ 3 │ 4 │ 5 │ 6 │ 7 │
├──────────────┼──────┼──────┼─────┼──────┼───────┼───────┼──────┤
│Время выключе-│ 63 │ 50 │ 40 │ 32 │ 25 │ 20 │ 16 │
│ния или время │ │ │ │ │ │ │ │
│выключения по │ │ │ │ │ │ │ │
│управляющему │ │ │ │ │ │ │ │
│электроду, │ │ │ │ │ │ │ │
│мкс, не более │ │ │ │ │ │ │ │
├──────────────┼──────┴──────┴─────┴──────┴───────┴───────┴──────┤
│ Наименование │ Значение для группы │
│ параметра ├────┬────┬───┬────┬────┬────┬─────┬─────┬────┬───┤
│ │ Х3 │ А4 │В4 │С4 │ Е4 │ К4 │ Р4 │ Х4 │ В5 │Е5 │
│ ├────┼────┼───┼────┼────┼────┼─────┼─────┼────┼───┤
│ │ 8 │ - │ 9 │ - │ - │ - │ - │ - │ - │ - │
├──────────────┼────┼────┼───┼────┼────┼────┼─────┼─────┼────┼───┤
│Время выключе-│12,5│ 10 │ 8 │6,3 │ 5 │3,2 │ 2 │ 1,25│0,8 │0,5│
│ния или время │ │ │ │ │ │ │ │ │ │ │
│выключения по │ │ │ │ │ │ │ │ │ │ │
│управляющему │ │ │ │ │ │ │ │ │ │ │
│электроду, │ │ │ │ │ │ │ │ │ │ │
│мкс, не более │ │ │ │ │ │ │ │ │ │ │
└──────────────┴────┴────┴───┴────┴────┴────┴─────┴─────┴────┴───┘
5.1.1.5. Значения времени выключения для модулей на основе тиристоров, кроме быстровыключающихся и быстродействующих и запираемых, и соответствующие им группы должны соответствовать приведенным в таблице 6.
┌───────┬──────────────────────────────────────────────────────────────┐
│Наиме- │ Значение для группы │
│нование├──────┬───┬───┬───┬───┬───┬───┬───┬───┬───┬───┬───┬───┬───┬───┤
│пара- │ 0 │В2 │С2 │Е2 │Н2 │К2 │М2 │Р2 │Т2 │Х2 │А3 │В3 │С3 │Е3 │Н3 │
│метра ├──────┼───┼───┼───┼───┼───┼───┼───┼───┼───┼───┼───┼───┼───┼───┤
│ │ 0 │ - │ - │ 1 │ - │ - │ 2 │ - │ 3 │ - │ 4 │ - │ 5 │ - │ - │
├───────┼──────┼───┼───┼───┼───┼───┼───┼───┼───┼───┼───┼───┼───┼───┼───┤
│Время │Не │800│630│500│400│320│250│200│160│125│100│80 │63 │50 │40 │
│выклю- │норми-│ │ │ │ │ │ │ │ │ │ │ │<*>│<*>│<*>│
│чения, │руется│ │ │ │ │ │ │ │ │ │ │ │ │ │ │
│мкс, не│ │ │ │ │ │ │ │ │ │ │ │ │ │ │ │
│более │ │ │ │ │ │ │ │ │ │ │ │ │ │ │ │
├───────┴──────┴───┴───┴───┴───┴───┴───┴───┴───┴───┴───┴───┴───┴───┴───┤
│ <*> Только для модулей на токи менее 100 А. │
└──────────────────────────────────────────────────────────────────────┘
Допускается использование группы 0 для установления значений параметров, отличных от указанных в
таблице 6.
5.1.1.6. Значения времени выключения для модулей на основе транзисторов и соответствующие им группы должны соответствовать приведенным в таблице 7.
Таблица 7
Наиме- нование пара- метра | Значение для группы |
0 | Т3 | Х3 | А4 | В4 | С4 | Е4 | Н4 | К4 | М4 |
0 | 9 | 8 | 7 | 6 | 5 | 4 | 3 | 2 | 1 |
Время выклю- чения, мкс, не более | Не норми- руется, но не более 20 мкс | 16 | 12,5 | 10 | 8 | 6,3 | 5 | 4 | 3,2 | 2,5 |
5.1.1.7. Значения времени включения для модулей на основе быстродействующих или быстровключаемых тиристоров и соответствующие им группы должны соответствовать приведенным в таблице 8.
Таблица 8
Наимено- вание парамет- ра | Значение для группы |
0 | Т3 | А4 | В4 | С4 | Н4 | К4 | М4 | Р4 |
0 | - | - | - | - | 1 | 2 | 3 | 4 |
Время включе- ния, мкс, не более | Не норми- руется, но не бо- лее 16 мкс | 16 | 10 | 8 | 6,3 | 4 | 3,2 | 2,5 | 2 |
Наимено- вание парамет- ра | Значение для группы |
Т4 | Х4 | А5 | С5 | Н5 | М5 | Т5 | А6 | В6 |
5 | 6 | 7 | 8 | 9 | - | - | - | - |
Время включе- ния, мкс, не более | 1,6 | 1,25 | 1 | 0,63 | 0,4 | 0,25 | 0,16 | 0,1 | 0,08 |
5.1.1.8. Значение критической скорости нарастания напряжения в закрытом состоянии для модулей на основе тиристоров, в том числе запираемых, биполярных транзисторов, и соответствующие им группы должны соответствовать приведенным в таблице 9.
Таблица 9
Наимено- вание параметра | Значение для группы |
0 | Р3 | Е3 | А3 | Р2 | К2 | Е2 | А2 | Т1 | Р1 | М1 |
0 | 1 | 2 | 3 | 4 | 5 | 6 | 7 | 8 | - | 9 |
Критическая скорость нарастания напряжения в закрытом состоянии, В/мкс, не менее | Не нор- мирует- ся, но не менее 10 В/мкс | 20 | 50 | 100 | 200 | 320 | 500 | 1000 | 1600 | 2000 | 2500 |
5.1.1.9. Значение критической скорости нарастания коммутационного напряжения для модулей на основе симметричных тиристоров и соответствующие им группы должны соответствовать приведенным в таблице 10.
Таблица 10
┌───────────┬─────────────────────────────────────────────────────────────────────┐
│Наимено- │ Значение для группы │
│вание ├────────┬───┬───┬───┬───┬───┬───┬───┬───┬───┬───┬───┬───┬───┬───┬────┤
│параметра │ 0 │М4 │ Н4│ Е4│ С4│А4 │Т3 │М3 │Е3 │А3 │ Р2│ К2│Е2 │С2 │В2 │ А2 │
│ ├────────┼───┼───┼───┼───┼───┼───┼───┼───┼───┼───┼───┼───┼───┼───┼────┤
│ │ 0 │ 1 │ 2 │ - │ 3 │4 │ 5 │6 │7 │8 │ 9 │ - │ - │ - │ - │ - │
├───────────┼────────┼───┼───┼───┼───┼───┼───┼───┼───┼───┼───┼───┼───┼───┼───┼────┤
│Критическая│Не нор- │2,5│ 4 │ 5 │6,3│10 │16 │25 │50 │100│200│320│500│630│800│1000│
│скорость │мирует- │ │ │ │ │ │ │ │ │ │ │ │ │ │ │ │
│нарастания │ся, но │ │ │ │ │ │ │ │ │ │ │ │ │ │ │ │
│коммутаци- │не менее│ │ │ │ │ │ │ │ │ │ │ │ │ │ │ │
│онного │1 В/мкс │ │ │ │ │ │ │ │ │ │ │ │ │ │ │ │
│напряжения │ │ │ │ │ │ │ │ │ │ │ │ │ │ │ │ │
│в закрытом │ │ │ │ │ │ │ │ │ │ │ │ │ │ │ │ │
│состоянии, │ │ │ │ │ │ │ │ │ │ │ │ │ │ │ │ │
│В/мкс, не │ │ │ │ │ │ │ │ │ │ │ │ │ │ │ │ │
│менее │ │ │ │ │ │ │ │ │ │ │ │ │ │ │ │ │
└───────────┴────────┴───┴───┴───┴───┴───┴───┴───┴───┴───┴───┴───┴───┴───┴───┴────┘
5.1.1.10. Номенклатуру и значения параметров и характеристик модулей устанавливают в ТУ на модули конкретных типов в соответствии со стандартами на предельно допустимые параметры и характеристики приборов, входящих в модуль. Рекомендуемый перечень параметров в зависимости от примененных полупроводниковых приборов приведен в
Приложении Б.
5.1.1.11. Значение температуры, при которой устанавливают максимально допустимые значения параметров, указывают в ТУ на модули конкретных типов.
5.1.1.12. Сопротивление изоляции между беспотенциальным основанием модуля и его выводами должно быть не менее 50 МОм в нормальных климатических условиях испытаний по
ГОСТ 15150 и не менее 5 МОм - при воздействии верхнего значения температуры окружающей среды и верхнего значения относительной влажности воздуха.
Сопротивление изоляции между основными и управляющими выводами модулей, содержащих оптотиристоры, должно быть не менее 1000 МОм в нормальных климатических условиях испытаний по
ГОСТ 15150 и не менее 100 МОм - в условиях воздействия верхнего значения температуры окружающей среды и верхнего значения относительной влажности воздуха.
5.1.1.13. Электрическая изоляция модуля должна выдерживать испытательное напряжение (

) 2500 В переменного тока частотой 50 Гц в течение 1 мин в нормальных климатических условиях испытаний по
ГОСТ 15150 и 0,6

- в условиях воздействия верхнего значения относительной влажности, если иное не указано в ТУ на модули конкретных типов.
5.1.1.14. В ТУ на модули конкретных типов должны быть указаны нормы на параметры при приемке и их изменение в течение срока службы и минимальной наработки или сохраняемости.
5.1.2. Требования надежности
5.1.2.1. Надежность модулей определяют в соответствии с
ГОСТ 20.39.312 по показателям безотказности, долговечности и сохраняемости, которые устанавливают в ТУ на модули конкретных типов.
5.1.2.2. Вероятность безотказной работы модулей должна соответствовать значениям, выбираемым из ряда: 0,999; 0,995; 0,990; 0,980; 0,970; 0,960; 0,950; 0,940; 0,930; 0,920; 0,910; 0,900; 0,800; 0,750; 0,700.
Время, за которое обеспечивается заданная вероятность безотказной работы, указывают в ТУ на модули конкретных типов.
5.1.2.3. Гамма-процентный ресурс модулей должен соответствовать значениям, выбираемым из ряда: 10000; 15000; 20000; 25000; 40000; 50000; 60000; 70000; 80000; 90000; 100000 ч при значении вероятности Y, выбираемом из ряда: 90; 95; 99%.
5.1.2.4. Гамма-процентный срок службы модулей должен соответствовать значениям, выбираемым из ряда: 3; 5; 8; 10; 12 лет при значении вероятности Y, выбираемом из ряда: 90; 95; 99%.
5.1.2.5. Гамма-процентный срок сохраняемости модулей до ввода в эксплуатацию должен быть не менее 3 лет при значении вероятности Y, выбираемом из ряда: 90; 95; 99%.
5.1.2.6. Суммарное значение срока сохраняемости и срока эксплуатации не должно превышать значения срока службы или ресурса.
5.1.3. Требования радиоэлектронной защиты
Модули должны быть помехозащищенными при воздействии электромагнитных помех, приходящих извне, при условии соответствия параметров электрических цепей на входе и выходе модулей требованиям ТУ на модули конкретных типов.
Помехозащищенность модулей должна обеспечиваться схемными и конструктивно-технологическими решениями устройств, в которых они применяются.
5.1.4. Требования стойкости к внешним воздействиям
5.1.4.1. Модули должны быть механически прочными и сохранять свои параметры, указанные в ТУ на модули конкретных типов, после воздействия на них механических нагрузок.
Группу механического исполнения модулей в соответствии с
ГОСТ 17516.1 устанавливают в ТУ на модули конкретных типов.
Вид климатического исполнения по
ГОСТ 15150 устанавливают в ТУ на модули конкретных типов.
5.1.5. Конструктивные требования
5.1.5.1. Габаритно-присоединительные размеры модулей должны соответствовать ГОСТ 27591 и ТУ на модули конкретных типов.
По согласованию с заказчиком допускается изготовление модулей других размеров.
5.1.5.2. Массу модулей устанавливают в ТУ на модули конкретных типов.
5.1.5.3. Модули должны быть герметичны в соответствии с требованиями ТУ на модули конкретных типов.
5.1.5.4. Выводы модуля, включая места их присоединения, должны быть прочно закреплены и выдерживать без механических повреждений и нарушения электрического контакта механические усилия, установленные в ТУ на модули конкретных типов.
5.2. Требования к материалам и покупным изделиям
Материалы и покупные изделия, входящие в состав модуля, должны соответствовать требованиям нормативных документов на них и не должны содержать токсичных веществ, которые могут остаться в модуле после его изготовления.
5.3.1. К каждой партии модулей, поставляемых в один адрес, должен быть приложен паспорт или этикетка.
5.3.2. По согласованию между изготовителем и потребителем модули следует поставлять комплектно с охладителями в соответствии с СТ СЭВ 1657 и ТУ на модули конкретных типов.
5.4.1. На каждом модуле должна быть нанесена четкими нестирающимися знаками маркировка, содержащая следующие данные:
- наименование страны-изготовителя для модулей, поставляемых на экспорт;
- товарный знак предприятия-изготовителя, если он зарегистрирован в стране поставки;
- условное обозначение модуля по
4.7 (допускается не наносить вид климатического исполнения по
ГОСТ 15150, если в ТУ на модули конкретных типов предусматривается только одно климатическое исполнение);
- схема внутреннего соединения приборов и расположения выводов модуля;
- дата изготовления (месяц, год) для модулей, не предназначенных для экспорта.
5.4.2. Допускается в маркировку модулей включать дополнительные данные, если это предусмотрено ТУ на модули конкретных типов.
5.4.3. Маркировка внутренней упаковки должна содержать следующие данные:
- товарный знак предприятия-изготовителя, если он зарегистрирован в стране поставки;
- обозначение типа модулей;
- обозначение ТУ на модули конкретных типов, а для поставок на экспорт - наименование страны-изготовителя;
- количество упакованных модулей;
- дату упаковки;
- штамп отдела технического контроля.
5.4.4. Маркировка транспортной тары должна соответствовать
ГОСТ 14192.
5.4.5. Маркировка должна оставаться прочной и разборчивой при эксплуатации в условиях, допускаемых настоящим стандартом и ТУ на модули конкретных типов.
Модули должны быть упакованы во внутреннюю (единичную или групповую) упаковку и транспортную тару в соответствии с требованиями
ГОСТ 23216, обеспечивающую сохранность модулей при транспортировании, погрузочно-разгрузочных работах и хранении.
6. Требования безопасности
6.1. Модули должны соответствовать требованиям безопасности по
ГОСТ 12.2.007.0.
6.2. Пожаробезопасность модулей в соответствии с
ГОСТ 12.1.004 должна обеспечиваться:
- конструкцией модулей;
- применением негорючих и трудногорючих материалов;
- средствами защиты модулей в электроустановках.
6.3. Для модулей на токи 500 А и выше в ТУ на модули конкретных типов должно быть установлено максимально допустимое значение амплитуды импульса неразрушающего тока при определенной скорости нарастания тока или при определенной длительности прохождения тока.
6.4. Конструкция модулей на токи 1000 А и выше должна обеспечивать целостность при аварийных токах короткого замыкания, значения которых должны быть приведены в ТУ на модули конкретных типов.
6.5. Взрывобезопасность модулей должна быть обеспечена конструкцией модулей.
7.1.1. Для проверки соответствия модулей требованиям настоящего стандарта и ТУ на модули конкретных типов проводят следующие виды испытаний: квалификационные, приемосдаточные, периодические, типовые, на надежность.
Программа испытаний приведена в таблице 11.
Таблица 11
┌──────────────────────┬─────────┬─────────────────────┬─────────┐
│ Вид проверки │Номер │ Вид испытаний │ Номер │
│ или испытания │пункта ├──────┬───────┬──────┤ пункта │
│ │техни- │квали-│приемо-│перио-│ методов │
│ │ческих │фика- │сдаточ-│дичес-│испытаний│
│ │требо- │цион- │ные │кие │ │
│ │ваний │ные │ │ │ │
├──────────────────────┼─────────┼──────┼───────┼──────┼─────────┤
│вида, габаритно-присо-│
5.1.5.2, │ │ │ │ │
│единительных размеров │
5.3 -
5.5│ │ │ │ │
│и массы, правильности │ │ │ │ │ │
│и качества маркировки,│ │ │ │ │ │
│комплектности, упаков-│ │ │ │ │ │
│ки │ │ │ │ │ │
│сопротивления и про- │ │ │ │ │
8.3.2 │
│верка максимально │ │ │ │ │ │
│допустимых токов │ │ │ │ │ │
│допустимых напряжений │ │ │ │ │
8.3.4 │
│обратного восстановле-│ │ │ │ │ │
│ния │ │ │ │ │ │
│выключения по управ- │ │ │ │ │ │
│ляющему электроду │ │ │ │ │ │
│ления изоляции │ │ │ │ │ │
│кой прочности изоляции│ │ │ │ │ │
│тичность │ │ │ │ │ │
│кой прочности выводов │ │ │ │ │ │
│идальную вибрацию │ │ │ │ │ │
│(вибропрочность) │ │ │ │ │ │
│ствие одиночных ударов│ │ │ │ │ │
│ствие повышенной рабо-│ │ │ │ │ │
│чей температуры среды │ │ │ │ │ │
│ствие пониженной │ │ │ │ │ │
│температуры среды │ │ │ │ │ │
│ствие изменения темпе-│ │ │ │ │ │
│ратуры среды │ │ │ │ │ │
│ствие повышенной │ │ │ │ │ │
│влажности воздуха │ │ │ │ │ │
│ Проверка устойчивос-│
6.3 │ + │ - │ + │
8.6 │
│ти корпуса модулей к │ │ │ │ │ │
│воздействию неразру- │ │ │ │ │ │
│шающего тока │ │ │ │ │ │
│ Испытание на пожар- │
6.2 │ + │ - │ - │
8.7 │
│ную безопасность │ │ │ │ │ │
├──────────────────────┴─────────┴──────┴───────┴──────┴─────────┤
│ Примечания. 1. В таблице знак "+" означает, что испытание│
│проводят, знак "-" - не проводят. │
│ 2. Для сокращения времени проведения испытаний допускается│
│совмещать отдельные виды испытаний, а также проводить отдельные│
│виды квалификационных и периодических испытаний на│
│дополнительных выборках. │
└────────────────────────────────────────────────────────────────┘
7.1.2. В технически обоснованных случаях допускается распространять результаты отдельных видов периодических, типовых, квалификационных испытаний модулей одного типа на модули других типов.
7.2. Квалификационные испытания
Квалификационные испытания проводят после изготовления установочной серии или первой промышленной партии каждого нового типа модулей.
7.3. Приемосдаточные испытания
Приемосдаточные испытания проводят сплошным контролем. Перед испытаниями модули следует выдержать в нормальных климатических условиях испытаний по
ГОСТ 15150 в течение времени, установленного в ТУ на модули конкретных типов, но не менее трех суток. Отсчет времени при определении времени выдержки следует начинать от последней технологической операции (герметизация, сборка модулей).
7.4. Периодические испытания
7.4.1. Периодические испытания проводят не реже одного раза в год, если иное не указано в ТУ на модули конкретных типов. Модули перед периодическими испытаниями подвергают сплошному контролю в объеме приемосдаточных испытаний с заменой всех дефектных модулей.
7.4.2. Периодические испытания проводят по плану двухступенчатого выборочного контроля, установленного в ТУ на модули конкретных типов, в соответствии с таблицей 12.
Таблица 12
┌───────┬────────┬─────────┬───────┬────────┬────────────────────┐
│Выборка│ Объем │Суммарный│Прие- │Брако- │ Примечание │
│ │выборки,│ объем │мочное │вочное │ │
│ │ шт. │выборки, │число │число │ │
│ │ │ шт. │ │ │ │
├───────┼────────┼─────────┼───────┼────────┼────────────────────┤
│Первая │ 20 │ 20 │ 0 │ 2 │Для модулей с диод- │
│ │ │ │ │ │ными или тиристорны-│
│Вторая │ 20 │ 40 │ 1 │ 2 │ми приборами с мак- │
│ │ │ │ │ │симально допустимыми│
│ │ │ │ │ │токами от 6,3 до │
│ │ │ │ │ │32 А и для модулей с│
│ │ │ │ │ │транзисторными при- │
│ │ │ │ │ │борами с коммутируе-│
│ │ │ │ │ │мой мощностью │
│ │ │ │ │ │до 10 кВт │
├───────┼────────┼─────────┼───────┼────────┼────────────────────┤
│Первая │ 13 │ 13 │ 0 │ 2 │Для модулей с диод- │
│ │ │ │ │ │ными или тиристор- │
│Вторая │ 13 │ 26 │ 1 │ 2 │ными приборами с │
│ │ │ │ │ │максимально допусти-│
│ │ │ │ │ │мыми токами от 40 до│
│ │ │ │ │ │125 А и для модулей │
│ │ │ │ │ │с транзисторными │
│ │ │ │ │ │приборами с коммути-│
│ │ │ │ │ │руемой мощностью │
│ │ │ │ │ │от 10 до 100 кВт │
├───────┼────────┼─────────┼───────┼────────┼────────────────────┤
│Первая │ 8 │ 8 │ 0 │ 2 │Для модулей с диод- │
│ │ │ │ │ │ными или тиристор- │
│Вторая │ 8 │ 16 │ 1 │ 2 │ными приборами с │
│ │ │ │ │ │максимально допусти-│
│ │ │ │ │ │мыми токами от 160 │
│ │ │ │ │ │до 320 А и для моду-│
│ │ │ │ │ │лей с транзисторными│
│ │ │ │ │ │приборами с коммути-│
│ │ │ │ │ │руемой мощностью │
│ │ │ │ │ │свыше 100 кВт │
├───────┼────────┼─────────┼───────┼────────┼────────────────────┤
│Первая │ 5 │ 5 │ 0 │ 2 │Для модулей с диод- │
│ │ │ │ │ │ными и тиристорными │
│Вторая │ 5 │ 10 │ 1 │ 2 │приборами с макси- │
│ │ │ │ │ │мально допустимыми │
│ │ │ │ │ │токами 400 А и выше │
└───────┴────────┴─────────┴───────┴────────┴────────────────────┘
7.4.3. Испытаниям подвергают модули в объеме первой выборки. Если число дефектных модулей, обнаруженных в первой выборке, равно приемочному числу, то есть не обнаружено ни одного дефектного прибора, результаты испытаний считают удовлетворительными. Если число дефектных модулей, обнаруженных в первой выборке, равно браковочному числу или превышает его (равно двум и более), то результаты считают неудовлетворительными и окончательными. Если число дефектных модулей, обнаруженных в первой выборке, находится между приемочным и браковочным числами (равно единице), то результаты испытаний считают неопределенными, и контролю подлежит вторая выборка. Вторую выборку того же объема отбирают методом случайного отбора из всей партии. Если суммарное число дефектных модулей по результатам испытаний обеих выборок равно приемочному числу или меньше его (равно единице), то результаты испытаний считают удовлетворительными. Если суммарное число дефектных модулей равно браковочному числу или превышает его (равна двум и более), то результаты испытаний считают неудовлетворительными и окончательными.
7.4.4. При годовом объеме производства модулей, не превышающем 20 суммарных объемов выборок, для периодических испытаний допускается объемы выборок уменьшать в два раза, а периодичность испытаний устанавливать один раз в два года, что должно быть оговорено в ТУ на модули конкретных типов.
Типовые испытания модулей проводят при изменении конструкции, материалов или технологии изготовления, если эти изменения могут повлиять на параметры и качество модулей.
Объем испытаний и количество модулей, подвергаемых типовым испытаниям, устанавливают в программе, утвержденной в установленном порядке. Объем испытаний должен быть достаточным для оценки влияния изменений, вносимых в конструкцию или технологический процесс.
7.6. Испытания на надежность
7.6.1. Испытания на надежность проводят с целью определения и контроля показателей надежности модулей. Испытания на надежность состоят из испытаний на безотказность, долговечность и сохраняемость.
7.6.2. Испытания на безотказность проводят с целью определения и контроля вероятности безотказной работы модулей.
Испытания на безотказность проводят при освоении производства модулей и в процессе производства раз в три года, если иной срок не установлен в ТУ на модули конкретных типов. Последовательность и объем испытаний на безотказность устанавливают в ТУ на модули конкретных типов.
Одним из видов испытаний на безотказность являются термоциклические испытания, которые проводят при освоении модулей в производстве и в процессе производства - периодически. Необходимость и периодичность испытаний, при необходимости, устанавливают в ТУ на модули конкретных типов.
7.6.3. Испытания на долговечность проводят с целью проверки значений гамма-процентного ресурса модулей в случае, когда это предусмотрено в ТУ на модули конкретных типов, в которых должен быть определен план выборочного контроля.
В других случаях значения гамма-процентного ресурса подтверждают сбором данных по результатам эксплуатации.
7.6.4. Испытания на сохраняемость проводят с целью проверки значений гамма-процентного срока сохраняемости.
Испытания на сохраняемость проводят один раз после освоения производства модулей, если иное не предусмотрено в ТУ на модули конкретных типов.
8.1.1. Испытания проводят при нормальных климатических условиях испытаний по
ГОСТ 15150, если иное не указано в ТУ на модули конкретных типов.
8.1.2. Методы испытаний и измерений - по настоящему стандарту, ГОСТ 24461, ГОСТ 27264,
ГОСТ 20.57.406 и ТУ на модули конкретных типов.
Приемосдаточные испытания допускается проводить по методам и схемам предприятия-изготовителя, обеспечивающим не меньшую точность измерения и качество контроля.
8.1.3. Методы проверки параметров и характеристик, установленных
5.1.1.7 -
5.1.1.9, должны быть приведены в ТУ на модули конкретных типов.
8.1.4. Оценку соответствия значений измеренных параметров установленным нормам следует осуществлять с учетом погрешностей измерения этих параметров.
8.1.5. Испытания следует проводить без охладителей, если иное не указано в ТУ на модули конкретных типов.
Если испытания проводят с охладителем, то в ТУ на модули конкретных типов должен быть указан тип охладителя и обозначение нормативного документа на него (или установлены технические требования к нему).
8.1.6. Испытания модулей на соответствие требованиям к устойчивости при механических воздействиях проводят по
ГОСТ 20.57.406 при жестком креплении их в сборе с охладителями или устройствами, обеспечивающими эквивалентные условия крепления к платформам испытательных стендов; при этом гибкие выводы должны быть закреплены на платформе, жесткие выводы не крепят.
8.2. Проверка на соответствие требованиям к конструкции
8.2.1. Проверку внешнего вида, габаритно-присоединительных размеров и массы модулей проводят по
ГОСТ 20.57.406 (методы 404-1, 405-1, 406-1). Проверку правильности и качества маркировки проводят внешним осмотром в соответствии с
ГОСТ 18620.
Модули считают выдержавшими проверку, если их размеры соответствуют указанным в ГОСТ 27591 и ТУ на модули конкретных типов, масса, внешний вид, комплектность, упаковка - требованиям, указанным в ТУ на модули конкретных типов, а маркировка прочна и разборчива.
8.2.2. Проверку на герметичность проводят по
ГОСТ 20.57.406 (методы 401-3, 401-6).
Модули считают выдержавшими испытания, если их параметры после проведения испытаний, измеренные по
8.3.3,
8.3.4, соответствуют значениям, указанным в ТУ на модули конкретных типов.
8.3. Проверка электрических параметров
8.3.1. Проверку максимально допустимого тока для модулей на основе диодов и модулей на основе тиристоров или их сочетаний при токовой нагрузке всех приборов модуля проводят путем поочередного измерения теплового сопротивления каждого из приборов.
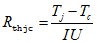
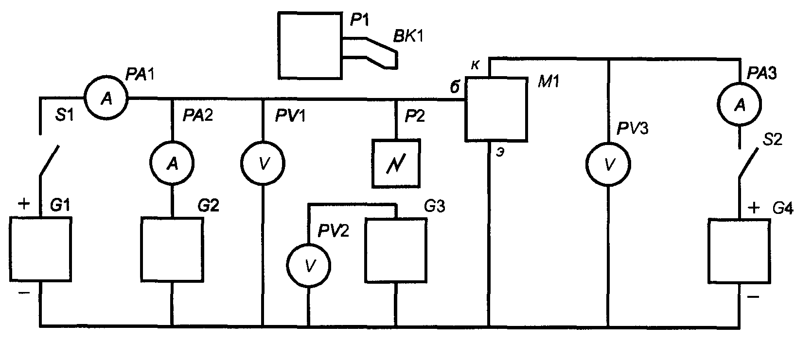
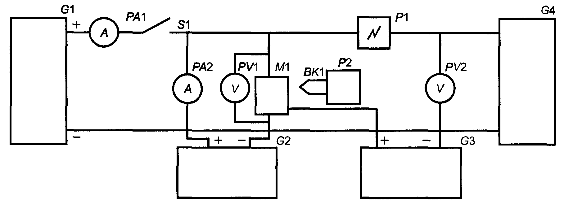
Тепловое сопротивление приборов (диода или тиристора) измеряют по схеме, приведенной на рисунке 2.
G1 - источник постоянного тока,
G2 - регулируемый источник стабилизируемого
постоянного тока, G3 - источник импульсов управления,
G4 - регулируемый источник стабилизированного постоянного
напряжения, РА1, РА2 - амперметры постоянного тока,
РV1, РV2 - вольтметры постоянного тока,
Р1 - осциллограф, Р2 - потенциометр постоянного тока,
ВК1 - термопара, S1 - выключатель, М1 - испытуемый модуль
Рисунок 2
Допускается в качестве источника постоянного тока G1 использовать источник стабилизированного импульсного тока или источник достаточно высокочастотного тока, позволяющий пренебречь колебаниями температуры перехода.
Допускается периодическое отключение источника G1 на время измерения прямого напряжения для диода или напряжения в открытом состоянии для тиристора, являющихся температурочувствительными параметрами. При этом частота и скважность импульсов прямого тока для диода или тока в открытом состоянии для тиристора должны соответствовать указанному в ТУ на модули конкретных типов.
Регулируемый источник стабилизированного постоянного тока G2 должен обеспечивать измерительный ток, установленный в ТУ на модули конкретных типов. Допускается использование источника стабилизированного импульсного тока.
Источник импульсов управления G3 должен обеспечивать импульсы тока с амплитудой и длительностью, достаточными для полного включения испытуемого прибора модуля.
Регулируемый источник стабилизированного постоянного напряжения G4 должен обеспечивать напряжение, регулируемое до значения не менее:
- прямого напряжения на испытуемом диоде, обусловленного измерительным током;
- напряжения в открытом состоянии на испытуемом тиристоре, обусловленного измерительным током.
Измерение теплового сопротивления проводят следующим образом:
- проводят градуировку испытуемого прибора модуля, то есть строят градуировочную кривую на основе измерений прямого напряжения для диода или напряжения в открытом состоянии для тиристора при заданном значении измерительного тока как функции температуры перехода, которая изменяется под действием внешнего источника тепла. Измерение температуры перехода проводят не позднее чем через 1,5 мс после прекращения подачи тока от источника G1;
- устанавливают модуль на охладитель;
- если испытывается тиристорный модуль, то включают его импульсом управления от источника управления G3;
- устанавливают от стабилизированного источника постоянного тока G2 измерительный ток, равный току, использованному при градуировке;
- устанавливают ток источника G1, при котором перегрев перехода испытуемой структуры относительно корпуса модуля обеспечивает достаточную точность измерений;
- нагревают модуль до установившегося теплового состояния. При этом температура испытуемого прибора не должна превышать максимально допустимого значения с учетом максимальной температуры окружающей среды. Установившееся тепловое состояние фиксируют по установлению температуры корпуса, измеряемой с помощью термопары ВК1 и потенциометра постоянного тока Р2;
- измеряют ток через испытуемый модуль с помощью амперметра РА1 и напряжение с помощью вольтметра РV1;
- измеряют температуру корпуса

с помощью термопары ВК1 и потенциометра постоянного тока Р2. Расположение контрольной точки измерения температуры должно быть оговорено в ТУ на модули конкретных типов;
- измеряют температуру окружающей среды;
- отключают выключатель S1;
- измеряют прямое напряжение на испытуемом диоде или напряжение в открытом состоянии на испытуемом тиристоре компенсационным методом с помощью источника стабилизированного постоянного напряжения G4, вольтметра РV2 и осциллографа Р1;
- переводят измеренное напряжение в температуру перехода с помощью градуировочной кривой;
- рассчитывают тепловое сопротивление переход - корпус

по формуле

, (1)
где

- температура перехода;

- температура корпуса;
I - ток, пропускаемый через испытуемый прибор;
U - прямое напряжение на диоде или напряжение в открытом состоянии на тиристоре.
Повторяют определение теплового сопротивления для каждого прибора модуля.
Максимально допустимый ток диодов и тиристоров, входящих в модуль, определяют по формуле

, (2)
где

- максимально допустимая температура перехода;

- температура корпуса;

- тепловое сопротивление переход - корпус;

,

- параметры вольт-амперной характеристики в открытом состоянии при температуре

.
Примечание. Если модуль состоит из нескольких разнородных приборов, то максимально допустимый ток модуля определяют по прибору, имеющему минимальное значение предельного тока.
Модуль считают выдержавшим испытание, если тепловое сопротивление переход - корпус в каждом приборе модуля не превышает значение, установленное в ТУ на модули конкретных типов.
8.3.2. Проверку максимально допустимого постоянного тока коллектор - эмиттер для модулей на основе транзисторов проводят при измерении теплового сопротивления переход - корпус.
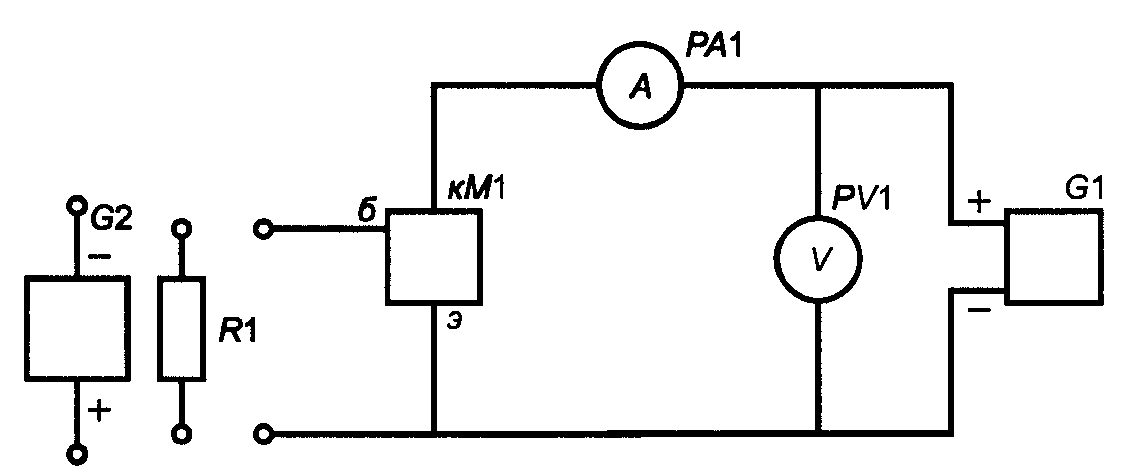
Измерение проводят по схеме, приведенной на рисунке 3.
РА1, РА2, РА3 - амперметры постоянного тока;
РV1, РV2, РV3 - вольтметры постоянного тока;
Р1 - потенциометр постоянного тока;
Р2 - осциллограф для регистраций изменения
температуры во времени;
ВК1 - термопара (или другое устройство
для измерения температуры корпуса);
S1, S2 - электронный или электромеханический ключ;
G1, G4 - источники постоянного тока;
G2 - регулируемый источник
стабилизированного постоянного тока;
G3 - регулируемый источник
стабилизированного постоянного напряжения;
М1 - испытуемый модуль
Рисунок 3
Источники постоянного тока G1 и G4 должны обеспечивать постоянные токи, при которых перегрев перехода относительно корпуса модуля позволяет получить достаточную точность измерения, а рассеиваемая в модуле мощность - не более максимально допустимой

.
Регулируемый источник стабилизированного постоянного измерительного тока G2 должен обеспечивать ток, соответствующий установленному в ТУ на модули конкретных типов.
Регулируемый источник стабилизированного постоянного напряжения G3 должен обеспечивать напряжение, регулируемое до значения не менее обусловленного измерительным током источника G2.
Переключатель S2 должен обеспечивать частоту следования от 1 до 50 Гц и измерение температуры перехода не позднее чем через 1 мс после прекращения подачи тока от источника G4.
Измерение теплового сопротивления проводят следующим образом:
- проводят градуировку модуля, то есть строят градуировочную кривую на основе измерений температурочувствительного параметра при выбранном значении измерительного тока как функции температуры перехода, которая изменяется под действием внешнего источника тепла;
- устанавливают модуль на охладитель;
- устанавливают от источника G2 измерительный ток, равный току при градуировке;
- нагревают модуль до установившегося теплового состояния (установившееся тепловое состояние фиксируют по установлению температуры корпуса);
- измеряют токи коллектора и базы модуля с помощью амперметров РА1 и РА3 и напряжения база - эмиттер, коллектор - эмиттер с помощью вольтметров РV1 и РV3;
- измеряют температуру корпуса

. Расположение контрольной точки измерения температуры на корпусе должно быть оговорено в ТУ на модули конкретных типов;
- отключают выключатель S1;
- измеряют значение прямого напряжения база - эмиттер компенсационным методом с помощью источника G3, вольтметра РV2 и осциллографа Р2;
- определяют температуру переходов

с помощью градуировочной кривой;
- рассчитывают тепловое сопротивление переход - корпус

по формуле

, (3)
где

- средняя рассеиваемая мощность, рассчитываемая по формуле

, (4)
где

- амплитуда импульса тока коллектора при испытании;

- амплитуда импульса тока базы при испытании;

- амплитуда напряжения коллектор - эмиттер при испытании;

- амплитуда напряжения эмиттер - база при испытании;

- температура перехода;

- температура корпуса;

- длительность протекания силового тока;

- длительность измерения температуры перехода.
Повторяют определение теплового сопротивления для каждого транзистора модуля.
Модуль считают выдержавшим испытание, если тепловое сопротивление переход - корпус для каждого транзистора модуля соответствует значениям, установленным в ТУ на модули конкретных типов.
8.3.3. Проверку повторяющегося импульсного обратного напряжения модулей на основе диодов, повторяющегося импульсного напряжения в закрытом состоянии и повторяющегося импульсного обратного напряжения модулей на основе тиристоров проводят при измерении неповторяющегося импульсного обратного напряжения.
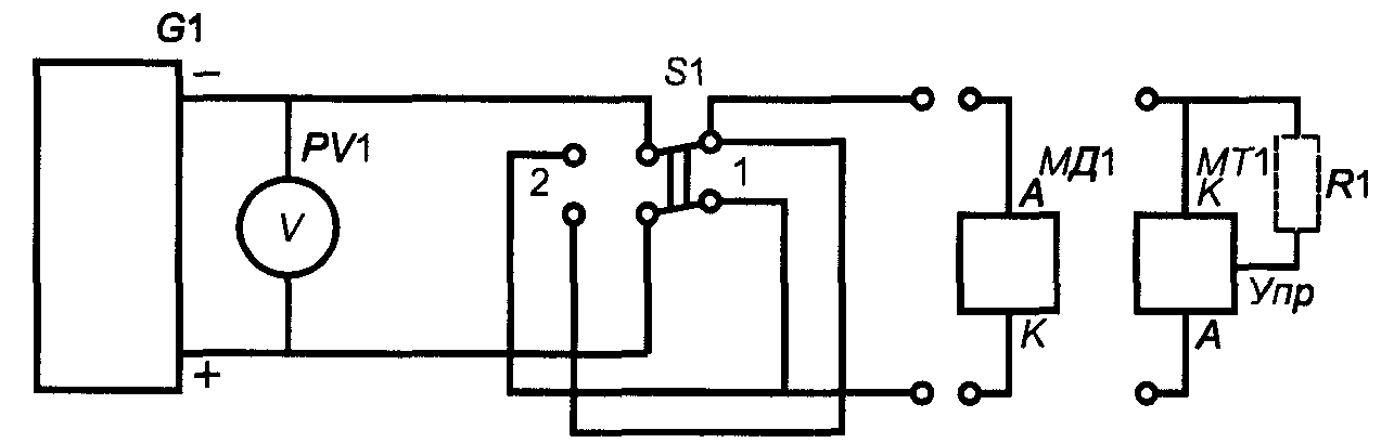
Проверку проводят по схеме, приведенной на рисунке 4.
G1 - источник импульсного напряжения;
РV1 - вольтметр амплитудных значений;
МД1 - модуль на основе диода;
МТ1 - модуль на основе тиристора;
S1 - переключатель; R1 - резистор
Рисунок 4
Источник импульсов напряжения G1 должен обеспечивать напряжение со следующими характеристиками:
- форма - однополупериодная синусоидальная или другая, оговоренная в ТУ на модули конкретных типов;
- амплитуда - максимально допустимое неповторяющееся импульсное напряжение для МД1 или неповторяющееся импульсное напряжение в закрытом состоянии для МТ1;
- длительность - от 1 до 10 мс в соответствии с установленной в ТУ на модули конкретных типов;
- количество импульсов - один.
Параметры сигнала, подаваемого на управляющий электрод МТ1, должны быть указаны в ТУ на модули конкретных типов. Для модулей на основе запираемых тиристоров при необходимости может подаваться обратное смещение R1 на управляющий электрод.
Проверку неповторяющегося импульсного обратного напряжения и неповторяющегося импульсного напряжения в закрытом состоянии проводят при максимально допустимой температуре перехода следующим образом:
- устанавливают переключатель S1 в положение 1;
- подают на испытуемый модуль импульсы напряжения;
- устанавливают переключатель S1 в положение 2;
- проводят повторную подачу импульсов напряжения.
Значение максимально допустимого повторяющегося импульсного обратного напряжения определяют как часть неповторяющегося импульсного обратного напряжения через коэффициент запаса К. Коэффициент К устанавливают в ТУ на модули конкретных типов.
Модули на основе диодов считают выдержавшими испытание, если повторяющийся импульсный обратный ток не превышает значений, установленных в ТУ на модули конкретных типов.
Модули на основе тиристоров считают выдержавшими испытание, если они не переключаются, а повторяющийся импульсный обратный ток не превышает значений, установленных в ТУ на модули конкретных типов.
8.3.4. Проверку максимально допустимого напряжения коллектор - эмиттер

для модулей на основе биполярных транзисторов проводят при измерении пробивного напряжения коллектор - эмиттер

. Измерения проводят при максимально допустимой температуре перехода.
Измерение проводят по схеме, приведенной на рисунке 5.
G1, G2 - источники напряжения;
РА1 - амперметр мгновенных значений тока;
РV1 - вольтметр амплитудных значений напряжения;
R1 - резистор в цепи базы; М1 - испытуемый модуль
Рисунок 5
Источник импульсного напряжения G1 должен обеспечивать импульсы с регулируемой амплитудой в пределах от нуля до наиболее возможного пробивного напряжения со следующими характеристиками:
- форма - униполярное импульсное напряжение прямоугольной или синусоидальной формы;
- длительность - от 0,1 до 10 мс;
- скважность - не менее 2;
- длительность фронта должна быть такой, при которой не сказывается влияние скорости нарастания напряжения.
Источник постоянного напряжения G2 (при измерении

) должен обеспечивать обратное напряжение в цепи базы в соответствии со значениями, установленными в ТУ на модули конкретных типов.
Значение сопротивления R1 (при измерении

) должно соответствовать значению, установленному в ТУ на модули конкретных типов.
Измерение проводят следующим образом:
- устанавливают режим в цепи базы, заданный в ТУ на модули конкретных типов;
- увеличивают напряжение источника G1 от нуля до момента достижения током коллектор-эмиттер значения, указанного в ТУ на модули конкретных типов;
- ток контролируют амперметром РА1;
- по вольтметру РV1 определяют пробивное напряжение.
Максимально допустимое напряжение коллектор - эмиттер

определяют как часть пробивного напряжения по формуле

, (5)
где

- пробивное напряжение коллектор - эмиттер;
К - коэффициент, значение которого соответствует указанному в ТУ на модули конкретных типов.
Проверку максимально допустимого напряжения коллектор - эмиттер проводят при тех же условиях и по той же схеме. При этом от источника импульсного напряжения G1 на модуль подают напряжение, равное максимально допустимому.
Модуль считают выдержавшим испытание, если значение максимально допустимого напряжения коллектор - эмиттер соответствует указанному в ТУ на модули конкретных типов.
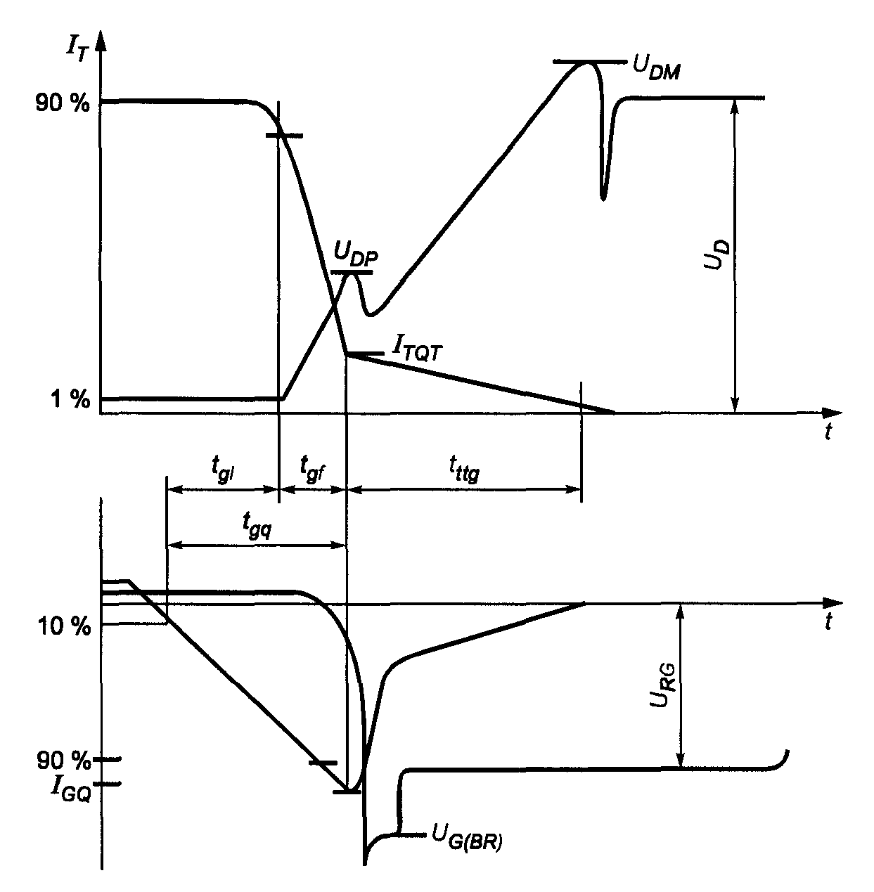
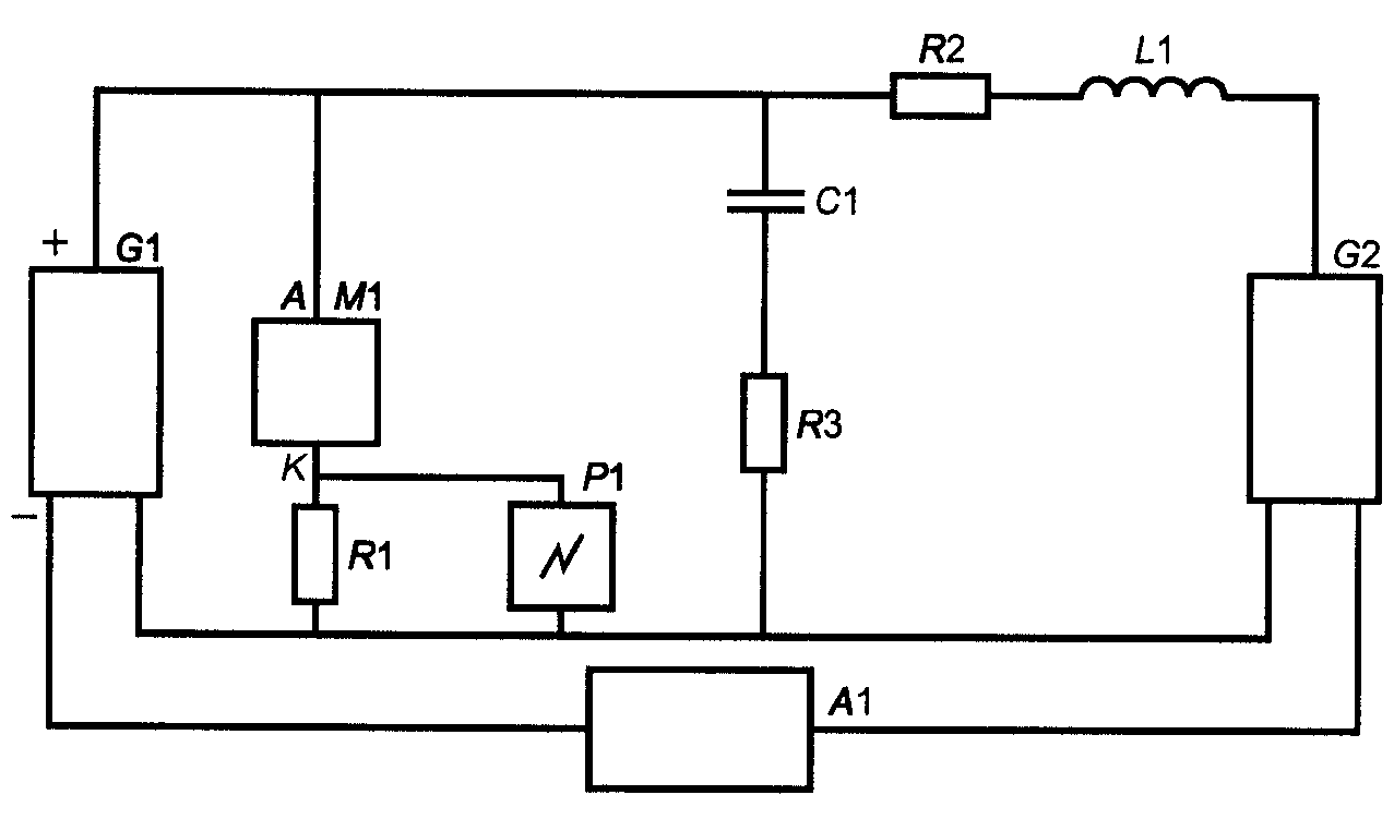
8.3.5. Проверку времени обратного восстановления модулей на основе диодов проводят по схеме, приведенной на рисунке 6. Эпюра импульсов через модуль приведена на
рисунке 7.
G1 - источник импульсов прямого тока;
G2 - источник импульсов обратного напряжения;
А1 - синхронизирующее устройство;
R1 - безындуктивный измерительный резистор;
R2 и L1 - резистор и катушка индуктивности коррекции
сопротивления в цепи источника соответственно;
R3 и С1 - резистор и конденсатор для ограничения
перенапряжений соответственно;
Р1 - осциллограф; М1 - испытуемый модуль
Рисунок 6
I - ток, t - время,

- амплитуда обратного тока восстановления,

- время нарастания обратного тока восстановления,

- время спада обратного тока восстановления,

- время обратного восстановления,
dI/dt - скорость спада прямого тока,

- момент времени подачи запускающего сигнала
источнику G1,

- момент времени подачи
запускающего сигнала источнику G2
Источник импульсов прямого тока G1 должен обеспечивать импульсы тока со следующими характеристиками:
- форма - трапецеидальная или иная, указанная в ТУ на модули конкретных типов;
- длительность - увеличение которой не влияет на результат (указывают в ТУ на модули конкретных типов);
- амплитуда - максимально допустимый средний прямой ток;
- скорость спада - указанная в ТУ на модули конкретных типов (выбирают из ряда: 5; 12,5; 25; 50; 100 А/мкс).
Источник импульсов обратного напряжения G2 должен обеспечивать импульсы напряжения амплитудой (100 +/- 10) В (без учета напряжения переходного процесса) и длительностью - более времени обратного восстановления, установленного в ТУ на модули конкретных типов. Суммарное сопротивление источника G2, резистора R2 и катушки индуктивности L1 должно быть таким, чтобы не оказывать влияния на форму тока обратного восстановления.
Индуктивность цепи обратного тока L1 выбирают, исходя из требуемой скорости нарастания обратного тока (скорости спада прямого тока).
Безындуктивный измерительный резистор R1 не должен оказывать значительного влияния на режим измерения и измеряемое время обратного восстановления.
Резистор R3 и конденсатор С1 для ограничения перенапряжений должны быть выбраны так, чтобы не оказывать влияния на форму тока обратного восстановления.
Синхронизирующее устройство А1 должно обеспечивать:
- в момент времени

- подачу запускающего сигнала источнику G1;
- в момент времени

- подачу запускающего сигнала источнику G2;
- частоту повторения циклов, указанную в ТУ на модули конкретных типов.
Измерение времени обратного восстановления проводят при подаче на испытуемый модуль (при прохождении импульсов прямого тока) импульса обратного напряжения.
Время обратного восстановления измеряют на экране осциллографа как отрезок времени от момента прохождения прямого тока через нулевое значение до момента пересечения оси времени с прямой, проходящей через две точки на кривой уменьшения обратного тока с ординатами 90 и 25% его амплитуды (рисунок 7).
Модули считают выдержавшими испытание, если время обратного восстановления не превышает значений, установленных в ТУ на модули конкретных типов.
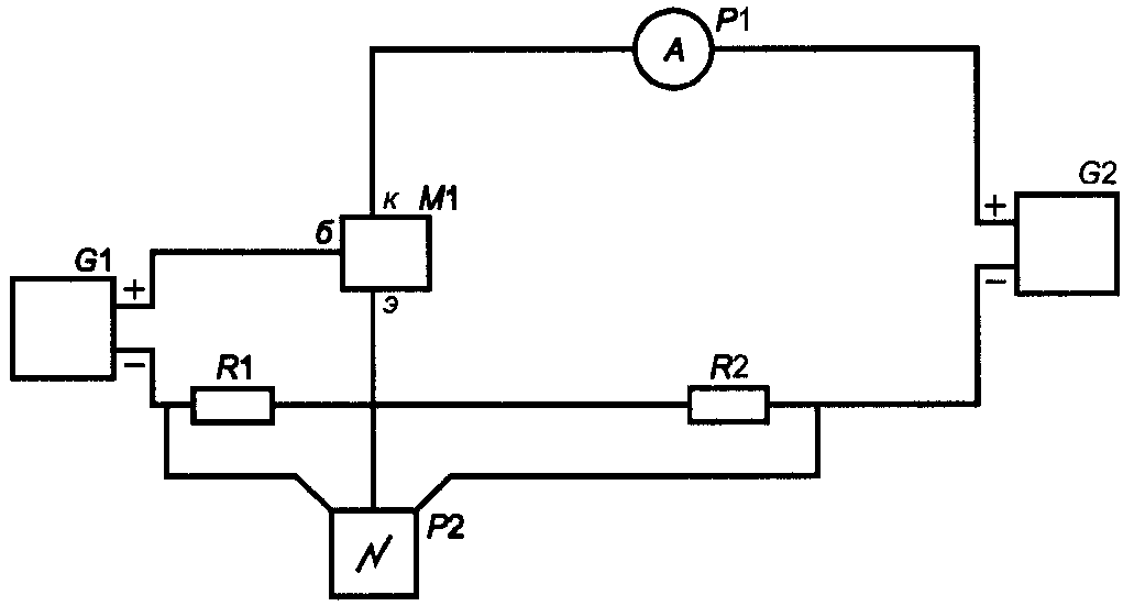
8.3.6. Проверку времени выключения для модулей на основе тиристоров проводят по схеме, приведенной на рисунке 8.
S1 - ключ;
G1 - источник импульсов тока в открытом состоянии;
G2 - источник импульсов повторяющегося напряжения;
G3 - источник импульсов управления;
G4 - источник импульсов обратного напряжения;
R3, L1, V1 - резистор, катушка индуктивности
и диод - соответственно цепи формирования
импульсов источника G4,
R2 - безындуктивный измерительный резистор;
С1, R1 - конденсатор и резистор - соответственно
цепи защиты от перенапряжений,
Р1 - осциллограф; А1 - синхронизирующее устройство;
М1 - тиристорный модуль
Рисунок 8
Эпюры импульсов тока и напряжения приведены на рисунке 9.

- импульсный обратный ток,

- время выключения
Рисунок 9
Источник импульсов тока в открытом состоянии G1 должен обеспечивать импульсы тока со следующими характеристиками:
- форма - трапецеидальная или иная, указанная в ТУ на модули конкретных типов;
- амплитуда - максимально допустимый средний ток в открытом состоянии;
- длительность - указанная в ТУ на модули конкретных типов, увеличение которой не влияет на результат измерения;
- скорость спада - указанная в ТУ на модули конкретных типов.
Источник импульсов повторяющегося напряжения G2 должен обеспечивать следующие параметры импульсов повторяющегося напряжения в закрытом состоянии:
- фронт - линейный;
- скорость нарастания - указанную в ТУ на модули конкретных типов;
- амплитуда - 67% от максимально допустимого повторяющегося импульсного напряжения в закрытом состоянии;
- длительность - указанную в ТУ на модули конкретных типов;
- внутреннее сопротивление источника повторяющегося напряжения в закрытом состоянии - указанное в ТУ на модули конкретных типов и такое, уменьшение которого не влияет на результат измерения.
Напряжение источника импульсов управления G3 и его сопротивление в течение процесса выключения указывают в ТУ на модули конкретных типов. Источник импульсов управления G3 должен обеспечивать импульсы тока амплитудой и длительностью, достаточными для отпирания испытываемого модуля.
Источник импульсов обратного напряжения G4 должен обеспечивать импульсы напряжения со следующими характеристиками:
- амплитуда - (100 +/- 10) В без учета напряжения переходного процесса, а при необходимости для модулей на основе быстровыключающихся тиристоров - (5 +/- 1) В;
- длительность - не менее времени выключения, установленного в ТУ на модули конкретных типов;
- суммарное сопротивление источника G4, резистора R3 и катушки индуктивности L1 должно быть таким, чтобы оно не влияло на форму обратного тока.
Конденсатор С1 и резистор R1 для ограничения перенапряжений должны быть выбраны такими, чтобы они не влияли на форму обратного тока.
Индуктивность L1 определяется требуемой скоростью измерения тока при переключении модуля из открытого состояния в закрытое.
Резистор R2 - безындуктивный измерительный резистор должен быть с таким малым сопротивлением, чтобы его изменение не оказывало значительного влияния на результаты измерения.
Синхронизирующее устройство А1 должно обеспечивать:
- в момент времени

- подачу запускающих импульсов источникам G1, G3; в момент времени

- подачу импульсов источнику G4; в момент времени

- подачу запускающего импульса источнику G2 и ключу S1;
- регулирование интервала времени

-

;
- частоту повторения циклов, установленную в ТУ на модули конкретных типов.
Измерение проводят при максимально допустимой температуре перехода.
Измерение времени выключения проводят при подаче на открытый тиристор испытываемого модуля импульса обратного напряжения и через регулируемый интервал времени

-

импульса прямого напряжения.
Уменьшают плавно или ступенчато интервал времени

-

до минимального значения, при котором тиристор еще может выдержать, не переключаясь, прикладываемое прямое напряжение.
Измеряют с помощью осциллографа Р1 время выключения.
Модули считают выдержавшими испытание, если время выключения не превышает значений, установленных в ТУ на модули конкретных типов.
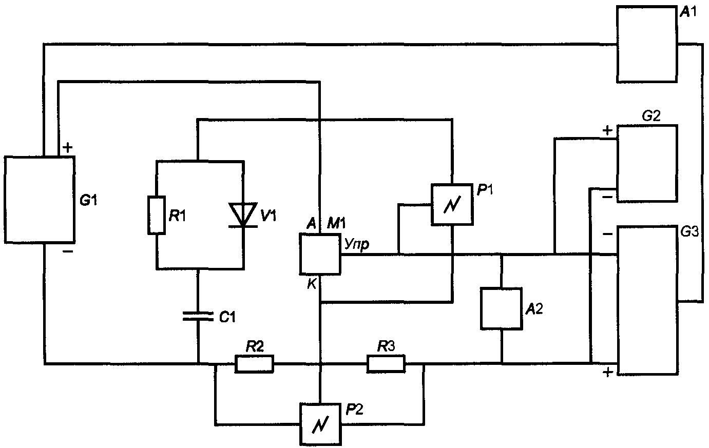
8.3.7. Проверку времени выключения для модулей на основе биполярных транзисторов проводят по схеме, приведенной на рисунке 10.
G1 - источник импульсного тока,
G2 - источник постоянного напряжения,
R1, R2 - безындуктивные измерительные
резисторы с малым сопротивлением,
Р1 - измеритель амплитудных значений тока,
Р2 - осциллограф, М1 - испытуемый модуль
Рисунок 10
Эпюры тока представлены на рисунке 11.

- ток базы,

- ток коллектора,

- время задержки,

- время нарастания,

- время включения,

- время рассасывания,

- время спада,

- время выключения
Источник постоянного напряжения G2 должен обеспечивать:
- напряжение коллектор - эмиттер не менее 0,5 предельного напряжения, если иное не указано в ТУ на модули конкретных типов;
- ток коллектора во время действия импульса базового тока, равный току коллектора в режиме насыщения

и при необходимости другому значению, установленному в ТУ на модули конкретных типов.
Источник импульсного тока G1 должен обеспечивать двуполярные импульсы. Импульс тока базы

должен иметь следующие характеристики:
- форма - прямоугольная;
- амплитуда - в соответствии с указанной в ТУ на модули конкретных типов;
- длительность импульсов - от 0,1 до 1,0 мс;
- скважность - не менее 100;
- скорость нарастания и скорость спада такие, увеличение которых не влияет на процесс измерения; при этом длительность фронта - не более 0,1 времени нарастания транзистора в испытуемом модуле, а длительность спада - не более 0,1 времени выключения транзистора в испытуемом модуле;
- амплитуда выброса на вершине импульса не должна превышать 10% амплитудного значения импульса.
Обратный импульс тока базы

со следующими характеристиками:
- амплитуда импульса

больше или равна

;
- длительность - не менее

;
- длительность фронта - не более 0,1 времени выключения транзистора в испытуемом модуле;
- амплитуда выброса на вершине импульса не должна превышать 10% амплитудного значения импульса.
Измерение времени выключения проводят следующим образом:
- устанавливают режим работы по цепи база - коллектор;
- с помощью осциллографа Р2 и в соответствии с эпюрами на
рисунке 11 измеряют время выключения

.
Модули считают выдержавшими испытание, если время выключения всех транзисторов, входящих в модуль, не превышает значений, установленных в ТУ на модули конкретных типов.
8.3.8. Проверку времени выключения по управляющему электроду для модулей на основе тиристоров проводят при максимально допустимой температуре перехода по схеме, приведенной на рисунке 12. Эпюры тока и напряжения представлены на
рисунке 13.
G1 - источник импульсов тока;
G2 - источник отпирающего импульсного тока управления;
G3 - источник обратного импульсного тока
и напряжения управления;
А1 - синхронизирующее устройство подачи запускающих
импульсов источникам G1, G2, G3;
А2 - ограничитель напряжения; Р1, Р2 - осциллографы;
М1 - испытуемый модуль;
R1, С1, V1 - соответственно резистор,
конденсатор, диод цепи ограничения скорости
нарастания повторного напряжения в закрытом состоянии;
R2, R3 - безындуктивные измерительные резисторы
Рисунок 12

- постоянное напряжение в закрытом состоянии,

- прямой пик напряжения,

- обратное постоянное напряжение управления,

- обратное напряжение пробоя управляющего перехода,

- импульсное напряжение в закрытом состоянии,

- постоянный ток в открытом состоянии,

- ток медленного спада,

- запирающий постоянный ток управления,

- время запаздывания по управляющему электроду,

- время спада по управляющему электроду,

- время медленного спада тока,

- время выключения тиристора по управляющему электроду
Источник импульсов тока в открытом состоянии G1 должен обеспечивать:
- импульсы тока трапецеидальной формы или иной, указанной в ТУ на модули конкретных типов; амплитуду (без учета переходных процессов) - максимально допустимый неповторяющийся импульсный запираемый ток; длительность анодного тока и скорость спада - указанные в ТУ на модули конкретных типов;
- повторяющееся напряжение в закрытом состоянии с амплитудой - 67% максимально допустимого повторяющегося импульсного напряжения в закрытом состоянии, скорость нарастания напряжения - указанную в ТУ на модули конкретных типов; внутреннее сопротивление источника - указанное в ТУ на модули конкретных типов и такое, уменьшение которого не влияет на результат измерения.
Источник отпирающего импульсного тока управления G2 должен обеспечивать:
- импульсы амплитудой и длительностью, достаточными для включения тиристора в испытуемом модуле;
- режимы по управляющему электроду - указанные в ТУ на модули конкретных типов.
Источник обратного импульсного тока и напряжения управления G3 должен обеспечивать импульсы обратного напряжения и тока управления, указанные в ТУ на модули конкретных типов.
Конденсатор С1 и диод V1 должны быть выбраны так, чтобы не превысить допустимое значение амплитуды повторяющегося напряжения и обеспечить наибольшее значение скорости нарастания повторяющегося напряжения в закрытом состоянии после окончания быстрого спада тока в открытом состоянии.
Цепь ограничения скорости нарастания повторяющегося напряжения в закрытом состоянии (R1, С1) должна обеспечивать ограничение амплитуды разрядного тока на уровне, не превышающем 30% запираемого тока.
Синхронизирующее устройство А1 должно обеспечивать:
- подачу запускающих импульсов источникам G1, G2, G3;
- регулировку времени задержки между моментом подачи запускающих импульсов источникам G1, G2 и моментом подачи запускающего импульса источнику G3;
- частоту повторения циклов - 1 Гц.
Измерение времени выключения по управляющему электроду проводят с помощью осциллографов Р1, Р2.
Модули считают выдержавшими испытания, если измеренное время выключения по управляющему электроду соответствует указанному в ТУ на модули конкретных типов.
8.3.9. Проверку электрической прочности изоляции между основанием и основными выводами проводят синусоидальным переменным напряжением частотой 50 Гц, при этом мощность источника должна быть не менее 1,5 кВ х А.
На модуль подают напряжение, плавно увеличивая его в течение 10 с от нуля до:
2500 В (действующее значение) - при нормальных климатических условиях испытаний по
ГОСТ 15150, если иное не указано в ТУ на модули конкретных типов;
1500 В (действующее значение) - в условиях воздействия верхнего значения относительной влажности воздуха.
Испытательное напряжение должно прикладываться между закороченными между собой основными выводами модуля и его основанием.
Время выдержки под напряжением - 1 мин.
После окончания проверки испытательное напряжение плавно уменьшают до нуля.
Модули считают выдержавшими проверку, если не произошло пробоя изоляции и перекрытия по поверхности, которое должно контролироваться индикаторным устройством испытательной установки.
8.3.10. Измерение сопротивления изоляции между основанием и основными выводами (а для модулей на основе тиристоров и транзисторов и между основными и управляющими выводами) проводят при помощи мегомметра при напряжении 1000 В, которое прикладывается между основанием и замкнутыми между собой основными выводами модуля.
Время приложения испытательного напряжения - не менее 10 с.
Модули считают выдержавшими испытание, если:
- сопротивление изоляции между беспотенциальным основанием модуля и его выводами не менее 50 МОм в нормальных климатических условиях испытаний по
ГОСТ 15150 и не менее 5 МОм - при воздействии верхнего значения температуры окружающей среды и верхнего значения относительной влажности воздуха;
- сопротивление изоляции между основными и управляющими выводами модулей, содержащих оптотиристоры, не менее 1000 МОм в нормальных климатических условиях испытаний по
ГОСТ 15150 и не менее 100 МОм - в условиях воздействия верхнего значения температуры окружающей среды и верхнего значения относительной влажности воздуха.
8.4. Проверка стойкости к механическим воздействиям
8.4.1. Испытания на синусоидальную вибрацию (вибропрочность) по
ГОСТ 20.57.406 (метод 103.1-6) проводят на фиксированной частоте без выявления резонансной частоты.
Испытания должны проводиться на частоте (50 +/- 2) Гц с ускорением (50 +/- 10) м/с2. Модули должны подвергаться вибрации в двух или трех взаимно перпендикулярных направлениях (число направлений должно быть указано в ТУ на модули конкретных типов). Суммарное время испытаний - не менее 6 ч.
Примечания. 1. Допускается проверку вибропрочности проводить на любой частоте (в диапазоне от 10 до 100 Гц) при соответствующей корректировке ускорения в соответствии с
ГОСТ 20.57.406.
2. Допускается испытание на синусоидальную вибрацию проводить другим равнозначным методом по
ГОСТ 20.57.406.
Модули считают выдержавшими испытания, если после проведения испытаний электрические параметры, проверенные по
8.3.3 и
8.3.4, соответствуют значениям, указанным в ТУ на модули конкретных типов.
8.4.2. Испытания на воздействие одиночных ударов проводят по
ГОСТ 20.57.406 (метод 106-1) при форме ударного импульса, близкой к синусоидальной; длительности импульса (50 +/- 10) мс; ускорении (40 +/- 10) м/с2, если иное не указано в ТУ на модули конкретных типов.
Модули подвергают ударам в двух или трех взаимно перпендикулярных направлениях. Всего должно быть проведено по три последовательных удара в каждом положении модуля. Количество направлений и число ударов должны быть указаны в ТУ на модули конкретных типов.
Модули считают выдержавшими испытания, если после проведения испытаний электрические параметры, проверенные по
8.3.3 и
8.3.4, соответствуют значениям, указанным в ТУ на модули конкретных типов, и не обнаружено механических повреждений модуля.
8.4.3. Проверку механической прочности выводов модулей на воздействие крутящего момента проводят по
ГОСТ 20.57.406 (метод 113-1).
Способы подачи нагрузки и ее значения устанавливают в ТУ на модули конкретных типов. Проверку механической прочности модулей с втычными соединениями проводят по ГОСТ 24566 с указанием методов испытаний в ТУ на модули конкретных типов.
Модули считают выдержавшими испытания, если после испытаний не будет обнаружено механических повреждений как самих выводов, так и мест крепления.
8.5. Проверка стойкости к климатическим воздействиям
8.5.1. Испытания на воздействие повышенной рабочей температуры среды проводят по
ГОСТ 20.57.406 (методы 201-2.1, 201-2.2, 201-3). Конкретный метод, характер и значение электрической нагрузки, порядок снятия нагрузки перед измерением параметров и режимы измерения параметров устанавливают в ТУ на модули конкретных типов.
Модули считают выдержавшими испытания, если в процессе и после испытания электрические параметры, проверенные по
8.3.3 и
8.3.4, соответствуют значениям, установленным в ТУ на модули конкретных типов, а внешний вид удовлетворяет требованиям конструкторской документации.
8.5.2. Испытания модулей на воздействие пониженной температуры среды проводят по
ГОСТ 20.57.406 (метод 203-1).
Модули считают выдержавшими испытания, если в процессе испытания и после него электрические параметры, проверенные по
8.3.3 и
8.3.4, соответствуют нормам, установленным в ТУ на модули конкретных типов, а внешний вид удовлетворяет требованиям конструкторской документации.
8.5.3. Испытания на воздействие изменения температуры среды проводят по
ГОСТ 20.57.406 (метод 205-1) без приложения к модулям электрических нагрузок (напряжения). Испытания проводят путем последовательного переноса модулей из камеры холода с температурой, равной минимально допустимой температуре хранения, в термостат, нагретый до максимально допустимой рабочей температуры окружающей среды; всего должно быть проведено три цикла переносов из камеры холода в термостат. Время пребывания модулей как в камере холода, так и в термостате должно быть не менее 2 ч, если иное не указано в ТУ на модули конкретных типов. Время переноса должно быть не более 1 мин.
После проведения трех циклов модули должны быть выдержаны в нормальных климатических условиях не менее 2 ч.
Модули считают выдержавшими испытания, если электрические параметры, проверенные по
8.3.3 и
8.3.4, соответствуют значениям, указанным в ТУ на модули конкретных типов, и не обнаружено механических повреждений модуля.
8.5.4. Испытания на воздействие повышенной влажности воздуха проводят по
ГОСТ 20.57.406 (метод 207-2) без приложения к модулям электрических нагрузок (напряжения).
Режим испытаний выбирают в соответствии с видом климатического исполнения модулей по
ГОСТ 15150.
После извлечения модулей из камеры влажности и удаления с их поверхности влаги они должны быть выдержаны в нормальных климатических условиях не менее 2 ч.
Модули считают выдержавшими испытания, если не обнаружено механических повреждений и внешний вид модулей и их параметры, измеренные по
8.3.3 и
8.3.4, соответствуют значениям, указанным в ТУ на модули конкретных типов.
8.6. Проверка устойчивости корпуса модулей к воздействию неразрушающего тока
8.6.1. Условия проведения проверки:
- температура корпуса испытываемого модуля - плюс 25 °С;
- модуль перед испытаниями должен быть предварительно поврежден, например с помощью маломощного высоковольтного импульса или механически, так чтобы пробой прошел по фаске структуры (механическое повреждение может быть выполнено до сборки в корпус);
- модуль должен быть испытан на герметичность. Скорость утечки должна быть менее чем

Па х м3/с;
- длительность импульса тока треугольной формы и его амплитуда

должны быть указаны в ТУ на модули конкретных типов;
- скорость нарастания тока - 25 А/мкс;
- цепь управления должна быть разомкнута.
8.6.2. Проверку проводят по схеме, приведенной на рисунке 14.
G1 - источник переменного тока,
имеющий соответствующую мощность короткого замыкания,
S1, S2 - электромеханические или электронные мощные ключи,
срабатывающие в определенные моменты линейного напряжения,
F1 - выбранный предохранитель вместо S2,
L1 - катушка индуктивности;
Т1 - трансформатор большой мощности,

- безындуктивный шунт, Р1 - осциллограф,
М1 - испытуемый модуль
Рисунок 14

- постоянный обратный ток;

- импульс обратного тока
Ключ S1 замыкают в момент времени

, чтобы подать на испытуемый модуль обратное напряжение. При этом обратный ток постоянно повышают со скоростью, ограниченной переменной индуктивностью L1. В момент времени

ключ S2 замыкают, ограничивая амплитуду тока значением

, либо подключают в цепь последовательно с испытуемым модулем предохранитель F1, и ток будет отключаться при срабатывании предохранителя.
Модуль считают выдержавшим испытание, если после проверки на герметичность значение утечки не превышает

Па х м3/с.
В процессе проверки может быть осуществлен контроль плазмы для уверенности, что герметичность модуля не нарушена.
После проверки прибор должен быть визуально осмотрен на отсутствие видимых разрушений: оторванных частиц, внешнего проплавления или следов прогара.
8.7. Испытание на пожарную безопасность
Испытание на пожарную безопасность проводят по
ГОСТ 20.57.406 (метод 409-2).
8.8. Проверка показателей надежности
8.8.1. Термоциклические испытания модулей (если требования указаны в ТУ на модули конкретных типов) при испытаниях на безотказность проводят путем периодического их нагрева и охлаждения.
Модуль следует нагревать заданным током, значение которого предпочтительно выбирать близким к значению максимально допустимого до тех пор, пока не будет достигнута температура перехода, лежащая в диапазоне между максимально допустимой температурой перехода и максимально допустимой температурой перехода, уменьшенной на 20 °С.
Примечание. При испытании модулей, включенных последовательно, температура может находиться между максимально допустимой температурой перехода и максимально допустимой температурой перехода, уменьшенной на 30 °С.
Затем модуль охлаждают до температуры перехода, не превышающей 40 °С.
Время нагрева не должно превышать 6 мин, время охлаждения - 8 мин. Число циклов нагрева и охлаждения устанавливают в ТУ на модули конкретных типов.
Модули считают выдержавшими испытания, если параметры, проверенные по
8.3.3 и
8.3.4, соответствуют значениям, указанным в ТУ на модули конкретных типов.
8.8.2. Испытания на сохраняемость проводят в режиме хранения и в условиях, указанных в ТУ на модули конкретных типов.
8.8.3. В технически обоснованных случаях допускается результаты испытаний на надежность модулей одного типа распространять на модули других типов.
9. Транспортирование и хранение
Транспортирование и хранение модулей осуществляют в соответствии с требованиями
ГОСТ 23216.
Модули транспортируют всеми видами транспорта в крытых транспортных средствах. Группа условий хранения модулей 4 (Ж2) по
ГОСТ 15150 (в части воздействия климатических факторов). По согласованию с потребителем допускается другая группа условий хранения по
ГОСТ 15150 при условии обеспечения сохранности модулей.
Допускается транспортирование модулей в самолетах в отапливаемых и герметизированных отсеках.
10. Указания по эксплуатации
При применении модулей необходимо соблюдать требования, указанные в настоящем стандарте и ТУ на модули конкретных типов.
При выборе модулей или при оценке допустимости режима их эксплуатации необходимо руководствоваться:
- предельно допустимыми значениями параметров и характеристиками, установленными в ТУ на модули конкретных типов;
- зависимостями указанных параметров от конкретных режимов и условий эксплуатации модулей, установленных в информационных материалах в соответствии с
Приложением В;
- предельными условиями эксплуатации.
11. Гарантии изготовителя
11.1. Изготовитель гарантирует соответствие модулей требованиям настоящего стандарта и ТУ на модули конкретных типов при соблюдении условий эксплуатации, транспортирования и хранения, установленных настоящим стандартом и ТУ на модули конкретных типов.
11.2. Гарантийный срок эксплуатации, устанавливаемый в ТУ на модули конкретных типов, должен быть не менее двух лет со дня ввода модулей в эксплуатацию.
В ТУ на модули конкретных типов допускается устанавливать гарантийную наработку в часах.
(обязательное)
ОБОЗНАЧЕНИЕ ГРУПП МОДУЛЕЙ В ЗАВИСИМОСТИ
ОТ ЗНАЧЕНИЙ ПАРАМЕТРОВ
Значения параметров устанавливают в соответствии с рядами R10, R10' по
ГОСТ 8032.
Группы модулей обозначают сочетанием букв и цифр (буквенно-цифровым кодом), соответствующим определенному значению параметров согласно таблице А.1.
Таблица А.1
┌───────────┬────────────────────────────────────────────────────┐
│ Второй │ Первый (буквенный) индекс в обозначении группы │
│(цифровой) ├──────────┬──────────┬─────────┬──────────┬─────────┤
│ индекс в │ А │ В │ С │ Е │ Н │
│обозначении│ │ │ │ │ │
│ группы │ │ │ │ │ │
├───────────┼──────────┼──────────┼─────────┼──────────┼─────────┤
│ 1 │ 10000 │ 8000 │ 6300 │ 5000 │ 4000 │
│ 2 │ 1000 │ 800 │ 630 │ 500 │ 400 │
│ 3 │ 100 │ 80 │ 63 │ 50 │ 40 │
│ 4 │ 10 │ 8 │ 6,3 │ 5 │ 4 │
│ 5 │ 1 │ 0,8 │ 0,63 │ 0,5 │ 0,4 │
│ 6 │ 0,1 │ 0,08 │ 0,063 │ 0,05 │ 0,04 │
│ 7 │ 0,01 │ 0,008 │ 0,0063 │ 0,005 │ 0,004 │
│ 8 │ 0,001 │ 0,0008 │ 0,00063 │ 0,0005 │ 0,0004 │
│ 9 │ 0,0001 │ 0,00008 │0,000063 │ 0,00005 │ 0,00004 │
├───────────┼──────────┴──────────┴─────────┴──────────┴─────────┤
│ Второй │ Первый (буквенный) индекс в обозначении группы │
│ (цифровой)├──────────┬──────────┬─────────┬──────────┬─────────┤
│ индекс в │ К │ М │ Р │ Т │ Х │
│обозначении│ │ │ │ │ │
│ группы │ │ │ │ │ │
├───────────┼──────────┼──────────┼─────────┼──────────┼─────────┤
│ 1 │ 3200 │ 2500 │ 2000 │ 1600 │ 1250 │
│ 2 │ 320 │ 250 │ 200 │ 160 │ 125 │
│ 3 │ 32 │ 25 │ 20 │ 16 │ 12,5 │
│ 4 │ 3,2 │ 2,5 │ 2 │ 1,6 │ 1,25 │
│ 5 │ 0,32 │ 0,25 │ 0,2 │ 0,16 │ 0,125 │
│ 6 │ 0,032 │ 0,025 │ 0,02 │ 0,016 │ 0,0125 │
│ 7 │ 0,0032 │ 0,0025 │ 0,002 │ 0,0016 │ 0,00125 │
│ 8 │ 0,00032 │ 0,00025 │ 0,0002 │ 0,00016 │0,000125 │
│ 9 │ 0,000032 │ 0,000025 │ 0,00002 │ 0,000016 │0,0000125│
└───────────┴──────────┴──────────┴─────────┴──────────┴─────────┘
Примеры обозначения групп модулей:
- для численного значения параметра 500 - Е2
- для численного значения параметра 16 - Т3
- для численного значения параметра 0,0025 - М7
(рекомендуемое)
ПЕРЕЧЕНЬ ЭЛЕКТРИЧЕСКИХ ПАРАМЕТРОВ МОДУЛЕЙ
Параметры модулей выбирают в зависимости от вида применяемых полупроводниковых приборов, устанавливают в ТУ на модули конкретных типов и выбирают из приведенных ниже:
- максимально допустимое напряжение между беспотенциальным основанием модуля и его выводами (электрическая прочность изоляции);
- тепловое сопротивление переход - среда при работе с рекомендуемым типом охладителя;
- переходное тепловое сопротивление переход - корпус (при работе с рекомендуемым типом охладителя);
- тепловое сопротивление переход - корпус;
- переходное тепловое сопротивление переход - корпус.
Дополнительно для модулей на основе диодов всех видов указывают:
- напряжение пробоя (для модулей на основе лавинных диодов);
- неповторяющееся импульсное обратное напряжение;
- повторяющееся импульсное обратное напряжение;
- импульсное прямое напряжение;
- максимально допустимый средний прямой ток;
- ударный прямой ток;
- повторяющийся импульсный обратный ток;
- время обратного восстановления (для модулей на основе быстровосстанавливающихся диодов);
- ударную обратную рассеиваемую мощность в обратном непроводящем состоянии (для модулей на основе лавинных диодов с контролируемым пробоем).
Дополнительно для модулей на основе тиристоров указывают:
- повторяющееся импульсное напряжение в закрытом состоянии;
- неповторяющееся импульсное напряжение в закрытом состоянии (для модулей на основе симметричных тиристоров устанавливают для обоих направлений);
- неповторяющееся импульсное обратное напряжение (для модулей на основе тиристоров, не проводящих в обратном направлении);
- обратное напряжение пробоя (только для модулей на основе лавинных тиристоров);
- средний ток в открытом состоянии;
- повторяющийся импульсный обратный ток (для модулей на основе тиристоров, не проводящих в обратном направлении);
- повторяющийся импульсный ток в закрытом состоянии (для модулей на основе симметричных тиристоров устанавливают для обоих направлений);
- импульсное напряжение в открытом состоянии (для модулей на основе симметричных тиристоров устанавливают для обоих направлений);
- импульсное напряжение в обратном проводящем состоянии (для модулей на основе тиристоров, проводящих в обратном направлении);
- ток удержания (кроме модулей на основе симметричных тиристоров);
- ударный ток в открытом состоянии;
- ударный ток в обратном проводящем состоянии (для модулей на основе тиристоров, проводящих в обратном направлении);
- критическую скорость нарастания тока в открытом состоянии;
- критическую скорость нарастания коммутационного напряжения (для модулей на основе тиристоров, проводящих в обратном направлении, и симметричных тиристоров);
- критическую скорость нарастания напряжения в закрытом состоянии (за исключением модулей на основе симметричных тиристоров);
- отпирающее постоянное напряжение управления;
- отпирающий постоянный ток управления;
- неотпирающее постоянное напряжение управления;
- время включения и задержки (для модулей на основе быстровключающихся, быстродействующих и запираемых тиристоров).
Дополнительно для модулей на основе запираемых тиристоров указывают:
- время выключения по управляющему электроду;
- неповторяющийся импульсный запираемый ток;
- повторяющийся импульсный запираемый ток;
- действующий ток в открытом состоянии;
- обратное импульсное напряжение управления;
- время медленного спада;
- ток медленного спада;
- постоянное обратное напряжение;
- постоянное напряжение в закрытом состоянии;
- ток перегрузки в открытом состоянии;
- прямой импульсный ток управления;
- среднюю рассеиваемую мощность управления;
- импульсную рассеиваемую мощность управления;
- неотпирающий постоянный ток управления;
- запирающее импульсное напряжение управления;
- запирающий импульсный ток управления;
- среднюю рассеиваемую мощность в открытом состоянии;
- скорость нарастания запирающего тока.
Дополнительно для модулей на основе биполярных транзисторов указывают:
- постоянное напряжение коллектор - база;
- постоянное напряжение эмиттер - база;
- предельное напряжение коллектор - эмиттер;
- напряжение насыщения коллектор - эмиттер и база - эмиттер;
- постоянный и импульсный токи базы;
- обратный ток коллектора;
- обратный ток эмиттера;
- обратный ток коллектор - эмиттер при заданных условиях в цепи базы;
- время включения;
- время выключения;
- статический коэффициент передачи тока.
Дополнительно для модулей на основе биполярных транзисторов с изолированным затвором указывают:
- предельное (пробивное) напряжение коллектор - эмиттер;
- максимальную мощность рассеивания;
- напряжение затвор - эмиттер;
- импульсный ток коллектора;
- пороговое напряжение затвора;
- обратный ток коллектор - эмиттер при короткозамкнутых выводах затвора и эмиттера;
- прямую проводимость (коэффициент передачи);
- емкость полупроводниковую структура - корпус;
- входную емкость;
- выходную емкость;
- емкость обратной связи;
- паразитную индуктивность коллектор - эмиттер;
- время задержки включения;
- время задержки выключения;
- время нарастания тока;
- время спада;
- энергию потерь при запирании.
Дополнительно для модулей на основе полевых транзисторов с электростатической индукцией указывают:
- сопротивление сток - исток в открытом состоянии;
- максимальную мощность рассеивания;
- импульсный ток стока;
- напряжение затвор - исток;
- энергию одиночного импульса при лавинном пробое;
- ток лавинного пробоя;
- максимальную скорость восстановления напряжения на паразитном диоде;
- температурный коэффициент напряжения пробоя;
- пороговое напряжение затвор - исток;
- прямую проводимость;
- ток утечки сток - исток;
- прямой (обратный) ток утечки затвор - исток;
- полный заряд затвора;
- заряд затвор - исток;
- заряд затвор - сток;
- время задержки включения;
- время задержки выключения;
- время нарастания;
- время спада;
- внутреннюю индуктивность стока;
- внутреннюю индуктивность истока;
- входную емкость;
- выходную емкость;
- емкость обратной связи;
- емкость сток - охладитель.
(обязательное)
СОДЕРЖАНИЕ ИНФОРМАЦИОННЫХ МАТЕРИАЛОВ
Предприятие-изготовитель должно обеспечить разработку материалов, содержащих информацию о нормах на предельно допустимые значения параметров, характеристиках и их зависимостях от режимов и условий эксплуатации.
По предельно допустимым значениям в зависимости от параметра должны приводиться максимально допустимые и (или) минимально допустимые значения, которые являются гарантированными для всех модулей данного типа.
По характеристикам приводятся максимальные и (или) минимальные значения или типичные значения.
Типичные значения характеристик приводятся для информации и не являются гарантированными.
Кроме того, в информационных материалах должны приводиться также следующие данные:
- дата выпуска информационных материалов;
- тип, модификация модуля, расшифровка условного обозначения модуля;
- особенности свойств, конструкции и технологии изготовления;
- основные области применения;
- габаритно-присоединительные размеры;
- обозначения выводов;
- минимальное расстояние между выводами и между выводами и беспотенциальным основанием модуля по воздуху;
- минимальное расстояние пути утечки тока по поверхности корпуса между выводами и между выводами и беспотенциальным основанием модуля;
- расположение (три координаты) контрольной точки измерения температуры корпуса;
- масса;
- рекомендуемый охладитель;
- указания по монтажу и эксплуатации;
- данные по надежности;
- гарантии изготовителя;
- формулирование заказа.
Обеспечение информационными материалами должно осуществляться в установленном порядке.